SURJETEUSE MOD. FY14UAD - Machine à coudre YAMATA - Notice d'utilisation et mode d'emploi gratuit
Retrouvez gratuitement la notice de l'appareil SURJETEUSE MOD. FY14UAD YAMATA au format PDF.
| Type de produit | Surjeteuse YAMATA MOD. FY14UAD |
| Caractéristiques techniques principales | 4 fils, 1 aiguille, 2 aiguilles, points de surjet, points de recouvrement |
| Alimentation électrique | 220-240 V, 50/60 Hz |
| Dimensions approximatives | 350 mm x 300 mm x 300 mm |
| Poids | 7 kg |
| Compatibilités | Tissus légers à moyens, jersey, denim |
| Fonctions principales | Surjet, ourlet, finition des bords, assemblage de tissus |
| Entretien et nettoyage | Nettoyage régulier du boîtier, lubrification des pièces mobiles, vérification des fils |
| Pièces détachées et réparabilité | Disponibilité de pièces de rechange, manuel de réparation inclus |
| Sécurité | Protection contre les surcharges, interrupteur de sécurité |
| Informations générales | Garantie de 2 ans, assistance technique disponible |
FOIRE AUX QUESTIONS - SURJETEUSE MOD. FY14UAD YAMATA
Téléchargez la notice de votre Machine à coudre au format PDF gratuitement ! Retrouvez votre notice SURJETEUSE MOD. FY14UAD - YAMATA et reprennez votre appareil électronique en main. Sur cette page sont publiés tous les documents nécessaires à l'utilisation de votre appareil SURJETEUSE MOD. FY14UAD de la marque YAMATA.
MODE D'EMPLOI SURJETEUSE MOD. FY14UAD YAMATA
Surjeteuse Mod. FY14UAD

Yamata
IMPORTANT CONSIGNES DE SECURITE
L'utilisation de la machine a coudre est soumise au respect strict des consignes de sécurité de base. Lire toutes les instructions avant d'utiliser la machine.
EQUIPEMENT ELECTRIQUE - TENIR HORS DE PORTÉ DES ENFANTS
Cet apparéil ne doit pas être utilisé sans surveillance par des enfants ou des personnes handicapées. Ne pas laisser les enfants en bas âge jouer avec l' apparéil.
DANGER!
Afin d'éviter les accidents causés par les décharges électriques :
Ne jamais laisser la machine sans surveillance lorsqu'elle est branchée. Toujours la débrancher immédiatement après utilisation et avant de proceder au nettoyage.
La débrancher également avant de changer l'ampoule Remplacer l'ampoule par un modulo 15 watt de même type. S'assurer que le cache de protection de l'ampoule est bien remise en place avant d'utiliser la machine.
AVERTISSEMENT!
Précautions pour réduire les risques de brûlle, d'incendie, d'électrocution ou de blessures corporelles :
S'assurer que la tension secteur (prise murale) est la meme que celle pour laquelle est prevue la machine.
Ne se servir de cette machine que pour les usages prévus et décrits dans le present manuel d'utilisation.
N'utiliser que les accessoires recommendés par le constructeur tels que mentionnés dans ce manuel d'utilisation.
Pour débrancher la machine, ramener toutes les réglages à zéro (O), puis retirer la prise.
Débrancher le cordon d'alimentation oumettre l'interrupteur en position arrêt avant d'effectuer toute intervention autour des aiguilles telle que I'enfilage de ces aiguilles et des boucleurs, le changement d'aiguille, de plaque a aiguille ou de pied presseur, etc.
Toujours débrancher la machine avant d'enlever les capots, d'effectuer le graissage ou toute autre opération d'entretien courant mentionnée dans leprésent manuel d'utilisation.
Ne pas tenter de régler la courroie du moteur. Si un réglage est nécessaire, contacter le service après-venture.
Ne pas débrancher la machine en tirant sur le cordon. La déconnexion se fait en tirant sur la prise et non sur le cordon.
- Manipuler la commande à pied avec précaution et éviter de la laisseur tomber sur le sol.
Toujours utilise la plaque à aiguille appropriée. Une plaque non conforme peut entrainer larupture de l'aiguille.
Ne pas utiliser d'ailigilles cintrées.
Pendant les opérations de couture, toujours protégger ses doigts des pieces en mouvement. Une attention particulière est à apporter à l'aiguille de la machine à coudre.
Ne pas tirer ou pousser le tissu lors du piquage. Cela pourrait entraîner la rupture de l'aiguille.
Pour les machines à double isolation, n'utiliser que des pieces de rechange identiques aux originales pour l'entretien.
Voir les instructions d'entretien spécifique aux apparciels à double isolation.
Toujours utiliser la poignée pour soulever et déplacer la machine.
Ne jamais faire fonctionner une machine dont le cordon ou la prise sont endommages, qui ne fonctionne pas correctement, qu'on a faite tomber, qui a subit des dommages ou a ete au contact de I'eau. Retourner la machine au service après vente pour controle, reparation, revision eletrique ou mecanique.
Ne jamais faire fonctionner une machine dont les ouies de ventilation sont obstruées. Maintenir les ouvertures d'airation de la machine ainsi que la commande à pied libres de toute accumulation de poussière, de bourre ou de résidus de tissu.
Ne jamais laisser tomber ou introduire d'objet dans une ouverture.
Ne pas utiliser en extérieur.
Ne pas faire fonctionner lorsque des produits aérosols (en bombe) sont utilisés ou en présence d'oxygène sous pression.
Cette machine n'est pas un jouet. Une attention étroite est nécessaire lorsqu'on utilise la machine en présence d'enfants.
Ne pas exposer directement la machine ou sa valise en plastique au rayonnement solaire. De même, ne pas la conserver dans un endroit trop chaud ou trop humide.
Ne pas toucher la machine, la molette réglage de pression du pied et le cordon d'alimentation avec des mains ou des vêtements mouillés ou quoi que cela soit d'humide.
Ne pas brancher la machine avec d'autres apparciels electriques sur une meme prise a l'aide d'un adaptateur.
Utiliser la machine sur une table plane et stable.
S'assurer que le capot du barillet et le cache-boucleur sont fermés avant d'utiliser la machine
Conserver le pied presseur et les aiguilles hors de portée des enfants.
S'assurer que l'ampoule est refroidie avant de proceder à son remplacement.
Ne pas démonter ou transformer la machine par vous-même
S'assurer que l'interrupteur est sur Arrêt et que la prise d'alimentation est débranchée avant d'effectuer les opérations d'entretien courant recommendées dans le guide d'utilisation.
Entretien des appeareils à double isolation.
Dans un apparéil à double isolation, deux circuits d'isolation électrique sont utilisés à la place de la mise à la terre.
Dans un tel apparéil, il n'y a pas de possibilité de mise à la terre et il n'est pas possible de la rajouter. L'entretien d'un apparéil à double isolation nécessite un soin extrémement attentif et la connaissance du principe. Il ne doit être réalisé que par un personnel qualifié. Les pièces de rechange utilisées pour ces matériels doivent être identiques aux pièces d'origine.
Un apparéil à double isolation est repéré par un marquage spécial normalisé.
Conserver ces instructions
L'entretien doit être réalisé uniquement par un prestatare de serviceagréé.
Ce produit est destiné à un usage domestique.
| bleu | neutre (N) |
| brun | phase (L) |
neutre (N)

Fusible
phase (L)
Pour l'Europe et pays assimilés:
Les machines destinées à la Grande Bretagne et à quelques autres pays utilisant les mêmes standards électriques sont livrées depuis l'usine sans prise de courant. Dans ce cas, la valeur des conducteurs d'alimentation est la suivante:
Comme il est possible que ces couleurs ne correspondent pas aux repères de couleur des bornes sur la prise, procédé de la façon suivante pour le raccordement :
Le conducteur de couleur bleu est à raccarder à la borne repérée par la dette N ou par la couleur noir. Le conducteur de couleur brune est à raccarder à la borne repérée par la dette L (Phase) ou par la couleur rouge. Si une prise 13 A (type BS 1363) est utilisée, un fissible de 3 A (type BS 1362) doit être installé. Si un tout autre type de prise est utilisé, un fissible de 5 A doit être installé soit sur la prise, l'adaptateur ou sur le tableau de distribution.
Ne jamais raccorder l'un des conducteurs à la fiche de terre si une prise à trois fiches est utilisé.
TABLE DES MATIERES
- Accessoires 4
2.Information sur les aiguilles 4 - Pièces principales 4
- Ouverture du cache-boucleur 5
- Principales pieces situées derrière le cache-boucleur 5
6.Preparation prealable a la couture 6 - Mise en place du porte-fils 6
8.Demontage et mise-en-place des aiguilles 7 - Demontage des aiguille(s) 7
- Mise-en-place des aiguille(s) 7
- Demontage et remontage de la tablette de couture 8
0.Demontage et remontage du capot du barillet 8
1.Enfilage de la machine 9 - Schéma d'enfilage 9
- Signification du code des couleurs 9
- Schéma des points 9
- Enfilage correct de la machine 9
- Information importante concernant l'enfilage 16
- Formation de la chaînette hors tissu et essai de couture 1
- Types de points élémentaires 14
- Faux point de sécurité (« Mock safety ») à 4 fils 14
- Point de surjet large a 3 fils 14
- Point de surjet étroit à 3 fils 13
- Réglage de la tension de fil 13
- Reglages de tension recommends pour le faux point de sécurité à 4 fils 19
- Équilibrage normal pour le faux point de sécurité à 4 fils 19
- Corrections d'équilibrage pour le faux point de sécurité à 4 fils 19
- Reglages de tension recommendés pour le point de surjet à 3 fils 20
-Équilibrage normal pour le point de surjet a 3 fils 20 - Corrections d'équilibrage pour le point de surjet à 3 fils 20
5.Changement de fil / methode par nouage 2 - Réglage de la longueur de point 25
7.Dégagement du couteau mobile supérieur 23 - Mise du couteau mobile en position repos 25
- Mise du couteau mobile en position de travail 23
- Lignes de guidage 23
- Réglage de la largeur de surjet 2
- RÉalisation d'un ourlet roulé 25
- Réglage de la machine 29
- Reglages de tension recommendés pour les oulets roulés standard 20
- Reglages de tension recommendés pour le fil de boucleur supérieur pour les oulet s'point enveloppant 20
- Equilibrage du fil de boucleur supérieur pour les ourlets roulés au point enveloppant 20
- Information complémentaire sur les oulets roulés 27
- Pour arreter la chaînette sur un oulet roulé 2
- Variétés de points et techniques de couture 28
- Couture decorative avec la technique du flatlock 30
- RÉalisation de pris cousus 30
- Surjets en coin 3
- Placement d'épinges 32
- Arrêt des fils de chainette 32
- Pose d'un élastique 35
- Renfort d'une couture 34
- RÉalisation de tresses en chaînette 34
- Entrainement différentiel (sur certains modèles uniquement) 35
- Réglage de la pression du pied 31
23.Couture surbras libre 31
24.Relation entre le tissu,le fil et laiguille 38 - Entretien de la machine 39
- Nettoyage de la machine 39
- Graissage de la machine 39
-Remplacement du couteau fixe 46 - Changement de l'ampoule déclairage 4
- Tableau de dépannage 49
- Specification 49
DESCRIPTION GÉNÉRALE DE LA MACHINE
Votre surjeteuse réalis en une seule opération des oulets ou des surjets sur les cordures de vos tissus et leur arasement simultané. Elle utilise un couteau mobile et un couteau fixe et peut réaliser une variété de points de surjet à 3 ou 4 fils, de même que des oulets roulés.
1. ACCESSORIES
- Jeu d'iguilles
- Tournevis (pour vis à tôle)
- Tournevis (petit modele)
- Pinces brucelles
- Plaque à aiguille pour ourlets roulés
- Clé Allen
- Tournevis pour vis six pans creuses

2. INFORMATION SUR LES AIGUILLES
- Cette surjeteuse utilise des aiguilles à talon plat standard qui éliminent le risque d'insertion à l'envers. La machine est fournie avec des aiguilles SY2020 de taille 4.
- Se reporter au tableau page 39 pour la sélection du type d'aiguille approprié à chaque projet.
| Pointe normale SY2020 | |
| Tailles | 10 |
| 12 | |
| disponnibles | 14 |
| 16 |
3. PIÉCES PRINCIPALES
- Porte et guide-fils
- Poignée
- Molette de réglage de pression de pied
- Bouton de réglage de tension du fil de l'aiguille gauche
- Bouton de réglage de tension du fil de l'aiguille droite
- Bouton de réglage de tension du fil du boucleur supérieur
- Bouton de réglage de tension du fil du boucleur inférieur
- Plaque à aiguille
- Capot du barillet
- Tablette de couture
- Cache-boucleur
- Interrupteur Marche/Arrêt (alimentation & lumière)
- Bouton de réglage de longueur de point
- Volant manuel
- Capot moteur
- Support de bobines
- Adaptateur pour cône
- Porte-bobine
- Boîte à chutes

4. OUVERTURE DU Cache-BOUCLEUR

Attention!
S'assurer que l'interrupteur a eté mis sur Arrêt.
- Enlever la boîte à chutes
- Pousser le cache à fond vers la droite 1
- Tiner le cache vers le bas 2

Attention!
Pour des raisons de sécurité, dés que le cache-boucleur est oété, l'alimentation électrique de la machine est coupée, ce qui veut dire qu'elle ne peut plus fonctionner.
5. PRINCIPALES PIECES SITUÉS DERRIÈRE LE Cache-BOUCLEUR
- Boucleur supérieur
- Couteau mobile supérieur
- Pied presseur
- Couteau fixe inférieur
- Boucleur inférieur
6. PREPARATION PREALABLE À LA COUTURE
- Brancher la prise de la commande à pied 1 dans le connecteur 2 de la machine.
- Brancher la prise de courant 3 sur la prise secteur 4.
- Mettre l'interrupteur Marche/Arrêt en position Marche (ON / Allume également l'éclairage)
Mettre l'interrupteur Marche/Arrêt en position Arrêt (O/OFF)
- pour démarrer la machine et ajuster la vitesse, appuyer sur la commande à pied (pédale).
- Plus la pression est forte, plus la machine coud vite.
- Pour interrompre l'opération de couture, relever le pied de la pédale.



AVERTISSEMENT:
S'assurer que la tension à la prise de courant (prise murale) est la même que celle pour laquelle est prévue la machine.
- Manipuler la commande à pied avec précaution et éviter de la laisseur tomber sur le sol. S'assurer qu'elle n'est pas recouverte lorsqu'elle n'est pas utilisé.
- Débrancher la prise de courant pour changer les aiguilles, le pied presseur ou la plaque à aiguille ; de même lorsqu'on ne se sert pas de la machine. Ceci préviendra tout démarrage intempestif en cas de pression accidentelle sur la pédale.
- Débrancher la prise avant de procéder au nettoyage de la machine.
7. MISE EN PLACE DU PORTE-FILS
- La machine est livrée avec le porte-fils en position basse.
- Déployer entièrement le porte-fils.
- Les deux butées de la tige téléscopique émettright un clic lorsqu'elles seront correctement positionnées.
- Positionner les guide-fils au dessus des porte-bobines.
- Placer les fils sur les adaptateurs de cône des porte-bobines.
- Si nécessaire, ajuster les adaptateurs de cône en hauteur de façon à ce que les bobines de fil seront entièrement enforcées sur les porte-bobines.
NOTE :
Si la machine est déjà enfilée, tendre les fils pour empêcher qu'ils s'emmèlent.

8. DEMONTAGE ET MISE-EN-PLACE DES AIGUILLES
DÉMONTAGE DE/DES (L')AIGUILLE(S)

ATTENTION!
Assurez-vous que la machine est débranchée avant
de démonter la ou les aiguille(s).
- Tournier le volant manuel vers soi jusqu'à ce que l'aiguille soit dans sa position la plus haute.
- Desserrer, mais ne pas oter la vis de fixation de l'aiguille à l'aide du plus petit tournevis.
-Vis de fixation de I'aiguille gauche (1)
-Vis de fixation de I'aiguille droite (2) - Enlever la ou les aiguille(s)

MISE-EN-PLACE DE/DES (L')AIGUILLE(S) ATTENTION!
S'assurer que la machine est débranchée avant de replacer la ou les aiguille(s).
- Présenter l'aiguille avec la face plane orientée vers l'arrière.
- Insérer l'aiguille à fond dans le porte-aiguille.
Note:
L'aiguille gauche (3) sera légèrement plus haute que l'aiguille droite (4).
- Resserrer fermement les vis de fixation des aiguilles.
Note:
- Cette machine utilise des aiguilles SY2020. Se reporter à la page 4 pour des informations complémentaires sur les aiguilles.
- Enlever la tablette de couture ou le capot du barillet en cas de difficultés pour démonter et replacer les aiguilles.

9. DEMONTAGE ET REMONTAGE DE LA TABLETTE DE COUTURE
- Pour coudre en bras libre (pièces tubulaires), démonter la tablette de couture.
- Le démontage s'effectue en tirant la tablette vers la gauche tout en tournant le bouton situé en dessous vers le haut.
- Pour le remontage, engager le loquet de la tablette dans le trou situé dans le capot du barillet et pousser la tablette de couture à fond vers la droite.
10. DEMONTAGE ET REMONTAGE DU CAPOT DU BARILLET

Attention!
S'assurer que l'interrupteur a eté mis sur Arret.
- La dépose du capot du barillet permet d'acceder au boucleur inférieur et de facilititer l'enfilage et le nettoyage de la machine.
- Le capot du barillet peut être démontré en même temps que la tablette de couture en le tirant vers la gauche.
- Pour remonter le capot du barillet en même temps que la tablette de couture, pousser l'ensemble à fond vers la droite.
- Le démontage du capot du barillet sans la tablette de couture s'effectue facilement en le soulevant tout en le tirant vers la gauche.
- Pour remonter le capot du barillet seul, engager la partie plate supérieure sous la plaque à aiguille et appuyer sur le capot vers le bas et la droite.

Avtissement :
Ne pas prendre la machine par le capot du barillet pour la soulever ou la transporter.

Attention!
S'assurer que le capot du barillet est remis en place avant de commencer à coudre.




11. ENFILAGE DE LA MACHINE
Un schéma d'enfilage avec un repérage des fils par couleurs est placé à l'intérieur du cache-boucleur
- Effectuer l'enfilage de la machine dans l'ordre de 1 à 4 comme indiqué.
SIGNIFICATION DU CODE DES COULEURS
- Fil de l'aiguille gauche 4
- Fil de l'aiguille droite 3
- Fil du boucleur supérieur 1
-Fil du boucleur inférieur 2
SCHEMA DES POINTS
- Fil du boucleur supérieur 1
- Fil du boucleur inférieur 2
- Fil de l'aiguille droite 3
- Fil de l'aiguille gauche 4
ENFILAGE CORRECT DE LA MACHINE

Attention!
S'assurer que l'interrupteur a eté mis sur Arrêt.
Tournier le volant manuel de façon à déplacer le boucleur supérieur à sa position la plus haute.
(1) ENFILAGE DU BOUCLEUR SUPérieUR
Enfilier le boucleur supérieur dans l'ordre indiquede 1 a 8.

- Faire passer le fil à travers le guide-fil de l'arrière vers l'avant (1).
- Faire passer le fil à travers le trou 2 de l'avant vers l'arrière puis dans la fente à droite vers l'avant comme indiqué.
- En maintenant le fil entre les doigts, le faire passer entre les disques de tension et le tirer vers le bas pour s'assurer qu'il est bien pris.
- L'enfilage des boucleurs se fait en passant par les guide-fils (4 - 7) représ en orange.
- Enfilier l'oeil du boucleur supérieur de l'avant vers l'arrière 8.
Note :
Utiliser les pinces brucelles fournies avec la trousse d'accessoires pour faciliter l'enfilage du boucleur.
- Tirer environ 5 cm de fil à travers le boucleur et le positionner à l'arrière de la plaque à aiguille.




(2) ENFILAGE DU BOUCLEUR INFÉRIEUR
Enfilier le boucleur inférieur dans l'ordre indiquede 1 a 9.
- Faire passer le fil à travers le guide-fil de l'arrière vers l'avant (1).
- Faire passer le fil à travers le trou 2 de l'avant vers l'arrière puis dans la fente à droite vers l'avant comme indiqué.
- En maintainant le fil entre les doigs, le faire passer entre les disques de tension 3 et le tirer vers le bas pour s'assurer qu'il est bien pris.

- L'enfilage des boucleurs se fait en passant par les guide-fils 4 et 6 repérés en jaune et orange.
- Démoner le capot du barillet (Cf. page 9) pour acceder au boucleur inférieur et l'enfiler.
- Tourner le volant manuel vers soi jusqu'à ce que le boucleur inférieur soit déported au maximum à gauche
-Tirer de 7 à 10 cm de fil à travers le guide-fil 7. - Insérer le fil par l'extrémité gauche du boucleur inférieur (8)
- Tirer le fil vers le bas.
Note:
- Utiliser les pinces brucelles fournies avec la trousse d'accessoires pour faciliter l'enfilage du boucleur.
- Tourner le volant manuel vers soi jusqu'à ce que le boucleur inférieur soit déported au maximum à droite.
- Récupérer le fil et le faire passer dans l'oeil situé à l'extrémité du boucleur (9).
- Le fil doit être positionné dans la gorge du boucleur inférieur.
- Tirer environ 5 cm de fil à travers le boucleur inférieuret le faire passer par-dessus le boucleur supérieur vers l'arrête de la plaque à aiguille.




(3) ENFILAGE DE L'AIGUILLE DROITE
Enfilier l'aiguille droite dans l'ordre indiquede 1 a 9.
- Faire passer le fil à travers le guide-fil de l'arrière vers l'avant (1).
- Faire passer le fil à travers le trou (2) de l'avant vers l'arrière puis dans la fente à droite vers l'avant comme indiqué.
- En maintainant le fil entre les doigs, le faire passer entre les disques de tension (3) et le tirer vers le bas pour s'assurer qu'il est bien pris.

Continuer l'enfilage par les points 4 à 8.
Note:
S' assurer que le cheminement du fil passse bien par leguide-fil (6).
- Enfilier le chas de l'aiguille droite (9).
- Il peut être plus facile d'enfilier l'aiguille lorsque le couteau supérieur est dégagé et placé en position repos (voir page 23).
- S'assurer que le couteau est bien en place avant de commencer à coudre.
- Passrer le fil vers l'arrière sous le pied presseur.

(4) ENFILAGE DE L'AIGUILLE GAUCHE
Enfilier l'aiguille gauche dans l'ordre indiqué de 1 à 8.
- Faire passer le fil à travers le guide-fil de l'arrête vers l'avant (1).
- Faire passer le fil à travers le trou (2) de l'avant vers l'arrière puis dans la fente à droite vers l'avant comme indiqué.
- En maintainant le fil entre les doigts, le faire passer entre les disques de tension 3 et le tirer vers le bas pour s'assurer qu'il est bien pris.

- Continuer l'enfilage par les points 4 à 7.
Note :
S' assurer que le cheminement du fil passée bien par le guide-fil (5).
- Enfilier le chas de l'aiguille gauche 8.
- Il peut être plus facile d'enfiler l'aiguille lorsque le couteau supérieur est dégagé et place en position repos (voir page 17). S'assurer que le couteau est bien en place avant de commencer à coudre.
- Passrer le fil vers l'arrière sous le pied presseur.
INFORMATION IMPORTANTE CONCERNANT L'ENFILAGE
Toujours enfiler les aiguilles en dernier pour éviter d'enfiler de manière incorrecte le boucleur inférieur.
- Si le boucleur supérieur se defile.
1) Défilier la ou les aiguille(s)
2) Renfilier le boucleur inférieur
3) Renfilier la ou les aiguille(s)

12. FORMATION DE LA CHAINETTE HORS TISSU ET ESSAI DE COUTURE
- Lorsque la machine est complètement enfilée, ramener tous les fils par-dessus la plaque à aiguille sous le pied presseur, légèrement vers la gauche.
- Maintenir les fils et leur appliquer une légère tension.
- Tourner le volant manuel vers soi de 2 à 3 tours complets pour démarrer le chainage des fils.
- Abaisser le pied presseur.
- Continuer à十年er la chaînette et appuyer sur la pédale de commande jusqu'à ce que la chaînetteatteigne 5 à 8 cm de longueur.
- Engager un échantillon de tissu sous le pied presseur et faire un d'essay de couture.
Note:
Ne pas tirer sur le tissu durant la couture car cela peut faire devier l'aiguille et entrainer sarupture.
- Arrivé au bout de l'échantillon, continuer à faire tourner la machine (pied presseur en position)basse) jusqu'à ce que la chaînetteatteigne 5 à 8cm de longueur.
- Couper la chaînette.
Note:
Toujours former la chainette hors tissu et coudre un échantillon d'essay chaque fois que la machine a été renfilée de façon à vérifier les tensions et à les ajuster si nécessaire.

13. TYPES DE POINTS ÉLÉMENTAIRES
FAUX POINT DE SECURITE(«MOCK SAFETY») A4 FILS
- Cette machine est nominalement une surjeteuse à quatre fils qui utilise deux aiguilles et deux boucleurs pour réaliser des faux points de sécurité de 5,7 mm de large.
POINT DE SURJET LARGE Á3 FILS
- Lorsque l'aiguille droite est enlevée, la machine réalisée des surjets larges de 5,7 mm à trois fils.
POINT DE SURJET ETROIT A3 FILS
- Lorsque l'aiguille gauche est enlevée, la machine réalise des surjets étroits de 3,5 mm à trois fils.
Note:
La largeur de point peut être augmentée en ajustant la position du couteau (Cf. page 23).
- Avec l'aiguille gauche, le point peut être augmente de 5,7 mm à 7,2 mm.
- Avec l'aiguille droite, le point peut être augmente de 3,5 mm à 5,0 mm.
14. RÉGLAGE DE LA TENSION DE FIL
- Les boutons de réglage de tension de fil de la machine ont une course d'un tour.
- Lorsqu'on augmente la valeur du réglage, la tension de fil devient plus forte.
0 = tension la plus faible
9 = tension la plus forte
S'assurer que la machine est correctement enfilée, sans quoi une tension correcte ne pourrait pas être obtenue.
- Lorsqu'on effectue des réglages pour équilibrer les tensions, il est recommandé de :
1) De ne pas faire d'ajustement de plus d'un demi cran à la fois.
2) De coudre un échantillon d'essai après chaque ajustement


5.7mm(7/32")


5.7mm(7/32")


3.5mm (9/64")

Réglage habituel = 1½
L'ajustement peut se faire à 1 ou à
2 (+/-1/2 cran).
RÉGLAGES DE TENSION RECOMMANDÉS POUR LE FAUX POINT DE SECURITÉA4 FILS
Note:
- Ces réglages sont des recommendations uniquement
- Les réglages de tension sont affectés par :
1) La nature et l'épaisseur du tissu
2) La taille de l'aiguille
3) L'épaissieur, le type et la composition du fil
ÉQUILIBRAGE NORMAL POUR LE FAUX POINT DE SECURITÉA4 FILS
CORRECTIONS D'ÉQUILIBRAGE POUR LE FAUX POINT DE SECURITÉA4 FILS
Le fil du boucleur supérieur déborde sur l'envers du tissu:
- Ajuster sa tension à un cran supérieur
- Ou ajuster la tension du fil du boucleur inférieur à un cran inférieur
Le fil du boucleur inférieur apparait à l'endetroit du tissu:
- Ajuster la tension du fil du boucleur inférieur à un cran supérieur.
- Ou ajuster la tension du fil du boucleur supérieur à un cran inférieur
La tension du fil de l'aiguille gauche est trop reliachée:
- Ajuster la tension du fil de l'aiguille gauche à un cran supérieur.
La tension du fil de l'aiguille droite est trop relachée.
- Ajuster la tension du fil de l'aiguille droite à un cran supérieur
| Tissu | Réglage de tension | |||
| Alguille gaucheil | Alguille droite | Boucleur supérieur | Boucleur inférieur | |
| léger | 3 | 2,5 | 1 | 2 |
| moyen | 4 | 3 | 1 | 2 |
| lourd | 5 | 4 | 1,5 | 2,5 |

RéGLAGES DE TENSION RECOMMANDÉS POUR LE POINT DE SURJET À3 FILS
Note:
- Ces réglages sont des recommendations uniquement.
- Les réglages de tension sont affectés par
1) La nature et l'épaissur du tissu
2) La taille de l'aiguille
3) L'épaissieur, le type et la composition du fil.
ÉQUILIBRAGE NORMAL POUR LE POINT DE SURJET A 3 FILS
CORRECTIONS D'ÉQUILIBRAGE POUR LE POINT DE SURJET Á3 FILS
Le fil du boucleur supérieur déborde sur l'envers du tissu:
- Ajuster sa tension à un cran supérieur
- Ou ajuster la tension du fil du boucleur inférieur à un cran inférieur
Le fil du boucleur inférieur apparait à l'endetroit:
- Ajuster la tension du fil du boucleur inférieur à un cran supérieur.
- Ou ajuster la tension du fil du boucleur supérieur à un cran inférieur.
-Si le fil d'iguille est trop relaché,ajuster sa tension à un cran supérieur.
Aiguille gauche / point de surjet large à 3 fils
| Tissu | Réglage de tension | |||
| Aiguille gauche | Alguille droite | Boucleur supérieur | Boucleur inférieur | |
| Léger | 3 | 1 | 2 | |
| Moyen | 4 | 1 | 2 | |
| Lourd | 5 | 1,5 | 2,5 | |
Aiguille droite / point de surjet large à 3 fils
| Tissu | Réglage de tension | |||
| Aiguille gauche | Aiguille gauche | Boucleur supérieur | Boucleur inférieur | |
| Léger | 3 | 1,5 | 2 | |
| Moyen | 4 | 1,5 | 2 | |
| Lourd | 5 | 2 | 2,5 | |

15. CHANGEMENT DE FIL / MÉTHODE PAR NOUAGE
- Pour changer le type de fil ou de couleur, couper le fil en cours au ras de sa bobine
- Placer le nouveau fil sur le support
- Nouver le nouveau et l'ancien fil ensemble.
- Laisser des brins de 2 à 3 cm (si les brins sont coupés trop court, les fils peuvent se détacher).
- Tirer fermement sur les deux fils pour tester la solidité du nœud.
- Noter les réglages de tension actuels.
- Tournier les boutons de réglage de tension vers le bas jusqu'à leur butée

-Tirer les fils l'un après l'autre a travers la machine.
- Si le fil a du mal à passer, vérifier qu'il n'est pas emmélé dans les guide-fils ou qu'il ne fait pas de boucle autour du support de bobines.
-Lorsqu'il s'agit de faire passer un fil à travers une aiguille,
ARRÉTER DE TIRER lorsqu'le nœud arrive au chas.
- couper le fil et l'insérer dans le chas.
- Ramener les réglages de tension à leurs valeurs précédentes.
16. RÉGLAGE DE LA LONGUEUR DE POINT
- Le bouton de réglage de longueur de point peut être positionné sur 3 mm pour la majorité des cas.
- Pour les tissus lourds, la longueur de point peut être ajustée à 4 mm.
- Pour les tissus légers, ajuster la longueur de point à 2 mm de façon à atteoir une couture parfaite sans fronces.
17. DÉGAGEMENT DU COUTEAU MOBILE SUPérieUR

ATTENTION!
S'assurer que l'interrupteur a eté mis sur Arrêt.
MISE DU COUTEAU MOBILE EN POSITION REPOS
- Ouvrir le cache-boucleur (Cf. page 6)
- Pousser le portecouteau mobile à fond vers la droite.
- Tourner le bouton dans le sens des aiguilles d'une montre jusqu'à ce que le couteau viennent se verrouiller en position horizontale.
Note:
Si le couteau reste bloqué en position verticale, Tourner le volant manuel vers soi jusqu'à ce que le couteau quitte sa position. Continuer à le faire tourner jusqu'à la position horizontale.




Porte-couteau mobile

REMISE DU COUTEAU MOBILE EN POSITION DE TRAVAIL
- Ouvrir le cache-boucleur et pousser le portecouteau mobile à fond vers la droite.
- Tourner le bouton dans le sens inverse des aiguilles d'une montre jusqu'à ce que le couteau viennent se verrouiller en position de travail.

ATTENTION!
Toujours refermer le cache-boucleur avant de faire fonctionner la machine.
18. LIGNES DE GUIDAGE
- Lorsque l'aiguille gauche est en place, la grossse ligne sur la plaque située à gauche du cache-boucleur se trouve à 16 mm d'elle.
- Lorsqu'on utilise l'aiguille droite, la grossse ligne se trouve à 14 mm.
Note: Les lignes sont distances de 2 mm l'une de l'autre.


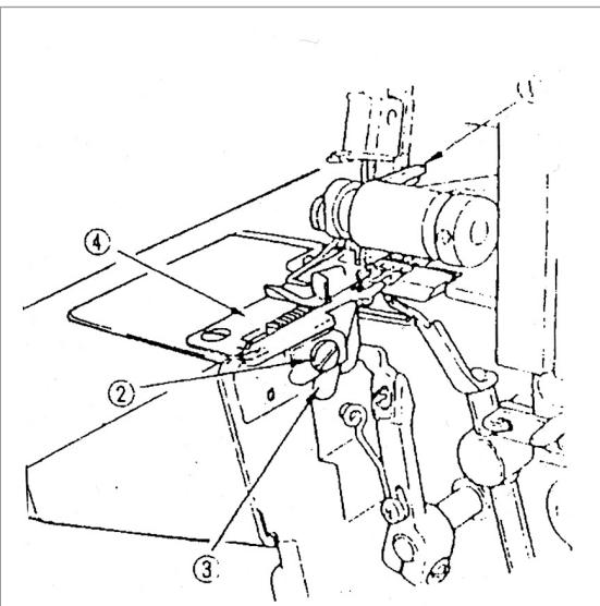
19. RÉGLAGE DE LA LARGEUR DE SURJET
- La machine est régée d'origine pour réaliser des points de surjets à quatre et trois fils sur une largeur de 5,7 mm.
- La machine est réglée d'origine pour réaliser des points de surjets à trois fils sur une largeur de 3,5 mm avec l'aiguille droite.
- Ces réglages peuvent être augmentés respectivement de 5,7 mm à 7,2 mm et de 3,5 mm à 5 mm en ajustant la position du couteau fixe.

ATTENTION!
Avant d'effectuer cet ajustement, assurez-vous
que vous avez mis l'interrupteur sur Arret.
- Ouvrir le cache-boucleur (Cf. page 6).
- Dégager le couteau mobile supérieur (Cf. page 23).
- Enlever en place le capot du barillet (Cf. page 9).
- Desserrer les 2 vis de fixation du porte-couteau fixe avec la clé Allen fournie avec les accessoires (1).
- Déplacer le porte-couteau fixe vers la droite pour augmenter la largeur de point ou vers la gauche pour la réduire.
- S'assurer que le bord tranchant du couteau fixe est alignée sur le plan supérieur de la plaque à aiguille (2).
- Resserrer les vis de fixation (3).
- Remetre en place le capot du barillet (Cf. page 9)
- Ramener le couteau mobile à sa position originale (Cf. page 24).
- Faire un essai de couture et ajuster les tensions comme nécessaire pour compenser l'augmentation ou la réduction de largeur de point.
Note:
Ne pas regler la largeur de surjet a moins de 3,5 mm.

Attention!
Toujours refermer le cache-boucleur
avant de faire fonctionner la machine.





(2)

(3)
20. RÉALISATION D'UN OURLET ROLÉ
- Un ourlet roulé est réalisé en repliant et en surjetant le bord du tissu.
- Lesassageresultatsontobutenusavecdestissus légers tels que la batiste,le voile,l'organdi,le crêpe,etc.
- L'ourlet roulé n'est pas approprié aux tissus lourds ou rigides.
RéGLAGE DE LA MACHINE

Attention!
S' assurer que I'interrupteur a été mis sur Arrêt
- Démoner l'ailguille gauche.
- Insérer une aiguille N^2054 de taille 10 ou 14 dans le logement d'aiguille croit.
- Tournier le volant manuel vers soi jusqu'à ce que l'aiguille soit dans sa position la plus haute.
- Dévisser la plaque à aiguille.
- Mettre en place la plaque à aiguille pour ourlet roulé en prénant garde de ne pas coincer les fils sous la plaque.
- Remetre la vis de fixation.
- Ouvrir le cache-boucleur (Cf. page 6).
- Dégager le couteau mobile supérieur (Cf. page 23).
- Enlever en place le capot du barillet (Cf. page 9).
- Aligner le bord gauche du couteau fixe sur la marque « M » de la plaque à aiguille pour ourlet roulé.
- Voir page 24 pour l'ajustement du couteau fixe.
Note:
S'assurer que le couteau fixe ne touche pas le bord de la plaque à aiguille pour ourlet roulé.

Attention!
Remetre en place le capot du barillet et le couteau supérieur.
Fermer le cache-boucleur.




Portecouteau fixe
- Metre le bouton de réglage de longueur de point sur **
2-F pour obtenir une couture fine. - Cette machine peut réaliser deux types d'oulet roulé.
RéGLAGES DE TENSION RECOMMANDÉS POUR LES OURLETS ROLÉS STANDARD
- Toujours réalisier un essai de couture préalable sur échantillon et ajuster l'équilibre des tensions si nécessse.
- Ajuster l'équilibre des tensions de la même façon que pour un point de surjet a 3 fils (Cf. page 21)
RéGLAGES DE TENSION RECOMMANDÉS POUR LE FIL DE BOUCLEUR SUPérieUR POUR LES OUR-LETS ÁPOINT ENVELOPPANT
- Pour les tissus moyens et lourds qui sont difficiles à rouler.
- Toujours réalisier un essai de couture préalable sur échantillon et ajuster l'équilibre des tensions selon les instructions ci-dessous.
- Pour obtenir une belle finition enfiler le boucleur supérieur avec du fil mousse en nylon et l'aiguille ainsi que le boucleur inférieur avec du fil fin normal.
ÉQUILIBRAGE DU FIL DE BOUCLEUR SUPérieUR POUR LES OURLETS ROLÉS AU POINT ENVELOPPANT
- Lorsque le le fil du boucleur supérieur est trop l'âche
- Ajuster sa tension à un cran supérieur.

| Réglage de tension | |||
| Alguille gauche | Alguille droite | Alguille droite | Boucleur inférieur |
| 3,5 | 3,5 | 2,5 | |

| Réglage de tension | |||
| Aiguille gauche | Aiguille droite | Aiguille droite | Boucleur inférieur |
| 3,5 | 1 | 5,5 | |

- Lorsque le fil du boucleur inférieur est trop lâche
- Ajuster sa tension à un cran supérieur.
- Ou ajuster la tension du fil du boucleur supérieur à un cran inférieur.
- Lorsque le le fil d'aiguille est trop lâche
- Ajuster sa tension à un cran supérieur.
INFORMATION COMPLEMENTaire SUR LES OURLETS ROULES
- Au début du piquage, maintainir la chaînette pour l'empêcher de se prendre dans la couture.
- Exercer une légère tension sur le tissu dans le sens de la couture de façon à obtaining une belle finition.
- La largeur de surjet minimum qui peut être obtenue pour un ourlet roulé est d'environ 1,5 mm dans la mesure où la largeur de coupe ne peut être réglée à moins de 3,5 mm.
POUR ARRÊTER LA CHÂINETTE SUR UN OURLET RÓULE
- Appliquer une petite goutte de colle liquide à l'extrémité de la couture. Laisser sécher et couper la chaînette au ras des points.
Note:
Tester la tenue de la couleur à la colle avant usage.




21. VARIÉTÉS DE POINTS ET TECHNIQUES DE COUTURE
COUTURE DÉCORATIVE AVEC LA TECHNIQUE DU FLATLOCK
- Un point plat « flattock » est obtenu en réglient de façon appropriée la tension d'un point de surjet à trois fils et en dépliant ensuite le tissu pour aplatir la couture.
- Le point Flatlock peut être utilisé pour réaliser des surfilages décoratifs ou strictement pour la decoration.
(1) RÉGLAGE DE LA MACHINE

Attention!
S' assurer que I'interrupteur
a etémis sur Arrét.
- Enlever l'aiguille gauche ou droite (Cf. page 8).
- Commencer par enfilier la machine et régler les tensions comme pour un point de surjet à trois fils (Cf. page 21).
- Relacher généreusement la tension du fil d'iguille.
- Relacher légèrement la tension du fil du boucleur supérieur.
- Durcir fortement la tension du fil du boucleur inférieur.
(2) RÉALISATION D'UNE COUTURE AU POINT FLATLOCK
- Replier le tissu sur son envers de façon à ce que la couture décorative apparaisse sur l'endetroit du vêtement.
- Réaliser la couture en même temps que la coupe de l'excedent de tissu.
- Le fil d'aiguille formera une suite de V sur le revers du tissu.
- Le fil du boucleur inférieur suivra le bord du tissu en ligne droite





Endroit
Envers
- Tiner sur les deux côtés de la couture pour aplatir les points.
(3) FLATLOCK DÉCORATIF

Attention!
S' assurer que l'interrupteur a été mis sur Arrêt
- Placer le couteau mobile supérieur en position repos (Cf. page 23). Pour ce point, l'exçédent de tissu n'est pas coupé

Attention!
S' assurer que le cache-boucleur est fermé avant de commencer à coudre.
- Replier le tissu sur son envers.
- Positionner l'ouvrage de façon à ce qu'une partie du point soit hors tissu lors de la couture.
- Tirer sur les deux bords pour aplatir les points.
(4) INFORMATIONS COMPLEMENTAIRESSUR LA TECHNIQUE DU FLATLOCK
- Les tensions de fil doivent être régliées de façon à ce que le tissu puisse ensuite être aplati.
- Le fil du boucleur supérieur est le fil de reférence pour le point Flatlock. Mettre un fil décoratif sur le boucleur supérieur et un fil plus discret sur le boucleur inférieur et l'aiguille.
- Pour réaliser un point d'échelle, coudre sur l'envers.
C'est le fil d'aiguille qui sera le fil de referencia dans ce cas.
C'est lui qui formera l'échelle (A).






Endroit
RÉALISATION D'UN OURLET INVISIBLE (POINT D'OURLET AVEUGLE)
Lors de la couture de cet ourlet, le bord du revers est surjeté et l'excedent de tissu est coupé en une même opération. L'ourlet invisible surjeté est idéal pour les vêtements en maille. Il apporte une finition durable et est pratiquement invisible.

Attention!
S' assurer que I interrupteur a été mis sur Arrêt.
- Enlever l'aiguille gauche et régler la machine comme pour un point de surjet étroit à trois fils.
Note:
Le point Flatlock à trois fils peut aussi être utilisé.
- Régler la longueur de point à 4-5.
- Pour former l'Ourlet, plier le tissu sur son envers, puis le replier sur l'endetroit en le laissant déborder de 6 mm du pli initial.
- Coudre sur ce débord en piquant juste sur la ligne du pli.
RÉALISATION DE PLIS COUSUS
Ces pris décoratifs sont à réaliser sur le tissu avant de couper le vêtement.

Attention!
S' assurer que I interrupteur a etémis sur Arrêt.
- Enlever l'aiguille gauche et régler la machine comme pour un point de surjet étroit à trois fils.
Note:
Le point d'ourlet roulé peut également être utilisé pour cette application.
- Placer le couteau mobile supérieur en position repos (Cf. page 23).
- Tracer le nombre de plis désirés sur le tissu à l'aide d'un marqueur à tissu à encre soluble.






Attention!
S' assurer que le cache-boucleur est fermé avant de commencer à coudre.
- Replier le tissu sur son envers pour former les pris et les coudre.
- Repasser les pris cousus dans le même sens.
SURJETS EN COIN
- Couper environ 2 cm de part et d'autre du coin, dans l'alignement du bord de la couture.
- Coudre encore un point après (A) et s'arrête.
- Relever l'aiguille et le pied presseur.
- Repousser le tissu en arrêté, juste assez pour libérer les fils pris dans le doigt mailleur de la plaque à aiguille.
Note:
Le pied presseur n'est pas figuré pour faire apparaitre le détaill.
- Faire pivoter le tissu et rabaisser le pied presseur de façon à positionner le bord coupé dans l'axe du couteau.
- Maintenir l'écheveau de fils en tension et recommencer à coudre.
S'assurer que I'interrupteur a etemis surArret.
- Entailler l'angle du tissu jusqu'au bord de la couture.






- Placer le couteau mobile supérieur en position repos (Cf. page 23).

Attention! S'assurer que le cache-boucleur est fermé avant de commencer à coudre.
- Surjeter le bord coupé du tissu.
- S'arrêté de coudre avant d'arriver au coin et replier le tissu à gauche de façon à aligner les deux bords.
- Continuer à coudre doucement en faisant glisser le pli de façon àMAINTER les deux bord du tissu alignés pendant le passage du coin.
PLACEMENT D'EPINGLES
- Les épingleis doivent être placées à gauche du pied presseur. Elles seront ainsi plus facies à enlever et seouveront hors du plan de coupe des couteaux.

Attention! Coudre sur les épingles endommagera et/ou détuira le bord tranchant des couteaux
ARRÉT DES FILS DE CHAINETTE
- Enfilier la chaînette sur une aiguille de couture à main à grand chas (type aiguille à tapisserie).
- Puis la rentrer dans la couture à l'aide de cette aiguille pour arrêté les fils.
Note:
Pour arrêté la chaînette d'un oulet roulé, voir page 27.

POSE D'UN ELASTIQUE

Attention!
S' assurer que I interrupteur a etémis sur Arrêt.
- Placer le couteau mobile supérieur en position repos (Cf. page 23).

Attention!
S'assurer que le cache-boucleur est fermé avant de commencer à coudre.
- Diviser l'élastique et la longueur sur laquelle il doit être posé en quatre et faire des repères en conséquence à l'aide d'un marqueur à encre soluble.
- Allonger l'élastique sur l'envers du tissu en s'assurant qu'il soit bien aligné sur le bord.
- Aligner le tout sur le rebord de la plaque à aiguille.
- La couture d'un élastique se fait au moyen d'un point de surjet à trois ou quatre fils (faux point de sécurité).
- Àprous avoir fixé la chaninette sur 2 ou 3 points,continuer de coudre en faisant défilere le tissu à travers la machine tout en tendant doucement l'élastique avec la main droite pour aligner les repères, quart après quart.
- Avec la main gauche, maintainir le tissu aligné en permanence sur le rebord de la plaque à aiguille.

RENFORT D'UNE COUTURE
- L'insertion d'un ruban permet de stabiliser les surjets.
- Faire passer le ruban par le trou situé sur le devant du pied.
- Le glisser sous le pied vers l'arrière de la machine et commencer à coudre.
- Le ruban se trouve pris dans la couture au fur et à mesure.
RÉALISATION DE TRESSES EN CHÂINETTE

Attention!
S' assurer que I'interrupteur a été mis sur Arrêt.
- Placer le couteau mobile supérieur en position repos.
- Insérer un support tel qu'un ruban de coton ou de la talonnette par le trou situé sur le devant du pied
- Le glisser sous le pied vers l'arrière de la machine et le surjeter sur la longueur désirée.
- Les tresses en chaînette peuvent être utilisées individuellement ou être elles-mêmes tressées en 3 à 4 brins.

Attention!
S'assurer que le cache-boucleur est fermé avant de commencer à coudre.





ENTRAINEMENT DIFFÉRENTIEL
(sur certains modèles uniquement)
- L'entrainment différentiel est un système qui permet d' « expanser » ou de « contracter » le tissu en modifiant la vitesse d'entrainment de la griffe avant par rapport à celle de la griffe arrête.
- Le rapport d'entrainment différentiel varie de 1:0,77 à 1:2,0. Le réglage s'effectue à l'aide du bouton de réglage d'entrainment comme indiqué.
- L'entrainment différentiel est très utile pour surjeter des tissus en stretch ou coupés dans le bias.
(Utiliser la plaque à aiguille normale)
- Le point de surjet contracté est particulièrement adapté pour les manches ballon, le devant et le dos des corsages, les ouletts de jupe, etc., en tricot ou en jersey, avant assemblage.
RéGLAGE DE L'ENTRAINEMENT DIFFÉRENTIEL

Attention!
S'assurer que I'interrupteur a etémis sur Arrêt.
- Ouvrir le cache-boucleur et desserrer la molette du bouton de réglage d'entrainment différentiel.
- Tourner le bouton de réglage vers le bas par rapport au repère central pour obtenir la contraction souhaitée du point, puis resserrer la molette.
Note:
La position de réglage variera suivant la nature du tissu et l'importance du froncement à réaliser.

- Lorsque l'entrainment différentiel est reglé sur le rapport de contraction maximum, la longueur de point s'ajustera automatiquement à 3 mm si elle était régée au dessus de cette valeur précédemment.
- S'assurer que le bouton de réglage d'entrainment différentiel est bien repositionné en face du repère central lorsqu'on souhaite réalisier des points de surjet normaux.

Attention!
S'assurer que le cache-boucleur est fermé avant de commencer à coudre.
(2) SURJET EXPANSE(Utiliser la plaque à aiguille normale ou à ourlet roulé)
Le point de surjet expansé est idéal pour coudre des cols décoratifs, des manches, des ouletés de jupe, etc. sur des textiles et des tricots mous.
RéGLAGE DE L'ENTRAINEMENT DIFFÉRENTIEL

Attention!
S'assurer que I'interrupteur a etémis sur Arrêt.
- Ouvrir le cache-boucleur et desserrer la molette du bouton de réglage d'entrainment différentiel.
Tournier le bouton de réglage vers le haut par rapport au repère central pour obtenir l'expansion souhaitation du point, puis resserrer la molette.

Attention!
S' assurer que le cache-boucleur est fermé avant de commencer à coudre.
- pour effectuer la couture, appliquer une tension légère sur le tissu au niveau de la couture de chaque côte du pied presseur.
Note:
Si le rapport d'expansion n'a pas eté correctement régé en fonction du tissu à coudre, celui-ci peut échapper de l'aiguille et promèrttre le surjet. Dans un tel cas, ramener le bouton de réglage d'entrainment différentiel en face du repère central.
- S'assurer que le bouton de réglage d'entrainment différentiel est bien repositionné en face du repère central lorsqu'on souhaite réaliser des points de surjet normaux.

22. RÉGLAGE DE LA PRESSION DU PIED
- La pression du pied de la machine est préréglée pour la couture des tissus moyens.
- Il peut être nécessaire de régler la pression du pied à l'aide de la molette de réglage de pression. Pour les tissus légers... réduire la pression. Pour les tissus lourd... augmenter la pression.
23. COUTURE SUR BRAS LIBRE
(pieces tubulaires)
- Cette machine se transforme simplement en bras libre en enlevant la tablette de couture. Ce mode est particulièrement adapté à la couture de parties de vêtement d'accès difficile comme les emmanchures ou au surfilage des revers de pantalon.
(Voir page 9 pour le démontage de la tablette de couture)
- Placer le vêtement sur le bras libre et coudre.

24. RELATIONION ENTRE LE TISSU, LE FIL ET L'AIGUILLE
| TYPE DE TISSU | TYPE DE FIL | AIGUILLE Singer N° 2054 |
| Léger batiste, organdi, voile, Crège, etc. | Coton N° 100 Soie N° 100 Filé N° 80 - N° 90 Tetron N° 80 - N° 100 | #10 |
| Moyen Mousseline, crépon, satin, Garbadine, Popeline, etc. | Coton N° 60 - N° 80 Soie N° 50 Filé N° 60 - N° 80 Tetron N° 60 - N° 80 | #10, #14 |
| Lourds Oxford, jean, tweed, Velours côteélé, serge | Coton N° 40 - N° 60 Soie N° 40 - N° 60 Filé N° 60 - N° 80 Tetron N° 50 - N° 80 | #14, #16 |
| Maille Tricot | Filé N° 80 - N° 90 Tetron N° 60 - N° 80 | #10, #14 |
| Jersey | Filé N° 60 - N° 80 Tetron N° 60 - N° 80 Coton N° 60 - N° 80 | #10, #14 |
| Laine (tricotée) | Filé N° 60 - N° 80 Tetron N° 50 - N° 60 Fil mousse nylon Fil mousse tetron | #10, #14 |
Note:
Pour toute information complémentaire sur les aiguilles, voir page 4.
25. ENTRETIEN DE LA MACHINE
- Une surjeteuse requiere plus d'entretien qu'une machine a coudre conventionnelle pour deux raisons principales:
1) Une grande quantité de bourre est produit par l'action des couteaux.
2) Une surjeteuse tourne à très grande vitesse et nécessite un graissage régulier pour lubrifier les pièces en mouvement.
NETTOYAGE DE LA MACHINE

Danger:
Débrancher la prise avant de procéder au nettoyage de la machine.
- Nettoyer régulièrement la bourre accumulée autour des boucleurs et des couteaux avec une Brosse appropriée.
GRAISSAGE DE LA MACHINE

Danger:
Débrancher la prise avant de procéder au nettoyage ou/et au graissage de la
machine.
- Les points de graissage indiqués sur le schéma doivent être lubrifiés périodiquement.
- Une fois parILAse lorme que la machine est utilisée environ uneheure par semaine
- Quotidiennement pour une fréquence d'utilisation supérieure
Après le graissage, faire tourner la machine à vide à grande vitesse pendant un court instant pour éliminer l'exçédent d'huile.


2 à 3 gouttes
NOTE IMPORTANTE
Utiliser de l'huile spéciale pour machine à coudre. Tout autre type d'huile peut entrainer des déteriorations.
REplacement DU COUTEAU FIXE

Danger :
Avant de procéder au remplacement du couteau fixe, s'assurer que la machine
est débranchée.
- Le couteau fixe doit être remplace lorsqu'il est devenu émoussé.
- Le couteau fixe peut être remplaced en suivant les instructions ci-dessous. Néanmoins, en cas de difficultés, il est conseilé de s'en remmettre à un prestataire de service agrée pour faire réaliser l'opération.
- S'assurer que la prise est débranchée.
- Ouvrir le cache-boucleur etmettre le couteau mobile supérieur en position repos (Cf. page 23)
- Desserrer la vis de fixation 2 du portecouteau fixe 3 et retarder le couteau fixe.
- Placer le nouveau couteau dans la gorge du porte-couteau fixe, et aligner le bord tranchant sur le plan supérieur de la plaque à aiguille 4.
- Resserrer la vis de fixation 2 du porte-couteau fixe.
- Ramener le couteau mobile supérieur 1 en position de travail.


Changement de I'ampoule d'éclairage

Danger: Toujours débrancher la machine avant de procéder au changement d'ampoule.
- Des ampôules de rechange peuvent être fournies par des prestataires de service agrés ou par des distributeurs de matériel électrique.
Prendre l'ampoule hors service comme reférence pour obtenir une piece de rechange identique.
- Œter la vis du cache-ampoule et tout en exerçant une légère pression vers l'arrière, faire pivoter le cache vers la gauche pour le démonter (Cf. illustration). Dévisser l'ampoule vers la gauche. Pour remettre en place la nouvelle ampoule, l'introduire dans la douille et la visser vers la droite.
Vis du cache-ampoule

revisser
dévisser

Attention!
S'assurer que I'ampoule est refroidie avant de proceder à son remplacement.

Avertissement :
Remetre en place le cache-ampoule avant de rebrancher la machine.
- Si la tension de service indiquée sur la plaque signalétique de la machine est 200-240 V, demander une ampoule conforme aux specifications suivantes :
Ampoule à incandescence à vis 240V - 15W
-formedampoule:T-22
-culot:E14
- Longueur hors-tout : 56 mm
- Oter la vis du cache-ampoule et tout en exerçant une légère pression vers l'arrière, faire pivoter le cache vers la gauche pour le démonter (Cf. illustration). Dévisser l'ampoule vers la gauche. Pour remettre l'ampoule en place, la visser dans la douille vers la droite.
26. TABLEAU DE DÉPANNAGE
| Problème | Solution | Page |
| Le tissu est mal entrainé | - Augmenter la longueur de point - Augmenter la pression du pied s'il s'agit d'un tissu lourd - Réduire la pression du pied s'il s'agit d'un tissu léger | 23 38 |
| Les aiguilles se cassent | - Vérifier que l'aiguille est correctement insérée. - Ne pas tirer sur le tissu pendant la couture - Resserrer la vis de fixation des aiguilles - Utiliser une plus grossa aiguille s'il s'agit d'un tissu lourd | 8 18 8 39 |
| Les fils se cassent | - Vérifier l'enfilage - Vérifier si les fils ne sont pas emmèlés ou coincés. - Insérer l'aiguille correctement - Remplacer l'aiguille actuelle. Elle peut être cintrée ou émoussée - Utiliser du fil de qualité supérieure - Réduire les tensions de fil | 10 - 17 22 8 8 39 19 - 21 |
| Des points sautent | - Remplacer l'aiguille actuelle. Elle peut être cintrée ou émoussée - Resserrer la vis de fixation des aiguilles - Insérer l'aiguille correctement - Changer le type ou la taille de l'aiguille - Vérifier l'enfilage - Augmenter la pression du pied - Utiliser du fil de qualité supérieure | 8 8 8 4 10 - 17 38 39 |
| Les points sont irréguliers | - Équilibrer les tensions de fil - Vérifier si les fils ne sont pas emmèlés ou coincés. - Vérifier l'enfilage | 19 - 21 22 10 - 17 |
| Le tissu fronce | - Réduire les tensions de fil - Vérifier si les fils ne sont pas emmèlés ou coincés. - Utiliser un fil fin de qualité supérieure - Réduire la longueur de point - Réduire la pression du pied s'il s'agit d'un tissu léger | 19 - 21 22 39 23 38 |
| La coupe est irrégulière | - Vérifier l'alignment des couteaux - Remplacer un ou les deux couteaux | 41 41 |
| Le tissu bouchonne | - Refermer le cache-boucleur avant de coudre - Vérifier si les fils ne sont pas emmèlés ou coincés. - Compresser préalablement les grosses épaissesurs de tissu à l'aide d'une machine à coudre classique avant de les passer à la surjeteuse. | 6 22 |
| La machine ne fonctionne pas | - Vérifier l'alimentation électrique | 6 |
- SPECIFICATIONS TECHNIQUES
| Caractéristique | Spécification |
| Vitesse de couturelongueur de point(entrainment normal) | 1 100 tr/mn. maximum1 à 5 mm (Valeurs standard : Ourllets roulés = F-2, surjets normaux = 3) |
| Rapport d'entrainment différentiel(machines équipées de cette option) | 1:0,77 - 1:2,0 |
| Largeur de point de surjet | Ourllets roulés = 1,5 mm, surjets normaux = 3,5 à 7,2 mm (Valeurs standard : 3,5 mm) |
| Course du porte-aiguilles | 27 mm |
| Course du pied presseur | 5 mm |
| Aiguille | SY2020 |
| Nombre de fils | 4 |
| Dimensions de la machine | Largeur 326 mm x Profondeur 272 mm x Hauteur 270 mm |
| Poids | 6,1 Kg |


Ce produit doit être éliminé conformément aux dispositions applicables. Contacter les Autorités locales pour connaître les procédures d'élimination appropriées.
Notice Facile