XP500 - Motorisation de portail AVIDSEN - Notice d'utilisation et mode d'emploi gratuit
Retrouvez gratuitement la notice de l'appareil XP500 AVIDSEN au format PDF.
| Intitulé | Valeur / Description |
|---|---|
| Type de produit | Motorisation de portail |
| Caractéristiques techniques principales | Motorisation à bras articulés, adaptée aux portails battants |
| Alimentation électrique | 230 V AC |
| Dimensions approximatives | Dimensions des bras : 500 mm |
| Poids | Environ 10 kg |
| Compatibilités | Compatible avec portails jusqu'à 2,5 m de large et 200 kg |
| Type de batterie | Batterie de secours 12 V (non incluse) |
| Tension | 12 V DC pour la batterie de secours |
| Puissance | Consommation maximale de 300 W |
| Fonctions principales | Ouverture et fermeture automatique du portail, télécommande incluse |
| Entretien et nettoyage | Vérifier régulièrement les connexions électriques et nettoyer les bras |
| Pièces détachées et réparabilité | Disponibilité de pièces de rechange via le service client Avidsen |
| Sécurité | Équipé de capteurs de sécurité pour éviter les accidents |
| Informations générales | Garantie de 2 ans, installation recommandée par un professionnel |
FOIRE AUX QUESTIONS - XP500 AVIDSEN
Questions des utilisateurs sur XP500 AVIDSEN
Pour réinitialiser la motorisation de portail AVIDSEN XP500, suivez les étapes ci-dessous :
- Coupez l'alimentation électrique : débranchez le moteur du secteur ou coupez le disjoncteur qui alimente le système.
- Attendez quelques minutes : laissez le système hors tension pendant environ 5 minutes pour permettre une réinitialisation complète.
- Rétablissez l'alimentation : rebranchez le moteur ou remettez le disjoncteur en marche.
- Reprogrammez les télécommandes si nécessaire : après la réinitialisation, il est souvent nécessaire de reprogrammer les télécommandes pour que le système fonctionne correctement.
Cette procédure permet de remettre à zéro le système et de résoudre certains dysfonctionnements. Si le problème persiste, il peut être utile de vérifier les réglages spécifiques ou de contacter un professionnel.
Si votre motorisation de portail AVIDSEN XP500 s'allume et émet un déclic lorsque vous utilisez la télécommande, cela signifie que le signal est bien reçu par le moteur. Cependant, plusieurs causes peuvent empêcher le portail de s'ouvrir :
1. Vérification des vérins et mécanismes
- Assurez-vous que les vérins ne sont pas bloqués, endommagés ou obstrués par un objet.
- Vérifiez que les gonds et charnières du portail ne sont pas rouillés ou désalignés, ce qui pourrait empêcher le mouvement.
2. Contrôle des dispositifs de sécurité
- Certains systèmes disposent de capteurs anti-écrasement ou d'obstacles. Vérifiez que ces capteurs ne détectent pas d'obstacle ou ne sont pas mal positionnés.
3. Réinitialisation du système
- Coupez l'alimentation électrique de la motorisation pendant quelques minutes, puis rallumez-la pour effectuer une réinitialisation.
4. Autres pistes
- Vérifiez la charge électrique et les connexions pour s'assurer qu'il n'y a pas de coupure ou de faux contact.
- Si un mode de sécurité ou un verrouillage est activé, consultez les réglages pour le désactiver.
Si après ces vérifications le portail ne fonctionne toujours pas, il peut être nécessaire de faire appel à un professionnel pour un diagnostic plus approfondi.
Téléchargez la notice de votre Motorisation de portail au format PDF gratuitement ! Retrouvez votre notice XP500 - AVIDSEN et reprennez votre appareil électronique en main. Sur cette page sont publiés tous les documents nécessaires à l'utilisation de votre appareil XP500 de la marque AVIDSEN.
MODE D'EMPLOI XP500 AVIDSEN
motorisation pour portail
XP500
Réf. 654123
Pour portail à battants en FER, BOIS, ALU ou PVC

OUVERTURE VERS L'INTÉRIEUR OU VERS L'EXTÉRIEUR DE LA PROPRIÉTÉ ANGLE D'OUVERTURE MAXI = 120°
INFORMATION CONSOMMATEUR
Dans le cas de problème pour l'installation de ce produit, nous vous demandons de joindre notre assistance client au 02 47 34 30 69 du lundi au samedi de 8H30 à 12H30 et de 14H à 18H.
Si malgré tout le sein que nous avons apporté à la fabrication de ce produit, un problème technique était identifié par notre assistance client, vous pourrez partager à l'échange du produit, sur le point de vente où vous l'avez acheté.
Afin que ce dernier puisse procéder à l'échange, vous devez impérativement donner le numéro d'accord d'échange que l'assistance client vous aura communiqué et que vous aurez inscrit dans la case ci-dessous.

N^ d'accord d'échange:
N'oubliez pas de vous munir de votre ticket de caisse.
Cet échange est possible durant toute la période de la garantie.
Le service Client
BESOIN D'AIDE PENDANT L'INSTALLATION ?APPELEZ SANS HÉSITER NOS TECHNICIENS AU 02 47 34 30 69
CONTENU DU KIT :
1 : moteur gauche
2 : moteur droit
3 : capot
4 : support métallique
5 : partie droite du bras articulé
6 : partie coudee du bras articulé
:fixation portail
8 : vis longue
9 : vis courte
10 : gros écrou
11 : rondelle
12 : petit écrou
13 : vis sans tête
14 : boitier de commande
15 : telécommande
16 : clé de débrayage
17 : vis pour fixation capôt



















CONSEILS
XP500 est un système de motorisation autobloquant. En conséquence, votre portail à bhattants doit être équi-pé de butées laterales et d'une butée centrale. Ces butées doivent ARRETER le portail sans le verrouiller. Autrement dit, il faut supprimer toute serrure mécanique (ou gache) et tout sabot basculant ou arrêtoir.
AVANT L'INSTALLATION DE LA MOTORISATION, VERIFIER QUE LE PORTAIL FONCTIONNE CORRECTEMENT, SANS FROTTEMENT OU RESISTANCE.


MATERIAL NÉCESSAIRE :

Scellement chimique consellé
BESOIN D'AIDE PENDANT L'INSTALLATION ?APPELEZ SANS HÉSITER NOS TECHNICIENS AU 02 47 34 30 69
BESOIN D'AIDE PENDANT L'INSTALLATION ?APPELEZ SANS HÉSITER NOS TECHNICIENS AU 02 47 34 30 69
CONTENU DU KIT :
1 : moteur gauche
2 : moteur droit
3 : capot
4 : support métallique
5 : partie droite du bras articulé
6 : partie coudeedu bras articulé
:fixation portail
8 : vis longue
9 : vis courte
10 : gros écrou
11 : rondelle
12 : petit écrou
13 : vis sans tête
14 : boitier de commande
15 : telécommande
16 : clé de débrayage
17 : vis pour fixation capôt



















CONSEILS
XP500 est un système de motorisation autobloquant. En conséquence, votre portail à bhattants doit être équi-pé de butées laterales et d'une butée centrale. Ces butées doivent ARRÊTER le portail sans le verrouiller. Autrement dit, il faut supprimer toute serrure mécanique (ou gache) et tout sabot basculant ou arrêtoir.
AVANT L'INSTALLATION DE LA MOTORISATION, VERIFIER QUE LE PORTAIL FONCTIONNE CORRECTEMENT, SANS FROTTEMENT OU RESISTANCE.


MATERIAL NÉCESSAIRE :

Scellement chimique consellé
BESOIN D'AIDE PENDANT L'INSTALLATION ?APPELEZ SANS HÉSITER NOS TECHNICIENS AU 02 47 34 30 69
BESOIN D'AIDE PENDANT L'INSTALLATION ?APPELEZ SANS HÉSITER NOS TECHNICIENS AU 02 47 34 30 69


La patte 7 doit se trouver sur la partie rigide du portail. L'ensemble doit être parfaitement horizontal.
Tracer au crayon les contours de 4 sur le pilier en s'assurant au préalable que le portail ne bute pas contre le moteur en position OUVER-TE (exemples 1 et 2).
Example 1

Exemple 2

Repérer etencer les 4 trous pour fixer le support métallique 4. Utiliser des vis et des chevilles appropriées à la structure du pilier.




Fixer les moteurs gauche et droit sur leur support respectif.

Faire un angle d'environ 60^ avec le bras articule, repérer et percer les 2 trous pour fixer la patte de fixation portail.



Mettre le portail en position fermée puis embrayer les moteurs.
IMPORTANT
Ouverture et fermetre du portail à la main pour contrôle qu'il n'y aitaucun obstacle et aucune résistance anomale pouvant nuire au fonctionnement définitif du système.
BESOIN D'AIDE PENDANT L'INSTALLATION ?APPELEZ SANS HÉSITER NOS TECHNICIENS AU 02 47 34 30 69

Si les moteurs ne sont pas parfaitement embrayés en position "portail fermé", ouvrichoque battant manuellement jusqu'à ce qui se bloquen. L'embrayage est alorsactif.

- Brancher'alimentation 230V.
- Connecter le moteur M2 sur les bornes 12V - et + de la carte échéronque jusqu'à ce que la ballant se relème complètement. Faire de même pour le moteur M1.

Le portail est désormais en position fermée.

Lorsque le portail est fermé et l'alimentation coupée,mettrelecapot plastique sur chaque moteur.
- Debrancher l'alimentation 230V

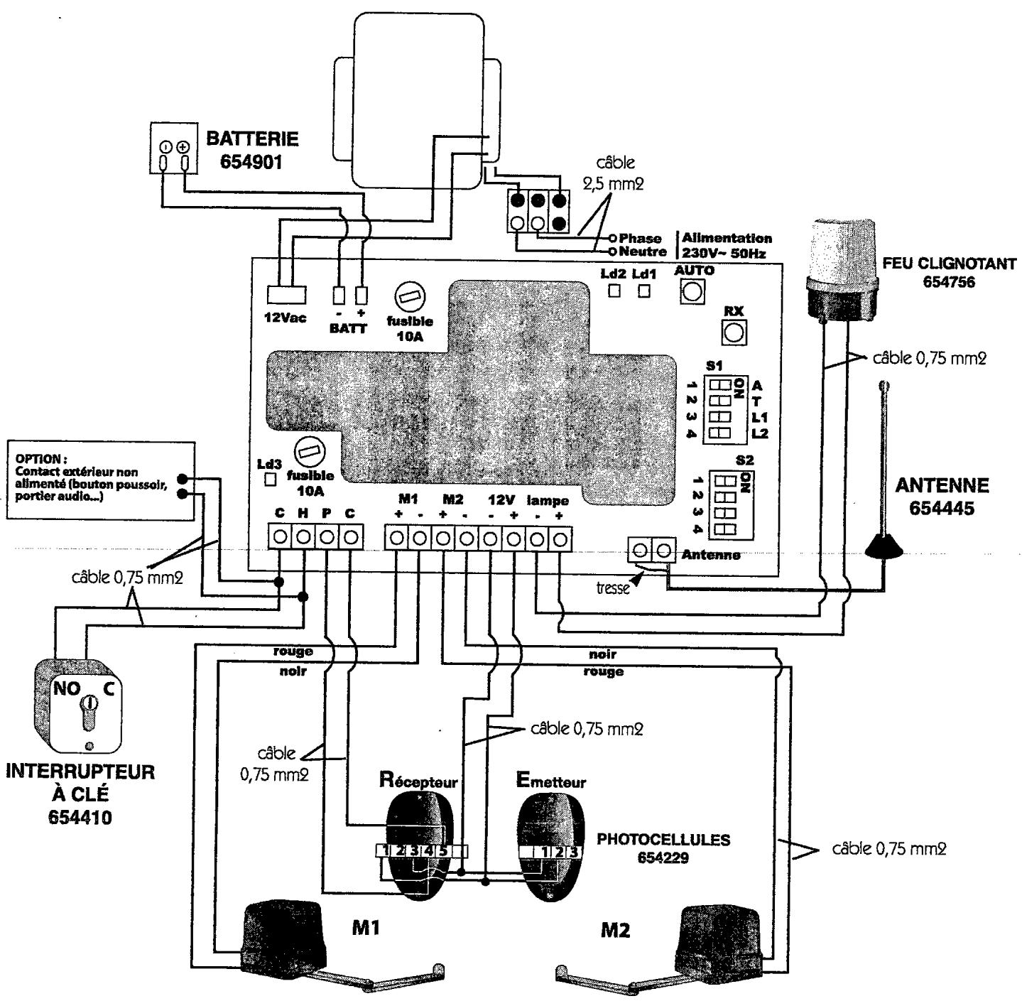
BRANCHEMENT ÉLECTRIQUE :

Presse-étoupe
Lebrasarticulédu bhattansouvrant en premier doitetre connecte surM1.
Utiliser les presse-étoupe pour le passage des cables. Indispensable pour l'étanchéité du boîtier de commande.
BESOIN D'AIDE PENDANT L'INSTALLATION ?
APPELEZ SANS HÉSITER NOS TECHNICIENS AU 02 47 34 30 69
BESOIN D'AIDE PENDANT L'INSTALLATION P APPELEZ SANS HÉSITER NOS TECHNICIENS AU 02 47 34 30 69
SCHEMA DE CÁBLAGE DANS LE BOITIER DE COMMANDE :
AVANT DE CABLER, S'ASSURER QUE LE SECTEUR 230V EST DÉBRANCHÉ.

BESOIN D'AIDE PENDANT L'INSTALLATION ?APPELEZ SANS HÉSITER NOS TECHNICIENS AU 02 47 34 30 69
PROGRAMMATION DE L'OUVERTURE / FERMETURE :

1) Positionner les interrupteurs comme suit :

1 sur OFF
2 sur OFF
3 sur OFF
4 sur OFF

- Positionner les interrupteurs comme suit :

sur ON fermetre automatique après temporisation sur OFF pas de fermetre automatique
sur ON temporisation 30 secondes (si A est sur ON) sur OFF temporisation 1 minute (si A est sur ON)
sur ON
sur OFF

- Brancher l'alimentation 230V/50Hz.
Appuyer sur le bouton AUTO et relacher.
Le bollant 1 s'ouvre, arrive en bute et s'amete.
Le deuxieme battant s'ouvre, arrive en butee et se referme. - Le battant 1 se referme ensuite.
- Au bout de quelques secondes, les deux battants s'ouvrent, arrivent en butée et se referment automatiquement.
- Ensuite le battant 1 s'ouvre seul, arrive en butée et se referme automatiquement (passage piéton).
LA PROGRAMMATION EST TERMINE
Si les battants s'arrêtent n'importe où pendant la programmation (Ld1 et Ld2 restent allumées), contrôler que toutes les étapes de l'installation ont été correctement effectuées et vérifier point par point l'installation.
Donner une impulsion brève sur le bouton AUTO à l'aide d'une pointe fine.
Le battant n°2 se ferme et dés qu'il arrive en butée, donner une impulsion sur AUTO pour que le moteur s'arrête.
Donner une nouvelle impulsion sur AUTO. Le battant n°1 se ferme. Dés qu'il arrive en butée, donner une impulsion sur AUTO pour que le moteur s'arrête (Ld1 et Ld2 restent allumées).
Appuyer sur AUTO : une nouvelle programmation automatique est déclenchée.
CODAGE DE LA TÉLECOMMANDE :
Pour l'ouverture / fermeture des 2 battants :
Appuyer sur le bouton RX puis relacher. La Led Ld1 s'allume.
- Attendre 5 secondes, la led Ld1 s'eteint.
Appuyer sur une touche de la télécommande, la led Ld2 s'allume.
Le système est pré à fonctionner.
Pour l'ouverture / fermeture d'1 battant (passage piéton) :
Appuyer sur le bouton RX puis relacher. La Led Ld 1 s'allume.
- Appuyer une deuxieme fois sur le bouton RX puis relâcher, la led LD1 s'êteint.
- Appuyer sur une autre touche de la télécommande, la led Ld2 s'allume.
Le système est pré à fonctionner.


Remarque :
- Si le système ne recoit pas de code provenant de la télécommande dans les 10 secondes, la Led Ld1 clignote puis s'eteint.
- On peut memoriser jusqu'à 10 télécommandes.
POUR ANNULER TOUS LES CODES PROGRAMMÉS
Appuyer sur le bouton RX sans le relacher. La led Ld1 s'allume puis s'eteint au bout de 5 secondes. Relacher le bouton RX lorsque la led Ld1 s'eteint.
En cas de mauvais fonctionnement, refaire les étapes de la programmation.
FONCTIONNEMENT :
Ouverture / fermetre du portail :
Ouverture
Appuyer sur la touche de la télécommande préalablement programmée pour l'ouverture / fermeture des 2 battants. Lorsque le portail est totalement ouvert celui-ci se refère automatiquement après 30 secondes ou 1 minute si l'interrupteur A du switch S1 est sur ON.
Réglage :
Femture automique 30 secondes

Fermetre ou rationalique 1 minute:

: Pas de fermelure automatique

Fermeture
Dans le cas d'une fermetre non automatique, il suffit d'appuyer sur la même touche de la télécommande pour refer-mer le portail.
Dans le cas d'une fermeture automatique, on peut refermer le portail avant que la temporisation soit terminée; il suffit d'appuyer sur la touche de la télécommande.
BESOIN D'AIDE PENDANT L'INSTALLATION ?APPELEZ SANS HÉSITER NOS TECHNICIENS AU 02 47 34 30 69
Arrêt du portail avant l'ouverture ou la fermeture complète
Pour arrêter le portail en mouvement, il suffit d'appuyer sur la touche de la télécommande. Un nouvel appui sur cette touche permet d'actionner le portail en sens inverse.
Rencontre avec un obstacle :
Si le portail heurte un obstacle (un enfant, une voiture ou autre), celui-ci s'arrête puis report en sens inverse sur une courte distance afin de dégager l'obstacle.
Après avoir dégagé l'obstacle, appuyer sur la touche de la télécommande, le portail s'ouvre totalement.
Passage piéton :
Le fonctionnement est le même que celui des 2 battants. Il suffit juste d'utiliser la touche de la télécommande préalablement programmée pour le passage piéton.
CONSEILS COMPLEMENTAIRES
RÉGEMENTATION
- Cet automatisme de portail a ete concu suivant les normes NF P25-362 et NF P25-363, dans le cas d'une installation pour maison individuelle.
COUPURE DE COURANT
1) Vou avz la possiblite de rajouter une batterie (en option) 12 V 654901 dans le boitier eectronique (voir les branchements p 13).
IMPORTANT
FAIRE L'INSTALLATION ET LES RÉGLAGES DE LA MOTORISATION SANS CONNECTER LA BATTERIE.
- Lorsque l'installation est terminée et que le portail fonctionne parfaitement avec la télécommande, couper l'alimentation 230V et connecter la batterie en respectant les bornes + et -.
- Remetre l'alimentation 230V.
- La batterie va se recharger en 24 heures environ. Passé ce début, faire un essai de fonctionnement du portail (1 ouverture + 1 fermetre) après avoir débranché l'alimentation.
- ÀpRES ce test, rebrancher l'alimentation. La batterie prendra le relais en cas de coupure de courant.
BESOIN D'AIDE PENDANT L'INSTALLATION ?APPELEZ SANS HÉSITER NOS TECHNICIENS AU 02 47 34 30 69
2) A défaut, il suffit de débrayer les moteurs. Àsi le portail peut s'ouvrir manuellement pendant la durée de la coupure de courant.


A cet instant, les battants peuvent etre ouverts ou fermes manuellement.

Laisser les battants en position «fermée».
Appuyer sur la touche de la télécommande. Les bhattants sont s'embrayer et s'ouvrir automatiquement.
Dans certaines zones géographiques (proximé de pylônes électriques, de structures métalliques,...) la portée de la télécommande peut être réduite. On peut améliorer cette portée en branchant une antenné supplémentaire 654445.
Important
- Rendre étanches les trous de passage des gains dans le boîtier électronique avec du joint silicone.
- La fiche de prise de courant doit être parfaitement accessible.
- Si le cable d'alimentation est endommagé, il doit être remplace par une personne qualifiée afin d'éviter tout danger.
- La pile de la télécommande ne doit pas etre jetée à la poubelle mais remise a un service de recupération des piles.
BESOIN D'AIDE PENDANT L'INSTALLATION ?APPELEZ SANS HÉSITER NOS TECHNICIENS AU 02 47 34 30 69
ACCESSIONS ET CÂBLAGE :

IMPORTANT : lorsqu'on connecte un kit de photocellules, il faut enlever le fil de connexion entre P et C.
- Pour que votre automatisme de portail puisse fonctionner en cas de coupure de courant
-Batterie:654901
Pour commander l'ouverture et la fermeture de votre portail
-Telecommande supplémentaire :654700
-Calvier de codage sans fil : 654210
-Interrupteur à clé 1 contact: 654410
- Pour la signalisation et la sécurité
-Feu clignant 12 V:654758
-Photocellules:654299
-
Pour augmenter les performances de l'ouverture à distance avec votre télécommande
-
Antenne 433,92 MHz : 654445
MISE EN PLACE DES PHOTOCELLULES :
Le jeu de photocellules est un élément de sécurité. Pendant la fermeture, si un obstacle (enfant, voiture ou autre) coupe le faisceau des photocellules, le portail s'arrête et se réouvre totalement pour laisser le passage à l'obstacle.
Si les photocellules ne sont pas parfaitement alignées, le portail s'ouvrira et restera ouvert. Unvoyant rouge dans la photocellule réceptrice indique que l'alignement est correct.


ERRATUM XP 500
MODIFICATION DU CONTENU
Les pieces n°13 ont ete suprimees et remplacées par les pieces suivantes :

A

13/14

C
MODIFICATION DE L'ASSEMBLAGE DES BRAS ARTICULES AVEC LES MOTEURS
Dessin n°3 p4 :

DECLARATION DE CONFORMITE D'UN EQUIPEMENT RADIOELECTRIQUE
(DIRECTIVE R&TTE 1999/5/CE)
SOCIETE (fabricant, mandataires, ou personne responsable de la mise sur le marché de l'equipement)
Nom: SARL AVIDSEN
Adresse : La caillaudiere
37320 Esvres sur Indre
France
Telephone: (33) 247343060
Télécopie: (33) 247 34 30 61
IDENTIFICATION DE L'ÉQUIPEMENT
Marque: AVIDSEN
Désignation commerciale : Télécommande universelle 4 boutons
Référence commerciale : 104700
Type: TXC-4
Je sousseigné,
NOM ET QUALITE DU SIGNATAIRE : Raphaël PRERA, gérant
- Déclaré sous mon entière responsabilité que le produit décrit ci-dessus est en conformité avec les exigences essentielles applicables de la directive 1999/5/CE :
Article 3.1 a: (protection de la santé et sécurité des utilisateurs)
Norme de sécurité électrique appliquée: EN 60950 (ed. 1992) + A1 et A2 (ed. 1993) + A3 (ed. 1995) + A4 (ed. 1997)
Article 3.1b: (exigences de protection en ce qui concerne la compatibilité électromagnétique)
Article 3.2: (utilisation efficace du spectre radioélectrique, de façon à éviter les interférences dommageables)
A cet effet, déclare que toutes les séries d'essais radio ont été effectuees.
Identification de l'organisme notification : CETECOM ICT Services GmbH
Notice Facile