LUXOR 405 - Module de variation électrique THEBEN - Notice d'utilisation et mode d'emploi gratuit
Retrouvez gratuitement la notice de l'appareil LUXOR 405 THEBEN au format PDF.
| Type d'appareil | Module de variation |
| Fonction | Variation de l'éclairage |
| Nombre de canaux | 2 canaux indépendants |
| Capacité de charge par canal | 300 VA (canal 1 et 2), 500 VA (canal 1 en mode 1 canal) |
| Alimentation | 230 V ± 10% / 15% |
| Type de commande | Touches de programmation (P1 à P4), touches de variation |
| Modes de fonctionnement | Manuel, Marche/Arrêt, Variation |
| Entrées | 2 entrées pour scénarios d’éclairage |
| Sorties | 2 x 300 VA (D1 et D2) ou 1 x 500 VA (D1 seul) |
| Protection | Détection de surcharge et surchauffe avec signalisation DEL |
| Montage | En parallèle avec variateurs et interrupteurs |
| Installation | En tableau électrique, environnement normal |
| Consignes de sécurité | Respecter polarité, ne pas monter en série avec interrupteur |
| Communication | Interface COM pour extension |
| Dimensions | Non précisé |
| Poids | Non précisé |
| Garantie | Non précisé |
FOIRE AUX QUESTIONS - LUXOR 405 THEBEN
Questions des utilisateurs sur LUXOR 405 THEBEN
0 question sur cet appareil. Repondez a celles que vous connaissez ou posez la votre.
Poser une nouvelle question sur cet appareil
Téléchargez la notice de votre Module de variation électrique au format PDF gratuitement ! Retrouvez votre notice LUXOR 405 - THEBEN et reprennez votre appareil électronique en main. Sur cette page sont publiés tous les documents nécessaires à l'utilisation de votre appareil LUXOR 405 de la marque THEBEN.
MODE D'EMPLOI LUXOR 405 THEBEN
Notice d'utilisation Module de variation LUXOR 405
31041003

LUXOR 405
1.0 Utilisation conforme à l'usage prévu
Le module de variation LUXOR élargit la série préexistante d'appareils LUXOR. Il convient notamment à une installation dans une maison individuelle ou un immeuble collectif ainsi que dans des bureaux. L'appareil estçu pour un montage conforme à l'usage prévu dans une armoire électrique ou une armoire de distribution. Il convient à une'utilisation dans des locaux secs et dans un environnement à salissures normales.
2.0 Description brève
- Le module de variation LUXOR fonctionne en tant qu'unité indépendante. Il se raccorde au système LUXOR au moyen de l'interface de communication à 2 conducteurs et prend ainsi part à toutes les fonctions de comport comme la fonction Panique, la MARCHE centralisée, l'ARRÊT centralisé et la simulation de présence.
- Seules les touches peuvent être raccordées aux entres I 1 à I 2.
- D'une manière fondamentale, on peut raccorder différents conducteurs externes / différentes phases aux entrées de commande et aux entrées de commutation.
- Les selecteurs de programme P1 à P4 permettent de désirer entre différents comportements de variation.
-
On désigne de manière générale les modes d'utilisation des touches suivants:
-
Bref appui sur la touche
- Appui prolongé sur la touche
- Appui très long (>3 sec) sur la touche (seulement dans P3 et P4)
3.0 Consignes de sécurité

Afin d'éviter tout risque d'incendie ou d'électrocution, l'appareil doit être relié et monté uniquement par un électricien professionnel qui respectsra les prescriptions nationales et les dispositions de
sécurities applicables. Toute intervention ou modification apportée à l'appareil entraine la perte de tout droit à la garantie.
- Le montage en série ou en parallèle des variateurs est interdite!
- Il est interdit de ponter le variateur!
- N'installez aucun transformateur séparateur ou régulateur en amont du variateur!
- N'utilise que des transformateurs (transformateurs électroniques) adaptés et homologues pour fonctionner avec un variateur!
- Le fonctionnement avec divers types de charges n'est pas permis. Seule la combinaison de charges R et C (lampes incandescentes et transformateurs électroniques) est admise.
- Les transformateurs (transformateurs électroniques) exploités avec redressement en sortie de phase (charge C) et avec redressement en entrée de phase (charge L) ne doivent jamais être associés à d'autres types de charges.
- En cas de modification de la charge et de changement d'ampoule, il faut couper l'alimentation en tension (au niveau de l'armoire de commande ou de distribution) !
- Les transformateurs (transformateurs électroniques) ne doivent pas fonctionner en dessous de la charge minimum spécifique par le fabricant. Une détction automatique correcte de la charge n'est possible qu'en présence d'une charge minimum. Si vous ne disposez d'aucune indication, il faudra faire fonctionner le transformateur (transformateur électronique) à 80% minimum de sa charge nominale. Le non-respect de cette instruction peut engendrer des dysfonctionnements, le variateur et le transformateur risquant d'être détruits. La durée de vie des ampoules diminue.
- Si un interrupteur est monté en série avec un variateur et la charge, l'enclementhement s'assortit d'une temporisation.
4.0 Description des commandes
Fonctionnement à 2 canaux D1 et D2 indépendants, offrant une capacité de 300 VA chacun
Fonctionnement à 1 canal, D1, offrant une capacité de 500 VA (le canal 2 n'assume pas de fonction)
Lorsque le sélecteur, sur le LUXOR 400, se
trouve sur la position ,la
DEL Set signale l'etat de programmation.
La DEL s'allume en presence d'un signal de palpage à l'entrée I.
Selecteur des programmes P1 à P4
Touche CLEAR de réinitialisation du variateur en cas de dysfonctionnements et lors de l'affichage d'une surintensité/surchauffe
La DEL s'allume lorsque la sortie est enclenchée.
Touché de canal D1 (D2) pour la commutation manuelle MARCHE/ARRÉT (touche manuelle) et pour la programmation des fonctions centralisées
La DEL s'allume en presence d'un dysfonctionnement, d'une surintensité ou d'une surchauffe.
4.1 Description des bornes d'entrée

4.2 Description des bornes de sortie
Sorties de variation
LUXOR 405 (D1 et D2)
D1subsection
2×300VA
1×500VA
N.b.:
- Les sorties sont sans potentiel entre elles et par rapport à l'alimentation.
- Il est possible de raccorder un nombre quelconque de conducteurs externes / de phases!
- Sorties de commutation à semi-conducteurs

5.0 Raccordement des modules d'extension
N.b.: La longueur totale des conducteurs de communication (COM/asse tension fonctionnelle) ne doit pas dépasser 100m .
- Extension maximale jusqu'à 16 apparèils, y compris l'appareil de base
- La connexion centrale est réalisée par le biais de l'interface COM.
- Tous les apparèels qui sont reliés par l'interface COM à l'appareil de base LUXOR 400 peuvent être commutés de façon centralisée.

Respecter la polarité !
Établissez une connexion bifilaire entre les interfaces de communication.
6.0 Raccordement et installation
Raccordement des entrées
L'entrée I 1 agit sur la sortie D1.
L'entrée I 2 aqit sur la sortie D2.
L'entrée S 1 agit sur la sortie D1.
L'entrée S 2 agit sur la sortie D2.
Important : En fonctionnement à 1 canal,I 2 et S 2 n'ont pas de fonction.
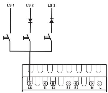
L'entrée LS peut commander 3 scénarios d'éclairage indépendants.

Ne connectez pas les entrées en parallèle.
7.0 Programmes de sélection P1, P2, P3 et P4
Le sélecteur de programmes permet deCHOISIR entre 4 programmes, P1 à P4.
Programme P1
Le programme P1 est le programme standard de variation et présente les séquencements suivants :
Pour les variateurs à 1 touche
- Un bref appui sur la touche enclenché la lumière à 100% .
- Un nouvel appui eteint a nouveau la lumiere.
- Un appui prolongé sur la touche permet de tamiser la lumière.
Tant que vous appuyez sur la touche, l'appareil hausse par exemple la luminosité jusqu'à 100% . Puis il la tami se à nouveau. L'ensemble du processus se produit jusqu'à que relâchiez la touche.

Programmation d'une valeur de luminosité (valeur minimum dans les programmes P1 à P4)
Il est possible de programmer la plus petite valeur sur laquelle le variateur de lumière doit être régle (en position P1), voir le chapitre 8.
Pour le variateur à 2 touches
- Un appui bref sur la touche (clair) allume la lumière.
- Un appui bref sur la touche (sombre) eteint la luziere.
- Un appui long sur la touche (clair) porte lentement la luminosité à 100 %. Lorsque vous relâchez la touche, la valeur atteinte est maintainue. Un nouvel appui long sur la touche fait hausser la luminosité jusqu'à 100 %.
- Un appui prolongé sur la touche (sombre) réduit lentement la luminosité jusqu'à 10% ou jusqu'à la valeur minimum (si une valeur était déjà régée).
Programme P2
- Le programme P2 fonctionne comme le programme P1, sauf à l'enclementhement. Ici, l'appareil ne commute pas sur 100% de la luminosité, mais sur la valeur de luminosité sur laquelle il était réglé avant l'extinction.
- La touche (clair) (dans le cas des variateurs à 2 touches) permet, après un premier appui bref sur la touche, de réaliser également la variation sur la valeur régée; un se permet de passer à 100% de la luminosité.

"Programmation" d'une valeur de luminosité (valeur supérieure d'abaissement pour P3)
Il est possible ici de programmer la valeur supérieure d'abaissement (en position P2), voir le chapitre 8.
Programme P3 (fonction d'éclairage de cage d'escalier avec éclairage permanent)
Le programme P3 se comporte comme un automate d'éclairage de cage d'escalier et fonctionne de manière identique avec les variateurs à 1 et 2 touches. P3 fonctionne comme suit :
- Un appui sur la touche enclenché la lumière à 100% .
- Pendant une durée de 1, 2, 4 ou 8 min, la lumière est maintainue à 100% (voir Programmation de la durée d'éclairage de la cage d'escalier, chap. 8).
- Ensuite a lieu une variation (tamisage) de l'éclairage entre 40% et 80%.
Ce pourcentage est maintenu pendant environ 40 secondes.
- Ensuite, P3 commute sur 30% ou sur la valeur minimum programme. Ce pourcentage est maintainu pendant environ 10 secondes.
-
Le programme P3 estint la lumière.
-
Si vous appuyez brievement sur la touche pendant le déroulement du programme, la "fonction d'éclairage de cage d'escalier" redémarre depuis le début.

- Si pendant cette séquence vous appuyez plus de 3 secondes sur la tou che, l'appareil commute sur l'éclairage permanent (100%) et le confirme par un clignotement bref.
- Un appui bref sur la touche permet d'eteindre l'éclairage permanent.
"Programmation" de la durée d'éclairage de la cage d'escalier (en position P3), voir le chapitre 8.
Programme P4
Le programme P4 comporte un éclairage de nuit ou un éclairage de sécurité.
- Un bref appui sur la touche hausse la luminosité jusqu'à 100% .
- Pendant une durée de 1, 2, 4 ou 8 min, la lumière est maintainue à 100% .
- Un nouvel appui sur la touche la réduit lentement jusqu'à 10% ou jusqu'ee sur la valeur minimum programmee. Cette valeur est maintainue (Eclairage de nuit et/ou de sécurité).
- Un nouvel appui sur la touche rétablit à nouveau la luminosité à 100 %.
- Si en présence de la valeur minimum vous appuyez plus de 3 secondes sur la touche, la lumière s'eteint.
- Si, lumière allumée (à 100% ), vous appuyez plus de 3 secondes sur la touche, l'appareil commute sur l'éclairage permanent ( 100% ) et le confirme par un clignotement bref.
- Un nouvel appui bref réduit à nouveau l'éclairage jusqu'à la valeur minimum.
Avec la commutation sur 100% commence une "fonction de temporisation". Lorsque la temporisation est écoulée, la lumière diminue automatiquement jusqu'à la valeur minimum.
Programmation de la fonction de temps (en position P4), voir chapitre 8.
8.0 "Programmation" de diff. valeurs de luminosité
You've aca la possibilité, sur les positions P1 à P4, de regler et programmer l'appareil sur differentes valeurs de luminosité :
1)Luminosite (valeur minimum) sur la position P1
- Appuyer sur la touche ManuelD1 ou D2 pendant plus de 3 secondes. Toutes les DEL s'allument ; la lampe s'allume et sa luminosité correspond à la valeur de luminosité réglée en dernier.
- Reglez la valeur de luminosité (10% - 40%) par la touche (pas à l'aide de la touche Manuel).
- Confirmez par un bref appui sur la touche Manuel D1 ou D2. L'appareil valide la valeur reglee. La DEL affectee à la sortie s'allume.
2)Luminosite (valeur supérieure d'abaisissement entre 40% - 80% en position P2
- concerning l'utilisation, voir la description en 1)
3)Durée d'éclairage de la cage d'escalier (1, 2, 4 ou 8 minutes) sur la position P3
- Appuyez sur la touche Manuel D1 ou D2 pendant plus de 3 secondes. Toutes les DEL s'allument.
- A l'aide du sélecteur de programmes, Sélectionnéz la durée de l'éclairage de la cage d'escalier: P1 = 1 min, P2 = 2 min, P3 = 4 min, P4 = 8 min.
- Confirmez par un bref appui sur la touche Manuel D1 ou D2. L'appareil valide la durée selectionnée. La DEL affectee à la sortie s'allume.
- Ramenez évientuelles le sélecteur de programme sur P3.
4) Éclairage de nuit et de sécurité (1, 2, 4 ou 8 minutes) sur la position P4
- concerning l'utilisation, voir la description en 3)
- Pour ce faire, Sélectionné la durée par le sélecteur de programmes : P1 = 1 min, P2 = 2 min, P3 = 4 min, P4 = 8 min, comme décrit ci-dessus.
- Ramenez évientuelles le sélecteur de programme sur P4.
9.0 Fonction "Scenarios d'éclairage" (LS)
Important :
vous pouvez programmer et régler 3 scénarios d'éclairage, mais uniquement dans les programmes P1 et P2.
"Programmation" d'un scenario d'éclairage
- Reglez la luminosité sur les valeurs souhaitées.
Appuyez sur l'une des 3 touches de scenario (touche supplémentaire pour scénarios d'éclairage) pendant plus de 3 secondes.
L'appareil mémorise les valeurs de luminosité et le confirme par un clignotement bref.
Execution d'un scenario d'éclairage
- Appuyer brièvement sur l'une des 3 touches de scenario d'éclairage. Les canaux commutent sur la valeur d'éclairage "programmée".
- Si vous appuyez à nouveau sur la touche de scenario d'éclairage, les canaux s'eteignent.


10.0 Fonction "Détector de mouvement" (S)
Allumage
dans P1, P3, P4 = > Commutation sur 100% .
dans P2 => Si la lumière était déjà allumée, l'appareil commute sur 100% .Si la lumière n'était pas déjà allumée, l'appareil commute sur la dernière valeur de luminosité utilisée.
Extinction
dans P1 Commutation sur 0%
dans P2 Si le réglage se trouvait déjà sur 100% , l'appareil commute sur la dernière valeur de luminosité utilisé. S'il avait été réglé sur une valeur de luminosité, il commute sur 0%
Dans P3 Lance la fonction d'éclairage de la cage d'escalier.
Dans P4 Lance la "fonction de temporisation".
11.0 Fonction centralisée
Chaque canal peut être attribué à l'une des fonctions centralisées : Panique, ARRÉT centralisé, MARCHE centralisée et Simulation de présence. Cette fonction n'est possible qu'en association avec LUXOR 400 (voir la notice d'utilisation LUXOR 400).
Panique
L'appareil allume les canaux attribués. Ilis deviennent inopérants jusqu'à la déactivation de la fonction Panique.
ARRÉT centralisé
L'appareil eteint les canaux attribués. Leur pilotage demeure possible.
MARCHE centralisée
L'appareil allume les canaux attribués. Leur pilotage demeure possible.
Simulation de presence (AWS)
L'appareil commute les canaux attribués. Le pilotage demeure possible.
- Pendant le service, l'appareil vérifie les valeurs de luminosité actuelle des canaux et les mémorise évientuèlement assorties d'une information de temps/d'horaire.
- Toutes les 24 heures, les données ainsi recueillies sont mémorisées dans l'appareil. Au bout de 7 jours, les anciennes valeurs sont écrasées et font l'objet d'une nouvelle mémorisation.
- Àprou la première mise en service, l'appareil ne contient encore aucune valeur mémorisée ; ce n'est qu'après une semaine qu'il est possible de lancer un séquencement AWS.
- ÀprounRESETouunrétablissement du courant de secteur,les valeurs AWS restent mémorisées.dans l'appareil.
12.0 Fonctionn. avec le module d'horloge LUXOR 414
Info :
- Le module de variation LUXOR 405 se programme sur la totalité des 8 canaux du module horloge (voir la notice d'utilisation LUXOR 414, chap. 13).
- Comportement au cours des horaires de commutation / horaires astro
Le pourcentage émis est celui réglé dans le module horloge UXOR 414.
- Comportement au cours des horaires de commutation / horaires astro
Si sur un canal a ete programmee la detction en plus de l'heure, l'interruption nocturne (dont la pereode de blocage) n'agit pas sur les horaires astro, mais sur la fonction crepusculaire. Dans ce cas, les horaires astro sont always executes.
- Fonctions centrales
- Fonction Panique
Si cette fonction est active pendant un ordre d'horloge, l'ordre d'horloge n'est pas exécuté ; il ne l'est qu'une fois que la fonction a pris fin.
- Simulation de presence (AWS)
Si cette fonction est active pendant un ordre d'horloge, aucune réaction ne se produit pour le canal programmé sur l'AWS.
- Horaire astro / Interruption nocturne (période de blocage), voir le tableau
| Astro, le soit | Interruption nocturne | Interruption nocturne | Astro, le matin | Explication | |
| Coucher de soleil | Démarrage | Fin | Lever du soleil | ||
| Horaires | 16:10 | 20:00 | 6:00 | 8:10 | Hiver |
| Commutation | MARCHE | ARRÊT | MARCHE | ARRÊT | Séquencement normal |
| Horaires | 21:30 | 20:00 | 6:00 | 4:50 | Êté |
| Commutation | - | ARRÊT | - | ARRÊT | reste ÉTEINT |
| Horaires | 19:30 | 20:00 | 6:00 | 5:55 | le soit unique-ment |
| Commutation | MARCHE | ARRÊT | - | ARRÊT | MARCHE |
| Horaires | 20:30 | 20:00 | 6:00 | 6:55 | le matin uni-quement |
| Commutation | - | ARRÊT | MARCHE | ARRÊT | MARCHE |
- Horaires de commutation
L'interruption nocturne (période de blocage) est inopérante pendant les horaires de commutation normaux. Les horaires de commutation sont toujours exécutés.
13.0 Fonctionn. avec le module capteur LUXOR_412
Info :
- Le module de variation LUXOR 405 se programme sur le canal de crépuscule du module capteur LUXOR 411 (voir la notice d'utilisation LUXOR 411_412 chap. 10).
- Le module de variation LUXOR 405 ne réagit qu'au crépuscule (temporisation de 80 secondes).
- Les canaux attribués à la fonction crépusculaire commutent sur 100% lorsque la luminosité descend en dessous du seuil de crépuscule régle (dans les programmes P1, P2 et P4, pas dans le P3).
- Les canaux attribués à la fonction crépusculeaire commutent sur 0% lorsque la luminosité monte au dessus du seuil de crépuscule régle (dans les programmes P1, P2 et P4, pas dans le P3).
- Dans le programme P3, le module de variation ne réagit pas au module capteur.
- Si la fonction Panique, un détecteur de mouvement, un scenario d'éclairage ou la simulation de présence sont actifs, le module de variation ne réagit pas au module capteur!
Relation entre le crépuscule, la période de blocage et l'etat de départ (voir le tableau)
| Crépuscule | Période de blo-cage, valeur % (LUXOR 414) | Capeur | Canal (LUXOR 405) |
| obscurité croissantante | 0 % était présente | est bloqué | inchangé |
| obscurité croissantante | >0 % était présente | est débloqué | 100 % |
| il fait clair | 0 % arrive | blocage en cours | 0 % |
| il fait clair | >0 % arrive | débloquage en cours | 100 % |
| luminosité croissantante | 0 % était présente | demeure bloqué | inchangé |
| luminosité croissantante | >0 % était présente | demeure débloqué | 0 % |
| il fait clair | 0 % arrive | blocage en cours | inchangé |
| il fait clair | >0 % arrive | débloquage en cours | inchangé |
14.0 Caracteristiques techniques
Tension de service : 230 V~, +10 % à -15 %
Fréquence sector : 50 Hz
Consommation propre : 3 VA
Câble de raccordement touche / 230 V indépendamment des phases interrupteur :
Longueur de cable touches / jusqu'à 100 m (NYM, H05/H07, NYIF) interrupteurs :
Longueur de cable entre le variateur jusqu'à 100 m et la charge :
Connexion bifilaire pour COM : Section quelconque, longueur jusqu'à 100 m
Température ambiente admise : de -10^ à +50^
Classe de protection : Il en cas de montage conforme
Type de protection : IP 20 selon norme EN 60529
Sorties de variation : par canal : 20 … 300 VA
pour un canal : 20 … 500 VA
Type de charge : Détction automatique des charges R, C - L
Court-circuit: les sorties sont protégées contre les court-circuit (affichage -)
Surchauffe: surveillée avec déconnexion (affiche - )
Détention automatique des charges R et C (redressement en sortie de phase) et L (redressement en entrée de phase)
15.0 Charges tamisables
| Type de charge | tamisable | Type de charge / variation | Remarque |
| Ampôules halogènes et incandescentes en 230 V~ | OUI | Redressement en sortie de phase | |
| Ampôules halogènes basse tension à transformateur électronique | OUI | Redressement en sortie de phase | |
| Ampôules halogènes avec transformateur à noyau de lamelles (les transformateurs toroidaux ainsi que les transformateurs de la Sté Block et de la Sté ABB, sauf la série ... Lv) | OUI | Redressement en entrée de phase | |
| Fonctionnement mixte des ampôules halogènes basse tension avec Transformateur électronique et ampôules incandescentes en 230 V~ | OUI | Redressement en sortie de phase | |
| Transformateurs toroidaux | NON | X | - |
| Lampes à vapeur métallique | NON | X | - |
| Lampes à économique d'énergie | NON | X | - |
| Tubes fluorescents | NON | X | - |
| Lampes équipées de leur propre variateur | NON | X | - |
| Lampes équipées d'autres ballasts électroniques | NON | X | - |
| * Veuillez n'utiliser que des transformateurs (transformateurs électroniques) adaptés au fonctionnement avec un variateur et homologués à cet effet, et fonctionnant avec la charge minimum. | |||
16.0 List d'acceptation des transformateurs conventionnels testés
| Type | Fournisseur / Fabricant min | Puisance [W] max | |
| LDT 60 | Bürklin | 45 | 60 |
| LTV 250/96 TB | Reichelt | 180 | 250 |
| LTV 300/96 | Reichelt | 200 | 300 |
| Type 120/500 (LTV 500/135) | Reichelt | 300 | 500 |
| Si-TR 300-230/12 Lv | ABB | 250* | 300 |
| * Sans indication; utilisez pour cette raison 80 % de la valeur maximale. | |||
Consigne importante!
Les 3 étoiles sur la face supérieure de l'appareil LUXOR 405 caractérisent un appeareil de 3ème génération.
Ceci signifie que seuls ces appareils peuvent etre pilotes avec un LUXOR 411 (module capteur) et un LUXOR 414 (module horloge).

Theben AG
Hohenbergstr. 32
72401 Haigerloch
Tel. +49 (0) 74 74/6 92-0
Fax +49 (0) 74 74/6 92-150
Service
Tél. +49 (0) 90 01 84 32 36
Fax: +49 (0) 74 74/6 92-207
hotline@theben.de
Adresses, nombres de téléphone, etc. sur
www.theben.de
Notice Facile