ESW 4810 - Chauffe plat MIELE - Notice d'utilisation et mode d'emploi gratuit
Retrouvez gratuitement la notice de l'appareil ESW 4810 MIELE au format PDF.
| Type d'appareil | Tiroir chauffe-plat encastré |
| Installation | Encastrée |
| Fonction principale | Maintien au chaud des plats |
| Capacité | Adaptée à plusieurs plats |
| Température réglable | Oui, réglable |
| Type de commande | Non précisé |
| Consommation électrique | Non précisé |
| Dimensions | Non précisées |
| Matériau intérieur | Non précisé |
| Matériau extérieur | Non précisé |
| Sécurité | Protection contre la surchauffe |
| Entretien | Facile à nettoyer |
| Utilisation | Maintien au chaud avant service |
| Compatibilité | Encastrable dans cuisine équipée |
| Marque | Non précisée |
| Modèles | Plusieurs modèles disponibles |
FOIRE AUX QUESTIONS - ESW 4810 MIELE
Questions des utilisateurs sur ESW 4810 MIELE
0 question sur cet appareil. Repondez a celles que vous connaissez ou posez la votre.
Poser une nouvelle question sur cet appareil
Téléchargez la notice de votre Chauffe plat au format PDF gratuitement ! Retrouvez votre notice ESW 4810 - MIELE et reprennez votre appareil électronique en main. Sur cette page sont publiés tous les documents nécessaires à l'utilisation de votre appareil ESW 4810 de la marque MIELE.
MODE D'EMPLOI ESW 4810 MIELE
Instructions d'utilisation

Tiroir chauffe-plat encastré
ESW 4700 / ESW 4710 / ESW 4720
ESW 4800 / ESW 4810 / ESW 4820
INSTRUCTIONS IMPORTANTES SUR LA SECURITE 4
Guide de I'appareil 8
Guide des commandes 9
Minuterie 9
Sélecteur de température 10
Regulateur d'humidité 11
Temperatures et niveaux d'humidité sugérés 12
Chargement du tiroir chauffe-plat 13
Conseils 14
Utilisation du tiroir chauffe-plat 15
Garder les alimentes au chaud 15
Devant de l'appareil et tableau de commande 17
Verre. 17
Acier inoxydable 17
Tiroir 18
Sous-plat antidéraptant 18
Grille. 18
Questions fréquement posées 19
Service après-vente 21
Instructions d'installation 23
Aidez à protégger l'environnement 24
Enlvement des produits d'emballage 24
Mise au rebut de votre ancien apparéil 24
Branchementélectrique 25
Installation 26
Installation du tiroir chauffe-plat. 31
Enlèvement du tiroir 31
Insertion du tiroir 31
Installation des modèles encastrés 4700 FB/4800 FB 32
AVERTISSEMENT - Lorsque vous utilisez l'appareil, suivez les consignes de sécurité de base, y compris ce qui suit :
Lisez toutes les instructions du tiroir chauffe-plat avant de l'utiliser ou de l'insteller afin de prévenir les blessures et éviter d'endommager l'appareil.
Cet apparéil est destiné à un usage domestique seulement. Il sert à garder les plats cuisinés à la température de consommation. Toutte autre utilisation est déconseillée et pourrait s'avérer dangereuse.
Cet apparéil répond aux normes et règlements de sécurité en vigueur. Le fabricant décline toute responsabilité pour les dommages ou blessures causés par une mauvaise'utilisation.
Conservez précieusement ces instructions d'utilisation et transmettez-les aux utilisateurs suivents.
GARDEZ CES INSTRUCTIONS!
Sécurité technique
Avant d'installer l'appareil, assu-rez-vous que la tension et la fréquence correspondant à celles indiquées sur la plaque signalétique. Ces données doivent correspondre afin d'éviter de vous blesser et d'endommager l'appareil. Dans le doute, consultez un électricien qualifié.
Confiez l'installation et la mise à la terre de l'appareil à un professionnel.
Pour garantir la sécurité électrique de l'appareil, il faut le raccorder à une installation de mise à la terre appropriée. Il est essentiel de respecter cette exigence élémentaire en matière de sécurité. En cas de doute, faites vérifier l'installation électrique de la maison par un électricien qualifié. Le fabricant ne peut pas être tenu responsable des dommages causés par l'absence d'une installation de mise à la terre ou une installation déficiente.
L'installation et les travaux de réparation et d'entretien doivent être effectuels par un technicien de service autorisé Miele. Tout travail effectué par des personnes non qualifiées pourrait être dangereux et faire annuler la garantie.
Avant d'installer et de réparer l'appareil, coupez l'alimentation électrique de la zone de travail en retardant le fusible, en fermant le disjoncteur ou en débranchant l'appareil de la prise de courant.
L'appareil doit absolument etre encastré afin qu'aucun elementelectrique ne soit accessible.
N'ouvrez jamais le boitier de l'appareil.
Modifier les éléments electriques ou mécaniques ou les connexions ELECTRIques pourrait s'avérer dangereux et endommager l'appareil.
N'utilisez pas un apparéil dont le cordon d'alimentation ou la prise est endommagé, qui fonctionne mal ou qui a été endommagé de chaque façon que ce soit. Retournez-le au concessionnaire autorisé Miele le plus après pour le faire inspector, réparer ou régler.
N'utilise pas de rallonge pour rac-corder l'appareil au réseau électrique, car elle ne permet pas de garantir les conditions de sécurité nécessaires à cet apparéil. Danger de surchauffe.
Cet apparéil n'a pas été concu pour être utilisé sur un bateau ou dans des engins mobiles, comme des avions ou des vehicules récréatifs, mais c'est toutefois possible dans certaines circonstances. Communique vos exigences particulières au concessionnaire Miele le plus pres ou aux Services techniques Miele.
Utilisation
Évitez les brûlures. Ne touche pas aux surfaces chaudes. Utilisez les poignées. Portez des gants de cuisine thermorésistants lorsque vous retirez des alimentés du tiroir.
Utilisez uniquement des gants de cuisine thermoresistantes et secs. Si vous utilisez des gants humides sur des surfaces chaudes, vous pourriez vous brûler à cause de la vapeur. Ne remplacez pas les gants par des serviettes ou tout autre article rembourse.
Ne touchez pas à l'élement du haut ni aux autres surfaces internes du tiroir chauffe-plat. Les éléments peuvent être chauds même s'ils ne sont pas incandescents. Durant l'utilisation et même après, ne laissez pas des vêtements ou tout autre matériel inflammable entre en contact avec l'élement du haut ou les surfaces internes du tiroir jusqu'à ce qu'ils aient suffisamment refroidi.
Ne laissez pas les enfants s'approcher de l'appareil et de ses commandes. Ne laissez pas les personnes âgées ou handicapées se servir de l'appareil sans surveillance. L'appareil peut devenir très chaudpendant l'utilisation. Danger de brûlures!
Ne rangez rien dans le tiroir chauffe-plat. Les articles oubliés à l'intérieur de celui-ci pouraient fondre ou prendre feu lorsque vous allumez l'appareil. Ne rangez jamais les matérieliaux ou liquides inflammables dans le tiroir chauffe-plat ou au-dessus de celui-ci.
INSTRUCTIONS IMPORTANTES SUR LA SECURITE
Risque d'incendie - ne remplacez pas le sous-plat antidéraptant du ti-roir chauffe-plat par un autre type de sous-plat.
Risque d'incendie - les aliments, qui sont chauffés pendant une longue période de temps peuvent s'assesser et prendre feu. Assurez-vous que vous n'avez rien ou blié dans le tiroir chauffe-plat.
Les alimentés conservés pendant de longues périodes à de faibles températures peuvent devenir des foyers de bacteriés.
Avant de servir les alimentes, assurez-vous quils sont à la bonnetépérature.
Cela s'avéré particulièrement important dans le cas des enfants et des bébés.
Ne réchauffez jamais de l'alcool non dilué dans le tiroir chauffe-plat, car il pourrait facilement s'enflammer.
Faites attention lorsque vous réchauffez des alimentés qui contiennent beaucoup de sucre. S'il est chauffé trop longtemps, le sucre peut se caraméliser ou prendre feu.
Utilisez uniquement des plats résistants à la chaleur.
Ne placez pas des contenants d'aliments fermes dans le tiroir chauffe-plat, car la pression pourrait s'accumuler et les faire explodeer.
N'employez pas de contenants ou de pellicule de plastique dans le ti-roir chauffe-plat, car ceux-ci pouraient fondre et endommager l'appareil ou causer des blessures.
Fermez le tiroir après avoir retiré les alimentés. Si vous laissez le tiroir ouvert, vous risquez de trèbucher ou de vous brûler.
Ouvrez toujours le tiroir avec précaution. Laissez l'air chaud ou la vapeur s'échapper avant demettre des alimentés dans le tiroir ou de les en reti-rer.
Ne vous appuyez pas ou ne vous asseyez pas sur le tiroir. Cela pourrait endommager l'appareil, car il ne peut supporter une charge supérieure à 15 kg.
Utilisez un thermomètre à cuisson pour vérifier la température des alimentés.
Utilisez toujours le sous-plat antidérapant dans le tiroir chauffe-plat afin de prévenir les blessures et les dommages.
Afin d'eviter les blessures, n'utilise pas des accessoires qui ne sont pas recommendés par Miele.
Avant de nettoyer l'appareil, fermer le disjoncteur et laisser l'appareil refroidir.
N'utilisez jamais un nettoyeur à vapeur pour nettoyer le tiroir. La vapeur sous pression pourrait s'infiltrer dans les composants électriques et causer un court-circuit.
Rensignements généraux
Ne laissez pas les enfants sans surveillance dans un lieu ou un apparéil est en marche. Ne les laissez jamais s'asseoir ou se tenirABOUT sur n'importe qu'elle partie du four.
Attention: Ne rangez pas des objets qui pourrait interérer les enfants dans les armoires au-dessus du tiroir ou à l'intérieur de celui-ci. Les enfants poursraient se blesser en grimpant sur le tiroir pour tenter de les atteindre.
Évitez de porter des vêtements amples ou qui pendent lorsque vous utilisez la surface de cuisson, car ils risquent de prendre feu.
Ne laissez pas le tiroir sans surveillance lorsque vous vous en servez.
Ne versez jamais d'eau sur un feu de friture! Il pourrait se produit une violente explosion de vapeur. Étouffez les flammes à l'aide d'un extincteur à poudre chimique ou à mousse.
Ne versez jamais d'eau sur des alimentes placés dans le tiroir, car vous pourriez vous ébouillanter ou vous brûler avec la vapeur.
Ne vous servez pas du tiroir
chauffe-plat pour chauffer la piece.
Étant donné la Élevée chaleur qui s'en dégage, les objets liassés pres de l'appareil pourrait prendre feu.
Veillez à ce que les cordons d'alimentation électrique des électronnagers autour du tiroir n'entrent pas en contact avec celui-ci ou ne se prennent pas dans celui-ci.
N'utilise pas le tiroir chauffe-plat à l'extérieur.

① Minuterie
(2) Sélecteur de température
③ Régulateur d'humidité
Sous-plat antidéraptant
⑤Grille
⑥ Tiroir
Les trois boutons de commande du ti- roir chauffe-plat sont la minuterie,le sélecteur de température et le régulateur d'humidité.
Ces commandes ne sont visibles que lorsque le tiroir est ouvert.
Lorsque le tiroir chauffe-plat commence à chauffer, le ventilateur se met en marche pour distribuer la chaleur uniformément. Quand le tiroir atteint la température sélectionnée, le ventilateur s'estint pour éviter que les alimentés s'chent.
Si la température baisse sous la température sélectionnée, le ventilateur se remettra en marche.
Minuterie
La minuterie actionne les éléments chauffants et le ventilateur. Pour réchauffer les alimentés convenablement, la minuterie doit être régée à une durée appropriée. Les réglages de la minuterie sont de 1 à 4 heures ou en continu ("Continuous").

-Programmer une durée limitee: Tournez le bouton dans le sens des aigilles d'une montre de "0" jusqu'à la durée souhaitee (maximum 4 heures).
- Programme une durée illimitée : Tournez le bouton dans le sens contraire des aiguilles d'une montre de "0" jusqu'à "Continuous". Le bouton ne peut être forcé au-delà de l'indication "4 h" jusqu'à "Continuous".
- Pour éteindre le tiroir chauffe-plat, tournez le bouton de la minuterie à la position "0".
- L'option "Continuous" maintains the chaleur du tiroir jusqu'à ce que le bouton de la minuterie soit remis en position "0". Cette option de réglage est idéale lorsque vient le temps d'observer le sabbat.
Ànoterquelereglage"Continuous" nécessiteune surveillance constanteafin de prévenir les incendies. Les alimentés oubliés pourraient secher et prendre feu.L'appareil commencea chauffer une fois que vous aze regle la durée.
Sélecteur de température
Vous pouvezCHOISIR n'IMPORTE quelle tempereature entre le reglage de base (voir l'illustration) et le reglage "High" (elevée).

Les réglages de température :
- Réglage de base : 97 °F (36° C)
- Bas:140°F (60°C)
- Moyen: 176^ F (80°C)
- Élevé : 203 °F (95 °C)
Régulateur d'humidité

Le régulateur d'humidité ajusté le taux d'humidité à l'intérieur du tiroir. Ce régulateur se regle à n'importequelle position entre "Moist" (humide) et "Dry" (sec).
Portez des gants de cuisine pour déplacer le régulateur d'humidité. Le bouton peut devenir chaud pendant l'utilisation.
"Humide": Cette position du régulator ferme les évets et garde l'humidité à l'intérieur du four pour que les alimentés restent humides et moelleux.
Il peut se former de la condensation à l'intérieur du tiroir.
- "Sec": Cette position du régulateur ouvre les évents pour que l'air circule au maximum et que les alimentés de meurent croustillants.
"Sec" est le réglage idéal pour réchauffer des alimentés secs et liquides, comme la soupe et le pain. Reçouvre les liquides d'une assiette ou d'une feuille de papier aluminium pour empêcher l'évaporation.
Avec ce réglage, l'humidité peut s'accumuler sur les surfaces au-dessus du tiroir chauffe-plat.
- "Centre": Cette position se situe entre "Humide" et "Sec" et elle ouvre partiellement les évents pour garder les alimentés chauds et légarement humides, par exemple, la pizza.
Températures et niveaux d'humidité sugérés
| Aliments | Température | Niveau d'humidité | Couvert1 / Non couvert |
| Aliments frits2 | Élevé | Centre | Non couvert |
| Agneau | Moyen | Humide | Couvert |
| Bacon2 | Moyen | Sec | Non couvert |
| Bâtonnets de poisson2 | Élevé | Sec | Non couvert |
| Boeuf à point / bien cuit | Moyen | Humide | Couvert |
| Boeuf saignant | Bas | Humide | Couvert |
| Casserole, croustillant2 | Moyen | Centre | Non couvert |
| Casserole, dessus moelleux | Élevé | Humide | Couvert |
| Crêpes | Élevé | Humide | Couvert |
| Fruits | Moyen | Humide | Couvert |
| Gruau | Moyen | Humide | Non couvert |
| Jambon | Moyen | Humide | Couvert |
| Légumes | Élevé | Humide | Couvert |
| Levage de la pâte | Réglage de base | Humide | Linge humide |
| Ceufs | Moyen | Humide | Couvert |
| Pain crouté | Moyen | Sec | Non couvert |
| Pain de mie | Moyen | Humide | Couvert |
| Pizza | Élevé | Centre | Couvert |
| Plats de service | Bas | Humide | Non couvert |
| Poisson / Fruits de mer | Moyen | Humide | Couvert |
| Pommes de terre - au four | Élevé | Centre | Linge humide |
| Pommes de terre - purée | Moyen | Humide | Couvert |
| Porc | Moyen | Humide | Couvert |
| Riz | Moyen | Humide | Couvert |
| Sauces et sauses à la crème | Moyen | Humide | Couvert |
| Tartes - deux abaisSES | Moyen | Sec | Non couvert |
| Tartes - une abaisse | Moyen | Humide | Non couvert |
| Volaille | Élevé | Humide | Non couvert |
1 Couvrez les alimentés d'une feuille de papier aluminium ou d'un couvercle.
2 Ne couvre pas les alimentents croustillants.
Chargement du tiroir chauffe-plat
La charge du tiroir dépend du type et de laaille des plats utilisés.
Le tiroir peut supporter une charge maximale de 15kg
Ne placez pas des articles lourds dans le tiroir.

Utilisez la grille fournie pour augmenter l'espace de chargement.
La grille s'insere à trois endroits : à gauche, à droite ou au centre.

■ Insérez la grille dans les fentes situées sur la paroi arrêté du tiroir et glissez le devant de la grille en place.
Vous pouvez vous procurer d'autres grilles auprès des Services techniques Miele.
Conseils
- Lorsque vous réchauffez des aliments de nature différente en même temps, réglez la température au niveau le plus élevé requis. Placez les alimentés nécessitant une température plus élevé sur la grille et les autres alimentés au fond du tiroir.
- Une température et un niveau d'humidité plus élevés peuvent être nécessaires pour réchauffer de grosses quantités de nourriture.
- Lorsque plats et alimentés sont réchauffés en même temps, placez les plats au fond du tiroir et les alimentés, sur la grille.
- Les alimentés placés dans des récipients en verre ou en céramique thermorésistants peuvent nécessiter une température plus élevé que les alimentés placés dans des récipients métalliques.
- Laissez le temps à la température de s'ajuster après avoir ajouté des aliments ou des plats, ou après les avoir vérifiés.
- Ne bloquez pas les évets à l'intérieur du tiroir, car les aliments et les plats ne chaufferont pas uniformément.
Remarque : Faites attention de ne pas placer les aliments trop pres de l'élément du haut. La Élevée chaleur et la proximité pourrait provoquer un incendie!
Garder les aliments au chaud
Pour obtenir de plusieurs résultats, préchauffez le tiroir chauffe-plat avant d'y placer les alimentes.
Ouvrez let tiroir.
Réglez la minuterie à la position désirée.
Réglez les sélecteur de température à la température désirée.
Gillessez le régulateur de température à la position désirée. Lors du préchauffage, il doit être à la position "Moist".
Fermer letiroir.
Durée du préchauffage :
- "Bas": 6 minutes
- "Moyen": 10 minutes
- "Élevé": 14 minutes
Lorsque la durée du préchauffage s'est écoulée, mettez les alimentés chauds dans le tiroir chauffe-plat.
Ne placez jamais les alimentes directement sur le sous-plat antidérapant ou sur les grilles. Réchauffez toutes les alimentes dans un plat.
Ne versez pas d'eau sur les aliments ou ne mettez pas un contenant rempli d'eau dans le tiroir chauffe-plat. L'eau ajoutée ramollira les aliments et risque d'endommager l'appareil.
Ouvrez et fermez toujours le tiroir avec précaution lorsqu'il est rempli pour éviter les renversements.
Ajustez les réglages au besoin.
Fermez le tiroir.
Gardez le tiroir fermé pendant l'utilisation pour empêcher les aliments de secher. À noter que les aliments peuvent continuer à cuire dans le tiroir.
Pour eteindre le tiroir chauffe-plat, tournez le bouton de la minuterie a la position "0" , et ce, en tout temps.
Après avoir fait réchauffer des alimentés, laissez le tiroir ouvert pendant quelques minutes pour laisser l'humidité s'évaporer.
Le tiroir chauffe-plat sort également à réchauffer des plats. Ne préchauffez pas le tiroir avant d'y placer les plats.
Utilisez uniquement des plats qui résistant à la chaleur.
Ouvrez let tiroir.
- Mettez les plats dans le tiroir.
Disposez les plats de façon égale dans le tiroir et sur la grille. Pour assurer un meilleur chauffage, faites des piles de deux assiettes maximum.
Tournez le bouton de la minuterie à 30 minutes (à mi-chemin de "1 h").
Tournez le sélecteur de température à:
"Low", si les plats sont sur la grille ou s'ils sont légers.
"High", si les plats sont placés au fond du tiroir ou s'ils sont lourds ou écais.
Gillessez le régulateur d'humidité à "Moist".
Fermez le tiroir.
Le tiroir chauffe-plat s'eteindra après 30 minutes.
Attention! Les plats peuvent être très chauds!
- Portez des gants de cuisine pour-retirer les plats du tiroir.
Les alimentes et les plats peuvent etre réchauffés en même temps.
N'oubliez pas que la température nécessaire à réchauffer les alimentés peut être plus élevé que celle requise pour réchauffer les plats.
Lorsque plats et alimentés sont réchauffés en même temps, placez les plats au fond du tiroir et les alimentés sur la grille.
ATTENTION: Avant de procéder à l'entretien de l'appareil, coupez l'alimentation électrique en enlevant le fusible, en fermant le disjoncteur ou en coupant l'alimentation principale.
Ne nettoyez pas ou ne déplacez pas le tiroir chauffe-plat pendant qu'il est encore chaud. Danger de brûlures!
Devant de l'appareil et tableau de commande
Toutes les surfaces extérieures et les boutons de commande peuvent etre nettoyés à l'eau tiède savonneuse appliquée à l'aide d'une éponge.
Essuyez avec un linge Bas.
Verre
Les surfaces en verre peuvent etre nettoyees avec du nettoyant pour vitres.
Acier inoxydable
Les surfaces en acier inoxydable peuvent être nettoyées avec un nettoyant non abrasif pour acier inoxydable.
Évitez d'utiliser les produits suivants sur toutes les surfaces :
- nettoyants abrasifs, comme les nettoyants en poudre ou en crème;
- éponges abrasives, comme les tampons à récurer ou les éponges utilisées avec un nettoyant abrasif;
- nettoyants pour four.
Tiroir
Pour facilitier le nettoyage, enlevez le ti-roir.

Enlever le tiroir
Tirez le tiroir entièrement et desserrez les écrous.
Enlevez le tiroir avec précaution.
Retirez le sous-plat antidéraptant.
Nettoyez toutes les surfaces du tiroir et le sous-plat antidéraptant à l'eau tiède savonneuse.
Séchez avec un linge Bas.
Procedez en ordre inverse pour replacer le tiroir.
Sous-plat antidérapat
Nettoyez le sous-plat antidérapant à la main avec de l'eau tiède savon-neuse.
Attendez que le sous-plat soit complètement sec avant de le remettre dans le tiroir.
Grille
Nettoyez la grille à l'eau tiède savon-neuse ou avec un nettoyant non abrasif pour acier inoxydable.
Les réparations devraient être effectuées seulement par une personne qualifiée et formée conformément aux consignes de sécurité locales et nationales. Les réparations non autorisées pourraient causeurs des blessures ou endomgar l'appareil. Certains problèmes mineurs peuvent etre reglés sans qu'il soit nécessaire d'appeler un technicien.
Que faire si le tiroir nechauffe pas?
| Cause possible | Solution |
| Le tiroir chauffe-plat n'est pas branché. | Insérez la fiche dans la prise. |
| Le disjoncteur est fermé. | Remettez le disjoncteur en marche. |
| Le bouton de la minuterie est à la position "0" ou la température n'a pas été sélectionnée. | Régliez la minuterie et/ou la température. |
| Que faire si les alimentés ne sont pas assez chauds? | |
| Cause possible | Solution |
| Ajustez la température. Vérifiez si les évents sont obstrués par des grandes assiettes ou des grands plats. | |
| Que faire si les alimentés sont trop chauds? | |
| Vérifiez la température et assurez-vous que les alimentés ne sont pas trop préc de l'élement chauffant. | |
| Que faire si les alimentés sont très secs ou très humides? | |
| Ajustez le régulateur d'humidité. | |
| Que faire si les plats ne sont pas assez chauds? | |
| Cause possible | Solution |
| You n'avez pas sélectionné la bonne température. | Vérifiez le réglage de la température. |
| Les évents sont obstrués par des plats. | Redisposez les plats. |
| Les plats requisèrent plus de temps pour chauffer. | Régliez la minuterie à une durée plus longue. |
| Pourquoi entend-on un bruit lorsque le tiroir est en marche? | |
| Ce n'est pas un problème. Il s'agit du ventilateur qui distribue l'air chaud. Le ventilateur devrait s'éteindre 30 minutes après la mise en marche du four. | |
Questions féquement posées
Que faire si le tiroir ne se ferme pas bien?
- Vérifiez si le tiroir est correctement installé sur les rails.
- Vérifiez si les crochets qui se trouvent en dessous du tiroir, à gauche et à droite, sont correctement positionnés. Si un crochet a glissé à l'extérieur du rail, poussez-le vers l'arrière du tiroir puis vers le haut jusqu'à ce qu'il s'enclenche.

Si vous ne pouvez pas réparer certaines pannes, communiquez avec les Services techniques Miele
CDN 1800565-6435
service@miele.ca
Lorsque you communiquez avec les Services techniques, précisez le mode et le numero de série de votre apparéil. Ces renseignements sont inscrits sur la plaque signalétique située sous le tiroir.
Apposez l'autocollant de la plaque signaletique ci-dessous.

Instructions d'installation
Enlèvement des produits d'emballage
La boîte de carton et les produits d'emballage protégent l'appareil durant l'expédition. Ces matériaux sont biodégradables et recyclables.
Débarrasssez-vous des emballages, sacs et autres produits en plastique en toute sécurité et tenez-les hors de portée des enfants. Danger de suffocation!
Mise au rebut de votre ancien apparéil
Lesieux apparéils peuvent conténir des matériaux recyclables. Communièz avec le centre de recyclage de votre localité avant de vous en débarrasser.
Veillez à ce que l'appareil ne présenteaucun danger pour les enfants en attendant qu'il soit ramassé. Avant devous en débarrasser, débranchez-le etretirez le cordon d'alimentation, puisenlevez la portec,s'il y a lieu,pour prévenir les accidents.
ATTENTION: Avant de procéder à l'entretien de l'appareil, coupez l'alimentation électrique en enlevant le fusible, en fermant le disjoncteur ou en coupant l'alimentation principale.
Tous les travaux d'installation et de réparation devraient être effectués par un technicien qualifié, conformément aux normes et aux règlements en vigueur. Tout travail d'entretien ou de réparation effectué par des personnes non qualifiées pourrait être dangereux et le fabricant ne peut en être tenu responsable.
Avant de raccorder l'appareil à la source d'alimentation électrique, assurez-vous que la tension et la fréquence correspondant à celles indiquées sur la plaque signalétique. Ces données doivent correspondre afin d'éviter d'endommager l'appareil. Dans le doute, consultez un électricien qualifié.
Faites fonctionner l'appareil seulement après l'avoir installé sous un comptoir.
Remarque à l'intention de
l'installateur:
Prière de remettre ces instructions
au client.
Source d'alimentation électrique
L'appareil est muni d'un cordon d'alimentation de 5 pi (1,5 m) avec une fiche à trois broches pour la mise à la terre qui se branche à une source d'alimentation électrique de 120 V, 15 A et 60 Hz.
Pour de plus amples renseignements sur l'installation, voir le schéma de câblage.
Conseils pour l'installation
- Installez le tiroir chauffe-plat à une hauteur facilement accessible.
- Installez le tiroir loin des courants d'air venant des portes et fenêtres ouvertes.
- Prévoyez suffisamment d'espace pour ouvrir le tiroir sans problème.
Fixez le tiroir chauffe-plat à l'armoire pour l'empêcher de basculer une fois plein. - Installez le tiroir chauffe-plat à niveau pour éviter qu'il s'ouvre ou qu'il se ferme de lui-même.
Il est impossible de niveler le tiroir une fois qu'il est installé.
Au besoin, installez une tablette dans l'armoire pour le soutenir.
La vapeur s'échéappant des évents peut endommager l'armoire dans laquelle est installé le tiroir.
Installation chauffe-plat seul :
Prévoyez un espace d'au moins 5 cm entre le dessus du tiroir et l'armoire.
Installation four et chauffe-plat :
Prévoyez un espace d'au moins
2,5 cm (1po) entre le dessus du tiroir et le four.
Vou pouvez garder cet espace ou-vert ou le calfeutrer avec un ruban d'etanchete résistant à l'humidité.
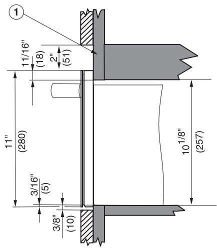
Dimensions pour l'installation du chauffe-plat seul ESW 47x0

① Le matériel doit résister à l'humidité

ESW 48x0

① Le matériel doit résister à l'humidité

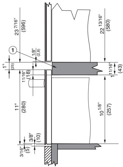
Dimensions pour l'installation du chauffe-plat et du four ESW 47x0


① Le matériel doit résister à l'humidité

ESW 48x0

① Le matériel doit résister à l'humidité
Installation du tiroir chauffe-plat
Enlevez le tiroir du boitier avant d'insteller l'appareil dans l'armoire.
Enlèvement du tiroir

Tirez le tiroir entièrement et desserrez les écrous.
- Soulevez délicatement le tiroir et sortez-le lentement.
Posez le tiroir sur une surface plane et stable.
Poussez le boîtier dans l'armoire.

Fixez le boitier à l'armoire à l'aide des six vis.
Insertion du tiroir
Tirez les rails téléscopiques hors du boitier.
Déposez le tiroir sur les rails. Fixez le tiroir à l'aide des deux écrous.
Installation des modèles encastrés 4700 FB/4800 FB
Pour les modèles 4700 FB et 4800 FB, il est possible d'installer un panneau frontal fabriqué sur mesure.
Dimensions du panneau
4700 FB
Largeur de 695 mm
Hauteur de 279 mm
4800 FB
Largeur de 757mm Hauteur de 279 mm
Le panneau fabriqué sur mesure doit avoir une épaisseur d'au moins 10 mm et être fait d'un matériel thermésistant jusqu'à 60^ .
① Posez une poignée sur le panneau frontal à l'aide des vis à tête fraînée.
② Enlevez le tiroir du boîtier. Voir "Enlèvement du tiroir".
Le panneau fixé sur le devant du tiroir chauffe-plat peut servir de gabarit de perçage.

③ Desserrez les deux vis à l'intérieur du tiroir et enlevez le panneau du devant de l'appareil.
④ Deposez le panneau sur une surface solide,le cote avec le ruban adhesif vers le haut. Enlevez la pellicule protectrice du ruban adhesif.
⑤ Placez le panneau fabriqué sur mesure sur le panneau enlevé et utilisez le ruban adhésif pour le maintainir bien en place.

(6) Pressez fermement le panneau fabriqué sur mesure contre le panneau enlevé.

⑦ Vissez le panneau enlevé au panneau fabriqué sur mesure à l'aide des huit vis.

Accrochez les panneaux par le bas et fixez le haut au moyen de deux vis tout en vous assurant que le joint d'étanchéité est bien en place.
Miele Limitée
Siège social au Canada
161 Four Valley Drive
Vaughan, ON L4K 4V8
Telephone: (800) 643-5381
(905)660-9936
Télécopieur: (905) 535-2290
www.miele.ca
info@miele.ca (questions générales)
professional@miele.ca (questions commerciales)
Service à la clientèle - Mielecare (Canada)
Téléphone : (800) 565- 6435
(905) 532-2272
Télécopieur: (905) 532-2292
service@miele.ca (Service technique)
Notice Facile