FY700 - Naaimachine Victoria - Gratis gebruiksaanwijzing en handleiding
Vind de handleiding van het apparaat gratis FY700 Victoria in PDF-formaat.
Veelgestelde vragen - FY700 Victoria
Gebruikersvragen over FY700 Victoria
0 vraag over dit apparaat. Beantwoord die u kent of stel uw eigen vraag.
Stel een nieuwe vraag over dit apparaat
Download de handleiding voor uw Naaimachine in PDF-formaat gratis! Vind uw handleiding FY700 - Victoria en neem uw elektronisch apparaat weer in handen. Op deze pagina staan alle documenten die nodig zijn voor het gebruik van uw apparaat. FY700 van het merk Victoria.
GEBRUIKSAANWIJZING FY700 Victoria
Kennismaking met uw naaimachine 3
Voordat het begint. 3
Veiligheidsinstructies 4
Algemene instructies 4
Instructies voor het gebruik . . . . . 4
Storingen. 5
Over de plaats van opstelling van het apparatus . 6
Kinderen 6
Milieubescherming 6
Verpakking. 6
Het verwijderen van het apparatus . 6
BEDIENING 7
Opstellen en aansluiten . 7
Voorbereidingen tot het naaien . 7
Functie van het voetpedaal. 7
Opspoelen van de spoel 8
Verwijderen/inzetten van de spoelhuis. 9
Inrijgen van de bovendraad. 10
Omhooghalen van de benedendraad 10
Naaien 11
Keuze van de juiste naald en van de draad 11
Naald verwisselen. 12
Persvoet verwisselen. 13
Instelling van draadspanning . . . 14
Steeklengthe kiezen 15
Steeksoort kiezen 16
Beginnen met naien 17
Naaitechnieken 19
Verschillende steken 19
Innaaien van ritssluitingen 21
Naaien van knoopsgaten. 22
Zomen 24
Aannaaien van knopen 25
Naaien van blindsteek zomen . . 26
Naaien met vrije arm 27
Naaien met tweelingnaalden 28
Stikken. 28
SERVICE EN ONDERHOUD 31
Reiniging van het spoelhuis . . . 31
Olien van de naaimachine 33
Verwisselen van de lamp. 35
Opheffingfout. 37
- Bovendraadgeleiding
- Bovendraadspanning
- Draadaantrekhefboom
- Frontplaat
- Draadafdekking
- Naald
- Persvoet
- Steekplaat
- Speolhulsafoekking
- Aanschuiftafel
- Lichtschakelaar
-
Knop voor blijertuit naaien
-
Handwierschijf
- Handwiel
- Spoelwinder
- Spoelwinderhefboom
- Afdekplaat
- Garenkloshouder
- Garenkloshouder
- Steeklengtheregelknop
- Persvoethefboom
- Steekregelknop
- Draadgeleiding
ACCESSIONS
- Schroevendraaier (2 stuks)
- Tommesje
- Viltschijven
- Naaldassortiment
- Olieflesje
- Reservespoelen (3 stuks)
- Knoopaannaaivoet
- Knoopsgatvoet
-
Zoomvoet
-
Ritssluitingvoet
- Blindstikvoet
- Zigzagvoet (standaardvoet; nicht afgebeeld)
- Dubbele naald (niet afegebeeld)
- Steekplaat (niet afgebeeld)
- Voedingskabel met voetcontrole (niet afgebeeld)
- Afdekkap (niet afgebeeld)
OPMERKING: De zigzagvoet is op de machine gemonteerd op de persvoe-thouder. Dekleine accessoireonderdelen bevinden zich in een opklapbaarvak in de aanschuiftafel.
Controller of de accessoires compleet zich.
VEILIGHEIDSINSTRUCTIES
Kennismaking met uw naaimachine
Uw naaimachine primaera NM 900 is een hoogwaardig, modern apparaat waarmee u talrijke naiwerkzaamheden kurzuitvoeren. Hiertoe horen onder andere:
20 versatile steeksoorten
Innaaien van ritssluitingen met ritssluitingvoet
- Naaien van knoopsgaten
Aannaaien van knopen
Zomen met speciale zoomvoet
- Blindzomen met blindzoommoet
- Naaien met vrije arm
- Naaien met dubbele naalden
OPMERKING: Aanwijzing In deze handleiding staat alleen de bediening van uw naaimachine beschreiben. Er worden verondersteld dat naaikennis en waarbij horende vakbegrippen aanwezig়.
De in de tekst gelebruekte cijfersaar de hoofdafbeelding op de uitklapbare voorste binnenpagina.
Voordat het begint....
Let, voordat u uw elektrische naaimachine in bedrijf neemt, op de volgende punten a.u.b.:
- Met de naaimachine mogen alleen de in deze handleiding omschreiben functies worden uitgevoerd.
- Het toestel is uitsluitend ontworpen voor gebruik in de particuliere sfeer.
- Lees deze handleiding vóör de eerste ingebruikneming zorgvuldig door en let vooral op de verilgheidsinstrumentes in de volgende paragraaf.
- Bewaar deze handleiding zo möglichk onder handbereik in de buurt van het apparatus.
- Geef deze handleiding ook mee a.u.b., als u het toestel doorgeeft aan anderen.
VEILIGHEIDSINSTRUCTIES
- Gebruik de door de fabrikant aanbevolen accessoires die in dit handboek staan opgesomd.
Veiligheidsinstructies
Algemene instructies

- Gevaar voor een stroomstoot! Het apparaat werkt met een gevaarlijke spanning.
- Laat de naaimachine nooit zonder toezicht, wanner Hij op de elektricitieit is aangesloten.
- Na gebruik van de naaimachine en voor het reinigen onmiddelijk de netstekker uit de stekkerdoos trekker.
- Het apparaat mag Niet in contact komen met druipwater of spatwater, of andere vloeistoffen. Er bestaat anders een risico dat er een elektrische stroomstoot optreedt.
- Sluit het apparaat uitsluitend aan op een volgens de voorschriften geinstalleerde en gezekerde 230V-stekkerdoos.
- Voorkom dat er vloeistof in het apparaatterechtkomt. Als dit toch gebeurt, onmiddelijk de netstekker eruit trekken en u wenden tot ons servicecentrum, die garantiekaart.
- Voer geen wijzigingen door aan het apparataat..
Instructies voor het gebruik
- Erop letten dat de ventilatiespleten steeds vrij়n. Ventilatiespleten en het voet-pedaal steeds vrij van stof en los stof honden.
- Geen voorwerpen op het voetpedaal leggen, om te Voorkommen dat de machine ongecontroleerd start. Het voetpedaal of de motor konnen doorbranden!
- Geen voorwerpen in welke opening dan ook van het apparaat steken.
- De naaimachine nicht in de openlucht gebruiken.
Apparaat Niet gebruiken wanneer aerosol (sprays) of zuurstof worden gesproeid.

VEILIGHEIDSINSTRUCTIES
- Voordat de netstekker uit de stekkerdoos worden getrokken, alle controle-elementen op Uit (,0^ ) zetten.
Bij het uittrekken aktijd de netstekker zich vastpakken en Niet de kabel. - Handen uit de buurt van bewegende onderdelen, vooral van de naald van de naaimachine, houden! Kans op verwondingen!
- Altijd op de naaldbeweging omhoog en omlaag letten en de volle aandacht op de naaimachineRCThen, wanner deze in gebruik is.
- Altijd de juiste steekplaat gebruiken. De verkeerde steekplaat kan tot gevolg hebben dat de naald breekt.
- Geen beschadigde, b.v. verbogen, naalden gebruiken.
Bij het naaien Niet aan de stof trekken of duwen. Dan zou de naald konnen afbreken. - Naaimachine bij alle instellingen in de omgeving van de naald zoals verwisselen van naald, verwisselen van persvoet, verwisselen van spoel enz..altijd op Uit (0^ ) zetten.
- Altijd de netstekkeruit de stekkerdoos trekken, wanner de behuizing wordt geopend om te worden gereinigd of voor een van de in dit handboek beschreven serviceafstellingen.
- Netstekker voor het verwangen van lampen uit de stekkerdoos trekken. Lampuitsuitend verwangen door een gelijkwaardige lamp. Het maximale vermogen van de naaimachinelamp bedraagt 15 Watt.
- Vór het eerste gebruik van de naaimachine een stuk oude stof onder de persvoet leggen en de machine enkele minuten zonder draad lately lopen. Eventueli verschijnende olie afvegen.
Storingen
- Als erijdens het gebruik een duidelijke storing optreedt (b.v. walm e.d.), onmiddelijk de netstekker eruit trekken.
- Het apparaat Niet in gebruik nemen, als de voedingskabel defect is of als het toestel andere zichtbare schade vertoont. Het verrangen van de netkabel van dit apparaat mag alleen gebeuren door de fabrikant, once klantenservice of sportgelijk gekwalificeerd vakpersoneel, om risico's te vermiiden.


BEDIENING
Opstellen en aansluiten
- Zet de naaimachine op een stabiele, egale tafel, die u genoeg vrije ruimte voor uw benen en voor het voetpediaalaat. Indien u de naaimachine op een gelakt oppervlak zet, legt u een antislip onderlaag onder de machine
- Let ervoor het aansluiten van de naaimachine op dat het aangegeven aantal Volt en Hertz (230 V - 50 Hz) overeenkomt met uw aansluitwaarden.
- Steek de koppelingsstekker in denaaimachine.
- Stek de netstekker in de stekkerdoos.
- Let erop dat de stroomkabel volledig afgewikkeld is en geen struikelrisico.gaat vormen.

Voorbereidingen tot het naaien
Functie van het voetpedaal
Met het voetpedaal MODEL HKT7 regelt u de naaisnelheid. Hoe harder u op het voetpedaal trapt, des te sneller naait de machine.
Bij het loslaten van het voetpedaal stopt de machine.

OPMERKING: voordat u de naaimachine voor de eerste maal gebruikt, dient u zonder draad te oefenen hoe u met het voetpedaal要去 omgaan.
ATTENTIE! voetpedaal MODEL HKT7uitsluitend met de naalmachine primaera NM 900 gebruiken.

BEDIENING
Verwijderen/inzetten van de spoelhuls
- Trek de netstekker UIT de stekkerdoes.
- Zet de persvoet (7) met de persvoethefboom (21)\ haar boyen.
- Draai het handwiel (14) maar u toe, tot de draadaantrekhefboom (3)+zijn hoogste stand heeftbereikt
- Trek de aanschuiftafel (10) maar links weg van de machine. De spelaeldekplaat worden nu zichtaar
- Maak nu de spoelafdekplaat open (9).
- Trek de spoelhuls eruit door aan de klep van de spoelhuls te trekken.
- Neem de spoel zo in de rechterhand:tussen duim en wijsvinger dat de draad met de wijzers van de klok mee afloopt wanner u daaraan trekt, en leg de spoel in de spoelhuls.
- Trek de draad (ca. 10 cm) de opening van de spoelhuls in door dekleine spleet onder de spanning-veer door.
- Houd de spoelhuls vast aan de klep. Zolang u de klep van de spoelhuls open houdt, kan de spoel er nichtuitvallen. Zodra u de klep loslaat, valt de spoel enuit
- Controller of er ca. 15 cm draaduit de spoelhuls hangt.
- Zet de spoelhuls met de doorn maar boven in de behuizing zodate在这处的。
- Sluit de spelafdekplaat.






OPMERKING: de draadgeleiding worden u duidelijk gemaakt door cijfers op de machine.
- Rijg de draad in de naald en trek deze ca. 10 cm eruit.
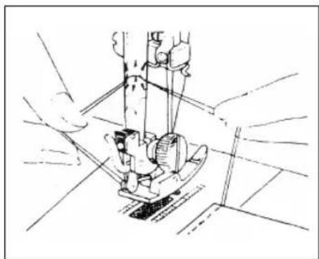
Omhooghalen van de benedendraad
-
Zet de persvoet (7) met de persvoethef-boom (21) maar boven.
-
Houd het uiteinde van de bovendraad met de linkerhand vast.
-
Draai met de rechterhand het handwiel (14)
haar u toe, tot de naald (6) maar boven en
weeraar beneden heeftbewogen. -
Stop wanner de naald wee in de hoogste stand staat.

BEDIENING
- Trek de bovendraad een beetje waar boven zodate de benedendraad te zien valt als een Ius.
- Trek nu allebei de draden ca. 15 cm maarachten onder de persvoet UIT.


Naaien
Keuze van de juiste naald en van de draad
Welke naald en welke draad u gebruikt, is afhankelijk van de kwaliteit van de stof die u wilt verwerken.
De sterkte van de naald staat aangegeven op de schacht van de naald.
Gebruik nooit verbogen of stompe naalden.
Gebruik algid bezelfde draadsterkte voor boven- en onderdraden.

BEDIENING
In de volgende babel vindt u een overzicht van stoffen, geschikte garens en de waar bij horende naaldsterkten.
| Gewicht stof | Stofsoften Game | Naalddikte | |
| licht Crèpe de chine, organ-die, georgette, tricot, voile, batist | fijn katoengarenfijn naaizijdefijn synthetischgaren | 65-75(9 of 11) | |
| midden Linnen, katoen, piqué,jersey, dubbel gebreidstof, perkal | Katoen 50-60Zijde 40-50Synthetisch 50-60 | 75-90(11 of 14) | |
| hoog Denim, gabardine,tweed, jas-, gordijn- en overtrekstoffen | Katoen 35-50Zijde 30-50Synthetisch 59 | 75-100(11 of 16) |
Naald verwisselen
- Trek de netstekker UIT de stekkerdoos.
- Draai het handwiel (14) maar u toe, tot de naald (6)+zijn hoogste stand heeft.
BEDIENING
- Draai de naaldhoudschroef los en verwijder de naalduit de naaldhouser
- Zet de neue naald in de naaldhouser met de platte ziche maar achteren.
- Druk de naald zover möglichk maar boven.
- Draai de naaldhoudschroef weer vast.
OPMERKING: controller de naald regelmatig. Gebruik nooit een verbogen of botte naald.

Persvoet verwisselen
Voor verschillende naaitechnieken, b.v het zomen of het knoopsgatnaaien, worden verschillende persvoeten gezrukt, zodate het nodig kan zijn de persvoet te verwissenlen.
- Trek de netstekker uit de stekkerdoos.
- Draai het handwiel (14) maar u toe, tot de naald (6) zijn hoogste stand heeft bereikt.
- Zet de persvoet (7) met behulp van de persvoethefboom (21) maar boven.

BEDIENING
- Druk nu op de hefboom awhile op de voethouder. De persvoet valt maar beneden.
ATTENTIE! geen geweld gebruiken! - Om de nouvelle persvoet teplaatsen legt u hem zodanig op de stekplaat (8) dat de borgpen op de voet direct beneden de groef van de voethouder komt te liggen.
- Laat nu de voethouder zakken met behulp van de persvoethefboom (21). De persvoet klicht automatisch in, Zoals u kurz vaststellen wanner de persvoet opnieuw omhoog worden gezet.

Instelling van draadspanning
De boven- en onderdraad要去en in het midden:tussen twee lagen stof in een Ius in elkaar grijpens.
- Wanner de bovendraad te los is, zet u de bovendraadspanning (2) op een hoger cijfer.
- Wonneer de bovendraad te strak is, zet u de bovendraadspanning (2) op een lager cijfer.

BEDIENING
OPMERKING: om goede zigzagsteken te krijgen dient de bovendraadspanning een beetjeichter te worden afgesteld dan voor nomale naaiwerkzaamheden. De bovendraad moet net aan de achterkant van de stof verschijnen.
De onderdraadspanning is reeds door de fabrikant voor algemene naaiwerkzaamheden ingesteld en hoeft waarom zelden te worden geregeld.
Wanneer城县 de correctie de bovendraadspanning niet kan worden ingesteld, zodat de boven- en onderdraad+tussen twee lagen met een Ius in elkaar gri-jpen, b.v. bij zeer ditke of zeer lichte stoffen, kan ook de onderdraad worden gere-geld.
-
Trek de netstekkeruit de stekkeroos.
-
Haal de spoelhuis uit het spoelhuis (zie pagina 9).
-
Om de draadspanning te vermeerderend draait u aan de schroef op de huls zoals de afbeeling LASTZien.
-
Om de draadspanning te verminderen draait u in de tegengestelde richting.

- De juiste draadspanning contrôleu door het uiteinde van de draad te nemen en de spoelhuls vrij te lately vallen. Wanneer de huls 3-4 cm valt, is de spanning correct.
Stecklengtekiezen
Het is möglich voor verschillende stoffen en steeksoorten verschillende steeklengthen te kiezen.
De steenklengthe worden met behulp van de steenklengtheregelknop (20) ingesteld. Het cijfer op de regelknop geeft bij benadering de steenklengthe in mm waar.

BEDIENING
OPMERKING: Steeksoort en steeklengte zichniet maar believen te combinieren. In paragraaf Naaitechnieken, pagina 19, staan voor steeksoorten en speciale naaitechnieken de te gebruiken steeklengten aangegeven!
OPMERKING: Om stretchsteken te naaien zet u de steeklenge op „SS".
Steeksoort kiezen
De volgende steeksoorten zijn beschikkaar (op de machine van links maar rechts):

Normale steken:
1 Rechte steck - middelste positie
2 Rechte steck - linkerpositie
3-7 Zigzagsteken
8 Tricotsteek
9 Blinde zoomsteek
10 Laddernaadsteek

Stretchsteken:
1,2 rechte drievoudige steck
3-7 Zigzag-sierzoomsteken
8 Kruissteek of visgraadsteek
9 fantas-stretch-steek
10 Overlock-steel

Knoopsgatsteken:
A linkerkant
B trens
Crechterkant
BEDIENING
- Voordat u een steeksoort kiest, zet u de naald (6) en de persvoet (7) omhoog.
- Kies de steeksoort met de steekregelknop (22). De verschillende steeksoorten staan weergegeven met cijfers op de voorkant van de machine.
- Wanner de steeklengte op 1-4 staat, hebt u de normale steeksoorten tot uw beschikk ing. Dit zich 2 rechte steken en 8 zigzags teken.
- Als u de steeklengte op „SS" zet, kurz u beschikken over stretchsteken zoals zigzag-sierzoomsteken, kuissteken en elastieksteken.

OPMERKING: steeksoort en steeklengte zichniet maar believen te combineeren. In paragraaf Naaitechnieken, pagina 19, staan voor de steeksoorten de in te zetten steeklengten en voor speciale naaitechnieken de in te zetten steeksoorten aangegeven! Let er absoluut op dat voor sommige technieken ook een speciale persvoet要去 worden gebruikt!
- 5.Voor het stikken van knoopsgaten kiest u A-C.
Beginnen met naaien
Nadat nu alle voorbereidingen zijn getroffen,(Intu beginnen met naaien.
- Trek de boven- en onderdraad onder de persvoet (7) maar achefteren.
- Leg de stof onder de persvoet (7).
- Houd de draden met de linkerhand vast en draai het handwiel (14) maar u toe, totdat de naald op die plaats van de stof is waar u wilt beginnen met naaien.
- Breng de persvoet (7) met de persvoethef-boom (21)aarbeneden.
- Trap nulicht op het voetpedaal en begin met naaien.


BEDIENING
- Om het uiteinde van de naad te blokkeren, naait u eerst enkele steken achefteruit (zie volgende paragraaf).
Achterwaartse steek
Om hinterwaartse steken uit te voeren drukt uijdens het naaien op de knop voorchteruit naaien (12). De machine voert hinterwaartse steken uit, zolang u de knop maar beneden drukt.
Wisselen van de naairichting
- Zet de machine stop en draai het handwiel (14) maar u toe, tot de naald zich in de stof bevindt.
- Breng de persvoet (7) met de persvoethef-boom (21) omhoog.
- Draai de stof in de gewenste richting.
- Breng de persvoet (7) met de persvoethefboom (21) maar beneden en ga door met naaien.

Beindigen van een naad
- Gebruik de knop voor achechteruit naaien (12), om aan het einde van de naad enkele achterwaartse steken te naaien. Hiermee verstevigt u de naad.
- Om de stof te verwijderen brengt u de persvoet (7) met de persvoethendel (21) omhoog en trekt u de stof van u vandaan.
- Snijd de boven- en onderdraad met de schaar of met de draadafsnijder, een insnijding aan de achterkant van de persvoethouder, af.
- Laat ca. 15 cm draad aan de naald hangen.


BEDIENING
Naaitechnieken
Verschillende steken
In de volgende paragraaf worden u verschillende steeksoorten voorgesteld en hoe u deze要去 uitvoeren.
Rechte en zigzagsteek
Gebruik hiervoort:
Persvoet: zigzagvoet
- Steekregelknop: 1, 2 of 3-7
Steeklength: 1-4

Met deze steeksoorten naait u zoals beschreiben staat in paragraaf Beginnen met naaien, pagina 17.
Tricotsteek
Gebruik hiervoort:
Persvoet: zigzagvoet
-Steekregelknop:8
Steeklength: 1-4
Deze steek is special geschikt voor het opvullen van scheuren. Hij worden ook gebruikt voor het versterken van rekbare materialen en voor het opnaaien van applications.

- Leg de stof zodanig onder de persvoet (7) dat de rand net binnen de rechterkant van de persvoet ligt.
- Regel het werk dusdanig dat u de rechtenrand van de steken afluit met de rand van de stof.

BEDIENING
Kruissteek of visgraadsteek
Gebruik hiervoort:
Persvoet: zigzagvoet
-Steekregelknop:8
- Steeklength: SS
Met deutsche steck, die zeer elastisch is, naait u rekbare stoffen. De kuissteek is geschikt voor het naaien van lycra badpakken etc., als randsteek op riemen of als siersteek.

Drievoudige stretchsteken (rechte of zigzag (zigzagsierzoom))
Gebruik hiervoort:
Persvoet: zigzagvoet
-Steekregelknop: 1,2 of 3-7
- Steeklength: SS
Als u rekbare stoffen wilt naaien, is dit de juiste steek om te voorkomen dat de draad breekt.
Deze steek past ook bij naden die heel sterk要去en zich, b.v. steun- of zaknaden.
Overlock-steek
Gebruik hiervoort:
Persvoet: zigzagvoet
-Steekregelknop:10
- Steenklength: SS
Met deze steek worden voorkomen dat randen ultrafelen. Hij worden.daarom bij Licht rafelende stoffen ingezet.
Leg de stof zodanig onder de persvoet (7) dat de buitenste insteek rechts naast derand van de stof valt. De rand van de stof worden op deze manier met deze steek stevig omzoomomd.

BEDIENING
Blinde zoomsteek
Het gebruik van de blinde zoomsteek staat in paragraaf Naaien van blindsteek zomen, pagina 26 beschreiben.
Fantasie-stretch-steek (dekensteek)
Gebruik hiervoor:
Persvoet: zigzagvoet
- Steekregelknap: 9
- Steenklength: SS
Deze steek worden gebruikt voorNOPien die Niet plat kuren worden gestreken en in een bewerking aan elkaar genaaid en gelockt要去en worden.
Laddernaad
Gebruik hiervoor:
Persvoet: zigzagvoet
-Steekregelknop: 10
-Steeklength: 1-4
Deze steek worden gebrukt om decoratieve zomen te krijgen, vooral van schuin gesneden stoffen.
Innaaien van ritssluitingen
Gebruik hiervoor:
Persvoet: ritssluitingvoet
- Steekregelknop: 1
- Steeklength: 1-4

Nederlandds-21





BEDIENING
ATTENTIE! controller of u de juiste steeksoort hebt ingesteld met de stee-kregelknop. Als de verkeerde steeksoort is gekozen, kan de naald op derritssluiting verechtkommen en verbuigen!
De ritssluitingvoet kan in twee verschillende posities op de voethouder worden bevestigd. Er is een linker- en rechtterpositie möglichk, die zich gemarkeerd door het tussenstuk van de ritssluitingvoet.
- Breng de persvoet (7) en de naald (6) omhoog.
- Monteer de ritssluitingvoet eerst in de linkerpositie, zie paragraaf Persvoet verwisselen, pagina 13. In deze positie steekt de naald door het naaldgat aan de linkerkart van het voetje.
- Steek of rijg de ritssluiting vast op de stof.
- Plaats het werkstuk zodanig onder de persvoet (7) dat de naald aan de rechterkantangs de ritssluiting gaat.
- Naai de rechterkant van de ritssluiting zo zich möglichk bij de tanden vast.
ATTENTIE! voordat de persvoet het glijstukje van de ritssluiting bereikt, brengt u de persvoet omhoog en opent u de ritssluiting!
- Om de linkerkant vast te naaien monteert u nu de ritssluitingvoet in de rechterpositie.
- Naai deze kant opdezelfde manier vast als de rechterkant.
Naaien van knoopsgaten
Gebruik hiervoor:
Persvoet: knoopsgatvoet
- Steekregelknop: A, B, C (zie beneden)
- Steeklength
- Voordat u gaat naaien, legt u eerst de lengte van het knoopsgat vast.
- Teken de middellijn van het knoopsgat met kleermakerskrijt op de stof.
BEDIENING
OPMERKING: U probeert de techniek liefstuit op een stuk stof van hetzelfdemaiaal, voordat u het knoopsgat op uw werkstuk naait!
-
Monteer de knoopsgatvoet, zie paragraaf Persvoet verwisselen, pagina 13.
-
Leg het werkstuk onder de persvoet (7) en contrôleer of het midden van deplaat van de knoopsgatvoet overeenkomt met de middelijn.
-
Schuif nu de beweeglijkeplaat van de knoopsgatvoet zodanig eroverheen dat de ingestelde grootte van de opening van deplaat overeenkomt met de lengte van het getekende knoopsgat.

-
Breng de persvoet (7) maar beneden.
-
Zet de steekegegelknop (22) op A.
-
Naai totdat u de krijtmarkering hebt bereikt en de naald aan de linkerkant is.
-
Zet de naald omhoog met het handwiel (14) en schakel de steekregelknop (22) maar B.
-
Naai de eerste trens met 5-6 steken en stop met naieren wanner de naald aan de rechterkant is.
11.Zet de naald omhoog met het handwiel (14) en zet de steekregelknop (22) op C.
- Naai de rechterkant van het knoopsgat en stop wanner de naald aan de rechterkant is.
13.Zet de naald omhoog met het handwiel (14) en zet de steekregelknop (22) op B.

- Naai de tweede trens met 5-6 steken en stop wanner de naald aan de linker-kant is.
BEDIENING
- Neem het werkstukuit de machine en snijd het knoopsgat in het midden open met het meegeleverde tommesje zonder de trensen te beschadigen.
OPMERKING: soms is het aan te bevelen nog eens te naaien om een steiger knoopsgat te verkrijgen.
Zomen
Gebruik hiervoort:
Persvoet:zoomvoet
-Steekregelknop:1
Steeklength: 1-4
- Monteer de zoomvoet, zie paragraaf Persvoet verwisselen, pagina 13.
- Sla de te zomen stofrand ca. 3 mm dubbel\ aar binnen.
- Naai ca. 5 mm van de rand vast, om de omslag te borgen, voordat u automatisch begint te zomen.
- Stop en breng de naïd omhoog.
- Trek nu de rand van de stof in de rolvoorzi- ening van de zoomvoet en begin langzaam te zomen.
- Controller of de stof Niet onder de rechterhelft van de zoomvoet verechtkomt. De zoomrand要去 netjes door de rolvoorzieing van de zoomvoet worden getrokken.
- Tijdens het zomen vouwt u de stof een beetje maar links en LAST u de rand van de stof met voldoende bredte door de voet lopen.



BEDIENING
Aannaaien van knopen
Gebruik hiervoor:
Persvoet: knoopaannaaivoet
-Steekregelknop: 3-7
-Steeklength:0
Met de knoopaannaaivoetkest u knopen aan- naaien tot en met een gemiddelde grotte. Hierbij worden een zigzagsteek gebruikt. Hierbijkomt de zigzagbreede overeen met de afstand tussen de gaten van de knoop.

- Monteer de knoopaannaaivoet, zie paragraaf Persvoet verwisselen, pagina 13.
-
Markeer met kleermakerskrijt exact de positie van de knoop op de stof.
-
Leg de knoop op de markings en klem hem vast door de knoopaannaaivoet te laten zakken.
- Test voordat u gaat naaien met het handwiel (14) of de naaldaanslag zodanig ingesteld is dat de naald precies door de gaten van de knoop valt. Indien dit Niet het geval is, wijzigt u de instelling van de steekregelknop (22).
- Voer de eerste steken uit met het handwiel, om beschadigingen aan de naald te voorkomen.
- Naai op lage snelheid 6-7 steken per gat.
- Snijd de draden op ca. 20 cm lenghte af, trek de bovendraad maar de onderkant van het werkstuk en knoop de draden aan elkaar vast.
OPMERKING: bij knopen met 4 gaten worden de stof met de knoop verschoven en in de andere gaten worden 6-7 steken genaaid.

BEDIENING
Knoop met steel aannaaien
Bij zware materialen is vaak een knoopsteel nodig.
- Hiervoort legt u voor het naaien een naald of een lucifer op de knoop, voordat u deze vastklemt door de persvoet (7) omlaag te brengen.
- Naai de knoop aan zoals boven staat beschreiben.
- Laat de bovendraad iota langer, als u het werkstukuit de machine haalt.
- Rijg de bovendraad nu door een gat van de knoop en wikkel hem om de steekdraden, zodate er een knoopsteel ontstaat.
- Knoop verwolgens de boven- en onderdraden aan de achechterkant aan elkaar vast.
Naaien van blindsteek zomen
Gebruik hiervoor:
Persvoet:blindsteekvoet
-Steekregelknop: 9
Steeklength: 1-3
-
Monteer de blindsteekvoet, zie paragraaf Persvoet verwisselen, pagina 13.
-
Vouw de stof op de gewenste stofbreedte zoals getoond op de afbeelding. Rechts要去 bij het terugvouwen van de zoom een rand van ca. 4 mm breedte overblijven.


BEDIENING
- Leg de zoom zodanig onder de blindsteekvoet dat de geleiding van de voet langs derand van de gezouwen zoom loopt.

- Stel met de schroef de geleiding op de blindsteekvoet zodanig af dat de naald bij de grootste oversteek uitsluitend de rand van de zoom raakt. Aan de andere kant van de zoomClient uitsluitend een punt van de draad te zien te+zijn.

- Neem de stof uit de machine en strijk hem glad. De uitgevouwen stof vertoont een blindsteekzoom.
OPMERKING: Voor een betere controle moet u deze naad slechts zeer langzaam UITvoeren!
Naaien met vrije arm
Met een vrije arm=kunt u buisvormige werkstukken zoals mouwen en broekspijpen gemakkelijkeraaien.
Deze naaimachine is zeer gemakkelijk te wijzigen in een machine met vrije arm.
- Verwijder gewoon de aanschuiftafel (10), door deze maar links toe van de machine af te trekken.

BEDIENING
Naaien met tweelingnaalden
Door met tweelingnaalden te naaien kut u patronen in twee kleuren naaien, doordat u twee garens van een andere kleur gebruikt.
Gebruik hiervoort:
Persvoet: zigzagvoet
-Steekregelknop:1
-Steeklength: 2-3
- Monteer de twelingnaald als een normale naald, wie paragraaf Naald verwissenlen, pagina 12.
- Trek de twee verzonken garenklosholders (18,19) omhoog, leg de meegele-verte vilschijven op de garenklosholders en zet er twee even volle garenklosen op.
- Rijg de twee draden door de draadgeleiding zoals u dat kent van de enkele bovendraad, zie paragraaf Inrijgen van de bovendraad, pagina 10.
- Rijg in iedere naald van de tweelingnaald een draad.
ATTENTIE! breng de twelingnaald uit de stof omhoog voordat u de naadrichting wijzigt. Anders konnen de naalden afbreken.
Stikken
Gebruik hiervoort:
Persvoet: geen
-Steekregelknop: 3-8
-Steeklength: 0
BEDIENING
- Breng de persvoet (7) omhoog.
- Verwijder de knoopaannaaivoet, zie paragraaf Persvoet verwisselen, pagina 13.
- Verwijder de persvoethouder (B), door de schroef aan de zijkant (A) los te draaien en de persvoethouder (B) eruit te trekken.
- Steek de stikplaat (C) op de stiekplaat in de waarvoor voorziene gaten.
- Zet de bovendraadspanning iota's losser, zodat de onderdraad Niet door de bovenkant van de stof worden getrokken.
- Teken het stikmodel op de stof.
- Span de stof zo vast möglichk in een stikframe (hoort Niet tot de leveringsomvang), zodate onderkant van de stof op de onderste rand van het binnenframe is.
- Plaats het werkstuk onder de naald.
- Breng de persvoet maar beneden om de bovendraad te spannen.
10.Trek de onderdraad bij de startpositie maar boven door, door aan het handwiel te draaien en een paar bevestigingssteken uit te voeren. - Pak met de duim en de wijsvinger van beiden handen het stikframe vast, verwijl u de stof met de middel- en met de ringvinger ondersteunt en de buitenkant van de ring met de pink.


SERVICE EN ONDERHOUD
Reiniging van het spoelhuis

ATTENTIE!
Trek voor het reinigen de netstekkeruit de stekkerdoos.
- Zet met het handwiel (14) de naald in de hoogste positie.
- Open de spoelhulsafdekking (9).
- Neem de spoelhuls eruit, zie paragraaf Verwijderen/inzetten van de spoelhuls, pagina 9.
- Draai de twee zwarte klik-in-hendels maar buiten en verwijder de grijperbaanring.
- Pak nu de middelste tap van de grijper vast en trek deze eruit.
- Verwijder de vuildeeltjes en verzelresten uit de grijperbaan, van de grijper en van de grijperbaanring.
ATTENTIE! gebruik voor uw naaimachine uitsluitend naimachineolie!
- Olie de onderdelen met een Licht in olie gedrenkte lap zonder pleasjes.
- Doe enkele druppels olie op de grijperbaan.
- Zet alles weer in elkaar. Hierbij worden de grijper aan de middelste tap vastgepakt en weer in de orientering geplaatst, zoals aangegeven in de afbeelding. De afbeelding LAST OOK DE JUiste orientering van de grijperbaanring zien.

10.Klem met de klik-in-hendels de grijperbaanring wee vast.

SERVICE EN ONDERHOUD
Olien van de naaimachine
De naaimachine dient om de 2-3 maanden te worden geolied.

ATTENTIE!
trek vór het olién de netstekker uit de stekkerdoos.
- Draai de schroef (pijl) los op de frontplaat (4).
De frontplaat is in de buurt van de bovendraadgeleiding (1) voorzien van eenkleine vergrendeling. - Klap de afdekking aan het onderste uiteinde omhoog en trek deze voorzichtig uit de vergrendeling.
ATTENTIE! gebruik uitsluitend spe-ciale naaimachineoleie
De afbeelding LAST de punten zien die moeten worden geolied.
- Reinig deze plekken eerst.
- Doe dan op jegere plek enkele druppels naaimachineolie.
Om het bovenste gedeelte van de machine te oliën, moet u de bovenste afdekking (17) verwijderen
ATTENTIE! verwijder algijd eerst de frontplaat (4), dan de bovenste afdekplaat (17).



SERVICE EN ONDERHOUD
- Klap de draaggreep omhoog.
- Draai de twee schroeven onder de draaggreep los en til de bovenste afdekplaat (17) eraf.
De pijlen op de afbeelding beneden geven de punten aan die moeten worden geo- lied.
- Reinig deze plekken en doe dan op iedere plek enkele druppels naaimachineolie.
- Monteer eerst de bovenste afdekplaat (17), dan de frontplaat (4) weeer.
ATTENTIE! na het oliën moet u een stuk oude stof onder de persvoet leggen en de machine enkele Minutes zonder draad lately lopen, om maar buiten komende olie te verwijderen.







SERVICE EN ONDERHOUD
Verwisselen van de lamp
ATTENTIE! gebruikuitsluitend lampen met maximaal 15 Watt vermogen!
De lamp is ache ter de frontplaat (4) aangebracht.

ATTENTIE!
trek vór het verwisselen van de lampen de netstekkeruit de stekkerdoos.
- Draai de schroef (zie pijl) los op de front-ptaat (4).
De frontplaat is in de buurt van de bovendraadgeleiding (1) voorzien van eenkleine vergrendeling. - Klap de afdekking aan het onderste uiteinde omhoog en trek deze voorzichtig uit de vergrendeling.
ATTENTIE! de lamp kan wel eens heet zich!

SERVICE EN ONDERHOUD
- Schroef de lamp los segen de wijzers van de klok in.
- Schroef de neue lamp erin met de wijzers van de klok mee.
- Plaats de frontplaat weeR. Houdt hierbij de afdekplaat schuin en haak boven eerst de vergrendeling weir in.
- Druk de afdekplaat dan vast en draai deschroef erin.

SERVICE EN ONDERHOUD
Opheffing tout
| Probleem | Oorzaak Fout opheffen | |
| Bovendraad brekt | De draad zit Niet goed in de draadgeleiding. Er kloptiets nicht met de naald. De draad is te dun voor het materiaal. | zie paragraaf Inrijgen van de bovendraad, pagina 10 zie paragraaf Naald verwisse-len, pagina 12 zie paragraaf Keuze van de juiste naald en van de draad, pagina 11 |
| Onderdraad brekt | Onderdraad is Niet correct opgewikkeld. Het spoelhuis is vuil. | zie paragraaf Opspoelen van de spoel, pagina 8 zie paragraaf Reiniging van het spoelhuis, pagina 31 |
| Er worden steken weg- gelaten | De naald is verbogen of bot. De naald is Niet juist gemonteerd. De naald is versleten. | zie paragraaf Naald verwisse-len, pagina 12 |
| Naald breekt U | trekt aan de stof. De naalddikte past Niet bij de stof. De persvoet is foutief gekozen. De naald is Niet juist beves-tigd. | Trek slechts heel voorzichtig aan de stof. zie paragraaf Keuze van de juiste naald en van de draad, pagina 11 Gebruik de aangegeven persvoet. zie paragraaf Naald verwisse-len, pagina 12 |
SERVICE EN ONDERHOUD
| Probleem | Oorzaak Fout opheffen | |
| De aanvoer werkstiet vrij | De spanning van de onderdraad is verkeerd. De transporteur zit vol vuil. | zie paragraaf Instelling van draadspanning, paginag 14.zie paragraaf Reinigen van de transporteur, pagina 32 |
| Stof hoopt op | De bovendraad is Niet cor- rect geleid. De onderdraad is Niet cor- rect geleid. De naald is bot. De spanning van de bovendraad is verkeerd. | zie paragraaf Inrijgen van de bovendraad, pagina 10zie paragraaf Opspoelen van de spoel, pagina 8zie paragraaf Naald verwisse- len, pagina 12zie paragraaf Instelling van draadspanning, pagina 14 |
| Onregelma-tige steken | De bovendraad is Niet cor- rect geleid. De onderdraad is Niet cor- rect geleid. Spanning van boven- en onderdraad passen nicht bij elkaar. | zie paragraaf Inrijgen van de bovendraad, pagina 10zie paragraaf Opspoelen van de spoel, pagina 8zie paragraaf Instelling van draadspanning, pagina 14 |
| Geluiden De transporteur of het spoelhuis zitten vol vuil. | zie paragraaf Reinigen van de transporteur, pagina 32zie paragraaf Reiniging van het spoelhuis, pagina 31 | |
| Machine loopt vrij | Netstekker zit vrij in de contactdoos. | zie paragraaf Opstellen en aansluiten, pagina 7 |
TECHNISCHE GEGEVENS
Naaimachine primera NM 900
Nominale spanning 230V~50Hz, nominaal opgenomen vermogen 85W, motor 70W, TUV-GS, CE, beveiligingsklasse II (of A)
Lamp
230V~50Hz, max. 15W
Voetcontrole (voetstarter) MODEL HKT7
Nominale spanning 200-240V~50Hz 1A, TUV-GS, CE, beveiligingsklasse II (of A)

SimpelGids