2CKA006430A0379 - Casa intelligente Busch-Jaeger - Manuale utente e istruzioni gratuiti
Trova gratuitamente il manuale del dispositivo 2CKA006430A0379 Busch-Jaeger in formato PDF.
Domande frequenti - 2CKA006430A0379 Busch-Jaeger
Domande degli utenti su 2CKA006430A0379 Busch-Jaeger
0 domanda su questo apparecchio. Rispondi a quelle che conosci o fai la tua.
Fai una nuova domanda su questo apparecchio
Scarica le istruzioni per il tuo Casa intelligente in formato PDF gratuitamente! Trova il tuo manuale 2CKA006430A0379 - Busch-Jaeger e riprendi in mano il tuo dispositivo elettronico. In questa pagina sono pubblicati tutti i documenti necessari per l'utilizzo del tuo dispositivo. 2CKA006430A0379 del marchio Busch-Jaeger.
MANUALE UTENTE 2CKA006430A0379 Busch-Jaeger
- Fig.1: esempio di collegamento (funzionamento normale) 118
- Fig.2: esempio di collegamento (modalità di funzionamento 2 - 5) 119
-
Fig.3 e 4: zona di rilevamento infrarossi 120
-
Sommario
-
Campi d'impiego 122
-
Possibilità di combinazione 122
-
Avverenze importanti
-
Documentazione 124
-
Smaltimento 124
-
Dati tecnici 125
-
Montaggio
-
Installazione 126
- ...in combinazione con elementi di lavoro ...... 126
- ...in combinazione con Prasenz 6813-xxx-500 .... 127
- ...in combinazione con apparecchi derivati 127
- ...in combinazione con sensori UP 129
Indice

- Indirizzamento dell'elemento di commando a infrarossi /Fig.5 130
-Modalità di funzionamento 132
5. Impiego
- ...con elemento di lavoro 6430-.../6543-... .... 134
- ...con elemento di commando a infrarossi 6066-../6067- 134
- ...con telecomando Busch® a infrarossi 136
- ...con sensori 137
-
Azionamento di appearecchi derivati con sensori .. 138
-
Azionamento di apparecchi derivati passivo .... 138
-Azionamento di appearecchi derivati attivo 139 -
...con Präsenz 6813-xxx-500 141
-
Interruzione della tensione di rete 142
- Eliminazione guasti 143

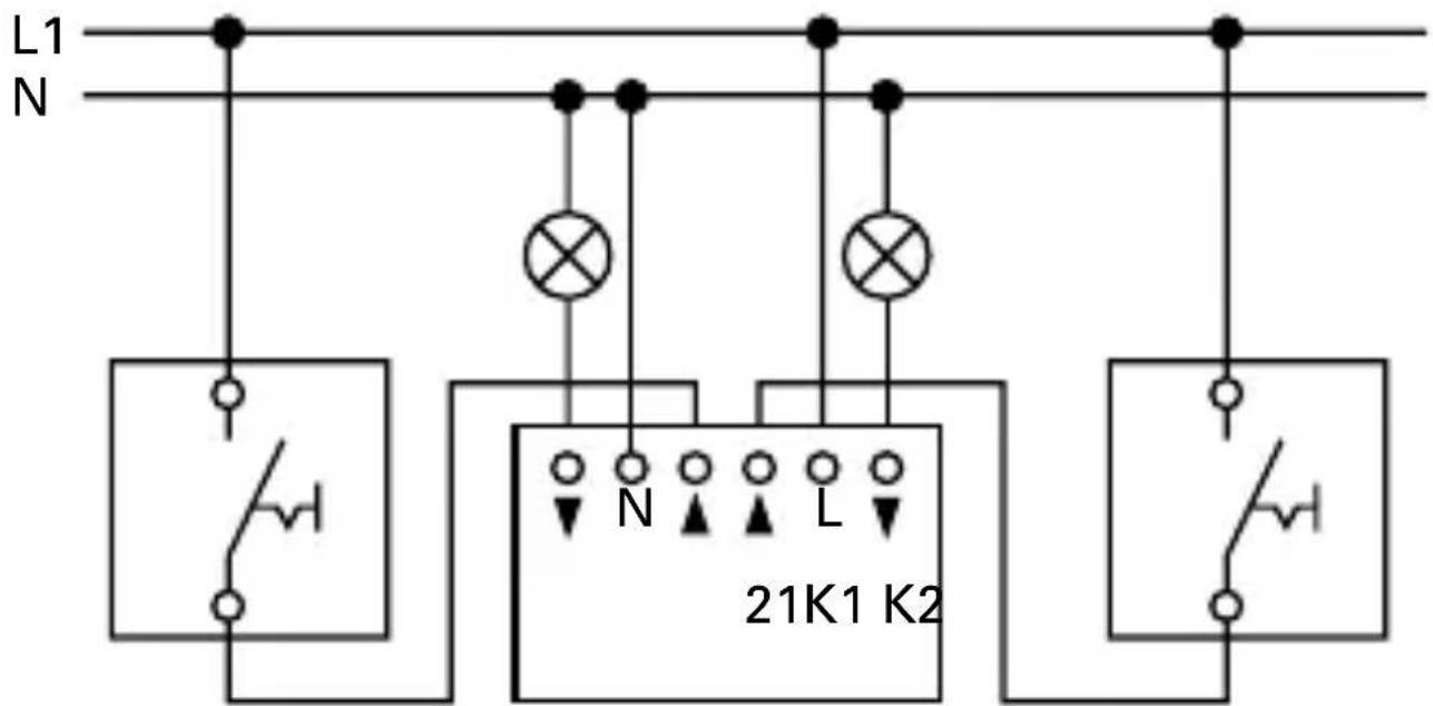
Fig. 1/Funzionamento normale
Inserto in series universale nella modalità di funzionamento 1 (vedi cap. 4.4), nel funzionamento singolo con lavoro a tasti

tasto/contactodi chiusura
6402U-500
tasto/contactto di chiusura
AVVERTENZA
Con tasti luminosi si possono utilizzare esclusivamente tasti con collegamento N separato. Non è ammensa l'illuminazione contatto-paralleled!

Fig. 2
Inserto in series universale nella modalità di funzionamento 2 - 5 (vedi cap. 4.4).


Fig. 3
Area di ricezione infrarossi

120
120

Fig. 4

Area di ricezione infrarossi

Summario

1.1 Campi d'impiego
L'inserto in series universale 6402U-500 (di seguito denominato inserto 6402U-500) è un interrottore azionabile con entrate di appearecchi derivati per il commando di
- lampade ad incandescenza
-lampadealogene - lampade alogene a basso voltaggio con trasformatore e
- lampade fluorescenti
- motori
1.2 Possibilità di combinazione
L'inserto 6402U-500 permette inoltre l'azionamento dei seguenti prodotti ABB:
- elemento di lavoro a infrarossi 6066-..., 6067-...
- elemento di lavoro 6430-..., 6543-...
- tasto contatto di chiusura (per es. N. di articolo: 2020 US oppure 2021/6 UK) per controllo di appearecchio derivato
- sensori UP standard 6810-xxx-10x-500
Summario

-sensori UP comfort 6800-xxx-102(M)/103M/104(M)-500
- controlled automatico Busch® Präsenz 6813-xxx-500
- La scelta degli elementi di commando dipende solo alla sovrastampa corrispondente; la funzione è sempre la stessa.
Avverenze importanti

ATTENZIONE I lavori sulla rete da 230V vanno eseguiti solamente da elettrotecnici autorizzati
2.1 Documentazione
Nelle presenti istruzioni d'uso sia i sensori standard (N. art. 6810-xxx-10x-500), che i sensori comfort (N. art. 6800-xxx-10x(M)-500) del controllo automatico Busch sono descritti come "sensori UP". Fate attenzione agli volta all'esatta attribuzione del tipo nella descrizione.
La denominazione di tipo si trova sul lato posteriore del relativivo apparecchio.
2.2 Smaltimento
Tutti i materiali di imballaggio e gli appearecchi di ABB sono provvisti di contrassegni e sigilli per consentire uno smaltimento corretto. Eliminate i materiali d'imballaggio e gli appearecchi elettrici o i loro componenti elettronici tramite punto di raccolta o imprese di smaltimento autorizzate.
Dati tecnici

Tensione di rete: 230V ± 10% , 50 Hz
Potenza assorbita: < 1,5W
Tensione di lavoro
massima: 250 ~V
Corrente di lavoro
massima (per tutte le
uscite complessivamente): 2300 W/VA, 10 AX
Tensione di ronzio massima 100 V per 100 m di
sull'apparecchio derivato: lunghezza del cavo
Numero di tasti: illimitato
Tipodi protezione:IP 20
Temperatura di esercizio: da 0 a + 35 °C
Montaggio

Disinserire la tensione di rete!
4.1 Montaggio dell'inserto 6402U-500
L'inserto 6402U-500 si monta in una comune scatola da incasso conforme a DIN 49073 parte 1.
4.2.1 Montaggio in combinazione con elementi di commando
Luogo di montaggio (vedi Fig. 3 e 4)
In combinazione con gli elementi di commando a infrarossi 6066-... e 6067-..., il luogo di montaggio dovrebbe trovarsi entro i valori indicati per l'area di ricezione degli infrarossi. Tenere presente che l'area di ricezione può modificata alla luce esterna (per es. luce solare, illuminazione).
Applicazione dell'elemento di lavoro
Con elemento di lavoro a infrarossi 6066-../6067-impostare dapprima l'indirizzo desiderato. Inserire l'elemento di lavoro sull'inserto 6402U-500.
Estrazione dell'elemento di lavoro
Per l'estrazione utilizzare gli intagli predisisti a destra e a sinistra.
Montaggio

4.2.2 Montaggio in combinazione con il controllo automatico Busch® Präsenz 6813-xxx-500
Luogo di montaggio
In combinazione con il segnalatore di presenza 6813-xxx-500 è utile solo un'installazione a soffitto. Se possibile il segnalatore 6813-xxx-500 andrebbe montato proprio sopra il relativo posto di lavoro.
Applicazione del segnalatore di presenza 6813-xxx-500 Per l'installazione e il funzionamento di prova èvantaggioso utilizzato l'adattatore allegato. Successivement innestare saldamente in posizione il segnalatore di presenza 6813-xxx-500 sull'inserto 6402U-500.
Estrazione del segnalatore di presenza 6813-xxx-500 Estrarre il segnalatore di presenza 6813-xxx-500 dall'inserto 6402U-500, tirando sull'anello della scatola.
4.2.3 Montaggio in combinazione apparecchi derivati
L'inserto 6402U-500 più essere azionatoattraverso apparecchi derivati. In questo caso osservare quanto segue.
Montaggio

- La lunghezza massima del cavo dipende dalla massima tensione di ronzio consentita sulle entrate degli apparecchi derivati. La tensione di ronzio non può superare i 100 V (che corrispondono solitamente ad una lunghezza del cavo di almeno 100 m).
Gli appearecchi derivati adatti sono:
- tasti per contatto di chiusura (per es. 2020 US oppure 2021/6 UK)
ATTENZIONE
Non è ammessa l'illuminazione dell'apparecchio derivato a tasting parallela al contatto di commando: utilizzare tasti con collegamento N separato.
Per assicurare un perfetto funzionamento, posare i cavi collegati separati dai cavi degli appearecchi derivati.
Montaggio

4.2.4...in combinazione con sensori UP/segnalatori di presenza
Per assicurare un funzionamento ottimale dei sensori UP, osservare la segunte tabella.
| Tipodi sensore UPI/ Altezza di Posizione di mon-Segnalatore di montaggio taggio delle viti di presenza Campo d'impiego collegamento | ||
| 6810-xxx-10x-500 0,8 - 1,2 m fatto | ||
| 6800-xxx-10x-500 | ||
| 6800-7x-10xM-500 | 0,8 - 1,2 m (tromba scale) sopra | |
| 2,0 - 2,5 m (controllo ambiente) sopra | ||
| 6800-2xx-10xM-500 | 0,8 - 1,2 m (tromba scale) fatto | |
| 2,0 - 2,5 m (controllo ambiente) fatto | ||
| 6813-xxx-500 dipendente dall'altezza del soffitto a scelta | ||
Montaggio/Fig. 5

Per ulteriori informazioni sull'altezza di montaggio, la regolazione dei sensori UP, ecc. videere le relative istruzioni d'uso.
4.3 Indirizzamento dell'elemento di commando a infrarossi
L'indirizzo dell'elemento di lavoro a infrarossi 6066-.../ 6067-... è impostato in fabbrica sul numero 1. É possibile modificare l'indirizzo per mezzo della rotella di regolazione posta sul lato posteriori dell'elemento di lavoro.

Per l'indirizzato tenere presente I"area di ricezione infrarossi" (vedi Fig. 3 e Fig. 4).
Montaggio

L'indirizzo impostato vale per l'uscita K1; l'indirizzo successivo più alto vale automaticamente per la seconda uscita K2.
| Regolazione usc 6066-/6067-xxx K1 K2 6010-25 | Numeri dei tasti 6010-25 per il lavoro delle te (6402U-500) | |
| 1 1 2 2 2 3 ...... 5 5 1 | bianco | |
| 6 6 7 7 7 8 ...... 10 10 6 | blu |
Montaggio

4.4 Modalità di funzionamento
Si raccomanda di impostare sul potenziometro la modalità di funzionamento desiderata prima di inseire l'elemento di lavoro.
Modalità di funzionamento 1 (funzionamento normale): collegamento separato delle due uscite con gli elementi di commando 6430-..., 6543-..., 6066-..., 6067-...
Modalità di funzionamento 2 - 5:
| Modalità di Uscita K1 ON Uscita K1 OFF funzion. Uscita K2 Uscita K2 | ||
| 2 INSERTITO DISINSERITO dopo 10 s dopo | 5 min | |
| 3 INS. fatto 2 min DISINS. fatto 5 min | ||
| 4 INS. fatto 2 min DISINS. fatto 10 min | ||
| 5 INS. fatto 2 min DISINS. fatto * min | ||
- per il tempo in cui è insertita l'uscita K1, per un massimo comunchue di 21 minuti.
Montaggio

AVVERTENZE
L'uscita K2 dipende dall'uscita K1 – eccetto che nella modalità di funzionamento 1 (finecorsa sinistro, vedi Fig. 1, 2).
Se l'uscita K1 viene di nuovo disinserita all'interno del ritardo d'insertione dell'uscita K2, quest'ultima non si inseisce.
Impiego

Con l'installazione dell'elemento di commando, l'inserto 6402U-500 riconosce automaticamente di quale tipo di elemento si tratta.
5.1 Elemento di commando meccanico 6430-../6543-...
Comando ad un pulsante nelle modalità operative 2 - 5
-
pulsante: battuta/pressione
-
ON/OFF dell'uscita K1
L'uscita K2 commande conformmente alla modalità operativa selezionata (vedi cap. 4.4)
5.2 Elemento di commando a infrarossi 6066-../6067-...
a. Impiego nella modalità operativa 1
- pulsante superiore: l'uscita K1 viene commutata
- pulsante inferiore: l'uscita K2 viene commutata
b. Comando a due pulsanti nelle modalità operative 2 - 5
-
pulsante superiore: battuta/pressione
-
l'uscita K1 viene INSERTITA
-
pulsante inferiore: battuta/pressione
-
l'uscita K1 viene DISINSERITA
Impiego

L'uscita K2 commande conformmente alla modalità operativa selezionata (vedi cap. 4.4).
AVVERTENZE
Il dato di "oscuramento"attraverso telecomando a infrarossi non attiva alcuna commutazione nell'inserto 6402U-500.
Ulteriori informazioni per il funzionamento a infrarossi si trovano per esempio nelle istruzioni d'uso del telegomando.
Il lavoro azionato per ultimo (anche negli appearecchi derivati) fa scattare la commutazioneanche se durante una pressione più lunga del pulsante, l'azionamento non sembra ancora concluso.
Impiego

5.3 Telecomando Busch per funzionamento a infrarossi a. Modalità di funzionamento 1
L'accesso alle memorie MEMO M1 e M2 avviene tramite il telecomando a infrarossi o il trasmettitore a parete - vedere le relative istruzioni d'uso.
- Insertimento (ON): l'inserto 6402 U-500 si accende*
- Disinserimento (OFF): l'inserto 6402 U-500 si spegne*
- Più,chiaro: l'inserto 6402U-500 si accende*
- Più scuro: nessuna funzione
-
MEMO: - creare il collegamento**
-
memorizzare MEMO
- richiamare MEMO 1 o MEMO 2
DISATTIVA TUTTO: I'inserto 6402 U-500 si spegne**
- Viene comandata l'uscita K1 o K2, a seconda della coppià di tasti che si aziona sul telecomando a infrarossi.
** Vale per entrambé le uscite K1 e K2.
Impiego

b. Modalità di funzionamento 2 - 5
In queste modalità di funzionamento viene comandata solamente l'uscita K1. L'uscita K2 si collega conformmente alla tabella a pagina 132.
5.4 Azionamento con sensori (modalità di funzioniamento 2 - 5)
Dopo un'interruzione della tensione di rete o dell'allacciamento alla rete, l'inserto 6402U-500 inserisce di nuovo le utenze collegate dell'uscita K1
-
indipendentemente alla luminosità misurata
-
per 80 secondi se si utilizzato sensori UP 6810-xxx-10x-500
- per il tempo desiderato (almeno 1 minuto con regolazioni < 1 minuto), se si utilizzato sensori UP 6800-xxx-10(M)-500 o il controllo automatico Busch Prasenz 6813-xxx-500 (eccezione: impulso breve () .
Impiego

5.5 Azionamento degli appearecchi derivati con sensori (modalità di funzionamento 2 - 5)
Questo azionamento degli apparecchi derivati agisce solo sull'uscita K1. L'uscita K2 si collega conformmente alla modalità operativa impostata (vedi cap. 4.4). L'azionamento di apparecchi derivati è possibile
-attraverso l'attivazione tramite tasto del contatto di chiusura
- oppure per mezzo dell'inserto per apparecchi derivati 6805U-500.
Azionamento passivo degli apparecchi derivati tramite tasto
La funzione eseguita dal tasting di chiusura fa in modo che le utenze collegate
a. nella modalità operativa 1 vengano inserte e disinserite
b. nella modalità operativa 2 - 5
-
independentemente dalla luminosità misurata (uscita K1)
-
vengano inserte per circa 80 secondi, se si utilizzato sensori UP 6810-xxx-10x-500
Impiego

-
vengano inserte per il tempo impostato sul sensore, se si utilizzato sensori UP 6800-xxx-10(M)-500 (anche con impostazioni temporali inferiori al minuto)
-
vengano commutate (ON>OFF>ON>...), se si utilizes il controlledo automatico Busch® Prasenz 6813-xxx-500
AVVERTENZE
- Per l'azionamento degli appearecchi derivati tramite tasto di chiusura il cavo dell'apparecchio non deve superare la lunghezza massima di 100 m.
- Utilizzare esclusivamente tasti alla illuminazione contatto-parallela.
- Per evitare disturbi causati da tensione di ronzio, è necessario posare il cavo collegato separato dal cavo dell'apparecchio derivato.
Azionamento attivo dell'apparecchio derivato con 6805U-500 e sensori UP (modalità di funzionamento 2 - 5)
Poiché l'apparecchio principale e derivato dispongono agli volte di una regolazione separata del valore crepuscolare, è possibile considerare singularmente le condizioni di luminosità attuali del luogo di installment.
Impiego

Il tempo di autoaccensione effettivo risultata nella somma dei tempi dell'apparecchio principale e di quello derivato. In collegamento con i sensori UP 6800-xxx-10x(M)-500 si raccomanda di azionare gli apparecchi derivati regolandoli con l'impulso breve (L), nel caso si debbano osservare esattamente i tempi regolati sull'apparecchio principale
AVVERTENZA
Per ulteriori informazioni vedere le relative istruzioni d'uso.
Impiego

5.6 Azionamento con il controllo automatico Busch Präsenz 6813-xxx-500
Osservare le relative istruzioni d'uso
Con l'azionamento dell'apparecchio derivato tramite tasto è possibile accendere e spegnere l'illuminazione indipendentemente alla luminosità.
L'apparecchio derivato attivo 6805U-500 con segnalatore di presenza come sensore fa in modo che il rilevamento del movimento venga inoltrato all'apparecchio principale (inserto 6402U-500 e 6813-xxx-500). In base alla luminosità, l'apparecchio principale del segnalatore di presenza 6813-xxx-500 decide se l'illuminazione deve essere o restare accesa.
Interruzione della tensione di rete

6. Interruzione della tensione di rete
In combinazione con gli elementi di commando 6430-..., 6543-..., 6066-... e 6067-..., in caso di interruzione della tensione < 200 ms il collegamento viene ripristinato.
Con una interruzione >200 ms, dopo il rientro della tensione viene ripristinata la condizione precedente oppure le due uscite sono spente.
In combinazione con i sensori, l'inserto 6402 U-500 si comporta come descriptors nel capitolo 5.4.
Eliminazione guasti

Diagnosi Causa/rimedio
Il carico non si attiva - controllare l'apparecchio dall'apparecchio derivato: derivato
- ridurre la tensione di ronzio a >100V
Il carico non si attiva in - sostituire il carico difettoso generale: - eventualmente sostituire l'apparecchio
Il carico si attiva - ridurre la tensione di ronzio a autonomamente: >100 V
- correggere la posa dei cavi errata (v. cap. Montaggio)
Il ricevitore a infrarossi/ - il ricevitore non si trova
l'utenza non reagisce: nell'area di emissione degli infrarossi
- l'area di emissione degli infrarossi è coperta (oggetti, mani o corpi)
- la batteria del trasmettitore è scarica
Eliminazione guasti

Diagnosi Causa/rimedio
Il LED del disco C a - eliminare luce esterna ad infrarossi è spento: infrarossi
- aplicare la tensione di rete
- spegnere la tensione di rete per circa 5 secondi
Il LED del disco C a - eliminare la luce esterna ad infrarossi lampeggia infrarossi continuamente:
Il LED del disco C a - verificare la ricezione del infrarossi non lampeggia segnale ad infrarossi alla trasmissione del - sostituire le batterie del segnale: telecomando ad infrarossi o del lavoro a parete - l'area di trasmissione degli infrarossi è stata superata
Non si riesce a coman- - togliere l'illuminazione dare l'inserto 6402U-500 nell'apparecchio derivato a dall'apparecchio derivato: tasto
Eliminazione guasti

Diagnosi Causa/rimedio
Impossibile il dato - elemento di dato a distance: bloccato
La luce non si accende: - sostuire la lampada difettosa
-ambiare/reinserire la protezione inserita a monte
-
riparare la linea di alimentazione interrotta
-
verificare ed eventualmente
cambiare la modalità di
funzionamento (vedi cap. 4.4)
Índice

ManualeFacile