2CKA006430A0379 - Inteligentny dom Busch-Jaeger - Bezpłatna instrukcja obsługi
Znajdź bezpłatnie instrukcję urządzenia 2CKA006430A0379 Busch-Jaeger w formacie PDF.
Często zadawane pytania - 2CKA006430A0379 Busch-Jaeger
Pytania użytkowników dotyczące 2CKA006430A0379 Busch-Jaeger
0 pytanie dotyczące tego urządzenia. Odpowiedz na te, które znasz, lub zadaj własne.
Zadaj nowe pytanie dotyczące tego urządzenia
Pobierz instrukcję dla swojego Inteligentny dom w formacie PDF za darmo! Znajdź swoją instrukcję 2CKA006430A0379 - Busch-Jaeger i weź swoje urządzenie elektroniczne z powrotem w ręce. Na tej stronie opublikowane są wszystkie dokumenty niezbędne do korzystania z urządzenia. 2CKA006430A0379 marki Busch-Jaeger.
INSTRUKCJA OBSŁUGI 2CKA006430A0379 Busch-Jaeger
-Rys. 1: Przykstad podłuczania (normalny tryb przycady) 178
-Rys. 2: Przykjad podȩczania (tryby przyc y 2 - 5) ... 179
-Rys. 3 i Rys. 4: Zasięg odbioru sygnatów podczerwieni 180
- Przejęd
-Zakresy stosowania 182
-Mozliwosci kombinowania 182
- Wąźne wskazówki
-Dokumentacja 184
-Usuwanie 184
- Dane techniczne 185
- Montaz
-Zabudowa 186
... w połaczeniu z elementami obstugowymi .... 186
... w połaczeniu z Prasenz 6813-xxx-500 187
... w połaczenia i z obwodami lokalnymi 188
... w połaczeniu z czujnikami podtynkowymi .... 189
Spis trešci

-Adresowanie elementu obstugowego na podczerwień (Rys. 5) 190
-Trybypracy 192
5. Oblęuga
- ... z elementem obslugowym 6430-../6543-... .... 194
... elementem obslugowym na podczerwien 6066-/.6067- 194
...z moduloem zdalnego sterowania BuschFerncontrol IR 196 -
... z czujnikami 197
-Praca w obwodach lokalnych z czujnikami 198 -
Pasywna praca w obwodach lokalnych 198
-Aktywnapraca w obwodach lokalnych 200 - ... z czujnikiem Prä?senz 6813-xxx-500 201
6. Przerwa zasilania 202
7. Usuwanie zaklocen 203
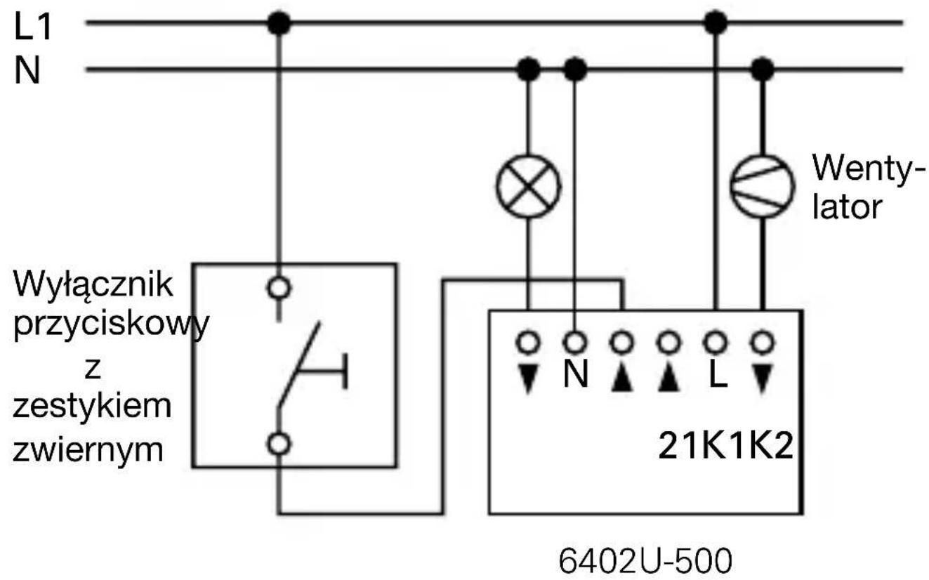
Rys. 1: Praca w trybie normalnym

Uniwersalny moduł seryjny w trybie pracy 1 (patrz rozdziaf 4.4) przy pracy pojedynczej z wysterowaniem wyłącznikiem przyciskowym

Wyęȩcznik przyciskowy
z zestykiem zwiernym 6402U-500
z zestykiem zwiernym
WSKAZÓWKA: W przypadku podświetlanych wyłączników przyciskowych要去 stosowej tylko wyłączniki z oddzielnym przyȩczem N. Podȩczanie oświetzenia równelegle do styków jest niedopuszczalne!
Rys. 2

Uniwersalny moduł seryjny w trybach pracy 2 - 5 (patrz rozdziaf 4.4)

Rys. 3

Zasięg odbioru sygnatów podczerwieni

180
180
Rys. 4

Zasięg odbioru sygnatów podczerwieni


Przeglad

1.1 Zakresy stosowania
Uniwersalny moduł seryjny 6402 U-500 (zwany dalej moduloem 6402U-500) jest wyłącznikiem, króryMZebyc obstugiwany przy cz wejscia obwodów lokalnych, i sLUZY do przyłączania:
-zarowek
-lamp halogenowych
-niskonapięciowych lamp halogenowych z transformatorem oraz
- swietlowyek
-silników
1.2 Mnziwość kombinowania
Moduł 6402 U-500 uzmolniwa między innymi pracęnatestepujacych produktów ABB:
-
moduł obstugowej na podczerwien 6066-..., 6067-...
-
modułu obstugowej 6430-..., 6543-...
Przeglad

-
wyłącznika przyczyciskowej z zestykiem zwiernym (np. nr art.: 2020 US albo 2021/6 UK) przy obstudze z obwodów lokalnych
-czujników podtynkowych standard 6810-xxx-10x-500
-czujników podtynkowych komfort 6800-xxx-102(M)/ 103M/104(M)-500
-czujnika Busch-Wächter® Präsenz 6813-xxx-500 -
Dobór elementów obstrugowych zaleź y tylko od odpowiedniago nadruku, dziatanie jest zawsze takie samo.
Wañne wskazówki

UWAGA
Prace przy sieci 230 V mogą być wykonywane tylko przy bez autoryzowyany, wykwalifikowyany personel elektryczny!
2.1 Dokumentacja
Zarówno moduły Busch-Wächter Standard (nr art. 6810-xxx-101-500) jak i czujniki komfortowe (nr art. 6800-xxx-10x(M)-500) opisane zostaly w niniejszej instrukcji eksploataci jingo "Czujniki podtynkowe". Dlatego prosze zwracć uwage na odpowiednie przyporzadkowanie typów w opisie. Oznaczenia typu znajduje są z tyfu kaźdego urzadzenia.
2.2 Usuwanie
Wszystkie materiały opakowan oraz urzadzenia firmy ABB posiadaj oznakowania i atesty kontrolne w celu ich wąsciwo go usuwania. Materialy opakowan oraz urzadzenia elektryczne albo pochodźace z nich elementy elektroniczne naleź y oddawac do odpowiednio autoryzOWANYCH placówek zbiorczych lub zakjadow oczyszczania.
Dane techniczne

Napięcie sieci: 230 ~V ± 10% , 50 Hz
Pobórmocy: < 1,5 W
Maksymalne
napiecie laczalne: 250V ~
Maksymalny prad
łaczalny (wspólnie
dla wszystkich wyjsć): 2300 W/VA, 10 AX
Maksymalne napiecie 100 V przy dlugosci
przydzwieku: przewodów 100
Ilość wyłączników
przyciskowych:nieograficzona
Rodzaj zabezmieczenia: IP 20
Temperatura robocza: 0 do +35 °C
Montaž

Wyłaczyc napiecie sieci!
4.1 Zabudowa modułu 6402U-500
Moduł 6402U-500 montowy jest w typowej, dostepnej w handlu puszcze podtynkowej na urzadzenia, zgodnej z DIN 49073, czȩść 1.
4.2.1 Montaż w połaczeniu z elementami obstugowych Miejsce montaź (patrz Rys. 3 i 4)
W połaczenia i elementami obstugowymi na podczerwien 6066-... i 6067-....),这些都是 montażu powinno znajdowej są w podanym zasięgu odbioru sygnów podczerwieni. Prosȩ przy tym pAMIąć,źasięg odbioru sygnów podczerwieni są zmieniać pod wphywem obcego oświetlenia (na przykjad promieniowania sonecznych, oświetlenia).
Mocowanie elementu obstugowego
W przypadku elementów obstugowych na podczerwień 6066-... /6067-... naleźny najpierw ustawic wymagany adres. Natestepnie prosze załość element obstugowy na moduţ 6402U-500.
Montaž

Zdejmownikie elementu obstugowej
Do zdjecia elementu prosze uzyc przywidzianych do tego celu nacimiento po lewej i po sprawej stronie.
4.2.2 Montañ w połaczeniu z czujnikiem Busch-Wächter® Prasenz 6813-xxx-500 Miejsce montañu
W połaczeniu z czujnikiem obecność 6813-xxx-500 sensowny jest tylko montañ na suficie. W miarem przywość naleź yamontowej czujnik obecność 6813-xxx-500 bezposrechnio nad danym stanowiskiem pracy.
Mocowanie czujnika obecnosci 6813-xxx-500
Dla instalacji i dla testu celowym jest wykorzystanie dołaczonego adaptera. Nastepnie sąna na state załość czujnik obecnosci 6813-xxx-500 na moduł 6402U-500.
Zdejmownikie czujnika obecnosci 6813-xxx-500
Prosę sciąnant czujnik obecnosci 6813-xxx-500 za pierścień obudowy z modulo 6402U-500.
Montaž

4.2.3 Montañ w połaczeniu z obwodami lokalnymi
Moduł 6402 U-500 sąsrednictwem obwodów lokalnych. Naleź przy tym przyestrzegać następujectych informacje:
Maksymalna dlugość przydzwiedu od mak-symalnie dopuszczalnégo napięcia przydzwiedu na wejsciach obwodów lokalnych. Napiȩcie przydzwiedu nie sądzajność przyekraczać 100 V (odpowieada to w practyce dlugość przyzewodów co najmiej 100 m)
Jako obwody lokalne moga byc stosowane:
- wyłaczniki przyzyciskowe z zestykiem zwiernym (np. 2020 US albo 2021/6 UK)
UWAGA
Podłuczanie oświetlenia równelegle do styków jest niedopususzczalne! Naleź wystosowej tylko wyłączniki z oddzielnym przyłączem "N".
Aby zapewnić niedawodne dziatanie, naleź yuktadać przyłączone przyzewody-osobno od przyzewodów obwodów lokalnych.
Montaž

4.2.4 ... w połaczeniu z czujnikami podtynkowymi/ czujnikami obecnosci
Aby zapewnić optymalne działanie czujników podtynkowych prosȩ przyestrzejność informacje z poniższej tabeli:
| Czujnik podtynkowy Wysokość Połowzonei typu/czujnik montazu jabudowy sąb obecność Zakres stosowania przyłączeniowych | ||
| 6810-xxx-10x-500 0,8 - 1,2 m u doły | ||
| 6800-xxx-10x-500 | ||
| 6800-7x-10xM- 0,8 500 (klatka schodowa) - 1,2 m a) u gorny | ||
| 2,0 - 2,5 m (nadźór pomieszczemu) | u gorny | |
| 6800-2xx-10xM- 500 (klatka schodowa) 0,8 - 1,2 m a) u doły | ||
| 2,0 - 2,5 m (nadźór pomieszczemu) | u doły | |
| 6813-xxx-500 | w zależnosci od wysokość sufitu | dowolnie |
Montaż (Rys. 5)

Dalsze informacja na temat wysokość montaqu, regulacja czujników podtynkowych itp. podane są w przyznależnej instrukcjki eksploatacji.
4.3 Adresowanie elementu obstugowego na podczerwien
Adres elementu obstugowego na podczerwien 6066-... / 6067-... ustawiony jest fabrycznie na wartosć 1. Zmiana adresu mözgliwa jest przy bez przekracenie pokręta regulacyjniego na tylnej sciance elementu obstugowego na podczerwien.

Montaż

Ustawiony adres obowiazuju dla wyjscia K1;
natestpny w kolejnosci wyźyszady adres obowiazuju dla drugiego wyjscia K2.
| Ustawienie wyjsć 6066-/6067-xxxK1K26010-25 | Numery przyciskowy 6010-25 do sterOWania (6402U-500) 1K26010-25 | |
| 1 1 2 2 2 3 ...... 551 | biały | |
| 6 6 7 7 7 8 ...... 10106 | niebieski |
Montaż

4.4 Tryby prac
Wymagany tryb pracy naleź ustawic za pomocapi potencjometru przyd nałozeniem elementu obślugowej.
Tryb pracy 1 (praca normalna)
Osobne przy pomocy elementów obstugowych 6430-..., 6543-..., 6066-..., 6067-...
Tryby pracy 2 - 5:
Tryb pracy Wyjscie K1 ZAŁ Wyjscie K1 WYŁ Wyjscie K2 Wyjscie K2 2 ZAŁ po 10 s WYŁ po 5 min 3 ZAŁ po 2 min WYŁ po 5 min 4 ZAŁ po 2 min WYŁ po 10 min 5 ZAŁ po 2 min WYŁ po * min
- dopóki załaczone jest wyjscie K1, ale maksymalnie 21 minut
Montaž

WSKAZóWKI
Wyjscie K2 jest zaleźne od wyjscia K1 – za wyjatkiem trybu przy 1 (lewe połozenia skrajne, patrz Rys. 1, 2). Jeźeli wyjscie K1 zostanie ponownie wyłaczone przy cz wyjscie K2 w trakcie fazy opóznienia załuczania, to wyjscie K2 nie załacja są.
Obstuga

Obstuga
Moduł 6402U-500 Rozpoznaje automatycznie po nałozeniu elementu obstugowej jakiego rodzaju element obstugowy zostaw załoźony.
5.1 Mechaniczny element obślugowy 6430-... /6543-... Obśluga przy pomocy jedernej powierzchni w trybach pracy 2 - 5
- Powierzchnia: krótkie naciśćcie/przytrzymanie - ZAL WY K wyjscia K1
Wyjscie K2 przyȩćca są odpowiednio do wybranego trybu pracy (patrz rozdziaf 4.4)
5.2 Element obślugowy na podczerwien 6066-… / 6067-… a. Obśluga w trybie przycy 1
Górna powierzchnia: przyȩczane jest wyjscie K1
- Dolna powierzchnia: przyȩczane jest wyjscie K2
b. Obstuga przy pomocy dwóch powierzchni w trybach pracy 2 - 5
Górna powierzchnia: krótkie naciść/ przytrzymanie - wyjscie K1 zestaje ZAłęczone
Obstuga

- Dolna powierzchnia: krótkie naciść/ przytrzymanie - wyjscie K1 zestaje WYęłaczone
Wyjscie K2 przyłącza są odpowiednio do wybranego trybu pracy (patrz rozdziaf 4.4)
WSKAZóWKA
Polecenie "sciemniania", wydane przy element do zdalnégo sterowania na podczerwieu, nie powodujeźadnej akcjiw module 6402U-500. Bliźsze szczegóły na temat pracy na podczerwieu zawarte są na przykład w instrukcjie eksploataci nadajnika ręcznégo na podczerwieu.
Ostanie polecenie obstugowe (tamze w obwodach lokalnych) wywołuje akcję przyłąszym przytrzymywaniu powierzchni obstugowej wydaje są, ze realizacja polecenia nie zostafa jesteczne zakończona.
Obstuga

5.3 Praca na podczerwien z elementem zdalnego sterowania Busch-Ferncontrol®
a. Tryby pracy 1:
Doste do pamięci MEMO M1 i M2 möglich jest przy pomocy ręcznégo lub sciennego nadajnika sygnów podczerwieni – patrz przyznależna instrukcja eksploatacji.
•ZAłuczanie: moduł 6402U-500 ZAłuczacja
WYlaczanie: modu6402U-500 WYlacza
Jaśniej: moduł 6402U-500 ZAŁacjaźc
Ciemniej: brak reakcji
- MEMO: - stworzenie stanu przyȩczenia)iácć
- zapamietanie MEMO
-
wywołanie MEMO 1 lub 2
-
WSZYSTKO WY: moduł 6402U-500 WYęlaczać
-
Przelączane są wyjscia K1 lub K2, w zależnosci od sposobu przyȩczania pary stykowski na ręcznych nadajniku sygnatów podczerwieni
** Obwiazuje dla obydwu wyjsć K1 i K2
Obstuga

b. Tryby pracy 2 - 5:
W tych trybach pracy sterowane jest tylko wyjscie K1. Wyjscie K2 jest przyȩczane zgodnia z tabel na stronie 192.
5.4 Eksploatacja z czujnikami (tryby pracy 2 - 5)
Po przyerwaniu napiecia zasilania albo po podłaczeniu sieci, moduţ 6402 U-500 ponownie załacza odbiorniki, podłaczone do wyjscia K1
-niezależnie od zmierzonej jasnosci
- przy zastosowaniu czujnika podtynkowej 6810-xxx-10x-500 na 80 sekund
- przy zastosowaniu czujnika podtynkowej 6800-xxx-10x(M)-500 albo czujnika Busch-Wächter Prasenz® 6813-xxx-500 na wybrany czas (co najmiej na 1 minute przy ustawieniach czasu < 1 minuty; wyjiang stanowy impuls krótkotrwamy ).
Obstuga

5.5 Praca w obwodach lokalnych z czujnikami (tryby pracy 2 - 5)
Taka praca z obwodami lokalnymi wywiera wptyw tylkona wyjsscie K1. Wyjsscie K2 jest przy空气质量 odpowiednio do ustawionego trybu pracy (patrz Rozdziat 4.4). Praca z obwodami lokalnymi möglich jest po:
- aktywaczji przy pomocy wyłącznika przyciskowej z zestykiem zwiernym
- albo moduţu obwodów lokalnych 6805U-500.
PASYWNA praca w obwodach lokalnych przy pomocy wyłączników przyciskowych
Funkcja zrealizowana na wyłaczniku przyyciskowym z zestykiem zwiernym powoduje, ze podlaczone odbiorniki a. w trybie przy 1 są ZAłaczane i WYłaczane
b. w trybach pracy 2 - 5
-niezależnie od zmierzonej jasnosci (wyjscie K1)
- przy zastosowaniu czujników podtynkowych 6810-xxx-10x-500 są zaączane na okło 80 sekund
Obstuga

-
przy zastosowaniu czujników podtynkowych 6800-xxx-10x(M)-500 zestaj zaączone na czas ustawiony w czujniku podtynkowym (nawet przy ustawieniach czasu poniȩj 1 minuty)
-
przy zastosowaniu czujników Busch-Wächter Präsenz® 6813-xxx-500 są przyłączane (ZAL > WYŁ > ZAL > ...)
WSKAZÓWKI
- Przy obstudze z obwodów lokalnych przy pomocy wyłączników przyciskowych z zestykiem zwiernym maksymalna dlugość przyzewodów w obwodach lokalnych nie sąze przyzekroczenia 100 m.
- Prosze stosować tylko wyłączniki przyciskowe bez oświetzenia równolegȩgo do styków.
- Abyunikacja zlokędni przydzwiedu należy ukladac przyłącze przygowodowy obwodu lokalnego.
Obstuga

Aktywna praca w obwodach lokalnych przy zastosowaniu 6805U-500 i czujników podtynkowych (tryby pracy 2 - 5)
Ponieważ obwody glówn i lokalne majora oddzielneustawienia wartoscizmierzchowej, dlatego moinsuwzgliednic indywidualne warunki oświetlenioreoswiectlenia w mistręcza zabadowy.
Efektywny czas opoźnieniawynika z dodania czasów dla obwodu glówno i obwodu lokalngo. W połączeniu z czujnikami podtynkowymi 6800-xxx-10x(M)-500 godnym polecenia jest ustawuminium dla obwodów lokalnych impulsu krótkotrwalego „, frei ci zasy uzastwione w obwodzie glównym主要是 być w miäre doklady zachowywane.
WSKAZÓWKA
Bliźsze informacja na ten temat zawarte są w odpowiednich instrukcjach eksploatacji.
Obstuga

5.6 Praca z czujnikiem Busch-Wächte® Präsenz 6813-xxx-500
Prosę przyestrzegać wąsciwej instrukcji eksploatacji.
Przy pomocy obstugi obwodu lokalngo przyez wyłączniki przyciskowe sąna załączać i wyłączać oświetlenie niedziależnie od jasnosci.
Aktywny obwód lokalny 6805 U-500 z czujnikiem obecnosci jako modułem detekcj powoduje, ze przykazywana jest dalej detekcj poruszenia w obwodzie glównym (moduł 6402 U-500 i 6813-xxx-500). Czujnik obecnosci 6813-xxx-500 w obwodzie glównym decyduje wazoleżnosci od jasnosci,czy oświetlienie bedzie zaączone przy pozostanie glównzone.
Przerwa zasilania

6. Przerwa zasilania
W połączeniu z elementami obstugowymi 6430-..., 6543-..., 6066-... i 6067-... przy przy wie zasilania poniȩj < 200 ms odtwarzany jest pierwotny stan przyłączenia.
Przy przyrzwie zasilania powyzej >200 ms po ponownym załaczeniu sieci albo odtwarzany jest poprzedni stan, albo obydwa wyjscia są WYłaczone.
W połaczenia i z czujnikami moduł 6402U-500 zachowuje sie zgodnia z opisem w rozdżiale 5.4.
Usuwanie zakłocen

Diagnoza Przyczyna/srodki zaradczne
Obćzenia nie jest - Skontrlowej obwody lokalne wyłączane przy bezędźwoje napiȩcie obwód lokalny: przydzstawicy >100 V
Obciazenia w ogole - Wymienic uszkodzone sie nie przyłącza: obciazenia
- Wymienic uszkodzone urzadzenie
Obćzenia samoczynnie - Zredukowańapięcie są zaączata: przydzielędźmiemku > 100 V
- Usança břędne ułozenia przy wodów (patrz rozdziaf Montañ)
Odbiornik sygnatów - Odbiornik sygnatów
podczerwieni/urzadzenie podczerwieni nie znajduje sie odbiorcze nie reaguja: w zasięgu nadajnika sygnaw podczerwieni
- Obszar nadawania sygnów podczerwieni jest zaşoniety (przedmioty,reuse lub ciało)
- Bateria nadajnika jest zuzyta
Usuwanie zakłocen

Diagnoza Przyczyna/srodki zaradczne
Dioda swietlna w tarczy - Usunac ródlo obcego
IR-C nie sącie są: oświetzenia
- Podłaczyc napiecie sieci
- Wyłączyć napiȩcie sieci na okół 5 sekund
Dioda swietlna w tarczy - Usunac ródlo obcego
IR-C stale miga: oświetlenia
Dioda swietlna w tarczy - Sprawdzić odbior sygnatów
IR-C nie miga przy podczerwieni
sygnale nadawania: - Odnowić baterie reçznego lub
sciennego nadajnaksygnaw podczerwieni
- Przekroczony zasięg
nadawania sygnatów
podczerwieni
Moduł 6402U-500 nie - Usunuć oświetlienie w pozwala są obstugiwać wyłączniku przyciskowym
przez obwód lokalny: obwodu lokalnégo
Usuwanie zakłocen

Diagnoza Przyczyna/srodki zaradczne
Zdalna obstuga - Element obstugowy zaczymi niemozgliwa:
Światto są nie swieci: - Wymienić uszkodzone lampy
- Wymienić bezpiecznik albo go ponownie zaączyć
- Naprawić przyrwany przyzwód
- Sprawdzić i ewentualnie zmienić tryb pracy (patrz rozdziaf 4.4)
Copepkne

PncyHKn/cxembl
-Pnc.1.Cxema noDKIIOUeHnA (HopMaJIbHbI pExKIM) 208
- Pinc. 2. Cxema nodklnochena (pekmbi 2 - 5) .... 209
- Pinc. 3 n 4. 3oHa npiema IK cnrgana 210
- OCHOBhIe daHHbIe
-Oblaactb npimehenra 212
-Bo3MOxHbIeKoM6nHaUu 212
- Baxhble yka3aHn
-Дokум entaць 214
- YTNIN3aun 214
- Texnueckne daHHbIe 215
-
MoHTaX
-
Bключень pa60Tu 216
- ... C ynpaBJIouIIMN əJIeMeHTaMn 216
- ... c对阵图om поимешия 6813-xxx-500 ......... 217
- ... C ДОПОЛНТЕЛьнБИМУ ЭЛемЕNTамN 217
- ... C Датчимдя Скрьтов побODКI 219
- YctaHOBka 30HbI npiema IK ynpabJIIOUeO 3JeMeHTa 221
Copepkne

- Pekimbl pa60tbl 223
ProstaInstrukcja