F 105 R - Riscaldamento Jøtul - Manuale utente e istruzioni gratuiti
Trova gratuitamente il manuale del dispositivo F 105 R Jøtul in formato PDF.
Domande degli utenti su F 105 R Jøtul
0 domanda su questo apparecchio. Rispondi a quelle che conosci o fai la tua.
Fai una nuova domanda su questo apparecchio
Scarica le istruzioni per il tuo Riscaldamento in formato PDF gratuitamente! Trova il tuo manuale F 105 R - Jøtul e riprendi in mano il tuo dispositivo elettronico. In questa pagina sono pubblicati tutti i documenti necessari per l'utilizzo del tuo dispositivo. F 105 R del marchio Jøtul.
MANUALE UTENTE F 105 R Jøtul
1.0 Dati tecnici 75
2.0 Conformità alle normative 75
3.0 Sicurezza 76
4.0 Installazione 85
5.0 Utilizzo giornaliero
6.0 Manutenzione
7.0 Assistenza 95
8.0 Accessori opzionali 98
9.0 Riciclaggio
10.0 Garanzia 98
Registrarileproprio caminettosul sito jotul.comperuna garanziad25anni
1.0 Conformità alle normative
- L'installazione di un caminetto deve essere eseguita in conformità alle leggi e alle normative locali di agli paese. L'installazione del prodotto deve essere conforme a tutte le norme locali, incluse nelle che fanno riferimentoagli standard nazionali ed europei.
- L'installatione peut essere effettuata solo après un'accurata ispezione da parte di un ispettore qualifi cato.
- Contattare le autorità edili locali prima di installare un nuovo caminetto.
94
2.0 Dati tecnici
Materiale: Ghisa
Finitura: Vernice / smalto
Scarico fumi: Superiore, posteriori
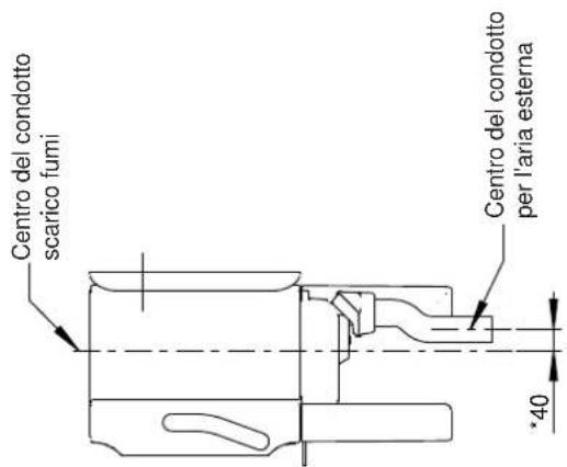
Dimensioni condotto: 0 130 mm
Condotto per l'aria esterna: 80
Peso del prodotto:
Camera con montanti lunghi: 97 kg
Camera con montanti corti: 94 kg
Camera con base : 107 kg
Coperchio in pietra ollare : 14,5 kg
Accessorioxonionali
Dimensioni prodotto, distanze: Vedere la fig. 1
Dati tecnici conformi alla norma EN 13240
Potenza termica nominale: 4,5 kW
Volume dei fumi: 4,2g/s
Tiraggio della canna fumaria,
EN 13240: 12 Pa
Pressione negativa raccomandata nello scarico fumi:
Efficienza: 83% a 5,2 kW
Emissioni di CO (13%) O2: 0,09%
Emissioni di CO (13% O_2) 1101 mg/Nm³
NOx a 13% O_2 99 mg/Nm³
Idrocarburi a 13% O_2 76 mg/Nm³
Emissioni di particelle NS 3059:
Temperatura della canna fum
EN 13240: 231°C
Temperatura dello scarico fumi: 277°C
Polvere: <7 mg/Nm³ a 13%O₂
Consumo dell'aria: 3,2 litro/sec o 12,2 m³/h
Tipodi combustibile: Legna
Lunghezza massima ceppi:
Consumo di combustibile:
Quantità max di fascine:
Quantità nominale di fascine:
Funzionamento: Intermittente
Per "combustione intermittente" si intende il normale utilizzato di un caminetto, ovvero l'aggiunta di combustibile non appena si sono formate le braci.
ITALIANO
3.0 Sicurezza
Note: per garantire prestazioni e sicurezza ottimali, le stufe Jotul devono essere montate da un installatore quali cato (vedere www.jotul.com per un elenco completo di rivenditori).
Qualunjue modifi ca al prodotto da parte del distributore, installatore o consumatore cui lo imprevisto del prodotto e delle funzionalità di sicurezza. Lo stesso si applica all'installazione di accessori o di extra opzionali non forniti da Jotul. Ciò cui riguardare sono componenti essenziali per il funzionamento e la sicurezza del caminetto eventualmente smontati o rimossi.
In tutti i casi citati, il produttore non pourrait essere ritenuto responsable o punibile per il prodotto, rendendo nulla e non valido agli reclamo.
NOTA: Parti della stufa, in particolare le superfici esterne, si surriscaldano durante la combustione! Prestare cautela!
3.1 Misure di prevenzione antincendio
Ogni utilizzato del caminetto ha in se unarto elemento di pericolo. Pertanto, è necessario seguire attendamente le seguenti istruzioni:
- Le distance minime di sicurezza in caso di utilizzo del caminetto sono fornite nella fig. 1. Queste leindicazioni sulla distanza da materiali infi ammabili che si applicano a但这a stufa
- La stufa deve essere istallata con tubi con certificazione specifi ca CE. Anche per I tubi va rispettata la distanza da materiali infi ammabili
- Assicurarsi che gli arredi e altri materiali infiammabili non siano troppo vicini al caminetto. I materiali infiammabili non devono mai essere posizionati entro 900~mm dal caminetto.
- Attendere l'estinzione del fuoco. Non spegnere mai le fi amme con acqua.
- Il caminetto acceso diventa caldo e può causare bruciature se toccato.
- Rimuovere lacene solo con il caminetto freddo. Lacene cui contene braci calde, pertanto deve essere collocata in un contentatore ignifugo.
- La genere deve essere collocata all'esterno o svuotata in un luogo in cui non rappresenta un pericolo potenziale di incendio.
In caso di incendio della canna fumaria
- Chiudere toutes le aperture e le prese d'aria.
- Tenere chiusa la porta del camino.
- Verificare la presenza di fumo in cantina e in sofitta.
- Chiamare i vigili del fuoco.
- Prima di utilizzato di nuovo il camino e la canna fumaria dopo un incendio, è necessario che vengono controllati da un technician specializzato che ne assicuri l'integrità e il corretto funzionamento.
Canna fumaria in acciaio
Se viene'utilizzata una canna fumaria in acciaio con montaggio superiore, installare un tubo non isolato alla camera di combustione a circa 10~mm sopra la grata superiore. Assicurarsi che la guarnizione sia insertita correttamente, tra il condotto e lo scarico fumi. Fissare quindi la canna fumaria in acciaio seguito le relative istruzioni del fornitore.
3.2 Pavimento
Basamento
È importante accertarsi che il basamento sia adatto a un caminetto. Consultare il capitolo "2.0 Dati tecnici" per le specifici che sul peso.
Si raccomanda la rimozione dall'area di installatione di agli eventuale rivestimento non fissato al pavimento ("rivestimenti mobili").
Jotul F 105 SL (con montanti corti)
Jotul F 105 SL più essere installato solo su pavimenti in cui sia la superficie, sia la struttura in se siano realizzate in materiale ignifugo. Ciò si applicaanche se il prodotto poggia su una piatra di protezione.
NOTA: L'area ignifuga deve sporgere di almeno 500 mm davanti alla stufa.
NOTA: Si consiglia di non installare il riscaldamento a pavimento (ad acqua o elettrico) in questa zona.
Requisiti per la protezione del pavimento in legno除去 il caminetto
La funzione di una piatra di protezione è quella di proteggere il pavimento e i materiali non ignifugi di delle braci.
Il prodotto con le gambe deve ave alla pedana in acciaio: se le norme locali lo richiedono.
Nota! Lo spazio sotto la Jotul F 105 con le gambe non deve essere utilizzato perMETTERE la legna.
Rimuovere da sosto il prodotto ongi eventuale rivestimento infi amabile per la pavimentazione, come linoleum, moquette, ecc.
Requisiti per la protezione dei pavimenti infi ammabili davanti al caminetto
La piastra anteriore deve risultare conforme alle leggi e alle normative nazionali.
Contattare le autorità edili locali in relazione alle disposizioni e ai requisiti di installmente.
3.3 Pareti
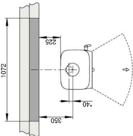
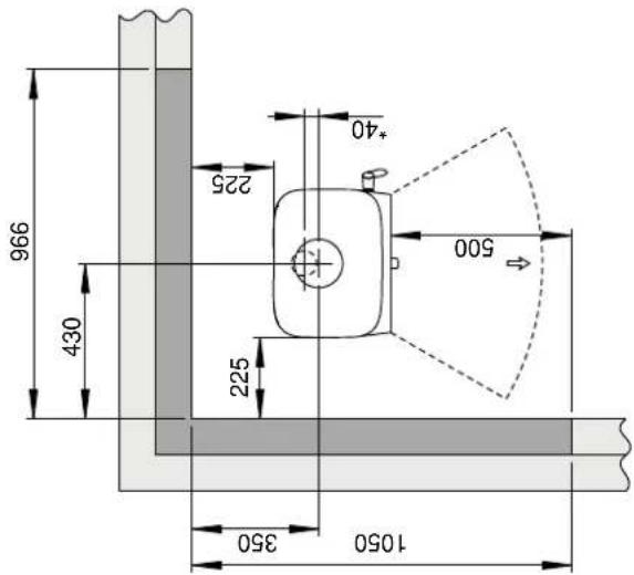
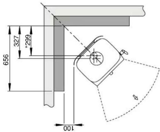
Distanza da pareti composte da materiali combustibili: vedere la fi g. 1b.
Distanza minima dalla parete combustibile protetta da un muro tagliafuoco: vedere la fig. 1c.
Distanze alternative con condotti di scarico fumi rivestiti o isolati sono visualizzateanche nella fig.1b.
NOTA: Posizione are il prodotto in modo tale che sua possibile pulire la stufa, il condotto di scarico fumi e il passaggio della canna fumaria.
NOTA: Assicurarsi che mobili e altri articoli di arredamento non siano tanto vicini da essere seccati alla stufa.
Il caminetto può essere utilizzato con un condotto non isolato, sempre che le distance tra il caminetto e le pareti in materiali combustibili rispetto i valori indicati nella fig. 1b.

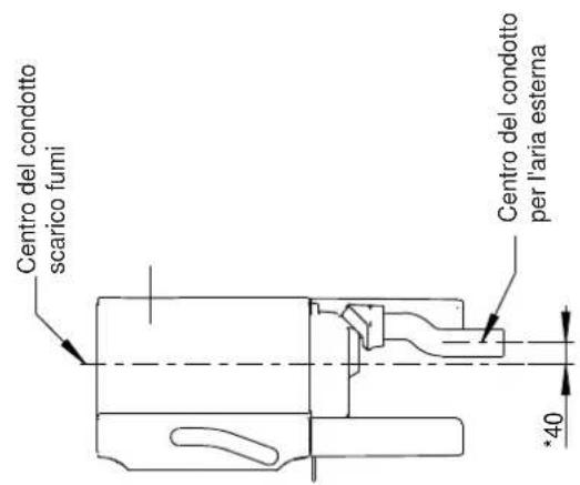
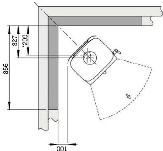
Fig 1





(montanti brevi)
Piastra di convenzione


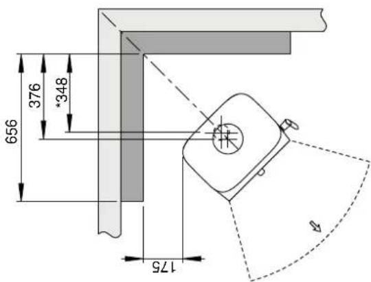
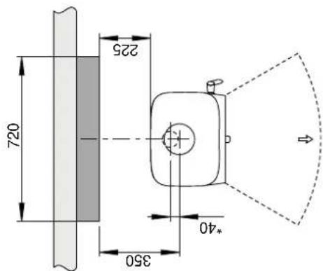
Jotul F 105 R Distanza minima alla parete combustibile
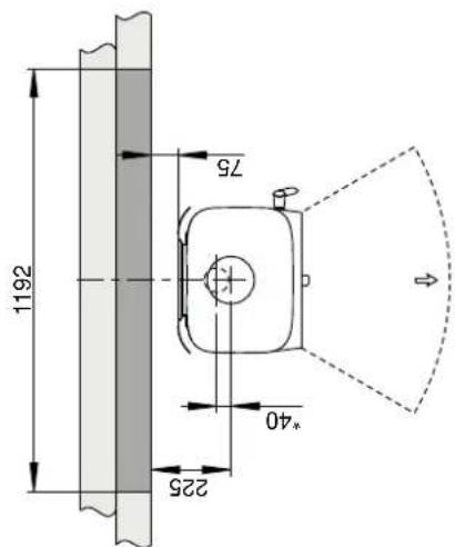
Fig. 1 b



Parete combustible
* Condotto per l'aria esterna *** Distanza da una parete in materiale inflammabile con condotto scarico fumi parzialmente isolato/rivestito (min. 30 mm isolato)

* Condotto per l'aria esterna
900200-P00

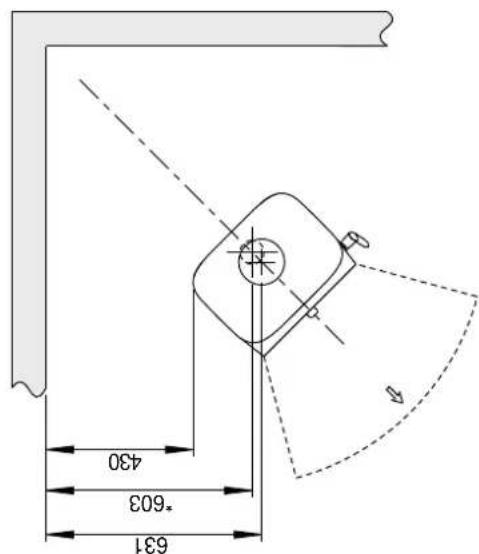
Distanza minima dalla parete combustibile protetta da un muro tagliafuoco
Fig. 1 c Jotul F 105 R
External
Parete combustible





Integrata
* Condotto per l'aria esterna.

900200-P00

900200-P00


Jotul F 105 Distanza minima dalla parete combustibile
Fig. 1 e

Condotto per l'aria esterna
900181-P01
** Distanza da una parete in materiale inflammabile con condotto scarico fumi parzialmente isolato/rivestito (min. 30 mm isolato)

Distanza minima dalla parete combustibile protetta da un muro tagliafuoco
Fig.1 f Jotul F 105
External



Integrata



* Condotto per l'aria esterna
ITALIANO
Circolazione dell'aria fresca
L'aria utilizzata per la combustione in qualsiast abitazione ben isolata deve essere sostituita. Cio è particolarmente importante nelle abitazioni con ventilazione meccanica. É possibile procurare tale aria sostitutiva in vari modi. L'aspetto più importante è fornire l'aria nell'amiente in cui è situata la stufa. Posizionare la valvola della parete esterna più vicino possibile alla stufa e assicurarsi che possa essere chiusa quando la stufa non è in uso.
Per il collegamento della circolazione dell'aria fresca, attenerisi ai regolamenti edilizi nazionali e locali.
Sistema di combustione chiuso
Utilizzare ilsystema di combustione chiuso della stufa se l'abitazione è a tenuta d'aria e di recente costruzione.
Collegare l'aria di combustione esterna atraverso un condotto di ventilazioneattraverso la parete o il pavimento
Circolazione dell'aria
Il quantitativo di aria di combustione per i prodotti Jotul è di circa 20-40 m³/h.
Il condotto per l'aria esterna cui èssere inserto direttamente in Jotul F 105attraverso:
- il fondo
- attraverso un tubo il essibile di circolazione dell'aria dall'esterno/dalla canna fumaria (solo se la canna fumaria presenta un proprio condotto per l'aria esterna) diretto al connettore dell'aria esterna del prodotto.

Fig. 2A, atraverso una parete esterna

Fig. 2B, atraverso il pavimento e la piastra di terra

Fig. 2C, atraverso il pavimento e il basamento

Fig. 2D, indirettamente attraverso una parete esterna
4.0 Installazione
Nota: prima di iniziare l'installazione, assicurarsi che il caminetto non sia danneggiato.
Note: il prodotto è pesante! Assicurarsi di disporre dell'aiuto necessario in fase di posizionamento e installmente. La camera di combustione è pesante. Fare attenzione a non rovesciare il prodotto.
Note: Non collocare niente sulla piatra superiore della stufa, dal momento che potrebbe causare danni permanenti alla vernice o allo smalto.
Nota: leggere attendamente le Istruzioni di installmente e funzionamento prima di installare il caminetto!
4.1 Preparazioni per Jotul F 105 con montanti lunghi

Fig. 3
- Rimuovere le due viti di trasporto (A) che fissano la stufa al pallet in legno.
- Lasciare la stufa sul pallet di trasporto.
- Estrarre i guanti, il sacchetto delle viti, il connettore dell'aria esterna e l'adattatore presenti all'interno della camera di combustione.
- Controllare che la leva di lavoro (B) si muova liberamente.

Fig. 4
- Sollevare la stufa dal pallet.
- Montare la stufa e regolare utilizzato una chiave a corona in posizione orizzontale con le 4 viti di regolazione dell'altezza. Fare un segno sulla parete se è necessario uno scarico posteriori per il condotto di scarico fumie e l'alimentazione dell'aria esterna. NOTE: Tenere in considerazione l'altezza della piatra di protezione per il pavimento.
Etichetta di conformità

Fig. 5
- Estrarre l'etichetta di conformità (A) alla camera di combustione e applicarla con la vite (B), come illustrato. Serrare la vite con una chiave a corona. NOTE: Non tagliare il fi lo utilizzato per applicare l'etichetta.
ITALIANO
4.1 Preparazioni per Jøtul F 105 con montanti corti
Jotul F 105 SL poè essere installato solo su pavimenti in cui si la superficie, via la struttura in sé siano realizzate in materiale ignifugo. Cio si applicaanche se il prodotto poggia su una piatra di protezione.
NOTA: L'area ignifuga deve sporgere di almeno 500 mm davanti alla stufa.
Note: Si consiglia di non installare il riscaldamento a pavimento (ad acqua o elettrico) in questa zona.

Fig. 6
- Rimuovere le due viti di trasporto (A) che fissano la stufa al pallet in legno.
- Lasciare la stufa sul pallet di trasporto.
- Estrarre i guanti, il parafiamma, il sacchetto delle viti, il connettore dell'aria esterna e l'adattatore presenti all'interno della camera di combustione.
- Controllare che la leva di lavoro (B) si muova liberamente.

Fig. 7
- Sollevare la stufa dal pallet.
- Montare la stufa e regolare utilizzato una chiave a corona in posizione orizzontale con le 4 viti di regolazione dell'altezza. Fare un segno sulla parete se è necessario uno scarico posteriore per il condotto di scarico fumie e l'alimentazione dell'aria esterna. NOTE: Tenere in considerazione l'altezza della piatra di protezione per il pavimento.
Etichetta di conformità

Fig. 8
- Estrarre l'etichetta di conformità (A) alla camera di combustione e applicarla con la vite (B), come illustrato. Serrare la vite con una chiave a corona. NOTE: Non tagliare il fi lo utilizzato per applicare l'etichetta.
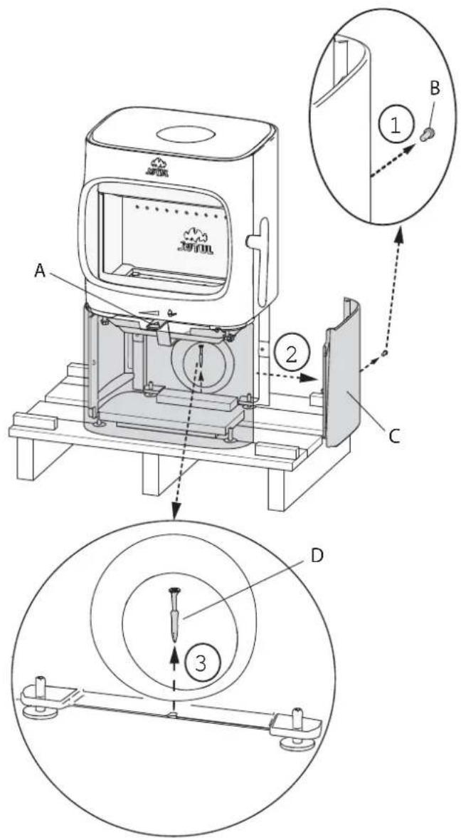
4.3 Preparazioni per Jøtul F 105 con base

Fig. 9
-
Estrarre i guanti, il parafiamma, il sacchetto delle viti, il connettore dell'aria esterna e l'adattatore presenti all'interno della camera di combustione.
-
Svitare la vite (B) posta al centro del lato posteriore della piastra laterale.
-
Rimuovere la piastra laterale (C).
-
Rimuovere la vite di trasporto (D) che fissa la stufa al pallet in legno.
-
Controllare che la leva di lavoro (A) si muova liberamente.
- Sollevare la stufa dal pallet e montarla (vedere fig. 1).

Fig. 10
- Sollevare la stufa dal pallet.
- Montare la stufa e regolare in posizione orizzontale con le 4 viti di regolazione dell'altezza. Utilizzare la chiave esagonale presente nel sacchetto delle viti. Fare un segno sulla parete se è necessario uno scarico posteriore per il condotto di scarico fumi e l'alimentazione dell'aria esterna. NOTE: Tenere in considerazione l'altezza della piastra di protezione per il pavimento.

Fig. 11
- Estrarre l'etichetta di conformità (A) alla camera di combustione e applicarla con la vite (B), come illustrato. Serrare la vite con una chiave a corona. NOTE: Nontagliare il fi lo utilizzato per applicare l'etichetta.
ITALIANO
Alimentazione dell'aria esterna attraverso il pavimento
Fig. 12

1. Fissare l'adattatore (A) sul lato inferiore della camera di combustione usando le viti fornite (B) (Pre-montato sua Jotul F 105 B).
Fig. 13

2. Fissare il connettore dell'aria esterna (A) all'adattatore
inserendo due viti (B) nella traccia e serrandole con i dadi (C).
Alimentazione dell'aria esterna attraverso uno scarico posteriore
Fig. 14

1. Fissare l'adattatore (A) alla camera di combustione usando le due viti fornite (B) (Pre-montato su Jotul F 105 B).
Fig. 15

2. Fissare il connettore dell'aria esterna (A) all'adattatore inserendo due viti (B) nella traccia e serrandole con i dadi (C).
Collegamento dell'aria esterna attraverso la base
Attraverso lo scarico posteriore
Fig. 16

1. Per fi sare il condotto della presa d'aria fresca da 80 (accessorio opzionale - articolo n. 51047509), consultare il manuale (articolo n. 10047508) in dotazione con il kit dell'aria esterna. Fissare il tubo fi essibile al connetore dell'aria esterna con una fascetta stringitubo. L'isolamento del tubo flessibile dell'aria esterna termina circa 100 mm除去 la camera di combustione.
Attraverso il pavimento
Fig. 17

1. Per fi sare il condotto della presa d'aria fresca da 80 (accessorio opzionale - articolo n. 51047509), consultare il manuale (articolo n. 10047508) in dotazione con il kit dell'aria esterna. Fissare il tubo fi essibile al connetore dell'aria esterna con una fascetta stringitubo. L'isolamento del tubo flessibile dell'aria esterna termina circa 100mm 除去 la camera di combustione.
4.4 Canna fumaria e condotto
- Il caminetto deve essere collegato solo a una canna fumaria e a un condotto approvati per caminetti a combustibile solido; le temperature dei gas prodotti dal fumo sono indicate nel capitolo "2.0 Dati tecnici".
- Il collegamento della canna fumaria deve essere realizzato in conformità alle istruzioni di installmente fornite dal produttore della stessa.
- Prima di praticare un foro nella canna fumaria, montare e posizionare provvisoramente il prodotto, in modo da individuare la corretta posizione del caminetto e del foro sulla canna fumaria. Vedere la Fig. 1 per le dimensioni minime.
Assicurarsi che il condotto si sviluppi verso l'alto, in direzione della canna fumaria.
Assicurarsi che sua possibile spazzare vicino allo scarico posteriore e allo scarico superiore. Se necessario, utilizzare un condotto di scarico fumi dotato di un portello. - É estremamente importante che i collegamenti abbiano una certa èsibilità, quello per impedire agli movimento in fase di installmente tale da causare la formazione di crepe.
Per il tiraggio racommando della canna fumaria, consultare il capitolo "2.0 Dati tecnici". Per le dimensioni del condotto con la sezione trasversale rilevante, consultare il capitolo "2.0 Dati tecnici". Nota: Il diametro della canna fumaria deve essere almeno delle stesse dimensioni del condotto.
Note: la lunghezza minima racomandata della canna fumaria è 3,5 m dall'inserto del condotto. Se il tiraggio risultta eccessivo, installare una valvola di regolazione del tiraggio.
Sela sezione trasversale della cannafumaria è sufficientemente ampia, è possibile collegarvi più stufe a combustibile solido. NOTE: Consultare le norme e i regolamenti applicabili per determinare casa è permesso. Anche una buona canna fumaria può funzionare male se usata in modo scorretto.
Funzionamento con diverse condizioni climatiche
L'effetto del vento sulla canna fumariacouldere un impatto significativo sul modo in cui la stufareagisce alle raffiche di diverse intensita. Pue essere necessario regolare l'alimentazione dell'aria per ottenere una buona combustione.
ITALIANO
4.5 Inserimento di un condotto con uno scarico superiore
Il prodotto viene consegovato alla fabbrica con uno scarico fumi adatto allo scarico superiore.

Fig. 18
- Avvitare il condotto di scarico fumi (A) atraverso la piatra superiore e posizionarlo nell'ocarico fumi superiore.
- Sigillare bene con una guarnizione (B).
4.5 Inserimento di un condotto con uno scarico posteriori
Il prodotto viene consegovato alla fabbrica con uno scarico fumi adatto allo scarico superiore. Se si desidera posizionare uno scarico posteriori, procedere nel modo seguente:

Fig. 19
- Rimuovere il parafi amma sollevandolo dal bordo posteriore, poi estrarlo alla camera di combustione girandolo. Svitare le due viti (A).

Fig. 20
- Collocare il prodotto in posizione corretta. Vedere fig. 1
- Rimuovere il dettore di aspirazione (A).
Fig. 21

3. Svitare le viti (A) e rimuovere lo scarico fumi (B) dallo scarico superiore.

Fig. 23
- Fissare lo scarico fumi (A) allo scarico posteriore usando le due viti (C) dall'interno della camera di combustione.
- Fissare la copertura (B) allo scarico superiore con le due viti (D) dall'interno della camera di combustione.
- Reinstallare il defi ettore di aspirazione.
- Posizionare il parati amma.
Fig. 22

4. Svitare le viti (B) er rimuovere la copertura (A) dello scarico posteriori dall'interno della camera di combustione.
Fig. 24

9. Posizione are la guarnizione (B) sul bordo del condotto di scarico fumi (A).
ITALIANO
Fig. 25

10. Inserire il condotto di scarico fumi nella scarico posteriore.
Nota: è importante che tutti i giunti/condotti siano completeness sigillati. Eventuali fuoriuscite d'aria potrebbero impedirne il corretto funzionamento.
Prodotto sanza piastra di convezione
Note: se non utilizzato una piatra di convezione, il prodotto avrà diverse condizioni di impostazione (vedere fi g. 1).
Fig. 26

1. Se non utilizzate la piastra di convenzione nella camera di combustione, avvitate nuovamente le quattro viti (A) in posizione. Utilizzato la chiave esagonale del sacchetto delle viti.
4.7 Controllo delle prestazioni
Una volta assemblato il prodotto, controllare la leva di dato. Deve muoversi lavorante e funzionare in modo soddisfacente.

Fig. 27
Jotul F 105 è dotato delle seguenti opzioni di funzionamento:
Presa d'aria (A)
Spingere a sinistra: minimo
Spingere al centro: massimo
Spingere completeness a destra: per l'accensione
Maniglia della porta (B)
Aprire tirando la maniglia in fuori.
Altezza di impilaggio (C) per la legna (i fori possono non essere coperti).
5.0 Utilizzo giornaliero
Odori al primo utilizzato del caminetto
Quando il caminetto viene utilizzato per la prima volta, cui émettere un gas irritante dal lieve odore. Ciò si verifica perché la vernice si secca. Il gas non è tossico, tuttavia il locale deve essere ventilato approprifonditamente. Lasciare bruciare il fuoco con un tiraggio elevato, fatto a far scomparire agli traccia di gas, fumo e odore.
Consiglio per l'alimentazione della stufa
Note: i ceppi conservati all'aperto o in un locale freddo devono essere collocati all'interno 24 ore prima dell'uso, al fine di portarli alla temperatura ambiente.
Ci sono vari modi per alimentare la stufa, tuttavia è sempre importante prestare attenzione a perché viene collocato nella stufa. Consultare la sezione "Qualità della legna".
Important! Una circolazione dell'aria inadequata può comportare una combustione insuffi ciente, emissioni elevate e un basso livello di efficienza.
Qualità della legna
Per "legna di qualità" si intendono tipi di legna generalmente conosciuti come la betulla, l'abete e il pino.
I ceppi devono essere asciugati, in modo che il contentuto di umidità non sua superiore al 20% .
A tal fine, si consiglia di tagliare i ceppi alla fine dell'inverno. Tagliarli e impilarli in modo da garantire una Buona ventilazione. Le pile di legna devono essere coperte per proteggere i ceppi alla pioggia. Portare i ceppi all'interno all'inizio dell'autunno e impilarli/conservarli per utilizzarli in inverno.
Prestare particolare attenzione a non utilizzato mai i seguenti materiali come combustibile per il caminetto:
Rifi uti domestici, buste di plastica, ecc.
-
Legname verniciato o impregnato (in quanto estremamente tossico).
-
Assi di legno laminato.
- Cumuli di legname trasportato alla corrente
Possono danneggiare il prodotto e sono anche inquinanti.
Note: non utilizzato mai petrollio, paraffina, alcol denaturato o liquidi simili per accendere il fuoco, in quanto potrebbero causare lesioni gravi all'utilizzatore e danni al prodotto.
Fascine (legna spaccata fi nomente):
Lunghezza: max. 33 cm
Diametro: 2-4 cm
Quantità richiesta per carico: 6-8 pezzi
Legna (spaccata):
Lunghezza racomandata: 20 - 33 cm
Diametro: circa 8 cm
Intervallo di aggiunta della legna: circa anni 45 - 50 minuti
Dimensioni della fiamma: 1,1 kg (potenza nominale)
Quantità richiesta per carico: x2
Quantita max di fascine: 2,0 kg
L'émissione di calore nominale si ottiene quando la presa d'aria è aperta circa al 30% (fig. 32). L'émissione di calore massimo si ottiene quando la presa d'aria è aperta circa al 50% .
ITALIANO
Accensione iniziale
Aprière le prese d'aria e di accensione extraendo completamente le manopole (fig. 27). Se necessario, tenera la porta leggermente aperta. (Utilizzare un dato o simile per proteggere la mano nel caso in cui le manopole siano calde.)

Fig. 28
- Posizione are due ceppi in fondo alla camera di combustione e impilare le fascine in strati.
- Infi ne, posizionare un ceppo di dimensioni medie in cima alla pila.
- Posizione 2 o 3 bricchette o ramoscelli molto lo strato superiore di fascine e accendere il fuoco. Nota: l'altezza massima della pila di legna deve essere appena inferiore ai fori orizzontali. I fori non devono essere coperti.
- Dopodiché, é possible variare il tasso di combustione per ottenerile calore desiderato regolando la presa d'aria (fi g. 32).
- Controllare che abbiainiziola postcombustione (combustione secondaria). Cio viene indicato alla presenza di fiamme giale e guizzanti davanti ai fori sotto il parafi amma.
Se il usso d'aria è normale, Sara possibile chiudere porta e il fuoco si regolera autonomamente.
Aggiunta della legna
Alimentare frequentlymente la stufa,aggiungendo solo piccoli quantitativi di combustibile alla volta. Se la stufa è troppo piena, il calore creato potrebbe causare sollecitationi estreme della canna fumaria. Aggiungere con moderazione il combustibile al fuoco. Evitare i fuochi che bruciano sono fi amme, dato che ciò produrra il massimo inquinamento. Un fuoco ottimale si ottiene con una buona bruciatura e un fumo in uscita alla canna fumaria quasi invisibile. Un fuoco ottimale si ottiene con una buona bruciatura e un fumo in uscita alla canna fumaria quasi invisibile. NOTE: É importante tenere la porta chiusa durante la combustione.
5.1 Pericolo di surriscaldamento
Il caminetto non deve mai essere utilizzato in modo tale da causare surriscaldamento
Il surriscaldamento si verifica in presenza di un effcco di combustibile e/o di aria, causando un calore eccessivo. Un segno evidente di surriscaldamento è la presenza di un bagliore rosso in alcune parti del caminetto. Se ciò dovesse accadere, ridurre immediamente l'apertura della presa d'aria.
Consultare un professionista se si sospetta che la canna fumaria non presenti un tiraggio corretto (tiraggio eccessivo o scarso). Per ulteriori informazioni, consultare il capitolo "4.0 Installazione" (Canna fumaria e condotto).
5.2 Rimozione dellacene
Jotul F 105 include un cenerazio che semplifi ca la rimozione dellacene.
- Rimuovere la cenere solo con il caminetto freddo.
- Raschiare laceneattraverso la grata nella parte interna inferiore e in basso all'interno del ceneriao. Utilizzare un quanto o simile per proteggere le mani. Impugnare la maniglia del ceneriao ed estrarlo sollevandolo.Assicurarsi che il ceneriao non sia maiosi colmo da impedire la caduta dellaceneatraverso la grata fi no al ceneriao.
- Assicurarsi che il cenerazio sia spinto fino in fondo prima di chiudere la porta.
6.0 Manutenzione
6.1 Pulizia del vetro
Il prodotto dispone delsystemadi pulizia ad aria del vetro. Attraverso la presa d'aria, l'aria viene risucchiata nella parte superiore del camino e spinta verso il basso lungo la parte interna del vetro.
Sara comunque inevitabile l'accumulo di un po'fuliggine sul vetro, la cui quantità dipenderà dalle condizioni di tiraggio locale e alla regolazione della presa d'aria. La maggior parte della fuliggine verrà normalmente bruciata quando si après completenessla presa d'aria nelle fuoco brucia vivacamente nel camino.
Suggerimento utile! Per la pulizia generale, utilizzare carta da cucina inumidita con acqua calda e aggiungere della cenere presa dalla camera di combustione. Pulire il vetro con la carta, quando risciacquarlo con acqua pulita e asciugarlo completeness. Se fosse necessario pulire il vetro più a fondo, utilizzato un detergente per vetri (seguire le istruzioni riportate sul acone).
6.2 Pulizia e rimozione della fuliggine
I depositi di fuliggine sono accumularsi sulle superfici di interne del caminetto durante l'uso. La fuliggine è un buon isolante, pertanto riduce la potenza termica del caminetto. Se si accumulano depositi di fuliggine durante l'utilizzo del prodotto, per rimuoverli è sufficiente utilizzato un detergente specifico.
Al fi ne di impedire la formazione di acqua e di uno strato di pece liquida nel caminetto, consentire regolarmente la presenza di fi amme particolaremente calde per rimuovere lo strato. É richiesta una pulizia interna annuale per otteneri gli migliorii risultati termici dal prodotto. Si consiglia di effettuarla insieme alla pulizia della canna fumaria e dei condotti.
6.3 Pulizia dei condotti alla canna fumaria
I condotti devono essere spazzatiattraverso I'apposto portello o l'apertura della porta. Uno dei parafi amma dovrassa prima essere rimioso per consentire I'esecuzione di tale operazione.
6.4 Ispezione del caminetto
Jotul raccomanda di ispezionare attendamente il proprio caminetto dopo averlo spazzato e pulito. Controllare tutte le superfici visibili per individuare eventuali crepe. Controllareanche che tutti i giunti siano sigillati e che tutte le guarnizioni siano nelle posizioni corrente. Qualsiasi guarnizione che mostri segni di usura o deformazione deve essere sostituita.
Pulire accuratamente le scanalature delle guarnizioni, applicare della colla per ceramicia (disponibile presso il proprio rivenditore Jotul locale) e premere la guarnizione in posizione. Il giunto si asciugherà rapidamente.
6.5 Manutenzione esterna
Il colore dei prodotti verniciati poto alterarsi durante svariati anni di utilizzo. La superfi ciè deve essere pulita e spazzolata in modo da rimuovere agli residuo prima di applicare la nuova vernice.
Nel caso di prodotti smaltati è sufficiente passare un panno asciutto. Non utilizzato acqua saponata. É possibile rimuovere eventuali macchie con un liquido per la pulizia (ad esempio per la pulizia delorno).
7.0 Assistenza
Avviso: è vietata agli modità ca non autorizzata al prodotto. Utilizzare solo ricambi originali.
7.1 Manutenzione/sostituzione di componenti nella camera di combustione
Note:utilizzare gli utensili con grande attenzione!Le piastre in vermiculite posso nono danneggiarsi se non trattate con cura.

Fig. 29
- Parafiamma: Sollevare il bordo anteriore del parafiamma (A) in alto e in basso ed estrarlo alla camera di combustione girandolo.
- Defiettore di aspirazione: Sollevare il bordo anteriore del defiettore di aspirazione (B) in alto e in basso ed estrarlo alla camera di combustione girandolo.
- Sollevare la grat a per cenere (D) nell'alloggiamento centrale anterio e poi sollevare il ceneraio ed estrarlo alla camera di combustione.
- Rimuovere le tre viti che fissano la piastra refrattaria. Sollevare uno dei lati della piastra refrattaria ed estrarla dalla camera di combustione girandola.
ITALIANO
7.2 Sostituzione del vetro e delle guarnizioni nella porta
Fig. 30

1. Rimuovere il parafiamma (A) sollevandolo dal bordo posteriore, poi estrarlo alla camera di combustione girandolo.
Fig. 31

1. Svitare i dadi (A) e sganciare la porta. Posarla con cautela sulla scatola di cartone.

Fig. 32
- Rimuovere la guarnizione (A) posta all'interno della porta, pulirne la scanalatura e incollarla su una nuova guarnizione.

Fig. 33
- Se una guarnizione del vetro o un vetro devono essere sostituiti, rimuovere prima la maniglia della porta.
- Svitare il supporto del vetro (B) fissato con 4 viti (A). Nota: il vetro nella porta non è fisiato. Fare attenzione a non buttare giù il vetro una volta allentato il supporto del vetro.

Fig. 34
- Rimuovere il vetro (A) con attenzione. Rimuovere le guarnizioni (B) e (C) e pulire le scanalature. Incollare sulle nuove guarnizioni.

Fig. 35
- Rimuovere la vecchia guarnizione (A) e pulire le scanalature. Incollare su una nuova guarnizione.
- Rimontare tutte le parti una volta sostituite tutte le guarnizioni danneggiate.
ITALIANO
8.0 Accessori opzionali
8.1 Condotto per l'aria esterna
Condotto per l'aria esterna, 80 mm - art. nr. 51047509
8.2 Kit coperchio in pietra ollare
Art.nr.51049066
8.3 Ceneraio per montanti
BP-art.nr.51049065
WHE - N. cat. 51049516
8.5 Maniglia del ceneraio
BP-art.nr.51049070
9.0 Ricicaggio
9.1 Riciclaggio dell'imballo
Ogni caminetto viene fornito all'interno del seguente imballo:
- Un pallet di legno che può essere tagliato e bruciato nel caminetto.
- Un imballo in cartone riciclabile da consegnare alle strutture di riciclaggio locali.
- Buste in plastica riciclabili da consegnare alle strutture di ricericlaggio locali.
9.2 Riciclaggio del caminotto
Il caminetto è composto dai seguenti materiali:
- Metallo riciclabile da conseignare alle strutture di riciclaggio locali.
- Vetro da smaltire come rifiuto pericoloso. Il vetro contento nel caminetto non deve essere collocato in un normale contentatore per rifi uti domestici.
- Piastre refrattarie in vermiculite da smaltire nei normali contentitori per rifi uti domestici.
10.0 Termoni della garanzia
1. La nostra garanzia copre:
Jotul AS garantisce che i componenti esterni in ghis sono esenti da difetti di materiali o lavorazione al momento dell'acquire. è possibile estendere la garanzia per i componenti esterni in ghisa fi no a 10 anni alla data di consegna registrando il prodotto sul site jotul.com e stampando la schedà di garanzia estesa entro tre mesi dall'acquire. Consigliamo di conservare la schedà della garanzia assieme allo scontrino. Jotul AS garantisce inoltre che i componenti delle piastre in acciaio sono esenti da difetti di materiali o lavorazione al momento dell'acquire per un periodo di 5 anni alla data di consegna.
La garanzia è valida a condizione che la stufa sia stata installata da un installmenter qualificato conformmente con le leggi e normative applicabili e con le istruzioni di installatione operative di Jotul. I prodotti riparati e gli articoli sostitutivi sono garantiti per il periodo originale della garanzia.
2. La garanzia non copre:
2.1. Danni ai consumabili come le piastre refrattarie, le grate del fuoco, i parati amma, le guarnizioni ed elementi simili,essoando soggetti a deterioramento nel tempo a causa della normale usura.
2.2. Danni causati da manutenzione impropria, surriscaldamento, uso di combustibile non idoneo (esempi di combustibili non idonei sono,enza limitazione, cumuli di legname trasportato alla corrente, legna impregnata, ritagli di assi, truciolato) o legna troppo umida/bagnata.
2.3. Installazione di accessori optionali per la modifica delle condizioni di tiraggio locali, la circolazione dell'aria o altre circostanze al di fuori del controllo di Jotul.
2.4. Casi di alterazione / modifica del focolare sono il precedo consenso di Jotul o l'utilizzo di parti non originali.
2.5. Danni causati durante l'immagazzinaggio presso un distributore, il trasporto dal distributore o durante l'installazione.
2.6. Prodotti venduti da rivenditori non autorizzati in aree in cui Jotul opera un sistema di distribuzione selettiva.
2.7. Costi associati (ad es.,enza limitazione,trasporto, manodopera,trasferimento) o danni indiretti.
Stufe a pellet, vetro, pietra, cemento, smalto e finitura a vernice (ad es.,enza limitazione, scheggiatura, formazione di crepe, bolle o scolorimento e sprepolatura) sono applicabili alle normative nazionali che disciplinano la vendita dei prodotti al consumo. La presente garanzia è valida per gli acquisti effettuali all'interno del territorio dello Spazio economico europeo. Qualsiasi fornanda relativa alla garanzia deve essere rivolta al rivenditore Jotul autorizzato di zona entro un periodo di tempo ragionevole, non successivo a 14 giorni alla data in cui il guasto o il difetto si sono manifestati per la prima volta. Vedere l'élenco dei rivenditori sul loro soto Web jotul. com.
Jotul si riserva il diritto di rifiutare qualsiasi sostituzione di componenti o attività di assistenza nel caso in cui la garanzia non sia stata registrata online. La presente garanzia non pregiudica alcun diritto previsto delle normative nazionali che disciplinano la vendita di prodotti al consumo. Il diritto di reclamo del città è valido alla data di acquisto e solo dietro presentazione di scontrinoNumero di seriie.
ManualeFacile