CLASSIC 110 CERAMIC - Hob FALCON - Free user manual and instructions
Find the device manual for free CLASSIC 110 CERAMIC FALCON in PDF.
User questions about CLASSIC 110 CERAMIC FALCON
0 question about this device. Answer the ones you know or ask your own.
Ask a new question about this device
Download the instructions for your Hob in PDF format for free! Find your manual CLASSIC 110 CERAMIC - FALCON and take your electronic device back in hand. On this page are published all the documents necessary for the use of your device. CLASSIC 110 CERAMIC by FALCON.
USER MANUAL CLASSIC 110 CERAMIC FALCON
Installation & Service Instructions
Mode d'emploi
&
Before you start... 3
Cooking on the Hob 6
The Glide-Out Grill 7
The Ovens 8
The Clock 9
Tips on Cooking with the Timer 10
General Oven Tips 10
Multi-Function Oven Functions 11
Oven Shelves 12
The Handyrack 11
Oven Light 11
Storage 11
Cleaning your Cooker 12
Troubleshooting 13
Installation 15
Servicing 19
Ovens Circuit Diagram 23
Hob Circuit Diagram 25
Technical Data 27
Before you start…
Thank you for buying the Classic Deluxe cooker. It should give you many years' trouble-free cooking if installed and operated correctly. It is, therefore, important that you read this section before you start, particularly if you have not used a ceramic cooker before.
This appliance is designed for domestic cooking only. Using it for any other purpose could invalidate any warranty or liability claim. In particular, the cooker should NOT be used for heating the kitchen - besides invalidating claims, this wastes fuel and may overheat the control knobs.
Installation and Maintenance
The electrical installation should be in accordance with BS 7671, or with the relevant national and local regulations. The cooker should be serviced by a qualified service engineer and only approved spare parts used. Have the installer show you the location of the cooker control switch. Mark it for easy reference. Always allow the cooker to cool and then switch off at the mains and before cleaning or carrying out any maintenance work.
Electricity on
Make sure that the cooker is wired in and switched on.
Peculiar smells
When you first use your cooker it may give off a slight odour. This should stop after a little use. Before using for the first time, make sure that all packing materials have been removed and then, to dispel manufacturing odours, turn the ovens to 200^ and run for an hour. Before using the grill for the first time you should also turn on the grill and run for 30 minutes with the grill pan in position, pushed fully back, and the grill door open.
Make sure the room is well ventilated to the outside air, by opening windows or turning on a cooker hood. We recommend that people with respiratory or allergy problems vacate the area for this brief period.
Personal Safety
Accessible parts will become hot during use and will retain heat even after you have stopped cooking. Keep babies and children away from the cooker.
Take special care when touching the marked cooking areas of the hob.
To minimize the possibility of burns, always be certain that the hob controls are in the OFF position and that the entire glass surface is cool before attempting to clean the hob.
Use dry oven gloves when applicable - using damp gloves might result in steam burns when you touch a hot surface. Never operate the cooker with wet hands. Do not use a towel or other bulky cloth in place of a glove. They might catch fire if they touch a hot surface.
Do not use unstable saucepans, and position the handles away from the edge of the hotplate. Always turn the surface unit controls OFF before removing the pans.
Don't place utensils (other than pans) on the hob surface when it is in use. They may become hot and could cause burns.
Always keep combustible wall coverings or curtains, etc., a safe distance away from your cooker, and never wear loose-fitting or hanging clothes while using the appliance. Do not store or use aerosols, or any other potentially combustible or flammable materials, in the vicinity of the cooker.
When the grill is on, do not use the top of the flue (the slot along the back of the cooker) for warming plates, dishes, drying tea towels or softening butter.
Care should be taken to avoid touching the heating elements inside the main oven.
Whole chickens and large joints of meat should be defrosted thoroughly in the refrigerator. Do not defrost in a warm oven or while the adjoining oven is in operation or still warm.
Cooking high moisture content foods can create a 'steam burst' when the oven door is opened. When opening the oven stand well back and allow any steam to disperse.

When the oven is on, DO NOT leave the oven door open for longer than necessary.
When the cooker is not in use, ensure that the control knobs are in the OFF position.
When using an electrical appliance near the hob, be sure that the cord of the appliance does not come into contact with the surface area.
Never heat unopened food containers. Pressure build-up may cause the container to burst and cause injury.
Do not use aluminium foil to cover shelves, linings or the oven roof.
Use adequately sized pans having flat bottoms large enough to cover the surface unit's heating area. The use of undersized pans will expose a portion of the surface unit to direct contact and may result in the ignition of clothing.
Never leave the hob unattended at high heat settings. Pans boiling over can cause smoking, and greasy spills may catch on fire.
Take special care when heating fats and oils, as they will ignite if they get too hot. Use a deep fat thermometer whenever possible to prevent overheating fat beyond the smoking point. Never leave a chip pan unattended.
Always heat fat slowly, and watch as it heats. Deep fry pans should be only one third full of fat. Filling the pan too full of fat can cause spill over when food is added. If you use a combination of oils or fats in frying, stir them together before heating, or as the fats melt.
Foods for frying should be as dry as possible. Frost on frozen foods or moisture on fresh foods can cause hot fat to bubble up and over the sides of the pan. Carefully watch for spills or overheating of foods when frying at high or medium high temperatures. Never try to move a pan of hot fat, especially a deep fat fryer. Wait until the fat is cool.
Do not use water on grease fires. Never pick up a flaming pan. Turn the controls off. Smother a flaming pan on a surface unit by covering the pan completely with a well fitting lid or baking tray. If available, use a multipurpose dry chemical or foam-type fire extinguisher.
This appliance is heavy, so take care when moving it.
Hob Care
Never cook directly on the surface:

Do not use the surface as a cutting board.
Don't leave utensils, foodstuffs or combustible items on the hob when it is not in use. (e.g. tea towels, frying pans containing oil).
Don't place plastic or aluminium foil, or plastic containers on the hob.
Don't leave the hob zones switched on unless being used for cooking.
Never allow anyone to climb or stand on the hob.

Do not stand or rest heavy objects on the ceramic hob. Although the ceramic surface is very strong, a sharp blow or sharp falling object (e.g. a salt cellar) might cause the surface to crack or break.
As soon as any crack in the surface becomes visible, disconnect the appliance immediately from the supply and arrange for its repair.
Always LIFT pans off the hob. Sliding pans may cause marks and scratches. Always turn the control to the OFF position before removing a pan.

Don't place anything between the base of the pan and the hob surface (e.g. asbestos mats, aluminium foil, Wok stand).
Care should be taken that no water seeps into the appliance.
Avoid heating an empty pan. Doing so may damage both the hob and pan.
Only certain types of glass, glass-ceramic, earthenware or other glazed containers are suitable for hob cooking; others may break because of the sudden change in temperature.
The ceramic surface should be washed after use in order to prevent it from becoming scratched or dirty. However, you should clean the hob with caution as some cleaners can produce noxious fumes if applied to a hot surface.
Do not use abrasive cleaners/pads, oven aerosols/pads, or stain removers, on the surface.
We recommend that you avoid wiping any surface unit areas until they have cooled and the indicator light has gone off. Sugar spills are the exception to this (see 'Cleaning your Cooker'). After cleaning, use a dry cloth or paper towel to remove any cleaning cream residue.
Cooker Care
As steam can condense to water droplets on the cool outer trim of the oven, it may be necessary during cooking to wipe away any moisture with a soft cloth. This will also help to prevent soiling and discolouration of the oven exterior by cooking vapours.
Cooking on the Hob

Use only pans that are suitable for ceramic hobs. We recommend stainless steel and enamelled steel pans because pots and pans with copper or aluminium bases leave traces on the hob that are difficult to remove.
Glass-ceramic cookware is not suitable because of its poor conductivity.
The kind of pan you use and the quantity of food affects the setting required. Higher settings are required for larger quantities of food.

Pots and pans should have thick, smooth, flat bottoms. This ensures that there is the maximum heat transfer from the hob to the pan, making cooking quick and energy efficient.
Never use a round bottomed Wok even with a stand:

The very best pans have bases that are very slightly curved in when cold. If you hold a ruler across the bottom you will see a small gap in the middle. When they heat up the metal expands and lies flat on the cooking surface.
Make sure that the base of the pan is clean and dry to prevent any residue burning onto the hob panel. This also helps prevent scratches and deposits (such as lime specks).


Always use pans that are the same size as (or slightly larger than) the areas marked on the hob top. Using smaller pans wastes heat, and any spillage will be burnt on. Using a lid will help the contents boil more quickly.

There are indicator lights for each of the cooking areas. The lights come on when a hob control is turned on and stay lit while the surface cools. Always take care before touching the surface even when it is turned off - it may be hotter than you think.

The ratings of the cooking areas are shown above.

The areas marked with two concentric circles have an inner and an outer element. Turn the control knob clockwise to heat the whole area for larger pans - turn it the other way to just heat the inner part for smaller pans.
When cooking on the hob you may see the hob area you are using switch off and on. This is caused by a safety device that limits the temperature of the hob. It is quite normal, especially when cooking at high temperatures. If it happens a lot with a particular pan however it may mean the pan is not suitable – perhaps too small or too uneven – for a ceramic hob.

There is a dual purpose area on the right of the hob. The inner ring marks out a 1.2kW hob area, whilst the outer line marks the extent of a Warmer, which you can use for keeping food warm while the final touches are put to a meal.
Turn the control to the first (Warmer) position to heat the whole area to a low temperature. Turn it further to use the inner ring as a normal hob plate.
The Glide-Out Grill
Open the door and pull the grill pan carriage forward using the handle:

The grill has two elements that allow either the whole area of the pan to be heated or just the right hand half.
Adjust the heat to suit by turning the knob. To heat the whole grill, turn the knob clockwise.: To heat the right hand half, turn it anticlockwise.

The neon indicator light by the grill control will come on.
For best results, you should slide the carriage back into the grill chamber and pre-heat the appropriate part(s) of the grill for 2 minutes. The grill trivet can be removed and the food placed on it while you are waiting for the grill to pre-heat.
Once the grill has pre-heated, slide the carriage out again. With the trivet back in place with the food on it, slide the carriage back into the grill chamber. Ensure that it is pushed right in.
The grill pan grid can be turned over to give two grilling positions:


Don't leave the grill on for more than a few moments, without the grill pan underneath it.
Never close the grill door when the grill is on.
The Ovens
The clock must be set to the time of day before the left hand, multi-function oven will work. See 'The Clock' section for instructions on setting the time of day.
References to 'left hand' and 'right hand' ovens apply as viewed from the front of the appliance.
The Left Hand Oven
The left hand oven is a Multi-function oven. As well as the oven fan and fan element, it is fitted with two extra heating elements, one visible in the top of the oven and the second under the oven base. Take care to avoid touching the top element and element deflector when placing or removing items from the oven.

The Multi-function oven has two controls, a function selector and a temperature setting knob.

Turn the function selector control to a cooking function. Refer to 'Multi-Function Oven Functions'.

Turn the oven temperature knob to the temperature you need.

The oven indicator light will glow until the oven has reached the temperature you selected. It will then cycle on and off during cooking.
The Right Hand Oven
The fan in the right hand oven circulates hot air continuously, which means faster more even cooking.
The recommended cooking temperatures for a fanned oven are generally lower than for a non-fanned oven.

The right hand fan oven control is on the right hand side of the control panel.

Turn the oven temperature knob to the temperature you need.

The oven indicator light will glow until the oven has reached the temperature you selected. It will then cycle on and off during cooking.
The Clock
To set the time of day

Press and hold as above. At the same time, press (-) or (+) until the correct time shows. Don't forget it's a 24 hour clock. If you make a mistake or press the wrong button, turn off the power supply for a minute or two and start again.
Minute Minder


The () button also allows you to check the time remaining and cancel the beeper.
To stop the left hand oven at a specific time of day
You can do this if you have started the oven manually.

At the same time, press (-) or (+) until your required 'Stop Time' shows. AUTO will show in the display. When your cooking is finished the beeper sounds. TURN THE OVEN KNOB TO 0 FIRST, then press (M) once to stop the beep, and press (M) again to return to manual cooking.
To start and then stop the left hand oven using the Timer
Before you set the clock, decide on both the 'cook time', which is the period of time you want the oven to cook, and the 'stop time', which is the time of day at which you want the oven to stop cooking.
You cannot set a start time directly - this is set automatically by a combination of the 'cook time' and 'stop time'.
Press and hold the Cook Time ( ) button. At the same time, press (-) or (+) until your required 'cook period' shows.

Press and hold the Stop Time ( ) button. At the same time, press (-) or (+) until your required 'stop time' shows.
AUTO will show in the display.

Set the oven to the required temperature. When your cooking is finished the beeper sounds. TURN THE OVEN KNOB TO 0 (off) FIRST, then press () once to stop the beep, and press () again to return to manual cooking.
If you are out, don't worry about the beeper going off, it stops after a while. When you return, TURN THE OVEN KNOB TO 0 (off) FIRST, then press () twice, to return to manual cooking.
AUTO is showing, but you want to revert to manual cooking
When cancelling an automatic setting, any cooking time already set must be returned to 0.00 before you can return to manual, by pressing the (M) button.
Clock Special Features
Key Lock
When the key lock is activated, the right hand oven can be operated as usual but the left hand oven is locked and will not come on.
To activate the key lock
Make sure that the clock is in manual mode and cancel any active programs.
Hold the Minute Minder ( ) and Cook Time () buttons for about 8 seconds. 'On' appears in the display.



To turn off the key lock


The left hand oven and clock oven control functions can now be used normally.
Tips on Cooking with the Timer
If you want to cook more than one dish, choose dishes that require approximately the same time. However, dishes can be 'slowed down' slightly by using small containers and covering them with aluminium foil, or 'speeded up' slightly by cooking smaller quantities or placing them in larger containers.
Very perishable foods such as pork or fish should be avoided if a long delay period is planned, especially in hot weather.
Don't place warm food in the oven to be timed.
Don't use a timed oven that is already warm.
Don't use the timed oven if the adjoining oven is already warm.
Whole poultry must be thoroughly defrosted before being placed in the oven. Check that meat and poultry are fully cooked before serving.
General Oven Tips
The wire shelves should always be pushed firmly to the back of the oven.
Baking trays, roasting tins, etc., should be placed level on the middle of the oven's wire shelves. Keep all trays and containers away from the sides of the oven - otherwise, overbrowning of the food may occur.
For even browning, the maximum recommended size for a baking tray is 340mm by 340mm .
Always leave a 'fingers width' between dishes on the same shelf. This allows the heat to circulate freely around them.
The Cook & Clean oven liners (see 'Cleaning your Cooker') work better when fat splashes are avoided. Cover meat when cooking.
To reduce fat splashing when you add vegetables to hot fat around a roast, dry them thoroughly or brush lightly with cooking oil.
If you want to brown the base of a pastry dish, pre-heat a baking tray for 15 minutes before placing the dish in the centre of the tray.
Where dishes may boil and spill over during cooking, place them on a baking tray.
Multi-Function Oven Functions
The Multi-function oven has many varied uses. We suggest you keep a careful eye on your cooking until you are familiar with each function. Remember - not all functions will be suitable for all food types.

Rapid Response
The Rapid Response setting enables you to preheat the oven more quickly than normal. It uses the fan oven element with additional heat from one of the elements in the top of the oven. To use the feature, simply turn the function control knob to R and set the temperature you require. The light on the control panel adjacent to the R symbol will come on. When the required temperature is reached, the light will go out, as will the element at the top of the oven. The fan element and oven fan will then continue to maintain your chosen oven temperature.

Defrost
This function causes the fan to circulate only cold air, enabling small items such as pieces of meat, fish and poultry to be defrosted quickly in the oven, so that it is protected from flies. The items should be placed on a rack, over a tray, to catch any drips. Be sure to wash the rack and tray after defrosting.
Defrost with the oven door closed.
Ensure that dairy foods, meat and poultry are completely defrosted before cooking.

Fan oven
This function operates the fan and the heating element around it. An even heat is produced throughout the oven, allowing you to cook large amounts quickly.
Fan oven cooking is particularly suitable for baking on three shelves at one time and is a good 'all-round' function. It may be necessary to reduce the temperature by approximately 10^ for recipes previously cooked in a conventional oven.
If you wish to pre-heat the oven, wait until the indicator light has gone out before inserting the food.

Fanned grilling in the oven
This function operates the fan whilst the top element is on. It produces a more even, less fierce heat than a conventional grill. For best results, place the food to be grilled, on a grid over a roasting tin, which should be smaller than a conventional grill pan. This allows greater air circulation. Thick pieces of meat or fish are ideal for grilling in this way, as the circulated air reduces the fierceness of the heat from the grill. The oven door should be kept closed whilst grilling is in progress, to save energy. You will also find that the food needs to be watched and turned less than for normal grilling.
Pre-heat this function before cooking.

Fan assisted oven
This function operates the fan, circulating air heated elements at the top and the base of the oven. The notion of fan and conventional cooking (top and base) makes this function ideal for cooking large items that through cooking, such as a large meat roast. It is also to bake on two shelves at one time, although they fail to be swapped over during the cooking time, as the top of the oven is greater than at the base.
This is a fast, intensive form of cooking, and you need to keep an eye on the food until you have become accustomed to the function.

Conventional oven (top and base heat)
This function combines the heat from the top and base elements. It is particularly suitable for roasting, and baking pastries, cakes and biscuits. Food cooked on the top shelf will brown and crisp faster than on the lower shelf, because the heat is greater at the top of the oven than at the base, as in the 'Fan assisted oven' function. Similar items being cooked will need to be swapped around for even cooking.

Browning element
This function uses the element in the top of the
oven only. It is a useful function for the browning or finishing of pasta dishes, vegetables in sauce, and lasagne.
The item to be browned should already be hot before you use this function.

Base heat
This function uses the base element only. It will
crisp up your pizza or quiche base or finish off cooking the base of a pastry case on a lower shelf. It is also a gentle heat that is ideal for the slow cooking of casseroles in the middle of the oven, or for plate warming.
Oven Shelves

The shelf guard should be at the back pointing upwards
As well as the flat shelf, some models are supplied with a drop shelf. The drop shelf increases the possibilities for oven shelf spacing.

The oven shelves can be easily removed and refitted.
Pull the shelf forward until the back of the shelf is stopped by the shelf stop bumps in the oven sides.
Lift up the front of the shelf so the back of the shelf will pass under the shelf stop and then pull the shelf forward.



To refit the shelf, line up the shelf with a groove in the oven side and push the shelf back until the ends hit the shelf stop. Lift up the front so the shelf ends clear the shelf stops, and then lower the front so that the shelf is level and push it fully back.
The Handyrack
The maximum weight that can be held by the Handyrack is 5.5kg (12lb). It should only be used with the supplied roasting tin, which is designed to fit the Handyrack. Any other vessel could be unstable.

The Handyrack fits to the left hand oven door only. Food cooking on it is easy to attend to, because it's accessible when the door is open. It can be fitted at two different heights. One of the oven shelves must be removed and the other positioned to suit.
When the Handyrack is used in its higher position, other dishes can be cooked on the bottom shelf position of the oven or by placing a shelf directly on the base of the oven.
When the Handyrack is used in its lower position, other dishes can be cooked directly on the base of the oven.
To fit the Handyrack, locate one side of it on the door bracket.


Then spring the other side out to clip it onto the other bracket.
Oven Light
Press the button to turn on the oven light.

If the light fails, turn off the power supply before you change the bulb. See the 'Troubleshooting' section for details on how to change the bulb.
Storage

The bottom drawer is for storing oven trays and other cooking utensils. It can get very warm, so don't store anything in it that may melt or catch fire. The drawer can be removed completely by pulling it right out and up:

Cleaning your Cooker
Isolate the electricity supply before carrying out any thorough cleaning. Then allow the cooker to cool.
Never use paint solvents, washing soda, caustic cleaners, biological powders, bleach, chlorine based bleach cleaners, coarse abrasives or salt. Don't mix different cleaning products - they may react together with hazardous results.
All parts of the cooker can be cleaned with hot soapy water - but take care that no surplus water seeps into the appliance.
Remember to switch on the electricity supply and reset the clock before re-using the cooker.
We have developed a range of cleaning products that give maximum performance without damaging the enamel and painted surfaces. More information is available through either the Cookware Collection brochure supplied with your cooker or our website www.rangemaster.co.uk.
Hob
Daily care
First of all, be sure that all heat indicator lights are off and the cooking surface is cool. Apply a small dab of ceramic cooking cleaning cream in the centre of each area to be cleaned. dampen a clean paper towel and work the cleaning cream onto the cooking surface. As a final step, wipe the cooking surface with a clean, dry paper towel.
Cleaning for spills
For spills and boil-overs that occur while cooking, turn the unit off and wipe the area surrounding the hot zone with a clean paper towel. If a spill (other than a sugary substance) is on the hot zone, do not clean until the unit has completely cooled down and follow the instructions below ("Cleaning for burned-on spills").
If you accidentally melt anything on the surface, or if you spill foods with a high sugar content (preserves, tomato sauce, etc.), REMOVE the spill IMMEDIATELY with a razor scraper, while the unit is still hot.
IMPORTANT: Use an oven glove to protect your hand from potential burns.
Scrape the major spill or melted material from the cooking zone and push into a cold area. Then, turn the unit "OFF" and allow to cool before cleaning further. After the cooking surface cools down and the heat indicator lights go off, use the 'Daily care' procedure as outlined above.
Cleaning for burned-on spills
Be sure that the heat indicator lights are off and that the hob is cool. Remove excess burned-on substance with a single-edged razor scraper. Hold the scraper at approximately a 30^ angle to the surface and scrape off the burned-on matter:

Once you have removed as much as possible with the scraper, clean using the 'Daily care' procedure as described above.
To remove metal rub-off
Sliding pans on the hob - especially aluminium or copper pans - can leave marks on the surface. These marks often appear like scratches, but can easily be removed using the procedure described above for cleaning spills. If the rub-off marks are especially stubborn, use a cleaning cream together with the razor scraper, as described above.
Glide-Out Grill
The grill pan and grid should be washed in hot soapy water. After grilling meats or any foods that soil, leave to soak for a few minutes in the sink immediately after use. Stubborn particles may be removed from the grid using a nylon brush. Alternatively, the grill pan can be washed in a dish washer.
Before you remove any of the grill parts for cleaning, ensure that they are cool, or use oven gloves.
The grill pan can be easily removed for cleaning, as follows:
Remove the grill pan support frame by pulling the grill pan forward:

Lift the grill pan clear of the support frame. The support frame is held to the side rails by two clips on each side:

For each side, support the side rail with one hand and with the other hand lift the frame up and out of the side clips:

For safety, push the side rails back into the grill chamber. If you need to remove the side rails to make cleaning the grill chamber easier, you can unhook them from the grill chamber sides and wipe the sides clean with a soft cloth and mild detergent.
Do not use any abrasive substance.
DO NOT put the side runners in a dishwasher.
Once you have finished, hook the side rails back onto the sides of the chamber. To refit the frame, pull the side rails forward and, for each side in turn, support the side rail and press the frame down into the side rails. Replace the grill pan.

When refitting the grill pan, ensure that the wide rim is at the front:

Control Panel and Doors
The control panel and knobs, and oven doors, should only be cleaned with a soft cloth wrung out in clean hot soapy water. They can then be polished with a dry cloth.
Cookers with window doors
Each oven door front panel can be taken off so that the glass panels can be cleaned. If the top edge of the oven door of your cooker has a line of holes and there are screws in the side edges, then it can be taken apart for cleaning.
Move the cooker forward to gain access to the sides (see the 'Moving your Cooker' section of these instructions).
Open the oven door slightly and remove the front panel fixing screws from the door sides (two each side):

Carefully lift off the outer door panel. The inside face of the glass panels can now be cleaned - take care not to disturb or wet the door insulation.
Please note that the door is triple glazed but that the inner two panels are fixed and should not be separated. After cleaning, carefully refit the outer door panel and replace the side fixing screws.
Oven Panels
Both the ovens have panels which have been coated with a special enamel that partly cleans itself. This does not stop all marks but helps to reduce the amount of manual cleaning needed.
The Cook & Clean panels work better above 200^ . If you do most of your cooking below this temperature, occasionally remove the panels (after removing the shelves), and wipe with a lint free cloth and hot soapy water. The panels should then be dried and replaced and the oven heated at 200^ for about one hour. This will ensure that the Cook & Clean panels are working effectively.
Don't use steel wool or any other materials that will scratch the surface.
Troubleshooting
A crack has appeared in the hob surface
Disconnect the cooker immediately from the power supply and arrange for its repair. Don't use the cooker until after the repair.
My hob is scratched
Always use the cleaning methods recommended in this guide, and ensure that the pan bottoms are smooth and clean.
Marks from aluminium and copper pans as well as mineral deposits from water or food can be removed with a cleaning cream. However, tiny scratches are not removable but will become less visible in time as a result of cleaning.
The oven fan is noisy
The note of the oven fan may change as the oven heats up - this is perfectly normal.
Grill not cooking properly
Are you using the pan and trivet supplied with the cooker? Is the pan being used on the runners, not the floor of the compartment? Is the grill tray pushed fully back to the 'back stop' position?
The knobs get hot when I use the oven or grill. Can I avoid this?
Yes, this is caused by heat rising from the oven or grill, and heating them up. Don't leave the oven door open. Make sure that the grill pan is pushed right back to the 'back stop' position when grilling.
If there is an installation problem and I don't get my original installer to come back to fix it, who pays?
You do. Service organisations will charge for their call-outs if they are correcting work carried out by your original installer. It's therefore in your interest to keep track of your original installer.
The oven is not cooking evenly
Do not use a tin or baking tray larger than 340mm× 340mm
If you are cooking a large item, be prepared to turn it round during cooking.
If two shelves are used, check that space has been left for the heat to circulate. When a baking tray is inserted into the oven, ensure that it is placed centrally on the shelf.
Check that the door seal is not damaged and that the door catch is adjusted so that the door is held firmly against the seal.
A dish of water when placed on the shelf should be the same depth all over. (For example, if it is deeper at the back, then the back of the cooker should be raised up or the front lowered.) If the cooker is not level, arrange for your supplier to level it for you.
The left hand oven is not coming on when turned on manually
Is the power on? Is the clock illuminated? If not, there may be something wrong with the power supply. Is the cooker supply on at the isolator switch?
Has the time of day been set?
Is the key symbol (!) showing in the display to signify that the oven is locked? See the 'Clock' section of the instructions for more information on the key lock feature.
The left hand oven not coming on when automatic cooking
Assuming that the timer has been set correctly, has the oven knob been left OFF by mistake?
Is the key symbol (l) showing in the display to signify that the oven is locked (see above)?
Oven temperature getting hotter as the cooker gets older
If turning the temperature down using the oven control knob has not worked, or has only worked for a short time, then you may need a new thermostat. This should be fitted by a service person.
The oven light is not working
The bulb has probably blown. You can buy a replacement bulb (which is not covered under the guarantee) from most electrical stores. Ask for an Edison screw fitting 15w 240v lamp, FOR OVENS. It must be a special bulb, heat resistant to 300^ . See the HELP leaflet for spares by mail order.

Before removing the existing bulb, turn off the power supply and ensure that the oven is cool. Open the oven door and remove the oven shelves.
Remove the oven inner back (see 'Servicing').
Once the light cover is accessible, unscrew it by turning it anticlockwise (it may be very stiff):

Now unscrew the existing bulb anticlockwise, taking care to protect your fingers with a glove in case the bulb should shatter.

Screw in the new bulb clockwise and then screw the bulb cover back on.
Turn on the electricity supply and check that the bulb is now illuminated.
Installation
Dear Installer
Before you start your installation, please complete the details below, so that, if your customer has a problem relating to your installation they will be able to contact you easily.
Installer's Name
Installer's Company
Installer's Telephone number
You must be aware of the following safety requirements & regulations
The cooker must be installed by a qualified electrician, in accordance with all relevant British Standards / Codes of Practice, in particular BS 7671, or with the relevant national and local regulations, and only in a well ventilated space. Read the instructions before installing or using the appliance.
Provision of Ventilation
This appliance is not connected to a combustion products evacuation device. Particular attention must be given to the relevant requirements regarding ventilation.
All rooms require a window that can be opened, or equivalent, while some rooms require a permanent vent in addition to the window.
Location of Cooker
The cooker may be installed in a kitchen/kitchen diner but NOT in a room containing a bath or shower.
This appliance is designed for domestic cooking only. Use for any other purpose could invalidate any warranty or liability claim.
You will need the following equipment to complete the cooker installation satisfactorily
Multimeter (for electrical checks)
Cooker levelling tool (provided in pack)
You will also need the following tools:
- Electric drill
- Masonry drill bit (only required if fitting the cooker on a stone or concrete floor)
- Rawlplugs (only required if fitting the cooker on a stone or concrete floor)
- Steel tape measure
- Cross head screwdriver
- Flat head screwdriver
- Spirit level
- Pencil
- Adjustable spanner
- Screws for fitting the stability bracket
Checking the parts
| Grill pan and trivet | 3 flat oven shelves and 1 drop shelf |
| Handyrack | Roasting tin |
| Inner and outer plinths | Levelling tool and Allen keys |
Positioning the Cooker
The diagrams below show the minimum recommended distance from the cooker to nearby surfaces.
The cooker should not be placed on a base.

The hotplate surround should be level with, or above, any adjacent work surface. Above hotplate level, a gap of 75mm should be left between each side of the cooker and any adjacent vertical surface. For non-combustible surfaces (such as unpainted metal or ceramic tiles) this can be reduced to 25mm .
A minimum space of 650mm is required between the top of the hotplate and a horizontal combustible surface.

*Any cooker hood should be installed in accordance with the hood manufacturer's instructions.
Surfaces of furniture and walls at the sides and rear of the appliance should be heat, splash and steam resistant. Certain types of vinyl or laminate kitchen furniture are particularly prone to heat damage and discolouration.
We recommend a gap of 1110mm between units, to allow for moving the cooker. Do not box the cooker in; it must be possible to move the cooker in and out for cleaning and servicing. If a flush fit is required, fit the cooker up to the unit at one side and then fit the unit the other side.
A clearance of 130mm is required if the cooker is near a corner of the kitchen, to allow the oven doors to open. The actual opening of the doors is slightly less but this allows for some protection of your hand as you open the door.

Unpacking your Cooker
Do not take any packaging off the cooker until it is directly in front of the place in which it is to be installed (unless it will not fit through the door in its outer packaging).
Cut the banding straps and lift the cardboard box off the cooker, leaving the cooker standing on the base packaging. See the loose unpacking sheet.
Moving your Cooker
If you are moving the cooker after it has been installed, switch off the electricity supply and move the oven a bit at a time, taking care to ensure that the electricity cable has sufficient slack to move the cooker forward as you go along. If a stability chain is fitted, release it as you ease the cooker out. Don't forget to refit it once you replace the cooker.
The cooker is heavy and at least two people may be required to move it.
If this is a new installation, ensure that the floor covering is firmly fixed, or removed, to prevent it being disturbed when moving the cooker around. To help you, there are two levelling rollers at the back, two levelling feet at the front, and another roller at the front that can be accessed following the removal of the storage drawer.
Lift the front of the cooker slightly and pull it forward in order to remove the polystyrene base pack. From the front, tilt the cooker forward and remove the front half of the polystyrene base. Repeat from the back and remove the rear half of the polystyrene base.

Pull the warmer drawer out to its furthest point, and then lift it up and out.

Fit the levelling tool on the rectangular adjuster as shown below.

LOWER THE FRONT ROLLER by doing 14 complete (360^) turns clockwise. (This means turning and removing the levelling tool 56 times).
First fit the levelling tool on the hexagonal adjusting nut as shown below.

Make 10 complete (360^) turns clockwise. (This means turning and removing the levelling tool 20 times).

Make sure you lower BOTH REAR ROLLERS. There are two adjusting nuts, one for each roller, at both the front bottom corners of the cooker.
Unfold the rear edge of the pack base tray, and then, having opened the grill door and right hand oven door so that you can get a good grip under the fascia panel, lift the front of the cooker:

Position the cooker close to its final position, leaving just enough space to get behind it. Do not move the oven by pulling the door handles or knobs.
Levelling
It is recommended that you use a spirit level on a shelf in one of the ovens to check for level. Place the cooker in its intended position, taking care not to twist it within the gap between the kitchen units, as damage may occur to the cooker or the units.
The rollers can be adjusted to level the cooker. Set the rear of the cooker to the desired height, by using the levelling tool to turn the adjusting nuts at the front bottom corners of the cooker. Then adjust the height of the front feet/roller to level the cooker. Once you are satisfied with the height and level, raise the front of the cooker by one turn of the front roller adjuster. Then screw down the front feet to meet the floor. Screw the front roller adjuster anticlockwise to raise the front roller so that the front of the cooker is supported on the feet, not the front roller, to prevent accidental movement of the cooker.
Leave the levelling tool on the adjuster with the handle of the tool facing the rear of the cooker, so that the customer can use it if they wish to move the cooker.
Replace the drawer by locating on side runners and push in.
Fitting a stability bracket
It is advisable (although not mandatory) to fit a stability bracket or chain to the cooker. When fitting the bracket, read these instructions together with the leaflet supplied with the bracket.

- Place the cooker in its intended position and level the cooker.
- Draw a pencil line 70mm from the front edge of the levelling feet.
- Mark the centre line for the bracket by measuring 550mm from the left hand side of the cooker.
INSTALLATION
Check that the appliance is electrically safe when you have finished.
- Move the cooker forward.
- Measure back from the pencil line 500mm to locate the front edge of the bracket. Position the bracket so that it is away from centreline of the cooker to reduce the possibility that it will trap the electrical connection cable or gas hose. Fix the bracket to the floor.
- Measure the height from floor level to engagement edge in back of cooker. Add 3mm to this dimension and assemble the stability bracket to this height (i.e. from floor level to underside of the top member), and ensure that the bracket does not foul the oven burner assembly.


Electrical Connection
The cooker must be connected to the correct electrical supply as stated on the voltage label on the cooker. This should be done through a suitable cooker control unit incorporating a double pole switch having a contact separation of at least 3mm in all poles.
This cooker must not be connected to an ordinary domestic power point.

WARNING: THIS APPLIANCE MUST BE EARTHED.
Single phase

Three phase
Access to the mains terminal is gained by removing the electrical terminal cover box on the back panel. Connect the mains cable to the correct terminals for your electrical supply type (see fig.). Check that the links are correctly fitted and that the terminal screws are tight. Secure the mains cable using the cable clamp.
Hob
Check each ringed area in turn.
Oven check
The clock must be set to the time of day before the left hand oven will work (refer to 'The Clock'). Turn on the ovens. Check that the oven fans start to turn and that the ovens start to heat up. Turn off the ovens.
Fitting the Plinths
Fit the inner plinth to the bottom front of the cooker using the 5 screws provided.

Fit the outer plinth (2 screws 1 each end) to the inner plinth. The height of the outer plinth can be adjusted by sliding it up or down via the slotted hole.

Please complete your contact details in the front of this section. Please inform the user how to operate the cooker and hand over the instruction pack.
Thank you.
WARNING -ServICING TO BE CARRIED OUT ONLY BY AN AUTHORISED PERSON Disconnect from electricity before servicing. Check appliance is safe when you have finished.
Servicing
Disconnect the cooker from the electricity supply before commencing servicing, particularly before removing any of the following: control panel, side panels, ceramic hob, or any of the electrical components or cover boxes.
Prior to reconnection, check that the appliance is electrically safe.
1 To Remove the control panel
Disconnect from electricity supply.
Pull off all the control knobs.
Open the grill and right hand oven doors and remove the three fixing screws underneath the control panel.
The control panel should drop down slightly. It is held at the top by two holes in the top edge, one at each end, that locate on tags on the inner panel.
Clear the control panel holes from the inner panel and pull the control panel forward.

1

2

3
Disconnect the wiring from the rear.
Reassemble in reverse order. When replacing leads, refer to the wiring diagram in this manual. Check the operation of the timer.
2. To Remove a Side Panel
Disconnect from electricity supply.
Remove the control panel (see section 1). Pull the cooker forward. Remove the four retaining screws for each panel (one at the front base, one on the top, and two at the rear).
Reassemble in reverse order.
3. To Lift up the Ceramic Hob
Disconnect from electricity supply.
Pull the cooker forward. Unscrew the two screws which are located at the rear of either side of the cooker underneath the grill trim. Push the hob backwards to release the front catchment bracket. Lift the hob.
Hold the hob in place using the rod attached to the underside of the hob, by locating the loose end into the central hole in the top of the inner control panel.
Caution
The ceramic hob material is much more sensitive to scratches on the underside than the top.
Take care not to touch or scratch the underside of the ceramic as this will weaken the material and cause the top to shatter.
4. To replace a Hob Element
Disconnect from electricity supply.
Lift up ceramic hob see 3. The elements are now accessible. Note the wire connection positions and element orientation for re-assembly. Disconnect wires, unscrew centre screw and carefully remove element with spring. Unscrew the two screws to remove the spring. Re-assemble in reverse order, using the same screws. Note: Orientation of element is important. Use the numbers on the back of the element to ensure correct relocation of spring.
5. To Replace the Light Switch
Disconnect from electricity supply.
Remove the control panel (see section 1).
NB. The old switch may be destroyed during removal. Remove the old switch from its bezel by gripping the switch body behind the control panel and twisting sharply. The switch bezel can then be removed by folding back its locking wings and pushing forward. Fit the new bezel to the control panel by first lining up the raised key on its body with the cutout in the control panel and pushing it in from the front.
Assemble the new switch to the bezel by lining up the key sections and pushing home. Fit the new button by pushing in from the front.
Replace the Control Panel in reverse order and test for correct operation.
6. To Remove the Electronic Timer
Disconnect from electricity supply.
Remove the control panel (see section 1). Pull off the timer control button(s).
Remove the timer/mounting bracket assembly from the control panel by removing the fixing screws.
Remove the timer from its mounting bracket by depressing the plastic lugs on the timer case, at the same time pulling the unit forward.
Reassemble in reverse order. When replacing the leads, refer to the wiring diagram in this manual. Check the operation of the timer.
7. To Replace a Thermostat
Disconnect from the electricity supply.
Remove control panel (see section 1) and lift hob (see section 3). Open the oven door. Remove the oven furniture and slide out the oven roof liner if fitted.
For the RH oven, remove the thermostat phial cover (two screws). Unclip the thermostat phial from the clips in the oven back.
For the LH oven, pull cooker forward to gain access to the cover box at the rear of the cooker. Remove the four screws securing the cover and lift clear.
Feed the thermostat capillary out of the oven. Disconnect the wiring from the thermostat. Remove two screws holding thermostat to mounting panel. Fit new thermostat and reassemble in reverse order. Ensure that the phial is clipped to the oven back with the phial centrally positioned between the clips.
WARNING -ServICING TO BE CARRIED OUT ONLY BY AN AUTHORISED PERSON Disconnect from electricity before servicing. Check appliance is safe when you have finished.
Check the operation of the thermostat.
8. To Replace the Grill Controller
Disconnect from electricity supply.
Remove the control panel and lift up the hob (see sections 1 and 3). Disconnect the wiring from the controller. Remove the two screws holding the controller to the mounting panel. Fit the new controller and reassemble in reverse order. Check for correct operation.
9. To Replace an Oven Door
Open the oven door. Support the door and remove the two screws securing the upper hinge and gasket to the cooker front. Remove the door from the lower hinge by lifting slightly and moving outwards


The door is heavy, so take care.
Reassemble in reverse order.
10. To Adjust an Oven Door Angle
The bottom hinge of either oven door can be adjusted to alter the angle of the door. Loosen the bottom hinge fixing



Centre line of hinge pin
Oven door omitted for clarity
11. To Replace an Oven Door Outer Panel
Move the cooker forward to gain access to the sides.

Open the oven door slightly and remove the front panel fixing screws from the door sides (two each side).
Carefully lift off the outer door panel.
Remove the door handle from the panel by unscrewing the two retaining nuts. Fit the door handle to the new panel.
Fit the panel to the door. Reassemble in reverse order.
12. To Change the Oven Door Latch
Remove the outer door panel - see section 13. Remove screws 'B'that hold the latch assembly to the inner door panel. Fit the new catch and reassemble in reverse order.
Verify the door operation.

13. To Adjust an Oven Door Catch Keep
Open the oven door, and slacken off the locknut at the base of the keep:
Screw in or out as required until the required fit is obtained. Retighten the locking nut.
14. To Replace an Oven Door Seal
Open the oven door. The seal has small hooks which hold it in place by locating into holes in the rear door face on the main oven and oven front face on tall oven. At the corner, pull the seal diagonally away from the door centre until the hook is released. Proceed to the next hook and release it in a similar way, and so on.
You can use force if the hooks are stiff, as the old seal will be discarded.
Carefully lift away the inner back. Reassemble in reverse order making sure that the four screws and washers are fully tightened.
15. To Remove Grill Door
Remove the control panel (see section 1). Remove the left hand side panel (see section 2). Remove the centre cover strip (5 screws, 2 top, 2 bottom, 1 in middle). Remove the two countersunk screws (1 each side) securing the grill hinge arms to the front of the grill chamber.
NOTE: The arms are spring tensioned. Carefully remove the grill door. Retain the gaskets.
Reassemble in reverse order ensuring that the gasket is fitted between the hinge arm and the front of the grill chamber.
16. To Remove an Oven Element Thermal Cut-Out
Disconnect from electricity supply.
WARNING -ServICING TO BE CARRIED OUT ONLY BY AN AUTHORISED PERSON Disconnect from electricity before servicing. Check appliance is safe when you have finished.
Pull the cooker forward to gain access to the cover box. Undo the cover screws and lift clear. The cutout is located on the earth plate beside the oven element
Connections. Disconnect the cutout wiring. Undo the fixings that secure the cutout to the earth plate and remove. Fit the replacement control and re-assemble in reverse order.
17. To Remove Oven Inner Back
Disconnect from electricity supply.
Open door and remove shelves. Remove screws and washers, four on the left over as shown in the diagram and two on the right oven and securing the inner back of the oven.

Carefully lift away the inner back. Reassemble in reverse order making sure that the screws and washers are fully tightened.
18. To Remove the Fan Oven Element
Disconnect from electricity supply.
Remove the oven inner back - see section 17.

Remove the two screws from the top of the element and the one from the bottom of the element inside the oven. Lift the element out carefully, disconnecting the terminals connected to the element (noting their positions). If it is not possible to disconnect the leads in this way, pull the cooker forward to gain access to the rear, remove the screws securing the electric cover to the back sheet, remove the cover and disconnect the terminals from the rear.
Fit the new element and reassemble in reverse order. Check the operation of the oven.
19. To Remove Oven Fan
Disconnect from electricity supply.
Pull the cooker forward to gain access to the rear. Remove the screws securing the electric cover to the back sheet and remove the cover. Disconnect the three terminals connected to the fan noting their position. Remove the oven inner back (see 17). Hold the fan blade and remove the centre nut (left hand thread) two brass washers, fan blade and Circlip. Unscrew the fan retaining nuts and washers (three off each) and lift the fan away from the rear of the cooker. Fit the new fan and reassemble in reverse order. Check the operation of the oven.
20. To Remove the LH Oven Bottom and Top Elements
Disconnect from the electricity supply.
Bottom Element
Pull the cooker forward to access the cover boxes at the rear of the unit. Remove the fixings that secure the cover and lift it clear.

Remove the 2 screws 'A' and allow the plate to drop down. Remove the 2 screws B, lower the upper plate and remove through the slot in the cooker back.
Undo the terminal connections, noting their positions.
Remove the element fixings and withdraw element. Replace the element and re-assemble parts in reverse order.
Top Element
Open the LH oven door and undo the fixings that secure the heat shield. Remove the top element bracket fixings and withdraw element. Replace the element and re-assemble parts in reverse order. Check that the oven operates satisfactorily.
21. To Remove Grill Element
Disconnect from electricity supply.
Remove grill pan from inside the grill compartment, remove the enamelled front shield from the grill roof, by undoing the two screws and washers.
Remove the two screws and washers securing the grill element front support. Remove the screws from the grill element.
WARNING -ServICING TO BE CARRIED OUT ONLY BY AN AUTHORISED PERSON Disconnect from electricity before servicing. Check appliance is safe when you have finished.
22. To Change Oven Light Bulb.
Disconnect from electricity supply.
Make sure the oven is cool. Open the oven door and remove the oven shelves.
Unscrew the bulb cover by turning anticlockwise. It may be very stiff.


Taking care to protect your fingers in case the bulb should shatter, unscrew the old bulb.

Fit an Edison screw fitting 15W 240V lamp, FOR OVENS. It must be a special bulb, heat resistant to 300^ .
Screw in the new bulb, screw back the bulb cover. Turn on the electricity supply and check that the bulb now lights.

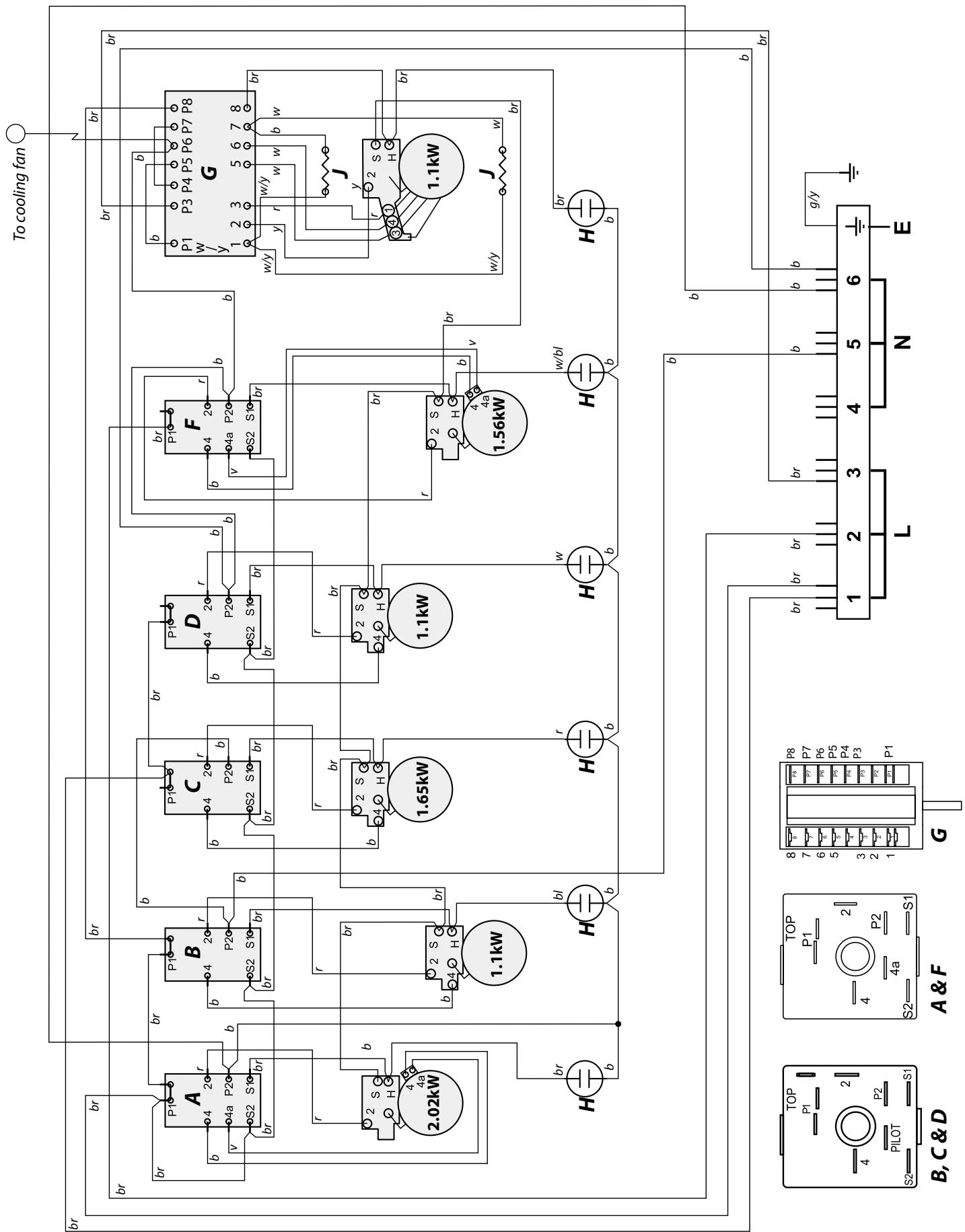
Key to Ovens Circuit Diagram
Connections shown in circuit diagram are for single phase. Ratings are for 230V 50Hz.
| Code | Item |
| A1 | Grill energy regulator |
| A2 | Grill elements |
| A3 | Grill Front switch |
| B1 | Left hand multi-function oven thermostat |
| B2 | Multi-function oven function control |
| B3 | Left hand multi-function oven thermostat front switch |
| B4 | Multi-function oven base element |
| B5 | Multi-function oven top element (outer pair) |
| B6 | Multi-function oven browning element (inner pair) |
| B7 | Multi-function oven fan element |
| B8 | Multi-function oven fan |
| D | Clock |
| E | Earth |
| F1 | Right hand oven thermostat |
| F2 | Right hand oven switch block |
| F3 | Right hand fan oven element |
| F4 | Right hand oven fan |
| G1 | Cooling Fan |
| H | Oven light switch |
| I | Oven light |
| J | Cut-out |
| K | Neon |
| Code | Colour |
| b | Blue |
| bl | Black |
| br | Brown |
| o | Orange |
| r | Red |
| v | Violet |
| w | White |
| y | Yellow |

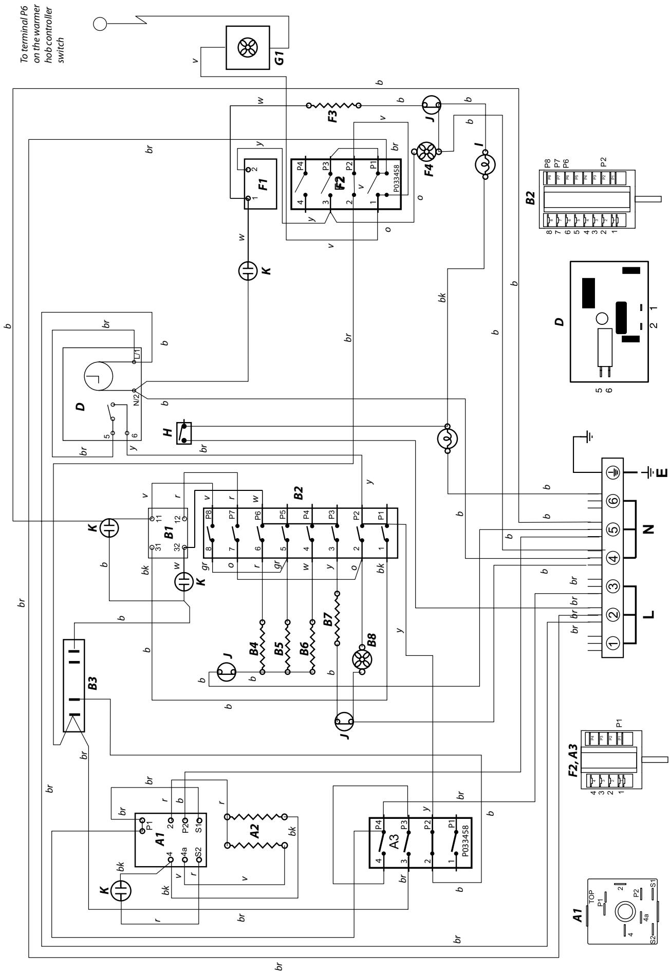
Key to Hob Circuit Diagram
Connections shown in circuit diagram are for single phase. Ratings are for 230V 50Hz.
| Code | Item |
| A | Left hand end dual circuit hob energy regulator |
| B | Left hand rear hob energy regulator |
| C | Left hand front hob energy regulator |
| D | Right hand rear hob energy regulator |
| E | Earth terminal |
| F | Right hand front hob dual energy regualtor |
| G | Right hand warmer hob controller |
| W | Hob indicator neon |
INSTALLER: Please leave these instructions with the User.
DATA BADGE LOCATION : Cooker back, serial number repeater badge below oven door opening.
Dimensions
| Overall height | minimum 900mm | maximum 925mm |
| Overall width | 1100mm | |
| Overall depth | 648mm | |
| Minimum space above hob | 650mm | |
| Connections | Electric |
| 220 - 240V 50Hz |
Ratings
Total Load At 230V 50Hz 17.3kW (approximate total including oven lights, oven fan, etc.)

Hob
| Ovens | Multifunction | Forced air convection |
| Energy efficiency class : on a scale of A (more efficient) to G (less efficient) | B | A |
| Energy consumption based on standard load | 0.90 kWh | 0.85 kWh |
| Usable volume (litres) | 62 | 67 |
| Size | Medium | Large |
| Time to cook standard load | 41 minutes | 38 minutes |
| Baking area | 1400 cm² | 1400 cm² |
| Grill | 2.3 kW |
Table des matières
Grill coulissant "Glide-Out" 32
Fours 32
Horloge 33
Gril coulissant "Glide-Out"
Clarence Street, Royal Leamington Spa,
Warwickshire, CV31 2AD, England.
Tel: +44 (0) 1926 457400 Fax: +44 (0) 1926 450526
E-mail: consumers @rangemaster.co.uk
EasyManual