ADVANTAGE DELUXE ELECTROL - Projection screen DA-LITE - Free user manual and instructions
Find the device manual for free ADVANTAGE DELUXE ELECTROL DA-LITE in PDF.
Download the instructions for your Projection screen in PDF format for free! Find your manual ADVANTAGE DELUXE ELECTROL - DA-LITE and take your electronic device back in hand. On this page are published all the documents necessary for the use of your device. ADVANTAGE DELUXE ELECTROL by DA-LITE.
USER MANUAL ADVANTAGE DELUXE ELECTROL DA-LITE
The Da-Lite Difference.


Instruction Book for
3100 North Detroit Street
Post Office Box 137
Warsaw, Indiana 46581-0137
Phone: 574-267-8101
800-622-3737
Fax: 574-267-7804
Toll Free Fax: 877-325-4832
www.da-lite.com
e-mail: info@da-lite.com
IMPORTANT SAFETY INSTRUCTIONS
When using your video equipment, basic safety precautions should always be followed, including the following:
- Read and understand all instructions before using.
- Position the cord so that it will not be tripped over, pulled, or contact hot surfaces.
- If an extension cord is necessary, a cord with a current rating at least equal to that of the appliance should be used. Cords rated for less amperage than the appliance may overheat.
- To reduce the risk of electric shock, do not disassemble this appliance. Contact an authorized service dealer when repair work is required. Incorrect reassembly can cause electric shock when the appliance is used subsequently.
- The use of an accessory attachment not recommended by the manufacturer may cause a risk of fire, electric shock, or injury to persons.
SAVE THESE INSTRUCTIONS
PRE-INSTALLATION
- Carefully unpack screen and remove outer wrapping from case.
- Make sure to recheck measurements of screen location before installation.

FIGURE 1
CASE INSTALLATION
- The case provides multiple attachment points for bolts, cables, or threaded rod. Page 7 shows threaded rod installed. The variable position-mounting bracket may be located anywhere along the length of the case. It is recommended to keep the brackets spaced evenly enough to distribute the weight of the screen. The case has a self-trimming flange around the bottom. Ceiling tiles or drywall may be placed on top of this flange to provide a finished appearance.
- After securing the case in the ceiling check that the case is level and plumb.
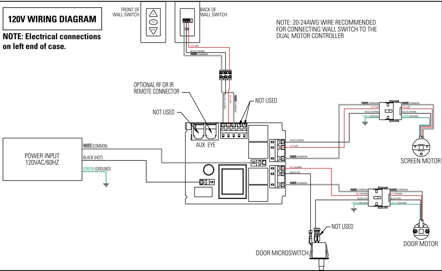
- Install electrical connections that apply to your unit. Refer to the following diagrams for proper installation. The diagrams on page 4 are for standard controls; the diagrams on page 5 are for SCB100 controls and page 6 for SCB200 controls. The terminal block for the wall switch connections is located under the metal housing surrounding the junction box. Remove two screws for access.
If your screen was shipped with the motor and roller already installed proceed to step 6.
- Remove the screw from each end of the access door (front door) and open the door. See figure 1.
- Carefully unpack screen and roller assembly. Leave packing paper on the roller.
- Place the roller assembly into the case with the motor on the left side. The limit switches should be facing down. Line up the square pin on the motor with the square hole in the bracket.
- Lift the pin end (right end) of the roller into position and slide the bracket onto the roller pin. Tighten two nuts to secure the bracket.
- Complete electrical hook-up by snapping motor wire connector into case connector.
CAUTION! DO NOT CUT TAPE ON FABRIC WITH A KNIFE OR ANY SHARP TOOL. REMOVE BY HAND.
- Carefully remove tape strips securing picture surface around roller. Slat should move freely (Fig. 2). (Only if the roller assembly is preinstalled.)
- Test installation by operating the screen several times. Be prepared to stop the screen. Standard Duty Cycle: 1 MIN. ON/3 MIN. OFF. The fabric door (rear door) will not close until the wall switch is placed in the up position and when the screen motor stops at its limit switch in the up direction.
NOTE: Excessive continuous operation may cause the motor to overheat. If this happens the motor will shut off until it cools to a normal operating temperature.
- Run the screen down enough to open the fabric door. Close the access door and reinstall the screws to secure the door.

FIGURE 2

FIGURE 3
SCREEN ADJUSTMENT
RECALIBRATION
The screen controller (standard control, not SCB100 or SCB200) is factory calibrated to control the screen and door sequence timing. If the line voltage varies 10% or more from the factory setting, the door will not close properly and the unit will need to be recalibrated. The steps are:
- The screen surface must be all the way up
- Press and hold the stop button for 10 seconds
The screen will then run through a whole cycle and be recalibrated upon completion. Press "up" button to close door after recalibration.
If the screen limit switch setting is changed in the up direction, the unit must be recalibrated. Surface travel is stopped automatically in the fully opened and closed positions by limit switches that are factory set at Da-Lite. Should it be necessary to adjust for more or less drop of picture, proceed in the following manner:
NOTE: Use a screw driver or 5/32" Allen wrench to make adjustments.
MORE SCREEN DROP
- Place operating switch in "down" position.
- When the screen stops, turn the white "down" limit knob (Fig. 2) one-quarter turn counterclockwise. Test by raising picture surface approximately two feet, then lower again. Repeat until desired picture surface position is attained.

CAUTION: Do not adjust for more drop than what was ordered. At least 1-1/2 wraps of fabric must remain on the roller. This screen comes standard with 0'' or 2'' black at the top. See the specification data sheet for details.
3. Recalibrate according to above instructions. Press "up" button to close door after recalibration.
LESS SCREEN DROP
- Raise picture surface approximately two feet above desired level.
- Place operating switch in "off" position.
- Turn the white "down" limit switch (Fig. 2) one-quarter turn clockwise. Test by raising picture surface approximately two feet, then lower again. Repeat until desired picture surface position is attained.
- Recalibrate according to above instructions. Press "up" button to close door after recalibration.
CONTACT DA-LITE AT 800-622-3737 IF DOOR MOTOR NEEDS ADJUSTMENT.
ADVANTAGE® DELUXE ELECTROL® INSTRUCTIONS FOR STANDARD CONTROL


NOTE: Electrical connections on right side of case.
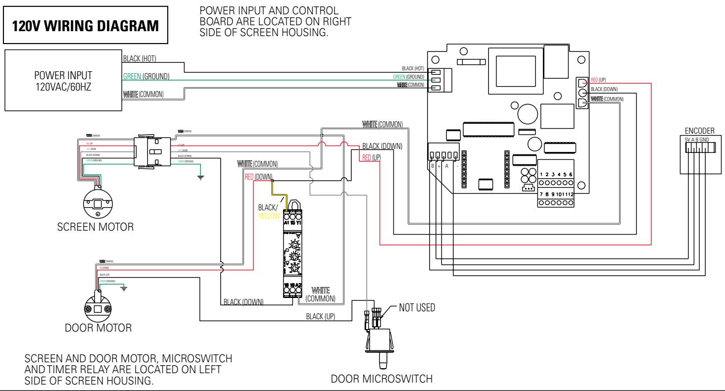
120V WIRING DIAGRAM
POWER INPUT AND CONTROL BOARD ARE LOCATED ON RIGHT SIDE OF SCREEN HOUSING.

NOTE: Electrical connections on right side of case.
220/240V
WIRING DIAGRAM
POWER INPUT AND CONTROL
BOARD ARE LOCATED ON RIGHT

NOTE: Electrical connections on right side of case.

NOTE: Electrical connections on right side of case.


TROUBLESHOOTING
| SYMPTOM | CAUSE | SOLUTION |
| If screen is not responding properly and SCB100 or SCB200 controls are used, contact the factory for troubleshooting assistance. | (a) Incorrect line voltage.(b) Blown facility fuse.(c) Tripped facility circuit breaker.(d) No power to operating switch or junction box.Power at junction box.(e) Thermal overload tripped.(f) Broken wire in the "down" position.(g) Defective motor, limit switch or capacitor.(h) Capacitor burned out. | (a) Verify 115-125V (or 220-240V). If insufficient voltage, rewire incoming electric line.(b) Replace facility fuse.(c) Reset facility circuit breaker.(d) Check above. Tighten all loose wire connections. Recheck wiring. See installation instructions."Down" PositionCheck for power across black and white leads.(e) Let motor cool down for 15 minutes. Try again.(f) Check for continuity.(g) Replace motor assembly. NOTE: Motor is a sealed assembly.(h) Replace motor assembly. |
| Motor hums. | ||
| 2. Screen will not move upward.Motor does not hum. | (a) Incorrect line voltage.(b) Blown facility fuse.(c) Tripped facility circuit breaker.(d) No power to operating switch or junction box.(e) Open door limit switch.Power at junction box(f) Thermal overload tripped.(g) Broken wire in the "up" position.(h) Defective motor, limit switch or capacitor.(i) Capacitor burned out. | (a) Verify 115-125V (or 220-240V). If insufficient voltage, rewire incoming electric line.(b) Replace facility fuse.(c) Reset facility circuit breaker.(d) Check above. Tighten all loose wire connections. See above."Up" PositionCheck for power across red and white leads.(e) Replace switch.(f) Let motor cool down for 15 minutes. Try again.(g) Check for continuity.(h) Replace motor assembly. NOTE: Motor is a sealed assembly.(i) Replace motor assembly. |
| 3. Door will not open. | (a) Hinge is bound or has a foreign substance on it which does not allow it to open by gravity. | (a) Check installation to free door. Clear any foreign substance; i.e., paint or plaster from hinge. |
| (b) No power. | (b) See above. | |
| 4. Door does not close. | (a) Open door limit switch. | (a) Replace switch. |
| (b) No power from screen motor. | (b) Replace screen motor. | |
| (c) Unit not calibrated. | (c) Recalibrate per instructions on page 3. | |
| 5. "Down" limit switch incorrect. | (a) "Down" limit switch out of adjustment. | (a) See installation instructions. |
| 6. Noise. NOTE: Screen will operate with a low-pitched hum. | (a) Buzzing noise. | (a) Adjust door limit switch (too far down). |
| (b) Gear noise. | (b) Replace motor assembly. | |
| 7. Coasting. | (a) Defective brake. | (a) Replace motor assembly. |
| 8. Roller displaced from mounting bracket. | (a) Pin end slipped out of nylon bearing. | (a) Realign pin end bracket. |
| 9. Fabric hangs crooked. | (a) Screen not installed properly. | (a) Check for level and plumb. |
| (b) Fabric is damaged. | (b) Replace fabric. | |
| 10. Door closes before screen is all the way up. | (a) Screen "up" limit out of adjustment. | (a) Adjust "up" limit (call factory for instructions). |
| 11. Door opens but screen does not operate. | (a) Loose wire. | (a) Check all wiring and connections. |
LIMITED ONE YEAR WARRANTY ON DA-LITE PRESENTATION PRODUCTS
Da-Lite Screen Company, Inc. warrants its products to the original purchaser only, to be free from defects in materials and workmanship for a period of one (1) year from the date of purchase by the original purchaser provided they are properly operated according to Da-Lite's instructions and are not damaged due to improper handling or treatment after shipment from the factory.
This warranty does not apply to equipment showing evidence of misuse, abuse or accidental damage, or which has been tampered with or repaired by a person other than authorized DaLite personnel.
Da-Lite's sole obligation under this warranty shall be to repair or to replace (at Da-Lite's option) the defective part of the merchandise. Returns for service should be made to your Da-Lite dealer. If it is necessary for the dealer to return the screen or part to Da-Lite, transportation expenses to and from Da-Lite are payable by the purchaser and Da-Lite is not responsible for damage in shipment. To protect yourself against damage or loss in transit, insure the product and prepay all transportation expenses.
THIS WARRANTY IS IN LIEU OF ALL OTHER WARRANTYES, EXPRESS OR IMPLIED, INCLUDING WARRANTY AS TO FITNESS FOR USE AND MERCHANT ABILITY. Any implied warranties of fitness for use, or merchantability, that may be mandated by statute or rule of law are limited to the one (1) year warranty period. This warranty gives you specific legal rights, and you may also have other rights, which vary from state-to-state. NO LIABILITY IS ASSUMED FOR EXPENSES OR DAMAGES RESULTING FROM INTERRUPTION IN OPERATION OF EQUIPMENT, OR FOR INCIDENTAL, DIRECT, OR CONSEQUENTIAL DAMAGES OF ANY NATURE.
In the event that there is a defect in materials or workmanship of a Da-Lite product, you may contact our Sales Partners at PO Box 137, Warsaw, IN 46581-0137, (574) 267-8101, (800) 622-3737.
IMPORTANT: THIS WARRANTY SHALL NOT BE VALID AND DA-LITE SHALL NOT BE BOUND BY THIS WARRANTY IF THE PRODUCT IS NOT OPERATED IN ACCORDANCE WITH DA-LITE'S WRITTEN INSTRUCTIONS.
Keep your sales receipt to prove the date of purchase and your original ownership.
EasyManual