B250 - Audioempfänger REVOX - Kostenlose Bedienungsanleitung
Finden Sie kostenlos die Bedienungsanleitung des Geräts B250 REVOX als PDF.
Benutzerfragen zu B250 REVOX
0 Frage zu diesem Gerät. Beantworten Sie die, die Sie kennen, oder stellen Sie Ihre eigene.
Eine neue Frage zu diesem Gerät stellen
Laden Sie die Anleitung für Ihr Audioempfänger kostenlos im PDF-Format! Finden Sie Ihr Handbuch B250 - REVOX und nehmen Sie Ihr elektronisches Gerät wieder in die Hand. Auf dieser Seite sind alle Dokumente veröffentlicht, die für die Verwendung Ihres Geräts notwendig sind. B250 von der Marke REVOX.
BEDIENUNGSANLEITUNG B250 REVOX
Vorsicht: Das Gerät ist in ausgeschaltetem Zustand (STANDBY) nicht von der Stromzuführung getrennt.
Bedienungsanleitung REVOX B250/B250-S · Verstärker
| WICHTIGE HINWEISE | Zum besseren Verständnis ist diese Bedienungsanleitung in die folgenden fünf Kapitel unterteilt: |
| KAPITEL 1 | InbetriebnahmeBeinhaltet die grundlegendsten Informationen für die Installation und Inbetriebnahme des Verstärkers. |
| KAPITEL 2 | Haupt-TastenfeldBeinhaltet Erklärungen zu sämtlichen Hauptfunktionen des Verstärkers. |
| KAPITEL 3 | Neben-Tastenfeld (unter der Abdeckklappe)Beinhaltet Erklärungen zu allen Hilfs- und Sonderfunktionen, die in Kapitel 2 nicht beschrieben sind, wie zum Beispiel SPEAKERS A/B, PRE-OUT und MAX VOLUME. |
| KAPITEL 4 | Technischer AnhangBeinhaltet Wissenswertes über den Betrieb des Verstärkers, Fehlermeldungen und deren Behebung sowie die technischen Daten und Abmessungen. |
| KAPITEL 5 | Liste der Tastenfunktionen |
Übersichtszeichnung
Am Ende dieses Buches finden Sie eine ausklappbare Seite mit einer indexierten Gerätezeichnung. Die im Text verwendeten Indizes in eckigen Klammern stimmen mit denjenigen auf der Zeichnung überein.
| Schützen Sie Ihr Gerät vor übermässiger Hitze und Feuchtigkeit. Stellen Sie es so auf, dass die Lüftungsschlitze nicht verdeckt werden. | |
| GARANTIE | Den Geräten, welche in der Bundesrepublik Deutschland verkauft werden, liegt eine spezielle Garantieanforderungskarte bei. Entweder befindet sich die Karte in der Verpackung oder in einer Plastiktasche an der Verpackungsaussenseite. Sollte diese Karte fehlen, wenden Sie sich an Ihr REVOX-Fachgeschäft oder an Ihre REVOX-Landesvertretung.Für in der Schweiz und Österreich gekaufte Geräte gibt der Fachhändler die Garantiebescheinigung ab.Bitte beachten Sie, dass die Garantie nur im Verkaufsland gültig ist. Ausserdem machen wir Sie darauf aufmerksam, dass die Garantie erlischt, wenn am Gerät unsachgemässe Eingriffe oder nicht fachmännische Reparaturen vorgenommen worden sind. |
| VERPACKUNG | Bewahren Sie die Originalverpackung auf. Bei einem Transport ist diese Spezialverpackung der beste Schutz für Ihr wertvolles Gerät. |
Inhaltsverzeichnis
| KAPITEL 1 | Seite | |
| Installation | Packungsinhalt | 4 |
| Aufstellen | 4 | |
| Sicherheitsbestimmungen | 4 | |
| Inbetriebnahme | Netzspannung | 5 |
| Signalquellen anschliessen | 5 | |
| Ausgänge anschliessen | 6 | |
| Einschalten | 7 | |
| KAPITEL 2 | ||
| Haupt-Tastenfeld | Signalquellen | 9 |
| Lautstärke | 10 | |
| KAPITEL 3 | ||
| Neben-Tastenfeld | Abdeckklappe | 11 |
| Signal-Ausgänge | 11 | |
| Stereo-Balance | 12 | |
| Klangsteller | 12 | |
| Aufnahmen | 13 | |
| Tonabnehmer-System (MM,MC) | 14 | |
| Vor-/Endverstärker trennen | 15 | |
| Einstellungen: | ||
| -MAX VOLUME | 16 | |
| -PWR-ON VOLUME | 17 | |
| -SENSITIVITY: SPEAKERS, PRE-OUT | 18 | |
| -SENSITIVITY: INPUT | 19 | |
| KAPITEL 4 | ||
| Fehlermeldungen | <<<< | 21 |
| OVERLOADED!!! | 21 | |
| BREAKDOWN!!! | 21 | |
| Fehlerquellen | Mögliche Fehler und deren Behebung | 22 |
| Technischer Anhang | IR-Fernbedienung REVOX B208 | 24 |
| Netzspannung | 26 | |
| Netzsicherung | 26 | |
| Technische Daten | 27 | |
| Abmessungen | 28 | |
KAPITEL 5
| Liste der Tastenfunktionen | Kurzbeschreibung aller Funktionen | 29 |
| Indexierte Gerätezeichnung | 32 | |
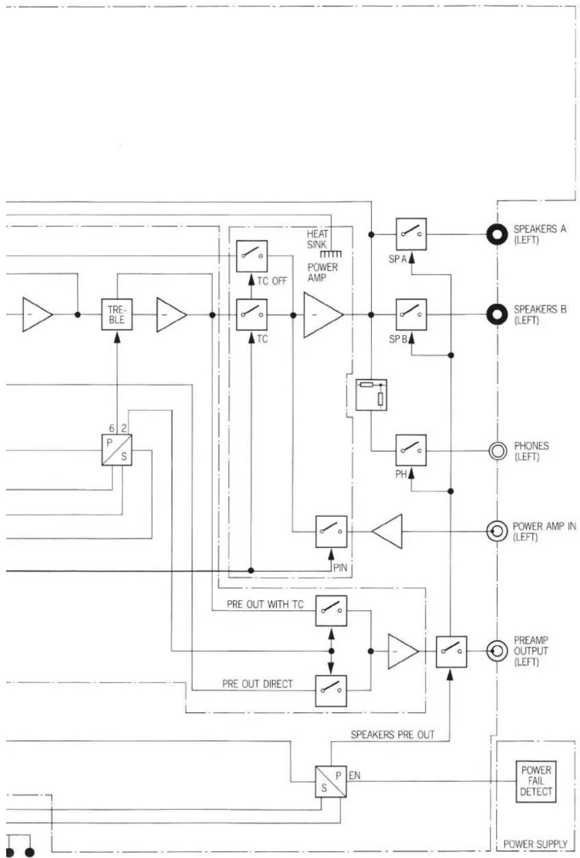
| Audio-Blockschaltbild | 33 |
KAPITEL 1
Installation
Packungsinhalt, Aufstellen

Nebst dieser Bedienungsanleitung, einem Gesamtschaltbild und dem Gerät enthält die Pakkung auch ein der Landesnorm entsprechen des Netzkabel. Bei Unstimmigkeiten wenden Sie sich bitte an Ihren Fachhändler. Die vorliegende Bedienungsanleitung ist auch in den folgenden Sprachen erhältlich:
ENGLISH: Order No.: 10.30.0720 FRANÇAIS: No. comm.: 10.30.0730
Aufstellen

text_image
10 mm 10 mmStellen Sie das Gerät so auf, dass die Lüftungsschlitze nicht verdeckt werden und dass zu anderen Geräten, Mauern und Möbeln ein Lüftungsabstand von mindestens 10 mm eingehalten wird.
Sicherheitsbestimmungen
Schliessen Sie das Gerät nur mit dem beige-packten Netzkabel am Stromnetz an. Halten Sie das Gerät stets trocken und verwenden Sie es nie in Nassräumen (Badezimmer, Waschküche, Keller, etc.). Das Gerät ist im ausgeschalteten Zustand (Standby) nicht von der Stromzufuhr getrennt. Teile im Gerät führen immer Netzspannung! Das Gerät ist für den Betrieb in Normallage (waagerecht liegend) konzipiert. Bei Fehlfunktion oder Defekt ist sofort der Netzstecker zu ziehen und das Gerät einem REVOX-Fachhändler zur Kontrolle zu übergeben.
Inbetriebnahme
Netzspannung, Signalquelle anschliessen

Netzspannungs-Kontrolle

Überprüfen Sie, ob der aufgedruckte Spannungswert unterhalb des Netzanschlusses [56] mit der vorhandenen Netzspannung übereinstimmt.
Das Gerät kann nötigenfalls auf eine andere Netzspannung umgeschaltet werden. Lassen Sie diese Umschaltung von Ihrem Fachhändler ausführen.
Signalquellen anschliessen

Vergewissern Sie sich, dass alle Zusatzgeräte Ihrer Anlage zumindest ausgeschaltet, besser aber vom Netz getrennt sind.
Verbinden Sie nun die Audio-Ausgänge (OUTPUT) dieser Geräte (Signalquellen) wie Tuner, CD-Spieler und Tape Deck mit den dafür vorgesehenen Eingängen des Verstärkers. Am Hilfseingang AUX [43] kann ein zusätzlicher CD-Spieler, ein drittes Tonbandgerät oder ein zweiter Tuner angeschlossen werden.
Achten Sie darauf, dass die Kanäle links (L) und rechts (R) nicht vertauscht werden.
Tuner, CD, AUX

text_image
AUX CD-Player TunerDie Ausgänge eines Tuners (Radio-Empfängers) oder CD-Spielers sind mit den Eingängen TUNER [46] oder CD [42] des Verstärkers zu verbinden.
Plattenspieler

text_image
ler PhonoDie Ausgänge eines Plattenspielers sind mit den entsprechenden Eingängen PHONO [38/40] des Verstärkers zu verbinden.
Verfügt Ihr Plattenspieler über eine Erdungslitze, so ist diese am Masse-Anschluss [39] anzuschliessen.
Plattenspieler mit einem herkömmlichen "moving magnet" Abtastsystem sind am Anschluss mit der Bezeichnung MM [40] und solche mit einem "moving coil" Abtastsystem am Anschluss mit der Bezeichnung MC [38] anzuschliessen. Für einen Betrieb mit MC-Abtastsystemen muss der Verstärker mit dem MC-Vorverstärker nachgerüstet worden sein (Option).
Tonbandgeräte

An den Verstärker können zwei Tonbandgeräte angeschlossen werden. Die Ausgänge der Tonbandgeräte sind mit den Eingängen TAPE 1 [45] und TAPE 2 [44] des Verstärkers zu verbinden.
Um mit den Tonbandgeräten auch Aufnahmen machen zu können, sind deren Eingänge noch mit den entsprechenden Ausgängen TAPE 1 [50] und TAPE 2 [49] des Verstärkers zu verbinden.
Lautsprecher

Zwei Lautsprecherpaare können an den vergoldeten Lautsprecherklemmen SPEAKERS A [54] und SPEAKERS B [55] des REVOX B250 · Verstärkers angeschlossen werden.
Lautsprecherboxen mit einer Impedanz von 4 oder 8 Ohm sind zu bevorzugen.
Nur in der Farbe korrespondierende Anschlüsse zwischen Verstärker und Lautsprecherboxen miteinander verbinden (korrekte Phasenlage).
Die Masse-Verbindungen (schwarze An- schlüsse) der einzelnen Lautsprecher dürfen nicht miteinander verbunden werden.
Um Leistungsverluste der Lautsprecher möglichst klein zu halten, verwenden Sie die den Lautsprecherboxen beigepackten Spezialkabel oder solche mit einem möglichst grossen Querschnitt. Kabel bis zu einem Durchmesser von 4 mm (=12 mm ^2 ) können an den Klemmen bequem angeschlossen werden. Handelsübliche Bananenstecker (ø 4 mm) sind direkt einsteckbar.
Aktiv-Lautsprecher

Aktive Lautsprecherboxen (mit eingebautem Verstärker) sind am Ausgang PRE-AMP [53] des Verstärkers anzuschliessen.
Dieser Ausgang wird durch Druck auf die Taste PRE-OUT [34] im zweiten Tastenfeld (unter der Abdeckklappe) aktiviert.
Bei aktiven Lautsprechern ist die maximale Kabellänge nur auf die in der entsprechenden Bedienungsanleitung empfohlenen Werte limitiert, solange gut abgeschirmte Audio-Kabel verwendet werden.
Die Ausgänge TAPE 1 [50] und TAPE 2 [49] sind für die Aufnahmezweige der Tonbandgeräte TAPE 1 und TAPE 2 reserviert. Bei Wiedergabe ab einem der Tonbandgeräte ist der Aufnahme-Ausgang für dieses Gerät abgeschaltet, damit eine Überspielung (TAPE COPY) ohne Rückkoppelung von einem Tonbandgerät zum andern möglich ist.
MONITOR [48]
![REVOX B250 - MONITOR [48] - 1](/content/2026/02/383402/images/ccd55f69d34bc4eb75da9534903028938998c24acc0b33f6664ec6a83090b95a.jpg)
text_image
[48] 1Am Ausgang MONITOR [48] können ein zusätzliches Tonbandgerät oder ein weiterer Verstärker angeschlossen werden, die von der Lautstärke-, Klangsteller- und Balance-Stellung unbeeinflusst bleiben.
Über diesen Ausgang ist immer diejenige Signalquelle hörbar, die auch über die Verstärker-Ausgänge (SPEAKERS A/B, PRE-AMP) zu hören ist.
Power Amplifier
RECORD [51]
![REVOX B250 - MONITOR [48] - 2](/content/2026/02/383402/images/141701a0b6dbb80fb50d4a9634dcffb9637b6c6999c85dacde3a7d732224d172.jpg)
text_image
61]Tape 3
Am Ausgang RECORD [51] kann zum Beispiel der Aufnahmezweig eines zusätzlichen Tonbandgerätes angeschlossen werden.
Dieser Ausgang führt immer das mit REC-OUT [19] gewählte oder das REC=IN [23] Aufnahmesignal.
Vorsicht:
Bei der Verwendung dieses Ausganges ist darauf zu achten, dass keine Audio-Schleife (Rückkopplung) entsteht (TAPE 1 abspielen und gleichzeitig über den Ausgang RECORD auf TAPE 1 aufnehmen.
Netz anschliessen
![REVOX B250 - MONITOR [48] - 3](/content/2026/02/383402/images/3d96189f12530f0a1abe72e40d69f77e173b2ec44c461546819bb3446f8ef1a9.jpg)
Wenn alle Audio-Verbindungen gemacht sind (Signalquellen und Lautsprecher angeschlossen), darf der Verstärker mit dem beigepackten Netzkabel ans Netz angeschlossen werden.
Gerät einschalten
![REVOX B250 - MONITOR [48] - 4](/content/2026/02/383402/images/aacdadb2c26953aa822a135f21d93df641ab329260c4460ea1ac90c543ac0a69.jpg)
Drücken der Taste POWER [1] auf der Gerätefront schaltet den REVOX B250 · Verstärker ein, die beim letzten Ausschalten aktivierte Signalquelle wird wieder gewählt. Nochmaliges Drücken der Taste POWER [1] schaltet den Verstärker wieder aus (Standby).
Das ausgeschaltete, aber mit dem Netz verbundene Gerät befindet sich im Standby-Modus (= Bereitschaft). Dadurch kann das Gerät auch mit der Infrarot-Fernbedienung bequem vom Hörplatz aus ein- und ausgeschaltet werden.
Der Stromverbrauch in Standby ist vernachlässigbar gering (ca.10 Watt).
KAPITEL 2
Haupt-Tastenfeld
Signalquellen

Drücken der entsprechenden Taste schaltet den jeweiligen Eingang zum Verstärker durch. Die Signalquelle wird im Display [15] zusammen mit der aktuellen VOLUME-Einstellung und BALANCE-Stellung angezeigt. Der Verstärker kann mit Auswahl der Signalquelle auch direkt eingeschaltet werden.
TAPE 1 [11], TAPE 2 [10]

Drücken der Taste TAPE 1 [11] oder TAPE 2 [10] schaltet den entsprechenden Eingang TAPE 1 [45] oder TAPE 2 [44] zum Verstärker durch. Die eingeschaltete Signalquelle wird im Display [15] zusammen mit der aktuellen VOLUME-Einstellung und der BALANCE-Stellung angezeigt. Der Verstärker kann mit Auswahl der Signalquelle auch direkt eingeschaltet werden.
PHONO [7]

Drücken der Taste PHONO [7] schaltet den am Eingang PHONO [38/40] angeschlossenen Plattenspieler zum Verstärker durch. Im Display [15] wird die Signalquelle mit dem Schriftzug PHONO zusammen mit der aktuellen VOLUME-Einstellung und der BALANCE-Stellung angezeigt. Der Verstärker kann mit Auswahl der Signalquelle auch direkt eingeschaltet werden.
Haupt-Tastenfeld
Lautstärke

text_image
mDCsVOLUME +/- [2/3]
TUNER

TUNER

TUNER

TUNER

- 20 dB [5]
TUNER

Hinweis
TV

VCR1

VCR2

DISC

Drücken der Taste VOLUME + [2] erhöht die Lautstärke, Drücken der Taste VOLUME - [3] hingegen senkt die Lautstärke ab.
Die Einstellung kann mit zwei Geschwindigkeiten vorgenommen werden. Drücken der Tasten unterhalb der Markierungen < und > verändert die Lautstärke langsam in kleinen Schritten (1 dB). Drücken unterhalb der Markierungen << und >> verändert die Lautstärke rasch in grösseren Schritten (3 dB).
Im Display [15] wird anstelle der BALANCE-Stellung das Symbol der betätigten VOLUME-Taste (<, > oder <<, >>) angezeigt.
Während der Einschaltphase des Verstärkers kann das Volumen verringert, nicht aber erhöht werden.
Die maximal erreichbare Lautstärke richtet sich nach dem für die eingeschaltete Lautsprechergruppe eingestellten MAX VOLUME. Sind beide Lautsprechergruppen eingeschaltet, so ist die kleinere maximale Lautstärke massgebend.
Der Verstärker kann mit den VOLUME-Tasten auch eingeschaltet werden.
Drücken dieser Taste verringert die Lautstärke auf einmal um 20 dB. Nochmaliges Drücken verringert die Lautstärke wiederum um 20 dB und so fort, bis das Lautstärke-Minimum erreicht ist.
Durch Drücken der Taste VOLUME + [2] kann die Lautstärke wieder erhöht werden.
Ihr REVOX B250 · Verstärker ist für zukünftige Anwendungen bereits gerüstet. Zusammen mit dem REVOX B200 · Controller, der unter den Verstärker montiert wird, kann mit der Taste VIDEO [6] auf die Zweitfunktionen TV, VCR1, VCR 2 und DISC zugegriffen werden.
Damit ist es möglich, die Audio-Signale eines Fernseher (TV), zweier Videorecorder (VCR1, VCR2) und eines Bildplattenspielers (DISC) mit der HiFi-Anlage zu verbinden. Zusätzlich können die Video-Signale der vier Quellen mit dem Controller analog zur Schaltung der Audio-Signale zu einem Monitor (Fernseher) geschaltet werden.
KAPITEL 3
Neben-Tastenfeld
Signal-Ausgänge, Abdeckklappe

text_image
radioxAbdeckklappe

text_image
netBox 0 1 2 3 4 5 6 7 8 9 10 11 12 13 14 15 16 17 18 19 20 21 22 23 24 25 26 27 28 29 30 31 32 33 34 35 36 37 38 39 40 41 42 43 44 45 46 47 48 49 50 51 52 53 54 55 56 57 58 59 60 61 62 63 64 65 66 67 68 69 70 71 72 73 74 75 76 77 78 79 80Die Rauchglas-Abdeckung des zweiten Tastenfeldes wird durch Druck auf die Taste OPEN [4] geöffnet, das LC-Display [24] wird beleuchtet.
Zum Schliessen wird die Klappe einfach wieder bis zum Einrasten hochgeschoben. Dabei erlischt die Beleuchtung des Display und jeder im zweiten Tastenfeld vorgenommene aber noch nicht beendete Programmier-Vorgang wird abgebrochen und der vorherige Zustand wieder hergestellt.
SPEAKERS A/B [35/37]
![REVOX B250 - SPEAKERS A/B [35/37] - 1](/content/2026/02/383402/images/a4bd72a752542f14d86e11b610d93e0ab498da624f9ba07451ba7e53f5e209fc.jpg)
text_image
retboxDrücken der Taste SPEAKERS A [35] schaltet die Lautsprechergruppe A ein und aus, Drücken der Taste SPEAKERS B [37] die Lautsprechergruppe B. Um beim Schalten störende Geräusche zu vermeiden, blendet der Mikroprozessor die Lautstärke schnell aus und wieder ein.
Beide Lautsprechergruppen können gleichzeitig ein- oder auch ausgeschaltet sein (PHONES).
Rechts, neben dem Display [15] signalisiert eine gelbe LED [17] die eingeschaltete Lautsprechergruppe SPEAKERS A [54] und eine LED [16] die eingeschaltete Lautsprechergruppe SPEAKERS B [55].
PHONES [18]
![REVOX B250 - PHONES [18] - 1](/content/2026/02/383402/images/dd2d4111f5cfd39ccaa44d31b14ef338629a2de41904faf361a1c5c30512a5ad.jpg)
text_image
HCMV4Kopfhörer-Betrieb ist immer möglich. Dazu ist lediglich ein Kopfhörer in die dafür vorgesehene Buchse an der Gerätefront einzustecken. Die Lautstärke ist mit den Tasten VOLUME +/- [2/3] einstellbar.
Ist keine Lautsprechergruppe eingeschaltet, so ist das für PHONES gesetzte MAX VOLUME für die maximal einstellbare Lautstärke massgebend. Andernfalls ist das für die eingeschaltete Lautsprechergruppe oder, wenn beide Lautsprechergruppen eingeschaltet sind, das tiefere MAX VOLUME gültig.
PRE-OUT [34]
![REVOX B250 - PRE-OUT [34] - 1](/content/2026/02/383402/images/618a8fcd7f530fb82c04b02d2981afce55e5ab722eb0e15a534e3523b94798f6.jpg)
text_image
exVboxDurch Drücken der Taste PRE-OUT [34] wird der Vorverstärker-Ausgang PRE-AMP [53] des Verstärkers ein- und ausgeschaltet.
Wie bei den Lautsprecher-Ausgängen SPEAKERS A/B [54/55] blendet der Mikroprozessor die Lautstärke beim Umschalten schnell aus und ein.
Dieser Ausgang kann unabhängig von den beiden Lautsprechergruppen A und B geschaltet weden.
Links, neben dem Display [15] signalisiert eine grüne LED [13] den eingeschalteten Vorverstärker-Ausgang.
Neben-Tastenfeld
Stereo-Balance, Klangsteller

text_image
HWA 11 20 30 40 50 60 70 80 90 100 110 120 130 140 150 160 170 180 190 200 210 220 230 240 250 260 270 280 290 300 310 320 330 340 350 360 370 380 390 400 410 420 430 440 450 460 470 480 490 500 510 520 530 540 550 560 570 580 590 600 610 620 630 640 650 660 670 680 690 700BALANCE L/R [30/32]

Mit den beiden Tasten BALANCE L [30] und BALANCE R [32] lässt sich das stereophone Klangbild zugunsten des einen oder anderen Kanals an eine asymmetrische Hörposition anpassen.
Beide Kanäle können in ± 9 dB Stufen verändert werden. Beim Drücken einer der Tasten zeigt ein Leuchtbalken im Display [15] die aktuelle BALANCE-Einstellung für ein paar Sekunden automatisch an.
Der Balance-Ausgleich lässt sich wie folgt wieder einstellen:
Die Taste des abgeschwächten Kanals dauernd drücken, die Einstellung stoppt automatisch in Balance-Mittenstellung.
TONE [29]

text_image
TONE CONTROL ON TONE CONTROL OFFDie Taste TONE [29] schaltet den Klangsteller (BASS, TREBLE) ein und aus. Damit ist ein Vergleich zwischen linearem (unbeeinflusstem) Frequenzgang und einer vorgenommenen Klangkorrektur möglich.
Im Display [15] wird für ein paar Sekunden der aktuelle Status dieser Funktion angezeigt. TONE CONTROL ON/OFF und im LC-Display [24] erscheinen bei TONE CONTROL ON die Balkensymbole für BASS und TREBLE.
Das Einschalten dieser Funktion hebt die Funktion LOUDNESS auf.
BASS +/− [27/25]

text_image
BASS: -+----#----++ BASS: -+---#--++----+Mit dem Bass-Steller können tiefe Frequenzen in 4 Stufen angehoben (BASS + [27]) oder abgesenkt (BASS - [25]) werden.
Beim Drücken einer Taste des Bass-Stellers wird die aktuelle Einstellung im Display [15] für ein paar Sekunden angezeigt, und im LC-Display [24] erscheinen die Balkensymbole für BASS und TREBLE. Jeder weitere Tastendruck verändert die Einstellung in der entsprechenden Richtung.
TREBLE +/- [33/31]

text_image
TREBLE : -+----# m TREBLE : -+----++----# mMit dem Treble-Steller können hohe Frequenzen in 4 Stufen angehoben (TREBLE + [33]) oder abgesenkt (TREBLE - [31]) werden.
Beim Drücken einer Taste des Treble-Stellers wird die aktuelle Einstellung im Display [15] für ein paar Sekunden angezeigt, und im LC-Display [24] erscheinen die Balkensymbole für BASS und TREBLE. Jeder weitere Tastendruck verändert die Einstellung in der entsprechenden Richtung.
LOUDNESS [28]

text_image
VOL -100 -75 -50 -25 0 dB PHONES SPEAKERS PWR ON LOUDNESS PHONO MC PROGRAM SEPARATED PRE-OUT SPEAKERS INPUTDie Taste LOUDN [28] schaltet die lautstärkeabhängige Klangregelung, welche der natürlichen Charakteristik des Gehörs angepasst ist, ein resp. aus.
Ausgehend von der mit MAX VOLUME gesetzten maximalen Lautstärke bewirkt sie eine Anhebung der tiefen Frequenzen bei abgesenkter Lautstärke (1 Korrekturschritt pro 10 dB VOLUME-Absenkung).
Beim Aktivieren der LOUDNESS-Funktion wird der manuell einstellbare Klangsteller (BASS, TREBLE) automatisch ausgeschaltet. Andererseits hebt Drücken der Taste TONE [29] die LOUDNESS-Funktion auf.
Neben-Tastenfeld
Aufnahmen (REC=IN, REC-OUT)

text_image
melitoxAufnahmen
Aufnahmen können auf zwei verschiedene Arten gemacht werden.
Entweder kann die gehörte Signalquelle zugleich auch Aufnahmequelle sein, oder die gehörte Signalquelle und die Aufnahmequelle können sich voneinander unterscheiden.
REC=IN [23]
TUNER
Diese Aufnahmeart ist bei Auslieferung des Verstärkers eingestellt. Das Display [15] zeigt das bis anhin beschriebene Bild mit angewählter Signalquelle, Volumen-Stellung und Balance-Einstellung.
Dabei ist die gehörte Signalquelle gleichzeitig auch die bei den Ausgängen RECORD [15], TAPE 1 [50] und TAPE 2 [49] ausgegebene Aufnahmequelle.
Hinweis:
Die Ausgänge TAPE 1 [45] und TAPE 2 [44] sind gegenseitig verriegelt.
Ist beispielsweise TAPE 1 Signalquelle, so ist der eigene Aufnahme-Ausgang TAPE 1 [50] gesperrt, um eine Rückkopplung zu vermeiden. Mit TAPE 2 kann jedoch das Signal aufgenommen werden.
REC-OUT [19]
IN: TUNER REC:
IN: TUNER REC: PHONO
Drücken der Taste REC-OUT [19] verändert sofort die Anzeige im Display [15].
Nach dem Wort IN: steht die gerade gehörte Signalquelle (z. B.: TUNER). Für den Aufnahmezweig kann nun hinter REC: eine Signalquelle angewählt werden (z. B.: PHONO). Dies hat zur Folge, dass über die Ausgänge SPEAKERS A [54], SPEAKERS B [55], PRE-AMP [53] und MONITOR [48] die Signalquelle TUNER gehört und über die Ausgänge TAPE 1 [50], TAPE 2 [49] und RECORD [51] die Signalquelle PHONO aufgezeichnet werden kann.
Neben-Tastenfeld
Tonabnehmer-System (MM, MC)

text_image
HESDAMM

text_image
L PF 450 100 50 +Plattenspieler mit einem MM (moving magnet) Abtastsystem sind am Eingang PHONO MM [40] anzuschliessen.
Für eine optimale Wiedergabe der Schallplatten ist die korrekte Anpassung des PHONO-Einganges von grundlegender Bedeutung, die Eingangs-Kapazität muss mit dem Schalter PF [41] auf der Geräte-Rückseite dem Abtastsystem angepasst werden.
Einstellung:

Beim Anschluss eines Plattenspielers REVOX B291 ist immer die Stellung 150 pF zu wählen.
Für die Abtastsysteme Elac EMM 150 und Shure V15V sind 150 pF einzustellen. Der Einstellwert für andere Systeme ist entsprechend dem folgenden Beispiel errechenbar. Die Kapazitäts-Werte müssen den technischen Datenblättern der Hersteller von Plattenspieler und Abtastsystem entnommen werden.
Einstell-Beispiel:
Nominal-Kapazität
des Tonabnehmers: 375pF
Kapazität des Plattenspieler-
Ausganges (Kabelkapazität): -225pF
Einstellwert: 150 pF
Kann der Wert nicht exakt eingestellt werden, so ist der nächstmögliche Wert einzustellen. Ein kleinerer Einstellwert bewirkt eine Anhebung der (extremen) Höhen, ein grösserer Wert bewirkt Verluste im (extremen) Höhenbereich.
MC [20]

text_image
VOL -100 -75 -50 -25 0 dB PHONES BASS + - TREBLE + SPEAKERS PWR ON PHONO MC PROGRAM SEPARATED PRE-OUT SPEAKERS INPUTPlattenspieler mit einem MC (moving coil) Abtatsystem sind am Eingang PHONO MC [38] anschliessbar, wenn der Verstärker mit der Option MC-Vorverstärker bestückt ist.
Durch Drücken der Taste MC [20] wird der MC-Vorverstärker ein- und der MM-Vorverstärker ausgeschaltet.
SEPARATED [21]

text_image
VOL -100 -75 -50 -25 0 dB PHONES SPEAKERS PWR ON - BASS + - TREBLE + PRE-OUT SPEAKERS INPUT PHONO MC PROGRAM SEPARATEDDrücken der Taste SEPARATED [21] trennt den Vorverstärker intern vom Endverstärker ab. Im LC-Display [24] wird dies mit dem Pfeil auf den Schriftzug SEPARATED angezeigt.
Mit dieser Funktion ist es möglich, beispielsweise einen Equalizer in den Signalweg zu schalten. Am Ausgang PRE-AMP [53] (mit der Taste PRE-OUT [34] schaltbar) kann das Vorverstärker-Signal abgenommen, über den Equalizer geführt und am Eingang PWR-AMP [47] in den Endverstärker eingespiesen werden.
PWR-AMP [47]

text_image
VOL -100 -75 -50 -25 0 dB PHONES BASS + - TREBLE + SPEAKERS PWR ON PHONO MC PROGRAM SEPARATED PRE-OUT SPEAKERS INPUTDer Eingang PWR-AMP [47] führt ein angelegtes Signal direkt zum Endverstärker und ist mit den VOLUME-Tasten nicht mehr beeinflussbar.
Dieser Eingang ist nur eingeschaltet, wenn Vor- und Endverstärker getrennt sind (Taste SEPARATED [21]).
Neben-Tastenfeld
Einstellungen: MAX VOLUME

text_image
mdboxMAX VOLUME [22]
Für die Ausgänge SPEAKERS A, SPEAKERS B, PRE-AMP und PHONES kann die maximal einstellbare Lautstärke einzeln eingegeben werden.
Für jeden der Ausgänge muss der nachfolgend beschriebene Einstellvorgang durchlaufen werden. Die anderen Ausgänge sind auszuschalten. Wenn mehrere Ausgänge eingeschaltet sind, wird die Einstellung automatisch für die Lautsprechergruppe SPEAKERS A vorgenommen.
● Taste SPEAKERS A [35] drücken
![REVOX B250 - MAX VOLUME [22] - 1](/content/2026/02/383402/images/3299b8c9cdb10ba8ecd980d7c2a29d9ac5ce04b47cb4150718de6e02d669a12a.jpg)
Den einzustellenden Ausgang durch Drücken der entsprechenden Taste einschalten (für PHONES [18] müssen alle Ausgänge ausgeschaltet sein).
● Taste MAX VOLUME [22] drücken
![REVOX B250 - MAX VOLUME [22] - 2](/content/2026/02/383402/images/4f084c3df8c8421639437db53438d461eb3886a1afd50d81f47a437ab7d8e316.jpg)
Durch Drücken der Taste MAX VOLUME [22] wird in den Eingabe-Modus geschaltet. Im LC-Display [24] wird dies mit einem Balkensymbol für die aktuelle Einstellung und dem blinkenden Schriftzug MAX VOLUME und den beiden Pfeilen auf PROGRAM und PHONES oder SPEAKERS angezeigt.
● Taste VOLUME drücken
![REVOX B250 - MAX VOLUME [22] - 3](/content/2026/02/383402/images/267747bd525b7210e4471f11bc700299b80921da29901a1c18cf27d5d8980b23.jpg)
text_image
MeVoxMit den Tasten VOLUME + [2] und VOLUME - [3] kann nun die gewünschte maximale Lautstärke eingestellt werden.
● Taste STORE [36] drücken
![REVOX B250 - MAX VOLUME [22] - 4](/content/2026/02/383402/images/b4663cecee6e6e0b9ce555d3f0662ca320e8eeb394926f7b37841a87408ee38b.jpg)
Durch Drücken der Taste STORE [36] wird die eingestellte Lautstärke als für diese Lautsprechergruppe maximal zulässige Lautstärke abgespeichert.
Eine höhere Lautstärke lässt sich erst wieder einstellen, wenn mit obigem Vorgang ein höheres MAX VOLUME eingestellt wurde.
Werks-Einstellung

Die bei der Auslieferung des Gerätes eingestellte Werks-Einstellung für MAX VOLUME und PWR ON-VOLUME kann jederzeit wieder eingestellt werden:

Die Taste MAX VOLUME [22] so oft betätigen, bis im Display [15] der Schriftzug RESTORE NOMINAL? und im LC-Display [24] der blinkende Schriftzug MAX VOLUME NOMINAL erscheint.

text_image
VOL -100 -75 -50 -25 0 dB PHONES SPEAKERS PWR ON MAX VOLUME PHONO MC PROGRAM SEPARATED PRE-OUT SPEAKERS INPUTWird nun die Taste STORE [36] gedrückt, so ist die Werks-Einstellung für alle Ausgänge wieder programmiert.

text_image
VOL -100 -75 -50 -25 0 dB PHONES SPEAKERS PWR ON MAX VOLUME ▼ NOMINAL PHONO MC PROGRAM SEPARATED PRE-OUT SPEAKERS INPUTPWR-ON VOLUME
Mit PWR ON-VOLUME (POWER ON-VOLUME) wird die Lautstärke bezeichnet, mit der das Gerät eingeschaltet wird, egal mit welcher VOLUME-Einstellung das Gerät ausgeschaltet wurde.
Auch diese Einstellung kann den persönlichen Bedürfnissen angepasst werden. Es empfiehlt sich aber, diese Einstellung nicht zu hoch zu wählen (Einschalten zu nächtlicher Stunde).
● Taste MAX VOLUME [22] drücken

text_image
VOL -100 -75 -50 -25 0 dB PHONES SPEAKERS PWR ON MAX VOLUME PRE-OUT SPEAKERS INPUT PHONO MC PROGRAM SEPARATED VOL -100 -75 -50 -25 0 dB PHONES SPEAKERS PWR ON MAX VOLUME PRE-OUT SPEAKERS INPUT PHONO MC PROGRAM SEPARATEDDie Taste MAX VOLUME [22] so oft drücken, bis der Pfeil im LC-Display [24] auf PWR ON zeigt.
Damit wird in den Eingabe-Modus für die Einschalt-Lautstärke (PWR ON-VOLUME) geschaltet.
Im LC-Display [24] wird dies mit einem Balkensymbol für die aktuelle Einstellung und dem blinkenden Schriftzug MAX VOLUME und den beiden Pfeilen auf PROGRAM und PWR ON angezeigt.
● Taste VOLUME drücken

text_image
MeVoxMit den Tasten VOLUME + [2] und VOLUME - [3] kann nun die gewünschte Einschalt-Lautstärke eingestellt werden.
● Taste STORE [36] drücken

Durch Drücken der Taste STORE [36] wird die eingestellte Lautstärke als Einschalt-Lautstärke (PWR ON-VOLUME) abgespeichert.
Eine andere Einschalt-Lautstärke lässt sich je- derzeit neu programmieren.
Werks-Einstellung
Die bei der Auslieferung des Gerätes eingestellte Werks-Einstellung für MAX VOLUME und PWR ON-VOLUME kann jederzeit wieder eingestellt werden:
Die Taste MAX VOLUME [22] so oft betätigen, bis im Display [15] der Schriftzug RESTÖRE NOMINAL? und im LC-Display [24] der blinkende Schriftzug MAX VOLUME NOMINAL erscheint.
Wird nun die Taste STORE [36] gedrückt, so ist die Werks-Einstellung für alle Ausgänge wieder programmiert.
Neben-Tastenfeld
Einstellungen:
SENSITIVITY: SPEAKERS, PRE-OUT

text_image
ndiosSENSITIVITY [26]
Mit SENSITIVITY (Empfindlichkeit) kann der Ausgangspegel des Vorverstärker-Ausganges PRE-AMP gegenüber dem Ausgangspegel der Lautsprecher-Ausgänge SPEAKERS A/B verändert und der nominale Ausgangspegel der einen Lautsprechergruppe gegenüber der anderen angehoben oder gesenkt werden.
Weiter kann die Verstärkung der Eingangsverstärker den Pegeln der einzelnen Signalquellen angepasst werden.
Wenn mehrere Ausgänge gleichzeitig eingeschaltet sind, so wird der nominale Ausgangspegel des Ausganges mit der höchsten Priorität aktiviert:
-
Priorität: SPEAKERS A
-
Priorität: SPEAKERS B
Keine Priorität: PRE-OUT
Die Einstellung erfolgt schrittweise, für jeden Eingang und jeden Ausgang einzeln.
● Taste SPEAKERS A [35] drücken
![REVOX B250 - SENSITIVITY [26] - 1](/content/2026/02/383402/images/5f4f0811085ed7a52a8b7c4388206a21127713e317abcd4c4f66c8f7232ec5fa.jpg)
Den einzustellenden Ausgang durch Drücken der entsprechenden Taste einschalten. Die anderen Ausgänge (PRE-OUT, SPEAKERS B) ausschalten.
● Taste SENSITIVITY [26] drücken
![REVOX B250 - SENSITIVITY [26] - 2](/content/2026/02/383402/images/d72a782c7b57a883f2c96b1f9280d758782395faeeb9076df6d502f971e000ba.jpg)
text_image
VOL -100 -75 -50 -25 0 dB PHONES SENSITIVITY ▶ PRE-OUT SPEAKERS 0 + SPEAKERS PWR ON ▼ INPUT PHONO MC PROGRAM SEPARATEDDurch Drücken der Taste SENSITIVITY [26] wird in den Eingabe-Modus geschaltet. Im LC-Display [24] wird dies mit einem Balkensymbol für die aktuelle Einstellung und dem blinkenden Schriftzug SENSITIVITY und den beiden Pfeilen auf PROGRAM und SPEAKERS angezeigt.
● Taste VOLUME drücken
![REVOX B250 - SENSITIVITY [26] - 3](/content/2026/02/383402/images/909112e3235ecfdea04b55a46882273fb238176071f91260589c469d3efafac4.jpg)
text_image
radiox VOL -100 -75 -50 -25 0 dB PHONES SPEAKERS PWR ON - 0 + SENSITIVITY PRE-OUT SPEAKERS INPUT PHONO MC PROGRAM SEPARATEDMit den Tasten VOLUME + [2] und VOLUME - [3] kann der Ausgangspegel des eingeschalteten Ausganges angehoben oder abgesenkt werden.
● Taste STORE [36] drücken
![REVOX B250 - SENSITIVITY [26] - 4](/content/2026/02/383402/images/bda410379a7ae474ede326c7a19a5b8297179c5131ad41a67957faaadd4b8bbe.jpg)
Durch Drücken der Taste STORE [36] wird der eingestellte Pegel abgespeichert.
Ein anderer Pegel lässt sich jederzeit neu programmieren.
Werks-Einstellung
Die bei der Auslieferung des Gerätes eingestellte Werks-Einstellung für die Empfindlichkeiten kann jederzeit wieder eingestellt werden:
Die Taste SENSITIVITY [26] so oft betätigen, bis im Display [15] der Schriftzug RESTÖRE NOMINAL? und im LC-Display [24] der blinkende Schriftzug SENSITIVITY NOMINAL erscheint.
Wird nun die Taste STORE [36] gedrückt, so ist die Werks-Einstellung für alle Ein- und Ausgänge wieder programmiert.
Neben-Tastenfeld
Einstellungen: SENSITIVITY: INPUT

text_image
mboxSENSITIVITY [26]
Mit SENSITIVITY (Empfindlichkeit) kann die Verstärkung der Eingangsverstärker den Pegeln der Signalquellen angepasst werden. Die Einstellung erfolgt für jeden Eingang einzeln.
● Taste TUNER [12] drücken
![REVOX B250 - ● Taste TUNER [12] drücken - 1](/content/2026/02/383402/images/bb9db7ae947c889fddba7719bbc5f332198114ba87ca485f6e34473bd4024ae3.jpg)
text_image
RiBoxDie einzustellende Signalquelle (TUNER, TAPE 1/2, AUX, CD, PHONO, TV, VCR 1/2, DISC) durch Drücken der entsprechenden Taste anwählen.
![REVOX B250 - ● Taste TUNER [12] drücken - 2](/content/2026/02/383402/images/dc5413a1e94b1dd53d9cf5cc2541cb9e30c72c61cd699d04517c0e12b560afb8.jpg)
● Taste SENSITIVITY [26] drücken
![REVOX B250 - ● Taste SENSITIVITY [26] drücken - 1](/content/2026/02/383402/images/d076ed5364b158fc01f41988a31628e147c9b5fc30bd2c1aea32fa3c48199334.jpg)
text_image
VOL -100 -75 -50 -25 0 dB PHONES SPEAKERS PWR ON - 0 + SENSITIVITY PRE-OUT SPEAKERS INPUT PHONO MC PROGRAM SEPARATED VOL -100 -75 -50 -25 0 dB PHONES SPEAKERS PWR ON - 0 + SENSITIVITY PRE-OUT SPEAKERS INPUT PHONO MC PROGRAM SEPARATEDDie Taste SENSITIVITY [26] so oft drücken, bis der Pfeil im LC-Display [24] auf INPUT zeigt. Dadurch wird in den Eingabe-Modus für die Empfindlichkeit der Eingänge geschaltet. Im LC-Display [24] wird dies mit einem Balkensymbol für die aktuelle Einstellung und dem blinkenden Schriftzug SENSITIVITY und den beiden Pfeilen auf PROGRAM und INPUT angezeigt.
● Taste STORE [36] drücken
![REVOX B250 - ● Taste STORE [36] drücken - 1](/content/2026/02/383402/images/2459658a05f7ae55c056d86c5e9db3458fad5f2785de5e1fc8e39504824426f8.jpg)
Durch Drücken der Taste STORE [36] wird ein automatischer Pegel-Messvorgang des entsprechenden Einganges aktiviert. Beim Loslassen der Taste STORE [36] wird die Verstärkung des entsprechenden Eingangverstärkers dem gemessenen Pegel angepasst und abgespeichert. Während der Messung erscheint im Display [15] nach der Signalquelle die Meldung MEASURING. Gibt die Signalquelle kein oder ein zu geringes Signal ab (ausgeschaltet), so erscheint die Meldung LOW LEVEL und die Verstärkung des Eingangverstärkers bleibt unverändert.
![REVOX B250 - ● Taste STORE [36] drücken - 2](/content/2026/02/383402/images/b7dcc76b39fa97031e3dc00ae6a76b6c4c88b0ed3fa5206e7a4d9dcddc3c3e7a.jpg)
Werks-Einstellung

Die bei der Auslieferung des Gerätes eingestellte Werks-Einstellung für die Empfindlichkeiten kann jederzeit wieder eingestellt werden: Die Taste SENSITIVITY [26] mehrmals betätigen, bis im Display [15] der Schriftzug RESTORE NOMINAL? und im LC-Display [24] der blinkende Schriftzug SENSITIVITY NOMINAL erscheint. Wird nun die Taste STORE [36] gedrückt, so ist die Werks-Einstellung für alle Ein- und Ausgänge wieder programmiert.
KAPITEL 4
Fehlermeldungen
<<<<, OVERLOADED !!!, BREAKDOWN !!!

Bei einer übermässigen Temperatur-Erhöhung der Leistungs-Endstufen wird die Lautstärke automatisch um 10 dB abgesenkt. Dieser Vorgang wird im Display [15] mit dem blinkenden Symbol <<<< anstelle der Balance-Stellung angezeigt. Die Lautstärke kann mit den Tasten VOLUME noch abgesenkt, vor dem Erlöschen der Anzeige <<<< aber nicht mehr erhöht werden.

Nach dem Abkühlen der Leistungs-Endstufen erscheint im Display [15] wieder die gewohnte Anzeige von Signalquelle und Aufnahmequelle oder Signalquelle, Volumen- und Balance-Einstellung. Die Lautstärke kann nun wieder frei erhöht werden. Jedoch sollte die Ursache für die Fehlermeldung (unzureichende Belüftung) abgeklärt und behoben werden.
OVERLOADED!!!


Kühlen sich die Leistungs-Endstufen nach der Fehlermeldung <<< nicht ab, sondern erwärmen sich weiter, so erscheint die Fehlermeldung OVERLOADED!!! im Display [15] und die Lautsprecher-Ausgänge werden abgeschaltet. Nach erfolgter Abkühlung und dem Erlöschen der Meldung sind die Lautsprechergruppen wieder mit den Tasten SPEAKERS A [35] und SPEAKERS B [37] einzuschalten.
BREAKDOWN!!!


text_image
redlxxBei extremer Übersteuerung (z. B.: Manipulieren an den Steckern bei eingeschaltetem Gerät und ganz geöffneter Lautstärke) werden die Lautsprecher abgeschaltet. Dieser Störfall wird im Display [15] mit dem Schriftzug BREAKDOWN!!! angezeigt. Das Gerät ausschalten, mögliche Fehler (gelöste Kabel und Stecker) beheben und das Gerät nach einer Ruhepause wieder einschalten.
Fehlerquellen
Mögliche Fehler und deren Behebung

text_image
MeVoxLautsprecher tönen nicht

Bevor im Gerät ein Fehler vermutet wird, sollten Sie sich vergewissern, ob das Gerät korrekt angeschlossen ist, und ob die Bedienung wie in der Anleitung beschrieben vorgenommen wurde.

text_image
netloxÜberprüfen Sie den Anschluss der Lautsprecherboxen.
Ist die Lautsprechergruppe eingeschaltet (Tasten SPEAKERS A [35]. SPEAKERS B [37], PRE-OUT [34])?
Ist der Endverstärker vom Vorverstärker getrennt (SEPARATED)? Die Taste SEPARATED [21] nochmals drücken.
Ist die Signalquelle angewählt und diese auch eingeschaltet?
Ungenügende Verstärkerleistung

Haben Sie versehentlich das MAX VOLUME zu tief eingestellt? Speichern Sie zur Überprüfung die Werks-Einstellung (RESTORE NOMINAL?) nochmals ab.
Keine Wiedergabe bei PHONO

Ist der Plattenspieler am richtigen PHONO-Eingang (MM [40] oder MC [38]) angeschlossen?
Ist das Abtastsystem am Verstärker richtig angewählt (Taste MC [20] nur für eine MC-Tonzelle drücken)?

text_image
mclBoxAufnahmen auf TAPE nicht möglich

Sind die Eingänge des Tonbandgerätes (INPUT am Tonbandgerät) mit den Ausgängen OUTPUTS TAPE 1 [50] oder TAPE 2 [49] verbunden?
Das Gerät ist unbedienbar

Ihr Verstärker wird durch einen Mikroprozessor gesteuert und überwacht. Beim Anlegen der Netzspannung initialisiert der Mikroprozessor automatisch.
Durch Netzstörungen und andere Fehler kann der Mikroprozessor in einen undefinierbaren Zustand geraten. Das Gerät ist unbedienbar
Durch Drücken der Taste RESET oberhalb der Taste SEPARATED [21] mit einem spitzen Gegenstand (aufgebogene Büroklammer) wird der Mikroprozessor neu gestartet.
Da bei diesem Vorgang die Schaltzustände der Audio-Wege nicht überwacht werden können, sind die Lautsprecherboxen vorzugsweise vom Verstärker zu trennen.
Wenn der Netzstecker gut zugänglich ist, sollte dieser anstelle einer Betätigung der RESET-Taste kurz (für ca. 15 Sekunden) vom Netz getrennt werden.
Kurzes Aufleuchten einzelner Anzeige-Segmente des Displays [15] während der Initialisierung des Mikroprozessors ist systembedingt und ohne Schadengefahr für das Gerät.
REVOX B208

text_image
netbox R200 100000 100000 100000Mit der IR-Fernsteuerung REVOX B208 können Sie die Hör-Funktionen Ihrer ganzen REVOX HiFi-Anlage bequem von der Hörposition aus fernbedienen.

Nebst den Funktionen des Haupt-Tastenfeldes des Verstärkers REVOX B250 können die Ausgänge SPEAKERS A, SPEAKERS B, PRE-OUT, die BALANCE-Stellung und die Funktionen des Klangstellers (TONE, BASS, TREBLE) fernbedient werden.
Bedienungsmerkmale
Die Bedienung mit der IR-Fernsteuerung erfolgt genau gleich wie am Gerät selbst. Die nachfolgend aufgeführten Sonderfälle ausgenommen.
Einschalten

text_image
neVox Base - NoICE CONTROLMit der IR-Fernsteuerung ist der Verstärker nur mit den Quellen-Wahltasten (TUNER, TAPE 1/2, AUX, CD, PHONO) einzuschalten. Drücken der Taste POWER OFF auf der IR-Fernsteuerung schaltet immer die gesamte Anlage aus.
TV, VCR 1/2, DISC

text_image
netBox Radio - 0.00175 0.00175Die zusammen mit der Quellen-Erweiterung REVOX B200 · Controller verfügbaren zusätzlichen Signalquellen werden über die Fernbedienung durch Drücken der *-Taste und gleichzeitiger Betätigung der entsprechenden Quellen-Wahltaste aktiviert.
REC-OUT
IN:TUNER REC:PHONO

text_image
netVox R1000 - R10000 - 100000Befindet sich der Verstärker im REC-OUT-Modus (Taste REC-OUT [19]), so kann durch Drücken der Taste REC=MON auf der IR-Fernsteuerung die gerade gehörte Signalquelle auch als Aufnahmequelle eingestellt werden. Durch anschliessendes Drücken einer Quellen-Wahltaste kann nun eine andere Signalquelle gehört werden, ohne dass die Aufnahme-Quelle umgeschaltet wird.
VOLUME +/-
TUNER

text_image
mVbox 电源: 123400 123400Kurzes Antippen der VOLUME-Tasten auf der IR-Fernsteuerung verändert die Lautstärke in kleinen (1 dB-) Schritten, stetiges Drücken verändert die Lautstärke in grösseren (3 dB-) Schritten.
Technischer Anhang
Netzspannung, Netzsicherung

text_image
ndloxNetzspannung einstellen

Die Umschaltung auf andere Netzspannungen soll von Ihrem Fachhändler vorgenommen werden!
Den Netzstecker ziehen!
Das obere Abdeckblech und die linke Seitenblende entfernen.
Die Schutzfolie anheben und die Netzspannung einstellen.
Die Bezeichnung 220 V\~ unterhalb des Netzanschlusses an der Geräte-Rückseite ist mit einem Schild für die eingestellte Netzspannung zu überkleben.
Netzsicherung
Bei einer Veränderung der Netzspannung muss die Netzsicherung überprüft und gegebenenfalls der veränderten Netzspannung angepasst werden.
Bevor das Gerät wieder mit dem Netz verbunden wird, muss es komplett montiert werden.
| Spitzenleistung: | an 4Ohm: | 2×300W |
| an 8Ohm: | 2×160W | |
| 1kHz-Signal; 1 Periode ein, 16 Perioden aus | ||
| Sinusleistung (DIN 45500): | an 4Ohm: | 2×200W |
| an 8Ohm: | 2×120W | |
| Dämpfungsfaktor: | bei 1kHz an 8Ohm: | >100 |
| Harmonische Verzerrungen: | bei 1kHz 180W an 4Ohm: | <0,006% |
| Anstiegszeit: | bei 4Ohm Last: | 4μs |
| bei 8Ohm Last: | 3μs | |
| Eingänge | ||
| Empfindlichkeit/Impedanz: | (für 1kHz bei 200W an 4Ohm) | |
| - TUNER, TAPE 1, TAPE 2, AUX, CD: | 250 mV/47 kOhm, nominell 500 mV | |
| - PHONO MM: | 2,5 mV/47 kOhm; 50, 150, 450pF; nominell 5 mV | |
| - PHONO MC (Option): | 140μV/100 Ohm, nominell 0,5 mV | |
| - PWR-AMP: | 2,8 V/47 kOhm | |
| Ausgänge | ||
| Pegel/Impedanz: | (bei nomineller Eingangsspannung) | |
| - REC, MONITOR, TAPE 1, TAPE 2: | 500 mV/440 Ohm | |
| - ab Eingang PHONO MM: | 250 mV | |
| - PRE-AMP: | 2,8 V/440 Ohm | |
| - PHONES: | 9,8 V/280 Ohm | |
| - SPEAKERS A/B: | 28,3 V/80 mOhm | |
| Klangregler: | (parametrisch in ±4 Stufen) | |
| BASS bei 40Hz: | -12 dB ... +12 dB | |
| TREBLE bei 14 kHz: | -12 dB ... +12 dB | |
| Fremdspannungsabstand: (bei nomineller Eingangsspannung) | ||
| - TUNER, TAPE 1, TAPE 2, AUX, CD: | ||
| bei 200 W an 4Ohm, 1kOhm Abschluss: | 98 dB | |
| bei 50mW an 4Ohm, 1kOhm Abschluss: | 76 dB | |
| - PHONO MM: | bei 200 W an 4Ohm, 1kOhm Abschluss: | 76 dB |
| bei 50mW an 4Ohm, 1kOhm Abschluss: | 75 dB | |
| - PHONO MC (Option): | bei 200 W an 4Ohm, 1kOhm Abschluss: | 73 dB |
| bei 50mW an 4Ohm, 1kOhm Abschluss: | 70 dB | |
| Maximale | ||
| Eingangsspannung: | TUNER, TAPE 1, TAPE 2, AUX, CD: | 10 V |
| PHONO MM: | 200 mV | |
| PHONO MC (Option): | 10 mV | |
| Übersprechen: | ||
| - zwischen den Eingängen: | bei 10 kHz, 1kOhm Abschluss: | 100 dB |
| - Vor-/Hinterband: | bei 10 kHz, 1kOhm Abschluss: | 80 dB |
| Kanaltrennung: | ||
| - TUNER, TAPE 1, TAPE 2, AUX, CD: | ||
| bei 1kHz, 1kOhm Abschluss: | 86 dB | |
| - PHONO: | bei 1kHz, 1kOhm Abschluss: | 55 dB |
| Frequenzgang: | 20 Hz ... 20 kHz: | +0 dB/-0,2 dB |
| PHONO RIAA-Entzerrung: | 4 Zeitkonstanten, 20Hz ... 20 kHz | ±0,3 dB | |
| Stromversorgung: | intern einstellbar100, 120, 140, 200, 220, 240 V AC, +5%/-10%50 Hz ... 60 Hz | ||
| Netzsicherung: | 100V...140 V AC:200V...240 V AC: | T 6,3 A/250V (SLOW)T 3,15 A/250V (SLOW) | |
| Leistungsaufnahme: | maximal:in Standby ca.: | 800W10 W | |
| Abmessungen: | (B x H x T): | 450 x 109 x 332 mm | |
| Gewicht: | ca.: | 15 kg | |
Änderungen vorbehalten.
Abmessungen

text_image
461.2 9 57.15 104 nsVox 450
text_image
ca. 28 332
●)) Mit der IR-Fernbedienung REVOX B208 fernsteuerbare Funktionen
Frontseite:
| Bedienungselement | Funktion | Seite | ||
| [1] | POWER | ●)) | Ein-/Ausschalter. Der Verstärker wird im zuletzt gewählten Betriebs-Modus eingeschaltet. Ein weiteres Drücken schaltet den Verstärker wieder aus (Standby). | 7 |
| [2] | VOLUME + | ●)) | Lautstärke erhöhen. Mit > in 1 dB-Schritten und mit >> in 3 dB-Schritten. Beim Programmieren Pegel erhöhen. | 10 |
| [3] | VOLUME - | ●)) | Lautstärke absenken. Mit < in 1 dB-Schritten und mit << in 3 dB-Schritten. Beim Programmieren Pegel absenken. | 10 |
| [4] | OPEN | Öffnet die Abdeckklappe zum zweiten Tastenfeld und beinhaltet den IR-Empfänger. Die Klappe kann zum Schliessen einfach hochgehoben werden. | 11 | |
| [5] | -20 dB | ●)) | Jedes Drücken dieser Taste senkt das Volumen um 20 dB ab. Rückstellen mit VOLUME + [2]. | 10 |
| [6] | VIDEO | Nur in Verbindung mit der Quellen-Erweiterung REVOX B200 · Controller aktiv. Ermöglicht das Anwählen zusätzlicher Signalquellen wie TV, VCR 1/2 und DISC. | 10 | |
| [7] | PHONO | ●)) | Signalquellen-Wahltaste für Plattenspieler. | 9 |
| [8] | CD | ●)) | Signalquellen-Wahltaste für CD-Spieler. | 9 |
| [9] | AUX | ●)) | Signalquellen-Wahltaste für den Reserve-Eingang. | 9 |
| [10] | TAPE 2 | ●)) | Signalquellen-Wahltaste für Tonbandgerät 2. | 9 |
| [11] | TAPE 1 | ●)) | Signalquellen-Wahltaste für Tonbandgerät 1. | 9 |
| [12] | TUNER | ●)) | Signalquellen-Wahltaste für Tuner. | 9 |
| [13] | PRE-OUT | LED signalisiert den eingeschalteten Vorverstärker-Ausgang PRE-OUT. | 11 | |
| [14] | REMOTE | LED signalisiert den Empfang von IR-Fernsteuer-Signalen. | 24 | |
| [15] | Display | 20stelliges Vacuum-Fluoreszenz-Display. Zeigt den Betriebszustand des Gerätes. | 9 | |
| [16] | SPEAKERS B | LED signalisiert den eingeschalteten Lautsprecher-Ausgang SPEAKERS B. | 11 | |
| [17] | SPEAKERS A | LED signalisiert den eingeschalteten Lautsprecher-Ausgang SPEAKERS A. | 11 | |
| [18] | PHONES | Anschlussbuchse für Kopfhörer. | 11 | |
| [19] | REC-OUT | Die Aufnahmequelle entspricht nicht der gehörten Quelle. Das Display [15] ändert die Anzeigeart z. B. auf: IN : TUNER REC : TAPE 1. | 13 | |
| [20] | MC | Wahl des Moving Coil-PHONO-Vorverstärkers bei vorhandener MC-Option, ansonsten inaktiv. | 14 | |
| [21] | SEPARATED | Trennen von Vorverstärker und Endverstärker, um z. B. einen Equalizer dazwischen zu schalten. | 15 | |
| Bedienungselement | Funktion | Seite | |
| [38] | PHONO MC | Eingangs-Buchsen (CINCH) für einen Plattenspieler mit Moving Coil-Abtastsystem (Option). | 14 |
| [39] | Masse-Anschluss für die Plattenspieler-Erdung. | 5 | |
| [40] | PHONO MM | Eingangs-Buchsen (CINCH) für einen Plattenspieler mit Moving Magnet-Abtastsystem. | 14 |
| [41] | PF | Schalter zur Anpassung der Eingangskapazität des PHONO MM-Einganges an die Kapazität des Plattenspielers. | 14 |
| [42] | CD | Eingangs-Buchsen (CINCH) für einen CD-Spieler. | 5 |
| [43] | AUX | Eingangs-Buchsen (CINCH) für eine zusätzliche Signalquelle (Reserve-Eingang). | 5 |
| [44] | TAPE 2 | Eingangs-Buchsen (CINCH) für die Wiedergabe ab Tonbandgerät 2. | 5 |
| [45] | TAPE 1 | Eingangs-Buchsen (CINCH) für die Wiedergabe ab Tonbandgerät 1. | 5 |
| [46] | TUNER | Eingangs-Buchsen (CINCH) für einen Tuner (Empfänger). | 5 |
| [47] | PWR-AMP | Eingangs-Buchsen (CINCH) für eine direkte Einspeisung in die Leistungs-Endstufen. | 15 |
| [48] | MONITOR | Ausgangs-Buchsen (CINCH) mit festem Pegel für einen zusätzlichen Verstärker. | 6 |
| [49] | TAPE 2 | Ausgangs-Buchsen (CINCH) für Aufnahmen mit Tonbandgerät 2. | 6 |
| [50] | TAPE 1 | Ausgangs-Buchsen (CINCH) für Aufnahmen mit Tonbandgerät 1. | 6 |
| [51] | RECORD | Ausgangs-Buchsen (CINCH) für einen zusätzlichen Aufnahme-Kanal. | 7 |
| [52] | SERIAL LINK | Serieller Steueranschluss für den Anschluss eines externen IR-Empfängers REVOX B206. Über diese Buchse kann auch der interne IR-Empfänger ausgeschaltet werden (Pin 1 mit Pin 2 und Pin 4 mit Pin 5 verbinden). | |
| [53] | PRE-AMP | Ausgangs-Buchsen (CINCH) für den Anschluss von Aktiv-Lautsprecherboxen (Vorverstärker-Ausgang). | 6 |
| [54] | SPEAKERS A | Lautsprecher-Klemmen der Lautsprechergruppe A. | 6 |
| [55] | SPEAKERS B | Lautsprecher-Klemmen der Lautsprechergruppe B. | 6 |
| [56] | AC POWER | Netzanschluss. | 7 |

text_image
[12] [11] [10] [9] [8] [7] [6] [5] [4] [3] [2] [1] B 250 • AMPLIFIER TUNER 1 TAPE 2 AUX CD PHONO -20 dB TV 1 VCR 2 DISC < VIDEO OPEN TUNER [13] [14] [15] [16] [17] [18] [19] [20] [21] [22] [23] [24] [25] [26] [27] [28] [29] [30] [31] [32] [33] [34] [35] [36] REVOX IR REMOTE SYSTEM POWER TUNER VOLUME VOLUME D P D P VOLUME VOLUME MAX VOLUME SENSITIVITY FLOWSNESS SIGNAL PROM NO. PROGRAM SEPARATUS SENSITIVITY F LUNCH L BALANCE F PRE OUT STONE
text_image
MC. PHONO MM PF 450 VSD R INPUTS CD AUX 2 TAPE 1 TUNER PWRAMP MONITOR 2 TAPE 1 RECORD PRE-AMP OUTPUTS SERIAL LINK RIGHT SPEAKERS LEFT AC POWER 320 V [38] [40] [42] [44] [46] [48] [50] [52] [54] [56] [39] [41] [43] [45] [47] [49] [51] [53] [55]
flowchart
graph TD
subgraph_Left_Channel["OUTPUTS (LEFT CHANNEL)"]
direction TB
MONITOR1["MONITOR"] --> RECOR1["RECOR"]
RECOR1 --> TAPE1["TAPE1"]
TAPE1 --> TAPE2["TAPE2"]
TAPE2 --> TUNER["TUNER"]
TUNER --> TAPE1
TAPE1 --> TAPE2
TAPE2 --> TAPE2
TAPE2 --> AUX["AUX"]
AUX --> CD["CD"]
CD --> PHONO["PHONO"]
PHONO --> MM["MM"]
MM --> RIAA["RIAA"]
end
subgraph_Right_Channel["INPUTS (LEFT CHANNEL)"]
direction TB
S_P["S/P"] --> DATA_SO["DATA TO RIGHT CHANNEL"]
DATA_SO --> S_P["S/P"]
S_P --> DATA_A/B_CS["A/B/CS"]
DATA_A/B_CS --> R_W["R/W"]
R_W --> DUAL_DAC["DUAL-DAC"]
DUAL_DAC --> BASS["BASS"]
end
MC --> STR_SEL["STR SEL"]
STR_SEL --> STR_VOL["STR VOL"]
STR_VOL --> S_DATA["S DATA"]
S_DATA --> STR_IN["S CLK"]
STR_IN --> TC_OFF["TC OFF"]
INPUT_OUTOUT["INPUT - OUTPUT UNIT"] --> P_S["P/S"]
P_S --> DATA_IN["P/DAT IN"]
DATA_IN --> SW_INP["SW INP"]
SW_INP --> TUNER
TUNER --> TAPE1
TAPE1 --> TAPE2
TAPE2 --> AUX
AUX --> CD
CD --> PHONO
PHONO --> RIAA
RIAA --> DUAL_DAC
DUAL_DAC --> BASS
BASS --> BASS
BASS --> PREAMPLIFIER["PREAMPLIFIER"]
PREAMPLIFIER --> TIMELS["TIME L"]
TIMELS --> INPUTR["INPUT R"]
TIMELS --> TEMPR["TEMP R"]
TIMELS --> TEMPL["TEMP L"]
TIMELS --> PWRL["PWR L"]
TIMELS --> PWRR["PWR R"]
TOPMICROM["TO MICROCOMPUTER CONTROL"] --> INPUTL["INPUT L"]
INPUTL --> INPUTR["INPUT R"]
INPUTR --> TEMPR["TEMP R"]
TEMPR --> TEMPL["TEMP L"]
TEMPL --> PWRL["PWR L"]
PWRL --> PWRR["PWR R"]

flowchart
graph TD
A["Speaker A (LEFT)"] --> B["SP A"]
C["Speaker B (LEFT)"] --> D["SP B"]
E["Phone 6"] --> F["P S"]
G["Pre OUT WITH TC"] --> H["P P S"]
I["Pre OUT DIRECT"] --> J["P P S"]
K["PreAMP OUTPUT (LEFT)"] --> L["P P S"]
M["POWER AMP IN (LEFT)"] --> N["P H"]
O["POWER AMP"] --> P["P B"]
Q["HEAT SINK"] --> R["POWER AMP"]
S["TC OFF"] --> T["TC"]
U["EN"] --> V["SPEAKERS PRE OUT"]
W["POWER FAIL DETECT"] --> X["POWER SUPPLY"]
ENGLISH
E
Operating Instructions REVOX B250/B250-S · Amplifier
IMPORTANT
ENGLISH: Order No.: 10.30.0720 DEUTSCH: Bestell-Nr.: 10.30.0710
Installation

EinfachAnleitung