GZNA 1.2500DXII - Autoradio Ground Zero - Kostenlose Bedienungsanleitung
Finden Sie kostenlos die Bedienungsanleitung des Geräts GZNA 1.2500DXII Ground Zero als PDF.
Benutzerfragen zu GZNA 1.2500DXII Ground Zero
0 Frage zu diesem Gerät. Beantworten Sie die, die Sie kennen, oder stellen Sie Ihre eigene.
Eine neue Frage zu diesem Gerät stellen
Laden Sie die Anleitung für Ihr Autoradio kostenlos im PDF-Format! Finden Sie Ihr Handbuch GZNA 1.2500DXII - Ground Zero und nehmen Sie Ihr elektronisches Gerät wieder in die Hand. Auf dieser Seite sind alle Dokumente veröffentlicht, die für die Verwendung Ihres Geräts notwendig sind. GZNA 1.2500DXII von der Marke Ground Zero.
BEDIENUNGSANLEITUNG GZNA 1.2500DXII Ground Zero
Bitte sorgfältig lesen
Vielen Dank, dass Sie sich für eine Endstufe der Marke Ground Zero entschieden haben.
Unsere Kunden sind es gewöhnt, von Ground Zero die beste und modernste
Technologie zu erhalten. Viel Spaß mit diesen Produkten.
Einführung Class-D Verstärker
Diese Class-D Mono Verstarker vorholfen Ihrer Anlage aufgrund Ihrer modernen Schaltungstechnik und sehr hohen Effizionz zu einem beeindruckenden Klangerebnis. Durch Digitale Schaltungstechnik im Notzelt und in der Signalverarbeitung ist es möglich sehr ohne Leistungen aus dem zur Verfügung stehenden Strom zu erzielten. Da durch verschiedene Filter und Schaltungen eine sehr große Leistungsausbeute erreicht wird, sind diese Verstarker nur für tiete Frequenzinformationen bestimmt (Subwoofer) und können dadurch nicht für Hoch- und Mittelternsysteme eingesetzt werden.
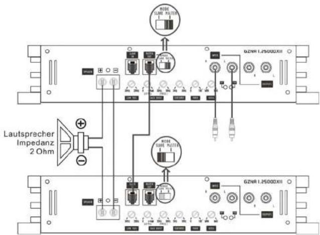
Durch den Linkmodus ist es möglich geworden die volle Leistung von 2 Verstärkem für einen Laufsprecher zu nutzen. Das ist besonders für eine sehr druckvolle und lebendige Wiedergabe von Musik von Vorteil.
Ausstattungsmerkmale
• Class-D Design für hohe Effizienz
Stabilisiertes
Doppel-Netzteil
• Dämpfungsfaktor >180 bei 100 Hz 4Ω
• 16 Volt max. Spannungsvorsorgung
- Unkbar mit 1 Verstärker
1 Ω stabil (Linkbetrieb 20)
• Full Power MOS-FET Verstärker
• Power und Protect Anzeige
- Tlcnass regelbar 30 = 250 Hz
■ Subscopic regulator 5 - 50 Hz
- 180% variable Phase Shift
- 200 TANGSIET ITEMS
August Kühlkörper
- Eingangsemprindlichkeit regelbar 200mV \~ 9 Volt
• RCA Engänge & Ausgänge
Bassremote Control
• 0 \~ +9dB Basshoost (30 - 80 Hz)
Benötigte Materialien und Werkzeuge zur Installation
• Kreuzschlitz Schraubendreher
• Bohrmaschine, 3 mm Metallbohrer
• Befestigungsschrauben
- Stromkabel min. 35 mm ^2
- Massekabel min 35 mm ^2
• Lautsprecherkabel min. 2 x 4 mm ^2
Bitte unbedingt beachten!
- Fahrzeugbatterie vor der Installation abklemmen! (Hinweise in der Betriebsanleitung des KFZ beachlen!)
- Keine Löcher in den Tank, die Bremsleitung, Kabel oder andere wichtige Fahrzeugteile bohren!
- Kabel niemals über scharfe Kanten führen. Es ist empfehlenswert, die Stromversorgung der Endstufe mit einer Zusatzbatterie (GZBP 12.2500 oder GZPP 12.3500) zu puffern, um eine stable Betriebsspannung zu gewährleisten.
WARNUNG!
Hochleistungsstudiosysteme in Fahrzeugen können den Schallpegel eines „Live“ Konzertes erzeugen. Dauchhaft extrem lauter Musik ausgesetzt zu sein, kann den Vorlust des Hörvermögens oder Hörschäden zur Folge haben. Das Hören von lauter Musik beim Autofahren kann auch die Wahrnehmung (Warnsignale) beeinträchtigen. Im Interesse der allgemeinen Sicherheit empfehlen wir, beim Autofahren die Musik auf gelinger Lautstärke zu hören.
Planung
Vor der Installation sollten Sie folgende Punkte berücksichtigen:
a) Bitte beachten Sie bei der Wahl des Einbauortes, daß eine ausreichende Luftzirkulation zur Kühlung des Gerätes gewährleistet ist.
b) Wenn Ihr Radio mit Vorverstärkerausgangen ausgerüstet (RCA) ist, ist es ratsam, diese zu nutzen.
Einbau des Verstärkers
a) Den passenden Einbauplatz auswahlen, zu dem die Leitungen leicht verlegt werden können und an dem es genügend Platz für die Luftzirkulation und Kühlung gibt.
b) Den Verstärker als Schablone benutzen, um die Einbaustellen zu markieren. Den Verstärker entfernen und 4 Löcher bohren. Den Verstärker mit den vorgesehenen Schrauben befestigen.
Warnung
Bitte diese Systeme so einbauen, daß Elektroanbindungen vor Beschädigungen geschützt sind.
+12 Volt DC Elektrokabel müssen auf der Batterieseite abgesichert sein. Bitte sicherstellen, daß das Radio und andere Geräte ausgeschaltet sind, wenn Sie die Geräte anschliessen.
Da diese Endstufe keine integrierte Gerätesicherung besitzt, ist es absolut notwendig, den im Lieferumfang enthaltenen ANL-Sicherungshalter mit 200A Sicherung anzuschließen.
Die Kabellänge zwischen Verstärker und Sicherungshalter sollte max. 20cm betragen!
Bitte beachten Sie hierzu das Anschlussdiagramm auf der nächsten Selbe!
Stromanschluss

text_image
Zum Remote Anschluss des Radios 200 A ANL. Sicherungshalter (Im Lieferumfang enthalten) Kabellänge max 20cm Empfohlene Sicherung 200 A (z.B. GZFH 200) Masse Batterie Masse 5Einstellungen und Funktionen

text_image
Vorne 624R 1.2500DXII Hinten 6Einstellung und Funktionen
| 1 | Lautsprecheranschlüsse Zum Anschluss des Subwoofers | |
| 2 | Stromanschluss | BRD -> Masse AnschlussREM -> Remote AntennenanschlussBATT -> +12 Volt |
| 3 | Zustandsanzeige | BLAU - OKROT - Fachlor |
| 4 | Cinch Eingänge | An disson Anschlüssen schlißion Sie die Cinchittungen an.Um Störungen zu vermeiden, verwenden Sie bitte hochwertigeCinch kabel. |
| 5 | Input Levelregler | Mit diesem Regier regulieren Sie die Eingangsempfindlichkeit. |
| 6 | Bass Boost Regler Zum Einstellen des Bass Boos | I Levels im Bereich von 0 bis +9 dB. |
| 7 | Bass Frequenz Regler | Zum Einstellen der Bass Boost Frequenz Im Bereich von 30 bis 80Hz. |
| 8 | Subsonic Regler | Mit dem Subsonic-Filter lassen sich diefe Frequenzen, Im Bereich von 5 - 50 Hz weg tillern. Dies senkt den mechanischen Hub und erhöhe die beilastbarkeit des angeschlossenen Subwoofers. |
| 9 | Cinch Ausgänge Zum Anschluss weiterer Verstärker. | |
| 10 | Low Pass Regler | Justieren Sie die variable Lowpass Frequenz mit dem Regier auf die gewünschte Frequenz, 30 – 250 Hz. |
| 11 | Phase Shift Regler | Decker Regler / Schaller erlaubt Ihnen, den Subworderkanal phessonrichtig an des Frontsystem anzupassen. |
| 12 | Remote Control Eingang Zum | Anschluss als Bass Laustärkoreglers. |
| 13 | Slave In Anschluss Zum Anschluss des Slave-Verstärkers im Linkmodus. Siche Seite 8 | |
| 14 | Master Out Anschluss Zum Anschluss des Master-Verstärkers im Linkmodus. Siche Seite 8 | |
| 15 | Master / Slave Switch Schalter | Hier wählen Sie den Betriebsmodus, os jeweiligen Verstärkers im Linkmodus. Siche Seite 8 |
| 16 | Kondensator Anschluss | Hier können Sie optional einen Pufferkondensator ( Powercap) anschlossen. |
Einschalten des Verstärkers
Der Verstärker schaltet sich automatisch einige Sekunden nach dem Einschalten des Radios ein.
Achtung: Ihr Verstärker schaltet sich zeitweise aus, wenn er überhitzt ist, schaltet sich jedoch nach der Abkühlung automatisch wieder ein (ca. 80°C).
Einstellung des Audiopegels
- LEVEL (MIN/MAX): mit Linksdrehung ganz auf MIN drehen
- Drehen Sie die Lautstärke am Radio auf ungefähr 1/3 der Höchstlautstärke
- Stellen Sie am LEVEL- Regler eine angenehme Lautstärke ein
Lautsprecheranschlüsse

text_image
SUBWOOFER 1~8 Ohm 62M1.2500CKI Zum Line Out des Autoradios Zum Input weiterer VerstärkerMaster & Slave Betrieb

text_image
Lautsprecher Impedanz 2 Ohm GZNR 1.25000XII GZNR 1.25000XIITechnische Daten
| Model GZNA 1.2500DXII | |
| RMS Power @ 4 ΩCEA Standard CEA-2006-A | 850W (1% THD+N)1100W (10% THD+N) |
| RMS Power @ 2 ΩCEA Standard CEA-2006-A | 1500W (3% THD+N)2000W (10% THD+N) |
| RMS Power @ 1 ΩCEA Standard CEA-2006-A | 2300W (2% THD+N)3000W (10% THD+N) |
| RMS Power @ 2Ω LinkmodeCEA Standard CEA-2006-A | 1 x 4600W (1% THD+N)1 x 6000W (10% THD+N) |
| Dämpfungsfaktor | > 180 |
| Signal to noise Ratio | > 90 dB |
| Tiefpass Weiche | 30 – 250 Hz (24 dB) |
| Bandpass Weiche | 5 Hz – 250 Hz (24 dB) |
| Subsonic Filter | 5 Hz – 50 Hz (24 dB) |
| Bass boost | 0 ~ +9 dB |
| Bass boost Frequenz | 30 Hz ~ 80 Hz |
| Phase shift | 0 – 180° |
| Frequenzgang | 5 Hz – 250 Hz |
| Wirkungsgrad @ 4 Ω | ~ 80 % |
| Eingangsempfindlichkeit | 200 mV – 9 V(+ 5%) |
| THD | < 0,50 % |
| Bass-Pegelfembedienung | √ |
| Sicherung | Extomo ANL-Sicherung 200A(m Lieferumfang enthalten) |
| AbmessungenB x H x L mm | 305 x 62 x 450 |
| AbmessungenB x H x L inch | 12 x 2,44 x 17,7" |
Wenn irgendetwas nicht funktioniert
| Problem Kontrolle Hilrc | ||
| Kein Ton Leuchtet die PWR LED? Sicherung prüfen | Remote Kabel prüfen+12 Volt prüfenMasse prüfen | |
| Leuchtet die PROT | LED? Kurzschluss am Lautsprecher | Geritz übermittigtGeritz defekt |
| Verstärkerschaltet nicht ein | Keine Stromzufuhr Sicherung prüfen | +12Volt prüfenMasse prüfen |
| Keine Spannung am Remote Remote am Radio prüfen | ||
| Verstärkerschaltet beiLaustärke ab | Lautsprochenimpedanz prüfen Prufen Sie, ob der Widerstand am LS Terminal von 1 Ohm nicht unterschnitten wird | |
| Ton fehlt an einem Kanal | Cinch / Lautsprochorkabel prufen Kabel/Siccker beschädigt | |
Die Gewährleistung entspricht der gesetzlichen Regelung. Eine Rücksendung kann nur nach vorheriger Absprache und in der Originalverpackung erfolgen. Bitte unbedingt einen maschinell erstellten Kaufbeleg und eine Fehlerbeschreibung beilegen. Von der Gewährleistung ausgeschlossen sind Defekte, die durch überlastung, unsachgemäße Behandlung oder bei Teilnahme an Weltbewerben entstanden sind.
Wir behalten uns das Recht vor, zukünftig nötige Änderungen oder Verbesserungen an dem Produkt vorzunehmen ohne den Kunden darüber zu informieren.
Die Gewährleistung entspricht der gesetzlichen Regelung. Eine Rücksendung kann nur nach vorheriger Absprache und in der Originalverpackung erfolgen. Bitte unbedingt einen maschinell erstellten Kaufbeleg und eine Fehlerbeschreibung beilegen. Von der Gewährleistung ausgeschlossen sind Defekte, die durch überlastung, unsachgemäße Behandlung oder bei Teilnahme an Weltbewerben entstanden sind.
Wir behalten uns das Recht vor, zukünftig nötige Änderungen oder Verbesserungen an dem Produkt vorzunehmen ohne den Kunden darüber zu informieren.
Die Gewährleistung entspricht der gesetzlichen Regelung. Eine Rücksendung kann nur nach vorheriger Absprache und in der Originalverpackung erfolgen. Bitte unbedingt einen maschinell erstellten Kaufbeleg und eine Fehlerbeschreibung beilegen. Von der Gewährleistung ausgeschlossen sind Defekte, die durch Überlastung, unsachgemäße Behandlung oder bei Teilnahme an Wettbewerben entstanden sind.
Wir behalten uns das Recht vor, zukünftig nötige Änderungen oder Verbesserungen an dem Produkt vorzunehmen ohne den Kunden darüber zu informieren.
Die Gewährleistung entspricht der gesetzlichen Regelung. Eine Rücksendung kann nur nach vorheriger Absprache und in der Originalverpackung erfolgen. Bitte unbedingt einen maschinell erstellten Kaufbeleg und eine Fehlerbeschreibung beilegen. Von der Gewährleistung ausgeschlossen sind Defekte, die durch Überlastung, unsachgemäße Behandlung oder bei Teilnahme an Wettbewerben entstanden sind.
Wir behalten uns das Recht vor, zukünftig nötige Änderungen oder Verbesserungen an dem Produkt vorzunehmen ohne den Kunden darüber zu informieren.
EinfachAnleitung