Vega BC60 HCB600400S - Patelnia HARVIA - Bezpłatna instrukcja obsługi
Znajdź bezpłatnie instrukcję urządzenia Vega BC60 HCB600400S HARVIA w formacie PDF.
Pytania użytkowników dotyczące Vega BC60 HCB600400S HARVIA
0 pytanie dotyczące tego urządzenia. Odpowiedz na te, które znasz, lub zadaj własne.
Zadaj nowe pytanie dotyczące tego urządzenia
Pobierz instrukcję dla swojego Patelnia w formacie PDF za darmo! Znajdź swoją instrukcję Vega BC60 HCB600400S - HARVIA i weź swoje urządzenie elektroniczne z powrotem w ręce. Na tej stronie opublikowane są wszystkie dokumenty niezbędne do korzystania z urządzenia. Vega BC60 HCB600400S marki HARVIA.
INSTRUKCJA OBSŁUGI Vega BC60 HCB600400S HARVIA
PL: Bezpiecznik termiczny urzadzenia要去iadziatac zusammen with temperature, transport, otoczenia. Przed montazem nalezy umieść urzadzenia wcieptym.),Bezpiecznik ter-. miczny przy zrestarowac, gdy temperatura urzadzenia osiagnie ok. 18^ / 64^ .Bezpiecznik termiczny nalezy zrestarowac przeder uzyciem urzadzenia.Zob.instrukcja obstugi Restartatowanie bezpiecznika termicznego.
Niniejsza instrukcja instalacji i eksploataci jest przyznaczona dla wlascieli sauny lub osob odpowiedzialnych za saune, jak rowniez dla elektrykow odpowiedzialnych za podlącenie elektryczne pieca. Po zakończenu instalacji osoba odpowiedzialna powinna przybekazć niniejsza instrukcje wlascielowy sauny lub osobie odpowiedzialnej za jej eksploatacje. Przed Rozpoczeciem eksploataci piça nalezy dokadnie zapoznac sie z niniejsza instrukcja.
Piec sLUzy do ogrzewania kabiny sauny do odpowiednej temperaturekapieli.Piecow Nie wolno uzywacdo zadnych innych celow.
Gratulujemy Państwu dobrego wyboru!
Gwarancja:
- Okres gwarancji na piece i urzadzenia sterujuce stosowane w saunach przyznaczonych do uzytku w domach jaknorodzinnychwynosi dwa (2) lata.
- Okres gwarancji na piece i urzadzenia sterujuce stosowane w saunach przyznaczonych do uzytku w mieszkaniach znajdujacych sie w domach wielorodzinnychwynosi jedem (1) rok.
Gwarancja nie obejmuye usterek winiklych z nie przyestrzegania instrukcji montazu, uzytkowania lub prac konserwacyjnych.
Gwarancja nie obejmuhe uszkodzen powstazych na skutek uzycia innych kamieni niz zalecane przyez producenta pieca.
SPIS TRESCI
- EKSPLOATACJA PIECA 70
1.1.Ukladanie kamieni uzywanych w saunie 70
1.1.1.Konserwacia 70
1.2.Nagrzewanie sauny 71
1.3.Eksploatacia pieca 71
1.3.1.Wtaczanie pieca 71
1.3.2. Ustawianie czasu (wyłacznik czasowy) 71
1.3.3.Wylaczanie pieca 72
1.3.4.Ustawianie temperature 72
1.4.Polewanie woda Rozgrzanych kamieni 72
1.5.Wskazowki korzystania za sauny 73
1.6.Ostrzezenia 73
1.6.1.Opis symboli 73
1.7.Wyszukiwanie usterek 73
2.KABINA SAUNY 75
2.1. Konstrukcja kabiny sauny 75
2.1.1.Ciemnienie sian sauny 75
2.2.Wentylacja kabiny sauny 76
2.3.Moc pieca 76
2.4.Higiana kabiny 76
- INSTRUKCJA INSTALACJI 77
3.1.Czynnosci wstepne 77
3.2.Mocowanie pieca na sceanie 77
3.3.Podlaczenie elektryczne 79
3.3.1. Rezystancja izolacji pieca elektrycznego 79
3.4.Instalowanie modu sterujucego ic czujnikow (BC-E) ... 80
3.4.1. Odpowiednie urzadzenia kontrolne 80
3.5. Resetowanie wyłacznika termiczngo 81
4.CZESCI ZAMIENNE 96
CS
Kamehka npn3BODNT wym.
BC: TaImep -3TO MexaHnuecKe oYCTPOINCTBO, KOToPoTe TnKaeT (n3daet 1ueNKn) npu HopMaJIbHO np6oTe. EcnT NkAHe CbluH OJaKe npu BbIKJIOUeHHO KaMeHKe, npOBepbTe npOBODky TaImepa.
BHe3aHbIe rPOMKne 3ByKn Hau6oJIee BepoTHO Bbl3BaHbI pa3pyuHaOuUIMnCn Pn HaPeBe KaHMn.
TeTNOBoe paCUnpeHne DeTaleKaMeHKn npN ee HArpeBe TaKke MoKTe 6bIb npuHoh Wyma.
1.1. Ułkadanie kamieni uzywanych w saunie Odpowiednie utożenie kamieni ma duź wptyw na funkcjon-nowanie pieca (rys. 1).
Wazne informace o kamieniach sauny:
- Kamienne powinny miec srednice 5-10 cm.
Uzywaj kamieni o nieregularnych ksztaltach przyeznaczonych do pieców. Perydotypt, diabazolwinowy i oliwin to odpowiednie materiały. - Nie uzywaj lekkich, porowatych „kamieni" ceramicznych ani miękkich steatyów. Podgrzane nie absorbuju wystarczajco ciepla. Moze to spowodstaw uzskodzenia grzałek.
Zmyj pyl z kamieni przyd wtozeniem ich do pieca.
Podczas umieszczania kamieni:
- Nie wrzucaj kamieni do pieca.
- Nie blokuj kamieni pomiedzy grzalkami.
- Kamieni nie nalezy ukladac zbyt ciasno, nalezy pozostawic miejsce na przypewygowietrza przyez piec.
Ukladaj kamienie tak, aby podtrzymywały sie wzajemnie, a ich cięzar nie przenosil sie na grzalic. - Nie uładaj wysokiej sterty kamieni na piecu.
- Przemioty lub urzadzenia, któ moglyby zmienić przypopław powietrza przyez piec, nie powinny być umieszczane w mistręsca na kamieniach lub w povlizu pieca.

Rys.1.Uklatanie kamieni w piecu Obrazek 1. Skladani topnych kamenu
1.1.1. Konserwacja
Z powodu duzych wahan temperature kamienie czasem sie rozpadaja. Poprawiaj ulozenie kamieni przyznajmiej raz w roku, lub czosciiej, jesti sauna jest stale uzywana. Rownoczesnie usun wzystkie fragmenty kamieni ze spodu pieca i zastap rozpadajace sie kamienie nowymi. Dzięki temu zachowane zostana optimalne parametry pieca, a ryzyko przyegrzania zniknie.
1.1.1. Udrzba
1.2. Nagrzewanie sauny
Nowy piec, wączony po raz pierwszy, wraz z kamieniami wydziela charakterystyczny zapach. Aby go usunarć, trzeba dobrze przywietrzać pomieszczenie sauny.
Jesli moc wyjsciowa pieca jest dopasowana do kabiny, nagrzanie prawidlowo izolowanej sauny do wymaganej temperature trwa okolo godziny (2.3.). Kamienie uzywane w saunie osiagaja wymagana temperature kapieli jegnoczesnie z calym pomieszczeniem sauny. Wlasciwa temperature w pomieszczeniu saunywynosi 65 - 80^
1.3. Eksploatacja pieca
Przed wączeniem pieca zawsze trzeba sprawdzić,czy na piecu lub w了我的战略布局 nie znajduja sieźne przyȩdmioty.1.6.
Modele pieców BC45, BC60, BC80 i BC90 sq wyposazone w zegar i termostat. Zegar sluzy do ustawiania czasu dzialania pieca, a termostat - odpowiednej temperatury.1.3.1.-1.3.4.
- Obsługa pieców BC45E, BC60E, BC80E i BC90E mözgliwa jest tylko za posrefnictwem SPECIALNCH sterowników. Przed Rozpoczeciem eksploataciNJ alezy dokladnie zapoznać sie z instrukcja obslugi sterownikaj pieca.
CS
1.2.Vyhrivani sauny
Pri prvnim zapnuti topneho tlesa vydava topne tleso i kameny pach. Saunu je proto nutné dūkladné vyvětrat.
Ucelem topneho tlesa je zvysit teplotu sauny a topnych kamenu na pozadovanou provozni teplotu. Pri vykonu topneho tlesa opodvaidiciho velikosti sauny netrva vyhratii radne tepelnie izolovanene sauny na pozadovanou teplotu dele nez hodinu (2.3.). Topne kameny se obvkykle ohrivaji na pozadovanou provozni teplotu pribliznve stejnou dobu jakoauna.Vhodna teploty v saunje +65^ a ± 80^
1.3. Provoz kamen

Rys.2. Przelacznik zegara Obrazek 2.Vypinačcasovace
Rys.3. Przelacznik termostatu Obrazek 3.Vypinac termostatu
1.3.1. Włączanie pieca

Ustaw przyȩcznik zagara na „wȩczony” (A na rysunku 2, 0-4 godziny). Piec rozpoczyna grzanie.
1.3.2. Ustawianie czasu (wyęacznik czasowy)

Ustaw przyȩćznik zagara na „ustawianie czasu" (B na rysunku 2, 0-8 godzin). Piec Rozpocznie grzanie, gdy przyȩćznik przesunie sie na obszar „wȩćzony". Piec bedzie wȩćzony o cztery godziny.
Przyklad: Chcesz wyjsć na trzy godzinny spacer, a poźniaj wzią kapiel w saunie. Ustaw pokretło zegara w poz. „ustawianie czasu" (na 2).
Zegar Rozpoczyna odliczanie, a po 2 godzinach - grzanie. Poniewazogrzanie kabiny zajmuje okato godziny, sauna bedzie przygotowana po trzech godzinach, to jest wtedy, gdy wrocisz ze spaceru.
1.3.3. Wyłuczanie pieca

Piec wyłacza sie, gdy zegar ustawi przyȩclaznik ponownie na zero. Możesz wyłaczycie piec samodzielnia, ustawiajac Pokrto w pozycji zero.
Wylacz piec po kapieli. Czasami zaleca sie pozostawienie na chwie wączonego pieca, by osuszyc drewniane częsci sauny.
UWAGA! Zawsze sprawdzaj,czypiec sie wyłaczy po tym, jak zegar ustawil przy.§cznik na zero.
1.3.4. Ustawianie temperature
Termostat (rys. 3) sluzy do utrzmywania pozadanej temperatury w kabinie sauny. Dobierz najbardziej odpowiadajace Ci ustawienie eksperymentalnie.
Rozpocznj od ustawenia maksymalnego. Jesli podczaskapieli temperatura zbyt wrośnie, przyzekrć lekko pojkrotwo lewo. Uwaga! Nawet najmiejsze odchylenie od poźycjimaksymalnej znaczo zmieni temperaturew saunie.
1.4. Polewanie woda Rozgrzanych kamieni
Rozgrzane powietrze w saunie staje sieSuche. Dlategonagrzane kamienie w saunie trzeba polewac woda,abyzwiekszyc wilgotnosc powietrza do pozadanego poziomu. Cieplo i para roznie dzialaja na poszczejolne osoby -eksperimentujac,znajdziesz odpowiednie dla siebieustawientia.
UWAGA! Pobjemnosc czerpakawynosi 0,2 litra. Ilosc wody Jednorazowo wylewanej na kamienie nie powinna byc wieksza od 0,21, poniewa z przy polaniu kamieni wieksza iloscia wody tylko jej czesc wyparuje, a reszta w postaci wrzatku moze Rozprysnac sie na osoby korzystajace z sauny. Nie wolno polewa c kamieni woda, gdy w povlizu pieca znajduja sie innate osoby, poniewa z Rozgrzana para woda moze spowodawac oparzenia.
UWAGA! Woda, ktora polewa sie kamienie, powinna speltniac wymagania okreslone dla czystej wody gospodarczej (tabela 1). Dla zapachu moza dodawac do wody spejalne aromaty przyznaczone do saun. Aromaty nalezy stosowac zgodnie z instrukcja podana na ich opakowaniu.

1.3.3. Vypnuti kamen

| Własciwość wody Vlastnost vody | Efekt Učinek | Zalecenie Doporučení |
| Nagromadzenie osadów organicznych Něcistoty | Kolor, smak, wytrącanie osadów Zbarvení, chuf, usazeniny | < 12 mg/l |
| Nagromadzenie zwiaginiów zeilaza Železitá voda | Kolor, nieprzyjemny zapach, smak, wytrącanie osadów Zbarvení, zámach, chuf, usazeniny | < 0,2 mg/l |
| Twardość: najgroźniejszymi substancjami są mangan (Mn) oraz wapno, czyli zwiagini wapnia (Ca) Tvrdost:nejdūležitějśimi slożkami jsou mangan (Mn) a vapenec, resp. vaplník (Ca) | WytrąCANOWU USazenINY | Mn: < 0,05 mg/L Ca: < 100 mg/l |
| Woda chlorowana Chlorovaná voda | Zagrożenie zdrowia Škodí zdraví | Zakazana Nesmí se používat |
| Woda morska Mořska voda | Szybka korozja Rychlá koroze | Zakazana Nesmí se používat |
PL
1.5. Wskazówki korzystania z sauny
Zaczynamy od umycia sie.
- W saunie przybwyamy tak dlugo, jak dlugo czujemy sie tam przyjemnie i komfortowo.
- W saunie rozluzniamy sie i zapominamy o wzystkich trudnosciach i klopotach.
Zgodnie z przyejtymi zwyczajami w saunie nie przyszkadzamy innym glosna rozmowa itp.
- Nie polewamy kamieni nadmierna iloscia wody, gdyz要去 byc nieprzyjemne dla innych odob korzystajacych z sauny i jest uwazane za niegrzeczne.
- Ochladzamy skóre w miare potrzeby. Bedac dobrego zdrowia mozym poplywac, o ile w povlizu sauny jest basen lub innne.),do kapieli.
- Po wyjsciu z sauny doktadnie sptukujemy cate ciafo.
- Przed ubraniem sie przyczchwie odpoczwyamy, aby teta powrocilo nam do normy. Napij sie napojubezalkoholowego, by przywróci rownawy plynyow w organizmie.
1.6. Ostrzeżenia
- Przebywanie w Rozgrzanej saunie przydzszy czas powoduje wzrost temperaturyciała, coMZe byc niebezmieczne dla zdrowia.
- Nie polewac kamieni nadmierna iloscia wody. Powstajaca para wodna ma temperature wrzenia!
- Nie pozwalaj daneciom zblżac są do pieca.
- Dzieci, osob niepełnosprawnych i chorychNie wolno pozostawiać w saunie bez opieki.
Zaleca sie zasiegniecie porady lekarskiej odnosnie ewentualnych ograniczen w korzystaniu z sauny spowodowanych stanem zdrowia. - W kwestii korzystania z sauny przyze maize daneci naleź poradzić sie lekarza pediatry.
W saunie nalezy poruszac sie bardzo ostroznie, gdyz podest i podloga moga byc sliskie. - Nie wolno wchodzic do sauny po alkoholu, narkotykach lub zazyciu silnie dziatajych lekow.
- Nigdy nie spij w goracej saunie.
- Slone, morskie powietrze i wilgotny klimat moze powodowej korozje metalowych czeci pieca.
- Nie naleź wieszac ubran do wyschniecia w saunie, gdyz要去 grozić pozarem. Nadmierna wilgotnosc要去 takze spowodstaw uszkodzenia podzespolów elektrycznych.
1.6.1. Opis symboli

Zapoznaj sie z instrukcja

Nie dotyczy
1.7. Wyszukiwanie usterek
UWAGA! Wszelkiego rodzaju sprawdzen lub napraw moze dokonywać wykwalifikowy elektryk.
CS
- Sprawdz,czybezpieczniki pieca sa sprawne.
- Sprawdz,czykabelzasilajacyist podlaczony(3.3.).
- Ustaw przyȩcznik zagara na „wȩćzony” (1.3.1.).
- Włacz wyźsze ustawienie termostatu (1.3.4.).
- Sprawdz,czy zadział bezechznik termiczny.Zegar这部分,alepiecnie grzeje. ( 3.5.)
Kabina ogrzewa sie powoli. Woda wylana na kamienie sauny bardzo szybko ochładza je.
Sprawdz,czybezpieczniki pieca sa sprawne
- Sprawdź,czy wszystkie grzȩkówieczna, gdy piec jest wączony.
- Włucz wyźsze ustawienie termostatu (b.3.4.).
- Sprawdź,czy moc pieca jest wystarczajęc (2.3.).
- Sprawdź kamiecie sauny (1.1). Zbyt ciasno ulozone kamiecie, zmiana ich ulozenia lub nieodpwiedni ich typ moga utrudniać przyptywgowietrza przyez piec i obnizć jejego wydajnosć.
- Sprawdz,czy wentylacja kabiny sauny jest własciwa (2.2).
Kabina saunyogrzewa sie szybko, ale temperatura kamieni jest niewystarczajca. Woda wylana na kamienie scieka.
- Sprawdz,czy moc pieca nie jest zbyt wysoka (2.3.).
- Sprawdź,czy wentylacja kabiny sauny jest wąsciwa (2.2.).
Kabina sauny ogrzewa sie hierouwnomiernie.
- Sprawdzić,czypieczostawamzamontowany na odpowiednejwysokoSci.Piec najlepiejogrzewaaune, jesti jest zamontowany na wysokoSci 100 mm nad podlozem.Maksymalna wysokośc montazuwynosi 200mm. ( 3.2.)
Drewno lub inny material blisko pieca szybko ciemnieje.
- Sprawdź,czy wymogi co do odlegość zostały zachowane (3.1.).
- Sprawdź kamienie sauny (1.1.). Zbyt ciasno ulozone kamienie, zmiana ich ulozenia lub nieodpwiedni typ moga utrudniać przyȩwgowietrza i powodowej przyegrzanie materiały w poplizu pieca.
Zobacz teź podrozdziaj 2.1.1.
Piec wydziela zapach.
Zob.podrozdziat 1.2.
Goracy piec moze wzmacniac zapachy zgowietra, przy czym nie sa one wydzielane przye zaunl lub piec. Przyklady: farba, klej, olej, innododatki.
Piec generuje hahas.
BC: Zegar jest urzadzeniem mechanicznym i podczas normalnej przytychac Charakterystyczne tykanie. Jesli zegar tyka nadal po wyłaceniu pieca, daneź sprawdzić stan.goje polącen elektrycznych.
- Niekiedy Rozlega sie huk powodowy sączęcieje przyzekanie kamieni od goraca.
- Podczas nagrzewania sie pieca można uśyszȩ odgłowy spowodOWANE rozszerzaniem siejejego elementów pod wplywem temperatury.
CS
Kamna netopi.
A. Wełna izolacyjna (50-100 mm). Kabina sauny musi byc starannie izolowana, by moc pieca byla stale umiarkowanie niska.
B. Zabezpieczenia od wilgoci, np. papier alumiowy. Polyskliwa strona do wetrza sauny. Łęczenia zabezpieczy taśma alumiowa.
C. Szczelina went. (ok. 10 mm) miedzy warstwa zabezpieczajaca panelem (zalecana).
D. Lekka plyta pilsi niowa (12-16 mm). Przed montazem paneli sprawdzić stan instalacji elektr. i wzmocnienia wymagane do zainstalowania pieca i thaw.
E. Szczelina wentylacyjna (ok. 3 mm) między sciana a sufitem.
F. Wysokość sauny to zwykle 2100-2300 mm. Jej wysokośćminimalna zaleź od pieca (zob. tabela 2). Odlegóść pomiedź lawa górn a sufitem nie powinna przyzekraczać 1200 mm.
G. Stosowac ceramicznePokrycia podtogowe i ciemnespoiny.DelikatnePokrycia podtogowe moga ulec zaplamieniu i/lub uszkodzeniu przyczasteczki kamienisauny badz zanieczyszczona wode.
UWAGA! Dowiedziec sie, ktore czosci sciany ogniewejoizablezystonic. Nie zaśtaniać uzywnych przywodowymdynych.
UWAGA! Lekkie Pokrywy instalowane na scianie lub suficie, moga stanowic zagrozenia ppoz.
2.1.1. Ciemnienie sian sauny
Jest zjawiskiem naturalnym, ze drewniane powierzchnie sauny z czasem ciemnieja. Zjawisko to przyspieszaja:
- swiatlo stoneczne
- cieplo z pieca
- preparaty ochronne (maja one niska odpornosc na wysokie temperature)
- zanieczyszczenia odrywajace sie od kamieni iunosza- ce wgowietzu.
2.2. Wentylacja kabiny sauny
Wymiana powietrza powinna zachodzic 6 razy na godzine. Rys. 5 ilustrje rozne sposoby wentlylowania kabiny sauny.
2.2.Vetrání sauny
A. Lokalacja wlotu powietrza. Wlot powietrza, w przypadku zastalowania mechaniczniej wentylacji wylotowej, powinien znajdowość nad piecem. Wlot powietrza instalacji grawitacyjnych ma znajdowość poniȩje pieca lub obok niedgo. Srednica nawiewu musiDynosic 50-100 mm. BC-E: Nie umieszczacwlotu powietrza tak, by strumien powietrza chłodzich czujnik temperatury (zob. wskazówki dot. czujnika temperatury w opisie instalacji Jednostki sterujucej)!
B. Wylot powietrza. Powinien znajdowac sie blisko podlogi, moziwie jak najdalej od pieca. Srednica wylotu powinna byc dwukrotnie wieksza od srednicy wlotu powietrza.
C. Dodatk. went. suszaça (zamknieta podczas grzania i kapieli). Možna tež suszyc saune przy bez pozostawienie otwartych drzwi po zakończeniu kapieli.
D. Gdy wylot powietrza znajduje sie w faziance, szczelina pod drzwiami sauny musiwynosi >100 mm. Stosowanie ukladu mechanicznego jest obwiagzkowe.
2.3. Moc pieca
Jesli sciany i sufitPokryte sa phtami, a za phtami znajduje sie odpowiednia izolacja, moc wyjsciowa pieca jest określana w zaleznosci od kubatury sauny. Przy scianach nieizolowanych (cepla, bloki szklane, szklo, beton, ptytki itp) moc ta musi byc wieksza.Do kubatury sauny dodać 1,2 m na kaźdy metr kwadratowy nieizolowanej sciany. Np. kabin o kub. 10 m² drzwiami ze szkla wymaga pieca o mocy potrzebnej dla kabin y kub. ok. 12 m. Jesli kabinama sciany z bali, nalezy pomnozyc jej kubature przy 1,5. Wybrać prawidłowam moc pieca z tabeli 2.
2.4. Higiena kabiny
Reczniki ulozone na tawach zabezpieczaja je przyd potem splywajacym podczas kapieli.
Lawy, sciany i podlge sauny nalezy starannie oczyszczac przyznajmnej raz na szesc miesicy. Czysci ostra szczotka i srodkiem do saun.
Kurz i brud z pieca usuwac wilgotna scierka. Kamien uswac 10% roztworem kwasu cytrynowego, po czym splukač.
A. Umisteni privodu vzduchu. Ma-li sauna mechanicyk odtah vzduchu, umistete privod vzduchu nad kamna. Vetrali se jen pruvanem, privod umistete vedle kamen nebo pod ne. Vetraci potrubi musi mit prumer alespn 50-100 mm. BC-E: Privod vzduchu nesmi byt umisteny tak, aby privadeny vzduch ochlazoval teplotniCIDlo (viz poukny pro montaiz teplotniho cidla v navodu k instalaci ridici jegnotky)!
B. Odtah vzduchu. Vystupni vetrak umistete tsesne nad podlahu co nejdale od kamen. Prumer odvetravacho potrubi musi byt dvojnasobkem prumru privodnio potrubi.
C. Volitelny vysouseci vetrak (beshem vytapeni a saunovani je uzavreny). Saunu Ize vysouset i tak, ze po saunovani nechame otevrene dvee od sauny.
D. Je-li odtah vzduchu ve sprse, mezera pode dveymi sauny musi byt nejmene 100 mm. Odtah musi byt vybaveny mechanickym vetrakem.
2.3.Vykon topného t'élesa
Przed zinstalowaniem pieca nalezy zapoznać sie z instrukcja montazu oraz sprawdzić,czy:
Typ i moc pieca sa prawidlowo dobrane do wielosci pomieszczenia sauny (nalezy kierowac sie wartosciami kubatur pomieszczeni podanymi w Tabeli 2).
- Parametryzasilania sq takie, jakich wymaga piec.
- Usytuowanie pieca speltnia minimalne wymagania dotyczace zachowania bezpiecznych odlegosto ci podanych na rysunku w tabeli 2 i na rys.6.
- 35. Resetowanie wyłacznika termicznego
Spelnienie powyszych wymagan instalacyjnych jest absolutnie konieczne, gdy odstepstwa w tym względzie moga stworzyc powazne zagrozenia pozarowe. W jedernym pomieszczeniu sauny przyza instalowac tylko jedem piec.
3.2. Mocowanie pieca na scianie
Patrz rys. 7.
- Przed instalacja Usuń obydwie tekturowe osłony.
- Przymocowac wspornik do sciany przykrećajac go wkre-tami dostarczonymi razem ze wspornikiem. UWAGA! W mistręschu, gdzie zawieszony bedzie piec, pod płyta sciennna powinny znajdowość wzmocnienia, np. deska lub deski - tak, czby wkrety można bylo wkrećic w lite drewno, wytrzymalsze niz sama płyta scienna. Ješli pod płyti na nie ma wzmocnién, deski można przymocowac z wierzchu.
- Prawy lub lewy montaż piecaMZa zmienic, instalujac go odpowiednio do uchwytow sciennych. Upewnij sie czy kolnierz zostal wsta ciwie zamocowy.
- Powiesić piec na wsporniku zahaczajć dolna krawędź obudowy o haczyński znejdujace są w dolnej czȩci wspornika i dociskajć do wspornika górná czȩcie pieca. Przykrecić wkrét mocujczy krawędź pieca do wspornika.
3.1. Pred montází
Tabela 2. Szcęgóły instalacji pieców
Tabulka 2. Podrobnosti montále topného tělesa
| PiecTopné tělesoModel i wymiaryModel a rozměry | MocVykon | Pomieszczenie saunymistnost sauny | Podlącenie elektryczneZapojení vodičú | ||||||
| PojemnosćObjem | WysokośćVýška | 400 V 3N~Przewód zasilajacyNapájeci kabel | Zabez-pieczenersiaPojistka | 230 V 1N~Przewód zasilajacyNapájeci kabel | Zabez-pieczenersiaPojistka | Do czujnika(BC-E)K termostatu(BC-E) | |||
| Szerokość/Sižka• BC 480 mm• BC-E 450 mmGłowobokość/Hloubka310 mmWysokość/Výška 540 mmCiezar/Hmotnost 11 kgKamienie/Mnożstvıtopnych kamenúmax. 20 kg | kW | ≥2.3.min.m3 | max.m3 | min.mm | Patrz rys. 8. Dane dotyczny tylko przywodu sączacego!Viz obr. 8. Hodnoty platí pouze pro prívodní kabel. | ||||
| mm2 | A | mm2 | A | mm2 | |||||
| BC45/BC45E | 4,5 | 3 | 6 | 1900 | 5 x 1,5 | 3 x 10 | 3 x 2,5 | 1 x 20 | 4 x 0,25 |
| BC60/BC60E | 6,0 | 5 | 8 | 1900 | 5 x 1,5 | 3 x 10 | 3 x 2,5 | 1 x 35 | 4 x 0,25 |
| BC80/BC80E | 8,0 | 7 | 12 | 1900 | 5 x 2,5 | 3 x 16 | 3 x 6 | 1 x 35 | 4 x 0,25 |
| BC90/BC90E | 9,0 | 8 | 14 | 1900 | 5 x 2,5 | 3 x 16 | 3 x 10 | 1 x 50 | 4 x 0,25 |

Rys. 7. Mocowanie pieca na scianie (wymiary w milimetrach)
Obrazek 7. Pripevneni topidla na stene (vsechny rozmery jsou uvedene v milimetrech)
3.3. Podłaczenia elektryczne
Piec nalezy podlączyc do instalacji elektrycznej zgodnie z obrowiazujacymi przyepisami. Podlącenie要去 wykonac tylko wykwalifikowy elektryk.
- Piec jest polstale podłuczony do skrzynki przyȩczeniowej (rysunek 8: A) instalowanej na scianie sauny. Skrzynka przyȩczeniowa musi byc bryzgoszczelna i zainstalowanie nie wyjej nied 500 mm nad podłoga.
- Nalezy uzyc kabla przyȩczeniowej (rysunek 8: B) w izolacji gumowej, typu H07RN-F lub odpowiednika. UWAGA! Ze względu na zjawisko kruchosci termicznej do podȩczania pieca nie wolno stosowej kabla w izolacji z PCW.
- Jesli kabel przyłączeniowy i kable instalacyjne majora biec wyzejni 1000 mm nad podłoga sauny lub wewnatrix jej scian, danezy zastosowac kable zdolne pod obciązieniem wytrzymać temperatur minimum 170^ (np. kable typu SSJ). Urzadzenia elektryczne instalowane wyzejni 1000 mm nad podłoga sauny musza byc atestowane do pracy w temperaturze otoczenia +125^ (oznaczenia T125).
- Oprocz zączy zasilania,piec BC jest wyposañony w zȩcze dodatkowe (P),które uzmiołowia regulacja ogrzewania elektrycznych (rys. 10). Piec pobiera energia,kiedy jest wączony.Kabel sterujacy ogrzewaniem elektrycznym jest doprowadzany bezposrednio do skrzynki przyȩczy i stad do listwy zaciskowej pieca wzdruż kabla gumowych tej samej grubosci,co kabel przyȩczeniowy.Jesli otwor na drugi kabel nie jest uzywany,naleź yamknac i dokrecić element agraniczajcy naprzejenia.
- Podczas zamykania skrzynki przyłączowej naleź sprawdzić,czy jej górna krawędź znejduje sie we wąsciwym połozenia. Jesli górna krawędź jest umieszczona niewȩsciwie, do skrzynki sąze przyxDostawac sie woda. Patrz rys. 8.

Rys. 8. Zamykanie poukrywy skrzynki przyłączowej (wymiary w milimetrach)
Obrazek 8. Zavirani krytu rozvodne skrince (vsechny rozmery jsou uvedene v milimetrech)
A. Skrzynka przyłączeniowa
B. Kabel przyȩczeniowy
A. Rozbočováč
B. Napajeci kabel
3.3.1. Rezystancja izolacji pieca elektrycznego
Podczas końcowego sprawdzenia instalacji elektrycznej pomiar odpopnosci izolacji na przebicie要去 wykazć „uplywnosć" izolacji pieca. Zjawisko to jest spowodOWane absorpcja wilgoci z powietrza przyez material izolacji pieców (podczas przechowywania i transportu). Po kilka-krotnym uruchomieniu pieca wilgoć odparuje z materiaŁu izolacji rezystorów i rezystancja izolacji wróci do normy.
Nie nalezy podłacza zasilania pieca poprzej odłacznik reagujacy na prad zwarcowy!
3.4.Instalowanie modu sterujucego i czujnikow (BC-E)
Do moduł sterujućego dołacznja jest obso na instrukcja dokladnie opisujaca sposob montazu na scianie. Czujnik temperatury naleź zainstalowej na scianie w pomieszczeniu sauny, nad pieciem. Czujnik powinien byc usytugowany w osi symetrii pieca, w odlegosci 100 mm od sufitu sauny. Patrz rys. 6.
Nie umieszczac wlotu powietrza tak, by strumien powietrza chłodzǐ czujnik temperatury. Patrz rys. 5.
3.4.1. Odpowiednie urzadzenia kontrlne
Harvia Griffin CG170
Harvia C150
Harvia Xenio CX170
Harvia C90
Zapoznaj sie z naszymi najnowszymi urzadzeniami kontrlnymi na naszych stronach internetowych www.harvia.com
CS
3.4. Montáz rédici Jednotky a Čidel (BC-E)
3.5. Resetowanie wyłacznika termicznego
Jesli temperatura w kabinie sauny niebezpiecznie wzrasta, beziepacznik termiczny odcina zasilanie pieca. Bezpiecznik termiczny要去 zostac zresetowy, kiedy piesc ostygnie. Przed naciśćem unto przycisku trzeba znaleć przyczyne usterki.
Czy kamienie nie Rozkruszy sie aniNie zbily?
Czy piec nie byt wączony przydźyszcy czas, a sauna w tym czasie nie byta uzywana?
Czy czujnik termostatu jest na mistręscu i nie jest uszkodzony?
Czy piecNie zostaf uderzony lub nie ulegt wstrzasow?
Bezpiecznik termiczny urzadzenia要去 za-dziafaktcakze w temperaturze ponijej -5^ / 23^ (przechowywanie, transport, otoczenia). Przed montzem nalezy umiesciurzadzenia w cieplym.), Bezpiecznik termiczny przy zrestawac, gdy temperatura urzadzenia osiagnie ok. 18^ / 64^. Bezpiecznik termiczny nalezy zrestawac prced uzyciem urzadzenia.
BC-E
Szcęgólowe instrukcie znajduje są w instrukcji instalacji sterownikia.
BC
CS

Rys. 9. Przycisk resetowania wyłacznika termicznego Obrázek 9. Resetovaci tlacitko ochrany prehrátí

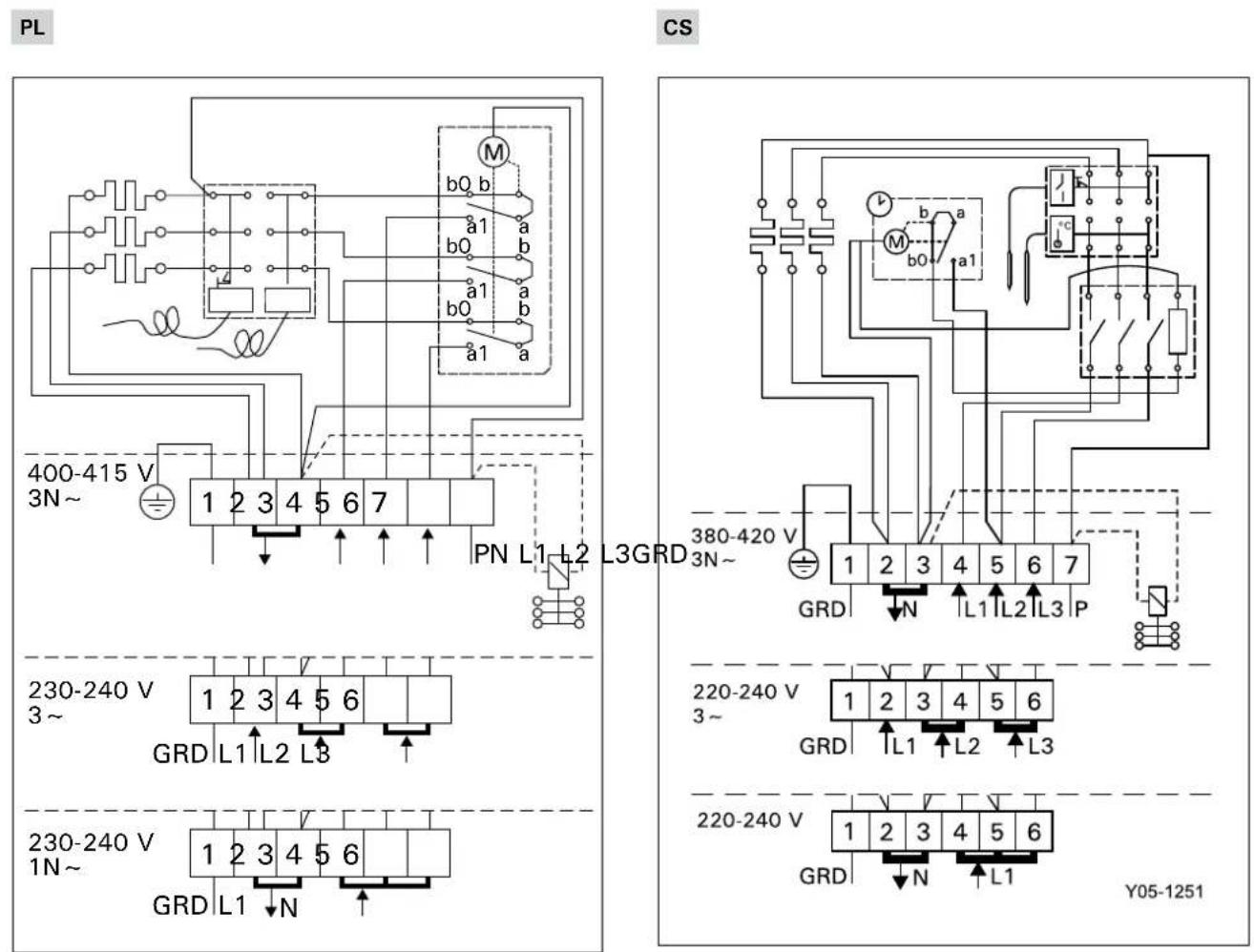
Rys. 10. Schemat elektryczny (BC)
Obrázek 10. Zapojeni topného tělesa BC
Rys. 12. Schemat elektryczny BC90
Obrázek 12. Zapojeni topného tělesa BC90

Rys. 11. Schemat elektryczny (BC-E)
Obrázek 11. Zapojeni topného tělesa BC-E
1. INSTRUCCIONES DE USO
Neukata n3daaba wym.
- Pn moJeInTe BC, TaMepbT e mexaHnHoo yctpoCTBO, KOETo n3daba TnKtakaU 3Byk npu HopMaJHOTOn Cu fynKcNoHnpaHe. Ako TaMepbT TnKtakaDopu npu N3KJIIOHeHa neyka, npOBepTe OKabeJRABaHTo My.
CnyaHn npinykBaHn moat da 6bDaT npedn3-BKKaHn OT CuyPbHeTo Ha KaMbHn B CJeDCTBne Ha HaropeuBaHe. - TepmaHnTe pa3wnpeHna Ha acntte Ha neKaTa MoRaT da npedn3BnKAT Wm npn 3aqrbaHeTo n.
2. LA SAUNA
2.CAYHA NOMEUCEHNE
2.1. Estructura de la sauna
Zalecamy korzystanie wyłacznie z częci zamiennychoferowanych przyez produkta.
ProstaInstrukcja