D-7530 - Téléviseur NOKIA - Notice d'utilisation et mode d'emploi gratuit
Retrouvez gratuitement la notice de l'appareil D-7530 NOKIA au format PDF.
| Type d'appareil | Téléviseur |
| Année de fabrication | 1991 |
| Technologie d'affichage | Non précisé |
| Résolution | Non précisé |
| Formats supportés | Non précisé |
| Décodage Teletext | Oui |
| Modules remplaçables | Châssis Eurostereo, Module IF, Module BF, NICAM, Décodeur Teletext |
| Type de châssis | Eurostereo 1 (Minisplit) |
| Compatibilité NICAM | Oui |
| Fonctionnalités audio | Non précisé |
| Alimentation | Non précisé |
| Dimensions | Non précisé |
| Poids | Non précisé |
| Langues du manuel | Allemand, Anglais, Français, Italien |
| Marque | Non précisé |
| Modèle | Non précisé |
FOIRE AUX QUESTIONS - D-7530 NOKIA
Questions des utilisateurs sur D-7530 NOKIA
0 question sur cet appareil. Repondez a celles que vous connaissez ou posez la votre.
Poser une nouvelle question sur cet appareil
Téléchargez la notice de votre Téléviseur au format PDF gratuitement ! Retrouvez votre notice D-7530 - NOKIA et reprennez votre appareil électronique en main. Sur cette page sont publiés tous les documents nécessaires à l'utilisation de votre appareil D-7530 de la marque NOKIA.
MODE D'EMPLOI D-7530 NOKIA
Un mode d'emploi abréged figure sur la feuille A28.2 du manuel.
Voici les documents nécessaires pour le dépannage:
récepteur / ricevitore

IFB 764





XDO2/IR XDO1/Cu CHASSIS

XDO2/1 CHASSIS
XN01/ CHASSIS




IFB 760 R
5883 11 76


Netzfilterplatte
Sender / transmitter émetteur / trasmettitore
IRN3
5652 1375
Sender / transmitter
emetteur / trasmettiture


| IFB 760 5883 11 76 IFB 762 5883 11 62 IFB 764 5883 11 75 IFB 671 5883 11 78 IRN 3 5652 13 75 / HIT 5652 14 01 680 20 VA 5652 20 94 680 20 VS 5652 20 93 | BCL 6911 33 20 Bildröhrenanschlußplatte 6911 08 78 C.R.T. base board Platine-connexion tube-cathodique Piastra di allac. del cinescopio |
| Achtung! Bei Reparaturen güliche Sicherheitsvorschriften beachten. Röntgenverordnung: Die in der Röntgenverordnung festgelegte Ortsdosisleistung ist bei dieser Gewerdt durch die Bildrohrenentype und die maximal zulässige Hochspannung gewährleistet. Die Hochspannung dar maximal 28 kV betragen. Die Hochspannung liegt im zulässigen Bereich, wenn die Betriebsspannung der Horizonta-Ablenkstufe bei minimumem Strahstrom 145 V (110°) 130 V (90°) bestagt. Bei Reparaturen ist die Spannung zu überprüften und gegebenenfalls mit R 754 auf Solwert einzustellen. Warning! For repair works adhere to existing safety regulations. X-ray regulations: The picture tube type and the maximum permissible high-voltage ensure that the X-ray intensity within the set remains far below the permissible value. The high-voltage must not exceed 28 kV. The high voltage is within the permissible limits when the operating voltage of the horizontal deflection stage equals 145 V (110°) 130 V (90°) at minimum beam current. Following servicing, check and adjust this voltage to the nominal value with R 754. Attention! En case de réparations, tenir compte des régles de sécurité en vigueur. Réglementation portant sur les rayons X: La puissance de dose locale fixée dans la réglementation relative aux rayons X est garantie dans le cas de cet apparell grâce au type de tube-image et à la haute tension maximaide admissible. La haute tension ne doit pas dépasser un maximum de 28 kV. La haute tension se situe dans une zone admissible lorsque la tension de service de l'ité de convergence horizontale s'élevée à 145 V (110°) 130 V (90°) pour un courant de faisceau minimal. En cas de réparations, la tension doit être contrôlée et, le cas échéant, être ajusté sur la valeur de consigne au moyen de R 754. Attenzione! Per riparazione rare attentione alla valevoli prescrizioni di sicurezza. Regolamento regali X: La potenza prevista dall'obblizione raggi X per lo stato generale da appareccio viene garantita dai tipo di cinescopio e nella tension massima consentità. La tension massima deve comportare 28 kV max. La tension massima si trova nei limiti consentiti se la tensione di esercizio della fasa terminale-orizzontale compota a corrente minima catodica 145 V (110°) 130 V (90°). Controllare, en caso di riparazione, la tensione, e, all'occorrezza, mettere a punto, a valore nominale, mediate R 754. | |
| Erläuterungen zu den Schaltbildern / Circuit diagram legend Légendes des schémas / Spiegazioni del simboi usati sullo schema | |
| Vert. Imp. / Vert. imp. / Impulsion vert. / Impulso vert. Hor. Imp. / Hor. Imp. / Impulsion hor. / Impulso orizz. NF-Sign. / AF sign / BF / BF FBAS-Sign. / Comp. colour signal / CLSS / CLSS Testpunkt. Test point. Point test. Punto di controllo Schaltnetzteil-Minuspotenzial / Switch-modeed power supply minus potential / Rapport au potentiel négatif du bloc-d'alimentation à découpage / Collegamento della sezione di rete a potenzaile negativo Messenungen auf ⊥ (Masse) bezogen / Measurements referenced to earth (⊥) / Toutes les mesures se rapportent à la masse / Riferire toutes le misure alla massa Messungen auf Schaltnetzteil-Minuspotenzial bezogen / Measurements referenced to switch-modeed power supply minus potential / Toutes les mesures se rapportant au potentiel négatif du bloc-secteur de commutation Riferire toute le misure al potentiale negativo della sezione di rete Oszillogramm-Meßpunkt auf ⊥ (Masse) bezogen / Waveforms referenced to earth (⊥) / Toutes les ozsillogrammes se rapportant à la masse / Riferire tutti gli oscillogrammi alla massa Oszillogramm-Meßpunkt auf ⊥ (Masse an IC 701 Pin 1 ect.) bezogen / Waveforms referenced to ⊥ (earth on IC 701 Pin 1 act.) / Toutes le ozsillogrammes se rapportant au ⊥ (la masse IC 701 Pin 1) / Riferire tutti gli oscillogrammi al ⊥ (alla massa IC 701 Pin 1) | |
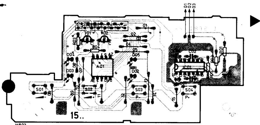
| Sicherheitsbauteil im Sinn der Sicherheitsbestimmung. Diese Teile führen nur durch Originatelle ersetzt werden. Safety components in accordance with existing regulations. These components must only be replaced by original component parts. Compositant de sécurité en accordance avec les régulations existantes. Ces compositants doivent être remplácés par des composants originaux. Componente omolegato in base alle norme di sicurezza. Questi pezzi devono essere sotouttul soltanto con pezzi originali. R... 100 Chip-Widerstand / Resistor / Resistance-chip / Resistenza D... K Chip-Diode | |
| C... 100 Chip-Kondensator / Capacitor / Condensateur-chip / Condensatore E... T... Chip-Transistor | |
| L... 100 Chip-Spule/Drossel / Coil/Choke / Bobine/self-chip / Bobina | |
| Br... 100 Chip-Brücke / Jumper / Shunt-chip / Ponte | |
| Schutzmaßnahmen für MOS-Bauelemente beachten! Pay attention to protective measures for MOS components! Respecter les mesures de protections pour les composants de MOS! Osservare le misuse protétitive per gli elementi costruttivi MOS! | |


En mode stand-by, les tensions appliquées à la sortie du bloc secteur de commutation sont de 30% env. inférieures (à part U_v ) à celles en mode normal.
Attention! La masse de l'oscilloscope doit être raccordée à proximate du module devant être mesure.
Tous les oscillogrammes mesurés sur le décodeur sont pris sous les conditions suivantes: Norme de mire de barre PAL, contrast au maximum, luminosité et intensité couleur aux valeurs nominales.
En changeant le T 701 il faut replacer aussi le CI 701.
Attenzione!
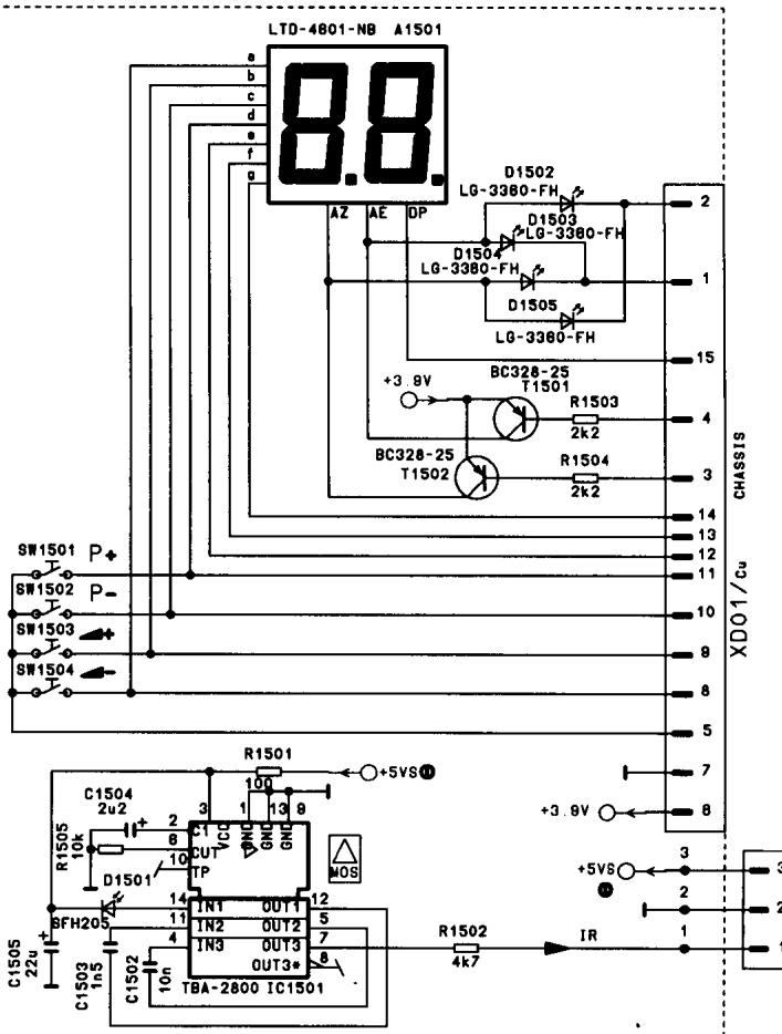
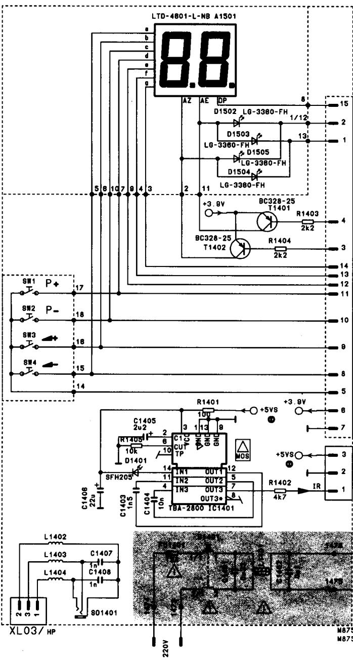
Occupation des touches de l'émetteur IR en mode de fonctionnement service.
1. Indication des sources d'erreur sur l'organe de commande en mode TV
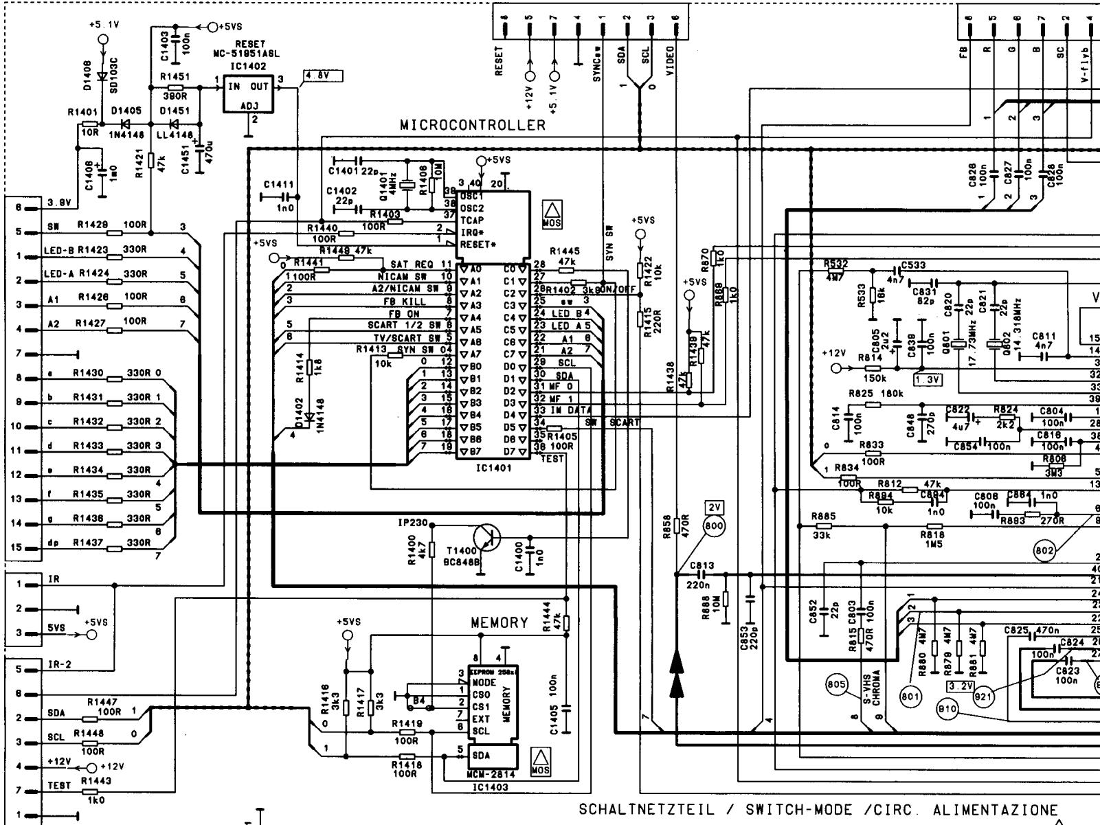
Après avoir mis l'appareil en marche, le microprocesseur IC 1401 communique au cours du temps de return vert. via un bus I^2C avec les différents circuits intégrés resp. modules.
Ce faisant, le microprocesseur (emetteur) contrôle d'abord si un transfert de données est réalisable. Au cas où l'un de ces circuits intégrés tomberait en panne ou au cas où un dérangement existait dans sa périhérie, une ou plusieurs DEL du tableau suivant clignotent.

Tableau de dépistage des erreurs
2. Indication sur l'organe de commande en mode de service
DEL son I = reconnaissance PAL
DEL son II = reconnaissance SECAM
DEL SAT = courant de faisceau max. limite inférieure
DEL SAT R = courant de faisceau max. limite supérieure

Aucun ajustage n'est nécessaire en cas remplacement du module.
Aucunajustage n'est necessaire encasremplacement du module.
Aucun ajustage n'est nécessaire en cas remplacement du module.
Notice Facile