Indigo NXT Series iT0300 - Machine à glaçons Manitowoc - Notice d'utilisation et mode d'emploi gratuit
Retrouvez gratuitement la notice de l'appareil Indigo NXT Series iT0300 Manitowoc au format PDF.
| Caractéristiques Techniques | Capacité de production : 136 kg/jour |
|---|---|
| Type de glaçons | Glaçons en forme de cube |
| Dimensions | Largeur : 61 cm, Profondeur : 61 cm, Hauteur : 81 cm |
| Poids | Poids : 70 kg |
| Consommation électrique | 230 V, 50 Hz, 1 phase |
| Utilisation | Idéale pour les restaurants, bars et hôtels |
| Maintenance | Nettoyage régulier recommandé, accès facile aux composants internes |
| Réparation | Service après-vente disponible, pièces de rechange accessibles |
| Sécurité | Conforme aux normes de sécurité alimentaire, protection contre les surcharges électriques |
| Informations Générales | Garantie : 3 ans, support technique disponible |
FOIRE AUX QUESTIONS - Indigo NXT Series iT0300 Manitowoc
Questions des utilisateurs sur Indigo NXT Series iT0300 Manitowoc
0 question sur cet appareil. Repondez a celles que vous connaissez ou posez la votre.
Poser une nouvelle question sur cet appareil
Téléchargez la notice de votre Machine à glaçons au format PDF gratuitement ! Retrouvez votre notice Indigo NXT Series iT0300 - Manitowoc et reprennez votre appareil électronique en main. Sur cette page sont publiés tous les documents nécessaires à l'utilisation de votre appareil Indigo NXT Series iT0300 de la marque Manitowoc.
MODE D'EMPLOI Indigo NXT Series iT0300 Manitowoc

Lire ces précautions pour éviter les blessures corporelles :
- Pour écarter les risques de dégâts matériels, de blessures ou de mort, veiller à lire ce manuel avec attention avant d'installer, de faire fonctionner ou d'entretenir cet appareil.
- Les réglages courants et les procédures d'entretien figurant dans ce manuel ne sont pas couverts par la garantie.
- L'installation, le soin et l'entretien sont essentiels à un rendement maximal et un fonctionnement sans problème de l'appareil.
- Visitez notre site Web à www.manitowocice.com pour consulter des mises à jour manuelles, des traductions ou les coordonnées de services de réparation dans votre région.
Cet appareil présente des tensions électriques et des charges de fluide frigorigène. L'installation et les réparations doivent être effectuées par des techniciens compétents et conscients des dangers propres aux tensions électriques élevées et au fluide frigorigène sous pression. Le technicien doit également être certifié comme il se doit concernant les procédures de manutention de fluide frigorigène et d'entretien. Toutes les procédures de verrouillage et d'étiquetage doivent être suivies lors d'une intervention sur cet appareil.
- Cet appareil est destiné à une utilisation à l'intérieur uniquement. Ne pas l'installer ni l'utiliser à l'extérieur.
- Lors d'interventions sur cet appareil, veiller à accorder une attention particulière aux avis de sécurité figurant dans ce manuel afin d'éviter les risques de blessures graves et/ou de dommages à l'appareil.

DANGER
Indique une situation dangereuse qui, si elle n'est pas évitée, entraînera la mort ou des blessures graves. Cela s'applique aux situations les plus extrêmes.

Avertissement
Indique une situation dangereuse qui, si elle n'est pas évitée, peut entraîner la mort ou des blessures graves.

Attention
Indique une situation dangereuse qui, si elle n'est pas évitée, peut entraîner des blessures légères à modérées.
Avis
Indique une information considérée comme étant importante, mais sans rapport avec un danger (message concernant des dégâts matériels, par ex.).
REMARQUE: Indique une information supplémentaire utile concernant la procédure exécutée.
Respecter ces caractéristiques électriques durant l'installation de cet appareil :
- Tout le câblage local doit être conforme à tous les codes pertinents en vigueur. Il appartient à l'utilisateur final de fournir un moyen de sectionnement conforme aux codes en vigueur. Voir la tension correcte sur la plaque signalétique.
- Cet appareil doit être mis à la terre.
- Cet appareil devra être placé de telle façon que la fiche soit accessible, sauf si un autre moyen de sectionnement de l'alimentation électrique (disjoncteur ou sectionneur, par exemple) est prévu.
- Vérifier tous les raccordements de câbles, y compris leurs effets à l'usine, avant utilisation. Les raccordements peuvent s'être desserrés durant le transport et l'installation.
Suivre ces précautions pour éviter des blessures corporelles durant l'installation de cet appareil :
- L'installation doit être conforme à tous les codes d'hygiène et de protection incendie des équipements en vigueur.
- Raccorder à une arrivée d'eau potable uniquement.
- Pour éviter toute instabilité, la surface de installation doit pouvoir soutenir le poids combiné de l'appareil et du produit. En outre, l'appareil devra être de niveau léteraitlement et d'avant en arrière.
- Déposer tous les panneaux amovibles avant de soulever et d'installer l'appareil et utiliser l'équipement de sécurité approprié pendant l'installation et l'entretien. Au moins deux personnes sont nécessaires pour soulever et déplacer cet appareil sans risque de basculement ou de blessure.
- Veiller à ne pas endommager le circuit de réfrigération lors de l'installation, de l'entretien ou de la réparation de l'appareil.
- Cette machine à glaçons contient une charge de fluide frigorigène. L'installation des conduites doit être effectuée par un technicien frigoriste qualifié et certifié par l'EPA, et qui soit informé des dangers que comportent les équipements chargés de fluide frigorigène.
- Les machines à glaçons requièrent un déflecteur lorsqu'elles sont installées sur un bac de stockage de glaçons. Avant toute utilisation d'un système de stockage de glaçons autre que du fabricant d'origine, communiquer avec le fabricant du bac pour s'assurer de la compatibilité du déflecteur avec les machines à glaçons.
- Avant d'installer un système de stockage de glaçons autre que du fabricant d'origine avec cette machine à glaçons, suivre les instructions d'installation du fabricant et vérifier que l'emplacement et l'installation sont conformes aux exigences de stabilité et aux codes d'installation mécanique en vigueur.
Avertissement
Suivre ces précautions pour éviter les blessures corporelles durant l'utilisation et l'entretien de cet appareil :
- Se reporter à la plaque signalétique pour identifier le type de fluide frigorigène de l'appareil.
- Seules les personnes formées et qualifiées et conscientes des dangers sont autorisées à intervenir sur l'appareil.
- Pour écarter les risques de dégâts matériels, de blessures ou de mort, veiller à lire ce manuel avec attention avant d'installer, de faire fonctionner ou d'entretenir cet appareil.
- Danger d'écrasement ou de pincement. Garder les mains à l'écart des mécanismes en mouvement. Ces mécanismes peuvent bouger soudainement sauf si l'alimentation électrique est coupée et que toute l'énergie potentielle est éliminée.
- La collecte d'humidité sur le sol peut créer une surface glissante. Nettoyer toute eau sur le sol immédiatement pour éviter les risques de glissement.
- Ne jamais utiliser d'objets ou outils coupants pour éliminer la glace ou le givre. Ne pas utiliser de moyens mécaniques ou autres pour accélérer le processus de dégivrage.
- Lors de l'utilisation de liquides de nettoyage ou autres produits chimiques, porter des gants en caoutchouc et une protection oculaire (et/ou un écran facial).
Avertissement
Suivre ces précautions pour éviter les blessures corporelles durant l'utilisation et l'entretien de cet appareil :
- Les objets placés ou tombés dans le bac peuvent affecter la santé et la sécurité des personnes. Trouver et enlever tous ces objets immédiatement.
- Ne jamais utiliser d'objets ou outils coupants pour éliminer la glace ou le givre.
- Ne pas utiliser de moyens mécaniques ou autres pour accélérer le processus de dégivrage.
- Lors de l'utilisation de liquides de nettoyage ou autres produits chimiques, porter des gants en caoutchouc et une protection oculaire (et/ou un écran facial).
DANGER
Ne pas utiliser l'appareil s'il a fait l'objet d'un emploi abusif ou détourné, de négligences, de dommages ou de modifications non conformes aux specifications du fabricant d'origine. Cet appareil n'est pas conçu pour être utilisé par des personnes (y compris des enfants) aux capacités physiques, sensorielles ou mentales réduites ou n'ayant pas une expérience ou des connaissances suffisantes, sauf si elles sont supervisées par une personne responsable de leur sécurité. Ne pas permettre aux enfants de jouer avec cet appareil, de le nettoyer ou d'effectuer son entretien sans une surveillance appropriée.
Avertissement
Suivre ces précautions pour éviter les blessures corporelles durant l'utilisation et l'entretien de cet appareil :
- Le propriétaire de l'appareil a pour responsabilité d'effectuer une évaluation des risques et de l'équipement de protection individuelle pour assurer une protection suffisante durant les opérations d'entretien.
- Ne pas stocker ni utiliser d'essence ou d'autres vapeurs ou liquides inflammables à proximité de cet appareil ou de tout autre appareil. Ne jamais utiliser de chiffons imbibés d'huile inflammable ou de solutions nettoyantes combustibles pour le nettoyage.
- Tous les couvercles et panneaux d'accès doivent être en place et convenablement fermés pendant l'utilisation de cet appareil.
- Risque d'incendie et de choc électrique. Veiller à respecter tous les dégagements minimaux. Ne pas obstruer les ouvertures ni les grilles d'aération de l'appareil.
- Tout manquement à couper l'alimentation électrique au niveau du sectionneur principal peut entraîner des blessures graves ou la mort. L'interrupteur d'alimentation NE coupe PAS toutes les arrivées de courant électrique.
- Les prises et raccordements aux réseaux d'alimentation doivent être entretenus en conformité avec la réglementation en vigueur.
- Couper et verrouiller toutes les sources d'alimentation (gaz, électricité, eau) conformément à des pratiques homologuées lors de l'entretien et des réparations.

DANGER
Respecter ces exigences concernant les systèmes de réfrigération inflammables durant l'installation, l'utilisation ou la réparation de cet appareil.
- Voir la plaque signalétique - Certains modèles de machine à glaçons peuvent contenir jusqu'à 150 g de fluide frigorégène R290 (propane). Le R290 (propane) est inflammable à des concentrations dans l'air comprises entre 2,1 % et 9,5 % en volume environ (limite inférieure d'explosivité (LIE) et limite supérieure d'explosivité (LES)). Une source d'inflammation à une température supérieure à 470°C est nécessaire pour que la combustion se produise. Se reporter à la plaque signalétique pour identifier le type de fluide frigorégène de l'appareil.
- Pour minimiser le risque d'inflammation lié à une installation, des pièces de rechange ou des procédures de réparation incorrectes, seuls les techniciens frigoristes formés aux fluides frigorigènes inflammables et informés des dangers présentés par les hautes tensions électriques et le fluide frigorigène sous pression sont autorisés à travailler sur ce matériel.
- Toutes les pièces de rechange doivent être des pièces semblables obtenues auprès du réseau de fournisseurs de pièces de rechange autorisées par le fabricant d'équipement.
- Ce matériel doit être installé conformément à la norme de sécurité pour les systèmes de réfrigération ASHRAE-15.
- Ce matériel ne peut pas être installé dans des couloirs ou corridors de bâtiments publics.
- L'installation doit être conforme à tous les codes d'hygiène et de protection incendie des équipements en vigueur.

Respecter ces exigences concernant les systèmes de réfrigération inflammables durant l'installation, l'utilisation ou la réparation de cet appareil :
- Toutes les procédures de verrouillage et d'étiquetage doivent être suivies lors d'une intervention sur cet appareil.
- Cet appareil présente des tensions électriques et des charges de fluide frigorigène. Un court-circuit des fils électriques sur les conduites de réfrigération peut provoquer une explosion. Toute l'alimentation électrique du système doit être sectionnée avant toute intervention sur le système. Les fuites de fluide frigorigène peuvent provoquer des blessures graves voire la mort en cas d'explosion, d'inflammation ou de contact avec des brumats de fluide frigorigène ou de lubrifiant.
- Veiller à ne pas endommager le circuit de réfrigération lors de l'installation, de l'entretien ou de la réparation de l'appareil. Ne jamais utiliser d'objets ou outils coupants pour éliminer la glace ou le givre. Ne pas utiliser de moyens mécaniques ou autres pour accélérer le processus de dégivrage.

Suivre ces précautions pour éviter les blessures corporelles durant l'utilisation et l'entretien de cet appareil :
- Les modèles à deux cordons d'alimentation doivent être branchés sur des circuits de dérivation séparés. Lors des déplacements, du nettoyage ou des réparations, il est nécessaire de débrancher les deux cordons d'alimentation.
- Ne jamais utiliser de jet d'eau sous haute pression pour nettoyer l'intérieur ou l'extérieur de cet appareil. Ne pas utiliser d'outil de nettoyage électrique, de laine d'acier, de racloir ni de brosse métallique sur les surfaces peintes ou en acier inoxydable.
- Au moins deux personnes sont nécessaires pour soulever et déplacer cet appareil sans risque de basculement.
- Le blocage des roulettes avant après un déplacement relève de la responsabilité du propriétaire et de l'exploitant. Lorsque des roulettes sont montées, la masse de cet appareil suffit pour entraîner un déplacement incontrôlé sur une surface inclinée. Ces appareils doivent être retenus/attachés en conformité avec tous les codes en vigueur.
- Le responsable du site devra s'assurer que les utilisateurs soient conscients des dangers liés à l'utilisation de ce matériel.
- Ne pas faire fonctionner l'appareil avec un cordon ou une fiche endommagées. Toutes les réparations doivent être effectuées par un technicien d'entretien qualifié.
Table des matières
Avis de sécurité 3
Definitions 4
Informations générales
Modèle refroidi par air, eau ou condenseur à distance 19
Nomenclature des modèles. 20
Emplacement des numéros de modèle/série 21
Garantie 22
Enregistrement de la garantie 22
LuminIce II 23
Ecran d'accueil - Icône LuminIce 23
Installation
Emplacement de la machine à glaçons. 25
Dégagements requis. 26
Modèle refroidi par air, eau ou condenseur à distance 26
Chaleur rejetée par la machine à glaçons 27
Pose sur un bac 27
Installation d'une machine à glaçons sur un distributeur 28
Arrivée et écoulements d'eau 29
Installations à conduites extérieures 30
Condenseur à distance 31
Utilisation de la machine à glaçons à distance avec des condenseurs à circuits multiples autres que Manitowoc. 34
Entretien
Détartrage et désinfection en profondeur. 37
Généralités. 37
Procédure de détartrage et de désinfection en profondeur 38
Procédure de détartrage correctif 38
iAuCS 38
Nettoyage de l'extérieur 38
Utilisation de l'écran tactile pour le cycle de nettoyage.
Démarrer un cycle de nettoyage 39
Fonctionnement du rideau d'eau/amortisseur durant le cycle de nettoyage. 39
Mettre un cycle de nettoyage en pause... 39
Coupure d'électricité durant le cycle de nettoyage. 40
Abandonner un cycle de nettoyage. 40
Profondeur. 40
Procédure de détartrage. 40
Procédure de désinfection 45
Mise hors service / hivernisation 49
Machines à glaçons refroidies par air 49
Machines à glaçons refroidies par eau..... 50
Caractéristiques de l'écran tactile 51
Description des icônes de l'écran d'accueil..53
Vue d'ensemble de la navigation des menus. 56
Navigation des écrans de menus de réglage... 56
Contrôles de fonctionnement 61
Généralités. 61
Contrôle de l'épaisseur de glace 62
Sequence de fonctionnement 64
Autonomie refroidi par air ou par eau..64
Tableau des pièces activées - Modèles
Appareils refroidis par air ou par eau. 68
Condenseur à distance 71
Blanc des pièces activées - Modèles à
condenseur à distance refroidi par air 75
Dépannage. 79
Journal des alertes 80 Details du journal des alertes. 81 Cycle de décongélation. 86 Mode de fonctionnement sécurité 87 E01 Cycle de congélation long 87 E02 Cycle de récolte long 87 Analyser pourquoi une erreur de service (E01 et E02) a provoqué l'arrêt de la machine à glaçons. 88 E01 Congélation longue 89 E02 Recolte longue. 91
Dépannage par symptôme 92
Rétablir les réglages d'usine par défaut 93 Symptôme n° 1 - La machine à glaçons ne fonctionne pas. 94 Symptôme n° 2 - Productionasse, cycle de congélation long. 97 Symptôme n° 2 - Tableaux d'analyse opérationnelle du système de réfrigération en cycle de congélation 100 Symptômes n° 3 et n° 4 - Problèmes de récolte - Modèles refroidis par air, eau ou condenseur à distance 129 Symptôme n° 3 - Modèle autonomereffroidi par air ou par eau 130 Symptôme n° 3 - Condenseur à distance sans vanne de dérivation 132 Symptôme n° 3 - Condenseur à distance avec vanne de déivation 134 Symptôme n° 4 - Modèle autonomerefroidi par air, par eau ou à condenseurà distance. 136
Composants électriques. 139
Carte de commande, afficheur et écran tactile 139
Essai des relais de la carte de commande. 142
Programmer une carte de commande de rechange 143
Caractéristiques et formatage de la clé USB 144
Exporter des données vers une clé USB... 145
Mettre à jour le micrologiciel avec une clé USB 146
Fusible principal 147
Contacteur de bac. 148
Circuit de régulation du niveau d'eau 151
Sonde d'épaisseur de glace (déclenche la récolte). 155
Contacteur de coupure haute pression (HPCO) 166
Commande de marche du ventilateur. 169
Pompes à air d'assistance de récolte 170
Diagnostics électriques du compresseur. 171
Diagnostics des composants de démarrage. 173
Composants de réfrigération. 176
Vanne de régulation de la pression de refoulement. 176
Système de régulation de la pression de récolte (HPR) - Condenseur à distance seulement 180
Vanne de dérivation de condenseur (CBV) Condenseurs à distance seulement. 183
Vanne de régulation d'eau 184
Frigorigène 185
Définitions 185
Politique de réutilisation du fluide frigorigène 186
Procédures pour les modèles autonomes 188
Procédure pour les modèles à condenseur
Nettoyage d'un système contaminé 196
Déterminer la gravité de la contamination.. 196
Procédure de nettoyage 198
Déshydrateurs-filtres de conduite de fluide 202
Changer les commandes de pression sans vider la charge de fluide frigorigène. 203
Charge totale de fluide frigorigène dans le système 204
Autonomie de refroidissement par air ou par eau. 204
Condenseur à distance. 205
Tableaux de durées de cycle/production de glaçons en 24 heures/pression de fluide
frigorigène 207
Série IF0300 208
Série IT0300. 210
Série IT0420. 212
Série IT0450. 214
Série IT0500. 216
Série IF0500 219
Série IF0600 220
Série IT0620. 223
Série IT0750. 225
Série IF0900 228
Série IT0900. 231
Série IT1200. 234
Série IT1500. 237
Série IT1900. 240
Schémas
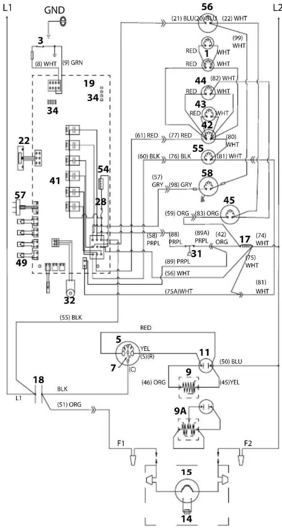
Schémas de câblage 243
Légende de schémas d'ébranchement 243
IF0300/IT0420/IT0450/IT0500/IT0620/
IT0750 Monoph. air/eau. 244
IT0500/IT1200 - Monoph. à distance
refroidi par air 246
IF0600/IF0900/IT0900/IT1200 - Monoph. air/eau 248
IF0600/IF0900/IT0900/IT1200 - Triph. air/eau 250
IT1500/IT1900 - Monoph. air/eau 252
IT1500/IT1900-Triph. air/eau 254
IF0500/IF0600/IF0900/IT1200/IF1500 - Monoph. à distance 256
IF0500/IF0600/IF0900/IT1200/IF1500 - Triph. condenseur à distance 258
IT0750/IT0900 - Monophasé à distance... 260
IT0750/IT0900 - Triphase à distance 262
Carte de commande électronique 264
Filtre à bruit électrique. 266
Schémas des tubulures de réfrigération. 267
Autonomie refroidi par air ou par eau. 267 Mode sans condenseur distance refroidi par air 271
Numéro de schéma
MODELES REFROIDIS PAR AIR, EAU OU CONDENSEUR À DISTANCE
| Autonome refroidi par air | Autonome refroidi par eau | À distance |
| IDF0300A | IDF0300W | ---- |
| IYF0300A | IYF0300W | ---- |
| IDT0300A | IDT0300W | ---- |
| IYT0300A | IYT0300W | ---- |
| IDT0420A | IDT0420W | ---- |
| IYT0420A | IYT0420W | ---- |
| IDT0450A | IDT0450W | ---- |
| IYT0450A | IYT0450W | ---- |
| ---- | ---- | IDF0500N |
| ---- | ---- | IYF0500N |
| IDT0500A | IDT0500W | IDT0500N |
| IYT0500A | IYT0500W | IYT0500N |
| IRT0500A | IRT0500W | ---- |
| IDF0600A | IDF0600W | IDF0600N |
| IYF0600A | IYF0600W | IYF0600N |
| IDT0620A | IDT0620W | ---- |
| IYT0620A | IYT0620W | ---- |
| IRT0620A | IRT0620W | ---- |
| IDT0750A | IDT0750W | IDT0750N |
| IYT0750A | IYT0750W | IYT0750N |
| IRT0750A | IRT0750W | ---- |
| IDF0900A | IDF0900W | IDF0900N |
| IYF0900A | IYF0900W | IYF0900N |
| IRF0900A | IRF0900W | ---- |
| IDT0900A | IDT0900W | IDT0900N |
| IYT0900A | IYT0900W | IYT0900N |
| IRT0900A | IRT0900W | ---- |
| IDT1200A | IDT1200W | IDT1200N |
| IYT1200A | IYT1200W | IYT1200N |
| IDT1500A | IDT1500W | IDT1500N |
| IYT1500A | IYT1500W | IYT1500N |
| IDT1900A | IDT1900W | IDT1900N |
| IYT1900A | IYT1900W | IYT1900N |
| IRT1900A | ---- | IRT1900N |
| Des identifiants supplémentaires indiquent la tension, les versions spéciales ou les modèles propres à certains pays. Voir « Nomenclature des modèles » à la page 20. | ||

Tailles de glaçons
Régulier 2,86× 2,86× 2,22cm (1 - 1 / 8''× 1 - 1 / 8''× 7 / 8'')
Dés 2,22× 2,22× 2,22cm (7 / 8^ × 7 / 8^ × 7 / 8^ )
Demi-dés 0,95× 2,86× 2,22cm (3 / 8^ × 1 - 1 / 8^ × 7 / 8^ )
Avis
Toutes les machines à glaçons de Manitowoc nécessitent un déflecteur de glaçons incorporé au système de stockage de glaçons (bac, distributeur, etc.).
Avant toute utilisation d'un système de stockage de glaçons autre que Manitowoc avec d'autres machines à glaçons Manitowoc, communiquer avec le fabricant pour s'assurer de la compatibilité du déflecteur avec les machines à glaçons Manitowoc.
Emplacement des numéros de modèle/série
Ces numéros sont requis pour toute demande d'information auprès du distributeur Manitowoc, d'un représentant de service après-vente ou de Manitowoc Ice.
- Les numéros de module et de série sont visibles en appuyant sur l'icône d'information de l'écran tactile.
- La carte d'enregistrement de garantie du propriétaire.
- La plaque signalétique importante les numéros de modèle/série est placée dans le compartiment de l'évaporateur et sur l'arrière de la machine à glace.
Les numéros de modèle et de série affichés à l'écran doivent correspondre à ceux de la plaque signalétique pour que l'appareil fonctionne correctement.
Garantie
Pour toute information sur la garantie, visitez :
Information sur la garantie - Enregistrement de la garantie - Vérification de la garantie
La garantie prend effet le jour où la machine à glaçons est installée.
Enregistrement de la garantie
Le processus d'enregistrement de la garantie est un moyen facile et rapide de protéger votre investissement.
Lire le code QR avec un appareil intelligent ou entrer le lien dans un navigateur Web pour procéder à l'enregistrement de la garantie.
WWW.MANITOWOCICE.COM/SERVICE/WARRANTY#WARRANTY-REGISTRATION
L'enregistrement du produit assure sa couverture par la garantie et simplifie le processus de tout recours éventuel à la garantie.
LuminIce II
L'inhibiteur de croissance LuminIce® fait circuler l'air présent dans la zone alimentaire de la machine à glaçons sur une ampoule UV. Ce procédé entrave la prolifération de micro-organismes courants sur toutes les surfaces exposées de la zone alimentaire.
- Les ampoules LuminIce® doivent être changées tous les ans.
- La carte de commande peut être configurée pour afficher automatiquement un rappel après 12 mois.
REMARQUE: Les ampoules LuminIce et LuminIce II ne sont pas interchangeables; vérifier le modèle avant de commander une ampoule de rechange.
Écran d'accueil - icône luminice
- Icône bleue : Fonctionnement normal
- Icône rouge : L'ampoule doit être changée.
- Icône rouge/bleue clignotante : L'ampoule installée n'est pas la bonne.
- Icône rouge clignotante : Changer le module Luminosité.

Nettoyage après un bris accidentel de l'ampoule
La procédure de nettoyage est identique à celle utilisée pour nettoyer un bris de lampe fluocompacte (LFC) ou de tube fluorescent. Ces lampes contiennent une petite quantité de mercure scellé dans un tube de verre. La rupture de ce type d'ampoule libère du mercure et des vapeurs de mercure. L'ampoule brisée peut continuer de relâcher des vapeurs de mercure jusqu'à ce qu'elle soit nettoyée et enlevée.
Les procédures les plus récentes de l'EPA peuvent être consultées sur son site web au www.epa.gov/cfl/cflcleanup.html.
REMARQUE: Les ampoules LuminIce® et LuminIce® II ne sont pas interchangeables; vérifier le modèle avant de commander une ampoule de rechange. Les ampoules LuminIce® ont une douille blanche et les ampoules LuminIce® II une douille bleue.
CETTE PAGE LAISSEE EN BLANC INTENTIONNELLEMENT
Emplacement de la machine à glaçons
L'emplacement choisi pour la machine à glaçons doit remplir les critères suivants. Si l'un de ces critères n'est pas satisfait, désirez un autre emplacement.
- L'emplacement doit être à l'intérieur et exempt de contaminants en suspension dans l'air et autres.
- L'emplacement doit offrir un dégagement suffisant pour les raccordements d'eau, d'écoulement et électriques à l'arrêt de la machine à glaçons.
- Modèles autonomes refroidis par air, refroidis par eau ou partie principale pour modèles à c 1,6 °C (35 °F) mais ne doit pas dépasser 43,4 °C (110 °F).
- C -29°C (-20°F) mais ne doit pas dépasser 49°C (120°F).
- Arrivée d'eau de la machine à glaçons - La pression d'eau doit être d'au moins 1,4 bar (20 psi), mais ne doit pas dépasser 5,5 bar (80 psi).
- Arrivée d'eau du condenseur 19 bar (276 psi).
- L'emplacement ne doit pas être proche d'appareils dégageant de la chaleur ni exposé directement au soleil et doit être protégé des intempéries.
- L'emplacement ne doit pas obstruer la circulation d'air à travers et autour de la machine. Voir les exigences de dégagement dans le tableau ci-dessous.
- La machine à glaçons doit être protégée si elle est exposée à des températures inférieures à 0°C (32°F). Toute panne provoquée par l'exposition au gel est exclue de la couverture par la garantie.
Dégagements requis
MODELES REFROIDIS PAR AIR, EAU OU CONDENSEUR À DISTANCE
| IF0300/IT0300 | Autonome refroidi par air | Refroidi par eau |
| Dessus/côtés 40 cm (16 po) 20 cm (8 po) | ||
| Arrière 13 cm (5 po) 13 cm (5 po) | ||
| IT0420/IT0620 | Autonome refroidi par air | Refroidi par eau |
| Dessus/côtés 31 cm (12 po) 20 cm (8 po) | ||
| Arrière 13 cm (5 po) 13 cm (5 po) | ||
| IT0450/IF0500 IT0500/IF0600 IT0750 | Autonome refroidi par air | Refroidi par eau et à distance |
| Dessus/côtés 20,3 | cm (8 po) 20,3 cm (8 | po) |
| Arrière 12,7 cm | (5 po) 12,7 cm (5 po) |
| IF0900/IT0900 | Autonome refroidi par air | Refroidi par eau et à distance |
| Dessus/côtés 20,3 cm (8 po) 20,3 cm (8 po) | ||
| Arrière 13 cm (5 po) 13 cm (5 po) | ||
| IT1200 | Autonome refroidi par air | Refroidi par eau et à distance |
| Dessus 20,3 cm | (8 po) 20,3 cm (8 po) | |
| Côtés 20,3 cm | (8 po) 20,3 cm (8 po) | |
| Arrière 12,7 cm | (5 po) 12,7 cm (5 po) |
| IT1500 | Autonome refroidi par air | Refroidi par eau et à distance |
| Dessus 30,5 cm | (12 po) 20,3 cm (8 po) | |
| Côtés 20,3 cm | (8 po) 20,3 cm (8 po) | |
| Arrière 12,7 cm | (5 po) 12,7 cm (5 po) |
| IT1900 | Autonome refroidi par air | Refroidi par eau et à distance |
| Dessus 30,5 cm | (12 po) 20,3 cm (8 po) | |
| Côtés 20,3 cm | (8 po) 20,3 cm (8 po) | |
| Arrière 12,7 cm | (5 po) 12,7 cm (5 po) |
Trousse de refoulement d'air par le haut
Dirige l'échappement d'air chaud vers le haut que par les panneaux latéraux. Les trousse de refoulement d'air par le haut ont les mêmes exigences de dégagement.
Chaleur rejetée par la machine à glaçons
| Série de machine à glaçons | Chaleur rejetée | |
| Climatisation* Pointe | ||
| IF0300 4600 5450 | ||
| IT0300 3800 6000 | ||
| IT0420 3800 6000 | ||
| IT0450 3800 6000 | ||
| IT0500 3800 6000 | ||
| IF0600 11800 13700 | ||
| IT0620 5400 6300 | ||
| IT0750 12800 13700 | ||
| IF0900 13000 16000 | ||
| IT0900 12700 14800 | ||
| IT1200 16200 19100 | ||
| IT1500 23000 27000 | ||
| IT1900 26100 30500 | ||
*BTU/h
La chaleur rejetée étant variable au cours du cycle de fabrication des glaçons, les chiffres fournis correspondent à une valeur moyenne.
Pose sur un bac
- La surface de pose doit pouvoir soutenir le poids combiné de l'appareil et du produit.
- Toutes les machines à glaçons installées sur un bac nécessitent un déflecteur de glaçons.
- Les bacs Manitowoc sont équipés d'un déflecteur et ne nécessitant aucune modification lorsqu'ils sont utilisés avec un évaporateur faisant face à l'avant.
- Aligner les côtés et l'arrière de la machine à glaçons avec les côtés et l'arrière du bac lorsque la machine à glaçons est placée sur le bac.
REMARQUE: Des trousseaux sont proposés en option pour adapter des machines à glaçons multiples ou de diverses tailles sur de grands bacs. Pour plus de détails, s'adresser au distributeur local.
RISQUE de blessures corporelles
Ne pas faire fonctionner une machine à glaçons sans déflecteur en place.
Installation d'une machine à glaçons sur un distributeur
Respecter les consignes suivantes, sauf indication contraire par le fabricant du distributeur.
Pour l'adaptateur, le déflecteur ou les accessoires de gestion de la glace, voir la liste des prix des équipements de série à www.manitowocice.com.
- La surface de pose doit pouvoir soutenir le poids combiné de l'appareil et du produit.
- Un adaptateur n'est pas nécessaire pour les machines à glaçons dont la taille correspond à celle du distributeur.
- Un déflecteur n'est pas nécessaire.
- Il est conseillé de prévoir un dispositif de gestion du niveau des glaçons afin d’empêcher les débordements d’eau ou les mouvements de la machine à glaçons durante l’agitation.
- Une chicane de distributeur est nécessaire pour empêcher les glaçons de toucher le panneau de la machine à glaçons et éviter les possibles fuites d'eau.
- Aligner les côtés et l'arrière de la machine à glaçons avec les côtés et l'arrière du distributeur lors de la mise en place de la machine à glaçons.
- Suivre les instructions d'installation de la machine à glaçons et toute directive d'installation supplémentaire du fabricant de distributeur.
Eau potable
- La température de l'eau doit être comprise entre 4,4°C (40°F) et 32°C (90°F).
- La pression d'eau doit être comprise entre 140 kPa (20 psi) et 550 kPa (80 psi).
- Diamètre intérieur minimal du tube 10 mm (3/8 po).
Raccordements d'écoulement
- Les conduites d'écoulement doivent avoir une inclinaison de 2,5 cm par mètre (1,5 po par 5 pi) et ne pas former de siphons.
- Le siphon de sol doit être suffisamment grand pour recevoir l'eau provenant de tous les écoulements.
- Prévoir des conduites d'écoulement séparées pour le bac et la machine à gâcons.
- Isoler les conduites d'écoulement pour éviter la condensation.
- Relier la conduite d'écoulement de la machine à glaçons à l'atmosphère.
- La bouche d'écoulement doit présenter un intervalle d'air conforme au code en vigueur.
Installation de l'écoulement de socle auxiliaire
Un écoulement auxiliaire est situé dans le socle de la machine à glaçons pour éliminer l'humidité dans des zones de forte humidité.
- Observer l'arrière du socle de la machine à glaçons du côté du compresseur pour trouver et retirer le bouchon.
- Acheminer la tubulure jusqu'à un écoulement local ouvert :
Utiliser du tube en CPVC de 1/2 po. - Appliquer un cordon de silicone autour de l'extérieur du tube de machine à glaçons et l'insérer dans le socle de la machine. Le silicone permet de fixer le tube et assure son étanchéité à l'eau. - Prévoir un soutien du tube.
Avis
La garantie de 60 mois du compresseur (y compris la garantie de remplacement de main d’œuvre de 36 mois) ne s’applique pas si la machine à glaçons Manitowoc, le condenseur ou l’unité de condensation à distance QuietQube® ne sont pas installés conformément aux specifications. La présente garantie ne s’applique pas non plus si le système de réfrigeration est modifié par un condenseur, un récupérateur de chaleur ou d’autres pièces ou ensembles non fabriqués par Manitowoc Ice, ou s’il contient des additifs pour système de réfrigeration tels que des colorants de détection de fuite, des inhibiteurs ou autres substances chimiques non homologuées par le fabricant d’origine.
Avertissement
Les points de raccordement varient d'un modèle à l'autre. Vérifier que les raccordements effectués sont corrects pour le modèle installé afin d'éviter tout rejet accidentel de liquide frigorigène sous haute pression.
Important
Les systèmes à distance Manitowoc sont approuvés et garantis uniquement en tant qu'ensemble neuf complet. La garantie du système de réfrigération est annulée si du matériel neuf est raccordé à une tubule, un condenseur à distance, une unité de condensation à distance ou une partie principale de machine à glaçons existants (usages).
Toutes les conduites doivent être isolées avec de l'Armaflex à paroi de 1/4 po d'épaisseur.
Important
Les condenseurs doivent être montés horizontalement avec le moteur de ventilateur en haut et sans aucune obstruction. Il doit y avoir un dégagement d'au moins 41 cm (16 po) à partir du bas pour l'admission d'air.
CONDENSEUR À DISTANCE
| Machine à glaçons | Condenseur à circuit unique à distance | Conduites extérieures* |
| IF0500N JCF0500 | RT-20-R404A RT-35-R404A RT-50-R404A | |
| IT0500N JCT0500 | RT-20-R410A RT-35-R410A RT-50-R410A | |
| IF0600N IF0900N | JCF0900 | RT-20-R404A RT-35-R404A RT-50-R404A |
| IT0900 IT1200N | JCT1200 | RT-20-R410A RT-35-R410A RT-50-R410A |
| IT1500N IT1900N | JCT1500 | RL-20-R410A RL-35-R410A RL-50-R410A |
| *Conduites extérieures | Conduite de refoulement | Conduite de fluide |
| RT 1,27 cm (1/2 po) 0,79 cm (5/16 po) | ||
| RL 1,27 cm (1/2 po) 0,95 cm (3/8 po) | ||
| Les conduites pour R404A ont des capuchons de protection blancs. | ||
| Les conduites pour R410A ont des capuchons de protection roses. | ||
| Toutes les conduites doivent être isolées avec de l'Armaflex à paroi de 1/4 po d'épaisseur | ||
| Température d'air autour du condenseur | |
| Minimum Maximum | |
| -29 °C (-20 °F) 49 °C (120 °F) | |
Charge de liquide frigorigène supplémentaire pour des conduites de 15,5 m à 30,5 m (51 pi à 100 pi)
| Machine à glaçons | Condenseur | Charge de fluide frigorigène supplémentaire à ajouter à l'indication de la plaque signalétique |
| IF0500N JCF0 | 500 680 g - 1,5 lb | |
| IT0500N JCT0 | 500 680 g - 1,5 lb | |
| IF0600N JCF0 | 900 680 g - 1,5 lb | |
| IF0900N JCF0 | 900 907 g - 2,0 lb | |
| IT0900N JCT1 | 200 907 g - 2,0 lb | |
| IT1200N JCT1 | 200 907 g - 2,0 lb | |
| IT1500N JCT1 | 500 907 g - 2,0 lb | |
| IT1900N JCT1 | 500 907 g - 2,0 lb |
Calcul de la distance admissible de conduites extérieures longueur des conduites extérieures
La longueur maximale est de 30,5 m (100 pi).
Élévation/abaissement des conduites extérieures
L'élévation maximale est de 10,7 m (35 pi).
L'abaissement maximal est de 4,5 m (15 pi).

Élévation 10,7 m (35 pi): La distance maximale au-dess

Abaissement 4,5 m (15 pi) : La distance maximale en desso
Distance calculée des conduites extérieures
La distance calculée maximale est de 45,7 m (150 pi).
Les élévations, abaissements et portions horizontales de conduites (ou les combinaisons des trois) dépassant les maximums indiqués entraîne un dépassement des limites de démarrage et de conception du compresseur. Cela produit un mauvais retard d'huile vers le compresseur.
Effectuer les calculs suivants pour s'assurer que l'aménagement des conduites respecte les spécifications.
- Insérer l'élévation mesurée dans la formule ci-dessous. Multiplier par 1,7 pour obtenir l'élévation calculée. (Exemple: Un condenseur placé à 3 mètres [10 pieds] au-dessus de la machine à gaçons a une élévation calculée de 5,2 mètres [17 pieds]).
- Insérer l'abaissement mesuré dans la formule ci-dessous. Multiplier par 6,6 pour obtenir l'abaissement calculé. (Exemple: Un condenseur placé à 3 mètres [10 pieds] au-dessus de la machine à gaçons a un abaissement calculé de 19,8 mètres [66 pieds]).
- Insérer la distance horizontale mesurée dans la formule ci-dessous. Aucun calcul n'est nécessaire.
- Additionner les valeurs d’élevation calculée, d’abaissement calculé et de distance horizontale pour obtenir la distance calculée totale. Si ce total dépasse 45,7 m (150 pi), changer l’emplacement du condenseur et refaire les calculs.
Calcul de la distance maximale de conduites extérieures
Élévation mesurée (10,7 m [35 po] max) × 1,7 = Élévation calculée
Étape 1
Abaisement mesuré (4,6 m [15 po] max) × 6,6 = Abaisement calculé
Étape 2
Distance horizontale mesurée (30,5 m [100 pi] max) = ______ Distance horizontale
Étape 3
Distance totale calculée (45,7 m [150 po] max) = _ _ Distance totale calculée
Garantie
La garantie de soixante (60) mois du compresseur, y compris la garantie de remplacement de main d’œuvre de trente-six (36) mois, ne s’applique pas si la machine à glaçons à distance n’est pas installée conformément aux specifications d’installation à distance. La garantie précédente ne s’applique à aucune machine à glaçons installée ou entretenue de façon contraire aux instructions techniques fournies par Manitowoc Ice. Les résultats peuvent différer des caractéristiques de ventes. Les caractéristiques nominales standard certifiées ARI ne s’appliquent que si un condenseur à distance Manitowoc est utilisé.
Si la conception du condenseur est conforme aux spécifications, Manitowoc approuve uniquement la couverture complète de la garantie pour la partie du système fabriquée par Manitowoc. Dans la mesure où Manitowoc ne teste pas le condenseur en association avec la machine à glaçons, Manitowoc ne peut pas promouvoir, recommander ni approuver le condenseur et decline toute responsabilité concernant son fonctionnement ou sa fiabilité.
Important
Manitowoc garantit uniquement les ensembles à distance neufs et inutilisés complets. Garantir l'intégrité d'une machine à glaçons neuve en vertu des termes de notre garantie interdit l'emploi de tubulure ou de condenseurs existants (usagés).
Pression nominale et déclenchement
Pression nominale 4137kPa - 600 psig
Pression d'éclatement 17 237 kPa - 2500 psig
Vanne de régulation de pression de refoulement
Ne pas utiliser une commande de marche-arrêt du ventilateur pour essayer de maintenir une défaillance du compresseur. Tout condenseur à distance raccordé à une machine à glaçons Manitowoc doit composer la vanne de régulation de la pression de refoulement d'origine. Manitowoc n'acceptera pas à sa place une vanne de régulation de pression de refoulement « du commerce ».
Des trousse destinées à la mise en place d'une régulation de pression de refoulement sont disponibles :
Fluide frigorigène R404A - K00221 Fluide frigorigène R410A - K00479
Moteur de ventilateur
Le ventilateur du condenseur doit être en marche durant le cycle de congélation complet de la machine à glaçons (ne pas mettre en marche la commande du ventilateur). La machine à glaçons comporte un circuit de moteur de ventilateur de condenseur à utiliser avec un condenseur Manitowoc. Il est recommandé d'utiliser ce circuit pour contrôler le ou les ventilateurs de condenseur sur le condenseur à circuits multiples pour s'assurer qu'il est en marche au bon moment. Ne pas dépasser l'intensité nominale pour le circuit du moteur de ventilateur indiquée sur l'étiquette de numéro de série de la machine à glaçons.
Volume interne de condenseur
Le volume interne de condenseur à circuits multiples ne doit pas être inférieur ni supérieur à celui utilisé par Manitowoc. Ne pas dépasser le volume interne ni essayer d'accroître la charge pour compenser car cela endommagerait le compresseur.
| Modèle | Minimum cm3 (pi3) | Maximum cm3 (pi3) |
| IF0500N/IT0500N 566 | (0,020) 850 (0,030) | |
| IF0600 | 1274 (0,045) 169 | 9 (0,060) |
| IF0900N/IT0900N | ||
| IT1200N | ||
| IT1500N | 2407 (0,085) 297 | 3 (0,105) |
| IT1900N |
Chaleur rejetée
| Modèle Pointe | Moyenne | |
| IF0500N/IT0500N 3800 6000 | ||
| IF0600N 11800 | 13000 | |
| IT0750N 12800 | 13700 | |
| IF0900N/IT0900N 13000 16000 | ||
| IT1200N 16200 | 19100 | |
| IT1500N 23000 | 27000 | |
| IT1900N 26100 | 30500 | |
Charge en fluide frigorigène
L'étiquette de numéro de modulo/série de la machine à glaçons indique la quantité de fluide frigorigène. Les condenseurs à distance et les conduites contiennent une charge de vapeur seulement.
Voir les quantités de fluide frigorigène du système sous « Charge totale de fluide frigorigène dans le système » à la page 36. « Charge totale de fluide frigorigène dans le système » à la page 204.
Raccords à branchement rapide
La machine à glaçons et les conduites sont munies de raccords à branchement rapide. Il est commandé d'inverser des raccords rapides correspondants (disponibles auprès des distributeurs Manitowoc, K00129) dans le condenseur à circuits multiples et d'ajouter une charge de « maintien » de 150 ml (5 oz) de vapeur de fluide frigorigène approprié dans le condenseur avant de raccorder la machine à glaçons ou les conduites au condenseur.
Généralités
Le propriétaire est responsable de l'entretien de la machine à glaçons conformément aux instructions figurant dans le présent manuel. Les procédures d'entretien ne sont pas couvertes par la garantie.
Détartrer et désinfecter la machine à glaçons au minimum une fois tous les six mois pour qu'elle fonctionne efficacement. Si la machine à glaçons nécessite d'être détartrée et désinfectée plus fréquemment, consulter une entreprise de maintenance qualifiée pour qu'elle teste la qualité de l'eau et recommande un traitement de l'eau approprié. Une machine à glaçons très sale doit être démontée pour le détartrage et la désinfection.
Le détartrant et le désinfectant pour machine à glaçons Manitowoc sont les seuls produits approuvés pour les machines à glaçons Manitowoc.
Attention
Utiliser uniquement le détartrant et le désinfectant pour machine à glaçons approuvés par Manitowoc pour cette application (Détartrant Manitowoc numéro de pièce 9405463 et Désinfectant Manitowoc numéro de pièce 9405653). L'utilisation de ces solutions d'une façon contraire aux indications figurant sur l'étiquette constitue une infraction à la loi fédérale. Avant toute utilisation, lire et comprendre toutes les étiquettes imprimées sur les récipients.
Attention
Ne pas mélanger les solutions détartrante et désinfectante l'une avec l'autre. L'utilisation de ces solutions d'une façon contraire aux indications figurant sur l'étiquette constitue une infraction à la loi fédérale.
Avertissement
Porter des gants en caoutchouc et des lunettes de sécurité (ou un masque) lors de la manipulation du détartrant ou du désinfectant pour machine à glacons.
Procedure de détartrage et de désinfection en profondeur
Cette procédure doit être effectuée au moins une fois tous les six mois.
- La machine à glaçons et le bac doivent être démontés, détartrés et désinfectés.
- Tous les glaçons produits pendant la procédure de détartrage et de désinfection doivent être jetés.
- Élimine les dépôts minéraux des zones ou surfaces qui sont en contact direct avec l'eau.
Procedure de détartrage correctif
- Cette procédure permet de détartrer tous les composants sur le trajet d'écoulement de l'eau et s'utilise pour détartrer la machine à glaçons entre les opérations bisannuelles de nettoyage et désinfection en profondeur.
L'IAUCS® ne fonctionne pas si le bouton Nettoyage est utilisé pour démarrer un cycle de nettoyage. Pour amorcer le tuyau, une activation est nécessaire dans le menu Entretien/icone IAUCS®.
Nettoyage de l'extérieur
Nettoyer l'extérieur de la machine à glaçons aussi souvent que nécessaire pour la maintenir propre et en bon état de fonctionnement.
Essuyer les surfaces avec un linge humide rinçé à l'eau pour enlever la poussière et la saleté de l'extérieur de la machine à glaçons. Pour les résidus gras résistants, utiliser un chiffon humide rinçé dans une solution d'eau et de produit de vaisselle doux. Essuyer avec un chiffon doux propre.
Les panneaux extérieurs ont un revêtement transparent qui résiste aux taches et se nettoie facilement. Les produits qui contiennent des abrasifs endommagent le revêtement et rayent les panneaux.
- Ne jamais utiliser de tampons métalliques ou abrasifs pour le nettoyage.
- Ne jamais utiliser de produits nettoyants chlorés, à base d'essence d'agrumes ou abrasifs sur les panneaux extérieurs et les garnitures de plastique.
Démarrer un CYCLE de nettoyage
Appuyer sur l'icône Nettoyage. Un écran de confirmation s'affiche indiquant que si on appuie sur Continuer, cela lance un cycle de nettoyage qui peut durer jusqu'à 35 minutes.
Fonctionnement du RIDEAU d'eau/amortisseur DURANT le CYCLE de nettoyage
Le rideau d'eau/amortisseur doit rester fermé durant les procédures de détartrage et de désinfection. Si le rideau/amortisseur est ouvert pendant plus de 3 secondes, le cycle de nettoyage s'interrompt et un message s'affiche offrant le choix entre continuer et arrêter le cycle de nettoyage. Si l'arrêt du cycle de nettoyage est sélectionné, il se produit une série de cycles de rinçage et de vidange pour assurer l'élimination du détartrant ou du désinfectant avant de reprendre la fabrication de glaçons.
METTRE un CYCLE de nettoyage en PAUSE
Appuyer à tout moment sur la touche d'alimentation pour mettre le cycle de nettoyage en pause puis pour le redémarrer. Le cycle de nettoyage reprend alors au début soit du cycle de lavage, soit du cycle de rinçage, en fonction du point d'interruption.
Coupure d'électricité DURANT le CYCLE de nettoyage
En cas d'interruption de l'alimentation électrique durant le cycle de nettoyage, le contrôleur conserve l'état du système en mémoire. Une fois l'électricité rétablie, le cycle de nettoyage reprend au début soit du cycle de lavage, soit du cycle de rinçage, en fonction du point d'interruption.
Abandonner un CYCLE de nettoyage
Vérifier qu'il n'y a pas de détartrant ou désinfectant dans le circuit d'eau avant d'abandonner le cycle de nettoyage.
- Tenir la touche Nettoyage enfoncée, puis appuyer brièvement sur la touche d'alimentation.
- Relâcher la touche Nettoyage et sélectionner Abort (Abandonner) sur l'écran tactile.
Attention
Utiliser uniquement le détartrant et le désinfectant pour machine à glaçons approuvés par Manitowoc pour cette application (Détartrant Manitowoc numéro de pièce 9405463 et Désinfectant Manitowoc numéro de pièce 9405653). L'utilisation de ces solutions d'une façon contraire aux indications figurant sur l'étiquette constitue une infraction à la loi fédérale. Avant toute utilisation, lire et comprendre toutes les étiquettes imprimées sur les récipients.
Attention
Ne pas mélanger les solutions détartrante et désinfectante l'une avec l'autre. L'utilisation de ces solutions d'une façon contraire aux indications figurant sur l'étiquette constitue une infraction à la loi fédérale.
Avertissement
Porter des gants en caoutchouc et des lunettes de sécurité (ou un masque) lors de la manipulation du détartrant ou du désinfectant pour machine à glaçons.
Le détartrant pour machine à glaçons s'utilise pour éliminer le tartre et les dépôts minéraux. Le désinfectant pour machine à glaçons désinfecte et élimine les algues et les dépôts visqueux.
REMARQUE: Bien que ce ne soit pas nécessaire, selon l'installation, l'enlèvement du capot supérieur de la machine à glaçons peut faciliter l'accès.
Étape 1 Ouvrir le panneau avant pour accéder au compartiment de l'évaporateur. Il ne doit pas y avoir de glace sur l'évaporateur durant la procédure de détartrage/désinfection. Appliquer l'une des méthodes ci-dessous:
- Appuyer sur l'interrupteur d'alimentation une fois que les glaçons tombent de l'évaporateur à la fin d'un cycle de récolte des glaçons.
- Appuyer sur l'interrupteur d'alimentation et laisser la glace fondre.
- À l'aide de l'écran tactile, lancer un cycle de récolte manuelle.
Avis
Ne jamais utiliser quoi que ce soit pour détacher de force la glace de l'évaporateur. Cela peut l'endommager.
Étape 2 Sortir tous les glaçons du bac ou du distributeur.
Étape 3 Appuyer sur la touche Nettoyage et sélectionner « Mettre ensuite la machine à l'arrêt ». L'eau s'écoule par le robinet de vidange d'eau puis dans le siphon d'écoulement. Attendre une minute environ que le bac à eau se remplisse à nouveau et que l'écran indique « Ajouter détergent ». Ajouter la quantité appropriée de détartrant pour machine à glaçons dans le bac à eau en le versant entre le rideau d'eau et l'évaporateur, puis confirmer que le produit a été ajouté.
REMARQUE: Il y a une durée limite de 10 minutes pour confirmer que le produit a été ajouté.
- Touche Confirmation sélectionnée dans les 10 minutes : La machine à glaçons démarre un cycle de lavage de 10 minutes, suivi de 6 cycles de rinçage et de purge.
- Touche Confirmation non sélectionnée dans les 10 minutes : La machine à glaçons saute le cycle de lavage de 10 minutes et exécute 6 cycles de rinçage et de purge.
| Modèle Quantité de | détartrant |
| IF0300/IT0300/IT0420/IT0620 90 mL (3 oz) | |
| IT0450/IF0500/IT0500/IF0600 | 150 mL (5 oz) |
| IT0750/IF0900/IT0900/IT1200 | |
| IT1500/IT1900 265 mL (9 oz) | |
Étape 4 : Attendre la fin du cycle, puis couper l'alimentation de la machine à glaçons (et du distributeur s'il y a lieu).
Avertissement
Couper l'alimentation électrique de la machine à gasons au niveau du tableau de distribution électrique.
Étape 5 Retirer les pièces à détartrer.



Démonter le rideau d'eau
- Flexionner avec précaution le rideau au centre et le retenir par la droite.
- Extraire la cheville gauche.
B. Retirer le bac à eau et le déflecteur d'eau du bas de l'évaporateur.
Appuyer sur les languettes sur la droite et la
gauche de la cuve à eau.
- Laisser l'avant de la cuve à eau descendre en tirant vers l'avant pour dégager les chevilles arrière.
- Desserrer la vis moletée sur le côté gauche du plateau déflecteur d'eau.
- Laisser le côté gauche du plateau s'abaisser tout en tirant le plateau vers la gauche pour dégager la cheville droite.
C. Démonter la sonde de niveau d'eau
- Tirer la sonde de niveau d'eau vers le bas pour la dégager.
- Abaisser la sonde de niveau d'eau jusqu'à ce que le connecteur de cable soit visible.
- Débrancher le câble de la sonde de niveau d'eau.
- Retirer la sonde de niveau d'eau de la machine à glaçons.
D. démonter la sonde d'épaisseur de glace
- Comprimer l'axe de charnière sur le dessus de la sonde d'épaisseur de glace.
- Faire pivoter la sonde d'épaisseur de glace pour dégager une cheville puis l'autre. La sonde d'épaisseur de glace peut être détartrée à ce stade sans être complètement retirée. Pour déposer complètement la sonde, débrancher le câble de commande d'épaisseur de glace de la carte de commande.
E. Démonter le tube de distribution d'eau
REMARQUE: Les vis à oreille du tube de distribution sont à rétention pour éviter de les perdre. Desserrer les vis molettes sans les sortir du tube de distribution.
- Desserrer les deux vis extérieures (ne pas les sortir complètement, elles sont à rétention pour éviter de les perdre) et tirer le tube de distribution vers l'avant pour le dégager du joint coulissant.
Pour démonter le tube de distribution, desserrer les deux (2) vis molettes du milieu et séparer le tube de distribution en deux parties. Voir les instructions de dépose des pièces pour la machine considérée. Passer à l'étape 6 une fois les pièces déposées.
Étape 6 Préparer une solution de détartrant et d'eau tiède. En fonction de la quantité de minéraux accumulée, une plus grande quantité de solution peut s'avérer nécessaire. En utilisant les proportions du tableau ci-dessous, préparer suffisamment de solution pour complètement détartrer toutes les pièces.
| Type de solution | Eau Mélangée avec |
| Détartrant 4 L | (1 gal) 475 mL (16 oz) de détartrant |
Étape 7 Utiliser la moitié de la solution d'eau et de détartrant pour détartrer toutes les pièces. La solution mousse au contact du tartre ou de dépôts minéraux ; lorsque le moussage cesse, utiliser une brosse en nylon à poils souples, une éponge ou un chiffon (PAS une brosse métallique) pour détartrer soigneusement les pièces. Faire tremper les pièces pendant 5 minutes (de 15 à 20 minutes pour les pièces fortement entartrées). Rincer toutes les pièces avec de l'eau propre.
Avis
Ne pas nettoyer la sonde d'épaisseur de glace au lave-vaiselle. Cela provoquerait des dommages irréversibles à la sonde.
Sonde d'épaisseur de glace et sonde de niveau d'eau
Détartrer les sondes de la manière suivante.
REMARQUE: Ne pas immerger les connecteurs électriques dans la solution détartrante ou désinfectante.
- Préparer une solution de détartrant pour machine à glaçons Manitowoc et d'eau (60 mL [2 oz] de détartrant pour 473 mL [16 oz] d'eau) dans un récipient.
- Détartrer toutes les surfaces des sondes, y compris les pièces en plastique (ne pas utiliser d'abrasifs). S'assurer que toutes les surfaces soient propres. Rincer soigneusement les sondes à l'eau claire.
- Remonter les sondes, puis désinfecter les surfaces intérieures de la machine à glaçons et du bac/distributeur.
Étape 8 Pendant que les pièces trempent, utiliser la moitié de la solution de détartrant et d'eau pour nettoyer toutes les surfaces de contact alimentaire de la machine à glaçons et du bac (ou du distributeur). Utiliser une brosse en nylon ou un chiffon pour détartrer soigneusement les surfaces suivantes de la machine à glaçons :
- Parois latérales
- Socle (zone au-dessus du bac à eau)
- Pièces en plastique de l'évaporateur, y compris le dessus, le dessous et les côtés
- Bac ou distributeur
Rincer soigneusement toutes les surfaces avec de l'eau propre.
Procedure de désinfection
Étape 9 Préparer une solution de désinfectant et d'eau tiède.
| Type de solution Eau Mélangée avec | |
| Désinfectant 12 L (3 gal) 60 mL (2 oz) | de désinfectant |
Étape 10 Utiliser la moitié de la solution désinfectante pour désinfecter tous les composants déposés. Utiliser un flacon pulvérisateur pour appliquer abondamment la solution sur toutes les surfaces des pièces enlevées ou faire tremper les pièces enlevées dans la solution désinfectant/eau. Ne pas rincer les pièces désinfectées.
Étape 11 Utiliser la moitié de la solution désinfectante/eau pour désinfecter toutes les surfaces de la zone alimentaire de la machine à glaçons et du bac (ou distributeur).
Applique abondamment la solution à l'aide d'un flacon pulvérisateur. Lors de la désinfection, porter une attention particulière aux zones suivantes :
- Parois latérales
- Socle (zone au-dessus du bac à eau)
- Pièces en plastique de l'évaporateur, y compris le haut, le bas et les côtés
- Bac ou distributeur
Ne pas rincer les surfaces désinfectées.
Étape 12 Remonter toutes les pièces déposées.
Étape 13 Attendez 20 minutes.
Étape 14 Remettre la machine à glaçons en marche et appuyer sur la touche Nettoyage.
Étape 15 Appuyer sur la touche Nettoyage et sélectionner « Démarrer ensuite la fabrication de glaçons ». L'eau s'écoule par le robinet de vidange d'eau puis dans le siphon d'écoulement. Attendre une minute environ que le bac à eau se remplisse à nouveau et que l'écran indique « Ajouter détergent ». Ajouter la quantité appropriée de désinfectant pour machine à glaçons dans le bac à eau en le versant entre le rideau d'eau et l'évaporateur, puis confirmer que le produit a été ajouté.
| Modèle Quantité de | désinfectant |
| IF0300/IT0300/IT0420/IT0450 IT0620/IF0500/IT0500 IF0600/IT0750/IF0900/IT0900 IT1200 | 90 mL (3 oz) |
| IT1500/IT1900 180 mL (6 oz) | |
Étape 16 La machine à glaçons démarre automatiquement la fabrication de glaçons une fois que le cycle de désinfection est terminé.
Robinet d'arrivée d'eau
En général, il n'est pas nécessaire de démonter la vanne d'arrivée d'eau pour la nettoyer. Pour dépanner les problèmes en rapport avec l'eau, se reporter à la section « Liste de vérification du circuit d'eau » à la page 110.
- Lorsque la machine à glaçons est à l'arrêt, la vanne d'arrivée d'eau doit couper complètement l'arrivée d'eau vers la machine. Voir s'il y a une circulation d'eau.
Lorsque la machine est en marche, la vanne doit permettre le passage du bon débit d'eau vers la machine. Appuyer sur la touche Alimentation pour mettre la machine à glaçons sous tension. Observer le débit d'eau entrant dans la machine à glaçons. Si le débit d'eau entrant dans la machine à glaçons est réduit ou minimal, voir la liste de vérification du circuit d'eau.
REMARQUE: Le robinet peut aussi être activé à partir du menu Entretien / Diagnostic, en sélectionnant Carte de commande, puis « Activer tous les relais ».
Avertissement
Couper l'alimentation électrique de la machine à gants et du distributeur au niveau du tableau de distribution électrique, puis couper l'alimentation en eau avant de poursuivre.
Robinet de vidange d'eau
Il n'est pas nécessaire de démonter le robinet de vidange d'eau pour le détartrer et le désinfecter. Pour déterminer si le démontage est nécessaire :
- Trouver le robinet de vidange d'eau.
- Pendant que la machine à glaçons est en mode congélation, vérifier l'écoulement pour voir si le robinet de vidange fuit. S'il n'y a pas ou qu'un peu d'eau dans la cuve à eau (durant le cycle de congélation), c'est le robinet de vidange qui fuit.
A. Si le robinet de vidange fuit et qu'il n'y a pas de débris visibles et faciles à enlever, le robinet de vidange doit être changé.
B. Si le robinet de vidange ne fuit pas, ne pas le retirer. Suivre plutôt la « Procédure de détartrage de la machine à glaçons »
Procédure de détartrage correctif
Cette procédure permet de détartrer les composants sur le trajet d'écoulement de l'eau et s'utilise pour détartrer la machine à glaçons entre les opérations bisannuelles de détartrage et de désinfection.
Le détartrant pour machine à glaçons s'utilise pour éliminer le tartre et les dépôts minéraux. Le désinfectant pour machine à glaçons désinfecte et élimine les algues et les dépôts visqueux.
REMARQUE: Bien que ce ne soit pas nécessaire, selon l'installation, l'enlèvement du capot supérieur de la machine à glaçons peut faciliter l'accès.
- Il ne doit pas y avoir de glace sur l'évaporateur durant le cycle de détartrage/désinfection. Appliquer l'une des méthodes ci-dessous :
- Appuyer sur l'interrupteur d'alimentation une fois que les glaçons tombent de l'évaporateur à la fin d'un cycle de récolte des glaçons.
- Appuyer sur l'interrupteur d'alimentation et laisser la glace fondre.
Avis
Ne jamais utiliser quoi que ce soit pour détacher de force la glace de l'évaporateur. Cela peut l'endommager.
- Ouvrir le panneau avant pour accéder à l'évaporateur.
- Appuyer sur la touche Nettoyage et sélectionner « Démarrer ensuite la fabrication de glaçons ». L'eau s'écoule par le robinet de vidange d'eau puis dans le siphon d'écoulement. Attendre une minute environ que le bac à eau se remplisse à nouveau et que l'écran indique « Ajouter détergent ». Ajouter la quantité appropriée de détartrant pour machine à glaçons dans le bac à eau en le versant entre le rideau d'eau et l'évaporateur, puis confirmer que le produit a été ajouté.
| Modèle Quantité de | détartrant |
| IF0300/IT0300/IT0420/IT0620 9 | 0 mL (3 oz) |
| IT0450/IF0500/IT0500/IF0600 | 150 mL (5 oz) |
| IT0750/IF0900/IT0900/IT1200 | |
| IT1500/IT1900 265 mL (9 oz) | |
- Fermer et attacher le panneau avant. La machine à glaçons démarre automatiquement la fabrication de glaçons une fois que le cycle est terminé (24 minutes environ).
REMARQUE: Une fois que le cycle a démarré, il doit se terminer avant que la machine à glaçons puisse recommencer à fabriquer des glaçons. Le fait de remettre la machine en mode de fabrication de glaçons n'annule pas un cycle de nettoyage.
Généralités
Des précautions spéciales doivent être prises si la machine à glaçons doit être mise hors service pour une période de temps prolongée ou exposée à des températures ambiantes de 0°C (32°F) ou moins.
Avis
S'il reste de l'eau dans la machine à glaçons à des températures inférieures à 0°C, des dommages graves de certains composants sont possibles. Les dommages de ce type ne sont pas couverts par la garantie.
Suivre la procédure applicable ci-dessous.
Machines à glaçons refroidies par air
- Appuyer sur la touche Alimentation pour permettre la machine à glaçons à l'arrêt.
- Couper l'arrivée d'eau.
- Vider l'eau de la cuve à eau.
- Débrancher et vidanger la conduite d'arrivée d'eau à glaçons à l'arrière de la machine à glaçons.
- Mettre la machine à glaçons sous tension et attendre une minute que la vanne d'arrivée d'eau s'ouvre - ou - Activer tous les relais dans le menu Entretien de l'écran tactile.
- Souffler de l'air comprimé dans les ouvertures d'arrivée d'eau et de vidange à l'arrière de la machine à glaçons jusqu'à ce qu'il ne ressorte plus d'eau par les conduites d'arrivée d'eau ou de vidange.
- Couper l'alimentation électrique au niveau du disjoncteur ou du tableau électrique.
- S'assurer qu'il ne reste plus du tout d'eau dans les conduites d'eau, les conduites d'écoulement, les tubes de distribution, etc.
Machines à glaçons refroidies par eau
- Suivre les étapes 1 à 6 sous « Machines à glaçons refroidies par air »
- Débrancher les conduites d'arrivée d'eau et d'écoulement du condenseur refroidi par eau.
- Appuyer sur la touche Alimentation pour démarrer un cycle de fabrication de glaçons et attendre le cycle de congélation. L'augmentation de la pression de fluide frigorigène ouvre la vanne de régulation d'eau.
- Souffler de l'air comprimé à travers les ailettes du condenseur jusqu'à éliminer toute l'eau.
- Appuyer sur la touche Alimentation pour permettre la machine à glaçons à l'arrêt puis débrancher l'alimentation de la machine.
- Effectuer une procédure de verrouillage et étiquetage.

Caractéristiques de l'écran tactile
Le tableau de commande Indigo® NXT comporte une série de touches sensibles à la pression et un écran tactile interactif.
Touches
Touches Alimentation: Assure les fonctions de Marche/Arrêt de la machine à glaçons.
Touches Verrouiller/Deverrouiller: Autorise ou bloque l'utilisation de l'écran tactile.
Touche Nettoyage : Lance un cycle de nettoyage. Voir les détails sous « Détartrage et désinfection en profondeur » à la page 37.
REMARQUE: Contrôler l'écran tactile du bout des doigts seulement.
Écran tactile

L'écran d'accueil permet d'afficher l'objet, les alertes et les messages de la machine à glaçons. La navigation sur l'écran tactile donne accès aux options de menus, aux données de la machine, aux réglages et aux journaux d'alertes. Cela permet de régler les paramètres de configuration et d'économie d'énergie, mais aussi d'accéder aux informations d'entretien et de dépannage. Les icônes fournissent des indications d'objet et permettent la navigation en appuyant dessus.
Logiciel antérieur à la version 9 : L'écran tactile affiche le Program Mode On (mode Programme activé), si la machine à glaçons est à l'arrêt en raison d'une sonde de niveau du bac, du programme Heure ou du programme Poids.

Logiciel version 9: L'écran tactile affiche un bouton rond Making Ice (Fabrication de glaçons) à bordure verte durant la fabrication de glaçons, un bouton Machine Off (Arrêt machine) à bordure orange si la machine à glaçons est à l'arrêt par le programme Heure, Poids ou Arrêt nocturne ou un bouton de priorité manuelle Ice Now (Glaçons maintenant) à bordure bleu clair/bleu foncé, qui permet une production immédiate de glaçons indépendamment des paramètres de programmation.

L'écran tactile affiche l'icône Verrouillage à la place de l'icône Menu si l'écran a été verrouillé.
Description des icônes de l'écran d'accueil
| Icônes Description | |
| Écran d'accueil | L'état courant de la machine à glaçons est affché dans la partie centrale de l'écran : Fabrication de glace, bac plein, mode programmation ou machine à l'arrêt. |
| Alerte Icône | d'alerte avec nombre de messages. Appuyer sur cette icône pour afficher le journal des alertes, qui permet de visualiser et de réinitialiser les alertes. |
| Message Icône | ne de message avec nombre de messages. Appuyer sur cette icône pour afficher l'écran de rappel de l'entretien courant, qui permet de visualiser et de réinitialiser un rappel. |
| Menu L'icône | ne de menu donne accès au menu principal. REMARQUE: Cette icône se change en icône Verrouillage si le verrouillage de l'écran tactile a été sélectionné. |
| Information L'icône | icône d'information donne accès aux numérodes modèle et de série, à la date d'installation et autres informations propres à la machine à glaçons. |
| Localisateur de service | Fournit les coordonnées du service d'assistance local. Le réglage par défaut est le localisateur de service du site Web de Manitowoc Ice. |
| Verrouiller/ Déverrouiller | Indique si l'écran est verrouillé ou déverrouillé. L'icône est uniquement visible lorsque l'écran est verrouillé. |
| LuminIce®Visible seulement si l'accesoire LuminIce® Il est raccordé. S bleu - Fonctionnement normal S rouge - Changer l'ampoule Rouge-bleu en alternance - Mauvaise ampoule installée | |
| iAuCS Cette icône s'affiche lorsque l'iAuCS s'active durant un cycle de nettoyageprogrammé. | |
| Fabrication glaçons | Cette icône ronde à bardure verte s'affiche après que la machine a été programmée pour fonctionner en mode Heure, Poids ou Arrêt nocturne. |
| Arrêt machine | Cette icône ronde à bardure orange s'affiche après que la machine a été arrêtée par le programme Heure, Poids ou Arrêt nocturne. |
| Glaçons maintainant | Cette icône ronde à bardure bleu clair/bleu foncé permet une production immédiate de glaçons independamment des paramètres de programmation. |
| Touché d'alimentation verte | Cette icône s'affiche si la machine s'arrêté durant un cycle de congélation long ou un cycle de récolte long. Pour redémarrer la machine, appuyer sur la touche d'alimentation verte à l'écran ou couper puis rétablier l'alimentation. Cela ne peut être fait que trois fois sur une période de 24 heures. |
Assistant de configuration
Les écrans avancent automatiquement lorsqu'une sélection est effectuée ; appuyer sur les flèches pour avancer ou revenir d'un écran à la fois. Tous les réglages sont accessibles et peuvent être modifiés sans l'assistant par navigation à travers les écrans de menu.
| Configuration Description | |
| Appuyer sur la touche d'alimentation | La touche d'alimentation (Marche/Arrêt) s'utilise pour démarrer/arrête la fabrication de glaçons. |
| Sélectionner la langue | L'anglais est langue par défaut.Faire défiler pour sélectionner une autre langue. |
| Assistant de démarrage | L'assistant de démarrage accompagne la programmation de la machine à glaçons. |
| Configuration de la date et de l'heure | Sélectionner Mois/Jour/Année ou Jour/Mois/Année.Sélectionner le format sur 12 heures ou 24 heures. |
| Régler l'heure locale | Utiliser les flèches pour régler l'heure locale. |
| Vérifier la date | Utiliser les flèches pour régler la date locale. |
| Détection des accessoires | Détekte si le capteur de niveau de glaçons,LuminIce® II ou iAuCS sont raccordés.Coche = oui - X = non |
| Configuration USB | S'utilise seulement si les paramètres de configuration ont été transférés sur une clé USB. Pour sauter cet écran, appuyer sur la flèche droite. |
| Unités Choisisir | impétrial ou métrique. |
| Luminosite | Configurer la luminosité de l'écran pendant le fonctionnement normal. |
| Programmation glace | Programmer les durées de marche de la machine ou appuyer sur la flèche droite pour ignorer ce réglage. |
| Rappel de nettoyage | Régler le rappel de détartrage et désinfection ou appuyer sur la flèche droite pour ignorer. |
| iAuCS* Régler | la fréquence de fonctionnement. |
| Filtre à air | Régler sur Marche pour les modèlesautonomes refroidis par air. |
| Consommation d'eau | Défaut usine- ou -Con sommer moins d'eau pour les systèmes à osmose inverse (voir « Utilisation d'eau désisionnée ou filtrée par osmose inverse » à la page 152)- ou -Con sommer plus d'eau pour améliorer la clarté de l'eau non filtrée. |
| Filtre à eau* | Sélectionner Oui ou non, régler l'intervalle de rappel |
| Luminice II* | Le rappel de 12 mois est automatiquement rég lé |
| Assistant terminé | Appuyer sur la flèche droite ou sur l'icône d'écran d'accueil pour revenir à l'écran d'accueil. |
Navigation des écrans de MENUS de réglage
Appuyer sur l'icône RÉGLAGES de l'écran d'accueil pour accéder à l'écran de menu principal. L'écran de menu principal comporte quatre options principales, qui donnent accès à des sous-options sous chaque option principale.
| Énergie | |
| Programmation glace | |
| Mode continu - Par défaut, pas de programme | |
| Programme heures - Sélection d'heures quotidiennes de marche/arrêt | |
| Programme poids - Sélection d'un poids de production quotidienne | |
| Arrêt nocturne - Sélection des heures d'arrêt/marche durant la nuit | |
| Consommation d'eau | |
| Utiliser le défaut usine | |
| Consommer moins d'eau avec l'osmose inverse | |
| Consommer plus d'eau pour améliorer la clarté des glaçons | |
| Statistiques | |
| Production de glaçons - 7 jours précédents | |
| Consommation d'eau - 7 jours précédent | |
| Consommation d'énergie - 7 jours précédent |
REMARQUE: Les statistiques de rendement sont calculées pour un fonctionnement de la machine à glaçons à une température ambiantede 32°C (90°F) et une température de l'eau de 21°C (70°F). Les statistiques réelles dépendent des conditions ambiantes réelles.
| X | Entretien |
| Données | |
| Données en temps réel | |
| Heure et température | |
| Entrées | |
| Sorties | |
| Historique des 5 jours précédents Congélation minimale et maximale (durée, heures de la journée, températures de thermistance) Récolte minimale et maximale (durée, heures de la journée, températures de thermistance) | |
| Historique complet Date d'installation Date de changement de la carte de commande Date de fabrication de la carte de commande Temps de marche Nombre de cycles Eau potable Cycles de nettoyage | |
| ! | Journal des alertes |
| Liste/effacement des alertes | |
| Récolte manuelle | |
| Déactivée ou activée | |
| Changement de la carte de commande | |
| Changement manuel Saisie manuelle du nombre de modèle Saisie manuelle du nombre de série Saisie manuelle du nombre de série du condenseur (facultatif) Vérification | |
| Changements par USB Importer vers la machine à gaçons Exporter vers USB | |
| 8 | Diagnostic |
| Carte de commande | |
| Activer tous les relais | |
| Auto vérification | |
| Capteurs de température | |
| Liste des capteurs de température | |
| Entrées | |
| Informations sur les entrées de la carte de commande | |
| Interface utilisateurÉtalandage de l'écranDiagnostics des touchesDiagnostics de l'écran | |
| Étalandage de l'écran | |
| Coordonnées | |
| Le défaut usine est le code QR et l'adresse Web du localisateur mondial de Manitowoc Ice.Touche modifier les coordonnées | |
| USB | |
| Mise à jour du micrologiciel | |
| Exporter les données | |
| iAuCS | |
| Démarrage manuel de la pompe iAuCS pour amocrer la pompe et le tuyau. REMARQUE: La touche Nettoyage ne démarre pas la pompe iAuCS. | |
| Réglages | |
| Langue | |
| Sélectionner la langue | |
| Rappels | |
| Rappel nettoyage | |
| Définir l'intervalle en mois | |
| Filtre à air | |
| Définir activé/désactivé/intervalle | |
| Filtre à eau | |
| Définir un rappel | |
| Configurer la date et l'heure | |
| Configurer la date et l'heure Régler l'heure Régler la date | |
| Unités | |
| Impérique ou métrique | |
| Luminosité | |
| Réglage de la luminosité de l'écran tactile pour le mode de veille ou d'inactivité. REMARQUE: La luminosité à 100 % est activée en touchant l'écran s'il est en mode déverrouillé. | |
| USB | |
| Importer les régliages dans la machine àglascons | |
| Exporter les régliages vers USB | |
| iAuCS | |
| Si l'iAuCS est détecté, l'icône s'affiche dans le menu Réglages pour définitr la fréquence des nettoyages avec iAuCS | |
|  | Rétablir les réglages par défaut |
| Demander l'assistant de configuration Redémarrage de l'assistant de configuration à des fins de formation ou de revente du matériel. | |
| Sauvegarder réglages actuels | |
| Importer dans la machine à glaçons | |
| Exporter vers USB | |
| Rétablir par défaut |
Généralités
Les machines à glaçons Manitowoc sont mises en marche et réglées à l'usine avant leur expédition. Normalement, les nouvelles installations ne nécessitent aucun réglage.
Pour assurer le bon fonctionnement, toujours procéder aux contrôles de fonctionnement :
- lors de la première mise en marche de la machine à glaçons
- suite à une période d'arrêt prolongée
- après le nettoyage, le détartrage et la désinfection
REMARQUE: Les réglages courants et les procédures d'entretien ne sont pas couverts par la garantie.
Important
Les compresseurs de réfrigération doivent fonctionner pendant une période de stockage d'au moins 24 heures avant que la pleine production de glacons soit atteinte.
Contrôl de l'épaisseur de GLACE
La sonde d'épaisseur de glace est réglée en usine pour maintenir l'épaisseur du pont de glace à 3 mm (1/8 po).
REMARQUE: S'assurer que le rideau d'eau ou les écrans anti-éclaboussures sont en place avant d'effectuer cette vérification. Ils empêchent l'eau de sortir du bac à eau par éclaboussures. Retirer le rideau pour procéder à un ajustement, puis le remettre immédiatement en place une fois l'ajustement effectué.
- Contrôler le pont qui relie les glaçons. Son épaissir doit être de 3 mm (1/8 po).
- Si un ajustement est nécessaire, tourner la vis d'ajustement de la sonde d'épaisseur de glace dans le sens des aiguilles d'une montre pour augmenter l'épaisseur du pont et dans le sens inverse pour diminuer l'épaisseur du pont. Comme point de départ, fixer un espace de 7 mm (9/32 po) entre la sonde d'épaisseur de glace et l'évaporateur. Ajuster ensuite de façon à obtenir une épaisseur de 3 mm (1/8 po).
- S'assurer que le fil de la sonde d'épaisseur de glace et le support n'entravent pas le mouvement de la sonde.

Contrôle de l'épaisseur de glace
REMARQUE: Un ajustement de 1/3 de tour change l'épaisseur de glace d'environ 1,5 mm (1/16 po). Effectuer cet ajustement uniquement lorsque la machine à glaçons est à l'arrêt pour éviter de déclencher une récolte.
Temporisations de la carte de commande
La carte de commande comporte les temporisations non réglables suivantes :
- La machine à glaçons est verrouillée dans son cycle de congélation pendant 6 minutes avant que la sonde d'épaissur de glace puisse lancer un cycle de récolte.
- e automatiquement une série de récoltes.
Le temps maximal de récolte est de 7 minutes, le circuit de commande effectue un cycle de décongélation puis la machine à glaçons redémarre un cycle de congélation.
- Temps maximal de remplissage d'eau en cycle de congélation :
- Un évaporateur - 6 minutes.
- Deux évaporateurs - 8 minutes.
Autonome refroidi par air ou par eau
REMARQUE: La touche Alimentation doit être enfoncée et le rideau d'eau ou les amortisseurs de glaçons doivent être en place sur l'évaporateur pour que la machine à glaçons démarre.
1. Purge d'eau
Avant que le compresseur démarre, la pompe à eau et l'électrovanne de vidange d'eau s'activent pour purger l'eau existante de la machine à glaçons. Cela assure que le cycle de fabrication de glaçons démarre avec de l'eau fraîche.
2. Égalisation et démarrage du système de réfrigération
Les vanne(s) de récolte et la(les) pompe(s) à air s'activent pour égaliser la pression de réfrigération des côtés haut et bas.
Après 5 secondes, le contacteur alimente le compresseur et fournit de la puissance au moteur de ventilateur du condenseur. Au bout de 5 secondes, les vanne(s) de récolte et pompe(s) à air se désactivent.
REMARQUE: Le moteur de ventilateur est raccordé à une commande de pression de marche du ventilateur. Lorsque la pression de refoulement dépasse la pression de coupure, le contacteur de marche du ventilateur met le moteur de ventilateur sous tension.
3. Prérefroidissement
Le compresseur fonctionne pendant 30 secondes (120 secondes pour le cycle initial) pour abaisser la température du(des) évaporateur(s) avant que la pompe à eau soit activée. La vanne de remplissage d'eau s'active et reste activée jusqu'à ce que l'eau atteigne les sondes de niveau d'eau haut et s'arrête pendant 5 secondes.
Pompe à eau
La(les) pompe(s) à eau s'activent et l'eau s'écoule sur l'évaporateur. La pompe à eau est activée pendant tout le cycle de congélation.
Robinet d'arrivée d'eau
Le robinet d'arrivée d'eau est activé pendant le pré-refroidissement. Une fois que l'eau entre en contact avec les sondes de niveau d'eau haute et basse, le robinet de remplissage d'eau se désactive. La glace se forme sur l'évaporateur et le niveau d'eau baisse. Lorsque l'eau passe en dessous de la sonde d'eau haute, le robinet de remplissage d'eau s'active jusqu'à ce que l'eau touche à nouveau la sonde d'eau haute.
Temps maximal de remplissage = Temps de remplissage pré-refroidissement + premier remplissage + deuxième remplissage.
REMARQUE: Après le deuxième remplissage, le relais de la vanne d'eau est verrouillé.
Démarrage initial ou démarrage après mise à l'arrêt automatique
Pré-refroidissement (2 minutes) + premier replissage (6 minutes) + deuxième replissage (6 minutes) = 14,0 minutes.
Cycles consécutifs
Pré-refroidissement (30 secondes) + premier remplissage (6 minutes) + deuxième remplissage (6 minutes) = 12,5 minutes.
Démarrage initial ou démarrage après mise à l'arrêt automatique
Pré-refroidissement (2 minutes) + premier replissage (8 minutes) + deuxième replissage (8 minutes) = 18,0 minutes.
Cycles consécutifs
Pré-refroidissement (30 secondes) + premier replissage (8 minutes) + deuxième replissage (8 minutes) = 16,5 minutes.
Sonde d'épaisseur de glace
Le cycle de congélation se poursuit jusqu'à l'expiration du début de verrouillage de congélation de six minutes et la formation de suffisamment de glace pour la sonde d'épaisseur de glace envoie un signal à la carte de commande.
Durant les 6 premières minutes du cycle de congélation, le micro de la sonde d'épaissur de glace échantillonne le bruit ambiant. Au bout de 6 minutes du cycle de congélation, des mesures de référence sont enregistrées. La formation de glace sur l'évaporateur modifie les mesures ; lorsque les valeurs de reference mesurées sont dépassées, un cycle de récolte démarre.
5. Purger l'eau
La(les) pompe(s) à air (le cas échéant) et la(les) vanne(s) de récolte s'ouvrent au début de la purge d'eau pour détourner le gaz réfrigérant refoulé vers l'évaporateur.
La(les) pompe(s) continue(nt) de fonctionner et le robinet de vidange d'eau s'active pour purger toute l'eau restante dans le bac à eau vers l'écoulement.
6. Récolte
La pompe à air (le cas échéant) reste activée et la ou les vannes de récolte restent ouvertes. Le gaz réfrigérant réchauffe l'évaporateur, ce qui provoque le glissement de la plaque de glaçons hors de l'évaporateur et dans le bac de stockage. Si l'amortisseur ou le rideau ne s'ouvre pas dans les 3,5 minutes durant le cycle de récolte, il se produit ce qui suit :
- 3,5 minutes - Le robinet d'arrivée d'eau s'active jusqu'à ce que l'eau touche la sonde de niveau d'eau.
- 4 minutes - La pompe à eau s'active.
- 6,5 à 7 minutes - Le robinet de vidange d'eau s'active.
L'ouverture et la fermeture dans les 30 secondes du contacteur de bac par le glissement de la plaque de glaçons interrompt la série de récolte des glaçons et remet la machine à glaçons en mode de congélation (étapes 3 et 4).
REMARQUE: Si le contacteur de bac ne s'ouvre pas avant 7 minutes, la machine à glaçons démarre un cycle de décongélation. Voir les détails sous « Cycle de décongélation » à la page 86.
7. Arrêt automatique
Si le bac de stockage est plein à la fin de la série de récolte, la plaque de glaçons ne se dégage pas du rideau d'eau ou de l'amortisseur de glaçons et le maintient ouvert. Si le rideau d'eau ou l'amortisseur de glaçons est maintenu ouvert pendant 30 secondes, la machine à glaçons s'arrête. La machine à glaçons reste à l'arrêt pendant 3 minutes, après quoi elle peut redémarrer automatiquement.
La machine à glaçons reste arrêtée jusqu'à ce que suffisamment de glaçons aient été retirés du bac de stockage pour permettre aux glaçons de tomber au-delà du rideau d'eau ou de tous les amortisseurs de glaçons. Lorsque le rideau d'eau ou les amortisseurs de glaçons se referment, l'interrupteur du bac se referme et la machine à glaçons redémarre (étapes 1 et 2), à condition que le délai de 3 minutes soit écoulé.
TABLEAU DES PIEÇES ACTIVÉS - MODELES AUTONOMES REFROIDIS PAR AIR OU PAR EAU
| Séquence de fabrication des glaçons | Pompe à eau | Vanne(s) de récolte | Pompe(s) à air* | Robinet d'arrivée d'eau | Robinet de vidange d'eau | Bobine de contacteur | Compresseur | Moteur de ventilateur du condenseur | Durée |
| Démarrage initial1. Purge d'eau | Activé Désactivé Désactivé Désactif Désactif Activé Désactif Désactif Désactif Désactif Désactif Désactif Désactif Désactif Désactif Désactif Désactif Désactif Désactif Désactif Désactif Désactif Désactif Désactif Désactif Désactif Désactif Désactif Désactif Désactif Désactif DésactIF | Désactif Activé Activé Désactif Désactif Désactif Désactif Désactif Désactif Désactif Désactif Désactif Désactif Désactif Désactif Désactif Désactif Désactif Désactif Désactif Désactif Désactif Désactif Désactif Désactif Désactif Désactif DÉsactif DÉsactif DÉsactif DÉsactif DÉsactif DÉsactif DÉsactif DÉsactif DÉsactif DÉsactif DÉsactif DÉsactif DÉsactif DÉsactif DÉsactif DÉsactif DÉsactif DÉsactif DÉsactif DÉsactif DÉssus dure 120 s30 secondes plus tard | |||||||
| 2. Équilibrage de pression | Désactif | Activé Activé Désactif Désactif Désactif Désactif Désactif Désactif Désactif Désactif Désactif Désactif Désactif Désactif Désactif Désactif Désactif Désactif Désactif Désactif DÉsactif DÉsactif DÉsactif DÉssus dure 120 s30 secondes plus tard | |||||||
| 3. Démarrage du compresseur | Désactif | Activé | Activé | Désactif | Désactif | Activé | Activé | Désactif | 5 secondes |
| Séquence de congélation4. Pré-refroidissement | Désactif Désactif Désactif Désactif Désactif Désactif Désactif Désactif Désactif Désactif Désactif Désactif Désactif Désactif Désactif Désactif Désactif Désactif Désactif Désactif Désactif Désactif Désactif DÉssus dure 120 s30 secondes plus tard | ||||||||
| 5. Congélation | Activé Désactif Désactif Désactif Désactif Désactif Désactif Désactif Désactif Désactif DÉssus dure 120 s30 secondes plus tard | ||||||||
| Séquence de récolte6. Purge d'eau Activé | Activé Activé Désactivé | Désactivé | Désactivé | Activé Activé | Peut s'activer/désactiver | Régle en usine à 45 secondes | |||
| 7. Récolte | Désactivé | Activé Activé | Désactivé | Désactivé Activé | Activé Activé | Peut s'activer/désactiver | Activation du contacteur de bac | ||
| Cycle de décongélationDémarre au bout de 3,5 min d'une série de récolte | Désactivé | Activé Activé | Activé Désactivé | Activé Activé | Activé | Peut s'activer/désactiver | Activation du contacteur de bac | ||
| Cycle de décongélationDémarre au bout de 4 min d'une série de récolte | Activé Activé | Activé Activé | Désactivé | Désactivé Activé | Activé | Peut s'activer/désactiver | Activation du contacteur de bac ou 7 minutes | ||
| Cycle de décongélationLe robinet de vidange s'active au bout de 6,5 min d'une série de récolte | Activé Activé Activé | Activé Activé | Désactivé | Désactivé Activé | Activé | Peut s'activer/désactiver | Activation du contacteur de bac ou 7 minutes |
| Séquence de fabrication des glaçons | Pompe à eau | Vanne(s) de récolte | Pompe(s) à air* | Robinet d'arrivée d'eau | Robinet de vidange d'eau | Bobine de contacteur | Compresseur | Moteur de ventilateur du condenseur | Durée |
| 8. Arrêt automatique | Désactivé | Désactivé | Désactivé | Désactivé Désactivé | Désactivé Désactivé | Désactivé Désactivé | Désactivé | **Jusqu'à l'expiration du salarié de 3 min et la refermeture du contacteur de bac | |
| * Pas utilisé sur tous les modèles | |||||||||
- Pas utilisé sur tous les modèles ** Un cycle de décongélation démarre si le contacteur de bac ne s'ouvre pas dans les 7 minutes après le début du cycle de récolte.
Condenseur à distance
REMARQUE: La touche Alimentation doit être enfoncée et le rideau d'eau ou les amortisseurs de glaçons doivent être en place sur l'évaporateur pour que la machine à glaçons démarre.
1. Purge d'eau
Avant que le compresseur démarre, la pompe à eau et l'électrovanne de vidange d'eau s'activent pendant 45 secondes pour purger complètement l'ancienne eau de la machine à glaçons. Cela assure que le cycle de fabrication de glaçons démarre avec de l'eau fraîche.
2. Égalisation et démarrage du système de réfrigération
La vanne de récolte, la pompe à air et les électrovannes de régulation de pression de récolte (HPR) s'activent pour égaliser la pression de réfrigération des côtés haut et bas.
Après 5 secondes, l'électrovanne de conduite de liquides s'active et le contacteur alimente le compresseur et le moteur de ventilateur du condenseur.
3. Pré-refroidissement
Le compresseur fonctionne pendant 30 secondes (120 secondes pour le cycle initial) pour abaisser la température du(des) évaporateur(s) avant que la pompe à eau soit activée. La vanne de remplissage d'eau s'active et reste activée jusqu'à ce que l'eau atteigne les sondes de niveau d'eau haut et BASSE.
Pompe à eau
La ou les pompes à eau s'activent et l'eau s'écoule sur l'évaporateur. La pompe à eau est activée pendant tout le cycle de congélation.
Robinet d'arrivée d'eau
Le robinet d'arrivée d'eau est activé pendant le pré-refroidissement. Une fois que l'eau entre en contact avec les sondes de niveau d'eau haute et basse, le robinet de remplissage d'eau se désactive. La glace se forme sur l'évaporateur et le niveau d'eau baisse. Lorsque l'eau passe en dessous de la sonde d'eau haute, le robinet de remplissage d'eau s'active jusqu'à ce que l'eau touche à nouveau la sonde d'eau haute.
Temps maximal de remplissage = Temps de remplissage pré-refroidissement + premier remplissage + deuxième remplissage.
TEMPS MAXIMAL DE REMPLISSAGE AVEC ÉVAPORATEUR UNIQUE
Démarrage initial ou démarrage après mise à l'arrêt automatique
Pré-refroidissement (2 minutes) + premier replissage (6 minutes) + deuxième replissage (6 minutes) = 14,0 minutes.
Cycles consécutifs
Pré-refroidissement (30 secondes) + premier remplissage (6 minutes) + deuxième remplissage (6 minutes) = 12,5 minutes.
TEMPS MAXIMAL DE REMPLISSAGE AVEC DEUX EVAPORATEURS
Démarrage initial ou démarrage après mise à l'arrêt automatique
Pré-refroidissement (2 minutes) + premier replissage (8 minutes) + deuxième replissage (8 minutes) = 18,0 minutes.
Cycles consécutifs
Pré-refroidissement (30 secondes) + premier remplissage (8 minutes) + deuxième remplissage (8 minutes) = 16,5 minutes.
Sonde d'épaisseur de glace
Le cycle de congélation se poursuit jusqu'à l'expiration du début de verrouillage de congélation de six minutes et la formation de suffisamment de glace pour que la sonde d'épaisseur de glace envoie un signal à la carte de commande.
Durant les 6 premières minutes du cycle de congélation, le micro de la sonde d'épaisseur de glace échantillonne le bruit ambiant. Au bout de 6 minutes du cycle de congélation, 4 mesures de référence sont enregistrées. La formation de glace sur l'évaporateur modifie les mesures ; lorsque deux des quatre valeurs de référence mesurées sont dépassées, un cycle de récolte démarre.
5. Purge d'eau
La pompe à air (le cas échéant), la ou les vannes de récolte et la vanne de régulation de pression de récolte (HPR) s'activent pour détourner le gaz réfrigérant chaud vers l'évaporateur.
La pompe à eau continue de fonctionner et le robinet de vidange d'eau s'active pour purger l'eau dans le bac à eau.
6. Récolte
La vanne de récolte, la ou les pompes à air et les électrovannes de régulation de pression de récolte (HPR) restent activées et le gaz réfrigérant réchauffe l'évaporateur, ce qui provoque le glissement de la plaque de glaçons hors de l'évaporateur et dans le bac de stockage. Si l'amortisseur ou le rideau ne s'ouvre pas dans les 3,5 minutes durant le cycle de récolte, il se produit ce qui suit :
- 3,5 minutes - Le robinet d'arrivée d'eau s'active jusqu'à ce que l'eau touche la sonde de niveau d'eau.
- 4 minutes - La pompe à eau s'active.
- 6,5 à 7 minutes - Le robinet de vidange d'eau s'active.
L'ouverture et la fermeture dans les 30 secondes du contacteur de bac par le glissement de la plaque de glaçons interrompt la série de récolte des glaçons et remet la machine à glaçons en mode de congélation (Étapes 3 et 4.)
REMARQUE: Si le contacteur de bac ne s'ouvre pas avant 7 minutes, la machine à glaçons démarre un cycle de décongélation. Voir les détails sous « Cycle de décongélation » à la page 86.
7. Arrêt automatique
Si le bac de stockage est plein à la fin de la série de récolte, la plaque de glaçons ne se dégage pas du rideau d'eau ou de l'amortisseur de glaçons et le maintiennent ouvert. Si le rideau d'eau ou l'amortisseur de glaçons est maintenu ouvert pendant 30 secondes, la machine à glaçons s'arrête. La machine à glaçons reste à l'arrêt pendant 3 minutes, après quoi elle peut redémarrer automatiquement.
La machine à glaçons reste arrêtée jusqu'à ce que suffisamment de glaçons aient été retirés du bac de stockage pour permettre aux glaçons de tomber à l'écart du rideau d'eau/amortisseur de glaçons. Lorsque le rideau d'eau ou l'amortisseur de glaçons se referme, la machine à glaçons redémarre (étapes 1 et 2), à condition que le délai de 3 minutes soit écoulé.
BLEAU DES PIECES ACTIVÉES - MODELES À CONDENSEUR À DISTANCE REFROIDIPAR AIR
| Séquence de fabrication des glaçons | Pompe à eau | Vanne(s) de récolte | Vanne HPR | Pompe(s) à air* | Robinet d'arrivée d'eau | Robinet de vidange d'eau | Contacteur électrovanche de conduite de liquide | Compresseur | Moteur de ventilateur du condenseur | Durée |
| Démarrage initial1. Purge d'eau | Activé Désactivé Désactivé Désactivé Désactivé Activé Désactivé Désactivé Désactivé Désactivé 45 secondes | |||||||||
| 2. Équilibrage de pression | Désactivé Activé Activé Désactivé Désactivé Désactivé Désactivé Désactivé 5 secondes | |||||||||
| 3. Démarrage du compresseur | Désactivé | Activé | Désactivé | Activé | Désactivé | Désactivé | Activé | Activé | Activé | 5 secondes |
| Séquence de congélation4. Pré-refroidissement | Désactivé Désactivé Désactivé Désactivé | Désactivé Désactivé Désactivé | Désactivé | Peut s'activer/désactiver durant pré-refroidissement | Désactivé | Activé | Activé | Activé | Activé | Le démarrage initial dure 120 s30 secondes plus tard |
| Séquence de fabrication des glaçons | Pompe à eau | Vanne(s) de récolte | Vanne HPR | Pompe(s) à air* | Robinet d'arrivée d'eau | Robinet de vidange d'eau | Contacteur électrovanche de conduite de liquide | Compresseur | Moteur de ventilateur du condenseur | Durée |
| 5. Congélation | Activé Désactif | Désactif Désactif | Désactif | Se désactif/active une fois de plus | Désactif | Activé Activé Activé | Jusqu'au contact de la glace avec la sonde d'épaisseur de glace | |||
| Séquence de récolte | Activé Activé | Activé Activé | Activé Désactif Activé | Activé Activé Activé Activé Activé Activé | Réglé en usine à 45 secondes | |||||
| 6. Purge d'eau | ||||||||||
| 7. Récolte | Désactif | Activé | Activé | Activé | Désactif | Désactif | Activé | Activé | Activé | Activation du contacteur de bac |
| Cycle de décongélation | Désactif | Activé Activé | Activé | Activé | Désactif Activé | Activé Activé | Jusqu'au contact de l'eau avec la sonde de niveau d'eau | |||
| Démarre au bout de 3,5 min d'une série de récolte | ||||||||||
| Cycle de décongélation La pompe à eau s'active au bout de 4 min d'une série de récolte | Activé Activé Activé | Activé Désactivé Désactivé Activé Activé Activé Activé Activé Activé | Activé Désactivé Désactivé Activé Activé Activé Activé | Activé Désactivé Activé Activé Activé Activé Activé | Activé | Activation du contacteur de bac ou 7 minutes | ||||
| Cycle de décongélation Le robinet de vidange s'active au bout de 6,5 min d'une série de récolte | Activé Activé Activé | Activé Désactivé Activé Activé Activé Activé Activé Activé | Activé Désactivé Activé Activé Activé Activé | Activé Activé Activé Activé | Activé | Activation du contacteur de bac ou 7 minutes | ||||
| 8. Arrêt automatique | Désactivé | Désactivé Désactivé Désactivé Désactivé Désactivé Désactivé Désactivé Désactivé Désactivé Désactivé Désactivé Désactivé Désactivé Désactivé Désactivé Désactivé Désactivé Désactivé Désactivé Désactivé Désactivé | Désactivé Désactivé Désactivé Désactivé Désactivé Désactivé Désactivé Désactivé Désactivé Désactivé Désactivé Désactivé Désactivé Désactivé Désactivé Désactivé Désactivé Désactivé Désactivité Désactivité Désactivité Désactivité Désactivité Désactivité Désactivité Désactivité Désactivité Désactivité Désactivité Désactivité Désactivité Désactivité Désactivité Désactivité Désactivité Désactivité Désactivité Désactivité Désactivités Désactivité Désactivités Désactivités Désactivités Désactivités Désactivités Désactivités Désactivités Désactivités Désactivités Désactivités Désactivités Désactivités Désactivités Désactivités Désactivités Désactivités Désactivités Désactivités Désactivités Désactivités Désactivées Désactivées Désactivées Désactivées Désactivées Désactivées Désactivées Désactivées Désactivées Désactivées Désactivées Désactivées Désactivées Désactivées Désactivées Désactivées Désactivées Désactivées Désactivées Désactivées Désactivités Désactivités Désactivités Désactivités Désactivités Désactivités Désactivités Désactivités Désactivités Désactivités Désactivités Désactivités Désactivités Désactivités Désactivités Désactivités Désactivités Désactivités Désactivités Désactivites Désactivités Désactivites Désactivites Désactivites Désactivites Désactivites Désactivites Désactivites Désactivites Désactivites Désactivites Désactivites Désactivites Désactivites Désactivites Désactivites Désactivites Désactivites Désactivites Désactivites Désactivites Désactivités Désactivites Désactivites Désactivites Désactivites Désactivites Désactivites Désactivites Désactivites Désactivites Désactivites Désactivites Désactivites Désactivites Désactivites Désactivites Désactivites Désactivites Désactivités Désactivites Désactivités Désactivites Désactivites Désactivites Désactivites Désactivites Désactivites Désactivites Désactivites Désactivites Désactivites Désactivites Désactivites Désactivites Désactivites Désactivites Désactivites Désactivités Désactivites Désactivites Désactivités Désactivites Désactivites Désactivites Désactivites Désactivites Désactivites Désactivites Désactivites Désactivites Désactivites Désactivites Désactivites Désactivites Désactivites Désactivites Désactivites Désactivités Désactivités Désactivites Désactivites Désactivites Désactivites Désactivites Désactivites Désactivites Désactivites Désactivites Désactivites Désactivites Désactivites Désactivites Désactivites Désactivites Désactivites Désactivites Désactivites Désactivités Désactivités Désactivites Désactivités Désactivites Désactivites Désactivites Désactivites Désactivites Désactivites Désactivites Désactivites Désactivites Désactivites Désactivites Désactivites Désactivites Désactivites Désactivites Désactivités Désactivites Désactivites Désactivites Désactivités Désactivites Désactivites Désactivites Désactivites Désactivites Désactivites Désactivites Désactivites Désactivites Désactivites Désactivites Désactivites Désactivites Désactivites Désactivites Désactivités Désactivites Désactivités Désactivites Désactivités Désactivites Désactivites Désactivites Désactivites Désactivites Désactivites Désactivites Désactivites Désactivites Désactivites Désactivites Désactivites Désactivites Désactivites Désactivites Désactivités Désactivités Désactivites Désactivites Désactivités Désactivites Désactivites Désactivites Désactivites Désactivites Désactivites Désactivites Désactivites Désactivites Désactivites Désactivites Désactivites Désactivites Désactivites Désactivites Désactiviges Désactivages Désactivages Désactivages Désactivages Désactivages Désactivages Désactivages Désactivages Désactivages Désactivages Désactivages Désactivages Désactivages Désactivages Désactivages Désactivages Désactivages Désactivages Désactivages Désactivages Désactiviges Désactivages Désactivages Désactivages Désactivages Désactivages Désactivages Désactivages Désactivages Désactivages Désactivages Désactivages Désactivages Désactivages Désactivages Désactivages Désactivages Désactivages Désactivages Désactiviges Désactiviges Désactiviges Désactiviges Désactiviges Désactiviges Désactiviges Désactiviges Désactiviges Désactiviges Désactiviges Désactiviges Désactiviges Désactiviges Désactiviges Désactiviges Désactiviges Désactiviges Désactiviges Désactiviges Désactivages Désactiviges Désactiviges Désactiviges Désactiviges Désactiviges Désactiviges Désactiviges Désactiviges Désactiviges Désactiviges Désactiviges Désactiviges Désactiviges Désactiviges Désactiviges Désactiviges Désactiviges Désactiviges Désactivages Désactivages Désactiviges Désactiviges Désactiviges Désactiviges Désactiviges Désactiviges Désactiviges Désactiviges Désactiviges Désactiviges Désactiviges Désactiviges Désactiviges Désactiviges Désactiviges Désactiviges Désactiviges Désactivages Désactiviges Désactivages Désactiviges Désactiviges Désactiviges Désactiviges Désactiviges Désactiviges Désactiviges Désactiviges Désactiviges Désactiviges Désactiviges Désactiviges Désactiviges Désactiviges Désactiviges Désactiviges Désactiviges Désactivages Désactivages Désactivages Désactiviges Désactiviges Désactiviges Désactiviges Désactiviges Désactiviges Désactiviges Désactiviges Désactiviges Désactiviges Désactiviges Désactiviges Désactiviges Désactiviges Désactiviges Désactiviges Désactivages Désactiviges Désactiviges Désactivages Désactiviges Désactiviges Désactiviges Désactiviges Désactiviges Désactiviges Désactiviges Désactiviges Désactiviges Désactiviges Désactiviges Désactiviges Désactiviges Désactiviges Désactiviges Désactiviges Désactivites Désactivites Désactivites Désactivites Désactivites Désactivites Désactivites Désactivites Désactivites Désactivites Désactivites Désactivites Désactivites Désactivites Désactivites Désactivites Désactivites Désactivites Désactivites Désactiviges Désactiviges Désactiviges Désactiviges Désactiviges Désactiviges Désactiviges Désactiviges Désactiviges Désactiviges Désactiviges Désactiviges Désactiviges Désactiviges Désactiviges Désactiviges Désactiviges Désactiviges Désactiviges Désactivites Désactiviges Désactiviges Désactiviges Désactiviges Désactiviges Désactiviges Désactiviges Désactiviges Désactiviges Désactiviges Désactiviges Désactiviges Désactiviges Désactiviges Désactiviges Désactiviges Désactiviges Désactiviges Désactivites Désactivites Désactivites Désactiviges Désactiviges Désactiviges Désactiviges Désactiviges Désactiviges Désactiviges Désactiviges Désactiviges Désactiviges Désactiviges Désactiviges Désactiviges Désactiviges Désactiviges Désactiviges Désactivites Désactiviges Désactiviges Désactivites Désactiviges Désactiviges Désactiviges Désactiviges Désactiviges Désactiviges Désactiviges Désactiviges Désactiviges Désactiviges Désactiviges Désactiviges Désactiviges Désactiviges Désactiviges Désactiviges Désactivites Désactiviges Désactivites Désactiviges Désactiviges Désactiviges Désactiviges Désactiviges Désactiviges Désactiviges Désactiviges Désactiviges Désactiviges Désactiviges Désactiviges Désactiviges Désactiviges Désactiviges Désactiviges Désactiviges Désactivites Désactiviges Désactivites Désactivites Désactiviges Désactiviges Désactiviges Désactiviges Désactiviges Désactiviges Désactiviges Désactiviges Désactiviges Désactiviges Désactiviges Désactiviges Désactiviges Désactiviges Désactiviges Désactiviges Désactiviges Désactivites Désactivites Désactiviges Désactiviges Désactiviges Désactiviges Désactiviges Désactiviges Désactiviges Désactiviges Désactiviges Désactiviges Désactiviges Désactiviges Désactiviges Désactiviges Désactiviges Désactiviges Désactivites Désactivites Désactiviges Désactivites Désactiviges Désactiviges Désactiviges Désactiviges Désactiviges Désactiviges Désactiviges Désactiviges Désactiviges Désactiviges Désactiviges Désactiviges Désactiviges Désactiviges Désactiviges Désactiviges Désactivites Désactivites Désactivites Désactivages Désactivites Désactivages Désactivages Désactiviges Désactiviges Désactiviges Désactiviges Désactiviges Désactiviges Désactiviges Désactiviges Désactiviges Désactiviges Désactiviges Désactiviges Désactiviges Désactiviges Désactiviges Désactiviges Désactiviges Désactivites Désactiviges Désactivages Désactiviges Désactiviges Désactiviges Désactiviges Désactiviges Désactiviges Désactiviges Désactiviges Désactiviges Désactiviges Désactiviges Désactiviges Désactiviges Désactiviges Désactiviges Désactiviges Désactiviges Désactivites Désactivites Désactivages Désactiviges Désactiviges Désactiviges Désactiviges Désactiviges Désactiviges Désactiviges Désactiviges Désactiviges Désactiviges Désactiviges Désactiviges Désactiviges Désactiviges Désactiviges Désactiviges Désactiviges Désactiviges Désactivites Désactivages Désactiviges Désactiviges Désactiviges Désactiviges Désactiviges Désactiviges Désactiviges Désactiviges Désactiviges Désactiviges Désactiviges Désactiviges Désactiviges Désactiviges Désactiviges Désactiviges Désactiviges Désactivites Désactivages Désactivages Désactiviges Désactiviges Désactiviges Désactiviges Désactiviges Désactiviges Désactiviges Désactiviges Désactiviges Désactiviges Désactiviges Désactiviges Désactiviges Désactiviges Désactiviges Désactiviges Désactivites Désactiviges Désactiviges Désactivages Désactiviges Désactiviges Désactiviges Désactiviges Désactiviges Désactiviges Désactiviges Désactiviges Désactiviges Désactiviges Désactiviges Désactiviges Désactiviges Désactiviges Désactiviges Désactiviges Désactivages Désactiviges Désactivages Désactivages Désactiviges Désactiviges Désactiviges Désactiviges Désactiviges Désactiviges Désactiviges Désactiviges Désactiviges Désactiviges Désactiviges Désactiviges Désactiviges Désactiviges Désactiviges Désactiviges Désactivites Désactivites Désactiviges Désactivages Désactiviges Désactiviges Désactiviges Désactiviges Désactiviges Désactiviges Désactiviges Désactiviges Désactiviges Désactiviges Désactiviges Désactiviges Désactiviges Désactiviges Désactiviges Désactiviges Désactivites Désactiviges Désactivages Désactivages Désactiviges Désactiviges Désactiviges Désactiviges Désactiviges Désactiviges Désactiviges Désactiviges Désactiviges Désactiviges Désactiviges Désactiviges Désactiviges Désactiviges Désactiviges Désactiviges Désactivages Désactivages Désactiviges Désactivages Désactiviges Désactiviges Désactiviges Désactiviges Désactiviges Désactiviges Désactiviges Désactiviges Désactiviges Désactiviges Désactiviges Désactiviges Désactiviges Désactiviges Désactiviges Désactiviges Désactivages Désactivages Désactivages Désactivages Désactiviges Désactiviges Désactiviges Désactiviges Désactiviges Désactiviges Désactiviges DésactIViges DÉssACTIFS DE LA GAOULLE | 1993-2003 | ||||||
- Pas utilisé sur tous les modèles ** Un cycle de décongélation démarre si le contacteur de bac ne s'ouvre pas dans les 7 minutes après le début du cycle de récolte.
CETTE PAGE LAISSEE EN BLANC INTENTIONNELLEMENT
Dépannage
Voir s'il y a des alertes à l'écran - En présence d'une alerte, une icône d'alerte s'affiche avec le nombre de messages. Appuyer sur l'icône d'alerte pour afficher le journal des alertes, qui permet de visualiser et de réinitialiser les alertes. Voir la description de l'événement dans le journal des alertes aux pages suivantes.
REMARQUE: Il y a deux séquences qui permettent à la machine à glaçons de poursuivre la fabrication de glaçons durant des alertes :
Cycle de déconnexion
Si l'amortisseur ou le rideau ne s'ouvre pas durant le cycle de récolte de 7 minutes (erreur E02), un cycle de déconnexion démarre.
Voir « Cycle de déconnexion » à la page 86
Mode de fonctionnement sécuritaire
Laisse la machine à glaçons fonctionner jusqu'à 72 heures en cas de défaillance de la sonde d'épaisseur des glaçons (erreur E19) et/ou des sondes de niveau d'eau (erreur E20). Voir « Mode de fonctionnement sécuritaire » à la page 79.
Journal des alertes
Voir la description des codes sous « Détails du journal des alertes »
| Texte affché Code Description | |
| Congélationlongue | E01 Cycle de congélation long |
| Réçupérationlongue | E02 Cycle de récolte long |
| Coupured'alimentation | E03 Coupure d'entrée d'alimentation |
| Temp condsrair ou eauélevée | E04 Température du condenseur elevée |
| Erreur HPC E05Commande haute pression ouverte | |
| E06 Inutilisé | |
| InsuffisanceTXV | E07 TXV insuffisamment alimenté surevaporateur unique ou charge faible |
| Erreur TXV E08 | Erreur TXV sur evaporateurs à un ou deuxcircuits |
| Évap1 noyé E09 | Erreur evaporateur noyé pourevaporateur unique, circuit unique |
| Évap2 noyé E10 | Erreur evaporateur noyé pour deux TXV,deux circuits |
| Erreur réfrig E11 | Problème de réfrigération |
| Erreur ridesaup E12 | Problème de contacteur de rideau -Ouvert pendant plus de 24 heures |
| E13 Inutilisé | |
| E14 Inutilisé | |
| Bse temp liq E15 | Problème de commande du cycle deventilateur - Température de la conduitede liquide basse |
| Erreur cnd dist E16 | Problème d'unité de condensation àdistance (CVD seulement) |
| E17 Inutilisé | |
| Inutilisé | |
| Erreur ITP E19 | Problème de sonde d'épaissur de glace |
| Erreur eau E20 | Problème de circuit d'eau |
| Erreur T1 E21 | Problème de sonde de température T1 |
| Erreur T2 E22 | Problème de sonde de température T2 |
| Erreur T3 E23 | Problème de sonde de température T3 |
| Erreur T4 E24 | Problème de sonde de température T4 |
| Erreur sonde de bac | E25 Problème de sonde de niveau bas du bac |
| Texte affché Code Description |
| Erreur T6 ou T7 E26 Probleme de sonde de température T6 ou T7 |
| Erreur T6 ou T7 E27 Probleme de sonde de température T6 ou T7 |
| iAUCS E28 iAuCS |
| COMM USB E29 Probleme de communication USB |
| TÉLCH USB E30 Probleme de téléchargement USB |
| Mode Sécurité E31 Mode Sécurité |
| COMM RS485 E32 Probleme de communication RS485 |
| Clavier E33 Probleme d'écran tactile |
| Affichage E34 Probleme d'affichage |
| Checksum E36 Erreur de somme de contrôle |
| Surveillance E37 Alerte de surveillance |
| Comm IU E38 Alerte de communication d'IU |
E01 congélation longue
3 cycles de congélation consécutifs de 35 minutes = la machine à glaçons s'arrête.
E02 récolte longue
3 cycles de récolte consécutifs de 7 minutes = la machine à glaçons s'arrête.
E03 coupure d'alimentation
Lorsque l'alimentation de la machine à glaçons est coupée, la carte de commande entre en alerte dans le journal ELOG et horodate la coupure d'alimentation au moment de son rétablissement.
E04 température du condenseur élevée
Température de la conduite de liquide trop élevée pour une machine à glaçons autonome refroidie par air = Erreur de condenseur refroidi par air
Température de la conduite de liquide trop élevée pour une machine à glaçons autonome refroidie par eau = Erreur de condenseur refroidi par eau
E05 commande haute pression ouverte
Le contacteur de coupure haute pression (HPCO) s'est ouvert.
E07 TXV insuffisamment alimenté sur évaporateur unique ou charge faible
L'écart de température moyenne entre l'entrée (T3) et la sortie (T4) de l'évaporateur est supérieur à 6,7 °C (12 °F) durant la dernière minute du cycle de congélation.
E08 erreur TXV sur évaporateurs à un ou deux circuits
L'écart de température moyenne entre l'entrée (T3) et la sortie (T4) de l'évaporateur est supérieur à 6,7 °C (12 °F) durant la dernière minute du cycle de congélation.
E09 erreur évaporateur noyé pour évaporateur unique, circuit unique
L'écart entre la température moyenne de la conduite de refoulement du compresseur durant les premières 6 minutes du cycle de congélation (T2) et la moyenne du prérefroidissement (T1) +10 °C (50 °F) est inférieur à 0,6 °C (1,05 °F).
E10 erreur evaporateur noyé pour deux TXV, deux circuits
L'écart entre la température moyenne de la conduite de refoulement du compresseur durant les premières 6 minutes du cycle de congélation (T2) et la moyenne du prérefroidissement (T1) +10 °C (50 °F) est inférieur à 0,6 °C (1,05 °F).
E11 problème de réfrigération
La température de refoulement du compresseur n'a pas augmenté d'au moins 5,5 °C (10 °F) et la température de l'évaporateur n'a pas diminué d'au moins 5,5 °C (10 °F) - Mesurées entre le démarrage de la réfrigération ou le prérefroidissement et 2 minutes après le début du cycle de congélation.
E12 problème de contacteur de rideau, ouvert pendant plus de 24 heures
La machine à glaçons est en mode de fabrication de glaçons et reste à l'état de bac plein pendant plus de 24 heures. Le contacteur de rideau est ouvert ou le rideau est enlevé.
E15 problème de commande du cycle de ventilateur - température de la conduite de liquide basse
La température de la conduite de liquide est passée en dessous de 15,6 °C (60 °F) pendant plus d'une minute en continu durant le cycle de congélation.
E16 problème d'unité de condensation à distance (CVD seulement)
La température de la conduite de liquide est passée en-dessous de 4,4°C (40°F) ou a dépassé 60°C (140°F) pendant plus d'une minute en continu durant le cycle de congélation.
E19 problème de sonde d'épaisseur de glace
Les fréquences mesurées sont en dehors de la plage admissible (sonde débranchée ou problème de micro).
E20 problème de circuit d'eau
Situations possibles :
- Détection de la sonde d'eau haute mais pas de la sonde d'eau basse.
- La température de sortie de l'évaporateur est inférieure à -23 °C (-10 °F) pendant 6,5 à 7,5 minutes durant le cycle de congélation.
- La sonde d'eau BASSE est satisfaite à la fin du cycle de congélation.
- La sonde d'eau BASSE ou haute est satisfaite à la fin du cycle de congélation.
E21 problème de sonde de température T1
Durant le prérefroidissement, la thermistance avait une valeur mesurée moyenne en-dehors de la plage admissible.
E22 problème de sonde de température T2
Durant le prérefroidissement, la thermistance avait une valeur mesurée moyenne en-dehors de la plage admissible.
E23 problème de sonde de température T3
Durant le prérefroidissement, la thermistance avait une valeur mesurée moyenne en-dehors de la plage admissible.
E24 problème de sonde de température T4
Durant le prérefroidissement, la thermistance avait une valeur mesurée moyenne en-dehors de la plage admissible.
E25 problème de sonde de niveau bas du bac
La thermistance avait une valeur mesurée moyenne en-dehors de la plage admissible pendant 10 minutes en continu.
E26 problème de température T6 ou T7
La thermistance avait une valeur mesurée moyenne en dehors de la plage admissible.
E27 problème de température T6 ou T7
La thermistance avait une valeur mesurée moyenne en dehors de la plage admissible.
E28 iAuCS
Si l'option de nettoyage iAuCS est sélectionnée dans le menu, la commande vérifie la présence de la carte iAuCS. Si l'iAuCS n'est pas connecté, elle consigne une alerte qui sera effacée dès que le matériel est détecté.
E29 problème de communication USB
Erreur de communication USB ; pas de clé USB dans le port ou clé USB défectueuse.
E30 problème de téléchargement USB
Erreur de téléchargement USB liée à la clé USB ou clé USB défectueuse.
E31 mode sécurité
Le mode Sécurité permet à la machine à glaçons de fonctionner pendant une certaine durée suite à une défaillance de la sonde de niveau d'eau ou de la sonde d'épaisseur de glace. Le contrôle saisit la machine en marche en fonction des données de modèle et de l'historique des cycles.
E32 problème de communication RS485
Le périphérique branché dans le port RS485 ne communique pas avec la carte de commande et la passerelle.
E33 problème d'écran tactile
L'écran tactile n'est pas branché sur la carte de commande ou est défectueux.
E34 problème d'affichage
L'écran tactile n'est pas branché sur la carte de commande ou est défectueux.
E36 erreur de somme de contrôle
Journal des alertes uniquement : S'active en cas de coupure d'alimentation.
E37 alerte de surveillance
Journal des alertes uniquement : Temporisation de microprocesseur expiry, possible bruit électrique.
E38 alerte de communication d'iu
Journal des alertes uniquement : Erreur de communication de l'interface utilisée ; câble de communication lâche ou interruption d'alimentation.
CYCLE de décongélation
Si l'amortisseur ou le rideau ne s'ouvre pas durant le cycle de récolte de 7 minutes, le cycle de décongélation suivant se produit:
- 7 minutes - Le compresseur, l'électrovanne de récolte et le robinet de vidange se désactivent.
La pompe à eau reste activée et le robinet d'arrivée d'eau s'active jusqu'à ce que l'eau touche la sonde de niveau d'eau.
- L'eau circule, est vidangée et se remplit à nouveau jusqu'à la sonde de niveau d'eau un total de 18 fois (1 heure environ).
Modèle 1200 ou plus petit :
Circulation 165 seconds, vidange 45 seconds
Modèle 1400 et plus grand :
Circulation 240 seconds, vidange 120 seconds
- À la fin du cycle de décongélation (1 à 1,75 heures environ), la machine à glaçons revient à un autre cycle de condensation.
Fonctionnement du rideau durant le cycle de décongélation
- Ouverture et fermeture de l'amortisseur = Poursuite du cycle de décongélation
- Amortisseur ouvert 30 secondes = Arrêt bac plein
À partir du clavier, mettre la machine à glaçons à l'arrêt puis la redémarrer pour terminer le cycle. La mise hors tension puis sous tension pour interrompre le cycle a pour effet de faire redémarrer la machine à glaçons dans son cycle de récolte.
Mode de fonctionnement securitaire
Laissez la machine à glaçons fonctionner jusqu'à 72 heures en cas de défaillance de la sonde d'épaisseur des glaçons (erreur E19) et/ou des sondes de niveau d'eau (erreur E20).
- Si la commande démarre le mode Sécurité, une alerte clignote à l'écran pour informer l'utilisateur qu'il y a un problème de production.
- La commande déclenche et contrôle automatiquement le mode Sécurité. La commande sort automatiquement du mode Sécurité si un signal normal est reçu de l'entrée.
- Au bout de 72 heures consécutives, la carte de commande passe en mode de veille et met la machine à l'arrêt.
REMARQUE : Lors de la mise en marche initiale de la machine à glaçons ou en cas de coupure de courant et de redémarrage, une table de temps de remplissage d'eau est utilisée pour calculer la moyenne sur cinq cycles.
Si le temps de congélation atteint 35 minutes, la carte de commande lance automatiquement un cycle de récolte des glaçons. La machine à glaçons s'arrête au bout de 3 cycles consécutifs de congélation de 35 minutes.
E02 CYCLE de récolte LONG
Si le temps de récolte atteint 7 minutes, la carte de commande démarre un cycle de décongélation puis remet automatiquement la machine à glaçons dans un cycle de congélation. La machine à glaçons s'arrête après 3 cycles de récolte longs consécutifs.
Analyser pourquoi une ERREUR de service (E01 et E02) a provoqué l'arrêt de la machine à glaçons
Les erreurs de service sont configurées pour arrêter la machine à glaçons avant que des éléments importants soient endommagés. Il s'agit le plus souvent d'un problème mineur ou extérieur à la machine. Les causes peuvent être difficiles à diagnostiquer car nombre de problèmes extérieurs se produisent de façon intermittente.
Une machine à glaçons s'est arrêtée de façon intermittente sur une erreur de service (temps de congélation longs). Le problème peut être lié à une température ambiente trop BASSE la nuit, une chute de pression d'eau, la fermeture de l'arrivée d'eau une nuit par semaine, etc.
Les défaillances du système de réfrigération et de composants électriques déclenchent une erreur de service. Éliminer d'abord toutes les causes externes et celles liées aux composants électriques. Si le système de réfrigération semble être à l'origine du problème, se reporter au tableau d'analyse opérationnelle du système de réfrigération en cycle de congélation de Manitowoc, ainsi qu'aux diagrammes détaillés, listes de vérification et autres références pour déterminer la cause.
Les listes de vérification suivantes sont conçues pour aider le technicien d'entretien à analyser le problème. Toutefois, compte tenu du nombre de problèmes externes possibles, éviter de limiter le diagnostic aux causes figurant dans ces listes.
Le temps de congélation dépasse 35 minutes pendant 3 cycles de congélation consécutifs.
Liste de vérification des causes possibles
Mauvaise installation
- Voir « Liste de vérification Installation/Inspection visuelle » à la page 109
Circuit d'eau
- Sonde de niveau d'eau sale ou défectueuse
- Pression d'eau 1,4 bar (20 psig min.)
- Pression d'eau élevée 5,5 bar (80 psig max.)
- Température d'eau élevée (32,2 °C/90 °F max.)
- Tube de distribution d'eau obstrué Vanne de remplissage d'eau encrassée ou défectueuse
- Robinet de vidange d'eau encrassé/défectueux
- Pompe à eau défectueuse
- Perte d'eau à partir de la cuve
Système électrique
Tension d'entrée basse - Sonde d'épaisseur de glace déréglée - Cycle de récolte non déclenché électriquement - Le contacteur ne s'active pas - Compresseur non opérationnel électriquement - Commande de marche du ventilateur défectueuse - Moteur de ventilateur défectueux
Divers
- Pièces autres que Manitowoc
- Charge de fluide frigorigène incorrecte Commande de pression de refoulement défectueuse Vanne de récolte défectueuse
- Compresseur défectueux
- TXV insuffisamment alimenté ou noyé (vérifier le montage du bulbe)
- Fluide non condensable dans le circuit de réfrigération
- Obstruction ou restriction de conduites de fluide frigorigène ou composants côté haut
- Restriction de la circulation d'air / ailettes de condenseur sales
- Température d'entrée d'air élevée
- Recirculation de l'air de refoulement du condenseur
E02 récolte LONGUE
Le temps de récolte dépasse 7 minutes pendant 3 cycles de récolte consécutifs.
Liste de vérification des causes possibles
Mauvaise installation
- Voir « Liste de vérification Installation/Inspection visuelle » à la page 109
Circuit d'eau
- Partie eau (évaporateur) encrassée
- Robinet de vidange d'eau encrassé/défectueux
- Tube de ventilation non installé sur la sortie d'évacuation d'eau. L'eau gèle derrière l'évaporateur.
- Extrusions en plastique et joints mal montés sur l'évaporateur
- Tube de distribution d'eau obstrué
Système électrique
- Sonde d'épaisseur de glace déréglée
- Contacteur de bac fermé/défectueux
- Récolte prématurée - La carte de commande lance un cycle de récolte si le circuit de la sonde de niveau d'eau haut est fermé et celui de la sonde de niveau bas est ouvert.
Système de réfrigération
- Pièces autres que Manitowoc
- Charge de fluide frigorigène incorrecte
- Vanne de régulation de pression de refoulement défectueuse
- Vanne de récolte défectueuse TXV noyé (vérifier le montage du bulbe) Commande de marche du ventilateur déficiente
- Modèles refroidis par eau seulement - La vanne de régulation d'eau est mal réglée ou ne se ferme pas durant le cycle de récolte.
Dépannage par symptôme
Les procédures de dépannage suivent des organigrammes de diagnostic. Il y a quatre symptômes. Le symptôme observé détermine quel organigramme utiliser.
L'organigramme pose des questions de type oui ou non pour déterminer le problème. L'organigramme de diagnostic mène jusqu'à une procédure de correction du problème. Les modèles autonomes et à condenseur à distance utilisent des organigrammes distincts.
La machine à glaçons est arrêtée de fonctionner. La machine à glaçons est dans un cycle de fabrication de glaçons.
Il s'est produit d'autres arrêts par le passé
- Voir l'organigramme de diagnostic. La machine à glaçons est arrêtée de fonctionner.
La machine à glaçons a un cycle de congélation long. La glace formée est épaissie.
Remplissage de glace mince à l'entrée ou à la sortie de l'évaporateur
Production réduite
Erreurs de service (possibles)
- Voir le tableau d'analyse opérationnelle du système de réfrigération en cycle de congélation
Symptôme n° 3
Pas de récolte - Le cycle de congélation est normal et les glaçons ne sont pas fondus après la récolte
Récolte longue (possible)
- Voir l'organigramme Réfrigération-récolte
Symptôme n° 4
Pas de récolte - Le cycle de congélation est normal et les glaçons sont fondus après la récolte
- Voir l'organigramme Fonte des glaçons
Rétablir les réglages d'usine par défaut
Avant de procéder au dépannage, rétablir les réglages d'usine par défaut de la carte de commande pour éviter les erreurs de diagnostic. Avant de rétablir les réglages par défaut, effectuer l'une des choses suivantes:
A. Copier les paramètres sur une clé USB, puis recharger les réglages de la clé dans la carte de commande une fois les diagnostics terminés. B. Noter par écrit les réglages du client pour pouvoir les entrer à nouveau une fois les diagnostics terminés.
Pour rétablir les réglages d'usine par défaut, sélectionner Menu, puis Rétablir par défaut.



Symptôme n° 2 - production BASSE, CYCLE de congélation LONG
La machine à glaçons a un cycle de congélation long. La glace formée est épaissie.
Glace mince à l'entrée ou la sortie de
I'evaporateur
Production réduite
Comment utiliser le tableau d'analyse opérationnelle du système de réfrigération en cycle de congélation
Généralités
Ces tableaux doivent être utilisés avec les organigrammes, listes de vérification et autres références pour éliminer les composants de réfrigération non répertoriés ici et les éléments et problèmes externes pouvant faire que des composants en bon état apparaisent défectueux.
Les tableaux répertorient cinq problèmes différents susceptibles d'entraver le fonctionnement de la machine à glaçons.
REMARQUE: Une charge insuffisante de la machine à glaçons et une alimentation insuffisante du détendeur représentent des caractéristiques très semblables et sont répertoriés dans la même colonne.
REMARQUE: Avant de commencer, voir la section « Avant de procéder au dépannage » pour savoir quelles questions poser au propriétaire de la machine à glaçons.
Étape 1 remplir la colonne « analyse du fonctionnement
Lire la colonne de gauche « Analyse du fonctionnement » de haut en bas. Effectuer toutes les procédures et vérifier toutes les informations indiquées. À chaque élément de cette colonne correspond du matériel de référence pour faciliter l'analyse à chaque étape.
L'analyse séparée de chaque élément peut identifier un « problème externe » faisant qu'un composant de réfrigération en bon état puisse sembler défectueux. Corriger les problèmes à mesure qu'ils sont identifiés. Si le problème de fonctionnement est identifié, il n'est pas nécessaire d'effectuer le reste de la procédure.
Étape 2 cocher les observations (√).
Cochez toute description figurant dans le tableau qui correspond à l'observation réelle d'un élément de la colonne « Analyse du fonctionnement »
Exemple : La pression d'aspiration du cycle de congélation mesurée est basse. Cocher la colonne « basse »
Étape 3 additionner le nombre d'éléments cochés au bas de chacune des quatre colonnes. noter la colonne ayant le total le plus élevé et procéder à l'« analyse finale
REMARQUE: Si deux colonnes ont des valeurs élevées égales, c'est qu'une procédure n'a pas été effectuée correctement, que le matériel de référence n'a pas été analysé correctement ou que le composant défectueux n'est pas couvert dans le tableau d'analyse.
Avant de procéder au dépannage
Les machines à glaçons peuvent rencontrer des problèmes de fonctionnement uniquement à certaines périodes du jour ou de la nuit. Une machine peut fonctionner correctement durant l'intervention de dépannage, mais mal fonctionner plus tard. Les renseignements fournis par l'utilisateur peuvent aider le technicien à démarrer dans la bonne direction et peuvent être déterminants dans le diagnostic final.
Poser les questions suivantes avant de procéder au dépannage :
- À quel moment la machine à glaçons fonctionne-t-elle mal? (nuit, jour, tout le temps, uniquement durant le cycle de congélation, etc.)
- Quand remarquez-vous une baisse de la production de glaçons? (un jour par semaine, chaque jour, les fins de semaine, etc.)
- Pouvez-vous décrire exactement ce que la machine à glaçons semble faire?
- Est-ce que quiconque travaille sur la machine à glaçons?
- Durant la « fermeture » de l'établissement, est-ce que le disjoncteur, l'arrivée d'eau ou la température de l'air sont modifiés?
- Y a-t-il une raison pour laquelle la pression d'arrivée d'eau peut augmenter ou chuter de façon importante?
SYMPTÔME N° 2 - TABLEAUX D'ANALYSE OPÉRATIONNELLE DU SYSTEME DE RÉFRIGÉRATION EN CYCLE DE CONGÉLATION ÉVAPORATEUR UNIQUE, DÉTENDEUR UNIQUE AUTONOME À AIR ET EAU ET CONDEUSEUR À DISTANCE
| Analyse du fonctionnement | 1 2 3 4 | |||
| Production de glace Voir « Vérification de la production de glaçons » à la page 108 | Température de l'air entrant dans le condenseur Température de l'eau entrant dans la machine à glaçons Production nominale de glaçons en 24 heures Production calculée (réelle) de glaçons REMARQUE : La machine à glaçons fonctionne correctement si le motif de replissage de glace est normal et que la production de glaçons correspond à la capacité nominale à 10 % après. | |||
| Installation et circuit d'eau | Voir « List de vérification du circuit d'eau » à la page 110 Tous les problèmes liés à l'installation et à l'eau doivent être résolus avant de procéder à l'utilisation du tableau. | |||
| Analyse du fonctionnement 1 2 3 4 | |||||
| Motif de formation de la glace Voir « Motif de formation de la glace » à la page 111 | Glace formée extrémement mince à la sortie de l'évaporateur - ou -Aucune formation de glace sur l'évaporateur | Glace formée extrémement mince à la sortie de l'évaporateur - ou -Aucune formation de glace sur l'évaporateur | Formation de glace normale- ou -Glace formée extrémement mince à l'entrée de l'évaporateur - ou -Aucune formation de glace sur l'évaporateur | Formation de glace normale- ou -Aucune formation de glace sur l'évaporateur | |
| Pression de refoulement du cycle de congélation1 minute Milieu Fin du cycle | Si la pression de refoulement est élevé ou basse, voir la liste de vérification relative aux problèmes de pression de refoulement élevé ou basse du cycle de congélation afin d'éliminer les problèmes et/ou composants ne figurant pas dans ce tableau avant de poursuivre. | ||||
| Pression d'aspiration du cycle de congélation1 minute Milieu Fin du cycle | Si la pression d'aspiration est élevé ou basse, voir la liste de vérification relative aux problèmes de pression d'aspiration élevé ou basse du cycle de congélation page 118 afin d'éliminer les problèmes et/ou composants ne figurant pas dans ce tableau avant de poursuivre. | ||||
| Pression d'aspiration élevé | Pression d'aspiration basse ou normale | Pression d'aspiration élevé | Pression d'aspiration élevé | ||
| Analyse du fonctionnement 1 2 3 4 | |||||
| Attendre 5 min après le début du cycle de congélation. Comparer les températures entre l'entrée de l'évaporateur et la sortie de l'évaporateur. Entrée T3 °C (°F) Sortie T4 °C (°F) Différence T3 et T4 °C (°F) Voir « Comparer les températures d'entrée et de sortie de l'évaporateur - Machines autonomes et à condenseur à distance à détenueur unique » à la page 122 | Entrée et sortie à moins de 4 °C (7 °F) l'une de l'autre | Entrée et sortie pas à moins de 4 °C (7 °F) l'une de l'autre - et - Entrée plus froide que la sortie | Entrée et sortie à moins de 4 °C (7 °F) l'une de l'autre - ou - Entrée et sortie pas à moins de 4 °C (7 °F) l'une de l'autre - et - Entrée plus chaude que la sortie | Entrée et sortie à moins de 4 °C (7 °F) l'une de l'autre | |
| Analyse finale Entrer le nombre total de cases cochées dans chaque colonne. Voir « Analyse finale - Modèles refroidis par air, eau ou condenseur à distance » à la page 127 | Vanne de récolte Fuite | Charge insuffisante - ou - TXV insuffisamment alimenté | TXV noyé Compresseur | ||
ÉVAPORATEUR UNIQUE, DOUBLE DÉTENDEUR AUTONOME À AIR ET EAU ET CONDEUSEUR À DISTANCE
| Analyse du fonctionnement 1 2 3 4 | ||||
| Production de glace Température | de l'air entrant dans le condenseurTempérature de l'eau entrant dans la machine à glaçonsProduction nominale de glaçons en 24 heuresProduction calculée (réelle) de glaçonsREMARQUE: La machine à glaçons fonctionne correctement si le motif de replissage deglace est normal et que la production de glaçons correspond à la capacité nominale à 10% après. | |||
| Installation et circuit d'eau | Tous les problèmes liés à l'installation et à l'eau doivent être résolus avant de procéder à l'utilisationdu tableau. | |||
| Motif de formation de la glaceHaut ou 1 côté______Bas ou 1 côté______ | Glace forméeextrémement mince à la sortie de l'évaporateur- ou -Aucune formation deglace sur un côté, le dessus ou le dessous del'évaporateur- ou -Aucune formation deglace sur l'évaporateur | Glace forméeextrémement mince àla sortie sur un côté, le dessus ou le dessous del'évaporateur- ou -Aucune formation deglace sur l'évaporateur | Formation de glacenormale- ou -Glace forméeextrémement mince àl'entrée sur un côté, le dessus ou le dessous del'évaporateur- ou -Aucune formation deglace sur l'évaporateur | Formation de glacenormale- ou -Aucune formation deglace sur l'évaporateur |
| Température de la conduite de refoulement Consigner la température de la conduite de refoulement à la fin du cycle de congélation. T2 °C (°F) Voir « Analyse de la température de la conduite de refoulement » à la page 125 | Temp. conduite refoulement 65 °C (150 °F) ou plus à la fin du cycle de congélation | Temp. conduite refoulement 65 °C (150 °F) ou plus à la fin du cycle de congélation | Temp. conduite refoulement de moins de 65 °C (150 °F) à la fin du cycle de congélation | Temp. conduite refoulement 65 °C (150 °F) ou plus à la fin du cycle de congélation |
| Attendre 5 min après le début du cycle de congélation. Comparer les températures de la conduite de refoulement du compresseur et de l'entrée de la vanne de récolte. Voir « Analyse de la vanne de récolte » à la page 123 | Entrée de la vanne de récolte chaude - et - avoiriine la température d'une conduite de refoulement chaude du compresseur. | Entrée de la vanne de récolte suffisamment froide pour être touchée à la main - et - conduite de refoulement du compresseur chaude. | Entrée de la vanne de récolte suffisamment froide pour être touchée à la main - et - conduite de refoulement du compresseur suffisamment froide pour être touchée à la main. | Entrée de la vanne de récolte suffisamment froide pour être touchée à la main - et - conduite de refoulement du compresseur chaude. |
| Analyse du fonctionnement 1 | 2 3 4 | |||
| Pression de refoulement du cycle de congélation | Si la pression de refoulement est élevé ou basse, voir la liste de vérification relative aux problèmes de pression de refoulement élevé ou basse du cycle de congélation afin d'éliminer les problèmes et/ou composants ne figurant pas dans ce tableau avant de poursuivre. | |||
| 1 minute Milieu Fin du cycle | ||||
| Pression d'aspiration du cycle de congélation | Si la pression d'aspiration est élevé ou basse, voir la liste de vérification relative aux problèmes de pression d'aspiration élevé ou basse du cycle de congélation page 118 afin d'éliminer les problèmes et/ou composants ne figurant pas dans ce tableau avant de poursuivre. | |||
| 1 minute Milieu Fin du cycle | ||||
| Pression d'aspiration élevé | Pression d'aspiration basse ou normale | Pression d'aspiration élevé | Pression d'aspiration élevé | |
| Analyse du fonctionnement 1 2 3 4 | ||||
| Attendre 5 min après le début du cycle de congélation. Comparer les températures de la conduite de refoulement du comprésur et des deux entrées de vanne de récolte. | Entrée de la vanne de récolte chaude - et - avoiriine la température d'une conduite de refoulement chaude du comprésur. | Entrée de la vanne de récolte suffisamment froide pour être touchée à la main - et - conduite de refoulement du comprésur chaude. | Entrée de la vanne de récolte suffisamment froide pour être touchée à la main - et - conduite de refoulement du comprésur suffisamment froide pour être touchée à la main. | Entrée de la vanne de récolte suffisamment froide pour être touchée à la main - et - conduite de refoulement du comprésur chaude. |
| Analyse du fonctionnement 1 2 3 4 | ||||
| Température de la conduite de refoulement Consigner la température de la conduite de refoulement du cycle de congélation à la fin du cycle de congélation _________ °C (°F) | Temp. conduite refoulement 65 °C (150 °F) ou plus à la fin du cycle de congélation | Temp. conduite refoulement 65 °C (150 °F) ou plus à la fin du cycle de congélation | Temp. conduite refoulement de moins de 65 °C (150 °F) à la fin du cycle de congélation | Temp. conduite refoulement 65 °C (150 °F) ou plus à la fin du cycle de congélation |
| Analyse finale Entrer le nombre total de cases cochées dans chaque colonne | Vanne de récolte Fuite | Charge insuffisante - ou - TXV insuffisamment alimenté | TXV noyé Compresseur | |
Vérification de la production de glaçons
La quantité de glaçons produite par la machine est directement liée aux températures de l'eau et de l'air. Cela signifie qu'une unité de condensation à une température ambience extérieure de 21°C (70°F) avec une eau à 10°C (50°F) produit plus de glaçons que le même modèle à une température ambience extérieure de 32°C (90°F) et une eau à 21°C (70°F).
- Déterminer les conditions d'exploitation de la machine à glaçons :
Température d'air entrant dans le condenseur:
Temp. d'eau entrant dans la cuve à eau :
- Voir la table « Production de claçons sur 24 heures » qui convient (à partir de la page 207). Utiliser les conditions d'exploitation établies à l'étape 1 pour déterminer la production nominale de claçons sur 24 heures :
- Les durées sont exprimées en minutes.
Exemple : 1 min 15 s devient 1,25 min
(15 secondes ÷ 60 secondes = 0,25 minute)
- Les poids sont exprimés en livres.
Example: 2 lb 6 oz devient 2,375 lb
(6 oz ÷ 16 oz = 0,375 lb)
- Effectuer une vérification de la production de glaçons en utilisant la formule ci-dessous.
Durée de congélation
Durée de récolte
Durée totale du cycle
- 1440 ÷ =
minutes dans 24 h
Durée totale du cycle
Cycles par jour
- x =
Poids d'une récolte
Cycles par jour
Production réelle sur 24 heures
Le pesage des glaçons est la seule méthode de vérification précise à 100%.
Toutefois, si la glace formée est normale et que l'épaisseur de 3 mm (1/8 po) est maintenue, les poids de plaques de glace indiqués dans le tableau « Production de glaçons sur 24 heures » peuvent être utilisés.
- Comparer les résultats du paragraphe 3 à ceux du paragraphe 2. Une production de glaçons réelle qui correspond à la valeur du tableau à 10% près sera considérée normale. Si les résultats sont très proches, déterminer si :
- Une machine à glaçons supplémentaire est nécessaire.
- Une capacité de stockage supplémentaire est nécessaire.
- Le déplacement du matériel existant est nécessaire pour abaisser les conditions de charge.
Se renseigner sur les options et les accessoires proposés auprès du distributeur Manitowoc local.
Dégagements insuffisants
- Vérifier tous les dégagements sur les côtés, l’arête et le dessus. Voir « Dégagements requis » à la page 26
La machine à glaçons n'est pas de niveau
- Mettre la machine à glaçons de niveau
Le condenseur est sale
Nettoyer le condenseur
Le filtre à eau est obstrué (le cas échéant)
- Installer un filtre à eau neuf
Les conduites d'évacuation de l'eau ne sont pas séparées ou ne sont pas aérées
- Tirer et aérer les conduites d'évacuation conformément au Manuel d'installation
- Le siphon de sol doit composer un espace d'air
- Installer un écoulement de condensation dans le socle de la machine à glaçons
Les conduites extérieures sont mal installées
- Réinstaller conformément au manuel d'installation, voir « Emplacement de la machine à glacons » à la page 25
Liste de vérification du circuit d'eau
Un problème d'eau produit souvent les mêmes symptômes qu'un mauvais fonctionnement des composants du système de réfrigération.
Les problèmes du circuit d'eau doivent être identifiés et éliminés avant de replacer des composants de réfrigération.
La partie eau (évaporateur) est sale
Nettoyer comme il se doit
La pression d'arrivée d'eau n'est pas comprise entre 1 à 5 bar, 138 à 552 kPa (20 et 80 psig)
- Installer un régulateur d'eau ou augmenter la pression d'eau
La température de l'arrivée d'eau n'est pas comprise entre 2 °C (35 °F) et 32 °C (90 °F)
- Si l'eau est trop chaude, vérifier les clapets antiretour de conduite d'eau chaude d'autres appareils dans l'établissement
Le filtre à eau est obstrué (le cas échéant)
- Installer un filtre à eau neuf
Le robinet de vidange d'eau fuit durant le cycle de congélation
- Nettoyer ou changer le robinet de vidange d'eau comme il se doit
Pas de tube d'aération installé sur l'écoulement d'eau
- Voir les instructions d'installation
Fuites d'eau au niveau des flexibles, raccords, etc.
- Réparer ou changer comme il se doit
Vanne de remplissage d'eau bloquée en position ouverte ou fermée
Nettoyer ou changer comme il se doit
Fuite d'eau au niveau de la cuve à eau
- Mettre fin à la fuite d'eau
Écoulement d'eau irrégulier à travers l'évaporateur
Nettoyer la machine à glaçons
Extrusions en plastique et joints mal fixés à l'évaporateur
- Remonter ou changer comme il se doit
Motif de formation de la glace
L'analyse du motif de formation de la glace dans l'évaporateur est utile pour les diagnostics concernant la machine à glaçons.
L'analyse du motif de formation de glace seule ne suffit pas pour diagnostiquer un mauvais fonctionnement de la machine à glaçons. Toutefois, si cette analyse est utilisée en conjonction avec le tableau d'analyse opérationnelle du système de réfrigération en cycle de congélation de Manitowoc, elle peut faciliter le diagnostic d'un mauvais fonctionnement.
Divers problèmes peuvent entraîner une mauvaise formation de glace.
Important
Garder le rideau d'eau et les amortisseurs de glaçons en place pendant la vérification du motif de formation de la glace afin d'éviter toute perte d'eau.
1. Formation normale de la glace
La glace se forme sur toute la surface de l'évaporateur.
Au début du cycle de congélation, il peut sembler qu'il se forme plus de glace à l'entrée de l'évaporateur qu'à la sortie. À la fin du cycle de congélation, la formation de glace à la sortie sera proche de celle à l'entrée, ou juste un peu plus mince. Les creux dans les glaçons à la sortie de l'évaporateur peuvent être plus prononcés que ceux à l'entrée. C'est normal.
Il est normal que la glace à travers la surface de l'évaporateur présente des variations d'épaisseur pouvant atteindre 1,5 mm (1/16 po). L'épaisseur du pont de glace au niveau de la sonde de contrôle de l'épaisseur de glace doit être d'au moins 3 mm (1/8 po).
La sonde d'épaisseur de glace doit être réglée pour maintenir l'épaisseur du pont de glace à 3 mm (1/8 po) environ. Si la glace se forme de manière uniforme sur la surface de l'évaporateur, mais n'atteint pas l'épaisseur de 3 mm (1/8 po) dans le délai approprié, le motif de formation de la glace est toujours considéré comme normal.
2. Extrêmement mince à la sortie de l'évaporateur
Il n'y a pas de glace ou la glace formée est très insuffisante à la sortie de l'évaporateur.
Exemples : Pas de glace du tout sur la moitié du côté sortie de l'évaporateur, mais il se forme de la glace sur la moitié du côté entrée de l'évaporateur. Ou la glace à la sortie de l'évaporateur atteint les 3 mm (1/8 po) permettant de déclencher une récolte, mais la glace formée à l'entrée de l'évaporateur atteint déjà 13 à 25 mm (1/2 à 1 po) d'épaisseur.
3. Extrêmement mince à l'entrée de l'évaporateur
Il n'y a pas de glace ou la glace formée est très insuffisante à l'entrée de l'évaporateur. Exemples : La glace à la sortie de l'évaporateur atteint les 3 mm (1/8 po) permettant de déclencher une récolte, mais il n'y a aucune formation de glace du tout à l'entrée de l'évaporateur.
4. Aucune formation de glace
La machine à glaçons fonctionne pendant une période prolongée, mais il n'y a aucune formation de glace sur l'évaporateur.
Configuration du serpentin d'évaporateur
La configuration du serpentin au dos de l'évaporateur détermine le mode de défaillance de formation de la glace.
Modèles à un évaporateur et un TXV
À la sortie de l'évaporateur, le serpentin ne dessort pas directement par le haut de l'évaporateur, mais plusieurs centimètres plus bas. Une glace extrêmement mince à la sortie de l'évaporateur sera d'abord visible à plusieurs centimètres du haut de l'évaporateur. Une glace extrêmement mince à l'entrée de l'évaporateur s'observe au bas de l'évaporateur.

Modèles de 30 po à un évaporateur et deux TXV
Dans un évaporateur à deux TXV, la configuration du serpentin est différente. L'évaporateur compte deux entrées et sorties. Le motif de remplissage varie en fonction du circuit défectueux.
Une glace extrêmement mince à la sortie de l'évaporateur sera d'abord visible à 1/4 ou à 3/4 de la hauteur depuis le haut de l'évaporateur.
Une glace extrêmement mince à l'entrée de l'évaporateur sera d'abord visible au bas ou à mi-hauteur de l'évaporateur, selon le circuit défectueux.

Modèles de 48 po à un évaporateur et deux TXV
Dans un évaporateur à deux TXV, la configuration du serpentin est différente. L'évaporateur comporte deux entrées et sorties. Le motif de remplissage varie en fonction du circuit défectueux.
Une glace extrêmement mince à la sortie de l'évaporateur sera d'abord visible à 1/3 de la hauteur depuis le haut de l'évaporateur. Il est possible qu'un seul côté de l'évaporateur soit touché en fonction de la défaillance. Une défaillance de TXV n'est visible habituellement que d'un seul côté, alors qu'un niveau insuffisant de fluide frigorigène peut affecter un seul côté ou les deux, en fonction de la quantité manquante de fluide et de la température ambiantе.
Une glace extrêmement mince à l'entrée de l'évaporateur s'observe au bas de l'évaporateur. En fonction de la défaillance, cela se produit sur toute la largeur au bas de l'évaporateur, soit d'un côté seulement au bas de l'évaporateur.
Mince à la sortie
Analyse de la pression de refoulement durant le cycle de condensation
- Déterminer les conditions d'exploitation de la machine à glaçons :
Température d'air entrant dans le condenseur
Temp. d'eau entrant dans la cuve à eau
- Voir le tableau Pression de service (à partir de la page 207) pour la machine à glaçons contrôle.
- Utiliser les conditions d'exploitation établies à l'étape 1 pour déterminer les pressions de refoulement nominales :
Cycle de congélation
Cycle de congélation
- Mesurer la pression de refoulement réelle.
Cycle de congélation kpa (psig)
1 min après le début du
cycle de congélation
Milieu du cycle de congélation
Fin du cycle de congélation
- Comparer la pression de refoulement réelle (étape 3) à la pression de refoulement nominale (étape 2).
La pression de refoulement est normale si la pression réelle est comprise dans l'intervalle de pression nominale indiqué pour les conditions d'exploitation de la machine à glaçons. Il est normal que la pression de refoulement soit plus élevée au début du cycle de congélation (lorsque la charge est la plus élevée), puis chute tout au long du cycle.
Mauvaise installation
- Voir « Liste de vérification Installation/Inspection visuelle » à la page 109
Condenseur à air
Filtre du condenseur sale - Ailettes du condenseur sales - Température d'entrée d'air élevée - Recirculation de l'air de refoulement du condenseur - Commande de marche du ventilisateur défectueuse - Moteur de ventilateur défectueux - Vanne de régulation de pression de refoulement défectueuse (à distance)
Condenseur à eau
- Pression d'eau basse (138 kPa [20 psi] min.)
- Température d'entrée d'eau élevée (32 °C/90 °F max.)
- Condenseur sale Vanne de régulation d'eau encrassée/défectueuse Vanne de régulation d'eau déréglée
Autre
- Surcharge
- Fluide non condensable (air) dans le circuit
- Mauvais type de fluide frigorigène
- Pièces autres que Manitowoc dans le système
- Restriction de conduites de fluide frigorigène ou composants côté haut
Mauvaise installation
- Voir « Liste de vérification Installation/Inspection visuelle » à la page 109
Condenseurs refroidis par air
- Vanne de régulation de pression de refoulement défectueuse, pas de dérivation, voir « Vanne de régulation de la pression de refoulement » à la page 176 Commande de marche du ventilateur défectueuse, bloquée en position fermée, voir « Commande de marche du ventilateur » à la page 169
Condenseurs refroidis par eau
Vanne de régulation d'eau déréglée Vanne de régulation d'eau défectueuse
Autre
Charge insuffisante - Mauvais type de fluide frigorigène - Pièces autres que Manitowoc dans le système - Restriction de conduite de fluide frigorigène ou composant
Analyse de la pression d'aspiration
La pression d'aspiration chute progressivement tout au long du cycle de congélation. La pression d'aspiration réelle (et sa vitesse de chute) varie en fonction des températures d'eau et d'air entrant dans la machine à glaçons. Ces variables déterminent également la durée des cycles de congélation.
Pour analyser et identifier la bonne chute de pression d'aspiration à travers le cycle de congélation, comparer la pression d'aspiration nominale à la durée nominale du cycle de congélation.
REMARQUE: Analyser la pression de refoulement avant d'analyser la pression d'aspiration. Une pression de refoulement élevée ou basse peut entraîner une pression d'aspiration élevée ou basse.
- Déterminer les conditions d'exploitation de la machine à glaçons :
Température d'air entrant dans le condenseur Température d'eau entrant dans la cuve à eau
- Voir le tableau Pression de service (à partir de la page 207) pour la machine à glascons contrôlée.
- Utiliser les conditions d'exploitation établies à l'étape 1 pour déterminer les pressions de refoulement nominales :
Cycle de congélation
Cycle de récolte
- Mesurer la pression d'aspiration réelle.
Cycle de congélation kpa (psig)
1 min après le début du cycle de congélation
Milieu du cycle de congélation
Fin du cycle de congélation
- Comparer la pression d'aspiration réelle (étape 3) à la pression de refoulement nominale (étape 2).
REMARQUE: La pression d'aspiration est normale si la pression réelle est comprise dans l'intervalle de pression nominale indiqué pour les conditions d'exploitation de la machine à glaçons. Il est normal que la pression d'aspiration soit plus élevée au début du cycle de congélation (lorsque la charge est la plus élevée), puis chute tout au long du cycle.
Mauvaise installation
- Voir « Liste de vérification Installation/Inspection visuelle » à la page 109
Pression de refoulement
- La pression de refoulement est trop élevée et influence sur la pression d'aspiration; voir «liste de vérification Pression de refoulement du cycle de congélation élevé » à la page 117
- Surcharge (voir aussi «liste de vérification Pression de refoulement du cycle de congélation élevée » à la page 117)
- Mauvais type de fluide frigorigène
- Fluide non condensable dans le circuit
Composants
Fuite de la vanne de récolte Fuite de l'électrovanne de pression de récolte TXV noyé - Compresseur défectueux
Autre
- Pièces autres que Manitowoc dans le système
Mauvaise installation
- Voir « Liste de vérification Installation/Inspection visuelle » à la page 109
Pression de refoulement
- La pression de refoulement est trop BASSE et influe sur le côté BASSE pression ; voir « Liste de vérification Pression de refoulement du cycle de congélation BASSE » à la page 118
- Pièces autres que Manitowoc dans le système
- Alimentation en eau incorrecte sur l'évaporateur, voir «liste de vérification du circuit d'eau» à la page 110
- Restriction ou obstruction du déshydrateur de conduite de fluide
- Restriction ou obstruction de tubulure du côté aspiration ou dans la conduite de liquide du système de réfrigération TXV insuffisamment alimenté
Comparator les températures d'entrée et de sortie de l'évaporateur - machines autonomes et à condenseur à distance à détenteur unique
Les températures des conduites d'aspiration à l'entrée et la sortie de l'évaporateur ne permettent pas de diagnostiquer une machine à glaçons. Toutefois, la comparaison de ces températures durant le cycle de congélation, ainsi que l'utilisation du Tableau d'analyse opérationnelle du système de réfrigération en cycle de congélation de Manitowoc, peuvent faciliter le diagnostic d'un problème de fonctionnement.
Les températures réelles à l'entrée et à la sortie de l'évaporateur varient en fonction du modèle et changent pendant le cycle de congélation. Pour cette raison, il est difficile d'établir les températures «normales» d'entrée et de sortie. Le diagnostic repose donc sur la différence entre les deux températures cinq minutes après le début du cycle de congélation. Cette différence de température devrait être de 4°C (7°F).
Suivre cette procédure pour consigner les températures d'entrée et de sortie durant le cycle de congélation.
- Aller à Entretien/Diagnostics/Capteurs de température.
- Attendre 5 minutes après le début du cycle de congélation.
- Noter les températures d'entrée (T3) et de sortie (T4) au bout de 5 minutes après le début du cycle de congélation. Calculer la différence.
- Consigner cette information dans le tableau.
Analyse de la vanne de récolte
Les symptômes d'une vanne de récolte restant partiellement ouverte durant le cycle de congélation peuvent ressembler aux symptômes d'un problème soit de détendeur, soit de compresseur. La meilleure méthode de diagnostic d'une vanne de récolte est de suivre le tableau d'Analyse opérationnelle du système de réfrigération en cycle de congélation de Manitowoc.
Suivre les procédures ci-dessous pour déterminer si une vanne de récolte reste partiellement ouverte durant le cycle de congélation.
MODELES AUTONOMES OU A CONDENSEUR A DISTANCE -ANALYSE DE LA VANNE DE RECOLTE
- Attendre cinq minutes après le début du cycle de congélation.
- Toucher l'entrée de la ou des vannes de récolte.
Important
Le fait de toucher la sortie de la vanne de récolte ou les deux côtés de la vanne elle-même ne convient pas pour cette comparaison.
La sortie de la vanne de récolte est du côté aspiration (fluide frigorigène froid). Elle peut être suffisamment froide au toucher même si la vanne fuit.
- Toucher la conduite de refoulement du compresseur.
- Comparer la température à l'entrée de la vanne de récolte à celle de la conduite de refoulement du compresseur.
Attention
L'entrée de la vanne de récolte et la conduite de refoulement du compresseur peuvent être suffisamment chaudes pour brûler la main. Veiller à ne les toucher qu’un bref instant.
| Observations Commentaires | |
| L'entrée de la vanne de récolte est suffisamment froide pour être touchée et la conduite de refoulement du compresseur est chaude.Froid et chaud | Fonctionnement normalCeci est normal car la conduite de refoulement doit toujours être trop chaude pour être touchée et l'entrée de la vanne de récolte, bien que trop chaude pour être touchée durant la récolte, doit être suffisamment froide pour être touchée 5 minutes après le début du cycle de congélation. |
| L'entrée de la vanne de récolte est chaude et sa température avoisine celle d'une conduite de refoulement chaude du compresseur.Chaud et chaud | Fuite de vanne de récolteL'entrée de la vanne de récolte n'a pas refroidi durant le cycle de congélation en raison d'une fuite continue de gaz de refoulement du compresseur à travers la vanne. |
| L'entrée de la vanne de récolte et la conduite de refoulement du compresseur sont toutes deux suffisamment froides pour être touchées.Froid et froid | Pas de fuite de la vanne de récolteLa conduite de refoulement du compresseur ne devrait pas être froide au toucher 5 minutes après le début du cycle de congélation. Ce symptôme ne serait pas causé par une fuite de vanne de récolte. |
- Consigner les observations dans le tableau.
Généralités
Savoir si la température de la conduite de refoulement augmente, diminue ou reste constante peut s'avérer important pour le diagnostic. Sur une machine à glaçons fonctionnant normalement, la température de la conduite de refoulement du compresseur augmente régulièrement durant le cycle de congélation.
La température ambiante influe sur la température de la conduite de refoulement.
Température ambiente élevée au niveau du condenseur et/ou température d'entrée d'eau élevée = température de conduite de refoulement élevée au niveau du compresseur.
Température ambiance au niveau du condenseur et/ou température d'arrivée d'eau basse = température de conduite de refoulement au niveau du compresseur.
Indépendamment des températures de l'air ambiant et de l'eau, la température de la conduite de refoulement doit être supérieure à 66°C (150°F) à la fin du cycle de congélation.
Procedure
- Aller à Entretien/Diagnostics/Capteurs de température/Thermistance T2.
- Observer la température de la conduite de refoulement (T2) durant les trois dernières minutes du cycle de congélation et la consigner dans le tableau.
Problème (cycle de congélation)
La vanne ne maintient pas la pression de refoulement.
- Vanne mal réglée, sale ou défectueuse. Ajuster la vanne pour corriger la pression de refoulement pour le modèle considéré (voir les tables de durées de cycle/production sur 24 heures), nettoyer ou changer la vanne.
Pression de refoulement extrêmement élevée; la conduite de liquide à l'entrée du récepteur est chaude
- La vanne de régulation d'eau est mal réglée ou ne s'ouvre pas
- Volume d'eau insuffisant - conduites trop petites ou pincées, dépôts minéraux ou de tartre dans les conduites.
Pression de refoulement basse, la conduite de liquide à l'entrée du récepteur est chaude, voire brûlante
- Charge de fluide de la machine à glands insuffisante. Voir « Charge totale de fluide frigorigène dans le système » à la page 204.
La pression d'eau force la vanne de régulation d'eau à s'ouvrir
- Réduire la pression d'arrivée de l'eau ou installer une vanne de régulation d'eau pour pression plus élevée.
Analyse finale - modèles refroidis par air, eau ou condenseur à distance
La colonne représentant le plus grand nombre d'éléments cochés indique le problème de réfrigération.
Colonne 1 - FUITE de VANNE de récolte
Changer la vanne s'il y a lieu.
Colonne 2 - CHARGE faible/txv insuffisamment alimenté
Normalement, un détendeur (TXV) insuffisamment alimenté n'influence que sur les pressions du cycle de congélation et non sur celles du cycle de récolte. Une charge insuffisante de fluide frigorigène influence normalement sur les deux pressions. Vérifier que la charge de la machine à glaçons est normale avant de changer un détendeur.
- Ajouter du fluide frigorigène pour vérifier si la charge est insuffisante (modèles autonomes refroidis par air et par eau seulement). Ne pas ajouter plus de 30% de la charge nominale de fluide frigorigène. Si le problème est résolu, c'est que la charge de fluide de la machine à glaçons est BASSE.
REMARQUE: Ne pas ajouter de charge aux modèles à condenseur à distance. Une insuffisance de charge sur un condenseur à distance produit une erreur de type Congélation longue aux basses températures ambiantes. Vérifier la température de la conduite de fluide au niveau de la machine à glaçons. La conduite de fluide est chaude sous une pression de refoulement normale ou inférieure à la normale durant la congélation si la charge de fluide frigorigène de la machine à glaçons est insuffisante.
- Trouver la fuite de fluide frigorigène. La machine à glaçons doit fonctionner avec la charge nominale figurant sur la plaque signalétique. Si la fuite est introuvable, les procédures relatives au fluide frigorigène doivent toujours être suivies. Changer le déhydrateur de la conduite de fluide. Ensuite, évacuer et peser la charge qui convient.
- Si le problème persiste malgré l'ajout de charge, c'est que le détendeur est défectueux.
Colonne 3 - TXV noyé ou surcharge de FLUIDE frigorigène
Un bulbe du détendeur desserré ou mal monté peut provoquer le noyage du détendeur. Vérifier le montage du bulbe, l'isolation, etc., avant de changer le détendeur. Vérifier que la quantité de fluide frigorigène vidangée est correcte en poids avant de changer un TXV.
Colonne 4 - compresseur
Changer le compresseur. Pour bénéficier de la garantie, les orifices du compresseur doivent être fermés de façon étanche par sertissage et soudure.
Symptomes n° 3 et n° 4 - problemes de récolte modeles refroidis par air, eau ou condenseur à distance
Définition d'un problème de récolte : À l'issue d'un cycle de récolte de 3,5 minutes, la plaque de glace est toujours au contact de l'évaporateur. La plaque de glace peut ou non être enlevée à la main.
Les problèmes de récolte se traduisent par deux symptômes.
- Symptôme 3 : Plaque de glaçons normale à la fin du cycle de récolte. La glace est difficile à enlever de l'évaporateur à la main. Une fois détachée, le dos des glaçons est carré et ne présente aucun signe de fonte. Cela indique un problème de réfrigération. L'origine du problème peut être liée au cycle de congélation ou de récolte
- Symptôme 4 : Plaque de glaçons fondue à la fin du cycle de récolte. La glace est assez facile à enlever à la main. Le dos des glaçons est déformé et fondu. Cela indique que quelque chose empêche la plaque de glace de se détacher Un nettoyage manuel devra toujours être effectué lorsque ce problème est rencontré.
Symptôme n° 3 - MODELE autonome refroidipar air ou par eau
Pas de récolte - Le remplissage de glace est normal et les glaçons ne sont pas fondus après la récolte

SYMPTÔME N° 3 - CONDENSEUR À DISTANCE SANS VANNE DE DÉRIVATION
Systèmes à un évaporateur et deux vannes de récolte : Si une vanne de récolte est ouverte et que l'autre a une restriction ou est bloquée en position fermée, les pressions de récolte peuvent rester normales. Voir si la glace ne fond que d'un seul côté de l'évaporateur.
SYMPTÔME N° 3 - CONDENSEUR À DISTANCE AVEC VANNE DE DÉRIVATION

SYMPTÔME N° 4 - MODÈLE AUTONOME REFROIDI PAR AIR, PAR EAU OU À CONDENSEUR À DISTANCE Pas de récolte - Le cycle de congélation est normal et les glaçons sont fondus après la récolte

CETTE PAGE LAISSEE EN BLANC INTENTIONNELLEMENT
CARTE de commande, afficheur et écran tactile
La carte de commande, l'afficheur et l'écran tactile fournissant des entrées utilisateur et commandent la série de fonctionnement de la machine à glaçons.
REMARQUE : Lorsqu'une tension est appliquée aux bornes 55 et 56 de la carte de commande, les voyants « Display » et « Micro » clignotent de façon aléatoire. Les deux voyants verts se trouvent dans le coin supérieur de la carte de commande.
Diagnostics d'affichage
Symptôme - Le voyant Micro clignote et le voyant Display est éteint.
Redémarrer la machine à glaçons en coupant l'alimentation pendant un minimum de 15 secondes avant de la rétablir, puis vérifier que levoyant Micro clignote normalement.
Débrancher le câble de communication issu du module d'affichage de la carte de commande et voir s'il y a des broches endommagées ou corrodées. Rebrancher après inspection.
Appuyer sur la touche Alimentation de l'afficheur et observer le voyant Display vert sur la carte de commande.
Le voyant Display clignote - Effectuer un essai de marche de la machine à glaçons.
Levoyant Display est éteint - Changer l'ensemble afficheur-écran tactile.
Diagnostics de la carte de commande
- Le voyant Micro ne clignote pas.
- Couper l'alimentation électrique de la machine à glaçons et attendre 15 secondes avant de la rétablir.
A. Lévoyant Micro clignote - Passer à l'étape 3. B. Lévoyant Micro est éteint - Effectuer un essai de continuité du fusible. Si le fusible est en bon état, changer la carte de commande.
- Effectuer une série d'auto-verification de la carte de commande.
- Menu/Entretien/Diagnostics/Carte de commande/Auto vérification.
La carte de commande exécute une auto-verification. L'écran affiche les contrôles positifs et négatifs à mesure qu'ils sont effectués.
- Résultat positif - La carte de commande fonctionne normalement, procéder aux diagnostics de l'écran tactile à la page suivante.
- Résultat négatif - Changer la carte de commande.
Diagnostics de l'écran tactile
Vérifier que l'écran tactile est déverrouillé avant d'effectuer les diagnostics.
- Aller à Interface utilisateur sur l'afficheur et suivre les instructions à l'écran.
- Menu/Entretien/Diagnostics/Interface utilisateur.
REMARQUE: Durant l'étalonnage de l'écran, il est important d'appuyer sur les réticules pendant trois secondes à la fois.
- L'étalonnage est soit positif (réussi), soit négatif (échec). Si l'étalonnage de l'écran tactile échoue et qu'il ne fonctionne pas correctement dans les autres fonctions de menu, changer le module d'écran tactile.
REMARQUE: Veiller à bien suivre toutes les instructions d'étalonnage de l'écran. Le fait de sauter des étapes produit un message d'échec de l'étalonnage.
Utiliser sans l'écran tactile
Il est possible de faire fonctionner la machine à glaçons sans écran tactile en appuyant sur le bouton Display Bypass de la carte de commande. Cela donne le temps de commander et de remplacer un écran tactile défectueux.
- Vérifier que l'écran tactile n'est pas verrouillé.
- Débrancher l'écran tactile de la carte de commande.
- Attendre au moins 30 secondes que le bouton Display Bypass de la carte de commande devienne actif.
- Appuyer sur le bouton Display Bypass. L'évoyant « Display Bypass Active » s'allume et la machine commence à fabriquer des glaçons.
REMARQUE: Appuyer une nouvelle fois sur le bouton Display Bypass pour arrêter la fabrication de glaçons. Appuyer de nouveau pour redémarrer la fabrication de glaçons.
- La machine à glaçons exécute 500 cycles de fabrication de glaçons, puis s'arrête (7 jours de fonctionnement environ). Une fois les 500 cycles effectués, il est possible d'appuyer de nouveau sur le bouton pour relancer la production de glaçons pendant 7 jours supplémentaires.
ESSAI des RELAIS de la CARTE de commande
La carte de commande peut être configurée pour activer tous les relais pendant 3,5 minutes. Cela permet de vérifier que les relais de la carte de commande sont fermés et que la tension secteur est disponible pour les composants de la machine à glaçons : Pompe à eau, robinet de vidange, robinet d'arrivée d'eau, vanne(s) de récolte, compresseur(s) d'air, contacteur/compresseur/moteur de ventilateur. La commande de marche du ventilateur doit se fermer pour permettre le moteur de ventilateur sous tension.
- Appuyer sur la touche Alimentation pour permettre la machine à glaçons à l'arrêt et activer tous les relais par l'intermédiaire du menu.
- Menu/Entretien/Diagnostics/Carte de commande/Activer tous les relais.
- La carte de commande excite tous les relais et le voyant rouge à côté du relais. Le voyant rouge indique que la bobine du relais est excitée.
- Vérifier que la tension secteur est présente aux bornes des composants individuels.
A. La tension secteur est présente et le composant ne fonctionne pas - Changer le composant B. Il n'y a pas de tension de réseau aux bornes du composant - Passer à l'étape 5
- À l'aide du schéma de câblage, déterminer l'emplacement du câble sur le connecteur Molex 9 broches pour le composant contrôle.
- Vérifier la présence d'une tension secteur au niveau du connecteur Molex 9 broches de la carte de commande.
A. Tension secteur sur le connecteur 9 broches - Réparer le câblage vers le composant. B. Pas de tension sur le connecteur 9 broches - Changer la carte de commande.
Programmer une CARTE de commande de rechange
Une carte de commande Indigo™ de rechange nécessite que le numéro de modèle soit entré afin d'activer les tables de recherche qui conviennent pour le fonctionnement et le diagnostic. Cela peut se faire de deux façons différentes, par configuration USB ou configuration manuelle.
Configuration USB - S'utilise lorsque la carte de commande est opérationnelle et qu'elle présente un problème mécanique, comme un relais qui accroche. Les données de la machine sont transférées vers la carte de commande de rechange à partir de la carte de commande défectueuse. Voir « Exporter des données vers une clé USB » à la page 145 avant d'instruire la carte de rechange.
Configuration manuelle - S'utilise lorsque la carte de commande n'est pas opérationnelle ou que les données de la carte défectueuse ne sont pas fiables.
- Installer la carte de commande de rechange et remettre sous tension.
- Aller à l'écran de changement de carte de commande et suivre les instructions à l'écran.
Menu / entretien / changement carte commande.
REMARQUE: Si une carte de commande de rechange est installée dans la machine à glacons sans afficheur et numéro de modulo, le bouton « Display Bypass » permet d'activer le mode fabrication de glacons sans utiliser l'afficheur. Cela permet de faire fonctionner provisoirement la machine à glacons jusqu'à ce qu'un nouvel afficheur soit installé. Une fois un afficheur neuf installé, le bon numéro de modulo devra être entré dans la machine à glacons.
Caractéristiques et formatage de la clé USB
La mise à jour du micrologiciel sur les machines à glacons modèle IndigoTM nécessite une clé USB de 32 Go ou moins formatée comme il se doit. Toutes les clés USB doivent être formatées avant utilisation afin d'effacer tous les fichiers ou logiciels qui y sont enregistrés.
Caractéristiques de la clé USB :
- USB version 2
- Capacité de 32 Go ou moins
- Système de fichier FAT32
Formatage de la clé USB :
La procédure de formatage d'une clé USB dépend du système d'exploitation. Voir les instructions de formatage sur le site Web de l'éditeur du logiciel de système d'exploitation.
Exporter des données vers une clé USB
Le contenu de la mémoire de la carte de commande peut être copié sur une clé USB pour transférer les données de configuration et/ou de cycles à une carte de commande de rechange ou pour transférer l'information de configuration à d'autres machines à glaçons. Le service après-vente peut également avoir besoin des données à des fins d'analyse ou pour faciliter le dépannage. Les fichiers de données sont de taille réduite et peuvent être joints à un courriel.
Important
La clé USB doit être formatée avant utilisation. Tous les fichiers et logiciels figurant sur la clé sont effacés durant le processus de formatage.
- Vérifier que la machine à glaçons est en marche.
- Appuyer sur la touche Menu.
- Aller à USB : Menu/Entretien/USB.
- Insérer la clé USB dans le port USB de la carte de commande de la machine à glacons. Ne pas débrancher la clé USB avant que le transfert soit terminé.
- Sélectionner « Exporter les données » (ne pas retirer la clé USB avant la fin de la mise à jour) puis débrancher la clé USB une fois le transfert terminé.
Important
La clé USB doit être formatée avant utilisation. Tous les fichiers et logiciels figurant sur la clé sont effacés durant le processus de formatage.
- Glisser et déplacer les fichiers du site Web ou du courriel vers une clé USB, en s'assurant qu'ils ne sont pas dans un dossier.
- Vérifier que la machine à glaçons est en marche.
- Aller à USB : Menu/Entretien/USB.
- Insérer la clé USB dans le port USB de la carte de commande de la machine à glacons. (Ne pas débrancher la clé USB avant la fin de la mise à jour.)
REMARQUE : Voir l'emplacement du port USB sous « Carte de commande électronique » à la page 264.
- Sélectionner « Mise à jour du micrologiciel » puis débrancher la clé USB une fois le transfert terminé.
Fusible principal
Le fusible du tableau de commande met la machine à glaçons à l'arrêt si la défaillance d'un composant produit un fort appel de courant.
Le fusible principal est de 250 V, 6,3 A.
Avertissement
Une tension d'alimentation (secteur) élevée est appliquée en permanence à la carte de commande (bornes 55 et 56). Le retrait du fusible de la carte de commande ou la mise à l'arrêt à l'aide de la touche Alimentation ne coupe pas l'alimentation électrique fournie à la carte de commande.
Procedure de verification
- Si l'afficheur est sous tension ou que le voyant du contacteur de bac s'allume alors que le rideau d'eau ou les amortisseurs de glaçons sont fermés, le fusible est en bon état.
Avertissement
Sectionner l'alimentation électrique de l'ensemble de la machine à glaçons avant de poursuivre.
- Retirer le fusible. Vérifier la continuité du fusible avec un ohmmètre.
| Mesure Résultat | |
| Ouvert (OL) Changer le | fusible |
| Fermé (O) Fusible en | bon état |
Contacteur de BAC
Le mouvement du rideau d'eau ou des amortisseurs de glaçons commande l'actionnement du contacteur de bac. Le contacteur de bac a deux fonctions principales :
- Mettre fin au cycle de récolte et ramener la machine à glaçons au cycle de congélation. Cela se produit si le contacteur de bac est ouvert puis refermé dans les 30 secondes durant le cycle de récolte.
- Arrêt automatique de la machine à glaçons. Si le bac de stockage est plein à la fin d'un cycle de récolte, la plaque de glaçons ne se dégage pas du rideau d'eau ou des amortisseurs de glaçons et les maintient ouverts. Si le rideau d'eau ou les amortisseurs de glaçons sont maintenus ouverts pendant 3 30 secondes, la machine à glaçons s'arrête. La machine à glaçons reste arrêtée jusqu'à ce que suffisamment de glaçons soient retirés du bac de stockage pour permettre aux glaçons de tomber au-delà du rideau d'eau ou des amortisseurs de glaçons. Lorsque le rideau d'eau ou les amortisseurs de glaçons reviennent en position de marche, le contacteur de bac se ferme et la machine à glaçons redémarre, à condition que le délai de 3 minutes soit écoulé.
Important
Le rideau d'eau ou les amortisseurs de glaçons doivent être en position de marche (contacteur de bac fermé) pour démarrer la fabrication de glaçons.
Le contacteur de bac est un commutateur à lames à actionnement magnétique. L'aimant est attaché au coin inférieur droit du rideau d'eau et aux deux extrémités des amortisseurs de glaçons.
Le contacteur de bac est raccordé à un circuit de tension continue variable (la tension ne reste pas constante).
REMARQUE: En raison de la variation importante de la tension, il est déconseilé d'utiliser un voltmètre pour vérifier le fonctionnement du contacteur de bac.
Le contacteur de bac ne s'ouvre pas
- La machine à glaçons ne lance pas de cycle de fabrication de glaçons et l'écran affiche « Bac plein »
- La machine à glaçons affiche « Bac plein, enlever les glaçons » durant le cycle de nettoyage.
Le contacteur de bac ne se ferme pas
Durant la marche, l'alerte « Récolte longue » s'affiche. - Arrêt possible sur une erreur E02 Récolte longue. - Le cycle de récolte se poursuit après que les glaçons ouvrent et ferment l'amortisseur de glaçons (le cycle de récolte est de 7 minutes). - Une erreur de rideau est affichée dans le journal des alertes.
Diagnostic
- Vérifier que le contacteur de bac, le rakeau/amortisseur et l'aimant de rakeau/amortisseur sont en place puis aller au menu Entrées.
- Menu/Entretien/Diagnostics/Entrées
- Ouvrir et fermer le ou les amortisseurs de glaçons à plusieurs reprises tout en observant l'affichage et les voyants de la carte de commande.
A. Le contacteur de rideau s'ouvre et se ferme - L'écran indique l'ouverture et la fermeture et le voyant de la carte de commande s'allume et s'éteint - Le contacteur de bac fonctionne normalement B. Le contacteur de rideau reste fermé, l'écran indique qu'il est fermé et le voyant de la carte de commande reste allumé - Aller à l'étape 3 C. Le contacteur de rideau reste ouvert, l'écran indique qu'il est ouvert et le voyant de la carte de commande reste éteint - Aller à l'étape 3
- Débrancher le câble de contacteur de bac de la carte de commande.
- Sur la carte de commande, relier la borne du contacteur de bac à la terre à l'aide d'un fil volant, appuyer sur la touche Alimentation et observer l'affichage et les voyants de la carte de commande.
A. Le contacteur de rideau se ferme, l'écran indique qu'il est fermé, le voyant de la carte de commande s'allume et la machine à glacons démarre - Changer le contacteur de bac B. Le contacteur de rideau reste ouvert, l'écran indique qu'il est ouvert et le voyant de la carte de commande est éteint - Vérifier que la méthode a été correctement suivie - Changer la carte de commande
Circuit de régulation du niveau d'eau
La sonde de niveau d'eau contrôle le niveau de l'eau en détectant le contact de l'eau avec le capteur. La sonde de niveau d'eau comporte trois capteurs. Deux capteurs de même longueur servent à mesurer la conductivité pour les diagnostics, la clarté de la glace et les options de mesure de l'eau. La configuration par défaut mesure la résistance entre les deux capteurs longs et le capteur court.
Réglage de niveau d'eau du cycle de congélation
Le niveau d'eau n'est pas modifiable. Si le niveau d'eau n'est pas correct, vérifier la position de la sonde de niveau d'eau. Repositionner ou nettoyer la sonde comme il se doit.
Arrêt de sécurité du robinet d'arrivée d'eau
En cas de défaillance de la sonde de niveau d'eau, cette fonction limite la durée maximale pendant laquelle le robinet d'arrivée d'eau est ouvert.
Modeles a un évaporateur
Quelle que soit l'entrée de la sonde de niveau d'eau, la carte de commande ferme automatiquement le robinet d'arrivée d'eau s'il reste activé pendant 12,5 minutes en continu (30 secondes durant le pré-refroidissement et deux périodes de 6 minutes durant le cycle de congélation). Le cycle initial est de 14 minutes et de 12,5 minutes par la suite.
Modeles a deux évaporateurs
Quelle que soit l'entrée de la sonde de niveau d'eau, la carte de commande ferme automatiquement le robinet d'alimentation d'eau s'il reste activé pendant 16,5 minutes en continu (30 secondes durant le pré-refroidissement et deux périodes de 8 minutes durant le cycle de congélation). Le cycle initial est de 18 minutes et de 16,5 minutes par la suite.
Fonctionnement du pré-refroidissement et du cycle de congestion
Le robinet d'arrivée d'eau s'active et se désactive en konjonction avec la sonde de niveau d'eau placée dans la cuve à eau.
- Le robinet d'arrivée d'eau est activé (ouvert) lorsqu'il n'y a pas d'eau au contact de la sonde de niveau d'eau.
- Le robinet d'arrivée d'eau se désactive lorsque l'eau a été au contact de la sonde de niveau d'eau pendant 6 secondes en continu.
- Le robinet d'arrivée d'eau peut s'activer et se désactiver une fois durant le pré-refroidissement et jusqu'à deux fois durant le cycle de congélation. Durée de replissage maximale:
- Un évaporateur - 12 minutes.
- Deux évaporateurs - 16 minutes.
Le robinet d'arrivée d'eau s'active durant le cycle de pré-refroidissement et se désactive si l'eau touche le capteur de niveau haut (dans la majorité des cas, la cuve à eau ne se remplit pas complètement durant le pré-refroidissement et le robinet d'arrivée d'eau est toujours activé au début du cycle de congélation). Le robinet d'arrivée d'eau reste activé jusqu'à ce que l'eau touche le capteur de niveau d'eau haut. Le robinet d'arrivée d'eau s'ouvre puis se ferme une fois de plus pour refaire le plein de la cuve à eau. Le robinet d'arrival d'eau est ensuite désactivé pendant toute la durée du cycle de congélation.
Utilisation d'eau déionisée ou filtrée par OSMOSE inverse
Si l'eau utilisée a un bas taux de matières dissoutes totales (MDT), la sensibilité de la sonde de niveau d'eau peut être augmentée en déplaçant le cavalier d'une broche (voir l'emplacement sous « Carte de commande électronique » à la page 264).
Les schémas Carte de commande électronique montrent la position par défaut du cavalier, entre les broches de gauche et du milieu. Placer le cavalier entre les broches du milieu et de droite puis activer le menu d'osmose inverse « Consommer moins d'eau avec l'osmose inverse » pour augmenter la sensibilité de la sonde de niveau d'eau.
Voir l'emplacement des éléments du menu sous « Consommation d'eau » à la page 56.
Important
Si l'option d'osmose inverse a été activée puis désactivée (c.-à-d. ramenée au réglage d'usine par défaut) et que le fil volant n'a pas été remis dans sa position par défaut de 45 secondes, il se produit ce qui suit.
A. La sensibilité accrue de la sonde de niveau d'eau reste active, voir « Utilisation d'eau désionnée ou filtrée par osmose inverse » à la page 152. B. La carte de commande génère des erreurs de sonde de niveau d'eau durant chaque cycle. C. La carte de commandeonne en mode Sécurité un cycle sur deux.
Vérifier les données en temps réel
- Aller à Menu/Entretien/Diagnostics/Entrées
- Observer les paramètres Niveau eau bas et Niveau eau haut
- Pas de détection : Pas de contact du capteur avec l'eau.
- Détection: Contact du capteur avec l'eau.
REMARQUE: Si de l'eau désalée ou filtrée par osmose inverse est utilisée, déplacer le cavalier d'une broche (voir « Carte de commande électronique » à la page 264) et activer le menu d'osmose inverse « Consommer moins d'eau avec l'osmose inverse » pour augmenter la sensibilité.
- Débrancher le faisceau de câbles de sonde de niveau d'eau de la carte de commande et mesurer la résistance du faisceau et de la sonde de niveau d'eau. Les mesures normales indiquent une résistance nulle.

Mesures de résistance de la sonde de niveau d'eau et du faisceau de câbles
Contrôlé du circuit de SONDE de niveau d'eau au niveau de la CARTE de commande
Attendre que le cycle de pré-refroidissement démarre, puis placer un fil volant entre les connecteurs de sonde de niveau d'eau (rouge/noir) sur la carte de commande.
A. La mesure de sonde s'affiche et l'eau est coupée. Réparer le câble ou changer la sonde de niveau d'eau. B. Pas d'affichage de mesure de sonde et l'eau continue de s'écouler. Changer la carte de commande.
SONDE d'épaisseur de GLACE (déclenche la récolte)
La sonde d'épaisseur de glace détecte la glace sur l'évaporateur et envoie un signal à la carte de commande pour démarrer un cycle de récolte.
Fonction de verrouillage de durée de congélation
Le système de commande de la machine à glaçons intègre une fonction de verrouillage de durée de congélation de 6 minutes.
Temps maximal de congélation
Le temps maximal de congélation est de 35 minutes après quoi la carte de commande déclenche automatiquement une série de récoltes.
Température maximale
La température pour la sonde d'épaisseur de glaçons est 49°C (120°F). Ne pas nettoyer la sonde au lave-vaisselle ou ne pas l'exposer à des températures au-dessus du maximum.
Contrôle de l'épaisseur de glace
La sonde d'épaisseur de glace est réglée en usine pour maintenir l'épaisseur du pont de glace à 3 mm (1/8 po).
REMARQUE: L'espacement initial doit être réglé avec la machine à glaçons à l'arrêt. Vérifier que le rideau d'eau ou les écrans anti-éclaboussures sont en place avant d'effectuer cette vérification. Ils empêchent l'eau de sortir du bac à eau par éclaboussures. Retirer le rideau pour procéder à un ajustement, puis le remettre immédiatement en place une fois l'ajustement effectué.
- Contrôler le pont qui relie les glaçons. Son épaissur doit être d'environ 3 mm (1/8 po).
- Si un ajustement est nécessaire, tourner la vis d'ajustement de la sonde d'épaisseur de glace dans le sens des aiguilles d'une montre pour augmenter l'épaisseur du pont et dans le sens inverse pour diminuer l'épaisseur du pont. Comme point de départ, fixer un espace de 7 mm (9/32 po) entre la sonde d'épaisseur de glace et l'évaporateur. Ajuster ensuite de façon à obtenir une épaisseur de 3 mm (1/8 po).
- S'assurer que le fil de la sonde d'épaisseur de glace et le support n'entravent pas le mouvement de la sonde.
Réglage de l'épaisseur de glace
Diagnostics de la sonde d'épaisseur de glace
- Effectuer une série d'auto-verification de la carte de commande et s'assurer que l'essai du circuit ITP interne est positif avant de poursuivre.
Menu/Entretien/Diagnostics/Carte de commande/Auto-verification
- Circuit d'épaisseur de glace: Positif = Passer à l'étape 2.
- Circuit d'épaisseur de glace: Négatif = Changer la carte de commande.
- Le cas échéant, retirer toute la glace de l'évaporateur.
- Appuyer sur la touche Alimentation pour permettre la machine à l'arrêt.
- Couper l'alimentation électrique de la machine à glaçons au niveau du sectionneur principal.
- Vérifier le bon état de la sonde d'épaisseur de glace. Voir notamment si la face de la sonde présente un gonflement, des fissures autour du mamelon et des déformations des broches de pivotement ou des bras de broche de pivotement.
- Vérifier que l'écartement de la sonde d'épaisseur des glaçons est d'environ 7 mm (9/32 po) et que le fil et le support de la sonde n’entravent pas le mouvement de la sonde. Voir « Contrôle de l’épaisseur de glace » à la page 156.
- Rétablir l'alimentation électrique de la machine à glaçons au niveau du sectionneur principal et vérifier que la machine est à l'arrêt.
- Aller au menu Données en temps réel (Menu/Entretien/Données/Données en temps réel/Entrées) et observer ITP FFT 100 Hz et 120 Hz.
- Observer la plage numérique initiale et effectuer un essai de tapotement.
- Retirer le rideau d'eau ou l'écran anti-éclaboussures, le cas échéant.
- Soulever la sonde d'épaisseur des glaçons et tapoter délicatement le mamelon sur la face de la sondépendant au moins 10 secondes.
REMARQUE : Lors de l'essai de tapotement :
- Positif = Pas de problème d'ITP
- Négatif = Contrôler la tension CC sur la carte de commande
Les valeurs initiales affichées changent constamment et sont inférieures à 3000.
Si la mesure initiale est égale ou inférieure à 300 et que la mesure lors de l'essay de tapotement dépasse la mesure initiale de 3000 ou plus, la sonde d'épaisseur de glace et la carte de commande fonctionnent toutes deux correctement.
Les valeurs initiales affichées ne changent pas ou n'ont pas augmenté d'au moins 3000 durant l'essai de tapotement.
- Vérifier que le connecteur de la sonde d'épaisseur de glace est correctement branché sur la carte de commande et que le câblage de la sonde d'épaisseur de glace est correct. Si le câblage est incorrect, changer la sonde d'épaisseur de glace.
| Connecteur de sonde de glace sur la carte de commande | |
| Broche 1 (+) Rouge | |
| Broche 2 (-) Noir | |
| Broche 3 Fil torsadé | |
- Débrancher la sonde d'épaisseur des glaçons et régler un multimètre sur sa gamme de mesure de tension continue. Mesurer la tension entre la broche 1 (+) du fil rouge et la broche 2 (-) du fil noir. Se reporter à « Carte de commande électronique » à la page 264.
A. Mesures de tension entre 3,25 et 3,35 VCC = Changer la sonde d'épaisseur de glace. B. Mesure de tension pas entre 3,25 et 3,35 VCC = Changer la carte de commande.
ESSAI De récolte
- Appuyer sur la touche Alimentation pour démarrer un cycle de fabrication de glaçons. Retirer le rideau d'eau ou l'écran anti-éclaboussures, le cas échéant.
- Retirer la sonde d'épaisseur des glaçons, la tourner et la remonter avec le mamelon dans la direction opposée à l'évaporateur.
- Appuyer sur le bouton Menu, défilier jusqu'à Service, appuyer la flèche droite, défilier jusqu'à Données Réel, appuyer la flèche droite, défilier jusqu'à Entrées, appuyer sur la flèche droite puis défilier jusqu'à Sonde glaçon.
- Attende 6,5 min après le début du cycle de congélation. Voir les détails sous Séquence de fonctionnement.
- Gratter le mamelon de la sonde d'épaisseur des glaçons pendant 30 secondes environ.
Le CYCLE de collecte demarre et « SONDE glaçon » CHANGE de NON à OUI
La sonde d'épaisseur des glaçons et la carte de commande fonctionnent normalement.
- Lancer un cycle de récolte manuel pour enlever la glace de l'évaporateur.
- Appuyer sur la touche Alimentation pour permettre à la machine de s'arrêter.
- Retirer la sonde d'épaisseur des glaçons, la tourner et la remonter avec le mamelon tourné vers l'évaporateur. Régler l'écartement de la sonde d'épaisseur des glaçons à 7 mm (9/32 po). Vérifier que le câble n'est pas torsadé ou coincé et que la sonde d'épaisseur des glaçons se balance librement, puis remonter le rideau d'eau.
- Effectuer un « Contrôle de l'épaisseur de glace » et un essai de marche de deux cycles de la machine à glaçons.
Le CYCLE de recolte NE demarre PAS
- Si la carte de commande ne lance pas un cycle de récolte, changer la carte et effectuer un « Contrôle de l'épaisseur de glace »
La sonde de niveau de bac accessoire met la machine à glaçons en cycle de bac plein lorsque les glaçons abaissent sa température à 2,2 °C (36 °F) ou moins. Un niveau de glaçons moindre dans les distributeurs évite les remplissages excessifs ou les dommages au moteur ou à la roue de distribution.
- La sonde du bac mesure la température réelle et doit être raccordée à la borne T5 de la carte de commande.
- La carte de commande reconnaît automatiquement la sonde de niveau de bac lorsqu'elle est installée. Si la sonde de niveau de bac n'a pas été reconnue par la carte de commande, rétablir les réglages d'usine par défaut et exécuter l'assistant de démarrage.
Fonctionnement normal
La carte de commande lance un cycle de bac plein et une temporisation de 5 minutes lorsque les deux événements suivants se produisent :
- La carte de commande reçoit une entrée de température de 2,2 °C (36 °F) ou moins de la sonde de bac (thermistance T5) à la fin du cycle de congélation.
- La mesure de température reste à 2,2 °C (36 °F) ou moins pendant toute la durée du cycle de récolte.
La machine à glaçons redémarre à l'expiration du délai de temporisation une fois que la sonde de bac mesure une température de 2,8 °C (37 °F) ou plus. La fabrication de glaçons reprend à la mise en service initiale ou au redémarrage après un arrêt automatique (voir « Séquence de fonctionnement » à la page 64).
Dépannage
Se reporter au fonctionnement normal avant de procéder au démarrage - la mesure de la thermistance T5 doit indiquer 2,2 °C (36 °F) ou moins pendant le cycle de congélation et toute la durée du cycle de récolte pour déclencher un arrêt pour bac plein à la fin du cycle de récolte.
Afficher la température de la thermistance T5 à l'écran (Menu/Entretien/Diagnostics/Températures).
COURT-CIRCUIT DE LA SONDE - TEMPERATURE AFFICHEE SUPERIEURE A 204 °C (400 °F):
Un court-circuit de fil de sonde ou thermistance se traduit par une indication de température supérieure à 204 °C (400 °F). Ce problème entraîne l'arrêt pour bac plein de la machine à glaçons uniquement lorsque le contacteur de bac (rideau) est ouvert à la fin d'un cycle de récolte. La machine à glaçons redémarre une fois que le rideau se ferme.
SONDE En circuit OUVERT - temperature affichee -30°C (-22°F)
Un fil de sonde ou une thermistance en circuit ouvert se traduit par une indication de température inférieure à -23°C (-10°F). Ce problème entraîne l'arrêt pour bac plein de la machine à glaçons uniquement lorsque le contacteur de bac (rideau) est ouvert à la fin d'un cycle de récolte. La machine à glaçons redémarre une fois que le rideau se ferme.
SONDE hors limites - la MESURE de temperature est inférieure ou supérieure à la temperature réelle au niveau de la SONDE de niveau de BAC
Une thermistance hors limites peut produire une indication de température supérieure ou inférieure à la température réelle à l'emplacement de la sonde de niveau de bac.
- Vérifier la température réelle à l'emplacement de la sonde de niveau de bac avec un thermomètre.
- Voir « Essai des thermistances » à la page 165.
Les valeurs de résistance des thermistances changent avec la température. La valeur fournie à la carte de commande permet d'établir la température à l'emplacement de la thermistance.
CHARACTERISTIQUES
| Température de la thermistance Résistance | ||
| °C F k Ohms (x 1000) | ||
| -30 à -20 -22 à -4 | 820,85 à 466,35 | |
| -20 à -10 -4 à 14 | 466,35 à 269,05 | |
| -10 à 0 14 à 32 | 269,05 à 160,70 | |
| 0 à 10 32 à 50 | 160,70 à 98,930 | |
| 10 à 20 50 à 68 | 98,930 à 62,015 | |
| 20 à 30 68 à 86 | 62,015 à 39,695 | |
| 30 à 40 86 à 104 | 39,695 à 25,070 | |
| 40 à 50 | 104 à 122 | 25,070 à 17,481 |
| 50 à 60 | 122 à 140 | 17,481 à 11,860 |
| 60 à 70 | 140 à 158 | 11,860 à 8,1900 |
| 70 à 80 | 158 à 176 | 8,1900 à 5,7530 |
| 80 à 90 | 176 à 194 | 5,7530 à 4,1015 |
| 90 à 100 194 à 212 | 4,1015 à 2,9735 | |
| 100 à 110 | 212 à 230 | 2,9735 à 2,1885 |
| 110 à 120 | 230 à 248 | 2,1885 à 1,6290 |
| 120 à 130 | 248 à 266 | 1,6290 à 1,2245 |
| 130 à 140 | 266 à 284 | 1,2245 à 0,9319 |
| 140 à 150 | 284 à 302 | 0,9319 à 0,7183 |
| 150 à 160 | 302 à 320 | 0,7183 à 0,5624 |
| 160 à 170 | 320 à 338 | 0,5624 à 0,4448 |
| 170 à 180 | 338 à 356 | 0,4448 à 0,3530 |
| 180 à 190 | 356 à 374 | 0,3530 à 0,2831 |
| 190 à 200 | 374 à 392 | 0,2831 à 0,2273 |
Matrice de thermistances
La machine à glaçons est fournie de série avec quatre thermistances. Elles sont marquées T1, T2, T3 et T4.
EMPLACEMENT DES SONDES DE TEMPERATURE - MODELES AUTONOMES REFROIDIS PAR AIR OU PAR EAU
Modèles de 22 po et 30 po à 1 évaporateur, 1 circuit d'évaporateur et un condenseur refroidi par air ou par eau
T1 - Conduite de fluide de condenseur T2 - Refoulement de compresseur T3 - Entrée d'évaporateur T4 - Sortie d'évaporateur
Modèles de 30 po et 48 po à 1 évaporateur, 2 circuits d'évaporateur et un condenseur refroidi par air ou par eau
T1 - Conduite de fluide de condenseur T2 - Refoulement de compresseur T3 - Sortie d'évaporateur du deuxième circuit d'évaporateur T4 - Sortie d'évaporateur du premier circuit d'évaporateur
EMPLACEMENT DES SONDES DE TEMPERATURE - MODELES À CONDENSEUR À DISTANCE REFROIDI PAR AIR
Modèles de 30 po à 1 évaporateur, 1 circuit d'évaporateur et un condenseur à distance refroidi par air
T1 - Entrée de récepteur T2 - Refoulement de compresseur T3 - Entrée d'évaporateur T4 - Sortie d'évaporateur
Modèles de 30 po et 48 po à 1 évaporateur, 2 circuits d'évaporateur et un condenseur à distance refroidi par air
T1 - Entrée de récepteur T2 - Refoulement de compresseur T3 - Sortie d’évaporateur du deuxième circuit d’évaporateur T4 - Sortie d’évaporateur du premier circuit d’évaporateur
Symptôme
Une icône d'alerte s'affiche et indique une erreur T1, T2, T3 ou T4.
Procedure de verification
Aller à Menu/Entretien/Données/Données en temps réel/Heure et température.
REMARQUE: Une thermistance en circuit ouvert affiche une valeur inférieure à -23 °C (-10 °F) et une thermistance en court-circuit une valeur supérieure à 204 °C (400 °F).
Essai des thermistances
- Débrancher la thermistance de la carte de commande et mesurer sa résistance.
- Mesurer la température au niveau de la thermistance.
- Comparer les valeurs de résistance/temperature mesurées à la courbe résistance/temperature théorique.
A. À moins de 10% de la valeur de résistance publiée - Thermistine bonne. B. À plus de 10% de la valeur de résistance publiée - Thermistine défectueuse.
Essai de la carte de commande
- Débrancher la thermistance de la carte de commande - La chute de la mesure de température affichée en dessous de -23°C (-10°F) indique que la carte de commande fonctionne normalement.
- Court-circuiter les broches de la thermistance - L'augmentation de la mesure de température affichée au-dessus de 204°C (400°F) indique que la carte de commande fonctionne normalement.
Contacteur de coupure HAUTE pression (HPCO)
Arrêter la machine à glaçons si la pression côté haut est trop élevée. Le contacteur HPCO est normalement fermé et s'ouvre en cas d'augmentation de la pression de refoulement.
CHARACTERISTIQUES
| Caracteristiques | ||
| Fluide frigorigène | Déclenchement Enc | enchement |
| R410A | 4136 ±69 kPa (600 ±10 psig) | 3103 ±69 kPa (450 ±10 psig) |
| R404A | 3102 ±48 kPa (450 ±7 psig) | 2068 kPa ±69 kPa (300 ±10 psig) |
| Réarmement automatique | ||
Symptôme
Lors de l'ouverture du HPCO, la carte de commande entame un début de temporisation de 10 minutes, après quoi la machine tente un redémarrage. Si le HPCO est fermé, la machine continue de fonctionner. Si le HPCO reste ouvert à l'issue des 10 minutes de temporisation ou s'il se rouvre au démarrage du compresseur, la machine entame un nouveau début de temporisation de 10 minutes.
- La machine est à l'arrêt et le journal des alertes affiche E5 HPC Trip (déclenchement HPC), le nombre de déclenchements et l'heure et la date du dernier déclenchement.
- La machine est en marche et affiche une notification d'alerte. Aller au journal des alertes pour afficher l'erreur.
Symptôme n° 1: la machine est à l'arrêt et affiche E5 HPC trip (déclenchement HPC) dans le journal des alertes.
- Poser un jeu de manomètres de frigoriste.
- Démarrer un cycle de congélation en mettant la touche Alimentation à l'arrêt puis en marche.
- Faire fonctionner le système pour voir si la commande se déclenche à la pression nominale. Si le HPCO s'ouvre à une pression nettement inférieure ou supérieure à la consigne de commande, changer le HPCO.
- Si la commande s'ouvre à la bonne pression, rechercher la cause sous-jacente : Moteur de ventilateur, condenseur sale, problème de circuit de réfrigération, etc. La machine à glaçons ne lance pas de série de démarrage initial si le HPCO est fermé. Si le HPCO est ouvert, un autre délai de temporisation de 10 minutes est entamé. Lorsque le relais du compresseur se ferme, la carte de commande vérifie le HPCO.
Symptôme n° 2 : la machine est en marche et affiche une indication d'alerte.
- L'écran affiche E5 HPC Trip (déclenchement HPC) dans le journal des alertes. Ouvrir l'alerte pour afficher quand et comment l'erreur de HPCO s'est produit.
- S'il s'agit d'un événement unique, il est possible qu'il soit intermittent et lié à des changements de conditions autour de la machine. Exemple : Température ambiant elevée, arrivée d'eau du condenseur fermée (modèle refroidi par eau), etc.
- Faire fonctionner le système pour voir si la commande se déclenche à la pression nominale. Si le HPCO s'ouvre à une pression nettement inférieure à la consigne de commande, changer le HPCO.
- Si la commande s'ouvre à la bonne pression, rechercher la cause sous-jacente : moteur de ventilateur, condenseur sale, problème de circuit de réfrigération, etc.
Commande de MARCHE du ventilateur
Active et désactive le moteur de ventilateur pour maintenir la bonne pression de refoulement d'exploitation.
La commande de marche du ventilateur (FCC) se ferme si la pression de refoulement augmente et s'ouvre si elle diminue.
CARACTÉRISTIQUES
| Caracteristiques | ||
| Modèle Enclench. (fermé) Déclench. (ouvert) | ||
| IT0300/IT0420/IT0500 | 2310 ±34 kPa | 1896 ±34 kPa |
| IT0620/IT0750/IT0900 | (335 ±5 psig) | (275 ±5 psig) |
| IT1200/IT1500/IT1900 | ||
| IF0300/IF0600/IF0900 | 1723 ±34 kPa | 1379 ±34 kPa |
| (250 ±5 psig) | (200 ±5 psig) | |
Procedure de verification
- Vérifier que les enroulements du moteur du ventilateur ne sont pas ouverts ni reliés à la masse et que le ventilateur tourne librement.
- Raccorder les manomètres à la machine à glaçons.
- Brancher un voltmètre en parallèle sur la commande de marche du ventilateur, sans débrancher les fils.
- Voir le tableau ci-dessous.
| Consigne FCC : Mesure attendue : | Le ventilateur doit'être : |
| Sup. à enclench. 0 V En marche | |
| Inf. à déclench. Tensión secteur À l'arrêt |
POMPES à air d'assistance de récolte
La pompe à air sert à casser le vide entre la plaque de glaçons et l'évaporateur, ce qui permet de raccourcir les cycles de récolte.
115 V ou 230 V - même tension que la machine à glaçons.
Procedure de verification
- La pompe à air est branchée en parallèle sur la vanne de récolte - Vérifier que la machine à glaçons est en cycle de récolte et que la vanne de récolte est excitée.
- S'il y a une tension sur le connecteur de la pompe à air, utiliser un multimètre pour vérifier l'absence de continuité à travers les enroulements du moteur, puis changer le moteur.
Diagnostics électriques du compresseur
Le compresseur ne démarre pas ou sa protection antisurcharge se déclenche de façon répétée.
Vérifier les valeurs de résistance (ohm)
REMARQUE: Les enroulements du compresseur peuvent avoir de très faibles résistances. Utiliser un ohmmètre correctement étalonné.
Laisser le compresseur refroidir avant de mesurer la résistance. Le dôme du compresseur doit être suffisamment froid (moins de 49°C / 120°F) pour assurer la fermeture de la protection antisurcharge et l'exactitude des mesures de résistance.
Compreseurs monophasés
- Couper l'alimentation puis débrancher les fils des bornes du compresseur.
- Les valeurs de résistance entre C et S et entre C et R, lorsqu'elles sont additionnées, doivent être égales à la valeur de résistance entre S et R.
- Si la protection antisurcharge est ouverte, il y aura une résistance mesurable entre S et R et des mesures de circuit ouvert entre C et S et entre C et R. Laisser le compresseur refroidir puis remesurer ces valeurs.
Compreseurs triphasés
- Couper l'alimentation et débrancher les fils des bornes du compresseur.
- Les valeurs de résistance entre L1 et L2, entre L2 et L3 et entre L3 et L1 doivent être égales.
- Si la protection antisurcharge est ouverte, les mesures indiqueront un circuit ouvert entre L1 et L2, entre L2 et L3 et entre L3 et L1. Laisser refroidir le compresseur puis remesurer ces valeurs.
Mesures entre les enroulements du moteur à la MASSE
Contrôler la continuité entre les trois bornes et l'enveloppe du compresseur ou la conduite de réfrigération en cuivre. Érafler la surface du métal pour obtenir un bon contact. S'il y a continuité, c'est que les enroulements du compresseur sont reliés à la terre et le compresseur doit être changé.
APPEL De courant du compresseur, ROTOR BLOQUE
Pour déterminer si le compresseur est grippé, vérifier l'appel de courant durant le démarrage du compresseur.
Les deux causes probables sont un organe de démarrage défectueux ou un grippage mécanique du compresseur.
Pour déterminer laquelle il s'agit :
- Raccorder les manomètres haute pression et basse pression.
- Essayer de démarrer le compresseur.
- Observer attentivement les pressions.
A. Si les pressions ne changent pas, le compresseur est grippé. Changer le compresseur. B. Si les pressions changent, le compresseur tourne lentement et n'est pas grippé. Vérifier les condensateurs et le relais.
FORT APPEL de courant du compresseur
L'appel de courant en continu au démarrage ne doit pas approcher la capacité maximale du fusible indiquée sur la plaque signalétique.
Diagnostics des composants de demarrage
Si le compresseur tente de démarrer ou qu'il tourne mais que sa protection antisurcharge se déclenche, vérifier les composants de démarrage avant de changer le compresseur.
Condensateur
Les indications visuelles d'une défaillance du condensateur sont notamment un gonflement du (: oté des bornes ou une membrane rompue. Par contre, le condensateur peut être défectueux même si aucun défaut n'est visible à l'œil nu. Un bon test consiste à installer un condensateur de rechange en bon état. Pour contrôler un condensateur suspect, utiliser un testeur de condensateur. Couper la résistance de fuite des bornes du condensateur avant d'effectuer le test.
Relais
Le relais comporte un jeu de contacts qui raccordent ou séparent le condensateur de démarrage de l'enroulement de démarrage du compresseur. Les contacts sur le relais sont normalement fermés (condensateur de démarrage en série avec l'enroulement de démarrage). Le relais détecte la tension engendrée par l'enroulement de démarrage et ouvre les contacts lorsque le moteur de compresseur démarre. Les contacts restent ouverts jusqu'à ce que le compresseur soit désactivé.
Verification du fonctionnement du RELAIS
- Débrancher les fils des bornes du relais.
- Vérifier que les contacts sont fermés. Mesurer la résistance entre les bornes 1 et 2. L'absence de continuité indique des contacts ouverts. Changer le relais.
- Vérifier la bobine du relais. Mesurer la résistance entre les bornes 2 et 5. L'absence de résistance indique une bobine en circuit ouvert. Changer le relais.
Résistance CPT
La résistance CTP (coefficient de température positif) permet au courant de traverser l'enroulement de démarreur au démarrage du compresseur. Le passage du courant chauffe les disques de céramique dans la CTP. La résistance électrique augmente avec la température et interrompt presque totalement le courant à travers l'enroulement de démarreur. La faible intensité de courant restante maintient la CTP chaude (127^ / 260^) et l'enroulement de démarreur hors circuit.
La résistance CTP doit être refroidie avant toute tentative de démarrage du compresseur, sinon la CTP chauffe trop vite et coupe le courant à travers l'enroulement du démarreur avant que le compresseur ait atteint son plein régime.
Avertissement
Couper toute l'alimentation électrique de la machine à glaçons au niveau du sectionneur du bathtub avant de poursuivre.
REMARQUE: En cas de chute d'une résistance CTP, ses disques céramiques internes peuvent être endommages. Le disque céramique peut s'ébrécher et provoquer un arc électrique entrainant une défaillance de la CPT. Comme il n'est pas possible d'ouvrir la CTP pour voir si le disque céramique est ébrché ou non, elle doit être mise au rebut après toute chute.
Vérification du fonctionnement de la résistance CTP
- Contrôler visuellement la CTP. Rechercher des signes de dommage physique.
REMARQUE: La température du boîtier de CTP peut atteindre 100°C (210°F) durant la marche du compresseur. C'est normal. Ne pas changer une résistance CTP simplement parce qu'elle est chaude.
- Attendre au moins 10 minutes que la CTP refroidisse jusqu'à la température ambiante.
- Retirer CTP de la machine à gâteaux.
- Mesurer la résistance de la CTP comme sur l'illustration. La résistance mesurée doit être la suivante :
| PTCR | Résistance (ohm) | A Numéro de pièce |
| Cera-Mite 305C2 noir à deux bornes | 60 à 110 12 | 000014323 |
| Cera-Mite 305C20 noir ou bleu à deux bornes | 24 à 46 10 | 8505003 |
| Cera-Mite 305C19 bleu ou beige à trois bornes | 21 à 39 18 | 8504993 |
| Cera-Mite 305C09 bleu ou beige à trois bornes | 10 à 20 36 | 8504913 |
Mesurer la résistance entre les extrémités CTP à deux bornes
Mesurer la résistance entre le centre et l'extrémité CTP à trois bornes
VANNE de régulation de la pression de refoulement
Les systèmes à distance Manitowoc nécessitent des vannes de régulation de la pression de refoulement à réglages spéciaux. Remplacer les vannes de régulation défectueuses uniquement par des pièces de rechange Manitowoc d'origine.
Vérifier la charge en fluide frigorigène
La quantité correcte de fluide frigorigène (charge indiquée sur la plaque signalétique) est nécessaire à un bon fonctionnement sous toutes les conditions ambiantes.
Une machine à glaçons représentant une surcharge ou une charge insuffisante de fluide frigorigène peut fonctionner correctement aux températures ambiantes élevées et ne pas fonctionner aux températures ambiantes plus basses. Les symptômes d'une quantité incorrecte de fluide frigorigène sont notamment :
- Fonctionnement normal la journée mais mauvais fonctionnement la nuit et défaillance chaque fois que la température extérieure baisse.
- Une erreur de service est conservée dans la mémoire de la carte de contrôle.
La perte de fluide frigorigène et la température ambiante sont directement liées entre elles. À mesure que la température ambiante baisse, il y a de plus en plus de fluide frigorigène stocké dans le condenseur.
Lorsque la charge en fluide frigorigène et la température ambiance produisent une insuffisance de fluide frigorigène durant le cycle de congélation, le tube plongeur de récepteur perd sa fermeture liquide. Sans fluide frigorigène dans le TXV, la machine à glaçons ne parvient pas à fabriquer une plaque de glaçons entière en 35 minutes et l'erreur Congélation longue se produit.
REMARQUE: Pour vérifier la charge en fluide frigorigène lorsqu'une vanne de régulation de pression de refoulement est changée ou que la charge en fluide frigorigène est suspecte, récapituler le fluide frigorigène, le peser et comparer à la quantité indiquée sur la plaque signalétique. Voir les instructions de récapitulation sous « Récupération/évacuation du fluide frigorigène » à la page 192.
Fonctionnement du cycle de congélation tous modèles à condenseur à distance
Le régulateur de pression de condensation n'est pas modifiable.
À une température ambience d'environ 21°C (70^) ou plus, le fluide frigorigène s'écoule à travers la vanne entre le condenseur et l'entrée du récepteur. Aux températures inférieures (ou à des températures plus élevées s'il pleut), la charge d'azote du dôme de régulateur de pression de refoulement ferme l'orifice du condenseur et ouvre l'orifice de dérivation de la conduite de refoulement du compresseur.
Dans ce mode de modulation, la vanne maintient une pression de refoulement minimale en accumulant du fluide dans le condenseur et en dérivant le gaz de refoulement directement vers le récepteur.
Fonctionnement du cycle de congélation modèles à condenseur à distance
Le fluide frigorigène circule du compresseur vers l'évaporateur à travers la vanne de récolte et la vanne de pression de refoulement est hors circuit.
CYCLE de congélation - condenseur à distance
- Déterminer si le serpentin est propre.
- Déterminer la température de l'air entrant dans le condenseur.
- Déterminer si la pression de refoulement est élevée ou BASSE par rapport à la température extérieure. (Voir le tableau « Tableaux de durées de cycle/production de glaçons en 24 heures/pression de fluide frigorigène » qui convient à la page 207).
- Déterminer la température de la conduite de fluide entrant dans le récepteur en la touchant. Cette conduite est normalement chaude, à la « température du corps »
- Se reporter au tableau, en utilisant tous les renseignements recueillis.
REMARQUE: Une vanne de régulation de pression de refoulement dont la dérivation ne fonctionne pas fonctionnera normalement aux températures d'air du condenseur d'environ 21°C (70^) ou plus. Lorsque la température chute en dessous de 21°C (70^), la vanne de régulation de pression de refoulement n'effectue pas la dérivation, ce qui provoque un mauvais fonctionnement de la machine à glaçons. Des conditions ambiantes inférieures peuvent être simulées en rincant le condenseur avec de l'eau froide durant le cycle de congélation.
| État | Cause probable | Mesure corrective |
| Pression de refoulement - basse Conduite de fluide - chaude | Vanne coincée en position dérivation | Changer la vanne |
| Pression de refoulement - basse Conduite de fluide - froide | La vanne n'effectue pas de dérivation | Changer la vanne |
| Pression de refoulement - basse Conduite de fluide - chaude | Charge en fluide faible | Vérifier la charge en fluide frigorigène |
Condenseur à distance
La commande de pression de refoulement passée en dérivation totale en raison de la chute de pression lors de l'ouverture de la vanne de récolte. Le fluide frigorigène circule du compresseur vers l'évaporateur à travers la vanne de récolte et la vanne de pression de refoulement est hors circuit.
Symptômes d'une charge insuffisante
- Congélation longue ou Récolte longue dans la mémoire de la carte de commande et alerte indiquant Congélation longue ou Récolte longue.
- La pression d'aspiration du cycle de récolte est BASSE.
- La pression de refoulement du cycle de récolte est BASSE.
- La conduite de fluide entrant dans le récepteur est tiède à chaude au toucher durant le cycle de congélation.
Symptômes d'une surcharge
- Récolte longue dans la mémoire de la carte de commande et affichage d'une alerte indiquant Récolte longue.
- La pression de refoulement du cycle de récolte est normale.
- La durée du cycle de congélation et la pression d'aspiration et de refoulement sont normales, mais la machine à glaçons n'effectue pas de récolte. La plaque de glaçons montre peu ou pas de signes de fonte lorsqu'on l'enlève de l'évaporateur après la fin du cycle de récolte (si les glaçons sont fondus à la base, c'est qu'il y a un problème de décollement, nettoyer la machine à glaçons).
Généralités
Le système de régulation de la pression de récolte, ou HPR (Harvest Pressure Regulating) comprend :
- Une électrovanne de régulation de la pression de récolte (électrovanne HPR). Il s'agit d'une vanne à commande électrique qui s'ouvre lorsqu'elle est sous tension et se ferme lorsqu'elle est hors tension. L'électrovanne HPR est câblée en parallèle avec la vanne de récolte.
- Une vanne de régulation de la pression de récolte (vanne HPR). Il s'agit d'une vanne de régulation de pression qui module son ouverture et sa fermeture en fonction de la pression de fluide frigorigène à la sortie de la vanne. La vanne se ferme complètement et coupe la circulation de fluide frigorigène lorsque la pression à la sortie dépasse la consigne de la vanne.
Le système HPR n'est pas utilisé durant le cycle de congestion. L'électrovanne HPR est fermée (hors tension), empêchant l'entrée de fluide frigorigène dans la vanne HPR.
CYCLE de récolte
Durant le cycle de récolte, le clapet antiretour dans la conduite de refoulement empêche le fluide frigorigène du condenseur à distance et du récepteur de refouler dans l'évaporateur et de se condenser en liquide.
L'électrovanne HPR est ouverte (sous tension) durant le cycle de récolte, ce qui permet au fluide frigorigène gazeux du haut du récepteur de circuler à travers la vanne HPR. La vanne HPR module son ouverture et sa fermeture et augmente la pression d'aspiration suffisamment pour maintenir la chaleur nécessaire au cycle de récolte, sans permettre au fluide frigorigène de revenir à l'état liquide dans l'évaporateur.
En général, la pression d'aspiration du cycle de récolte augmente, puis se stabilise. Les pressions exactes varient d'un modèle à l'autre. Voir les tableaux Durée du cycle/ Production de glaçons sur 24 heures et Pression de service.
Diagnostics HPR
Les étapes 1 à 5 peuvent être vérifiées rapidement sans utiliser de manomètre de frigoriste ou de thermomètre.
Pour poursuivre la procédure de diagnostic, la réponse à toutes les questions doit être Oui.
- La conduite de fluide est-elle chaude?
(La température du corps est considérée comme normale)
Si la conduite de fluide est inférieure à la température du corps, voir « Vanne de régulation de la pression de refoulement » à la page 176.
- Le motif de formation de glace est-il normal?
Voir « Motif de formation de la glace » à la page 111.
- La durée de congélation est-elle normale?
« Tableaux de durées de cycle/production de glaçons en 24 heures/pression de fluide frigorigène » à la page 207.
Cycles de congélation trop courts - Voir « Vanne de régulation de la pression de refoulement » à la page 176.
Cycles de congélation trop longs - Voir « Liste de vérification du circuit d'eau » à la page 110, puis voir « Dépannage par symptôme » à la page 92.
- La durée de récolte est-elle plus longue que la normale et la carte de commande indique Réco longue ?
« Tableaux de durées de cycle/production de glaçons en 24 heures/pression de fluide frigorigène » à la page 207.
- La température de la conduite de refoulement est-elle supérieure à 66°C (150°F) [modèles de 22 po seulement - 60°C (140°F)] à la fin du cycle de congélation? Voir « Analyse de la température de la conduite de refoulement » à la page 125.
- Raccorder les manomètres de frigoriste aux valves d'accès sur l'avant de la machine à glaçons. Consigner les pressions d'aspiration et de refoulement et les durées des cycles de congélation et de récolte pour établir une base de référence. (Voir les détails de la collecte de données sous « Tableaux de durées de cycle/production de glaçons en 24 heures/pression de fluide frigorigène » à la page 207.)
- La pression de refoulement du cycle de congélation est-elle dans la plage indiquée dans les tableaux Durée du cycle/Production de glaçons en 24 heures et Pression de service ? Si la pression de refoulement est basse, voir « Liste de vérification Pression de refoulement du cycle de congélation basse » à la page 118.
- La pression d'aspiration du cycle de congélation est-elle normale? Voir « Analyse de la pression d'aspiration » à la page 118 si la pression d'aspiration est haute ou basse.
- Les pressions d'aspiration et de refoulement du cycle de récolte sont-elles inférieures à celles indiquées dans le tableau Durées du cycle/Pressions de fluide frigorigène/Production en 24 heures? Changer l'électrovanne de régulation de la pression de récolte.
VANNE de dérivation de condenseur (CBV) condenseurs à distance seulement
Unités à distance sans système HPR seulement
La vanne de dérivation de condenseur n'est pas utilisée durant le cycle de congélation. L'électrovanne CBV est fermée (désexcitée), empêchant la circulation de fluide frigorigène à travers la vanne vers le récepteur.
CYCLE de récolte
Pendant le cycle de récolte, la CBV s'ouvre (excitée), permettant au gaz de refoulé de s'écouler vers le récepteur. Le gaz refoulé chaud ajoute de la chaleur au récepteur et permet à la vapeur de passer à travers la vanne de récolte en aval du récepteur.
Diagnostic
Si la CBV ne s'ouvre pas durant le cycle de congélation, le condenseur est contourné, la pression de refoulement continue d'augmenter jusqu'à dépasser la consigne de l'interrupteur de coupure haute pression. L'unité s'affiche alors sur l'écran d'accueil et « HPCO Active Delay » dans le menu REALTIMEDITATA.
CYCLE de récolte
Si la CBV ne s'ouvre pas durant le cycle de récolte, vérifier la conduite de refoulement sortant de l'appareil. Si la conduite est chaude, cela indique que le fluide frigorigène circule toujours vers le condenseur et qu'il ne passe pas directement dans le fond du récepteur.
VANNE de régulation d'eau
Modèles refroidis par eau seulement
La vanne de régulation d'eau maintient la pression de refoulement du cycle de congélation.
Procedure de verification
- Déterminer si la pression de refoulement est haute ou BASSE (voir le tableau Durée du cycle/Production de glaçons en 24 heures et Pression de service pour le modèle considéré).
- Vérifier que l'eau du condenseur est conforme aux spécifications.
- Ajuster la vanne de façon à augmenter ou diminuer la pression de refoulement.
- Se reporter à la liste de diagnostic, en utilisant tous les renseignements recueillis.
Problème (cycle de congélation)
La vanne ne maintient pas la pression de refoulement.
- Vanne mal réglée, sale ou défectueuse. Ajuster, nettoyer ou changer la vanne.
Pression de refoulement extrêmement élevée ; la conduite de fluide à l'entrée du récepteur est chaude.
- La vanne de régulation d'eau est mal réglée ou ne s'ouvre pas.
Pression de refoulement basse, la conduite de fluide à l'entrée du récepteur est chaude, voire brûlante.
- Charge de fluide de la machine à glaçons insuffisante. Voir « Changer les commandes de pression sans vider la charge de fluide frigorigène » à la page 203.
Récupérer
Vider le fluide frigorigène, quel que soit son état, d'un circuit et le stocker dans un contenant extérieur, sans nécessairement l'analyser ou le transformer de quelque façon que ce soit.
Recycler
Nettoyer le fluide frigorigène à des fins de réutilisation par séparation de l'huile et par un ou plusieurs passages dans des dispositifs, tels que des filtres-déshydrateurs à cartouche replacable, pour réduire l'humidité, l'acidité et les matières particulaires. Ce terme s'applique généralement aux procédures mises en œuvre sur place ou dans un atelier d'entretien local.
Régénérer
Retraiter le fluide frigorigène pour retrouver les caractéristiques d'un produit neuf (voir ci-dessous) par des moyens pouvant inclure la distillation. L'analyse chimique du fluide frigorigène est exigée après le traitement afin de s'assurer que le produit est conforme au cahier des charges. Ce terme suppose généralement l'utilisation de procédés et de méthodes disponibles uniquement dans une usine de retraitement ou de production.
L'analyse chimique est la condition requise principale de cette définition. Indépendamment des niveaux de pureté atteints par une méthode de retraitement, le fluide frigorigène n'est considéré comme étant « régénéré » que s'il a fait l'objet d'une analyse chimique et qu'il est conforme à la norme ARI 700 (dernière édition).
Caractéristiques du produit neuf
Cela correspond à la norme ARI 700 (dernière édition). L'analyse chimique est exigée pour garantir la conformité à cette norme.
Politique de réutilisation du FLUIDE frigorigène
Manitowoc reconnaît et soutient la nécessité d’une manutention, d’une réutilisation et d’une élimination correctes des fluides frigorigènes. Les procédures d’entretien de Manitowoc exigent que les fluides frigorigènes soient récupérés, pas libérés dans l’atmosphère. Pour cela, il n’est pas nécessaire, que ce soit sous garantie ou pas, de réduire ou de compromettre la qualité et la fiabilité des produits de vos clients.
Avis
Manitowoc Ice, Inc. décline toute responsabilité en cas d'utilisation de fluide frigorigène contaminé. Les dommages résultant de l'utilisation de fluide frigorigène contaminé, récupéré ou recyclé relèvent de la seule responsabilité de la société d'entretien.
Manitowoc autorise l'utilisation des fluides suivants :
- Fluide frigorigène neuf
- Il doit être du type indiqué sur la plaque signalétique.
- Fluide frigorigène régéné
- Il doit être du type indiqué sur la plaque signalétique.
- Il doit être conforme à la norme ARI 700 (dernière édition).
- Fluide frigorigène récupéré ou recyclé
- Il doit avoir été récupéré ou recyclé conformément à la réglementation en vigueur.
- Il doit être ré écupéré ou recyclé à partir d'autres machines n'est pas autorisée.
- Le fluide frigorigène récapéré doit provenir d'un système « non contaminé ». Pour déterminer si le système est non contaminé, considérer :
- Les types de pannes antérieures.
- Si le système a été nettoyé, évacué et rechargé correctement suite à ces pannes.
- Si le système a été contaminé par cette panne.
- Un moteur de compresseur grillé ou un entretien passé incorrect interdisent la réutilisation du fluide frigorigène.
Voir comment analyser la contamination sous
« Déterminer la gravité de la contamination » à la page 196.
- Fluide frigorigène « de substitution » ou « de remplacement »
Utiliser uniquement des fluides frigorigènes de substitution approuvés par Manitowoc. - Respecter les procédures de conversion publiées par Manitowoc.
Procédures pour les modeles autonomes
Ne pas purger le fluide frigorigène dans l'atmosphère. Recueillir le fluide frigorigène à l'aide d'un équipement de récupération. Suivre les recommandations du fabricant.
Avis
Manitowoc décline toute responsabilité en cas d'utilisation de fluide frigorigène contaminé. Les dommages résultant de l'utilisation de fluide frigorigène contaminé relèvent de la seule responsabilité de la société d'entretien.
Avis
Changer le déshydrateur de la conduite de fluide après avoir récapitué le fluide frigorigène et avant l'évacuation et la recharge. Utiliser uniquement un déshydrateur-filtre Manitowoc d'origine pour éviter d'invalider la garantie.
Raccordements
Les manomètres doivent utiliser des raccords à faible perte conformément aux règles et réglementations en vigueur.
Effectuer les raccordements suivants :
- Côté aspiration du compresseur par la valve d'accès d'aspiration.
- Côté refoulement du compresseur par la valve d'accès de refoulement. Côté fluide par le déshydrateur de conduite de fluide.
Récupération/évacuation - modèles autonomes
- Appuyer sur la touche Alimentation pour mettre la machine à glaçons à l'arrêt.
- Poser des manomètres de frigoriste, une balance de charge et une station de récupération ou une pompe à vide à bi-étagée, puis ouvrir les orifices haut, bas et de recharge.
- Procéder à la récapture ou à l'évacuation :
A. Récupération : Utiliser la station de récupération conformément aux instructions du fabricant.
B. Évacuation avant la recharge : Réduire la pression du système jusqu'à 500 microns. Laisser ensuite la pompe fonctionner pendant une demi-heure supplémentaire. Arrêter la pompe et procéder à un contrôle d'étanchéité sous vide.
- Suivre les procédures de charge.
Avis
La bonne charge est essentielle sur toutes les machines à gâçons Manitowoc. Utiliser une balance pour s'assurer que la quantité chargée est correcte.
- Vérifier que la machine à gaçons est à l'arrêt.
- Isoler le robinet de pompe à vide et les valves d'accès des côtés basse et haute pression du circuit de réfrigération. La valve d'accès de charge du fluide frigorigène reste ouverte.
- Ouvrir la bouteille de fluide frigorigène et ajouter la charge de fluide qui convient (indiquée sur la plaque signalétique) par le déshydrateur de fluide.

Attention
Le chargement de liquide dans l'orifice d'accès de la conduite de refoulement avant peut provoquer des dommages.
Les déshydrateurs de rechange Manitowoc comportent une valve Schrader à l'entrée du déshydrateur. Les déshydrateurs à filtrer sans orifice d'accès doivent être remplacés par la pièce d'origine actuelle avant de recharger la machine à glaçons. Tout le fluide frigorigène doit être ajouté par l'orifice d'accès du déshydrateur de conduite de fluide.
- Laisser le système « reposer » pendant 2 à 3 minutes.
- Isoler la bouteille ou le flexible de charge de fluide frigorigène du déshydrateur de conduite de liquide.
- Appuyer sur la touche Alimentation.
REMARQUE: Les manomètres de frigoriste doivent être débranchés correctement pour éviter tout risque de contamination ou de perte de fluide frigorigène.
- Avant de débrancher les flexibles de charge, s'assurer que toute la vapeur contenue dans ces flexibles a été aspirée dans la machine à glaçons.
A. Faire fonctionner la machine à glaçons dans son cycle de congélation.
B. Débrancher le raccord à faible perte côté haut du déshydrateur de conduite de fluide.
C. Ouvrir les vannes des côtés haute et basse pression des manomètres. Tout le fluide frigorigène contenu dans les conduites est aspiré vers le côté basse pression du système.
D. Laisser les pressions s'équilibrer durant le cycle de congélation de la machine à glaçons.
E. Retirer les flexibles de la machine à glaçons et poser les capuchons.
Procedure pour les modeles à condenseur à distance
Récupération/évacuation du fluide frigorigène
Ne pas purger le fluide frigorigène dans l'atmosphère. Recueillir le fluide frigorigène à l'aide d'un équipement de récupération. Suivre les consignes du fabricant.
Avis
Manitowoc Ice, Inc. décline toute responsabilité en cas d'utilisation de fluide frigorigène contaminé. Les dommages résultant de l'utilisation de fluide frigorigène contaminé relèvent de la seule responsabilité de la société d'entretien.
Avis
Changer le déshydrateur de la conduite de fluide après avoir récapituclé le fluide frigorigène et avant l'évacuation et la recharge. Utiliser uniquement un déshydrateur-filtre Manitowoc d'origine pour éviter d'invalider la garantie.
Avis
La récapération et l'évacuation sur un système à distance nécessitent des raccordements en quatre points pour assurer une évacuation complète du système.
Effectuer les raccordements suivants :
- Côté aspiration du compresseur par la valve d'accès d'aspiration.
- Côté refoulement du compresseur par la valve d'accès de refoulement.
- Valve d'accès de sortie du récepteur, qui évacue la zone située entre le clapet antiretour dans la conduite de fluide et l'électrovanne de la conduite de fluide.
- Accéder à la valve (Schrader) sur le raccord rapide de la conduite de refoulement, situé à l'extérieur du compartiment de compresseur/évaporateur. Ce raccordement permet d'évacuer le condenseur. Sans ce raccordement, les clapets antiretour magnétiques se ferment lorsque la pression chute durant l'évacuation, ce qui empêche l'évacuation complète du condenseur.
REMARQUE: Manitowoc conseille d'utiliser un outil de pose et de dépose d'obus de valve d'accès sur le raccord rapide de la conduite de refoulement. Cela permet de retirer l'obus de la valve d'accès. Cela peut une évacuation et un chargement plus rapide sans retirer le flexible du manomètre.
Récupération/Évacuation - Condenseur à distance
- Appuyer sur la touche Alimentation pour permettre la machine à glaçons à l'arrêt.
- Poser des manomètres de frigoriste, une balance de charge et une station de récupération ou une pompe à vide à bi-étagée.
- Ouvrir les côtes haute et basse pression des manomètres.
- Procéder à la récapture ou à l'évacuation :
A. Récupération : Utiliser la station de récapture conformément aux instructions du fabricant. B. Évacuation avant la recharge : Réduire la pression du système jusqu'à 500 microns. Laisser ensuite la pompe fonctionner pendant une heure supplémentaire. Arrêter la pompe et procéder à un contrôle d'étanchéité sous vide.
REMARQUE: Contrôler l'étanchéité au moyen d'un détecteur de fuite électronique après avoir chargé la machine à gaçons.
- Suivre les procédures de charge.
Procédures de charge pour les modèles à distance
- Fermer la vanne de la pompe à vide et la vanne du manomètre basse pression.
- Ouvrir la bouteille de fluide frigorigène et ajouter la charge de fluide qui convient (indiquée sur la plaque signalétique) dans le côté haute pression du système (robinet de sortie du récepteur/déshydrateur de conduite de fluide et/ou raccord rapide de conduite de fluide).
- Si le côté haute pression n'accepte pas la totalité de la charge, fermer le côté haute pression des manomètres et démarrer la machine à glaçons. Ajouter le fluide frigorigène restant par le côté basse pression, lentement jusqu'à ce que la machine soit totalement chargée.
- Avant de débrancher les flexibles de charge, vérifier que toute la vapeur contenue dans ces flexibles a été aspirée dans le circuit de réfrigération. A. Faire fonctionner la machine à glaçons dans son cycle de congélation. B. Retirer le raccord à faible perte du côté haut. C. Ouvrir les vannes des côtés haute et basse pression des manomètres. Tout le fluide frigorigène contenu dans les conduites est aspiré vers le côté basse pression du système. D. Laisser les pressions d'aspiration s'équilibrer dans le circuit de réfrigération et les manomètres de frigoriste pendant que la machine à glaçons est en cycle de congélation. E. Isoler et retirer le flexible du côté basse pression. F. Poser les capuchons de robinet d'accès.
Généralités
Cette section décrit les conditions requises élémentaires pour restaurer des systèmes contaminés afin d'assurer un fonctionnement fluide.
Avis
Manitowoc Ice, Inc. décline toute responsabilité en cas d'utilisation de fluide frigorigène contaminé. Les dommages résultant de l'utilisation de fluide frigorigène contaminé relèvent de la seule responsabilité de la société d'entretien.
Determiner la gravite de la contamination
La contamination du système est généralement provoquée par l'humidité ou des résidus provenant du compresseur et entrant dans le circuit de réfrigération.
L'inspection du fluide frigorigène fournit généralement la première indication de la contamination du système. La présence visible d'humidité ou une odeur âcre dans le fluide frigorigène sont des signes de contamination.
Si des niveaux nuisibles de contamination sont suspectés, procéder comme suit.
- Vider la charge de fluide frigorigène de la machine à glaçons.
- Déposer le compresseur du système.
- Vérifier l'odeur et l'apparence de l'huile.
- Contrôler les conduites d'aspiration et de refoulement ouvertes au niveau du compresseur pour voir s'il y a des dépôts de résidus d'usure.
- S'il n'y aeldom signe de contamination, mesurer l'acidité de l'huile pour déterminer le type de nettoyage requis.
| Nettoyage en cas de contamination | |
| Symptômes/observations | Procedure de nettoyage requise |
| Aucun symptôme ou soupçon de contamination | Procedure normale d'évacuation/recharge |
| Symptômes d'humidité/contamination de l'airSystème de réfrigération ouvert à l'atmosphère pendant plus de 15 minutesLe nécessaire d'essai de fluide ou l'essay d'accidité de l'huile indiquent une contaminationFuite du condenseur refroidi par eauPas de dépôts de résidus d'usure dans les conduites ouvertes du compresseur | Procedure de nettoyage pour contamination modérée |
| Symptômes d'une usure modérée du compresseurL'huile a une appearance propre mais une odeur âcreLe nécessaire d'essay de fluide ou l'essay d'accidité de l'huile indiquent un contenu acide Pas de dépôts de résidus d'usure dans les conduites ouvertes du compresseur | Procedure de nettoyage pour contamination modérée |
| Symptômes d'une usure importante du compresseurL'huile a changé de couleur, est acide et a une odeur âcre Résidus d'usure observés dans le compresseur, les conduites et autres composants | Procedure de nettoyage pour contamination importante |
Contamination modérée du système
- Changer tous les composants défectueux.
- Si le compresseur est en bon état, changer l'huile.
Verser l'huile sortant du compresseur dans un récipient gradué et la remplacer par la même quantité.
- Changer le déshydrateur de conduite de fluide.
REMARQUE: S'il s'agit d'une contamination à l'humidité, utiliser des lampes chauffantes pendant l'évacuation. Les placer au niveau du compresseur, du condenseur et de l'évaporateur avant l'évacuation. Ne pas placer de lampes chauffantes trop près des pièces en plastique car cela peut les faire fondre ou les déformer.
Important
Cette procédure nécessite de l'azote sec pour éviter la libération de fluide frigorigène.
- Suivre la procédure normale d'évacuation mais remplacer l'étape d'évacuation par ce qui suit :
A. Tirer au vide jusqu'à 1000 microns. Casser le vide avec de l'azote sec et purger le système. Mettre sous pression à un minimum de 35kPa, 0,35 bar (5 psig).
B. Tirer au vide jusqu'à 500 microns. Casser le vide avec de l'azote sec et purger le système. Mettre sous pression à un minimum de 35kPa, 0,35 bar (5 psig).
C. Changer l'huile de la pompe à vide.
D. Tirer au vide jusqu'à 500 microns. Faire fonctionner la pompe à vide pendant une demi-heure (modèles autonomes) ou une heure (modèles à distance).
E. Un essai de vide prolongé peut être effectué en guise de contrôle d'étanchéité préliminaire. Après avoir chargé le système, utiliser un détecteur de fuite électronique pour vérifier l'étanchéité.
- Charger le système de fluide frigorigène ajusté conformément à la charge indiquée sur la plaque signalétique.
- Faire fonctionner la machine à glaçons.
Contamination importante du système
- Vider la charge de fluide frigorigène.
- Déposer le compresseur et inspecter les conduites de réfrigération. Si des résidus d'usure sont observés, installer une vanne de récolte neuve et changer le tamis de collecteur, le TXV et la vanne de régulation de la pression de récolte.
- Essuyer tout dépôt de résidus d'usure des conduites d'aspiration et de refoulement au niveau du compresseur.
- Purger l'ensemble du circuit ouvert avec de l'azote sec.
Important
Les purges au fluide frigorigène sont déconseillées car elles libèrent du fluide frigorigène dans l'atmosphère.
- Installer un compresseur neuf et des composants de démarrage neufs.
- Installer un déhydrateur-filtre de conduite d'aspiration avec capacité d'élimination de l'humidité et de l'acidité. Placer le déhydrateur-filtre aussi près que possible du compresseur.
- Installer une valve d'accès à l'entrée du déshydrateur de conduite d'aspiration.
- Installer un déshydrateur de conduite de fluide neuf.
Important
Cette procédure nécessite de l'azote sec. Cela empêche le dégagement de fluide frigorigène.
- Suivre la procédure normale d'évacuation mais remplacer l'étape d'évacuation par ce qui suit :
A. Tirer au vide jusqu'à 1000 microns. Casser le vide avec de l'azote sec et purger le système. Mettre sous pression à un minimum de 35kPa, 0,35 bar (5 psig). B. Changer l'huile de la pompe à vide. C. Tirer au vide jusqu'à 500 microns. Casser le vide avec de l'azote sec et purger le système. Mettre sous pression à un minimum de 35kPa, 0,35 bar (5 psig). D. Changer l'huile de la pompe à vide. E. Tirer au vide jusqu'à 500 microns. Faire fonctionner la pompe à vide pendant une demi-heure (modèles autonomes) ou une heure (modèles à distance).
REMARQUE: Un essai de vide prolongé peut être effectué en guise de contrôle d'étanchéité préliminaire. Après avoir chargé le système, utiliser un détecteur de fuite électronique pour vérifier l'étanchéité.
- Charger le système de fluide frigorigène adapté conformément à la charge indiquée sur la plaque signalétique.
- Faire fonctionner la machine à gazons pendant une heure. Vérifier ensuite la chute de pression à travers le déshydrateur-filtre de conduite d'aspiration.
A. Si la chute de pression est inférieure à 7 kPa, 0,07 bar (1 psig), le déshydrateur-filtre devrait convenir pour effectuer un nettoyage complet. B. Si la chute de pression est supérieure à 7 kPa, 0,07 bar (1 psig), changer le déshydrateur-filtre de la conduite d'aspiration et le déshydrateur de la conduite de fluide. Répéter jusqu'à ce que la chute de pression soit acceptable.
- Faire fonctionner la machine à glaçons pendant 48 à 72 heures. Retirer ensuite le déshydrateur de la conduite d'aspiration et changer le déshydrateur de la conduite de fluide.
- Suivre les procédures normales d'évacuation.
Déshydrateurs-filtres de conduite de fluide
Les déshydrateurs-filtres utilisés sur les machines à glaçons Manitowoc sont fabriqués selon le cahier des charges de Manitowoc et comportent un raccord d'accès pour la charge en fluide frigorigène. Un déshydrateur Manitowoc assure aussi le filtrage de la saleté au moyen de filtres en fibre de verre à l'entrée et à la sortie. C'est très important parce que les machines à glaçons utilisent une méthode de rinçage par contre-courant qui a lieu durant chaque cycle de récolte.
Les déshydrateurs-filtres Manitowoc ont une capacité élevée d'élimination de l'humidité et de l'acidité.
La taille du déshydrateur-filtre est importante. La charge de fluide frigorigène est essentielle. L'utilisation d'un déshydrateur-filtre de mauvaise taille produit une charge incorrecte de la machine à glaçons en fluide frigorigène.
Important
Les déshydrateurs font partie des pièces couvertes par la garantie. Le déshydrateur doit être changé chaque fois que le système est ouvert pour réparation.
Changer les commandes de pression sans vider la charge de fluide frigorigène
Cette procédure permet de réduire les temps et les coûts de réparation. Suivre cette procédure si l'un des composants suivants doit être changé alors que le système de réfrigération est opérationnel et ne présente pas de fuites.
Commande de marche du ventilateur (refroidissement par air seulement) - Vanne de régulation d'eau (refroidissement par eau seulement) Commande de coupure haute pression - Valve d'accès côté haute pression
- Sectionner l'alimentation électrique de la machine à glaçons.
- Suivre toutes les instructions du fabricant fournies avec le pince-tuyau. Placer le pince-tuyau autour du tuyau aussi loin que possible de la commande de pression. Serrer le pince-tuyau sur le tuyau jusqu'à le pincer complètement.
Avertissement
Ne pas dessouder un composant défectueux. Le sectionner du système. Ne pas retarder le pince-tuyau avant que le composant neuf soit bien monté.
- Couper le tuyau du composant défectueux à l'aide d'un petit coupe-tube.
- Souder le composant de rechange. Laisser refroidir l'assemblage soudé.
- Retirer le pince-tuyau.
- Réarrondir le tuyau. La commande de pression fonctionne normalement une fois que le tuyau est réarrondi. Le tuyau peut ne pas être arrondi à 100%.
Charge totale de fluide frigorigène dans le système
Cette information est fournie à titre indicatif. Vérifier la charge du système sur la plaque signalétique de la machine à glacons. Les données de la plaque signalétique prévalent sur l'information figurant dans ce document.
AUTONOME REFROIDI PAR AIR OU PAR EAU
| Modèle | Type de fluide frigorigène | Refroidi par air | Refroidi par eau |
| IF0300 R404A 0,43 kg (15 oz) | 0,34 kg (12 oz) | ||
| IT0300 60 Hz R410A 0,40 kg (14 oz) | 0,34 kg (12 oz) | ||
| IT0300 50 Hz R410A 0,45 kg (16 oz) --- | |||
| IT0420 R410A 0,51 kg (18 oz) | 0,51 kg (18 oz) | ||
| IT0450 R410A 0,51 kg (18 oz) | 0,43 kg (15 oz) | ||
| IT0500 R410A 0,54 kg (19 oz) | 0,68 kg (24 oz) | ||
| IF0600 R404A 0,91 kg (32 oz) | 0,74 kg (26 oz) | ||
| IT0620 R410A 0,54 kg (19 oz) | 0,37 kg (13 oz) | ||
| IT0750 60 Hz R410A 0,57 kg (20 oz) | 0,74 kg (26 oz) | ||
| IT0750 50 Hz* R410A 0,62 kg (22 oz) | 0,74 kg (26 oz)10,91 kg (32 oz)2 | ||
| IF0900 R404A 0,96 kg (34 oz) | 0,74 kg (26 oz) | ||
| IT0900 60 Hz R410A 0,91 kg (32 oz) | 0,62 kg (22 oz) | ||
| IT0900 50 Hz R410A 0,85 kg (30 oz) | 0,74 kg (26 oz) | ||
| IT1200 60 Hz R410A 1,30 kg (46 oz) | 1,13 kg (40 oz) | ||
| IT1200 50 Hz R410A 1,13 kg (40 oz) | 1,13 kg (40 oz) | ||
| IT1500/1500-E R410A 1,19 kg (42 oz) | 1,08 kg (38 oz) | ||
| IT1500-A R410A 1,30 kg (46 oz) | 1,13 kg (40 oz) | ||
| IT1900/1900-E R410A 1,25 kg (44 oz) | 1,08 kg (38 oz) | ||
| IT1900-A R410A --- 1,25 kg (44 oz) | |||
| * Confirmer les compresseurs et les numéroes de série.1 Avant SN1120647228,2Après SN1120647228 | |||
Condenseur à distance
| Modèle | Type fl. frig. | À distance | Fluide frig. suppl. pour conduites 15 à 30 m (51 à 100 pi) | Charge max. du système |
| IF0500N IT0500N | R404A | 2,7 kg (6 lb) | 680 g (1,5 lb) | 3,4 kg (7,5 lb) |
| IF0600N R404A | R404A | 3,2 kg (7 lb) | 907 g (2 lb) | 4,1 kg (9 lb) |
| IT0750N R410A | R410A | 3,2 kg (7 lb) | 907 g (2 lb) | 4,1 kg (9 lb) |
| IF0900N 50 Hz | R404A | 3,2 kg (7 lb) | 907 g (2 lb) | 4,1 kg (9 lb) |
| IT0900N R410A | R410A | 3,4 kg (7,5 lb) | 907 g (2 lb) | 4,3 kg (9,5 lb) |
| IT1200N R410A | R410A | 3,4 kg (7,5 lb) | 907 g (2 lb) | 4,3 kg (9,5 lb) |
| IT1500N R410A | R410A | 3,2 kg (7 lb) | 907 g (2 lb) | 4,1 kg (9 lb) |
| IT1500N-A R410A | R410A | 3,6 kg (8 lb) | 907 g (2 lb) | 4,53 kg (10 lb) |
| IT1500N-E* R410A | R410A | 0,74 kg (7,5 lb)15,3 kg (11,75 lb)2 | 907 g (2 lb) | 4,3 kg (9,5 lb)16,2 kg (13,75 lb)2 |
| IT1900N* IT1900N-A* | R410A | 3,6 kg (8 lb) | 907 g (2 lb) | 4,5 kg (10 lb) |
| IT1900N-E* R410A | R410A | 3,6 kg (8 lb)15,8 kg (12,75 lb)2 | 907 g (2 lb) | 4,5 kg (10 lb)16,7 kg (14,75 lb)2 |
| * Confirmer les compresseurs et les numérodesérie.1 Avant SN1120837623,2 Avances SN1120837623 | ||||
CETTE PAGE LAISSEE EN BLANC INTENTIONNELLEMENT
Tableaux de durées de cycle/production de glaçons en 24 heures/pression de fluide frigorigène
Ces tableaux sont fournis à titre de référence pour vérifier le bon fonctionnement de la machine à glaçons.
La collecte de données précises est essentielle à la justesse du diagnostic.
- Les données de production et de durées de cycle concernent les glaçons en dés. Les durées de cycle des glaçons demi-dés peuvent être de 2 à 3 minutes plus courtes, en fonction du module et de la température ambiantes.
- La production de glaçons réguliers est inférieure de 7%.
- Une production de glaçons réelle qui correspond à la valeur du tableau à 10% près sera considérée normale. Cela est lié aux variations de température de l'air et de l'eau. Il est rare que les températures réelles correspondent exactement à celles du tableau.
- Voir la liste des données à recueillir pour les diagnostics du système de réfrigération sous « Symptôme n° 2 - Tableaux d'analyse opérationnelle du système de réfrigération en cycle de congélation » à la page 100.
- Mettre les manomètres à zéro avant d'effectuer des mesures de pression afin d'éviter des erreurs de diagnostic.
- Les pressions de refoulement et d'aspiration sont à leur maximum en début de cycle. La pression d'aspiration chute tout au long du cycle. Vérifier que les pressions se trouvent dans la plage indiquée.
- Considérer la pression d'aspiration de début de cycle de congélation une minute après l'activation de la pompe à eau.
- Sous 50Hz, la production de glaçons en dés et demi-dés est inférieure de 12%.
- Sous 50Hz, la production totale de glaçons réguliers est inférieure de 14%.
Modèle autonome refroidi par air
Les caractéristiques varient en fonction des conditions d'exploitation.
DUREES De CYCLE
Durée de congélation + Durée de récolte = Durée totale du cycle
| Temp. air entrant dans le condenseur °C/°F | Durée de congélation | Durée de récolte1 | ||
| Température de l'eau °C/°F | ||||
| 10/50 21/70 32/90 | ||||
| 21/70 9,6-11,5 10,8-12,9 | 12,3-14,6 | 1-2,5 | ||
| 27/80 10,6-12,6 12,3-14 | 6 13,5-16,0 | |||
| 32/90 11,8-14,0 13,9-16 | 4 15,0-17,7 | |||
| 38/100 13,2-15,7 14,6-17,3 16,2-19,2 | 3 16,2-19,2 | |||
| 43/110 15,0-17,7 15,8-18,7 17,7-20,9 | 3 16,2-19,2 | |||
Production de glaçons en 24 HEURES
| Temp. air entrant dans le condenseur °C/°F | Température de l'eau °C/°F1 | ||
| 10/50 21/70 32/90 | |||
| 21/70 310 280 | 250 | ||
| 27/80 285 250 | 230 | ||
| 32/90 260 225 | 210 | ||
| 38/100 235 215 | 195 | ||
| 43/110 210 200 | 180 | ||
1 Pour un poids moyen de plaque de glaçons de 1,09 à 1,27 kg (2,40 à 2,80 lb)
Pressions d'exploitation
| Temp. d'air entrant dans le condenseur °C/°F | Cycle de congélation Cyle de récolte | |||
| Pression de refoulement psig2 | Pression d'aspiration psig1 | Pression de refoulement psig | Pression d'aspiration psig | |
| 10/50 | 195-245 | 50-20 | 135-160 | 75-100 |
| 21/70 | 195-260 | 50-20 | 135-165 | 80-110 |
| 27/80 | 220-290 | 60-24 | 150-170 | 90-120 |
| 32/90 | 240-320 | 60-25 | 170-195 | 115-135 |
| 38/100 | 285-370 | 70-28 | 200-220 | 130-155 |
| 43/110 | 330-415 | 78-32 | 230-250 | 150-175 |
La pression d'aspiration chute progressivement tout au long du cycle de congélation.
Modèle autonome refroidi par eau
Les caractéristiques varient en fonction des conditions d'exploitation.
DUREES De CYCLE
Durée de congélation + Durée de récolte = Durée totale du cycle
| Temp. air autourde la machine àglaçons °C/°F | Durée de congélation | Durée dérécolte1 | ||
| Température de l'eau °C/°F | ||||
| 10/50 21 | 70 32/90 | |||
| 21/70 10,0-1 | 1,9 11,1-13 | 2 12,3-14,6 | 1-2,5 | |
| 27/80 10,2-1 | 2,2 11,3-13 | 4 12,3-14,6 | ||
| 32/90 10,4-1 | 2,4 11,8-14 | 0 12,6-15,0 | ||
| 38/100 10,6- | 12,6 11,8-14 | 0 12,6-15,7 | ||
| 43/110 10,8- | 12,9 11,8-14 | 0 12,9-15,3 | ||
Production de glaçons en 24 HEURES
| Temp. air autour de la machine à glaçons °C/°F | Température de l'eau °C/°F1 | ||
| 10/50 21/70 32/90 | |||
| 21/70 300 275 250 | |||
| 27/80 295 270 250 | |||
| 32/90 290 260 245 | |||
| 38/100 285 260 245 | |||
| 43/110 280 260 240 | |||
1 Pour un poids moyen de plaque de glaçons de 1,09 à 1,27 kg (2,40 à 2,80 lb)
Pressions d'exploitation
| Temp. airautour de la machineà glaçons°C/°F | Cycle de congélation Cyle de récolte | |||
| Pression deferoulementpsig2 | Pressiond'aspirationpsig1 | Pression deferoulementpsig | Pressiond'aspirationpsig | |
| 10/50 225-235 50-25 130-170 75-100 | ||||
| 21/70 225-235 50-28 130-170 85-100 | ||||
| 27/80 225-245 65-29 130-180 85-110 | ||||
| 32/90 230-250 65-30 135-180 85-115 | ||||
| 38/100 230-260 70-31 145-190 90-120 | ||||
| 43/110 235-260 70-31 150-190 90-120 | ||||
1 La pression d'aspiration chute progressivement tout au long du cycle de congélation. 2 La vanne de régulation d'eau est réglée pour maintenir 15,9 bar (230 psig). 3 Consommation d'eau du condenseur = 1610L/100kg de glace à 32 / 21°C (193 gal/100 lb de glace à 90 / 70^).
Modèle autonome refroidi par air
Les caractéristiques varient en fonction des conditions d'exploitation.
DUREES De CYCLE
Durée de congélation + Durée de récolte = Durée totale du cycle
| Temp. d'air entrant dans le condenseur °C/°F | Durée de congélation | Durée de récolte1 | ||
| Température de l'eau °C/°F | ||||
| 10/50 21 | 70 32/90 | |||
| 21/70 9,6-11 | 12,3-14,6 | 1-2,5 | ||
| 27/80 10,6-12 | 6 13,5-16,0 | |||
| 32/90 11,8-14 | 4 15,0-17,7 | |||
| 38/100 13,2-15 | 3 16,2-19,2 | |||
| 43/110 15,0-17 | 7 17,7-20,9 | |||
1 Durées en minutes
PRODUCTION DE GLAÇONS EN 24 HEURES
| Temp. d'air entrant dans le condenseur °C/°F | Température de l'eau °C/°F1 | ||
| 10/50 21/70 | 32/90 | ||
| 21/70 310 280 | 250 | ||
| 27/80 285 250 | 230 | ||
| 32/90 260 225 | 210 | ||
| 38/100 235 215 | 195 | ||
| 43/110 210 200 | 180 | ||
1 Pour un poids moyen de plaque de glaçons de 1,09 à 1,27 kg (2,40 à 2,80 lb)
Pressions d'exploitation
| Temp. d'air entrant dans le condenseur °C/°F | Cycle de congélation Cyle de récolte | |||
| Pression de refoulement psig | Pression d'aspiration psig1 | Pression de refoulement psig | Pression d'aspiration psig | |
| 10/50 | 260-340 | 70-40 | 155-180 | 145-165 |
| 21/70 | 265-340 | 85-40 | 155-200 | 140-175 |
| 27/80 | 300-380 | 85-41 | 160-200 | 145-175 |
| 32/90 | 330-395 | 90-42 | 170-200 | 150-175 |
| 38/100 | 430-490 | 95-44 | 210-240 | 185-220 |
| 43/110 | 430-515 10 | 5-48 215-240 | 185-220 | |
La pression d'aspiration chute progressivement tout au long du cycle de congélation.
IT0300W
Modèle autonome refroidi par eau
Les caractéristiques varient en fonction des conditions d'exploitation.
DUREES De CYCLE
Durée de congélation + Durée de récolte = Durée totale du cycle
| Temp. air autour de la machine à gaçons °C/°F | Durée de congélation | Durée de récolte1 | ||
| Température de l'eau °C/°F | ||||
| 10/50 21/70 32/90 | ||||
| 21/70 10,0-1 | 1,9 11,1-13 | 2 12,3-14,6 | 1-2,5 | |
| 27/80 10,2-1 | 2,2 11,3-13 | 4 12,3-14,6 | ||
| 32/90 10,4-1 | 2,4 11,8-14 | 0 12,3-15,0 | ||
| 38/100 10,6- | 12,6 11,8-14 | 0 12,6-15,7 | ||
| 43/110 10,8- | 12,9 11,8-14 | 0 12,9-15,3 | ||
1 Durées en minutes
PRODUCTION DE GLAÇONS EN 24 HEURES
| Temp. d'air autour de la machine à glaçons °C/°F | Température de l'eau °C/°F1 | ||
| 10/50 21/70 32/90 | |||
| 21/70 300 275 250 | |||
| 27/80 295 270 250 | |||
| 32/90 290 260 245 | |||
| 38/100 285 260 245 | |||
| 43/110 280 260 240 | |||
1 Pour un poids moyen de plaque de glaçons de 1,09 à 1,27 kg (2,40 à 2,80 lb)
Pressions d'exploitation
| Temp. airautour de la machineà glaçons°C/°F | Cycle de congélation Cyle de récolte | |||
| Pression deferoulementpsig2 | Pressiond'aspirationpsig1 | Pression deferoulementpsig | Pressiond'aspirationpsig | |
| 10/50 32 | 5-335 65-40 1 | 40-155 130-1 | 45 | |
| 21/70 32 | 5-335 75-40 1 | 50-165 130-1 | 55 | |
| 27/80 32 | 5-340 80-40 1 | 50-165 130-1 | 55 | |
| 32/90 33 | 0-345 85-40 1 | 50-170 130-1 | 55 | |
| 38/100 33 | 0-345 85-40 1 | 50-170 130-1 | 55 | |
| 43/110 33 | 0-345 90-40 1 | 50-175 130-1 | 55 | |
1 La pression d'aspiration chute progressivement tout au long du cycle de congélation. 2 La vanne de régulation d'eau est réglée pour maintenir 15,9 bar (230 psig). 3 Consommation d'eau du condenseur = 1610 L/100 kg de glace à 32/21 °C (193 gal/100 lb de glace à 90/70 °F).
Modèle autonome refroidi par air
Les caractéristiques varient en fonction des conditions d'exploitation.
DUREES De CYCLE
Durée de congélation + Durée de récolte = Durée totale du cycle
| Temp. air entrant dans le condenseur °C/°F | Durée de congélation | Durée de récolte1 | ||
| Température de l'eau °C/°F | ||||
| 10/50 21 | 70 32/90 | |||
| 21/70 9,9-10 | 4 10,4-12,2 | 13,1-15,3 | 1-2,5 | |
| 27/80 9,9-11 | 6 11.4-13.3 | 13,6-15,8 | ||
| 32/90 10,7-1 | 2,5 13.6-15 | 8 13,8-16,1 | ||
| 38/100 12,1- | 14,1 13.8-16 | 1 14,3-16,6 | ||
| 43/110 12,9- | 15,0 14,0-16 | 3 14,8-17,2 | ||
1 Durées en minutes
PRODUCTION DE GLAÇONS EN 24 HEURES
| Temp. air entrant dans le condenseur °C/°F | Température de l'eau °C/°F1 | ||
| 10/50 21/70 32/90 | |||
| 21/70 470 410 335 | |||
| 27/80 430 380 325 | |||
| 32/90 400 325 320 | |||
| 38/100 360 320 310 | |||
| 43/110 340 315 300 | |||
1 Pour un poids moyen de plaque de glaçons de 1,54 à 1,77 kg (3,40 à 3,90 lb)
Pressions d'exploitation
| Temp. d'air entrant dans le condenseur °C/°F | Cycle de congélation Cycle de récolte | |||
| Pression de refoulement psig | Pression d'aspiration psig1 | Pression de refoulement psig | Pression d'aspiration psig | |
| 10/50 270 | 0-340 60-30 1 | 45-170 | 15-135 | |
| 21/70 280 | 0-340 70-36 1 | 60-190 | 120-140 | |
| 27/80 335 | 5-365 70-38 1 | 80-205 | 120-160 | |
| 32/90 350 | 0-410 80-40 1 | 85-210 | 180-210 | |
| 38/100 | 460-500 80 | 45 265-290 | 180-210 | |
| 43/110 | 460-520 80 | 45 270-290 | 180-220 | |
La pression d'aspiration chute progressivement tout au long du cycle de congélation.
Modèle autonome refroidi par eau
Les caractéristiques varient en fonction des conditions d'exploitation.
DUREES De CYCLE
Durée de congélation + Durée de récolte = Durée totale du cycle
| Temp. air autour de la machine à glaçons °C/°F | Durée de congélation | Durée de récolte1 | ||
| Température de l'eau °C/°F | ||||
| 10/50 21/70 32/90 | ||||
| 21/70 9,3-10 | 8 10,2-11,9 | 11,6-13,5 | 1-2,5 | |
| 27/80 9,5-11 | 1 10,4-12,2 | 11,7-13,7 | ||
| 32/90 9,8-11 | 4 10,7-12,5 | 11,9-13,9 | ||
| 38/100 10,0- | 11,7 11,1-12 | 9 12,5-14,5 | ||
| 43/110 10,3- | 12,0 11,4-13 | 3 12,3-14,3 | ||
1 Durées en minutes
PRODUCTION DE GLAÇONS EN 24 HEURES
| Temp. air autour de la machine à glaçons °C/°F | Température de l'eau °C/°F1 | ||
| 10/50 21/70 | 32/90 | ||
| 21/70 455 420 375 | |||
| 27/80 445 410 370 | |||
| 32/90 435 400 365 | |||
| 38/100 425 390 350 | |||
| 43/110 415 380 355 | |||
1 Pour un poids moyen de plaque de glaçons de 1,54 à 1,77 kg (3,40 à 3,90 lb)
PRESSIONS D'EXPLOITATION
| Temp. airautour de la machineà glaçons°C/°F | Cycle de congélation Cyle de récolte | |||
| Pression deferoulementpsig2 | Pressiond'aspirationpsig1 | Pression deferoulementpsig | Pressiond'aspirationpsig | |
| 10/50 330 | 70-38 | 155-180 | 120-145 | |
| 21/70 | 330-340 | 70-39 | 175-195 | 130-150 |
| 27/80 | 330-345 | 70-40 | 175-200 | 130-150 |
| 32/90 | 330-345 | 75-40 | 175-200 | 130-150 |
| 38/100 | 330-350 | 75-44 | 175-200 | 130-150 |
| 43/110 | 330-350 | 75-45 | 175-200 | 135-150 |
1 La pression d'aspiration chute progressivement tout au long du cycle de congélation. 2 La vanne de régulation d'eau est réglée pour maintenir 22,8 bar (330 psig).
Modèle autonome refroidi par air
Les caractéristiques varient en fonction des conditions d'exploitation.
DUREES De CYCLE
Durée de congélation + Durée de récolte = Durée totale du cycle
| Temp. air entrant dans le condenseur °C/°F | Durée de congélation | Durée de récolte1 | ||
| Température de l'eau °C/°F | ||||
| 10/50 21 | 70 32/90 | |||
| 21/70 8,9-10,4 9,9-11,6 | 10,9-12,7 | 1-2,5 | ||
| 27/80 9,9-11,6 10,9-12,7 | 11,9-13,9 | |||
| 32/90 10,7-12,5 12,1-14 | 113,1-15,3 | |||
| 38/100 11,7-13,7 13,3-15,5 | 15,14,6-16,9 | |||
| 43/110 13,1-15,3 14,3-16,6 | 16,15,1-17,5 | |||
1 Durées en minutes
PRODUCTION DE GLAÇONS EN 24 HEURES
| Temp. air entrant dans le condenseur °C/°F | Température de l'eau °C/°F1 | ||
| 10/50 21/70 32/90 | |||
| 21/70 470 430 395 | |||
| 27/80 430 395 365 | |||
| 32/90 400 360 335 | |||
| 38/100 370 330 305 | |||
| 43/110 335 310 295 | |||
1 Pour un poids moyen de plaque de glaçons de 1,54 à 1,77 kg (3,40 à 3,90 lb)
Pressions d'exploitation
| Temp. d'air entrant dans le condenseur °C/°F | Cycle de congélation Cycle de récolte | |||
| Pression de refoulement psig | Pression d'aspiration psig1 | Pression de refoulement psig | Pression d'aspiration psig | |
| 10/50 | 260-335 | 60-28 | 145-160 | 105-125 |
| 21/70 | 260-340 | 70-32 | 160-180 | 120-145 |
| 27/80 | 280-360 | 75-38 | 170-190 | 130-150 |
| 32/90 | 360-400 | 80-40 | 175-200 | 135-160 |
| 38/100 | 440-500 | 85-42 | 250-270 | 185-210 |
| 43/110 | 450-520 | 85-43 | 250-280 | 185-215 |
La pression d'aspiration chute progressivement tout au long du cycle de congélation.
Modèle autonome refroidi par eau
Les caractéristiques varient en fonction des conditions d'exploitation.
DUREES De CYCLE
Durée de congélation + Durée de récolte = Durée totale du cycle
| Temp. air autour de la machine à glaçons °C/°F | Durée de congélation | Durée de récolte1 | ||
| Température de l'eau °C/°F | ||||
| 10/50 21/70 32/90 | ||||
| 21/70 9,9-11,6 11,1-12,9 | 12,1-14,1 | 1-2,5 | ||
| 27/80 10,2-11,9 11,6-13 | 5 12,5-14,5 | |||
| 32/90 10,3-12,0 12,1-14 | 1 12,9-15,0 | |||
| 38/100 10,4-12,2 12,5-14 | 5 13,3-15,5 | |||
| 43/110 10,7-12,5 12,9-15 | 0 14,3-16,6 | |||
1 Durées en minutes
PRODUCTION DE GLAÇONS EN 24 HEURES
| Temp. air autour de la machine à glaçons °C/°F | Température de l'eau °C/°F1 | ||
| 10/50 21/70 32/90 | |||
| 21/70 430 390 | 60 | ||
| 27/80 420 375 | 50 | ||
| 32/90 415 360 | 340 | ||
| 38/100 410 350 | 330 | ||
| 43/110 400 340 | 310 | ||
1 Pour un poids moyen de plaque de glaçons de 1,54 à 1,77 kg (3,40 à 3,90 lb)
PRESSIONS D'EXPLOITATION
| Temp. airautour de la machineà glaçons°C/°F | Cycle de congélation Cyle de récolte | |||
| Pression deferoulementpsig2 | Pressiond'aspirationpsig1 | Pression deferoulementpsig | Pressiond'aspirationpsig | |
| 10/50 33 | 0-335 70-35 1 | 65-180 125-1 | 50 | |
| 21/70 33 | 0-335 70-35 1 | 65-190 125-1 | 55 | |
| 27/80 33 | 0-335 70-36 1 | 65-190 125-1 | 55 | |
| 32/90 33 | 0-335 75-38 1 | 70-190 130-1 | 55 | |
| 38/100 | 330-335 75 | -39 170-195 | 130-155 | |
| 43/110 | 330-350 85 | -42 170-200 | 130-165 | |
1 La pression d'aspiration chute progressivement tout au long du cycle de congélation. 2 La vanne de régulation d'eau est réglée pour maintenir 22,8 bar (330 psig).
Modèle autonome refroidi par air
Les caractéristiques varient en fonction des conditions d'exploitation.
DUREES De CYCLE
Durée de congélation + Durée de récolte = Durée totale du cycle
| Temp. air entrant dans le condenseur °C/°F | Durée de congélation | Durée de récolte1 | ||
| Température de l'eau °C/°F | ||||
| 10/50 21/70 32/90 | ||||
| 21/70 11,2-1 | 2,9 13,1-15 | 0 14,5-16,5 | 1-2,5 | |
| 27/80 12,3-1 | 4,1 14,5-16 | 5 14,9-17,0 | ||
| 32/90 13,2-1 | 5,1 15,1-17 | 2 16,9-19,3 | ||
| 38/100 14,7- | 16,8 16,9-19 | 3 18,6-21,2 | ||
| 43/110 15,5- | 17,7 18,0-20 | 5 20,2-23,1 | ||
1 Durées en minutes
PRODUCTION DE GLAÇONS EN 24 HEURES
| Temp. air entrant dans le condenseur °C/°F | Température de l'eau °C/°F12 | ||
| 10/50 21/70 32/90 | |||
| 21/70 520 455 415 | |||
| 27/80 480 415 405 | |||
| 32/90 450 400 360 | |||
| 38/100 410 360 330 | |||
| 43/110 390 340 305 | |||
1 Pour un poids moyen de plaque de glaçons de 2,09 à 2,36 kg (4,60 à 5,20 lb) 2 La production de 230/50/1 est d'environ 12% inférieure à celle de 230/60/1
Pressions d'exploitation
| Temp. d'air entrant dans le condenseur °C/°F | Cycle de congélation Cycle de récolte | |||
| Pression de refoulement psig | Pression d'aspiration psig1 | Pression de refoulement psig | Pression d'aspiration psig | |
| 10/50 260-340 70-38 130-150 110-120 | ||||
| 21/70 265-350 75-38 140-165 110-135 | ||||
| 27/80 310-375 80-39 160-190 120-155 | ||||
| 32/90 345-400 85-40 175-200 140-165 | ||||
| 38/100 | 410-500 90-48 240-260 | 150-195 | ||
| 43/110 | 455-510 95-48 245-260 | 170-200 | ||
La pression d'aspiration chute progressivement tout au long du cycle de congélation.
Modèle autonome refroidi par eau
Les caractéristiques varient en fonction des conditions d'exploitation.
DUREES De CYCLE
Durée de congélation + Durée de récolte = Durée totale du cycle
1 Durées en minutes
| Temp. air autour de la machine à glaçons °C/°F | Durée de congélation | Durée de récolte1 | ||
| Température de l'eau °C/°F | ||||
| 10/50 21 | 70 32/90 | |||
| 21/70 11,7-1 | 3,5 | 13,9-15 | 9 15,9-18,2 | 1-2,5 |
| 27/80 12,3-1 | 4,1 | 14,5-16 | 5 16,4-18,7 | |
| 32/90 12,4-1 | 4,3 | 15,1-17 | 2 16,9-19,3 | |
| 38/100 12,6- | 14,4 | 15,5-17 | 7 17,4-19,9 | |
| 43/110 12,9- | 14,8 | 15,9-18 | 2 18,0-20,5 | |
PRODUCTION DE GLAÇONS EN 24 HEURES
| Temp. air autour de la machine à glaçons °C/°F | Température de l'eau °C/°F1 | ||
| 10/50 21/70 | 32/90 | ||
| 21/70 500 430 380 | |||
| 27/80 480 415 370 | |||
| 32/90 475 400 360 | |||
| 38/100 470 390 350 | |||
| 43/110 460 380 340 | |||
1 Pour un poids moyen de plaque de glaçons de 2,09 à 2,36 kg (4,60 à 5,20 lb)
PRESSIONS D'EXPLOITATION
| Temp. airautour de la machineà glaçons°C/°F | Cycle de congélation Cyle de récolte | |||
| Pression deferoulementpsig2 | Pressiond'aspirationpsig1 | Pression deferoulementpsig | Pressiond'aspirationpsig | |
| 10/50 330 | 75-38 165-1 | 75 135-150 | ||
| 21/70 330 | 0-335 75-40 1 | 65-180 135-1 | 55 | |
| 27/80 330 | 0-350 80-41 1 | 80-190 140-1 | 60 | |
| 32/90 330 | 0-335 80-42 1 | 80-190 145-1 | 60 | |
| 38/100 | 330-335 80 | -43 180-190 | 145-160 | |
| 43/110 | 330-350 85 | -43 185-210 | 150-175 | |
1 La pression d'aspiration chute progressivement tout au long du cycle de congélation. 2 La vanne de régulation d'eau est réglée pour maintenir 15,9 bar (230 psig).
Modèle à condenseur à distance refroidi par air
Les caractéristiques varient en fonction des conditions d'exploitation.
DUREES De CYCLE
Durée de congélation + Durée de récolte = Durée totale du cycle
| Temp. air entrant dans le condenseur °C/°F | Durée de congélation | Durée de récolte1 | ||
| Température de l'eau °C/°F | ||||
| 10/50 21/70 32/90 | ||||
| -29/-20 à 21/70 | 1,5-13,2 12 | 2-13,9 13,6 | 15,5 | 1-2,5 |
| 27/80 12,2-1 | 3,9 12,6-14 | 4 14,1-16,1 | ||
| 32/90 12,6-1 | 4,4 13,2-15 | 1 14,7-16,8 | ||
| 38/100 13,1-1 | 15,0 14,1-16 | 1 15,3-17,5 | ||
| 43/110 13,6-1 | 15,5 14,5-16 | 5 15,9-18,2 | ||
1 Durées en minutes
PRODUCTION DE GLAÇONS EN 24 HEURES
| Temp. air entrant dans le condenseur °C/°F | Température de l'eau °C/°F1 | ||
| 10/50 21/70 32/90 | |||
| -29/-20 à 21/70 510 | 485 440 | ||
| 27/80 485 470 | 425 | ||
| 32/90 470 450 | 410 | ||
| 38/100 455 425 | 395 | ||
| 43/110 440 415 | 380 | ||
1 Pour un poids moyen de plaque de glaçons de 2,09 à 2,36 kg (4,60 à 5,20 lb)
Pressions d'exploitation
| Temp. d'air entrant dans le condenseur °C/°F | Cycle de congélation Cycle de récolte | |||
| Pression de refoulement psig | Pression d'aspiration psig1 | Pression de refoulement psig | Pression d'aspiration psig | |
| -29 à 10 | 270-280 | 60-38 | 195-205 | 130-145 |
| -20 à 50 | ||||
| 21/70 | 300-315 | 70-42 | 215-230 | 145-160 |
| 27/80 | 300-320 | 75-42 | 220-240 | 145-160 |
| 32/90 | 315-360 | 75-44 | 220-240 | 145-160 |
| 38/100 | 395-460 | 80-51 | 240-260 | 155-175 |
| 43/110 | 380-470 | 90-52 | 240-260 | 155-175 |
1 La pression d'aspiration chute progressivement tout au long du cycle de congélation.
Modèle à condenseur à distance refroidi par air
Les caractéristiques varient en fonction des conditions d'exploitation.
DUREES De CYCLE
Durée de congélation + Durée de récolte = Durée totale du cycle
| Temp. d'air entrant dans le condenseur °C/°F | Durée de congélation | Durée de récolte1 | ||
| Température de l'eau °C/°F | ||||
| 10/50 21 | 70 32/90 | |||
| -29/-20 à 21/70 | 12,3-14,1 12 | 7-14,7 13,7 | 15,8 | 1-2,5 |
| 32/90 12,4-1 | 14,3 13,9-15,9 | 14,7-17,0 | ||
| 38/100 12,8-1 | 14,9 14,1-16,3 | 15,2-17,7 | ||
| 43/110 13,3-1 | 15,4 14,5-16,7 | 16,0-18,5 | ||
1 Durées en minutes
PRODUCTION DE GLAÇONS EN 24 HEURES
| Temp. air entrant dans le condenseur °C/°F | Température de l'eau °C/°F1 | ||
| 10/50 21/70 32/90 | |||
| -29/-20 à 21/70 480 | 445 415 | ||
| 32/90 455 430 390 | |||
| 38/100 440 405 | 375 | ||
| 43/110 425 395 | 360 | ||
1 Pour un poids moyen de plaque de glaçons de 2,09 à 2,34 kg (4,60 à 5,20 lb)
Pressions d'exploitation
| Temp. d'air entrant dans le condenseur °C/°F | Cycle de congélation Cyle de récolte | |||
| Pression de refoulement psig | Pression d'aspiration psig1 | Pression de refoulement psig | Pression d'aspiration psig | |
| -29 à 10 | 205-220 50 | -32 100 | -150 75 | -100 |
| -20 à 50 | ||||
| 21/70 24 | 0-260 60-32 | 110-160 | 75-100 | |
| 27/80 24 | 0-270 60-32 | 110-160 | 75-100 | |
| 32/90 25 | 0-270 60-32 | 120-160 | 80-100 | |
| 38/100 | 300-375 | 85-35 | 130-170 | 80-100 |
| 43/110 | 310-375 | 90-36 | 130-170 | 80-100 |
1 La pression d'aspiration chute progressivement tout au long du cycle de congélation.
Modèle autonome refroidi par air
Les caractéristiques varient en fonction des conditions d'exploitation.
DUREES De CYCLE
Durée de congélation + Durée de récolte = Durée totale du cycle
| Temp. air entrant dans le condenseur °C/°F | Durée de congélation | Durée de récolte1 | ||
| Température de l'eau °C/°F | ||||
| 10/50 21/70 32/90 | ||||
| 21/70 7,6-9,0 | 9,5-11,2 10,2-12,0 | 1-2,5 | ||
| 27/80 8,8-10,4 | 9,9-11,7 10,5-12,3 | |||
| 32/90 9,7-11,4 | 11,0-12,9 11,4-13,4 | |||
| 38/100 11,1-13,1 12,3-14,4 | 11,0-12,8-15,0 | |||
1 Durées en minutes
PRODUCTION DE GLAÇONS EN 24 HEURES
| Temp. air entrant dans le condenseur °C/°F | Température de l'eau °C/°F1 | ||
| 10/50 21/70 32/90 | |||
| 21/70 650 540 505 | |||
| 27/80 575 520 495 | |||
| 32/90 530 475 460 | |||
| 38/100 470 430 415 | |||
1 Pour un poids moyen de plaque de glaçons de 1,87 à 2,15 kg (4,12 à 4,75 lb)
Pressions d'exploitation
| Temp. d'air entrant dans le condenseur °C/°F | Cycle de congélation | Cycle de récolte | ||
| Pression de refoulement psig | Pression d'aspiration psig1 | Pression de refoulement psig | Pression d'aspiration psig | |
| 10/50 | 220-255 | 45-27 | 140-160 | 60-80 |
| 21/70 | 220-270 | 45-28 | 145-170 | 70-90 |
| 27/80 | 230-300 | 50-30 | 165-185 | 75-95 |
| 32/90 | 265-345 | 54-32 | 180-215 | 80-105 |
| 38/100 | 300-395 | 60-35 | 210-245 | 85-120 |
| 43/110 | 340-430 | 65-39 | 240-280 | 100-140 |
La pression d'aspiration chute progressivement tout au long du cycle de congélation.
Modèle autonome refroidi par eau
Les caractéristiques varient en fonction des conditions d'exploitation.
DUREES De CYCLE
Durée de congélation + Durée de récolte = Durée totale du cycle
| Temp. air autour de la machine à glaçons °C/°F | Durée de congélation | Durée de récolte1 | ||
| Température de l'eau °C/°F | ||||
| 10/50 21 | 70 32/90 | |||
| 21/70 7,6-9,0 | 9,0-10,6 9 | 7-11,4 | 1-2,5 | |
| 27/80 8,8-10,4 | 9,1-10,7 | 9,9-11,7 | ||
| 32/90 9,6-10,6 | 9,1-10,7 | 9,9-11,7 | ||
| 38/100 9,1-10,7 | 9,5-11,2 | 10,2-12,0 | ||
1 Durées en minutes
PRODUCTION DE GLAÇONS EN 24 HEURES
| Temp. air autour de la machine à glaçons °C/°F | Température de l'eau °C/°F1 | ||
| 10/50 21/70 | 32/90 | ||
| 21/70 650 565 5 | 30 | ||
| 27/80 575 560 5 | 20 | ||
| 32/90 565 560 5 | 20 | ||
| 38/100 560 540 | 505 | ||
1 Pour un poids moyen de plaque de glaçons de 1,87 à 2,15 kg (4,12 à 4,75 lb)
PRESSIONS D'EXPLOITATION
| Temp. airautour de la machineà glaçons°C/°F | Cycle de congélation Cyle de récolte | |||
| Pression deferoulementpsig2 | Pressiond'aspirationpsig1 | Pression deferoulementpsig | Pressiond'aspirationpsig | |
| 10/50 240 | 0-250 36-26 1 | 40-190 65-95 | ||
| 21/70 240 | 0-250 36-26 1 | 40-190 65-95 | ||
| 27/80 240 | 0-250 40-28 1 | 50-195 | 70-100 | |
| 32/90 245 | 0-255 40-29 1 | 60-200 | 70-100 | |
| 38/100 | 245-260 40 | -30 170-205 | 75-105 | |
| 43/110 | 245-265 40 | -30 180-210 | 80-110 | |
1 La pression d'aspiration chute progressivement tout au long du cycle de congélation. 2 La vanne de régulation d'eau est réglée pour maintenir 16,5 bar (240 psig). 3 Consommation d'eau du condenseur = 1310L/100kg de glace à 32 / 21°C (157 gal/100 lb de glace à 90 / 70^).
Modèle à condenseur à distance refroidi par air
Les caractéristiques varient en fonction des conditions d'exploitation.
DUREES De CYCLE
Durée de congélation + Durée de récolte = Durée totale du cycle
| Temp. air entrant dans le condenseur °C/°F | Durée de congélation | Durée de récolte1 | ||
| Température de l'eau °C/°F | ||||
| 10/50 21 | 70 32/90 | |||
| -29/-20 à 21/70 | 7,9-9,4 9,9-11 | 1,7 10,5-12,3 | 1-2,5 | |
| 27/80 9,0-10 | 6 9,9-11,7 | 10,7-12,6 | ||
| 32/90 9,1-10 | 7 9,9-11,7 | 10,7-12,6 | ||
| 38/100 9,9-11 | 1,7 10,9-12, | 8 11,7-13,7 | ||
| 43/110 10,9- | 12,8 12,0-14 | 0 12,8-15,0 | ||
1 Durées en minutes
PRODUCTION DE GLAÇONS EN 24 HEURES
| Temp. air entrant dans le condenseur °C/°F | Température de l'eau °C/°F1,2 | ||
| 10/50 21/70 32/90 | |||
| -29/-20 à 21/70 630 | 520 495 | ||
| 27/80 565 520 485 | |||
| 32/90 560 520 485 | |||
| 38/100 520 480 | 450 | ||
| 43/110 480 440 | 415 | ||
1 Pour un poids moyen de plaque de glaçons de 1,87 à 2,15 kg (4,12 à 4,75 lb) 2 Valeurs nominales avec condenseur JC0895, glaçons en cubes
Pressions d'exploitation
| Temp. d'air entrant dans le condenseur °C/°F | Cycle de congélation | Cycle de récolte | ||
| Pression de refoulement psig | Pression d'aspiration psig1 | Pression de refoulement psig | Pression d'aspiration psig | |
| -29/-20 à 10/50 | 210-240 | 40-29 | 130-190 | 62-80 |
| 21/70 | 225-250 | 50-30 | 130-200 | 75-95 |
| 27/80 | 245-275 | 52-31 | 130-200 | 75-100 |
| 32/90 | 245-285 | 52-32 | 135-200 | 80-100 |
| 38/100 | 260-315 | 55-32 | 140-200 | 80-100 |
| 43/110 | 290-365 | 60-34 | 170-200 | 85-100 |
Modèle autonome refroidi par air
Les caractéristiques varient en fonction des conditions d'exploitation.
DUREES De CYCLE
Durée de congélation + Durée de récolte = Durée totale du cycle
| Temp. air entrant dans le condenseur °C/°F | Durée de congélation | Durée de récolte1 | ||
| Température de l'eau °C/°F | ||||
| 10/50 21 | 70 32/90 | |||
| 21/70 7,2-8,5 | 7,9-9,3 8,2 | -9,6 | 1-2,5 | |
| 27/80 7,9-9,8 | 8,7-10,2 9 | 0-10,6 | ||
| 32/90 8,5-10,0 | 9,4-11,0 | 9,8-11,4 | ||
| 38/100 9,4-11,0 | 10,4-12,2 | 10,9-12,7 | ||
| 43/110 9,9-11,6 | 11,1-12,9 | 12,7-14,8 | ||
1 Durées en minutes
PRODUCTION DE GLAÇONS EN 24 HEURES
| Temp. air entrant dans le condenseur °C/°F | Température de l'eau °C/°F1 | ||
| 10/50 21/70 32/90 | |||
| 21/70 560 520 505 | |||
| 27/80 520 480 465 | |||
| 32/90 490 450 435 | |||
| 38/100 450 410 395 | |||
| 43/110 430 390 345 | |||
1 Pour un poids moyen de plaque de glaçons de 1,54 à 1,77 kg (3,40 à 3,90 lb)
Pressions d'exploitation
| Temp. d'air entrant dans le condenseur °C/°F | Cycle de congélation | Cycle de récolte | ||
| Pression de refoulement psig | Pression d'aspiration psig1 | Pression de refoulement psig | Pression d'aspiration psig | |
| 10/50 | 255-335 | 60-30 | 155-170 | 105-130 |
| 21/70 | 270-340 | 70-30 | 170-200 | 115-135 |
| 27/80 | 270-340 | 75-35 | 170-200 | 115-135 |
| 32/90 | 350-405 | 75-38 | 205-240 | 140-155 |
| 38/100 | 450-520 | 90-40 | 290-340 | 160-235 |
| 43/110 | 450-540 | 90-42 | 290-340 | 160-235 |
La pression d'aspiration chute progressivement tout au long du cycle de congélation.
Modèle autonome refroidi par eau
Les caractéristiques varient en fonction des conditions d'exploitation.
DUREES De CYCLE
Durée de congélation + Durée de récolte = Durée totale du cycle
| Temp. air autour de la machine à glaçons °C/°F | Durée de congélation | Durée de récolte1 | ||
| Température de l'eau °C/°F | ||||
| 10/50 21 | 70 32/90 | |||
| 21/70 7,6-8,9 | 8,7-10,2 9 | 6-11,3 | 1-2,5 | |
| 27/80 7,7-9,0 | 9,0-10,6 10 | 0,0-11,7 | ||
| 32/90 7,7-9,1 | 9,4-11,0 10 | 0,4-12,2 | ||
| 38/100 7,9-9,0 | 9,6-11,3 10 | 0,7-12,5 | ||
| 43/110 8,1-9,0 | 9,9-11,6 10 | 1,1-12,9 | ||
1 Durées en minutes
PRODUCTION DE GLAÇONS EN 24 HEURES
| Temp. air autour de la machine à glaçons °C/°F | Température de l'eau °C/°F1 | ||
| 10/50 21/70 32/90 | |||
| 21/70 540 480 440 | |||
| 27/80 535 465 425 | |||
| 32/90 530 450 410 | |||
| 38/100 520 440 400 | |||
| 43/110 510 430 390 | |||
1 Pour un poids moyen de plaque de glaçons de 1,54 à 1,77 kg (3,40 à 3,90 lb)
Pressions d'exploitation
| Temp. airautour de la machineà glaçons°C/°F | Cycle de congélation Cyle de récolte | |||
| Pression deferoulementpsig2 | Pressiond'aspirationpsig1 | Pression deferoulementpsig | Pressiond'aspirationpsig | |
| 10/50 | 330-335 | 60-32 | 155-180 | 115-140 |
| 21/70 | 330-335 | 60-34 | 160-200 | 125-145 |
| 27/80 | 330-340 | 60-34 | 160-200 | 125-145 |
| 32/90 | 330-340 | 65-35 | 170-200 | 125-150 |
| 38/100 | 330-345 | 75-41 | 170-200 | 125-150 |
| 43/110 | 330-355 | 80-42 | 170-200 | 125-150 |
1 La pression d'aspiration chute progressivement tout au long du cycle de congélation. 2 La vanne de régulation d'eau est réglée pour maintenir 22,8 bar (330 psig).
Modèle autonome refroidi par air
Les caractéristiques varient en fonction des conditions d'exploitation.
DUREES De CYCLE
Durée de congélation + Durée de récolte = Durée totale du cycle
| Temp. air entrant dans le condenseur °C/°F | Durée de congélation | Durée de récolte1 | ||
| Température de l'eau °C/°F | ||||
| 10/50 21/70 32/90 | ||||
| 21/70 7,2-8,6 8,1-9,5 8,8-10,4 | 1-2,5 | |||
| 27/80 7,9-9,4 8,6-10,1 9,3-10,9 | ||||
| 32/90 8,6-10,1 9,5-11,2 10,1-11,9 | ||||
| 38/100 9,5-11,2 10,6-12,5 11,1-13,1 | ||||
| 43/110 10,2-12,0 11,1-13,1 11,8-13,9 | ||||
1 Durées en minutes
PRODUCTION DE GLAÇONS EN 24 HEURES
| Temp. air entrant dans le condenseur °C/°F | Température de l'eau °C/°F1 | ||
| 10/50 21/70 32/90 | |||
| 21/70 680 620 575 | |||
| 27/80 630 590 550 | |||
| 32/90 590 540 510 | |||
| 38/100 540 490 470 | |||
| 43/110 505 470 445 | |||
1 Pour un poids moyen de plaque de glaçons de 1,87 à 2,15 kg (4,12 à 4,75 lb)
Pressions d'exploitation
| Temp. d'air entrant dans le condenseur °C/°F | Cycle de congélation | Cycle de récolte | ||
| Pression de refoulement psig | Pression d'aspiration psig1 | Pression de refoulement psig | Pression d'aspiration psig | |
| 10/50 | 270-345 | 70-30 | 150-170 | 105-130 |
| 21/70 | 270-345 | 70-30 | 155-175 | 105-130 |
| 27/80 | 300-375 | 70-34 | 155-175 | 115-130 |
| 32/90 | 345-410 | 75-37 | 175-195 | 135-145 |
| 38/100 | 420-510 | 90-40 | 190-205 | 145-175 |
| 43/110 | 440-530 | 100-40 | 195-210 | 145-175 |
La pression d'aspiration chute progressivement tout au long du cycle de congélation.
Modèle autonome refroidi par eau
Les caractéristiques varient en fonction des conditions d'exploitation.
DUREES De CYCLE
Durée de congélation + Durée de récolte = Durée totale du cycle
| Temp. air autour de la machine à glaçons °C/°F | Durée de congélation | Durée de récolte1 | ||
| Température de l'eau °C/°F | ||||
| 10/50 21 | 70 32/90 | |||
| 21/70 7,0-8, | 3 7,2-8,6 8,2 | -9,7 | 1-2,5 | |
| 27/80 7,0-9, | 3 7,4-8,7 8,5 | -10,0 | ||
| 32/90 7,1-8, | 4 7,6-9,0 8,7 | -10,3 | ||
| 38/100 7,2-8, | 6 7,8-9,2 8, | 9-10,5 | ||
| 43/110 7,4-8, | 7 7,9-9,4 9, | 4-11,1 | ||
1 Durées en minutes
PRODUCTION DE GLAÇONS EN 24 HEURES
| Temp. air autour de la machine à glaçons °C/°F | Température de l'eau °C/°F1 | ||
| 10/50 21/70 32/90 | |||
| 21/70 700 680 | 610 | ||
| 27/80 695 670 | 595 | ||
| 32/90 690 650 | 580 | ||
| 38/100 680 640 | 570 | ||
| 43/110 670 630 | 545 | ||
1 Pour un poids moyen de plaque de glaçons de 1,87 à 2,15 kg (4,12 à 4,75 lb)
PRESSIONS D'EXPLOITATION
| Temp. airautour de la machineà glaçons°C/°F | Cycle de congélation Cyle de récolte | |||
| Pression deferoulementpsig2 | Pressiond'aspirationpsig1 | Pression deferoulementpsig | Pressiond'aspirationpsig | |
| 10/50 | 310-320 | 65-36 | 155-165 | 115-130 |
| 21/70 | 310-320 | 65-38 | 165-175 | 115-130 |
| 27/80 | 310-320 | 65-38 | 170-185 | 120-135 |
| 32/90 | 310-320 | 65-38 | 170-190 | 125-135 |
| 38/100 | 320-350 | 75-41 | 170-200 | 125-145 |
| 43/110 | 330-360 | 80-42 | 175-210 | 125-150 |
1 La pression d'aspiration chute progressivement tout au long du cycle de congélation. 2 La vanne de régulation d'eau est réglée pour maintenir 21,7 Bar (315 psig).
Modèle à condenseur à distance refroidi par air
Les caractéristiques varient en fonction des conditions d'exploitation.
DUREES De CYCLE
Durée de congélation + Durée de récolte = Durée totale du cycle
| Temp. d'air entrant dans le condenseur °C/°F | Durée de congélation | Durée de récolte1 | ||
| Température de l'eau °C/°F | ||||
| 10 / 50 21 | / 70 32 / 90 | |||
| -29/-20 à 21/70 8,1 à 9,1 9,0 à 10,1 9,7 à 11,0 | 0,75 à 2,0 | |||
| 27 / 80 8,8 à 9,9 9,5 à 10,6 | 10,1 à 11,5 | |||
| 32 / 90 9,3 à 10,8 | 10,8 | 10,2 à 11,5 | 10,8 à 12,2 | |
| 38 / 100 | 10,3 à 12,1 | 11,2 à 13,2 | 12,0 à 14,0 | |
1 Durées en minutes
PRODUCTION DE GLAÇONS EN 24 HEURES
| Temp. d'air entrant dans le condenseur °C/°F | Température de l'eau °C/°F1 | ||
| 10 / 50 21 | / 70 32 / 90 | ||
| -29/-20 à 21/70 720 | 660 610 | ||
| 27 / 80 700 650 | 585 | ||
| 32 / 90 660 600 | 545 | ||
| 38 / 100 575 525 | 460 | ||
1 Pour un poids moyen de plaque de glaçons de 1,87 à 2,15 kg (4,66 à 5,14 lb)
Pressions d'exploitation
| Temp. d'air entrant dans le condenseur °C / °F | Cycle de congélation Cycle de récolte | |||
| Pression de refoulement (PSIG) | Pression d'aspiration (PSIG) 1 | Pression de refoulement (PSIG) | Pression d'aspiration (PSIG) | |
| 10 / 50 | 265 à 285 | 60 à 35 | 180 à 225 | 105 à 140 |
| 21 / 70 | 300 à 330 | 60 à 35 | 200 à 240 | 120 à 180 |
| 27 / 80 | 310 à 350 | 65 à 38 | 200 à 240 | 120 à 180 |
| 32 / 90 | 315 à 360 | 75 à 40 | 275 à 3320 | 135 à 200 |
| 38 / 100 | 430 à 510 | 85 à 45 | 310 à 360 | 150 à 220 |
| 43 / 110 | 450 à 525 | 90 à 50 | 310 à 360 | 160 à 230 |
1 La pression d'aspiration chute progressivement tout au long du cycle de congélation.
Modèle autonome refroidi par air
Les caractéristiques varient en fonction des conditions d'exploitation.
DUREES De CYCLE
Durée de congélation + Durée de récolte = Durée totale du cycle
| Temp. air entrant dans le condenseur °C/°F | Durée de congélation | Durée de récolte1 | ||
| Température de l'eau °C/°F | ||||
| 10/50 21/70 32/90 | ||||
| 21/70 8,7-10,3 10,2-12,1 | 10,8-12,8 | 1-2,5 | ||
| 27/80 9,7-11,5 10,5-12,4 | 11,1-13,1 | |||
| 32/90 10,5-12,4 11,9-14 | 112,2-14,5 | |||
| 38/100 11,3-13,4 12,3-14,6 12,7-15,0 | ||||
1 Durées en minutes
PRODUCTION DE GLAÇONS EN 24 HEURES
| Temp. air entrant dans le condenseur °C/°F | Température de l'eau °C/°F1 | ||
| 10/50 21/70 32/90 | |||
| 21/70 875 765 725 | |||
| 27/80 800 745 710 | |||
| 32/90 745 665 650 | |||
| 38/100 695 645 630 | |||
1 Pour un poids moyen de plaque de glaçons de 2,81 à 3,27 kg (6,2 à 7,2 lb)
Pressions d'exploitation
| Temp. d'air entrant dans le condenseur °C/°F | Cycle de congélation Cycle de récolte | |||
| Pression de refoulement psig | Pression d'aspiration psig1 | Pression de refoulement psig | Pression d'aspiration psig | |
| 10/50 220 | 0-255 45-27 1 | 25-140 60-80 | ||
| 21/70 220 | 0-270 45-30 1 | 50-160 75-90 | ||
| 27/80 230 | 0-300 50-30 1 | 50-160 | 80-100 | |
| 32/90 260 | 0-315 55-32 1 | 60-175 | 90-115 | |
| 38/100 | 300-395 74 | -34 180-220 | 130-160 | |
| 43/110 | 320-400 78 | -34 200-230 | 130-160 | |
La pression d'aspiration chute progressivement tout au long du cycle de congélation.
Modèle autonome refroidi par eau
Les caractéristiques varient en fonction des conditions d'exploitation.
DUREES De CYCLE
Durée de congélation + Durée de récolte = Durée totale du cycle
| Temp. air autour de la machine à glaçons °C/°F | Durée de congélation | Durée de récolte1 | ||
| Température de l'eau °C/°F | ||||
| 10/50 21 | 70 32/90 | |||
| 21/70 9,1-10 | 8 10,3-12,2 | 10,9-12,9 | 1-2,5 | |
| 27/80 10,2-1 | 2,1 10,4-12 | 3 11,1-13,1 | ||
| 32/90 10,4-1 | 2,3 11,3-13 | 3 11,4-13,5 | ||
| 38/100 11,6- | 12,5 11,6-13 | 7 11,9-14,1 | ||
| 43/110 11,3- | 13,3 12,2-14 | 5 13,0-15,4 | ||
1 Durées en minutes
PRODUCTION DE GLAÇONS EN 24 HEURES
| Temp. air autour de la machine à glaçons °C/°F | Température de l'eau °C/°F1 | ||
| 10/50 21/70 32/90 | |||
| 21/70 840 755 7 | 20 | ||
| 27/80 765 750 7 | 10 | ||
| 32/90 750 700 6 | 90 | ||
| 38/100 740 680 | 665 | ||
| 43/110 700 650 | 615 | ||
1 Pour un poids moyen de plaque de glaçons de 2,81 à 3,27 kg (6,2 à 7,2 lb)
Pressions d'exploitation
| Temp. airautour de la machineà glaçons°C/°F | Cycle de congélation Cyle de récolte | |||
| Pression deferoulementpsig2 | Pressiond'aspirationpsig1 | Pression deferoulementpsig | Pressiond'aspirationpsig | |
| 10/50 225-235 45-28 130-160 75-90 | ||||
| 21/70 225-235 45-30 130-160 75-90 | ||||
| 27/80 230-245 50-30 130-160 75-90 | ||||
| 32/90 225-235 55-31 130-160 75-90 | ||||
| 38/100 235-250 55-32 135-160 75-95 | ||||
| 43/110 235-265 60-32 140-160 75-95 | ||||
1 La pression d'aspiration chute progressivement tout au long du cycle de congélation. 2 La vanne de régulation d'eau est réglée pour maintenir 15,9 bar (230 psig). 3 Consommation d'eau du condenseur = 1176 L/100 kg de glace à 32/21 °C (141 gal/100 lb de glace à 90/70 °F).
Modèle à condenseur à distance refroidi par air
Les caractéristiques varient en fonction des conditions d'exploitation.
DUREES De CYCLE
Durée de congélation + Durée de récolte = Durée totale du cycle
| Temp. air entrant dans le condenseur °C/°F | Durée de congélation | Durée de récolte1 | ||
| Température de l'eau °C/°F | ||||
| 10/50 21 | 70 32/90 | |||
| -29/-20 à 21/70 | 9,4-11,1 10,2 | -12,1 11,0-1 | 2,9 | 0,75-2,0 |
| 27/80 9,8-11 | 6 10,4-12,3 | 11,3-13,3 | ||
| 32/90 10,4-1 | 2,3 10,7-12 | 7 11,7-13,9 | ||
| 38/100 10,9- | 12,9 11,6-13 | 7 12,2-14,5 | ||
| 43/110 11,5- | 13,6 12,2-14 | 5 13,0-15,4 | ||
1 Durées en minutes
PRODUCTION DE GLAÇONS EN 24 HEURES
| Temp. air entrant dans le condenseur °C/°F | Température de l'eau °C/°F1 | ||
| 10/50 21/70 32/90 | |||
| -29/-20 à 21/70 820 | 765 720 | ||
| 27/80 790 750 | 700 | ||
| 32/90 750 730 | 675 | ||
| 38/100 720 680 | 650 | ||
| 43/110 685 650 | 615 | ||
1 Pour un poids moyen de plaque de glaçons de 2,81 à 3,27 kg (6,2 à 7,2 lb)
Pressions d'exploitation
| Temp. d'air entrant dans le condenseur °C/°F | Cycle de congélation Cycle de récolte | |||
| Pression de refoulement psig | Pression d'aspiration psig1 | Pression de refoulement psig | Pression d'aspiration psig | |
| 10/50 | 225-260 | 60-30 | 120-145 | 70-90 |
| 21/70 | 225-260 | 60-30 | 120-145 | 75-90 |
| 27/80 | 245-270 | 60-31 | 120-145 | 75-90 |
| 32/90 | 250-285 | 60-32 | 125-145 | 75-95 |
| 38/100 | 285-350 | 65-34 | 135-165 | 75-100 |
| 43/110 | 310-375 | 70-36 | 145-170 | 75-100 |
1 La pression d'aspiration chute progressivement tout au long du cycle de congélation.
Modèle autonome refroidi par air
Les caractéristiques varient en fonction des conditions d'exploitation.
DUREES De CYCLE
Durée de congélation + Durée de récolte = Durée totale du cycle
| Temp. d'air entrant dans le condenseur °C/°F | Durée de congélation | Durée de récolte1 | ||
| Température de l'eau °C/°F | ||||
| 10/50 21 | 70 32/90 | |||
| 21/70 9,0-10 | 7 10,2-12,1 | 11,2-13,2 | 1-2,5 | |
| 27/80 9,5-11 | 3 10,6-12,5 | 11,4-13,5 | ||
| 32/90 10,3-1 | 2,2 11,3-13 | 4 12,2-14,5 | ||
| 38/100 11,6- | 13,7 12,9-15 | 2 14,0-16,5 | ||
| 43/110 14,3- | 16,9 15,3-18 | 1 16,0-18,8 | ||
1 Durées en minutes
PRODUCTION DE GLAÇONS EN 24 HEURES
| Temp. d'air entrant dans le condenseur °C/°F | Température de l'eau °C/°F1 | ||
| 10/50 21/70 | 32/90 | ||
| 21/70 850 765 | 705 | ||
| 27/80 810 740 | 690 | ||
| 32/90 755 695 | 650 | ||
| 38/100 680 620 | 575 | ||
| 43/110 565 530 | 510 | ||
1 Pour un poids moyen de plaque de glaçons de 2,81 à 3,27 kg (6,2 à 7,2 lb)
Pressions d'exploitation
| Temp. d'air entrant dans le condenseur °C/°F | Cycle de congélation Cycle de récolte | |||
| Pression de refoulement psig | Pression d'aspiration psig1 | Pression de refoulement psig | Pression d'aspiration psig | |
| 10/50 280 | 0-350 65-35 1 | 40-165 85-120 | 0 | |
| 21/70 280 | 0-350 65-36 1 | 45-170 90-120 | 0 | |
| 27/80 300 | 0-400 70-37 1 | 50-190 | 100-125 | |
| 32/90 370 | 0-440 80-38 1 | 70-220 | 10-130 | |
| 38/100 | 420-520 85 | -39 245-290 | 135-185 | |
| 43/110 | 470-540 90 | -40 255-300 | 140-190 | |
La pression d'aspiration chute progressivement tout au long du cycle de congélation.
Modèle autonome refroidi par eau
Les caractéristiques varient en fonction des conditions d'exploitation.
DUREES De CYCLE
Durée de congélation + Durée de récolte = Durée totale du cycle
| Temp. d'airautour de lamachinéàglaçons °C/°F | Durée de condégation | Durée derécolte1 | ||
| Température de l'eau °C/°F | ||||
| 10/50 21 | 70 32/90 | |||
| 21/70 9,9-11 | 8 10,4-12,3 | 12,0-14,2 | 1-2,5 | |
| 27/80 10,0-1 | 1,9 10,6-12 | 5 12,2-14,5 | ||
| 32/90 10,1-1 | 2,0 11,9-14 | 1 12,5-14,7 | ||
| 38/100 10,2- | 12,1 12,2-14 | 5 12,9-15,2 | ||
| 43/110 10,3- | 12,2 12,8-15 | 1 13,3-15,6 | ||
1 Durées en minutes
PRODUCTION DE GLAÇONS EN 24 HEURES
| Temp. d'air autour de la machine à glaçons °C/°F | Température de l'eau °C/°F1 | ||
| 10/50 21/70 | 32/90 | ||
| 21/70 780 750 660 | |||
| 27/80 775 740 650 | |||
| 32/90 770 665 640 | |||
| 38/100 760 650 | 620 | ||
| 43/110 755 625 | 605 | ||
1 Pour un poids moyen de plaque de glaçons de 2,81 à 3,27 kg (6,2 à 7,2 lb)
Pressions d'exploitation
| Temp. d'airautour de la machineà glaçons°C/°F | Cycle de congélation Cyle de récolte | |||
| Pression deferoulementpsig2 | Pressiond'aspirationpsig1 | Pression deferoulementpsig | Pressiond'aspirationpsig | |
| 10/50 | 315-320 | 67-35 | 140-175 | 100-120 |
| 21/70 | 315-320 | 70-36 | 145-175 | 105-120 |
| 27/80 | 315-320 | 75-36 | 145-175 | 105-120 |
| 32/90 | 315-320 | 80-38 | 150-175 | 110-120 |
| 38/100 | 315-320 | 85-38 | 155-180 | 110-125 |
| 43/110 | 315-320 | 90-38 | 160-185 | 110-125 |
1 La pression d'aspiration chute progressivement tout au long du cycle de congélation. 2 La vanne de régulation d'eau est réglée pour maintenir 15,9 (230 psig). 3 Consommation d'eau du condenseur = 1176 L/100 kg de glace à 32/21 °C (141 gal/100 lb de glace à 90/70 °F).
Modèle à condenseur à distance refroidi par air
Les caractéristiques varient en fonction des conditions d'exploitation.
DUREES De CYCLE
Durée de congélation + Durée de récolte = Durée totale du cycle
| Temp. d'air entrant dans le condenseur °C/°F | Durée de congélation | Durée de récolte1 | ||
| Température de l'eau °C/°F | ||||
| 10 / 50 21 | / 70 32 / 90 | |||
| -29/-20 à 21/70 | 9,6 à 10,9 10 | 5 à 12,3 11,3 | à 13,5 | 0,75 à 2,5 |
| 27 / 80 9,9 à | 11,5 10,8 à | 12,7 11,7 à 13,7 | ||
| 32 / 90 10,6 | à 12,3 11,5 à | 13,7 12,8 à 15,2 | ||
| 38 / 100 11,8 | à 14,0 13,0 à | 15,5 14,8 à 17,5 | ||
1 Durées en minutes
PRODUCTION DE GLAÇONS EN 24 HEURES
| Temp. d'air entrant dans le condenseur °C/°F | Température de l'eau °C/°F1 | ||
| 10 / 50 21 | / 70 32 / 90 | ||
| -29/-20 à 21/70 845 | 760 700 | ||
| 27 / 80 800 730 | 680 | ||
| 32 / 90 750 685 | 640 | ||
| 38 / 100 675 615 | 500 | ||
1 Pour un poids moyen de plaque de glaçons de 2,8 à 3,3 kg (6,2 à 7,2 lb)
Pressions d'exploitation
| Temp. d'air entrant dans le condenseur °C / °F | Cycle de congélation | Cycle de récolte | ||
| Pression de refoulement (PSIG) | Pression d'aspiration (PSIG)1 | Pression de refoulement (PSIG) | Pression d'aspiration (PSIG) | |
| 10 / 50 | 280 à 320 | 68 à 35 | 180 à 235 | 95 à 110 |
| 21 / 70 | 300 à 345 | 70 à 38 | 200 à 240 | 100 à 130 |
| 27 / 80 | 310 à 360 | 73 à 39 | 200 à 240 | 120 à 150 |
| 32 / 90 | 315 à 366 | 75 à 40 | 275 à 320 | 135 à 165 |
| 38 / 100 | 430 à 510 | 85 à 45 | 310 à 360 | 140 à 180 |
| 43 / 110 | 450 à 525 | 95 à 40 | 310 à 360 | 150 à 190 |
1 La pression d'aspiration chute progressivement tout au long du cycle de congélation.
Modèle autonome refroidi par air
Les caractéristiques varient en fonction des conditions d'exploitation.
DUREES De CYCLE
Durée de congélation + Durée de récolte = Durée totale du cycle
| Temp. air entrant dans le condenseur °C/°F | Durée de congélation | Durée de récolte1 | ||
| Température de l'eau °C/°F | ||||
| 10/50 21 | 70 32/90 | |||
| 21/70 7,5-8,4 | 8,1-9,0 9,6 | -10,6 | 1-2,5 | |
| 27/80 8,5-9,4 | 9,5-10,5 10,1-11,2 | |||
| 32/90 9,1-10,1 | 9,9-10,9 | 10,6-11,7 | ||
| 38/100 9,9-11,0 | 10,8-12,0 | 12,2-13,4 | ||
| 43/110 11,1-12,3 | 12,12,1-13,4 | 13,3-14,7 | ||
1 Durées en minutes
PRODUCTION DE GLAÇONS EN 24 HEURES
| Temp. air entrant dans le condenseur °C/°F | Température de l'eau °C/°F12 | ||
| 10/50 21/70 32/90 | |||
| 21/70 1195 1125 | 975 | ||
| 27/80 1085 | 985 | 930 | |
| 32/90 1020 | 950 | 895 | |
| 38/100 945 | 875 | 790 | |
| 43/110 855 | 795 | 730 | |
1 Pour un poids moyen de plaque de glaçons de 3,40 à 3,72 kg (7,5 à 8,2 lb) 2 La production de 230/50/1 est d'environ 12% inférieure à celle de 230/60/1
Pressions d'exploitation
| Temp. d'air entrant dans le condenseur °C/°F | Cycle de congélation | Cycle de récolte | ||
| Pression de refoulement psig | Pression d'aspiration psig1 | Pression de refoulement psig | Pression d'aspiration psig | |
| 10/50 | 270-340 | 70-35 | 160-170 | 120-135 |
| 21/70 | 270-350 | 70-36 | 160-185 | 120-140 |
| 27/80 | 270-350 | 75-38 | 160-185 | 120-140 |
| 32/90 | 345-415 | 75-38 | 190-220 | 140-170 |
| 38/100 | 445-510 | 85-42 | 270-315 | 190-245 |
| 43/110 | 445-530 | 100-43 | 270-315 | 200-245 |
La pression d'aspiration chute progressivement tout au long du cycle de congélation.
Modèle autonome refroidi par eau
Les caractéristiques varient en fonction des conditions d'exploitation.
DUREES De CYCLE
Durée de congélation + Durée de récolte = Durée totale du cycle
| Temp. air autour de la machine à glaçons °C/°F | Durée de congélation | Durée de récolte1 | |
| Température de l'eau °C/°F | |||
| 10/50 21/70 32/90 | |||
| 21/70 8,5-9,4 | 9,6-10,7 | 10,6-11,7 | 1-2,5 |
| 27/80 8,5-9,5 | 9,8-10,9 | 10,6-11,8 | |
| 32/90 8,6-9,5 | 10,5-11,6 | 10,7-11,8 | |
| 38/100 8,6-9,6 | 10,6-11,8 | 10,8-12,0 | |
| 43/110 8,7-9,6 | 10,7-11,8 | 11,0-12,2 | |
1 Durées en minutes
PRODUCTION DE GLAÇONS EN 24 HEURES
| Temp. air autour de la machine à glaçons °C/°F | Température de l'eau °C/°F1 | ||
| 10/50 21/70 32/90 | |||
| 21/70 1080 970 | 895 | ||
| 27/80 1075 955 | 890 | ||
| 32/90 1070 900 | 885 | ||
| 38/100 1065 890 | 875 | ||
| 43/110 1060 885 | 865 | ||
1 Pour un poids moyen de plaque de glaçons de 3,40 à 3,72 kg (7,5 à 8,2 lb)
PRESSIONS D'EXPLOITATION
| Temp. airautour de la machineà glaçons°C/°F | Cycle de congélation | Cycle de récolte | ||
| Pression deferoulementpsig2 | Pressiond'aspirationpsig1 | Pression deferoulementpsig | Pressiond'aspirationpsig | |
| 10/50 | 330-335 | 65-36 | 155-165 | 125-135 |
| 21/70 | 330-335 | 65-38 | 155-165 | 125-135 |
| 27/80 | 330-335 | 75-38 | 155-170 | 120-135 |
| 32/90 | 330-335 | 75-39 | 155-170 | 125-135 |
| 38/100 | 330-335 | 75-40 | 155-170 | 125-140 |
| 43/110 | 330-345 | 80-42 | 155-175 | 125-140 |
1 La pression d'aspiration chute progressivement tout au long du cycle de congélation. 2 La vanne de régulation d'eau est réglée pour maintenir 22,8 bar (330 psig).
Modèle à condenseur à distance refroidi par air
Les caractéristiques varient en fonction des conditions d'exploitation.
DUREES De CYCLE
Durée de congélation + Durée de récolte = Durée totale du cycle
| Temp. air entrant dans le condenseur °C/°F | Durée de congélation | Durée de récolte1 | |
| Température de l'eau °C/°F | |||
| 10/50 21/70 32/90 | |||
| 21/70 8,1-8,9 | 9,1-10,1 10,0-11,1 | 1-2,5 | |
| 27/80 8,6-9,5 | 9,6-10,6 10,4-11,5 | ||
| 32/90 9,2-10,2 | 9,8-10,8 11,0-12,2 | ||
| 38/100 10,6-11,8 | 10,8-12,0 12,4-13,7 | ||
| 43/110 12,6-8,4 | 12,8-14,1 14,3-15,7 | ||
1 Durées en minutes
PRODUCTION DE GLAÇONS EN 24 HEURES
| Temp. air entrant dans le condenseur °C/°F | Température de l'eau °C/°F1 | ||
| 10/50 21/70 32/90 | |||
| 21/70 1130 1015 | 940 | ||
| 27/80 1070 | 975 | 910 | |
| 32/90 1010 | 960 | 865 | |
| 38/100 890 | 875 | 775 | |
| 43/110 840 | 755 | 685 | |
1 Pour un moyen de plaque de glaçons de 3,40 à 3,72 kg (7,5 à 8,2 lb)
Pressions d'exploitation
| Temp. d'air entrant dans le condenseur °C/°F | Cycle de congélation | Cycle de récolte | ||
| Pression de refoulement psig | Pression d'aspiration psig1 | Pression de refoulement psig | Pression d'aspiration psig | |
| -29 à 10 | 265-280 | 65-42 | 170-180 | 120-130 |
| -20 à 50 | ||||
| 21/70 | 305-330 | 65-42 | 180-195 | 120-145 |
| 27/80 | 310-345 | 70-44 | 180-205 | 115-155 |
| 32/90 | 310-380 | 75-45 | 185-205 | 120-155 |
| 38/100 | 400-460 | 80-50 | 200-215 | 140-155 |
| 43/110 | 405-475 | 90-50 | 200-220 | 145-160 |
1 La pression d'aspiration chute progressivement tout au long du cycle de congélation.
Modèle autonome refroidi par air
Les caractéristiques varient en fonction des conditions d'exploitation.
DUREES De CYCLE
Durée de congélation + Durée de récolte = Durée totale du cycle
| Temp. air entrant dans le condenseur °C/°F | Durée de congélation | Durée de récolte1 | ||
| Température de l'eau °C/°F | ||||
| 10/50 21 | 70 32/90 | |||
| 21/70 6,7-7, | 7,7,2-8,3 8,6 | -9,8 | 1-2,5 | |
| 27/80 7,3-8, | 4 8,1-9,3 9,5 | -10,8 | ||
| 32/90 9,0-10, | 2 9,7-11,0 | 10,9-12,4 | ||
| 38/100 9,9-11 | 1,3 10,7-12, | 2 12,6-14,3 | ||
| 43/110 12,5- | 14,2 13,1-14, | 9 14,4-16,3 | ||
1 Durées en minutes
PRODUCTION DE GLAÇONS EN 24 HEURES
| Temp. air entrant dans le condenseur °C/°F | Température de l'eau °C/°F12 | ||
| 10/50 21/70 32/90 | |||
| 21/70 1800 169 | 0 1460 | ||
| 27/80 1670 154 | 0 1345 | ||
| 32/90 1410 132 | 0 1190 | ||
| 38/100 1295 120 | 0 1050 | ||
| 43/110 1055 101 | 0 930 | ||
1 Pour un poids moyen de plaque de glaçons de 4,65 à 5,22 kg (10,25 à 11,50 lb) 2 La production de 230/50/1 est d'environ 12% inférieure à celle de 230/60/1
Pressions d'exploitation
| Temp. d'air entrant dans le condenseur °C/°F | Cycle de congélation | Cycle de récolte | ||
| Pression de refoulement psig | Pression d'aspiration psig1 | Pression de refoulement psig | Pression d'aspiration psig | |
| 10/50 | 260-340 | 60-38 | 150-160 | 110-120 |
| 21/70 | 260-340 | 65-40 | 160-170 | 115-125 |
| 27/80 | 300-380 | 70-40 | 185-200 | 130-145 |
| 32/90 | 360-425 | 75-42 | 195-205 | 135-155 |
| 38/100 | 415-500 | 85-44 | 220-240 | 165-180 |
| 43/110 | 435-530 | 90-45 | 240-250 | 170-190 |
La pression d'aspiration chute progressivement tout au long du cycle de congélation.
Modèle autonome refroidi par eau
Les caractéristiques varient en fonction des conditions d'exploitation.
DUREES De CYCLE
Durée de congélation + Durée de récolte = Durée totale du cycle
| Temp. air autour de la machine à glaçons °C/°F | Durée de congélation | Durée de récolte1 | ||
| Température de l'eau °C/°F | ||||
| 10/50 21 | 70 32/90 | |||
| 21/70 7,1-8, | 1 7,4-8,5 9,2 | -10,5 | 1-2,5 | |
| 27/80 7,6-8, | 7 7,8-8,9 9,4 | -10,7 | ||
| 32/90 7,6-8, | 8 8,9-10,2 9 | 6-11,0 | ||
| 38/100 7,7-8, | 8 9,4-10,7 9 | 7-11,1 | ||
| 43/110 7,8-8, | 9 9,6-10,9 9 | 9-11,3 | ||
1 Durées en minutes
PRODUCTION DE GLAÇONS EN 24 HEURES
| Temp. air autour de la machine à glaçons °C/°F | Température de l'eau °C/°F1 | ||
| 10/50 21/70 32/90 | |||
| 21/70 1725 165 | 1380 | ||
| 27/80 1625 158 | 1360 | ||
| 32/90 1615 142 | 1330 | ||
| 38/100 1605 136 | 1315 | ||
| 43/110 1590 133 | 1295 | ||
1 Pour un poids moyen de plaque de glaçons de 4,65 à 5,22 kg (10,25 à 11,50 lb)
Pressions d'exploitation
| Temp. airautour de la machineà glaçons°C/°F | Cycle de congélation Cyle de récolte | |||
| Pression deferoulementpsig2 | Pressiond'aspirationpsig1 | Pression deferoulementpsig | Pressiond'aspirationpsig | |
| 10/50 | 310-320 | 70-43 | 155-170 | 105-125 |
| 21/70 | 310-320 | 70-45 | 160-175 | 115-130 |
| 27/80 | 315-325 | 70-45 | 165-180 | 115-135 |
| 32/90 | 315-330 | 75-45 | 170-185 | 120-135 |
| 38/100 | 320-360 | 80-45 | 175-190 | 125-140 |
| 43/110 | 320-365 | 80-45 | 175-195 | 125-140 |
1 La pression d'aspiration chute progressivement tout au long du cycle de congélation. 2 La vanne de régulation d'eau est réglée pour maintenir 21,7 bar (315 psig).
Modèle à condenseur à distance refroidi par air
Les caractéristiques varient en fonction des conditions d'exploitation.
DUREES De CYCLE
Durée de congélation + Durée de récolte = Durée totale du cycle
| Temp. air entrant dans le condenseur °C/°F | Durée de congélation | Durée de récolte1 | ||
| Température de l'eau °C/°F | ||||
| 10/50 21 | 70 32/90 | |||
| 21/70 7,1-8, | 2 7,6-8,8 8,8 | -10,0 | 1-2,5 | |
| 27/80 7,6-8, | 7 8,1-9,2 9,3 | -10,6 | ||
| 32/90 8,1-9, | 3 8,8-10,0 9 | 9-11,3 | ||
| 38/100 8,8-1 | 0,0 9,3-10,6 | 10,5-12,0 | ||
| 43/110 8,9-1 | 0,2 9,9-11,3 | 11,0-12,7 | ||
1 Durées en minutes
PRODUCTION DE GLAÇONS EN 24 HEURES
| Temp. air entrant dans le condenseur °C/°F | Température de l'eau °C/°F1 | ||
| 10/50 21/70 32/90 | |||
| 21/70 1710 1615 | 1435 | ||
| 27/80 1620 1545 | 1365 | ||
| 32/90 1530 1435 | 1295 | ||
| 38/100 1435 1365 | 1225 | ||
| 43/110 1420 1295 | 1170 | ||
1 Pour un poids moyen de plaque de glaçons de 4,65 à 5,22 kg (10,25 à 11,50 lb)
Pressions d'exploitation
| Temp. d'air entrant dans le condenseur °C/°F | Cycle de congélation Cycle de récolte | |||
| Pression de refoulement psig | Pression d'aspiration psig1 | Pression de refoulement psig | Pression d'aspiration psig | |
| -29/-20 280-300 | 65-40 | 180-200 | 100-135 | |
| 10/50 300-315 | 65-41 | 190-205 | 100-140 | |
| 21/70 305-320 | 65-42 | 190-205 | 110-150 | |
| 27/80 310-345 | 70-44 | 190-205 | 115-155 | |
| 32/90 315-350 | 75-45 | 190-205 | 120-155 | |
| 38/100 | 410-470 | 85-48 | 190-210 | 130-155 |
| 43/110 | 415-480 | 90-50 | 195-215 | 135-155 |
1 La pression d'aspiration chute progressivement tout au long du cycle de congélation.
Modèle autonome refroidi par air
Les caractéristiques varient en fonction des conditions d'exploitation.
DUREES De CYCLE
Durée de congélation + Durée de récolte = Durée totale du cycle
| Temp. air entrant dans le condenseur °C/°F | Durée de congélation | Durée de récolte1 | ||
| Température de l'eau °C/°F | ||||
| 10/50 21/70 32/90 | ||||
| 21/70 8,5-9,7 | 9,7-11,0 10,4-11,8 | 1-2,5 | ||
| 27/80 8,9-10,2 | 10,9-12,4 11,7-13,4 | |||
| 32/90 10,0-11,4 | 12,0-13,6 13,5-15,3 | |||
| 38/100 12,0-13,6 | 13,6 13,8-15,6 15,7-17,8 | |||
| 43/110 14,8-16,8 | 16,8 16,1-18,2 17,0-19,3 | |||
1 Durées en minutes
PRODUCTION DE GLAÇONS EN 24 HEURES
| Temp. air entrant dans le condenseur °C/°F | Température de l'eau °C/°F12 | ||
| 10/50 21/70 32/90 | |||
| 21/70 1900 170 | 0 1600 | ||
| 27/80 1820 153 | 5 1435 | ||
| 32/90 1655 141 | 0 1270 | ||
| 38/100 1410 124 | 5 1105 | ||
| 43/110 1165 108 | 0 1025 | ||
1 Pour un poids moyen de plaque de glaçons de 5,99 à 6,71 kg (13,2 à 14,8 lb) 2 La production de 230/50/1 est d'environ 12% inférieure à celle de 230/60/1
Pressions d'exploitation
| Temp. d'air entrant dans le condenseur °C/°F | Cycle de congélation | Cycle de récolte | ||
| Pression de refoulement psig | Pression d'aspiration psig1 | Pression de refoulement psig | Pression d'aspiration psig | |
| 10/50 | 265-340 | 55-33 | 160-175 | 100-120 |
| 21/70 | 270-345 | 60-34 | 165-180 | 110-130 |
| 27/80 | 300-410 | 65-36 | 180-200 | 120-140 |
| 32/90 | 335-420 | 75-38 | 200-210 | 130-150 |
| 38/100 | 390-515 | 80-44 | 230-250 | 160-180 |
| 43/110 | 425-525 | 85-45 | 250-260 | 170-185 |
La pression d'aspiration chute progressivement tout au long du cycle de congélation.
Modèle autonome refroidi par eau
Les caractéristiques varient en fonction des conditions d'exploitation.
DUREES De CYCLE
Durée de congélation + Durée de récolte = Durée totale du cycle
| Temp. air autour de la machine à glaçons °C/°F | Durée de congélation | Durée de récolte1 | ||
| Température de l'eau °C/°F | ||||
| 10/50 21 | 70 32/90 | |||
| 21/70 8,7-9,9 | 9,5-10,8 11 | 1,3-12,8 | 1-2,5 | |
| 27/80 8,9-10,1 | 9,8-11,1 | 11,7-13,2 | ||
| 32/90 9,0-10,3 | 10,4-11,8 | 11,9-13,6 | ||
| 38/100 9,1-10,4 | 11,0-12,6 | 12,2-13,9 | ||
| 43/110 9,4-10,7 | 11,4-13,0 | 12,4-14,0 | ||
1 Durées en minutes
PRODUCTION DE GLAÇONS EN 24 HEURES
| Temp. air autour de la machine à glaçons °C/°F | Température de l'eau °C/°F1 | ||
| 10/50 21/70 | 32/90 | ||
| 21/70 1870 1730 | 1490 | ||
| 27/80 1830 1685 | 1445 | ||
| 32/90 1810 1600 | 1360 | ||
| 38/100 1790 1515 | 1315 | ||
| 43/110 1740 1470 | 1365 | ||
1 Pour un poids moyen de plaque de glaçons de 5,99 à 6,71 kg (13,2 à 14,8 lb)
PRESSIONS D'EXPLOITATION
| Temp. airautour de la machineà glaçons°C/°F | Cycle de congélation Cyle de récolte | |||
| Pression deferoulementpsig2 | Pressiond'aspirationpsig1 | Pression deferoulementpsig | Pressiond'aspirationpsig | |
| 10/50 | 310-320 | 60-38 | 165-180 | 110-125 |
| 21/70 | 310-320 | 60-38 | 165-180 | 115-125 |
| 27/80 | 310-320 | 65-38 | 165-190 | 115-130 |
| 32/90 | 310-320 | 70-38 | 175-195 | 120-135 |
| 38/100 | 320-360 | 75-38 | 180-200 | 120-140 |
| 43/110 | 330-370 | 75-38 | 180-200 | 120-140 |
1 La pression d'aspiration chute progressivement tout au long du cycle de congélation. 2 La vanne de régulation d'eau est réglée pour maintenir 21,7 bar (315 psig).
Modèle à condenseur à distance refroidi par air
Les caractéristiques varient en fonction des conditions d'exploitation.
DUREES De CYCLE
Durée de congélation + Durée de récolte = Durée totale du cycle
| Temp. air entrant dans le condenseur °C/°F | Durée de congélation | Durée de récolte1 | ||
| Température de l'eau °C/°F | ||||
| 10/50 21 | 70 32/90 | |||
| 21/70 8,9-10,19,4-10,7 | 11,0-12,5 | 1-2,5 | ||
| 27/80 9,4-10,7 | 11,8-13,4 | |||
| 32/90 10,2-1,6 | 3 12,9-14,6 | |||
| 38/100 11,7-13,4 | 3 14,0-15,8 | |||
| 43/110 13,7-15,5 | 8 14,3-16,2 | |||
1 Durées en minutes
PRODUCTION DE GLAÇONS EN 24 HEURES
| Temp. air entrant dans le condenseur °C/°F | Température de l'eau °C/°F1 | ||
| 10/50 21/70 32/90 | |||
| 21/70 1830 1740 | 0 1520 | ||
| 27/80 1740 1650 | 0 1430 | ||
| 32/90 1625 1540 | 0 1320 | ||
| 38/100 1435 1350 | 0 1230 | ||
| 43/110 1250 1230 | 0 1205 | ||
1 Pour un poids moyen de plaque de glaçons de 5,99 à 6,71 kg (13,2 à 14,8 lb)
Pressions d'exploitation
| Temp. d'air entrant dans le condenseur °C/°F | Cycle de congélation Cycle de récolte | |||
| Pression de refoulement psig | Pression d'aspiration psig1 | Pression de refoulement psig | Pression d'aspiration psig | |
| -29/-20 | 260-290 | 65-38 | 170-180 | 110-130 |
| 10/50 | 270-330 | 70-38 | 170-180 | 115-130 |
| 21/70 | 280-340 | 75-38 | 170-180 | 120-130 |
| 27/80 | 320-400 | 75-39 | 170-190 | 130-150 |
| 32/90 | 345-420 | 75-40 | 170-195 | 140-155 |
| 38/100 | 395-480 | 85-46 | 180-210 | 140-155 |
| 43/110 | 405-485 | 85-47 | 180-215 | 140-155 |
1 La pression d'aspiration chute progressivement tout au long du cycle de congélation.
Schémas de câblage
Les pages qui suivent contiennent des schémas de câblages électriques. Veiller à bien se reporter au schéma qui correspond à la machine à glaçons considérée.
Avertissement
Toujours sectionner l'alimentation avant d'intervenir sur un circuit électrique.
Certains composants sont câblés différemment sur les machines à haut rendement énergétique. Vérifier le numéro de modèle (page 19) afin de se reporter aux bons schémas.
Les symboles suivants sont utilisés dans tous les schémas de câblage :
- Antisurcharge interne du compresseur (certains modèles ont des dispositifs antisurcharge de compresseur externes) ** Condensateur de marche du moteur du ventilateur (certains modèles n'ont pas de condensateur de marche de moteur de ventilateur)
( ) Désignation du numéro de câble (ce numéro figure à chaque extrémité du câble)
Raccordement à plusieurs broches (côté armoire électrique) —> (côté compartiment du compresseur) —>
Autonome refroidi par air ou par eau
000014009_04
Monoph. air/eau
| Numéro Composant | |
| 1 Pompe à air assistance de récolte | |
| 3 Contactor de bac | |
| 5 Compresseur | |
| 7 Antisurcharge du compresseur | |
| 9 CTP comprésur | |
| 11 Condensateur de marche du compresseur | |
| 14 Moteur de ventilateur du condenseur | |
| 15 Condensateur de marche moteur de ventilateur du condenseur | |
| 17 Bobine de contacteur | |
| 18 Contacts de contacteur | |
| 19 Carte de commande | |
| 21 Sectionneur - Modèles Marine seulement | |
| 22 Écran tactile | |
| 25 Commande de marche du ventilateur | |
| 28 | Fusible |
| 31 | Coupure haute pression |
| 32 | Sonde d'épaisseur de glace |
| 34 | Voyant |
| 41 | Voir détaill sur schéma de carte de commande |
| 42 | Électrovanne - récolte gauche |
| 49 | Thermistances |
| 54 | Transformateur carte de commande |
| 55 | Robinet de vidange d'eau |
| 56 Robinet d'arrivée d'eau | |
| 57 | Sonde de niveau d'eau |
| 58 | Pompe à eau |
| Couleur des conducteurs | |
| BLK | Noir |
| BLU | Bleu |
| BRN | Marron |
| GRY | Gris |
| ORG | Orange |
| PRPL | Violet |
| RED | Rouge |
| WHT | Blanc |
| YEL | Jaune |
| Voir détaill de carte de commande sur schéma de carte de commande | |
It0500/It1200 - Monophonique à distance refroidi par air

| Numéro Composant | |
| 1 Pompe à air assistance de récolte | |
| 3 Contacteur de bac | |
| 5 Compresseur | |
| 7 Antisurcharge du compresseur | |
| 8 Relais de potentiel du compresseur | |
| 11 Condensateur de marche du compresseur | |
| 12 Condensateur de démarrage du compresseur | |
| 14 Moteur de ventilateur du condenseur | |
| 15 Condensateur de marche moteur de ventilateur du condenseur | |
| 17 Bobine de contacteur | |
| 18 Contacts de contacteur | |
| 19 Carte de commande | |
| 22 Écran tactile | |
| 28 Fusible | |
| 31 | Coupure haute pression |
| 32 | Sonde d'épaisseeur de glace |
| 34 Voyant | |
| 41 | Voir détaill sur schéma de carte de commande |
| 42 | Électrovanne - récolte gauche |
| 44 | Électrovanne HPR |
| 45 | Électrovanne - conduite de fluide |
| 49 | Thermistances |
| 54 | Transformateur carte de commande |
| 55 | Robinet de vidange d'eau |
| 56 Robinet d'arrivée d'eau | |
| 57 | Sonde de niveau d'eau |
| 58 | Pompe à eau |
| Couleur des conducteurs | |
| BLK | Noir |
| BLU | Bleu |
| BRN | Marron |
| GRY | Gris |
| ORG | Orange |
| PRPL | Violet |
| RED | Rouge |
| WHT | Blanc |
| YEL | Jaune |
| Voir détaill de carte de commande sur schéma de carte de commande | |
Autonomie refroidi par air ou par eau

| Numéro Composant | |
| 1 Pompe à air assistance de récolte | |
| 1A Pompe à air assistance de récolte (le cas échéant) | |
| 3 Contacteur de bac | |
| 5 Compresseur | |
| 7 Antisurcharge du compresseur | |
| 9 CTP compresseur (deux bornes) | |
| 9A CTP compresseur (trois bornes) le cas échéant | |
| 11 Condensateur de marche du compresseur | |
| 14 Moteur de ventilateur du condenseur | |
| 15 Condensateur de marche moteur de ventilateur du condenseur | |
| 17 Bobine de contacteur | |
| 18 Contacts de contacteur | |
| 19 Carte de commande | |
| 21 Sectionneur - Modèles Marine seulement | |
| 22 | Écran tactile |
| 25 | Commande de marche du ventilateur |
| 28 | Fusible |
| 31 | Coupure haute pression |
| 32 | Sonde d'épaisseur de glace |
| 34 | Voyant |
| 41 | Voir détaill sur schéma de carte de commande |
| 42 | Électrovanne - récolte gauche |
| 43 | Électrovanne - récolte droite (le cas échéant) |
| 49 | Thermistances |
| 54 | Transformateur carte de commande |
| 55 | Robinet de vidange d'eau |
| 56 Robinet d'arrivée d'eau | |
| 57 | Sonde de niveau d'eau |
| 58 | Pompe à eau |
| Couleur des conducteurs | |
| BLK | Noir |
| BLU | Bleu |
| BRN | Marron |
| GRY | Gris |
| ORG | Orange |
| PRPL | Violet |
| RED | Rouge |
| WHT | Blanc |
| YEL | Jaune |
| Voir détaill de carte de commande sur schéma de carte de commande | |
Autonome refroidi par air ou par eau

| Numéro Composant | |
| 1 Pompe à air assistance de récolte | |
| 1A Pompe à air assistance de récolte (le cas échéant) | |
| 3 Contacter du bac | |
| 5 Compresseur | |
| 14 Moteur de ventilateur du condenseur | |
| 15 Condensateur de marche moteur de ventilateur du condenseur | |
| 17 Bobine de contacteur | |
| 18 Contacts de contacteur | |
| 19 Carte de commande | |
| 21 Sectionneur - Modèles Marine seulement | |
| 22 Écran tactile | |
| 25 Commande de marche du ventilateur | |
| 28 Fusible | |
| 31 Coupure haute pression | |
| 32 Sonde d'épaissur de glace | |
| 34 Voyant | |
| 41 Voir détaill sur schéma de carte de commande | |
| 42 Électrovanne - récolte gauche | |
| 43 Électrovanne - récolte droite (le cas échéant) | |
| 49 Thermistances | |
| 54 Transformateur carte de commande | |
| 55 Robinet de vidange d'eau | |
| 56 Robinet d'arrivée d'eau | |
| 57 Sonde de niveau d'eau | |
| 58 Pompe à eau | |
| Couleur des conducteurs | |
| BLK Noir | |
| BLU Bleu | |
| BRN Marron | |
| GRY Gris | |
| ORG Orange | |
| PRPL Violet | |
| RED Rouge | |
| WHT Blanc | |
| YEL Jaune | |
| Voir détaill de carte de commande sur schéma de carte de commande |

It1500/it1900 - monoph. air/eau
| Numéro Composant | |
| 1 Pompe à air assistance de récolte | |
| 1A Pompe à air assistance de récolte | |
| 3 Contacteur de bac | |
| 5 Compresseur | |
| 7 Antisurcharge du compresseur | |
| 9 CTP comprésseur (deux bornes) le cas échéant | |
| 9A CTP comprésseur (trois bornes) le cas échéant | |
| 11 Condensateur de marche du compresseur | |
| 14 Moteur de ventilateur du condenseur | |
| 14a Moteur de ventilateur 12 VCC si utilisé | |
| 15 Condensateur de marche moteur de ventilateur du condenseur | |
| 17 Bobine de contacteur | |
| 18 Contacts de contacteur | |
| 19 Carte de commande | |
| 21 | Sectionneur - Modèles Marine seulement |
| 22 | Écran tactile |
| 25 | Commande de marche du ventilateur |
| 28 | Fusible |
| 31 | Coupure haute pression |
| 32 | Sonde d'épaissur de glace |
| 34 | Voyant |
| 41 | Voir détaill sur schéma de carte de commande |
| 42 | Électrovanne - récolte gauche |
| 43 | Électrovanne - récolte droite |
| 49 | Thermistances |
| 54 | Transformateur carte de commande |
| 55 | Robinet de vidange d'eau |
| 56 Robinet d'arrivée d'eau | |
| 57 | Sonde de niveau d'eau |
| 58 | Pompe à eau |
| Couleur des conducteurs | |
| BLK | Noir |
| BLU | Bleu |
| BRN | Marron |
| GRY | Gris |
| ORG | Orange |
| PRPL | Violet |
| RED | Rouge |
| WHT | Blanc |
| YEL | Jaune |
| Voir détaill de carte de commande sur schéma de carte de commande | |

Autonome refroidi par air ou par eau
| Numéro Composant | |
| 1 Pompe à air assistance de récolte | |
| 1A Pompe à air assistance de récolte | |
| 3 Contactor du bac | |
| 5 Compresseur | |
| 14 Moteur de ventilateur du condenseur | |
| 14a Moteur de ventilateur 12 VCC si utilisé | |
| 15 Condensateur de marche moteur de ventilateur du condenseur | |
| 17 Bobine de contacteur | |
| 18 Contacts de contacteur | |
| 19 Carte de commande | |
| 21 Sectionneur - Modèles Marine seulement | |
| 22 Écran tactile | |
| 25 Commande de marche du ventilateur | |
| 28 Fusible | |
| 31 | Coupure haute pression |
| 32 | Sonde d'épaisseur de glace |
| 34 Voyant | |
| 41 | Voir détail sur schéma de carte de commande |
| 42 | Électrovanne - récolte gauche |
| 43 | Électrovanne - récolte croite |
| 49 | Thermistances |
| 54 | Transformateur carte de commande |
| 55 | Robinet de vidange d'eau |
| 56 Robinet d'acciviée d'eau | |
| 57 | Sonde de niveau d'eau |
| 58 | Pompe à eau |
| Couleur des conducteurs | |
| BLK | Noir |
| BLU | Bleu |
| BRN | Marron |
| GRY | Gris |
| ORG | Orange |
| PRPL | Violet |
| RED | Rouge |
| WHT | Blanc |
| YEL | Jaune |
| Voir détail de carte de commande sur schéma de carte de commande | |

If0500/if0600/if0900/it1200/if1500 - monoph. à distance
| Numéro Composant | |
| 1 Pompe à air assistance de récolte | |
| 3 Contactor de bac | |
| 5 Compresseur | |
| 9 CTP compresseur (deux bornes) | |
| 9A CTP compresseur (trois bornes) le cas échéant | |
| 14 Moteur de ventilateur du condenseur | |
| 15 Condensateur de marche moteur de ventilateur du condenseur | |
| 17 Bobine de contacteur | |
| 18 Contacts de contacteur | |
| 19 Carte de commande | |
| 22 Écran tactile | |
| 28 Fusible | |
| 31 Coupure haute pression | |
| 32 Sonde d'épaissur de glace | |
| 34 Voyant | |
| 41 | Voir détail sur schéma de carte de commande |
| 42 | Électrovanne - récolte gauche |
| 43 | Électrovanne - récolte droite |
| 44 | Électrovanne HPR |
| 45 | Électrovanne - conduite de fluide |
| 49 | Thermistances |
| 54 | Transformateur carte de commande |
| 55 | Robinet de vidange d'eau |
| 56 Robinet d'acciviée d'eau | |
| 57 | Sonde de niveau d'eau |
| 58 | Pompe à eau |
| Couleur des conducteurs | |
| BLK | Noir |
| BLU | Bleu |
| BRN | Marron |
| GRY | Gris |
| ORG | Orange |
| PRPL | Violet |
| RED | Rouge |
| WHT | Blanc |
| YEL | Jaune |
| Voir détail de carte de commande sur schéma de carte de commande | |
If0500/if0600/if0900/it1200/if1500 - TRIPH. condenseur à distance
Condenseur à distance refroidi par air
IF0500/IF0600/IF0900/IT1200/IF1500 - Triph. à distance
| Numéro Composant | |
| 1 Pompe à air assistance de récolte | |
| 3 Contactor de bac | |
| 5 Compresseur | |
| 9 Résistance CPT | |
| 14 Moteur de ventilateur du condenseur | |
| 15 Condensateur de marche moteur de ventilateur du condenseur | |
| 17 Bobine de contacteur | |
| 18 Contacts de contacteur | |
| 19 Carte de commande | |
| 22 Écran tactile | |
| 25 Commande de marche du ventilateur | |
| 28 Fusible | |
| 31 Coupure haute pression | |
| 32 Sonde d'épaissur de glace | |
| 34 Voyant | |
| 41 | Voir détaill sur schéma de carte de commande |
| 42 | Électrovanne - récolte gauche |
| 43 | Électrovanne - récolte droite |
| 44 | Électrovanne HPR |
| 45 | Électrovanne - conduite de fluide |
| 49 | Thermistances |
| 54 | Transformateur carte de commande |
| 55 | Robinet de vidange d'eau |
| 56 Robinet d'acciviée d'eau | |
| 57 | Sonde de niveau d'eau |
| 58 | Pompe à eau |
| Couleur des conducteurs | |
| BLK | Noir |
| BLU | Bleu |
| BRN | Marron |
| GRY | Gris |
| ORG | Orange |
| PRPL | Violet |
| RED | Rouge |
| WHT | Blanc |
| YEL | Jaune |
| Voir détaill de carte de commande sur schéma de carte de commande | |

IT0750/IT0900 - Monophasé à distance
| Numéro Composant | |
| 1 Pompe à air assistance de récolte | |
| 3 Contactor de bac | |
| 5 Compresseur | |
| 9 CTP compresseur (deux bornes) | |
| 9A CTP ccompresseur (trois bornes) le cas échéant | |
| 14 Moteur de ventilateur du condenseur | |
| 15 Condensateur de marche moteur de ventilateur du condenseur | |
| 17 Bobine de contacteur | |
| 18 Contacts de contacteur | |
| 19 Carte de commande | |
| 22 Écran tactile | |
| 28 Fusible | |
| 31 Coupure haute pression | |
| 32 Sonde d'épaissur de glace | |
| 34 Voyant | |
| 41 | Voir détail sur schéma de carte de commande |
| 42 | Électrovanne - récolte gauche |
| 43 | Électrovanne - récolte droite |
| 44 | Vanne de dérivation de condenseur |
| 45 | Électrovanne - conduite de fluide |
| 49 | Thermistances |
| 54 | Transformateur carte de commande |
| 55 | Robinet de vidange d'eau |
| 56 Robinet d'arrivée d'eau | |
| 57 | Sonde de niveau d'eau |
| 58 | Pompe à eau |
| Couleur des conducteurs | |
| BLK | Noir |
| BLU | Bleu |
| BRN | Marron |
| GRY | Gris |
| ORG | Orange |
| PRPL | Violet |
| RED | Rouge |
| WHT | Blanc |
| YEL | Jaune |
| Voir détail de carte de commande sur schéma de carte de commande | |

It0750/It0900 - triphase à distance
| Numéro Composant | |
| 1 Pompe à air assistance de récolte | |
| 3 Contactor de bac | |
| 5 Compresseur | |
| 9 Résistance CPT | |
| 14 Moteur de ventilateur du condenseur | |
| 15 Condensateur de marche moteur de ventilateur du condenseur | |
| 17 Bobine de contacteur | |
| 18 Contacts de contacteur | |
| 19 Carte de commande | |
| 22 Écran tactile | |
| 25 Commande de marche du ventilateur | |
| 28 Fusible | |
| 31 Coupure haute pression | |
| 32 Sonde d'épaissur de glace | |
| 34 Voyant | |
| 41 | Voir détaill sur schéma de carte de commande |
| 42 | Électrovanne - récolte gauche |
| 43 | Électrovanne - récolte droite |
| 44 | Vanne de dérivation de condenseur |
| 45 | Électrovanne - conduite de fluide |
| 49 | Thermistances |
| 54 | Transformateur carte de commande |
| 55 | Robinet de vidange d'eau |
| 56 Robinet d'arrivée d'eau | |
| 57 | Sonde de niveau d'eau |
| 58 | Pompe à eau |
| Couleur des conducteurs | |
| BLK | Noir |
| BLU | Bleu |
| BRN | Marron |
| GRY | Gris |
| ORG | Orange |
| PRPL | Violet |
| RED | Rouge |
| WHT | Blanc |
| YEL | Jaune |
| Voir détaill de carte de commande sur schéma de carte de commande | |
Carte de commande électronique

Schéma de la carte de commandeélectronique
| Numéro Description | |
| 2 iAuCs | |
| 3 Contacteur de bac | |
| 5 Relais de bobine de contacteur du compresseur | |
| 22 Écran tactile | |
| 28 Fusible | |
| 31 Coupure haute pression | |
| 33 Sonde d'épaissur de glace | |
| 34 Voyant - Relais | |
| 34-1 Voyant - Affichage | |
| 34-2 Voyant - Micro | |
| 34-3 Voyant - Nettoyage | |
| 34-4 Voyant - Récolte | |
| 34-5 Voyant - Sonde d'épaissur de glace | |
| 34-6 | Voyant - Sonde de niveau d'eau haute |
| 34-7 | Voyant - Sonde de niveau d'eau basse |
| 34-8 | Voyant - Dérivation d'affichage active |
| 34-9 | Voyant - Contacteur de bac droit |
| 34-10 | Voyant - Contacteur de bac gauche |
| 38 | LuminIce® |
| 42 | Relais d'électrovanne - Récolte gauche |
| 43 | Relais d'électrovanne - Récolte droite |
| 49-1 | Thermistance T1 - Température de conduite de fluide |
| 49-2 | Thermistance T2 - Température de conduite de refoulement |
| 49-3 | Thermistance T3 - Température d'entrée d'évaporateur, modèles à un évaporateur - Température de sortie d'évaporateur, modèles à deux évaporateurs |
| 49-4 | Thermistance T4 - Température de sortie d'évaporateur |
| 49-5 | Thermistance T5 - Sonde de niveau de bac |
| 49-6 | Thermistance T6 - Température de l'eau potable |
| 49-7 | Thermistance T7 - Température de l'air ambient |
| 55 | Relais de robinet de vidange d'eau |
| 56 | Relais de robinet d'arrivée d'eau |
| 57 | Sonde de niveau d'eau |
| 58 | Relais de pompé à eau |
| 70 | EC12 - Moteur de ventilateur CE 12 VCC |
| 71 | Port de communication RS232 |
| 72 | Port de communication RS485 |
| 73 | Connecteur USB |
| 74 | Cavalier d'utilisation d'eau désisionnée/osmose inverse |
| 75 | Bouton Display Bypass |
Filtré à BRUIT électrique
Ce filtre est installé sur l'entrée d'alimentation électrique de tension secteur sur les modèles coréens.

Autonome refroidipar air ou par eau
IF0300/IT0420/IT0450/IT0500/IT0620/IT0750
Autonome refroidi par air ou par eau

| Numéro Compositant |
| 1 Compresseur |
| 2 Condenseur - Refroidi par air ou par eau |
| 3 Récepteur - Refroidi par eau seulement |
| 4 Déshydrateur-filtre de conduite de fluide |
| 5 Échangeur de chaleur |
| 6 TXV - Détendeur thermostatique |
| 7 Évaporateur |
| 8 Tamis |
| 9 Électrovanne de récolte |
IF0900/IT0900 Autonome refroidi par air ou par eau
| Numéro Compositant |
| 1 Compresseur |
| 2 Condenseur - Refroidi par air ou par eau |
| 3 Récepteur - Refroidi par eau seulement |
| 4 Déshydrateur-filtre de conduite de fluide |
| 5 Échangeur de chaleur |
| 6 TXV - Détendeur thermostatique |
| 7 Évaporateur |
| 8 Tamis |
| 9 Électrovanne de récolte |
IT1200 Autonome refroidi par air ou par eau
| Numéro Composant |
| 1 Compresseur |
| 2 CondeNSEur - Refroidi par air ou par eau |
| 3 Récepteur - Refroidi par eau seulement |
| 4 Déshydrateur-filtre de conduite de fluide |
| 5 Échangeur de chaleur |
| 6 TXV - Détendeur thermostatique |
| 7 Évaporateur |
| 8 Tamis |
| 9 Électrovanne de récolte |

| Numéro Compositant |
| 1 Compresseur |
| 2 Condenseur - Refroidi par air ou par eau |
| 3 Récepteur - Refroidi par eau seulement |
| 4 Déshydrateur-filtre de conduite de fluide |
| 5 Échangeur de chaleur |
| 6 TXV - Détendeur thermostatique |
| 7 Évaporateur |
| 8 Tamis |
| 9 Électrovanne de récolte |
MODELES À CONDENSEUR À DISTANCE REFROIDI PAR AIR IT0500/IF0600/IF0900 Condenseur à distance refroidi par air

| Numéro Composant | |
| 1 Compresseur | |
| 2 Clapet antiretour de refoulement | |
| 3 Condensateur - À distance, refroidi par air | |
| 4 Vanne de régulation de pression de refoulement | |
| 5 Clapet antiretour de conduite de fluide | |
| 6 Récepteur | |
| 7 Déshydrateur-filtre de conduite de fluide | |
| 8 Électrovanne de conduite de fluide | |
| 9 Échangeur de chaleur | |
| 10 TXV - Détendeur thermostatique | |
| 11 Évaporateur | |
| 12 Tamis | |
| 13 Électrovanne de récolte | |
| 15 | Électrovanne de pression de récolte |
| 16 | Vanne de régulation de pression de récolte |
It0750/It0900 condenseur à distance refroidi par air

| Numéro Compositant |
| 1 Compresseur |
| 2 Clapet antiretour de refoulement |
| 3 Condenseur - À distance, refroidi par air |
| 4 Vanne de régulation de pression de refoulement |
| 5 Clapet antiretour de conduite de fluide |
| 6 Récepteur |
| 7 Déshydrateur-filtre de conduite de fluide |
| 8 Électrovanne de conduite de fluide |
| 9 Échangeur de chaleur |
| 10 TXV - Détendeur thermostatique |
| 11 Évaporateur |
| 12 Vanne de déivation de condenseur |
| 13 Électrovanne de récolte |
IT1200 Condenseur à distance refroidi par air
| Numéro Compositant | |
| 1 Compresseur | |
| 2 Clapet antiretour de refoulement | |
| 3 Condensateur - À distance, refroidi par air | |
| 4 Vanne de régulation de pression de refoulement | |
| 5 Clapet antiretour de conduite de fluide | |
| 6 Récepteur | |
| 7 Déshydrateur-filtre de conduite de fluide | |
| 8 Électrovanne de conduite de fluide | |
| 9 Échangeur de chaleur | |
| 10 TXV - Détendeur thermostatique | |
| 11 Évaporateur | |
| 12 Tamis | |
| 13 Électrovanne de récolte | |
| 15 | Électrovanne de pression de récolte |
| 16 | Vanne de régulation de pression de récolte |
It1500/it1900 condenseur à distance refroidi par air

| Numéro Composant | |
| 1 Compresseur | |
| 2 Clapet antiretour de refoulement | |
| 3 Condensateur - À distance, refroidi par air | |
| 4 Vanne de régulation de pression de refoulement | |
| 5 Clapet antiretour de conduite de fluide | |
| 6 Récepteur | |
| 7 Déshydrateur-filtre de conduite de fluide | |
| 8 Électrovanne de conduite de fluide | |
| 9 Échangeur de chaleur | |
| 10 TXV - Détendeur thermostatique | |
| 11 Évaporateur | |
| 12 Tamis | |
| 13 | Électrovanne de récolte |
| 15 | Électrovanne de pression de récolte |
| 16 | Vanne de régulation de pression de récolte |
844-724-2273
WWW.MANITOWOCICE.COM
Notice Facile