EVlink Wallbox Plus EVH3S3P02K - Chargeur de véhicule électrique SCHNEIDER - Notice d'utilisation et mode d'emploi gratuit
Retrouvez gratuitement la notice de l'appareil EVlink Wallbox Plus EVH3S3P02K SCHNEIDER au format PDF.
| Caractéristiques techniques | Wallbox de recharge pour véhicules électriques, puissance de 22 kW, compatible avec les véhicules électriques de type 1 et type 2. |
|---|---|
| Dimensions | Dimensions compactes pour un montage mural, facilitant l'installation dans divers espaces. |
| Utilisation | Conçue pour une utilisation domestique et professionnelle, idéale pour les particuliers et les entreprises souhaitant recharger des véhicules électriques. |
| Maintenance | Entretien minimal requis, vérification régulière des connexions électriques recommandée. |
| Sécurité | Équipée de protections contre les surcharges et les courts-circuits, conforme aux normes de sécurité électrique. |
| Informations générales | Installation par un professionnel recommandé, garantie constructeur de 2 ans, support technique disponible. |
FOIRE AUX QUESTIONS - EVlink Wallbox Plus EVH3S3P02K SCHNEIDER
Questions des utilisateurs sur EVlink Wallbox Plus EVH3S3P02K SCHNEIDER
0 question sur cet appareil. Repondez a celles que vous connaissez ou posez la votre.
Poser une nouvelle question sur cet appareil
Téléchargez la notice de votre Chargeur de véhicule électrique au format PDF gratuitement ! Retrouvez votre notice EVlink Wallbox Plus EVH3S3P02K - SCHNEIDER et reprennez votre appareil électronique en main. Sur cette page sont publiés tous les documents nécessaires à l'utilisation de votre appareil EVlink Wallbox Plus EVH3S3P02K de la marque SCHNEIDER.
MODE D'EMPLOI EVlink Wallbox Plus EVH3S3P02K SCHNEIDER
Guide d'installation
de Installationshandbuch
Les instructions de service contenues dans le present document doivent être respectées tout au long de la durée de vie du produit.
REMARQUE IMPORTANTE
- L'installation, l'utilisation, la réparation et l'entretien du matériel électrique doivent être effectués uniquement par du personnel qualifié.
-
Ce matériel ne doit pas etre installe si, lors du déballage, vous observe qu'il est endommagé.
-
Schneider Electric decline toute responsabilité en cas de non-respect des instructions de service containues dans leprésent document et dans les documents auxquels il se refère.
-
Toutes les réglementations locales, régionales et nationales applicables doivent être respectées lors de l'installation et de l'utilisation de ce matériel
-
Cet apparéil ne doit pas être installé si vous constatéz lors du déballage qu'il est endommagé.
-
Les adaptateurs de vehicules et les cordons prolongateurs ne peuvent pas etre utilisés ni sur les cables ni sur les socles de prise.
- Cet apparéil ne permet pas de commander la ventilation du local sur demande du vehicule.
Contents / Contenu de la boîte / Inhalt / Innhold




| en | Label with safety message to be affixed inside the charging station |
| fr | Etiquette avec message de sécurité à coller à l'intérieur de la borne de charge |
| de | Im Inneren der Ladestation anzubringender Aufkleber mit Sicherheitshineisen |
| no | Etikett med adversel som skal festes inni i ladestasjonen |

Description / Description / Beschreibung / Beskrivelse

en
Verrouillage de la borne par clé
Bouton de déverrouillage de la mise
Socle de prise T2/T2S Mode 3
Volet socle de prise
Instructions d'utilisation
Etiquette produit
Bouton Arrêt/Redémarrage etvoyant d'etat

Note: Produits de classe 1 utilisables aussi bien en interieur qu'extérieur. Le produit est également utilisable dans les zones d'accès limite ou non.

3 Message de sécurité pour l'accès à l'intérieur de la borne
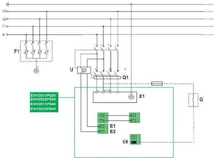
1 Schéma de raccordement situé à l'intérieur du capot
1 Bloc de junction de contrôle
Alimentation
RJ45 réservé à l'usage du constructeur
Contacteur
1 Bloc de jonction de puissance
Entrée cable puissance
Entrée cable des options (déclencheur à minimum de tension, départ différé / limitation de puissance ou signal TIC)
no
fr Résistance de terre et schéma de liaison à la terre
- Cet apparéil est uniquement compatible avec les installations où le schéma de liaison à la terre est de type TT, TN-S ou TN-C-S.
- IT: Compatible avec les réseaux IT monophasés. Certains vehicules nécessitent l'ajout d'un transformateur d'isolement.
Pour les résaux IT triphases, l'ajout d'un transformateur d'isolement est nécessaire.
- Quelques vehicules mesurent la résistance de terre et peuvent ne pas demarrer la charge si elle est supérieure à un seuil. Se reférer à la documentation technique du vehicule.
Pour la conformité de l'installation aux exigences de la marque EV Ready et du label ZE Ready, la résistance de terre ne doit pas dépasser 100 Ω.
- La résistance de terre doit toujours être inférieure à la valeur maximale définie dans les normes d'installation électrique en vigueur.
Protections électriques
| Puisance de charge nominale | ||||
| 3,7 kW 7,4 kW | 11 kW 22 kW | |||
| Protection contre les surintensités | 20 A 1-ph courbe C | 40 A 1-ph courbe C | 20 A 3-ph courbe C | 40 A 3-ph courbe C |
| Protection différentielle | 30 mA type B | 30 mA type B | 30 mA type B | 30 mA type B |
Recommendations
- Un déclencheur à minimum de tension (MNx) commande par la borne de charge doit être installé pour permettre d'activer le déclenchement du disjoncteur en amont.
- Il est recommandé d'utiliser le "Acti9 iID type B pour VE" (références commerciales : A9Z51225, A9Z51240, A9Z51440, A9Z51425). S'il n'est pas disponible dans le pays il peut être remplaçé par le "Acti9 iID type B-SI" (références commerciales : A9Z61225, A9Z61240, A9Z61425, A9Z61440).
- Il est recommandé d'utiliser des cables couples pour l'alimentation de la borne de charge.
-
Un parafoudre est recommendé si le niveau kéraunique est élevé dans la région. Dans ce cas, appliquer la réglementation locale.
-
La détermination des protections et la section des cables se fera conformément aux normes locales en vigueur en utilisant les informations ci-contre et en respectant les contraintes de l'installation électrique. En particulier, la protection可以选择 doit satisfaire aux exigences de l'IEC 61851-1 ed3.0 §13.3 en limitant la valeur I^2t à 75 000A²s qui peut être assureé par des protections Schneider Electric de la gamme Acti9 replissant la fonction. Pour plus d'informations sur les dispositifs de protection à utiliser, veillez consulterer votre bureau de vente régional. Les modèles de protection ne sont fournis qu'à titre indicatif et ne sauraient engager la responsabilité de Schneider Electric.
Scheme de cablage standard avec un contrat historique (exemple tarif bleu)

Standard-Schaltplan


Specific for France / Spécifique pour la France
Scheme de cablege TIC historique avec contrat non-historique (« Tarif vert électriche Auto » ou autre contrat). Il est nécessaire d'ajouter un relais inverseur ref: A9C23715 pour la prise en compte des heures creuses. Pour plus d'informations, se référer page suivante.


en
- La borne de charge est équipée d'une entree TIC (Tele-Information Client) qui lui permit d'être raccordée aux compteurs Electroniques en France (anciens compteurs electroniques et nouveaux compteurs Linky). Attention, seule la liaison TIC en mode "historique" est gerée et uniquement dans un compteur monophasé. Le mode "standard" n'est pas reconnu.
En mode historique la EVlink Walbox Plus peut gérer les deux types de contrats: - Historique : Exemple : « Tarif bleu »
- Non historique : Autres type de contrat.
Les contrats non historiques peuvent etre geres uniquely pour les bornes possedant une date de fabrication après le 01/11/2021.Pour connaître la date du code usine, se reférer au numero de série sur l'etiquette du produit qui se trouve sur le coto en bas de la borne, SN: MM_YYWWD_RR_LLL_NNN, avcc:
MM:code de l'usine de fabrication
YY:année de fabrication en 2 digits
WW: semaine de fabrication en 2 digits (selon ISO 8621: semaine 01 = semaine contenant le premier jeu de l'année)
D:journée de fabrication en 1 digit (selon ISO 8621: lundi =1 et dimanche=7)
RR: révision du produit en 2 digit (correspond à l'indice Symphony)
LLL: numero de lot
NNN : numero unique et incrémental dans le lot.
Dans le cas du contrat non historique il est nécessaire d'ajouter un inverseur
A9C23715 pour la prise en compte des heures creuses. Voir schema de cablage page precedente.
La liaison TIC doit être branchée sur le bloc de jonction T1-T2.
L'interface TIC est destinée à éviter le risque de déclenchement de la connexion sur le réseau (compteur électriche ou disjoncteur de branchement) lorsque la consommation totale du domicile est proche de la puissance souscrite.
Une seule borne de charge peut être utilisé avec le compteur. Aucun réglage manuel n'est nécessaire. Conformément aux informations fournies par l'interface TIC - courant total immédiat et valeur de courant souscrite - la borne de charge calculée la valeur de courant de charge maximale disponible pour le vehicule électrique et ajuste automatiquement la valeur de consigne du courant de charge maximale donnée au vehicule.
Si la valeur est inférieure à la valeur minimale acceptable par le vehicule, le
processus de charge est interrompu et reprendra des que possible.
En outre, l'interface TIC fournit l'indication heures pleines/heures creuses permettant à la borne de charge de différer ou de suspendre la charge, ou de charger lentement, durant les heures pleines, si le mode de charge associé a été sélectionné (se référer au chapitre 15).
Chaque fois que la sortie TIC du compteur n'est pas facilement accessible, un
A simulator TIC peut être utilisé. Se réferer à sa documentation pour savoir comment le désigner et utiliser.
Le simulator TIC peut également être utilisé en dehors de la France quel que soit
le compteur electrique, dans les pays ou il y a une puissance limite (souscrite) au
domicile. Consulter la documentation du simulator TIC pour confirmer la faisabilité.
-
La borne de charge a une entrée conditionnelle E6 qui peut être configurée en "démarriage différé" ou en "limitation de puissance", ou encore en "a ignorer" (paramètre usuelle). L'entrée conditionnelle peut être raccordée à n'importe quel dispositif capable de fermer un contact. Elle est active lorsqu'elle est raccordée au secteur. Elle reste inactive si elle n'est pas raccordée.
-
Demarrage de charge différé
L'entrée conditionnelle peut par exemple être raccordée à une horloge pour programmermer les heures de charge ou à un contacteur heures pleines/heures creuses pour charger uniquement durant les heures creuses. Le démarrage est différent tant que l'entrée est active.

(*) Initialisation de la communication entre le vehicule electrique et la borne de charge (30 secondes)
- Limitation de puissance de charge
L'entree conditionnelle peut etre connectee a un delsteur par exeample.Tant que I'entree est active, la borne de charge reduit la valeur de consigne maximale du courant de charge donnee au vehicule: - De 16 à 10 A pour les bornes de charge 3 et 11 kW
- De 32 A à 16 A pour les bornes de charge 7 et 22 kW
de
- Mettre la bome à l'abri des projections de poussière ou d'eau pendant les travaux de fixation du support.
-
Conservez le capot fermé lors de toute opération qui ne nécessite pas d'opérer à l'intérieur de la borne.
Fixez la borne de charge sur un support plan suivant les normes et reglementations locales en vigueur (écart de planéité < 2 mm/m ). -
Utilisez des vis, rondelles et chevilles adaptées au matériel de la paroi.
Le non-respect de ces instructions peut provoquer des dommages matériels.
RISIKOFOR SKADE PÄ LADESTASJONEN
- Ouvrez le circuit électrique destiné à l'alimentation de cet apparéil avant intervention.
Utilisez un Verificateur d'Absence de Tension (VAT) du calibre approprié. - Ne mettez pas en service la borne de charge si la résistance de terre mesurée est supérieure au seuil défini dans la règlementation en vigueur.
- Installer les protections contre les surintensités et les protections différentielles selon les instructions et recommendations de la Section 4.
- N'utilisez pas un système de réarmement automatique de la protection différentielle.
Le non-respect de ces instructions provoquera la mort ou des blessures graves.
- Ne touchez pas les cartes électroniques.
- Utilisez des protections antistatiques lors des opérations de raccordement à l'intérieur de la borne.
- Protégez la borne par un parasurtenseur lorsque le risque orageux est avéré.
Le non-respect de ces instructions peut provoquer des dommages matériels.
Selon le niveau kéraunique (activité orageuse) de la région il est recommandé de protégger la borne de charge contre les surtensions par un dispositif installé dans le tableau électrique. Ce dispositif de protection contre les surtensions ne remplace pas la protection contre la foudre telle que définie dans les normes d'installations électriques en vigueur.

Etiquette avec message de sécurité à coller à l'intérieur de la borne de charge

Le bon fonctionnement de la protection différentielle doit être vérifié périodiquement.
Pour vérifier le fonctionnement de la protection différentielle après l'installation :
-
Fermez le disjoncteur en amont de la borne (Q1).
-
Appuyez sur le bouton test en face avant du disjoncteur différentiel.
La protection différentielle doit déclencher immédiement. Si ce n'est pas le cas, cela indique que le disjoncteur différentiel est en panne. Changez-le immédiement.
no
Jordfeilbryteren skal testes med jevne mellomrom for a sikre at den fungerer korrett. Nar den skal testes gjor du folgende:
Trois modes de fonctionnement sont disponibles d'un point de vue de la gestion de l'énergie (se référer au chapitre 6)
Mode 1 (paramètre usine) : pas de démarriage différé, pas de limitation de la puissance de charge
Mode 2 : démarrage diffééré activé
Mode 3: limitation de puissance de charge activée

Le mode de fonctionnement peut etre modifie

Le mode de l'absence neuf sauf ce qui est uniquement en l'absence de vehicule raccordé à la borne de charge.

Mode de fonctionnement - Signal TIC détecté
L'entrée E6 est ignorée, même si elle est active, lorsque le signal TIC est détecté par la borne de charge.
Mode 1:
- Charge au courant nominal dynamiquement contrôlee selon les informations liées au courant fournies par l'interface TIC.
Mode 2:
- L'indication heures creuses / heures pleines fournie par l'interface TIC est prise en compte. L'absence d'indication signifie heures creuses.
- Charge uniquement durant les heures creuses.
- Charge au courant nominal dynamiquement contrôle selon les informations liées au courant fournies par l'interface TIC.
Mode 3:
- L'indication heures creuses / heures pleines fournie par l'interface TIC est prise en compte. L'absence d'indication signifie heures creuses.
- Charge au courant nominal durant les heures creuses.
- Charge à un courant limite durant les heures pleines.
- Courant de charge toutes contrôle dynamiquement selon les informations liées aux courant fournies par l'interface TIC.
Mode de fonctionnement - Signal TIC NON détecté
Mode 1:
L'entree E6 est ignorer, meme si elle est active.
Charge au courant nominal.
Mode 2:
L'entree E6 est gerée.
- La charge est désactivée si l'entrée E6 est active.
- Sinon, la charge est au courant nominal.
Mode 3:
L'entree E6 est gerée.
- Charge à un courant limitée si l'entrée E6 est active, sinon charge au courant nominal.

Verrouillage de la borne par la clé
- Insertion de la prise impossibly
- Extraction du cable impossible
- Demarrage/Arrêt de la charge impossible

| en | fr | |
| No power supply. Pas d'alimentation. | ||
| Standby mode, no vehicle connected. Mode veille, aucun vehicule connecté. | ||
| Waiting for the vehicle to start charging. En attente que le vehicule commence à se charger. | ||
| Charging stopped by the vehicle. Charge arrêtée par le vehicule. | ||
| Charging deferred or suspended by conditional input. | Charge différée ou suspendue par l'entreté conditionnelle. | |
| Charging deferred or suspended by on-peak indication provided by the TIC interface. | Charge différée ou suspendue par l'indication heures pleines fournie par l'interface TIC. | |
| Charging suspended by user (front face push-button). | Charge suspendue par l'utilisateur (bouton-poussoir face avant). | |
| Charging suspended by the TIC interface. Charge suspendue par l'interface TIC. | ||
| Start forced by user (front face push-button) in deferred or suspended charging mode, waiting for vehicle to start. | Démarriageforcépar l'utilisateur (bouton-poussoir face avant) en mode de charge différé ou suspendu, en attente de démarriage du vehicule. | |
| Normal charging - No TIC signal detected. Charge normale - Pas de signal TIC décté. | ||
| Normal charging, forced by the user in deferred or suspended charging mode activated by the conditional input - No TIC detected. | Charge normale,forcépar l'utilisateur en mode de charge différé ou suspendu activé par l'entreté conditionnelle - Pas de TIC décté. | |
| Slow charging, power limited by the conditional input - No TIC signal detected. | Charge lente,puissance limitée par l'entreté conditionnelle - Pas de signal TIC décté. | |
| Slow charging during the charging process initialization - No TIC signal detected. | Charge lente durant l'initialisation du processus de charge - Pas de signal TIC décté. | |
| Normal charging - TIC signal detected. Charge normale - Signal TIC décté. | ||
| Normal charging, forced by the user in deferred or suspended charging mode activated by the on-peak indication provided by the TIC interface. | Charge normale,forcépar l'utilisateur en mode de charge différé ou suspendu par l'indication heures pleines fournie par l'interface. | |
| Slow charging, power limited by the on-peak indication provided by the TIC interface. | Charge lente,puissance limitée par l'indication heures pleines fournie par l'interface TIC. | |
| Slow charging during the charging process initialization - TIC signal detected. | Charge lente durant l'initialisation du processus de charge - Signal TIC décté. | |
| Error detected (refer to chapter 16). Erreur dépréciée (se référer au chapitre 16). | ||
| It is mandatory to immediately cut off the power supply of the charging station by opening the upstream circuit-breaker. Refer to chapter 16. | Il est impératif de couper immédiatement l'alimentation de la borne de charge en ouvrant le disjoncteur en amont. Se reporter au chapitre 16. |
15.3 Meanings of the indicator light / Signification du voyant lumineux / Bedeutung der Status-LEDs / Betydning av indikatorlyset

Charging stopped by the vehicle. Charge arrêtée par le vehicule.
Error detected (refer to chapter 16). Erreur détectee (se référer au chapitre 16).

Charge differée ou suspendue par l'entrée conditionnelle.
Charge differée ou suspendue par l'indication heures pleines fournie par l'interface TIC.
Charge suspendue par l'utilisateur (boulon-poussoir face avant) avant de verrouiller la borne de charge.
Démarrage forcé par l'utilisateur (bouton-poussoir face avant) en mode de charge différé ou suspendu avant de verrouiller la borne de charge, en attente du démarrage du vehicule.
e soit la détéction du signal TIC.
Charge normale, forcee par l'utilisateur en mode de charge differé ou suspendu activé par l'entrée conditionnelle, avant de verrouiller la borne de charge - Pas de TIC détectee.
Charge normale, forcee par l'utilisateur en mode de charge differé ou suspendu activé par l'indication heures pleines fournie par l'interface TIC, avant de verrouiller la borne de charge.
Charge lente, puissance limitée par l'indication heures pleines fournie par l'interface TIC.
Charge lente, puissance limitée par l'indication heures pleines fournie par l'interface TIC
Charge lente durant l'initialisation du processus de charge, qu'elle que soit la détction du signal TIC.
Il est imperatif de couper immédiatement l'alimentation de la borne de charge en ouvrant le disjoncteur en amont.
Se reporter au chapitre 16.
15.3 Meanings of the indicator light / Signification du voyant lumineux / Bedeutung der Status-LEDs / Betydning av indikatorlyset


Keine Energieversorgung. Ingen strømtilforsel.

- Il est impératif de couper immédiatement l'alimentation de la borne de charge en ouvrant le disjoncteur en amont. (le contacteur sur le circuit de charge ne s'ouvre plus).
- Le disjoncteur en amont aurait dû se déclenger. Vérifier le cable et le bon fonctionnement du déclencer à minimum de tension (MNx).
- Contactez le support clients de Schneider Electric après avoir relevé la référence commerciale et le numero de série sur l'étiquette du produit.
no
- Man mä bryte strømtilførşelen til ladestasjorden ved à apne opp jordfeibryteren oppstrøms. (kontaktoren på ladekretsløpet apnes ikke longer).
- Jordfeilbryteren oppstroms skulle ha koblet ut. Sjekk kablingen og funksjonen for underspenningsutseren (MNx).
- Kontakt Schneider Electric kundeservice erter Först à ha notert artikkelnummeret og serienummeret som du finner på produits etikett.
16.2 Fixed red indicator light / Voyant rouge fixe / Roter Leuchtmelder leuchtet/ Fast lysende rdt indicatorlys

16.2 Fixed red indicator light / Voyant rouge fixe / Roter Leuchtmelder leuchtet/ Fast lysende rodt indicatorlys

Voyant d'etat Origine Mèsure à prendre
| Borne de charge | • Contactez le support clients de Schneider Electric après avoir relevé la référence commerciale et le numéro de série sur l'étiquette du produit. | |
| Cable de charge | • Essayez avec un autre cable de charge. • Si le problème persiste, contactez le support clients de Schneider Electric après avoir relevé la référence commerciale et le numéro de série sur l'étiquette du produit. • Si le problème est résolu, contacter le fournisseur du cable. | |
| Véhicule électrique | • Contactez le concessionnaire du vehicule électrique. | |
| Véhicule électrique ou borne de charge | • Contactez le support clients de Schneider Electric après avoir relevé la ↔équence commerciale et le numéro de série sur l'étiquette du produit. | |
| Perte du signal TIC | • Vérifie la liaison TIC entre la borne de charge et le compteur électrique. • Si l'interface TIC ne doit plus être utilisée, appuyez sur le bouton-poussoir pendant au moins 5 secondes pour réinitialiser la notification des pannes. | |
| Courant de début continu détecté | • La borne de charge a déetecté un courant de début continu créé par le vehicule. Débranchez le vehicule puis rebranchez-le et essayez de relancer la charge. Si le courant de début continu persiste, le vehicule doit être réparé. |

- Normes : CEI/EN 61851-1 ed 3.0; CEI/EN 61851-21-2 ed 1.0;
CEI/EN 62196-1 ed 3.0; CEI/EN 62196-2 ed 2.0
Tension
220-240 Vac monophasé - 50/60 Hz
380-415 Vac triphase - 50/60 Hz
Courant de charge maximal par phase : - 16 A (EVH3S3P02K, EVH3S3P04K, EVH3S11P02K, EVH3S11P04K)
32 A (EVH3S7P02K, EVH3S7P04K, EVH3S22P02K, EVH3S22P04K) - Consommation de l'entrée depuis ou limitation de puissance : 200 mA
Protection contre les infiltrations et protection contre les chocs
IP54 selonnorme CE1 60529
IK10 selon norme CEI 62262 - Température de fonctionnement : -30 °C à +50 °C
- Température de stockage: -40 °C à +80 °C
no
- Standarder: IEC/EN 61851-1 ed 3.0; IEC/EN 61851-21-2 ed 1.0;
IEC/EN 62196-1 ed 3.0; IEC/EN 62196-2 ed 2.0 - Spenning
220-240 Vac enfase - 50/60 Hz
380-415 Vac trefase - 50/60 Hz - Maks. ladestrom per fase:
16 A (EVH3S3P02K, EVH3S3P04K, EVH3S11P02K, EVH3S11P04K)
32 A (EVH3S7P02K, EVH3S7P04K, EVH3S22P02K, EVH3S22P04K) - Forbruk ved utsatt start aller strømbegrensning: 200 mA
- Beskyttelese mot inntrengning og mot støt:
IP54 i overensstemmelse med standard IEC 60529, - IK10 i overensstemmelse med standard IEC 62262,
- Drifttemperature: -30 °C til +50 °C
- Oppbevaringstemperatur: -40 °C til +80 °C
18
Recycling packaging / Recyclage des emballages / Verpackungsverwertung / Resirkulering av emballasje
en
Les matériaux d'emballage de cet apparéil sont recyclables.
Participez à leur recyclage et contribuez ainsi à la protection de l'environnement en les déposant dans les conteneurs prévus à cet effet.
Nos you remercions pour voite contribution a la protection de I'environnement.
Notice Facile