GIG62 - Table de mixage DAP-Audio - Notice d'utilisation et mode d'emploi gratuit
Retrouvez gratuitement la notice de l'appareil GIG62 DAP-Audio au format PDF.
| Caractéristiques techniques | Détails |
|---|---|
| Type de produit | Table de mixage |
| Nombre de canaux | 6 canaux |
| Entrées | 4 entrées mono, 2 entrées stéréo |
| Connectivité | Entrées XLR, TRS, RCA |
| Alimentation | Alimentation externe |
| Dimensions | Compacte, idéale pour le transport |
| Poids | Léger, facile à manipuler |
| Utilisation | Idéale pour les concerts, événements live et enregistrement |
| Maintenance | Nettoyage régulier des connexions et des faders |
| Sécurité | Utiliser uniquement avec l'alimentation fournie |
| Informations générales | Vérifier la compatibilité avec les équipements audio avant l'achat |
FOIRE AUX QUESTIONS - GIG62 DAP-Audio
Questions des utilisateurs sur GIG62 DAP-Audio
0 question sur cet appareil. Repondez a celles que vous connaissez ou posez la votre.
Poser une nouvelle question sur cet appareil
Téléchargez la notice de votre Table de mixage au format PDF gratuitement ! Retrouvez votre notice GIG62 - DAP-Audio et reprennez votre appareil électronique en main. Sur cette page sont publiés tous les documents nécessaires à l'utilisation de votre appareil GIG62 de la marque DAP-Audio.
MODE D'EMPLOI GIG62 DAP-Audio
Instructions pour le déballage 2
Consignes de sécurité 2
Conditions d'utilisation 4
Instructions de return. 4
Réclamations 4
Caracteristiques 5
Aperçu 5
Installation 6
Introduction. 6
Pret a demarrer 6
Éléments de contrôle 7
Installation et connexion 10
Cables de connexion 11
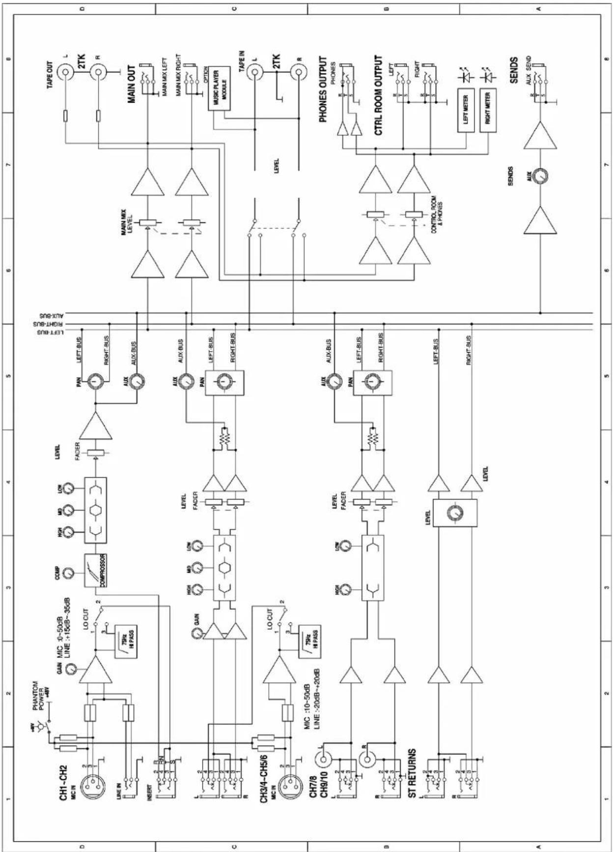
Schemadubloc 12
Caracteristiques techniques 13
Dimensions 14
Avertissement

POUR VOTRE PROPRE SECURITE, VEUILLEZ LIRE ATTENTIVEMENT
CE MANUEL DE L'UTILISATEUR
AVANT LA PREMIÈRE MISE EN MARCHE DE L'APPAREIL!

Instructions pour le déballage
Des réception de ce produit, veuillez deballer le carton soigneusement et en vérifier le contenu pour vous assurer de la présence et du bon état de toutes les pieces. Si une piece a été endommagée lors du transport ou que le carton lui-même porte des signes de mauvaise manipulation, informez-en aussitot le revendeur et conservez le matériel d'emballage pour vérification. Veuillez conserver le carton et les emballages. Si un apparéil doit être renvoyé à l'usine, il est important de le remettre dans sa boîte et son emballage d'origine.
Le contenu expédié comprend :
- Console de mixage Mini-GIG-62
Adaptateur d'alimentation C.A. - Manuel de l'utilisateur

ATTENTION!
Conserve l'appareil à l'abri de la pluie et de l'humidité!
Débranchez l'appareil avant d'ouvrir le boîtier!

Consignes de sécurité
Toute personne impliquée dans l'installation, le fonctionnement et l'entretien de ce système doit :
- être qualifiée;
- suivres consignes de ce manuel.

ATTENTION! Soyez prudent lorsque vous effectuez des opérations. La présence d'une tension dangereuse peut entraîner un risque de chic électrique lié à la manipulation des cables!

Avant la première mise en marche de votre apparéil, assurez-vous qu'aucun dommage n'a été causé pendant le transport. Dans le cas contraire, contactez votre revendeur et n'utilise pas le système.
Pour conserver toute matière en bon et s'assurer qu'il fonctionne correctement et en toute sécurité, il est absolument indispensable pour l'utiliser de suivre les consignes et avertissements de sécurité de ce manuel.
Veuillez notes que les dommages causés par tout type de modification manuelle apportée au système ne sont enaucun cas couverts par la garantie.
Cet apparéil ne contient aucune piece susceptible d'être réparée par l'utilisateur. Confiez les opérations de maintenance et les réparations à des techniciens qualifiés.
IMPORTANT :
le fabriquant ne sera enaucn cas tenu responsable des dommages causés par le non-respect de ce manuel ou par des modifications non autorises du systeme.
GIG-62
- Ne mettez jamais en contact le cordon d'alimentation avec d'autres cables! Manipuez le cordon d'alimentation et tous les cables liés au secteur avec une extrème prudence!
N'enlevez jamais l'étiquetage informatif et les avertissements indiqués sur l'appareil. - Ne couvrez jamais le contact de masse avec quoi que ce soit.
- Ne laissez jamais trainer de câbles par terre.
N'inserez pas d'objets dans les orifices d'agration. - Ne connectez pas cet apparéil à un bloc de puissance.
N'allumez et n'eteignez pas le système à des intervalles réduits. Cela pourrait nuir à sa durée de vie.
N'ouvrez et ne modifiez pas l'appareil. - Ne soumettez pas les entrées à un niveau de signal plus élevé que celui requis pour faire fonctionner l'équipment à pleine puissance.
- Ne branchez pas de micros sur la console (ou sur la stagebox) pendant que l'alimentation fantôme est allumée. Pensez également à désactiver le système de monitoring / PA en allumant ou en éteignant l'alimentation fantôme. Laissez le système s'ajuster pendant quelques secondes avant de régler les gains d'entrée.
Utilisez le système uniquement dans des espaces interieurs et évitez de le mettre en contact avec de l'eau ou tout autre liquide. - Evitez les flammes et eloignez l'appareil des liquides ou des gaz inflammables.
- Debranchez toujours l'appareil lorsqu'il n'est pas utilisé et avant de le nettoyer! Prenez soit de manipuler le cordon d'alimentation uniquement par sa fiche. Ne retirez jamais celle-ci en tirant sur le cordon d'alimentation.
Veillez à tousjours faire fonctionner l'unité une fois sa prise de terre connectee à la masse du système électrique.
Assurez-vous de ne pas utiliser des types de cable incorrectly ou des cables abimés.
Assurez-vous que les signaux de la table de mixage sont balancés afin d'empêcher les parasites.
Veillez a bien utiliser des boites d'injection pour balancer les signaux non balances afin que tous les sianquents entrants soient clairs.
Assurez-vous que la tension disponible n'est pas supérieure à celle indiquée sur le panneau situé à l'amière.
Assurez-vous que le cable d'alimentation n'est pas endommagé ou ne comporte pas d'éraflures.
Vérifiez régulierement le système et le cable d'alimentation.
Lorsque you changez le cordon d'alimentation ou le cable signal, veuillez couper l'alimentation ou selectionner I'interrupteur de mode d'entree.
Des augmentations de fréquences excessives liées à un niveau de signal élevé peuvent faire saturer votre équipement. Si cela se produit, il est nécessaire de réduire le niveau du signal d'entrée en utilisant le contrôle INPUT.
Pour rehauser une gamme de fréquences, vous n'avez pas nécessairement besoin de les augmenter. Essayez plutôt de diminuer les fréquences environnantes. Cela évitera de faire saturer l'équipement situé derrière la GIG-62 dans la chaine du son. Vous préservez ainsi une réserve dynamique très utile (« hauteur »). - Evitez les boucles de masse! Prenez soit de toutes connecter les amplificateurs de puissance et la table de mixage au même circuitélectrique afin d'assurer le même type de phase!
Si you heurte ou laissez tomber l'appareil, debranche-ile immediatement du courant electrique. Par securite, faites-le reviser par un technicien qualifié avant de l'utiliser. - Si l'appareil a ete exoed a de grandes diffeences de temperature (par exemple apres le transport), ne le branchez pas immediatement. La condensation qui se formerait a l'intérieur du système pourrait l'endommager, Laissez le système hors tension et a temperature ambiante.
Si vous produit Dap Audio ne fonctionne pas correctement, veuillez cesser de l'utiliser immédiatement. Emballez-le correctement (de préférence dans son emballage d'origine) et renvoyez-le à votre revendeur Dap Audio pour révision. - Les réparations, maintenance et connexions électriques doivent être prises en charge par un technicien qualifié.
En cas de remplacement, utilisez uniquement des fusibles de meme type ou de meme calibre.
GARANTIE: jusqu'à un an après la date d'achat.

La mise au rebut de ce produit devrait être faite dans des installations de collecte municipales selon les normes de recyclage en vigueur.
Conditions d'utilisation
- Cet appeareil ne doit pas etre utilise en permanence. Des pauses regulières vous permettront de le faire fonctionner pendant une longue période sans problèmes.
La distance minimum entre la sortie lumineuse et la surface illuminée doit etre d'au moins 0,5 metre.
La température ambiante maximalet t_ = 45^ ne devra jamais etre depassee.
L'humidité relative ne doit pas dépasser 50 % à une température ambiente de 35^
Si I'appareil est utilise de maniere differente a cette decrite dans ce manuel, il peut subir des degats entrainant I'annulation de la garantie.
Toute autre utilisation peut etre dangereuse et provoquer un court-circuit, des brulures, un chic electrique, un accident, etc.
Vos mettriez ainsi en danger votre sécurité et celle des autres!

Instructions de retard

Les marchandises qui font l'objet d'un retour doivent être envoyées en prépayé et dans leur emballage d'origine. Aucun appel téléphonique ne sera traité.
L'emballage doit clairment indiquer le numero d'autorisation de retour (Numero RMA). Les produits retournés sans numero RMA seront refusés. Highlite refusera les marchandises renvoyées et se dégagera de toute responsabilité. Contactez Highlite par téléphone au 0031-45566772 ou en envoyant un courier électronique à aftersales@highlite.nl pour demander un numero RMA avant d'expédier le produit. Soyez pré à fournir le numero du modele, le numero de série et une brève description de la raison du retour.
Veillez à bien emballer le produit. Tout dégât cause lors du transport par un emballage inapproprié n'engagera que la responsabilité du client. Highlite se reserve le droit, à sa désciétion, de decide deréparer ou de remplancer le(s) produit(s). Nous vous conseillons d'utiliser une méthode d'envoi sans risques : un emballage approprié ou une double boîte UPS.
Remarque
Si un numero RMA vous a ete attribué, veuliez inclure dans la boite une note ecrite contenant les informations suivantes:
1) votre nom;
2) votre adresse ;
3) Your numéro de téléphone;
4) une brève description des problèmes.
Réclamations
Le client a l'obligation de vérifier immédiatement les produits à la livraison pour détecter tout défaut et/ou toute imperfection visible. Il peut effectuer cette vérification après que nous avons confirmé que les produits sont à sa disposition. Les dégats causés lors du transport engagent la responsabilité de l'expéditeur; par conséquent, ils doivent être communiqués au transporter des réception de la marchandise.
En cas de dégât subi lors du transport, le client doit en informer l'expéditeur et lui soumettre toute réclamation. Les dégats liés au transport doivent nous être communiqués dans la journée qui suit la réception de la livraison.
Toute expédition de retard doit être effectue à post-païement. Les expéditions de retard doivent être accompagnées d'une dette en indiquant la ou les raison(s). Les expéditions de retard qui n'ont pas été prépayées seront refusées, à moins d'un accord précis stipué par écrit.
Toute réclamation à notre encounter doit être faite par écrit ou par fax dans les 10 jours ouvrables suivant la réception de la facture. Àpres cette période, les réclamations ne seront plus prises en compte.
Les réclamations ne seront alors considérées que si le client a, jusqu'ài, respecté toutes les parties du contrat, sans tener compte de l'accord d'ou résultat l'obligation.
Description de l'appareil
\section*{Caracteristiques}
- Préamplis micro à très faible bruit dotés d'alimentation fantôme +48 V.
- Hauteur très élevé offrant plus de gamme dynamique.
- 2 canaux micro avec entree de ligne XLR non balancée.
- 2 entrées stéreo avec jack TRS balancé.
- Canaux mono pourvus chacun d'une égalisation à 3 bandes et de fémoins LED d'écrêtage.
- Canaux stéreo pourvus chacun d'une égalisation à 2 bandes et de fémoins LED d'écretage.
- Chaque canal dispose d'un envoi AUX pour les effets et le monitoring externes.
- Entrée bipiste assignable au mixage principal ou aux sorties contrôle / casque.
- Sortie TRS non balancée, sorties contrôle / casque.
Aperçu

Installation
Introduction
Table de mixage compacte professionnelle qui offre une excellente qualite et une fiabilité optimise. Grace a elle, vous obtiendrez un son fluide, précis, plus naturel et ouvert. Elle est ideale pour les concerts, l'enregistrement et les installations audio fixes.
La console de mixage GIG-62 est dotée de fonctionnalités dont ne disposent pas les autres apparciels de sa catégorie : 2 entrées mono (dotees de préamplis micro à très faible bruit et d'une alimentation fantôme +48 V) et 2 entrées stéreo, chacune d'entre elles disposant d'un égaliseur à 3 bandes (fréquences basses, aiguës et Médiums), d'un contrôle auxiliaire, d'afficheurs de niveaux à 4 segments très précis, d'entrées bipistes assignables au mixage principal, de sorties contrôle / casque, etc.
Cette unité est très facile à manipuler. Nous vous conseillons néanmoins de parcourir attentivement chaque section de ce manuel.
Pretàdemarrer
1) Veuillez vérifier la tension C.A. de votre pays avant de brancher votre table de mixage à la prise C.A.
2) Assurez-vous que l'interrupteur contrôle l'alimentation de l'appareil est eteint avant de brancher la table de mixage à la prise C.A. Assurez-vous égarlement que tous les contrôles des entrées et sorties sont bioissés. Cela évitera des bruits excessifs susceptibles d'abrir les enceintes.
3) Commencez toujours par allumer la table de mixage avant l'amplificateur ; éteignez-la après avoir étéint l'amplificateur.
4) Avant de brancher ou de débrancher l'unité de la source d'alimentation, prenez soit de tousjours l'éteindre.
5) Nettoyage: débranchez l'alimentation électrique, puis nettoyez la table de mixage à l'aide d'un chiffon humide. Ne plongez sousaucnPrefexteI'unité dans un liquide.N'utilisez ni alcool ni solvants.
Éléments de contrôle
1. JACKS D'ENTRE MICRO (canaux 1, 2)
Les entrées XLR balancées permettent de connecter des microphones, boîtes d'injection et multi-coeurs.
2.JACKS D'ENTREE DE LIGNE (canaux 1, 2)
Ce jack 1/4 permet de connecter un signal de niveau ligne ( comme par exemple celui de claviers, lecteurs de CD et récepteurs micro sans fil). Cette entrée est balancée (connecteur de type TRS) et peut aussi être utilisée avec des connecteurs non balancés (de type TS).
3.JACKS D'ENTREE DE LIGNE (canaux 3 /4 a 5/6)
Les canaux stéreo sont composés de deux entretes de ligne (jacks 14 ), l'une pour le canal gauche et l'autre pour le canal droit. Ces entretes sont non balancées (connecteurs TRS). Il est possible d'utiliser les canaux stéreo comme canaux mono en connectant le jack « L » (left).
4. CONTROLLE DE GAIN
Ce contrôle permet de régler le gain de l'entrée.
Assurez-vous de tournier ce contrôle dans le sens inverse des aiguilles d'une montre avant de connecter ou de déconneter une source d'une entrée.
MONO: la première plage de valeurs, allant de 0 à +50 dB, se refère à l'entrée du microphone et indique le degré d' amplification appliqué au signal d'entrée. La seconde plage de valeurs, allant de -35 à +15 dB, se refère à l' amplification de l'entrée ligne.
STEREO: la première plage de valeurs, allant de 0 à +40 dB, se refère à l'entrée du microphone et indique le degré d'amplification appliqué au signal d'entrée. La seconde plage de valeurs, allant de -20 à +20 dB, se refère à l'amplification de l'entrée ligne.
5. ÉGALISEUR
HIGH
La gamme de haute fréquences est traitée avec un filtré Shelving supérieur à 12 kHz. Vous pouvez amplifier ou couper les bandes jusqu'à 15 dB. En position centrale (0 dB), la réponse de l'égaliser est plate.
MID
Le contrôle MID règle la plage de fréquences Médiums. Ce filtré de créées permet d'amplifier et de couper les fréquences centrées à 2,5 kHz. Vous pouvez amplifier ou couper les bandes jusqu'à 15 dB. En position centrale (0 dB), la réponse de l'égaliseur est plate.
LOW
La gamme de basses fréquences est traitée avec un filtré Shelving inférieur à 80 Hz. Vous pouvez amplifier ou couper les bandes jusqu'à 15 dB. En position centrale (0 dB), la réponse de l'égaliseur est plate.


6. AUX/POST
Le bus AUX est utilisé comme chemin d'envoi de plusieurs applications. Le contrôle AUX règle le niveau de volume du signal dans le bus AUX. Le signal est pris après le fader de canal. Il est donc affecté par la position du fader.
7. CONTROLLE PAN/BAL
Le contrôle PAN détermine la position du signal dans le mixage stéreo auquel le signal est routed.
8. TÉMOIN LED DE NIVEAU DE CRÊTE
Ce témoin s'allume dés que le niveau du canal est trop élevé. Dans ce cas, réduisez l'entrée de l'amplification avec le contrôle GAIN. Le témoin de niveau de crête s'allume à un niveau inférieur de 3 dB à l'échéage.
9. NIVEAU
Ce contrôle permet de régler le niveau du signal au sein du mixage principal.
10. MAIN MIX
Permet de régler le niveau de sortie du mixage principal.
11. PHONES/CTRL
Ce potentiemetre permet de regler le niveau de volume de tous les signaux routés vers les sorties casque et contrôle.
12. CHEMINEMENT DU SIGNAL BIPISTE
Si vous appuyez sur cet interrupteur, le signal d'entrée bipiste est routed vers la sortie CONTROL ROOM.
Appuyez à nouveau sur l'interrupteur pour router le signal bipiste vers la sortie MAIN MIX.
13. ENTRÉE BIPISTÉ
Ce contrôle permet de régler le niveau de l'entrée bipiste.
14. NIVEAU DESORTIE
Ce vumetre LED stéreo à 4 segments indique le niveau du signal de sortie général.
15. ST RETURNS
Ce contrôle permet de régler le signal du_retour vers la sortie MAIN MIX.
16. INTERRUPEUR ON/OFF DE L'ALIMENTATION FANTÔME
L'alimentation fantôme est utilisé pour faire fonctionner un microphone. Les microphones dynamiques peuvent être utilisés avec ce type d'alimentation. Ils doivent être câblés dans une configuration balancée.
17. TÉMOIN LED PHANTOM
Ce témoin indique si l'alimentation fantôme des entrées MIC est allumée.
18. TÉMOIN LED PWR
Ce témoin indique quant l'appareil est allumé.

19. ENTREE / SORTIE 2TK
ENTRÉE TAPE
Les connecteurs d'entrée CD/TAPE peuvent être utilisés pour brancher des lecteurs de CD, lecteurs de cassette ou d'autres sources de niveau ligne.
SORTI TAPE
Ces connecteurs de sortie CD/TAPE délivrent le signal stéreo du mixage principal à un lecteur de cassettes ou un enregistrur DAT afin d'enregistrer votre mixage.
20. SORTIE CONTROLE
Cette sortie est utilisé pour envoyer le signal vers les enceintes de contrôle du studio.
21.AUXSEND
Cette sortie délivre le signal au bus AUX.
22. PHONES
Cette sortie permet de brancher votre casque.
23. ST RETURNS
Les entrées ST RETURNS gauche et croite permettent de connecter la table de mixage à un apparéil supplémentaire (lecteurs, processeurs d'effets, submixers, etc.).
24. SORTIE MAIN MIX
Cette sortie sur jack TRS 14 delèvre le signal du mixage principal.

25.ENTRÉE ADAPTATEUR C.A.
Cette entree permet de connecter I'adaptateur C.A. fourni.
26. ALIMENTATION ON/OFF
Utilisez cet interrupteur pour allumer la table de mixage. Il devrait toujours être en position « OFF » lorsque vous étés sur le point de connecter votre unité au secteur.

Installation et connexion
Vouvoici à même de faire fonctionner votre console de mixage GIG-62. Cependant, nous vous conseillons de dire attentivement la section suivante pour maîtriser avec brio votre propre mixage. Ne pas préter assez d'attention au niveau du signal d'entrée, à son trajet et à son assignation peut engender une distorsion, un signal corrompu ou une absence de son. Prenez soin de suivre ces procédures pour chaque canal unique:
- avant de connecter micros ou instruments, assurez-vous que l'alimentation de tous les composants de votre système, incluant la table de mixage, sont eteints. Assurez-vous egalement que tous les contrôles des entrées et sorties sont baissés. Cela évitera des bruits excessifs susceptibles d'abirmer les enceintes.
- Connectez correctement tous les appareils externes, tels que micros, amplificateurs de puissance, enceintes, proceseurs d'effets, etc.
- Allumez désormais les appareils périphériques, puis la table de mixage.
Réçez le niveau de sortie de votre table de mixage ou de l'amplificateur connecté à 75% max. - Réglez le niveau de CONTROL ROOM/PHONE à 50% max.
- Placez les contrôles HI, MID et LOW EQ sur une position intermédiaire.
- Mettez le contrôle panoramique (PAN/BAL) au centre
- Tout en parlant dans le micro (ou en jouant d'un instrument), réglez le niveau du canal de manière à ce que le fémoin LED PEAK ne s'allume occasionnellement. Cela vous permettra de conserver une hauteur et une plage dynamique optimales.
- You pouez giuster le ton de chaque canal en reglant les contrôles de l'égaliseur.
- Répétez la même série pour tous les canaux d'entrée. Les LEDs du mixage principal peuvent monter dans la section rouge. Dans ce cas, ajustez le niveau de sortie global grâce au contrôle du mixage principal.
Câbles de connexion
Prenez soit de vos cables en les tenant toujours par les connecteurs et en évitant de les nouer ou de les tordre : cela augmente leur durée de vie et améliore leur robustesse. Vérifiéz régulièrement vos cables-De nombreux problèmes (mauvais contacts, interférences de terre, décharges, etc.) sont liés à l'utilisation de cables inadaptés ou en mauvais état.

Casque :

Non balancé :

Balancé :
Pour ces applications, l'unité est pourvue de connecteurs TRS et XLR 1 / 4 permettant de connecter facilement la plupart des appareils audio professionnels. Suivez les exemples de configuration ci-dessous pourmettre au point votre propre configuration.

Non balancé :

Balancé :

Caracteristiques techniques
| Modèle : | Console de mixage GIG-62 | |
| Canaux mono | ||
| Entrée microphone | sortie XLR balancée | |
| Réponse en fréquence | 10 Hz à 55 kHz, +/-3 dB | |
| Distorsion (THD + N) | <0,03 % @ 0 dB, 22 Hz ~ 22 kHz A-pondéré | |
| Plage de gain | 0 dB à 50 dB | |
| Entrée max. | +15 db | |
| Passe-bas | 100 Hz | |
| Rapport signal / bruit | <-100 dBr A-pondéré | |
| Alimentation fantôme | +48 V avec interrupteur de contrôle | |
| Entrée ligne | Entrée balancée ¼" TRS | |
| Réponse en fréquence | 10 Hz à 55 kHz, +/-3 dB | |
| Distorsion (THD + N) | <0,03 % @ 0 dB, 22 Hz ~ 22 kHz A-pondéré | |
| Plage de sensibilité | +15 dB~ -35 dB | |
| Canaux d'entrée stéroyo | ||
| Entrée ligne | Entrée non balancée ¼" TRS | |
| Réponse en fréquence | 10 Hz à 55 kHz, +/-3 dB | |
| Distorsion (THD + N) | <0,03 % @ 0 dB, 22 Hz ~ 22 kHz A-pondéré | |
| Entrée max. | +22 dBu | |
| Rapport signal / bruit | <-100 dBr A-pondéré | |
| Égaliseur des canaux | ||
| Canal mono | Canal stéroyo | |
| High | +/-15 dB @ 12 kHz | +/-15 dB @ 12 kHz |
| Mid | +/-15 dB @ 2,5 kHz | |
| Low | +/-15 dB @ 80 Hz | +/-15 dB @ 80 Hz |
| ENTRÈE BIPISTE | ||
| Entrée TAPE | Jack RCA | |
| Réponse en fréquence | 10 Hz à 55 kHz, +/-3 dB | |
| Distorsion (THD + N) | <0,03 % @ 0 dB, 22 Hz ~ 22 kHz A-pondéré | |
| Plage de gain | OFF à 10 dB | |
| Retour AUX | ||
| Entrée | Entrée non balancée ¼" TRS | |
| Réponse en fréquence | 10 Hz à 55 kHz, +/-3 dB | |
| Distorsion (THD + N) | <0,03 % @ 0 dB, 22 Hz ~ 22 kHz A-pondéré | |
| Plage de gain | OFF à 10 dB | |
| Rapport signal / bruit | <-100 dBr A-pondéré | |
| Impédances | ||
| Entrée microphone | 3,6 kΩ | |
| Autres entrées | 10 kΩ ou plus | |
| Sortie Tape | 1K | |
| Autres sorties | 120 Ω | |
| Section du mixage principal | ||
| Sortie MAIN MIX max. | +22 dBu non balancée | |
| Plage AUX | OFF à 10 dB | |
| Plage des faders | OFF à 10 dB | |
| Plage PHONES/CONTROL-ROOM | OFF à 15 dB | |
| Bruits et parasites | <-80 dB @ 20 Hz ~ 22 kHz A-pondéré 1 canal & niveau principal: 0 dB, autre : minimum | |
| Diaphonie | <-80 dB @ 0 dB 20 Hz ~ 22 kHz A-pondéré niveau principal: 0 dB, autre : minimum | |
| Alimentation | ||
| Adaptateur C.A. | 230 V C.A., 50 / 60 Hz- 1 000 mA | |
| Consommation nominale | Charge totale de 17 W | |

Dimensions

C E
Notice Facile