20MX70LW - Four à micro-ondes CALIFORNIA - Notice d'utilisation et mode d'emploi gratuit
Retrouvez gratuitement la notice de l'appareil 20MX70LW CALIFORNIA au format PDF.
| Caractéristiques | Détails |
|---|---|
| Type d'appareil | Four à micro-ondes |
| Capacité | 20 litres |
| Puissance | 700 watts |
| Fonctions | Réchauffage, cuisson, décongélation |
| Dimensions extérieures | Dimensions compactes adaptées pour les petites cuisines |
| Plateau tournant | Oui, pour une cuisson uniforme |
| Commandes | Panneau de contrôle électronique avec affichage numérique |
| Entretien | Nettoyage intérieur facile avec un chiffon humide |
| Sécurité | Système de verrouillage de porte, protection contre la surchauffe |
| Accessoires inclus | Plateau en verre, mode d'emploi |
| Consommation énergétique | Classe énergétique A |
FOIRE AUX QUESTIONS - 20MX70LW CALIFORNIA
Téléchargez la notice de votre Four à micro-ondes au format PDF gratuitement ! Retrouvez votre notice 20MX70LW - CALIFORNIA et reprennez votre appareil électronique en main. Sur cette page sont publiés tous les documents nécessaires à l'utilisation de votre appareil 20MX70LW de la marque CALIFORNIA.
MODE D'EMPLOI 20MX70LW CALIFORNIA
FOUR À MICRO-ONDES MÉCANIQUE
MODÈLE : 20MX70-L & 20MX70-LW

Avant l'installation ou la première utilisation de cet appareil, lire attentivement cette notice. La conserver soigneusement par la suite.
TABLE DES MATIÈRES
TABLE DES MATIÈRES....1
AVERTISSEMENTS ......2
CONSIGNES DE SÉCURITÉ....3
DESCRIPTION DE L'APPAREIL....11
BANDEAU DE COMMANDE ....12
INSTALLATION....14
UTILISATION 17
CONSEILS DE CUISSON 18
ENTRETIEN ET NETTOYAGE 25
EN CAS DE PANNE....29
CARACTÉRISTIQUES TECHNIQUES ......30
SCHÉMA ÉLECTRIQUE....32
Le fabricant décline toute responsabilité en cas de blessure causée à des personnes ou de dégât matériel dus à la non-observation des instructions d'entretien et à l'usage inadéquat de l'appareil. Après avoir retiré l'emballage des différentes pièces de l'appareil, vérifiez que celui-ci se trouve en parfait état. Si vous avez des doutes à ce sujet, n'utilisez pas l'appareil et adressez-vous à un vendeur ou à un technicien qualifié.
Veillez également à ce que les différents types d'emballage (cartons, sacs en plastique, polystyrène, bandes collantes, liens, etc.) soient hors de portée des enfants. Ces éléments comportent un risque potentiel. Avant d'utiliser l'appareil, vérifiez si le courant de votre secteur correspond à celui qui est indiqué sur la plaque signalétique. Quand vous utilisez cet appareil, veuillez suivre les consignes de sécurité suivantes.
MISES EN GARDE IMPORTANTES. LIRE ATTENTIVEMENT ET CONSERVER POUR RÉFÉRENCE ULTÉRIEURE.
CONSIGNES DE SÉCURITÉ
- Vérifiez premièrement si la tension indiquée sur le produit correspond à votre alimentation électrique.
- Avertissement : afin d'éviter tout risque d'incendie, d'électrocution ou de blessure, veillez à toujours suivre les principales consignes de sécurité suivantes quand vous utilisez un appareil électrique.
- Vérifiez régulièrement l'état de votre appareil. N'utilisez pas l'appareil si ce dernier est endommagé.
- Ne manipulez ni l'appareil, ni la prise avec les mains mouillées.
- N'utilisez pas l'appareil si le cordon d'alimentation ou la prise est endommagé(e). N'utilisez pas l'appareil s'il est tombé, s'il est endommagé, s'il est resté dehors ou s'il est tombé dans l'eau. Retournez l'appareil au service après-vente le plus proche pour qu'il soit réparé ou ajusté.
- Ne tirez et ne portez pas l'appareil par le cordon d'alimentation, n'utilisez pas le cordon comme poignée, ne coincez pas le fil dans la porte et ne le tirez pas le long de bords ou angles acérés.
- Ne placez pas l'appareil sur le cordon d'alimentation. Ne laissez en aucune façon le cordon s'enrouler ou
s'emmêler. Tenez le cordon éloigné des surfaces chaudes.
- Ne retirez pas la prise en tirant sur le cordon. Pour la retirer, prenez-la en main et retirez-la prudemment de la prise murale.
- Utilisez uniquement une rallonge certifiée avec l'ampérage en vigueur dans votre pays. Des rallonges certifiées avec un ampérage inférieur risquent de surchauffer. Veillez à ce que personne ne trébuche sur le cordon ou la prise.
- Attention : débranchez toujours le cordon d'alimentation ou coupez le disjoncteur avant de procéder au nettoyage.
- Si le cordon d'alimentation est endommagé, il doit être remplacé par le fabricant, son service après-vente ou une personne de qualification similaire, afin d'éviter tout danger.
- Toute réparation doit être effectuée par le service après-vente ou des personnes de qualification similaire.
- Tous travaux électriques requis dans le cadre de l'installation de cet appareil doivent être effectués par un électricien qualifié ou une personne compétente.
-
Éteignez et débranchez l'appareil lorsque vous ne l'utilisez pas.
-
N'utilisez pas l'appareil près de matériaux inflammables.
- N'utilisez pas d'autres accessoires que ceux étant fournis avec l'appareil.
- Il convient de surveiller les enfants pour s'assurer qu'ils ne jouent pas avec l'appareil.
- Cet appareil n'est pas un jouet. Ayez une stricte surveillance quand vous utilisez l'appareil en présence d'enfants ou d'animaux domestiques.
- Ne nettoyez jamais l'appareil avec des produits liquides inflammables. Les vapeurs risqueraient de provoquer un incendie ou une explosion.
- Ne stockez pas et n'utilisez pas d'essence ou toute autre vapeur ou liquide inflammable à proximité de cet appareil. Les fumées peuvent entraîner un incendie ou une explosion.
- Cet appareil est destiné à être utilisé dans des applications domestiques et analogues telles que :
- les coins cuisine réservés au personnel des magasins, bureaux et autres environnements professionnels ;
- les fermes ;
- l'utilisation par les clients des hôtels, motels et autres environnements à caractère résidentiel ;
-
les environnements du type chambres d'hôtes.
-
Toutes interventions ou nettoyage sur le produit doivent se faire hors alimentation. Pour cela la fiche d'alimentation doit être déconnectée de la prise de courant.
- Pour éviter tout risque d'incendie, d'électrocution ou autres blessures aux personnes, ne plongez jamais le cordon d'alimentation ou la prise dans de l'eau ou tout autre liquide.
- Cet appareil peut être utilisé par des enfants âgés d'au moins 8 ans et des personnes dont les capacités physiques, sensorielles ou mentales sont réduites ou souffrant d'un manque d'expérience et de connaissances, à condition qu'elles soient placées sous une surveillance ou qu'elles aient reçu des instructions quant à l'utilisation de l'appareil en toute sécurité et en comprennent bien les dangers potentiels.
- Les enfants ne doivent pas utiliser l'appareil comme un jouet.
- Le nettoyage et l'entretien de l'utilisateur ne doivent pas être effectués par des enfants, à moins qu'ils ne soient âgés d'au moins 8 ans et qu'ils soient sous la surveillance d'un adulte.
-
Maintenir l'appareil et son cordon hors de portée des enfants de moins de 8 ans.
-
Cet appareil est un appareil de Groupe 2 qui produit intentionnellement de l'énergie à fréquence
radioélectrique pour le traitement de la matière. Il est destiné à être utilisé dans un local domestique ou un établissement raccordé directement au réseau de distribution d'électricité à basse tension alimentant des bâtiments à usage domestique (Classe B). -
MISE EN GARDE : si la porte ou le joint de porte est endommagé, le four ne doit pas être mis en fonctionnement avant d'avoir été réparé par une personne compétente.
-
MISE EN GARDE : il est dangereux pour quiconque autre qu'une personne compétente d'effectuer des opérations de maintenance ou de réparation entraînant le retrait d'un couvercle qui protège de l'exposition à l'énergie micro-ondes.
-
MISE EN GARDE : les liquides et autres aliments ne doivent pas être chauffés dans des contenants fermés hermétiquement car ils risquent d'exploser.
-
Le four à micro-ondes est prévu pour chauffer des denrées alimentaires et des boissons. Le séchage de denrées alimentaires ou de linge et le chauffage de coussins chauffants, pantoufles, éponges, linge humide
et autres articles similaires peuvent entraîner des risques de blessures, d'inflammation ou de feu.
- N'utiliser que des ustensiles appropriés à l'usage dans les fours micro-ondes.
- Pendant le chauffage de denrées alimentaires dans des contenants en plastique ou en papier, garder un œil sur le four en raison de la possibilité d'inflammation.
- Si de la fumée est émise, arrêter ou débrancher le four et garder la porte fermée pour étouffer les flammes éventuelles.
- Le chauffage des boissons par micro-ondes peut provoquer un jaillissement brusque et différé de liquide en ébullition. Pour cette raison, des précautions doivent être prises lors de la manipulation des récipients.
- Le contenu des biberons et des pots d'aliments pour bébé doit être remué ou agité et la température doit en être vérifiée avant consommation, de façon à éviter les brûlures.
- Il n'est pas recommandé de chauffer les œufs dans leur coquille et les œufs durs entiers dans un four microondes car ils risquent d'exploser, même après la fin de la cuisson.
-
Il est recommandé de nettoyer le four régulièrement et d'enlever tout dépôt alimentaire.
-
Si l'appareil n'est pas maintenu dans un bon état de propreté, sa surface pourrait se dégrader et affecter de façon inexorable la durée de vie de l'appareil et conduire à une situation dangereuse.
- Le four à micro-ondes ne doit pas être placé dans un meuble.
- Laissez au moins 20 cm au-dessus de l'appareil et 10 cm sur les côtés pour permettre une bonne ventilation.
- Les appareils ne sont pas destinés à être mis en fonctionnement au moyen d'une minuterie extérieure ou par un système de commande à distance séparé.
- La température des surfaces accessibles peut être élevée lorsque l'appareil est en fonctionnement.
- MISE EN GARDE : si l'appareil fonctionne en mode combiné ou gril, il est recommandé que les enfants n'utilisent le four que sous la surveillance d'adultes en raison des températures générées.
- MISE EN GARDE : la porte ou la surface extérieure peuvent devenir chaudes lorsque l'appareil fonctionne.

Des précautions doivent être prises pour éviter de toucher les éléments chauffants. Les enfants de moins de 8 ans doivent être tenus à l'écart à moins d'être supervisés en permanence.
- Ne pas utiliser de produits d'entretien abrasifs ou de grattoirs métalliques durs pour nettoyer la porte en verre du four, ce qui pourrait érafler la surface et entraîner l'éclatement du verre.
- Ne pas utiliser d'appareil de nettoyage à la vapeur.
- MISE EN GARDE : si l'appareil fonctionne en mode combiné, il est recommandé que les enfants n'utilisent le four que sous la surveillance d'adultes en raison des températures générées.
- La face arrière du four doit être placée contre un mur.
- Les enfants de moins de trois ans doivent être tenus à l'écart de l'appareil à moins d'être constamment surveillés.
- En ce qui concerne les détails pour nettoyer les joints de porte, les cavités et les parties adjacentes, référez-vous au paragraphe NETTOYAGE ci-après de la notice.
En ce qui concerne les informations pour l'installation, la manipulation, l'entretien, le remplacement de l'ampoule (le cas échéant), le nettoyage et la mise au rebut de l'appareil, référez-vous aux paragraphes ci-après de la notice.
DESCRIPTION DE L'APPAREIL
| Référence | 20MX70-L / 20MX70-LW |
| Alimentation | 230 V ~ 50 Hz |
| Capacité | 20 L |
| Puissance | 700 W |

text_image
1 2 3 4- Porte
- Minuterie
- Sélecteur de puissance
- Ouverture de la porte
BANDEAU DE COMMANDE
Bouton de puissance
| Maxi | S’utilise pour la plupart des cuissons de base, pour cuire les viandes tendres, les volailles et pour le réchauffage rapide des plats. |
| Haute | S’utilise principalement pour cuire le pain, les pâtisseries, pour rôtir et réchauffer rapidement les plats individuels et les plats surgelés, après décongélation. |
| Moyenne | S’utilise pour la cuisson lente des plats, potées, ragoûts, civets et pour les viandes moins tendres. |
| Basse | S’utilise pour les cuissons lentes. |
| Décongélation | S’utilise pour la décongélation des viandes, volailles, poissons, etc... |
| Mini | S’utilise pour conserver les plats chauds et faire monter les préparations avec levure. |

text_image
Décongélation Basse Moyenne Haute Mini Maxi
text_image
0 5 10 15 20 25 30Bouton de minuterie
La minuterie est graduée de 0 à 30 minutes.
Préparation du plat
Placez le plat avec les aliments sur le plateau en verre.
S'assurer que le plat est bien placé au milieu.
Refermez la porte en s'assurant que les verrous de fermeture s'enclenchent bien, que la porte est bien fermée et que rien ne vient s'insérer dans la porte.
INSTALLATION
Déballage du four
- Après avoir déballé votre appareil, examinez-le avec soin pour vous assurer qu'il n'a pas subi de dommage visible durant le transport.
- Si l'appareil a subi des dommages visibles comme une déformation de la porte, ne pas l'utiliser mais appeler un technicien du Service Après-Vente.
- Déballez complètement l'appareil en enlevant toutes les protections situées à l'intérieur du four.
- Assurez-vous que tout le matériel de protection et d'emballage soit retiré de l'intérieur du four.
Installation de l'appareil
- Placez le four sur une surface plate et assez solide pour supporter son poids ainsi que celui de la nourriture qui sera placée à l'intérieur.
- Évitez de placer le four près de tout autre appareil générant de la chaleur. Ne pas installer ce four à l'air libre ni dans des locaux très humides ou excessivement chauds.
- Laissez au moins 20 cm au-dessus de l'appareil, et 10 cm sur les côtés, pour permettre une bonne ventilation. Ne pas retirer les pieds. Assurez-vous qu'il n'y ait rien qui obstrue les bouches de ventilation sur les
côtés, le dessus et à l'arrière de l'appareil. Ne pas encastrer ce four.
- Ne faites pas fonctionner le four à micro-ondes sans que le plateau tournant, l'anneau rotatif et le coupleur ne soient positionnés correctement.
- Vérifiez que le cordon d'alimentation ne soit ni endommagé, ni écrasé par le four, ni placé à proximité d'une surface chaude ou tranchante.
- La prise électrique sur laquelle l'appareil est branché doit être facile d'accès pour que le four puisse être débranché rapidement en cas d'urgence.
- N'utilisez pas l'appareil à l'extérieur.
Précautions de sécurité
- Utilisez des récipients en verre ou en céramique.
- Tout ustensile métallique est à proscrire. En effet, les objets métalliques provoquent des étincelles ou des flashes qui peuvent conduire à de sérieux dommages sur votre appareil.
- Ne pas mettre dans le micro-ondes les aliments dans leur boîte de conditionnement ou sous papier d'aluminium.
- Ne pas utiliser de récipients en bois, ils pourraient se consumer. Ne pas utiliser de vaisselle en métal, fonte ou en faïence ayant des parties même minimes en métal (y
compris argent ou or), votre appareil pourrait être endommagé.
- De manière générale, ne jamais mettre de récipients fermés qui peuvent exploser à cause de la chaleur si le couvercle n'est pas retiré ou par l'absence d'ouverture.
- Ne pas ranger d'ustensiles de cuisine ou de papier dans ce four.
- Ne pas placer d'objets sur le dessus de l'appareil.
La liste ci-dessous constitue un guide indicatif pour vous aider à sélectionner les ustensiles et récipients adéquats pour une cuisson sans danger.
| MATÉRIAU DU RÉCIPIENT | MICRO-ONDES |
| Verre résistant à la chaleur | OUI |
| Verre non résistant à la chaleur | NON |
| Céramique résistante à la chaleur | OUI |
| Métal | NON |
| Aluminium et papier d'aluminium | NON |
| Bois | NON |
| Matériaux recyclés | NON |
| Plastique résistant à la chaleur | OUI |
Risques d'incendie
Ne pas faire cuire un aliment dans une serviette, même si cela vous est recommandé dans certaines recettes de cuisine.
Ne pas utiliser de papier journal ou de serviettes en papier pour la cuisson. Ne pas faire sécher de vêtements dans un four à micro-ondes. En effet, si vous séchez un vêtement dans le four, vous risquez de le brûler ou de le carboniser si vous le laissez trop longtemps.
UTILISATION
Branchement sur le secteur
Branchez la fiche de l'appareil sur une prise murale du secteur 230-240V\~50Hz de 10-16 A.
Mise en marche
- Sélectionnez le niveau en plaçant le bouton de puissance sur le réglage adéquat, selon votre habitude, les conseils ci-après, ou dans le doute, après avoir consulté les tableaux et conseils de cuisson à la fin de cette notice d'utilisation.
- Sélectionnez le temps de cuisson en tournant le bouton de minuterie entre 0 et 30 minutes.
Suspension
- La cuisson est suspendue à l'ouverture de la porte et reprend à la fermeture.
- Vous pouvez donc, de temps à autres, vérifier la cuisson des aliments.
Fin de cuisson
En fin de cuisson, la minuterie revient à 0 et une courte sonnerie se fait entendre. Il convient de faire attention en prenant les plats qui peuvent être très chauds.
CONSEILS DE CUISSON
Les facteurs suivants peuvent avoir une incidence sur le résultat de cuisson :
Disposition des aliments
Placez les parties épaisses des aliments vers l'extérieur du plat et les parties les plus minces orientées vers le centre. Répartissez les aliments uniformément. Ne les faites pas se chevaucher, si possible.
Durée de cuisson
Démarrez la cuisson avec un réglage de courte durée. Évaluez l'état de cuisson des aliments après le temps imparti puis réglez de nouveau une durée de cuisson selon le besoin. Une cuisson trop longue peut causer de la fumée et brûler les aliments.
Cuisson homogène des aliments
Des aliments comme le poulet, les hamburgers ou les steaks doivent être tournés une fois pendant la cuisson. Sinon, selon le type des aliments, déplacez-les de l'extérieur vers le centre du plat une ou deux fois pendant la cuisson.
Laisser reposer les aliments
Une fois la cuisson terminée, laissez les aliments dans le four durant un temps suffisant, afin que le cycle de cuisson s'achève et qu'ils commencent à refroidir progressivement.
Déterminer si la cuisson est terminée
La couleur et la fermeté des aliments peuvent vous aider à déterminer s'ils sont bien cuits, de même que si :
- De la vapeur sort de toutes les parties des aliments et non pas seulement des bords.
- Les jointures de la volaille peuvent être facilement remuées.
- Le porc ou la volaille ne présente plus aucune trace de sang.
- Le poisson est opaque et peut être tranché facilement avec une fourchette.
TABLEAU DE CUISSON
| Aliments | Couverture | Niveau | Temps moyen |
| BOEUF(500g) Boeuf haché(500g) Boulettes de viande(500g) Hamburgers(500g) Hachis de viande(500g) Boeuf braiséRôtis :BleuSaignantA pointSteaks | Couvercleou Papier SulfuriséPapier SulfuriséPapier SulfuriséFilm plastiqueCouverclePapier SulfuriséPapier Sulfurisé | FortFortFortFortFortDouxMoyenMoyenMoyenFort | 5-7 minutes10-12 minutes5-7 minutes16-22 minutes21-27 minutes/500g7-8 minutes/500g8-9 minutes/500g11-13 minutes/500g2-4 minutes/500g |
| PORC | |||
| Bacon250g SaucissesCôtes de porcRôti de porcBas de côtesRôti dans le JambonPrécuitCruTranches de Jambon cru750g à 1kgJambonneau750g à 1kg | Serviette papierPapier SulfuriséPapier SulfuriséPapier SulfuriséPapier SulfuriséFilm plastique | FortFortFortFortFortFortDouxDouxMoyenDoux | 45sec-1minute/tranche2-4 minutes11-13 minutes/500g12-14 minutes/500g8-10 minutes/500g12-15 minutes/500g14-19 minutes/500g18-26 minutes/500g25-30 minutes |
| MOUTONRôti épaule/gigot | Papier Sulfurisé | Moyen | 9-11 minutes/500g |
| VEAURôti dans l'épauleCôtelettes Veau/Mouton3 à 4 pièces | Papier Sulfuriséou Film plastiquePapier Sulfurisé | MoyenFort | 10-11 minutes/500g9-11 minutes |
TABLEAU DE CUISSON
| Aliments | Couverture | Niveau | Temps moyen |
| VOLAILLE | |||
| Poulet (morceaux) | Papier sulfurisé | Fort | 2-3 minutes / pièce |
| Poulet entier | Sac de cuisson ou papier sulfurisé | Fort | 8-9 minutes / 500g |
| Fort | 9-10 minutes / 500g | ||
| Poule au pot | Couvercle | Moyen | 13-15 minutes / 500g |
| Poulet | Papier sulfurisé | Fort | 7-9 minutes / 500g |
| Canard entier | Papier sulfurisé | Moyen | 10-12 minutes / 500g |
| Canard (morceaux) | Papier sulfurisé | Fort | 4-5 minutes / pièce |
| Blancs de dinde | Film plastique | Moyen | 9-10 minutes / 500 g |
| POISSONS ET CRUSTACES | |||
| 500g. Filets/Steaks | Papier sulfurisé ou film plastique | Fort | 8-10 minutes |
| 500g. Poisson entier | Film plastique | Fort | 5-8 minutes |
| 500g. Palourdes/Huîtres | Film plastique | Fort | 3-5 minutes |
| 500g. Coq. St - Jacques | Film plastique | Fort | 5-7 minutes |
| 500g. Crevettes décortiquées | Film plastique | Fort | 6-8 minutes |
| non décortiquées | Film plastique | Fort | 9-12 minutes |
| 2 Pattes de crabes (250/280g. chacune) | Papier sulfurisé | Fort | 5-8 minutes |
| Homard entier (450/900g.) | Papier sulfurisé | Fort | 10-15 minutes |
| 2 Queues de homard (225/280g. chacune) | Papier sulfurisé | Fort | 6-8 minutes |
| OEUFS ET FROMAGE | |||
| Oeufs brouillés | Fort | 60/90 secondes/oeuf | |
| Oeufs pochés | Papier sulfurisé | Fort | 60/75 secondes/oeuf |
| Omelette | Papier sulfurisé | Fort | 60/90 secondes pour fondre le beurre |
| puis | 90/150 secondes/oeuf | ||
| Quiche (de 22 cm) | Moyen | 6-8 minutes | |
| pour la pâte à tarte pour le remplissage | Fort | 2-4 minutes | |
| Flan, crème renversée (20 x 20 cm) | Doux | 20-25 minutes |
TABLEAU DE CUISSON
| Aliments | Couverture | Niveau | Temps moyen |
| LEGUMESLégumes (1ère et 2ème gamme)(60ml d'eau)Pommes de terre- Cuites- Bouillies(240ml d'eau)2 Epis de maïs- Frais dans leur enveloppe- Congelés | Couvercleou film plastique | Fort[ST88] Fort[ST77] Fort Fort | 8-16 minutes9-12 minutes16-20 minutes7-8 minutes/500g6-9 minutes/500g |
| Couvercle | |||
| Film plastique | |||
| Film plastique | |||
| LEGUMESDe préférence, cuire les légumes directement à partir de leur état congelé.Ajoutez une ou deux cuillérées à soupe d'eau et couvrir. | |||
| RIZ, PATES ETCEREALESMacaronis (250g)3/4 litre d'eau.Spaghettis (500g)1,5-2 litres d'eauPâtes aux oeufs (250g)3/4 litre d'eau250ml Riz long grains1/2-3/4 litre d'eau250ml Riz ordinaire1/2 litre d'eau250ml Riz minute1/2 litre d'eau250ml Riz brun (complet)3/4 litre d'eau125ml Porridge minute1/4 litre d'eau125ml Porridge normal1/4 litre d'eau125ml Corn flakes1/2 litre d'eauGATEAUXGâteau au beurreou au chocolatPlat rond 22cmCouronnePetits gâteaux (6 pièces)Cookies (en barre 20cm)dans un plat carré | |||
Fort Fort[2CW8] Fort[676Y] Fort Fort Fort Fort Fort Fort Fort Fort Fort | 17-20 minutes20-26 minutes15-20 minutes18-25 minutes18-20 minutes3-6 minutes30-35 minutes2-3 minutes3-5 minutes3-4 minutes6-8 minutes6-7 minutes3-4 minutes5-8 minutes | ||
Fort[5G92] Fort | 2-3 minutes2-3 minutes | ||
TABLEAU DE DÉCONGÉLATION

| Aliments | Temps moyen | Suggestions |
| VIANDE | Suggestion 1 :Laissez les paquets fermés lors de la décongélation.Passez-les au micro-ondes jusqu'à ce que les pièces se séparent. Retournez la viande hachée à la moitié du temps de décongélation.Suggestion 2 :Déballez le rôti et le placer dans un plat à décongeler jusqu'à la moitié du temps et le retourner. | |
| Bacon | 2-3 minutes | |
| Francforts | 3-5 minutes/500g | |
| Plats de côtes | 7-8 minutes/500g | |
| 8-11 minutes/500g | ||
| Rôti de Bœuf Porc | 6-8 minutes/500g10-13 minutes/500g | |
| Mouton Steaks, côtes Saucisses | 10-12 minutes/500g4-9 minutes/500g4-6 minutes/500g | |
| VOLAILLE | ||
| 1 Poulet entier (1,25 à 1,5 kg) | 18-22 minutes | Placez la volaille entière emballée dans le four.Enlevez l'emballage à la moitié du temps de décongélation. |
| Canard (1,75 à 2,25 kg) | 4-6 minutes/500g | |
| Dinde Pièces de volaille : Poule | 9-11 minutes/500g | |
| Dinde Poulet | 6-8 minutes/500g9-11 minutes/500g9-10 minutes/500g |
TABLEAU DE DÉCONGÉLATION

| Aliments | Temps moyen | Suggestions |
| POISSONS ET CRUSTACES | ||
| Filets (500g) | 8-10 minutes | Laissez les filets emballés pour la décongélation. Les séparer ensuite dans l'eau froide. |
| Steaks (500g) | 2-3 minutes | Ne pas les manipuler. |
| Poisson entier (230-280 g) | 4-6 minutes | Placez le poisson dans un plat à cuisson.Le retourner à la moitié du temps de décongélation. |
| Petites pièces | 6-8 minutes | Rincez la poche intérieure à l'eau froide.Séparez les pièces à la moitié du temps (par exemple, fruits de mer, crevettes, chair de crabe, huîtres, etc.). |
| Queues de homard (180-250g) | 6-8 minutes | Ne pas les manipuler. |
| Homard/Crabe entiers (750g) | 16-18 minutes | Retournez-les à la moitié du temps. |
| PAIN ET GATEAUX | ||
| Pain, petits pains, petits pains au lait (200-500g) | 2-4 minutes | |
| Beignets, quatre-quarts, mokas, choux à la crème, gâteaux à la crème (350-500g) | 2-5 minutes(30 secondes/pièce) | |
| Tartes aux fruits, tourtes aux noix etc.(rondes 20cm) | 8-10 minutes | |
| Tartes à la crème Flan (400g) | 2-3 minutes | |
| Petits gâteaux | 1/2 minute par pièce |
TABLEAU DE RÉCHAUFFAGE
| Quantité | Aliments | Couverture | Réglage | Temps |
| 1 Part | Repas sur assiette | Papier sulfurisé/film plastique | Fort | 2-3 minutes |
| 1-2 Parts | Plat en sauce | Couvercle/film plastique | Fort | 7-10 minutes |
| 2-4 Parts | Tranches de viande épaisses, hamburger | Papier sulfurisé/film plastique | Fort | 3-5 minutes |
| 2-3 Parts | Tranches de viande minces, Jambon, Porc, Veau, Dinde | Papier sulfurisé/film plastique | Moyen | 2-3 minutes |
| 2-3 pieces | Morceaux de poulet | Papier sulfurisé/film plastique | Moyen | 3-4 minutes |
| 2 Parts | Ragoût | Couvercle | Moyen | 9-12 minutes |
| 2 Parts | Légumes | Couvercle/film plastique | Fort | 3-4 minutes |
| 1-2 Pieces | Epis de maïs | Film plastique | Fort | 3-4 minutes |
| 2-3 | Petits pains | Serviette papier | Fort | 1-2 minutes |
| 1 | Tarte entière | Fort | 5-10 minutes | |
| 1-2 | Parts de Tarte | Fort | 1-2 minutes | |
| 3-4 | Saucisses | Papier sulfurisé | Fort | 1-2 minutes |
| 4 | Hot dogs | Serviette papier | Fort | 1-2 minutes |
Les conseils ci-dessus sont uniquement pour votre information. Ils dépendent de la capacité et de la puissance de votre four à micro-ondes et de vos préférences de cuisson. Il est aussi recommandé de vous référer aux conseils de préparation qui se trouvent sur l'emballage du plat congelé.
Entretien du four à micro-ondes
ATTENTION
L'appareil doit être nettoyé régulièrement et toute trace ou éclaboussure de nourriture doit être éliminée immédiatement.
AVERTISSEMENTS
- Débranchez le cordon d'alimentation de la prise murale avant de nettoyer l'appareil. Ne le plongez en aucun cas ni dans l'eau, ni dans tout autre liquide, pour le nettoyer. Si l'appareil n'est pas nettoyé régulièrement, sa surface pourrait se détériorer, et par conséquent, cela pourrait avoir une incidence sur sa durée de vie et causer un danger potentiel.
- N'utilisez en aucun cas des détergents et poudres abrasifs, de l'essence ou des brosses métalliques pour nettoyer l'appareil, quelle qu'en soit la partie.
- Ne retirez en aucun cas le couvercle du guide d'ondes.
- Si vous utilisez l'appareil depuis longtemps, il se peut qu'une odeur s'en dégage.
Suivez les 3 méthodes suivantes pour vous en débarrasser :
- Placez quelques tranches de citron dans une tasse, puis faites chauffer à puissance forte pendant 2 à 3 minutes dans l'appareil.
- Faites chauffer une tasse de thé noir à puissance forte.
- Placez de l'écorce d'orange directement dans le four à micro-ondes, puis faites chauffer à puissance forte pendant 1 minute.
Nettoyage du four à micro-ondes
- Assurez-vous toujours que votre four est bien arrêté avant de le nettoyer en retirant la fiche de la prise de courant.
- Gardez la cavité interne du four toujours propre et sèche, en la nettoyant régulièrement avec un chiffon doux. Ne pas utiliser d'éléments abrasifs car vous risqueriez de rayer ou d'endommager la peinture.
- Les éclaboussures sur la face intérieure de la porte, ainsi que sur les joints de porte et les parties avoisinantes doivent être nettoyées quotidiennement.
- En cas de détérioration des joints de porte ou des parties avoisinantes, le four ne devra pas fonctionner
jusqu'à sa remise en état par un technicien qualifié du Service Après-Vente.
- Ne jamais verser d'eau dans le four ou tout autre liquide susceptible d'endommager en particulier le moteur d'entraînement du plateau en verre.
- Ne pas mettre d'eau dans les bouches de ventilation situées sur l'appareil, sur les côtés ou à l'arrière.
1. Extérieur
Essuyez l'extérieur de l'appareil avec un chiffon doux, légèrement humide.
2. Porte
Nettoyez la porte et la vitre en les frottant avec un chiffon doux et humide.
Frottez les joints de la porte et les pièces adjacentes afin d'enlever toute trace d'éclaboussures et autres saletés.
Essuyez le bandeau de commandes avec un chiffon doux, légèrement humide.
3. Parois intérieures
Essuyez les parois intérieures avec un chiffon doux, légèrement humide.
Essuyez le couvercle du guide d'ondes afin d'enlever toutes les éventuelles traces d'éclaboussures de nourriture.
- Plateau tournant, axe de rotation et anneau rotatif
- Lavez-les avec de l'eau savonneuse.
- Rincez-les sous le robinet puis laissez-les sécher complètement.
EN CAS DE PANNE
En cas de problème, s'assurer que :
- La fiche est correctement enfoncée dans la prise de courant et alimentée par le courant du secteur (fusible en état), ce qui est vérifiable par le branchement d'un autre appareil en état de marche.
- La porte de votre four est correctement fermée.
- Le four n'est pas trop chaud (en effet, cet appareil est équipé d'une sécurité thermique qui suspend son fonctionnement tant que la température interne est trop élevée pour une cuisson sans danger). Dans ce cas, attendre le refroidissement.
- Rien ne bloque la rotation du plateau tournant.
Réparation :
- Si votre four ne fonctionne pas correctement, contactez un spécialiste pour toute intervention. En aucun cas, l'arrière ou toute autre pièce du four à micro-ondes ne devra être démonté, sauf par un technicien qualifié du Service Après-Vente, formé par le fabricant, pour effectuer l'entretien ou les réparations.
- Les produits électriques ne doivent pas être mis au rebut avec les déchets ménagers. Merci de les recycler dans les points de collecte prévus à cet effet. Adressez-vous aux autorités locales ou à votre revendeur pour obtenir des conseils sur le recyclage.
ATTENTION :
CE FOUR NE DOIT ÊTRE RÉGLÉ OU RÉPARÉ PAR TOUTE AUTRE PERSONNE QU'UN PERSONNEL QUALIFIÉ DU SERVICE APRES-VENTE. NE JAMAIS OUVRIR LE CAPOT.
NE PAS FAIRE FONCTIONNER CET APPAREIL SANS RIEN À L'INTERIEUR DE LA CAVITÉ.
CE FOUR À MICRO-ONDES N'EST DESTINÉ QU'À UN USAGE DOMESTIQUE. IL NE DEVRA PAS ÊTRE UTILISÉ DANS UN BUT PROFESSIONNEL, COMMERCIAL OU INDUSTRIEL.
CARACTÉRISTIQUES TECHNIQUES
| Référence | 20MX70-L / 20MX70-LW |
| Puissance restituée micro-ondes | 700 W |
| Consommation | 1150 W |
| Capacité | 20 L |
| Dimensions externes | 451 (L) x 344 (P) x 256,5 (H) mm |
| Alimentation | 230 V ~ 50Hz |
| Fréquence micro-ondes | 2450 MHz |
| Minuterie | 30 minutes |
| Diamètre du plateau en verre | 245 mm |
PROTECTION DE L'ENVIRONNEMENT - DIRECTIVE 2012/19/EU
Afin de préserver notre environnement et notre santé, l'élimination en fin de vie des appareils électriques et électroniques doit se faire selon des règles bien précises et nécessite l'implication de chacun, qu'il soit fournisseur ou utilisateur.
C'est pour cette raison que votre appareil, tel que le signale le symbole apposé sur sa plaque signalétique ou sur l'emballage, ne doit en aucun cas être jeté dans une poubelle publique ou privée destinée aux ordures ménagères.
L'utilisateur a le droit de déposer l'appareil dans des lieux publics de collecte procédant à un tri sélectif des déchets pour être soit recyclé, soit réutilisé pour d'autres applications conformément à la directive.

Rendez l'appareil inutilisable immédiatement. Débranchez la prise d'alimentation et coupez le câble électrique. Retirez ou détruissez les fermetures à bascule ou à ressort avant de vous débarrasser de l'appareil. Ceci permet d'éviter aux enfants de s'enfermer dans l'appareil et de mettre ainsi leur vie en danger. Informez-vous auprès des services de votre commune sur les endroits autorisés pour la mise au rebut de l'appareil.
Importé par WESDER SAS
67 bis, rue de Seine
94140 Alfortville
FRANCE
Cette notice est aussi disponible sur le site suivant
http://notices.wesder.net
Droits de reproduction réservés
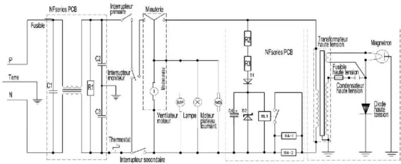
SCHÉMA ÉLECTRIQUE

Notice Facile
Fort[ST88] Fort[ST77] Fort
Fort
Fort
Fort[2CW8] Fort[676Y] Fort
Fort
Fort
Fort
Fort
Fort
Fort
Fort
Fort
Fort[5G92] Fort