UFS 705 - Récepteur satellite KATHREIN - Notice d'utilisation et mode d'emploi gratuit
Retrouvez gratuitement la notice de l'appareil UFS 705 KATHREIN au format PDF.
| Caractéristiques | Détails |
|---|---|
| Type de produit | Récepteur satellite |
| Résolution vidéo | HD (Haute Définition) |
| Connectivité | HDMI, USB, Ethernet |
| Compatibilité | Compatible avec les normes DVB-S2 |
| Fonctionnalités supplémentaires | Enregistrement sur USB, guide électronique des programmes (EPG) |
| Dimensions | Dimensions compactes pour un placement facile |
| Consommation énergétique | Faible consommation en mode veille |
| Maintenance | Nettoyage régulier de l'appareil recommandé, mise à jour du firmware |
| Sécurité | Utiliser uniquement avec des accessoires certifiés, éviter l'humidité |
| Informations générales | Vérifier la compatibilité avec votre antenne satellite avant l'achat |
FOIRE AUX QUESTIONS - UFS 705 KATHREIN
Téléchargez la notice de votre Récepteur satellite au format PDF gratuitement ! Retrouvez votre notice UFS 705 - KATHREIN et reprennez votre appareil électronique en main. Sur cette page sont publiés tous les documents nécessaires à l'utilisation de votre appareil UFS 705 de la marque KATHREIN.
MODE D'EMPLOI UFS 705 KATHREIN
Récepteur Satellite DVB UFS 705si/705sw

le but de cette notice d'utilisation est de vous permettre d'utiliser de façon optimale toutes les fonctions de votre nouveau récepteur satellite.
Nous avons établi cette notice d'utilisation de sorte qu'elle soit aussi compréhensible et succincte que possible. Nous avons également prévu, à la fin de la présente notice, un lexique condensé des termes spécialisés intraduisibles.
Avec l'interrupteur secteur, nous avons contribué au respect de l'environnement. Lorsque vous ne regardez pas la télévision pendant un certain temps, coupez par conséquent votre récepteur du secteur afin d'économiser le courant. Pour les pauses de courte durée, vous pouvez commuter votre récepteur sur veille avec la télécommande afi n de consommer le moins possible de courant.
Nous vous souhaitons une bonne réception et beaucoup de plaisir avec votre nouveau récepteur satellite DVB.
Votre équipe
KATHREIN
CONSIGNES D'ELIMINATION

Les appareils électroniques ne sont pas des déchets domestiques et doivent à ce titre, conformément à la directive 2002/96/CEE du PARLEMENT EUROPÉEN ET DU CONSEIL du 27 janvier 2003 portant sur les déchets d'équipements électriques et électroniques, être éliminés comme il se doit.
Veuillez remettre cet appareil, lorsqu'il sera hors d'usage, à un point de collecte officiel spécialement prévu à cet effet.

Les piles usagées sont considérées comme des déchets spéciaux !
Ne jetez pas les piles usagées avec vos déchets domestiques, mais déposez-les dans un point de collecte spécial pour piles usagées !
REMARQUES IMPORTANTES
L'affectation des programmes des satellites et transpondeurs fait l'objet de modifications permanentes. Il est nécessaire, dans ce cas, de reprendre le réglage des programmes, car la pré-programmation réalisée en usine reflète la situation au moment de la date de fabrication. Les indications pour ces nouveaux réglages s'obtiennent soit sur Internet soit dans les magazines adéquats.
Votre récepteur a été équipé en usine du logiciel le plus récent. Cependant, nous nous efforçons toujours d'adapter le logiciel aux souhaits de nos clients et à l'état de la technique. Vous trouverez d'autres informations à ce sujet dans la section « Mise à jour du logiciel ».
Les informations contenues dans la présente notice sont celles qui étaient disponibles au moment de la mise sous presse.
Nous nous réservons cependant le droit d'effectuer des modifications sans avis préalable. S'il devait y avoir, pour votre récepteur, un nouveau logiciel entraînant des répercussions sur la notice d'utilisation (par ex. modification de menus et/ou de fonctions), une nouvelle notice d'utilisation sera mise à disposition pour téléchargement sous « www.kathrein.de » si nous l'estimons nécessaire.
Veuillez conserver l'emballage d'origine pour un éventuel retour! La garantie est annulée si l'expédition n'est pas effectuée correctement.
Notez vos réglages de base du récepteur (ils sont déterminés au cours de la première installation) afin de pouvoir les réutiliser ultérieurement !
L'appellation DiSEqC™ utilisée dans la présente notice est une marque déposée de l'European Telecommunication Satellite Organization (EUTELSAT).
MISE HORS TENSION DU RÉCEPTEUR ET MISE À JOUR EPG
Vous pouvez commuter le récepteur en mode veille à partir du mode TV au moyen de la touche ⏻. Une des touches numériques vous permet de remettre l'appareil en service à partir du mode veille.
Le récepteur commence automatiquement à mettre les données EPG à jour à 3 heures du matin. Les données EPG des 25 premiers canaux de la liste des canaux complète sont mises à jour. Ceci ne fonctionne que si le récepteur se trouve en veille. Si le récepteur est mis hors tension (interrupteur secteur), ou s'il est en service, la mise à jour est retardée. Le récepteur met les données EPG à jour la prochaine fois qu'il repasse du mode service en mode veille. Lorsque la mise à jour des données est terminée, le récepteur retourne automatiquement en veille. Vous pouvez aussi interrompre prématurément
la mise à jour au moyen de la touche ⏻, le récepteur passe alors aussitôt en mode veille.
INDICATION CONCERNANT AUDIO MPEG INC. ET S.I.SV.EL, S.P.A:
Cet appareil fait usage de technologies protégées légalement, qui font l'objet de brevets aux USA et sont également protégées par d'autres droits de la propriété industrielle dans d'autres pays.
KATHREIN-Werke KG a à ce sujet acquis des droit d'utilisation de Audio MPEG Inc. et Societa' Italiana per lo sviluppo dell'elettronica, S.I.SV.EL, S.P.A, lesquels sont soumis à des limitations que vous devez également respecter en tant que client.
Dès lors, cet appareil peut uniquement être utilisé dans le domaine privé, non professionnel par des clients finaux et pour les contenus sous licence. Une utilisation dans un but professionnel n'est pas autorisée. L'utilisation de produits ou procédés qui sont vendus ou utilisés avec cet appareil n'est pas incluse. L'application de techniques réversibles ainsi que le démontage ne sont également pas autorisés en rapport avec les technologies sous licence.
CONTENU
PRÉFACE 2
REMARQUES IMPORTANTES .... 3
CONTENU.... 4
CONSIGNES DE SÉCURITÉ - REMARQUES IMPORTANTES 6
CARACTÉRISTIQUES DU RÉCEPTEUR/ÉTENDUE DE LIVRAISON 7
COMMANDES, AFFICHAGES ET CONNEXIONS 8
RACCORDEMENT ET MISE EN SERVICE 9
TÉLÉCOMMANDE.... 11
INSTALLATION INITIALE 13
CONSIGNES D'UTILISATION.... 32
CONCEPT DE MENUS.... 32
VUE D'ENSEMBLE DES MENUS 33
SAISIES ALPHANUMÉRIQUES.... 34
SÉLECTION DE LA LANGUE - OSD 34
INFORMATIONS SUR LES PROGRAMMES 34
AFFICHAGES À L'ÉCRAN/OSD (ON SCREEN DISPLAY) 35
INFORMATIONS SUR LES ÉMISSIONS 35
APPEL DES PROGRAMMES D'OPTIONS 35
SÉLECTION DES OPTIONS 36
MESSAGE D'ERREUR 36
LISTE DES PROGRAMMES - TV/RADIO 36
EPG - GUIDE ÉLECTRONIQUE DES PROGRAMMES.... 38
ACTIVATION DE L'EPG 38
VUE EMISSION ACTUELLE 39
VUE APERÇU (TÉLÉMAGAZINE)...... 40
VUE CATÉGORIES 41
FONCTION DE RECHERCHE 42
INFORMATIONS SUPPLEMENTAIRES (TOUCHE i) 43
ENREGISTRER (TIMER) 44
ENREGISTREMENT EXCEPTIONNEL 45
ENREGISTREMENT QUOTIDIEN 45
ENREGISTREMENT HEBDOMADAIRE 46
ENREGISTREMENT DÉFINITION CLIENT 46
ENREGISTREMENT QUOTIDIEN (DE SÉRIES).... 47
VUE PROGRAMME D'ENREGISTREMENT 48
COMMON INTERFACE 49
REMARQUES IMPORTANTES.... 49
INSERTION DE LA CARTE SMARTCARD ET DU MODULE CA 49
TÉLÉTEXTE.... 51
EDITER LA LISTE TV 52
SÉLECTION DE LA LISTE/DES PROGRAMMES À ÉDITER 52
EDITION DE LISTES/PROGRAMMES 53
MÉMOIRE « DERNIÈRE FONCTION » 54
CONTENU
DÉPLACER DES PROGRAMMES 54
SUPPRIMER DES PROGRAMMES.... 54
SAUTER DES PROGRAMMES 54
VERROUILLER DES PROGRAMMES 55
COPIER DES PROGRAMMES DANS LA LISTE DE FAVORIS 55
DÉMARRER LE MARQUAGE DE BLOC (MARQUAGE DE PLUSIEURS PROGRAMMES) 55
EDITER DES LISTES DE FAVORIS 56
SUPPRIMER DE LA LISTE DE FAVORIS.... 56
VERROUILLER DES PROGRAMMES 57
RENOMMER LA LISTE DE FAVORIS 57
DÉMARRER LE MARQUAGE DE BLOC (MARQUAGE DE PLUSIEURS PROGRAMMES) 57
RECHERCHER DES PROGRAMMES (RECHERCHE DE PROGRAMME).... 58
RECHERCHE AUTOMATIQUE (DE PROGRAMMES).... 58
RECHERCHE MANUELLE (DE PROGRAMMES) 60
RECHERCHE DE PROGRAMMES AVEC L'ID SERVICE 62
BLOCAGE PARENTAL 64
VERROUILLER LE MENU PRINCIPAL 64
VERROUILLER LE RÉCEPTEUR 64
DÉFINIR UN NOUVEAU MOT DE PASSE (PIN).... 65
RÉGLAGES 66
RÉGLAGES TV.... 67
ADAPTER LE MENU DE L'ECRAN 68
DATE ET HEURE 70
COMMON INTERFACE 70
CONFIGURATION DE L'ANTENNE 70
MENU SERVICE 71
METTRE À JOUR LE LOGICIEL.... 71
CHARGER LES VALEURS D'USINE.... 73
BRANCHEMENT D'UN MAGNÉTOSCOPE/ENREGISTREUR DE DVR.... 74
ENREGISTREMENT 74
LECTURE 74
UTILISATION DE LA FACADE.... 75
ANNEXE TECHNIQUE 76
CARACTÉRISTIQUES.... 76
BROCHAGE DES PRISES PERITEL 78
COMMUTATION VHS/S-VHS 78
EXEMPLE DE RACCORDEMENT 79
EXEMPLES d'installations monocâble 80
PETIT LEXIQUE TECHNIQUE 84
GLOSSAIRE 86
IDENTIFICATION DES DÉFAUTS ET RÉSOLUTION DES PROBLÈMES 87
MAINTENANCE 87
CONSIGNES DE SÉCURITÉ - REMARQUES IMPORTANTES

Vous trouverez sur cette page des remarques importantes concernant le fonctionnement, le lieu d'installation et le raccordement de l'appareil. Veuillez lire ces consignes avec attention avant de mettre l'appareil en service.
Cordon d'alimentation
Veillez à ne pas endommager le cordon d'alimentation (câble d'alimentation électrique). Les appareils dont le cordon d'alimentation est endommagé doivent être déconnectés (retrait de la fiche d'alimentation) et réparés par un professionnel avant d'être remis en service. Utilisez exclusivement le bloc d'alimentation fourni avec l'appareil (s'il est prévu)!
Il y a danger de mort par électrocution !
Nettoyage
Débranchez la fiche d'alimentation avant de nettoyer l'appareil. Utilisez un chiffon sec pour effectuer le nettoyage et nettoyez uniquement la surface. N'ouvrez en aucun cas l'appareil.
Tout contact avec les composants internes de l'appareil représente un risque d'électrocution et par là même un danger mortel !
Enfants qui jouent
Veillez à ce que les enfants n'introduisent pas d'objets par les orifices d'aération.
Il y a danger de mort par électrocution !

Mise à la terre
L'antenne doit être mise à la terre conformément aux prescriptions ou raccordée à la compensation de potentiel. Respectez la norme EN 60728/11 et, le cas échéant, les prescriptions en vigueur dans votre pays.
Il existe un risque de surtension sous l'effet de la foudre !
Tension secteur
Respectez la tension secteur indiquée pour le fonctionnement de l'appareil (voir au dos de l'appareil ou sur le bloc d'alimentation externe) ! Commencez par établir les liaisons avec l'antenne et le téléviseur ou le réseau câblé et l'ordinateur avant de raccorder l'appareil et de le mettre en marche.
Risque d'incendie si la tension secteur est trop forte !
Réparation
Faites effectuer les réparations de votre appareil uniquement par un personnel spécialisé et qualifié. L'ouverture ou des tentatives de réparation de votre propre chef entraînent la perte du droit à la garantie !
Les interventions non conformes effectuées sur l'appareil peuvent porter atteinte à sa sécurité électrique.
Le fabricant n'est pas responsable des accidents subis par l'utilisateur sur un appareil ouvert !

Raccordements
Une erreur de câbiage des raccordements peut entraîner des dysfonctionnements ou endommager l'appareil !
Absence prolongée/orage/accessibilité de la fiche d'alimentation
En cas d'absence prolongée et d'orage, coupez l'appareil avec l'interrupteur secteur et déconnectez-le en retirant la fiche d'alimentation. Ceci est également valable pour les dispositifs reliés à l'appareil. Il est de plus recommandé de déconnecter l'appareil du réseau câblé. Tenez compte des éventuelles programmations de la minuterie (récepteur) et remettez l'appareil en marche à temps avant le moment de l'enregistrement. Veillez à ce que la fiche d'alimentation reste toujours accessible.

Lieu d'installation
Chaque appareil électronique génère de la chaleur. L'élévation de température reste cependant dans des limites non dangereuses. Les surfaces de meubles sensibles et les placages peuvent changer de couleur au cours du temps sous l'action continue de la chaleur. De même, les pieds de l'appareil en contact avec la surface fragile de certains meubles peuvent provoquer des variations de teinte. Le cas échéant, posez l'appareil sur un support approprié, plat et résistant!

Aération
La chaleur générée dans cet appareil est suffisamment évacuée. Cependant, n'installez jamais l'appareil dans un meuble ou sur une étagère avec une aération insuffisante. N'obstruez jamais les fentes d'aération de l'appareil (par exemple avec un autre appareil, des journaux, des nappes ou des rideaux) !
Ne placez pas d'objets sur l'appareil et respectez un espace de 10 cm au moins au-dessus de l'appareil afin de permettre l'évacuation libre de la chaleur.

Humidité, soleil, chaleur, flammes nues
Protégez l'appareil de l'humidité et de toute projection d'eau ou de gouttes d'eau (de même, ne posez aucun récipient plein, tel qu'un vase, sur l'appareil). N'installez pas l'appareil à proximité d'une source de chaleur, ne le laissez pas exposé à la lumière directe du soleil et ne le faites pas fonctionner dans des pièces humides. Utilisez exclusivement l'appareil dans des climats tempérés ! Ne déposez pas de flammes nues, comme par. ex. des bougies, sur l'appareil : il y a risque d'incendie !
CARACTÉRISTIQUES DU RÉCEPTEUR/ÉTENDUE DE LIVRAISON
Les récepteurs UFS 705si et UFS 705sw sont conçus pour la réception de programmes numériques de TV et radio par satellite.
L'interface commune incorporée peut accueillir deux modules CA pour des programmes de télévision payante et permet de faire face aux évolutions futures.
Les récepteurs de la série 705 offrent non seulement une qualité audio et vidéo hors pair, mais attirent l'œil par leur présentation agréable et leur boîtier design.
Malgré leurs dimensions compactes, les récepteurs disposent de nombreuses fonctionnalités telles qu'une sortie audio électrique Dolby Digital (AC 3), une sortie vidéo et un télétexte avec mémoire.
Les récepteurs existent en coloris argent et noir.
ETENDUE DE LIVRAISON
- UFS 705si (argent) ou UFS 705sw (noir)
- Télécommande RC 660
- Câble péritel
- 2 piles AAA 1,5 V
- Câble d'alimentation électrique
- Notice d'utilisation
COMMANDES, AFFICHAGES ET CONNEXIONS
Vous trouverez dans cette section un bref descriptif des commandes, affichages et ports.
VUE AVANT (VOLET OUVERT)

text_image
DVB RECEIVER ① ② ③ ④VUE ARRIÈRE

text_image
IF INPUT 12V 400mA 25Hz IF OUTPUT R AUDIO VIDEO L DIGITAL AUDIO TV VDR MATHEIN CE DATA INTERFACE Electrophone Interface ED 330V-83Hz ① ② ④ ⑥ ③ ⑦Commandes et affi chages sur la face avant
- Interrupteur marche/arrêt (isolation du secteur)
- Affi cheur (volet rabattu)
- Common Interface pour deux modules CA pour cartes de télévision payante *)
- Touches d'éjection des modules CA
Trois touches supplémentaires se trouvent à l'avant de l'affi cheur
- Touche TV/R pour basculer entre le mode TV et radio
- Touches (▼▲) de sélection des programmes
Commandes et connexions sur la face arrière
- Entrée LNB
- Sortie LNB de bouclage
- Sorties audio (G/D), prises Cinch
- Sortie vidéo composite
- Sortie électrique pour fil ux de données numériques (SPDIF/Sony Philips Digital Interface Format) pour signal audio au format Dolby Digital AC 3
- Prise péritel de raccordement TV
- Prise péritel de raccordement VCR (magnétoscope)/AUX
- Interface RJ 11
- Câble d'alimentation secteur
RACCORDEMENT ET MISE EN SERVICE
La section suivante est spécialement destinée aux revendeurs spécialisés. Elle ne présente un intérêt que si vous effectuez vous-même l'installation.
Vous trouverez une configuration type dans la section « Exemples de raccordements ».
Ne raccordez l'appareil au réseau électrique qu'après avoir effectué l'installation dans les règles de l'art. A cet effet, reportez-vous à la section « Consignes de sécurité ».
RACCORDEMENT DE L'APPAREIL (CONNECTEURS FI SAT)

Raccordez l'entrée FI sat du récepteur à l'installation de réception satellite. Pour ce faire, utilisez un câble coaxial muni d'un connecteur mâle normalisé F.
Si les connecteurs mâles F ne sont pas montés, dénudez le câble comme indiqué sur la figure ci-dessous puis enfichez soigneusement les connecteurs F aux extrémités, en leur appliquant un mouvement de rotation jusqu'à ce qu'ils soient solidement fixés.

text_image
7 10
Lors du montage du connecteur, veillez à ce qu'aucun brin de la tresse de blindage ne fasse contact avec le conducteur interne, sous peine de court-circuit.
La qualité du signal de réception dépend de la qualité de cette liaison !
Assurez-vous que votre installation satellite de réception numérique en bande haute est équipée au moins d'un LNB universel.
PRÉRÉGLAGE DE L'APPAREIL RÉCEPTEUR
Le préréglage des signaux de commande correspond à des installations de réception classiques, à savoir commutation de polarisation 14/18 V et signal 22 kHz pour commutation bande basse/haute dans le cas d'installations de réception Multifeed.
RACCORDEMENT ET MISE EN SERVICE
RACCORDEMENT D'UN TÉLÉVISEUR ET D'UN MAGNÉTOSCOPE
Raccordez le récepteur satellite (prise péritel TV) au téléviseur à l'aide d'un câble péritel (voir « Exemple de raccordement »). Si votre téléviseur est de type stéréo, vous pouvez recevoir le son en stéréo par le biais de la liaison péritel.
Raccordez le récepteur satellite (prise péritel magnétoscope = VCR) à votre magnétoscope/enregistreur de DVR, toujours à l'aide d'un câble péritel.
La prise péritel TV et la sortie vidéo Cinch utilisent, du fait de la conception du système, les mêmes signaux vidéo.

Si vous effectuez un enregistrement avec un magnétoscope externe, n'utilisez pas votre récepteur durant l'enregistrement, faute de quoi tous les affichages à l'écran seront également enregistrés.
RACCORDEMENT AUDIO
Si vous voulez retransmettre le son par le biais de votre chaîne Hi-Fi, raccordez les prises audio Cinch aux connecteurs d'entrée de votre installation Hi-Fi à l'aide d'un câble adéquat (voir « Exemple de raccordement »).
SORTIE NUMÉRIQUE ÉLECTRIQUE
La sortie numérique électrique sont prévues pour le raccordement à une installation Dolby Digital (voir « Exemple de raccordement »).
INSERTION DES PILES DANS LA TÉLÉCOMMANDE
Enlevez le cache à l'arrière de la télécommande.
Insérez les deux piles fournies dans la télécommande. Vérifiez la polarité des piles, indiquée dans le compartiment.
Remettez le cache sur le boîtier et poussez-le de sorte qu'il s'enclenche.
TÉLÉCOMMANDE

Son marche/arrêt


Mise en marche/saisie de chiffres pour les programmes, le timer, etc.

Affi chage du menu principal, sortie des menus et retour à l'image TV


Affi chage de la sélection de favoris


Vue « Emission actuelle » dans l'EPG

Volume sonore

Quitter un menu graduellement

Changer de programme dans l'aperçu des programmes (EPG)

Transparence télétexte

Actuellement inutilisée


Enregistrer dans l'EPG, éditer dans la liste de programmes

text_image
RC 660 1 2 3 4 5 6 7 8 9 MENU 0 TEXT FAV PIP OPT TV/R + i + - ▲ P - OK ▶ EXIT EPG II ■ KATHREINLes symboles fi gurant sur les touches sont également repris dans la description des procédures.

Veille

Télétexte


Affi chage des options des programmes Sélection son/sous-titre


Sélection TV/radio

Affi chage des messages/infos programme

Mode AV

Sélection d'un programme haut/bas

Validation de la saisie Affi chage de la liste des programmes


Touches de déplacement du curseur

Affi chage de l'EPG
(guide des programmes)

Changer de programme dans l'aperçu des programmes (EPG)

Arrêt enregistrement/lecture
TÉLÉCOMMANDE
TÉLÉCOMMANDE RC 660
La télécommande RC 660 peut commander jusqu'à quatre appareils (fournis en standard avec la RC 660) ainsi que les récepteurs des séries UFD 5xx (excepté les modèles UFD 552, 554, 558) et UFD 4xx.
Eteignez tout d'abord tous les récepteurs (interrupteur secteur).
Marche à suivre pour affecter un code infrarouge à chaque récepteur :
Mettez le récepteur qui vous intéresse sous tension.
Appuyez simultanément sur les touches suivantes de la télécommande
adresse 1 = ☐EXIT + ☉9 + ☐1.
Eteignez ensuite le récepteur (interrupteur secteur) puis procédez de manière similaire pour les autres appareils (EXIT + 9 + 2 pour le 2ème récepteur ; EXIT + 9 + 3 pour le 3ème récepteur et EXIT + 9 + 4 pour le 4ème récepteur).
N'allumez pas simultanément plusieurs récepteurs durant la procédure !
Basculement de la télécommande sur un code infrarouge :
Après avoir affecté un code infrarouge spécifique à chaque récepteur, procédez de la façon suivante pour basculer entre les différents appareils avec la télécommande :
Pour utiliser le 1 ^er récepteur (adresse 1), appuyez sur + 1 , pour le 2 ^ème récepteur sur + 2 , pour le 3 ^ème récepteur sur + 3 et pour le 4 ^ème récepteur sur + 4 .
EXIT + FAV (rouge) = code pour récepteurs Kathrein UFD 5xx, télécommande RC 400
Les télécommandes RC 600 et RC 650 ne peuvent pas être remplacées !
INSTALLATION INITIALE : Généralités

Avant de mettre votre appareil en service, lisez les chapitres « Consignes de sécurité » et « Raccordement et mise en service ».
Vous trouverez une configuration type dans la section « Exemples de raccordements ».
Ne raccordez l'appareil au réseau électrique qu'après avoir effectué l'installation dans les règles de l'art.
Dans les explications données au chapitre « Première installation », nous partons du principe que le récepteur a été raccordé dans les règles, conformément aux chapitres « Consignes de sécurité » et « Raccordement et mise en service ».
Allumez votre téléviseur et sélectionnez l'emplacement de programme AV. Mettez le récepteur sous tension avec l'interrupteur qui figure à l'avant de l'appareil. L'affichage suivant apparaît :

text_image
Sélection de la langue Deutsch English Français Italiano Español Cestina Nederlands Türkçe Appuyez sur ▲ pour sélectionner la langue des menus Exit Annuler Aller à l'étape suivanteRegardez également les barres qui fi gurent en bas de l'écran Vous y trouverez des consignes d'utilisation.
Sélectionnez la langue des menus que vous souhaitez avec les touches ▼▲.
Au choix : allemand, anglais, français, italien, espagnol, tchèque, néerlandais et turc.
Appuyez sur la touche 📄 (verte) pour accéder au menu suivant.
Remarque : Si vous n'êtes pas sûr d'avoir effectué le bon réglage dans le menu précédent, vous pouvez, tout au long de la première installation, revenir au point précédent avec la touche (rouge).
L'affi chage suivant apparaît :
INSTALLATION INITIALE : Généralités

text_image
Sélection liste de programmes Remettre à zéro la liste de prog Oui Pré-trié pour Allemagne Appuyez sur pour sélectionner le pré-tir de la liste de programmes Exit Annuler Retour Aller à l'étape suivanteSélectionnez avec les touches ◀▶ si la liste de programmes spécifiée à l'usine doit être remplacée par une liste de programmes pré-triée pour l'Allemagne, l'Autriche, la Suisse ou l'Italie. Si vous voulez utiliser la liste de programmes spécifiée à l'usine, sélectionnez pour le point « Remettre à zéro la liste de progra »
le réglage « Non ». Appuyez sur la touche 📄 (verte) pour accéder au menu suivant.
L'affi chage suivant apparaît :

text_image
TV, image et son Format TV 16:9 Affichage à l'écran automatique Sortie signal PERITEL TV RVB Appuyez sur pour régler le format TV EXIT Annuler Retour Aller à l'étape suivanteSélectionnez avec les touches ▲▼◀▶ les réglages pour votre téléviseur.
Consultez le mode d'emploi de votre téléviseur !
Format TV
Sélectionnez ici le format d'image de votre téléviseur. Les possibilités sont les suivantes :
4:3 ou
16:9
INSTALLATION INITIALE : Généralités
Affi chage à l'écran
Sélectionnez ici le mode d'affichage, en fonction du format TV paramétré :
- Format TV « 4:3 » : Pan & Scan ou Letterbox
- Format TV « 16:9 » : toujours 16:9 ou automatique
Sortie signal PERITEL TV
Sélectionnez ici le type de signal vidéo présent au connecteur péritel TV. Sélectionnez le signal compatible avec votre téléviseur.
- FBAS – signal composite (signal couleur/image/suppression/synchronisation)
- RVB – signal RVB rouge/vert/bleu ou
- Y/C – signal S-vidéo (luminance/chrominance)
Appuyez sur la touche 📄 (verte) pour accéder au menu suivant. L'affi chage suivant apparaît :

text_image
Configuration de l'antenne Système DiSEqC 1.0 Nombre de satellites 2 Satellite 1: ASTRA 19.2E Satellite 2: HOTBIRD 13.0E Appuyez sur pour sélectionner le système d'antenne raccordé EXIT Annuler Retour Aller à l'étape suivanteSystème
Sélectionnez avec les touches ◀▶ le réglage qui correspond à votre installation de réception. Vous avez les possibilités suivantes :
- DiSEqC™1.0
- Système monocâble
- LNB simple
Si votre installation de réception est compatible DiSEqC™, sélectionnez dans « Système » « DiSEqC™ 1.0 » (sert à basculer entre les satellites captés). Si votre installation n'est pas compatible DiSEqC™, sélectionnez « LNB simple ». Si le récepteur doit être connecté à une installation monocâble, sélectionnez
« Système monocâble ». Sélectionnez avec la touche ▼ le point de menu suivant.
Poursuivez l'Première installation par le chapitre correspondant
INSTALLATION INITIALE : DiSEqC™1.0

Assurez-vous, après avoir sélectionné le ou les satellites, que votre appareil récepteur est bien pointé sur le ou les satellites souhaités !
Nombre de satellites
Indiquez avec les touches ⬆▶ combien de satellites (max. 4) vous captez avec votre installation de réception. L'affi chage suivant apparaît (exemple) :

text_image
Configuration de l'antenne Système DiSEqC 1.0 Nombre de satellites 2 Satellite 1: ASTRA 19.2E Satellite 2: HOTBIRD 13.0E Appuyez sur pour sélectionner le nombre de satellites raccordés EXIT Annuler Retour Aller à l'étape suivanteSélectionnez l'emplacement du premier satellite avec les touches ▲▼. Avec la touche OK, appelez le menu pour les réglages du satellite. L'affichage suivant apparaît (exemple) :

text_image
Configuration de l'antenne Satellite 1 de 2 Satellite et position ASTRA 19.2E Type de LNI Universel Basse fréquence LN 9750 MHz Haute fréquence LH 10600 MHz Frequence limite LH 11700 MHz Transpondeur de test 10847 MHz Appuyez sur pour sélectionner le satellite à capter EXIT Annuler Retour Aller à l'étape suivanteSatellite et position
Sélectionnez avec les touches ◀▶ le satellite souhaité (sélection parmi 17 satellites pré-programmés).
INSTALLATION INITIALE : DiSEqC™1.0
Réglages LNB
Sélectionnez avec les touches ◀▶ le type de LNB utilisé dans votre installation. Vous avez le choix entre « Universel » et « Défi nition client ».
Universel :
Aucune autre saisie n'est nécessaire, car un LNB universel couvre toutes les gammes de fréquences.
Définition client :
Si vous n'utilisez pas de LNB universel, réglez ici les gammes de fréquences pour lesquelles votre LNB a été confi guré.
Sélectionnez, avec les touches ▲▼, la gamme de fréquences à modifier (fréquence basse, haute ou limite).
Réglez à l'aide des touches ◀▶ ou des touches numériques la fréquence exacte pour laquelle votre LNB a été confi guré.
Transpondeur de test
Pour vérifier si vos réglages sont corrects, allez avec les touches ▲▼ sur « Transpondeur de test ».
Avec les touches ◀▶, sélectionnez les différents transpondeurs. Si vos réglages sont corrects, vous voyez en haut à droite de l'image le signal live d'un programme du transpondeur sélectionné.
Si vous ne recevez pas de signal, vérifiez une nouvelle fois vos réglages. Le cas échéant, faites appel à un professionnel.
Tous les réglages pour le premier satellite sont maintenant terminés. Revenez au « Menu de sélection des satellites » avec la touche EXIT et effectuez les réglages pour les autres satellites en procédant de la même manière.
Lorsque la configuration des satellites a été terminée avec la touche 📄 (verte), le récepteur affi che automatiquement le menu de sélection pour la recherche de programmes. Poursuivez avec (Effectuer une recherche de programme).
INSTALLATION INITIALE : LNB SIMPLE

text_image
Configuration de l'antenne Système LNB simple Satellite et position ASTRA 19.2E Type de LNI Universel Basse fréquence LN 9750 MHz Haute fréquence LH 10600 MHz Frequence limite LF 11700 MHz Transpondeur de test 10847 MHz Appuyez sur pour sélectionner le système d'antenne raccordé EXIT Annuler Retour Aller à l'étape suivanteSatellite et position
Sélectionnez avec les touches ◀▶ le satellite souhaité, dont le signal doit être capté par le tuner.
Lorsque vous avez sélectionné le satellite souhaité, allez avec les touches ▲▼ sur la sélection du « Type de LNB ».

text_image
Configuration de l'antenne Système LNB simple Satellite et position ASTRA 19.2E Type de LNI Universel Basse fréquence LN 9750 MHz Haute fréquence LN 10600 MHz Frequence limite LH 11700 MHz Transpondeur de test 10847 MHz Appuyez sur pour sélectionner le type de LNB Exit Annuler Retour Aller à l'étape suivanteRéglages LNB
Sélectionnez avec les touches ◀▶ le type de LNB utilisé dans votre installation. Vous avez le choix entre « Universel » et « Défi nition client ».
Universel :
Aucune autre saisie n'est nécessaire, car un LNB universel couvre toutes les gammes de fréquences.
INSTALLATION INITIALE : LNB SIMPLE
Définition client :
Si vous n'utilisez pas de LNB universel, réglez ici les gammes de fréquences pour lesquelles votre LNB a été confi guré.
Sélectionnez, avec les touches ▲▼, la gamme de fréquences à modifier (fréquence basse, haute ou limite).
Réglez à l'aide des touches ◀▶ ou des touches numériques la fréquence exacte pour laquelle votre LNB a été confi guré.
Transpondeur de test
Pour vérifier si vos réglages sont corrects, allez avec les touches ▲▼ sur « Transpondeur de test ».
Avec les touches ◀▶, sélectionnez les différents transpondeurs. Si vos réglages sont corrects, vous voyez en haut à droite de l'image le signal live d'un programme du transpondeur sélectionné.
Si vous ne recevez pas de signal, vérifiez une nouvelle fois vos réglages. Le cas échéant, faites appel à un professionnel.
Lorsque la configuration des satellites a été terminée avec la touche 📋 (verte), le récepteur affi che automatiquement le menu de sélection pour la recherche de programmes. Poursuivez avec (Effectuer une recherche de programme).
INSTALLATION INITIALE : Système monocâble
Ici, sélectionnez avec les touches ◀▶ « Système monocâble » dans « Système ». Sélectionnez avec la touche ▼ le point de menu suivant. L'affi chage suivant apparaît :

text_image
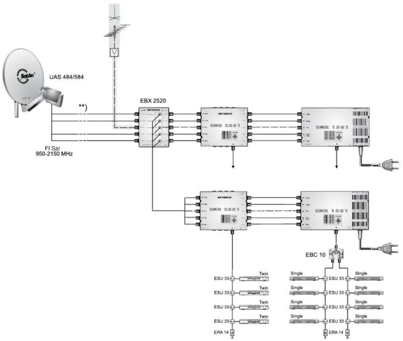
Les différentes possibilités offertes par une installation monocâble avec des composants Kathrein sont indiquées à la fin de cette documentation, dans le chapitre « Annexe technique », sous « Exemples d'installations monocâble ».
text_image
Configuration de l'antenne Système Système monocâble Nombre de satellites 2 Canal de transmission: 4 (SCR3 / 1980 MHz) Satellites: ASTRA 19.2E, HOTBIRD 13.0E Configurer les satellites Nouvelle inscription Intensité du signal : 48 % Qualité du signal : 0 % Appuyez sur pour sélectionner le nombre de satellites raccordés EXIT Annulier Retour Aller à l'étape suivanteNombre de satellites
Indiquez avec les touches ⬇▶ combien de satellites (max. 2) vous captez avec votre installation de réception. Sélectionnez avec la touche ▼ le point de menu suivant.
Configurer les satellites
Appuyez sur la touche OK pour appeler le menu. L'affi chage suivant apparaît :

text_image
Configuration de l'antenne Satellite 1 de 2 Satellite et position ASTRA 19.2E Type de LNI Wideband Bassie fréquence LF 10200 MHz Haute fréquence LF 10200 MHz Frequence limite LF 11700 MHz Transpondeur de test 10847 MHz Appuyez sur pour sélectionner le satellite à capter MENU Quitter le menu principal EXIT Retour OK SulvantSatellite et position
Choisissez le premier satellite (satellite 1 de 2, selon le réglage), comme sur la représentation, avec les touches ◀▶.
Réglages LNB
Sélectionnez avec les touches ◀▶ le type de LNB utilisé dans votre installation. Vous avez le choix entre « Universel », « Large bande » et « Définition client ».
Si vous utilisez un LNB monocâble (p. ex. UAS 481 de Kathrein) dans votre installation de réception, choisissez l'option « Large bande ». Si vous utilisez une matrice monocâble (EXU 908) ou une matrice de commutation monocâble (EXR 501, 551, 552, 1581 ou 2581) Kathrein, il faut que votre LNB soit un « LNB universel » !
INSTALLATION INITIALE : Système monocâble
Universel :
Aucune autre saisie n'est nécessaire, car un LNB universel couvre toutes les gammes de fréquences.
Large bande :
Aucune saisie supplémentaire n'est nécessaire, car toutes les gammes de fréquences sont prédéfinies par le LNB large bande.
Défi nition utilisateur :
Si vous n'utilisez pas de système universel ou large bande, vous devez régler les fréquences à cet endroit. La documentation qui accompagne votre système fournit les informations nécessaires.
Sélectionnez, avec les touches ▲▼, la gamme de fréquences à modifier (fréquence basse, haute ou limite).
Réglez à l'aide des touches ◀▶ ou des touches numériques la fréquence exacte pour laquelle votre LNB a été confi guré.
Lorsque vous avez effectué tous les réglages correspondant au satellite sélectionné, actionnez la touche OK. Si vous avez sélectionné plus d'un satellite, répétez les opérations « Satellite et position », ainsi que « Réglages LNB » pour le nombre de satellites que vous avez choisis.
L'affichage suivant apparaît lorsque les réglages ont été réalisés pour tous les satellites :

text_image
Configuration de l'antenne Système Système monocâble Nombre de satellites 2 Canal de transmission: 4 (SCR3 / 1980 MHz) Satellites: ASTRA 19.2E, HOTBIRD 13.0E Configurer les satellites Nouvelle inscription Intensité du signal : 48 % Qualité du signal : 0 % Appuyez sur pour régler les paramètres pour les satellites raccordés EXIT Annuler Retour Aller à l'étape suivanteSélectionnez le point de menu suivant « Nouvelle inscription » avec les touches▼ et actionnez la touche OK. L'affi chage suivant apparaît :

text_image
Nouvelle inscription Automatique Manuel EXIT Annuler OK ConfirmerSélectionnez avec les touches ▲▼ le type de recherche souhaité et validez votre choix avec la touche OK. Les explications suivantes seront développées sur deux chapitres pour une meilleure clarté.
Nous expliquerons tout d'abord l'installation « Automatique », puis l'installation « Manuelle ».
INSTALLATION INITIALE : Système monocâble (automatique)

Si un ou plusieurs récepteurs se trouvent déjà dans le système et que vous souhaitez en ajouter un autre, il faut vous assurer, lors de l'attribution de la fréquence de transmission au nouveau récepteur, qu'une fréquence de transmission n'est pas attribuée deux fois. Plusieurs récepteurs ne peuvent pas se partager la même fréquence.
Le récepteur recherche les canaux de transmission existants dans votre système monocâble et montre tous les canaux de transmission disponibles sur l'affi chage suivant.
Sélectionnez avec les touches ▲▼ le type de recherche souhaité et validez votre choix avec la touche OK.

Plusieurs récepteurs ne peuvent pas se partager la même fréquence. Les récepteurs se parasiteraient mutuellement.
Le récepteur lit ensuite les données disponibles pour votre installation monocâble et configure votre récepteur.
Le récepteur a été inscrit correctement dans votre installation monocâble. Validez l'instruction avec la touche OK. Appuyez maintenant sur
la touche 📄 (verte). Le récepteur affi che automatiquement le menu de sélection pour la recherche des programmes. Poursuivez avec (Effectuer une recherche de programme).

text_image
Configuration de l'antenne Système Système monocâble Veuillez patienter... Recherche des canaux de transmission EXIT Anzuler
text_image
Configuration de l'antenne Systen Sélection du canal Veuillez sélectionner le canal de transmission. Chaque récepteur doit avoir son propre canal de transmission pour éviter les perturbations! Kanal 3 (1980 MHz ) Kanal 4 (1978 MHz ) OUT Annuler OK Sélection du canal
text_image
Configuration de l'antenne Système Système monocâble Veuillez patienter... Lecture des données de l'installation EXIT Annuler
text_image
Configuration de l'antenne Système Système monocâble Remarque Inscription réussie! OK FermerS'il n'est pas possible d'établir une liaison avec l'installation monocâble, le message « Echec de l'inscription ! » Vérifiez les réglages et contactez un spécialiste si nécessaire.
INSTALLATION INITIALE : Système monocâble (manuel)

Si un ou plusieurs récepteurs se trouvent déjà dans le système, et que vous souhaitez en ajouter un nouveau, vous devez assigner à ce récepteur une fréquence qui n'a pas encore été attribuée (les récepteurs se parasitent sinon mutuellement).
En fonction de l'installation raccordée, il est possible de raccorder de quatre à huit récepteurs au système monocâble (les récepteurs Twin sont considérés comme étant deux récepteurs).

text_image
Configuration de l'antenne Système Système monocâble Installation raccordée Définition client Canal de transmission 1 (SCR 0) Fréquence de transmission 1400 MHz Protéger le canal avec un PIN Non Tester la liaison Appuyez sur pour sélectionner l'installation raccordée MENU Quitter le menu principal EXIT RetourInstallation raccordée
Sélectionnez, avec les touches ◀▶, le type d'installation raccordée ou les composants du système monocâble installés (tenir compte pour ce faire des notices, des instructions et des remarques fournies avec l'installation ou les composants de celle-ci). Vous disposez des possibilités suivantes :
- Personnalisé
- KATHREIN UAS 481 (système d'alimentation monocâble, max. quatre récepteurs)
- KATHREIN EXR 551 (matrice de commutation monocâble, max. quatre récepteurs)
- KATHREIN EXR 552 (matrice de commutation monocâble, max. deux récepteurs)
- KATHREIN EXU 908 (matrice monocâble, max. huit récepteurs)
- EXR 4 abonnés (pour futures matrices de commutation monocâble Kathrein, max. quatre récepteurs)
- EXR 8 abonnés (pour futures matrices de commutation monocâble Kathrein, max. huit récepteurs)
Sélection « Définition client »
Canal de transmission
Sélectionnez avec les touches ◀▶ un canal de transmission disponible et libre.
Fréquence de transmission
Indiquez la fréquence de transmission avec les touches numériques.

Plusieurs récepteurs ne peuvent pas se partager la même fréquence.
Les récepteurs se parasiteraient mutuellement.
Les informations nécessaires (fréquences de transmission) sont fournies dans la documentation accompagnant votre système.
Protéger le canal avec un PIN
Si, dans votre système monocâble, il est possible de protéger la fréquence de transmission au moyen d'un PIN, vous pouvez le faire dans ce menu. La fréquence de transmission ne peut alors pas être utilisée par un autre récepteur sans saisie préalable du PIN.
Sélectionnez le réglage « Oui » avec les touches ◀▶. Le message « Mot de passe PIN » est ensuite
affi ché. Choisissez cette ligne avec les touches ▲▼. Vous pouvez maintenant introduire un PIN (0 à 255) avec les touches numériques.
INSTALLATION INITIALE : Système monocâble (manuel)
Tester la liaison
Lorsque vous avez effectué tous les réglages, passez avec les touches ▲▼ dans la zone de sélection « Tester la liaison » et actionnez la touche OK. Le récepteur teste maintenant s'il est possible ou non d'établir une liaison avec l'installation monocâble. Dès que le récepteur a établi la liaison avec l'installation monocâble, le message suivant est affi ché :
Validez l'instruction avec la touche OK. Actionnez ensuite la touche EXIT. Le système vous demande si vous souhaitez enregistrer les modifi cations. Sélectionnez avec les touches ▲▼ « Oui, mémoriser les modifi cations », et validez avec la touche OK. Appuyez maintenant sur la touche (verte).

text_image
Remarque La liaison est OK! OK FermerLe récepteur affiche automatiquement le menu de sélection pour la recherche des programmes. Poursuivez avec (Effectuer une recherche de programme).
S'il n'est pas possible d'établir une liaison avec l'installation monocâble, le message suivant est affiché :

text_image
Erreur Echec de l'inscription! OK FermerVérifiez les réglages (fréquence et canal de transmission) et contactez un spécialiste si nécessaire.
INSTALLATION INITIALE : Système monocâble (manuel)
Sélection « UAS 481 » ou « EXR 551 »

text_image
Si vous utilisez le système d'alimentation monocâble « UAS 481 », le LNB doit être réglé obligatoirement sur « Large bande » ! Si vous utilisez la matrice de commutation monocâble « UAS 551 », le LNB doit être réglé obligatoirement sur « Universel » !
text_image
Configuration de l'antenne Système Système monocâble Installation raccordée KATHREIN EXR 551 Canal de transmission 1 (1400 MHz) Tester la liaison Appuyez sur pour sélectionner l'installation raccordée MENU Quitter le menu principal EXIT RetourCanal de transmission
Sélectionnez avec les touches ▶ un canal de transmission disponible et libre. Quatre canaux de transmission peuvent être utilisés (1400, 1516, 1632 et 1748 MHz).
Tester la liaison
Lorsque vous avez réglé un canal de transmission libre, passez avec les touches ▲▼ dans la zone de sélection « Tester la liaison » et actionnez la touche OK. Le récepteur teste maintenant s'il est possible ou non d'établir une liaison avec l'installation monocâble. Dès que le récepteur a établi la liaison avec l'installation monocâble, le message suivant est affiché :
Validez l'instruction avec la touche OK. Actionnez ensuite la touche EXIT. Le système vous demande si vous souhaitez enregistrer les modifi cations. Sélectionnez avec les touches ▲▼ « Oui, mémoriser les modifi cations », et validez avec la touche OK. Appuyez maintenant sur la touche (verte).

text_image
Remarque La liaison est OK! OK FermerLe récepteur affiche automatiquement le menu de sélection pour la recherche des programmes. Poursuivez avec (Effectuer une recherche de programme).
S'il n'est pas possible d'établir une liaison avec l'installation monocâble, le message suivant est affiché :

text_image
Erreur Echec de l'inscription! OK FermerVérifi ez les réglages et contactez un spécialiste si nécessaire.
INSTALLATION INITIALE : Système monocâble (manuel)
Sélection « EXR 552 »

text_image
Si vous utilisez la matrice de commutation monocâble « UAS 552 », le LNB être réglé obligatoirement sur « Universel » !
text_image
Configuration de l'antenne Système Système monocâble doit Installation raccordée KATHREIN EXR 552 Canal de transmission 1 (1400 MHz) Tester la liaison Appuyez sur pour sélectionner l'installation raccordée MENU Quitter le menu principal EXIT RetourCanal de transmission
Sélectionnez avec les touches ▶ un canal de transmission disponible et libre. Deux canaux de transmission peuvent être utilisés (1400 et 1516 MHz).
Tester la liaison
Lorsque vous avez réglé un canal de transmission libre, passez avec les touches ▲▼ dans la zone de sélection « Tester la liaison » et actionnez la touche OK. Le récepteur teste maintenant s'il est possible ou non d'établir une liaison avec l'installation monocâble. Dès que le récepteur a établi la liaison avec l'installation monocâble, le message suivant est affiché :
Validez l'instruction avec la touche OK. Actionnez ensuite la touche EXIT. Le système vous demande si vous souhaitez enregistrer les modifi cations. Sélectionnez avec les touches ▲▼ « Oui, mémoriser les modifi cations », et validez avec la touche OK. Appuyez maintenant sur la touche (verte).

text_image
Remarque La liaison est OK! OK FormerLe récepteur affiche automatiquement le menu de sélection pour la recherche des programmes. Poursuivez avec (Effectuer une recherche de programme).
S'il n'est pas possible d'établir une liaison avec l'installation monocâble, le message suivant est affiché :

text_image
Erreur Echec de l'inscription! OK FermerVérifi ez les réglages et contactez un spécialiste si nécessaire.
INSTALLATION INITIALE : Système monocâble (manuel)
Sélection « EXU 908 »

text_image
Si vous utilisez la matrice de commutation monocâble « EXU 908 », le LNB doit être réglé obligatoirement sur « Universel » !
text_image
Configuration de l'antenne Système Système monocâble Installation raccordée KATHREIN EXU 908 Canal de transmission 1 (1284 MHz) Protéger le canal avec un PIN Non Tester la liaison Appuyez sur pour sélectionner l'installation raccordée MENU Quitter le menu principal EXIT RetourCanal de transmission
Sélectionnez avec les touches ▶ un canal de transmission disponible et libre. Huit canaux de transmission peuvent être utilisés (1284, 1400, 1516, 1632, 1748, 1864, 1980 et 2096 MHz).
Protéger le canal avec un PIN
Dans le cas de la matrice monocâble EXU 908, il est possible de protéger la fréquence de transmission utilisée au moyen d'un PIN. La fréquence de transmission ne peut alors pas être utilisée par un autre récepteur sans saisie préalable du PIN.
Sélectionnez le réglage « Oui » avec les touches ◀▶. Le message « Mot de passe PIN » est ensuite affi ché. Choisissez cette ligne avec les touches ▲▼. Vous pouvez maintenant introduire un PIN (0 à 255) avec les touches numériques.
Tester la liaison
Lorsque vous avez réglé un canal de transmission libre, passez avec les touches ▲▼ dans la zone de sélection « Tester la liaison » et actionnez la touche OK. Le récepteur teste maintenant s'il est possible ou non d'établir une liaison avec l'installation monocâble. Dès que le récepteur a établi la liaison avec l'installation monocâble, le message suivant est affiché :
Validez l'instruction avec la touche OK. Actionnez ensuite la touche EXIT. Le système vous demande si vous souhaitez enregistrer les modifi cations. Sélectionnez avec les touches ▲▼ « Oui, mémoriser les modifi cations », et validez avec la touche OK. Appuyez maintenant sur la touche (verte).

text_image
Remarque La liaison est OK! OK FarmerLe récepteur affiche automatiquement le menu de sélection pour la recherche des programmes. Poursuivez avec (Effectuer une recherche de programme).
S'il n'est pas possible d'établir une liaison avec l'installation monocâble, le message « Echec de l'inscription ! ».
Vérifi ez les réglages et contactez un spécialiste si nécessaire.
INSTALLATION INITIALE : Système monocâble (manuel)
Sélection « 4 abonné »

text_image
Si vous utilisez la matrice de commutation monocâble « 4 abonné », le LNB être réglé obligatoirement sur « Universel » !
text_image
Configuration de l'antenne Système Système monocâble Installation raccordée EXR 4 Abonné Canal de transmission 1 (1284 MHz) Tester la liaison Appuyez sur pour sélectionner l'installation raccordée MENU Quitter le menu principal OUT RetourCanal de transmission
Sélectionnez avec les touches ▶ un canal de transmission disponible et libre. 4 canaux de transmission peuvent être utilisés (1284, 1400, 1516 et 1632 MHz).
Tester la liaison
Lorsque vous avez réglé un canal de transmission libre, passez avec les touches ▲▼ dans la zone de sélection « Tester la liaison » et actionnez la touche OK. Le récepteur teste maintenant s'il est possible ou non d'établir une liaison avec l'installation monocâble. Dès que le récepteur a établi la liaison avec l'installation monocâble, le message suivant est affiché :
Validez l'instruction avec la touche OK. Actionnez ensuite la touche EXIT. Le système vous demande si vous souhaitez enregistrer les modifi cations. Sélectionnez avec les touches ▲▼ « Oui, mémoriser les modifi cations », et validez avec la touche OK. Appuyez maintenant sur la touche (verte).

text_image
Remarque La liaison est OK! OK FermerLe récepteur affiche automatiquement le menu de sélection pour la recherche des programmes. Poursuivez avec (Effectuer une recherche de programme).
S'il n'est pas possible d'établir une liaison avec l'installation monocâble, le message suivant est affiché :

text_image
Erreur Echec de l'inscription! OK FermerVérifi ez les réglages et contactez un spécialiste si nécessaire.
INSTALLATION INITIALE : Système monocâble (manuel)
Sélection « 8 abonné »

text_image
Si vous utilisez la matrice de commutation monocâble « 8 abonné », le LNB être réglé obligatoirement sur « Universel » !
text_image
Configuration de l'antenne Système Système monocâble doit Installation raccordée EXR 8 Abonné Canal de transmission 1 (1284 MHz) Tester la liaison Appuyez sur pour sélectionner l'installation raccordée MENU Quitter le menu principal EXIT RetourCanal de transmission
Sélectionnez avec les touches ▶ un canal de transmission disponible et libre. 8 canaux de transmission peuvent être utilisés (1284, 1400, 1516, 1632, 1748, 1864, 1980 et 2096 MHz).
Tester la liaison
Lorsque vous avez réglé un canal de transmission libre, passez avec les touches ▲▼ dans la zone de sélection « Tester la liaison » et actionnez la touche OK. Le récepteur teste maintenant s'il est possible ou non d'établir une liaison avec l'installation monocâble. Dès que le récepteur a établi la liaison avec l'installation monocâble, le message suivant est affiché :
Validez l'instruction avec la touche OK. Actionnez ensuite la touche EXIT. Le système vous demande si vous souhaitez enregistrer les modifi cations. Sélectionnez avec les touches ▲▼ « Oui, mémoriser les modifi cations », et validez avec la touche OK. Appuyez maintenant sur la touche (verte).

text_image
Remarque La liaison est OK! OK FormerLe récepteur affiche automatiquement le menu de sélection pour la recherche des programmes. Poursuivez avec (Effectuer une recherche de programme).
S'il n'est pas possible d'établir une liaison avec l'installation monocâble, le message suivant est affiché :

text_image
Erreur Echec de l'inscription! OK FermerVérifi ez les réglages et contactez un spécialiste si nécessaire.
INSTALLATION INITIALE : Recherche de programme

text_image
Recherche de programme Effectuer une recherche de prog Non Mode recherche de programme en clair & cryptés Recherche réseau Activé Pré-programmé dans la liste Programmes TV: 397 Programmes radio: 191 Appuyez sur pour effectuer ou non une recherche de programme EXIT Annuler Retour Allier à l'étape suivanteEffectuer une recherche de programme
Indiquez avec les touches (Oui ou Non) si vous souhaitez lancer une recherche de programme. Vous n'êtes pas obligé d'effectuer une recherche et pouvez également utiliser les programmes pré-programmés en usine. Cependant, les programmes sont de temps en temps sujets à des modifications (par ex. un changement de fréquence) que le récepteur ne détecte pas automatiquement, et qui ne sont trouvées qu'à l'occasion d'une recherche de programmes.
Si vous avez sélectionné « Non », vous pouvez aller directement au point suivant de la première installation à l'aide de la touche 📄 (verte).
Si vous avez sélectionné « Oui », allez avec la touche ▼ sur le point suivant.
Mode Recherche de programme
Indiquez avec les touches ◀▶ si vous souhaitez chercher uniquement les programmes « en clair et cryptés », « uniquement les programmes en clair » ou « uniquement les programmes cryptés ».
Pour voir les programmes cryptés, il vous faut un module CA (Conditional Access) correspondant de même qu'une carte Smartcard valide et un abonnement du fournisseur de TV payante.
Allez avec la touche ▼ sur le point suivant.
Recherche réseau
Avec « Recherche réseau Désactivé », seuls les transpondeurs mémorisés d'origine des satellites que vous avez précédemment sélectionnés sont explorés à la recherche de programmes non encore mémorisés.
Avec « Recherche réseau Activé », des transpondeurs non encore mémorisés peuvent être trouvés par l'interconnexion des transpondeurs. Ceux-ci sont mémorisés et explorés à la recherche de nouveaux programmes, tout comme les transpondeurs déjà existants.
La touche 📋 (verte) lance la recherche des programmes ou, si « Recherche de programme Désactivé » est sélectionné, permet d'aller directement au point suivant de la première installation.
Une fois la recherche de programme terminée, l'écran affiche (exemple) :
INSTALLATION INITIALE : Recherche de programme/Date et heure

text_image
Recherche de programme Programmes TV 1106 F 1107 N 1108 F 1109 T 1110 F 1111 L Remarque Nouveaux programmes TV : 714 Nouveaux programmes radio : 108 New New New New New New New OK Fermer ASTRA 19.2E - 11170 MHz - Horizontal - 22000 MS/s 100 % terminéAvec la touche OK, vous accédez à l'étape suivante de la première installation. L'affichage suivant apparaît :

text_image
Date et heure Fuseau horaire différent (UTC) +1 h Basculement automatique de l'hu Activé Mercredi 11.02.2009 11:35 Heure Heure d'hiver Appuyez sur pour sélectionner le fuseau horaire EXIT Annuler Retour Terminer la première installationFuseau horaire différent
Réglez avec les touches ◀▶ la différence de fuseau horaire par rapport à l'heure UTC (anciennement GMT) (par ex. + 1 heure pour l'Allemagne).
Allez avec les touches ▲▼ sur « Basculement automatique de l'heure ». Indiquez avec les
touches ◀▶ si le récepteur doit basculer automatiquement de l'heure d'été sur l'heure d'hiver et inversement. Avec « Activé », le récepteur règle automatiquement la bonne heure. Avec « Désactivé », un champ vous permettant de sélectionner manuellement l'heure d'été et l'heure d'hiver s'affiche.
Effectuez le réglage également avec les touches ◀▶.
Avec la touche 📋 (verte), vous terminez l'Première installation et vous revenez à l'image TV.
CONSIGNES D'UTILISATION
CONCEPT DE MENUS
Le concept des menus suit la séquence logique des opérations à effectuer. Le programme du programme momentanément sélectionné apparaît systématiquement dans l'angle supérieur droit de l'écran.
Vous trouverez une description détaillée de chaque fonction de menu dans le chapitre correspondant de la notice d'utilisation.
Remarque : Les menus, sous-menus, éléments et paramètres de réglage sélectionnés sont mis en surbrillance. L'utilisation des menus est intuitive.

text_image
Menu principal Editer la liste de programme Recherche de programme Blocage parental Réglages Menu Service Sélection de la langue Appuyez sur pour éditer les listes de programmes TV et radio MENU EXIT Quitter le menu principalRegardez la barre fi gurant en bas de l'écran ! Vous y trouverez des consignes d'utilisation.
Appuyez sur la touche MENU pour affi cher le menu principal et sur les touches ▲▼ pour sélectionner les sous-menus.
Appuyez sur la touche OK pour accéder aux sous-menus. Utilisez les touches ▲▼ pour sélectionner les éléments dans les sous-menus.
Pour modifier les réglages des différents éléments, utilisez les touches ◀▶ ou bien les touches numériques. Appuyez sur la touche EXIT pour quitter graduellement le menu principal et les sous-menus
de même que les éléments sélectionnés (les réglages/modifications sont mémorisés). Avec la touche MENU, vous pouvez revenir directement de l'un des menus à l'image TV (les réglages/modifications sont mémorisés).
CONSIGNES D'UTILISATION
VUE D'ENSEMBLE DES MENUS
Menu principal
Affi chage avec la touche MENU

text_image
Menu principal Editor la liste TV Tous les satellites 1 Das Erste 2 ZDF 3 SAT.1 4 RTL Television 5 RTL2 6 VOX 7 ProSieben 8 kabel eins 9 Bayerisches FS 10 WDR Köln Sélection de liste Selection de Alphabetique TV / radio EXIT Retour Editir TEXT Recherche
text_image
Menu principal Recherche de programme Recherche automatique Recherche manuelle Recherche avec l'ID Service Appuyez sur pour chercher de nouveaux programmes sur un satellite MENU Quitter le menu principal EXIT Retour
text_image
Menu principal Blocage parental Verrouiller le menu principal Désactivé Verrouiller le récepteur Désactivé Définir un nouveau mot de pass Appuyez sur pour verrouiller ou déverrouiller le menu principal MENU Quitter le menu principal EXIT Retour
text_image
Menu principal Réglages Première installation TV, image et son Adapter le menu de l'écran Date et heure Common Interface Configuration de l'antenne Appuyez sur pour effectuer une première installation Quitter le menu principal EXIT Retour
text_image
Menu principal Menu Service Mise à jour du logiciel Charger les valeurs d'usine Version du logiciel: V1.00 Version du matériel: V1.0 Date de la liste de programmes 06.06.2007 Dernière mise à jour le: 05.01.2007
text_image
Menu principal Lundi 11.06.2007 08 42 Sélection de la langue Deutsch English Français Italiano Español Cestina Nederlands Türkçe Exit Annuler OK Valider Appuyez sur OS pour sélectionner la langue des menus MENU EXIT Quitter le menu principalCONSIGNES D'UTILISATION
SAISIES ALPHANUMÉRIQUES
Pour la saisie par ex. des noms de favoris ou des critères de recherche, utilisez le clavier affi ché (voir ci-contre) en sélectionnant les chiffres et les lettres avec les touches numériques. Vous avez le choix entre les majuscules
et les minuscules (touche MENU). Sélectionnez ensuite le caractère souhaité à l'aide des touches numériques. Deux secondes environ après la sélection d'un caractère, le curseur passe automatiquement sur la position suivante. Vous pouvez effacer votre saisie caractère par caractère avec la touche ◀.
Lorsque vous avez saisi tous les caractères, appuyez sur la touche OK pour « mémoriser » votre saisie ou lancer une nouvelle recherche du critère recherché.

text_image
Renommer la liste de favoris Nachrichten_ 1 .8?11 2 abc2 3 def3 4 ghi4 5 jkl6 6 mno6 7 pqrs7 8 tuv8 9 wxyz9 MENU abc > ABC 0 _0 Supprimer TEXT EXIT Annuler OK Renommer la liste de favorisSÉLECTION DE LA LANGUE - OSD
Marche à suivre pour configurer la langue des affichages à l'écran :
MENU → ▲▼ → Sélection de la langue → OK → ▲▼ → Français → OK
Au choix : allemand, anglais, italien, français, néerlandais, espagnol, tchèque et turc.
Après avoir effectué le réglage, quittez le menu avec la touche ☐ MENU ou ☐ EXIT. Vous retournez à l'image TV.
INFORMATIONS SUR LES PROGRAMMES
INFORMATIONS SUR LE PROGRAMME TV

text_image
Numéro du programme dans la liste générale Nombre de pistes audio touche (jaune) $ = programme crypté Nom du programme Liste de favoris sélectionnée Télétexte disponible Heure Nachrichten Das Erste 15:10 Sturm der Liebe 16:00 Tagesschau 1/2 Indication de l'émission en cours et de l'émission suivante, avec l'heure de début Barre de progression de l'émission en coursAFFICHAGES À L'ÉCRAN/OSD (ON SCREEN DISPLAY)
L'information sur le programme s'affiche à chaque changement de programme pendant quelques secondes (peut être modifié dans le menu « Réglages », « Adapter les affichages ») ou en permanence après une pression sur la touche ⓘ.
INFORMATION SUR LE PROGRAMME RADIO
L'information sur le programme radio sélectionné est structurée de la même manière.
INFORMATIONS SUR LES ÉMISSIONS

Après une double pression sur la touche ⓘ, des indications sur l'émission en cours s'affichent si le diffuseur fournit de telles indications. Utilisez les touches ▲▼ pour feuilleter les pages proposées. Avec les touches ◀▶, vous pouvez afficher les informations sur les émissions suivantes du programme sélectionné. Appuyez sur la touche ⓘ ou EXIT pour quitter l'affi chage.
APPEL DES PROGRAMMES D'OPTIONS
Si le symbole 1/3 apparaît dans le message affiché pour le programme, il s'agit d'un programme portail. Lorsque vous appuyez sur la touche (jaune), les programmes disponibles pour ce portail (p. ex. les émissions d'une journée télévisée) sont affichés. Dans cet exemple, 3 « sous-programmes » sont disponibles pour ce programme portail. La sélection se fait avec les touches ▲▼ et la validation avec la touche OK. Vous pouvez aussi sélectionner directement les sous-programmes d'un programme portail avec les touches ▲▼, sans actionner au préalable la touche (jaune).
AFFICHAGES À L'ÉCRAN/OSD (ON SCREEN DISPLAY)
SÉLECTION DES OPTIONS
En appuyant une fois (deux fois pour un programme portail) sur la touche Ⓞ (jaune), d'autres possibilités de sélection audio sont affi chées si le diffuseur du programme les propose. Utilisez les touches ▲▼ pour choisir parmi les possibilités proposées. Pour quitter cet affi chage, appuyez une nouvelle fois sur la touche Ⓞ (jaune) ou actionnez la touche EXIT.

text_image
Choisissez la voie audio stereo (Stereo) Audio Description DIGITAL Dolby EXIT OK QuitterMESSAGE D'ERREUR
Le message « Signal absent ou de mauvaise qualité » indique que l'appareil récepteur présente un défaut, que les réglages du récepteur sont incorrects ou que le transpondeur n'émet pas.
Vérifiez le raccordement FI satellite et la configuration LNB. Si vous avez modifié les réglages, comparez-les aux réglages de base (s'ils ont été notés avant la modification, comme suggéré).
LISTE DES PROGRAMMES - TV/RADIO
Regardez également les barres qui fi gurent en bas de l'écran Vous y trouverez des consignes d'utilisation.

Pour affi cher la liste des programmes,
utilisez la touche OK.
Lors de l'affichage de la liste, vous voyez toujours la possibilité de sélection/tri de la liste de programmes dans laquelle vous avez sélectionné le dernier programme.
La liste de programmes sélectionnée (programmes TV ou radio) figure en haut à gauche.
Avec la touche 📋 (bleue), vous pouvez aller d'une liste à l'autre (radio ou télé).
AFFICHAGES À L'ÉCRAN/OSD (ON SCREEN DISPLAY)
En-dessous figure le tri de la liste de programmes que vous avez choisi.
Dans la liste de programmes, les programmes peuvent être présentés selon différents critères de sélection et de tri.
Possibilités de sélection et de tri :
- Appuyez sur la touche 🔒 (rouge) pour afficher la sélection de la liste de favoris. Avec les touches ⬇, vous pouvez parcourir les listes de favoris existantes.
- Appuyez sur la touche 📋 (verte) pour revenir à la liste générale (Tous les satellites). Avec les touches ◀◀◀, vous pouvez choisir entre les satellites reçus (affichage de tous les programmes d'un satellite) et la liste « Nouveaux programmes » (remplie par une recherche).
- Appuyez sur la touche 📋 (jaune) pour accéder à la vue alphabétique de la liste. Vous pouvez afficher ici tous les programmes par ordre alphabétique ou en fonction de la première lettre sélectionnée. La sélection s'effectue ensuite avec les touches ◀◀◀.
Fonction de recherche :
- Appuyez sur la touche TEXT pour accéder à la fonction de recherche. Avec les touches numériques, vous pouvez saisir le critère de recherche souhaité pour le programme recherché (voir également « Consignes d'utilisation », « Saisie alphanumérique »). La touche OK lance la recherche.
Info activée :
Avec la touche ⓘ, vous pouvez affi cher des données supplémentaires d'un programme :
En appuyant une fois sur la touche ⓘ, vous obtenez les informations supplémentaires suivantes :
- Intensité du signal
- Qualité du signal
- Satellite émetteur
- Fréquence (MHz)
- Polarisation
- Taux de modulation (débit symbole)
En appuyant deux fois sur la touche ⓘ, vous obtenez au lieu de l'intensité et de la qualité du signal les numéros d'identification (ID) suivants du signal actuel :
- TSID (numéro d'identifi cation du transpondeur)
- OID (numéro d'identifi cation du réseau)
- SID (numéro d'identifi cation de service relatif au programme)
- PCR-PID (numéro d'identifi cation du signal de synchronisation)
- Video-PID (numéro d'identifi cation des signaux vidéo)
- Audio-PID (numéro d'identifi cation des signaux audio)

bar
| Category | Value (%) | |---|---| | Intensité du signal | 75 | | Qualité du signal | 100 | | ASTRA 19.2E 11836 MHz Horizontal 27.500 MS/s
text_image
TSID 1101 OID 1 SID 28107 PCR-PID 201 Video-PID 201 Audio-PID 202 ASTRA 19.2E 11836 MHz Horizontal 27.500 MS/sEn appuyant une nouvelle fois sur la touche ⓘ, les informations supplémentaires disparaissent. La sélection du programme souhaité dans les différentes vues de la liste de programmes se fait avec les touches de déplacement du curseur (▲▼◀▶). Confirmez l'appel du programme sélectionné à l'aide de la touche OK. Le programme sélectionné est maintenant audible ou visible dans la petite fenêtre en haut à droite.
Appuyez une nouvelle fois sur la touche OK ou actionnez la touche EXIT pour quitter la liste des programmes et revenir à l'image TV.
EPG - GUIDE ÉLECTRONIQUE DES PROGRAMMES
ACTIVATION DE L'EPG
Appuyez sur la touche EPG pour activer l'EPG. A chaque activation, vous voyez la vue « Emission actuelle », quelle que soit la vue que vous avez sélectionnée la dernière fois avant de quitter l'EPG. L'affichage suivant apparaît (exemple) :

text_image
Vue sélectionnée de l'EPG Date et heure Télémagazine Lundi 11.06.2007 09 33 Numéro du programme dans la liste générale, nom du programme, émission actuelle avec barre de progression Emission actuelle 10 WDR Köln Aktuelle Stunde 11 NDR FS NDS Hamburg Journal 12 MDR FERNSEHEN Sabine Christiansen 13 hr-fernsehen Pas de données 14 SR Fernsehen nano 15 SWR Fernsehen BW nano 16 rbb Berlin Glück auf vier Rädern Progr.d'enregist. Plus tard Liste de prograrr Catégories +/- 24 heures Quitter l'EPG Enregistrer TDT Recherche Image actuelle du programme sélectionné Jour et période au cours de laquelle l'émission marquée est diffusée Indication de la date et de l'heure de l'émission marquée de même que de la catégorie, de la durée et du format de l'image Si le fournisseur du programme l'émet, l'âge limite pour l'émission sélectionnée est indiqué iciRemarque : Si vous avez sélectionné un programme dans une liste de favoris avant l'activation de l'EPG, l'EPG ne vous fournit que les informations correspondant aux programmes présents dans
cette liste de favoris. En appuyant une nouvelle fois sur la touche EPG, l'EPG pour tous les programmes s'affi che.
EPG - GUIDE ÉLECTRONIQUE DES PROGRAMMES
Possibilités de sélection :
- Touche (rouge) Affichage du programme d'enregistrement (tous les enregistrements programmés)
- Touche ➤ Saut en avant de 15 minutes dans la vue « Emission actuelle »
- Touche (jaune) Activation de l'aperçu du programme marqué
- Touche (bleue) Activation de la sélection de catégories (tri des émissions par catégories, par ex. fi lm, sport, série ...)
- Touche ⚙ (P+) saut en avant de 24 heures dans l'EPG, (P-) saut en arrière de 24 heures (par ex. dans la vue « Emission actuelle » et « Aperçu »)
- Touche OK Active le programme marqué dans toutes les vues. Une nouvelle pression
sur la touche apparaît sur l'écran du téléviseur OK ou la touche EXIT ferme l'EPG et le programme sélectionné - Touche Ⓞ (point rouge) Reprise d'une émission dans les réglages d'enregistrement
- Touche TEXT Recherche d'une émission précise ou du contenu d'une émission (saisie du critère de recherche à l'aide des touches numériques de la télécommande, voir également le chapitre « Consignes d'utilisation », « Saisie alphanumérique »)
- Touche i Indique, si elles existent, des informations supplémentaires sur l'émission sélectionnée
La navigation dans les vues de l'EPG se fait fondamentalement avec les touches de déplacement du curseur (▲▼◀▶). Avec les touches ▲▼, vous pouvez choisir parmi les programmes/émissions et avec les touches ◀▶, faire défi ler la liste sélectionnée page par page.
Avec la touche EPG ou la touche EXIT, vous quittez l'EPG et retournez à l'image TV.

Les informations sur l'émission en cours ou les émissions suivantes ne sont données dans l'EPG que si elles sont transmises par le fournisseur du programme. En l'absence de données EPG, le récepteur affiche « Pas de données ! » au lieu de l'émission en cours.
VUE EMISSION ACTUELLE
Vous pouvez activer à tout moment la vue « Emission actuelle » dans l'EPG avec la touche 📄 (verte). Celle-ci est affichée automatiquement à chaque démarrage de l'EPG (voir l'image « Activation de l'EPG »).
Dans la vue « Emission actuelle », vous voyez tous les programmes dans l'ordre de la liste générale de programmes. Si le fournisseur du programme transmet des données EPG, le récepteur affiche pour chaque programme l'émission en cours de même que le début, la fin, la durée et une barre de progression.
EPG - GUIDE ÉLECTRONIQUE DES PROGRAMMES
Sélectionnez l'émission souhaitée avec les touches de déplacement du curseur (▲▼◀▶) ou les touches numériques. Avec la touche ⓘ, vous pouvez afficher des informations supplémentaires sur cette émission, si elles existent. Avec la touche ▶, vous pouvez voir les émissions suivantes des programmes par pas de 15 minutes (la touche ◀ vous ramène à l'heure actuelle).
Si vous souhaitez voir l'émission en cours dans un programme, il est inutile de quitter l'EPG. Il suffit de sélectionner ce programme et d'appuyer sur la touche OK. L'image TV actuelle du programme sélectionné apparaît dans la fenêtre en haut à droite. Mais l'image n'apparaît qu'après avoir actionné la touche OK. Auparavant, vous continuez de voir l'image de l'ancien programme précédemment sélectionné, même si l'EPG n'est plus sur ce programme.
VUE APERÇU (TÉLÉMAGAZINE)
Vous pouvez activer à tout moment l'aperçu (Télémagazine) dans l'EPG avec la touche 📷 (jaune).

Regardez également les barres qui fi gurent en bas de l'écran! Vous y trouverez des consignes d'utilisation.
Dans l'aperçu, vous voyez toutes les émissions du programme précédemment sélectionné dans la vue « Emission actuelle ». Si le fournisseur du programme transmet des données EPG, le récepteur vous montre les émissions du programme sélectionné sur plusieurs jours à l'avance.
Sélectionnez l'émission souhaitée avec les touches de déplacement du curseur (▲▼◀▶). Avec la touche ⓘ, vous pouvez afficher, si elles existent, des informations supplémentaires sur cette émission.
Avec les touches ⬇, vous pouvez parcourir les programmes dans l'ordre de la liste générale de programmes (le programme peut également être sélectionné avec les touches numériques) ; mais vous restez toujours dans l'aperçu.
Avec la touche ⚙️, vous pouvez parcourir les programmes jour par jour en avant et en arrière.
Avec la touche Ⓞ (point rouge), vous pouvez reprendre l'émission sélectionnée dans les réglages d'enregistrement (voir le point « Enregistrer »).
EPG - GUIDE ÉLECTRONIQUE DES PROGRAMMES
VUE CATÉGORIES
Vous pouvez activer à tout moment la vue « Catégories » dans l'EPG avec la touche TVR (bleue).

Dans la vue « Catégories », toutes les émissions sont triées par catégories et par heure de début. Vous avez le choix entre les catégories suivantes : film, série, sport, enfants, divertissement, nouvelles, magazine/reportage, arts/culture, éducation, musique, loisir et adulte.
Les émissions sont placées dans les différentes catégories en fonction des données EPG transmises par le fournisseur du programme.
Avec les touches ⬇, sélectionnez la catégorie souhaitée. Avec les touches de déplacement du curseur (▲▼◀), vous pouvez ensuite sélectionner l'émission souhaitée dans chaque catégorie et, si elles existent, affi cher avec la touche i des informations supplémentaires sur l'émission sélectionnée.
Avec la touche ⚙️, vous pouvez parcourir les programmes jour par jour en avant et en arrière.
Avec la touche Ⓞ (point rouge), vous pouvez reprendre l'émission sélectionnée dans les réglages d'enregistrement (voir le point « Enregistrer »).
EPG - GUIDE ÉLECTRONIQUE DES PROGRAMMES
FONCTION DE RECHERCHE
Vous pouvez activer à tout moment la fonction de recherche dans l'EPG avec la touche TEXT.

text_image
Télémagazine Lundi 11.06.2007 Emission actuelle 1715 rbb Berlin Glück auf vier Rädern 1716 ARD-Online-Kanal Pas de lonnées 1717 AR Pas 1718 AR Pas 1719 ND Pas 1720 ND Pas 1721 ND Har Chercher : - 1 .B?I I 2 ABC2 3 DEF3 4 GHI4 5 JKL5 6 MNO6 7 PQRS7 8 TUV8 9 WXYZ9 MENU ABC > abc 0 _ 0 Supprimer TEXT EXIT Annuler OK RechercheLa fonction de recherche vous permet de chercher des émissions à partir de leurs informations supplémentaires ou de leur nom. Saisissez le critère de recherche souhaité avec les touches numériques (voir également « Consignes d'utilisation » « Saisie alphanumérique »).
Lorsque vous avez saisi le critère de recherche, appuyez sur la touche OK pour lancer la recherche.
Vous pouvez ensuite sélectionner l'émission souhaitée dans le résultat de la recherche avec les touches de déplacement du curseur (▲▼◀▶) et afficher, si elles existent, les informations supplémentaires sur l'émission sélectionnée avec la touche ⓘ.

Avec la touche Ⓞ (point rouge), vous pouvez reprendre l'émission sélectionnée dans les réglages d'enregistrement (voir le point « Enregistrer »).
EPG - GUIDE ÉLECTRONIQUE DES PROGRAMMES
INFORMATIONS SUPPLEMENTAIRES (TOUCHE i)
Vous pouvez affi cher les informations supplémentaires avec
la touche ⓘ lorsque le « symbole i » apparaît devant le nom de l'émission (voir la fig. ci-contre). Cependant, le programme doit être sélectionné. L'affi chage suivant apparaît (exemple) :

text_image
18 BR-alpha nano
Les informations supplémentaires pour une émission sont affichées dans leur propre fenêtre. Avec la touche ▼, vous pouvez visualiser les informations supplémentaires sur l'émission sélectionnée, si elles existent.
Avec les touches ◀▶, vous pouvez afficher les informations supplémentaires sur les émissions précédentes ou suivantes dans l'ordre de la liste précédemment sélectionnée (voir l'en-tête). Bien entendu, ces données doivent être transmises par le fournisseur du programme.
Avec la touche Ⓞ (point rouge), vous pouvez reprendre l'émission sélectionnée dans les réglages d'enregistrement (voir le point « Enregistrer »).
Appuyez sur la touche ⓘ ou EXIT pour quitter les informations supplémentaires.
EPG - GUIDE ÉLECTRONIQUE DES PROGRAMMES
ENREGISTRER (TIMER)
Avec la touche Ⓞ (point rouge), vous pouvez à tout moment préparer une émission pour l'enregistrer sur un enregistreur externe. L'émission à enregistrer peut être sélectionnée dans chaque vue de l'EPG si la touche Ⓞ (point rouge) est affi chée au bas.
Emission présente dans l'EPG :
Sélectionnez l'émission souhaitée et appuyez sur la touche Ⓞ (point rouge). L'affi chage suivant apparaît (exemple) :
Emission pas présente dans l'EPG :
Sélectionnez n'importe quelle émission du programme sur lequel l'émission souhaitée sera diffusée plus tard et appuyez sur la touche Ⓞ (point rouge) (l'heure de début et de fin de même que la date de l'enregistrement doivent être saisies manuellement). L'affichage suivant apparaît (exemple) :

text_image
Veillez à programmer votre enregistreur externe en utilisant les mêmes indications que pour l'enregistrement dans le récepteur. Sélectionnez dans la première ligne « Cible » « Enregistreur externe » avec les touches de déplacement du curseur (▲▼▼▼▼).
text_image
Télémagazine Mer 12:15 Mer 11.02.09 Bayerisches FS Süd 11:45 - 12:30 Gesundheit! Planifier l'enregistrement registrement sur : Enregistrement externe Enregistrement : Exceptionnel Date : Mercredi, 11.02.2009 Démarrage : 11:43 Fin : 12:35 Type d'enregistrement Exit Retour OK Planifier l'enregistrementAvec les touches ◀▶, sélectionnez le type d'enregistrement désiré. Vous avez le choix entre les types d'enregistrements suivants :
- Exceptionnel : L'enregistrement n'est effectué qu'une seule fois.
- Quotidien : L'enregistrement est effectué quotidiennement à l'heure que vous avez définie.
- Hebdomadaire : L'enregistrement est effectué chaque semaine, le même jour et à la même heure
- Définition client : L'enregistrement est effectué les jours que vous avez définis et à l'heure que vous avez défi nie
- Enregistrement quotidien (de séries) : L'enregistrement de l'émission est paramétré par l'EPG à chaque diffusion (également sur des programmes différents). Cette fonction nécessite une mise à jour quotidienne des données EPG (effectuée automatiquement lors de la mise en veille).
Sélectionnez les autres positions avec les touches de déplacement du curseur (▲▼◀▶) et effectuez les réglages en utilisant les touches numériques. Lorsque tous les réglages ont été effectués, appuyez sur la touche OK pour mémoriser les réglages de l'enregistrement. Vous pouvez voir les enregistrements programmés dans la vue « Programme d'enregistrement » de l'EPG (voir « Programme d'enregistrement »).
EPG - GUIDE ÉLECTRONIQUE DES PROGRAMMES
ENREGISTREMENT EXCEPTIONNEL
Sélectionnez le type d'enregistrement « Exceptionnel » avec les touches◀▶ (voir la figure, « Enregistrer (timer) »).
Allez avec les touches ▲▼ sur le champ « Date » et saisissez la date d'enregistrement souhaitée avec les touches ◀▶.
Allez ensuite avec les touches ▲▼ sur le champ « Démarrage » et saisissez l'heure de début de l'enregistrement à l'aide des touches ◀▶ ou des touches numériques.
Allez ensuite avec les touches ▲▼ sur le champ « Fin » et saisissez l'heure de fin de l'enregistrement à l'aide des touches ◀▶ ou des touches numériques.
Lorsque tous les réglages ont été effectués, appuyez sur la touche OK pour mémoriser les réglages de l'enregistrement. Vous pouvez voir les enregistrements programmés dans la vue « Programme d'enregistrement » de l'EPG (voir « Programme d'enregistrement »).
ENREGISTREMENT QUOTIDIEN
Sélectionnez avec les touches ◀▶ le type d'enregistrement « Quotidien » (voir la fig. ci-dessous).
Allez ensuite avec les touches ▲▼ sur le champ « Démarrage » et saisissez l'heure de début de l'enregistrement à l'aide des touches ◀▶ ou des touches numériques.
Allez ensuite avec les touches ▲▼ sur le champ « Fin » et saisissez l'heure de fin de l'enregistrement à l'aide des touches ◀▶ ou des touches numériques.

text_image
Télémagazine Mer 12:15 Mer 11.02.09 Bayerisches FS Süd 11:45 - 12:30 Gesundheit! Planifier l'enregistrement registrement sur : Enregistrement externe Enregistrement : Quotidien Jour : Dim Lun Mar Mer Jeu Ven Sam Démarrage : 11:43 Fin : 12:35 Type d'enregistrement EXIT Retour OK Planifier l'enregistrementLorsque tous les réglages ont été effectués, appuyez sur la touche OK pour mémoriser les réglages de l'enregistrement. Vous pouvez voir les enregistrements programmés dans la vue « Programme d'enregistrement » de l'EPG (voir « Programme d'enregistrement »).
EPG - GUIDE ÉLECTRONIQUE DES PROGRAMMES
ENREGISTREMENT HEBDOMADAIRE

Attention, le jour de l'émission sélectionnée est repris dans le programme d'enregistrement et ne peut plus être corrigé manuellement ! Par conséquent, avant d'appuyer sur la touche Ⓞ (point rouge), sélectionnez l'émission le jour auquel elle devra à l'avenir être enregistrée chaque semaine.
Sélectionnez avec les touches ◀▶ le type d'enregistrement « Hebdomadaire » (voir la fig. ci-dessous). Allez ensuite avec les touches ▲▼ sur le champ « Démarrage » et saisissez l'heure de début de l'enregistrement à l'aide des touches ◀▶ ou des touches numériques. Allez ensuite avec les touches ▲▼ sur le champ « Fin » et saisissez l'heure de fin de l'enregistrement à l'aide des touches ◀▶ ou des touches numériques.

text_image
Télémagazine Mer 12:15 Mer 11.02.09 Bayerisches FS Süd 11:45 - 12:30 Gesundheit! Planifier l'enregistrement registrement sur : Enregistrement externe Enregistrement : Hebdomadaire Jour : Mer Démarrage : 11:43 Fin : 12:35 Type d'enregistrement EXIT Retour OK Planifier l'enregistrementLorsque tous les réglages ont été effectués, appuyez sur la touche OK pour mémoriser les réglages de l'enregistrement. Vous pouvez voir les enregistrements programmés dans la vue « Programme d'enregistrement » de l'EPG (voir « Programme d'enregistrement »).
ENREGISTREMENT DÉFINITION CLIENT
Sélectionnez avec les touches ◀▶ le type d'enregistrement « Définition client » (voir la fig. page suivante).
Allez avec les touches ▲▼ sur le champ « Jour » et sélectionnez le jour d'enregistrement souhaité avec les touches ◀▶. Fixer la sélection avec la touche OK (le jour s'affi che en rouge). Le cas échéant, le récepteur vous propose quelques jours que vous pouvez conserver ou de nouveau désactiver en effectuant une sélection avec les touches de déplacement du curseur et en appuyant sur la touche OK.
EPG - GUIDE ÉLECTRONIQUE DES PROGRAMMES
Allez ensuite avec les touches ▲▼ sur le champ « Démarrage » et saisissez l'heure de début de l'enregistrement à l'aide des touches ◀▶ ou des touches numériques.
Allez ensuite avec les touches ▲▼ sur le champ « Fin » et saisissez l'heure de fin de l'enregistrement à l'aide des touches ◀▶ ou des touches numériques.

text_image
Télémagazine Mer 12:15 Mer 11.02.09 Bayerisches FS Süd 11:45 - 12:30 Gesundheit! Planifier l'enregistrement registrement sur : Enregistrement externe Enregistrement : Définition client Jour : Lun Mar Mer Jeu Ven Démarrage : 11:43 Fin : 12:35 Type d'enregistrement Exit Retour OK Planifier l'enregistrementLorsque tous les réglages ont été effectués, appuyez sur la touche OK pour mémoriser les réglages de l'enregistrement. Vous pouvez voir les enregistrements programmés dans la vue « Programme d'enregistrement » de l'EPG (voir « Programme d'enregistrement »).
ENREGISTREMENT QUOTIDIEN (DE SÉRIES)

L'enregistrement d'une série nécessite des données EPG mises à jour. Elles sont mises à jour automatiquement par le récepteur à 3 heures du matin (voir le chapitre « Remarques importantes », « Mise hors tension du récepteur et mise à jour EPG »). Cette mise à jour est importante car le récepteur tient compte, pour l'enregistrement d'une série, des éventuelles modifications des heures d'émission si celles-ci figuraient déjà dans les données transmises par les fournisseurs de programmes avant la dernière mise à jour.
Sélectionnez avec les touches ◀▶ le mode d'enregistrement « Enregistrement quotidien ».
Dans le cas de l'enregistrement d'une série, le récepteur prend automatiquement le début et la fin de l'enregistrement dans les données EPG. Vous pouvez éventuellement programmer une marge de temps avant et après le début et la fin de l'enregistrement pour être sûr que l'émission sera enregistrée dans sa totalité même si elle débute avec un peu de retard. Le réglage de cette marge de temps
(temps d'avance et temps de retour) se fait avec les touches ◀▶ ou les touches numériques.
Lorsque tous les réglages ont été effectués, appuyez sur la touche OK pour mémoriser les réglages de l'enregistrement. Vous pouvez voir les enregistrements programmés dans la vue « Programme d'enregistrement » de l'EPG (voir « Programme d'enregistrement »).
EPG - GUIDE ÉLECTRONIQUE DES PROGRAMMES
VUE PROGRAMME D'ENREGISTREMENT
Vous pouvez activer à tout moment la vue « Catégories » dans l'EPG avec la touche 📄 (rouge).

text_image
Télémagazine Progr.d'enregist. Lundi 11.06.2007 09:44 Ven SR Fernsehen 11:58 - 12:35 Aktueller Bericht Sam SAT.1 08:35 - 08:40 ... Sam RTL Television 08:38 - 08:43 ... Sam SR Fernsehen 11:58 - 12:35 ... Dim SAT.1 08:35 - 08:40 ... Dim RTL Television 08:38 - 08:43 ... Dim SR Fernsehen 11:58 - 12:35 ... Type d'enregistr Emission actuelle Liste de progran Catégories P2 Samedi OK Chang.le progr Supprimer TEXT RechercheLa vue « Programme d'enregistrement » vous montre tous les enregistrements que vous avez planifiés.
Avec les touches ⬇▶, vous pouvez classer les enregistrements en « Exceptionnels » ou « Répétés ». Vous pouvez sélectionner un enregistrement avec les touches de déplacement du curseur (▲▼◀▶). La touche OK bascule sur le programme sur lequel est prévu l'enregistrement.
Avec la touche Ⓞ (point rouge), vous pouvez à nouveau supprimer un enregistrement programmé. S'il s'agit de l'enregistrement d'une série, le système vous demande si vous souhaitez ne pas enregistrer uniquement l'émission sélectionnée ou si vous ne souhaitez plus enregistrer aucun épisode de cette série (voir fi g.). La sélection se fait avec les touches ▲▼ et la validation avec la touche OK.

text_image
Aktueller Bericht Ne pas enregistrer ce jour seulement? Ne plus enregistrer quotidiennement?Avec les touches ⚙, vous pouvez faire défiler les enregistrement prévus en avant et en arrière.
COMMON INTERFACE
REMARQUES IMPORTANTES

Observez impérativement les consignes de votre fournisseur de télévision payante, de même que les instructions jointes à la carte Smartcard et au module CA !
Les cartes Smartcard et les modules CA ne sont pas fournis avec le récepteur !
Les cartes et les modules sont fournis par les différents diffuseurs de télévision payante et contiennent les données de l'abonné, ainsi que celles des programmes payants souscrits. Ces programmes sont, normalement, cryptés.
Adressez-vous directement au diffuseur de télévision payante si un programme de ce type vous intéresse.
L'utilisation de la carte Smartcard et du module CA relève de votre propre responsabilité !
Le module CA accueille la carte Smartcard vendue par le diffuseur de télévision payante. Chaque carte correspond à une technique de codage.
Mettez votre carte en lieu sûr lorsque vous ne l'utilisez pas, de même que votre code PIN !
INSERTION DE LA CARTE SMARTCARD ET DU MODULE CA

La Common Interface (CI) ③ de l'UFS 705 est prévue pour recevoir deux modules CA (Conditional Access). Les deux emplacements CI se trouvent sur la face avant droite, derrière l'afficheur.
Le module CA ② reçoit la carte Smartcard ① (contacts de la puce dirigés vers le haut et vers le connecteur) et est ensuite glissé dans l'un des deux logements ③.
La carte Smartcard doit être insérée dans le module CA sans forcer. Il en va de même pour l'insertion du module CA dans le logement !
Evitez de forcer et consultez les instructions jointes à la carte Smartcard et au module CA.
Pour retirer le module, appuyez sur le bouton d'éjection ④ correspondant.
COMMON INTERFACE
Pour savoir quels modules Conditional Access se trouvent dans les logements de l'UFS 705 ou quelle carte Smartcard se trouve dans quel module CA, allez dans « Menu principal », « Réglages » et le menu « Common Interface » et validez avec la touche OK.
Sélectionnez avec les touches ▲▼ l'un des deux logements dans lequel se trouve un module CA (« Module en place ») et appuyez sur la touche OK. Vous accédez au menu généré par le module.
Les affichages ci-après sont fonction du module et de la carte utilisés et servent uniquement d'exemples :

Ce menu vous donne accès aux différents programmes proposés par le diffuseur de télévision payante, grâce à votre carte et à votre code PIN.
La sélection de cet exemple porte sur « CryptoWorks ». Les données peuvent varier d'un module CA à l'autre.
Veuillez dans tous les cas suivre les consignes du fournisseur de télévision payante (diffuseur) !
Remarque : Les affichages du module peuvent également se faire en langue anglaise, même si vous avez sélectionné le français comme langue pour les menus du récepteur, car le menu est généré par le module !

Remarque à l'attention des utilisateurs de Conax, SECA, Viaccess et CryptoWorks : N'oubliez pas que les fournisseurs de programmes effectuent la validation mensuelle des cartes de télévision payante à intervalle variable. La validation peut donc s'opérer quelques jours avant ou après la fin du mois. Pendant cette période de validation, le module CA doit être inséré dans son logement avec la carte et le récepteur être sous tension et réglé sur le programme de télévision payante correspondant. Veuillez également prendre en compte les consignes de votre diffuseur de télévision payante.
Si la validation de votre carte de télévision payante ne devait toutefois pas s'effectuer correctement, nous vous conseillons de retirer le module CA hors de son logement avec la carte, appareil en marche, puis de le remettre en place.
Ce conseil n'a rien à voir avec les caractéristiques de l'appareil, mais il peut s'avérer utile.
Les différents éléments peuvent être sélectionnés avec les touches ▲▼ et activés avec la touche OK. Appuyez sur la touche EXIT pour quitter de nouveau le menu.
TÉLÉTEXTE
Le symbole dans l'information sur le programme vous indique si la fonction télétexte est disponible pour le programme sélectionné.
Si vous appuyez sur la touche TEXT, le récepteur traite le télétexte émis pour qu'il puisse être affiché par le téléviseur, même dans le cas de signaux cryptés.
Durant la recherche, la page recherchée est indiquée dans le coin supérieur gauche de l'écran ; le coin supérieur droit indique l'heure et la date du jour.

Une fois la recherche terminée, le télétexte émis par le fournisseur du programme apparaît.
Différentes possibilités sont proposées pour afficher les pages souhaitées :
- Saisie avec les touches numériques
- Défi lement page par page avec les touches
- Sélection des possibilités affichées au bas avec la touche de couleur correspondante (rouge), (verte), (jaune) et (bleue)
Avec la touche OK, vous pouvez doubler la taille du texte affiché. En appuyant une fois sur la touche OK, le haut de l'affichage s'agrandit et en appuyant deux fois sur la touche OK, le bas de l'affichage s'agrandit (en appuyant une nouvelle fois sur la touche OK, l'affichage reprend la taille normale).
Appuyez sur la touche EXIT ou TEXT pour quitter le télétexte.
EDITER LA LISTE TV
Sélectionnez le menu « Editer la liste TV » avec la touche MENU, les touches ▲▼ dans le menu
principal et OK.

Regardez également les barres qui fi gurent en bas de l'écran Vous y trouverez des consignes d'utilisation.
Appuyez sur la touche OK pour fermer la remarque qui s'affiche au sujet de l'édition des programmes et des listes de programmes. Lors de l'ouverture du menu, le récepteur affiche toujours la liste « Tous les satellites », avec tous les programmes des satellites reçus.
SÉLECTION DE LA LISTE/DES PROGRAMMES À ÉDITER
Avec la touche TVR (bleue), vous pouvez basculer entre l'aperçu TV et l'aperçu radio. L'édition des programmes de radio se déroule exactement de la même façon que l'édition des programmes TV.
L'édition des listes de favoris est expliquée séparément.
Possibilités de sélection :
- Touche TVR (bleue) Basculer entre les programmes radio et TV
- Touche 📄 (verte) Activation des listes de programmes satellite
- Touche (jaune) Activation des listes de classement alphabétique des programmes
- Touche TEXT Recherche d'un programme précis (saisie du critère de recherche avec les touches numériques de la télécommande, voir le chapitre « Consignes d'utilisation » « Saisie alphanumérique »)
Une liste de programmes est fondamentalement sélectionnée dans sa catégorie (satellites, favoris et alphabétique) avec les touches ◀▶ (la liste « Tous les satellites » s'affiche en standard). La sélection des programmes qui y figurent se fait avec les touches de déplacement du curseur (▲▼◀▶). Avec les touches ▲▼, vous pouvez choisir parmi les programmes/émissions et avec les touches ◀▶, faire défi ler la liste sélectionnée page par page.
EDITER LA LISTE TV
EDITION DE LISTES/PROGRAMMES

text_image
Menu principal Editor la liste TV Tous les satellites kabel eins disches FS WDR Köln Déplacer Supprimer Sauter Verrouiller A la liste de fav. Démarrer le marquage de bloc signal : 76 % signal : 100 % 9.2E Hz al S/s EXIT Annuler OK DéplacerAprès avoir sélectionné le programme ou la liste que vous souhaitez éditer, appuyez sur la touche Ⓞ (point rouge) pour activer le menu d'édition. Vous avez les possibilités suivantes :
- Déplacer :
Le programme peut être déplacé à un autre emplacement à l'intérieur de la liste ouverte
- Supprimer :
Le programme est supprimé de la liste ouverte
- Sauter :
En parcourant les programmes, le programme est sauté
- Verrouiller :
Le programme ne peut être vu qu'après avoir activé le PIN
- A la liste de fav. :
Le programme peut être placé dans une liste de favoris de votre choix
- Démarrer le marquage de bloc :
Plusieurs programmes peuvent être marqués en même temps puis édités

Lorsque vous souhaitez quitter le menu après avoir effectué des modifications, le système vous demande si vous souhaitez mémoriser les modifications. Sélectionnez avec les touches ▲▼ « Oui, mémoriser les modifications » ou « Non, ne pas mémoriser les modifi cations ». Validez avec la touche OK.
EDITER LA LISTE TV
MÉMOIRE « DERNIÈRE FONCTION »
La dernière fonction d'édition que vous avez sélectionnée est mémorisée sur la touche ☐, c'est à dire que vous pouvez appliquer la dernière fonction utilisée avec la touche ☐ à d'autres programmes sans devoir ouvrir à nouveau le menu d'édition. Lorsque vous quittez l'affichage actuel, cette option disparaît et ne sera de nouveau disponible qu'après avoir activé une nouvelle fois le menu d'édition et sélectionné une fonction d'édition.
DÉPLACER DES PROGRAMMES
Sélectionnez le programme à déplacer avec les touches ▲▼ dans la liste de programmes désirée (la touche 📄 (verte) bascule sur la liste générale et la touche 📄 (jaune) sur la liste en ordre alphabétique). Activez le menu d'édition avec la touche ● et sélectionnez la fonction « Déplacer » avec les touches ▲▼. Validez l'instruction avec la touche OK. Le programme que vous avez précédemment sélectionné est maintenant légèrement en retrait à gauche. Sélectionnez la nouvelle position du programme avec les touches de déplacement du curseur (▲▼◀▶) ou les touches numériques et validez le déplacement à la nouvelle position avec la touche OK.
SUPPRIMER DES PROGRAMMES
Sélectionnez le programme à supprimer avec les touches ▲▼ dans la liste désirée. Activez le menu d'édition avec la touche ● et sélectionnez la fonction « Supprimer » avec les touches ▲▼. Validez l'instruction avec la touche OK.

Un programme supprimé ne peut être retrouvé qu'avec une nouvelle recherche (voir le chapitre « Chercher des programmes ») !
Le programme que vous avez sélectionné est supprimé (également de la liste de favoris!).
SAUTER DES PROGRAMMES
Sélectionnez le programme à sauter avec les touches ▲▼ dans la liste désirée. Activez le menu d'édition avec la touche ● et sélectionnez la fonction « Sauter » avec les touches ▲▼. Validez l'instruction avec la touche OK.
Le programme que vous sélectionné s'affiche en grisé. En zappant les programmes, ce programme sera dorénavant sauté et plus affiché dans la liste de programmes (activation avec la touche OK). Cette fonction peut à nouveau être annulée dans le menu d'édition (sélection : « Supprimer le saut »).
EDITER LA LISTE TV
Sélectionnez le programme à verrouiller avec les touches ▲▼ dans la liste désirée. Activez le menu d'édition avec la touche ● et sélectionnez la fonction « Verrouiller » avec les touches ▲▼. Validez l'instruction avec la touche OK. Vous êtes invité à saisir le code PIN (paramètre usine : 0000).
Le programme que vous avez précédemment sélectionné apparaît maintenant assorti d'un cadenas à droite. La saisie du code PIN à quatre chiffres est désormais nécessaire pour visualiser ce programme. Cette fonction peut à nouveau être annulée dans le menu d'édition (sélection : « Déverrouiller »).
COPIER DES PROGRAMMES DANS LA LISTE DE FAVORIS
Sélectionnez le programme à copier avec les touches ▲▼ dans la liste que vous avez sélectionnée. Activez le menu d'édition avec la touche ● et sélectionnez la fonction « A la liste de favoris » avec les touches ▲▼. Sélectionnez avec les touches ◀▶ la liste de favoris dans laquelle vous souhaitez copier le programme. Le programme reste présent dans la liste de programmes satellite. Validez l'instruction avec la touche OK.
Le dernier programme que vous avez sélectionné apparaît avec un « F » et un champ jaune dans la liste de programmes. Le « F » signifie qu'il s'agit d'un programme favori et le point noir dans le champ jaune indique dans laquelle des huit listes de favoris se trouve le programme.
Pour la suppression de programmes dans les listes de favoris, reportez-vous à « Edition de listes de favoris ».
DÉMARRER LE MARQUAGE DE BLOC (MARQUAGE DE PLUSIEURS PROGRAMMES)
Sélectionnez avec les touches ▲▼ le programme à partir duquel vous souhaitez marquer plusieurs programmes. Vous ne pouvez sélectionner que des programmes qui se suivent dans la liste de programmes sélectionnée. Activez le menu d'édition avec la touche ● et sélectionnez la fonction « Démarrer le marquage de bloc » avec les touches ▲▼. Sélectionnez les programmes souhaités vers le haut ou le bas avec les touches ▲▼ en partant du programme précédemment marqué. Les programmes marqués apparaissent sur fond jaune et sont marqués d'un petit crochet à gauche.
Lorsque vous avez fini de marquer les programmes souhaités, ouvrez une nouvelle fois le menu d'édition avec la touche ⬙ et sélectionnez avec les touches ▲▼ la fonction souhaitée (« Déplacer », « Supprimer », « Sauter », « Verrouiller » ou « A la liste de favoris »).
La fonction sélectionnée s'utilise de la même manière que les éléments décrits précédemment dans ce chapitre.
EDITER LA LISTE TV
EDITER DES LISTES DE FAVORIS

text_image
Menu principal Editor la liste TV Fav1: Nachrichten 27 n-tv F! 28 Bloomberg TV German F! 29 DW TV F! 30 EuroNews F! ASTRA 19.2E 12187 MHz Horizontal 27.500 MS/s Sélection de La liste générale Alphabétique TV / radio Exit Retour Editter RechercheAprès avoir sélectionné la liste de favoris à éditer (activation avec la touche 📄 (rouge) et sélection avec les touches ⏻), appuyez sur la touche ⚙ (point rouge) pour activer le menu d'édition. Vous avez les possibilités suivantes :
- Supprimer de la liste de favoris :
Le programme est supprimé de la liste de favoris
- Verrouiller :
Le programme ne peut être vu qu'après avoir activé le PIN
- Renommer la liste de favoris :
La liste de favoris peut être renommée
- Démarrer le marquage de bloc :
Plusieurs programmes peuvent être marqués en même temps puis édités
SUPPRIMER DE LA LISTE DE FAVORIS
Sélectionnez avec les touches ▲▼ le programme à supprimer dans la liste de favoris que vous avez sélectionnée. Activez le menu d'édition avec la touche ● et sélectionnez la fonction « Supprimer de la liste de favoris » avec les touches ▲▼. Validez l'instruction avec la touche OK.
Le programme que vous avez sélectionné est supprimé de la liste de favoris (mais pas de la liste générale de satellites).
EDITER LA LISTE TV
Sélectionnez le programme à verrouiller avec les touches ▲▼ dans la liste de favoris que vous avez sélectionnée. Activez le menu d'édition avec la touche ● et sélectionnez la fonction « Verrouiller » avec les touches ▲▼ Validez l'instruction avec la touche OK. Vous êtes invité à saisir le code PIN (paramètre usine : 0000).
Le programme que vous avez précédemment sélectionné apparaît maintenant assorti d'un cadenas à droite. La saisie du code PIN à quatre chiffres est désormais nécessaire pour visualiser ce programme. Le verrouillage est également appliqué à toutes les autres listes de programmes. Vous n'avez pas besoin de verrouiller une nouvelle fois le programme dans l'une des autres listes de programmes.
Cette fonction peut à nouveau être annulée dans le menu d'édition (sélection : « Déverrouiller »).
RENOMMER LA LISTE DE FAVORIS
Sélectionnez la liste de favoris à renommer avec les touches ◀▶. Activez le menu d'édition avec la touche ● et sélectionnez la fonction « Renommer la liste de favoris » avec les touches ▲▼. Validez l'instruction avec la touche OK. Un clavier s'affiche, à l'aide duquel vous pouvez saisir le nom alphanumérique souhaité avec les touches numériques de la télécommande. Observez également le chapitre « Consignes d'utilisation », « Saisie alphanumérique ».
DÉMARRER LE MARQUAGE DE BLOC (MARQUAGE DE PLUSIEURS PROGRAMMES)
Sélectionnez avec les touches ▲▼ le programme à partir duquel vous souhaitez marquer plusieurs programmes. Vous ne pouvez sélectionner que des programmes qui se suivent dans la liste de favoris sélectionnée. Activez le menu d'édition avec la touche ● et sélectionnez la fonction « Démarrer le marquage de bloc » avec les touches ▲▼. Sélectionnez les programmes souhaités vers le haut ou le bas avec les touches ▲▼ en partant du programme précédemment marqué. Les programmes marqués apparaissent sur fond jaune et sont marqués d'un petit crochet à gauche.
Lorsque vous avez fini de marquer les programmes souhaités, ouvrez une nouvelle fois le menu d'édition avec la touche Ⓞ et sélectionnez avec les touches ▲▼ la fonction souhaitée (« Supprimer de la liste de favoris» ou «Déverrouiller »).
La fonction sélectionnée s'utilise de la même manière que les éléments décrits précédemment dans ce chapitre.
RECHERCHER DES PROGRAMMES (RECHERCHE DE PROGRAMME)
Pour accéder au menu « Recherche de programme », utilisez la touche MENU, les touches ▲▼ dans le
menu principal et OK.

text_image
Menu principal Recherche de programme OK Recherche automatique Recherche manuelle Recherche avec l'ID Service Appuyez sur OK pour chercher de nouveaux programmes sur un satellite MENU Quitter le menu principal EXIT RetourRegardez également les barres qui fi gurent en bas de l'écran ! Vous y trouverez des consignes d'utilisation.
Vous disposez de trois possibilités pour lancer une recherche :
- Recherche automatique - tous les transpondeurs des satellites que vous avez sélectionnés sont explorés
- Recherche manuelle - seul le transpondeur sélectionné du satellite sélectionné est exploré
- Recherche avec l'ID Service -
recherche d'un programme précis à l'aide de son ID Service
Sélectionnez avec les touches ▲▼ le type de recherche souhaité et validez votre choix avec la touche OK.
RECHERCHE AUTOMATIQUE (DE PROGRAMMES)

text_image
Menu principal Recherche de programme Recherche automatique Satellite ASTRA 19.2E Mode recherche de programme en clair & cryptés Recherche réseau Activé OK Lancer la recherche Appuyez sur OK pour lancer la recherche MENU Quitter le menu principal EXIT RetourSélectionnez avec les touches ▲▼ les paramètres à modifi er pour la recherche.
RECHERCHER DES PROGRAMMES (RECHERCHE DE PROGRAMME)
Satellite
Sélectionnez avec les touches ◀▶ le satellite à explorer. Assurez-vous que votre appareil récepteur est pointé sur ce satellite. Vous ne pouvez explorer qu'un seul satellite par recherche. Si l'installation de réception raccordée est du type Multifeed (par ex. réception de ASTRA 19,2° Est et HOTBIRD 13° Est), l'opération devra être effectuée pour chaque satellite. Vous pouvez également relancer une première installation, au cours de la recherche de programmes de laquelle tous les satellites que vous sélectionnés sont explorés.
Allez avec la touche ▼ sur le point suivant.
Mode recherche de programme
Indiquez avec les touches ◀▶ si vous souhaitez chercher « uniquement les programmes en clair et cryptés », « uniquement les programmes en clair » ou « uniquement les programmes cryptés ».
Pour voir les programmes cryptés, il vous faut un module CA (Conditional Access) correspondant de même qu'une carte Smartcard valide et un abonnement du fournisseur de TV payante.
Allez avec la touche ▼ sur le point suivant.
Recherche réseau
Indiquez avec les touches (Activé/Désactivé) si une recherche réseau doit être effectuée. Avec « Recherche réseau Désactivé », seuls les transpondeurs mémorisés en usine du satellite que vous avez précédemment sélectionné sont explorés à la recherche de programmes non encore mémorisés.
Avec « Recherche réseau Activé », des transpondeurs non encore mémorisés peuvent être trouvés par l'interconnexion des transpondeurs. Ceux-ci sont mémorisés et explorés à la recherche de nouveaux programmes, tout comme les transpondeurs déjà existants.
Lorsque vous avez effectué tous les réglages, allez avec les touches ▲▼ sur « Lancer la recherche » et appuyez sur la touche OK pour lancer la recherche. Vous pouvez interrompre la recherche à tout moment avec la touche EXIT. Pendant la recherche, l'écran affi che (exemple) :

text_image
Programmes radio Programmes TV trouvés Satellite avec le transpondeur exploré Barre de progression Menu principal Recherche de programme Recherche automatique Programmes TV 1038 GAME ONE 1039 MTV Hits. 1040 MTV Base. 1041 VH1. 1042 NICKELODEOI 1043 MTV2. Programmes radio 291 Omrop Fryslar 292 Radio Noord-H 293 Radio Rijnmon 294 Omroep Zeelar 295 Omroep Braba 758 Radio Aragon ASTRA 19.2E - 11739 MHz - Vertical - 27500 MS/s 16 % terminé MENU Quitter le menu principal EXIT RetourRECHERCHER DES PROGRAMMES (RECHERCHE DE PROGRAMME)
Les nouveaux programmes trouvés sont affichés avec l'indication « Nouveaux » à la suite du nom du programme. Après la recherche, l'écran affi che (exemple) :

text_image
Menu principal Recherche de programme Recherche automatique Programmes TV Programmes radio 155 C 152 A 55 H 61 C 89 a 90 a Remarque Nouveaux programmes TV : 0 Nouveaux programmes radio : 0 OK Fermer ASTRA 19.2E - 12728 MHz - Vertical - 22000 MS/s 100 % terminAppuyez sur la touche OK. Le système vous demande si vous souhaitez mémoriser les modifications ou non. Sélectionnez avec les touches ▲▼ et validez avec la touche OK. Si vous avez sélectionné « Oui, mémoriser les modifications », les nouveaux programmes trouvés sont ajoutés à la fin de la liste de programmes. Appuyez ensuite sur la touche EXIT pour quitter le menu. L'ouverture de la liste de programmes depuis l'écran TV se fait avec la touche OK (voir également le chapitre « Affichages à l'écran » « Liste de programmes TV/radio »).

Après une recherche (quelle qu'elle soit), le récepteur vous montre la liste de tous les nouveaux programmes dans la rubrique « Nouveaux programmes ». Vous trouverez cette rubrique dans la liste de programmes, à la fin des listes de programmes satellite vertes (sélection avec les touches ⬇).
RECHERCHE MANUELLE (DE PROGRAMMES)

text_image
Menu principal Recherche de programme Recherche manuelle Satellite ASTRA 19.2E Fréquence du transpondeur 11836 MHz Polarisation Horizontal Débit symbole 27500 MS/s Mode recherche de programme en clair & cryptés Recherche réseau Désactivé Lancer la recherche Intensité du signal : 76 % Qualité du signal : 100 % Appuyez sur pour sélectionner un satellite pour la recherche MENU Quitter le menu principal EXIT RetourRECHERCHER DES PROGRAMMES (RECHERCHE DE PROGRAMME)
Sélectionnez avec les touches ▲▼ les paramètres à modifi er pour la recherche.
Satellite
Sélectionnez avec les touches ◀▶ le satellite sur lequel se trouve le transpondeur à explorer. Assurez-vous que votre appareil récepteur est pointé sur ce satellite. Vous ne pouvez explorer qu'un seul transpondeur par recherche. Si vous souhaitez explorer plusieurs transpondeurs d'un satellite, lancez une recherche automatique sur le satellite émetteur.
Allez avec la touche ▼ sur le point suivant.
Fréquence du transpondeur
Sélectionnez avec les touches ◀▶ ou les touches numériques le transpondeur à explorer. Le récepteur indique en bas à droite l'intensité momentanée du signal de même que la qualité du signal du transpondeur sélectionné. Allez avec la touche ▼ sur le point suivant.
Mode recherche de programme
Indiquez avec les touches ◀▶ si vous souhaitez chercher « uniquement les programmes en clair et cryptés », « uniquement les programmes en clair » ou « uniquement les programmes cryptés ».
Pour voir les programmes cryptés, il vous faut un module CA (Conditional Access) correspondant de même qu'une carte Smartcard valide et un abonnement du fournisseur de TV payante.
Allez avec la touche ▼ sur le point suivant.
Recherche réseau
Indiquez avec les touches ◀▶ (Activé/Désactivé) si une recherche réseau doit être effectuée. Avec « Recherche réseau Désactivé », seuls les transpondeurs mémorisés en usine du satellite que vous avez précédemment sélectionné sont explorés à la recherche de programmes non encore mémorisés.
Avec « Recherche réseau Activé », des transpondeurs non encore mémorisés peuvent être trouvés par l'interconnexion des transpondeurs. Ceux-ci sont mémorisés et explorés à la recherche de nouveaux programmes, tout comme les transpondeurs déjà existants.
Lorsque vous avez effectué tous les réglages, allez avec les touches ▲▼ sur « Lancer la recherche » et appuyez sur la touche OK pour lancer la recherche. Vous pouvez interrompre la recherche à tout moment avec la touche EXIT.
Pendant la recherche, la progression de la recherche et les programmes déjà trouvés sont affichés. Les nouveaux programmes trouvés sont affichés avec l'indication « Nouveaux » à la suite du nom du programme.
Après la recherche, l'écran affi che (exemple) :
RECHERCHER DES PROGRAMMES (RECHERCHE DE PROGRAMME)

text_image
Menu principal Recherche de programme Recherche automatique Programmes TV 155 C 152 A 55 H 61 C 89 a 90 a Remarque Nouveaux programmes TV : 0 Nouveaux programmes radio : 0 OK Fermer ASTRA 19.2E - 12728 MHz - Vertical - 22000 MS/s 100 % terminAppuyez sur la touche OK. Le système vous demande si vous souhaitez mémoriser les modifications ou non. Sélectionnez avec les touches ▲▼ et validez avec la touche OK. Si vous avez sélectionné « Oui, mémoriser les modifications », les nouveaux programmes trouvés sont ajoutés à la fin de la liste de programmes. Appuyez ensuite sur la touche EXIT pour quitter le menu. L'ouverture de la liste de programmes depuis l'écran TV se fait avec la touche OK (voir également le chapitre « Affichages à l'écran » « Liste de programmes TV/radio »).
RECHERCHE DE PROGRAMMES AVEC L'ID SERVICE

text_image
Menu principal Recherche de programme Recherche avec l'ID Service Satellite ASTRA 19.2E Fréquence du transpondeur 11836 MHz Polarisation Horizontal Debit symbole 27500 MS/s ID Service 100 Lancer la recherche Intensité du signal : 76 % Qualité du signal : 100 % Appuyez sur pour sélectionner un satellite pour la recherche MENU Quitter le menu principal EXIT RetourSélectionnez avec les touches ▲▼ le paramètre à modifi er pour la recherche.
Satellite
Sélectionnez avec les touches ◀▶ le satellite qui émet le programme cherché. Assurez-vous que votre appareil récepteur est pointé sur ce satellite.
RECHERCHER DES PROGRAMMES (RECHERCHE DE PROGRAMME)
Allez avec la touche ▼ sur le point suivant.
Fréquence du transpondeur
Sélectionnez avec les touches ◀▶ ou les touches numériques la fréquence du transpondeur sur laquelle le programme cherché est émis. Le récepteur indique en bas à droite l'intensité momentanée du signal, ainsi que la qualité du signal du transpondeur sélectionné.
Allez avec la touche ▼ sur le point suivant.
ID Service
Indiquez avec les touches ◀▶ ou les touches numériques l'ID Service du programme cherché.
Lorsque vous avez effectué tous les réglages, allez avec les touches ▲▼ sur « Lancer la recherche » et appuyez sur la touche OK pour lancer la recherche. Vous pouvez interrompre la recherche à tout moment avec la touche EXIT.
Pendant la recherche, la progression de la recherche est affi chée.
Après la recherche, l'écran affi che (exemple) :

text_image
Menu principal Recherche de programme Recherche avec l'ID Service Programmes TV Programmes radio Remarque Nouveaux programmes TV : 0 Nouveaux programmes radio : 0 OK Fermer ASTRA 19.2E - 11836 MHz - Horizontal - 27500 M. 100 % terminAppuyez sur la touche OK. Le système vous demande si vous souhaitez mémoriser les modifications ou non. Sélectionnez avec les touches ▲▼ et validez avec la touche OK. Si vous avez sélectionné « Oui, mémoriser les modifications », les nouveaux programmes trouvés sont ajoutés à la fin de la liste de programmes. Appuyez ensuite sur la touche EXIT pour quitter le menu. L'ouverture de la liste de programmes depuis l'écran TV se fait avec la touche OK (voir également le chapitre « Affichages à l'écran » « Liste de programmes TV/radio »).
BLOCAGE PARENTAL
Sélectionnez le menu « Blocage parental » avec la touche MENU, les touches ▲▼ dans le menu principal et la touche OK. Le système vous invite à indiquer le code PIN à quatre chiffres de l'appareil (réglage usine : 0000). Après avoir saisi le code PIN à l'aide des touches numériques, l'affichage suivant apparaît :

text_image
Menu principal Blocage parental Verrouiller le menu principal Désactivé Verrouiller le récepteur Désactivé Définir un nouveau mot de pass Appuyez sur pour verrouiller ou déverrouiller le menu principal MENU Quitter le menu principal EXIT RetourRegardez également les barres qui fi gurent en bas de l'écran Vous y trouverez des consignes d'utilisation.
Sélectionnez avec les touches ▲▼ les paramètres à modifi er.
VERROUILLER LE MENU PRINCIPAL
Indiquez avec les touches ◀▶ (Activé/Désactivé) si le menu principal doit être verrouillé. Si le menu est verrouillé, les modifications ne peuvent être effectuées qu'après avoir saisi le code PIN à quatre chiffres.
VERROUILLER LE RÉCEPTEUR
Indiquez avec les touches (Activé/Désactivé) si le récepteur doit être verrouillé. Si le récepteur est verrouillé, il ne pourra être utilisé, une fois allumé, qu'après avoir saisi le code PIN à quatre chiffres (paramètre usine : 0000).
Appuyez sur la touche EXIT pour quitter de nouveau le menu.
BLOCAGE PARENTAL
DÉFINIR UN NOUVEAU MOT DE PASSE (PIN)
Appuyez sur la touche ☐ pour remplacer l'ancien code PIN par un nouveau. Saisissez le nouveau code PIN (à quatre chiffres). A titre de sécurité, le nouveau code PIN doit être saisi une nouvelle fois.
Confirmez la modification du code PIN avec la touche OK.

Conservez le mot de passe en lieu sûr pour pouvoir accéder à vos programmes même si vous en veniez à l'oublier.
Si jamais vous oubliez le mot de passe, adressez-vous à votre revendeur, qui pourra débloquer votre récepteur.
RÉGLAGES
Les menus, sous-menus, éléments et paramètres de réglage sélectionnés sont mis en surbrillance. L'utilisation des menus est en grande partie intuitive.

text_image
Menu principal Editor la liste de programme Recherche de programme Blocage parental Réglages Menu Service Sélection de la langue Appuyez sur OK pour effectuer des réglages généraux MENU EXIT Quitter le menu principalRegardez la barre fi gurant en bas de l'écran ! Vous y trouverez des consignes d'utilisation.
Sélectionnez le menu « Réglages » avec la touche MENU, les touches ▲▼ dans le menu principal et OK.

text_image
Menu principal Réglages Première installation TV, image et son Adapter le menu de l'écran Date et heure Common Interface Configuration de l'antenne Appuyez sur pour effectuer une première installation MENU Quitter le menu principal EXIT RetourAvec la touche OK, affichez le menu « TV, image et son ». L'affichage suivant apparaît (voir page suivante) :
Les touches ▲▼ vous permettent alors de sélectionner les différents éléments. Si un sous-dossier existe, appuyez sur la touche OK pour l'ouvrir. S'il n'existe pas d'autre sous-dossier, effectuez les réglages avec les touches ◀▶▲▼ ou avec les touches numériques.
Avec la touche EXIT, les réglages sont mémorisés et vous revenez au menu précédent. Avec la touche MENU, vous revenez directement à l'image TV. Les modifications sont également mémorisées.
RÉGLAGES
RÉGLAGES TV

text_image
Menu principal Réglages TV, image et son Format TV 4 : 3 Affichage à l'écran Letterbox Sortie signal PERITEL TV RVB Sortie signal PERITEL MAGNE' FBAS (vidéo) Norme TV PAL Sortie Dolby Digital auto. Désactivé Appuyez sur pour régler le format TV MENU Quitter le menu principal Exit RetourFORMAT TV
Sélectionnez avec les touches ◀▶ le format d'image de votre téléviseur. Les possibilités sont les suivantes :
4:3 ou
16:9.
AFFICHAGE À L'ÉCRAN
Sélectionnez avec les touches ◀▶ le type d'affi chage à l'écran, à savoir :
- Pan & Scan
- Letter Box
- Automatique (uniquement avec le format « 16:9 »)
- Toujours 16:9 (uniquement avec le format « 16:9 »)
SORTIE SIGNAL PERITEL TV
Sélectionnez avec les touches ◀▶ le type de signal vidéo véhiculé par le connecteur péritel TV. Sélectionnez le signal compatible avec votre téléviseur. Consultez le mode d'emploi de votre téléviseur !
- FBAS – signal composite composé de la bande de base (signal couleur/image/suppression/synchronisation)
- RVB – signal RVB rouge/vert/bleu ou
- Y/C – signal S-vidéo (luminance/chrominance)
RÉGLAGES
SORTIE SIGNAL PERITEL MAGNETOSCOPE
Sélectionnez avec les touches ◀▶ le type de signal vidéo véhiculé par le connecteur péritel magnétoscope. Sélectionnez le signal compatible avec votre enregistreur externe. Consultez le mode d'emploi de votre enregistreur !
- FBAS – signal composite composé de la bande de base (signal couleur/image/suppression/synchronisation)
- Y/C – signal S-vidéo (luminance/chrominance)
NORME TV
Avec les touches ◀▶, indiquez si votre téléviseur est de type
- PAL ou
- NTSC.
SORTIE DOLBY DIGITAL AUTO.
Indiquez avec les touches ◀▶ si le récepteur doit délivrer automatiquement (s'il est émis) le signal Dolby Digital.
ADAPTER LE MENU DE L'ECRAN

text_image
Menu principal Réglages Adapter le menu de l'écran Fonctionnalité Complete > Sélection de favoris > Sélection d'options > TV / radio > Basculement AV (PERITEL) > Ouvrir la liste de Durée d'affichage de l'information sur 3 secondes Affichage de la barre de volume Activé Afficheur avant en veille Désactivé Positionner le menu sur la TV Appuyez sur Fonctionnalité MENU Quitter le menu principal EXIT RetourRÉGLAGES
FONCTIONNALITÉ
Vous pouvez régler ici la fonctionnalité de votre récepteur. Vous avez le choix entre « Complète », « Normale » et « Moyenne ». Le tableau ci-après indique les fonctions disponibles en fonction du niveau de fonctionnalité.
| Touche (rouge) | Touche (jaune) | Touche (bleue) | Touche | Touche OK | |
| Complète | Sélection de favoris | Sélection d'options | TV/radio | Basculement AV | Liste de programmes |
| Simple Non affectée Non affectée Non affectée | Guide des programmes | ||||
| Moyenne | Sélection de favoris | Sélection d'options | TV/radio Non affectée | Guide des programmes | |
DURÉE D'AFFICHAGE DE L'INFORMATION SUR LE PROGRAMME
Sélectionnez avec les touches ◀▶ la durée au bout de laquelle l'information sur le programme doit de nouveau disparaître automatiquement. Vous avez le choix entre « Désactivé », 1, 2, 3, 4, 5 ou 6 secondes.
AFFICHAGE DE LA BARRE DE VOLUME
Indiquez avec les touches (Activé/Désactivé) si une barre de volume doit s'afficher lors d'une correction du volume.
AFFICHEUR AVANT EN VEILLE
Indiquez avec les touches ◀▶ si l'afficheur avant doit rester allumé lorsque le récepteur est en veille (affi chage de l'heure) ou s'il doit s'éteindre.
POSITIONNER LE MENU SUR LA TV
Appuyez sur la touche OK pour régler les affi chages sur l'écran du téléviseur. Vous pouvez maintenir défi nir la position de l'affi chage avec les touches de
déplacement du curseur (◀▶▲▼). Lorsque vous avez atteint la position
souhaitée, appuyez sur la touche OK pour fi xer cette position.

text_image
Positionner le menu sur la TV Déplacer EXIT Annuler OK ValiderRÉGLAGES
DATE ET HEURE

text_image
Menu principal Réglages Date et heure Fuseau horaire différent (UTC) +1 h Basculement automatique de l' Activé Lundi 11.06.2007 10:34 Heure Heure d'été Appuyez sur pour sélectionner le fuseau horaire MENU Quitter le menu principal Exit RetourFuseau horaire différent
Réglez avec les touches ◀▶ la différence de fuseau horaire par rapport à l'heure UTC (anciennement GMT) (par ex. +1 heure pour l'Allemagne).
Allez avec les touches ▲▼ sur « Basculement automatique de l'heure ».
Basculement automatique de l'heure
Indiquez avec les touches ◀▶ si le récepteur doit basculer automatiquement de l'heure d'été sur l'heure d'hiver et inversement. Avec « Activé », le récepteur règle automatiquement la bonne heure. Avec « Désactivé », un champ vous permettant de sélectionner manuellement l'heure d'été et l'heure d'hiver s'affi che. Effectuez le réglage également avec les touches ◀▶.
Appuyez sur la touche EXIT pour quitter de nouveau le menu.
COMMON INTERFACE
Voir le chapitre « Common Interface »
CONFIGURATION DE L'ANTENNE
Voir le chapitre « Première installation », page 14 et suivantes
MENU SERVICE
Sélectionnez le menu « Service » avec la touche MENU, les touches ▲▼ dans le menu principal et la
touche OK. L'affi chage suivant apparaît :

text_image
Menu principal Menu Service Mise à jour du logiciel Charger les valeurs d'usine Version du logiciel: V2.12 Version du matériel: V2.0 Date de la liste de programmes: 24.06.2008 Dernière mise à jour le: 14.11.2008 Appuyez sur pour mettre à jour le logiciel d'exploitation et/ou la liste de programmes MENU Quitter le menu principal EXIT Retour
text_image
touche OK. L'affi chage suivant apparaît : Menu principal Menu Service Mise à jour du logiciel Charger les valeurs d'usine Version du logiciel Version du matériel Date de la liste de programmes Dernière mise à jour Version du logiciel: V2.12 Version du matériel: V2.0 Date de la liste de programmes: 24.06.2008 Dernière mise à jour le: 14.11.2008 Appuyez sur OK pour mettre à jour le logiciel d'exploitation et/ou la liste de programmes MENU Quitter le menu principal EXIT RetourMETTRE À JOUR LE LOGICIEL
Le récepteur contrôle en mode Veille si un nouveau logiciel est disponible et si cela est le cas, affiche le message suivant lors du démarrage suivant du récepteur :

text_image
Nouveau logiciel disponible Chargement en veille Ne pas charger Rappeler ultérieurement EXIT Annuler OK ConfirmerSélectionnez avec les touches ▲▼ parmi les possibilités affichées et validez votre sélection à l'aide de la touche OK :
- « Chargement en veille » : Si le récepteur est commuté en mode « Veille », le nouveau logiciel est chargé
- « Rappeler ultérieurement » : Le message s'affiche de nouveau lors du démarrage suivant du récepteur
- « Ne pas charger » : Le logiciel n'est pas chargé et le téléchargement doit être lancé manuellement. Afin de charger manuellement le logiciel, procédez de la manière suivante :
Allez sur « Mise à jour du logiciel » avec les touches ▲▼ et appuyez sur la touche OK pour l'activer. L'affi chage suivant apparaît (page suivante) :
MENU SERVICE

text_image
Veuillez patienter temps écoulé: 00:04 Min Recherche du logiciel disponible EXIT Annuler
text_image
Menu principal Menu Service Mise à jour du logiciel Mettre à jour le logiciel Oui Liste de programmes uniquement mettre à jour Nouveau logiciel disponible: V2.12 Date de la liste de programmes: 04.07.2008 Le tri existant est conservé. Lancer la mise à jour Indiquez avec si le logiciel d'exploitation doit être mis à jour MENU Quitter le menu principal EXIT RetourRegardez également les barres qui fi gurent en bas de l'écran Vous y trouverez des consignes d'utilisation.
Mettre à jour le logiciel
Indiquez avec les touches (Non/Oui) si vous souhaitez charger le nouveau logiciel disponible. Possible uniquement si un nouveau logiciel est disponible. Si vous n'êtes pas sûr de vouloir charger le nouveau logiciel, vous pouvez dans un première temps laisser le réglage sur « Non ». Si les modifications vous conviennent, vous pouvez effectuer la mise à jour.
Liste de programmes
Sélectionnez l'action souhaitée avec les touches ◀▶. Au choix :
- « uniquement mettre à jour » : Votre liste existante est uniquement mise à jour. Les nouveaux programmes trouvés sont ajoutés à la fin de la liste de programmes. Le tri de votre liste de programmes n'est pas modifié, seule une mise à jour des données des programmes (fréquence de transmission, etc.) est effectuée.
« ne pas charger » : Votre liste de programmes existante n'est pas éditée (mise à jour/écrasée).
« écraser » : Votre liste de programmes existante est complètement remplacée par une nouvelle liste de programmes. Votre tri personnel des programmes est alors perdu. En outre, la ligne « pré-trié pour » s'affiche si vous sélectionnez « écraser ». Allez avec les touches ▲▼ sur cette ligne et sélectionnez le pré-tri souhaité avec les touches ◀▶. Vous avez par exemple le choix entre Allemagne et Autriche.
MENU SERVICE
Lorsque vous avez effectué tous les réglages, allez avec les touches ▲▼ sur « Lancer la mise à jour » et appuyez sur la touche OK pour lancer la mise à jour.
L'affi chage suivant apparaît (voir l'exemple page suivante) :

text_image
Mise à jour en cours temps écoulé: 00:05 Min Chargement du logiciel Chargement de la liste de programmes Nouveau logiciel disponible: V2.12 Date de la liste de programmes: 04.07.2008 Le tri existant est conservé. Lancer la mise à jourCHARGER LES VALEURS D'USINE
Sélectionnez le menu « Service » avec la touche MENU, les touches ▲▼ dans le menu principal et la touche OK. Allez avec les touches ▲▼ sur « Charger les valeurs d'usine » et appuyez sur la touche OK pour l'activation. L'affi chage suivant apparaît :

text_image
Menu principal Menu Service Mise à jour du logiciel Charg Valeurs d'usine Etes-vous sûr? Tous les réglages sont remis à zéro! (la liste de programmes est conservée) EXIT Annuler OK Oui Dernière mise à jour le: 14.11.2008La touche OK déclenche le chargement des valeurs d'usine. Les listes de programmes et de favoris sont conservées.
BRANCHEMENT D'UN MAGNÉTOSCOPE/ENREGISTREUR DE DVR
Pour savoir comment relier votre magnétoscope ou votre enregistreur externe à votre récepteur, reportez-vous au schéma de raccordement situé à la fin de la présente notice et à la fiche descriptive de votre magnétoscope ou enregistreur externe.
ENREGISTREMENT
Pour effectuer un enregistrement par le biais du magnétoscope (Record), le récepteur satellite doit être sous tension ou les timers pré-programmés (voir la section « EPG » « Enregistrer (timer) »).
LECTURE
Pour lire à partir d'un magnétoscope ou d'un enregistreur de DVD (Play) avec l'UFS 705, réglez tout d'abord
le connecteur péritel de l'UFS 705 sur « VCR mode » avec la touche Ⓑ (basculement péritel), afi n que le signal transite du connecteur péritel magnétoscope/DVR/AUX au connecteur péritel TV.
Avec ce réglage, les images du magnétoscope ou de l'enregistreur externe sont retransmises au
téléviseur en cas de lecture. Avec une nouvelle double pression sur la touche 0, le signal de l'UFS 705 « Péritel→ Sat » redevient prioritaire. Dans le cas du réglage « Péritel → TV » (TV mode), le tuner interne du téléviseur serait prioritaire et vous ne verriez le signal du récepteur sur l'écran qu'en basculant le téléviseur sur le canal AV.
Les réglages « VCR mode » et « TV mode » apparaissent sur l'afficheur du récepteur.
UTILISATION DE LA FACADE
Si vous avez égaré la télécommande ou si les piles sont usées, vous pouvez utiliser votre récepteur à l'aide des éléments de commande prévus sur la face avant.
MODE DE SECOURS

La façade de l'appareil comporte trois touches.
Touche TV/R :
En appuyant sur la touche TV/R, le récepteur bascule du mode TV sur le mode radio. En appuyant une nouvelle fois sur la touche TV/R, le récepteur retourne au mode TV.
Touche ▼:
La touche programme vers le bas vous permet de descendre d'un programme dans la liste de programmes que vous avez sélectionnée.
Touche ▲:
La touche programme vers le haut vous permet de remonter d'un programme dans la liste de programmes que vous avez sélectionnée.

Etant donnée l'absence de touches numériques, il est impossible d'activer les fonctions verrouillées par un mot de passe/code PIN.
ANNEXE TECHNIQUE
CARACTÉRISTIQUES
■ Réception de programmes TV et radio numériques par satellite
■ 4.000 emplacements de programmes
■ Affi cheur à 4 caractères
■ Common Interface pour deux modules CA ^1)
■ EPG confort Kathrein avec programmation de timer 2)
■ Approprié pour téléchargement du logiciel via satellite et PC
■ 8 listes de programmes favoris respectivement pour la TV et la radio
■ Réglage automatique de la date et de l'heure par le biais du fl ux de données DVB
■ Affi chage à l'écran (OSD) en 8 langues (D, GB, F, I, E, CZ, NL, TR)
■ 1.000 timers (séries et intervalles)
■ Sélection de la langue dans le cadre d'émissions multilingues
■ Sortie audio électrique pour fl ux de données Dolby Digital (AC 3)
■ Sortie de signaux composite FBAS, Y/C et RVB programmable via connecteur péritel
■ Prises cinch pour signal AV
■ Décodeur télétexte avec mémoire pour 800 pages
■ Détection du format d'affi chage automatique 4:3 et 16:9 avec format de sortie au choix
■ Recherche de programmes
■ Fonction de tri des emplacements de programmes
DiSEqC™1.0, signaux de commande système monocâble SCR
■ Télécommande infrarouge avec commandes variables
■ Interrupteur secteur
■ Possibilité de branchement d'un capteur IR externe
ANNEXE TECHNIQUE
| Type UFS 705si UFS 705sw | CE | ||
| Référence/Couleur 20210114/argent 20210115/noir | |||
| Propriétés HF | |||
| Plage de fréquences d'entrée MHz 950-2,150 | |||
| Plage de niveau d'entrée dBμV 44-83 | |||
| Seuil de réception (Eb/No) dB < 4,5 | |||
| Système TV - vidéo | |||
| Modulation, FEC, démultiplexeur Standard DVB-S | |||
| Résolution vidéo CCIR 601 (720 x 576 lignes) | |||
| Débit de données d'entrée MSymb/s 2-45 | |||
| Décodage vidéo Compatible MPEG-1 et -2 | |||
| Taux binaire | MBit/s | 1,5-15 | |
| Plage de fréquences | MHz | 0,02-5 | |
| Tension de sortie | Vss | 1 | |
| Rapport S/B | dB | >53 | |
| Système TV - audio | |||
| Décodage audio | MPEG-1 et -2, layer 1 et 2 | ||
| Taux d'échantillonnage | kHz | 32/44,1/48 | |
| Plage de fréquences | kHz | 0,04-20 | |
| Tension de sortie | mVss | Typ. 770 | |
| Rapport S/B | dB | >65 | |
| Mémoire | |||
| RAM Flash/RAM DDR | MB 4/16 | ||
| Fréquence d'horloge du processeur | MHz | 200 | |
| Alimentation électrique | |||
| Tension secteur | VCA/Hz | 230 ( ± 15 %)/50 | |
| Puissance absorbée (service/veille) | W | < 26/< 2,5 | |
| Alimentation LNB vert./horiz. | V/mA | 14/18/max. 400 | |
| Signal de commande | kHz | 22; DiSEqCTM1.0 ; système monocâble SCR | |
| Raccordements | |||
| Entrée/sortie FI satellite (Loop through) | 2 x connecteur F | ||
| Sortie TV/VCR | 2 connecteurs péritel | ||
| Sortie vidéo | Connecteur Cinch | ||
| Sortie audio (analogique) | 2 connecteurs Cinch | ||
| Sortie audio numérique (électrique) | Connecteur Cinch | ||
| Interface de données | Connecteur RJ 11 | ||
| Common Interface | 2 | ||
| Généralités | |||
| Température ambiante adm. | °C | +5 à +40 | |
| Dimensions de l'appareil/poids | mm/kg | 280 x 49 x 190/< 2 | |
ANNEXE TECHNIQUE
BROCHAGE DES PRISES PERITEL
| Signal N° de broche TV VCR/AUX | |||
| Sortie audio droite 1 X XEntrée audio droite 2 XSortie audio gauche 3 X XMasse audio 4 X XMasse bleu 5 X XEntrée audio gauche 6 XSignal bleu 7 X XTension de commutation 8 X XMasse vert 9 X XSignal de données 10Signal vert 11 Signal de données 12Masse rouge Masse données Signal rouge (C) Signal de suppression Masse vidéo Masse signal de suppression Sortie vidéo (composite/Y) Entrée vidéo Blindage du connecteur | XX131415161718192021 | XXXXXXXXXXXXXXXX | XXXXXXXXXXXXXXXXXXXXXXXXXXXXXXXXXXXXXXXXXXXXXXXXXXXXXXXXXXXXXXXXXXXXXXXXXXXXXXXXXXXXXXXXXXXXXXXXXXXXXXXXXXXXXXXXXXXXXXXXXXXXXXXXXXXXXXXXXXXXXXXXXXXXXXXXXXXXXXXXXXXXXXXXXXXXXXXXXXXXXXXXXXXXXXXXXXXXXXXXX |
COMMUTATION VHS/S-VHS
Les connecteurs péritel peuvent être commutés en mode VHS ou S-VHS. La commutation s'effectue dans le menu « Menu principal », « Réglages », « TV, image et son ».
En VHS (RVB) : la borne 15 reçoit le signal rouge, la borne 19 la sortie composite.
En S-VHS (Y/C) : la borne 19 reçoit la sortie Y, la borne 15 la sortie C.
ANNEXE TECHNIQUE
EXEMPLE DE RACCORDEMENT

text_image
KATHREIN Installation Dolby Digital Son numérique AV 3 électrique FO Cinch Cinch Péritel F INPUT F OUTPUT L DIGITAL AUDIO TV VCR KATHREIN 950-250MHz R:AUDIO VIDEO THEV DATA INTERFACE Electroschok-Gefahr Note Offset 13/8V max:400mA 22kHz 230V~50Hz max.25W Cinch Péritel DVR (VCR) Infrarot-Empfänger (optional) Installation Hi-FiEXEMPLES d'installations monocâble
EXR 501/551/552
Matrices de commutation monocâble

flowchart
graph TD
A["UAS 484/584"] --> B["FI Sat 950-2150 MHz"]
B --> C["EXR 551"]
C --> D["EXR 551"]
D --> E["EXR 501"]
E --> F["EXR 501"]
G["ERA 14"] --> H["ESU 33 Single"]
G --> I["ESU 33 Single"]
G --> J["ESU 33 Single"]
G --> K["ESU 33 Single"]
L["ERA 14"] --> M["ESU 33 Twin"]
L --> N["ESU 33 Twin"]
O["FI Sat"] --> P["FI Sat 950-2150 MHz"]
Q["4 x récepteur Single ou 2 x récepteur Twin"] --> R["FI Sat 950-2150 MHz"]
* Le récepteur doit être programmé pour les instructions monocâble
** ) Protection antisurtension KAZ 11/KAZ 12
ANNEXE TECHNIQUE

flowchart
graph TD
A["UAS 481"] -->|**| B["WFS 23"]
B --> C["EBC 10"]
C --> D["4 x ESU 33"]
D --> E["ERA 14"]
D --> F["ERA 14"]
UAS 481
Système d'alimentation monocâble

flowchart
graph TD
A["UAS 481"] -->|**| B["WFS 23"]
B --> C["ESU 33"]
B --> D["ESU 33"]
B --> E["ESU 33"]
B --> F["ERA 14"]

flowchart
graph TD
A["SatAn® UAS 481"] -->|**| B["Central Device"]
C["WFS 23"] --> B
B --> D["EBC 14"]
D --> E["4 x ESU 34"]
style A fill:#f9f,stroke:#333
style C fill:#ccf,stroke:#333
style D fill:#cfc,stroke:#333
style E fill:#fcc,stroke:#333
*) Le récepteur doit être programmé pour les instructions monocâble
** Protection antisurtension KAZ 11/KAZ 12
ANNEXE TECHNIQUE
EXR 1581/2581
Matrices monocâble

flowchart
graph TD
A["UAS 484/584"] -->|**| B["EBX 2520"]
B --> C["EBR 2581"]
C --> D["EBR 1581"]
D --> E["EBC 10"]
E --> F["ESU 33 Twin"]
E --> G["ESU 33 Twin"]
E --> H["ESU 33 Twin"]
E --> I["ESU 33 Twin"]
E --> J["ERA 14"]
C --> K["ETRMC10"]
C --> L["EMR 2581"]
C --> M["EMR 1581"]
D --> N["ELC"]
D --> O["PLC"]
style A fill:#f9f,stroke:#333
style B fill:#ccf,stroke:#333
style C fill:#cfc,stroke:#333
style D fill:#fcc,stroke:#333
style E fill:#ffc,stroke:#333
style F fill:#cff,stroke:#333
style G fill:#cff,stroke:#333
style H fill:#cff,stroke:#333
style I fill:#cff,stroke:#333
style J fill:#cff,stroke:#333
style K fill:#ffc,stroke:#333
style L fill:#ffc,stroke:#333
style M fill:#ffc,stroke:#333
*1 Le récepteur doit être programmé pour les instructions monocâble
** ) Protection antisurtension KAZ 11/KAZ 12
ANNEXE TECHNIQUE
EXU 908
Matrice monocâble

flowchart
graph TD
A["SatAn®"] -->|2 x LNB Quatro UAS 484/584| B["FI Sat 950-2150 MHz"]
B --> C["ESU 33"]
C --> D["ERA 14 H"]
C --> E["Single"]
C --> F["ESU 33"]
F --> G["ERA 14 H"]
C --> H["Single"]
C --> I["ESU 33"]
I --> J["ERA 14 H"]
C --> K["Single"]
C --> L["ESU 33"]
L --> M["ERA 14 H"]
C --> N["Twin"]
C --> O["Twin"]
P["EBC 10"] --> Q["ESU 33"]
Q --> R["ERA 14 H"]
style A fill:#f9f,stroke:#333
style B fill:#ccf,stroke:#333
style C fill:#cff,stroke:#333
style D fill:#ffc,stroke:#333
style E fill:#ffc,stroke:#333
style F fill:#ffc,stroke:#333
style G fill:#ffc,stroke:#333
style H fill:#ffc,stroke:#333
style I fill:#ffc,stroke:#333
style J fill:#ffc,stroke:#333
style K fill:#ffc,stroke:#333
style L fill:#ffc,stroke:#333
style M fill:#ffc,stroke:#333
style N fill:#ffc,stroke:#333
style O fill:#ffc,stroke:#333
^* Le récepteur doit être programmé pour les instructions monocâble
** ) Protection antisurtension KAZ 11/KAZ 12
PETIT LEXIQUE TECHNIQUE
COMPOSANTS DISEQC™
Si les matrices de commutation DiSEqC™ sont montées en cascade, le récepteur maître doit émettre plusieurs fois le signal DiSEqC™ pour que tous les commutateurs multiples DiSEqC™ du système reçoivent les instructions qui leur sont destinées.
Les composants DiSEqC™ (esclaves) doivent désormais être compatibles avec les systèmes moins récents (compatibilité descendante), c'est-à-dire qu'ils doivent réagir également aux critères de commutation analogiques des récepteurs qui n'utilisent que des signaux de commande H/V et de 22 kHz.
Une matrice de commutation DiSEqC™ fonctionne avec des critères de commutation analogiques jusqu'à ce que le maître émette une instruction DiSEqC™. Les critères de commutation analogiques sont par la suite ignorés.
DISEQC™
Le DiSEqC™ (Digital Satellite Equipment Control) est un système de communication entre un récepteur satellite (maître) et des composants satellite périphériques (esclaves), tels que des LNB, des commutateurs multiples ou des systèmes d'orientation pour antenne.
Il s'agit d'un système à maître unique/esclaves multiples, c'est-à-dire que le système satellite ne comporte toujours qu'un seul maître. Toutes les activités émanent du maître.
DVB MPEG-2
DVB est l'acronyme de Digital Video Broadcasting (diffusion télévisuelle numérique). DVB-S indique le type de transmission (S = satellite). MPEG est l'acronyme de « Moving Picture Experts Group », un groupe de travail qui élabore des normes internationales pour la compression numérique de données audio et vidéo. Le MPEG-2 est devenu le standard de compression de signaux TV numériques. Le MPEG-2 fonctionne avec un débit binaire max. de 100 Mbits/s.
FEC
FEC est l'acronyme de « Forward Error Correction », ou correction d'erreurs sans voie de retour. Le taux d'erreurs FEC est équivalent au taux de Viterbi.
PAQUET DE PROGRAMMES (BOUQUET)
Le paquet de programmes d'un transpondeur numérique se compose le plus souvent de plusieurs programmes de TV et de radio. Chaque paquet de programmes dispose de correspondances fixes en termes de fréquence d'émission de transpondeur, de polarisation (horizontale ou verticale), de taux de modulation et de taux de Viterbi ou de taux d'erreurs.
PID
Le numéro PID (Packet IDentification) est un numéro d'identification pour les signaux audio et vidéo du flux numérique de données des signaux DVB MPEG-2. Grâce au numéro PID, le récepteur établit une correspondance sans équivoque pour le transfert des données audio et vidéo. Le PID-PCR correspond au numéro d'identification du signal de synchronisation. Le PID-PCR est normalement identique au PID vidéo. Dans le cas de programmes multilingues, il est possible de sélectionner une autre langue pour une émission de TV en saisissant manuellement le PID audio. Le récepteur numérique sélectionne automatiquement les données audio correspondant au numéro PID saisi dans le flux de données, puis les réaffecte au signal vidéo.
PETIT LEXIQUE TECHNIQUE
RAPPORT EB/NO
Le rapport Eb/No mesure l'écart signal/bruit d'un signal numérique. Cette valeur diffère de la valeur C/N (porteuse/bruit) caractéristique de la réception analogique. Dès lors que les valeurs Eb/No sont inférieures à 5 dB, la réception devient impossible.
TAUX BINAIRE VIDÉO
Le taux binaire vidéo décrit la quantité de données du signal vidéo numérisé transmises par seconde.
TAUX DE MODULATION (DÉBIT SYMBOLE)
Le taux de modulation a trait à la quantité de données transmises par seconde. Le taux de modulation est exprimé en Msymboles/s et équivaut au nombre de symboles transmis en une seconde.
TAUX DE VITERBI
Le taux de Viterbi (débit de codes, taux d'erreurs) caractérise la protection contre les erreurs utilisée par le fournisseur de programmes. Le standard DVB prévoit les valeurs suivantes : 1/2 - 2/3 - 3/4 - 5/6 - 7/8
TRANSPONDEUR
Un transpondeur est un convertisseur de fréquence qui reçoit les signaux TV et radio émis depuis la terre, les convertit et les retransmet ensuite vers la terre dans la fréquence modifiée. Un satellite possède plusieurs transpondeurs.
Les transpondeurs analogiques transmettent un seul programme de télévision et, le cas échéant, plusieurs programmes de radio sur une même fréquence d'émission.
Les transpondeurs numériques émettent simultanément plusieurs programmes de télévision et de radio sur une même fréquence. Lorsqu'un fournisseur de programmes diffuse plusieurs programmes de télévision par le biais d'un transpondeur numérique, on parle du paquet de programmes (ou bouquet) du diffuseur. Les expressions « transpondeur numérique » et « paquet de programmes » revêtent donc la même signifi cation.
PETIT LEXIQUE TECHNIQUE
GLOSSAIRE
| AC 3 Sortie pour signal Dolby Digital | |
| Affichage à LED | Affichage du récepteur |
| CA Conditional Access (pour le décodage de programmes cryptés) | |
| Câble péritel Câble de liaison à 21 pôles (par exemple récepteur/téléviseur) | |
| CI Interface normalisée sur le plan international pour les modules CA | |
| Décodeur Appareil de décryptage inhérent à la télévision payante | |
| DiSEqCTM Système de commande permettant la communication entre le récepteur et un LNB ou un commutateur multiple | |
| DVB Digital Video Broadcasting (numérique hertzien) | |
| Eb/No [dB] Densité de puissance par unité d'information | |
| Emplacement mémoire AV | Emplacement privilégié du téléviseur pour l'entrée péritel |
| Fonction Timer Fonction de minuterie (heures de mise en marche et d'arrêt préprogrammées) | |
| Fonction Timeshift Lecture différée | |
| LNB | Low Noise Block Converter (bloc d'alimentation à bruit réduit) |
| Mute | Fonction de coupure du son |
| OSD | On Screen Display (affichage à l'écran) |
| PAL | Norme télévisuelle analogique |
| Pay-TV | Télévision payante (par exemple PREMIERE) |
| PCMCIA | Standard de l'interface de décodage interne liée à la télévision payante |
| PID | Voir le « Petit lexique technique » |
| PIN | Personal Identification Number (code d'identification personnel) |
| Raccordement VCR | Raccordement du magnétoscope |
| Rapport Eb/No | Rapport signal/bruit numérique |
| Récepteur | Dispositif de réception de signaux |
| RVB | Signal vidéo qui rassemble trois signaux de couleur (rouge, vert, bleu) |
| Signal satellite FI | Signal d'entrée du récepteur |
| Smartcard | Carte fournie par le fournisseur de télévision payante et permettant de décrypter les programmes |
| Sortie audio | Sortie audio du récepteur |
| S-VHS | Super Video Home System (standard pour les magnétoscopes) |
| Taux de modulation (débit symbole) | Débit de signaux satellite transmis |
| Taux de Viterbi | Voir le « Petit lexique technique » |
| Transpondeur | Voir le « Petit lexique technique » |
| UFO® micro et UFO® mini | Installations de traitement des signaux satellite spécifiques à Kathrein |
| Veille | Mode actif lorsque l'appareil est en ordre de marche, sans pour autant fonctionner |
IDENTIFICATION DES DÉFAUTS ET RÉSOLUTION DES PROBLÈMES
En cas de dysfonctionnement, commencez par contrôler tous les raccordements et les états de fonctionnement :
- Les fiches secteur du récepteur et du téléviseur sont bien branchées sur une prise secteur
- Les câbles d'antenne sont bien raccordés à l'entrée du récepteur
- Le récepteur et le téléviseur sont correctement raccordés à l'aide d'un câble péritel ou cinch
- Les ports audio sont, le cas échéant, bien reliés à la chaîne Hi-Fi ou au système Dolby Digital
- Le récepteur et le téléviseur (chaîne Hi-Fi/système Dolby Digital) sont bien sous tension (vérifier les témoins de contrôle)
- Le récepteur réagit correctement aux impulsions de la télécommande
Vous trouverez ci-dessous quelques conseils vous permettant d'identifier les défauts.
| Problème Cause Solution | ||
| Le message « Pas de signal ou signal faible ! » apparaît avec quelques programmes ou tous les programmes | Le signal d'antenne de l'installation de réception satellite est absent ou défectueux. Les fréquences LNB sont mal réglées dans le menu « Conf guration de l'antenne » | Contacter un spécialiste des antennes pour qu'il vérifie ou répare l'installation. Vérifie er si la valeur High L.O. est bien égale à « 10 600 » GHz, la valeur Low L.O. à « 9 750 » GHz et la fréquence limite à « 11 700 GHz » pour le satellite respectif (point « Conf guration LNB » du menu « Installation ») et rectifié les valeurs le cas échéant |
| La télécommande ne fonctionne plus | Le code de commande du récepteur ou de la télécommande a peut-être été déréglé par erreur | Régler le code infrarouge 1, comme indiqué dans la présente notice d'utilisation sous « Télécommande RC 660 » et vérifie er les piles |
| L'heure affi chée est incorrecte | Le réglage pour l'heure d'été est incorrect. Le signal de réception a transmis une heure incorrecte | Contrôler l'heure d'été dans le menu « Réglages », « Date et heure » et la corriger le cas échéant. Eteindre le récepteur à l'aide de l'interrupteur secteur depuis le programme en cours, par exemple ARD ou ZDF, patienter 10 secondes, puis le remettre en marche |
| Les programmes suivants présentent des dysfonctionnements ou le message « Signal faible ou pas de signal ! » apparaît : PRO 7, SAT1, Kabel 1, DSF, N 24, Tele 5, 9 Live, HSE 24 et Sonnenklar TV | Les téléphones DECT utilisent les mêmes fréquences que ces programmes. Si le niveau est trop faible ou le câble mal isolé, des dysfonctionnements peuvent survenir | Adressez-vous à votre spécialiste en antennes |
| Ecran noir ou bleu, absence de menus à l'écran | Une erreur de manipulation (pression sur la touche 0) a désactivé la liaison péritel avec le téléviseur | Appuyer sur la touche 0 jusqu'à ce que l'image TV s'affi che de nouveau à l'écran |
MAINTENANCE
Après lecture de cette notice, si vous avez encore des questions sur la mise en service ou l'utilisation de l'appareil ou bien si vous avez rencontré un problème, prenez contact avec votre revendeur le plus proche.
Notice Facile