0392 - Thermostat Gira - Notice d'utilisation et mode d'emploi gratuit
Retrouvez gratuitement la notice de l'appareil 0392 Gira au format PDF.
| Caractéristiques | Détails |
|---|---|
| Type de produit | Thermostat |
| Plage de température | 5°C à 30°C |
| Alimentation | 230 V AC |
| Type de montage | Montage encastré |
| Fonctionnalités | Programmation hebdomadaire, affichage numérique |
| Utilisation | Contrôle de la température ambiante pour le chauffage |
| Maintenance | Vérifier régulièrement le fonctionnement et nettoyer le boîtier |
| Sécurité | Protection contre les surcharges électriques |
| Garantie | 2 ans |
| Informations supplémentaires | Compatible avec divers systèmes de chauffage |
FOIRE AUX QUESTIONS - 0392 Gira
Questions des utilisateurs sur 0392 Gira
0 question sur cet appareil. Repondez a celles que vous connaissez ou posez la votre.
Poser une nouvelle question sur cet appareil
Téléchargez la notice de votre Thermostat au format PDF gratuitement ! Retrouvez votre notice 0392 - Gira et reprennez votre appareil électronique en main. Sur cette page sont publiés tous les documents nécessaires à l'utilisation de votre appareil 0392 de la marque Gira.
MODE D'EMPLOI 0392 Gira
230/10 (4) A~ avec contact normalement fermé et interrupteur Marche/Arrêt 0392 ..
GIRA
Table des matieres
Mode d'emploi
Thermostat 230/10 (4) A~ avec contact normalement fermé et interrupteur Marche/Arrêt.
Domaine d'application
Le thermostat sert à la régulation de la température dans des locaux fermés tels que des habitations, des écoles, des salles, des ateliers, etc.
Lieu d'installation
- Installez le thermostat sur une paroi interieure, si possible en face d'une source de chauffage.
- Respectez la hauteur de montage recommandée: env.1,5 m au-dessus du sol.
- Une humidité relative admissible de l'air de max.
95 % ne peut pas être dépassée.
Eviter la condensation. -
Evitez les parois extérieures et les courants d'air de fenêtres et portes.
-
Veiliez à ce que l'air de convection normal du local attaigne sans encombres le thermostat. Le régulator ne devraitès lors pas être monté à l'intérieur de rayonnages ni derrière des tentures ou recouvrements similaires.
- L'apport externe de chaleur influence négativement la précision de réglage. Evitezès lors le rayonnement solaire direct et la proximité d'appareils à rayonnement thermique (teléviseurs et appareils de chauffage, lampes, cheminées, tuyaux de chauffage, etc.).
- Un variateur diffuse également de la chaleur! Si le thermostat est monté en combinaison avec un variateur, la distance entre les deux devrait être la plus grande possible. Pour une combinaison verticalie, le thermostat est placé en dessous du variateur.
Le montage et le branchement des appareils électriques peuvent uniquement être effectués par un électricien.
En cas de non-respect des indications de montage et d'installation, il y a risquè d'incendie ou d'autres dangers.
Le thermostat est monté dans une boîte encastrées selon DIN 49 073.
Pour l'installation du thermostat, précédez comme suit:
- Enlever le couvercle du boitier:
Enlever le bouton de réglage.
Desserer la vis de couvercle.
Enlever le couvercle.
- Raccordement électrique suivant plan de connexion (voir page 9).
- Monter l'appareil avec des vis dans la boîte encastrée.
Attention: Toujours monter l'anneau de support sur le papier peint. En cas de travaux de rénovation, l'anneau de support ne peut pas être recouvert par le papier peint.
- Placer le couvercle du boîtier avec le cadre de finition. Verrouiller le couvercle du boîtier en haut à gauche dans la partie inférieure de boîtier et serrer la vis.
Enficher le bouton de réglage.
Raccordement électrique
Raccordez toutes les lignes selon le plan de connexion (voir page 9). Veillez à ce que le conducteur neutre soit raccordé à la borne N. Dans le cas contraire, on obtient de grandes variations de température, le thermostat ne pouvant pas fonctionner correctement.
Aucun raccordement de conducteur de protection n'est nécessaire, l'appareil étant à double isolation.

Attention
Une erreur de raccordement peut entrainer une dépréciation de l'appareil de régulation! Nous déclinons toute responsabilité pour les dommages dus à un raccordement incorrect et/ou à des manipulations inappropriées!

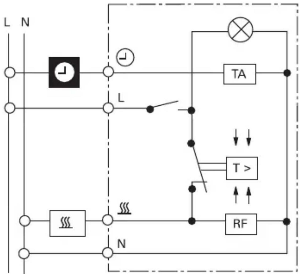
Plan de connexion
Description abrégée dans le plan de connexion
L = Conducteur extérieur
N = Conducteur neutre
= Raccordement pour signal d'horloge pour l'abussement de température
= Raccordement de la charge de chauffage
RF = Résistance pour recyclage thermique
TA = Résistance pour abaisissement nocturne de la température ambiente
= LED (LED allumée: régulateur actif)
Réglage des limites de température
Le bouton de réglage com- porte 2 bagues de réglage. Celles-ci permettent de régler à volonté les limites de température. En usine, le thermostat est régèle sur la plage maximale de réglage de 5^ à 30^

Processus de réglage
Comment régler les limites de température (dans cet exemple: min. 8^ , max. 23^ ):
- Mettre le bouton de réglage au centre de la plage de réglage désirée.
Exemple: la moyenne de 8^ et 23^ est 15^ .
-
Enlever le bouton de réglage.
-
Comment régler la bague de réglage rouge sur la limite supérieure de température (ici 23 °C):
Introduisez un objet pointu (p. ex. un bic) dans un des trous de la bague rouge.
Faites tourner la bague rouge dans le sens contraire des aiguilles d'une montre sur 23^
Les chiffres extérieurs de l'échelle sont d'application.

- Comment régler la bague de réglage bleue sur la limite inférieure de température (ici 8 °C):
Introduisez un objet pointu (p. ex. un bic) dans le trou de la bague bleue. Faites tourner la bague bleue dans le

sens des aiguilles d'une montre sur 8^
Les chiffres interieurs de l'échelle sont d'application.
- Enficher le bouton de réglage: ce faisant, l'aiguille doit être environ au centre de la nouvelle plage de réglage (voir point 1).
Example: environ 15^ C .
Adaptation de température
A la mise en service du thermostat, on doit tener compte de ce que le bimétal a besoin d'un certain temps pour s'adapter à la température ambiente. Immediatement après le montage ou après une mise hors service de l'abaissement nocturne, le point de commutation différera des lors de la température ambiente. La précision de commutation est seulement donnée après une durée de service de 1-2 heures. Pour un échauffement plus rapide au début et raccourcir l'adaptation de départ, on recommendé des lors de régler la température de réglage plus haut que désiré. Lorsque la température est atteinte, le réglage de température peut être ramné à la valeur de consigne désirée.
Abaisissement nocturne
On recommende d'effectuer l'abaisissement nocturne d'env. 4 K automatiquement avec un signal commandé en fonction du temps.
Echelle de réglage de la température
L'échelle pour le réglage de la température se trouve sur le couvercle du thermostat et sert à l'orientation optique lors du réglage de la température (de min. 5^ à max. 30^ ).
=env.5°C
2 = env. 10 °C
3 env. 15 ^ C
= env. 20^ C
5 = env. 25 °C
6 = env. 30 °C
Symboles
Marche
| Arrêt
Caracteristiques techniques
Plage de température: 5^ C à 30^ C
Différence de température
de commutation: env. 0,5 K
Abaissements nocturnes: env. 4 K
Section des conducteurs: 1 à 2,5 mm² conducteurs rigides.
Garantie
La garantie est octroyée dans le cadre des dispositions légales concernant le commerce spécialisé.
Veuillez remètre ou envoyer les-appareils défectueux port payé avec une description du défaut au vendeur compétent pour vous (commerce spécialisé/installateur/revendeur spécialisé en matériel électrique).
Ceux-ci transmettent les apparéils au Gira Service Center.
Gira
Notice Facile