FTE 600 SN - Thermostat AEG - Notice d'utilisation et mode d'emploi gratuit
Retrouvez gratuitement la notice de l'appareil FTE 600 SN AEG au format PDF.
| Caractéristiques Techniques | Détails |
|---|---|
| Type de thermostat | Thermostat électronique programmable |
| Plage de température | 5°C à 30°C |
| Précision de la température | ± 0,5°C |
| Alimentation | 230V AC |
| Dimensions | 85 x 85 x 25 mm |
| Poids | 200 g |
| Utilisation | Contrôle de la température ambiante dans les systèmes de chauffage |
| Installation | Montage mural, câblage électrique requis |
| Maintenance | Vérification régulière des connexions électriques et nettoyage de la surface |
| Sécurité | Protection contre les surcharges électriques, conforme aux normes CE |
| Informations Générales | Idéal pour les maisons, bureaux et espaces commerciaux, facilité d'utilisation avec interface intuitive |
FOIRE AUX QUESTIONS - FTE 600 SN AEG
Téléchargez la notice de votre Thermostat au format PDF gratuitement ! Retrouvez votre notice FTE 600 SN - AEG et reprennez votre appareil électronique en main. Sur cette page sont publiés tous les documents nécessaires à l'utilisation de votre appareil FTE 600 SN de la marque AEG.
MODE D'EMPLOI FTE 600 SN AEG
| [KΩ] | [V] | |
| 10°C | 66,8 | 3,7 |
| 20°C | 41,3 | 3,4 |
| 30°C | 26,3 | 2,9 |
| 40°C | 17,1 | 2,5 |
| 50°C | 11,3 | 2,0 |
| 60°C | 7,5 | 1,5 |
| [KΩ] | [V] | |
| 10°C | 66,8 | 3,7 |
| 20°C | 41,3 | 3,4 |
| 30°C | 26,3 | 2,9 |
| 40°C | 17,1 | 2,5 |
| 50°C | 11,3 | 2,0 |
| 60°C | 7,5 | 1,5 |
chauffage par le sol
Typ FTE 600 SN

ATTENTION
Ce produit doit être monté et branché selon le schéma que trouvant dans le couvertue par un professionnel et dans le respect des règles de sécurité et des normes en vigueur.
Estérisalé par un montage sur une surface plante, non conductrice et en inflamme
Ce thermostat sort a régular la temperature de pieces séchées et fermées dans un environnement normal. I'effecte se est selon la normale 160730 et fonctionne selon la directive 1C.
1. Domaines d'utilisation
Chauffage au sol électriche
Chauffage au sol par eau
2. Fonctionnement
La temperature est mesure par la sonde à distance. Si cile-ci est inférieure à la consigne, le thermostat enclanche le chiffage; si elle est supérieure, le chiffage sera coupé.
La plage de réglage de 1...4 correspond à une température de 10...40 °C.
L'interrupteur permet l'arrêt ou la mise en route du thermostat.
La Lé Rouge signale la mise en route du chaudiage.
En cas de coupure ou de court-circuit de la sonde, le chaudiage est l'objet de l'ordre.
23 interrupteur permet I arret ou la mise en route du thermostat.
Le Lairedouge signaleimelarence du roucheffage. En cas del coupte ou de court-circuit de la sonde, le fouchefage est surcuté en 150 mm de l'air.
等
2
告
带
1
E
Errors - Brancher selon le schéma (dans le couverde du bottier)
b) Sonde de température
Attention
Pour facilitier un évientiel remplacement, placer la sonde dans un conduit de protection
Le cable de sonde peut être prolongé jusqu'à 50 metres avec un cable.
de section 1,5 mm
-adapté à la tension secteur
Si le cable passée dans les goutliques de cables ou est aixoilé de conducteurs de puissance, employé par l'employeur.
Attention:
En cas de défaut, la sonde peut se couver à la tension secteur!
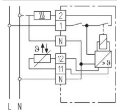
4. Schema de branchement

Attention:
Connecteur de mise à la terre (conducteur de protection)
5. Caracteristiques techniques
Thermostat Type
Intensité max
Tetal 50% 2021/AP/105-2021
10
Flage de tempélatire 1...4(=10...40°C)
Interupteur mR
Voyant Lcd
Regulation 1out du Rien
Hystereses 1
Protection IP
Classe protection II
Température ambiente: -20 ... 40 °C
Température Stockage: -20 ... 70 °C
Degré d'encrassement 2
Tension assignee da
tenue aux chocs 2.5kV
Temperature data toctd
les tests de compatibilité
CEM 230V,16A
Sond
Flement sensible CTN
Cable E/C (2 x 0.5 mm²)
Longueur 4 mètres
Protection IR 68
Temperature oscillators 25 70oC
Voir point - Attention
Caracteristiques de la sonde
Couleur de la sonde: blanche
Température de la sonde 10 60^
| [KΩ] | [V] | |
| 10°C | 66,8 | 3,7 |
| 20°C | 41,3 | 3,4 |
| 30°C | 26,3 | 2,9 |
| 40°C | 17,1 | 2,5 |
| 50°C | 11,3 | 2,0 |
| 60°C | 7,5 | 1,5 |
les valeurs ohmiques ne peuvent être mesurées que seonde débranché?
6. Dimensions


Notice Facile