Alfetta GT GTV(1980-1987) - Automobile ALFA ROMEO - Notice d'utilisation et mode d'emploi gratuit
Retrouvez gratuitement la notice de l'appareil Alfetta GT GTV(1980-1987) ALFA ROMEO au format PDF.
| Caractéristiques | Détails |
|---|---|
| Modèle | ALFA ROMEO Alfetta GT GTV (1980-1987) |
| Moteur | Moteurs à essence, 4 cylindres, 2.0L et 2.5L |
| Puissance | De 120 à 150 ch selon la version |
| Transmission | Manuelle à 5 vitesses |
| Dimensions | Longueur : 4 200 mm, Largeur : 1 700 mm, Hauteur : 1 350 mm |
| Poids | Environ 1 200 kg |
| Consommation | Environ 8-10 L/100 km |
| Utilisation | Conduite sportive et quotidienne |
| Entretien | Changement d'huile tous les 10 000 km, vérification des freins et des suspensions régulièrement |
| Réparation | Pièces disponibles chez des spécialistes et en ligne |
| Sécurité | Équipements de sécurité de base, ceintures de sécurité, freins à disque |
| Informations générales | Véhicule de collection, attention à l'état de la carrosserie et de la mécanique avant achat |
FOIRE AUX QUESTIONS - Alfetta GT GTV(1980-1987) ALFA ROMEO
Questions des utilisateurs sur Alfetta GT GTV(1980-1987) ALFA ROMEO
0 question sur cet appareil. Repondez a celles que vous connaissez ou posez la votre.
Poser une nouvelle question sur cet appareil
Téléchargez la notice de votre Automobile au format PDF gratuitement ! Retrouvez votre notice Alfetta GT GTV(1980-1987) - ALFA ROMEO et reprennez votre appareil électronique en main. Sur cette page sont publiés tous les documents nécessaires à l'utilisation de votre appareil Alfetta GT GTV(1980-1987) de la marque ALFA ROMEO.
MODE D'EMPLOI Alfetta GT GTV(1980-1987) ALFA ROMEO
conduite et enteetion
ALFA ROMEO 2.5
CLÉS
Notez. soigneusement le numero des clés, gravé sur celles-ci ou inscrit sur l'étiquette autoadhésive fixée à la clé, pour en Obtérir un double il faudra en effet préciser ce dernier.
Contact d'allumage/ demarrage-Antivol
NUMERO:

Bouchon du réservoira essence
NUMERO:

Portes coffre à bagages.
NUMERO:

N.B. — ÀpRES chaque plein s'assurer du verrouillage correct de la goulotte d'essence.
A NOTRE AIMABLE CLIENTÉLE
Nos Services ÀpRES-Vente sont à votre entière disposition pour répondre à vos demandes de renseignements et vous aidar à résoudre tous les problèmes concernant votre voiture. Adressez-vous donc en toute confiance à notre Agent Vendeur ou à notre Succursale ou Importateur général sur votre marché dont vous trouverez les noms et adresses dans le guide de service.
ATTENTION A L'OXYDE DE CARBONE!
Ne restez jamais dans un local clos avec un vehicule dont le moteur tourne. Les gaz d'échéppement contiennent de l'oxyde de carbone, gaz extrémement toxique et de plus très pernicièux car incolore, inodore et insipide, il est difficile d'en déceler la présence.
Si vous voulez obtenir de votre voiture les mêilles performances, si vous voulez qu'elle vous assure un long et fidèle usage CONFORMEZ-VOUS RIGOUREUSEMENT aux instructions de cette Notice.
Nous vous conseillons, dans votre propre intérêt, de confier l'entretien et les réparations eventuelles de votre voiture AUX ATELIERS AGRÉES DE NOTRE RÉSEAU APRES-VENTE: vous étés assure d'y trouver accueil aimable, avis compétents, travail impeccable exécuté avec des équipements et outillages spécialisés par un personnel qualifié et entrainé selon les méthodes de nos Usines.
ALFA ROMEO - DIRECTION APRES-VENTE
Les données techniques de la presente notice sont indicatives. En conséquence le Constructeur se reserve le droit de modifier à tout moment et sans prévis les caractéristiques et les spécifications indiquées.
Certains accessoires mentionnés font partie des équipements en option dont vous trouverez la liste complète dans notre tarif de vente.
SOMMAIRE
3 - GARANTIE - CARNET DE SERVICE - RÉSEAU ALFA-ROMEO
CONDUITE DE LA VOITURE
6 - COMMANDES, APPAREILLAGE ET ÉQUIPEMENT DE BORD
7 - Poste de conduite et apparéils de contrôle
8 - Demarrage du moteur - Arret - Antivol
9 - Position de conduite - Sièges
11 - Réglage hauteur du volant - Changement de vitesse
12 - Retroviseurs
13 - Pare-Soleil - Indicateurs de direction
14 - Feux extérieurs
15 - Feu de brouillard arrêté - Feux de détresse - Essuie-glace et lave-glace.
16 - Ceintures de sécurité
18 - Plafonnier - Boite à gants
19 - Allume-cigare - Cendriers
20 - CLIMATISATION ET DÉSEMBUAGE
23 - PORTES ET VITRES
24 - CAPOT MOTEUR
25 - COFFRE Å BAGAGES
26 - REMPLACEMENT D'UNE ROUE
27 - REMORQUAGE DE LA VOITURE - LEVAGE DE LA VOITURE - CHAINES ANTIDERAPANTES
28 - PRECAUTIONS ET CONSEILS IMPORTANTS
Rodage - Demarrage à froid - Demarrage à chaud
29 - Avant la mise en route - En roulant - Aux arrêts - Contre le gel
30 - POUR ÉCONOMISER L'ESSENCE
ENTRETIEN
32 - SCHEMA DES OPÉRATIONS D'ENTRETIEN PÉRIODIQUES
33 - Verification niveau huile moteur. Vidange huile moteur
34 - Remplacement matériel à huile
35 - Vérification niveau et vidange boîte/différentiel
36 - Filtre à air
37 - Courroie d'entrainment alternateur et pompe à eau
38 - CIRCUIT DE REFROIDISSEMENT
39 - Reservoir d'expansion - Vidange et replissage du circuit
40-FREINS
41 - Réservoir du liquide de frein - Instructions pour le lavage du soubassement - Réservoir du liquide d'embrayage
42 - ROUES
Pression des pneumatiques - Permutation - Equilibrage - Pneus neige
43 - CARROSSERIE Lavage - Nettoyage vitres - Garnitures - Liquide lave-glace - Immobilisation prolongée de la voiture.
44 - Remplacement balais d'essue-glace
45 - EQUIPEMENT ELECTRIQUE Circuit d'allumage - Bougies
46 - Batterie
47 - Alternateur - Boite à fusibles
48 - Reglage des phares
49 - Remplacement d'une lampe
53 - INSTALLATION D'UN APPAREIL AUTO-RADIO
54 - INSTRUCTIONS POUR L'ADAPTATION D'UN ATTE-LAGE DE REMORQUE
CHARACTERISTIQUES TECHNIQUES
56 - CARACTERISTIQUES
Moteur - Voiture - Performances
57 - Distribution - Jeu aux soupapes - Allumage - Régimes ralenti-taux de CO - Rapports de démultiplication - Consommation carburant - Divergence roues avant
58 - IDENTIFICATION VOITURE VERSION AVEC CONDITIONNEMENT D'AIR.
60 - Poste de conduite
3.61 - Conditionnement - Aération - Chauffage
62 - Dégivrage - Désembuage pare-brise
63 - Consignes d'entretien
64 - SCHEMAS ÉLECTRIQUES LUBRIFIANTS PRECONISÉS - PRESSIONS PNEUMATIQUES - CONTENANCES (à la fin de la notice)
GARANTIE
Pour les modalités d'application de la garantie, consulter les "Conditions generales de Garantie".
CARNET DE SERVICE
À la livraison de tout vehicule neuf le Client reçoit un Carnet de Service où sont exposées les lignes générales qui conditionnent les prestations des Services Alfa Romeo.
Ce carnet contient un coupon de service qui devra etre utilisé pendant la période de garantie et aux kilométrages établis.
Réseau ALFA ROMEO
Les adresses des Services Àpres-Vente en Italie et à l'étranger sont indiquées dans le guide de service remis à la livraison de la voiture.
Le réseau Italie figure également sur l'annuaire du téléphone italien, à la lecture A «Alfa Romeo».
Tous nos Services vous sont signalés par l'écussion Alfa Romeo et sont à votre entière disposition pour tous vos travaux d'entretien ou de réparation, aux mêilles conditions.

ALFA ROMEO
Pour la sécurité de
votre voiture n'utilisez
que des PIECES
DE RECHANGE
D'ORIGINE
seulement dans cet emballage
COMMANDES APPAREILLAGE ET ÉQUIPEMENT DE BORD

POSTE DE CONDUITE
1 - Bouches orientables d'airation naturelle
2 - Manette déclairage et avertisseur lumineux (clignotants)
3 - Manette des indicateurs de direction
4 - Accelerateur a main
5 - Bouches (orientables) de désem-buage du pare-brise
6 - Manette d'essuie-glace/lave-glace
7 - Tableau de bord
8 - Dépannage ouverture du capot moteur
9 - Commande d'ouverture du capot moteur
10 - Boîte à fusibles
11 - Avertisseur sonore
12 - Contacteur d'allumage / démarriage - Antivol
13 - Réglage de la hauteur du volant
14 - Levier de changement de vitesses
15 - Levier de frein a main
16 - Commutateur de miroir rétrovisér esteur extérieur
17 - Allume-cigares
18 - Cendrier
19 - Emplacement pour autoradio
20 - Commandes de climatisation (le cadran s'éclaire à la mise en circuit des feuels de position)
21 - Boîte à gants
22 - Tablette fourre-tout




APPAREILS DE CONTROLLE
1 - Compteur de vitesse electronique
2 - Compteur totalisateur
3 - Comptes-tours électroniques
4 - Montre électronique
5 - Remise à zéro du compteur journalier
6 - Compteur journalier
7 - Témoin des indicateurs de direction
8 - Témoin des feuels de route
9 - Témoin des最好的 positions
10 - Mise à l'heure de la montre de bord
11 - Témoin d'alternateur
12 - Témoin du ventilateur électrique de climatisation
13 - Témoin de frein à main serré et de niveau mini du liquide de frein
14 - Emplacement libre
15 - Jauge d'essence
16 - Témoin de réserve d'essence
17 - Rheostat déclairage du tableau de bord et cadran de climatisation (l'intensité lumineuse augmente en tournant le bouton vers la droite)
18 - Thermomètre d'eau
19 - Témoin d'alerte température maxi du circuit de refroidissement
20 - Manometre d'huile moteur
21 - Contacteur de我喜欢 detresse avec témoin incorpore
22 - Contacteur de lunette chauffante avec témoin incorpore
23 - Contacteur de feu antibrouillard arrêté avec témoin incorpore (sauf version Suisse)


DÉMARRAGE DU MOTEUR
Introduisez la clé et tournez-la dans le sens des aiguilles d'une montre jusqu'à la position 3 (démarrage). Pendant cette manoeuvre, lorsque la clé est à la position 2 (marche) le témoin d'alternateur doit s'allumer. Lâchez la clé dés que le moteur est lancé. Si le démarrage ne s'établit pas à la première sollicitation ramenez la clé à la position 1 (stop) et recommencez la manoeuvre.
ARRÉT DU MOTEUR
Tournez la clé dans le sens inverse des aiguilles d'une montre à la position 1 (stop).
Nota: La clé doit être laissée en place dans le contact, à la position I, même dans le cas de remorquage de la voiture (voir consignes à la page 29).
POSITION ANTIVOL
Pour verrouiller: tournez la clé complètement dans le sens inverse des aiguilles d'une montre (position 1) et retirez-la en manoeuvrant légerement le volant dans les deux sens afin de faciliter le verrouillage.
Attention: ne retirez jamais la clé avant l'arrêt de la voiture. Pour déverrouiller, enforcez la clé et tournez-la dans le sens des aiguilles d'une montre en manoeuvrant légarement le volant dans les deux sens.
POSITION DE CONDUITE
Pour rouler comfortably et dans les meilleures conditions de sécurité, une position de conduite correcte est indispensable. Les caractéristiques de votre voiture et les dispositifs dont elle est équipée offrent de nombreuses possibités de réglage qui vous permettront d'obtenir la position de conduite s'adaptant le mieux à vos exigences personnelles. Confort et visibilité étant synonyms de sécurité, ne négligez donc jamais avant de vousmettre en route, d'en réaliser les conditions optimes en faisant appel pour cela aux différents dispositifs décrits ci-après.

SIEGES AVANT
Réglage de la hauteur du siècle du conducteur
Le siège du conducteur est réglable en hauteur (extension de 5 cm environ).
Pour le hausser il suffit d'extraire le levier et de le repousser vers l'avant de la voiture jusqu'à l'obtention de la hauteur désirée. Lacher alors le levier en s'assurant de son retour en place correct.
Pour l'abaisser il faut repousser le levier vers l'arrière de la voiture et, condition indispensable, le conducteur doit rester assis.

Réglage longitudinal du siège
Pour avancer ou reculer le siège déplacer latéralement le levier 1. La position désirée étant obtenu, lâcher le levier et s'assurer que le siège est correctement verrouillé en le repoussant légarèment vers l'avant et vers l'arrière
Inclinaison des dossiers
L'inclinaison des dossiers se regle en tournant la manette 2 située sur le cote de chaque siège.
Le culbutement complet des dossiers, pour l'accès aux places arrêtère, s'obtient en repoussant vers le bas le levier 3.
Appuie-tete
Les dossiers des sièges comportent un appuie-tête réglable en hauteur. Le réglage s'effectue en tournant la manette 4 située sur le côte extérieur du dossier.
RéGLAGE DE LA HAUTEUR DU VOLANT
Le volant est régiable en hauteur dans la position convenant le moins. L'extension maximum est d'environ 8 cm.
— Déverrouiller la colonne de direction en tirant le levier vers le volant
- Placer le volant dans la position désirée.
— Verrouiller la colonne de direction en repoussant à fond le levier vers la planche de bord.

LEVIER DE CHANGEMENT DE VITESSE
Les positions du levier correspondant aux différents rapportes sont illustrées à la figure ci-contre. Aux passages des rapportes ayez soin d'enforcer à fond la pédale d'embrayage, cette condition seule assurant un fonctionnement parfait.



RÉTROVISEUR INTÉRIEUR
La position anti-éblouissante (nuit) du rétroviseur s'obtient en agissant sur le levier comme illustré à la figure.
RETROVISEUR EXTERIEUR
Le positionnement du rétroviseur extérieur s'effectue à l'aide du petit levier situé sur la console de bord et qui permet l'obtention des quatre positions illustrées à la figure.
ATTENTION:
Il est vivement conseilé d'agir alternatively et, si nécessaire, à plusieurs reprises sur les dispositifs de réglage précédemment décrits, jusqu'à l'obtention des conditions les mêilles aussi bien de comport que de visibilité. En outre, avant de prendre la route, s'assurer de la fermeture correcte des portes et attacher les ceintures de sécurité.
AILETTES PARE-SOLEIL
Les pare-soileil peuvent être orientés latéralement après les avoir dégagés de leurs butées.
Le pare-soileil côté conducteur comporte une poche à documents tandis que celui côté passager est/agrémented d'un miroir.
INDICATEURS DE DIRECTION
Ils sont commandés en déplaçant la manette:
— vers le haut; indicateur virage à droite
— vers le bas; indicateur virage à gauche
Unvoyant vert clignotant doit s'allumer sur le tableau de bord.
N.B. La manette peut occuper deux positions;
position 1; les indicateurs sont mis hors circuit des que vous relâchez la manette (qui returne aussit à la position centrale).
position 2; les indicateurs restent en circuit même après avoir relâché la manette. Le_retour de cette-ci à la position centrale s'effectue automatiquement au_retour du volant.




FEUX EXTERIEURS
1 — Avertisseur lumineux (clignotants).
S'obtient en tirant la manette vers le volant independament de la position de celle-ci (éclairage étant ou en deux de position).
2 - Feux de position et éclairer de plaque de police
Faire pivoter la manette vers la planche de bord jusqu'au premier cran. La mise en circuit des yeux de position est signalée par unvoyant vert sur le combiné de compte-tours. Simultanément on obtient également l'éclairage du tableau de bord, de l'allume-cigare et du cadran de climatisation.
3-4 - Feux de croissement (code) et feu x de route (pleins phares)
Faire pivoter la manette jusqu'au deuxieme cran pour obtenir: levier en haut: deux de croissement
— levier en bas: deux de route. Levoyant bleu sur le combiné de compte-tours doit s'allumer.
Le déplacement du levier de haut en bas permet le passage de l'éclairage code à l'éclairage pleins-phares et vice versa.
Le retard à l'extinction générale s'obtient en tournant la manette de deux crans, en sens inverse.
FEU ANTIBROULLARD ARRIÈRE (sauf version Suisse)
Il est commandé par l'interrupteur 3 illustré à la figure. Sa mise en circuit est signalée par le voyant lumineux incorpore à l'interrupteur.
Nota: L'éclairage du feu antibrouillard ne s'obtient qu'à moteur tournant (de toute façon il faut que le contact soit mis, clé à la position 2, et que les deux de croissement soient en circuit).
SIGNALISATION DE DÉTRESSE
La signalisation de détresse s'obtient, voiture arrêtée seulement, en appuyant sur la touche du contacteur 2 illustré à la figure.
Sa mise en circuit est révéléée par un voyant intermittent incorpore à la touche.

La manette de commande peut occuper quatre positions:
1 - manette en haut: arrêt
2 - manette au premier cran vers le bas: balayage intermittent
3 - manette au deuxième cran vers le bas: balayage lent.
4 - manette au troisième cran vers le bas: balayage rapide.
Lave-glace
La mise en action du lave-glace s'obtient en tirant la manette vers le volant.



CEINTURES DE SECURITE
La voiture est équipée de ceintures de sécurité du type "à trois points d'ancrage" (ventrales et baudriers) aux places avant et compte des points d'ancrage prévus pour l'adaptation de ceintures également aux places arrêté.
Avant de prendre la route avoir soin d'attacher les ceintures.
Places avant
Les ceintures des places avant ont un dispositif enrouleur automatique.
Saisir le crochet I et dérouler la sangle 2 (en faisant couilisser la boucle).
Engager le crochet à fond dans le boîtier 3 situé sur le tunnel central (s'assurer de l'encliquetage correct).
Ce type de ceinture laisse généralement une grande aissance de mouvement mais attention, cependant, aux mouvements brusques car ils peuvent entrainer le déclenchement du dispositif de verrouillage.
Pour décrocher la ceinture appuyer sur la touche 4 du boitier.
Pendant l'enroulement avoir soin de guider la sangle avec la main afin d'éviter le risque de vrillage et faire coulibser la boucle pour assurer un enroulement complet.
Attention
Les ceintures sont réalisées pour des passagers adultes. Aucune ceinture ne doit jamais être attachée autour du corps d'un infant assis sur les genoux d'un passager.
Avoir soit de faire contrôler les ceintures représentant des traces d'usure ou un fonctionnement défecteurs.
Si les ceintures doivent être lavées n'employer que de l'eau chaude et un moyen neutre (les détensifs ou autres produits chimiques risquant de détériorer les fibres). Les rincer puis les faire secher à l'objet.
Dans le cas d'un accident d'une certaine gravité, survenant ceintures attachées, il est impératif de les faire replacer même si elles neprésentent pas de traces de détérioration.




BOITE A GANTS
Pour l'ouvrir repousser vers le haut le petit levier. L'éclaireur interieur s'allume automatiquement à l'ouverture du portillon (moteur en marche ou contact mis).
PLAFONNIERS
Un interrupteur à trois positions permet:
— au centre: l'extinction
— sur les deux cots: l'éclairage continu ou intermittent (celui-ci ne fonctionnant qu'à l'ouverture des portes).

ALLUME-CIGARE
Enfonce à fond le bouton noir en matière plastique et attendre le déclic signalant que la résistance électrique a atteint la température suffisante.
Feux allumés, la cordure de l'allume-cigare s'éclaire.
CENDRIERS
Pour vider le dendrier avant le dégager en repoussant vers le bas la languette métallique 1.
Les passagers arrirèe disposent aussi d'un cendrier incorporeaux accoudoirs. Pour le vider le saisir par les extrémités et tirer vers le haut.


CLIMATISATION ET DÉSEMBUAGE

L'air extérieur peut être admis à l'intérieur de la voiture par les bouches orientables A, ou bien par les sorties B, C, D, E, qui permettent d'obtenir, autre l'aération, également le chauffage et le désembuage.
RéGLAGE DU DÉBIT D'AIR
Par rotation de la rosace A vous pouvez orienter à votre gré la nappe d'air frais pris à l'extérieur. La manette au centre de la rosace permet de doser le début de l'air admis, jusqu'à l'exclusion totale.
La figure ci-contre illustré les commandes qui permettent de répartir l'aération et le chauffage (sorties D, E) et le désemba质地 (sorties B, C).
- L'air admis peut être distribué séparément, soit par les sorties B, D (côté conducteur) en agissant sur la manette 3, soit par les sorties C, E (côté passager) en agissant sur la manette 4. Cesà deux manettes peuvent occuper les positions suivantes:
Manette dans la zone interieure (rayures bleues): fermé
Manette au centre: désembuage, aération, chauffage (sorties B, C, D, E).
Manette dans la zone extérieure (rayures rouges): déssembuage maximal du pare-brise ou du pare-brise et des glaces laterales, les bouches B et C étant orientables.
RéGLAGE DE LA TEMPERATURE
S'effectue à l'aide des manettes 1 et 2 qui permettent:
— manette 1: dosage air froid/air chaud
— manette 2: mise en action de l'appareil de chauffage.
Le déplacement des manettes de la zone interieure (rayures bleues) à la zone extérieure (rayures rouges) règle graduellémente la température de mini a maxi.
VENTILATEUR ÉLECTRIQUE
Un ventilateur electrique, à deux vitesses, permet d'intensifier la circulation de l'air lorsque la voiture roule à faible allure. Sa mise en circuit s'obtient en agissant sur l'interrupteur 5 et est signalée sur le tableau de bord par un voyant dont l'intensité lumineuse est fonction de la vitesse de soufflage de l'air.
AÉRATEURS ARRIÈRE
Deux orifices cloisonnés, sur les panneaux de custode, permettent l'évacuation de l'air et de la légère surpression entrainée par le système de chauffage, améliorant ainsi l'aération de la voiture.
LUNETTE CHAUFFANTE
La lunette arrête comporte des résistances électriques qui en empêchent le givrage lorsqu'elles sont mises en circuit. Ceci s'obtient en appuyant sur le contacteur 1 situé sur le tableau de bord et dont le voyant lumineux, incorpore à la touche, doit s'allumer.
N.B. Les résistances électriques de la lunette chauffante absorbent une grande quantité de courant. Il faudra donc avoir soin, dés que le dégivrage (ou déssembuage) est obtenu, de débrancher la lunette afin de ne pas surcharger inutillement la batterie.

Ci-après sont illustrés les cas les plus courants d'utilisation du système de climatisation. Pour chaque exemple sont indiqués le positionnement des manettes de commande et la disposition des différentes bouches d'admission de l'air permettant d'obtenir les meilleures conditions de fonctionnement.

Aération (air frais seulement)
Placer les manettes 3 et 4 dans la position désirée de dosage du volume d'air admis par les bouches B-D et C-E.
Un accroissement ultérieur du flux d'air peut etre obtenu en ouvrant les rosaces A.
Lorsque la voiture roule à faible allure le débit d'air peut être intensifié en branchant le ventilateur (interrupteur 5).

Désembuage
Fermer les rosaces A.
Pour accélérer le désembuage brancher le ventilateur en 1ere ou 2e vitesse (interrupteur 5).

Chauffage
Fermer les rosaces A. Le début d'air peut être intensifie en branchant le ventilateur.

Placer la manette 1 dans la position correspondant à la tempé-rature désirée, entre MINI (rayures bleues) et MAXI (rayures rouges), les rosaces A étant fermées.

Système de climatisation fermé
Le croquis illustré les positions de fermeture du système de climatisation (le positionnement des manettes 1 et 2 n'a pas grande importance).
Pour arrêté également le flux d'air naturel provenant directement de l'extérieur, fermer les rosaces A.
PORTES ET VITRES
Les portes s'ouvrent de l'intérieur en tirant le levier 1 situé sous l'accoudoir. La partie avant de celui-ci comporte une cavite 2 constituent la poignée de tirage pour la fermeture.
La condemnation interieure s'obtient en,enfonçant le boutonpoussoir 3, portefermée.
Pour le verrouillage extérieur utiliser la clé.
N.B. La portecote conducteur peut etre ouverte de l'intérieur, meme lorsqu'elle est condamnee en agissant sur le levier 1.
Pour lever ou descendre les glaces tourner la manivelle 4 (glaces avant) ou la manette 5 (glaces arrêté).


X164


CAPOT MOTEUR
Pour déverrouiller le capot moteur tirer la poignée 1 placée sous le tableau de bord. En cas de blocage du capot tirer l'anneau le dépannage 2 (figure). Pour facilititer l'opération ouvrir la boîte à fusibles (voir page 47).
Après avoir levé le capot s'assurer que la tige de maintain en position d'ouverture est correctement engagée dans son arrêtoir. L'éclairage du compartment moteur s'obtient automatiquement à l'ouverture du capot (feux de position en circuit). Pour referrer le capot le basculer légèrement en avant afin de dégager de son arrêtoir la tige de maintain. Celle-ci étant dégagée, laisser retomber le capot et le fermer.
COFFRE À BAGAGES
Pour déverrouiller le hayon appuyer sur le bouton.
Le hayon est levé et maintainu ouvert automatiquement par un dispositif téléscopique à pression de gaz.
Ce dispositif ne doit absolument pas etre touche.
Lecoffreabagagesabrite:
— sur le côté croit: la trousse à outils et le cric pour le levage de la voiture (ce dernier est fixé, dans le haut, par un étrier elastique et, dans le bas, par un écrou à oreilles
— sous le tapis: la batterie et la roue de secours (sur la droite).


REEMPLACEMENT D'UNE ROUE
Attention: toute voiture peut être équipée de pneumatiques "tubeless" (c.à.d. sans,chambre à air).
À la page 42 vous trouvez les instructions concernant les pneumatiques en général et les précautions particulières relatives aux "tubeless".
Les différents types de pneumatiques ainsi que les pressions de gonflage sont enoncés à la fin de la notice.
Démontage
— Serrez le frein à main.
— Desserrez d'un tour environ les écrous dans le sens inverse des aiguilles d'une montre
— Engagez le cric dans la ferrure prévue à cet effet sous la caisse et levez la voiture.
— Déposez les écrous, l'enjoliveur et la roue.
Remontage
Fixez la roue en serrant les écrous à fond dans le sens des aiguilles d'une montre et en procédant en diagonale.
N.B. — Les écrous doivent être serrés au couple de 9 à 11 m.kg (90 à 110 m.N.). Nous vous recommendons vivement de respecter cette Specification sur tout si vous voiture monte des jantes en alliage léger.
— Descendez la voiture et corriguez le serrage des écrous.
— Desserrez le frein à main.
— N'oubliez pas de vérifier et de rétabrir les pressions correctes des pneus (voir à la fin de la Notice).
REMORQUAGE DE LA VOITURE
N.B. Conformez-vous strictement à la réglementation locale concernant le remorquage des vehicules.
Si vous voiture doit être remorquée accrochez l'élement d'attache à l'étrier prévu A à cet effet sur le pare-chocs, côté droit.
Attention! Avant de vous faire remorquer tournez la clé de démarriage à la position 1 (stop) et laissez-la en place dans le contact afin d'éviter le risque d'une mise en circuit accidentelle de l'antivol.
En outre ne perdez pas de vue que dans ces conditions la dépression ne se faisant pas dans le servo-frein il vous faudra donc, en cas de freinage, exercer un effort plus grand sur la pédale de frein.
Pour remorquer une autre voiture accrochez l'élement d'atta- che à l'oeillet de l'etrier C situé sous le coffre à bagages.

LEVAGE DE LA VOITURE
Pour lever la voiture ne prendre appui que sur l'etrier B prévu à cet effet au centre de la traverse
CHAINES ANTIDÉRAPANTES
Le montage de chaînes antidérapantes doit être effectué sur les roues motrices (roues arrêté). L'encombrement maximal des chaînes sur le flanc du pneau ne doit pas être supérieur à 15 mm.

PRECAUTIONS ET CONSEILS IMPORTANTS
RODAGE
Afin de permettre le glacage gradual entre toutes les pieces en mouvement en particulier du moteur, de la boite de vitesses et du différentiel, votre voiture nécessite une période de rodage pendant laquelle vous devrez observer les recommendations suivantes.
A la mise en route à froid:
— avant de rouler laissez tourner le moteur à bas régime pendant quelques minutes.
En roulant:
— pendant les premiers 1000km évitez les freinages brusques et prolongés.
— ne maintenez pas trop longtemps les régimes maxi indiqués.
— n'enforcez jamais à fond l'accéléateur et de temps à autre relevantez le pied.
Nota: les normes de rodage précités devront être observées également dans le cas de remise en état du moteur相对较 le remplacement de chemises, pistons, segmentation et coussinets.

| RÉGIME MAXI MOTEUR PENDANT LES PREMIERS 1.500 km | |
| Kilométrage | Régime maxi moteur |
| jusqu'à 500 km | 3.500 tours/mn |
| de 500 à 1.500 km | 4.500 tours/mn |
DÉMARRAGE À FROID
Pour facilitier le démarrage à froid (notamment en hiver) il est bon d'appuyer sur la pédale d'embrayage.
Le système d'alimentation de la voiture comporte des dispos-sitifs qui, outre à facilititer le demarrage à froid, permettent d'obtenir en quelques instants la température de régime du moteur.
DÉMARRAGE À CHAUD
Pour la mise en marche d'un moteur déjà chaud il suffit d'appuyer légersement sur la pedale d'accélérateur et de démarrer le moteur.
DÉMARRAGE MANQUÉ
Si le moteur ne part pas à la première sollicitation, attendez quelques instants avant de recommencer la manoeuvre, ceci afin de ne pas décharger la batterie.
Si, après plusieurs sollicitations, le moteur refuse toujours de partir, la cause peut être imputée à l'interrupteur de coupure de l'alimentation (figure) qui a pour role, en cas de chocs d'une certaine violence, d'intervenir sur la pompe à essence dont il en arrête immédiatement la mise en circulation. Assurez-vous donc que l'interrupteur n'est pas en position de coupure, il vous suffira d'enforcer le bouton-poussoir situé à sa partie supérieure pour rétabrir, si besoin en est, l'alimentation essence.
L'alimentation étant correcte, mais si la mise en marche du moteur ne s'effectue toujours pas, en rechercher alors les causes parmi les suivantes:
Batterie décharge ou défectueuse
— Système d'allumage défectueux (bougies encrassées, chapeau de distributeur humide ou féle, allumeur, bobine, ou bloc électronique défectueux)
Attention: le système d'allumage ne doit absolument pas etre touche (voir consignes a la page 45).
-Injecteur de demarrage defecteurs
Mauvaise etanchéité du système d'alimentation en air
— Éléments électriques du système d'injection défectueux.
AVANT LA MISE EN ROUTE
N'embalez pas votre moteur tant qu'il n'a pas atteint sa tempé-rature normale de fonctionnement
Assurez-vous que le manomètre d'huile indique bien la pression prescrite
| Valeurs de la pression d'huile à chaud | |
| Régime ralenti | mini 5 |
| Régime maxi | maxi 40 à 60 |
Le témoin de frein à main serré et de niveau mini liquide de frein doit rester êtrent; dans le cas contraire le frein à main est probablement serré et il faudra le desserrer en appuyant sur le bouton enbout du levier et en repoussant ce dernier vers le bas. Si le témoin reste allumé il faudra alors vérifier le niveau du liquide de frein (voir page 41).
EN ROULANT
Ne dépassez pas le régime tours/mn maximal du moteur (zone rouge d'alerte).
Evitez en outre de maintainir le régime-moteur dans la zone liachurée d'advertisementpendant de longues périodes.
Jetez de temps à autre un coup d'oeil sur le manomètre d'huile et si vous constaté que la pression indiquée est inférieure à la valeur prescrite arrêtez immédiatement le moteur et adressez-vous à l'Agent Alfa Romeo le plus proche.
Observez de temps à autre le thermomètre d'eau et le témoin de température situés sur le tableau de bord; si le témoin s'allume, c'est l'indice d'une anomalie dans le circuit de refroidissement (chauffage excessif du moteur). Dans ce cas, arrêtez immédiatement la voiture et faites appel à l'Agent Alfa Romeo le plus proche.
Ne roulez jamais moteur arrêté, car dans de telles conditions la dépression du servo-frein ne se faisant pas, son action est nulle et le freinage exige donc un plus grand effort sur la pédale.
Le témoin d'alternateur doit rester êtreint; dans le cas contraire, arrêtez votre voiture des que possible afin d'éliminer l'anomalie de charge.
AUX ARRÉTS
Ne laissez jamais la clé en position 2 (contact mis) lorsque le moteur est arrêté. Vous risquériez de décharger la batterie et de déterminer la bobine.
Ne déposer jamais le bouchon du réservoir d'expansion à chaud. Pour le faire attendez que le liquide du circuit de refroidissement ait atteint la température ambiente.
CONTRE LE GEL
Le circuit de refroidissement est rempli d'un mélange antigel Alfa Romeo assurant une protection jusqu'à —20°C. Dans les pays où la température descend au-dessous de —20°C il est nécessaire d'augmenter la concentration du mélange en remplaçant une certaine quantité du mélange contenu dans le circuit par une même quantité d'antigel concentré Alfa Romeo. Les doses d'antigel concentré à employer pour étendre la protection jusqu'à —35°C est égale à 2900 cm³. Pour cette opération adressez-vous exclusivement à un Agent Alfa Romeo.
POUR ÉCONOMISER L'ESSENCE
La consommation d'essence est etroitement liée aux conditions d'utilisation de la voiture et au comportement du conducteur. Vous évitez certainement un gaspillage de carburant si vous suivez ces quelques conseils:
— N'exigez pas du moteur sa pleine puissance tant qu'il est froid;
— Aux arrêts (croisements, feuux rouges, etc.) n'accélérez pas en vain le moteur;
— Evitez les brusques accélérations suivies de freinages non moins brusques et repétés;
- Ne chargez pas excessivelyment votre voiture en sachant, par ailleurs, que les bagages sur le toit entrainent une augmentation de la consommation d'essence, la résistance à la déténération que doit vaincre la voiture étant accrue;
- Ne voyageez pas, autant que possible, glaces descendues; l'utilisation correcte du système de climatisation permettant d'obtenir les conditions ambiantes que vous désirez à l'intérieur de la voiture;
surveillez vos pneumatiques qui doivent toujours être gonflés à la pression spécifique (voir à la fin de la notice).
— si vous voiture possède un conditionnement d'air ne le branchez que lorsque cela est effectivement utile.
Ayez soit d'effectuer régulièrement les opérations d'entretien et les réglages prévus par les coupons du carnet de service et qui sont rapproçés au chapitre « Entretien» de la présente notice. C'est là une condition indispensable pour assurer une plus longue vie à tous les organes mécaniques (d'ou une moindre dépense) et aussi une économie certaine de carburant.
SCHEMA DES OPÉRATIONS PÉRIODIQUES D'ENTRETIEN
KILOMÉTRAGE
Cocher les opérations effectues au kilométrage correspondant

X253
ENTRE 1300 et 1700 km faire executer les vérifications et réglages indiqués sur le coupon du carnet de service
Contrôle/réglage du jeu des soupapes. Contrôler le calage distribution et la tension de la courroie d'entrainment.
Contrôler l'étanchéité du circuit l'alimentation
Changer la cartouche du filtré à air
Nettoyer le pare-flamme du circuit de recyclage des gaz du carter
Contrôler et si nécessaire régler les points d'avance à l'allumage
Changer les bougies
Contrôler le niveau du liquide d'embrayage
Contrcler le bon etat des soufflets de protection des arbres de roues et du boitier de direction
Vérifier le système de freinage
Contrôler l'usure des plaquettes de freins et les changer si nécessaire
Contrôler et s'il y a lieu régler la course du frein à main
Contrôler la pression de gonflage des pneumatiques
Graisser les charnières des portes et capots; si nécessaire régler les gâches
Contrer le niveau de l'electrolyte dans la batterie (plus souvent durant la saison chaude).
Contrer et si neccasse regler la tension courroies d'alternateur, de compresseur de conditionnement (si installed)
Contrôler le niveau du liquide de refroidissement et l'étanchéité du circuit
Vidanger le liquide de refroidissement (a effectuer de toute façon tous les deux ans) et contrcler l'etanchete du circuit
Contrôler le niveau d'huile de la boîte et du différentiel
Vidanger l'huile de la boite différentiel
Contrôler le niveau du liquide de freins
Vidanger le liquide de freins (a effectuer de toute façon une fois par an)
Changer les courroies de l'alternateur et du compresseur de conditionnement (si installé)
- Change la courroie d'entrainment de la distribution
Changer le filtré à essence
Pour le bon fonctionnement de votre voiture il est très important de faire executer scrupuleusement toutes les opérations d'entretien périodique et de suivre les conseils énoncés ci-contre.
TOUS LES 500 KM (OU LORS DES PLEINS) VÉRIFIER:
— le niveau d'huile moteur
— le niveau du liquide de refroidissement
— le niveau de l'électrolyte de la batterie
— la pression de gonflage des pneumatiques.
TOUS LES 10.000 KM, VÉRIFIER:
— le niveau du liquide de frein
— l'etat des bougies
— le filtrtre à air (le nettoyer si nécessaire)
— l'usure des plaquettes de freins (s'il y a lieu les replacer).
— le niveau du liquide d'embrayage
Vidange de l'huile moteur et remplacement du filtré à huile.
Ces opérations doivent être effectuées tous les 10.000km (et de toute façon une fois par an si le parcours annuel est inférieur à 10.000km ); contrôle également l'étanchéité du circuit de graissage.
Important: Sur les marchés ne disposant pas des produits préconisés on pourra employer des lubrifiants d'autres grandes marques à condition qu'ils correspondent aux classifications et viscosité prescrites. Dans ce cas il est alors impératif d'effectuer la vidange et le remplissage total du circuit de graissage.
N.B. - Les normes concernant la vidange de l'huile moteur et le remplacement du filtre à huile sont énoncées sur le Carnet de Service.
VÉRIFICATION DU Niveau D'HUILE MOTEUR
Extraire la jauge d'huile 1 et l'essuyer. La repousser à fond dans le carter, l'extraire à nouveau et vérifier le niveau qui doit se situer entre les repères MINI et MAXI.
VIDANGE DE L'HUILE MOTEUR
Pour vidanger l'huile moteur (à chaud) opérez comme suit:
— moteur arrêté, déposez le bouchon de replissage 2 et la jauge d'huile 1
— déposez le bouchon du carter 3 et laissez couler complètement l'huile;
— remplacez le filtré (paragraphe suivant);
— nettoyez le bouchon du carter et remettez-le en place;
— versez l'huile neue (quantité et type spécifique à la fin de la Notice) et remontez le bouchon de replissage;
- nettoyez la jauge et vérifie le niveau qui ne doit pas dépasser le repère MAXI. Remettez en place la jauge en la repoussant à fond.


Y91

REEMPLACEMENT DU FILTRE À HUIL
Décrocher les cinq ressorts 1 qui fixent le couvercle à la cuve du filtré à air. Desserrer la vis 2 de la patte de maintainen de la durite 3 du dispositif 4 de réglage de l'air. Débrancher la durite et déposer le couvercle en faisant attention de ne pas débrancher le connecteur 5. Extraire la cartouche du filtré à air.

Desserrer le filtrre à huile avec la clé spéciale et le déposer. Mettre en place le filtrtre neuf (joint huilé à l'huile moteur) en le serrant d'abord avec la main et ensuite avec la clé afin d'éviter toute fuite d'huile.
Remettre en place la cartouche du filtré à air en la positionnant correctement (la cartouche porte l'indication du côté à orienter vers le haut). Rebrancher la durite 3 sur le couvercle du filtré à air, remettre en place le couvercle et le fixer à l'aide de ses cinqressorts 1. Resserrer la vis 2 de la patte de maintainen de la durite.
VÉRIFICATION DU NIVEAU ET VIDANGE DE L'HUILE DE BOITE DE VITesses/DIFFÉRENTIEL
Aux périodicités établies vérifie le niveau de la boîte de vitesse/différentiel en déposant le bouchon de replissage 1; le niveau doit atteindre le ras bord inférieur de l'orifice. Remonter le bouchon. Pour la vidange (à effectuer à chaud) opérer ainsi:
— déposer le bouchon de replissage 1 et le bouchon de vidange 2. Laisser couler complètement l'huile;
nettoyer le bouchon de vidange 2 et le remetre en place;
- verser l'huile neue (quantité et type spécifique à la fin de la Notice) à travers l'orifice de replissage jusqu'à atteindre le bord inférieur.
Nettoyer le bouchon et le remonter.


FILTRE A AIR
Nettoyage (ou remplacement)
— Decrocher les cinq ressorts 1 qui fixent le couvercle à la cuve et soulever le couvercle afin de pouvoir extraire la cartouche filtrante 2 (faire attention que la durite 3 ne subisse aucune contrainte excessive).
Mettre en place la cartouche filtrante en ayant soin de la positionner correctement (la cartouche porte l'indication du côté qui doit être orienté vers le haut).
Remonter le couvercle et le fixer à l'aide de ses cinq ressorts.

COUROIE D'ENTRAINEMENT ALTERNATEUR ET POMPE À EAU
Réglage de la tension
Une courroie normalement tendue se laisse fléchir de 1 à 1,5 cm sous une charge de 8 kg environ.
Pour corriger la tension desserer les écrous 1 et 2 et l'écrou du boulon 3.
Tendre la courroie en repoussant l'alternateur vers l'extérieur et serrer l'écrou 2. Recontrôler la tension. La tension étant correcte, desserrer l'écrou du boulon 3 et l'écrou 1.
Remplacement de la courroie
Desserrer l'écrou 2, l'écrou du boulon 3 et l'écrou 1.
Repousser l'alternateur vers l'intérieur et faire sauter la courroie.
Monter la courroie neuve sur les trois poulies et repousser l'alternateur vers l'extérieur jusqu'à obtention de la tension correcte.
Serrer soigneusement l'écrou 2 et contrôle la tension. Resserrer l'écrou du boulon 3 et l'écrou 1.
Note: Si vous voiture possède un conditionnement d'air (voir page 63) le remplacement de la courroie d'alternateur/pompe à eau nécessite la dépose préalable de la courroie du comprisseur.

CIRCUIT DE REFROIDISSEMENT

1 Thermostat
2 Capteur de température d'eau (au thermomètre et auvoyant d'alerte)
3 Appareil de chauffage
4 Robinet d'appareil de chauffage
5 Levier de commande du robinet d'appareil de chauffage
6 Témoin de temperature maxi d'eau
7 Thermomètre d'eau
8 Radiateur
9 Ventilateur électric de refroidissement
10 Thermo-contact de ventilateur électrique
11 Pompe
12 Réservoir d'expansion
13 Bouchon du réservoir d'expansion
14 Relais de commande du ventilateur électrique
RÉSERVOIR D'EXPANSION
Attention! N'enlevez jamais le bouchon du réservoir d'expansion lorsque le moteur est chaud.
De temps en temps, vérifie le niveau du mélange dans le réservoir d'expansion.
Ce contrôle doit être effectué uniquement à froid le niveau pouvant accroître considérablement même après l'arrêt du moteur.
Le niveau du mélange doit toujours se trouver entre le niveau «MIN» et le niveau «MAX».
L'appoint évientuel doit être effectué en versant le liquide dans le réserveir d'expansion et en employant uniquement le mélange antigel Alfa Romeo, en vente dans tous les Services Alfa Romeo.
Le circuit de refroidissement est du type hermétique. avec réservoir d'expansion.
Le liquide, mis en circulation par la pompe centrifuge refroidit les cylindres et la culasse d'ou il arrive dans le boitier du thermostat.
Selon la position de ce dernier, déterminée par la température du liquide, celui-ci returne à la pompe, soit directement par le conduit inférieur du thermostat (à froid, thermostat en position de fermeture), soit en passant par le radiateur où il se refroidit (à chaud, thermostat en position d'ouverture).
Aux périodicités établies (et de toute façon tous les 2 ans) il faudra faire effectuer la vidange du mélange antigel. Pour cette opération ou si vous nevez augmenter le concentration du mélange (température au-dessous de -20^ - voir p. 29) adressez-vous exclusivement à un Agent Alfa Romeo.

Y105

Le système de freinage hydraulique est du type à double circuit, indépendant sur les roues avant et arrière.
Le circuit qui actionne le freinage des roues arrêté comporte un limiteur de pression 18.
Il est absolument interdit de toucher le limiteur de freinage.
Un témoin lumineux 12, sur le tableau le bord, signale l'insuffisance de niveau du liquide de frein dans le réservoir. Ce témoin signalant également le frein à main séré il faudra donc, en cas d'allumage du témoin, vous assurer avant tout du desserrage du frein. Si le témoin reste allumé vous devrez arrêter immédiatement la voiture et vérifier le niveau du liquide.
Si celui-ci n'est pas correct, c'est l'indice d'une anomalie dans le circuit qu'il faudra rechercher et éliminer.
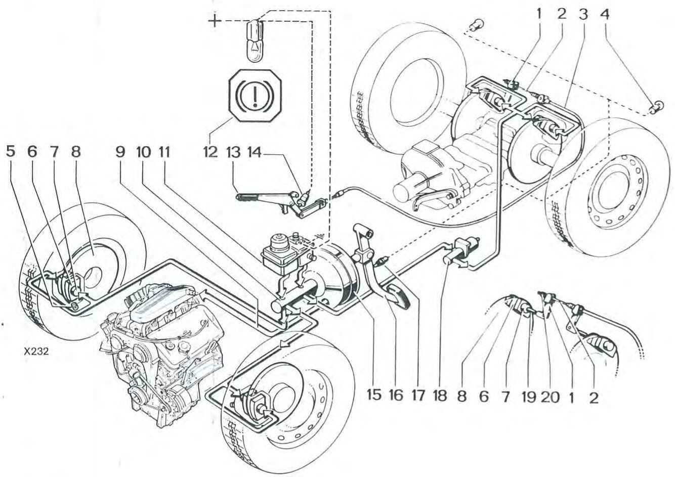
SYSTEME DE FREINAGE
1 Levier le commande patins de frein a main
2 Câble de frein à main
3 Gaine de cable
4 Feux de Stop
5 Vis de purgege
6 Patins
7 Pistons
8 Disques
9 Prise de dépression - Tube de dépression
0 Maitre-cylindre
1 Réservoir à liquide de frein avec émetteur de niveau mini
2 Témoin de frein à main serré et de niveau mini liquide
3 Levier de frein a main
4 Contact-emetteur de frein à main serre
5 Servo-frein
6 Pedale de frein
7 Interrupteur de Stop
18 Regulateur-limiteur de freinage sur les roues arriere
9 Axe de commande des patins de frein a main
10 Ecrou de réglage frein à main.
Attention:
Si vous roulez habituèlement sur des routes montagneuses et/ou si vous style de conduite est essentièlement sportif, faites contrôler féquèment les plaquettes de freins.
Les quatre plaquettes interreessant un même essieu doivent toutes etre remplacées en bloc meme si une seule d'entre elles a atteint la tolerance d'usure.
En cas d'accidents, ou après toute intervention à la carrosserie ou autres organe de la voiture, assurez-vous de l'intégrité du servo-frein car toute déterioration superficielle du carter, si infime soit-elle, constituerait un grave risque pour le bon fonctionnement du système de freinage et nécessiterait, de surcroit, un effort plus grand sur la pedale de frein.
RÉSERVOIR À LIQUIDE DE FREIN (1)
Le niveau ne doit jamais descendre au-dessous des 3/4 du niveau maxi. Aux périodicités établies vidanger le liquide de frein.
Pour le replissage, comme pour les appoints, le réservoir doit être garni exclusivement avec les liquides préconisés (voir encadré) prélevés de boîtes d'origine plombées qui ne devront être ouvertes qu'au moment de l'emploi. Le replissage doit être effectué crépine-filtre en place dans le réservoir.
LAVAGE DU SYSTÉME DE FREINAGE
Rinçage du circuit
Si vous doivent rincer le circuit de freinage utiliser exclusively le liquide préconisé.
Tout séchage à l'alcool et à l'air comprime est absolument intedit.
Lavage extérieur
Utilisez un shampooing à l'eau chaude et sechez soignement les différents éléments à l'air compré.
L'emploi d'essence, gasoil, ou autre dissolvant minéral est absoluiment interdit.
Lors des opérations d'entretien ayez bien soin de ne pas éclabrouser de lubrifiant les disques et les plaquettes de frein.
Lorsque vous lavez la voiture protégez soigneusement le système de freinage.
RÉSERVOIR D'ALIMENTATION DE L'EMBRAYAGE (2)
De temps à autre contrôle le niveau du réserve d'alimentation de l'embrayage qui doit se situer entre les repères MIN et MAX.
Ne parfaire le niveau qu'vec le liquide preconise.

| Liquide de frein et d'embrayage | |
| ALFA ROMEO RIGA BRIAL | ALFA ROMEO n° 3681.69905 |
| Agip | F.1 BRAKE FLUID Super HD |
| Alte | « S » |
ROUES
Les pneumatiques équipant la voiture sont du type «tubeless» c'est-à-dire sans,chambre à air. Les avantages incontestables sur le plan de la sécurité offerts par ce type de pneus ne sauraient toutefois dispenser d'observer certaines précautions dont les principales sont les suivantes:
— évitez les chocs violents sur les flancs du pneu (par exemple durant les manoeuvres de parcage);
— ne touchez jamais à la valve de gonflage;
— n'introduisez aucun outil quel qu'il soit, entre la jante et le pneu;
— si la jante présente des déformations, changez la roue et faites eliminer l'anomalie;
— en cas d'une chute anormale de pression, changez la roue et faites vérifier l'étanchete du pncu.
PRESSION DES PNEUMATIQUES
Les pressions normales sont indiquées à la fin de la Notice.
1) Pression exacte
L'action s'exercé sur toute la largeur de la bande de roulement, l'usure sera faible et uniforme et le pneu aura une durée maximum.
2) Sous-gonflage
L'insuffisance de pression est à l'origine des échauffements anormaux. L'usure de la bande de roulement s'accentue davantage sur les parties latérales et la dislocation des toiles peut se produit.
3) Sur-gonflage
Un excès de pression est préjudiciable au comport. La bande de roulement s'use davantage dans la partie centrale et le pneu devient vulnérable aux chocs.



PERMUTATION DES ROUES (à effectuer tous les 5.000 km environ)
Pour répartir uniformément l'usure des pneus et augmenter ainsi leur longévite, permutez régulièrement vos roues suivant le schéma ci-contre en faisant également usage de la roue de secours. ÀpRES la permutation ramenez les pressions aux valeurs correctes.

EQUILIBRAGE
Chaque roue, équipée de pneumatique, est équilibrée stati-quement et dynamiquement à l'Usine.
Lorsque I'on remplace un pneumatique il est nécessaire de rééquilibrer les roues. Des roues déséquilibrées, en effet, provoquent une mauvaise tenue de route, l'usure des organes de la direction et l'usure inégale des pneus.
Attention! Utiliser exclusivement les contre-poids spéciaux pour pneumatiques "tubeless"
PNEUMATIQUES POUR LA NEIGE
Au cas où les conditions climatiques nécessiteraient l'usage de pneumatiques pour la neige tener compte des recommendations suivantes:
— Les pneumatiques pour la neige doivent être montés sur les quatre roues
les caractéristiques des pneumatiques pour la neige se dégrdent de manière importante si la hauteur des sculptures de la bande de roulement atteint des valeurs inférieures à 4-5 mm.
monter exclusivement les pneus spécifiés à la fin de la notice.
CARROSSEIRE
Lors des ravitaillements ayez bien soin d'eviter toute éclaboussure d'essence, de liquide de frein, d'antigel etc. sur la carrosserie.
LAVAGE DE LA CARROSSEIRE
Les lavages de la carrosserie devront être plus ou moins rapprochés en fonction des conditions d'utilisation de la voiture, des conditions climatiques et de l'état des routes parcourues. Ne lavez pas votre voiture au soleil et attendez, pour le faire, que les toles soient refroidies.
Procedez ainsi:
— lavez au jet toute la voiture afin de chasser les poussières ou toute trace de boue;
- préparez une solution d'eau additionné d'un produit spécifique dans la proportion de 2% ;
— passez cette solution à l'éponge en mouillant abondament;
— rincez au jet;
— essuyez à la peu de chamois.
Pour faire disparaitre les taches de graisse, d'huile et de goudron sur la peinture, humectez d'essence la partie tachée et frottez avec un chiffon sec.
NETTOYAGE DES VITRES
Pour le nettoyage des vitres utiliser un chiffon très doux ou une peau de chamois. Si elles sont très sales, employez un produit spécial pour vitres. Lorsque vous nettoyez l'intérieur de la lunette chauffante, prenez garde de ne pas endommager les résistances électriques.
GARNITURES
Dépoussièrez périodiquement les garnitures en drap en utilisant autant que possible un aspirateur. Pour faire disparaitre les taches deGRAisse ou d'huile employez de l'ammoniaque sur les garnitures en drap et un savon neutre pour les peausseries.
LIQUIDE DE LAVE-GLACE
De temps à autre n'oubliez pas de contrôle le liquide détergent.

Dans le réserve du lave-glace et, s'il y a lieu, faites l'appoint. N'actionnez pas le lave-glace lorsque le liquide est epuisé. Il est conseillable d'utiliser les produits du commerce possédant des propriétés anti-gel et anti-calcaire (pour éviter, en présence d'eau dure, l'obturation des buses des gicleurs).
IMMOBILISATION PROLONGÉE DE LA VOITURE
Si vous voiture doit rester longtemps hors service, nous vous recommendons de:
vidanger le circuit d'alimentation du carburant.
— verser dans les cylindres, à travers les trous des bougies, un peu d'huile pour moteur et faire tournir à la main le vile-brequin (2 à 3 tours);
enlever la batterie et lui donner une légere charge tous les mois;
mettre la voiture sur cales, nettoyer les pneumatiques et les degonfler légerement;
— couvrir la voiture avec une housse. Nous vous mettons en garde contre l'emploi de housses de chlorure de vinyle qui risquent de déterminer la peinture.



REEMPLACEMENT DES BALAIS D'ESSUIE-GLACE
Deux différents types de balais peuvent être montés en parallèle. Pour le remplacement suivre les instructions concernant le type équipant votre voiture.
Type A:
Dégager le bras porte-balai et positionner le balai perpendicular au bras. Repousser la languette (fig. 1) vers le bras et, la languette étant maintainue en appui, faire coulisser le balai vers le bas (fig. 2) afin de le dégager.
Repousser le balai dans la direction indiquée (fig. 3) et le déposer.
Type B:
Appuyer sur la languette-ressort de maintien du balai et déposer ce dernier.
Pour la mise en place engager complètement l'axe de balais dans le trou du bras jusqu'à l'encliquetage de la languette-ressort.
EQUIPEMENT ELECTRIQUE
SYSTEME D'ALLUMAGE
Le système d'allumage comprend le bloc électronique, la bobine, les bougies et le distributeur dans lequel l'induction magnétique remplace les contacts du rupteur, pieces représentant l'inconvenient d'une usure particulièrement rapide.
L'absence de ces derniers et l'adoption du bloc électronique constituent donc incontestablement un progrès important dans la conception de l'allumage en assurant un fonctionnement stable et une vie accrue des différents éléments.
Important:
Les opérations d'entretien ou de contrôle du système d'allumage doivent être effectuées suivant des modalités bien précises ayant le but d'éviter, non seulement, le risque de dépréciation des éléments, mais surtout tout danger pour le réparateur.
C'est pourquoi, en cas d'incident,quel qu'il soit, au systeme d'allumage il faudra donc faire appel exclusivement a un Agent Alfa Romeo.
Il est très important en outre de respecter les régles suivantes:
— ne vérifie jamais la présence de tension en mettant à la masse les points haute ou BASSE tension.
— ne débranchez jamais une connexion lorsqu'elle moteur est en marche
— ne démarrez pas le moteur si une connexion électrique quelconque est coupée
— n'alimentez pas le circuit lorsque le bloc électronique n'est pas en place
— si vous utilisez une lampe stroboscopique, il faudra la brancher directement aux bornes de la batterie

Aux périodicités établies contrôle l'etat des bougies ou changez-les; elles ne nécessitent aucun réglage décartement.


Pour déposer les bougies il faut extraire l'éclateur en saisissant, le capuchon caoutchouc et en le tirant. Dévisser ensuite la bougie avec la clé spéciale et la déposer.
Au remontage des bougies les serrer à froid au couple de 2,5 à 3.5m.kg , puis rebrancher l'alimentation en s'assurant du serrage correct de l'éclateur. En cas d'incertitude faire coulibisser le capuchon caoutchouc sur le fil et, ce dernier étant maintainu immobilisé, serrer à fond l'éclateur. Remettre en place le capuchon caoutchouc en l'emboitant à fond.
Nota: Lors du remplacement des bougies avoir soin de respecter l'ordre d'allumage: 1 - 4 - 2 - 5 - 3 - 6.
BATTERIE
Elle est aménagée dans le coffre à bagages, dans un组成部分 protégé par un couvercle. Pour y acceder soulevez le tapis et dégagez le couvercle en tirant vers le haut la languette 1. Pour remettre en place le couvercle engagez dans leur portée les pattes 2 et repoussez vers le bas la languette 1
Entretien
Le niveau de l'électrolyte doit dépasser les plaques de 4 à 5 mm. Le parfaire, s'il y a lieu, exclusivement avec de l'eau distilled et jamais d'acide. Le bornes doivent être bien serrées et graissées à la vaseline pure.
N'oubliez pas les recommandations suivantes:
- pendant la salle chaude les contrôle du niveau doit être plus fréquents;
Attention: pendant les contrôle ou les appoints n'approchEZ jamais de flamme ou de cigarette allumée pres de la batterie.
— ne rechargez la batterie qu'après l'avoir complètement déconnectée;
— la connexion incorrecte de la batterie (inversion de polarité) entraine la détérioration des diodes de l'alternateur;
— en cas d'exécution de soudure électrique sur la voiture débranchez la batterie en veillant à isoler la borne positive. L'opération doit être effectuee moteur arrêté.
ALTERNATEUR (avec régulateur électronique incorpore)
Nous rappelons les imperatifs suivants:
ne touchez jamais l'alternateur
— ne débranchez jamais les bornes de la batterie ou de l'alternateur lorsque le moteur tourne;
— évitez toute fatigue inutile aux roulements de l'alternateur en veillant à la tension correcte de la courroie (page 37);
— toute vérification ou remise en état de l'alternateur doit être effectuees exclusivement par un Agent Alfa Romeo.
BOITIER DE RACCORDEMENT ÉLECTRIQUE (boîte à fusibles)
Pour déverrouiller le couvercle appuyer vers le bas.
Les fusibles sont rangiés sous un couvercle transparent sur lequel sont marqués en relief les numérios identifiant les différents circuits protégés.
1 Lunette chauffante 16A
2 Ventilateur electrique air conditionné 16 A
3 Ventilateur electrique supplémentaire air conditionné - Embrayage electromagnetique - Feux stop - Rétroviseur - Feux de détresse
4 Alimentation injection 8A.
5 Plafonnier habitacle - Autoradio - Antenne radio - Montre
6 Moteur essue-glace - Intermittence essue-glace - Allume-cigare - Eclairage boite a gants.
7 Relais alimentés par le "circuit contact" - Feux de recul - Emetteur impulsions tachymètre - Alimentation instruments de bord
8A.
8 Ventilateur electrique chauffage - Indicateurs de direction
9 Relais faux anti-brouillard - Feu de position avant droit, arrêté gauche, de plaque de police droit - Eclairage compartmente moteur
10 Feu de position avant gauche, arriere droit, de plaque de police gauche - Lampe temoin deux de position - Eclairage instruments
11 Feu de croissement gauche
12 Feu de croissement droit - Feu de brouillard arrêté
13 Feux de route gauche - Lampe témoin
14 Feu de route droit
8A.
8A.
8A
8A
8A.
8A.
8A.
N.B. - À la dépose du couvercle, fixé par pression, (moteur tournant ou contact mis) un éclairer s'allume automatiquement facilitant ainsi le contrôle.
Le côté droit de la boîte abrite quatre fusibles de dépannage. La couleur des fusibles est codifiée en fonction de l'ampérage de ceux-ci:
fusible noir = 8 A.
fusible vert = 16A
Attention! Sous risque de provoquer de sérieux dégats, il est impératif de replacer tout fusible déterioré par un fusible ayant exactement le même ampération.


La boîte à fusibles abrite également le relais d'avertisseurs sonores (position A) le relais du ventilateur du circuit de refroidissement (position B) le relais de lunette chauffante (position C) et le commutateur des indicateurs de direction (position G).
Les voitures équipées d'un conditionnement d'air possédent trois relatifs supplémentaires (position D, E, F).


RéGLAGE DES PROJECTEURS
Pour une conduite sure et pour ne pas encourir les sanctions prévues par la législation, il est très important que les faisceaux lumineux soient toujours parfaitement régles.
Aussi, en cas d'incertitude ou si vous voiture a subi une intervention sur la carrosserie ou sur les suspensions ou encore tout simplement si vous avez changé une lampe, faites vérifier le réglage des projecteurs auprès d'un atelier équipé à cet effet.
En cas de nécessité, il est toute fois possible d'effectuer soi-même le contrôle à condition de respecter les distances indiquées au schéma.
Placez la voiture vide, les pneus étant à la pression correcte, sur une aire plane, devant un écran parfaitement vertical, à la distance B de celui-ci.
Feux de croisement (feux extérieurs)
A = 45 centimètres
B = 10 metres
D = E
Vis 1 = réglage horizontal
Vis 2 = réglage vertical
Feux de route (feux intéleurs)
Vis 3 = réglage horizontal
Vis 4 = réglage vertical
Pour la vérification des yeux de route il est nécessaire de couvir les yeux de croissement.
L'entr'axe D et F des faisceaux lumineux doit être égal à l'entr'axe E et G des projecteurs.
N.B. - Les cotes indiquées au schéma sont conformes aux dispositions en vigueur en Italie. Dans les autres pays se conformer aux normes locales.
Dévisser complètement la vis de fixation 5 et dégager la patteressort 6 située dans l'encoche qui abrite la vis de réglage (faire attention de ne pas bouger cette dernière).
Déboîter le bloc optique en le tirant vers le haut. Retirer le capuchon en caoutchouc, basculer les ressorts qui fixent la lampe et sortir celle-ci en débranchant le connecteur d'alimentation.
Mettre en place la lampe neuve en ayant soin de ne pas toucher l'ampoule. Si, par inattention, cela se produitait, il faudra la laver à l'alcool avant de la monter. Rebrancher l'alimentation et remonter le capuchon caoutchouc.
Remetre en place le bloc optique en engageant l'ergot de centrage dans le trou du boitier, serrer complètement la vis 5 et rabattre la patte-ressort 6.
La figure illustré le remplacement de la lampe d'un projecteur croit. Les projecteurs gauches sont symétriques.

Lampe de feu de position avant
Déposer le projecteur (voir paragraphe précédent).
Extraire le porte-lampe (fixé par pression) et remplacer la lampe.




Lampe d'indicateur de direction avant
Déposer le couvercle transparent en dévissant les deux vis de fixation. Changer la lampe et remonter le couvercle.
La plaque minéralogique (ainsi que l'intérieur du coffre à bagages lorsque les yeux de position sont en circuit) est éclairée par deux lampes, chacune fixée à son propre couvercle. Pour le remplacement d'une lampe déposer les vis qui fixent le couvercle à la carrosserie et le déposer et substituer l'ampoule.
Remetre alors le couvercle en place.
Lampe d'indicateur de direction latéral
Appuyer sur le couvercle, le tournier vers le bas et dégager le clignotant.
Débrancher les connecteurs d'alimentation.
Après avoir rebranché les connecteurs au clignotant neuf, introduire celui-ci dans son logement, la languette de la tige dirigée vers le bas.
Appuyer de façon uniforme sur le couvertle.

Lampe de feuux arrêté:
position - stop - indicateur de direction - recul - antibrouillard (sauf version Suisse)
Après avoir déposé la baguette en matière plastique 1 (fixée par quatre vis) replier vers le bas le revêtement du coffre à bagages, dévisser les six 2 vis qui fixent le couvercle transparent, déposer ce dernier et replacer la lampe défectueuse.
Au remontage du couvercle transparent avoir soin de le positionner correctement et de serrer de façon uniforme les six vis de fixation.
Remonter la baguette en matière plastique 1.





Eclairage de boîte à gants
Pour la dépose de l'éclairer appuyer doucement sur l'un des bords inférieurs du boitier et dégager ce dernier. Débrancher le connecteur d'alimentation central et replacer la lampe.
Rebrancher le connecteur et remettre en place le boîtier (bouton d'interrupteur vers l'extérieur de la boîte à gants) et l'emboîter en exerçant une pression uniforme sur les deux bords lateraux.


Lampe de plafonniers
Déposer l'enjoliveur, déboiter le couvercle transparent (fixé par pression) et remplacer la lampe.
Eclairage du compartment moteur
Il suffit de-retirer la lampe et de la remplacer.

INSTALLATION D'UN APPAREIL AUTO-RADIO
L'installation d'un apparéil auto-radio est prévue dans la voiture: le circuit d'allumage du moteur est antiparasité
Les emplacements prévus se situent:
Pour le montage de la radio
— Sur la console de bord, sous les commandes de climatisation.
Pour les haut-parleurs
Sur les panneaux lateraux arrirée
N.B. - Le faisceau pour l'installation de l'auto-radio est déjà prévu en série sur les voitures. Il comprend:
fils d'alimentation de l'auto-radio (dans le compartmente radio);
fils de connexion auto-radio/hauts-parleurs (entre le compar-timent radio et les panneaux lateraux arrriere);
fil d'antenne (entre le compartment radio et le coffre à bagages);
fils pour une éventuelle antenné électrique et son relais de commande (entre le compartment radio et le coffre à bagages).
Pour l'identification des fils de connexion se reporter au schéma électrique.


INSTRUCTIONS POUR L'ADAPTATION D'UN ATTELAGE DE REMORQUE
La voiture est apte à tirer une remorque dont le poids est indiqué au paragraphe "caracteristiques techniques" page 56.
L'attelage prévu (voir croquis) est conforme à la reglementation italienne qui n'autorise aucune modification des points d'ancrage à la voiture, ni des dimensions des différents éléments.
Dans les autres pays se conformer à la réglementation locale.
Sur le bras qui soutient la rotule d'accrochage il faudra adapter, dans la position convenant le mieux, la prise du faisceau remorque.
L'accrochage doit être effectué à l'aide:
d'une rotule modulo ISO 50"
FAISCEAU REMORQUE
Le branchement électrique doit être effectué à l'aide d'une prise à 7 bornes, sous 12 V ISO/DR 1724-1969.
Précautions lors des branchements:
— éviter toute interférence entre les fils électriques et le tuyau d'échéppement;
protégé à l'aide de passer-fils caoutchouc les perçages évén-tuels pour le passage des fils électriques;
— remplacer la centrale clignotante existante par une centrale à double charge pouvant alimenter deux lampes de 21 Watts, ceci afin d'assurer le fonctionnement correct des indicateurs de direction;
- connecter la masse de la voiture à la masse de la remorque à l'aide de la prise précitée et en utilisant un fil 2,5 ~mm^2 de section.
En dehors des dispositifs reglementaires de signalisation d'un éclairer ayant une puissance maximale de 15 W et, le cas échéant, d'un frein électrique qui devra être alimenté directement par la batterie à l'aide d'un fil d'une section non inférieure à 2.5mm^2 , il est interdit de brancher au faisceau voiture tout autre appeareil équipant la remorque, tel que ventilateur, réfrigerateur, éclairage interieur, etc.
SYSTÉME DE FREINAGE
Le système de freinage de la remorque doit être complètement indépendant de celui de la voiture qui ne doit absolument pas être touché.
IMPORTANT
L'ensemble vehicule-remorque doit être conforme à la législation de circulation routière.
Par poids remorquable il faut entendre le poids effectif de la remorque à pleine charge, c'est-à-dire avec tous les accessoires et bagages dont elle est équipée.
Par conséquent, afin d'éviter les pénalités prévues par la loi, il sera bon, avant de semettre en route, de s'assurer que le poids remorqué est bien conforme à la limite mentionnée sur la carte grise. De toute façon la charge verticale transmise par la remorque sur sur l'essieu arrêté de la voiture ne doit pas dépasser 50~kg .
Nota: Alfa Romeo decline toute responsabilité pour l'adaptation d'attelage non conforme aux prsentes specifications.
SCHEMA DE BRANCHEMENT ELECTRIQUE DE LA REMORQUE

LEGE NDE
1 Batterie
2 Fusible de 25 A
3 Prise voiture
4 Prise remorque
5 Bloc-raccord
COULEURS FILS
A Bleu
V Vert
B Blanc
R Rouge
M Marron
AB Bleu Blanc
N Noir
AN Bleu Noir
G Jaune
GN Jaune Noir
N.B.: Lorsque la section des fils n'est pas précisé, elle est de 0.5 ~mm^2 .
Les fils en pointille font partie du faisceau voiture.
POINTS D'ANCRAGE A LA COQUE

8 vis M6 x 1
3 vis M10 x 1,25


N.B. Les mesures sont exprimées en mm.
CARACTERISTIQUES TECHNIQUES
PRINCIPALES CARACTERISTIQUES
MOTEUR
Nombre et disposition des cylindres 6 en V à 60^
Alésage et course 88 x 68,3 mm
Cylindrée totale 2492 cm3
Puisance maxi DIN
(a 5600 tours/mn) 160 ch DIN (117,6 kW)
VOITURE
- Diametre mini de braquage 10000 mm
Nombre de places 4
Pneumatiques (Tubeless) 195/60 HR 15 - Poids en ordre de marche (avec plein d'essence) ... 1210 kg
- Poids avec conditionnéur d'air 1250 kg
Capacité coffre à bagages 300 dm³
Poids remarquable 1000 kg
Charge vertical maxi sur crochet d'attelage 50 kg
PERFORMANCES (couple conique 10/41)
| APRÈS LE RODAGE Vitesses maximes en km/h au régime de puissance maxi | ||||||
| Rapport | 1ère | 2e | 3e | 4e | 5e* | M.AR |
| Vitesse | 43,7 | 78,2 | 113,8 | 149,2 | 196,3* | 51 |
- Vitesse max effective 205 km/h
Ces performances s'entendant pour la conduite de la voiture dans les conditions atmosphériques normales de l'Europe Centrale.
DISTRIBUTION
admission: avance ouverture: 36^50' avant P.M.H. retard fermetre: 60^50' après P.M.B.
échéappement: avance ouverture: 59^55' avant P.M.B. retard fermeture: 23^55' après P.M.H.
JEU AUX SOUPAPES (à froid)
admission: 0,475 à 0,500 mm
échévement: 0,225 à 0,250 mm
ALLUMAGE
avance initiale: 7^ (+1^ / -1^) avant P.M.H. à 800/1000 tours/mn repère F sur la pouie de vilebrevin)
avance maximale: 31^(+0^ / - 3^) à 5000 tours/mn (repère M sur la poulie de vilebrevin)
régime de ralenti: 800 à 1000 tours/mn
Taux de CO à l'échéappement: 0,5% à 1,5% (en volume) au régime de ralenti de 800 à 1000 tr/mn moteur chaud - BV au point mort et embrayage "embrayé".
CONSOMMATION D'ESSENCE
Selon la table CUNA NC 103-04, préconisation ECE-ONU A (70)
| Litres aux 100 km | |
| À vitesse continue de 90 km/h | 7,7 |
| À vitesse continue de 120 km/h | 9,9 |
| Au banc (simulation de parcours urbain) | 14,8 |
RAPPORTS DE DÉMULTPLICATION
(Couple conique 10/41)
| Combinaison des vitesses | Rapport BV | Démultiplication totale boîte/différentiel |
| 1ère | 1 : 3,5 | 1 : 14,35 |
| 2e | 1 : 1,956 | 1 : 8,02 |
| 3e | 1 : 1,345 | 1 : 5,514 |
| 4e | 1 : 1,026 | 1 : 4,207 |
| 5e | 1 : 0,78 | 1 : 3,198 |
| M.AR. | 1 : 3 | 1 : 12,3 |
PARALLÉLISME DES ROUES AVANT (ouverture)
Mesuré sur un diamètre de 390~mm (voiture sous charge statique): 1mm.± 1mm
IDENTIFICATION DE LA VOITURE
Les marquages ou plaques d'identification de votre voiture (dont nous vous conseillons de prendre note) sont situés:
Lors de toute correspondance ou commande n'oubliez jamais de rappeler: le type de voiture, le numéro de chassin, la date d'immatriculation, le kilométrage parcouru et tout renseignement utile concernant l'achat de votre voiture.
Sur le flanc droit
Plaque d'identification (type de la voiture et numero d'homologation) Sigle
Sur le tablier
Type de la voiture et numero de chassis Sigle
Sous le capot du coffre à bagages
Caracteristiques de la peinture (type, couleur fournisseur) Sigle

Sur le bloc-cylindres (partie arrriere)
numéro de moteur (en regard du prolongement de la bride d'attache de la
culasse gauche)
Sigle
VERSION AVEC
CONDITIONNEMENT D'AIR

POSTE DE CONDUITE
1 Bouches d'aération naturelle (orientables)
2 Témoin de ventilateur de climatisation
3 Manette de chauffage
4 Manette d'admission air extérieur
5 Bouches de désembuage du pare-brise (orientables)
6 Commande de ventilateur (à trois vitesses)
7 Commande de conditionnement d'air
8 Commande d'ouverture du volet 9
9 Volet de conditionnement, de chauffage et d'airation (vers le plancher)
10 Bouches (orientables) de conditionnement, de chauffage et d'aération
11 Bouches (lateralis) de conditionnement, de chauffage et d'aération.
La voiture peut être équipée, sur demande, d'un système de conditionnement de l'air (réglage de l'humidité et de la température de l'air) qui permet d'obtenir, en outre, l'aération et le chauffage de l'habitacle ainsi que le désembuage du pare-brise et des vitres.
Attention: avant la mise en marche, du moteur s'assurer que le conditionnement d'air est hors-circuit (manette 7 complètement tournée vers la gauche) afin de ne pas surcharger la batterie.
Le conditionnement d'air ne peut fonctionner que lorsque le moteur est en marche.
CONDITIONNEMENT D'AIR
Tournier la manette 7 complètement vers la gauche et mettre en marche le moteur
— Fermer les glaces et les bouches 1 d'airation naturelle (tournier le bouton central de la rosace dans le sens inverse des aiguilles d'une montre)
- Placer les manettes 3 et 4 dans la position illustrée à la figure.

X238
- Ouvrir les bouches 5, 10 et 11 (nappe d'air des bouches 5 et 10 dirigée à votre gré).
-
Brancher le ventilateur en tournant la commande 6 vers la droite.
-
Mettre en circuit le conditionnement d'air en tournant la commande 7 vers la droite jusqu'à l'obtention du degré de réfrigération désire (de MINI à MAXIX).
Pour ouvrir également les volets d'aération du plancher repousser vers le haut le levier 8.
Nota: En cas d'utilisation du conditionnement dans des conditions éprouvantes (telles que, par exemple, le cas de température excessive dans l'habitacle par suite d'une immobilisation prolongée en plein soleil, ou bien de température et degré d'humidité extérieurs particulièrement elevés) il est alorsensible de laisser quelques instantes les vitres ouvertes afin d'accélérer l'évacuation de l'air surchauffé.
AÉRATION
L'aération naturelle provenant de l'extérieur (admise à l'intérieur de la voiture par les bouches 1): peut être intensifiée, même toutes glaces fermées, en utilisant également les bouches 5, 10, 11 et les volets inférieurs 9 (air à la température extérieur) et, le cas échéant, en branchant le ventilateur. Avant la mise en circuit de ce dernier placer les manettes dans la position illustrée à la figure:

X236
— Ouvrir les bouches 5 et 10 (nappe d'air dirigée à votre gré) et les bouches 11. Pour assurer également l'aération du plancher repousser vers le haut le levier 8 de commande des volets inférieurs.
— s'assurer que la commande 7 de conditionnement d'air est complètement tournée vers la gauche.
CHAUFFAGE
Il est assure par les bouches 5, 10, 11 et les volets inférieurs 9.
—Fermer les bouches 1 d'aération naturelle
— S'assurer que la commande 7 de conditionnement d'air est complètement tournée vers la gauche.

- Placer la manette de chauffage 3 dans la position désirée (repère DEF = chauffage maxi)
- Placer la manette 4 dans la position désirée entre INT (recirculation d'air à l'intérieur de la voiture lorsque le ventilateur est branché) et EST (admission maxi d'air extérieur)
— Ouvrir les bouches 5 et 10 (nappe d'air dirigée à votre gré) et les bouches 11.
Pour diriger l'air également vers le plancher ouvrir les volets inférieurs en repoussant vers le haut le levier 8.
En fermant les bouches 5 tout le volume d'air est distribué par les bouches 10, 11 et les volets 9.
DEGIVRAGE
Il est assure par les bouches 5 directement reliées au conditionnement d'air, à l'aération et au chauffage et qui, selon la position可以选择, permettent:
— dégivrage total du pare-brise
— dégivrage localisé du pare-brise
— dégivrage du pare-brise et des glaces laterales.
Pour le dégivrage:
fermer les bouches 10, 11 et les volets inférieurs 9
— placer les manettes 3 et 4 dans la position illustrée à la figure.

mettre hors-circuit le conditionneur d'air (commande 7 complètement tournée vers la gauche)
- pour accélérer le dégivrage brancher le ventilateur en 3^e vitesse (position DEF).
DESEMBUAGE DU PARE-BRISE
Il s'obtient en souffrant de l'air chaud et sec par les bouches 5. Proceder comme indiqué au paragraphe précédent mais en mettant en circuit le conditionnéur d'air (commande 7 tournée vers la droite).
Important: Lorsque l'installation est utilisé dans ces conditions (fonctionnement simultané du chauffage et du conditionnement d'air) il est très important de fermer d'abord le chauffage et ensuite le conditionnéur d'air, c'est-à-dire qu'il faut en premier lieu ramener la manette 3 sur le repère bleu, puismettre hors-circuit le conditionnéur.
Ceci pour éviter la brusque formation de buée sur les glaces.
CONSIGNES D'ENTRETIEN
Attention; au cas d'une longue période d'inutilisation du conditionnement d'air (notamment pendant l'hiver), il faudra lemettre en circuit quelques minutes une fois toutes les semainesafin de maintainir le graissage correct des différents éléments. Une fois par an (de préférence au début de l'éte),faites contrôleur auprès d'une Filiale Alfa Romeo l'état de charge du conditionnement d'air et le niveau d'huile du compresseur.
De temps a autre:
Contrôler la tension de la courroie d'entrainment du compresseur. Une courroie correctement tendue se laisse fléchir de 10 mm environ.
Pour toute correction, desserrez les boulons 1 et 2 de fixation du tendeur et déplacez celui-ci jusqu'à obtention de la tension correcte. Resserrez le boulon 2, recontrôlez la tension et serrez alors également le boulon 1.

SCHÉMAS ÉLECTRIQUES
ÉCLAIRAGE EXTÉRIEUR ET INTÉRIEUR (SCHEME A)
1 - Indicateur de direction AV
2 - Feu de croissement et de position
3 - Feu de route
4 - Connecteur multiple
5 - Projecteurs anti-brouillard (en option)
6 - Pré-équipement temporisateur pour essuire-phares
7 - Éclaireur de compartmentement moteur
8 - Contact d'éclaireur de compartmente moteur
9 - Rheostat d'éclairage tableau de bord
10 - Eclaireur de tableau de bord
11 - Témoin des indicateurs de direction
12 - Témoin des最好的 positions
13 - Témoin des feuels de route
14 - Repétateur lésal de direction
15 - A la borne n. 1 connecteur d'allume-cigares (voir schema B, n. 40)
A l'éclairer d'allume-cigares (voir schema C, n. 40)
16 - A la borne n. 1 connecteur d'allumecigares (voir schema B, n. 41) A la borne n. 8 connecteur commandes de climatisation (voir schema C, n. 44)
17 - Contacteur des projecteurs antibrouillard (en option)
18 - Centrale clignotante
19 - Contacteur de feu de brouillard AR
20 - Contacteur des feuels de détresse
21 - Au contacteur de lunette chauffante (voir schéma B, n. 23 voitures sans conditionnement et schéma C, n. 26 voitures avec conditionnement)
22 - Relais des projecteurs anti-brouillard (en option)
23 - Contact des feuels de stop
24 - Mise à la masse sur doublure d'aile AV gauche
25 - Mise à la masse sur boite à fusibles.
26 - Inverseur des indicateurs de direction
27 - Commutateur feu des positions/croises/sections/route et appels lumineux
28 - Boite à fusibles
29 - Eclaireur de boite à fusibles
30 - Porte-fusible volant pour projecteurs anti-brouillard (en option)
31 - A la masse sur l'allume-cigares
32 - Eclaireur de boite a gants
33 - Au connecteur allume-cigares (voir schema B, n. 39)
A l'allume-cigares (Voir schema C, n. 46)
34 - Contact de plafonnier (sur les montants des portes)
35 - Plafonnier
36 - Contact de feu de recul
37 - Contact d'éclaireur de coffre à bagages
38 - Eclaireur de coffre à bagages
39 - Connecteur simple
40 - Lampe d'indicateur de direction AR
41 - Lampe de feu de position AR
42 - Lampe de feu de stop
43 - Lampe de feu de recul
44 - Lampe de feu de brouillard AR
45 - Eclaireur de plaque de police
COULEUR DES FILS
N.B. - La section des fils non numérotés est de 0.5 mm²
A Bleu
B Blanc
C Orange
G Jaune AR Bleu-Rouge
H Gris BN Blanc-Noir
M Marron BR Blanc-Rouge
N Noir CR Orange-Blanc
R Rouge CN Orange-Noir
S Rose GN Jaune-Noir
V Vert GR Jaune-Rouge
Z Violet GV Jaune-Vert
AB Bleu-Blanc
AG Bleu-Jaune
AN Bleu-Noir
AR Bleu-Rouge
BN Blanc-Noir
BR Blanc-Rouge
CR Orange-Blanc
CN Orange-Noir
GN Jaune-Noir
GR Jaune-Rouge
GV Jaune-Vert
HN Gris-Noir
HV Gris-Vert
HR Gris-Rouge
MB Marron-Blanc
RN Rouge-Noir
SB Rose-Blanc
SN Rose-Noir
VB Vert-Blanc
VN Vert-Noir

SERVICES ET ACCESSOIRES - VOITURES SANS CONDITIONNEMENT D'AIR (SCHEME B)
1 - Essuie-glace
2 - Connecteur multiple
3 - Thermo-contact pour ventilateur de refroidissement moteur
4 - Avertisseur sonore
5 - Electro-ventilateur de refroidissement moteur
6 - Thermistance pour thermométrie d'eau
7 - Transmetteur de pression d'huile
8 - Thermo-contact pour tepoin de températe max d'eau
9 - Electro-pompe de lave-grace
10 - Contact pour tepoin de niveau liquide de freins
11 - Manometre d'huile
12 - Thermomètre d'eau
13 - Témoin de température max. d'eau
14 - Jauge de carburant
15 - Témoin de réserve carburant
16 - Témoin de frein à main et de niveau min. liquide de freins
17 - Témoin libre
18 - Témoin de ventilateur de climatisation
19 - Témoin de charge de l'alternateur
20 - Montre
21 - Tachymètre electronique
22 - Comptes-tours électronique
23 - A la borne n. 5 contacteur des feuels de détresse (voir schéma E - n. 21)
24 - A l'alternateur (voir schéma E-n. 17)
25 - A la bobine (voir schéma E - n. 1)
26 - Pré-équipement relais auxiliaire de temporisateur d'essuie-phares
27 - Temporisateur electronique d'essuie-glace
28 - Contacteur d'antenne électrique (en option)
29 - Contacteur de lunette chauffante
30 - Interrupteur à inertie
31 - A la borne 88 d du relais combiné(voir schema D, n. 42)
32 - Relais de lunette chauffante
33 - Relais d'electro-ventilateur de refroidissement moteur
34 - Relais des avertisseurs sonores
35 - Mise à la masse sur doublure d'aile AV gauche
36 - Mise à la masse sur boîte à fusibles
37 - Electro-ventilateur de climatisation
38 - Commande d'electro-ventilateur de climatisation
39 - Connecteur simple
40 - Au fusible n. 10 (voir schéma A - n. 15)
41 - A la borne n. 3 connecteur de tableau de bord (voir schéma A - n. 16)
42 - Allume-cigares
43 -Commandedessuie-glace
44 - Commande d'electro-pompe de lave-glace
45 - Contacteur d'vertisseurs sonores
46 - Boite à fusibles
47 - Lunette chauffante
48 - Transmetteur de niveau carburant
49 - Haut-parleur (en option)
50 - Auto-radio (en option)
51 - Reglage du rétroviseur extérieur électronique
52 - Capter pour tachymètre électronique
53 - Interrupteur de frein à main
54 - Porte-fusible volant
55 - Rétroviseur extérieur électrique
56 - Electro-pompe à carburant
57 - Antenne électrique (en option)
COULEUR DES FILS
N.B. - La section des fils non numérotés est de 0.5 mm²
A Bleu
B Blanc
C Orange
G Jaune
H Gris
M Marron
N Noir
R Rouge
S Rose
V Vert
Z Violet
AB Bleu-Blanc
AG Bleu-Jaune
AN Bleu-Noir
AR Bleu-Rouge
BN Blanc-Noir
BR Blanc-Rouge
CR Orange-Blanc
CN Orange-Noir
GN Jaune-Noir
GR Jaune-Rouge
GV Jaune-Vert
HN Gris-Noir
HV Gris-Vert
HR Gris-Rouge
MB Marron-Blanc
RN Rouge-Noir
SB Rose-Blanc
SN Rose-Noir
VB Vert-Blanc
VN Vert-Noir

SERVICES ET ACCESSOIRES - VOITURES AVEC CONDITIONNEMENT D'AIR (SCHEMA C)
1 - Essuie-glace
2 - Connecteur multiple
3 - Thermo-contact pour ventilateur de refroidissement moteur
4 - Avertisseur sonore
5 - Electro-ventilateur de refroidissement moteur
6 - Thermo-contact pour tepoin de températe max. d'eau
7 - Thermistance pour thermométrie d'eau
8 - Transmetteur de pression d'huile
9 - Electro-ventilateur supplémentaire de conditionnement
0 - Embrayage electrode-magnetique de compresseur de conditionnement
11 - Pressostat pour embrayage electromagnetique
12 - Electro-pompe de lave-glace
13 - Contact pour témoin de niveau liquide de freins
14 - Manometre d'huile
15 - Thermomètre d'eau
16 - Témoin de température max. d'eau
17 - Jauge de carburant
18 - Témoin de réserve carburant
19 - Témoin de frein à main et de niveau min. liquide de freins
20 - Temoin libre
21 - Témoin de ventilateur de climatisation
22 - Témoin de charge de l'alternateur
23 - Montre
24 - Tachymètrelectronique
25 - Compte-tours électronique
26 - A la borne n. 5 contacteur des feuels de détresse (voir schéma A - n. 21)
27 - A l'alternateur (voirschema E-n. 17)
28 - A la bobine (voir schéma E - n. 1)
29 - Temporisateur electronique d'essuie-glace
30 - Contacteur d'antenne électrique (en option)
31 - Contacteur de lunette chauffante
32 - Interrupteur à inertie
33 - A la borne 88d du relais combiné (voir schéma D, n. 42)
34 - Relais pour fonctionnement simultané electro-ventilateur de refroidissement moteur et electro-ventilateur supplémentaire
35 - Relais d'electro-ventilateur supplémentaire et embrayage electro-magnétique de compresseur
36 - Relais d'électro-ventilateur de climatisation
37 - Relais de lunette chauffante
38 - Relais d'electro-ventilateur de refroidissement moteur
39 - Relais des avertisseurs sonores
40 - Mise à la masse sur doublure d'aile AV gauche
41 - Mise à la masse sur boite à fusibles
42 - Résistance de réglage vitesse del'électro-ventilateur de climatisation
43 - Electro-ventilateur de climatisation
44 - A la borne n. 3 connecteur de tableau de bord (voir schéma A - n. 16)
45 - Au fusible n. 10 (voir schéma A, n. 15)
46 - Allume-cigares
47 -Commanded d'essuie-glace
48 -Commande d'electro-pompe de lave glace
49 - Contacteur d'avertisseur sonore
50 - Boite à fusibles
51 - Eclaireur des commandes de conditionnement
52 - Contacteur d'electro-ventilateur de climatisation
53 - Thermostat à fluide
54 - Transmetteur niveau carburant
55 - Lunette chauffante
56 - Haut-parleur (en option)
57 - Auto-radio (en option)
58 -Réglage du rétroviseur électrique extérieur
59 - Capter pour tachymètrelectronique
60 - Interrupteur de frein à main
61 - Connecteur simple
62 - Porte-fusibles volant (en option)
63 - Rétroviseur extérieur électrique
64 - Electro-pompe à carburant
65 - Antenne électrique (en option)
COULEUR DES FILS
N.B. - La section des fils non numérotés est de 0.5 mm²
A Bleu
B Blanc
C Orange
G Jaune
H Gris
M Marron
N Noir
R Rouge
S Rose
V Vert
Z Violet
AB Bleu-Blanc
AG Bleu-Jaune
AN Bleu-Noir
AR Bleu-Rouge
BN Blanc-Noir
BR Blanc-Rouge
CR Orange-Blanc
CN Orange-Noir
GN Jaune-Noir
GR Jaune-Rouge
GV Jaune-Vert
HN Gris-Noir
HV Gris-Vert
HR Gris-Rouge
MB Marron-Blanc
RN Rouge-Noir
SB Rose-Blanc
SN Rose-Noir
VB Vert-Blanc
VN Vert-Noir

INJECTION BOSCH L. JETRONIC (SCHEMA D)
5 - Débitmètre d'air
10 -Injecteur de demarrage a froid
12 - Tiroir d'air additionnel
16 - Centrale de commande
17 - Interrupteur sur papillon d'accelateur
18 - Sonde de température moteur
19 - Thermo-contact temporisé
20 - Relais combiné
27 -Injecteur
41 - A la borne 1 bobine (voir schéma E, n. 10)
42 - A l'interrupteur à inertie (voir schéma B, n. 31 voitures sans conditionnement d'air et schéma C, n. 33 voitures avec conditionnement d'air)
43 - Au connecteur simple commutateur d'allumage (voir schéma E, n. 11)
44 - Au fusible n. 4 (sortie)
45 - Au fusible n. 5 (entree)
46 - A la batterie (voir schema E, n. 15)
COULEUR DES FILS
N.B. - La section des fils non numérotés est de 0.5 mm²
A Bleu HN Gris-Noir
B Blanc HV Gris-Vert
C. Orange HR Gris-Rouge
G Jaune MB Marron-Blanc
H. Gris RN Rouge-Noir
M Marron SB Rose-Blanc
N Noir SN Rose-Noir
R Rouge VB Vert-Blanc
S Rose VN Vert-Noir
V Vert
Z Violet
AB Bleu-Blanc
AG Bleu-Jaune
AN Bleu-Noir
AR Bleu-Rouge
BN Blanc-Noir
BR Blanc-Rouge
CR Orange-Blanc
CN Orange-Noir
GN Jaune-Noir
GR Jaune-Rouge
GV Jaune-Vert

MOTEUR (SCHEME E)
1 - Au compte-tours électronique (voir schéma B, n. 25 voitures sans conditionnement et schéma C, n. 28 voitures avec conditionnement)
2 - Capterd impulsions
3 - Allumeur magnétique
4 - Alternateur avec régulateur électronique de tension incorpore
5 - Centrale d'allumage électronique
6 - Résistance
7 - Bobine
8 - Démarreur
9 - Boîte à fusibles
10 - A la borne n. 1 centrale de commande injection (voir schema D, n. 41)
11 - A la borne 86a du relais combiné (voir schemá D, n. 43)
12 - Connecteur simplex
13 - Commutateur d'allumage
14 - Connecteur multiple
15 - A la borne 88z du relais combiné (voir s'échéma D, n. 46)
16 - Batterie
17 - Au témoin de charge alternateur (voir schéma B, n. 24 voitures sans conditionnement d'air et schéma C, n. 27 voitures avec conditionnement d'air)
COULEUR DES FILS
N.B. - La section des fils non numérotés est de 0.5 mm²
B Blanc
V Vert
N Noir
M Marron
R Rouge
BN Blanc-Noir
VN Vert-Noir

| LUBRIFIANTS PRÉCONISÉS | ||||
| ORGANES A GRAISER | Classification | Equivalences commerciales | ||
| Agip | Shell | IP | ||
| Mateur | SAE 10 W/50 API SE | AGIP Sint 2000 SAE 10 W/50 | Shell Super Plus Motor Oil 15 W/50 | IP Super Motor Oil 10 W/50 |
| BV/différentiel | SAE 80 W/90 API GL-5 | AGIP F.1 Rotra MP SAE 80 W/90 | Shell Spirax 80 W/90 HD | IP Pontiax HD SAE 80 W/90 |
| SAE - Society of Automotive Engineers API - American Petroleum Institute | ||||
| PNEUMATIQUES TUBELESS* 195/60 HR15" Pressions de gonflage à froid en bars | ||||
| jantes 6 J x 15" CH | jusqu'à 2 personnes | avec 4 personnes et 50 kg de bagages | ||
| PIRELLI P6 | AV | AR | AV | AR |
| Pneus-neige* 185/65 R 15" M+S | 2 | 2 | 2,2 | 2,5 |
| * Voir p. 42 les consels spécifique pour les pneus-neige et pneus "tubeless". | ||||
| CONTENANCES | ||
| kg | litres | |
| Circuit de refroidissementMélange antigel Alfa RomeoCarburantContenance de réserveRéservePour le bon fonctionnement du moteur il est impératif d'employer de l'essence su-per avec un indice d'octane (R.O.N.) non inférieur à 98.HuileMoteur (carter et filtreet):- niveau maxi* ... - niveau mini ... * Cette quantité s'entend pour les pleins périodiques. La contenance totale du cir-cuit (carter, filtreet et conduits) est de ... Boîte de vitesses/différentiel... | — — — | 12 75 |
Notice Facile