ELS90EIGBBEEU - Piano de cuisson induction FALCON - Notice d'utilisation et mode d'emploi gratuit
Retrouvez gratuitement la notice de l'appareil ELS90EIGBBEEU FALCON au format PDF.
| Caractéristiques Techniques | Piano de cuisson induction FALCON ELS90EIGBBEEU, 90 cm de large, 5 zones de cuisson à induction, puissance totale de 11 kW. |
|---|---|
| Type de cuisson | Induction, permettant une cuisson rapide et précise. |
| Dimensions | Largeur : 90 cm, Profondeur : 60 cm, Hauteur : 90 cm. |
| Utilisation | Facilité d'utilisation avec un panneau de commande intuitif et des commandes tactiles. |
| Fonctionnalités supplémentaires | Minuterie intégrée, détection automatique des casseroles, fonction booster pour une montée en température rapide. |
| Maintenance | Nettoyage facile grâce à la surface lisse de l'induction, pas de grilles à nettoyer. |
| Réparation | Service après-vente disponible, pièces de rechange accessibles. |
| Sécurité | Système de sécurité avec verrouillage des commandes, protection contre la surchauffe. |
| Consommation énergétique | Classe énergétique A, efficacité énergétique élevée. |
| Informations générales | Garantie de 2 ans, disponible en plusieurs finitions. |
FOIRE AUX QUESTIONS - ELS90EIGBBEEU FALCON
Questions des utilisateurs sur ELS90EIGBBEEU FALCON
0 question sur cet appareil. Repondez a celles que vous connaissez ou posez la votre.
Poser une nouvelle question sur cet appareil
Téléchargez la notice de votre Piano de cuisson induction au format PDF gratuitement ! Retrouvez votre notice ELS90EIGBBEEU - FALCON et reprennez votre appareil électronique en main. Sur cette page sont publiés tous les documents nécessaires à l'utilisation de votre appareil ELS90EIGBBEEU de la marque FALCON.
MODE D'EMPLOI ELS90EIGBBEEU FALCON
1. Avant de Commencer... 1
Sécurité Personnelle 1
Raccordement Electrique 1
Odeur de Neuf 3
Ventilation 3
Entretien 3
Entretien de l'induction 4
Conseils Relatifs à la Four 6
Grilles de Four (selon le modele) 7
Entretien de la plaque 8
Gril coulissant 8
Ventilateur de refroidissement 8
Entretien de la Cuisinière 8
Nettoyage 8
2. Vue d'Ensemble de la Cuisinière 10
La Table de Cuisson 10
Detection de Récipient de Cuisson, 11
Indicateur de Chaleur Résiduelle, H 12
Verrouillage Sécurité Enfants, 12
Réglage Basse Température, L1/L2/L3 12
Réglage Haute Puissance, P 13
Zones de partage de puissance « Fig 2,8 » 13
La fonction Bridging-Zone 14
Fonction de Surchauffe 14
Gril Coulissant Glide-outTM «Fig 2,14» 15
Fours 16
Fonctionnement du Four 16
Fonctions du Four Multifonctions 17
Accessoires 18
Glissières Télescopiques au four gauche optionnel 19
3. Utilisation de la grille coulissante™ 20
4. Conseils pour la Cuisson 21
Utilisation de Notre Cuisinière à Induction 21
Conseils Généaux Pour la Cuisson au Four 21
5. Tableau de cuisson 22
6. Nettoyage de la Cuisinière 23
7. Dépannage 27
8. Installation 30
A l'intention de l'installateur 30
Mesures et règlements de sécurité 30
Ventilation 30
Emplacement de la cuisine 30
Positionnement de la Cuusinière 31
Lors de l'installation entre des meubles de cuisine 31
Déplacement de la cuisine 32
Baissez les deux galets arrriere 32
Montage de la stabilité Bracket 32
Exécution du mouvement 33
Repositionnement de la cusinière après
raccordement 33
Mise à niveau 33
Raccordement electrique 34
9. Montage Final 35
Installation de la Balustrade 35
Montage de la Plinthe 35
Conseils à la Clientèle 35
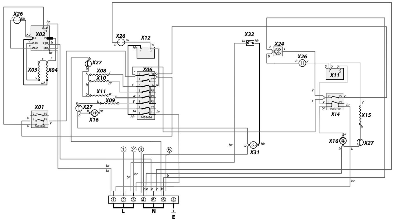
10. Schémas de Câblage 36
11. Fiche Technique 38
1. Avant de Commencer…
Installée et utilisée correctement, cette cusinière vous donnera de nombreuses années de service fiable. Il est donc important de dire la présente section avant de commencer, en particulier si vous n'avez jamais utilisé de cusinière à table de cuisson en vitrocéramique.
Sécurité Personnelle
Cet apparéil ne doit être utiliser que pour la cuisson. Il ne doit pas être utilisé à d'autres fins, par exemple pour chauffer la piece. L'utiliser à toute autre fin pourrait invalider toute garantie ou réclamation de responsabilité. En plus d'invalider des réclamations, cela gaspille du combustible et pourrait surchauffer les boutons de contrôle.
- Cet apparéil peut être utilisé par des enfants âgés de 8 ans et plus, outre par des personnes aux capacités physiques, sensorielles ou mentales réduites ou qui manquent d'expérience et de connaissances à l'égard de l' apparéil, à condition d'être surveillés ou d'avoir reçu des instructions claires pour utiliser cet apparéil en toute sécurité et d'en comprendre les risques.
- AVENTISSEMENT: Les enfants de moins de 8 ans doivent être gardés à distance à moins qu'ils ne soient constamment surveillés.
- Ne placez pas la cuisine sur un support.
- Cet apparéil est conçu uniquement pour un usage domestique. Toute autre utilisation n'engage ni la responsabilité, ni la garantie du fabricant.
- Avant d'utiliser le (s) four (s), veuillez vous reférer à l'installation de l'étagère du four, dans la section Accessoires.
- AVENTISSEMENT: L'appareil et ses pieces accessibles chauffent pendant leur utilisation. Veillez à ne pas toucher les éléments chauffants. Les enfants de moins
de 8 ans doivent être gardés à distance à moins qu'ils ne soient constamment surveillés.
- Un processus de cuisson de longue durée doit être surveilé de temps à autre. Un processus de cuisson de courte durée doit être surveillé en permanence.
- NE PAS stocker d'objets sur les surfaces de cuisson.
- Pour éviter toute surchauffe, NE PAS installer la cusinière derrière une porté décorative.
- AVENTISSEMENT: Les parties accessibles de la cusinière deviennent chaudes lorsque cette-ci est en marche et resteront chaudes même après la cuisson. Ne laissez pas les bébés et les enfants s'approcher de la cusinière et ne portez jamais de vêtements amples ou flottants lors de l'utilisation de la cusinière.
- N'UTILISEZ PAS de nettoyeur à vapeur sur votre cuisinière.
- Veiliez à ce que les matériaux combustibles, (rideaux, liquides inflammables, etc.) soient toujours suffisamment éloignés de la cuisine.
- N'UTILISEZ PAS d'aerosols à proximité de la cusinière lorsque celle-ci est en marche.
- NE JAMAIS essayer d'eteindre un feu avec de l'eau, mais eteignez l'appareil et couvre ensuite les flammes, par exemple au moyen d'un couvercle ou d'une couverture anti-feu.
Raccordement Electrique
Son installation doit être conforme aux instructions appropriées des prsentes et satisfaire à la réglementation nationale et locale en vigueur, ainsi qu'aux prescriptions des compagnies d'électricité locales.

Fig. 1.1

Fig. 1.2
Avertissement: Cet apparéil doit être branché à une prise de terre
Remarque: La cusinière doit être raccordée à l'alimentation électrique correcte, indiquée sur l'étiquette de tension sur l'appareil, par le biais d'une unité de commande de cusinière appropriée à interrupteur bipolaire (avec une séparation de contact de 3 mm au minimum entre les pôles).
Pour acceder au bornier d'alimentation secteur, retirez le boitier électrique sur le panneau arrêté. Raccordez le cable d'alimentation secteur aux bornes correctes pour votre type d'alimentation électrique (Fig. 1.1 et Fig. 1.2). Vérifiez que les connecteurs sont montés correctement et que les vis des bornes sont bien serrées. Fixez le cable d'alimentation secteur à l'aide du serre-câble.
Cote de température minimale T105
Lisez les instructions avant d'installer ou d'utiliser cet apparéil.
- Cet apparéil est lourd; prenez garde lorsqu vous le déplacez.
- La cuisine peut être installée dans une cuisine/un salon-cuisine, mais PAS dans une piece contenant une baignoire ou une douche.
Cet apparéil doit être mis a la terre. - Cette cuisinière NE DOIT pas etreraccordée à une prise d'alimentationdomestique ordinaire.
- L'affichage des commandes de la table de cuisson clignotera pendant deux secondes environ à la mise sous tension initiale – ceci est tout à fait normal.
- Réglez l'horloge pour permettre le fonctionnement des jours - voir la section appropriée des Presents instructions.
- Cet apparéil doit être installé conformément à la réglementation en vigueur, et uniquement dans un endroit bien ventilé.
- Une installation incorrecte n'engage ni la
responsabilité, ni la garantie du fabricant, et peut donner lieu à des poursuites.
- NE PAS installer l'appareil sur une plateforme.
- N'essayez jamais de déplacer la cusinière lorsqu'elle-ci est sous tension.
- Avant de rebrancher l'alimentation électrique, effectuez les contrôleles de sécurité nécessaires.
Odeur de Neuf
Lorsque vous utilisez votre cuisinière pour la première fois, il est possible qu'une odeur s'en dégage. Cela devrait s'arrêter après son utilisation.
Avant d'utiliser votre cuisinière pour la première fois, veillez à ce que l'intégralité de l'emballage ait été retire, puis pour chasser les odeurs issues de la fabrication, allumez tous les fours sur 200^ et laissez-les en fonctionnement pendant au moins 1 heures.
Avant la première utilisation du grill, allumez-le et faites-le marcher pendant 30 minutes, avec la l'echefrite bien en place, et en laissant la porte du grill ouverte.
Veillez à ce que lapiece soit bien ventilée (voir « Ventilation » ci-dessous). Il est recommendé aux personnes souffrant de problèmes respiratoires ou d'allergies de quitter la piece pendant ce temps.
Ventilation
L'utilisation d'un apparéil de cuisson produit de la chaleur et de l'humidité dans la piece contenant l' apparéil. Par conséquent, veillez à ce que la cuisine soit bien ventilée. Laissez les ouvertures de ventilation naturelle ouvertes ou installez une hotte aspirante à évacuation extérieure.
Une utilisation intensive prolongée peut nécessiter une ventilation supplémentaire, par exemple une fenêtre ouverte, ou une ventilation plus efficace améliorant les performances de la ventilation mécanique existante.
Entretien
- Seul un technician qualifié est habilité à entretenir l'appareil et seules des pièces approuvées devraient être utilisées. Il est conseillé de faire entretenir cet apparéil tous les ans.
- AVERTISSEMENT: Avant dePTRirer l'ampoule existante, coupez l'alimentation électrique et assurez-vous que le four et l'ampoule aient refroidi.
- N'UTILISEZ PAS de recipients de cuisson de diamètre supérieur à celui du foyer.
LAISSEZ TOUJOURS la cusinière refroidir et mettez-la hors tension avant de la nettoyer ou d'effectuer une intervention d'entretien, sauf indication contraire dans les Presents instructions. - N'UTILISEZ PAS les boutons de commande pour déplacer la cuisinière.
- NE FAITES JAMAIS fonctionner la cuisineire avec les mains mouillées.
- N'UTILISEZ PAS de torchon ou autre chiffon épais à la place d'un gant isolant - ils risquent de d'enflammier au contact d'une surface chaude.
- NE PAS UTILISER de dispositif de protection pour plaques chauffantes, papier aluminium ou couvercle de plaque chauffante de chaque sorte que ce soit. Ils pourraient affecter la sécurité d'utilisation des brûleurs de vos plaques chauffantes et sont potentiellement dangereux pour la santé.
- NE CHAUFFEZ JAMAIS des recipients alimentaires qui n'ont pas ete ouverts. La pression accumulée a l'intérieur des recipients peut les faire eclater et bleisser l'utilisateur.
- N'UTILISEZ PAS des casseroles instables. Tournez toujours les manches des recipients de cuisson vers l'intérieur de la table de cuisson.
François
- NE LAISSEZ JAMAIS la table de cuisson en marche sans surveillance si les brûleurs sont régliés sur maximum. Le débordement des recipients peut produit de la fumée et des taches de gras qui risquent de s'enflammer. Si possible, utilisez un thermomètre à bain de friture pour prévenir une surchauffe de l'huile au-delà du point de fumée.
- AVENTISSEMENT: Tout processus de cuisson non surveilé sur une table de cuisson, à base de graisse ou d'huile, peut être dangereux et déclencher un incendie.
- NE LAISSEZ JAMAIS une friteuse sans surveillance. Faites toujours chauffer l'huile lentement, en la surveillant. Les friteuses ne doivent être remplies qu'à un tiers de leur capacité.
- N'ESSAYEZ JAMAIS de déplacer un récipient de cuisson contenant de l'huile chaude, en particulier une friteuse. Attendez que l'huile ait refroidi. Une friteuse trop pleine peut déborder lorsqu'on y plonge des alimentents. Si vous utilisez un mélange d'huile et de graisse pour la friture, mélangez-les avant de chauffer, ou pendant la fonte des graisses.
- Les aliments à frire doivent être le plus sec possible. La présence de cristaux de glace sur des alimentents congelés ou d'humidité sur des alimentents frais peut provoquer une ébullition et un débordement de l'huile. Surveillez attentivement pour prévenir les débordements et la surchauffependant la friture à haute ou moyenne température.
- Lorsque le grill est en marche, ne vous servez pas de la grille d'évacuation (la grille le long de la partie arrêté de la cusinière) pour réchauffer des assiettes ou des plats, sécher des torchons ou ramollir du beurre.
- N'UTILISEZ PAS d'eau pour éteindre les incendies dus à la graisse et ne souvezez jamais un réseau de cuisson qui a pris
feu. Eteignez la cusinière etétouffez un récipient qui a pris feu sur une table de cuisson en le recouvrant complètement avec un couvercle de taille appropriée ou une plaque de cuisson. Si possible,utilisez un extincteur à poudre chimique ou amousse de type polyvalent.
- Cet apparéil N'EST PAS censé être opéré en utilisant un minuteur externe ou un système de télécommande séparé.
- Il existe un risque d'explosion et de feu ainsi que de dégàts sur le matériel si des matériaux inflammables sont entreprises dans le tiroir, four(s) ou grill(s).
- TOUJOURS faiser la batterie de cuisine refroidir avant le nettoyage.
Entretien de l'induction
-
SI VOUS ETES PORTEUR D'UN STIMULATEUR CARDIAQUE OU D'UNE POMPE À INSULINE IMPLANTABLE: Les fonctions de la table de cuisson sont conformes aux normes européennes en vigueur relatives à l'interfERENCE électromagnétique. Si vous étés porteur d'un stimulator cardiaque ou d'une pompe à insuline implantable et étés inquiet quant aux risques d'interférence, veuillez demander conseil à votre médecin.
-
Eloignez les objets magnétiques (cartes de crédit et de débit, disques informatiques, calculateurs, etc.) de la table de cuisson lorsque celle-ci est en marche.
- Pour utiliser toute la puissance de votre plaque à induction et assurer la longévité de ses performances, nous recommendons l'utilisation de poêles et de casseroles pour induction approuviées par AGA Rangemaster. Si vous decide d'acheter un autre kit de casseroles pour votre cuisinière à induction, nous recommendons fortement d'éviter d'utiliser des ustensiles en aluminium composite avec garnitures en acier, comme illustré à la Fig. 1.3.
Ce type de conception peut réduire de manière significative la durée de vie et les performances de votre plaque à induction.
- Faites attention lorsque vous touchez les zones de cuisson sur la table de cuisson.
Veiliez à utiliser des recipients de cuisson à fond plat et adaptations à la taille du foyer utilisé. L'utilisation de poêles sous-dimensionnées exposeront une partie de la plaque chauffante au contact direct et peuvent provoquer l'embrasement de tissus - Seuls certains types de verre, de céramique, de faïence et autres recipients vitrés peuvent être utilisés sur la zone chauffe-plats ; les autres peuvent se casser à cause du changement soudain de température.
- Seuls certains types de recipients en verre, vitrocéramique, terre cuite ou autres recipients émailés peuvent être utilisés sur la table de cuisson; les autres risquent de se briser en raison du changement soudain de température. Ne faites jamais cuire des alimentés à même la table de cuisson (Fig. 1.4).
- Seules certaines casseroles en acier inoxydable, en acier émailé ou en fonte avec fonds émailés peuvent être utilisées sur les plaques de cuisson à induction.
- Faîtes attention à NE PAS rayer la surface en plaçant les ustensiles sur le panneau de verre.
- NE LAISSEZ PAS les foyers allumés s'ils ne sont pas utilisés pour la cuisson.
- NE DÉPOSEZ PAS d'objets lourds sur la table de cuisson. Mème si la surface en vitrocéramique est très résistante, un impact violent ou la chute accidentelle d'un objet sur la surface risque de la fissurer (Fig. 1.5).
- Dès l' apparition d'une fissure sur la table





François
de cuisson, mettez immédiatement la cuisinière hors tension et faites-la répárer.
- SOULEVEZ toujours les recipients pour les retarder de la table de cuisson. Ne les faites pas glisser sur la surface, car vous risquez de la marquer et de la rayer (Fig. 1.6).
- Prenez soit de NE PAS POSER LES COUVERCLES CHAUDS à la surface de la plaque (Fig. 1.7). Les couvercles utilisés sur un réseau chaud peuvent « coller » ou créé un effet de « vide » sur la plaque en verre. Si cela se produit, NETENTEZ PAS de soulever le couvercle de la surface en verre car vous pourriez abîmer la plaque. Faites plutôt glisser le couvercle jusqu'àbord de la plaque avant de le soulever, enPNANT SOIN DE NE PAS RAYER LA SURFACE EN VERRE. Ou bien attendez que le couvercle refroidisse et que le vide disparaisse, puis retirez le couvercle en le boulevant de la plaque.
- NE PLACEZ rien entre le fond du écipient de cuisson et la surface de cuisson (plaque d'amiente, feuille de papier aluminium ou support de wok, par exemple).
- Attention à ne poser AUCUN objet métallique comme un couteau, une fourchette, une cuillère ou un couvercle sur la plaque chauffante car ils peuvent chauffer.
- Evitez d'essuyer toute partie de la table de cuisson tant que celle-ci n'a pas refroidi et que l'indicateur de chaleur résiduelle n'est pas etint. Cette recommendation ne s'a applique pas aux déversements de substances sucrées (voir « Nettoyage de la cuisine »). ÀpRES nettoyage, utilisez un chiffon sec ou du papier essuie-tout pour éliminer les traces de nettoyant semi-liquide.
- Nettoyez la surface après chaque utilisation pour prévenir les rayures et les taches. Mais veillez à nettoyer avec précaution car certains produits nettoyants
peuvent produit des vapeurs nocives au contact d'une surface chaude.
- NE PAS LAISSER la plaque chauffante sans surveillance. Une attention doit être prise pour ne pas laisser votre batterie de cuisine chauffer à vide. Cela endommagera votre batterie de cuisine et votre plaque à induction.
- Àprous l'utilisation, éteignez la plaque chauffante avec le bouton. NE PAS se fier uniquement au détecteur de poège.
Conseils Relatifs à la Four
- Lorsque le four n'est pas utilisé, toujours s'assurer que les boutons sont sur la position OFF avant de nettoyer l'appareil.
Utiliser des gants de cuisine pour éviter les brûlures eventuelles aux mains. - La cuisson d'aliments à haute teneur en eau peut produit une « bouffée de vapeur » à l'ouverture de la porte du four (Fig. 1.8). Lorsque vous ouvre la porte du four, reculez-vous et attendez que la vapeur se soit dissipée.
- Le côté interieur de la porte est fait en verre de sécurité renforcé. Veiller à NE PAS rayer la surface lors du nettoyage du panneau vitré.
- Des dégats accidentels peuvent fissurer la porte en verre.
- Conserver les tuyaux d'áération sans obstruction.
-
N'UTILISEZ PAS de produits nettoyants décapants et abrasifs ni de racloirs métalliques acérés pour nettoyer la surface en verre de la porte du four, afin de prévenir tout risque de rayures et de fissures du verre.
Assurez-vous que les grilles sont insérées jusqu'au fond du four. NE PAS fermer la porte sur les grilles du four. -
NE RECOUVREZ PAS les grilles, les panneaux internes ou la voûte du four de papier aluminium.
- Lorsque le four est allumé, NE PAS faisser la porte du four ouverte plus longtemps que nécessaire sinon les boutons de commande pourrait devenir très chauds.
- N'UTILISEZ PAS la fonction minuterie avec un four si le four adjacent est déjà chaud.
- NE PLACEZ PAS des alimentés chauds dans le four qui sera utilisé avec la fonction minuterie.
- N'UTILISEZ PAS un four déjà chaud avec la fonction minuterie.
- Au besoin, utiliser des gants isolants secs – l'emploi de gants humides risque de cause des brûlures dues à la vapeur lors du contact avec une surface chaude. N'utilise pas de torchon ou autre chiffon épais à la place d'un gant isolant – ils risquent de d'enflammier au contact d'une surface chaude.
Grilles de Four (selon le modele)
Pour installer la grille coulissant, accrocher l'avant de la grille sur les glissières comme illustré (Fig. 1.9). L'arrière de la grille devrait reposer sur les glissières, devant la butée arrrière (Fig. 1.9).
Pour remettre la grille en place, mettez la grille à niveau avec une glissière latérale du four, puis insérez la grille à fond jusqu'à ce que les extrémités soient en contact avec la butée d'arrêt de la grille. Soulevez l'avant de la grille pour que les extrémités puissant dépasser les butées, puis abaissez l'avant pourmettre la grille à l'horizontal, avant de l'insérer à fond.



François
Entretien de la plaque
- N'AUTORISEZ JAMAIS qui que ce soit à grimper ou se tenirABOUT sur la table de cuisson.
- NE DÉCOUPEZ PAS des aliments sur la table de cuisson.
- NE LAISSEZ PAS des ustensiles, alimentés ou produits combustibles sur la table de cuisson lorsqu'elle n'est pas en service (torchon, ou poêle contenant de l'huile, par exemple).
- NE PLACEZ PAS des feuilles en plastique ou aluminium ou des recipients en plastique sur la table de cuisson.
- SOULEVEZ toujours les recipiens pour les retarder de la table de cuisson. Ne les faites pas glisser sur la surface, car vous risquez de la marquer et de la rayer
- Evitez de faire chauffer un récipient de cuisson vide. Ceci risque en effet d'abimer la table de cuisson et le récipient.
Gril coulissant
A AVERTISSEMENT: La cuisson sans surveillance sous le grill peut etre dangereuse et provoquer un incendie.
- Lors de l'utilisation du grill, veillez à ce que la l'échefrite soit en place et insérée à fond dans l'enceinte du grill, ici pour prévenir le risque de surchauffe des boutons de commande.
- NE LAISSEZ PAS LE GRIL EN MARCHE pendant plus de quelques instants si la l'échefrite n'est pas en place sous le grill, ceci pour prévenir le risque de surchauffe des boutons de commande.
- NE FERMEZ JAMAIS la porte du grill lorsque celui-ci est en marche.
- Des composants accessibles risquent de devenir chauds pendant l'utilisation du grill. Eloignez les enfants de la cuisineire.
Ventilateur de refroidissement
Cet apparéil peut composer un ventilateur de refroidissement. Lorsque le grill ou le four est en marche le ventilateur se déclenchera pour refroidir la façade et les boutons de commande.
Entretien de la Cuisinière
En raison de la condensation de vapeur pendant la cuisson, vous devrez peut-etre essuyer (avec un chiffon doux) des gouttelettes d'eau Presentses sur la garniture extérieure du four. Cette précaution contribuera également à prévenir les taches et la décoloration de l'extérieur du four dues aux vapeurs de cuisson (Fig. 1.10).
Nettoyage
- Avant un nettoyage complet, mettez la cuisinière hors tension. Laissez-la refroidir.
- Pour des raisons d'hygiene et de sécurité, la cusinière doit toujours être propre, afin de prévenir le risque d'incendie causé par l'accumulation de graisse et autres particules alimentaires.
- Nettoyez uniquement les composants indiqués dans les générées instructions.
- Nettoyez avec précaution. Si vous utilisez une éponge ou un chiffon humide pour essuyer des taches sur une surface chaude, prenez garde au risque de brûlures par la vapeur. Certains produits nettoyants peuvent produit des vapeurs nocives au contact d'une surface chaude.
- N'UTILISEZ JAMAIS de solvants pour peinture, de cristaux de soude, de nettoyants caustiques, de poudres biologiques, d'eau de Javel, de nettoyants chlorés, ni de produits abrasifs à gros grain ou de sel.
-
NE MÉLANGEZ PAS plusieurs produits nettoyants, car ils risquent de réagir entre eux et d'avoir des effets nocifs.
-
Toutes les parties de la cusinière peuvent être lavées à l'eau savonneuse chaude, mais voirlez à prévenir toute infiltration d'eau dans l'appareil.
- Veillez à prévenir toute infiltration d'eau dans l'appareil.
- Avant dePTRirer tout element du grill pour nettoyage, assurez-vous quils sont froids ou bien utilisez des gants de cuisine.
- NE PAS utiliser de substances abrasives sur le grill et ses éléments.
- NE PAS mesure les rails coulissants au lave-vaisse.
- NE LAVEZ PAS les têtes de brûleur au lave vaisselle
- N'UTILISEZ JAMAIS de produits nettoyants caustiques ou abrasifs qui abimeront la surface.
- NE PAS UTILISER de laine de fer, déponges-grattoir pour nettoyer les fours ou tout autre matériel pouvant rayer la surface.
- NERANGEZ JAMAIS de matériaux inflammables dans le tiroir. Cela inclut le papier, le plastique et les tissus, comme les livres de cuisine, les produits en plastique et les serviettes ou les liquides inflammables.
- NE RANGEZ PAS d'explosifs comme les aérosols, sur ni pres de l'appareil.
- NE PAS UTILISER de laine de fer, déponges-grattoir pour nettoyer les fours ou tout autre matériel pouvant rayer la surface.
- N'ESSAYEZ JAMAIS de démonter ou de nettoyer aujourd'un brûleur lorsqu'un autre brûleur est allumé. Vous risqueriez de recevoir une décharge électrique.
2. Vue d'Ensemble de la Cuisinière

《Fig2,1》

《Fig2,2》


《Fig2,3》
La ciusinière à induction « Fig 2,1 » comprend:
A. Cinq foyerdescuissonàinduction
B. Panneau de commande
C. Gril coulissant
D. Four multifonctions
E. Four ventile
La Table de Cuisson
Utilisez uniquement des recipients de cuisson concus pour les tables de cuisson à induction. Nous recommendons l'emploi de recipients de cuisson en acier inoxydable, en acier émailé ou en fonte à fond émailé. Certains recipients en acier inoxydable ne convennent pas pour les tables de cuisson à induction; vérifie soigneusement avant l'achat.
N'utilise pas de recipients en cuivre, aluminium ou ceramique sur les tables de cuisson à induction. Le type de recipient de cuisson utilisé et la quantité d'aliments ont une incidence sur le réglage requis. Pour les quantités d'aliments importantes, utilisez un réglage plus élevé.
Utilisez des reçipients de cuisson à fond écais, lisse et plat « Fig 2,2 ». Ceci assure un transfert de chaleur optimal entre la table et le récipient de cuisson, et donc une cuisson plus rapide et plus économique. N'utilise jamais de wok à fond rond, même avec un support.
Les récipiens de cuisson les mêux adaptés sont ceux qui, à l'état froid, sont très légèrement bombés vers l'intérieur « Fig 2,3 ». En plaçant une règle sur le fond de ces récipiens,
on peut constater que la surface est légèrement incurvée vers le milieu. Sous l'effet de la chaleur, le métal se dilate et la totalité du fond du récipient est en contact avec la surface de cuisson.
Veillez à ce que le fond du écipient de cuisson soit propre et sec pour éviter que des résidus alimentaires ne brûlent et n'attachent sur la table de cuisson. Ceci permet également de prévenir les rayures et les dépôts.
Veillez à toujours utiliser des récipients de même taille ou légèrement plus grands que le diamètre indiqué sur la surface de cuisson. Utilisez un couvercle sur les récipients de cuisson pour porter à ébullition plus rapidement.
La table de cuisson à induction comprend cinq foyers contenant des éléments à induction de puissances et diamètres différents « Fig 2,4 » chacun doté d'un détector de récipient et d'un indicateur de chaleur résiduelle, et un affichage des commandes.
L'affichage des commandes de la table de cuisson « Fig 2,5 » vous informe sur les fonctions de la table, à l'aide des symboles suivants :
Détection de récipient de cuisson
- H Indicateur de chaleur résiduelle
- Verrouillage sécurité enfants
- L1/L2/L3 Réglage basse temperature
- P Réglage haute puissance
Détction de Récipient de Cuisson,

IMPORTANT: Àprous usage, éteignez le foyer à l'aide du bouton de commande – NE VOUS FIEZ PAS UNIQUEMENT à la fonction Détction de réciplient de cuisson.
Si un foyer est en marche et qu'il n'y a pas de-scriptique de cuisson sur celui-ci ou si le-scriptique est trop petit pour le foyer, la table n'émettra pas de chaleur. Le symbole [u] apparaitra sur l'affichage des commandes de la table; il s'agit du « symbole Absence de-scriptique ». Placez un-scriptique de taille appropriée sur le foyer, le symbole [u] disparaitra et la cuisson pourrait commencer. Si, après 10 minutes, il n'y a toujours pas de détention de-scriptique, le foyer s'est automatiquement.
Le Tableau 2.1 indique les dimensions de recipients minimales recommandées pour chaque foyer.
Remarque : L'utilisation de recipients de diamètres inférieurs aux dimensions recommends aura pour effet une diminution de la puissance.


Tableau 2.1
| Cuisson de la Zone | Diamètre Minimum de Casserole fond de casserole mm |
| Gauche avant | 180 |
| Gauche arrêté | 180 |
| Centre | 210 |
| Droite arrêté | 180 |
| Droite avant | 140 |
François


Tableau 2.2
| Niveau de Puisance | Durée Maximale d'Opération |
| L1, L2 et L3 | 2 heures |
| 1 | 6 heures |
| 2 | 6 heures |
| 3 | 5 heures |
| 4 | 5 heures |
| 5 | 4 heures |
| 6 | 1.5 heures |
| 7 | 1.5 heures |
| 8 | 1.5 heures |
| 9 | 1.5 heures |
| Haute puisance | 10 minutes |
Indicateur de Chaleur Résiduelle, H
Après usage, un foyer restera chaud pendant un certain temps, jusqu'à dissipation totale de la chaleur. ÀpRES arrêt d'un foyer, le symbole de l'indicateur de chaleur résiduelle [H], apparaitra sur l'affichage de la table de cuisson. Ceci indique que la température du foyer est supérieure à 60^ et qu'il y a encore un risque de brûlure. Le symbole [H] s'éteint lorsque la température est inférieure à 60^ .
Verrouillage Sécurité Enfants, —0
La table de cuisson peut être verrouillée pour empêcher son utilisation accidentelle par des enfants.
IMPORTANT : Cette fonction ne peut être activée que lorsque tous les foyer sont éteints.
Pour verrouiller la table de cuisson, activez puis désactiver une des commandes de la table pourmettre en marche l'affichage de la table, puis tournez simultanément les deux commandes à induction arriere externes en sens antihoraire « Fig 2,6 » jusqu'à l'affichage du symbole = -0 sur l'affichage des commandes de la table de cuisson pour tous les foyers « Fig 2,7 ».
Remarque: Le symbole [R] clignotera lors du verrouillage de la plaque - cet affichage est normal.
Le fait de verrouiller la plaque n'attexe PAS le four; vous pouvez toujours les utiliser.
Pour déverrouiller la sécurité de la plaque, tournez simultanément les deux boutons de gauche dans le sens antihoraire et maintenez la position jusqu'à ce que le symbole au centre de l'écran de commande de la plaque s'éteigne.
Réglage Basse Température,
L1/L2/L3
A4 Ce tne fonction doit etre utilisee exclusivement pour lechauffage a froid.
Chaque foyer est équipé de 3 réglages bassé température :
- L1maintiendra une température d'environ 44^ – parfait pour faire fondre du beurre ou du chocolat tout doucement.
- L2 maintiendra une température d'environ 70^ - parfait pour garder la nourriture au chaud, une fois cuite.
- L3 maintiendra une température d'environ 94^ – parfait pour mischiefer porter la casserole à ébullition puis sélectionner L3 pour laisser mischiefer les soupes, les sauces, les ragouts, etc..
La duréeemaximumd'utilisationdece réglageest de2 heures. Pouraugmenterlatémpérature,tournerlebouton jusqu'au réglage souhaité.
Les durées maximales pour tous les autres niveaux électriques sont indiquées dans le tableau 2.2.
Réglage Haute Puissance, P
Toutes les zones de cuisine à induction ont une fonction haute puissance activable en tournant le bouton de commande dans le sens des aiguilles d'une montre jusqu'à ce que [P] apparaisse sur l'écran de contrôle de la plaque de cuisine.
La fonction Haute Puisance met a disposition plus de puissance pour chaque zone de cuisine. Ceci est utile pour faire bouillir rapidement le contenu d'une grande casserole d'eau. La fonction Haute Puisance fonctionne pendant 10 minutes maximum sur chaque zone, après quoi, la puissance est automatiquement réduite au degré 9.
Pendant l'utilisation de la fonction Haute Puissance, les zones de cuisine fonctionnent par paires.
La fonction haute puissance peut etre désactivée en tournant le bouton sur un reglage plus bas.
Zones de partage de puissance « Fig 2,8 »
Le partage de puissance extrait la puissance de la zone proche. Par exemple, si les zones C, D et E Fig 2,8 sont régés au niveau de puissance g, ou régle sur Power Boost P le niveaux de puissance dans D ou E s'ajustera dans l'ordre dans lequel il a été activé.

Éviter de chauffer une casserole vide. Cela peut endommager la plaque ainsi que la casserole.
ScENARIO 1: Régler la zone C au niveau de puissance 9, activer la zone D au niveau de puissance 9 et la zone E au niveau de puissance 9. Au bout de quelques secondes le D niveau de puissance de la zone diminuera à 7. La Zone C restera à P ou 9
Scenario 2: Regler la zone C au niveau de puissance 9, activer la zone E au niveau de puissance 9 et la zone D au niveau de puissance 9. Au bout de quelques secondes le E niveau de puissance de la zone diminuera à 5. La Zone C restera à P ou 9
Scenario 3: Régler la zone D et E au niveau de puissance 9 et la zone C au niveau de puissance 9. Au bout de quelques secondes le E niveau de puissance de la zone diminuera à 5.
Le même principe s'applique lors de l'utilisation de la zone A et B. Lors de l'utilisation de la zone A sur Power Boost P et l'activation de la zone B sur Power Boost P , la puissance de la zone A diminuera légèrement.

Il s'agit d'un dispositif de sécurité intégré.

François

《Fig2,9》

«Fig 2,10»

«Fig2,11»

《Fig2,12》

«Fig2,13»
La fonction Bridging-Zone
Les zones A et B peuvent être reliées, créé une zone ideale pour l'utilisation avec un grill à induction fourni.
Remarque: La plaque de cuisson doit être constituée d'un fond plat, facile à induction, suffisamment large pour couvir les zones A et B de la zone de chauffage de la plaque chauffante « Fig 2,9 ».
NE PAS utiliser les zones C, D ou E pour chauffer le grill « Fig 2,10 »
Pour activer la fonction de zone de pontage, tourner complètement simultanément les deux commandes gauches dans le sens des aiguilles d'une montre « Fig 2,11 » et maintenez, jusqu'à ce que les symboles [7] apparaissent au centre de l'écran de contrôle de la plaque « Fig 2,12 ». La température peut ensuite être réglée en utilisant le bouton gauche « Fig 2,13 ».
Tourner les deux boutons dans le sens contraire des aiguilles d'une montre pour annuler la fonction et returner au fonctionnement normal

NE PAS tourner les deux boutons gauches individuellement pour chauffer le grill. Ceci peut générer des températures excessives et endommager le revêtement du grill.
Fonction de Surchauffe
Cette fonction détecte l'augmentation rapide de la température du réseau de cuisson et maintainé cette température à un niveau sur. Elle ne génie pas la cuisson normale.
Les batteries de cuisine avec des socles qui se déforment « Fig 2,2 » lorsqu'ils sont chauds, peuvent interférer avec le fonctionnement de la Fonction Chauffe. Cela peut endomager votre batterie de cuisine ou la plaque à induction en verre.
Veuillez litre attentivement et suivre scrupuleusement les instructions du fabricant avant d'utiliser votre batterie de cuisine sur votre plaque à induction.
Gril Coulissant Glide-out™ « Fig 2,14 »
A VERTISSEMENT: Lorsque la grille est retiree de la lèchefrite, assurez-vous que la lèchefrite et le support sont complètement insérés dans l'enceinte du grill. La porte de la lèchefrite DOIT rester ouverte.
A Des composants accessibles risquent devenir chauds pendant l'utilisation du grill. Eloignez les enfants de la cuisineire.
Ne fermez jamais la portedu grill lorsque celui-ci est en marche.
- Pour un résultat optimum, faites coulisser le plateau dans le four grill. Pendant le préchauffage, la grille peut être retiree et mise de cote avec les alimentes a griller poses dessus.
- NE LAISSEZ PAS LE GRIL EN MARCHE pendant plus de quelques instantsi la lèchefrite n'est pas en place sous le grill, ceci pour prévenir le risque de surchauffe des boutons de commande.
- ÀpRES préchauffage, retirez le support du gril de l'enceinte du gril. Replacez la lèchefrite et réinsérez le support du gril dans l'enceinte du gril. Vérifiez qu'il est bien inséré.
La grille de l'echa-frites peut être placée sur quatre hauteurs différentes, ce qui est possible en la returnant dans les sens avant-arrête et haut-bas. Les quatre positions de hauteur de la grille se rapportent à « Utilisation de la grille coulissanteTM »

François
| Fonction | Utilisation |
| Décongélation | Décongélation de petites quantités d'aliments dans le four sans chaleur |
| Four ventilé | Fonction de cuisson complète, chaleur uniforme; idéale pour la pâtisserie |
| Gril ventilé | Gril des viandes et poissons, avec porte du gril fermée |
| Four ventilé mixte | Fonction de cuisson complète; parfaite pour les rôts et la pâtisserie |
| Four conventionnel | Fonction de cuisson complète pour les rôts et la pâtisserie dans la partie inférieure du four |
| Elément gratineur | Pour gratiner les plats recouverts de fromage |
| Chaleur inférieure | Pour dorer les fonds de quiches, pizzas ou pâtisseries |
Remarque - Les références au four gauche et droit s'entendant vu de l'avant.
Le four gauche est un four multifonctions. Le four droit est un four ventilé.
Four Multifonction
Les fours multifonctions ont un ventilateur et un élément de four ventilé, ainsi que deux éléments chauffants supplémentaires. Un élément est dans la voûte du four et l'autre sous la sole du four. Veillez à ne pas toucher l'élement supérieur et le déflecteur de l'élement lors de l'insertion ou du retrait des plats dans le four.
Le four multifonctions a trois fonctions de cuisson principales : cuisson ventilée, cuisson ventilée mixte et cuisson conventionnelle. Utilisez ces fonctions pour effectuer l'essentiel de la cuisson.
L'élement gratineur et la chaleur inférieure peuvent être utilisés en fin de cuisson pour finir certains plats.
Utilisez les fonctions grill ventilé pour la cuisson au grill et décongélation pour décongeler de petites quantités d'aliments surgelés.
Le Tableau 2.3 récapitule les modes multifonctions. Le four multifonctions permet de nombreuses utilisations variees. Nous vous conseillons de bien surveiller la cuisson jusqu'à ce que vous soyez familiarisé avec chaque fonction. N'oubliez pas : toutes les fonctions ne convennent pas à tous les types d'aliments.
Four Ventilé
En général, les températures de cisson recommendées pour un four ventilé sont plus basses que celles pour un four conventionnel.
N'oubliez pas : toutes les cusinières sont différentes - les températures de vos nouveaux jours peuvent être différentes de celles de votre ancienne cusinière.
Fonctionnement du Four
Fan Oven
Mettez le bouton du four sur la température requise « Fig 2,15 ». Levoyant du four restera allumé jusqu'à ce que le fouratteigne la température requise. Il s'allumera et s'eteindrapendant la cuisson.
Four Multifonctions
Le four multifonctions est doté de deux commandes, un sélecteur de fonction et un bouton de réglage de température « Fig 2,16 »
Tournez le sélecteur de fonction pour lemettre sur une fonction de cuisson. Mettez le bouton du four sur la température requise « Fig 2,17 »
Levoyant du four restera allumé jusqu'à ce que le four atteigne la température requise. Il s'allumera et s'éteindra pendant la cuisson pendant que le thermostat du four maintainé la température requise.
Fonctions du Four Multifonctions
Four Ventilé

Cette fonction commande le ventilateur et l'élement chauffant autour de celui-ci. Une chaleur uniforme est produit partout dans le four, ce qui permet la rapide de grandes quantités d'aliments.
La cuisson par four ventilé est particulièrement utile pour la cuisson simultanée d'aliments sur plusieurs grilles et est une excellente fonction « polyvalente ». Vous devrez peut-être diminuer la température de 10^ environ pour des plats que vous aviez l'habitude de cuire dans un four conventionnel.
Si vous souhaitez préchauffer le four, attendez que levoyant s'éteigne avant demettre le plat au four.
Gril Ventile

Cette fonction commande le ventilateur pendant que l'élement chauffant supérieur est en marche. On obtient ainsi une chaleur plus uniforme, moins
intense que celle d'un grill conventionnel. Pour obtenir lesailleurs résultats possibles, placez les alimentes à griller sur une grille sur un plat à rotin qui doit être plus petit qu'une l'échefrite de grill conventionnel. Ceci assure une(Meilleure circulation de l'air. Ce type de cuisson est idéal pour les morceaux de viande ou de poisson épais, car la circulation de l'air diminue l'intensité de la chaleur du grill.
La porte du four doit être fermée pendant la cuisson au grill pour éviter un gaspillage d'énergie.
Vous constaterez que vous devrez moins surveiller et tourner les alimentes cuits de cette façon. Ce type de cuisson nécessite un préchauffage du four. Pour obtenir les membresurs résultats, nous vous recommendons de ne pas placer le plateau du gril sur la grille la plus élevé.
Four Ventile Mixte

Cette fonction commande le ventilateur et brasse l'air.
chauffé par les éléments chauffants de la voûte et de la sole du four. Cette fonction, qui combine la cuisson
ventilée et la cuisson conventionnelle Chaleur Supérieure et Inférieure, est un moyen de cuisson idéal pour les alimentés volumineux gros roti, par exemple pour lesquels une cuisson complète est très importante.
On peut également faire cuire des plats simultanément sur deux grilles, mais les plats devront être intervertis pendant la cuisson, car, avec cette fonction, la chaleur est plus intense dans la voûte du four qu'au niveau de la sole.
Ce mode de cuisson est intensif et rapide; surveillez les alimentents cuits de la sorte jusqu'à ce que vous soyez familiarisé avec cette fonction.
Four Conventional Chaleur de Voute et de Sole

Cette fonction combine la chaleur fournie par les éléments supérieurs et inférieurs. Elle est particulièrement utile pour la cuisson d'aliments rôtis
et des pâtes à tartes, gâteaux et biscuits.
Les alimentés cuits sur la grille supérieure gratineront et doreront plusrapidement queceux placés sur la grille
inférieure car la chaleur est plus intense dans la voûte du four qu'au niveau de la sole, comme dans le cas de la fonction « Four Ventilé Mixte ». Des alimentéssemblables cuits de la sorte devront être intervertis pour cuire uniformément. Cette fonction permet donc de cuire des alimentés nécessitant des températures de cuisson différentes, en utilisant la partie moins chaude dans la partie inférieure du four et la partie plus chaude dans la partie supérieure du four.
L'élement supérieur exposé risquant de cuire certains alimentés trop rapidement, nous vous recommendons de placer les alimentés dans la partie inférieure du four. Vous devrez peut-être aussi diminuer la température du four.
Des alimentéssemblablescuits ainsidevrontetreintervertis pour cuire uniformement.
Elément Gratineur

Cette fonction utilise uniquement l'objet situé dans la VOUTE DU FOUR. C'est une fonction utile pour gratiner ou finir des gratins de pâtes, des légumes en t des lasagnes, le plat à gratiner étant déjà chaud mise en marche de l'objet supérieur.
Chaleur Inférieure

Cette fonction utilise uniquement l'élément inférieur.
Elle permettra de dorer le fond de votre pizza ou de votre quiche ou de terminer la cuisson d'un fond de
tarte sur une grille inférieure. C'est également une chaleur douce, parfaite pour le mjotage de plats placés au milieu du four ou pour réchauffer des assiettes.
Les fonctions Elément Gratineur et Chaleur Inférieure sont des adjonctions utiles à votre four et vous permettent de finir vos plats à la perfection. Vous constaterezrapidement que leur utilisation contribue àétendre vos compétences culinaires.
Décongélation

Avec cette fonction, le ventilateur du four brasse uniquement de l'air froid. Assurez-vous que la commande de température est réalisée sur 0^ et
qu'aucune chaleur n'est appliquée. Cette fonction permet de décongeler des alimentes, en petites quantités, par exemple desdesserts, gâteaux à la crème, morceaux de viande, poisson et volaille.
Ce type de décongélation accélère le processus de décongélation et protège les alimentés des mouches. Placez les morceaux de viande, poisson et volaille sur une grille, audressus d'une plaque prévue pour l'égouttement. N'oubliez pas de nettoyer la grille et la plaque après décongélation.
La porte du four doit être fermée pendant la décongélation.
Des alimentés plus volumineux, tels que des poulets entiers et des rôts, ne doivent pas être décongelés de cette façon. Nous vous conseillons de les décongeler au réfrigérateur.
Ne décongelez pas des alimentés dans un four tiède ou à côté d'un four en marche ou encore chaud.
Vérifiez que les alimentés à base de produits laitiers, la viande et la volaille sont complètement décongelez avant de les cuire.
François

«Fig2,18»

《Fig 2,19》

《Fig 2,20》

<Fig 2,21

《Fig 2,22》

《Fig 2,23》

《Fig 2,24》

《Fig 2,25》

《Fig 2,26》
Accessoires
Grilles de Four - Four Gauche Four Principal
Le four de gauche est équipé de deux plaques « Fig 2,18 »
Les grilles de four peuvent être facilement retirees et remises en place.
Tirez la grille vers l'avant jusqu'à ce que l'arrière de la grille soit arrêté par les butées d'arrêt laterales du four « Fig 2,19 »
Soulevez l'avant de la grille pour faire passer l'arrière de la grille sous la butée d'arrêt, puis tirez la grille vers l'avant « Fig 2,20 ».
Pour remettre la grille en place, mettez la grille à niveau avec une glissière latérale du four, puis insérez la grille à fond jusqu'à ce que les extrémités soient en contact avec la butée d'arrêt de la grille. Soulevez l'avant de la grille pour que les extrémités poussent dépasser les butées, puis abaissez l'avant pourmettre la grille à l'horizontal, avant de l'insérer à fond « Fig 2,21 »
Grilles de Four - Four Droit Four Haut
Le four haut est fourni avec quatre grilles de cuisson ordinaires « Fig 2,22», et une grille chauffe-plates « Fig 2,23 »
Lorsque vous utilisez le four haut, vous pouvez faire cuire des aliments sur les quatre grilles simultanément, mais veillez à ce que les plats soient bien écartsés les uns des autres pour permettre à l'air chaud de circuler.
Le Handyrack « Fig 2,24 » se monte uniquement sur la portedu four gauche. Il est facile de surveiller les alimentés faisantainsi car vous pouzey acceder lorsque la porte est ouverte.
Le Handyrack peut supporter un poids maximum de 5,5 kg. Il ne doit être utilisé qu'avce le plat à rôtin fourni, qui est spécialement concu pour être utilisé avec le Handyrack. Tout autre réciendent de cuisson risque d'être instable.
Vous pouze le monter sur deux positions. Retirez une des grilles et placez l'autre selon les besoin. Lorsque le Handyrack est utilisé sur sa position supérieure, d'autres plats peuvent être cuits sur une grille placée à la position inférieure ou place directement sur la sole du four.
Lorsque le Handyrack est utilisé sur sa position supérieure, d'autres plats peuvent être cuits sur une grille placée à la position inférieure ou placée directement sur la sole du four.
Pour monter le Handyrack, placez un côté sur le support de la porte « Fig 2,25 »
Extraire l'autre côté pour l'accrocher sur l'autre support « Fig 2,26 »
Eclairage du Four Principal
Appuyez sur le bouton approprié pour allumer l'éclairage du four « Fig 2,27 ». Si l'éclairage est défectueux, mettez la cuisine hors tension avant de changer l'ampoule. Pour des informations détaillées sur la façon de changer une ampoule de four, reportez-vous à la section « Dépannage »
Glissières Télescopiques
au four gauche optionnel
Pour installer la grille coulissant, accrocher l'avant de la grille sur les glissières comme illustré « Fig 2,28 ». L'arrête de la grille devrait reposer sur les glissières, devant la butée arrière « Fig 2,28 »
La grille coulissante et les glissières sont faciles à retarder ou repositionner.
Pour refirer la grille coulissante
Soulever 'arrière de la grille de façon à la dégager de la butée arrrière Ensuite, décrocher la grille du support de positionnement avant.
Pour-retirer les glissieres
Faire pression sur la base des glissières mouvement de torsion pour les dégager des supports de grille. Ensuite, décrocher la glissière du barreau supérieur du support de grille et la retirer « Fig 2,29 »
Pour réinstaller les glissières
Accrocher l'arrière de la glissière sur le barreau supérieur d'une paire de supports de grille. Ensuite, accrocher l'avant de la glissière sur le même barreau. Pousser le clip sous le barreau inférieur « Fig 2,30 »
S'assurer que les glissières sont installées dans la même position des deux cots « Fig 2,31 »
L'avant des glissières peut être identifié par le support « Fig 2,28 »

NE PAS metre les glissières au lave-vaisselle.




3. Utilisation de la grille coulissant





- Milieu haut - Tartine de fromage fondu, tranches de courgette, tranches de bacon plus épaisses.
- Milieu bas - Filets de poisson, brochettes de légumes.
- La plus éloignée de l'élement - poisson entier, côtes de porc épaisses, blancs de poulet, brochettes de poulet ou de bœuf
ATTENTION : Il est nécessaire de surveiller le processus de cuisson. Les processus de cuisson courts doivent etre surveillés de manière continue.
François
4. Conseils pour la Cuisson
Utilisation de Notre Cuisinière à Induction
Si vous n'avez jamais utilisé de cuisinière à induction, tenez compte des conseils suivants :
- S'assurer que les casseroles que vous avez ou avec achétées sont adaptées pour être utilisées sur les plaques à induction. L'accier inoxydable, l'accier en émail et la fonte sont des matérieliaux ideaux. Vérifiez une chose avant d'acheter des casseroles : leur fond doit être aimanté.
- Prenez le temps de vous familiariser avec la cuisson à induction qui, bien que douce, est une cuisson rapide et puissant. Lors du mjotage, vous remarquerez peut-être que le mjotage des liquides semble cesser puis reprendre presque immédiatement. Ceci est tout à fait normal.
- Vous pourrez entendre un léger bruit de vibration provenant des membres pendant la cuisson à induction. Lci aussi, ceci est tout à fait normal et dépendra du type et de la forme des membres utilisés.
- Les éléments chauffants à induction s'allument et s'éteignent pendant la cuisson. Meme si un foyer en marche semble s'éteindre et s'allumer, une chaleur constante continue d'être fournie au recipient de cuisson - ceci est tout à fait normal.
Conseils Généaux Pour la Cuisson au Four
Veillez à ce que les grilles soient toujours insérées à fond dans le four.
Placez les plaques de cuisson, plats à rôtin, etc., à niveau, au centre des grilles du four. Placez les autres plats au centre sur les grilles. Eloignez les plaques et les plats de cuisson des bords du four, afin de ne pas trop dorer les alimentés.
Pour un dorange homogène, laaille maximum recommandee de s plats est :
- profondeur: 340 mm (13 3/8") et largeur: 340 mm (13 3/8") dans le four principal.
- profondeur: 321 mm (12 5/8'' ) et largeur: 232 mm ( 91/8'' ) dans le four haut.
Lorsque le four est en marche, NE LAISSEZ PAS la porte du four ouverte plus longtemps que nécessaire, afin de prévenir une surchauffe des boutons de commande.
- Laissez toujours un « doigt de largeur » entre des plats placés sur une grille de four. Ceci afin de facilititer la circulation de chaleur autour des plats.
- Pour réduire les projections grasses lorsque vous ajoutez des légumes dans laGRAISSÉchaude autour d'un roti, séchez soigneusement les légumes ou enduisez-les d'un peu d'huile à friture.
- Placez les plats susceptibles de bouillir et déborderpendant la cuisson sur une plaque de cuisson.
- Le four produit assez de chaleur pendant la cuisson pour réchauffer des assiettes placées dans l'enceinte du grill.
- Si vous souhaitez dorer un fond de tarte, préchauffez une plaque de cuisson pendant 15 minutes avant de placer le plat au centre de la plaque.
- Les panneaux internes autonettoyants (voir la section « Nettoyage de la Cuisinière ») sont plus efficaces lorsqu'on évite les projections grasses. Couvrez la viande pendant la cuisson.
5. Tableau de cuisson
Les températures du four et les temps de cuisson sont fournis à titre indicatif uniquement. En fonction des goûts de chacun, les températures devront peut-être être modifiées dans un sens ou dans l'autre, pour obtenir les résultats que vous recherchez.
Dans un four ventilé les plats sont cuits à une température plus BASSE que dans un four traditionnel. Lorsque vous suivez une recette, réduisez la température indiquée de 10^ et le temps de cuisson de 5-10 minutes. La température dans un four ventilé ne varie pas selon la position dans le four - vous pouvez donc utiliser n'importe celle grille.

Position de Grille
- Avant la cuisson, décongelez complètement les viandes et volailles congelées.
Temperature Four Position Température Conventional ^ C deGrille Four Ventilé ^ C Temps de Cuisson Approximatif
| Vienne | |||||
| Bœuf | 160 | C | 150 | 30-35 minutes par 500g +30-35 minutes. | Farci et roulé - Ajoutezapproximativement 10 minutes/500gaux temps de cuisson ci-dessus oufaites cuire à 200°C pendant 20minutes, puis à 160°C pendant lereste de la cuisson. |
| 200 | C | 190 | 20-25 minutes par 500g +20-25 minutes. | ||
| Agneau | 160 | C | 150 | 30-35 minutes par 500g +30-35 minutes. | |
| 200 | C | 190 | 20-25 minutes par 500g +20-25 minutes. | ||
| Porc | 160 | C | 150 | 35-40 minutes par 500g +35-40 minutes. | |
| 200 | C | 190 | 25-30 minutes par 500g +25-30 minutes. | ||
| Volaille | |||||
| Poulet | 160 | C | 150 | 20-25 minutes par 500g +20-25 minutes. | Volaille farcie - Cuisson à 200°C ouà 200°C pendant 20 minutes, puis à160°C pendant le resté de lacuisson.Préemballée (fraîche ou congelée):Suivre les temps de cuissonindiqués sur l'emballage.Avant la cuisson, decongelezcompletement les rotis et volaillescongeles. |
| 200 | C | 190 | 15-20 minutes par 500g +15-20 minutes. | ||
| Dinde | 160 | C | 150 | 25-30 minutes par 500g +25-30 minutes. | |
| 200 | C | 190 | 20 minutes par 500g +20 minutes. | ||
| Canard | 160 | C | 150 | 25-30 minutes par 500g. | |
| 200 | C | 190 | 20 minutes par 500g. | ||
| Plat braisé | 140-150 | C | 130-140 | 2-4 heures selon la recette. | |
| Poisson | |||||
| 190 | C | 180 | Filet 15-20 minutes. Morceau entier 15-20 minutes par 500g. | ||
| 190 | C | 180 | Morceau entier 10 minutes par 500g +10 minutes. | ||
| 190 | C | 180 | Steaks selon l'épaisseur. | Utilisation du four conventionnel :lors de la cuisson sur deux niveaux,laisser au moins un espace entreles plaques.Placer la plaque de pâtisserie avecle bord avant le long de l'avant de lagrille de four.Lors de la cuisson à deux étages,les plaques doivent être inverséesaprès environ la moitié du temps decuisson. | |
| Gâteau | |||||
| Cake 100% fruits confits | 140 | C/B | 130 | 45-50 minutes par 500g de pâte. | |
| Fruits 180mm | 150 | C/B | 140 | 2-2,5 heures. | |
| Fruits 230mm | 150 | C/B | 140 | 3,5 heures. | |
| Gâteau quatre quarts 180mm | 180 | C | 170 | 20-30 minutes. | |
| Desserts | |||||
| Tarte pâté brisée | 200 | C | 190 | 30-40 minutes. | |
| Tourtes aux fruits | 180 | C | 170 | 30-40 minutes permutation après 25 minutes. | |
| Tartelettes | 180 | C | 170 | 15-20 minutes. | Il est possible de cusiner avecjusqu'à trois étages en même tempsdans un four à chaleur tournante,mais assurez-vous de laisser unespace entre chaque grille utiliséepour la cuisson |
| Pâté feuilletée | 220 | C | 210 | 20-40 minutes selon la taille. | |
| Meringues | 100 | C | 90 | 2-2,5 heures selon la taille. | |
| Pain | 220 | C | 210 | 20-30 minutes. | |
6. Nettoyage de la Cuisinière
Avant un nettoyage complet, mettez la cuisinière hors tension. Laissez-la refroidir.
N'utilise jamais de solvants pour peinture, de cristaux de soude, de nettoyants caustiques, de poudres biologiques, d'eau de Javel, de nettoyants chlorés, ni de produits abrasifs à gros grain ou de sel.
A Ne mélangez pas plusieurs produits nettoyants, car ils risquent de réagir entre eux et d'avoir des effets nocifs.
Toutes les parties de la cuisine ne peuvent etre lavées à l'eau savonneuse chaude, mais voirlez a prévenir toute infiltration d'eau dans I'appareil.
N'oubliez pas de remettre sous tension et de régler de nouveau l'horloge avant d'utiliser la cuisineire.
Table de Cuisson
Entretien Quotidien
Vérifiez tout d'abord que tous les indicateurs de chaleur résiduelle sont éteints et que la table de cuisson a refroidi. Appliquez une petite quantité de nettoyant semi-liquide pour surface vitrocéramique au centre de chaque zone à nettoyer. A l'aide de papier essuie-tout propre et humide, étalez le produit nettoyant sur la surface de cuisson. Pour finir, essuyez la surface avec du papier essuie-tout propre et sec.
Nettoyage des Débordements
En cas de déversement ou débordement accidentel pendant la cuisson, éteignez la cusinière et essuyez autour de la zone chaude avec du papier essuie-tout propre. Si les alimentés renversés (autres qu'une substance sucrée) se trouvent sur une zone chaude de la table de cuisson, attendez que cette-ci ait entièrement refroidi pour nettoyer et suivez les instructions ci-dessous (« Nettoyage des Déversements Brûlés »).
En cas de fonte accidentelle d'un objet ou de déversement d'aliments à force teneur en sucre (confiture, sauce tomaté, jus de fruit, etc.), ENLEVEZ IMMEDIATEMENT les aliments déversés à l'aide d'un racloir à lame pendant que la table est encore chaude.
IMPORTANT: Utilisez un gant isolant pour ne pas vous brûler.
Raclez le plus gros des alimentés déversés ou de toute matière qui aurait fondu sur la zone de cuisson et poussez-les vers une zone froide. Mettez ensuite la cusinière sur la position Arrêt [OFF] et laissez-la refroidir avant de continuer le nettoyage. Lorsque la surface de cuisson a refroidie et que les indicateurs de chaleur résiduelle sont éteints, suivez la procédure de nettoyage quotidien déscrite plus haut.

François

Fig. 6.2

Fig. 6.3

Fig. 6.4
Nettoyage des Déversements Brûlés
Vérifiez que les indicateurs de chaleur résiduelle sont éteints et que la table de cuisson a refroidi. Retirez toute matière brûlée à l'aide d'un racloir à lame simple. Tenez le racloir à un angle d'environ 30^ au-dessus de la surface et raclez pour éliminer les dépôts (Fig. 6.1).
Lorsque le plus gros a ete enleve a laide du racloir, suivez la procedure de nettoyage quotidien decrite plus haut.
Gril
Lavez la lèchefrite et la grille à l'eau savonneuse chaude. La lèchefrite peut aussi être lavée au lave-vaisselle
Après les grillades de viandes ou d'aliments salissants, faites tremper dans l'évier, pendant quelques minutes, immédiatement après la cuisson. Les taches tenaces sur la grille peuvent être enlevées à l'aide d'une brose en nylon.

Avant de retarder des composants du gril pour les nettoyer, assurez-vous qu'ils ont refroidi ou protégez-vous avec des gants isolants.
Procedez comme suit pour-retirer la l'echefrite à des fins de nettoyage.
Pour-retirer le support de la l'echefrite, tirez la l'echefrite vers l'avant.
Soulevez la l'echefrite du support. Le support est maintainu sur les glissieres laterales par deux clips de chaque cote (Fig. 6.2).
Pour chaque côté, soutenez la glissière latérale d'une main et, de l'autre, soulevez le support pour le dégager des clips lateraux (Fig. 6.3).
Par sécurité, repoussez les glissières laterales dans l'enceinte du grill.
Pour faciliter le nettoyage de l'enceinte du gril, vous pouze retarder les glissières laterales en les décrochant des côts de l'enceinte (Fig. 6.4) et essayer les côts avec un chiffon doux imbibé de détergent doux.

NE PAS utilise desubstances abrasives.

NE LAVEZ PAS les glissières laterales au lavevaisselle.
Après nettoyage, raccrochez les glissières laterales sur les côtes de l'enceinte du gril. Pour remonter le support, tirez les glissières laterales vers l'avant, et, pour chaque côté, soutenez la glissière et appuyez sur le support pour le réinsérer dans les glissières.
Gril à Induction (selon les modèles)

N'utilisez jamais de solvants pour peinture, de cristaux de soude, de nettoyants caustiques, de poudres biologiques, d'eau de Javel, de nettoyants chlorés, ni de produits abrasifs à gros grain ou de sel.

Ne mélangez pas plusieurs produits nettoyants, car ils risquent de réagir entre eux et d'avoir des effets nocifs.
Elle n'est pas adaptée à un nettoyage au lavevaisselle.
Sécurité Personnelle
Utilisez seulement des poignées ou mitaines sèches.
Panneau de Commande et Portes
N'utilisez pas des produits nettoyants abrasifs, y compris des produits nettoyants semi-liquides, sur les surfaces en acier inoxydable brossé. Les mêleurs résultats s'obtiennent avec des détergents liquides. Le panneau et les boutons de commande doivent être nettoyés uniquement avec un chiffon doux imbibé d'eau savonneuse chaude. Veiliez à prévenir toute infiltration d'eau dans l'appareil. ÀpRES nettoyage, lustrez à l'aide d'un chiffon sec.
Four Principal
Panneaux Autonettoyants du Four
Le four principal est doté de panneaux amovibles à revêtement émailé qui sont partiellement autonettoyants. Ceci n'empêche pas complètement la formation de taches sur le revêtement, mais réduit le nettoyage manuel nécessaire.
Le nettoyage automatique des panneaux est plus efficace à une température supérieure à 200^ . Si, en général, vous utilisez le four à des températures inférieures, retirez occasionallyment les panneaux et essuyez-les avec un chiffon non pelucheux imbibé d'eau savonneuse chaude. Séchez et replacez les panneaux dans le four chauffé à 200^ pendant environ une heures. Ceci assurera un bon fonctionnement des panneaux autonettoyants.
Déposer les panneaux pour nettoyer l'intérieur en émail
Si vous souhaitez nettoyer l'intérieur du four qui est en émail, vous devezPTRer les grilles avant d'enlever les parois. Il n'est pas nécessaire de PTRer les supports pour enlever les parois. Soulevez chaque paroi et dégagez-la en la faisant coulisser sur les supports (Fig. 6.5).
Une fois que les panneaux ont eté retirés, l'intérieur en émail du four peut etre nettoyé. Remontez dans l'ordre inverse.
A NE PAS utiliser de laine de fer, déponges-grattoir pour nettoyer les jours ou tout autre matériel pouvant rayer la surface.
Pour les réinstaller, procéder dans l'ordre inverse.
Four Haut
Pour nettoyer les parois du four, retirez les grilles, décrochez et retirez les supports latéraux (Fig. 6.6).


Tableau Nettoyage
Les produits nettoyants indiqués sont en vente dans les supermarchés ou les magasins d'accessoires électriques (Tableau 6.1).
Pour les surfaces émaillées, utilisez un produit nettoyant commande pour l'email vitrifé.
Un nettoyage régulier est recommandé. Pour faciliter le nettoyage, essuyez les taches immédiatement.
Tableau 6.1
| Table de Cuisson | ||
| Composant | Finition | Méthode de Nettoyage Recommendée |
| Surface de la table de cuisson | Émail ou acier inoxydable | Eau savonneuse chaude, chiffon doux. FrottezDoucement avec un tampon à récurer en nylon pour éliminer les taches tenaces. |
| Plaques électriques étanches | Fonte | Nettoyez la rouille et les résidus alimentaires à l'aide d'un tampon à récurer en paillé de fer savonnoux en frottant dans le sens du grain. Rincez et laissez sécher. Utilisez un produit renovateur pour plaques de cuisson (en vente dans les magasins d'accessoires électriques) pour rénover la couleur et protégger les plaques. |
| Table de cuisson céramique/induction | Verre trempé | Eau savonneuse chaude, nettoyant crème/tampon à récurer si nécessaire. |
| Plaque à griller (selon les modèles) | Surface antiadhésive | Laissez refroidir. Lavez à l'eau savonneuse chaude. N'utilise pas de produits nettoyants/tampons abrasifs. |
| Zone de réchauffage (selon les modèles) | Verre trempé | Eau savonneuse chaude, nettoyant crème/tampon à récurer si nécessaire. |
| Exterieur de la Cuisinière | ||
| Composant | Finition | Méthode de Nettoyage Recommendée |
| Porte, pourtour de portet et extérieur du tiroir de rangement | Émail ou peinture | Eau savonneuse chaude, chiffon doux.FrottezDoucement les tâches tenaces avec un détergent liquide. |
| Acier inoxydable | Chiffon multi-uses en microfibre (supermarché). | |
| Côtés et plinthe | Surface peinte | Eau savonneuse chaude, chiffon doux. |
| Dosseret /Grille arrête | Émail ou acier inoxydable | Eau savonneuse chaude, chiffon doux. Nettoyez soignement avec un produit nettoyant semi-liquide, si nécessaire. |
| Panneau de commande | Peinture, émail ou acier inoxydable | Eau savonneuse tiège. N'utilise pas de produits nettoyants abrasifs sur les caractères. |
| Boutons de commande/poignées et garnitures | Plastique / chrome ou cuivre / laiton laqué | Eau savonneuse tiège, chiffon doux. |
| Laiton | Produit de polissage pour laiton (supermarché). | |
| Vitre de portedou / Couvercle en verre | Verre trempé | Eau savonneuse chaude, nettoyant crème/tampon à récurer si nécessaire. |
| Four et Gril | ||
| Composant | Finition | Méthode de Nettoyage Recommendée |
| Parois, sole et voûte du four - PAS les PANNEAUX AUTONETTOYANTS (voir ci-dessous) | Émail | Tout produit nettoyant pour four utilisable avec l'émail.AKTENTION : PRODUITS NETTOYANTS CORROSIFS/CAUSTIQUES POUR FOURS : SUIVEZ LES INSTRUCTIONS DU FABRICANT.Evitez tout contact avec les éléments du four. |
| Panneaux autonettoyants de four (selon les modèles) | Émail spécial partiellement autonettoyant | Cette surface est autonettoyante à 200°C ou plus; vous pouze également retarder les panneaux et les nettoyer à l'eau savonneuse chaude et avec une brosse en nylon. |
| Grilles de four, Handyrack, grille de l'echefrite, Handygrill | Chrome | Tout produit nettoyant pour four utilisable avec le chrome. Tampon à récurer savonneux. Lave-vaiselle. |
| L'echefrite/Plat à viande (selon les modèles) | Émail | Eau savonneuse chaude. Tampon à récurer savonneux. Lave-vaiselle. |
7. Dépannage

NE PAS faire effectuer de modifications ou de réparations de la table de cuisson par des personnes non qualifiées. N'essayez pas de réparer la table de cuisson; vous risquez de vous blesser et d'endommager la table. Faites effectuer la réparation par une personne compétente.
REMARQUE: La table de cuisson à induction est dotée d'un système de diagnostic automatique et peut afficher ces diagnostics sur l'affichage des commandes de la table. Des codes d'erreur peuvent être affichés dans le cas d'un fonctionnement défectueux de la table de cuisson.
Les informations ci-dessous pourront vous être utiles pour remedier au problème en cas d'affichage d'un code d'erreur ou de fonctionnement défectueux de la cusinière.
Affichage du code d'erreur E2
L'unité électronique est trop chaude. Vérifiez l'installation de la cusinière, pour vous assurer que la ventilation en place est suffisante. Dans des cas extrêmes, ce code d'erreur peut être affché si un réseau de cuisson continue de fonctionner à sec après ébullition. En cas de doute, veuilles contacter votre installerateur ou un réparateur qualifié.
Absence d'affichage
Surtension ou absence de tension d'alimentation de la cusinière. En cas de doute, veuilles contacter votre installerateur ou un réparateur qualifié.
Affichage du code d'erreur U400
La plaque/ la cuisine est mal branchée. L'écran de commande va s'eteindre au bout d'1 seconde environ et le code d'erreur s'affichera en continu.
Utilisez-vous l'ustensile de cuisine adapté ? Veuillez vous reférer aux instructions d'utilisation sur la selection d'ustensiles de cuisine appropriés.
Affichage du code d'erreur Er suivi d'un chiffre
L'appareil présente un problème technique interne qui ne peut pas etre rectifie par I'utiliser.Veuillez contacter vous installerateur ou un reparateur qualifie.
Le fusible saute ou le disjoncteur différentiel est déclenché féquemment
Veuillez contacter votre installer ou un réparateur qualifié.
La table de cuisson ne se met pas en marche
Votre système électrique domestique a-t-il fait sauter un fusible ou déclenché un disjoncteur différentiel ?
La table de cuisson a-t-elle ete connectee correctement a l'alimentation secteur ?
La fonction verrouillage sécurité enfants a-t-elle ete activee? Voir la section Verrouillage sécurité enfants pour plusd'informations sur cette fonction.
La table de cuisson à induction est bruyante
Lors de l'utilisation de la table de cuisson à induction, un « bruit » peut être audible au niveau des foyers. Ceci est normal et peut être plus audible dans le cas d'une cuisson aux puissances maximes ou de l'utilisation simultanée des cinq foyers. Le type de recipient de cuisson peut aussi contribuer à ce « bruit »
Le ventilateur de refroidissement
La plaque à induction comprend un ventilateur de refroidissement. Le ventilateur est en action lorsque le grill ou le four sont allumés. Dans certaines conditions, le ventilateur peut rester en action lorsque le grill et le four sont éteints. Cela est normal et le ventilateur s'éteindra automatiquement.
Les commandes deviennent chaudes lorsque j'utilise le four ou le grill
Si les commandes deviennent excessivement chaudes lorsque la cusinière est en fonctionnement, alors le ventilateur peut avoir une défaillance. Si tel est le cas, veuillez contacter votre installerateur, un ingénieur de réparation qualifié ou le service client pour effectuer les réparations.
Une fissure est visible sur la surface de la table de cuisson
Mettez immédiatement la cusinière hors tension et faites-la réparer. N'utilisez pas la cusinière tant qu'elle n'a pas été réparée.
La table de cuisson est rayée
Utilisez toujours les méthodes de nettoyage recommendées dans les générées instructions, et voirlez à utiliser des recipients de cuisson à fond lisse et propre.
Les traces laissées par les dépôts mineraux dus à l'eau et aux alimentes, peuvent être éliminés à l'aide d'un produit nettoyant semi-liquide. Il n'est pas toujours possible d'éliminer les toutes petites rayures, mais celles-ci s'estomperont à la longue après plusieurs nettoyages.
Le ventilateur du four est bruyant
Le bruit du ventilateur peut changer pendant le chauffage du four - ceci est tout à fait normal.
Le gril ne cuit pas correctement
Utilisez-vous la l'echefrite et la grille fournies avec la cuisine ? Utilisez-vous la l'echefrite sur les glissières et non pas directement sur la surface inférieure de l'enceinte du grill ? La l'echefrite est-elle insérée à fond jusqu'à la butée arrête ?
Les boutons de commande deviennent chauds lorsque j'utilise le four ou le grill. Comment faire pour empêcher cela ?
Ceci est d'à la chaleur provenant du four ou du gril. Ne laissez pas la porte du four ouverte.
Lorsque vous utilisez le grill, assurez-vous que la l'echaflrite du grill est bien insereee jusqu'à la butée arriere.
François

Scheme 7,1

Scheme 7,2
Laissez toujours la porte de l'enceinte du grill ouverte pendant l'utilisation du grill.
En cas de problème concernant l'installation, si mon installateur d'origine ne peut pas venir résoudre le problème, à qui incombent les frais?
C'est à vous qu'incombent ces frais. Les sociétés d'entretien factureront leurs interventions si elles réparent une installation effectuee par votre installerur d'origine. Il est de votre intérêt de contacter votre installerur d'origine.
Les alimentés cièsent trop lentement, trop rapidement, ou brûlent
Les temps de cuisson peuvent être différents de ceux de votre ancien four. Vérifiez que vous utilisez les températures et positions de grilles de four recommends. Les températures du four et les temps de cuisson sont fournis à titre indicatif uniquement. En fonction des goûts de chacun, les températures devront peut-être être modifiées dans un sens ou dans l'autre, pour obtenir les résultats que vous recherchez.
L'éclairage du four ne fonctionné pas
L'ampoule a probablement grillé. Vous pouvez acheter une ampoule de rechange (non couverte par la garantie) dans un magasin d'accessoires électriques. Demandez une lampe halogène de 40 W - 230 V (G9) (Scheme 7,1).
Avant dePTRer l'ampoule existante, coupez l'alimentation electrique et assurez-vous que le four et I'ampoule aient refroidi.
Ouvrez la porte du four et retirez les grilles du four.
Retirez le couvercle de l'ampoule en tournant d'un quart de tour dans le sens inverse des aiguilles d'une montre. Cela peut s'avérer difficile (Scheme 7,2).
Tirez sur l'ampoule existante pour la prisoner. Lorsque vous manipuez l'ampoule de rechange, évitez de toucher le verre avec vos doigts, car cela peut provoquer une défaillance prématurée. Poussez l'ampoule de rechange jusqu'à entendre un cig.
Replacez le couvercle de l'ampoule en tournant d'un quart de tour dans le sens des aiguilles d'une montre.
La porte du four est alignée mal
La charnière inférieure de la main gauche la porte du four peut être réglée pour modifier l'angle de la porte (Séchéma 7,3). Desserrez les vis de fixation de la charnière inférieure, et utilisez le cran et un tournevis à lame plate pour changer la position de la charnière et la régler (Séchéma 7,4).
Resserrez les vis de la charnière.
La cuisson au four n'est pas uniforme
N'utilise pas de plat ou de plaque de cuisson de dimensions supérieures à celles indiquées dans la section « Conseils Généaux Pour la Cuisson au Four »
Dans le cas d'un grand plat, vous devrez peut-être le tournier pendant la cuisson.
Si vous utilisez deux grilles, vérifie qu'il y a assez de place pour permettre à la chaleur de circuler. Lorsque vous insérez une plaque de cuisson dans le four, voirlez à la placer au centre de la grille.
Vérifiez que le joint d'étanchéité de la porte n'est pas endommagé et que le loquet de porte est réglé de façon à ce que la porte soit bien appuyée contre le joint.
Un réseau d'eau place sur la grille doit avoir une profondeur uniforme. (S'il est plus profond à l'arrière, par exemple, l'arrière de la cusinière doit être levé ou l'avant de la cusinière abaiscé.) Si la cusinière n'est pas à niveau, demandez à votre fournisseur de la dette à niveau.
Avec le temps, la température du four de la cusinière devient plus chaude
Si le fait demettre le bouton de réglage sur une température inférieure n'a pas eu d'effet ou a eu un effet-temporaire, vous devrez peut-être replacer le thermostat. Cette intervention doit être effectuee par un spécialiste de l'entretien.


INSTALLATION
Une fois le travail terminé, vérifie que les alimentations d'électricité sont correctement rebranchées.
8. Installation
A l'intention de l'installateur
Avant de commencer l'installation, veuillez replir la fiche ci-dessous. Ceci permettra à votre client de vous contacter facilement en cas de problème relatif à l'installation.
| Nom de l'installateur |
| Société de l'installateur |
| Nombre de téléphine de l'installateur |
| Nombre de série d'appareils |
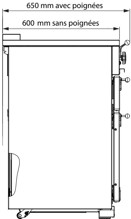
Mesures et règlements de sécurité

Cette cusinière doit être installée conformément aux instructions appropriées des générées et à la réglementation nationale et locale en vigueur, ainsi qu'aux prescriptions des compagnies d'électricité locales.

Cet apparéil doit être installé conformément à la réglementation en vigueur, et uniquement dans un endroit bien ventilé.

Lisez les instructions avant d'installer ou d'utiliser cet apparéil.

Cet apparéil est conçu uniquement pour un usage domestique. Toute autre utilisation n'engage ni la responsabilité, ni la garantie du fabricant.
Ventilation
Cet apparéil n'est pas raccordé à un dispositif d'évacuation des produits de combustion. Prétez particulièrement attention à la réglementation en vigueur concernant la ventilation.
Toutes les pieces nécessitent une fenêtre ouvrable ou un dispositif équivalent, et certaines pieces nécessitent une mise à l'air libre permanente en plus de la fenêtre ouvrable.
Emplacement de la cusinière
La cusinière peut être installée dans une cuisine/un salon-cuisine, mais PAS dans une piece contenant une baignoire ou une douche.
L'installation de la cusinière nécessitera l'emploi du matériel indiqué ci-dessous :
- Multimetre : Pour les contrôles électriques.
Vou aurez aussi besoin des outils suivants :
- Metre en acier
- Tournevis cruciforme
- Tournevis à lame plate
- Niveau à bulle
- Crayon
- Clé réglable
- 4 mm et 3 mm clé hexagonale
- Clé polygonale ou à douilles de 13 mm
Vérification des Pièces :
| L'échefrite et grille | 2 grille plate |
| Handyrack | Plat à rôtir |
| Grilles et supports de grilles de four haut | Gril à induction. |
| Stabilité emplacement support | 1x Glissières Télescopiques (optionnel) |
Positionnement de la Cuisinière
Fig. 8.1 et Fig. 8.2 indique les cotes minimales recommendées entre la cuisineire et les surfaces adjacentes
Ne placez pas la cuisineire sur un support.
Laissez un espace de 650mm au minimum entre la partie supérieure de la table de cuisson et une surface horizontally combustible.
- Toute hotte de cusinière doit être installée conformément aux instructions du fabricant de hotte.
**Tout revêtement doit être installé conformément aux instructions du fabricant. Une marge doit être appliquée pour le poids supplémentaire du conduit qui est installé sur la plaque chauffante de la cuisineire.
Les surfaces des meubles et des murs de chaque côté et à l'arrête de l'appareil doivent être résistantes à la chaleur, aux éclaboussures et à la vapeur. Certains types de meubles de cuisine en vinyle ou en stratifié sont particulièrement susceptibles aux risques de dommages thermiques et de décoloration. Nous déclinons toute responsabilité pour des dommages résultat d'une'utilisation normale de la cusinière et subis par des matériaux qui se décollent ou se décolorent à des températures de moins de 65^ au-dessus de la température ambiente.
Nous recommendons de laisser un espace de 910mm entre les unités pour permettre le déplacement de la cusinière.
Si la cusinière est pres d'un coin de la cuisine, un dégagement de 130 mm est nécessaire pour permettre l'ouverture des portes de fours (Fig. 8.3). La cote d'ouverture des portes est légèrement inférieure à ce dégagement, mais ceci inclut une marge de sécurité pour la protection des mains lors de l'ouverture de la porte.
Lors de l'installation entre des meubles de cuisine
Nous you recommendons :
A. D'installer la cusinière de sorte que les portes des meubles soient à au moins 30 mm derrière l'avant de la porte de la cusinière. Notez que ceci peut nécessiter un logement derrière la cusinière. Nous recommendons un écart de 910 mm entre les unités pour pouvoir déplacer la cusinière (Fig. 8.2). La cusinière ne doit pas être encastrée – elle doit pouvoir être déplacee vers l'avant et vers l'arriere pour le nettoyage et l'entretien.
B. Laissez un écart d'au moins 9 mm des deux côtés de la cusinière (un écart de 918 mm entre les unités). La cusinière doit être place au centre (Fig. 8.2).

Les cuisinières installées dans un renfonnement : Fig. 8.1 et Fig. 8.2 La cuisinière doit avoir un espace létal supérieur au niveau de la plaque de 75mm jusqu'à une hauteur de 410mm. Celui-ci peut être réduit à 25mm si la surface du mur létal est non-combustible.


INSTALLATION
Une fois le travail terminé, vérifie que les alimentations d'électricité sont correctement rebranchées.

Fig. 8.4


Fig. 8.5


Fig. 8.7

Fig. 8.8
Nous vous recommendons également de ne pas fixer définitivement de meubles adjacents jusqu'à ce que la cuisine est soit installée. Les moulages décoratifs ou les poignées des portes et de l'avant des meubles peuvent gérer l'ouverture des portes du four.
Déplacement de la cusinière

N'essayez jamais de déplacer la cuisine lorsqu'elle-ci est sous tension.

La cuisine est très lourde, faites très attention.
Nous recommendons de faire appel à deux personnes pour déplacer la cusinière. Assurez-vous que le revêtement du sol est solidement fixé en place ou retirez-le afin de ne pas l'abimer en déplaçant la cusinière.
Retirez le socle d'emballage en polystyrene. Depuis l'avant, inclinez la cuisinière vers l'avant et retirez la partie avant du socle d'emballage en polystyrene (Fig. 8.4).
Baissez les deux galets arriere
Pour ajuster la hauteur de l'arrière de la cusinière,mettre d'abord une clé à douille ou à crochet de 13 mm dans l'écrou hexagonal d'ajustement (Fig. 8.5).
Tourner l'écrou dans le sens horaire pour soulever et dans le sens antihoraire pour baisser. Effectuez 10 tours complets (360^) en sens horaire.
Veillez à abaisser les DEUX GALETS ARRIERE.
Montage de la stabilité Bracket
Nous recommendons d'utiliser un support de stabilité: fixez d'abord le dispositif de localisation de support à l'arrête de la cusinière (Fig. 8.6). Puis ajustez le support pour engager dans la fente de l'appareil (Fig. 8.7 et Fig. 8.8).
INSTALLATION
Une fois le travail terminé, vérifie que les alimentations d'électricité sont correctement rebranchées.
Exécution du mouvement
Dépliez le bord (carton) arrrière du plateau d'emballa.
Ouvrez la porte du gril et la porte du four s pour pouvoir avoir une bonne prise en main du fond du tableau de commande lorsque vous déplacez la cuisinière (Fig. 8.9).
Poussez la cusinière vers l'arrière avec précaution pour la dégager de son socle d'emballage. Retirez le plateau d'emballage.
Poussez la cuisine ne pres de sa position finale, en laissant juste assez de place pour pouvoir avoir accès à l'arrière (Fig. 8.10).

N'utilise pas les poignées de portes ou les boutons de commande pour déplacer la cuisineire.
Repositionnement de la cusinière après raccordement
Si vous nevez déplacer la cusinière après son raccordement, débranchez la cusinière, agrippez-la sous le panneau de commande et levez légèrement l'avant de la cusinière
(Fig. 8.6), puis vérifie à l'arrière de l'appareil que le cable d'alimentation n'est pas entravé. Pendant le déplacement de la cusinière, assurez-vous que le cable électrique et le tuyau de gaz ne sont pas entravés.
Lors de la remise en place de la cusinière, vérifiez de nouveau que le cable électrique et le tuyau de gaz ne sont pas entravés ou coincés.
Mise à niveau
Nous vous recommendons d'utiliser un niveau à bulle place sur une des grilles de four pour vérifier le niveau.
Placez la cusinière à l'emplacement prévu pour son installation, en veillant à ne pas exercer de force de torsion lorsque vous l'insérez entre les éléments de cuisine, pour ne pas l'endommager ou endommager les éléments.
Les supports avant et les galets arrêté réglables permettent la mise à niveau de la cuisine.
Pour ajuster la hauteur de l'arrière de la cusinière,mettre d'abord une clé à douille ou à crochet de 13 mm dans l'écrou hexagonal d'ajustement.
Pour ajuster la hauteur de l'avant de la cuisineire, tourner les pieds vissés dans le sens horaire pour soulever et dans le sens antihoraire pour baiser.


INSTALLATION
Une fois le travail terminé, vérifie que les alimentations d'électricité sont correctement rebranchées.
Disjoncteurs Differentials
L'utilisation conjointe de votre cusinière et d'autres appareils domestiques peut entraîner des disjonctions fortuites; par conséquent, nous recommendons de protégger la cusinière par un disjoncteur différentiel.
EN CAS DE DOUTE, CONSULTEZ UN ELECTRICIEN QUALIFIE.

Fig. 8.11

Fig. 8.12
Raccordement electrique
Cet apparéil doit être installé par un électricien qualifié, conformément à la réglementation en vigueur et aux prescriptions de la Compagnie d'électricité locale.

MISE EN GARDE : Cet apparéil doit être mis a la terre.
Remarque: La cusinière doit être raccordée à l'alimentation électrique correcte, indiquée sur l'étiquette de tension sur l'appareil, par le biais d'une unité de commande de cusinière appropriée à interrupteur bipolaire (avec une séparation de contact de 3 mm au minimum entre les pôles).

Cette cuisinière ne doit pas etre raccordee a une prise d'alimentation domestique ordinaire.
Pour acceder au bornier d'alimentation secteur, retirez le boitier électrique sur le panneau arrêté. Raccordez le cable d'alimentation secteur aux bornes correctes pour votre type d'alimentation électrique (Fig. 8.11 et Fig. 8.12). Vérifiez que les connecteurs sont montés correctement et que les vis des bornes sont bien serrées. Fixez le cable d'alimentation secteur à l'aide du serre-câble.
9. Montage Final
Installation de la Balustrade
En utilisant la clé Allen 2 mm fournie, dévisser les deux vis de fixation sur la base et le côté de balustrade. Installer le balustrade dans les socles de positionnement sur le panneau (Fig. 9.1).
Remarque : Les supports de poignée doivent indiquer vers le haut.
Pousser le support contre le panneau et visser les une vis de fixation. Vérifier que chaque support est sécurisé.
Positionner la balustrade dans les attaches du support. En utilisant la clé Allen 3 mm fournie, visser les une vis de fixation au bas de chaque extrémité de la balustrade pour sécuriser (Fig. 9.2).
Montage de la Plinthe
Retirez les trois vis pour les supports de la plinthe sur le bord avant inférieur de la cuisine (Fig. 9.3). Fixez la plinthe avec ces vis.
Contrôle de la Table de Cuisson
Contrôlez le fonctionnement de chaque brûleur (voir la section « Brûleurs de la Table de Cuisson »).
Contrôle du Gril
Tournez le bouton de commande du grill et vérifie que le grill commence àCHAuffer.
Contrôle des Fours
Allumez les fours. Vérifiéz que les ventilateursurs des fours se mettent en marche et que les fours commencent à chauffer. Eteignez le four.
Conseils à la Clientèle
Veuillez inscrite les informations vous concernant dans les générées instructions. De même, indiquez à l'utilisateur comment faire fonctionner la cuisine et remettez-lui les instructions.
Merci.



10. Schémas de Câblage

Table de Cuisson
| Code | Description |
| 1 | Element avantue gauche |
| 2 | Element arrêté gauche |
| 3 | Element avanté droit |
| 4 | Element arrêté droit |
| 5 | Element centrale |
| Code | Couleur |
| w/br | Blanc ou brun |
Four

Legende
Le raccord indiqué sur le schéma de câblage est pour une alimentation monophasée. Les capacités nominales sont pour 230 V 50 Hz.
Positions des composants vus de l'avant de la cuisineire
| Code | Description |
| X01 | Commutateur avant du grill |
| X02 | Régulateur d'énergie du grill |
| X03 | Éléments de grill de gauche |
| X04 | Éléments de grill de croite |
| X05 | Thermostat du four gauche |
| X06 | Gauche multi-fonction de commutation |
| X08 | Gauche élément de base du four |
| X09 | Élement de ventilateur de four gauche |
| X10 | Élement supérieur de four gauche (extérieur) |
| X11 | Élement supérieur de four gauche (intérieur) |
| X12 | Thermostat du four de croite |
| Code | Description |
| X14 | Commutateur avant du four de croite |
| X15 | Élement du four de croite |
| X16 | Ventilateur du four |
| X24 | Ventilateur de refroidissement |
| X26 | Voyant |
| X27 | Interrupteur thermique |
| X31 | Éclairage du four |
| X32 | Commutateur d'éclairage du four |
| Code | Couleur |
| b | Bleu |
| br | Brun |
| bl | Noir |
| or | Orange |
| r | Rouge |
| v | Voilet |
| w | Blanc |
| y | Jaune |
| g/y | Vert / jaune |
| gr | Gris |
François
11. Fiche Technique
A L'INTENTION DE L'INSTALLATEUR: Veuillez remetre les prsentes instructions à l'utilisateur.
EMPLACEMENT DU BADGE TECHNIQUE: Arrière de la cusinière, badge auxiliaire de numéro de série sous l'ouverture de la porte du four.
PAYS DE DESTINATION: GB, IE, FR, NL, DE, SE, BE.
Raccordements
| Électriques | 230/400V~50 Hz 3N |
Dimensions
| Identification du Modèle | Elise 90 Induction | |
| Hauteur hors tout | minimale 910 mm | maximale 935 mm |
| Largeur hors tout | 900 | |
| Profondeur hors tout | 600 mm sans poignées, 650 mm avec poignées | |
| Cote minimale au-dessus de la table de cuisson | 650 mm | |
Voir « Positionnement de la cusinière »
Puissances

Astuces d'économie d'énergie réchaud
Utiliser une batterie de cuisine avec une base plate.
Utiliser une batterie de cuisine à la bonne taille.
Utiliser une batterie de cuisine avec un couvercle.
Réduire la quantité de liquide ou deGRAisse au minimum.
Dés que le liquide commence à bouillir, baisser le feu.
La consommation repose sur G30.
Astuces d'économie d'énergie four
Cuisiner si possible les alimentes en meme temps.
Observer un temps de pre-cuisson court.
Ne pas prolonger le temps de cuisson.
Ne pas oublier d'eteindre l'appareil a la fin de la cuisson.
Ne pas ouvrir la porte du four en cours de cuisson.

Elise 90 Induction


François
Données d'efficacité du Réchaud
| Marque | Falcon |
| Identification du Modèle | Elise |
| Taille | 90 |
| Type | Induction |
| Type de Plaque | Induction |
| Nombre de zones électriques | 5 |
| Zone 1 - Ø cm | 18 |
| Technologie de chauffage | |
| Consommation d'énergie (cuisson ECElectric) - Wh/kg | 176 |
| Zone 2 - Ø cm | 18 |
| Technologie de chauffage | |
| Consommation d'énergie (cuisson ECElectric) - Wh/kg | 176 |
| Zone 3 - Ø cm | 21 |
| Technologie de chauffage | |
| Consommation d'énergie (cuisson ECElectric) - Wh/kg | 180 |
| Zone 4 - Ø cm | 18 |
| Technologie de chauffage | |
| Consommation d'énergie (cuisson ECElectric) - Wh/kg | 169 |
| Zone 5 - Ø cm | 14.5 |
| Technologie de chauffage | |
| Consommation d'énergie (cuisson ECElectric) - Wh/kg | 183 |
| Zone 6 - Ø cm | - |
| Technologie de chauffage | |
| Consommation d'énergie (cuisson ECElectric) - Wh/kg | - |
| Consommation d'énergie (plaque ECElectric) - Wh/kg (*) | 177 |
Les informations qui sont marquées par (*) ne sont pas nécessaires avec les plaques de cuisson à combustible mixte
Données du Four
| Marque | Falcon | |
| Identification du Modèle | Elise | |
| Type de four | Électrique | |
| Masse | kg | 118 |
| Nombre de cavités | 2 | |
| Efficacité énergétique côte gauche | ||
| Type de carburant | Électrique | |
| Type de cavité | Multifonction | |
| Courant - Par convention | 2.2 | |
| Courant - Convection forçée | 2.5 | |
| Volume | Litres | 79 |
| Consommation d'énergie (électricité) - conventionnelle | kWh / cycle | 1.01 |
| Consommation d'énergie (électricité) - convection forçée | kWh / cycle | 0.88 |
| Indice d'efficacité énergétique - conventionnelle | 114 | |
| Indice d'efficacité énergétique - convection forçée | 100 | |
| Classé énergétique | A | |
| Efficacité énergétique côte croite | ||
| Type de carburant | Électrique | |
| Type de cavité | Four éventées | |
| Courant - Par convention | - | |
| Courant - Convection forçée | 2.5 | |
| Volume | Litres | 67 |
| Consommation d'énergie (électricité) - conventionnelle | kWh / cycle | - |
| Consommation d'énergie (électricité) - convection forçée | kWh / cycle | 0.79 |
| Indice d'efficacité énergétique - conventionnelle | - | |
| Indice d'efficacité énergétique - convection forçée | 95.6 | |
| Classé énergétique | A | |
| Informations supplémentaires | |
| Ce four est conforme à la norme EN 60350-1 | |
| Rendement maximum @ 230 V 50 Hz | |
| Convention | 2.2 kW |
| Multifonction | 2.5 kW |
| Variante de four multifonction (avec réponse rapide) | - |
| Convection forceée | 2.5 kW |
| Gril | 2.3 kW |
| Four lent | - |
| Tiroir pour calibrage du pain | - |
| Charge électrique totale maximum à 230 V (total approximatif, y compris les lumières du four, le ventilateur du four, etc.) | 14.8 kW |
SERVICE CLIENT / PANNE HORS GARANTIE
Si vous avez des questions sur les produits ou en cas de probleme avec votre apparéil une fois installé, veuillez contacter SFG au 04 88 78 11 03 ou par mail : agafalcon@sfg.fr
Horaires : Du lundi au vendredi de 8h30 à 19h et le samedi de 8h30 à 13h
GARANTIE
Nos apparèils sont garantis, selon nos conditions générales de vente, ainsi : (hors accessoires et pièces esthétiques), en France métropolitaine et Corse
| MÉTROPOLITAIÈNE | TYPE | GAMME | MODELE / FAMILLE | GARANTIE PIEÇES | GARANTIE MO |
| FALCON | Pianos de cuisson | Games:Traditionnelle/Contemporaine | Classic / Classic Deluxe / Elan Deluxe / Elise / Encore Deluxe / Esprit / Infusion / Kitchener / Nexus / Professional | 2 ans | 2 ans |
| FALCON | Pianos de cuisson | Gamine Semi Pro | CONTINENTAL / DELUXE / 900S / MERCURY | 3 ans | 2 ans |
| AGA | Pianos de cuisson | Masterchef Deluxe | Masterchef Deluxe | 5 ans | 2 ans |
| AGA | Pianos de cuisson | Autres modèles AGA | Er7 / Er3 / Dual control / City 60 | 5 ans | 1 an |
| FALCON/AGA | Hottes | Toutes | tous | 2 ans | 2 ans |
| FALCON/AGA | Réfrigérateurs | Toutes | tous | 2 ans | 2 ans |
| FALCON/AGA | Crédences | Toutes | tous | 2 ans | 2 ans |
La garantie couvre les défauts de fabrication reconnus par le Fabricant.
Les accessoires et les pieces esthetiques sont des éléments qui ne gènent pas le fonctionnement de l'appareil. Ils sont considérés comme consommables et sont exclus de la garantie.
PANNE SOUS GARANTIE
Après constatation de la panne, dans un délambda maximum selon tableau ci-dessus, suivant l'achat, le consommateur ou son revendeur adressera une demande de réparation en indiquant la référence de l'appareil (le numéro de série se trouvant sur la plaque signalétique), la panne constatée « ne fonctionne pas » n'est pas considéré comme une panne), accompagnée de sa facture d'achat (ticket de caisse). Cette demande doit être adressée à agafalcon@sfg.fr
A réception de la totalité des éléments et après validation de la panne soumise, une demande d'intervention sera transmise auprès de la station technique agrée la plus proche du domicile du consommateur qui convendra avec le consommateur d'un rendez-vous (en France continentale, corse et hors adresse non accessible par vehicule terrestre).
Le déplacement pour un apparéil ne représentant pas de panne ou représentant une clause d'exclusion pourra être facturé au consommateur.
CASSE AU DEBALLAGE
Lors de la réception de l'appareil et après déballage, le client doit détailler, sur le bon du transporter, en présence du transporter et avant signature, tous les dommages liés au transport.
Il convient de nous adresser, sous 48h après réception, la copie du bon de transport émargé, l' explicatif détaillé (accompagné de photos) des dommages subis par l'appareil ainsi que la facture d'achat, par mail avec.accusé de réception à exportsales@ agarangemaster.co.uk copie fbelème@agarangemaster.co.uk
PIECE MANQUANTE AU DEBALLAGE
La demande est à effectuer auprès de FALCON France par mail adv@eurosav.fr sous 72h impérativement, à réception de l'appareil. Toute demande devra être accompagnée du numéro de série du produit, de la facture d'achat et de photos. Àpres examen du dossier, un devis vous sera adressé ou une prise en charge vous sera confirmée.
PIECE CASSEÉ OU ABIMÉE AU DEBALLAGE
Nous vous invitons à en faire la demande auprès de FALCON France par mail adv@eurosav.fr sous 72h impérativement, à réception de l'appareil. Toute demande devra être accompagnée du numéro de série du produit, de la facture d'achat et de photographies de la piece concernée. En aucun cas, les avaries liées au transport/manutention n'entraineront la responsabilité de FALCON France.
PIECES DETACHEES
Les pièces détachées indispensablees à l'utilisation des apparéils (hors pièces esthétiques, qui elles, sont disponibles pendant 4 ans) seront disponibles pour une durée de 8 ans après la fabrication de ces produits. Elles sont disponibles auprès de la société EUROSAV. Toute demande de piece détachée doit être adressée par mail à adv@eurosav.fr en précisant
- Référence de l'appareil
- Facture d'achat
- Numéro de série
- Pièce demandée
Photos
Dans le cadre d'une panne sous garantie, les pieces techniques (électriques, mécaniques ou electro-mécaniques) seront expediées gratuitement port compris.
Les pièces non couvertes par la garantie (pièces non techniques, accessoires, pièces esthétiques, consommables) feront l'objet d'un devis.
Si le produit est hors garantie (voir tableau "GARANTIE"), un devis vous sera adressé.
PIECES CONSOMMABLES, exponents :
- Paroi catalytique
- Ampoule déclairage (de four ou de hotter)
- Filtre de hotte (metallique ou charbon)
L'usage professionnel est exclu.
Ne sont pas couverts, les dommages ou les pannes suivants :
- Causes par le fait que l'utilisateur ne se sera pas conformé aux règles de prescription imposées par les organismes de distribution d'eau, de gaz et d'électricité,
- Causes par le fait que l'utilisateur ne se sera pas conformé aux règles de prescription imposées par AGA RANGEMASTER FALCON,
- Consécutifs à un mauvais entretien, à une erreur d'utilisation, au non-respect des instructions d'installation, d'entretien et/ou de stockage,
- Liés à l'usage anormal ou à l'usure normale du bien,
- Necessitant le remplacement de consommables tels que, par exemple : filtres, joints, ampoules, pieces exclues de la garantie,
- Necessitant le remplacement de pieces esthétiques, exclues de la garantie,
- N'entravant pas le bon fonctionnement du Produkt (ex. les dommages esthétiques tels que les rayures, tâches, égratignures),
- Relatifs aux accessoires,
- Consécutifs à une exposition à des conditions extérieures affectant l'appareil (exemple : corrosion, humidité excessive), à une variation anormale de la tension électrique,
- Liés à un choc, une casse, une chute, l'insertion de corps étrangers, ou à la transformation des Produits, et plus généralement imputables à des causes d'origine externe,
- Ayant donné lieu à une intervention sur le Produit, effectué par un personnel non qualifié ou une entreprise non agrée par AGA RANGEMASTER FALCON,
- Ayant donné lieu à une intervention réalisée avec des pieces de rechange non d'origine ou non agréées par AGA RANGEMASTER FALCON.
| Nom et Référence du Produkt* |
| Numéro de série du produit* |
| Type de combustible de la table de cuisson* Gaz de ville □ Gaz bouteille(Butane/Propane) □ ELECTrique |
| Nom et adresse du revendeur : |
| Date d'achat : |
| Nom et adresse de l'installateur : |
| Numéro de téléphone de l'installateur : |
| Date d'installation : |
Cas informationes sont situées sur la plaque signalétique du produit. Veuillez vous reporter au mode d'emploi pour en connaître l'emplacement (chapitre "Fiche Technique")
Notice Facile