TTB705BDS - Scie à ruban TITAN - Notice d'utilisation et mode d'emploi gratuit
Retrouvez gratuitement la notice de l'appareil TTB705BDS TITAN au format PDF.
| Type de produit | Scie à ruban |
| Caractéristiques techniques principales | Scie à ruban avec moteur puissant, conçue pour des coupes précises dans divers matériaux. |
| Alimentation électrique | 230 V, 50 Hz |
| Dimensions approximatives | Longueur : 100 cm, Largeur : 50 cm, Hauteur : 120 cm |
| Poids | 75 kg |
| Compatibilités | Compatible avec divers types de lames de scie à ruban standard. |
| Tension | 230 V |
| Puissance | 750 W |
| Fonctions principales | Coupes droites, courbes et angles, ajustement de la vitesse de coupe. |
| Entretien et nettoyage | Nettoyer régulièrement la lame et les surfaces de travail, vérifier l'alignement de la lame. |
| Pièces détachées et réparabilité | Disponibilité de pièces de rechange pour un entretien facile et une réparation rapide. |
| Sécurité | Utiliser des lunettes de protection, des gants et s'assurer que la machine est débranchée lors des réglages. |
| Informations générales utiles | Lire le manuel d'utilisation avant la première utilisation pour garantir une utilisation correcte et sécurisée. |
FOIRE AUX QUESTIONS - TTB705BDS TITAN
Questions des utilisateurs sur TTB705BDS TITAN
0 question sur cet appareil. Repondez a celles que vous connaissez ou posez la votre.
Poser une nouvelle question sur cet appareil
Téléchargez la notice de votre Scie à ruban au format PDF gratuitement ! Retrouvez votre notice TTB705BDS - TITAN et reprennez votre appareil électronique en main. Sur cette page sont publiés tous les documents nécessaires à l'utilisation de votre appareil TTB705BDS de la marque TITAN.
MODE D'EMPLOI TTB705BDS TITAN
AVERTISSEMENT ! Lisez ce mode d'emploi avant d'utiliser l'appareil !
BX220IM
Pour
commencer…
Ces instructions sont destinées à votre sécurité. Veuillez les tire attentivement avant toute utilisation et conservez-les pour référence ultérieure.

Mise en route... 02
Votre produit 03
Informations techniques et legales 05
Avant de démarrer 13

Plus en détaill... 23
Fonctions du produit 24
Entretien et maintenance 34
Dépannage 37
Recyclage et mise au rebut 39
Garantie 40
Déclaration de Conformité CE 42

Votreproduit

- Orifice d'échéppement de poussière
- Bouton de réglage d'angle
- Bouton de réglage du guide de lame
- Bouton de verrouillage
- Panneau inférieur avant
- Table de travail
- Guide longitudinal
- Interrupteur marche / arrêt
- Panneau supérieur avant
- Bouton de tension de la lame
- Fenêtre de visualisation d'alignement
-
Carter de lame
-
Lame de scie
- Guide d'onglet
- Extension de support
- Vis de verrouillage du capot
- Pied
- Levier de tension de la lame
- Bouton d'alignement
- Échelle
- Indicateur d'échelle
- Levier de verrouillage de table
- Baton pousoir
Dispositifs de sécurité
Carter de lame [12]
Protège l'opérateur de tout contact avec la lame.
Baton pousoir [23]
Toujours utiliser le baton pouvoir pour amener la piece jusqu'à ce qu'elle soit dégagée de la table.
techniques
Généralités
Tension nominale : 220-240V~50Hz
Puissance nominale : 350W
Vitesse : 11,6m/s
Classe de protection : Classe I
Longueur de la lame : 1575mm
Largeur de la lame : 6.35mm
Taille de la table : 305 × 305mm
Largeur de coupe max. : 230mm
Profondeur de coupe max. : 80mm
Poids net : 18kg
BRUIT
Niveau de pression acoustique L_pA 83dB(A)
Niveau de puissance acoustique L_WA 96dB(A)
3dB(A)
Le niveau d'intensité sonore pour l'opérateur peut dépasser 80 dB(A) et il est nécessaire de porter des protections auditives.
Remarque importante
Débrancher la fiche secteur de la prise avant toute opération de réglage ou d'entretien.
S'assurer que la tension d'alimentation corresponde à cette indiquée sur la plaque signalétique de votre outil.
Les informations suivantes ne concernent que les utilisateurs professionnels mais sont de bonnes pratiques pour tous les utilisateurs :
AVERTISSEMENT DE SECURITE RELATIF À LA POUSSIÈRE DE CONSTRUCTION
La silice est un minéral naturel créé en grandes quantités dans les éléments tels que le sable, le grès et le granit. Elle est également souvent présente dans de nombreux matériaux de construction tels que le beton et le mortier. La silice est pulverisée en une poussière très fine (également connue sous le nom de silice cristalline alveolaire) lors de nombreuses tâches courantes telles que la découverte, le perçage et le meulage. L'inhalation de très fines particules de silice cristalline peut entraîner le développement :
De plus, l'inhalation de particules fines de poussière de bois peut entraîner le développement de l'asthme. Le risque de maladie pulmonaire concerne les personnes qui respirent régulièrement de la poussière de construction sur une
periode prolongée, et non lors d'occasions isolées.
Afin de protégier les poumons, la loi relative à la maitrise des substances dangereuses pour la santé (COSHH) définit une limite pour la quantité de ces poussières que vous pouvez respirer (appelée Limité d'exposition sur le lieu de travail ou WEL) en moyenne sur une journée de travail normale. Cette limite de quantité de poussières est très faible : en comparaison, elle est plus petite qu'un centime, aussi petite qu'une pincée de sel.
Cette limite est la quantité maximalé légale, le maximum pouvant être respiré après application des contrôles ajustats.
Comment réduire la quantité de poussière ?
- Réduire la quantité de coupe en utilisant les valeurs tailles de produits de construction.
- Utiliser un outil moins puissant, par exemple un coupe-bloc au lieu d'une meuleuse d'angle.
- À l'aide d'une méthode de travail complètement différente, par exemple en utilisant une clôueuse pour fixer directement les chemins de câbles au lieu de percer des trous d'abord.
Toujours veiller à travailler avec un équipement de sécurité agréé, tel que les masques anti-poussière spécialement conçus pour filtrer les particules microscopiques, et utiliser systématiquement le système d'extraction de la poussière.

Avertissement : certaines particules de poussière créées par le ponçage mécanique, le sciage, le meulage, le perçage et d'autres travaux de
construction contiennent des produits chimiques réputés cancérigènes et entrainant des malformations congénitales ou d'autres effets nocifs pour la reproduction. Quelques exemples d'éléments chimiques :
- Le plomb issu de peintures au plomb.
- La silice cristalline issue de briques, de ciment et d'autres produits de maconnerie.
L'arsenic et le chrome issus du bois traité chimiquement.
Le risque provenant de l'exposition à ces produits varie en fonction de la fréquence d'exécution de ce type de travaux. Pour réduire l'exposition à ces produits chimiques :
- Travailler dans une zone bien ventilée.
- Travailler avec un équipement de sécurité agreeé, comme un masque anti-poussière spécialement concu pour filtrer les particules microscopiques.
VIBRATION
La directive européenne sur les agents physiques (vibrations) a été introduite pour réduire les blessures dues au syndrome des vibrations main-bras occasionnées aux utilisateurs d'outils électriques. La directive oblige les fabricants et fournisseurs d'outils électriques à fournir des résultats de test de vibrations à titre indicatif pour permettre aux utilisateurs de prendre des décisions éclairées quant à la durée pendant laquelle un outil électrique peut être utilisé quotidiennement en toute sécurité et quant au Choix de l'outil.
VOIR LES SPECIFICATIONS TECHNIQUES DANS LE MANUEL D'INSTRUCTIONS POUR LES NIVEAUX DE VIBRATIONS DE VOTRE OUTIL.
Les valeurs d'émissions de vibrations déclarées doivent être utilisées comme un niveau minimum et ne doivent pas être utilisées avec les recommendations actuelles sur les vibrations.
Les émissions de vibrations déclarées ont été mesurées conformément au test standard mentionné ci-dessus et peuvent être utilisées pour comparer un outil à un autre outil.
La valeur d'émission de vibrations déclarée peut également être utilisée lors d'une évaluation préliminaire d'exposition.

Avertissement : la valeur d'émission de vibrations lors de l'utilisation réelle de l'outil électrique peut différer de la valeur déclarée selon la manière
dont l'outil est utilisé. Voici des exemples de conditions pouvant occasionner une différence :
La façon dont l'outil est utilisé et dont les matériaux sont coupés ou percés.
L'etat et le bon entretien de l'outil.
L'utilisation de l'accessoire adapté à l'outil et le maintien de l'affutage et du bon état de l'outil.
La force de la prise sur les poignées.
L'utilisation de l'outil conformément à l'usage auquel il est destiné et à ces instructions.
Lors du travail avec cet outil électrique, des vibrations au niveau des mains et des bras sont ressenties. Adopter des pratiques de travail correctes afin de réduire l'exposition aux vibrations. Cet outil peut occasionally le Syndrome des vibrations main-bras s'il n'est pas utilisé correctement.

Avertissement : identifier des mesures de sécurité pour protégger l'opérateur, basées sur une estimation de l'exposition dans des conditions réelles
d'utilisation (en tenant compte de toutes les parties du cycle de fonctionnement, par exemple, lorsque l'outil est eteint et lorsqu'il fonctionne en mode ralenti en plus du temps de déclenchement). Remarque : l'utilisation d'autres outils réduit le temps de travail total des utilisateurs sur cet outil.
Contribution à la diminution du risque d'exposition aux vibrations. TOUJOURS utilise des burins, forets et lames aiguisés.
Entretenir cet outil conformément à ces instructions et le conserver bien lubrifié (le cas échéant).
Éviter d'utiliser des outils à des températures de 10^ ou inférieures. Planifier votre employé du temps pour répartir toute utilisation d'un outil à fortes vibrations sur un certain nombre de jours.
Surveillance medicale
Tous les employés doivent suivre un programme de surveillance Médicale de l'employeur pour permettre d'identifier à un stade précocce les éventuelles affections liées aux vibrations, et ainsi empêcher l'évolution de la maladie et aider les employés à poursuivre leur travail.
Symboles
Sur l'appareil, sur la plaque signalétique et dans le mode d'emploi, vous trouvezez entre autres les symboles et abréviations suivants. Familiarisez-vous avec leur signification afin de réduire les risques de dommages corporels et matériels.
V~ Volt
Hz Hertz
W Puissance d'entrée
kg Kilogramme
min-1 Par minute
dB(A) Decibel (pondéré A)
yyWxx Code de la date de fabrication : année de fabrication (20yy) et semaine de fabrication (Wxx);

Avertissement / Danger

Porter des protections auditives.

Lire le mode d'emploi.

Porter des protections oculaires.

Porter des gants.

Porter un masque antipoussière.

Tenir les mains éloignées de la lame.

Éteindre et déconnecter l'appareil de la source d'alimentation avant de le ranger, de le transporter et d'effectuer toute manipulation de montage, de nettoyage, de réglage et d'entretien.

Ce produit est conforme aux directives européennes applicables et a subi un test de conformité avec les directives en question.

Symbole DEEE. Les produits électriques usages ne doivent pas être jetés avec les ordures menagères. Apportez le produit à un endroit où il pourrait être recyclé. Pour plus d'informations sur le recyclage, adressez-vous au magasin d'achat ou aux autorités de votre commune.
TTB705BDS
Désignation de l'outil (TTB - TITAN, BDS - Scie a ruban, 705 - Numéro de version)
Mises en garde
AVERTISSEMENTS DE SECURITE GENERAUX POUR L'OUTIL

AVERTISSEMENT! Lire tous les averissements de sécurité et toutes les instructions. Ne pas suivre les averissements et instructions peut donner lieu à un choc électrique, un incendie et/ou une blessure sérieuse. Conserver tous les averissements et toutes les instructions pour pouvoir s'y reporter ultérieurement.
À CONSERVER POUR CONSULTATION ULTÉRIEURE
- Maintainir la zone de travail propre.
Les zones en désordre et les établis sont propices aux accidents.
-
Tenir compte de l'environnement de la zone de travail.
Ne pas exposer les outils à la pluie.
Ne pas utiliser les outils dans des milieux mouillés ou humides.
Maintainir la zone de travail bien éclairée.
Ne pas utiliser les outils en présence de liquides ou de gaz inflammables. -
Protection contre les chocs électriques.
Eviter tout contact corporel avec des surfaces mises ou reliées à la terre (par exemple canalisations, radiateurs, cusinières, réfrigérateurs).
- Maintainir les autres personnes éloignées.
Ne pas laisser les personnes, notamment les enfants, non concernées par le travail en cours, toucher l'outil ou le prolongateur, et les maintainir éloignées de la zone de travail.
- Entreposer les outils au repos.
Lorsquils ne sont pas utilisés, il convient d'entreposer les outils en un lieu fermé et sec, hors de la portée des enfants.
- Ne pas forcer l'outil.
Il réalisera最喜欢 le travail et de manière plus sure au régime pour lequel il a été créé.
-
Utiliser le bon outil.
Ne pas forcer les petits outils pour qu'ils effectuent le travail d'un outil industriel.
Ne pas utiliser les outils à des fins non prévues, par exemple, ne pas utiliser de scies circulaires pour couper des branches d'arbre ou des billes de bois. -
Porter des vêtements appropriés.
Ne pas porter de vêtements amples ou de bijoux, car ils peuvent être pris dans des parties en mouvement.
Le port de chaussures antidérapantes est recommendé pour les travaux en extérieur.
Porter un dispositif de protection des cheveux destiné à contenir les cheveux longs.
- Utiliser un équipement de protection.
Utiliser des lunettes de sécurité.
Utiliser un masque normal ou antipoussières si les opérations de travail générent de la poussière.
- Connecter l'équipement pour l'extraction des poussières.
Si l'outil est fourni pour le raccordement des équipements pour l'extraction et la récapération des poussières, s'assurer qu'ils sont raccordés et correctement utilisés.
11. Ne pas utiliser le cable/cordon dans de mauvaises conditions.
Ne jamais exercer de saccades sur le cable/cordon afin de le déconnecter de la fiche de prise de courant. Maintenir le cable/cordon à l'écart de la chaleur, de tout lubrifiant et de toutes arêtes vives.
12. Fixation de la pièce à usiner.Utiliser, dans toute la mesure du possible, des pince ou un etau afin de maintainir la pièce à usiner. Cette pratique est plus sure que l'utilisation des mains.
13. Ne pas adopter d'attitude exagérée.
Garder une position et un équilibre adaptés à tout moment.
14. Entretenir les outils avec soin.
Garder les outils de coupe affutés et propres pour des performances importantes et plus sûres.
Suivre les instructions de graissage et de remplacement des accessoires.
Examiner les cables/cordons des outils de manière régulière et les faire réparer, lorsqu'ils sont endommagés, par un service d'entretien agréé.
Examiner les prolongateurs de manière régulière et les remplacer s'ils sont endommages.
Maintainir les poignées sèches, propres et exemples de tout lubrifiant et de touteGRAISSE.
15. Déconnecter les outils.
Déconnecter les outils de l'alimentation lorsqu'ils ne sont pas utilisés, avant leur entretien et lors du remplacement des accessoires, tels que lames, forets et organes de coupe.
16. Retirer les clés de réglage.
Prendre l'habitude de vérifier si les clés et autres organes de réglage sont retirés de l'outil avant de lemettre en marche.
17. Eviter tout démarrage intempestif.
S'assurer que l'interrupteur est en position « arrêt » lors de la connexion.
18. Utiliser des câbles de raccord extérieurs.
Lorsque l'outil est utilisé à l'extérieur, utiliser uniquement des prolongateurs destinés à une'utilisation extérieure et compteant le marquage correspondant.
19. Rester vigilant.
Regarder ce que vous étés en train de faire, faire preuve de bon sens et ne pas utiliser l'outil lorsque vous étés fatigué.
20. Vérifier les parties endommagées.
Avant d'utiliser l'outil à d'autres fins, il convient de l'examiner attentivement afin de déterminer qu'il fonctionnera correctement et accomplira sa fonction prévue.
Vérifier l'alignement ou le blocage des parties mobiles, ainsi que l'absence de toutes pieces cassées ou de toute condition de fixation et autres conditions, susceptibles d'affector le fonctionnement de l'outil.
Il convient de réparer ou de remplaçer correctement un protecteur ou toute autre partie endommagée par un centre d'entretien/agréé, sauf indication contraire dans leprésent manuel d'instructions.
Faire replacer les interrupteurs défectueux par un centre d'entretien agréé.
Ne pas utiliser l'outil si l'interrupteur ne permet pas de passer de l'état de marche à l'état d'arrêt.
21. Avertissement.
L'utilisation de tout accessoire ou de toute fixation autre que celui ou celle recommandé(e) dans leprésent manuel d'instructions peut partager un risque de blessure des personnes.
22. Faire réparer l'outil par une personne qualifiée.
Cet outil électrique satisfait les règles de sécurité correspondantes. Il convient que les réparations soient effectuées uniquement par des personnes qualifiées en utilisant des pieces de rechange d'origine. A défaut, cela peut exposer l'utilisateur à un danger important.
SURVEILLANCE MÉDICALE
Avertissement! Les travaux de perçage, ponçage, sciage ou meulage produit des particules de poussière. Dans certains cas, selon les matériaux travaillés, cette poussière peut être particulièrement dangereuse pour la santé (p. ex. le plomb liént dans une ancienne peinture laquée). Nous vous conseillons de tener compte des risques liés aux matériaux avec lesquels vous travailliez et de réduire le risque d'exposition. Vous devriez :
Travailler dans un endroit bien ventilé.
Travailler avec un équipement de sécurité agréé, par exemple en portant l'un de ces masques antipoussière, qui sont spécialement conçus pour filtrer les particules microscopiques.
CONSIGNES DE SECURITE SUPPLEMENTaires CONCERNANT VOTRE SCIE A RUBAN
Attention! Certains bois et certains produits de type bois, notamment le MDF (Medium Density Fibreboard) peuvent générer de la poussière susceptible d'être dangereuse pour votre santé.
Nous recommendons d'utiliser un masque facial approuvé avec des filtres replacables lors de l'utilisation de la machine en plus du dispositif d'aspiration de la poussière.
1. Précautions de sécurité
Ne pas utiliser de lame de scie endommagée ou déformée;
Remplacer l'insert de table lorsqu'il est use;
Verrouillez la table de travail fermement avant de l'utiliser;
Tendre correctement la lame de scie;
Ne pas nettoyer la lame de scie lorsqu'elle est en mouvement;
Porter un équipement de protection individuelle approprié, lorsque nécessaire, il peut inclure :
- Une protection auditive pour réduire le risque de perte d'audition,
- Une protection respiratoire pour réduire le risque d'inhalation de poussières nocives,
- Porter des gants pour tener la lame de scie et les matieres rugueuses.

REMARQUE : Il est déconseilé de porter des gants lors de l'alimentation de matériel dans la machine.
Toujours s'assurer de régler le protecteur régliable aussi après pres que possible de la pierce à travailler.
Toujours s'assurer que tous les réglages sont corrects et sécurisés avant de démarrer la scie a ruban.
Toujours s'assurer que la tension de la lame et l'alignement sont bien reglés.
Éviter de couper des clous. Vérifier la piece à usiner et-retirer tous les clous et autres corps étrangers avant de commencer à scier.
2. Fonctionnement sur
Si possible, la scie a ruban doit être connectée à un système d'aspiration de la poussière adapté lors de la découvert de bois ou de produits à base de bois comme le MDF.
En cas de coupe droite, toujours utiliser le baton poussoir fourni. Cela évite que les mains n'entrent en contact avec la lame. Ranger le baton poussoir sur son support après utilisation.
Cette scie doit être fixée à une surface de travail solide et sécurisée au moyen des trous de fixation situés dans la base.
Ne jamais ajuster ou assembler le guide longitudinal ou le guide d'onglet pendant que la machine est en fonctionnement.
Lorsque la pièce approche de la lame de la scie, ne jamais utiliser vos mains pour la pousser. Toujours utiliser le bâton pouvoir fourni (voir 23 sur votre apparéil)
Ne jamais régler la tension de la lame pendant le fonctionnement.
Si un réglage du guide de lame s'avère nécessaire, arrêté d'abord la machine.
Ne pas faire fonctionner la scie a ruban avec la porte ou le carter protégeant la lame de la scie a ruban ouvert(e), endommagé(e) ou manquant(e). Tout jours s'assurer que la lame de la scie a rubanvoie et la vitesse de fonctionnement sont adaptées au matériel à couper.
Toujours soutenir les grandes longueurs de matériel et s'assurer que le matériel est maintainu à plat contre la table. Cela participera à réduire le niveau sonore d'aux vibrations.
Lors de la découverte en biseau avec la table inclinée, placer le guide sur la partie inférieure de la table.
Lors de la découverte de matériel rond, utiliser un dispositif de maintien adapté pour empêcher le matériel de tourner.
Ne jamais utiliser vos mains pour-retirer la sciure,les copeaux ou les déchets àproximé de la lame de la scie.
Ne jamais toucher la lame pour-retirer des déchets ou des découpes.
Ne pas tenter de libreer une lame coincee avant d'avoir etint la machine.
Ne pas ralentir ou arrêté une lame à l'aide d'un morceau de bois. Laisser la lame s'arrêté d'elle-même.
Si vous étés interrompu pendant que vous utilisez la scie, terminer le processus et arreter avant de lever les yeux.
3. Transport
Pendant le transport, s'assurer que le carter de lame régable est complètement abaisse.
Ne pas utiliser un carter ou dispositif de protection comme poignée pour soulever ou transporter la scie a ruban. Soulever et transporter la scie a ruban aux endroits indiqués.
4. ÀpRESutilisation
ÀpRESutilisation et avant rangement, nettoyer soigneusement la machine et relâcher la tension de la lame.
Vérifier régulièrement que l'ensemble des écrous, boulons et autres fixations sont bien serrés.
Déballage
Déballez toutes les pieces et posez-les sur une surface plane et solide.
Enlevez tous les matériaux d'emballage et dispositifs d'expédition le cas échéant.
Assurez-vous que le contenu est complét et ne présente aucun dommage. Si vous给您 apercevez que des pieces sont manquantes ouprésentent des dommages, n'utilise pas le produit mais contactez votre revendeur. Utiliser un apparil incomplet ou endommagé représenté un danger pour les personnes et les biens.
Assurez-vous que vous disposez de tous les accessoires et les outils requis pour l'assemblage et le fonctionnement. Cela concerne également l'équipement de protection individuelle approprié.
Les éléments suivants sont inclus avec votre scie a ruban :

Ensemble scie a ruban [65] x 01

Pied avec boulon [17] x 01

Rondelle plate 6 [25] x 04

Table de travail [6] x 01

Levier de verrouillage de table [22] x 01

Rondelle plate 5 [26] x 02

Guide d'onglet [14] x 01

Extension de support [15] x 01

Baton pousoir [23] x 01

Rondelle plate 8 [24] x 01

Écrous borgnes [27] x 04
boulon hexagonal M5 x 20 [28] x 02

Écrou hexagonal M5 [29] x 02

Clé hexagonale 3mm [30] x 01

Clé hexagonale
4mm
[31] x 01

Clé hexagonale 5mm [32] x 01

Support de pied [65] x 02
Vous aurez besoin de
(articles non fournis)
Tournevis cruciforme
Clé plate ou clé de réglage 10mm
Équerre combinée
(articles fournis)
Clés hexagonales
Ne pas brancher l'alimentation tant que le montage n'est pas terminé. Le non-respect de cette consigne peut entrainer un démarrage accidentel et des blessures corporelles graves.
Montage des pieds en caoutchouc sur la base
Insérer les quatre pieds avec les boulons [17] dans les trous prévus dans les quatre coins de la base de la scie.
Serrer les boulons avec les rondelles plates 6 [25] et écrous borgnes [27] à l'aide d'une clé plate ou clé de réglage 10mm non fournie.

Image 1
Montage de la scie a ruban sur l'établi
Si la scie a ruban doit être utilisée dans un endroit fixe, elle doit être montée sur une surface de support ferme, comme un établi. Quatre troughs de boulons sont prévus à cet effet dans la base de la scie. Les boulons (non inclus) doivent être suffisamment longs pour tener la base de la scie, les rondelles de blocage (non incluses), les écrous hexagonaux (non inclus) et l'épaisseur de l'établi. Serrer fermement les quatre boulons.
Vérifier soigneusement l'établi après le montage afin de s'assurer qu'aucun mouvement ne peut se produitpendant l'utilisation. En cas de basculement, de glissement ou de déplacement, fixer l'établi au sol avant utilisation.
Placer la scie a ruban sur l'établi. En utilisant la base de la scie comme modèle, placer et marquer les trouès à où la scie a ruban doit être montée.
Percer les trouss dans l'établi.
Placer la scie a ruban sur l'établi en alignant les trous de la base de l'établi sur les trous percés dans l'établi.
Insérer les boulons (non inclus) et serrer fermement avec les rondelles de blocage et les écrous hexagonaux (non inclus).

REMARQUE : Tous les boulons doivent être insérés par le dessus. Installer les rondelles de blocage et les écrous hexagonaux par le dessous de l'établi.
Serrage de la scie a ruban sur l'établi
Si la scie a ruban doit être utilisée comme outil portatif, il est recommendé de la fixer de façon permanente sur une plaque de montage pouvant être facilement fixée sur un établi ou toute autre surface de support. La plaque de montage doit être de dimension suffisante pour éviter le basclement de la scie pendant l'utilisation. Il recommends d'utiliser un contreplaqué ou agglomeré de bonne qualité d'une épaisseur de 19 mm.
En cas d'utilisation de boulons de carrosserie, s'assurer qu'ils sont suffisamment longs pour passer par les trous dans la base de la scie et le matériel au sur lequel la scie est montée. En cas d'utilisation de boulons de machine, s'assurer qu'ils sont suffisamment longs pour passer par les trous dans la base de la scie, le matériel sur lequel la scie est montée et les rondelles de blocage et les écrous hexagonaux.

REMARQUE: Il peut être nécessaire de frais les écrous hexagonaux et les rondelles sur le dessous de la plaque de montage.
Installer la scie en utilisant les trous dans la base de la scie comme gabarit pour les trous. Placer et marquer les trous là où la scie a ruban doit être montée.
Suivre les trois dernières étapes de la section Montage de la scie a ruban sur l'établi.

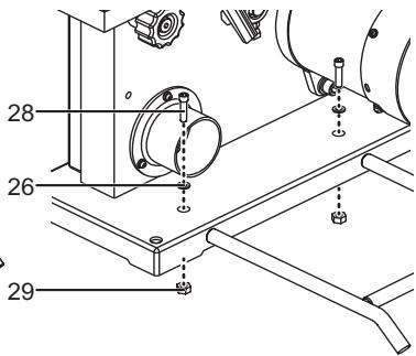
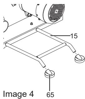
Installation de l'extension de support
Insérer les tubes de l'extension de support [15] dans les trous de la base de la scie depuis l'arrière.
Aligner les trous sur les tubes et ceux sur la base de la scie.
Insérer les boulons hexagonaux M5 x 20 [28] et serrer avec les rondelles plates 5 [26] et les écrous hexagonaux M5 [29] avec la clé hexagonale 4mm [31] fournie.
Placez les pieds de support [65] sur le support d'extension [15].

Image 3


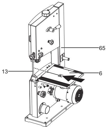
Montage de la table de travail
Retirer l'insert [33], les rondelles [34], et la vis à oreilles [35] sur la table de travail [6].
Debout à l'avant de l'ensemble scie a ruban [65], glisser la table de travail au-delà de la lame de scie [13] et par la rainure en passant du côté croit au côté gauche de la table de travail.
En tenant la table de travail avec votre main croite tout en tirant le bouton de réglage d'angle [2] à l'écart du cadre de la scie, aligner les dents du support de la table de scie dans les dents sur le bouton de réglage d'angle. Relâcher le bouton.
Placer les goupilles sur le cadre dans les fentes du support de table de la scie.
Insérer la rondelle plate 8 [24] sur l'extrémité filétée du levier de verrouillage de table [22]. Serrer la table de travail sur le cadre de la scie en tournant le levier de verrouillage de table [22] dans le sens horsaire.
Installer l'insert, les rondelles et la vis à oreilles sur la table de travail.


Image 6


Image 7
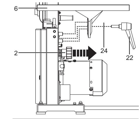
Mise à l'équerre de la table de travail et de la lame de la scie
Tournier le bouton de verrouillage [4] dans le sens antihoraire pour déverrouiller l'ensemble du guide de lame [36]. Tournier le bouton de réglage du guide de lame [3] dans le sens antihoraire, soulever l'ensemble du guide de lame aussi loin que possible. Tournier le bouton de verrouillage [4] dans le sens horaire pour desserrer.
Placer une petite équerre combinée [37] sur la table de travail [6] à côté de la lame de la scie.
Serrer le levier de verrouillage de la table [22] et tourner le bouton de réglage d'angle [2] pour incliner la table de travail vers le haut ou le bas afin d'aligner la table à 90^ par rapport à la lame (position 0^ ). Resserrer le levier de verrouillage de la table.
Utiliser une clé régiable, serrer le contre-écrou [66].
Tournier l'écrou de réglage [38] à l'aide de la clé hexagonale 4mm [31] jusqu'à ce que l'écrou touche juste le carter de la scie.
Vérifier que la table de travail est à l'équre par rapport à la lame de la scie. Faire les évventuels réajustements nécessaires.
Une foin le bon angle confirmé,resserrer le contre-écrou.
Régler l'indicateur d'échelle [21] sur zéro et serrer la vis avec un tournevis cruciforme non fourni.

REMARQUE: Toujours effectuer une découverte test pour s'assurer que la lame est bien d'équerre avant de commencer un nouveau projet. Si ce n'est pas le cas, il peut être nécessaire de desserrer les vis sous la table de travail pour procéder au réglage (la fente d'onglet doit être parallèle à la lame de la scie). Une fois d'équerre, desserrer les vis.


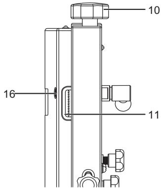
Réglage de la tension de la lame
Éteindre la scie.
Avant d'utiliser la scie a ruban, tourner le bouton de tension de la lame [10] sur le dessus de la scie dans le sens horaire pour appliquer une tension.

REMARQUE : Les réglages de la tension de la lame peuvent être effectuels une fois la scie éteinte et débranchée de l'alimentation.
Gratter le bord croit arrêté de la lame de la scie comme une corde de guitare tout en tournant le bouton de tension.
Le son devient plus aigu lorsque la tension augmente. Ne jamais augmenter la tension de la lame de façon à comprimer complètement le ressort. Lorsqu'il est complètement compré, le ressort ne peut plus agir comme un absorbeur de chic.
Une tension excessive peut casser la lame. Les pieces plus épaisses nécessitent une tension supérieure ; la tension maximale n'est pas nécessaire pour toutes les découvertes. Une tension trop faible peut faire glisser la lame sur les roues.

Alignment de la lame
Ajuster correctement la tension de la lame avant de proceder aux réglages d'alignement. Vérifier que les guides de lame n'interférènt pas avec la lame. Le creux de la lame (partie la plus profonde des dents de la lame) doit être au centre du pneumatique.
Pour régler :
Débrancher de l'alimentation. Ouvrir les capots avant en dévissant la vis
de verrouillage du capot [16]. Regarder la position de la lame sur le pneumatique supérieur tout en tournant lentement à la main la roue supérieure dans le sens horaire. Si la lame s'éloigne du centre du pneumatique, l'alignement doit être ajusté.
Si la lame est partie sur la droite ou la gauche du centre :
Tournier le bouton d'alignement de la lame [19] (dans le sens hora si la lame s'est déplacée vers la gauche ; dans le sens antihoraire si la lame s'est déplacée vers la droite) tout en tournant la roue à la main jusqu'à ce que la lame revienne et se trouve au centre du pneumatique.
Vérifier la position de la lame sur le pneumatique inférieur. La lame doit être entièrement sur le pneumatique (creux des dents de lame au centre). Si ce n'est pas le cas, ajuster l'alignement jusqu'à ce que la lame soit sur les deux pneumatiques.
Tournier la roue supérieure à la main dans le sens horaire pendant quelques tours supplémentaires. S'assurer que la lame reste au même endroit sur les pneumatiques. Réajuster, si nécessaire, jusqu'à ce que la lame soit correctement alignée.
Fermer les capots avant et serrer la vis de verrouillage du capot.
Allumer la scie.
Vérifier que la lame de la scie est centrée sur le pneumatique (par la fenêtre de visualisation d'alignement [11]). Si ce n'est pas le cas, répéter les étapes précédentes.

AVERTISSEMENT! Les quides de lame ont ete prerégles en usine.
Ces réglages sont fonctionnels pour certaines applications. Nous vous recommendons de vérifier et ajuster les réglages de guide de lame avant la première utilisation de votre scie. Voir les procédures de Réglage du support du guide de lame et des paliers de butée expliquées dans la section « Réglage » de ce mode d'emploi.

Image 11
Installation du guide longitudinal
Placer le guide longitudinal [7] sur le côté gauche de la table de travail [6], avec la poignée de verrouillage [38] sur l'avant.
Abaisser la poignée de verrouillage pour verrouiller la position du guide longitudinal.
Tourner la poignée de verrouillage pour régler le serrage des pince.

Image 12
Raccordement au système de collecte de poussière
Brancher l'orifice d'échévement de poussière (1) situé côté moteur de la scie à bande au système de collecte de poussière en raccordant l'entrée du tuyau de collecte de poussière à l'orifice d'échévement de poussière.

Image 13
Raccordement à l'alimentation électrique
Avant d'allumer, s'assurer que la tension d'alimentation est la même que celle indiquée sur la plaque signalétique. Cet apparéil est prévu pour fonctionner sur 220-240V~50Hz. Le brancher à toute autre source d'alimentation peut l'endommager.

Plus en détails...
Fonctions du produit 24
Entretien et maintenance 34
Dépannage 37
Recyclage et mise au rebut 39
Garantie 40
Déclaration de conformité CE 42
UTILISATION

AVERTISSEMENT! Ne pas laisser la familiarité avec l'appareil vous rendre insoucient. Ne pas oublier qu'une fraction de seconde d'inattention peut entraîner des blessures graves.

AVERTISSEMENT! Toujours porter une protection oculaire. Le non-respect de cette consigne peut entraîner la projection d'objets dans vos yeux, pouvant engendrer des blessures graves.

AVERTISSEMENT! Ne pas utiliser d'accessoire non recommendé par le fabricant de cet apparéil. L'utilisation d'accessoires non recommendés peut entraîner des blessures graves.

AVERTISSEMENT! Pour éviter le contact avec la lame, ajuster l'ensemble du guide de lame pour dégager la piece. Le non-respect de cette consigne peut entraîner des blessures graves.

AVERTISSEMENT! Ne jamais faire fonctionner la scie sans le carter de lame sécurisé et les capots avant verrouillés. Cela peut entraîner des blessures graves.
Usage prévu
You pouvez utiliser ce produit aux fins ennumérées ci-dessous :
Découper et couper en cercle du bois et produits composés de bois. Ce produit ne doit pas être utilisé sur d'autres matérieliaux ou sur des matérieliaux dangereux pour la santé.
Diverses opérations de coupe en ligne droite du bois et produits composés de bois.
Pour des raisons de sécurité, il est indispensable de dire le manuel d'instructions dans son intégralité avant la première utilisation et de respecter toutes les instructions.
Mise en marche/arrêt
Allumer :
Pour allumer la machine appuyer sur le bouton I vert [38] sur l'interrupteur marche/ arrêt. Laisser la lame atteindre sa pleine vitesse avant de couper.
Eteindre:
Pour arrêté la machine appuyer sur le bouton 0 rouge [39] sur l'interrupteur marche/arrêt.

Image 14
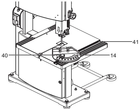
Inclinaison de la table (angle d'inclinaison max.: 45^ )
Desserrer légèrement le levier de verrouillage de la table [22].
Tournier le bouton de réglage d'angle [2], incliner la table de travail [6] jusqu'à ce qu'elleatteigne l'angle souhaité.
Utiliser l'indicateur d'échelle [21] pour vérifier les marquages d'angle.
Resserrer le levier de verrouillage de la table [22] afin de maintainir la table de travail solidement en place.

Image 15
Utilisation du guide d'onglet
Le guide d'onglet peut être tourné de 60^ vers la droite ou la gauche.
Desserrer le bouton de verrouillage [40] sur le guide d'onglet [14].
Avec le guide d'onglet dans la fente du guide d'onglet [41], tourner le guide jusqu'à atteindre l'angle souhaïte sur la graduation.
Resserrer le bouton de verrouillage [40].

Image 16
Utilisation du guide longitudinal
Le guide longitudinal est utilisé pour toutes les opérations de découverte longitudinale. Ne jamais faire de découverte longitudinale à main levée sans le guide en place et verrouillé de façon sécurisée.
Placer le guide à la largeur souhaitée et verrouiller en place.
Avant de commencer la coupe longitudinal, s'assurer que le guide longitudinal est parallèle à la lame de la scie. Lors de la découverte longitudinal de longues plaques ou de grands panneaux, toujours utiliser un support.
Tenir la pierce contre le guide et l'amener vers la lame de la scie en exerçant une pression harmonieuse et régulière.
FONCTIONNEMENT DE LA SCIE A RUBAN
Une scie a ruban est essentiellement une machine de « découpe en courbe » qui peut également être utilisée pour des opérations de découpe croite comme le tronçonnage, le biseautage, la découpe combinée. Lors de l'utilisation de la scie a ruban pour des découpes droites, l'utilisateur peut installer un guide en utilisant une piece de bois de dimension appropriée fixée à la table avec des pinces C. Elle n'est pas capable d'effectuer des découps interieures ou nontraversantes. Avant de démarrer une découpe, observer la lame en fonctionnement. En cas de vibration excessive ou de bruit inhabituel, arrêter immédiatement. Éteindre la scie et la débrancher. Ne pas redémarrer tant que le problème n'est pas déterminé et corrige.
Procedures de découvert
Tenir fermement la piece à usiner contre la table de travail.
Utiliser une légère pression et les deux mains pour amener la pierce à la lame. Ne pas forcer ; laisser la lame couper.
Tenir vos mains éloignées de la lame. Ne pas tener à la main des pièces tellement petites que vos doigs passeraient sous le carter de la lame.
Éviter les opérations et positions des mains infortables où un glissement soudain pourrait entraîner des blessures graves dues au contact avec la lame. Ne jamais placer les mains sur le passage de la lame.
Utiliser des supports supplémentaires (tables, tréteaux, blocs, etc.) lors de la découpe de pieces grandes, petites ou difficiles.
Ne jamais utiliser une personne comme substitut à une extension de table ou comme support supplémentaire pour une piece à usiner qui est plus longue ou plus large que la table de travail de base.
Lors de la découpe de pieces de forme irrégulière, prévoir votre travail de façon à ne pas pincer la lame. Par exemple, un morceau de moulure doit reposer à plat sur la table de travail. Les pieces à usiner ne doivent pas tournier, basculer ou glisser pendant la découpe.
Lorsque vous reculez la pièce, la lame peut se coincer dans l'entaille (coupe). Cela est généralement causé par la sciure qui obtrue l'entaille ou lorsque la lame sort des guides. Si cela se produit :
Éteindre la scie. Attendre l'arrêt complet de la scie. Débrancher la scie de la source d'alimentation.
Écarter l'entaille avec un tournevis plat ou une cale en bois.
Ouvrir le capot avant et tourner la roue supérieure manuellement tout en reculant la piece.
Découpes de délestage
Les découpe de délestage consistant une découpe avec courbe complexe (trop petit rayon pour la lame). Couper à travers une section de bout de piece pour courber dans la ligne du motif, puis reculer soigneusement la lame. Plusieurs découpes de délestage sont nécessaires pour les courbes complexes avant de suivre la ligne du motif car les sections sont découpées en « soulageant » la pression de la lame.
Chantournage
Pour le chantournage de type général, suivre les lignes du motif en poussant et en tournant la piece à usiner dans le même temps. Ne pas essayer de tourner la piece lorsqu'elle est engagée dans la lame sans la pousser - la piece pourrait contraindre ou tordre la lame.
Retrait de matériel coince
Ne jamais retirer les morceaux coincés tant que la lame n'est pas à l'arrêt complet.
Éteindre la scie. Attendre l'arrêt complet de la scie.
Débrancher la scie de la source d'alimentation avant desterolir le matériel coince.
Éviter les blessures
S'assurer que la scie est de niveau et ne rouge pas. La scie doit toujours se trouver sur une surface plane et stable avec suffisamment de place pour manipuler et bien soutenir la piece.
Boulonner la scie à la surface du support pour empêcher le glissement, le déplacement ou le dérapage pendant des opérations comme la découverte de planches longues et lourdes.
Éteindre la scie et débrancher le cordon d'alimentation avant de déplacer la scie.
Ne pas-retirer les morceaux coincés tant que la lame n'est pas à l'arrêt complet.
Choiser la bonne dimension et la bonne lame pour le matériel et le type de découvert que vous prévoyez de faire.
S'assurer que les dents de la lame pointent vers le bas vers la table de sciage, que les guides de lame, les paliers de butée et la tension de la lame sont correctement régles, que le bouton de guide de lame est serré et qu'aucune piece ne présente de jeu excessif.
Pour éviter tout contact accidentel avec la lame, réduire la rupture de la lame et apporter un soutien maximal, toujours ajuster l'ensemble du guide de lame pour dégager la pierce.Utiliser uniquement des accessoires recommandés.
À l'exception de la pièce à usiner et des dispositifs de support liés, enlever tout le reste de la table de la scie avant d'allumer la scie.
Soutenir correctement les matériaux ronds comme les tiges de goupille ou les tubes car ils ont tendance à rouler pendant la découverte ce qui fait que la lame « mord ». Pour éviter cela, utiliser un bloc « V » ou pincer la pierce à usiner avec un guide d'onglet.
Avant dePTRer les morceaux coupés de la table de la scie, eteindre la scie et attendre que toutes les pioces en mouvement soient à l'arrêt.
RéGLAGES

AVERTISSEMENT! Avant tout réglage, s'assurer que l'outil est débranché de la source d'alimentation et que l'interrupteur est en position arrêt. Le non-respect de cet avertissement peut entraîner des blessures graves.

AVERTISSEMENT! Pour éviter les blessures corporelles, maintainir le bon réglage de la tension de la lame, de l'alignement de la lame, des guides de lame et des paliers de butée.
Installation et réglage de la lame
Desserrer et retirer la vis à oreilles, les rondelles et l'insert de la table de travail.
Ouvrir les panneaux avant supérieur et inférieur [9, 5] en desserrant les vis de verrouillage du capot [16].
Tournier le bouton de verrouillage [4] dans le sens antihoraire pour déverrouiller l'ensemble du guide de lame [36]. Tournier le bouton de réglage du guide de lame [3] (le sens horsaire abaisse l'ensemble du guide de lame; le sens antihoraire le souèle), positionner l'ensemble du guide de lame environ à mi-chemin entre la table de travail et le carter de la scie. Resserrer le bouton de verrouillage.
Ouvrir le carter de lame en-retirant le côté gauche du carter et en l'éloignant de la roue supérieure [42].
Relâcher toute la tension de la lame [13].
Ouvrir d'abord un morceau de carter métallique sur les guides de lame 43, puis retirer délicatement l'ancienne lame.
En portant des gants, dérouler soigneusement la nouvelle lame sur les longueurs des bras. Si la nouvelle lame a été huilée pour éviter la rouille, il peut être nécessaire de l'essuyer pour éviter que l'huile ne pénétre dans votre piece à usiner. Essuyer soigneusement dans la même direction que celle vers laquelle pointent les dents afin que le chiffon ne s'accroche pas sur les dents de la lame.

REMARQUE : Il peut être nécessaire de returner la lame si les dents pointent dans la mauvaise direction. Tenir la lame avec les deux mains et la faire pivoter.
Avec les dents de la lame vers la gauche de la scie et vers le bas, placer la lame dans les guides de lame inférieurs [43] et autour des roues supérieure et inférieure [42, 44].
Tournier lentement la roue supérieure [42] vers la droite ou dans le sens hora manuellement pour centrer la lame sur les pneumatiques en caoutchouc.
Rengager le levier de tension de la lame [18], puis régler la tension de la lame; vérifier ou régler l'alignement de la lame.
Ajuster les guides de lame supérieur et inférieur [45, 43] et les paliers de butée comme expliqué plus loin dans ce manuel.
Refixer la vis à oreilles, les rondelles et l'insert. Serrer fermement.
Fermer le carter de lame et les panneaux avant. Serrer la vis de verrouillage du capot.



Image 19
Réglage de l'ensemble du guide de lame
Pour empêcher la lame de se tordre ou de se briser, l'ensemble de guide de lame doit toujours être réglé environ 3,2 mm au-dessus de la pierce à usiner.
Tournier le bouton de verrouillage [4] dans le sens antihoraire pour déverrouiller l'ensemble du guide de lame [36].
Utiliser comme guide un morceau du même bois que celui que vous allez couper pour régler la hauteur de l'ensemble du guide de lame. Ajuster l'ensemble de guide de lame en tournant le bouton de réglage du guide de lame [3].
Verrouiller l'ensemble de guide de lame en place en tournant le bouton de verrouillage dans le sens horaire.
Toujours verrouiller l'ensemble de guide de lame en place avant d'allumer la scie a ruban.

Image 20

Image 21
Réglage du support du guide de lame et des paliers de butée

REMARQUE : Serrer le boulon et ajuster la tension de la lame et suivre les procédures expliquées dans la section ASSEMBLAGE de ce manuel de l'opérateur avant d'effectuer les réglages.
Les paliers de butée de lame supérieur et inférieur soutiennent et guident la lame de la scie pendant les opérations de découpe. Le réglage des paliers et guides doit être contrôle à chaque fois qu'une lame différente est installée.
Régler les paliers de butée :
Les paliers de butée soutiennent le bord arrêté de la lame pendant la découpe. La lame ne doit pas entraer en contact avec les paliers de butée lorsque vous arrêtez de couper. Il est important que les paliers de butée supérieur et inférieur soient régles de la même façon.
Ouvrir les capots avant et le carter de lame.
À l'aide d'une clé hexagonale 4mm, desserrer les vis des paliers de butée supérieur et inférieur et pousser les paliers de butée supérieur et inférieur vers l'arrête de la scie.
Vérifier que la lame de la scie est correctement alignée, puis glisser le palier de butée supérieur vers l'avant jusqu'à ce que le palier soit à moins de 0,4 mm de la lame. Serrer fermement la vis du palier de butée supérieur.
Glisser le palier inférieur vers l'avant jusqu'à ce que le dégagement soit approprié. Serrer fermement la vis du palier de butée inférieur.
Réglage du support du guide de lame :
Desserrer les vis du support du guide de lame à l'aide de la clé hexagonale 4mm et desserrer les vis de blocage du guide de lame à l'aide de la clé hexagonale 3mm.
Glisser le support du guide de lame supérieur sur l'arbre jusqu'à ce que le bord avant des guides soit en contact avec la lame de la scie derrière le creux. Serrer les vis fermement.
Pousser le guide croit pour lemettre en contact avec la lame et relachcer. Tourner lentement la roue d'un tour complet. Serrer les vis de blocage des guides de lame.
Ajuster le guide côté gauche pour laisser un dégagement de 0,4mm (1/64") entre la lame et le guide (environ l'épaisseur d'une carte à jour) en insérant une carte à jour entre le guide gauche et la lame.
Exercer une pression sur la goupille du guide gauche pour maintainir la carte a
jouer en place. Serrer la vis de blocage etsterolra carte à jouer.
Tournier, à la main, de trois tours complets pour s'assurer que la lame n'est pas contrainte.
Fermer le carter de lame et le capot avant. Bloquer avec la vis. Répéter cette procédure pour le support de guide de lame inférieur.


Image 23

Image 22
Les règles d'or de l'entretien

AVERTISSEMENT! Arrêtez toujours l'appareil, débranchez-le de l'alimentation électrique et laissez l'appareil refroidir avant d'effectuer l'inspection, la maintenance et les travaux de nettoyage.
Gardez l'appareil propre. Enlevez les copeaux de celui-ci après chaque utilisation et avant stockage.
Un nettoyage régulier et approprié contribue à garantir un fonctionnement en toute sécurité et prolonge la durée de vie du produit.
Inspectez l'appareil avant chaque utilisation pour les pieces usées et endommagées.
Ne l'utilise pas si vous trouvez des pieces cassées et usées.

AVERTISSEMENT! Effectuez uniquement les travaux de réparations et d'entretien conformément à ces instructions!Tous les autres travaux doivent être effectuels par un spécialiste qualifié!
Nettoyage général
Éviter d'utiliser des solvants pour nettoyer les pieces en plastique. La plupart des plastiques sont susceptibles d'être endommagés par les divers types de solvants du commerce et peuvent être endommagés par leur utilisation. Utiliser des chiffons propres pour retarder la saleté, la poussière, l'huile, la graisse, etc.

AVERTISSEMENT! Ne jamais laisser de liquide de frein, essence, produit à base de petrole, huiles pénétrantes et autres entraîner en contact avec les pieces en plastique. Les produits chimiques peuvent endommager, affaibir ou détruire le plastique, ce qui peut entraîner des blessures corporelles graves.
Gardervoire sciearubanpropre.
Retirer régulierement la sciure de l'intérieur.
Ne pas laisser de résine s'accumuler sur la table de travail, les guides de lame ou les paliers de butée. Nettoyer avec un produit pour résine etgomme.
Appliquer une fine couche de cire de type automobile sur le dessus de la table de la scie afin que le bois glisse facilement pendant la découpe.
Lubrification
Tous les paliers de cet outil sont lubrifiés avec une quantité suffisante de lubrifiant de haute qualité pour la durée de vie de l'unité dans des conditions normales d'utilisation. Par conséquent, aucune lubrification supplémentaire n'est nécessaire.
Pneumatiques
Nettoyage des pneumatiques :
La résine et la scirure s'accumulent sur les pneumatiques et doivent être retirées avec une fine Brosse métallique ou un morceau de bois. Ne pas utiliser de couteau aiguisé ou tout type de solvant.
Brosse
Une Brosse se trouve dans le carter de la scie pres de la roue. Elle est destinée à protégger le pneumatique et la roue en brossant la poussière. Si elle est usée, elle doit être ajustée ou replacée.
Retirer la vis [64] et la rondelle [63], puis tirer la Brosse [62].
Placer larosse neue dans la rainure.
Reinstaller avec la rondelle et la vis.

Réparation
Cet apparéil ne contient aucune piece pouvant être réparée par l'utilisateur. Faites examiner et réparer l' apparéil par un spécialiste qualifié.
Stockage

AVERTISSEMENT!Risque de blessure!
Ranger l'appareil de sorte qu'aucune personne non autorisée ne puisse l'allumer.
S'assurer que personne ne peut se blesser avec l'appareil lorsqu'i est stationnaire.

REMARQUE : Dommages sur l'appareil !
Ne pas ranger l'appareil sans protection dans un environnement humide.
L'appareil doit toujours être rangé dans un endroit au sec.
L'appareil doit toujours être rangé dans un endroit hors de portée des enfants.
Ranger l'appareil, le mode d'emploi et, le cas échéant, les accessoires dans l'emballage d'origine. Ainsi, vous aurez toujours toutes les informations et pièces nécessaires à portée de main.
Transport
Éteignez l'appareil et débranchez-le de la source d'alimentation avant de le transporter.
Protégéz l'appareil contre les risques de chocs ou de fortes vibrations auxquels il pourrait être soumis lors d'un déplacement en vehicule.
Maintenez l'appareil bien en place de manière à ce qu'il ne puisse ni glisser ni tomber.
Dépannage
Les dysfonctionnements supposés sont souvent liés à des causes que l'utilisateur peut éliminer par lui-même. Il est donc recommandé de consulter cette section en cas de besoin. Dans la plupart des cas, le problème peut être résolu rapidement.

AVERTISSEMENT! N'essayez pas d'effectuer d'autres manipulations que celles décrites dans le mode d'emploi! Si vous n'arrivez pas à résoudre le problème par vous-même, toutes les autres manipulations de contrôle, d'entretien et de réparation devront être effectuées par un centre de réparation/agréé ou par un spécialiste de qualification équivalente!
| Problème | Cause possible | Solution |
| Le moteur ne fonctionne pas. | 1. Problème avec l'interrupteur marche/ arrêt ou le cordon d'alimentation. 2. Moteur défectueux. 3. La lame est contrainte. | 1. Remplacer les pièces usées avant de réutiliser la scie à bande. 2. Ne tenter aucune réparation. Faire réparer l'outil par un technicien de service qualifié. 3. Retirer le matériel au reincé. |
| La lame ne passse pas au centre de la roue supérieure. | 1. Mauvais alignement. | 1. Régler l'alignement. Voir la section « Alignment de la lame ». |
| La scie a ruban ralentit pendant la découpe. | 1. Découpe de rayon trop petit. 2. Lame émoussée. | 1. Arrête d'alimenter et recycler légèrement le matériel au jusqu'à ce que la scie à ruban accélère. 2. Remplacer la lame. |
| Les guides de lame ne restent pas en position. | 1. Les vis des guides de lame sont desserrées. | 1. Serrer fermement les vis des guides de lame. |
| Lame qui casse. | 1. Trop de tension de lame. 2. Problème dans la lame causé par une découvert de rayon trop petit ou un matériel tourné trop rapidement pendant la découvert. 3. Paliers de butée abîmés ou qui ne tournent pas. | 1. Ajuster la tension. Voir la section « Réglage de la tension de la lame ». 2. Utiliser la非常好的 technique de découvert. Voir la section, Fonctionnement. 3. Remplacer les paliers de butée. |
| La scie est bruyante pendant le fonctionnement. | 1. Trop de tension de lame. 2. Les guides de lame et paliers sont en contact avec la lame. | 1. Ajuster la tension. Voir la section « Réglage de la tension de la lame ». 2. Régler les guides de lame supérieur et inférieur et les paliers. Voir la section « Réglage des paliers de butée et du support de guide de lame ». |
| La lame ne Coupe pas droit. | 1. Les guides de lame et paliers ne sont pas bien régliés. 2. Lame usée ou défectueuse. | 1. Régler les guides de lame supérieur et inférieur et les paliers. Voir la section « Réglage des paliers de butée et du support de guide de lame ». 2. Remplacer la lame. |
| Le moteur fonctionne, mais la lame ne tourne pas. | 1. Tension mal réglée. 2. Courroie d'entrainment cassette. | 1. Utiliser le levier de tension de la lame pour régler la tension. 2. Faire réparer l'outil par un technicien de service qualifié. |
Recyclage et mise au rebut

Les ancients produits sont potentiellement recyclables sous la directive DEEE et n'appartientment donc pas la catégorie des ordures menagères. Vous étes prié de nous aider, nous et notre contribution, à l'économie des ressources et à la protection de l'environnement, en remettant cet apparéil à un centre de collecte équipé (s'il en existe à votre disposition).
Garantie
Nous veillons tout particulièrement à sélectionner des matériaux de haute qualité et à utiliser des techniques de fabrication qui nous permettent de créé des produits à la fois design et durables. Ce produit TITAN Scie a ruban 350W bénéficiaie d'une garantie fabricant de 2 ans couvrant les défauts de fabrication à compter de la date d'achat (en cas d'achat en magasin) ou de la date de livraison (en cas d'achat sur Internet), sans coût supplémentaire pour une utilisation domestique normale (non commerciale ni professionnelle).
Pour déposer une réclamation au titre de cette garantie, vous doivent restayer cette preuve d'achat (ticket de caisse, facture d'achat ou toute autre preuve receivable en vertu de la loi en vigueur). Conservez cette preuve d'achat dans un endroit sur. Pour que cette garantie soit applicable, le produit que vous avez acheté doit être neuf. La garantie ne s'applique pas aux produits d'occasion ou aux modèles d'exposition. Sauf indication contraire prévue par la loi en vigueur, tout produit de remplacement fourni au titre de la présente garantie ne sera garanti que jusqu'à expiration de la période de garantie initiale.
Cette garantie couvreetes defaillances et dysfonctionnements du produit, sous reserve que le produit ait eteutilise conformement aI'usage pour lequel il a ete concu, qu'il ait ete installed, nettoyed et entretenu conformement aux informations containues dans les presentes conditions generales ainsi que dans le manuel d'utilisation, et conformement à la pratique, sous reserve que celles-ci n'aillent pas à l'encontre du manuel d'utilisation.
Cette garantie ne couvre pas les defaults et dommages causés par l'usure normale ni les dommages pouvant résultat d'une utilisation non conforme, d'une installation ou d'un assemblage défectieux, ou d'une néligence, d'un accident, d'une mauvaise utilisation ou d'une modification du produit. Sauf indication contraire prévue par la loi en vigueur, cette garantie ne couvre enaucun cas les coûts accessoires (expédition, transport, frais de déinstallation et réinstallation, main d'oeuvre, etc.), ni les dommages directs et indirects.
La presente garantie ne couvre pas les defaults ou dommages causés par ou résultat de :
Usure normale, y compris l'usage des accessoires
Utilisation excessive ou abusive, néligence
Réparation tentée par une personne autre qu'un agent autorisé
Dommages esthétiques
Dommages causés par des substances ou objets étrangers, ou par des accidents
Dommages ou modifications accidentels
Non-respect des instructions du fabricant
Perte d'usage des biens
Si le produit est défectueux, nous nous engageons à le réparer ou le remplacer, dans un-delai raisonnable.
Cette garantie est valable dans le pays ou vous avez acheté ce produit. Toute demande au titre de la garantie doit être adressée au magasin où vous avez acheté ce produit.
Cette garantie s'ajoute à vos droits au titre de la loi, sans les affecter.
Si vous avez acheté ce produit en France, en plus de cette garantie commercia e, le vendeur reste tenu de respecter la garantie légale de conformité prévue par les articles L217-4 à L217-14 du Code de la consommation et aux articles qui concernent les vices cachés de la chose vendue dans les conditions prévues aux articles 1641 à 1648 et 2232 du Code civil. Le distributeur auprès duquel vous avez acheté ce produit repond de tout défaut de conformité ou vice caché du produit, conformément aux générantes dispositions.
En vertu de l'article L217-16 du Code de la consommation, lorsque l'acheteur demande au vendeur, pendant la durée de la garantie commerciale qui lui a été consentie lors de l'acquisition ou de la réparation d'un bien meuble, une remise en état couverte par la garantie, toute période d'immobilisation d'au moins sept jours vient s'ajouter à la durée de la garantie qui reste à courir. Cette période court à compter de la demande d'intervention de l'acheteur ou de la mise à disposition pour réparation du bien en cause, si cette mise à disposition est postérieure à la demande d'intervention. Garantie légale de conformité (extrait du Code de la consommation): Article L217-4 du Code de la consommation - Le vendeur doit livrer un bien conforme au contrat et répond des défauts de conformité existant lors de la livraison. Il répond également des défauts de conformité resultant de l'emballage, des instructions de montage ou de l'installation lorsque cette-ci a été mise à sa charge par le contrat ou a été réalisée sous sa responsabilité. Article L217-5 du Code de la consommation - Le bien est conforme au contrat : 1. S'il est adapté à l'objectif généralement prévu pour des biens similaires et, le cas échéant : s'il correspond à la description donnée par le vendeur et possède les qualités représentées par le vendeur à l'acheteur sous forme d'échantillon ou de modèle ; s'il présente des qualités que l'acheteur peut légitimement attendre au regard des déclarations publiques faites par le vendeur, par le fabricant ou par son représentant, notamment dans la publicité ou l'étiquetage; 2. Ou s'il présente les caractéristiques définies d'un commun accord par les parties ou est propre à tout usage spécial recherche par l'acheteur, porté à la connaissance du vendeur et que ce dernier a accepté. Article L217-12 du Code de la consommation - Toute réclamation suite à un début de conformité est limitee à deux ans à compter de la livraison du bien. Garantie légale sur les vices cachés (extrait du Code de la consommation): Article 1641 du Code civil - Le vendeur est tenu de la garantie en cas de défauts cachés de la chose vendue qui la rendent impropre à l'usage auquel on la destiné, ou qui diminuent tellement cet usage que l'acheteur ne l'aurait pas acquise, ou n'en aurait donné qu'un moindre prix, s'il les avait connus. Article 1648 du Code civil (alinae 1) - Toutre réclamation resultant de vices cachés doit être faite par l'acheteur dans un-delai de deux ans à compter de la découverte du vice.
Déclaration de conformité CE
| CE (EN) EU DECLARATION OF CONFORMITY (FR) DÉCLARATION UE DE CONFORMITÉ (PL) DEKLARACJA ZGODNOSCI UE (RO) DÉCLARATIA DE CONFORMITATE UE (ES) DÉLARQUÉDÉ CONFORMIDAD (PT) DÉLARQUÉDÉ CONFORMIDADE UE | ||
| Product/ Produit/ Produk/Producto/Produto | ||
| • 350W Band Saw / Scie a ruban 350W / Piña tasmowa 350W / 350W Ferăstrău cu bandă / Sierra de cinta 350W • TTB705BDS • Serial number: from 000001 to 999999 | ||
| Name and address of the manufacturer or his authorised representative: Nom et adresse du fabricant ou de son mandataires: Nazwa i adres produita lub是我国 upowaznionego przedstawciela: Denumirea与此 adresa producătorului sau a representantului său autorizat: Nombre y direccion del fabricante o de su representante autorizzato: Nome e endereço do fabricante ou do respec吊顶ario: | ||
| Kingfisher International Products B.V., Rapenburgerstraße 175E, 1011 VM Amsterdam, The Netherlands | ||
| This declaration of conformity is issued under the sole responsibility of the manufacturer. La presente déclaration de conformità est établie sous la seule responsabilité du fabricant. Niniejsza deklaracja zgodnosci wydana zostaje na węlączna odpowiedzialnosć producenta. Prezenta declaratie de conformità este emisāpe rāspunderea exclusivá a producătorului. La presente déclaration de conformità se expide bajo la exclusiva responsabilitad del fabricante. A presente déclaration de conformità é emitida sob a exclusiva responsabilitad do fabricante. | ||
| Object of the declaration/Objet de la declaration/Przedmiot deklaracji/Objektu Declaration/Objeto de la declaredication/ Objeto da declaresigno | ||
| Product/Produit/Produkt/Producto/Produto | Model/Modèle/Model/ Modelul/Modelo/Modelo | EAN |
| 350W Band Saw Scie a ruban 350W Piña tasmowa 350W 350W Ferăstrău cu bandă Sierra de cinta 350W Serra de fita 350 W | TTB705BDS | 5052931645275 5059340253060 |
| The object of the declaration described above is in conformity with the relevant Union harmonisation legislation: L'objet de la déclaration précrit ci-dessus est conforme à la législation d'harmonisation de l'Union applicable: Wymiemiony powozęj przedmiot niniejszej deklaracji jest zgodny z odnosnymi wymaganiymi unijego prawnodawstwa harmonizacjanergyo: Obiectul declarations describris mai sus este in conformitate cu legislata relevantà de armonizare a Uniunii: El objeto de la déclaration describa anteriormente es conforme con la legislación de armonizacion pertinente de la Unión: O objeto da declaresigno acima describta está em conformidade com alegislação de harmonização da União aplicável: | ||
| 2006/42/EC as amended | Machinery Directive | |
| 2014/30/EU as amended | Directive Electromagnetic compatiblity | |
| 2011/65/EU as amended | Directive Restriction of the use of certain hazardous substances in electrical and electronic equipment | |
| 2006/42/CE en tant que directive modifiée sur les machines 2014/30 / UE telle que modifiée Directive Compatibilité électromagnétique Directive 2011/65 / UE telle que modifiée Limitation de l'utilisation de certains substances dangereuses dans les équipements électriques et électroniques | ||
| 2006/42/WE wzmienionej dyrektywie maszynowej 2014/30 / UE zezmianami Dyrektywa Kompatbilność elektromagnetyczna 2011/65 / UE zezmianami Dyrektywa Ograniczenia stosowsania niedtórch'yich nebezpiecznych substantenci w sprȩcie elektrycznym i elektronicznym | ||
| 2006/42/CE, astfel a fost modificató Direiva privind echipamentele | ||
| 2014/30/UE, astfel a fost modificató Direiva privind compatibilitatea electromagnetica | ||
| 2011/65/UE, astfel a fost modificató Direiva privind limitareutilizâri anumitor substanentepericuloase in echipamentelelecive Şelectronica | ||
| Direiva sobre maquinaria modificada 2006/42/CE | ||
| 2014/30/UE modificada Direiva Compatibleldemodromagnética | ||
| 2011/65/UE modificada Direiva Restrición del uso de determinadas sustancias peligrosas en equipments eléctricos yelectrónicos | ||
| 2006/42/CE como diretiva de máquinas alteradas | ||
| 2014/30/UE como alteração da compatibiliadedelemotromagnético | ||
| 2011/65/UE como restruição diretiva alterada dautilização de certas substâncias perigosas em equipamentos elétricos eeletrónicos | ||
| References to the relevant harmonised standards used or references to the other technical specifications in relation towhich conformity is declared: | ||
| Références des normes harmonisées pertinentes appliquées, y compris la date de celles-ci, ou des autres specificationstechniques, y compris la date de celles-ci, par rapport auxquelles la conformité est déclarée: | ||
| Odwolania do odnośnych norm zharmonizowanych, ktore zastosowano, wrz z data normy, lub do innych specyfikaciotechniczych, wrz z data specyfikaci, w odniessieniu do ktorch deklarowana jest zgodnošć: | ||
| Trimiteri la standardèle armonizate relevante folosite, inclusiv data standardului, sau trimiteri la celealte specificazioni tehnice, inclusiv data specifikātor, in legáttur cu care se declarà conformitatea: | ||
| Referencias à las normas armonizadas pertinentes realizadas, incluidas las fechas de las normas, o referencingias a lasotraspecções tínicas, incluidas las fechas de las espécificações, respecto a las cuales se declares la conformidade: | ||
| Referências às normas harmonizadas aplicáveis realizadas, inclindo a data da norma, ou àsotras espécificações tínicas, inclindo a data da espécificação, em relação às quais é declarada a conformidade: | ||
| EN 61029-1:2009/A11:2010 | ||
| EN 61029-2-5:2011/A11:2015 | ||
| EN 55014-1:2017/A11:2020 | ||
| EN 55014-2:2015 | ||
| EN 61000-3-2:2014 | ||
| EN IEC 61000-3-2:2019 | ||
| EN 61000-3-3:2013 | ||
| EN 61000-3-3:2013/A1:2019 | ||
| Where applicable, the notified body TUV SUD Product Service GmbH, Ridlerstraße 65 • 80339 Munich • Germany. | ||
| Number : 0123, performed EC-Type Examination Certificate and issued the certificate: M6A 180794667078 | ||
| Le cas échéant, l'organisme notification TUV SUD Product Service GmbH, Number : 0123, Ridlerstraße 65 • 80339 Munich •Germany, a effectué EC-Type Examination Certificate et a établi le certificate: M6A 180794667078 | ||
| W stosownych przypackach Jednostka notyfikowsa TUV SUD Product Service GmbH, Ridlerstraße 65 • 80339 Munich •Germany, Number : 0123, przypackadzila EC-Type Examination Certificate i wydala certyfikat: M6A 180794667078 | ||
| După caz, organismul notificat TUV SUD Product Service GmbH, Ridlerstraße 65 • 80339 Munich •Germany, Number :0123, a efectuat EC-Type Examination Certificate与此amis certificatu: M6A 180794667078 | ||
| Si Proceed, el organismo notificado TUV SUD Product Service GmbH, Ridlerstraße 65 • 80339 Munich •Germany, Number : 0123, haffectuado EC-Type Examination Certificate y expide el certificado: M6A 180794667078 | ||
| Se for esse o caso, o organismo notificado: TUV SUD Product Service GmbH, Ridlerstraße 65 • 80339 Munich •Germany, Number : 0123, efetuou EC-Type Examination Certificate e emitiu o certificado: M6A 180794667078 | ||
| Authorized Signatory and technical file holder/ Signataires et responsable de la documentation technique autorisé/Podmiot uprawionny do wystawienia i adres przechowywania Dokumentacji technicknej/ Semnatar autorizat.si detjinátórdosarulii ethnic/Firmante autorizzato y titular del expediente técnico/Signatário autorizzato e detentor da ficha关键技术:Kingfisher International Products B.V.,Rapenburgerstraat 175E,1011 VM Amsterdam,The Netherlands | ||
| David AweGroup Quality DirectorOn 01/01/2022 | ||

Manufacturer · Fabricant · Producers
Pour consulter les manuels d'instructions en ligne, rendez-vous sur le site www.kingfisher.com/products
Notice Facile