CLAS90 NGCR/BEU CREM - Chauffage au gaz FALCON - Notice d'utilisation et mode d'emploi gratuit

Retrouvez gratuitement la notice de l'appareil CLAS90 NGCR/BEU CREM FALCON au format PDF.

📄 29 pages Français FR 💬 Question IA 10 questions ⚙️ Specs
Notice FALCON CLAS90 NGCR/BEU CREM - page 2
Type d'appareilChauffe-eau gaz
ModèleNon précisé
CapacitéNon précisé
Dispositif de sécuritéDispositif de Sécurité Spécial (DSS)
AlimentationGaz
InstallationMurale
Type de gazNon précisé
Consommation énergétiqueNon précisé
Débit d'eauNon précisé
DimensionsNon précisé
PoidsNon précisé
Type d'allumageNon précisé
GarantieNon précisé
EntretienInstructions d'installation et d'entretien fournies
Langues du manuelFrançais, Espagnol

FOIRE AUX QUESTIONS - CLAS90 NGCR/BEU CREM FALCON

Comment allumer la FALCON CLAS90 NGCR/BEU CREM ?
Pour allumer l'appareil, tournez le bouton de commande sur la position souhaitée et appuyez sur le bouton d'allumage. Assurez-vous que le gaz est ouvert.
Que faire si la flamme s'éteint pendant la cuisson ?
Vérifiez si le gaz est ouvert et si le brûleur est propre. Si la flamme s'éteint régulièrement, contactez un technicien qualifié.
Comment nettoyer les grilles de cuisson ?
Retirez les grilles et lavez-les avec de l'eau chaude savonneuse. Utilisez une brosse douce pour enlever les résidus. Rincez et laissez sécher complètement avant de les remettre en place.
L'appareil émet une odeur de gaz, que dois-je faire ?
Éteignez immédiatement l'appareil et ouvrez les fenêtres pour ventiler la pièce. Ne rallumez pas l'appareil et contactez un professionnel pour vérifier la fuite.
Comment régler la température du four ?
Utilisez le thermostat pour sélectionner la température souhaitée. Le témoin lumineux indiquera lorsque le four atteint la température réglée.
Que faire si le four ne chauffe pas ?
Vérifiez si le four est correctement réglé et si le gaz est ouvert. Si le problème persiste, contactez un technicien pour un diagnostic.
Comment remplacer une ampoule dans le four ?
Débranchez l'appareil et retirez le couvercle de l'ampoule. Remplacez l'ampoule par une ampoule de même type et remettez le couvercle en place.
Quelle est la consommation d'énergie de la FALCON CLAS90 NGCR/BEU CREM ?
La consommation d'énergie dépend de l'utilisation, mais en général, cette unité est conçue pour être économe en énergie. Consultez le manuel pour des chiffres spécifiques.
Puis-je utiliser des casseroles en fonte sur cette cuisinière ?
Oui, vous pouvez utiliser des casseroles en fonte. Assurez-vous qu'elles sont adaptées à la taille des brûleurs pour une cuisson uniforme.
Où puis-je trouver des pièces de rechange pour mon appareil ?
Les pièces de rechange peuvent être commandées auprès du service client de FALCON ou auprès de revendeurs agréés.

Questions des utilisateurs sur CLAS90 NGCR/BEU CREM FALCON

0 question sur cet appareil. Repondez a celles que vous connaissez ou posez la votre.

Poser une nouvelle question sur cet appareil

L'email reste privé : il sert seulement à vous prévenir si quelqu'un répond à votre question.

Aucune question pour l'instant. Soyez le premier à en poser une.

Téléchargez la notice de votre Chauffage au gaz au format PDF gratuitement ! Retrouvez votre notice CLAS90 NGCR/BEU CREM - FALCON et reprennez votre appareil électronique en main. Sur cette page sont publiés tous les documents nécessaires à l'utilisation de votre appareil CLAS90 NGCR/BEU CREM de la marque FALCON.

MODE D'EMPLOI CLAS90 NGCR/BEU CREM FALCON

90 Gaz à Dispositif de Sécurité

Spécial (DSS)

Mode d'emploi Instructions d'installation et d'entretien

FALCON CLAS90 NGCR/BEU CREM - Spécial (DSS) - 1

Clásica 90 Gas FSD

Nous vous remercions d'avoir acheté une cuisinière Classic. Installée et utilisée correctement, cette cuisinière vous donna de nombreuses années de service fiable. Il est donc important de dire la presente section avant de commencer, en particulier si vous n'avez jamais utilisé de cuisinière mixte.

Cet apparéil est donc uniquement pour un usage domestique. Toute autre utilisation n'engage ni la responsabilité, ni la garantie du fabricant. En particulier, n'utilise PAS le four pour chauffer la cuisine - non seulement cette pratique invalidera les réclamations, mais elle constituya un gaspillage d'énergie et un risque de surchauffe des boutons de commande.

Installation et Entretien

Au Royaume-Uni, la cusinière doit être installée par un technicien certifié CORGI. L'installation électrique doit être conforme à la norme BS 7671. Les autres installations doivent être conformes aux instructions appropriées des prsentes et satisfaire à la réglementation nationale et locale en vigueur, ainsi qu'aux prescriptions des compagnies de gaz et d'électricité locales.

Vérifiez que l'alimentation en gaz est en service et que la cusinière est raccordée à l'alimentation électrique et sous tension (la cusinière a besoin d'électricité).

Réglez l'horloge pour permettre le fonctionnement des jours - voir la section appropriée des Presents instructions.

La cuisine doit faire l'objet d'un entretien effectué par un technicien d'entretien qualifié, lequel doit utiliser uniquement des pieces de rechange approvées.

Laissez toujours la cusinière refroidir et mettez-la hors tension avant de la nettoyer ou d'effectuer une intervention d'entretien, sauf indication contraire dans les prsentes instructions.

Avant l'installation, vérifie que les conditions de distribution locales (type et pression de gaz) et le réglage de l'appareil sont compatibles. Cet apparéil doit être installé par une personne qualifiée et compétente.

Les conditions de réglage pour cet apparéil sont indiquées sur la plaque signalétique.

Odeur de neuf

Une légère odeur de neuf peut se dégager lors de la première utilisation de la cuisineira. Elle disparaître rapidement à l'utilisation.

Avant la première utilisation de l'appareil, assurez-vous qu'il ne reste aucun matériel d'emballage,

puis réglez les jours sur 200^ et faites-les marcher pendant une heures afin d'éliminer l'odeur de neuf.

Avant la première utilisation du grill, allumez-le et faites-le marcher pendant 30 minutes, avec la lechefrite bien en place, et en laissant la porte du grill ouverte.

Veillez à ce que la pièce soit bien ventilée (voir « Ventilation » ci-dessous). Il est recommendé aux personnes souffrant de problèmes respiratoires ou d'allergies de quitter la pièce pendant ce temps.

Si vous sentez une odeur de gaz :

  • N'actionnez aucun interrupteur électrique, ni pour allumer, ni pour eteindre.
  • Ne fumez pas.
  • N'utilise pas de flammes hues.
  • Coupe le gaz au compteur ou au niveau de la bouteille de gaz
    Ouvrez portes et fenêtres pour évacuer le gaz
    Eloignez toute personne de l'endetroit concenné
  • Appelez votre fournisseur de gaz.

Ventilation

L'utilisation d'un apparéil de cuisson à gaz produit de la chaleur et de l'humidité dans la piece contenant l' apparéil. Par conséquent, veillez à ce que la cuisine soit bien ventilée : laissez les ouvertures de ventilation naturelle ouvertes ou installez une hotte aspirante à évacuation extérieure. En cas d'utilisation simultanée de plusieurs brûleurs ou d'utilisation prolongée de la cusinière, ouvrez une fenêtre ou mettez en marche une hotte aspirante.

Sécurité personnelle

Les parties accessibles de la cusinière deviennent chaudes lorsque celle-ci est en marche et resteront chaudes même après la cuisson. Ne laissez pas les bébés et les enfants s'approcher de la cusinière et ne portez jamais de vêtements amples ou flottants lors de l'utilisation de la cusinière. Vérifiez toujours que les commandes sont sur la position Arrêt [OFF] lorsque le four n'est pas en marche et avant de nettoyer la cusinière.

Lorsque le four est en marche, ne laissez PAS la porte du four ouverte plus longtemps que nécessaire, afin de prévenir une surchauffe des boutons de commande.

La cuisson d'aliments à haute teneur en eau peut produit une « bouffée de vapeur » à l'ouverture de la portedu four. Lorsque vous ouvre la portedu four, reculez-vous et attendez que la vapeur se soit dissipée.

FALCON CLAS90 NGCR/BEU CREM - Sécurité personnelle - 1

Veillez à ce que les matériaux combustibles, (rideaux, liquides inflammables, etc.) soient toujours suffisamment éloignés de la cuisineire.

N'utilise pas d'aerosols à proximé de la cuisine lorsque celle-ci est en marche.

Au besoin, utilisez des gants isolants secs - l'emploi de gants humides risque de causeur des brûlures dues à la vapeur lors du contact avec une surface chaude. N'utilisez pas de torchon ou autre chiffon écais à la place d'un gant isolant - ils risquent de d'enflammier au contact d'une surface chaude.

Ne faites jamais fonctionner la cuisine avec les mains mouillées.

Ne recouvre pas les grilles, les panneaux internes ou la voûte du four de papier aluminium.

Ne chauffez jamais des recipients alimentaires qui n'ont pas ete ouverts. La pression accumulée a l'intérieur des recipients peut les faire eclater et blesser l'utilisateur.

N'utilisez pas des cassetoles instables. Tournez toujours les manches des recipients de cuisson vers l'intérieur de la table de cuisson.

FALCON CLAS90 NGCR/BEU CREM - Sécurité personnelle - 2

Ne laissez jamais la table de cuisson en marche sans surveillance si les brûleurs sont régles sur maximum. Le débordement des recipients peut produit de la fumée et des taches de gras qui risquent de s'enflammer. Si possible, utilisez un thermomètre à bain de friture pour prévenir une surchauffe de l'huile au-delà du point de fumée.

Ne laissiez jamais une friteuse sans surveillance. Faites toujours chauffer l'huile lentement, en la surveillant. Les friteuses ne doivent être remplies qu'à un tiers de leur capacité. Une friteuse trop pleine peut déborder lorsqu'on y plonge des alimentents. Si vous utilisez un mélange d'huile et de graisse pour la friture, mélangez-les avant de chauffer, ou pendant la fonte des graisses.

Les aliments à frire doivent être le plus sec possible. La présence de cristaux de glace sur des alimentés congelez ou d'humidité sur des alimentés frais peut provoquer une ébullition et un débordement de l'huile. Surveillance attentivement pour prévenir les débordements et la surchauffe pendant la friture à haute ou moyenne température. N'essayez jamais de

déplacer un récipient de cuisson contenant de l'huile chaude, en particulier une friteuse. Attendez que l'huile ait refroidi.

Lorsque le grill est en marche, ne vous servez pas de la grille d'évacuation (la grille le long de la partie arrrière de la cusinière) pour réchauffer des assiettes ou des plats, sécher des torchons ou ramollir du beurre.

N'utilise pas d'eau pour eteindre les incendies dus à la graisse et ne soulevez jamais un recipient de cuisson qui a pris feu. Eteignez la cusinière et etouffez un recipient qui a pris feu sur une table de cuisson en le recouvrant complètement avec un couvercle de taille appropriée ou une plaque de cuisson. Si possible, utilisez un extincteur à poudre chimique ou à mousse de type polyvalent.

Veillez à prévenir toute infiltration d'eau dans l'appareil.

Seuls certains types de recipients en verre, vitrocéramique, terre cuite ou autres recipients émailles peuvent être utilisés sur la table de cuisson; les autres risquent de se briser en raison du changement soudain de température.

Cet apparéil est lourd; prenez garde lorsque vous le déplacez.

Avant de commencer Page 2

Brûleurs de table de cuisson Page 5

Plaque à griller Page 6

Gril Page 7

Cuisson lente « S » [Slow] Page 10

Four haut (électrique) Page 11

Horloge Page 12

Cuisson avec minuteurie Page 13

Cuisson au four Page 14

Nettoyage de la cuisineire Page 14

Déplacement de la cuisineire Page 17

Dépannage Page 17

L'installation Page 19

Scheme de câblage Page 27

Fiche technique Page 28

Brûleurs de table de cuisson

Le schéma à côté de chaque bouton indique le brûleur associé à ce bouton. Illustration : bouton du brûleur avant gauche.

FALCON CLAS90 NGCR/BEU CREM - Brûleurs de table de cuisson - 1

1

Chaque brûleur est doté d'un dispositif de sécurité spécial (DSS) qui coupe l'alimentation en gaz en cas d'extinction de la flamme

Appuyez sur le bouton d'allumage; appuyez sur le bouton d'un des brûleurs et mettez-le sur le symbole grande flamme(?). Continuez d'appuyer sur le bouton pendant quelques secondes. Ceci permet l'arrivée du gaz jusqu'àu brûleur et la détction de la flamme par le dispositif de sécurité.

Si le brûleur s'éteint lorsque vous relâchéze le bouton de commande, le dispositif de sécurité n'a pas été enclenchéé. Mettez le bouton de commande sur la position Arrêt [Off] et attendez une minute avant d'essayer de nouveau, en appuyant un peu plus longtemps sur le bouton.

FALCON CLAS90 NGCR/BEU CREM - 1 - 1

2

Tournez le bouton pour régler la hauteur de flamme. Sur cette cusinière, le réglage inférieur est au-delà du réglage supérieur, et non pas entre réglage supérieur et arrêt. Le symbole petite flâme indique le « réglage inférieur». Tournez le bouton vers celui ci lorsqu'un plat est parvenu à ébullition.

FALCON CLAS90 NGCR/BEU CREM - 2 - 1

3

Veillez à ce que les flammes ne dépassent pas des recipients de cuisson. Utilisez un couvercle sur les recipients de cuisson pour porter à ébullition plus rapidement.

N'utilise pas de casseroles ou marmites à fond concave ou à fond à rebord incuré vers le bas.

4

FALCON CLAS90 NGCR/BEU CREM - 4 - 1

L'utilisation de dispositifs de mjotage, de type plaques d'amiate ou plaques métalliques, est DECONSEILLE. Ces disposits diminueront les performances du brûleur et risquent d'endommager les grilles de la table de cuisson.

FALCON CLAS90 NGCR/BEU CREM - 4 - 2

N'utilise pas de récipiens de cuisson instables ou déformés susceptibles de se renverser, ni de récipiens de cuisson à fond de très petit diamètre (casseroles à lait, pocheuses individuelles, etc.). Le diamètre minimum recommendé pour les récipiens de cuisson est de 120 mm.

N'utilise pas de casseroles ou marmites à fond à rebord incurve vers le bas.

FALCON CLAS90 NGCR/BEU CREM - 4 - 3

6

Le brûleur de Wok (coup de feu) est conçu pour fournir une chaleur uniforme sur une grande surface. Il est parfait pour les grandes poèles et la friture rapide à feu vif. Les petits brûleurs sont plus adaptés aux recipients de cuisson plus petits.

Si la flamme d'un brûleur s'éteint, mettez le bouton de commande sur Arrêt [Off] et attendez une minute avant de rallumer.

Les composants du brûleur sont démontables pour faciliter le nettoyage. Voir « Nettoyage de la cuisine »

En cas de débordement, essuyezès que possible la surface émaillée autour des brûleurs de la table de cuisson. Tâchez d'essuyer la substance renversée pendant que l'émail est encore chaud.

Plaque à griller

1

FALCON CLAS90 NGCR/BEU CREM - 1 - 1

La plaque à griller se pose sur une grille de la table de cuisson, d'avant en arrêtre. Elle s'utilise pour la cuisson directe des alimentents. N'utilise pas de recipients de cuisson sur cette plaque. La plaque à griller a une surface antiadhésive susceptible d'être endommagée par des ustensiles de cuisine métalliques (spatules, par exemple). Utilisez des ustensiles en bois ou en plastique thermoresistant.

2

FALCON CLAS90 NGCR/BEU CREM - 2 - 1

Ne la placez pas transversalement - elle sera mal placee et instable.

Ne la placez pas sur le brûleur de Wok - elle n'est pas conscience pour être placée sur la grille du brûleur de Wok.

3

FALCON CLAS90 NGCR/BEU CREM - 3 - 1

Placez la plaque à griller sur les grilles des brûleurs de la table de cuisson. Avant l'utilisation, vous pouvez enduire la plaque d'une légère couche d'huile à friture. Allumez les brûleurs de la table de cuisson. Réglez la hauteur de flamme selon les besoin.

FALCON CLAS90 NGCR/BEU CREM - 3 - 2

4

Préchauffez la plaque à griller pendant 5 minutes au maximum avant d'y déposer les aliments. Un préchauffage plus long risque de l'endommager. Pour réduire la chaleur, tournez les boutons de

commande vers le réglage inférieur (indiqué par le symbole petite flamme).

FALCON CLAS90 NGCR/BEU CREM - 4 - 1

Veillez à ce qu'il y ait toujours suffisamment de place autour de la plaque à griller pour permettre l'échévement des gaz. N'utilise jamais deux plaques à griller côte à côte. Les récipients de cuisson de grande taille doivent aussi être bien espacés entre eux. Le diamètre maximum pour les récipients de cuisson est de 250 mm.

FALCON CLAS90 NGCR/BEU CREM - 4 - 1

Utilisez les réglages suivants comme guide de cuisson sur la plaque à griller.

Supérieur/Moyen:

Galettes de pommes de terre, Oeufs, Galettes de poisson.

Avec la pratique, vous vous familiariserez rapidement avec les réglages corrects adaptés à la préparation de vos plats.

Après la cuisson, laissez refroidir la plaque à grillier avant de la nettoyer.

Grill

ATTENTION : Des composants accessibles risquent devenir chauds pendant l'utilisation du grill. Eloignez les enfants de la cuisine.

1

FALCON CLAS90 NGCR/BEU CREM - 1 - 1

Le brûleur ne devient pas incandescent - les alimentés都可以 sous l'effet de la chaleur des flammes. Un léger dégagement de fumée peut se produit lors de la première utilisation du grill - ceci est tout à fait normal.

2

FALCON CLAS90 NGCR/BEU CREM - 2 - 1

Retirez la l'échéfte de la partie inférieure de l'enceinte du gril.

3

FALCON CLAS90 NGCR/BEU CREM - 3 - 1

Placez les alimentes sur la grille de la lèchefrite, puis insérez la lèchefrite le long des supports lateraux, juste au-dessous du grill. Veiliez à ce que la lèchefrite soit insérée à fond, jusqu'à la butée arrête.

4

FALCON CLAS90 NGCR/BEU CREM - 4 - 1

Veillez à ce que la l'échefrite soit insérée à fond, jusqu'à la butée arrêté. Ne fermez jamais la porte du grill lorsque celui-ci est en marche.

5

FALCON CLAS90 NGCR/BEU CREM - 5 - 1

FALCON CLAS90 NGCR/BEU CREM - 5 - 2

Le grill est doté d'un dispositif de sécurité spécial (DSS) qui coupe l'alimentation en gaz en cas d'extinction de la flamme. Appuyez sur le bouton

d'allumage. Appuyez sur le bouton de commande du grill et mettez-le sur le symbole grande flamme (A).

Continuez d'appuyer sur le bouton de commande du grill pendant 10 secondes environ. Ceci permet l'arrivée du gaz jusqu'àu brûleur et la détction de la flamme par le dispositif de sécurité.

Si le brûleur s'éteint lorsque vous relâchez le bouton de commande, le dispositif de sécurité n'a pas été enclenché. Mettez le bouton de commande sur Arrêt, attendez une minute, puis essayez de nouveau en appuyant un peu plus longtemps sur le bouton de commande.

FALCON CLAS90 NGCR/BEU CREM - 5 - 3

6

Le réglage inférieur, indiqué par le symbole petite flamme, est au-delà du réglage supérieur, et non pas entre réglage supérieur et arrêt.

7

FALCON CLAS90 NGCR/BEU CREM - 7 - 1

La grille de la l'échefrite est réversible pour permettre deux positions de gril.

FALCON CLAS90 NGCR/BEU CREM - 7 - 2

Pour obtenir lesassageurs résultats possibles, notamment pour griller des tranches de pain, préchauffez pendant deux minutes avec la lèchefrite en place. Vous pouze restirer la grille de la lèchefrite et y déposer les alimentés pendant le préchauffage. ÀpRES avoir placé les alimentés sur la grille de la lèchefrite, insérez la lèchefrite le long des supports latéraux, juste au-dessous du grill. Tournez le bouton pour régler la hauteur de flamme.

Ne laissez jamais le grill en marche pendant plus de quelques instantsi la letchefrite n'est pas en place sous le grill.

Vous pouvez faire dorer des plats cuits au four, en les plaçant sous le grill. Retirez la grille de la l'echefrite et placez le plat sur la l'echefrite. Insérez la l'echefrite dans l'enceinte du grill.

Le four principal

L'horloge doit être réglée sur l'houre actuelle pour que les jours puissant fonctionner. Voir les instructions de la section « Horloge » pour le réglage de l'heure.

Avant la première utilisation du four, faites fonctionner le four à 220^ pendant 30 minutes pour éliminer l'odeur de neuf. Ouvrez une fenêtre pour chasser l'odeur.

FALCON CLAS90 NGCR/BEU CREM - Le four principal - 1

1

Appuyez sur le bouton de commande du four et mettez-le sur le réglage 240^ . Le four s'allumera automatiquement.

FALCON CLAS90 NGCR/BEU CREM - 1 - 1

Mettez le bouton de commande sur la température de cuisson souhaitation et, pour obtenir les salariés résultats possibles, préchauffez le four pendant 15 minutes.

FALCON CLAS90 NGCR/BEU CREM - 1 - 2

3

Les jours utilisent notre système spécifique « Heatflow ».

Le brûleur du four n'était pas sous la sole du four, les flammes sont visibles à l'arrière du four - ceci est tout à fait normal.

Le four est protégé par un dispositif de sécurité, qui réduit l'alimentation en gaz en cas d'extinction des flammes, par exemple, en cas d'interruption de l'alimentation secteur.

Initialement, le brûleur produit des flammes de petite taille, qui, après une minute environ,

deviendront plus grande, ce qui indiquera le fonctionnement optimal du four.

4

FALCON CLAS90 NGCR/BEU CREM - 4 - 1

Les plats placés sur la grille centrale cuiront à la température indiquée par le bouton de commande.

FALCON CLAS90 NGCR/BEU CREM - 4 - 2

Les plats placés au-dessus de la position centrale ciiront à environ 10 à 20^ de plus, et ceux placés au-dessous de la position centrale, à environ 10 à 20^ de moins. Ceci permet la cuisson simultanée de plats nécessitant des températures de cuisson différentes.

FALCON CLAS90 NGCR/BEU CREM - 4 - 3

6

Le réglage « S » est une température très BASSE perceptant une cuisson lente, pendant la nuit ou pendant votre absence Ce réglage est aussi utile pour garder des plats au chaud.

Veillez à ce que les grilles interieures soient toujours insérées à fond dans le four.

Placez les plaques de cuisson, moules à viandes, etc., à niveau, au centre des grilles du four. Eloignez les plaques et les plats de cuisson des bords du four, afin de permettre la circulation de l'air chaud.

Pour un dorange uniforme, il est recommancé d'utiliser une plaque de cuisson de dimensions maximes : - 325mm (12³/4") by 305mm (12") pour le four principal et 230mm (9") by 320mm (12¹/₂")pour le four haut.

Lorsque le four est en marche, ne laissez pas la porte du four ouverte plus longtemps que nécessaire, afin de prévenir une surchauffe des boutons de commande.

  • Laissez toujours un « doigt de largeur » entre des plats placés sur une grille de four. Ceci afin de faciliter la circulation de chaleur autour des plats.

  • Pour diminuer les projections grasses lorsque vous ajoutez des légumes dans laGRAISSÉchaude autour d'un roti, séchez soigneusement les légumes ou enduisez-les d'une légère couche d'huile à friture.

  • Placez les plats susceptibles de bouillir et déborderpendant la cuisson sur une plaque de cuisson.

Le four est protégé par un dispositif de sécurité, qui réduit l'alimentation en gaz en cas d'extinction des flammes, par exemple, en cas d'interruption de l'alimentation secteur.

  • Le réglage « S » permet de réchauffer plats et assiettes dans le four. Ce réglage peut aussi servir à garder les alimentés au chaud pendant 3-4 heures après la cuisson, sans risquer de dessécher ou trop dorer les alimentés.
  • Les panneaux internes autonettoyants (voir la section « Nettoyage de la cusinière ») sont plus efficaces lorsqu'on évite les projections grasses.
  • Le four produit assez de chaleur pendant la cuisson pour réchauffer des assiettes placées dans l'enceinte du grill.
  • Si vous souhaitez dorer un fond de tarte, préchauffez la plaque de cuisson pendant 15 minutes avant de placer le plat au centre de la plaque.

Grilles de four

Four gauche (four principal)

FALCON CLAS90 NGCR/BEU CREM - Four gauche (four principal) - 1

Le protège-grille doit être à l'arrière, et pointer vers le haut. Outre les grilles plates, ce modulo est fourni avec une grille surbaissée, qui augmente les possibités d'espacement entre les grilles de four.

FALCON CLAS90 NGCR/BEU CREM - Four gauche (four principal) - 2

FALCON CLAS90 NGCR/BEU CREM - Four gauche (four principal) - 3

Les grilles de four s'inserent et s'exraient facilement :

Tirez la grille vers l'avant jusqu'à ce que l'arrière de la grille soit arrêté par les butées d'accès laterales du four.
Soulevez l'avant de la grille pour faire passer l'arrière de la grille sous la butée d'accès, puis tirez la grille vers l'avant.

Pour remettre la grille en place, mettez la grille à niveau avec une glissière latérale du four, puis insérez la grille à fond jusqu'à ce que les extrémités soient en contact avec la butée d'arrêt de la grille. Soulevez l'avant de la grille pour que les extrémités puissant dépasser les butées, puis abaissez l'avant pourmettre la grille à l'horizontal, avant de l'insérer à fond.

FALCON CLAS90 NGCR/BEU CREM - Four gauche (four principal) - 4

Grilles du four haut

Le four haut est fourni avec quatre grilles de cuisson ordinaires :

FALCON CLAS90 NGCR/BEU CREM - Grilles du four haut - 1

et une grille chauffe-plats :

FALCON CLAS90 NGCR/BEU CREM - Grilles du four haut - 2

Lorsque vous utilisez le four haut, vous pouvez faire cuire des alimentes sur les quatre grilles simultanement, mais voirlez à ce que les plats soient bien écarts les uns des autres pour permettre à l'air chaud de circuler.

Handyrack

Le Handyrack peut supporter un poids maximum de 5,5 kg. Il ne doit être utilisé qu'avoc le moule à viande fourni, qui est spécialement concu pour être utilisé avec le Handyrack. Tout autre recipient de cuisson risque d'être instable.

FALCON CLAS90 NGCR/BEU CREM - Handyrack - 1

Le Handyrack se monte uniquement sur la porte du four gauche. Il est facile de surveiller les alimentés cisant ainsi car vous pouvez y acceder lorsque la porte est ouverte. Vous pouvez le monter sur deux positions. Retirez une des grilles et placez l'autre selon les besoin. Lorsque le Handyrack est utilisé sur sa position supérieure maximum, d'autres plats peuvent être cuits sur une grille placée à la position inférieure du four ou place directement sur la sole du four. Lorsque le Handyrack est utilisé sur sa position inférieure maximum, d'autres plats peuvent être cuits directement sur la sole du four.

Eclairage du four principal

Appuyez sur le bouton approprié pour allumer l'éclairage du four.

FALCON CLAS90 NGCR/BEU CREM - Eclairage du four principal - 1

Si l'éclairage du four principal est défectueux, mettez la cusinière hors tension avant de changer l'ampoule. Pour des informations détaillées sur la façon de changer une ampoule de four, reportez-vous à la section « Dépannage »

Cuisson lente « S » [Slow]

FALCON CLAS90 NGCR/BEU CREM - Cuisson lente « S » [Slow] - 1

Le réglage « S » correspond à une température très BASSE permettant une cuisson lente, pendant la nuit ou pendant votre absence. Ce réglage est aussi utile pour garder des plats au chaud.

Vous pouvez effectuer la totalité de la cuisson avec le réglage « S», ou commencer par 30 minutes de cuisson à 200^ [Gas Mark 6], suivant une cuisson au réglage « S »

Pour la cuisson de rôtis, volailles ou plats en cocotte, commencez toujours par 30 minutes de cuisson à 200^ .

Vous pouvez effectuer une cuisson au réglage « S » pendant 6 à 12 heures. Cette technique est particulièrement utile pour la cuisson d'un plat pendant la nuit ou pendant que vous étes au travail.

Les alimentés doivent être complètement décongelés avant une cuisson au réglage « S ».

Ce type de cuisson est déconseilé pour la cuisson des volailles entières. Il peut-être utiliser pour des recettes de poulet braisé.

Dans le cas des plats braisés, portez à ébullition sur la table de cuisson avant demettre au four pour une cuisson lente « S »

Les volailles et rôtis ne doivent pas être farcis avant la cuisson. La farce doit être cuite séparément. Les volailles et le porc doivent être cuits dans la partie supérieure du four, et les autres viandes ne doivent pas être à une hauteur de grille inférieure à la position 4.

Recouvre les rôtis avec une feuille d'aluminium, ou placez-les dans un sac à rôtir pour conserver le volume et le moelleux de la viande.

Pour obtenir une viande plus dorée, ötez la feuille d'aluminium et continuez la cuisson à 180^ C pendant une courte période

Coupez les légumes racines en petits morceaux, sauf si la recette exige que le légume reste entier (pommes de terres en robe des champs, par exemple).

Couvrez bien les recipients de cuisson avec un couvercle ou une feuille d'aluminium pour empêcher l'évaporation et la perte de saveur.

Une fois le plat mis au four et la cuisson lente en cours, résistez à la tentative d'ouvrir la porte du four. Il y aurait perte de chaleur et la cuisson serait plus longue.

Un thermomètre à viande est recommendé pour vérifier la cuisson des rôts et des volailles. Insérez la sonde du thermomètre dans la partie la plus épaisse de la viande. Les températures doivent être comme suit : -

Boeufsaignant60°C / 140°F
à point71°C / 160°F
bien cuit77°C / 170°F
Agneau82°C / 180°F
Porcfrais88°C / 190°F
salé77°C / 170°F
Volaille90°C / 195°F
Veau77°C / 170°F

Four haut (electrique)

L'appareil devient chaud lorsqu'il est en marche. Veillez à éviter de toucher les éléments chauffants qui se trouvent à l'intérieur du four.

L'horloge doit être réglée sur l'heure actuelle pour que le four Multifonctions gauche puisse fonctionner. Pour le réglage de l'horloge, voir la section «\~Horloge\~»

Avant la première utilisation de l'appareil, assurez-vous qu'il ne resteaucun matériel d'emballage,puis,réglez les joursur 230^ et faites-les marcher pendant une heures afin d'éliminer l'odeur de neuf. Pour éliminer l'odeur de neuf, assurez-vous que la pièce est bien aérée,en ouvrant les fenêtres,par exemple,ou en mettant la hotte en marche. Il est recommendé aux personnes souffrant de problèmes respiratoires ou d'allergies de quitter la pièce pendant ce temps.

FALCON CLAS90 NGCR/BEU CREM - Four haut (electrique) - 1

1

Mettez le bouton de commande du four sur la température requise.

FALCON CLAS90 NGCR/BEU CREM - 1 - 1

2

Levoyant du four s'allumera jusqu'à ce que le four atteigne la température requise. Il s'allumera et s'eteindra pendant la cuisson.

FALCON CLAS90 NGCR/BEU CREM - 2 - 1

3

Pendant la cuisson d'aliments à haute teneur en eau (frites surgelées, par exemple) un peu de vapeur peut être visible à la grille à l'arrête du chauffe-plats.

FALCON CLAS90 NGCR/BEU CREM - 3 - 1

4

Le ventilateur brasse l'air à l'intérieur du four, mais l'élement chauffant n'est pas en marche.

En général, les températures de cuisson recommandées pour les jours ventilés sont inférieures à celles des jours conventionnels.

La cuisson d'aliments à haute teneur en eau peut produit une «\~bouffée de vapeur\~» à l'ouverture de la portedu four. Lorsque vous ouvre la portedu four, reculez-vous et attendez que la vapeur se soit dissipée.

Veillez à ce que les grilles soient toujours insérées à fond dans le four.

Placez les plaques de cuisson, moules à viande, etc., à niveau, au centre des grilles du four. Eloignez les plaques et les plats de cuisson des bords du four, afin de ne pas trop dorer les alimentents.

Pour un dorage uniforme, il est recommandé d'utiliser une plaque de cuisson de 300 mm x 240 mm au maximum.

FALCON CLAS90 NGCR/BEU CREM - 4 - 1

  • Laissez toujours un doigt de largeur entre des plats placés sur une grille de four, pour faciliter la circulation de chaleur autour des plats.
    Pour réduire les projections grasses lorsque vous ajoutez des légumes dans laGRAISSSEchaude autour d'un roti, séchez soigneusement les légumes ou enduisez-les d'un peu d'huile à friture.
  • Placez les plats susceptibles de bouillir et déborderpendant la cuisson sur une plaque de cuisson.

Grilles du four haut

Le four haut est fourni avec quatre grilles de cuisson ordinaires

FALCON CLAS90 NGCR/BEU CREM - Grilles du four haut - 1

FALCON CLAS90 NGCR/BEU CREM - Grilles du four haut - 2

et une grille chauffe-plates.

Lorsque vous utilisez le four haut, vous pouvez faire cuire des alimentes sur les quatre grilles simultanement, mais voirlez a ce que les plats soient bien écarts les uns des autres pour permettre à l'air chaud de circuler.

Horloge

Vous pouvez utiliser la minuterie pourmettre en marche et eteindre les fours.Lhorloge doit etre reglee sur l'heure actuelle pour que les fours puissant fonctionner.

Réglage de l'heure

Appuyez sans relâcher, comme indiqué. En même temps, appuyez sur (-) ou (+) jusqu'à l'affichage de l'heure correcte. N'oubliez pas qu'il s'agit d'une horloge 24 heures.

FALCON CLAS90 NGCR/BEU CREM - Réglage de l'heure - 1

En cas d'erreur ou si vous vous trompez de bouton, mettez hors tension pendant une ou deux minutes, et recommencez.

L'affichage du symbole Clé (†) à gauche sur l'affichage, indique l'activation accidentelle de la fonction de Verrouillage. Voir la section « Fonctions spéciales de l'Horloge »

Réglage du temps de cuisson (minuterie)

FALCON CLAS90 NGCR/BEU CREM - Réglage du temps de cuisson (minuterie) - 1

FALCON CLAS90 NGCR/BEU CREM - Réglage du temps de cuisson (minuterie) - 2

Vous pouvez vérifier le temps de cuisson qui reste en appuyant sur et arrêtier le signal sonore en appuyant sur.

Arrêt automatique

Utilisez cette fonction avec la mise en marche manuelle du four.

FALCON CLAS90 NGCR/BEU CREM - Arrêt automatique - 1

En même temps, appuyez sur (-) ou (+) jusqu'à ce que « l'Heure d'arrêt » [« Stop Time »] s'affiche. AUTO sera affchéé. Le signal sonore indiquera la fin de la cuisson. METTEZ D'ABORD LE BOUTON DE COMMANDE DU FOUR SUR 0 (Arrêt), puis appuyez une fois sur pour arrêter le signal sonore, appuyez de nouveau sur pour revenir au fonctionnement manuel.

Mise en marche et arrêt automatique du four

Avant de régler la minuterie, vous devez avoir deux chiffres à l'esprit.

Le « temps de cuisson », c'est-à-dire la durée pendant laquelle vous pouze que le four fonctionne.

« L'heure d'arrêt », c'est-à-dire l'heure à laquelle vous pouze que le four s'arrête.

Vous ne pouvez pas régler directement une heures de mise en marche - celle-ci est régée automatiquement lorsque vous réglez le temps de cuisson et l'heure d'arrêt.

Appuyez sans relâcher sur le bouton Temps de cuisson (...) button. En même temps, appuyez sur (-) ou (+) jusqu'à l'affichage du temps de cuisson requis.

FALCON CLAS90 NGCR/BEU CREM - Mise en marche et arrêt automatique du four - 1

Appuyez sans relâcher sur le bouton Heure d'arrêt( ). En même temps, appuyez sur (-) ou (+) jusqu'à l'affichage de « l'heure d'arrêt » [« Stop Time »].

FALCON CLAS90 NGCR/BEU CREM - Mise en marche et arrêt automatique du four - 2

AUTO sera affché.

Réglez le four sur la température requise. Le signal sonore indiquera la fin de la cuisson. METTEZ D'ABORD LE BOUTON DE COMMANDE DU FOUR SUR 0 (Arrêt), puis appuyez une fois sur pour arrêter le signal sonore, appuyez de nouveau sur pour revenir au fonctionnement manuel.

Si vous étés absent pendant la cuisson, ne vous inquiétez pas au sujet de l'arrêt du signal sonore, celui-ci s'arrêtea après un certain temps. A votre retour, METTEZ D'ABORD LE BOUTON DE COMMANDE DU FOUR SUR 0, puis appuyez deux fois sur pour revenir au fonctionnement manuel.

AUTO est affché, et vous voulez remettre le four sur fonctionnement manuel.

Lorsqu'on annule un réglage automatique, tout temps de cuisson préréglé doit être remis sur 0.00 avant

que l'on puisse revenir au fonctionnement manuel en appuyant sur le bouton .

Fonctions spéciales de l'horloge

Fonction de verrouillage

Après activation de la fonction de verrouillage, l'horloge fonctionne normalement mais le four est verrouillé et ne s'allumera pas. Ainsi, en cas de sélection accidentelle d'un programme de cuisson par un enfant, le programme ne sera pas activé et le four ne s'allumera pas.

Activation de la fonction de verrouillage

Vérifiez que l'horloge est sur le mode manuel et annulez tout programme en cours.

Appuyez sans relâcher sur les boutons Minuterie(®) et Temps de cuisson pendant 8 secondes environ.(®) « Marche » [« On »] sera affché.. ®
® - +
®
Appuyez une fois sur lebouton « + ».« Arrêt » [« Off »] sera affché.? .BF
☐ ☐ ☐ - +
○ ○ ○ ○
Les fonctions de commande du four et de l'horloge seront alors verrouillées. Après quelques secondes, l'affichage indique de nouveau l'heure et le symbole Clé.(1).6.30 A 7 8 - +
○ ○ ○ ○ ○

Désactivation de la fonction de verrouillage

Appuyez sans relâcher sur les boutons Minuterie (®) et Temps de cuisson pendant 8 secondes environ.() « Arrêt » [« Off »] sera affché.
Appuyez une fois sur le bouton « + ». « Marche» [« On »] sera affché.. . . . . . . . . . . . . . . . . . . . . . . . . . . . . . . . . . . . . . . . . . . . . . . . . . . . . . . . . . . . . . . . . . . . . . . . . . . . . . . . . . . . . . . . . . . . . . . . . . . . . . . . . . . . . . . . . . . . . . . . . . . . . . . . . . . . . . . . . . . . . . . . . . . . . . . . . . . . . . . . . . . . . . . . . . . . . . . . . . . . . . . . . . . . . . . . . . . . . . . . . . - + - + - + - + - + - + - - - - - - - - - - - - - - - - - - - - - - - - - - - - - - - - - - - - - - - - - - - - - - - - - - - - - - - - - - - - - - - - - - - - - - - - - - - - - - - - - - - - - - - - - - - - - - - - - - - - - - - - - . . . . . . . . . . . . . . . . . . . . . . . . . . . . . . . . . . . . . . . . . . . . . . . . . . . . . . . . . . . . . . . . . . . . . . . . . . . . . . . . . . . . . . . . . . . . . . . . . . . - . . . . . . . . . . . . . . . . . . . . . . . . . . . . . . . . . . . . . . . . . . . . . . . . . . . . . . . . . . . . . . . . . . . . . . . . . . . . . . . . . . . . . . . . . . . . . . . . . . . ? . . . . . . . . . . . . . . . . . . . . . . . . . . . . . . . . . . . . . . . . . . . . . . . . . . . . . . . . . . . . . . . . . . . . . . . . . . . . . . . . . . . . . . . . . . . . . . . . . . . • • • • • • • • • • • • • • • • • • • • • • • • • • • • • • • • • • • • • • • • • • • • • • • • • • •

Après quelques secondes, l'affichage indiquera de nouveau l'heure.

Les fonctions de commande du four et de l'horloge pourront alors être utilisées normalement.

Cuisson avec minuteurie

La minuterie peut être utilisée pour la mise en marche et l'arrêt automatiques d'un ou des deux jours. L'heure de mise en marche et d'arrêt doit être la même pour les deux jours, mais les températures de cuisson peuvent être différentes.

Si vous foulezmettre en marche un des jours à la même heures que celle réglee pour la minuterie pour la cuisson automatique, vousdezavezattendre que la minuterie ait mis en marche le(s) four(s).Vous pouvez ensuite effectuer leur réglage manuellement de façonnormale.

Vous pouvez régler le four pour qu'il se mette en marche à un moment donné dans les 24 heures qui suivient.

Si vous désirez cuire plusieurs plats simultanément, choisissez des plats nécessitant approximativement le même temps de cuisson. Cependant, la cuisson de certains plats peut être légèrement « ralentie » en utilisant des petits plats de cuisson et en les recouvrant d'une feuille de papier aluminium, ou « accélérée » en utilisant de plus petites quantités ou des plats de cuisson plus grands.

Evitez d'utiliser des alimentes rapidement périssables (poisson, porc, etc.) si vous prévoyez une longue période d'attente, surtout par temps chaud.

Ne placez pas d'aliments chauds dans le four.

N'utilisez pas un four deja chaud.

N'utilise pas ce mode de cuisson si le four adjacent est chaud.

Evitez d'utiliser du vin ou de la bière si vous prévoyez une période d'attente, ceci afin de prévenir le risque de fermentation.

Pour empêcher la crème de tourner, ajoutez-la aux plats juste avant de servir.

Enduisez les légumes frais de matière grassé fondue ou faites-les tremper dans une solution d'eau et de jus de citron, pour prévenir leur décoloration pendant la période d'attente.

La cuisson différée est idéale pour de nombreux alimentés congeles qui peuvent être mis au four à l'état congelez.

La cuisson des tartes aux fruits, tartes à la crème ou autres mélanges humides sur fonds de tartes non cuits ne donnera de bons résultats que si la période d'attente avant la cuisson est courte. Les plats contenant des restes de viande ou de volaille cuite ne doivent pas être cuits automatiquement si la période d'attente est longue.

Décongelez complètement les volailles entières avant de lesmettre au four.

Assurez-vous que les viandes et volailles sont bien cuites avant de les servir.

Cuisson au four

Veillez à ce que les grilles soient toujours insérées à fond dans le four.

Placez les plaques de cuisson à niveau avec le bord avant des grilles du four. Placez les autres plats en position centrale sur les grilles. Eloignez les plaques et les plats de cuisson de l'arrière du four, afin de ne pas trop dorer les alimentes.

Pour un dorage uniforme, utilisez de préférence une plaque de cuisson de dimensions maximales 325 mm x 305 mm.

Lorsque le four est en marche, ne laissez pas la porte du four ouverte plus longtemps que nécessaire, afin de prévenir une surchauffe des boutons de commande.

  • Laissez toujours un « doigt de largeur » entre des plats placés sur une grille de four. Ceci afin de faciliter la circulation de chaleur autour des plats.
    Pour réduire les projections grasses lorsqu vous ajoutez des légumes dans laGRAISSÉchaude autour d'un roti, séchez soigneusement les légumes ou enduisez-les d'un peu d'huile à friture

FALCON CLAS90 NGCR/BEU CREM - Cuisson au four - 1

  • Le four produit assez de chaleur pendant la cuisson pour réchauffer des assiettes placées dans l'enceinte du grill
  • Si vous souhaitez dorer un fond de tarte, préchauffez une plaque de cuisson pendant 15 minutes avant de placer le plat au centre de la plaque.
  • Placez les plats susceptibles de bouillir et déborderpendant la cuisson sur une plaque de cuisson.

Nettoyage de la cuisineire

Informations importantes

Avant un nettoyage complet, mettez l'appareil hors tension. N'oubliez pas de le remetre sous tension lorsque le nettoyage est terminé.

N'utilise jamais de solvants pour peinture, de cristaux de soude, de nettoyants caustiques, de poudres biologiques, d'eau de Javel, de nettoyants chlorés, ni de produits abrasifs à gros grain ou de sel. Ne mélangez pas plusieurs produits nettoyants, car ils risquent de réagir entre eux et d'avoir des effets nocifs.

Des produits de nettoyage commandés sont indiqués au tableau figurant à la fin de cette section.

Si vous désirez déplacer votre cuisinière à des fins de nettoyage, veuilles lire la section « Déplacement de la cuisinière »

Toutes les parties de la cusinière peuvent être lavées à l'eau savonnexe chaude, mais veillez à prévenir toute infiltration d'eau dans l'appareil.

Des produits de nettoyage commandés sont indiqués au « tableau de nettoyage » figurant à la fin de cette section.

Brûleurs de table de cuisson

Certains modèles ont un anneau de garniture séparé qui se place sur la tête du brûleur.

Les têtes et chapeaux de brûleurs sont démontables pour faciliter le nettoyage. Vérifiez qu'ils sont complètement secs avant de les remettre en place.

Table de cuisson gauche

FALCON CLAS90 NGCR/BEU CREM - Table de cuisson gauche - 1

A chapeau, B tête, C encoche, D socle, E electrode
Lors de la remise en place de la tête du brûleur, assurez-vous que l'encoche est en face de l'électrode ou du trou sur le socle. Vérifiez que la tête du brûleur est à niveau et que le chapeau est bien centré sur la tête du brûleur.

Brûleur de Wok

Le brûleur de Wok est un peu plus complexe, mais est aussi démontable à des fins de nettoyage.

FALCON CLAS90 NGCR/BEU CREM - Brûleur de Wok - 1

Brûleur de Wok

A chapeau de brûleur interne
B chapeau de bruleur externe
C tete de bruleur interne
D tete de bruleur externe
E socle de bruleur de Wok

Lors du remontage des éléments du brûleur de Wok, returnez l'anneau de garniture et repérez la partie en forme de « D ».

FALCON CLAS90 NGCR/BEU CREM - Brûleur de Wok - 1
D

FALCON CLAS90 NGCR/BEU CREM - Brûleur de Wok - 2
Socle de bruleur
partie inférieure du chapeau de bruleur

Tournez la tête jusqu'à ce que le « D » corresponde à celui situé sur le socle du brûleur. Retournez la tête et placez-la sur le socle du brûleur.

Pour monter le petit brûleur interne, repêrez la grande encoche d'électrode sur le bord du brûleur. Alignez-la sur l'électrode d'allumage blanche et placez le brûleur interne sur le grand annexe du socle.

FALCON CLAS90 NGCR/BEU CREM - Brûleur de Wok - 3
A Encoche d'électrode
B electrode d'allumage

Montez les deux anneaux de garniture, en vérifiant qu'ils sont placés correctement.

Plaque à griller

Nettoyez toujours la plaque à griller après usage.
Laissez-la refroidir complètement avant de la retirer.
Plongez la plaque dans de l'eau savonneuse chaude.
Utilisez un chiffon doux ou, dans le cas de taches tenaces, une Brosse à vaisse en nylon.

N'UTILISEZ JAMAIS DE PRODUITS NETTOYANTS CAUSTIQUES OU ABRASIFS QUI ABIMERONT LA SURFACE.

Panneau de commande et portes

Le panneau et les boutons de commande doivent être nettoyés uniquement avec un chiffon doux imbibé d'eau savonneuse chaude. Veillez à prévenir toute infiltration d'eau dans l'appareil. Essuyez avec un chiffon humide propre, puis lustrez à l'aide d'un chiffon sec. Les portes des jours doivent être nettoyées uniquement avec un chiffon doux imbibé d'eau savonneuse chaude.

Gril

La surface du brûleur du grill noircira à l'utilisation – ceci est tout à fait normal. Les dépôts gras seront brûlés lors de l'utilisation du grill. N'essayez pas de nettoyer le brûleur pour les éliminer- vous risqueriez d'obstruer les orifices du brûleur et de nuire à son fonctionnement.

Lavez la lèchefrite et la grille à l'eau savonneuse chaude. ÀpRES les grillades de viandes ou d'aliments salissants, faites tremper dans l'évier, pendant quelques minutes, immédiatement après la cuisson. Les taches tenaces sur la grille peuvent être enlevées à l'aide d'une brosse en nylon.

Four

Le four principal

Le nettoyage du four est plus facile lorsque le four est encore chaud. Avant de nettoyer, couvrez le brûleur pour éviter d'obstruer ses orifices.

L'intérieur du four et le panneau de porte interieur peuvent être nettoyés à l'aide d'un produit de nettoyage recommandé.

Veillez à ne pas déplacer le capteur du thermostat du four dans la partie supérieure du four.

FALCON CLAS90 NGCR/BEU CREM - Le four principal - 1
capteur du thermostat

La garniture émaillée du brûleur du four (certains modèles seulement) est amovible à des fins de nettoyage.

FALCON CLAS90 NGCR/BEU CREM - Le four principal - 2

La garniture du brûleur du four s'accroche à l'avant du support du brûleur.

FALCON CLAS90 NGCR/BEU CREM - Le four principal - 3

Lors de la remise en place, veiliez à ce que la garniture soit au centre, à l'avant du brûleur.

FALCON CLAS90 NGCR/BEU CREM - Le four principal - 4

Panneaux latéraux du four

Le four est doté de panneaux amovibles à revêtement émaillé qui sont partiellement autonettoyants. Ceci n'empêche pas complètement la formation de taches sur le revêtement, mais réduit le nettoyage manuel nécessaire.

Le nettoyage automatique des panneaux est plus efficace à une température supérieure à 200 °C. Si, en général, vous utilisez le four à des températures inférieures, retirez occasionnellement les panneaux et essuyez-les avec un chiffon non pelucheux imbibé d'eau savonneuse chaude. Séchez et replacez les panneaux dans le four chauffé à 220°C pendant environ une heures. Ceci assurera un bon fonctionnement des panneaux autonettoyants.

N'utilisez pas de paille de fer ou tout autre matériel aus susceptible de rayer la surface. N'utilisez pas de tampons de nettoyage pour fours.

Avant de nettoyer le four, couvre le brûleur à l'arrière pour éviter d'obstruer ses orifices pendant le nettoyage. En cas d'obstruction accidentelle, vous pouvez déboucher les orifices à l'aide d'un fil métallique mince (fil à fusible, par exemple).

Dépose des panneaux internes de four

Les panneaux internes de four sont amovibles afin de permettre leur nettoyage et le nettoyage derrière les panneaux. Retirez d'abord les grilles du four.

FALCON CLAS90 NGCR/BEU CREM - Dépose des panneaux internes de four - 1

Chaque panneau létal est maintenu en place par quatre vis de fixation. Les pannaaux peuvent être retirés sans avoir à enlever les vis. Soulevez chaque panneau létal pour le décrocher des vis. Tirez-le ensuite vers l'avant.

Après retrait des panneaux internes, vous pouvez nettoyer l'intérieur émailé du four.

Four haut (électrique)

Pour nettoyer les parois laterales du four, retirez les grilles, décrochez les supports des parois laterales et les-sortir.

FALCON CLAS90 NGCR/BEU CREM - Four haut (électrique) - 1

Placement de la cuisineire

Mettez la cuisineire hors tension

La cuisine est lourde, deux personnes seront peut-être nécessaires pour la déplacer. Elle a également deux supports de mise à niveau, vissables, situés à l'avant.

FALCON CLAS90 NGCR/BEU CREM - Placement de la cuisineire - 1

Ouvrez la porte du gril et la porte du four croit afin d'avoir une bonne prise sur la partie inférieure du panneau de commande pour déplacer la cusinière.

FALCON CLAS90 NGCR/BEU CREM - Placement de la cuisineire - 2

Levez légèrement l'avant de la cuisine et tirez vers l'avant.

N'utilisez pas la barre ornamentale, les poignées de portes ou les boutons de commande pour déplacer la cuisineire.

Déplacez la cusinière progressivement, en vérifiant à l'arrête que le tuyau de gaz n'est pas entravé. Vérifiez que le tuyau de gaz et le cable électrique sont assez longs pour permettre le déplacement de la cusinière vers l'avant.

Si la cusinière est dotée d'une chaîne stabilisatrice, défaites-la pour pouvoir manoeuvrer la cusinière.

Lors de la remise en place de la cusinière, vérifie de nouveau que le cable électrique et le tuyau de gaz ne sont pas entravés ou coincés.

Dépannage

Défaillance de l'allumage ou des brûleurs de la table de cuisson

L'appareil est-il sous tension? L'horloge est-elle éclairée? Si ce n'est pas le cas, l'alimentation électrique est peut-être défectueuse.

Reportez-vous à la section « Alimentation électrique » dans la présente brochure.

Les encoches du générateur d'étincelles (électrode d'allumage) ou du brûleur sont-elles obstruées par des débris ?

L'anneau de garniture du brûleur est-il placé correctement ?

Les chapeaux des brûleurs sont-ils placés correctement?

Voir la section «Nettoyage de la cusinière»

Les brûleurs de la table de cuisson ne s'allument pas

Si un des brûleurs ou tous les brûleurs de la table de cuisson ne s'allument pas, vérifie que les composants ont été remis en place correctement après leur essuyage ou retrait à des fins de nettoyage.

Vérifiez que l'alimentation en gaz n'est pas défectueuse. Pour ce faire, vérifiez le fonctionnement de vos autres apparèils à gaz.

Les brûleurs produits-ils une étincelle lorsque vous appuyez sur le bouton? Si ce n'est pas le cas, vérifie que la cuisine est sous tension - l'horloge est-elle éclairée ?

Défaillance de l'allumage du grill

L'appareil est-il sous tension? L'horloge est-elle éclairée? Si ce n'est pas le cas, l'alimentation électrique est peut-être défectueuse. Reportez-vous à la section « Alimentation électrique » dans la présente brochure.

Le grill ne cuit pas correctement

Utilisez-vous la lèchefrite et la grille fournies avec la cuisine ? Utilisez-vous la lèchefrite sur les glissières et non pas directement sur la surface inférieure de l'enceinte du grill. La lèchefrite est-elle insérée à fond jusqu'à la butée arrière ?

Défaillance de l'allumage du four

L'appareil est-il sous tension ? L'horloge est-elle éclairée ? - Si ce n'est pas le cas, l'alimentation électrique est peut-être défectueuse. Voir la section « Contrôles ELECTriques »

Vérifiez que l'électrode et les encoches du brûleur ne sont pas obstruées par des débris.

La minuterie a-t-elle ete mise sur AUTO par erreur

ou suite à une panne de courant ?

La minuterie a ete reglee correctement, mais la commande du four a peut-etre ete laissee sur ARRET (OFF) par erreur?

Le symbole Clé (l) s'affiche-t-il? Reportez-vous à la section Horloge des générées instructions pour un complément d'informations sur la fonction de verrouillage de l'horloge.

Four principal - Les alimentés cuisent trop lentement, trop rapidement, ou brûlent

Les temps de cuisson peuvent être différents de ceux de votre ancien four. Les températures du four et les temps de cuisson sont fournis à titre indicatif uniquement. En fonction des goûts de chacun, les températures devront peut-être être modifiées dans un sens ou dans l'autre, pour obtenir les résultats que vous recherchez. Essayez une cuisson à des températures plus élevées ou plus basses. Les temps et températures de cuisson devront peut-être être augmentés lors de l'utilisation d'autres brûleurs. Les orifices du brûleur du four sont-ils obstrués par des débris alimentaires?

De la vapeur s'échappe du four

Pendant la cuisson d'aliments à haute teneur en eau (frites surgelées, par exemple) un peu de vapeur peut être visible sur la grille arrière. Faites attention en ouvrant la porte du four, une bouffée de vapeur peut s'échapper momentarily à l'ouverture du four. Reculez-vous et attendez que la vapeur se soit dissipée.

Le ventilateur du four est bruyant

Le bruit du ventilateur peut changer pendant le chauffage du four - ceci est tout a fait normal.

Les boutons de commande deviennent chauds lorsque j'utilise le four ou le grill; comment faire pour empêcher cela?

Ceci est dû à la chaleur provenant du four ou du grill. Ne laissez pas la porte du four ouverte. Lorsque vous utilisez le grill, vérifie que la lechefrite du grill est bien insérée jusqu'à la « butée arrière »

Les alimentés cuisent trop lentement, trop rapidement, ou brûlent

Les temps de cuisson peuvent être différents de ceux de votre ancien four. Vérifiez que vous utilisez les températures et positions de grilles de four recommendées. Reportez-vous au guide de cuisson au four. Les températures du four et les temps de cuisson sont fournis à titre indicatif uniquement. En fonction des goûts de chacun, les températures devront peut-être être modifiées dans un sens ou dans l'autre, pour obtenir les

résultats que vous recherchez. Essayez une cuisson à des températures plus élevées ou plus basses.

La cuisson au four n'est pas uniforme

N'utilisez pas de plat ou de plaque de cuisson plus grand que la plaque de cuisson que nous fournissons.

Dans le cas d'un grand plat, vous devrez peut-être le tourner pendant la cuisson.

Si vous utilisez deux grilles, vérifie qu'il y a assez de place pour permettre à la chaleur de circuler. Lorsque vous insérez la plaque de cuisson dans le four, voirlez à la placer bien au centre de la grille.

Vérifiez que le joint d'étanchéité de la porte n'est pas endommagé et que le loquet de porte est régle de façon à ce que la porte soit bien appuyée contre le joint.

Un réseau d'eau place sur la grille doit avoir une profondeur uniforme. (S'il est plus profund à l'arrière, par exemple, l'arrête de la cusinière doit être levé ou l'avant de la cusinière abaisse). Si la cusinière n'est pas à niveau, demandez à votre fournisseur de la dette à niveau.

Le four ne s'allume pas lorsqu'il est mis en marche manuellement

L'appareil est-il sous tension? L'horloge est-elle éclairée? Si ce n'est pas le cas, l'alimentation électrique est peut-être défectueuse. Le sectionneur de l'alimentation électrique de la cusinière est-il sur la position Marche [On] ? L'horloge clignote-t-elle en indiquant 0.00? Dans ce cas, réglez l'horloge sur l'heure correcte. La minuterie a-t-elle eté mise sur AUTO par erreur? Si l'affichage de l'horloge indique AUTO, appuyez sur le bouton « temps de cuisson» [« Cook period »] et remplacez tout temps de cuisson préréglé par 0.00, à l'aide des boutons (+) et (-). Appuyez deux fois sur le bouton

Le symbole Clé (à) s'affiche-t-il? Reportez-vous à la section Horloge des générées instructions pour un complément d'informations sur la fonction de verrouillage de l'horloge.

Le four ne s'allume pas avec la mise en marche automatique

La minuterie est réglée correctement, mais le bouton du four a-t-il eté laissé par erreur sur ARRET [OFF] ?

Le symbole Clé (à) s'affiche-t-il? Reportez-vous à la section Horloge des générées instructions pour un complément d'informations sur la fonction de verrouillage de l'horloge.

Avec le temps, la température du four de la cuisineire devient plus chaude

Si le fait demettreleboutonde réglage sur une température inférieure n'apas eud'effet ou a eu un effettemporaire,vousdevrez peut'être remplacerlerthermostat.Cetteinterventiondoit êtreeffectuee parun的专业iste del'entretien.

L'éclairage du four ne fonctionne pas

L'ampoule a probablement grillé. Vous pouvez acheter une ampoule de rechange (non couverte par la garantie) dans un magasin d'accessoires électriques. Demandez une ampoule à culot vissable Edison 15 W 230 V, POUR FOURS. Cette ampoule doit pouvoir résister à une température de 300^ .

Ouvrez la porte du four et retirez le Handyrack (le cas échéant) et les grilles du four.

Mettez l'appareil hors tension

Dévissez le couvercle de l'ampoule en tournant en sens antihoraire. Dévissez l'ampoule défectueuse. Vissez l'ampoule de rechange, puis revissez le couvercle de l'ampoule.

Remettez l'appareil sous tension et contrôle le fonctionnement de l'éclairage.

Panne de courant

En cas de panne de courant, les brûleurs de la table de cuisson peuvent être allumés avec une allumette.

En cas de problème concernant l'installation, si mon installer d'origine ne peut pas venir résoudre le problème, à qui incombent les frais ?

C'est à vous qu'incombent ces frais. Les sociétés d'entretien factureront leurs interventions si elles réparent une installation effectuee par votre installerateur d'origine. Il est de votre intérêt de contacter votre installerateur d'origine.

Quels sont les produits de nettoyage recommends pour la cuisine ?

Les produits de nettoyage recommendés sont indiqués à la section « Nettoyage de la cusinière». Nous déconseillons l'emploi du produit nettoyant Mr Muscle car il contient des composés chimiques susceptibles d'abîmer les surfaces de la cusinière.

Installation

Respectez les prescriptions et réglementations de sécurité cédssous

Avant l'installation, vérifie que les conditions de distribution locales (type et pression de gaz) et le réglage de l'appareil sont compatibles.

Cet apparéil doit être installé conformément à la réglementation en vigueur, et uniquement dans un endroit bien ventilé. Lisez les instructions avant d'installer ou d'utiliser cet apparéil.

Dans votre intérêt et par souci de sécurité, légalement, tous les apparèils à gaz doivent être installés par des personnes compétentes. Une installation incorrecte n'engage ni la responsabilité, ni la garantie du fabricant, et peut donner lieu à des poursuites.

La cusinière doit être installée par un électricien qualifié, conformément aux instructions d'installation.

Tous les normes/recueils d'instructions appropriés
Règlements de sûreté de gaz
Les règlements appropriés de bâtiment.

Ventilation

Cet apparéil n'est pas raccordé à un dispositif d'évacuation des produits de combustion. Prétez particulièrement attention à la réglementation en vigueur concernant la ventilation.

Emplacement de la cuisineire

Cet apparéil ne devrait pas être installé dans un bateau ou une caravane.

La cuisine ne peut etre installer dans une cuisine/un salon-cuisine, mais PAS dans une piece contenant une baignoire ou une douche.

REMARQUE :

Un apparéil utilisable avec du gaz de pétrole liquéfié (GPL) ne doit pas être installé dans une pièce ou un espace interieur souterrain, par exemple dans un sous-sol.

A l'intention de l'installateur

Avant de commencer l'installation, veuillez replir la fiche CI-DESSOUS.

Ceci permettra à votre client de vous contacter facilement en cas de problème relat à l'installation.

Merci

Nom de l'installateur

Société de l'installateur

Numero de téléphone de l'installateur

L'installation de la cusinière nécessitera l'emploi du matériel indiqué ci-dessous

DISPOSITIONIF STABILISATEURUn dispositif stabilisateur (équerre ou chaîne) doit être monté sur la cusinière si celle-ci est alimentée en gaz par le biais d'un tuyau flexible.Ce dispositif stabilisateur n'est pas fourni avec l'appareil mais est en vente dans la plupart des magasins de bricolage.
MANOMETRE Le réglage correct de la pression du gaz est très important.
TUYAU FLEXIBLE DE GAZ Le flexible doit convenir à une éliquation de température de 70° C alors que le raccord d'alimentation est à plus de 610 mm du sol. Pour une alimentation GPL, utiliser un flexible adapté au type et à la pression de gaz.
MULTIMETRE(pour les contrôleires électriques)Veillez à la sécURITY de l'installation electrique.

Vous aurez aussi besoin des outils suivants:

  1. Perceuse électrique
  2. Foret à maconnerie et chevilles Rawlplugs(necessaires seulement pour montage sur sol en pierre ou en béton)
  3. Metre en acier
  4. Tournevis cruciforme
  5. Tournevis à lame plate
  6. Niveau à bulle
  7. Crayon
  8. Clé régliable
  9. Vis pour le montage du dispositif stabilisateur

Positionnement de la

cuisinière

Les schémas indiquent les cotes minimales recommandées entre la cuisine et les surfaces adjacentes.

FALCON CLAS90 NGCR/BEU CREM - cuisinière - 1

Le pourtour de la table de cuisson doit etre au niveau ou au-dessus de tout plan de travail adjacent. Laissez un espace de 75 mm au-dessus du niveau de la table de cuisson entre chaque cote de la cusiniere et toute surface verticale adjoininge.

Pour les surfaces non combustibles (telles que le métal non peint ou les carrelages), cette cote peut être de 25 mm.

Laissez un espace de 650~mm au minimum entre la partie supérieure de la table de cuisson et une surface horizontale combustible.

FALCON CLAS90 NGCR/BEU CREM - cuisinière - 2

*Toute hotte de cusinière doit être installée conformément aux instructions du fabricant de hotte.

Les surfaces des meubles et des murs de chaque côte et à l'arrière de l'appareil doivent être résistantes à la chaleur, aux éclaboussures et à la vapeur.

Certsains types de meubles de cuisine en vinyle ou en stratifié sont particulièrement susceptibles aux risques de dommages thermiques et de décoloration.

Nous déclinons toute responsabilité pour des dommages résultat d'une'utilisation normale de la cusinière et subis par des matériaux qui se décollent ou se décolorent à des températures de moins de 65 °C au-dessus de la température ambiente.

Par mesure de sécurité, ne placez pas de rideaux directement derrière la cusinière.

Nos recommandons de laisser un espace de 110 mm entre les unités pour permettre le déplacement

de la cusinière. Si la cusinière doit être encastrée, placez-la à niveau avec l'élement d'un côte, puis montez l'élement de l'autre côte. La cusinière ne doit pas être totalement encastrée. En effet, il doit être possible de la déplacer vers l'avant et vers l'arrête pour la nettoyer et pour y acceder lors des interventions de dépannage. Ne placez pas la cusinière sur un support.

Vérification des pieces

3 grilles de table de cuissonPlaque à griller
L'échefrite et supportOutil de mise à niveau
Handyrack et 4 grilles de four principalPlat à rôtir.
1 grande poignée et 4 petites poignéesDosseret et plinthe

Si la cuisine est pres d'un coin de la cuisine, un dégagement de 130 mm est nécessaire pour permettre l'ouverture des portes de fours.

FALCON CLAS90 NGCR/BEU CREM - cuisinière - 3

Déballage de la cuisine

N'enlevez aucun emballage de la cusinière tant que cette-ci n'est pas directement en face de l'emplacement où elle sera installée (sauf si, dans son emballage externe, la cusinière ne peut pas passer par une porte).

Reportez-vous à la feuille d'instructions de déballage fournie.

Déplacement de la cuisinière

La cuisine est très lourde. Faites très attention.

Nous recommendons de faire appel à deux personnes pour déplacer la cusinière. Assurez-vous que le revêtement du sol est solidement fixé en place ou retirez-le afin de ne pas l'abîmer en déplaçant la cusinière. Vous devrez utiliser l'outil de mise à niveau.

Depuis l'arrière, inclinez la cusinière vers l'avant et retirez la partie arrière du socle d'emballage en polystyrene.

FALCON CLAS90 NGCR/BEU CREM - Déplacement de la cuisinière - 1

FALCON CLAS90 NGCR/BEU CREM - Déplacement de la cuisinière - 2

Répétez cette procédure à l'avant et retirez la partie avant du socle.

ABAISSEZ LES DEUX GALETS ARRIERE.

Insérez d'abord l'outil de mise à niveau sur l'écrou de réglage hexagonal comme illustré ci-dessous.

FALCON CLAS90 NGCR/BEU CREM - Déplacement de la cuisinière - 3

Effectuez 10 tours complets (360^) en sens hora. (Tournez et retirez l'outil de mise à niveau 20 fois).

FALCON CLAS90 NGCR/BEU CREM - Déplacement de la cuisinière - 4

Veilles à abaisser les DEUX GALETS ARRRIERE. Il y a deux écrous de réglage, un pour chaque galet, aux coins avant inférieurs de la cuisinière.

Dépliez le bord arrêté du plateau d'emballage.

Ouvrez les portes du grill et du four croit. Prenez bien la cusinière en main sous le panneau de commande et souleverz l'avant.

FALCON CLAS90 NGCR/BEU CREM - Déplacement de la cuisinière - 5

Poussez la cusinière vers l'arrière avec précaution pour la dégager de son socle d'emballage et laMETRE en place. Veilz à ne pas endommager le cable d'alimentation. Poussez la cusinière pres de sa position finale, en laissant juste assez de place pour pouvoir avoir accès à l'arrière.

FALCON CLAS90 NGCR/BEU CREM - Déplacement de la cuisinière - 6

N'utilisez pas la barre ornamentale, les poignées de portes ou les boutons de commande pour déplacer la cusinière.

Mise à niveau

Nous vous recommendons d'utiliser un niveau à bulle placé sur une des grilles de four pour vérifier le niveau.

Placez la cusinière à l'emplacement prévu pour son installation, en veillant à ne pas exercer de force de torsion lorsque vous l'insérez entre les éléments de cuisine, pour ne pas l'endommager ou endommager les éléments.

Les galets réglibes permettent la mise à niveau de la cusinière. Pour régler la hauteur de l'arrière de la cusinière, utilisez l'outil de mise à niveau fourni pour tourner les écrous de réglage aux coins avant inférieurs de l'appareil. Réglez la hauteur du galet avant pourmettre la cusinière à niveau. Tournez en sens horsaire pour lever la cusinière et en sens antihoraire pour l'abaiser.

Montage des poignées

Déposez les vis Allen 4 mm des portes à l'aide de la clé hexagonale. Vissez les poignées de portes.

FALCON CLAS90 NGCR/BEU CREM - Montage des poignées - 1
Les poignées doivent être au-dessus des fixations.

FALCON CLAS90 NGCR/BEU CREM - Montage des poignées - 2

Déposez les vis Allen 4 mm des coins supérieurs du panneau avant et montez la barre ornamentale avant.

FALCON CLAS90 NGCR/BEU CREM - Montage des poignées - 3

Montage du dosseret (option)

Déposez les deux vis de fixation (vis à pans creux hexagonales 3 mm) et les écrous qui traversent la partie supérieure de la grille arrêté. Maintenez le dosseret en place.Depuis l'arrêté, replacez les 2 vis et les écrous.

Montage d'un dispositif stabilisateur

Montez une équerre ou une chaîne stabilisatrice (non fournie avec la cusinière) sur la cusinière si celle-ci est raccordée à un tuyau flexible d'alimentation en gaz.

Avant le montage d'une équerre stabilisatrice, lisez les Presents instructions ainsi que les instructions de montage fournies avec l'équerre.

FALCON CLAS90 NGCR/BEU CREM - Montage d'un dispositif stabilisateur - 1

  1. Placez la cusinière à l'emplacement prévu et mettez-la à niveau.
  2. Tracez une ligne au crayon à 100 mm du bord avant des supports de mise à niveau.
  3. Tracez l'axe pour l'équre à 550 mm du côté gauche de la cuisine.
  4. Abaissez le galet avant et déplacez la cuisine vers l'avant.
  5. A partir de la ligne au crayon mesurez 550 mm vers l'arrière pour indiquer le bord avant de l'équerre. Attachez l'équerre au sol.
  6. Mesurez la hauteur entre le niveau du sol et le bord de prise à l'arrête de la cusinière. Ajoutez 3 mm à cette cote et montez l'équerre stabilisatrice à cette hauteur. (entre le niveau du sol et le revers du membre supérieur) et vérifie que l'équerre ne gène pas le brûleur du four.

arrière de la cuisineire

FALCON CLAS90 NGCR/BEU CREM - Montage d'un dispositif stabilisateur - 2

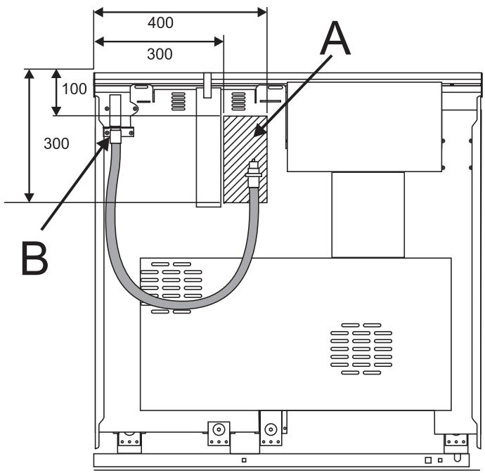
Raccordement de gaz

La cusinière n'est pas fournie avec un tuyau flexible. L'alimentation en gaz domestique doit être terminée par un raccord baïonnette orienté vers le bas. Les boîtiers arrêté de la cusinière limitent la position du point d'alimentation.

FALCON CLAS90 NGCR/BEU CREM - Raccordement de gaz - 1

vue arriere

A position du raccord d'alimentation en gaz
B entrée de gaz de l'appareil

Il est difficile de donner des cotes précises, étant donné que la hauteur de la cusinière est régiable et que chaque raccordement est différent. Idealement, le raccord baïnonnette d'alimentation domestique doit être situé dans la partie ombrée indiquée sur le schéma. On peut utiliser un flexible de 900 mm, mais un flexible de 1250 mm offrira un peu plus de flexibilité pour le positionnement du raccord et facilititera le déplacement de la cusinière. Montez le tuyau de façon à ce que les raccords d'admission et de sortie soient verticaux et que le tuyau pende en forme de «U».

Le raccord de l'appareil estitué juste au-dessous du niveau de la table de cuisson, à l'arrête de la cuisine.

Le raccord d'admission de la cusinière est de type interne ISO 7-1. Si vous devez utiliser un raccord ISO 228-1, utilisez le connecteur ISP 228-1 fourni dans le pack supérieur. Appliquez un produit d'étanchéité pour filetage approprié à l'extrémité ISO 7-1.

Vissez le raccord dans l'admission de la cusinière en serrant à main. Placez deux outils appropriés, un au niveau de l'admission sur la cusinière pour en assurer la stabilité, et l'autre sur le raccord, et serrez le raccord sur l'admission.

Couple minimum 12 Nm.

Couple maximum 20 Nm.

Raccordez le flexible au raccord.

En cas de doute, contactez votre fournisseur.

Vissez l'extrémité filetée du tuyau dans le raccord d'admission de gaz sous le bloc de raccordement à l'arrière de la cuisineire.

Après raccordement, effectuez un essai de pression pour contrôle l'étanchéité de la cuisineire.

Essai de pression

La pression de gaz peut être mesurée au niveau de l'injecteur de l'un des brûleurs centraux de la table de cuisson (non pas au niveau du brûleur de Wok). Vérifiez que la cusinière n'est pas raccordée à l'alimentation électrique. Retirez la tête d'un des brûleurs. Montez le manomètre sur le giclaur. Mettez en marche un des brûleurs de la table de cuisson et allumez avec une allumette. Actionnez le bouton de commande du brûleur raccordé au manomètre. Appuyez sur le bouton pour permettre l'arrivée du gaz et la mesure de la pression par le manomètre.

Pour une alimentation en gaz naturel, la pression doit etre de 20/25mbar.

Pour une alimentation en GP la pression doit etre de 28/30mbar pour le Butane 37mbar pour le Propane.

Replacez la tete du brûleur, en veillant à la remonter correctement sur le corps du brûleur.

Raccordement électrique

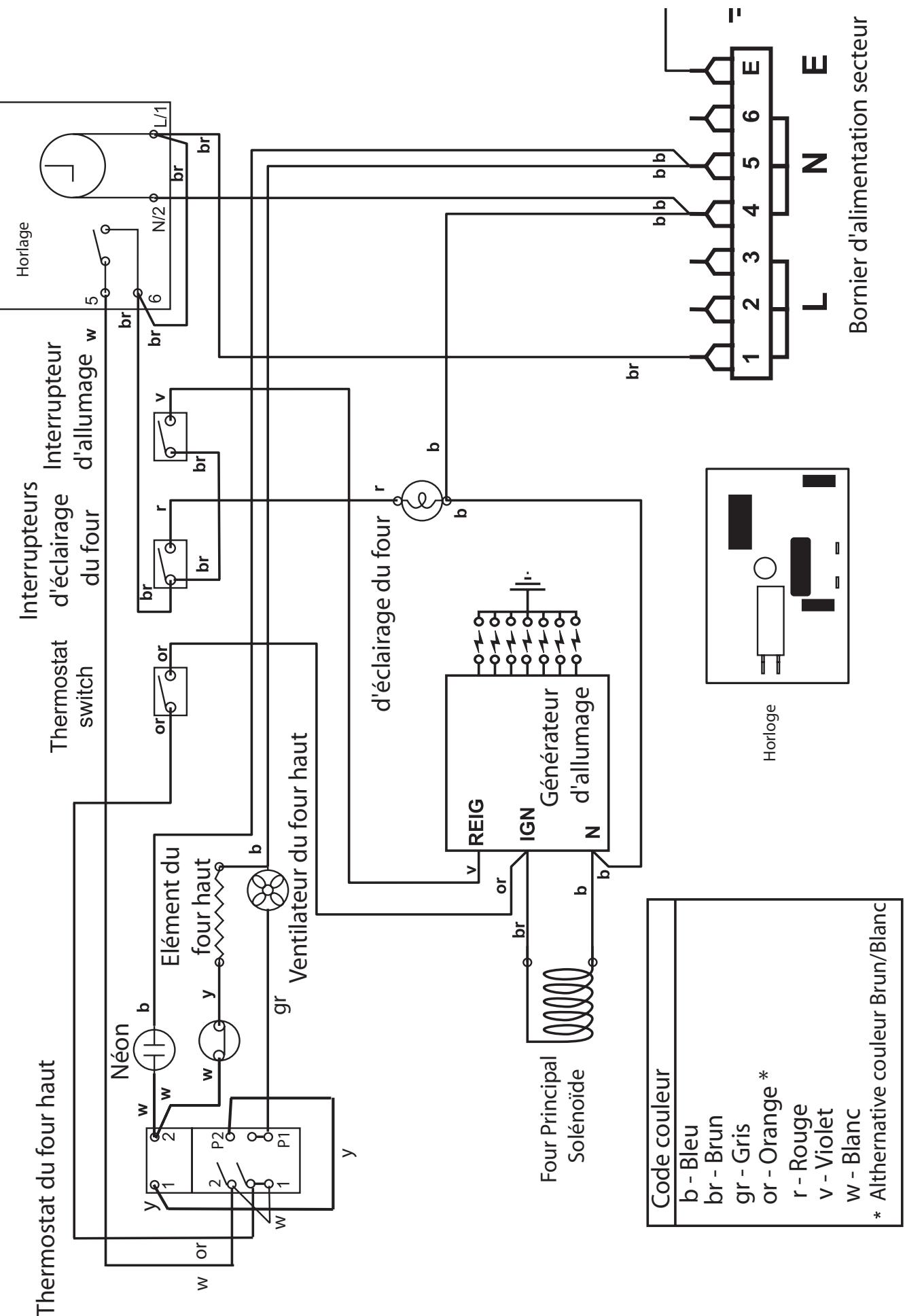
MISE EN GARDE :CET APPAREIL DOIT ETRE MISE A LA TERRE.

Les cablages externes doivent être conformes à la Réglementation IEE pour les équipements électriques des batiments. Le raccordement avec l'alimentation électrique peut être par prise et fiche ou par raccordement permanent via un interrupteur bipolaire. La cusinière est fournie avec un cable 3 conducteurs de 2m de long. En cas de remplacement, utilisez uniquement un cable 250 V PVC haute temperatures (85^) , 1mm2 . Si la prise de l'appareil n'est pas adaptée à votre prise murale, remplacez-la par une prise appropriée. Remarque: Détachez et rangez toute prise inadaptée. Pour prévenir tout risque d'électrocution, ne la laissez pas à la portée des enfants qui pourrait la brancher accidentellement.

IMPORTANT Les couleurs des fils dans le cable d'alimentation secteur correspondant au code couleur suivant :-

Contrôles électriques

CONTROLE DE CONTINUITE DE MISE A LA TERRE

Débranchez la cusinière. Réglez le multimètre sur (ohm) sur l'échelle X1 et, au besoin, mettez à zéro. Contrôlez les fils à partir d'un des points de mise à la terre de la cusinière (intérieur du boîtier électrique, par exemple) – jusqu'à la broche de mise à la terre sur la prise de la cusinière – la résistance doit être inférieure à 1 (ohm). Si ce n'est pas le cas, contrôlez la continuité de tous les fils de mise à la terre.

Vérifiez la propriété et le serrage de tous les contacts.

Effectuez un nouveau contrôle. Si la résistance est encore supérieure à 1 (ohm), il peut y avoir un problème, consultez un électricien.

CONTROLE DE POLARITE

La cusinière doit être branchée sur l'alimentation électrique. Le multimètre doit être régle sur une échelle 300 V ca.

Effectuez le contrôle sur le bornier de la cuisineire.

  1. Contrôlez les fils entre L et N. Le multimètre doit indiquer approximativement 220-240 V ca.
  2. Contrôlez les fils entre L et E. Le multimètre doit indiquer approximativement 220-240 V ca.
  3. Contrôlez les fils entre N et E. Le multimètre doit indiquer approximativement 0-15 V ca.

Si les valeurs mesurées sont différentes, il y a un défaut électricque. Remédiez à tout défaut et répétez le contrôle. Au besoin, répétez le contrôle au niveau de la prise du système d'alimentation – si le défaut existe aussi à ce niveau, il s'agit d'un défaut à l'échelle du batiment qui exige l'intervention de la Compagnie d'électricité.

Recommendez au client de ne PAS utiliser l'appareil tant que cette intervention n'a pas ete effectuee.

Contrôle de la table de cuisson

Contrôlez le fonctionnement de chaque brûleur. Un dispositif de sécurité coupe l'alimentation en gaz du brûleur en cas d'extinction de la flamme.

Pour chaque brûleur, appuyez sur le bouton d'allumage sur le bandeau de commandes et mettez le bouton de commande sur le symbole pleine flamme(1).

Continuez d'appuyer sur le bouton pendant quelques secondes pour permettre l'arrivée du gaz dans le brûleur. Si le brûleur s'éteint lorsque vous relâchez le bouton de commande, le dispositif de sécurité n'a pas été enclenché. Mettez le bouton de commande sur Arrêt [Off] et attendez une minute avant d'essayer de nouveau, en appuyant un peu plus longtemps sur le bouton.

Contrôle du grill

Ouvrez la porte de l'enceinte du gril.

Un dispositif de sécurité coupe l'alimentation en gaz du grill en cas d'extinction de la flamme. Mettez le bouton de commande sur le symbole grande flamme (A). Appuyez sur le bouton de commande du grill. Ceci ouvre l'alimentation en gaz du brûleur. Continuez d'appuyer sur le bouton de commande, et appuyez sur le bouton d'allumage ou allumez avec une allumette. Continuez d'appuyer sur le bouton pendant 10 secondes environ.

Si le brûleur s'éteint lorsque vous relâchéze le bouton de commande, le dispositif de sécurité n'a pas été

enclenché. Mettez le bouton de commande sur Arrêt, attendez une minute, puis essayez de nouveau en appuyant un peu plus longtemps sur le bouton de commande.

Montage de la garniture du brûleur du four

(certains modèles seulement)

FALCON CLAS90 NGCR/BEU CREM - (certains modèles seulement) - 1

La garniture du brûleur du four s'accroche à l'avant du support du brûleur.

FALCON CLAS90 NGCR/BEU CREM - (certains modèles seulement) - 2

FALCON CLAS90 NGCR/BEU CREM - (certains modèles seulement) - 3

Contrôle des fours

L'horloge doit être réglée sur l'heure actuelle pour que les jours puissant fonctionner.

FALCON CLAS90 NGCR/BEU CREM - Contrôle des fours - 1

FALCON CLAS90 NGCR/BEU CREM - Contrôle des fours - 2

FALCON CLAS90 NGCR/BEU CREM - Contrôle des fours - 3

Appuyez sans relâcher, comme indiqué ci-dessus.. En même temps, appuyez sur - ou + jusqu'à l'affichage de l'heure correcte.

N'oubliez pas qu'il s'agit d'une horloge 24 heures. Si vous faites une erreur ou si vous vous trompez de bouton, mettez l'appareil hors tension pendant une ou deux minutes, puis reconnendez la procédure.

CONTROLE DU BOUTON DE COMMANDE (THERMOSTAT)

Si (AUTO) clignote, appuyez sur le bouton Manuel (®) puis relâchéz-le. Contrôlez le fonctionnement de chaque four. Appuyez sur le bouton de commande et mettez-le sur le réglage 240^ . Des étincelles seront visibles sur l'électrode du four, puis s'eteindront après l'allumage du brûleur du four. Une petite flamme apparaitra sur le brûleur du four, mais

cette flamme étant « détectée » par le dispositif de détction de flamme, l'alimentation en gaz totale sera légèrement différée. Chauffez chaque four pendant 10 minutes à 240^ C, puis réglez la température sur 140^ C et vérifie que la flamme diminue. Eteignez les jours et vérifie que les brûleurs s'éteignent.

CONTROLE DE LA MINUTERIE ET DU SOLENOIDE

Fonctionnement automatique de la minuterie : L'alimentation en gaz de chaque four peut etre commande par la minuterie. Reglez un « temps de cuisson » [« cooking period »] en appuyant sur le bouton ( ) puis en le relachant et en utilisant le bouton + pour obtenir un temps de 2 minutes. Appuyez sur le bouton « Heure d'arrêt » [« stop time »] puis relâchéz-le, pour afficher l'heure d'arrêt. Ajoutez 3 minutes à cette heures à l'aide du bouton+. L'affichage affichera automatiquement l'heure actuelle, le symbole Cuisson ( ) s'éteindra et (AUTO) sera affché( ).

Appuyez sur un des boutons de commande du four et mettez-le sur le réglage 240^ [Gas Mark 9], La minuterie fonctionnera jusqu'àu début du « temps de cuisson » [« cook period »], lorsque le solénoïde du four s'ouvrira et le brûleur du four s'allumera automatiquement. Le symbole Cuisson( s'affichera. A la fin du « temps de cuisson », le solénoïde se fermera, le brûleur s'éteindra et le signal sonore sera activé (appuyez sur le bouton( pour l'arrêt). Le clignotement du symbole (AUTO) vous rappellera la nécessité de retard au mode de fonctionnement manuel. Appuyez une fois sur le bouton( )pour arrêter le signal sonore, puis une deuxieme fois pour revenir au mode de fonctionnement manuel, puis mettez la commande de four sur Arrêt.

CONTROLE DU BOUTON DE COMMANDE (THERMOSTAT)

Réglez la minuterie sur mode manuel. Contrôlez le fonctionnement de chaque four. Appuyez sur le bouton de commande et mettez-le sur le réglage 240^ . Des étincelles seront visibles sur l'électrode du four, puis s'eteindront après l'allumage du brûleur du four. Une petite flamme apparaitra sur le brûleur du four, mais cette flamme étant « détectée » par le dispositif de détention de flamme, l'alimentation en gaz totale sera légèrement différée. Chauffez chaque four pendant 10 minutes à 240^ , puis réglez la température sur 140^ et vérifie que la flamme diminue. Eteignez les fours et vérifie que les brûleurs s'eteignent.

Four haut

Mettez le four en marche et vérifie qu'il commence à chauffer.

Montage de la plinthe

Dévissez les trois vis le long du bord inférieur avant de la cusinière. Insérez l'encoche centrale en forme de trou de serrure sur la vis centrale. Tournez et insérez les encoches d'extrémités en trou de serrure sur leurs vis respectives. Serrez les vis de fixation.

FALCON CLAS90 NGCR/BEU CREM - Montage de la plinthe - 1

Assistance Clientèle

Veuillez notes vos coordonnées dans les prsentes instructions, expliqueu au client comment faire fonctionner la cuisine et lui remetre les prsentes instructions.

Merci

FALCON CLAS90 NGCR/BEU CREM - Merci - 1

Cette cuisine est conçue en vue d'une utilisation avec :-

GAZ NATUREL Cat I2E+, G20 à 20mbar/G25 à 25mbar

GAS DE PETROLE LIQUEFIE (GPL) Cat I3+ G3 à28/30mbar, G31 à 37mbar.

NB: LES MODELES GAZ NATUREL ET GPL DE CES CUISINIERES SONT DIFFERENTS ET NE PEUVENT PAS ETRE MODIFIES POUR PERMETTRE UNE UTILISATION AVEC UN AUTRE GAZ

A L'INTENTION DE L'INSTALLATEUR: Veuillez remetre les prsentes instructions à l'utiliseur.

EMPLACEMENT DU BADGE TECHNIQUE :Arriere de la cuisine, badge de répétition du nombre de série sous l'ouverture de la porte du four.

Pays de destination: FR/ES

GazElectricité
Gaz naturel20/25mbar220 - 240V 50Hz
Butane28/30mbar
Propane37mbar

(Reportez-vous au badge technique de l'appareil pour les pressions d'essais)

Dimensions

Hauteur hors-tout y compris dosseret en optionminimum 1060mmmaximum 1090mm
Hauteur hors-toutminimum 893mmmaximum 920mm
Largeur hors-tout900mm (Voir « Positionnement de la cusinière »)
Profondeur hors-tout648mm
Emplacement prévu pour fixation(Voir « Positionnement de la cusinière »)
Cote minimale au-dessus de la table de cuisson650mm

Raccordements

Gaz:Electricité
Rp 1/2 au niveau du côte arrière droit220 - 240V 50Hz

Puisssances

Gaz naturelGaz de pétrole liquéfié
Table de cuissonInputInjecteurInputInjecteur
Brûleur de Wok3.5kWinterne 803.5kW (246g/h)interne 54
externe 129externe 77
Grand brûleur3.0kW1343.0kW (210g/h)87
Brûleurs moyens1.7kW1091.7kW (119g/h)68
Petit brûleur1.0kW751.0kW (70g/h)51
Fours3.2kW2372.9kW (224g/h)85
Gril2.73kW1902.73kW (192g/h)85

Les valeurs correspondant aux brûleurs à gaz sont basées sur la valeur calorifique brute

Chauffe-platsConvection
2.5kW
Catégorie d'efficacité énergétique sur une échelle de A (plus efficace) à G (moins efficace))B
Consommation d'énergie basée sur une charge standard0.95kWh
Volume utilisable (litres)53
TailleMoyenne
Temps de cuisson - charge standard49 minutes
Superficie de la grille790cm2

Charge électrique totale maximale à 230 V 11,1kW (total approximatif complenant éclairages de jours, ventilateur de four, etc.)

AGA CONSUMERPRODUCTS

Sommaire Cliquez un titre pour y accéder
Assistant notice
Powered by Anthropic
En attente de votre message
Informations produit

Marque : FALCON

Modèle : CLAS90 NGCR/BEU CREM

Catégorie : Chauffage au gaz