Thunder - Trottinette DUALTRON - Notice d'utilisation et mode d'emploi gratuit
Retrouvez gratuitement la notice de l'appareil Thunder DUALTRON au format PDF.
| Intitulé | Valeur / Description |
|---|---|
| Type de produit | Trottinette électrique hautes performances |
| Caractéristiques techniques principales | Double moteur, puissance totale de 5400W |
| Vitesse maximale | 80 km/h |
| Autonomie | Jusqu'à 100 km selon le mode de conduite |
| Type de batterie | Batterie lithium-ion |
| Tension | 72V |
| Capacité de la batterie | 35 Ah |
| Poids | 40 kg |
| Dimensions approximatives | 130 x 30 x 50 cm |
| Matériaux de construction | Aluminium léger et résistant |
| Système de freinage | Freins à disque avant et arrière |
| Fonctions principales | Modes de conduite, éclairage LED, klaxon |
| Entretien et nettoyage | Vérification régulière des freins et de la pression des pneus, nettoyage avec un chiffon humide |
| Pièces détachées et réparabilité | Disponibilité de pièces de rechange auprès du fabricant |
| Sécurité | Casque recommandé, vérification des freins avant chaque utilisation |
| Informations générales utiles | Poids maximal supporté : 150 kg, utilisation sur routes et chemins adaptés |
FOIRE AUX QUESTIONS - Thunder DUALTRON
Questions des utilisateurs sur Thunder DUALTRON
0 question sur cet appareil. Repondez a celles que vous connaissez ou posez la votre.
Poser une nouvelle question sur cet appareil
Téléchargez la notice de votre Trottinette au format PDF gratuitement ! Retrouvez votre notice Thunder - DUALTRON et reprennez votre appareil électronique en main. Sur cette page sont publiés tous les documents nécessaires à l'utilisation de votre appareil Thunder de la marque DUALTRON.
MODE D'EMPLOI Thunder DUALTRON
Manuel d'utilisation Notice Originale

Introduction du fabriquant
Minimotors Co., LTD. est une entreprise de fabrication et de distribution de mobilité personnelle avec un système de production professionnel hors mobilité personnelle depuis 1999.
Minimotors Co., LTD. A créé la marque de mobilité électrique [DUALTRON] dans le but de rendre la mobilité personnelle plus innovante, plus sensuelle et plus pratique de 1999 à aujourd'hui et de faire un produit apprécié de tous. Minimotors Co., LTD. Fait de son peux pour.devenir la(Meilleureentreprisesde mobilitéelectrique au monde.

MINIMOTORS
Présentation de la marque
La marque «DUALTRON» est une marque de scooter électrique mondiale qui a été consque par Electier Co. LTD.
est un produit révolutionnaire qui combine le premier système de double entrainment au monde et la nouvelle technologie de suspension en caoutchouc (demande de brevet). C'est une marque de luxe coréenne qui a conquis le marché mondial des scooters électriques exportés dans plus de 20 pays.
DUALTRON™
Veuillez lire attentivement le manuel d'utilisation.
N'utilisez pas le produit avant d'avoir compris ses fonctions.
Ne laisser pas le produit à une personne qui ne peut pas utiliser le produit.
- Pour une première fois, utilisez Dualtron Thunder avec une vitesse lente pour des raisons de sécurité
Contenu du manuel d'utilisation de Dualtron Thunder
DUALTRON THUNDER
- Consignes generales de sécurité et restrictions 04
02.Structure du produit 06 - Nom de chaque partie 07
- Composants du produit 08
- Comment utiliser le produit 09
- Comment utiliser le display 12
- Fonctions des LED 15
- Comment utiliser le chargeur 16
- Précautions de sécurité pour la batterie au lithium-ion 17
- Consignes de sécurité avant l'utilisation 18
- Maintenance 19
- List des vérifications importantes 20
- Spécifications du produit 22
Avant de dire le manuel
Ce manuel contient des informations importantes pour vous aider à utiliser votre produit de la manière la plus sure. Pour une utilisation en toute sécurité, il est indiqué «Danger», «Attention» et «Avertissement» selon le degré de danger et la signification est comme ci-dessous.

Danger: Indique une situation dangereuse pouvant résultat de blessures graves.

Attention : Indique une situation potentiellement dangereuse pouvant entraîner des blessures graves.

Avertissement : Indique une situation potentiellement dangereuse pouvant entraîner une blessure légère.
1) Consignes générales de sécurité et restrictions
L'APPAREIL DOIT ETRE UTILISÉ UNIQUÉMENT AVEC LE CHARGEUR FOURNI AVEC L'APPAREIL.
Durant la période de garantie, vous etes responsable de tout accident causé par l'une des causes suivantes.

1. Faites attention à l'eau!
Ne l'utilisez jamais lorsqu'il pleut ou qu'il neige ou lorsque la route est mouillée ou glacée. Le dispositif électricque, le moteur, la batterie et les autres pieces peuvent être endommagés et cela peut être la cause d'un dysfonctionnement ou d'un incendie. Les dégats causés par l'eau ne sont pas garantis.

2. Attention, la main peut être coincée dans le système de piage ou dans
des pièces en rotation ! Si une partie du corps comme un doigt ou des cheveux touchent ou sont pris dans une pièce tournante comme un disque de frein, une roue, une partie pliante, cela peut être engendrer de graves blessures.

3. Aucune acrobatie
Les cascades tels que les sauts et les acrobaties sont interdits car ils peuvent avoir un impact important sur le produit et provoquer des dysfonctionnements et des accidents.

4. L'utilisation avec
passagers est interdite
Ce produit est pour une personne et il est interdir de rouler avec un bébé ou de monter avec un

5. Ne modifiez pas ou n'ouvrez pas vous-même la trottinette.
produire! Ne pas ouvrir ou régler les pieces électriques (contrôleur, batterie et système moteur). Cela peut être la cause d'un dysfonctionnement et d'un incendie. Et puis votre produit ne sera plus garantie.

6. Respecter la loi de circulation routière locale
Veuillez respecter la loi sur la circulation routière. Il est interdirit d'utiliser le produit après avoir bu ou sans licence.

7. Les débutants et les personnes âgées doivent utiliser à basse vitesse
Les débutants et les personnes âgées devraient éviter l'utilisation à haute vitesse. De plus, vous doivent utiliser le produit dans un espace dégagé pour rouler en toute sécurité.
8. Conseils pour les débutants, les femmes enceintes et les personnes âgées
CET APPAREIL PEUT ÉTRE UTILISÉ PAR DES ENFANTS ÂGÉS D'AU MOINS 8 ANS ET PAR DES PERSONNES AYANT DES CAPACITÉS PHYSIQUES, SENSORIELLES OU MENTALES RÉDUITES OU DÉNUÉES D'EXPÉRIENCE OU DE CONNAISSANCE, S'ILS (SI ELLES) SONT CORRECTEMENT SURVEILLE(E)S OU SI DES INSTRUCTIONS RELATIVES À L'UTILISATION DE L'APPAREIL EN TOUTE SECURITE LEUR ONT ÉTÉ DONNÉES ET SI LES RISQUES ENCOURUS ONT ÉTÉ APPRÉHENDÉS. LES ENFANTS NE DOIVENT PAS JOUER AVEC L'APPAREIL. LE NETTOYAGE ET L'ENTRETIEN PAR L'USAGER NE DOIVENT PAS ÉTRE EFFECTUÉS PAR DES ENFANTS SANS SURVEILLANCE


9. Ne pas accélérer en descente
Si vous accélèrez en descente, la distance de freinage se rallonne et cela devient dangereux. Si nécessaire, utilisez les freins correctement. Sur de très longues routes en descente, les freins peuvent surchauffer et ne pas fonctionner. Ne pas utiliser les freins d'un seul coup.

10. Ne conduisez pas sur des pentes raides
Le degré de pente acceptable est différent pour chaque produit. Des routes en pente excessives dépassant les specifications peuvent endommager le produit en raison d'une surchauffe, ce qui provoque un dysfonctionnement du produit.

11. Lorsque vous soulevez le produit après avoir plie le guidon
Lorsque vous pliez le guidon et soulevez le produit en boulevant le guidon, la charge est concentrée sur la partie pliante, ce qui peut endommager le système de piage. Lorsque vous pliez le guidon et soulevez le produit, tenez le plateau avec les deux mains.

12. Porter un équipement de sécurité
Pour la sécurité de l'utiliser, assurez-vous de porter un casque intégral et d'autres équipements de protection (genou, coude, main, haut du corps).
Porter des chaussures adequates à l'utilisation de ce produit.
2) Consignes de sécurité avant l'utilisation
- Assurez-vous de porter des casques, des protections (genoux, coudes, mains, buste, etc.) et soyez prudents.
- Choisissez le mode qui vous convient, et entrainez-vous à ralentir et à vous arrêté pour faire face aux situations imprévues qui peuvent survenir pendant l'utilisation.
3.Ralentissez suffisamment pour éviter de se renverser en tournant à gauche ou à droite. Assurez-vous qu'il n'y a pas d'obstruction, puis tournez lentement en gardant un grand rayon de braquage.
4.Si vous devez revenir en arriere, il serait prudent de vous déplacer après l'arrêt et le département.
5.Ne pas utiliser dans des endroits où il y a un risque de glissement, sur des routes ouvertes à la circulation, chaussée en mauvaise état ou routes représentant un risque d'accident. - Pour la sécurité des piétons, lorsque vous traversez un passage piétons, descendez du produit. Et l'utilisation sur le trottoir est interdit.
- Ne roulez pas avec des animaux en laisse
8.En cas de franchissement des bosses ou d'obstacle, assurez-vous de ralentir à moins de 5km / h . Si vous ne ralentisse pas, cela peut provoquer un dysfonctionnement du produit et des accidents.
9.Lors de la deceleration ou du freinage, il est nécessaire de s'arreter en utilisant le frein de maniere
appropriée. Le freinage avec le pied ou uniquement avec le frein avant peut provoquer un accident.
10.La température du moteur et des freins [en particulier le disque] augmente après le fonctionnement, il y a un risque de brûlle.
11.Le guidon est concu pour tourner et pour tenir en équilibre. L'utilisateur doit tenir les poignées pendant l'utilisation la conduite a une main peut entrainer un accident. Tirer ou pousser avec une puissance excessive ou attacher de nombreux accessoires sur le guidon peut causer un dysfonctionnement ou un accident.
12. Si vous montez ou roulez avec la béquille latérale, cela peut provoquer l'endommagement du produit ou un accident de sécurité. N'appliquez pas de force excessive sur la béquille latérale..


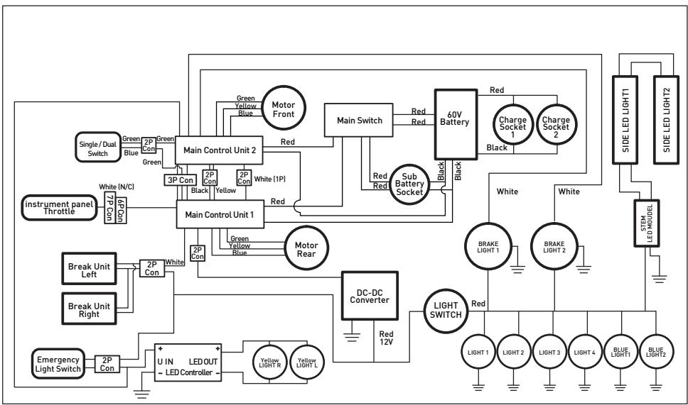
Scheme de câblage électrique

Dimension du produit

Des erreurs peuvent survenir en fonction de la méthode de mesure.
Plié
1238 × 543 × 319 ~mm
{Longueur[L]xHauteur[H]xLargeur(W)}

Guidon

Chassin

Vérification des composants à l'intérieur de la boîte
Haut: Chargeur de batterie par défaut (1.7A), Outil, Manuel de l'utilisateur, Télecomande
Bas: trottinette (battery Lithium incluse)

Mise en
garde
Après avoir ouvert la boîte du produit, notez les numérores de série et conserveze-le.
Il peut être utilisé pour vérifier des informations telles que la date d'achat, la période de garantie, etc.
Emplacement du numero de série

Permet de vérifier des informations même si le produit est perdu ou volé. (Peut varier en fonction de la situation de la succursale.)

Assemblage du display et du frein
- Placez le display et serrez les vis de fixation.

- Régler la position du frein et serrer les vis de fixation à l'aide d'une clé hexagonale de 5 mm.
1) Dépliage du produit


1. Soulevez la poignée (tube de direction)
Relâchéz le levier QR, soulevez la glissière de verrouillage et la poignée vers le haut, ensuite abaissez la glissière de verrouillage vers le bas.
2. Verrouillage des pieces pliables
Serrez correctement les vis de fixation pour verrouiller le levier QR de maniere à ce que la glissiere de verrouillage soit fermement fixe dans toutes les directions et vérifie qu'elle n'est pas desserrée pendant l'utilisation.

3. Dépliage du guidon
Desserrez le levier QR, tirez le collier de verrouillage vers l'intérieur et souveze le guidon, puis fermez le levier QR et serrez la vis de réglage.
4. Vérouillage du guidon
Placez le collier de verrouillage jusqu'à la ligne de sécurité et verrouillez-la pour qu'elle soit solidement fixée avec le levier QR. Vérifietzousqu'il n'yapasdejeu lors del'utilisation.
*ATTENTION : Assurez-vous que la glissière de fixation est insérée dans le fil de sécurité lors de la fixation.
2) Comment commencer

Étape 1. Appuyer sur le bouton d'allumage
Lorsque you allumez le produit, allumez aussi l'interrupteur principal (lorsque vous utilisez la batterie integree), allumez aussi l'écran LCD.
Lorsque you terminez, eteignez l'ecran LCD et l'alimentation principale.
- Le tableau de bord s'éteint automatiquement après quelques minutes d'inactivité, la LED aussi, éteignez-le avec le bouton de la LED.

Étape 3. Position pour l'utilisation
Retirez la bequille et trouvez une position stable sur le plateau, tenez la poignée comfortablement. Veiliez à ne pas poser le pied sur le garde-boue arrière.

Etape 2. Allumez le diplay

Conseil
BoutondesLED
Vérification avant l'allumage du produit
Avant d'allumer le produit appuyez sur le bouton power avec le bouton des LED eteint

Étape 4. Accélération et décalération
Pour accélérer, utilisez la manette des gaz du display, pour decélérer relâcher la gâchette. Pour vous arrêté, maintenez les freins sur les deux poignées.

Avant de conduire, vérifie la partie de pliage, les poignées et que la partie principale de fixation du produit est bien attachée. Vérifiez également la position de du guidon, l'état de verrouillage du levier QR et l'état de fixation du système de pliage. Avertissement de dysfonctionnement de l'accéléateur. Indépendamment du fait que la manette des gaz soit actionnée ou non, le capteur du moteur peut continuer à fonctionner, entraînant des dysfonctionnements tels qu'une accéléation soudaine. Dans ce cas, tenez le levier de frein pour annuler l'opération. Ce phénomène peut être causé par la corrosion, l'immersion de l'accéléateur, la déconnexion de l'aimant, des leviers cassés et la rupture du ressort. Ne pas appuyer fortement sur le
3) Comment s'arrête
Étape 1
Utilisation du frein arrière
Assurez-vous d'utiliser le frein arrirée d'abord pour décelérer lors de l'arrêt. Pour un arrêt sûr, il est nécessaire de s'entrainer à ralentir après décelération avec frein arrrière.
Étape 2
Utilisation du frein avant
Toujours utiliser les leviers de frein avant et arrrière Ensemble pour arreter en douceur et en toute sécurité après la décelération avec le frein arrrière.

Conseil
Vérifiez le freinage en toute sécurité
- Pour un freinage en toute sécurité, vérifier si le levier de frein et la connexion de l'étrier de frein (endommagement du cable, rupture externe, etc.) sont endommages avant et après l'utilisation et vérifier l'usage des freins et le serrage du disque de frein. Dans le cas de freins hydrauliques, il est également nécessaire de vérifier la fuite d'huile ou la censure et de tous jours vérifier que la force de freinage est suffisante.
- En raison de divers facteurs, tels que l'état de la surface de la route et la vitesse, l'arrêt peut s'avérer difficile. Les freins électroniques et les fonctions ABS sont des fonctions auxiliaires pour augmenter encore la force de freinage. L'utilisateur doit synchroniser l'opération lors de l'utilisation de cette fonction.
4) Le piage du produit

1. Plier le guidon et le tube de direction
Après avoir plié le guidon, déserrez le levier QR vers l'extérieur et abaissez le tube de direction vers le plateau tout en soulevant la glissière fixe.

2. Fixation de la partie pliante
Lorsque le tube de direction est plie, it est fixe en utilisant la glissiere de verrouillage et le levier QR, il est donc facile a deplacer en attachant la poignee avec le dispositif de verrouillage du systeme de piage (non disponible lors du montage du support de siège).

1) Réglage du mode de vitesse peut être régle avec le bouton
Pendant que le display est allumé, appuyez sur pour régler la vitesse. Le réglage est terminé lorsque la valeur de vitesse selectionnée est affichée.
Lorsque la charge restante de la batterie est de 10% , levoyant clignote 3 fois tous les 10 secondes.
Il clignote en permanence lorsque la charge restante de la batterie est de 0% .
2] Mode de fonctions et réglage de l'écran principal
![DUALTRON Thunder - 2] Mode de fonctions et réglage de l'écran principal - 1](/content/2024/12/317894/images/2dbb4ae0c2eb1f7e53522cb9fd2b9f19e107986e9c3c22435ce7da7e542c5c3c.jpg)
| Mode | Discription |
| TRIP | Kilométrage du trajet (Appuie long sur le bouton mode pour réinitialiser) |
| ODO | Kilométrage total |
| CHA | Ne pas utiliser |
| VOL | Voltage courant |
| TIME | Temps d'utilisation |
3) Fonctions détaillées du display
Vous pouvez changer le mode de réglage en mettant le tableau de bord sous tension et appuyant sur pendant 2 à 3 secondes. En mode réglage, appuyez une fois sur sur pour changer la valeur de réglage
Si vous modifie les valeurs de réglage par défaut P0 (10), P1 (60), P2 (15), P3 (0), les informations correctes ne seront pas affichées.
Mode de réglage

Valeur du
réglage
P0
10(Fixe)
P1
60(Fixe)
P2
15(Fixe)
P E
P4
P9
P5
Mode d'allumage
0(Direct)
1(Avec le pied)
P6
Regulateur de
vitesse
0(off) 1(on)
P
Départ lent 0
Off depart normal puissance du -5 [Depart lent] moteur 5-100%
PA
Puisance freins electrique
0(Off)~5(Powerful)
Pb
Controle de luminosité
0(déclaration off)-5[plus lumineux]
P
Réglage arret auto
1~30 minutes
Pd
Réglage ABS
0(OFF), 1(ON)
1.Sélection de l'unité de vitesse d'affichage - P4: 0 [Km / h], 1 [mp / h]
2. Sélection du méthode de démarrage - P5: 0 (démarrage direct), 1 (démarrage avec le pied)
3. Sélection du régulateur de vitesse - P6: 0 (Off), 1 (On)
4. Demarrage lent - P7: 0 (Demarrage lent désactifé) ~ 5 (Demarrage lent)
5. Mode d'économie de batterie - P9: 1 (Eco max), 2 (Eco intermediaure), 3 (pas d'Eco)
6. Mode de réglage du frein électronique - PA: 0 (Frein électronique désactivé) ~ 5 (le plus fort)
7. Reglage de la brillance de l'écran LCD - Pb: 0 (rétroéclairage éteint) ~ 5 (éclairage maximal)
8. Réglage de durée d'arrêt automatique - PC: 1 ~ 30 minutes
9. Réglage ABS - Pd: 0 (OFF), 1 (ON)
4) Caracteristiques du régulateur de vitesse (conduite automatique)
La fonction de régulateur de vitesse vous permet de maintainir automatiquement la vitesse d'utilisation. L'avantage de l'utilisation du régulateur de vitesse est que vous pouze réduire la fatigue pendant les longues distances et la consommation de la batterie.
(1) Demarrage du régulateur de vitesse
Selectionnez la fonction régulateur de vitesse sur le display dans "Paramètres". Si la gâchette est maintainue à la même accélération pendant environ 7 secondes, le régulateur de vitesse démarre.

(2) Eteindre le régulateur de vitesse
Lorsque vous maintenez et relâchéz le frein pendant que le régulateur de vitesse est activé, il est automatiquement annulé.
Précautions lors de l'utilisation du régulateur de vitesse

- Pour désactiver le régulateur de vitesse lors d'une situation dangereuse, assurez-vous de rouler dans une position où le frein peut être utilisé immédiatement afin de désactiver rapidement le régulateur de vitesse.
- Lors du passage du mode monomoteur à un mode bimoteur lorsque le régulateur de vitesse est activé, celui-ci ne peut être désactif qu'en utilisant les freins et pas la gachette d'accélérateur seulement.
5) Paramètres frein électronique

Frein électronique étéint

Intensité modérée
Affiché lorsque le levier de
frein est actionné

Intensité maximal

- Précautions lors de l'utilisation du frein électronique immédiatement après la
charge complète de la batterie Les freins électroniques ne fonctionnent pas lorsque la batterie est complètement chargée. N'utilise pas les freins électriques directement après le chargement de la batterie, mais d'utiliser le frein électriche lorsque la capacité de la batterie est inférieure à 95%.
6) Guide de réglage de la fonction ABS
Toutes les trottinéttes électriques sont soumises à un freinage brusque, ce qui provoque un blocage des roues. En conséquence, le glissement du pneu provoque la chute de l'utilisateur, ce qui peut provoquer des accidents. Ce produit est équipé d'une fonction de freinage ABS pour éviter le blocage du pneu, permettant un freinage plus sûr.

ABS OFF

ABS ON
(1) Activer la fonction ABS
Réglez la partie de fonction ABS Pd du compteur sur 1.
(2) Désactiver la fonction ABS désactivée
Définisse la partie de fonction ABS Pd du compteur sur 0.
-
Pd - Lorsque la fonction ABS est activée, la fonction de freinage électrique PA se désactive
-
Frein ABS est une abréviation du système de freins antiblocage. Il utilise le principe selon lequel la force de frottement statique maximale est supérieure à la friction cinétique, de sorte que la distance de freinage (distance entre le freinage et l'arrêt) soit plus courte que celle du frein normal.

- Précautions lors de l'utilisation de la fonction ABS
L'ABS a l'avantage de pouvoir s'arrêté à la distance de freinage la plus courte pouvant être obtenu à partir des pneus et des conditions routières. Cependant, en raison du principe de maintain et de relâchement repétés du frein plusieurs fois par seconde, de nombreuses vibrations se produit dans le moteur et dans le corps. Les vibrations répetitives provoquées peuvent provoquer un desserrage fréquent du moteur, de la jante, de la pièce de fixation et du boulon de fixation du corps.
7) Autodiagnostique de tableau de board

| Code erreur | Diagnostique | Solution |
| 2 | Erreur système | * Sile sinfo rmat i ons d'erreur apparaisent, arrêtez immédiatement d'utiliséré p roduit et ramenez le produit au SAV. Une'utilisation excessive peut être désommages au produit et des accidents de sécurité. |
| 4 | Erreur de moteur | |
| 5 | Erreur d'accélérateur | |
| 6 | Erreur de contrôleur | |
| 789 | Aucun |
- Le nombre ① s'affiche lorsque le régulateur de vitesse est activé à une vitesse constante.
- Le numéro ③ s'affiche lorsque le levier de frein est actionné. (Lorsque le tímein s'allume, l'accélérateur ne fonctionne pas.)
1) Guide de fonction LED
Lorsque levoyant est allumé, l'alimentation principale est activée et la barre de voyants s'allume lorsquel'alimentation des gaz est activée. Assurez-vous que le bouton des LED sur le côté droit du plateau est allumé.

Bouton d'allumagedes LED
2) Fonctions et paramètres de la télécommande
La télécommande LED est infrarouge. Veuillez utiliser la télécommande sur la partie logo Dualtron.

Comment recharger le produit
1) Recharge classique
- Ouvrez le port de charge et connectez-le au connecteur du chargeur et branchez-le à la prise secteur.
- Indicateur d'etat de charge
(Rouge) En cours
- (Vert) Charge complète

- Assurez-vous de fermer le port de charge lors de l'utilisation ou du stockage, sauf lors de la charge.
- Lors de la connexion du chargeur au port de charge, des étincelles peuvent se produit en raison de la différence de tension, mais cela est normal.
2) Méthode de charge de base
-
Une panne de chargeur et des conditions anormales de chargement peuvent provoquer un choc électrique et un incendie. Apprenez à l'utiliser correctement afin d'éviter les accidents.
-
Les fabricants et les vendeurs ne sont pas responsables des problèmes décaulant du démontage, de la modification ou d'utilisation d'autres chargeurs.

- Il est interdir d'utiliser le chargeur dans des endroits soumis a une forte humidite, à la chaleur, à des materiaux inflammables, à des espaces confinés ou dans des endroits sans ventilation, comme dans une voiture.

- Le chargeur n'est pas imperméable. Vous doivent espêcher l'humidité de pénétrez dans le chargeur.

- Les enfants et les animaux de compagnie sont interdits de s'approcher du chargeur.

- Si le témoin du chargeur ne s'allume plus, ou en cas de chute du chargeur, d'un chic externe importante, une charge de longue durée ou un endommagement du cable, arrêtez immédiatement l'utilisation et contactez le centre de service.

- Une panne de chargeur peut provoquer un incendie pendant le chargement, assurez-vous de déconnecter le boitier du chargeur lorsque vous quittez l'endetroit pour une longue durée.

- Utilisez uniquement un chargeur original. Les performances et la sécurité ne sont pas garantis lors de l'utilisation d'un autre chargeur.

Attention
- N'insérez pas de métal dans le port de chargement.
- ÀpRES avoir débrancher le chargeur, ne touche pas la prise environ 10 secondes.
- Ne retirez pas le boîtier pendant le chargement.
- N'utilisez pas le produit pendant le chargement.
- Les bornes de charge doivent être fermement branchées pendant le chargement et ne doivent pas été utilisées si les bornes sont corrodées ou endommagées.
-
Lorsque vous débranchez le chargeur du produit, vous pouvez tener le boîtier en toute sécurité sans tener le fil.
-
Attention Court-circuit: Veillez à ne pas court-cuiter la batterie, c'est dangereux
- Mise en garde de Surintensité : La batterie de ce produit est concise pour couper automatiquement
l'alimentation afin de protégger la batterie lorsque la surintensité dépasse 100A. - Mise en garde Basse tension: La batterie de ce produit est concise pour être automatiquement coupée lorsque la tension chute en dessous de 48V. N'utilise pas le produit dans l'état de bassé tension.
Mise en garde
Précautions de sécurité pour la batterie au lithium
-
Ne pas laisser les batteries lithium à la portée des enfants et animaux de commande
-
Performance : La batterie au lithium est affectee par la température extérieure.
En hiver, lorsque la température est BASSE, la performance de la batterie est temporairement détiériorée et l'autonomie et la puissance sont réduites. La batterie au lithium a une caractéristique qui réduit les performances de décharge de plus de 15% lors de la charge / décharge 300 fois ou plus.

- Chargement : La batterie au lithium doit etre utilisee uniquely avec un chargeur fournis par le fabricant. Les problemes causés par l'utilisation d'autres chargeurs ou batterie ne sont pas couverts par le fabricant : Le chargement de la batterie au lithium avec un chargeur non authentique peut provoquer un court-circuit. 3 La batterie au lithium doit etre chargée dans un endroit sec et bien aere et en l'absence de materiaux inflammables.
- La batterie au lithium doit être chargée entre 0 et 45 et déchargée entre -10 et 60. Le changement ou le déchargement à une température située en dehors de cette plage peut provoquer un dysfonctionnement, un incendie ou une explosion.
- En cas de passage d'un endroit froid à un endroit chaud, attendez 1 à 2 heures avant de charger. Ceci permet d'éviter la formation de condensation à l'intérieur du produit en raison de la différence de température.
- Stockage: Les batteries au lithium doivent être stockées à l'écart de la neige, de la pluie et des rayons de soleil. Ne les stockez pas et ne les chargez pas dans un coffre ou une piece chaude. Choisissez un endroit sec et entreprises à température ambiente (10 ~ 20). Si la durée du stockage est supérieur à 3 mois, chargez le niveau de batterie restant à 70 ~ 80% (Ne pas stocker la batterie chargée à 100%).
- Symptôme de panne, sécurité : La batterie au lithium doit être arrêtée immidiatement en cas d'endommagement ou fuit, une odeur aigre, une déformation de l'apparace, etc. Contactez le distributeur pour un support technique out un service. En cas de surchauffe, de fumée ou allumage d'un produit avec une batterie au lithium, arrêtez immidiatement le changement et/ou l'utilisation, sortez le produit à l'extérieur le plus vite possible, puis utilisez un extincteur. Ne pas pulvériser d'eau ou immerger le produit pour évoluer, ce qui est plus dangereux. La batterie au lithium a une densité d'énergie très élevée, le changement pendant une longue durée peut causeur un court-circuit, une fuite, etc., Evitez de laisser en charge si vous quitterz l'endetroit.
- Mauvaise utilisation : Si la batterie au lithium fait un court-circuit ou si elle est endommagée, un dysfonctionnement ou un incendie peut en résultat. Si vous pensez que la batterie a ete endommagee, arretez de charger et de l'utiliser.
- Evitez le contact de l'eau avec la batterie au lithium. Il y a un risque d'incendie ou d'électrocution si le chargeur est branché en présence d'humidité.
- Attention, lorsque vous débranchez la batterie veillez à ne pas recharger, installer ou utilisez d'autres applications.
- Mise au rebut : Pour jeter la batterie au lithium, elle doit être séparée du produit au point d'achat ou à proximé afin que les bornes de charge et de décharge ne soient pas court-circuités. Vous pouvez le jeter après comme tout autre déchet industriel.
- L'appareildoitétredéconnectéduréseaud'alimentationlorsqu'onretirelabatterie
- L'appareil doit être déconnecté du réseau d'alimentation lorsqu'on retire la batterie

Le démontage de la batterie est interdit
Le démontage, la modification et la réparation par une personne non habilité de la batterie ne sont pas couverts par la garantie
1) Vérification avant utilisation
1. Verifiez l'accelerateur et la poignee
- Actionné la manette de l'accelérateur environ 2 à 3 fois pour vérifier qu'elle revient à la position d'origine.
- Veillez à ce que l'accelération excessive des gaz et la manipulation de la commande des gaz poussent provoquer des dysfonctionnements dus à l'endommagement des pieces internes.
- Vérifiez les conditions de fixation et le jeu du levier QR sur la poignée.

2. Vérification des freins et des cables
- La force de freinage est suffisante pour vérifier les conditions de fonctionnement. Si elle est abaisée de manière significative, utilise-la après inspection de votre revendeur.
- Vérifiez que les plaquettes de frein ne sont pas usées, que le cable n'est pas desserré ou endommagé, ou qu'il n'y a pas de fuite dans le cas des freins hydrauliques.
- S'il y a un bruit ou une sensation inhabituelle pendant le fonctionnement, vérifie qu'il n'y a pas de bris, d'usure ou de déformation du fil interieur du cable de frein.
- Vérifiez que les boulons et les écrous des pieces de fixation du frein ne sont pas desserrés et que le disque n'est pas déformé ou endommagé.

3. Verifiez la pression des pneus et l'usure des pneus
- Vérifiez l'usure et les crevaisons des pneus avant et arrêté et vérifiez la pression d'air appropriée (3,1 à 3,44 bar) pour le pneu. Lorsque le pneu est dégonfle, la possibilité de crevaison augmente, alors vérifie réquirement la pression.
- Il est nécessaire de vérifier l'usure en observant l'apparce du pneu, comme les dommages au pneu, l'usure inéquale.
Cela peut provoquer une usure inégale des pneus d'un finnage brusque si la roue se bloque. Par consequent, il est nécessaire de juger la durée de vie en observant l'apprénce du pneu.

4. Verification du serrage des vis principalement du système de pliage et du guidon
- Vérifiez soigneusement le serrage des vis avant l'utilisation. Toujours vérifier qu'il n'y a pas un peu important entre chaque partie, que les boulons et les écrous du système de pliage soient bien serrer. Toutes les pieces de fixation du produit doivent être correctement serrées.


Si vous rencontres l'une des situations suivantes pendant votre utilisation, arrêtez-vous immédiatement et contactez votre revendeur ou le centre de service le plus-Proche pour connaître les mesures appropriées. Si vous fournissez des images et des videos pour obtenir un diagnostic précis, des conseils professionnels sont disponibles.

* Dans ce cas, stopper immédiatement l'utilisation
Si vous rencontres l'une des situations suivantes, arrêtez immédiatement l'utilisation. Contactez au plus vite votre revendeur.
Danger

Chauffage inhabituel du moteur
Un bruit anormal est generé.
Erreur d'etat de freinage
Fumée de produit, allumage, odeur aigre
- Messages d'erreur sur le groupe d'instruments
Quand il pleut ou quand la route est mouillée ou Danger dans une situation similaire
Lorsque la commande des gaz ne revient pas à sa position d'origine
Quand une utilisation est jugee déraisonnable
2) Maintenance
Les produits électriques peuvent être endommagés par divers facteurs. La durée de vie de chaque partie varie en fonction des habitues de conduite et de l'environnement de conduite. Les pieces qui dépassent la durée de vie peuvent provquer des accidents. Gérons les différentes pieces et prévenons les accidents de sécurité à l'avance.

1. Vérifiez le remplacement des pieces consommables
Le caoutchou à l'intérieur de la suspension durci en fonction de l'utilisation des pieces consommables, les performances de la suspension sont légèrement réduites en raison de l'élasticité réduite. Les composants et les pieces de suspension du bras oscillant de la trottinette, pneus, chambris à air, roues, roulements, disques, plaquettes de frein, cables et pieces pliables, différents supports et autres pieces consommables nécessitant une vérification périodique.

Pieces de defaillance et cycle de remplacement des pieces de maintenance
DUALTRON THUNDER
| No | Nom des pièces | Cycle de rempalcement |
| 1 | Charnière inférieure | 2 ans / 7,000 |
| 2 | Charnière suppérieur | 3 ans / 20,000 |
| 3 | Boulon de pliage | 1 an / 5,000 |
| 4 | Tube de direction | 3 ans / 20,000 |
| 5 | Poignée | 3 ans/ 20,000 |
| 6 | Système de verouillage | 2 ans/ 10,000 |
| 7 | Batterie | 2 ans / 20,000 |
| 8 | Autres composants de chaudiess | Si l'extérieur est endommagé ou déformé |
2. Contrôle des dommages externes
- Remplacer les pieces qui pourrait être endommagees par un environnement de conduite externe, telles que la deformation des pieces, les fissures dues à la compression, des signes de rouille ou de la durée de vie.
- Si le produit est exposé a une force lumière solaire pendant une longue période, une décoloration peut se produit
- En cas de sauts, légers impacts tels que virages, collisions, ou en cas d'utilisation.fréquence ou prolongée dans des conditions difficiles, remplacez les pieces pour des raisons de sécurité.
Les pannes et les pièces d'usures peuvent différer
selon les conditions d'utilisation. Vérifiez
également à tout moment toutes les autres
pièces afin de déceler tout signe d'anomalie.

Avis important

Des vibrations métalliques peuvent se produit à cause des vibrations du moteur, du disque de frein et du patin pendant le l'accelération.
C'est un phénomène dans lequel toutes les revolutions (ventilateurs, automobiles, bateaux, etc.) vibrent à une fréquence de rotation spécifique (tr / min)只不过 que le produit. Cependant, si le bruit continues ou devient important, il est possible que le disque soit voilé et déformé.
Après l'utilisation, il y a un risque de brûlure en raison de la chaleur sur le côte du moteur et du frein (en particulier le disque).
Les boulons du moteur, de la jante et de l'arbre du moteur d'u à la fonction ABS peut être desserré.
3) Maintenance auto
1. Méthode d'ajustement du frein
Lorsque vous utilisez les freins, les plaquettes de frein s'usent et l'espace entre les plaquettes et le disque de frein devient plus large. Lorsque la puissance de freinage diminue, utilisez une clé hexagonale de 5 mm pour desserrer le boulon du fil du bras de frein, fais soulevez le bras de frein vers le haut pour régler la force de freinage.

2. Méthode de remplacement des pneus
Après avoir retire le etriers, retirez le moteur à l'aide d'une clé de 18 mm et demontez les boulons de fixation de la roue et du moteur.
Dégonflez les pneus en appuyant sur la valve. Remplacer les pneus et terminer l'assemblage des pneus dans l'ordre inverse. Serrez le pneu assemblé pour l'adapter au corps, puis serrez les vis et les boulons.

*mise en garde
Une fois le remplacement du pneu terminé, essayez simple avec la pression d'air appropriée (3,1 à 3,44 bar).
Système de roue facile

La conception du moteur de moyeu complètement séparable. En concevant le moteur de jante et de moyeu complètement séparable, il est possible de replacer seulement la jante sans replacer le moteur entier lorsque la jante se brise, améliorant ainsi la maintenance et la maintenance du produit. (Brevet en instance)
3. Causes et solutions lors d'un bruit anormal du frein à disque
Le système de freinage à disque à une bonne puissance de freinage, de sorte que de nombreuses trottinéttes électriques utilisent le freinage à disque. Cependant, si vous entendez un sifflement fort lorsque vous freinez, vous pouvez effectuer un réglage simple de la manière suivante. La plupart des causes de bruit de frein à disque sont la poussière ou le sable sur le sol pendant la conduite, ce qui provoque l'adhérence de substances étrangères sur la plaquette de frein ou sur la surface du disque.


Si vous n'arrivez pas résoudre le problème avec la méthode ci-dessus, rendez-vous dans l'atelier de réparation le plus proche et faites un contrôle de sécurité. Il peut y avoir un autre problème.
4. Système variable de suspension en caoutchouc
Conçu par MINI Motors, le plus grand système de suspension en caoutchou régliable en trois étapes (3x3x5) vous permet de régler la force de suspension en fonction de la distance de l'arbre moteur (3 étapes), de l'angle des bras (3 étapes) et du remplacement des cartouches. Retirez la protection avant avec une clé hexagonale de 3 mm, desserrez l'écrou de 18 mm (côté moteur), l'écrou de 19 mm (côté bras oscillant), puis desserrez l'écrou pourrirer le bras de suspension. Réglez la distance de l'arbre du moteur, le remplacement de la cartouche en caoutchou et la longueur du bras à la force de suspension désirée.
Distance de l'arbre moteur (3 étapes): Réglage de la hauteur (en poids)
Vous pouvez ajuster la hauteur du centre.

Remplacement du caoutchouc (5ème étape) : Remplacer la cartouche (Régler la hauteur en fonction du poids)
Desserrer les deux écrous avec une clé, desserrer les boulons de 3 mm et les retirer. Remplacez la cartouche quand elle est usée. (Il peut être changé en fonction du poids et de la rigidité souhaïée)


- Angle du bras (3 étapes): Réglage de la longueur du bras (changement de sensation d'utilisation)
| Nom du produit | DUALTRON THUNDER H35E | Note |
| Moteur | MAX 3600W BLDC DUAL HUB MOTOR | |
| Type de batterie | Li-Ion batterie | |
| Capacité de la batterie | 59.2V 34.8Ah | 1658Wh |
| Temps de chargement (1.7A) | 20hr+ | Lors de l'utilisation du chargeur standard (1.7A) |
| Temps de chargement (3.4A) | 10hr+ | en utilisant 2EA du chargeur standard (1.7A) |
| Temps de chargement (6.5A) | 5.3hr+ | En utilisant le chargeur rapide (6.5A, facultatif) |
| Temps de chargement (8.4A) | 4.2hr+ | Lors de l'utilisation du chargeur rapide (6.5A) + Chargeur standard (1.7A) |
| Kilométrage maximum | 100km | Charge de 75±5kg, utilisation continue sur route plate de 25 km |
| Vitesse maximum | 70-80km/h | Fonction de réglage de la vitesse sur l'affichage des gaz. Sélection simple, double mode sur le guidon (fonction de sélection simple, double moteur) |
| Système de piage | Double piage | En attente de brevet |
| Gradabilité | Environ 70% (35°) | Le poids, l'état de la route, l'état de la batterie et la température peuvent affecter la gradabilité |
| Charge maximale | 120kg | |
| Poids du produit | Environ 43kg | |
| Taille déplée | 1238 x 610 x 1219mm | Longueur x Largeur x Hauteur |
| Taille plée | 1238 x 319 x 543mm | Longueur x Largeur x Hauteur |
| Tableau de bord | EYE throttle (Niveau de la batterie, TRIP, ODO, Heure, Affichage de la vitesse et changement de mode.) | Régulateur de vitesse / Frein électriche / Fonction de sauvegarde automatique (3 minutes) |
| Lumière | Feu arrière à deux phares à LED, feu de freinage intégré | Le convertisseur DC-DC est intégré (sortie 12V3A) |
| Frein | Frein hydraulique +160mm disque | Utilisation pour la roue avant et arrêté |
| Suspension | 15 positions ajustables (nouveau caoutchuc de suspension) 3 positions variables du système de suspension. 5 types de cartouches. | La cartouche en caoutchuc normale est appliquée fondamentalement (la douille molle, moyenne molle, dure, moyenne dure est facultative / brevet en suspens) |
| Pneu | Pneu 11" tubeless (pression : 3,1 à 3,5 Bar) | |
| Matériaux du produit | Châssis: Aviavionaluminforgingalloy, 6082-T6, Shaft: SCM440, Covers: Polypropylene | |
- Les pièces et les spécificatiosn peuvent être modifiées sans préavis pour améliorer la qualité et la sécurité du produit.
- L'autonomie indiquée dans les specifications est mesure avec une charge de 60kg et une utilisation sur route plate à 20km/h. Si l'environnement et l'utilisation diffèrent l'autonomie peut varier.
- L'autonomie peut être affectée par le poids de l'utilisateur, la température ambiente, la direction et la vitesse du vent, l'établit de la route, le dénivèle, la pression des pneus...
MEMO
Déclaration de conformité :
Nous VOLT, 50 bis rue maurice arnoux 92120 Montrouge, déclarons que :
Désignation produit : Dualtron Thunder
Référence fournisseur : Dualtron Thunder
Référence importateur : Dualtron Thunder
Numéro de lot / de série : Voir au dos du produit et sur le packaging
A été concu, fabriqué et commercialisé en conformité avec la législation d'harmonisation de
l'Union Européenne suivante :

| REGLEMENTATION | NORMES APPLICABLES |
| Directive CEM : 2014/30/UE | EN 55014-1:2006+A1:2009+A2:2001EN 55014-2:2015EN 61000-3-2:2014EN 61000-3-3:2013 |
| Directive machine 2006/42/CE | EN ISO 12100 : 2010EN 14121:2008EN 60204-1 : 2006 +2009 + A2:2010 |
| Directive Basse Tension 2014/35/UE | EN 60335-1:2012 + A11:2014EN 62233:2008 |
Signature :

volt
Fabrique en RPC
IMPORTÉ PAR VOLT
50 BIS RUE MAURICE ARNOUX
92120 MONTROUGE
FRANCE


Notice Facile