CS7102FL - Plaque_a_gaz MIELE - Notice d'utilisation et mode d'emploi gratuit
Retrouvez gratuitement la notice de l'appareil CS7102FL MIELE au format PDF.
| Type de table | Gaz |
| Nombre de foyers | 3 |
| Matériau de la surface | Verre trempé |
| Allumage | Électrique intégré |
| Commandes | Manettes rotatives |
| Sécurité | Arrêt automatique du gaz |
| Dimensions (L x P) | Non précisé |
| Puissance totale | Non précisé |
| Support des casseroles | Grilles en fonte |
| Type de brûleurs | Standard et rapide |
| Installation | Encastrable |
| Couleur | Noir |
| Type de gaz compatible | Gaz naturel et GPL |
| Nettoyage | Facile, surface lisse |
| Accessoires fournis | Non précisé |
FOIRE AUX QUESTIONS - CS7102FL MIELE
Questions des utilisateurs sur CS7102FL MIELE
0 question sur cet appareil. Repondez a celles que vous connaissez ou posez la votre.
Poser une nouvelle question sur cet appareil
Téléchargez la notice de votre Plaque_a_gaz au format PDF gratuitement ! Retrouvez votre notice CS7102FL - MIELE et reprennez votre appareil électronique en main. Sur cette page sont publiés tous les documents nécessaires à l'utilisation de votre appareil CS7102FL de la marque MIELE.
MODE D'EMPLOI CS7102FL MIELE
Mode d'emploi et instructions de montage Table de cuisson à gaz SmartLine

Lisez impératifement ce mode d'emploi et ses instructions de montage avant d'instructor et de mesure en service votre apparéil. Vous assu-rerez ainsi votre protection et évitezrez d'endommager votre apparéil.
L'utilisation de cette table de cuisson est également appropriée dans d'autres pays que ceux mentionnés sur l'appareil. Les modèles propres à certains pays et le mode de raccordement de la table de cuisson jouent un role considérable pour le bon fonctionnement de l'appareil.
Si vous souhaitez utiliser l'appareil dans un autre pays que ceux mentionnés sur l'appareil, veuillez contacter le service après-vente de votre pays.
Consignes de sécurité et mises en garde 5
Votrecombinuona la protection de I'environnement 16
Description de l'appareil 17
Table de cuisson 17
Bouton de commande. 18
Brûleur 19
Première mise en service 20
Nettoyer un domino SmartLine pour la première fois 20
Première mise en service d'un domino SmartLine 20
Ustensiles de cuisson 21
Conseils d'économie d'énergie 22
Utilisation 23
Mise en marche 23
Régler le feu 24
Arrêt 24
Dispositifs de sécurité 25
Sécurité d'allumage thermoélectrique 25
Nettoyage et entretien 26
Surface vitrocéramique 27
Bouton de commande 28
Supports de casseroles 28
Brûleur 29
En cas d'anomalie 30
Accessoires en option 32
Service après vente 33
Contact en cas d'anomalies 33
Plaque signalétique 33
Garantie 33
Installation 34
Consignes de sécurité pour le montage 34
Distances de sécurité 35
standard 38
Instructions d'encastrement - standard 38
Découpe du plan de travail - standard 40
Table des matieres
Barrettes de junction - standard 43
Cotes d'encastrement - standard 44
Installation - standard 45
A fleur de plan 47
Instructions d'encastrement - à fleur de plan 47
Découpe du plan de travail - à fleur de plan 49
Barrettes de jonction - a fleur de plan 52
Cotes d'encastrement - à fleur de plan 53
Installation - à fleur de plan 54
Raccordement au gaz 56
Branchementélectrique 58
Puisance du bruleur 61
Adaptation à un另一种 type de gaz 62
Tableaux injecteurs 62
Changer les injecteurs 63
Remplacer les injecteurs principaux 63
Changer l'injecteur de réglage faible 63
Vérifier le fonctionnement 64
Fiches de données de produits 65
Cet apparéil est conforme aux dispositions de sécurité en vigueur. Toute'utilisation non conforme peut toutegois causeur des dommages corporels et matériels.
Lisez attentivement le mode d'emploi et les instructions de montage avant demettre la table de cuisson en service. Vous y trouvez des informations importantes sur le montage, la sécurité, l'utilisation et l'entretien de cet apparéil. Vous vous protégerez et éviterez ainsi de déterminer voseraillement.
Conformément à la norme CEI 60335-1, Miele indique expressesment de dire impératifement le chapitre pour l'installation de l'appareil et de suivre les consignes de sécurité et de mise en garde.
Miele ne peut être tenu pour responsable des dommages dus au non-respect des consignes.
Veuillez conserve rce document à disposition et le remetre au futur propriete en cas de cession de votre apparéil !
Utilisation conforme
Cette table de cuisson est destinée à un usage domestique ou dans des conditions d'utilisationsemblables au cadre domestique.
- Cette table de cuisson ne convient pas à une utilisation en extérieur.
Utilisez la table de cuisson exclusivement dans le cadre domestique pour la préparation et le maintainien au chaud de vos plats. Tout autre type d'utilisation est à proscire.
Les personnes qui, pour des raisons d'incapacité physique, sensorielle ou mentale, ou de par leur inexperience ou ignorance, ne sont pas aptes à utiliser la table de cuisson en toute sécurité doit impératifement être surveillées pendant qu'elles l'utilisent. Ces personnes peuvent uniquement utiliser la table de cuisson sans surveillance si vous leur en avez expliqué le fonctionnement de sorte qu'elles sachent l'utiliser en toute sécurité. Elles doivent être en mesure de reconnaître et de comprendre les dangers encourus en cas de mauvaise manipulation.
Précautions à prendre avec les enfants
Tenez les enfants de moins de huit ans éloignés de la table de cuisson à moins qu'ils ne soient sous étroite surveillance.
Les enfants âgés de huit ans et plus peuvent uniquement utiliser l'appareil sans surveillance si vous leur en avez expliqué le fonctionnement de sorte qu'ils puissant l'utiliser en toute sécurité. Les enfants doivent être en mesure d'appréhender et de comprendre les risques encourus en cas de mauvaise manipulation.
Les enfants ne sont pas autorisés à nettoyer la table de cuisson sans surveillance.
Ne laissez pas les enfants sans surveillance à proximé d'une table de cuisson. Ne les laissez pas jouer avec l'appareil.
Une fois éteinte, la table de cuisson reste très chaude. Afin d'éviter tout risque de brûlures, tenez les enfants éloignés de l'appareil jusqu'à son complet refroidissement!
Risque de brûlures! Ne conservez aucun objet qui risquerait d'intéresser les enfants dans les espaces de rangement situés au-dessus de la table de cuisson. Les enfants seraient tentés de grimper sur l'appareil pour les attraper.
Risques de brûlures! Tournez la poignée de vos ustensiles vers le plan de travail afin d'empêcher les enfants de tirer dessus et de s'ébouillanter.
Risque d'asphyxie! Les enfants peuvent semettre en danger en s'enveloppant dans les matériaux d'emballage (film plastique, par exemple) ou en glissant leur tete à l'intérieur. Tenez les matériaux d'emballage hors de portée des enfants.
Sécurité technique
Des travaux d'installation, d'entretien ou de réparation non conformes peuvent entraîner de graves dangers pour l'utilisateur. Ces interventions doivent être exécutées exclusivement par des professionnels agrésés par Miele.
Une table de cuisson endommagée représenté un danger potentiel pour votre santé. Vérifiez que votre apparéil ne présente aucun dommage apparent avant de l'utiliser. Ne mettez jamais en marche un apparéil endommagé.
Le fonctionnement fiable et en toute sécurité de la table de cuisson est uniquement garanti lorsque cette dernière est raccordée au réseau électrique publique.
La sécurité électric de cette table de cuisson n'est garantie que si elle est raccordée à un système de mise à la terre homologué. Cette condition de sécurité de base doit être remplie. En cas de doute, faites vérifier l'installation électric par un electricien.
Les données de raccordement (tension et fréquence) figurant sur la plaque signalétique de la table de cuisson doivent impérativement correspondre à celles du réseau électrique pour éviter que votre table de cuisson ne soit endommagée.
Comparez les données avant de brancher votre table de cuisson et interrogez un électricien en cas de doute.
N'utilisez pas les rallonges ou multiprises pour brancher votre table de cuisson : elles représentent un danger potentiel (risque d'in-cendie).
Pour garantir un fonctionnement en toute sécurité, n'utilisez la table de cuisson que lorsque celle-ci est encastrée.
- Cette table de cuisson ne doit pas etre utiliser sur des engins en mouvement.
Un contact évientuel avec les raccordements sous tension et la modification des composants électriques et mécaniques constituent un danger pour vous et peuvent perturber le fonctionnement de la table de cuisson.
N'ouvre jamais la carrosserie de la table de cuisson.
Les bénéfices liés à la garantie sont perdus en cas de réparation de la table de cuisson par un service après-vente non agrée par Miele.
Les pièces de rechange d'origine sont les seules dont Miele garantit qu'elles replissent les conditions de sécurité. Ne remplacez les pièces défectueuses que par des pièces détachées d'origine.
La table de cuisson n'est pas consque pour etre utiliser avec une minuterie externe ou un systeme de commande a distance.
Le raccordement au gaz doit impérativement être effectué par un professionnel du gaz (voir chapitre « Installation », section « Raccordement au gaz »). Si la fiche du cordon d'alimentation a été retiree ou que ce dernier est livré sans la fiche, adressez-vous à un electri-cien afin de faire raccorder votre table de cuisson au réseau élec-trique (voir chapitre « Installation », section « Branchement élec-trique »).
Si le cable d'alimentation est endommagé, il doit être remplaçé par un cable spécial par un électricien qualifié (voir chapitre « Installation », section « Branchement électrique »).
Consignes de sécurité et mises en garde
Débranchez votre table de cuisson avant toute intervention (installation, maintenance ou réparation). L'arrivée de gaz doit être fermée. Pour vous assurer que l'appareil est bien débranché, vous pouvez auchoix :
- déclencher les fusions,
- dévisser complètement les fusibles à filetage de l'installation électrique (sauf France) ou
- le cas échéant, débrancher la prise murale sans tirer sur le cordon d'alimentation. Maintenez bien la fiche puis tirez!
-fermer l'arrivée de gaz.
Risque d'électrocution! N'allumez pas la table de cisson si vous constatiez que le plateau vitrocéramique est endommagé (draquèlures, fissures). Eteignez la table de cisson dés que vous soupconnez une anomalie. Débranchez la table de cisson du secteur et de l'arrivée de gaz. Contactez le service après-vente.
Si la table de cuisson est encastrée derrière une façade de meuble (ex.: une porte), ouvrez toujours ce dernier lorsque l'appareil est en fonctionnement. Si la porte reste fermée, la chaleur et l'humidité s'accumulent. La table de cuisson, le meuble et le sol de la piece risquent d'être endommages. Ne fermez la façade du meuble que si la table de cuisson a complètement refroidi.
Utilisation conforme
La table de cuisson chauffe beaucouppendant le fonctionnement et restete très chaude quelque temps après l'arrêt. Faites attention à ne pas toucher l'appareil tant qu'il risque d'être chaud.
Les objets inflammables posés à proximé d'une table de cuisson en fonctionnement sont susceptibles de s'échauffer et de prendre feu.
N'utilisez jamais la table de cuisson pour chauffer une pierce !
En cas de surchauffe, les graisses de cuisson risquent de prendre feu. Ne laissez jamais la table de cuisson sans surveillance quand vous cuisinez avec des huiles et graisses de cuisson. N'utilisez jamais d'eau pour eteindre des graisses de cuisson qui auraient pris feu. Arrêtez la table de cuisson.
Essayez d'eteindre les flammes avec une couverture coupe-feu ou un couvercle.
Ne laissez pas l'appareil sans surveillance pendant qu'il fonctionne! Surveillance toujours les cuissons courtes.
Ne faites jamais flamber vos plats sous une hotte aspirante! Les flammes risquent d'atteindre le filtré à graisses de la hotte qui peut alors prendre feu.
Vous risquez de vous brûler quand vous faites réchauffer le contenu de bombes aérosols (graisses de cuisson par exemple) ou des liquides facilement inflammables: ne rangez pas les objets susceptibles de prendre feu à proximité de la table de cuisson (tiroir sous la table de cuisson par exemple). Le cas échéant, les range-couverts doivent être fabriqués dans un matériel non inflammable.
Ne rangez pas d'objects facilement inflammables à proximité du wok à gaz.
Les objets inflammables situés à proximé d'un wok en fonctionnement sont susceptibles de s'échauffer et de prendre feu. N'utilisez jamais le wok pour chauffer une piece.
Consignes de sécurité et mises en garde
Ne faites jamais réchauffer un plat de cuisson à vide.
La sterilisation et le rechauffage de conserves fermées entrainent une surpression susceptible de provoquer leur explosion. N'utilise jamais la table de cuisson pour steriliser ou rechauffer des conserves fermées.
Ne recouvre jamais votre table de cuisson! Si vous l'allumez par inadvertance ou s'il reste encore de la chaleur résiduelle, les objets qui se trouvent sur l'appareil risquent de fondre, d'éclater ou des'embraser. Ne recouvre jamais la table de cuisson avec un torchon, un film de protection ou un protège-plaques de cuisson.
Lorsque la table de cuisson est sous tension, qu'elle est allumée par mégarde ou qu'elle est encore chaude, les objets métalliques qui se trouvent dessus peuvent devenir très chauds. D'autres matériaux peuvent fondre ou s'enflammer. N'utilise jamais la zone de cuisson pour poser des objets.
Utilisez toujours des gants de cuisine ou des maniques avant de manipuler des accessoires chauds sur la table de cuisson, faute de quoi vous risquez de vous brûler. N'utilisez que des protections parfaitement sèches. Un textile humide ou mouillé est plus thermo-conducteur : l'eau chauffe très rapidement et risque de vous brûler les mains. Les textiles ne doivent pas être à proximé des flammes. Evitez donc l'utilisation de grands chiffons, torchons ou autres.
Si vous utilisez un apparéil électrique, comme un mixeur, à proximité de la table de cuisson, veillez à ce que le fil ne touche pas la table de cuisson brûlante. Vous risqueriez d'abîmer la gaine d'isolation du cable électrique.
Attention à ne pas faire tomber d'objets sur le plateau vitrocéràmique! Si vous faites tomber des objets sur votre table de cuisson ( même des objets légers, type salière), vous risquez de fissurer ou de briser le plateau vitrocéràmique.
La vaisselle en matière synthétique ou en feuille d'aluminium fond en présence de températures élevées. N'utilise pas de recipients en matière synthétique ni en feuille d'aluminium.
Si vous tournez le bouton de commande, une étincelle se produit sur l'électrode d'allumage. N'enforcez pas le bouton de commande, lorsque vous nettoyez ou touchez la table de cuisson ou le brûleur au niveau de l'électrode d'allumage.
La hotte disposée au-dessus de la table de cuisson pourrait être endommagée par le dégagement de chaleur ou prendre feu. Ne faites jamais fonctionner les brûleurs à gaz sans casserole.
N'allumez la table de cuisson gaz que lorsque toutes les pieces des brûleurs sont bien montées.
Sur le wok à gaz, utilisez uniquement des casseroles ou poêles dont le fond correspond exactement au diamètre indiqué au chapitre « Ustensiles de cuisson à utiliser ». Si le diamètre est trop petit, la casserole n'est pas assez stable. Si le diamètre supérieur de la casserole est trop grand, les gaz brûlés s'échappant sur les côtés peuvent endommager le plan de travail ou la cloison derrière la table de cuisson gaz s'il s'agit d'un matérielau non résistant à la chaleur. Miele ne saurait être tenu responsable des dommages liés au non-respect de ces consignes.
Veiliez à ce que les flammes du brûleur ne dépassent pas du fond du écipient et ne remontent pas sur les côts du écipient.
N'utilisez pas de casserole à fond trop mince, la table de cuisson pourrait être endommagée.
N'utilisez que les supports de casseroles fournis. Il est interdit deposer directement la casserole sur le brûleur.
- Disposez les supports de casseroles bien à plat, sans les faire glisser afin de ne pas rayer le plateau.
Ne rangez pas d'objets facilement inflammables à proximité de la table de cuisson gaz.
Consignes de sécurité et mises en garde
Nettoyez les taches de graisse et autres restes alimentaires inflammables sur la table de cuisson dés que possible. Elles peuvent prendre feu.
L'utilisation d'une table de cuisson à gaz génére de la chaleur, de l'humidité et des résidus de combustion dans la cuisine. En particulier lorsque l'appareil fonctionne, la cuisine doit être bien aérée : les ouvertures d'aération naturelles doivent être maintainues ouvertes ou il faut prévoir un dispositif d'aération mécanique (par ex. une hotte).
Une utilisation intensive et longue de la table de cuisson peut rendre nécessaire une aération supplémentaire comme l'ouverture d'une fenêtre ou une aération plus efficace, par ex. le fonctionnement du dispositif d'aération mécanique existant à un niveau de puissance plus élevé.
N'utilisez pas de plat à rôtir, poèle ou pierrade tellement grands qu'ils couvent plusieurs brûleurs. L'accumulation de chaleur peut endommager la table de cuisson.
Si la table de cuisson gaz n'a pas ete utilisee pendant une pereiode anormalement longue, nettoyez-la soigneusement avant de la reutiliser et faites vérifier son fonctionnement par un professionnel.
Si vous faites fonctionner un élément de cuisson au gaz directement à côté du domino hotte, il faut placer le FlameGuard entre le domino hotte et l'élement de cuisson.
Nettoyage et entretien
La vapeur d'un nettoyeur vapeur pourrait parvenir sur des composants conducteurs et provoquer un court-circuit.
N'utilisez surtout pas de nettoyeur vapeur pour nettoyer la table de cuisson.
Nos emballages
Nos emballages protègent votre apparéil des dommages pouvant survenir pendant le transport. Nous les sélectionnons en fonction de critères écologiques permettant d'en faciliter le recyclage.
En participant au recyclage de vos emballages, vous contribuez à economiser les matières premières et à réduire le volume des déchets. Notre revendeur reprend vos emballages.
Votre ancien apparéil
Les apparêils électriques et Electroniques contiennent souvent des matériaux précieux. Cependant, ils contiennent aussi des substances toxiques nécessaires au bon fonctionnement et à la sécurité des apparêils. Si vous déposez ces apparêils usages avec vos ordures menagères ou les manipulation de manière inadéquate, vous risquez de nuire à votre santé et à l'environnement. Ne jetez jamais vos ancadiens apparêils avec vos ordures menagères!

Faites appel au service d'enlèvement mis en place par votre commune, votre revendeur ou Miele, ou rapportez votre apparéil dans un point de collecte spécialement dédié à l'élimination de ce type d' apparéil. Vous étés légalement responsable de la suppression des éventuelles données à caractère personnel figurant sur l'ancien apparéil à éliminer. Jusqu'à son enlèvement, voirlez à ce que vous ancien apparéil ne présente aucun danger pour les enfants.

Table de cuisson
① Bruleur
② Brûleur
③ Supports de casseroles
④ Symboles pour l'affection des boutons
⑤ Bouton de commande brûleur arrêté
⑥ Bouton de commande brûleur avant
Bouton de commande

| Symbole | Description |
| • | Brûleur éteint, l'arrivée de gaz est fermée |
| © | Flamme la plus forte |
| © | Flamme la plus faible |
Brûleur

① Couvercle du brûleur
② Tête de brûleur
③ Partie inférieure du brûleur
④ Thermocouple
⑤ Électrode d'allumage
Veuillez coller la plaque signalétique jointe aux documents accompagnant votre apparéil à l'emplacement prévu à cet effet sous « Service après-venture »
Enlevez les évventuels autocollants et films de protection.
Nettoyer un domino SmartLine pour la première fois
Nettoyez les parties amovibles du brûleur à l'aide d'une éponge, d'un peu de liquide vaisselle et d'eau chaude. Puis séchez les pieces et remontez le brûleur (voir le chapitre « Nettoyage et entretien »).
Nettoyez les surfaces en vitrocéramique avec un chiffon humide et essuyez-les.
Première mise en service d'un domino SmartLine
Les éléments métalliques de l'appareil sont traités avec un revêtement spécial. Lors de la première utilisation d'un élément SmartLine, des odeurs ou de la vapeur peuvent eventuallyment se dégager.
Cette odeur et la fumée qui peut se dégager n'indiquent pas une anomalie de fonctionnement ou un mauvais branchement et ne sont pas nocives pour la santé.
| Ø Récipients de cuisson [cm] | |
| Brûleur | Fond minimum |
| Brûleur normal | 12 |
| Brûleur fort | 14 |
| Brûleur | Partie supérieure maximum |
| Brûleur normal | 22 |
| Brûleur fort | 24 |
- Choisissez le écipient de cuisson de\ sorte qu'il soit adapté au brûleur :\ grand diamètre = grand brûleur\ petit diamètre = petit brûleur
- Respectez les dimensions indiquées dans le tableau. Utiliser des casser-roles trop grandes peut causeur un étalement des flammes susceptible d'endommager le plan de travail environnant ou d'autres apparciels. Utiliser des casseroles de la dimension adequate augmente l'efficacité du processus de cuisson. Les casseroles dont le diamètre est inférieur à celui du support à casser-roles et celles qui ne sont pas stables sur le support (sans vacillagement) représentent un danger et ne doivent pas'être utilisées.
-
Contrairement aux casseroles utilisées sur une table de cuisson électric, le fond des casseroles utilisées sur une table de cuisson à gaz ne doit pas être plat pour obtenir debons résultats.
-
Lors de l'achat des poêles et casserroles, n'oubliez pas que ce n'est généralement pas le diamètre du fond, mais le diamètre supérieur qui est indiqué.
- Vous pouvez utiliser n'importequel récipient de cuisson résistant à la chaleur.
- Préférez des recipients de cuisson à fond écais, car ils répartissent bien la chaleur. Lorsque le fond est mince, les alimentés peuvent être surchauffés par endroits. Il faut donc les remuer souvent.
- N'utilisez que les supports de casserroles fournis. Il est interdit deposer directement la casserole sur le brû-leur.
- Placez le écipient de cuisson sur le support de façon à ce qu'il ne puisse pas se renverser. Un effet de basculment minime peut subsister.
- N'utilise pas de casserole ou de poèle à fond surélevé.

Conseils d'économie d'énergie
- Si possible, couvrez toujours vos alimentes pendant la cuisson. Vous évitez des déperditions de chaleur inutiles.


- Choisissez de préférence des casser-roles larges et planes, plutôt qu'étroites et hautes. Elles sont plus faciles à chauffer.
- Ajoutez très peu d'eau pendant la cuisson.
- ÀpRES avoir démarré la cuisson de vos plats ou saisi vos aliments, baissez la flamme.
- Gagnez du temps en utilisant une cocette-minute.
Mise en marche
Si vous utilisez le domino de cuisson à gaz à côté d'une hotte de table, la fonction du domino de cuisson gaz est impactée.
Placez le FlameGuard entre le domino de cuisson gaz et le domino hotte.
Risque d'incendie par suite de surchauffe.
Les alimentés qui ne sont pas surveillés en cours de cuisson risquent de trop chauffer et de s'enflammer. Ne laissez pas l'appareil sans surveillancependant qu'il fonctionne !
Appuyez sur le bouton de commande correspondant et tournez-le vers la gauche sur le symbole de la plus grande flamme. L'électrode d'allumage « clique » et allume le gaz.
Lorsqu'un bouton de commande est actionné, une étincelle se forme automatiquement sur tous les foyer. Cela est normal et n'indique pas un defaulted de l'appareil.
Lorsqu'une flamme est visible, maintenez la pression sur le bouton decommande pendant 5 à 10 secondes, puis relâchez.
Si le brûleur ne s'est pas allumé, tournez le bouton sur . Aéréz la piece ou attendez au moins 1 minute avant une nouvelle tentative d'allumage. A la prochaine tentative, essayez deMAINTER le bouton de commande enforcé plus longtemps.
Si le brûleur ne s'allume toujours pas lors d'une deuxième tentative, tournez le bouton de commande sur • et reportez-vous au chapitre « En cas d'anomalie »
Allumage en cas de panne de courant
En cas de panne de courant, vous pouvez allumer la flamme manuellement, par ex. à l'aide d'une allumette.
- Appuyez sur le bouton de commande et tournez-le vers la gauche sur le symbole de la plus grande flamme.
- Maintenez la pression sur le bouton de commande et enflammez le mélange air-gaz à l'aide d'une allumette.
- Maintenez la pression sur le bouton de commande pendant 5 à 10 secondes, puis relâchéz.
Régler le feu
L'intensité des flammes peut être régée progressivement entre feu fort et feu doux.
Comme la partie extérieure de la flamme du gaz est plus chaude que le cœur de flamme, les pointes de flammes doivent rester sous le fond de la casserole. Des pointes de flammes qui dépassent transmettent inutillement de la chaleur à l'air, peuvent endommager des poignées et augmentent le risque de brûlle.


Réglez la flamme de sorte qu'elle ne dépasse jamais de la casserole.
Arrêt
Tournez le bouton de commande vers la droite sur
L'arrivée de gaz est fermée, la flamme s'éteint.
Sécurité d'allumage thermoélectrique
Votre table de cuisson est équipée d'une sécurité d'allumage thermoélectrique. Lorsque la flamme du gaz s'éteint, par exemple en cas de surchauffe des alimentents ou en cas de courant d'air, l'arrivée de gaz est verrouillée, ce qui empêche toute fuite de gaz. Tournez le bouton de commande sur • pour continuer à utiliser la table de cuisson.
La sécurité d'allumage thermoélectrique fonctionne indépendamment de l'alimentation électrique : elle est également active en cas d'utilisation de la table de cuisson lors d'une panne de courant.
Risque de brûlure à cause desurfaces chaudes.
Les surfaces, les supports de casserrole et les brûleurs restent très chauds après la cuisson.
Laissez refroidir la table de cuisson avant de la nettoyer.
Dommages en cas de pénétration d'humidité.
N'utilisze jamais de nettoyeur vapeur pour nettoyer votre apparéil : la vapeur pourrait se déposer sur les éléments conducteurs d'électricité et provoquer un court-circuit.
N'utilisez jamais de nettoyeur vapeur pour nettoyer votre apparéil.
En cas d'utilisation de produits nettoyants non adaptés, l'aspect et la qualité des surfaces risquent de se décolorer ou de s'alterer. Les surfaces sont sensibles aux rayures.
Enlever immédiatement les restes de dédTangent.
N'utilise pas d'éponce abrasive ou de produit à récurer.
En cas d'éclaboussure lors de la cuisson, des taches ou une décoloration peuvent apparaitre sur les pièces des brûleurs.
Nettoyez aussi tô les salissures et les projections de sucre ou de sel !
Si vous tournez le bouton de commande, une étincelle se produit sur l'électrode d'allumage. N'enforce pas le bouton de commande, lorsque vous nettoyez ou touchez la table de cuisson ou le brûleur au niveau de l'électrode d'allumage.
Laissez toujours le domino Smart-Line refroidir avant de le nettoyer.
Nettoyez le domino SmartLine et ses accessoires après chaque utilisation.
- Séchez le domino SmartLine après chaque nettoyage humide afin d'évi ter les résidus de calcaire.
Produits à ne pas utiliser
Pour éviter d'endommager les surfaces en nettoyant l'appareil, n'utilise pas :
- de produit nettoyant à base de soude, d'ammoniaque, d'acide ou de chlorure,
- de produit anti-calcaire,
- de détant et de produit antirouille,
- de détergent abrasif (par ex.: poudre, crème à récurer ou pierres de nettoyage),
- de dénergent contenant des solvants,
- de nettoyant pour lave-vaissette,
- de décapant four en bomber,
- de produit à vitres,
- d'éponges avec tampon abrasif, de brosses ou d'éponges contenant des restes de produit détergent,
- de gomme de nettoyage.
Surface vitrocéramique
Dommages causés par des objets pointus.
La bande d'étanchéité entre le domino SmartLine et le plan de travail peut être endommagée.
N'utilise pas d'objects pointus pour nettoyer votre apparéil.
Le liquide vaisselle n'élimine pastoutes les salissures ni tous les résidus.
De plus, une pellicule opaque et invisible va se former sur la plaque vitrocéramique et en alterer définitivement l'apparence.
Nettoyez régulierement la surface vitrocéramique avec un produit nettoyant spécial vitrocéramique.
Enlevez les résidus facies à nettoyer avec une éponge humide et les dépôts incrustés avec un racloir à vitres.
Nettoyez la surface vitrocéramique avec le produit nettoyant spécial vitrocéramique et inox Miele (voir chapitre « Accessoires en option ») ou avec du papier absorbant ou un chiffon doux et un peu de produit nettoyant spécial vitrocéramique que vous trouverez dans le commerce. N'applique pas ce produit sur une surface chaude, sous peine de générer des taches. Veuillez suivre les instructions du fabricant du produit nettoyant.
Retirez les résidus de nettoyant à l'aide d'un chiffon humide puis se chez la surface vitrocéramique.
Si vous ne le faites pas, les dépôts de produit nettoyant sont incruster en brûlant lors des prochains processus de cuisson. Le risque à terme est d'endommager la vitrocérémente Veillez bien à enlever tous les dépôts de votre table de cuisson.
Faites disparaitre les taches de tartre, d'eau ou les restes d'aluminium (taches métallisées) avec le produit nettoyant vitrocéramique et inox.
Risque de brûlure à cause de surfaces chaudes.
Les surfaces sont très chaudes pendant la cuisson.
Mettez des gants de cuisine avant d'éliminer les restes de sucre, de plastique ou de film aluminium de la surface vitrocéramique très chaude avec un gratoir.
Si vous faites tomber du sucre, du plastique ou de l'aluminium sur la surface vitrocéramique chaude, commencez par eteindre la table de cuisson.
Puis raclez aussitot avec un racloir à vitres pendant qu'elle est encore chaude.
- ÀpREScomplet refroidissement, nettoyez la surface vitrocéramique comme expliqué précédemment.
Bouton de commande
Nettoyez le/ les boutons de commande avec un chiffon, de l'eau chaude et un peu de liquide vaisselle. Ramollissez les salissures tenaces au préalable.
- Séchéz le/ les boutons de commande avec un chiffon propre.
Retirez les supports de casseroles.
Nettoyez les supports de casseroles au lave-vaisse ou avec une éponge, un peu de liquide vaisselle et de l'eau chaude. Ramollissez les salissures tenaces au préalable.
- Séché soigneusement les supports de casseroles à l'aide d'un chiffon propre.
Brûleur
Ne lavez jamais les pieces des brûleurs au lave-vaisselle !
La surface du couvercle de brûleur deviendra plus mate au fil du temps.
C'est tout à fait normal, et cela ne signifie pas que le matériel est endomagé.
Retirez toutes les pièces amovibles du brûleur et nettoyez-les uniquement à la main, à l'aide d'une éponge, d'un peu de liquide vaisselle et d'eau chaude.
Nettoyez les évientuelles salissures sur toutes les buses de sortie de flammes.

Risque d'explosion!
En raison de l'obturation des buses de sortie de flammes, un gaz non brûlé peut s'accumuler dans le châssis et exploser. Vous risquez d'endommager l'appareil et de vous blesser.
Vérifiez que les buses de sortie de flammes soient toujours exemplés de salissures.
■ Essuyez les pieces non amovibles du brûleur à l'aide d'un chiffon humide.
■ Essuyez l'électrode d'allumage et le thermocouple avec précaution, à l'aide d'un chiffon bien essoré.
L'électrode d'allumage ne doit pas être mouillée, sinon l'étinçelle d'allumage ne peut pas se former.
Pour finir, sechez toutes les pieces à l'aide d'un chiffon propre. Veilzez a bien secher les orifices des flammes.
La surface du couvercle de brûleur deviendra plus mate au fil du temps.
C'est tout à fait normal, et cela ne signifie pas que le matériel est endommagé.

Posez la tête du brûleur ② sur la base ③ de sorte que le thermo-couple ④ et l'électrode d'allumage ⑤ se logent dans les trous de la tête. La tête du brûleur doit s'enclencher par-faitement.
Posez le couvercle du brûleur ① à plat sur la tête ②. S'il est bien positionné, le couvercle ne peut pas glisser.
Veillez à ce que les pièces du brûleur soient posées dans le bon ordre.
Vous pouvez régler la plupart des défauts ou anomalies courants par vous-même. Dans bon nombre de cas, vous économiserez ainsi du temps et de l'argent car vous n'aurez pas besoin de faire appel au service après-vente.
Les tableaux suivants vous aideront à déceler la cause d'un défaut ou d'une anomalie et à y remédier.
| Problème | Cause et solution |
| Lors de la première mise en service ou après une période prolongée de non-utilisation, le brûleur ne s'alume pas. | Présence eventuelle d'air dans la conduite de gaz. ■ Répétez si nécessaire plusieurs fois le processus d'allumage. |
| Le brûleur ne s'allume pas après plusieurs tentatives. | Un problème technique s'est produit. ■ Tournez tous les boutons de commande vers la droite sur • et interrompez l'alimentation en cou-rant de la table de cuisson pendant quelques secondes |
| Le brûleur n'est pas correctement monté. ■ Montez correctement le brûleur. | |
| Le robinet de gaz n'est pas ouvert. ■ Ouvrez le robinet de gaz. | |
| Le brûleur est humide et/ou sale. ■ Nettoyez et séchez le brûleur. | |
| Les orifices de flammes sont bouchés et/ou humides. ■ Nettoyez et séchez les orifices de flammes. | |
| La flamme de gaz s'éteint après l'allumage. | Les flammes ne touchent pas le thermocouple, il n'est pas assez chaud : les pièces des brûleurs ne sont pas correctement placées. ■ Placez correctement les pièces des brûleurs. |
| Le thermocouple est encrassé. ■ Eliminez les salissures. | |
| La flamme de gaz varie en intensité. | Les pièces des brûleurs ne sont pas correctement placées. ■ Placez correctement les pièces des brûleurs. |
| La tête de brûleur ou les trous du couvercle de brû-leurs sont sales. ■ Eliminéz les salissures. | |
| La flamme de gaz s'éteint pendant le fonctionnement. | Les pièces des brûleurs ne sont pas correctement placées. ■ Placez correctement les pièces des brûleurs. |
| Le dispositif d'allumage électrique du brûleur ne fonctionne pas. | Le fusible de l'installation domestique s'est déclenché. ■ Le cas échéant, appelez un électricien qualifié ou le service après-vente. |
| Des résidus d'aliments se trouvent entre l'électrode d'allumage et le couvercle de brûleur. Le thermocouple est encrassé. ■ Retirez les salissures. (voir chapitre « Nettoyage et entretien »). |
Accessoires en option
Miele propose une large gamme d'accessoires Miele parfaitement adaptés à l'entretien et au nettoyage de vos apparreils.
Pour les commander, il vous suffit de vous rendre sur la boutique en ligne Miele.
Ils sont également disponibles auprès du service après-vente Miele (voir la fin duprésent mode d'emploi) ou chez votre revendeur Miele.
Produit nettoyant pour vitrocéramique et acier inoxydable, 250 ml

Enlève les salissures tenaces, traces de tartre et d'aluminium.
Chiffon microfibre

Pour enlever les empreintes de doigts et les salissures légères
Contact en cas d'anomalies
Vous n'arrivez pas à résoudre l'anomalie par vous-même? Contactez le service après-vente Miele ou votre revendeur Miele.
Les numéros de téléphone du service après-venture Miele figurent en fin de notice.
Veuillez indiquer le modele et la reférence de votre apparéil. Ces deux indications figurent sur la plaque signalétique.
Plaque signalétique
Collez la fiche signalétique dans l'encadré ci-dessous après avoir vérifié que la référence de votre apparéil coincide avec celle indiquée en couverture.
Garantie
La garantie est accordée pour cet apparéil selon les modalités de vente par le re-vendeur ou par Miele pour une période de 24 mois.
Pour plus d'informations reportez-vous aux conditions de garantie fournies.
Consignes de sécurité pour le montage
Dommages liés à la chute d'objets.
Le domino SmartLine peut être endommagé lors du montage des meubles hauts ou d'une hotte.
Installez le domino SmartLine uniquement après le montage des meubles hauts et de la hotte.
Les règles et directives en vigueur dans le pays concerné doivent être respectées pour le lieu d'installation de l'élement SmartLine.
Les bois de placage du plan de travail doivent être traités avec une collie thermo-refractaire (100^) pour éviter qu'ils se decollent ou se déformant. Les fileurs de finition muraux doivent également être thermo-refractaires.
En raison d'un risque d'embrasement éclair, il ne faut pas installer une cusinière au gaz directement à côté d'une friteuse. Il faut observer une distance minimum de 288 mm entre l'appareil au gaz et la friteuse.
Le domino SmartLine ne doit pas etre encastré au-dessus d'un réfrigérateur, congélateur, lave-vaisselle, lave-linge ou sèche-linge.
Le flexible du gaz et le cable d'alimentation électrique ne doit pas être en contact avec les parties chauffantes de l'élement SmartLine après l'encastrement.
Le cable de raccordement au réseau et le raccordement flexible au gaz ne doit pas etre en contact, après l'installation de I'element SmartLine, avec les pieces mobiles des éléments de la cuisine (par ex. un tiroir) et ne doit pas etre exposés à des contraintes mécaniques.
Respectez les distances de sécurité indiquées sur les pages suivantes.
Distances de sécurité
Distance de sécurité au-dessus du domino SmartLine

La distance de sécurité prescrite par le fabricant de la hotte entre le domino SmartLine et la hotte doit'être respectée.
Si des matériaux facilement inflammables (placards, par exemple) sont montés au-dessus du domino Smart-Line, la distance de sécurité doit être de 600 mm minimum.
Respectez la distance de sécurité la plus importante, si plusieurs dominos SmartLine exigeant des distances de sécurité différentes sont installés sous une hotte.
Distance de sécurité latérale / arrêté
Le domino SmartLine doit être installé de préférence en laissant un espace génèreux à droite et à gauche.
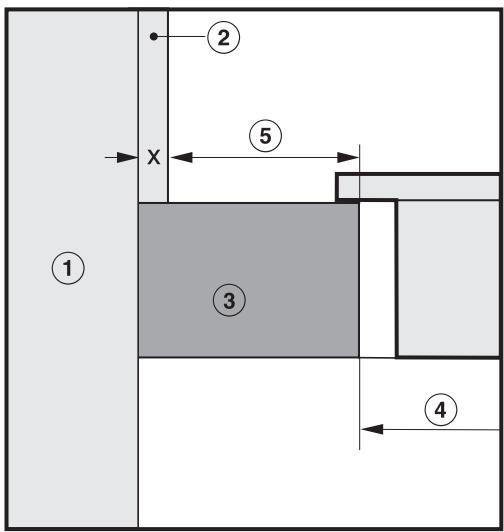
À l'arrière du domino SmartLine, il faut respecter la distance minimale indiquée ci-dessous ① par rapport à un meuble haut ou à un mur.
Sur un côté du domino SmartLine (à gauche ou à droite), il faut respecter la distance minimale indiquée ci-dessous ②,③ par rapport à un meuble haut ou à un mur, et sur le côté opposé une distance minimale de 300 mm.
① Distance minimum à l'arrière de la découpe du plan de travail jusqu'à l'arête arrière du plan de travail : 50 mm.
② Distance minimum à droit de la dé-coupe du plan de travail jusqu'au meuble adjacent (par ex. une colonne) ou un mur : 100 mm.
③ Distance minimum à gauche de la découpe du plan de travail jusqu'à umeuble adjacent (par ex. une colonne) ou un mur : 100 mm.


Interdit!
1

Fortement recommende!

Déconseillé !

Déconseillé!
Distance de sécurité avec la créédence
Lorsqu'une créédence est posée, la distance minimale entre la découpe et la créédence doit être respectée, car les températures élevées peuvent abîmer ou détruire le matériel de la créédence.
Pour une créédence en matérieliau inflammable (par ex. en bois) la distance minimum ⑤ entre la découvert et la créédence doit être de 50~mm .
Si la créédence est réalisée dans un matériel non inflammable ( comme le métal, la pierre naturelle, les carreaux de céramique), la distance minimale ⑤ entre la dé-coupe du plan de travail et la créédence de la niche doit être de 50 mm moins l'épaissur de la créédence.
Exemple : épaissieur de la créédence de niche 15 mm

Encastrement à fleur de plan

Encastrement avec cadre
① Mur
② Crédence cote x = épaissieur de la créédence
③ Plan de travail
④ Découpe dans le plan de travail
⑤ Distance minimum pour des matériaux inflammables 50 mm
pour des matériaux ininflammables 50 mm - cote x
standard
Instructions d'encastrement - standard
Joint entre le domino SmartLine et le plan de travail

Si vous utilisez un produit d'étanchéité pour joint entre le plan de travail et le domino SmartLine, vous risquez d'endommager ce dernier en cas de démontage évientuel.
N'utilise pas de produit d'étanchéité pour joint entre le plan de travail et le domino SmartLine.
Le joint sous le pourtour de la partie supérieure de la table de cuisson garantit une étanchéité suffisante avec le plan de travail.

Plan de travail carrelé
La surface des joints ① et de la partie hachurée située sous la surface d'appui du domino SmartLine doit être lisse et parfaitement plane de sorte que le domino SmartLine repose bien à plat et que la bande d'étanchéité insérée sous le bord de la partie supérieure de l'applereil assure une bonne étanchéité par rapport au plan de travail.
Joint détanchéité
Si le domino SmartLine est démon-tee lors d'opérations de service, le joint d'étanchéité sous le bord du domino SmartLine peut être endom-magé.
Remplacez toujours le joint d'étanchéité avant de remonter la table.
Encastrement de plusieurs dominos SmartLine
Les joints entre les différents dominos SmartLine sont injectés avec un produit d'étanchéité à base de silicone thermorésistant (minimum 160 °C). En cas d'encastrement à fleur de plan, il faut de plus injector les joints entre les dominos SmartLine et le plan de travail avec un produit d'étanchéité à base de silicone thermorésistant (minimum 160 °C).
Les dominos SmartLine doivent être faciles d'accès par le bas après le montage, afin de pouvoir démonter le boîtier en dessous pour la maintenance. Si les dominos SmartLine ne sont pas accessibles par le bas, il faut retarder le joint afin de pouvoir les démonter.
Combaison avec un domino hotte
Si le domino SmartLine est encastré en combinaison avec un domino hotte, le domino hotte doit être installé en premier.
Découpe du plan de travail - standard


Instructions pour le calcul de la découpe
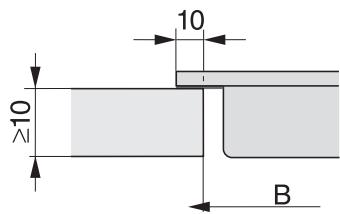
Les dominos reposent sur le plan de travail sur 10mm
Lorsque plusieurs dominos sont encastrés, il faut prévoir un écart de 2 mm entre chaque domino.
Calcul de la dimension de découpe B
1 domino = largeur du domino moins 10 mm à droite, moins 10 mm à gauche
Plusieurs dominos = largeur totale des dominos plus 2 mm d'écart entre les dominos, moins 10 mm à droite, moins 10 mm à gauche.
Quelques exemples sont indiqués ci-après.
Encastrement avec domino hotte
| Exemples de combinaison | Nombre x largeur [mm] | Dimen-sion B [mm] | |
| Éléments de cuisson | Domino hotte | ||
| 1 x 378 | 1 x 120 | 480+1 | |
| 2 x 378 | 1 x 120 | 860+1 | |
| 1 x 3781 x 620 | 2 x 120 | 1224+1 | |
| 3 x 378 | 2 x 120 | 1362+1 | |
| 2 x 3781 x 620 | 2 x 120 | 1604+1 | |
| 4 x 378 | 2 x 120 | 1742+1 | |
| 1 x 620 | 2 x 120 | 844+1 | |
Encastrement sans domino hotte
| Exemples de combinai-son | Nombre x largeur [mm]Éléments de cuisson | Dimension B[mm] |
| 1 x 378 | 358+1 | |
| 2 x 378 | 738+1 | |
| 1 x 3781 x 620 | 980+1 | |
| 3 x 378 | 1118+1 | |
| 2 x 3781 x 620 | 1360+1 | |
| 4 x 378 | 1498+1 |
Barrettes de jonction - standard
Lorsque plusieurs dominos SmartLine sont encastrés, il faut prévoir une barrette de jonction entre chaque domino.
Les clips de serrage fournis avec les barrettes de jonction sont nécessaires uniquement pour l'encastrement du CSDA 700x FL.
Encastrement de 3 dominos et 2 barrettes de jonction

Cotes d'encastrement - standard
Toutes les dimensions sont indiquées en mm.

① avant
② Boîtier de raccordement avec cable d'alimentation électrique (L = 2000 mm)
③ Raccordement gaz R ½ ISO 7-1 (DIN EN 10226)
Préparation du plan de travail
Réalisez la découpe du plan de travail. Respectez les distances de sécurité (voir chapitre « Installation», section « Distances de sécurité »).
Pour éviter tout gonflement dû à l'humidité, sceller les bords de coupe des plans de travail en bois avec un vernis spécial, du caoutchouc au silicone ou de la résine. Le matériel utilisé doit être thermorésistant.
Ne pas faire couler de produit sur le plan de travail.
Montage des barrettes de jonction
Utilisez les trous de vis centraux si vous
avez prévu d'installer, à gauche ou à
droite de la barrette de jonction, l'un
des dominos SmartLine suivants :
CS 7611, CS 7641, CS 7101(-1),
CS 7102(-1)
Plan de travail en bois

Posez les barrettes de jonction à fleur du bord supérieur de la découpe.
Fixez les barrettes de jonction à l'aide des vis en bois fournies 3,5 × 25 ~mm .
Plan de travail en pierre naturelle
Pour fixer les barrettes de jonction, il vous faut un ruban adhésif double-face résistant (accessoire non fourni).

Fixez le ruban adhésif sur le bord supérieur de la découpe.
Posez les barrettes de jonction à fleur du bord supérieur de la découpe.
Appuyez fermement sur les barrettes de jonction.
Encastrement du domino SmartLine
Collez le joint d'étanchéité fournisous le bord du domino SmartLine.Évitez de tendre le joint d'étanchéité en le collant.
Faire passer le cable d'alimentation électrique vers le bas par la découpe du plan de travail.
Posez le domino SmartLine dans la découpe du plan de travail. Pour une parfaite étanchéité entre les deux DOMINOS, vérifie que le joint de l'appareil repose bien sur le plan de travail.
- Retouchez les angles (≤ R4) avec précaution à l'aide d'une scie sauteuse si le joint ne repose pas correctement sur le plan de travail.
N'utilisez enaucun cas un produit d'étanchéité pour joints (par ex. du silicone) pour étanchéifier en plus le domino SmartLine.
Raccordez le domino SmartLine au réseau électrique.
Raccordez également le domino SmartLine à l'arrivée de gaz (voir chapitre « Installation», section « Raccordement au gaz »).
Vérifiez que le domino SmartLine fonctionne correctement.
Injectez les joints entre les différents dominos avec un produit d'étanchéité pour joints à base de silicone thermocrésistant (minimum 160 °C).
Un produit d'étanchéité pour joints non adapté est susceptible d'endommager la pierre naturelle.
En présence de pierre naturelle et de carreaux en pierre naturelle, utilisez exclusivement un produit d'étanchéité au silicone adapté à la pierre naturelle. Respectez les consignes du fabricant.
Vérifier le fonctionnement
-
Àprous l'encastrement, vérifiez le com- portement au feu en mettant en service tous les brûleurs :
-
en position de réglage faible, la flamme du gaz ne doit pas s'éteindre, même lorsque le bouton de commande est tourné rapidement du réglage fort au réglage faible.
- en position de réglage fort, la flamme du gaz doit brûler avec un cœur de flamme nettement visible.
À fleur de plan
Instructions d'encastrement - à fleur de plan
L'encastrement à fleur de plan n'est possible que dans un plan de travail en pierre naturelle (granit, marbre), en bois massif ou carrelé. Si votre plan de travail est constitué d'un autre matériel, demandez au fabricant si l'encastrement à fleur de plan est possible.
La largeur accessible du meuble bas doit être aussi importante que la dé-coupe interieure du plan de travail (voir chapitre « Installation», section « Cotes d'encastrement - à fleur de plan ») pour garantir, après montage, un accès libre au domino SmartLine par le bas afin de pouvoir démonter le boîtier en dessous pour la maintenance. Si, une fois le domino encastré, il n'est plus accessible par en-dessous, il faut-retirer le joint afin de pouvoir démonter le domino.
Plans de travail en pierre naturelle
Le domino SmartLine est directement inséré dans la fraisure.
Plans de travail en bois massif, carre-lés, en verre
Le domino SmartLine est fixé dans la découpe avec des baguettes en bois. Ces tasseaux doivent être précédus lors de l'agencement de la cuisine et ne font pas partie de la livraison.
Joint détanchéité
Si le domino SmartLine est démon-tee lors d'opérations de service, le joint d'étanchéité sous le bord du domino SmartLine peut être endom-magé.
Remplacez toujours le joint d'étanchéité avant de remonter la table.
Encastrement de plusieurs dominos SmartLine
Les joints entre les différents dominos SmartLine sont injectés avec un produit d'étanchéité à base de silicone thermorésistant (minimum 160 °C). En cas d'encastrement à fleur de plan, il faut de plus injector les joints entre les dominos SmartLine et le plan de travail avec un produit d'étanchéité à base de silicone thermorésistant (minimum 160 °C).
Les dominos SmartLine doivent être faciles d'accès par le bas après le montage, afin de pouvoir démonter le boîtier en dessous pour la maintenance. Si les dominos SmartLine ne sont pas accessibles par le bas, il faut retarder le joint afin de pouvoir les démonter.
Combaison avec un domino hotte
Si le domino SmartLine est encastré en combinaison avec un domino hotte, le domino hotte doit être installé en premier.
Découpe du plan de travail - à fleur de plan


Plan de travail en pierre naturelle

Plan de travail en bois
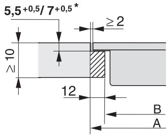
- 7+0,5 mm pour CS 7611 FL
Instructions pour le calcul de la découpe
Les dominos reposent sur le plan de travail sur 10mm
Lorsque plusieurs dominos sont encastrés, il faut prévoir un écart de 2 mm entre chaque domino.
Calcul de la dimension de découpe A
1 domino = largeur du domino plus 2 mm à droite, plus 2 mm à gauche.
Plusieurs dominos = largeur totale des dominos plus 2 mm d'ecart entre les dominos, plus 2 mm à droite, plus 2 mm à gauche.
Calcul de la dimension de découpe B = dimension de découpe A moins 12 mm à droite, moins 12 mm à gauche.
Quelques exemples sont indiqués ci-après.
Encastrement avec domino hotte
| Exemples de combinaison | Nombre x largeur [mm] | Dimen-sion A [mm] | Dimen-sion B [mm] | |
| Éléments de cuisson | Domino hotte | |||
| 1 x 378 | 1 x 120 | 504+1 | 480+1 | |
| 2 x 378 | 1 x 120 | 884+1 | 860+1 | |
| 1 x 378 | 2 x 120 | 1248+1 | 1224+1 | |
| 1 x 620 | ||||
| 3 x 378 | 2 x 120 | 1386+1 | 1362+1 | |
| 2 x 378 | 2 x 120 | 1628+1 | 1604+1 | |
| 1 x 620 | ||||
| 4 x 378 | 2 x 120 | 1766+1 | 1742+1 | |
| 1 x 620 | 2 x 120 | 868+1 | 844+1 | |
Encastrement sans domino hotte
| Exemples de com-binaison | Nombre x largeur [mm] Éléments de cuis-son | Dimension A [mm] | Dimension B [mm] |
| 1 x 378 | 382+1 | 358+1 | |
| 2 x 378 | 762+1 | 738+1 | |
| 1 x 378 1 x 620 | 1004+1 | 980+1 | |
| 3 x 378 | 1142+1 | 1118+1 | |
| 2 x 378 1 x 620 | 1384+1 | 1360+1 | |
| 4 x 378 | 1522+1 | 1498+1 |
Barrettes de jonction - à fleur de plan
Lorsque plusieurs dominos SmartLine sont encastrés, il faut prévoir une barrette de jonction entre chaque domino.
Les clips de serrage fournis avec les barrettes de jonction sont nécessaires uniquement pour l'encastrement du CSDA 700x FL.
Encastrement de 3 dominos et 2 barrettes de jonction

Cotes d'encastrement - à fleur de plan
Toutes les dimensions sont indiquées en mm.

① avant
② Boîtier de raccordement avec cable d'alimentation électrique (L = 2000 mm)
③ Fraisage de gradins (voir les schémas détaillés au chapitre « Installation», section « Découpe du plan de travail pour encastrement à fleur de plan »)
④ Baguette en bois 12 mm (non compris, voir les schémas détaillés au chapitre « Installation », section « Découpe du plan de travail pour encastrement à fleur de plan »)
(5) Raccordement gaz R ½ ISO 7-1 (DIN EN 10226)
Installation - à fleur de plan
Préparation du plan de travail
Réalisez la découpe du plan de travail. Respectez les distances de sécurité (voir chapitre « Installation», section « Distances de sécurité »).
Pour éviter tout gonflement dû à l'humidité, sceller les bords de coupe des plans de travail en bois avec un vernis spécial, du caoutchouc au silicone ou de la résine. Le matériel utilisé doit être thermorésistant.
Ne pas faire couler de produit sur le plan de travail.
Pour les plans de travail en bois, fixez les tasseaux en bois 5,5 mm sous le bord supérieur du plan de travail. Pour le CS 7611 FL, le tasseau en bois doit etre fixe 7 mm sous le bord supérieur du plan de travail.
Montage des barrettes de jonction
Utilisez les trous de vis centraux si vous
avez prévu d'installer, à gauche ou à
droite de la barrette de jonction, l'un
des dominos SmartLine suivants :
CS 7611, CS 7641, CS 7101(-1),
CS 7102(-1)

Plan de travail en bois
Posez les barrettes de jonction à fleur du gradin inférieur du fraisage.
Fixez les barrettes de jonction à l'aide des vis en bois fournies 3,5 × 25 ~mm .
Plan de travail en pierre naturelle
Pour fixer les barrettes de jonction, il vous faut un ruban adhesif double-face résistant (accessoire non fourni).

Fixez le ruban adhesif sur le gradin inférieur du faisage.
Posez les barrettes de jonction à fleur du gradin inférieur du fraisage.
Appuyez fermement sur les barrettes de jonction.
Encastrement du domino SmartLine
Collez le joint d'étanchéité fournisous le bord du domino SmartLine.Évitez de tendre le joint d'étanchéité en le collant.
Faire passer le cable d'alimentation électrique vers le bas par la découpe du plan de travail.
Posez le domino SmartLine dans la découpe du plan de travail. Pour une parfaite étanchéité entre les deux DOMINOS, vérifie que le joint de l'appareil repose bien sur le plan de travail.
Raccordez le domino SmartLine au réseau électrique.
Raccordez également le domino SmartLine à l'arrivée de gaz (voir chapitre « Installation», section « Raccordement au gaz »).
Vérifiez que le domino SmartLine fonctionne correctement.
Injectez les joints entre les différents dominos et entre les dominos et le plan de travail avec un produit d'étanchéité pour joints à base de silicone thermorésistant (minimum 160^ ).
Un produit d'étanchéité pour joints non adapté est susceptible d'endommager la pierre naturelle. En présence de pierre naturelle et de carreaux en pierre naturelle, utilisez exclusivement un produit d'étanchéité au silicone adapté à la pierre naturelle. Respectez les consignes du fabricant.
Vérifier le fonctionnement
■Après l'encastrement, vérifie le com- portement au feu en mettant en service tous les brûleurs :
- en position de réglage faible, la flamme du gaz ne doit pas s'éteindre, même lorsque le bouton de commande est tourné rapidement du réglage fort au réglage faible.
- en position de réglage fort, la flamme du gaz doit brûler avec un cœur de flamme nettement visible.
Raccordement au gaz
Risque d'explosion en cas de raccordement au gaz inapproprié.
Si le raccordement au gaz n'est pas correctement effectué, cela peut engendrer une fuite de gaz.
Le raccordement au gaz doit être effectué uniquement par un installateur/agréé par le distributeur de gaz. Il est responsable du bon fonctionnement sur le site d'installation.
Risque d'explosion en cas de modification inappropriée.
Si le passage à un autre type de gaz n'est pas correctement effectué, le gaz peut s'échapper.
La modification à un另一种 type de gaz doit être effectué uniquement par un installateur agréé par le distributeur de gaz. Il est responsable du bon fonctionnement sur le site d'installation.
Vérifiez que le raccordement au gaz est effectué de sorte que le raccordement soit possible à l'intérieur ou à l'extérieur du meuble de cuisine. Le robinet d'arrêt doit être accessible et visible, le cas échéant après l'ouverture de la porte du meuble.
Demandez au distributeur de gaz de préciser le type de gaz fourni et comparez ces indications avec celles de la plaque signalétique.
La table de cuisson n'est pas raccordée à une conduite d'évacuation du gaz.
Lors de l'installation et du raccordement, observer les conditions d'installation applicables, particulièrement en ce qui concerne les mesures d'aération appropriées.
Vérifiez que le raccordement au gaz correspond aux prescriptions et directives en vigueur.
Respectez les dispositions particulieres du distributeur de gaz concenné ainsi que de l'inspection du bâtiment.
Dommages provoqués par la chaleur.
Les raccordements au gaz, le flexible du gaz et le cable d'alimentation électrique peuvent être endommagés par la chaleur lors du fonctionnement de la table de cuisson.
Vérifiez que le flexible du gaz et le cable d'alimentation électrique n'entrent pas en contact avec des zones chaudes de la table de cuisson et que le flexible du gaz et les pièces de raccordement ne sont pas exposés aux gaz résiduels chauds.
Risque d'explosion causé par des câbles d'alimentation endomagés.
Le gaz peut s'échapper en cas de câbles d'alimentation flexible endommages.
Placez les raccordements flexibles de manière à ce qu'ils ne génent pas les dominos mobiles de la cuisine (un tiroir, par exemple) et à ce qu'ils ne soient pas soumis à des charges mécaniques.
Réglez la table de cuisson sur les taux de gaz locaux. Vérifie l'étanchéité sur le raccordement au gaz.
La table de cuisson correspond à la catégorie d'équipement 3 et est adaptée au gaz naturel et au gaz liquide.
Catégorie selon EN 30
France
II2E+3+ 20/25, 28-30/37 mbar
La table de cuisson est prévue pour gaz naturel ou gaz liquide selon la version correspondant au pays (voir l'autocollant sur l'appareil).
Un jeu d'injecteurs est fourni pour l'adaptation à un另一种 type de gaz. Si le jeu d'injecteurs dont vous avez besoin pour votre installation n'a pas eté fouri avec l'appareil, veuilles contacter votre revendeur ou le service après-venture. L'adaptation à un另一种 type de gaz est décrite dans le chapitre « Adaptation à un另一种 type de gaz »
Raccordement à la table de cuisson
Le raccordement au gaz de la table de cuisson est équipé d'un filetage conique 1 / 2 ". Il existe deux possibilités de raccordement :
-conduite d'alimentation fixe
- cable d'alimentation flexible selon DIN 3383 partie 1, longueur maximal 2000 mm
Risque d'explosion causé par un gaz qui s'échappe.
Un dispositif d'étanchéité non adap-
té ne garantit pas l'étanchéité nécess-
saire au raccordement.
Veuillez utiliser un dispositif d'étanchéité adapté.
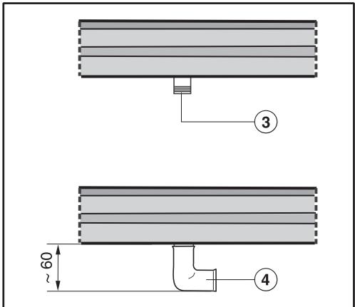
Utilisation d'un coude à 90^

③ Raccordement au gaz R 1 / 2 - ISO 7-1 (DIN EN 10226)
4 Coude à 90° La hauteur d'encastrement au niveau du raccordement au gaz augmente à env. 60 mm
Branchement électrique
Nous conseillons un raccordement électrique sur prise de le domino SmartLine. Les interventions du SAV en seront facultées. Veillez à ce que la fiche resté bien accessible une fois le domino SmartLine encastré.
Risque de blessure!
Miele décline toute responsabilité en cas de travaux d'installation et d'entretien non conformes ou de réparations incorrectes pouvant entraîner de graves dangers pour l'utilisateur. Miele ne peut être tenu pour responsable de dommages causés par une mise à la terre manquante ou défec-tueuse (risque d'électrocution) côté installation.
Si la fiche du cordon d'alimentation a été retiree ou que ce dernier est livre sans la fiche, adressez-vous à un electricien afin de faire raccorder votre domino SmartLine au réseau electrique.
En cas de non accessibilité de la prise de courant ou de planification d'un raccordement permanent, l'installation doit être équipée d'un dispositif de disjonction sur chaque pôle. Ce dispositif peut être constitué d'un interrupteur à ouverture de contact de min. 3 mm. Il peut s'agir d'un disjoncteur automatique, de fusibles ou de contacteurs. Les données de raccordement nécessaires se trouvent sur la plaque signalétique. Ces caractéristiques doivent correspondre à celle du réseau.
La protection contre les contacts accidentels des pieces isolées en fonctionnement doit être assurée après le montage.
Puisance totale
voir plaque signalétique
Données de raccordement
Les caractéristiques de branchement obligatoires figurent sur la plaque signalétique. Ces caractéristiques doivent correspondre à celle du réseau.
Disjoncteur différentiel
Pour plus de sécurité, nous recommendons de monter un disjoncteur différentiel avec courant de déclenchement à 30 mA en avant du domino SmartLine.
Mise hors tension
Risque d'electrocution en raison de la tension reseau.
Lors de travaux de réparation et/ou de maintenance, un réenclement de la tension réseau peut être à l'origine d'une electromoculation.
Après la coupure, protégez le réseau contre les remises sous tension.
Si l'appareil doit être mis hors tension, procédez de la façon suivante en fonction du type du réseau :
Fusibles
Enlevez les fusibles de protection.
Fusibles à vis automatiques
Appuyez sur le bouton de test (rouge) jusqu'à ce que le bouton du milieu (noir) se déclenché.
Disjoncteurs automatiques
(interrupteurs de protection, au moins type B ou C): faites basculer le levier de 1 (marche) à 0 (arrêt).
Disjoncteur différentiel
- (Disjoncteur différentiel) : Commutez l'interrupteur principal de 1 (marche) à 0 (arrêt) ou actionnez la touche de contrôle.
Remplacer le cable d'alimentation électrique
Risque d'electrocution en raison de la tension réseau.
En raison d'un raccordement inapproprié, il peut y avoir un risque d'électrocution.
Faites remplacer le cable d'alimentation électrique uniquement par un électricien habilité.
Lors du remplacement du cable d'alienation electrique, utilisez exclusivement le type de cable H 05 VV-F avec une section adaptée. Le cable d'alimentation est disponible auprès du fabri-cant ou du service après-vente.
Puisance nominale
| Brûleur | Type de gaz | Réglage fort | Réglage faible | |
| kW | g/h | kW | ||
| Brûleur normal | Gaz naturel H | 1,7 | - | 0,3 |
| Gaz liquide | 1,7 | 124 | 0,25 | |
| Brûleur fort | Gaz naturel H | 2,7 | - | 0,5 |
| Gaz liquide | 2,6 | 189 | 0,6 | |
| Total | Gaz naturel H | 4,4 | - | - |
| Gaz liquide | 4,3 | 313 | - | |
Risque d'explosion en cas de modification inappropriée.
Si le passage à un autre type de gaz n'est pas correctement effectué, le gaz peut s'échapper.
La modification à un autre type de gaz doit être effectué uniquement par un installateur/agréé par le distributeur de gaz. Il est responsable du bon fonctionnement sur le site d'installation.
Tableaux injecteurs
Le marquage des injecteurs se refère à un diamètre d'alésage de 1 / 100 mm.
| Ø | ||
| Injecteur principal | Injecteur de réglage faible | |
| Gaz naturel H | ||
| Brûleur normal | 0,94 | 0,42 |
| Brûleur fort | 1,18 | 0,54 |
| Gaz liquide | ||
| Brûleur normal | 0,66 | 0,27 |
| Brûleur fort | 0,81 | 0,39 |
Changer les injecteurs
Débranchez la table de cuisson du réseau électric et fermez l'arrivée du gaz.
Pour adapter l'appareil à un autre type de gaz, l'injecteur principal et le ou les injecteur(s) de réglage faible doivent être changés.

Remplacer les injecteurs principaux
Retirez le support de casseroles, le couvercle du bruleur ① et la tete du bruleur ②
Dévissez l'injecteur principal ③ à l'aide d'une clé à douilles (M7).
- Mettez le nouvel injecteur en place (voir tableau des injecteurs) et vissez pour le fixer.
Assurez l'injecteur à l'aide d'un agent de scellage afin de prévenir tout desserrage involontaire.
Changer l'injecteur de réglage faible
Retirez les pièces des brûleurs.
Dévissez les vis de fixation.
Retirez les boutons de commande par le haut.
Desserrez les écrous de fixation sur la partie inférieure.
Retirez prudemment la partie inférieure.

Retirez le contacteur d'allumage ①.
Dévissez l'injecteur de réglage faible ② à l'aide d'un petit tournevis.
Saisissez l'injecteur à l'aide d'une pince à bec fin et sortez-le.
- Mettez le nouvel injecteur en place (voir tableau des injecteurs) et vissez pour le fixer.
Assurez l'injecteur à l'aide d'un agent de scellage afin de prévenir tout desserrage involontaire.
Vérifier le fonctionnement
Vérifiez l'étanchéité de toutes les pieces du circuit à gaz.
Remontez la table de cuisson.
Vérifiez le comportement au feu en faisant fonctionner tous les brûleurs :
- en position de réglage faible, la flamme du gaz ne doit pas s'éteindre, même lorsque le bouton de commande est tourné rapidement du réglage fort au réglage faible.
- en position de réglage fort, la flamme du gaz doit brûler avec un cœur de flamme nettement visible.
Collez l'autocollant joint au jeu d'injecteurs par-dessus l'autocollant indiquant le type de gaz.
Les fiches de données des modèles décrits dans leprésent mode d'emploi et les instructions de montage figurent ci-après.
Informations relatives aux tables de cuisson à gaz domestiques
selon reglement (UE) N°66/2014
| MIELE | |
| Identification du modele | CS 7102 |
| Nombre de brûleur gaz | 2 |
| Efficacité énergétique par brûleur gaz (EEbrûleur à gaz) | 1. = 60,0 2. = 60,0 |
| Efficacité énergétique par table de cisson gaz par kg (EEplaque de cisson au gaz) | 60,0 |
MIELE France
Siège social
9 avenue Albert Einstein - Z. I. du Coudry
93151 - Le Blanc-Mesnil CEDEX
R.C.S. Bobigny B 708 203 088
Miele Experience Center
Paris Rive Droite
55 Boulevard Malesherbes
75008 Paris
Miele Experience Center
Paris Rive Gauche
30 rue du Bac
75007 Paris
Miele Experience Center Nice
Secteur Cap 3000
285 avenue de Verdun
06700 Saint-Laurent du Var

Internet
www.miele.fr

La ligne Consommateurs
Conseilis, SAV, accessoires et piées détachées
0974501000
Appel non surtaxé
Siège en Allemagne
Miele & Cie. KG
Notice Facile