FDXD18SS/C - Réfrigérateur américain FALCON - Notice d'utilisation et mode d'emploi gratuit
Retrouvez gratuitement la notice de l'appareil FDXD18SS/C FALCON au format PDF.
| Type d'appareil | Réfrigérateur / Congélateur |
| Nombre de portes | 2 |
| Nombre de tiroirs | 2 |
| Capacité totale | Non précisé |
| Classe énergétique | Non précisé |
| Type de froid | Non précisé |
| Dimensions (HxLxP) | Non précisé |
| Poids | Non précisé |
| Type de dégivrage | Non précisé |
| Niveau sonore | Non précisé |
| Consommation électrique | Non précisé |
| Type de commandes | Non précisé |
| Matériau intérieur | Non précisé |
| Éclairage intérieur | Non précisé |
| Fonction congélation rapide | Non précisé |
| Garantie | Non précisé |
FOIRE AUX QUESTIONS - FDXD18SS/C FALCON
Questions des utilisateurs sur FDXD18SS/C FALCON
0 question sur cet appareil. Repondez a celles que vous connaissez ou posez la votre.
Poser une nouvelle question sur cet appareil
Téléchargez la notice de votre Réfrigérateur américain au format PDF gratuitement ! Retrouvez votre notice FDXD18SS/C - FALCON et reprennez votre appareil électronique en main. Sur cette page sont publiés tous les documents nécessaires à l'utilisation de votre appareil FDXD18SS/C de la marque FALCON.
MODE D'EMPLOI FDXD18SS/C FALCON
Instructions d'installation et de réparation
En raison de notre politique d'amélioration constante, nous nous réservons le droit de modifier les spécifications sans préavis.
1. Avant de commencer 1
Sécurité 1
Sécurité électrique 3
Déclaration de conformité CE 3
Élimination de votre ancien appareil 3
Conditionnement et environnement 3
2. À propos de votre réfrigérateur 4
des aliments frais 5
Équipements généraux de votre appareil 6
Even-circ 6
Utilisation de l'appareil 6
Étagères 7
3. Utilisation du panneau de commande 10
Utilisation de votre réfrigérateur congélateur 11
4. Conseils sur le stockage des aliments 16
Stockage des aliments 16
Conseils sur le stockage d'aliments frais 17
Conseils sur la congélation des aliments 18
6. Nettoyage et entretien 21
Dégivrage 21
Nettoyage 21
Vidage du réfrigérateur 21
En cas de non-utilisation 22
7. Dépannage 23
Astuces pour économiser de l'énergie 24
8. Guide 25
Avertissements installation 25
Positionnement de votre appareil 26
Raccordement d'alimentation électrique 27
1. Avant de commencer
| ICÔNE | TYPE | SIGNIFICATION |
| AVERTISSEMENT | Risque de blessure grave ou de mort | |
| RISQUE D'ÉLECTROCUTION | Risque de tension dangereuse | |
| INCENDIE | Risque d'incendie | |
| ATTENTION | Risque de blessure ou de dégât matériel | |
| IMPORTANT | Fonctionnement correct du système |
Merci d'avoir acheté cet appareil. Nous espérons qu'il offrira une solution stylée et pratique à vos besoins de refroidissement. Nous espérons que ce guide vous fournira toutes les informations dont vous avez besoin. Si vous avez des doutes, veuillez nous contacter (voir la section « Garantie » pour en savoir plus sur le Service clientèle).
Avertissement: Cet appareil doit être mis à la terre. A Veuillez laisser l'appareil reposer pendant au moins six heures. Ceci permettra au système de refroidissement de se stabiliser après le transport. Veillez toujours à ce qu'une personne qualifiée installe l'appareil. Cet appareil a été conçu pour l'usage domestique uniquement. Une utilisation dans tout autre but pourrait rendre caduque la garantie ou toute réclamation.
- Avant de brancher l'appareil au courant, nettoyez l'intérieur de l'appareil avec de l'eau chaude et du bicarbonate de soude, puis laissez bien sécher.
- Vérifiez qu'aucune partie de l'appareil ne soit endommagée, en particulier les parties du système de refroidissement, les tuyaux ou les câbles. En cas de dommage, NE PAS installer l'appareil ; vous devriez contacter un réparateur qualifié ou retourner l'appareil à son lieu d'achat.
- Si les accessoires à l'intérieur de l'appareil ont été déplacés pendant le transport, replacez-les selon les instructions.
- Veillez à ce que l'alimentation électrique à votre prise électrique soit correcte pour cet appareil – les informations requises se trouvent sur le badge de données de l'appareil.
- Une fois l'appareil installé, nettoyé et séché, il est prêt à être branché et mis en marche.
Sécurité
Le badge de données est placé à l'intérieur de l'appareil (compartiment de réfrigération). Avertissement : utilisez de l'eau potable avec cet appareil. AVERTISSEMENT: ne bouchez pas cet appareil. NE PAS endommager le circuit de réfrigérant. En cas de dommage, n'utilisez pas l'appareil. AVERTISSEMENT: NE PAS utiliser d'appareils mécaniques (comme des sèches-cheveux) pour dégivrer cet appareil. Si votre appareil utilise du R600a comme réfrigérant (ces informations seront indiquées sur l'étiquette du refroidisseur), vous devriez faire attention.
pendant le transport et l'installation afin de ne pas endommager les éléments du refroidisseur. Le R600a est un gaz écologique et naturel, mais est explosif. En cas de fuite suite à un dommage des éléments du refroidisseur, éloignez votre appareil des flammes dues ou des sources de chaleur et aérez la pièce dans laquelle l'appareil est placé pendant quelques minutes.
- Lors du remplacement des anciens appareils, veillez à avoir désactivé tous les mécanismes de verrouillage avant l'élimination – il peut également être préférable de retirer complètement la porte de l'appareil pour éviter que des enfants se retrouvent coincés à l'intérieur.
- L'appareil doit être branché à l'alimentation électrique de manière sécurisée. Les branchements desserrés, les connecteurs cassés et les câbles dénudés représentent un danger pour la sécurité. Veillez à ce que tous les branchements soient solides.
- Avant de réaliser un entretien de routine ou des réparations mineures, débranchez l'appareil de l'alimentation électrique.
- NE PAS toucher les surfaces chaudes de l'appareil lorsqu'il est utilisé car les mains pourraient rester collées et ceci pourrait causer des gelures.
- Lors du déplacement de l'appareil, veillez à ne pas endommager les câbles, tuyaux ou l'unité du condensateur. Si ces pièces sont endommagées, veuillez contacter un réparateur qualifié.
- Les liquides effervescents (boissons gazeuses) ne doivent jamais être congelés. Ces liquides se dilatent pendant la congélation et ceci pourrait entraîner l'éclatement des bouteilles/récipients.
- Les alimentés prévus pour être décongelés ou cuisinés en premier, comme le pain ou la viande, doivent être consommés à leur état congelés.
- Si les aliments ont un aspect ou une odeur étrange, ne les mangez pas. En cas de doutes, jetez-les. Les aliments périmés peuvent être dangereux pour votre santé.
- N'utilisez jamais d'objets pointus ou métalliques pour retirer la glace de la surface de cet appareil. Utilisez uniquement des outils adaptés à cette fin (comme des racloirs en plastique) et utilisez-les correctement pour ne pas endommager la garniture de l'appareil.
- Le système de refroidissement contient du réfrigérant et des huiles, tous dangereux pour la santé en cas de fuite. En cas de fuite, débranchez l'appareil et aérez la pièce dans laquelle il est installé. Veillez à ce que le réfrigérant ne soit pas trissé près de vous, ou, dans vos yeux. Contactez un répartarateur ou faites enlever votre appareil. NE PAS utiliser l'appareil.

AVERTISSEMENT: gardez les bouches d'aération, dans l'enceinte de l'appareil ou dans la structure intégrée, libres de toute obstruction.
AVERTISSEMENT: NE PAS utiliser d'appareils mécaniques ou d'autres moyens pour accélérer le processus de dégivrage, autres que ceux recommandés par le fabricant. AVERTISSEMENT: NE PAS utiliser d'appareils électriques dans les compartiments de stockage des aliments de l'appareil, sauf s'ils sont du type recommandé par le fabricant. AVERTISSEMENT: NE PAS endommager le circuit de réfrigérant. AVERTISSEMENT: pour éviter les dangers résultant de l'instabilité de l'appareil, il doit être fixé selon les instructions suivantes: Si votre appareil utilise du R600a comme réfrigérant (ces informations seront indiquées sur l'étiquette du refroidisseur) vous devriez faire attention pendant le transport et l'installation afin de ne pas endommager les éléments du refroidisseur. Le R600a est un gaz écologique et naturel, mais est explosif. En cas de fuite suite à un dommage des éléments du refroidisseur, éloignez votre appareil des flammes nues ou des sources de chaleur et aérez la pièce dans laquelle l'appareil est placé pendant quelques minutes.
Lors du transport et du positionnement de l'appareil, n'endommagez pas le circuit de gaz du refroidisseur.
NE PAS Stocker de substances explosives comme des aérosols avec propulseur inflammable.
Cet appareil est donc destiné à être utilisé dans des applications de foyer et domestiques uniquement.
Si la prise ne correspond pas au connecteur de l'appareil, elle doit être remplacée par le fabricant, un distributeur ou des personnes ayant les mêmes qualifications pour éviter tout danger.
Un connecteur mis à la terre de manière spéciale a été connecté au câble d'alimentation de votre appareil. Ce connecteur devrait être utilisé avec une prise mise à la terre de manière spéciale de 13 ampères. Si vous ne possédez pas de telles prises chez vous, veuillez en faire installer une par un électricien autorisé.
Les enfants à partir de 8 ans peuvent se servir de cet appareil, de même que toute personne à mobilité réduite, souffrant d'une déficience sensorielle ou d'un handicap mental, ou encore d'un manque d'expérience et de connaissances, dès lors qu'ils sont sous surveillance ou s'ils ont reçu les consignes concernant l'utilisation dudit appareil en toute sécurité, et qu'ils comprennent les dangers encourus.
Les enfants ne peuvent en aucun cas jouer avec l'appareil. Le nettoyage et l'entretien ne peuvent en aucun cas être effectués par des enfants sans surveillance.
Si un câble d'alimentation est endommagé, le fabricant, son agent de service ou tout autre personnel qualifié se doit de le remplacer afin d'éviter tout accident.
Cet appareil n'a pas été créé pour être utilisé à des altitudes de plus de 2000 m.
Sécurité électrique
AVERTISSEMENT : lors du positionnement de l'appareil, veillez à ce que le câble d'alimentation ne soit pas coincé ou endommagé. AVERTISSEMENT : NE PAS placer plusieurs sorties de prise portables ou alimentations électriques portables à l'arrêt de l'appareil.
NE PAS utiliser d'adaptateur de fiche.
AVERTISSEMENT; Risque d'incendie / matériel inflammables
- Le connecteur doit être accessible après l'installation.
- La tension de fonctionnement de votre appareil est de 220-240 V à 50Hz.
- Les branchements au secteur doivent être conformes aux réglementations locales.
- Insérez le connecteur dans une prise ayant un raccordement à la terre efficace. Si la prise n'a pas de contact à la terre ou si le connecteur est incompatible, nous vous recommandons de consulter un électricien qualifié pour obtenir de l'aide.
- L'appareil doit être branché à une prise ayant le fusible correct installé. L'alimentation électrique (CA) et la tension au point de fonctionnement doivent correspondre aux détails de la plaque signalétique de l'appareil (la plaque signalétique se trouve à gauche à l'intérieur de l'appareil). L'appareil doit être branché à une prise mise à la terre.
- Le connecteur DOIT être accessible après le positionnement de l'appareil.
- L'appareil est fourni avec un connecteur à trois broches standard, dont celui de la mise à la terre ne doit jamais être retiré.
- Tenez le connecteur, pas le câble électrique, lorsque vous débranchez l'appareil.
- Veillez à ce que l'appareil ne coince pas le câble électrique.
- NE PAS marcher sur le câble.
- Évitez d'endommager le câble électrique lorsque vous déplacez l'appareil.
Déclaration de conformité CE
- Nous déclarons que nos produits sont conformes aux Directives, Décisions et Réglementations européennes applicables et aux exigences listées dans les normes référencées.
Élimination de votre ancien appareil
- Présent sur le produit ou sur son emballage, ce symbole indique que le produit ne doit pas être traité comme un déchet ménager. Il devrait en revanche être déposé au point de collecte applicable pour le recyclage des appareils électriques et électroniques. En vous assurant que ce produit est éliminé de façon appropriée, vous participez à la prévention de toute conséquence négative qui pourrait autrement affecter l'environnement et la santé publique. Pour de plus amples informations sur le recyclage de ce produit, veuillez contacter votre mairie, votre service d'élimination des déchets local ou le magasin dans lequel vous avez acheté le produit.
Conditionnement et environnement
- Les matériaux de conditionnement protègent votre appareil contre les dommages qui pourraient survenir pendant le transport. Les matériaux de conditionnement sont écologiques car ils sont recyclables. L'utilisation de matériaux recyclés réduit la consommation de matière première et réduit la production de déchets.
Remarques :
- Veuillez bien lire le manuel d'instructions avant d'installer et d'utiliser votre appareil. Nous ne sommes pas responsables des dommages qui se produisent à cause d'une utilisation inappropriée.
- Suivez toutes les instructions sur votre appareil et le manuel d'instructions, et gardez ce manuel à un endroit sûr pour résoudre les problèmes qui pourraient survenir.
- Cet appareil a été fabriqué pour être utilisé dans des maisons et peut uniquement être utilisé dans des environnements domestiques et aux fins précisées. Il n'est pas destiné à l'usage commercial ou commun. Une telle utilisation entraînera l'annulation de la garantie et notre entreprise ne sera pas responsable des pertes.
- Cet appareil a été fabriqué pour être utilisé dans des foyers et est uniquement adapté au refroidissement / stockage des aliments. Il n'est pas destiné à l'usage commercial ou commun et/ou au stockage de substances autres que des aliments. Notre entreprise n'est pas responsable des pertes survenues dans le cas contraire.
2. À propos de votre réfrigérateur
Scheme 2.1
Le réfrigérateur est présenté dans Schéma 2.1 et possède les équipements suivants:
- Rayon beurre, fromage
- Plateau à œufs
- Rayons du compartiment réfrigérateur
- Rayons de porte
- Rayons bouteilles de porte
- Rayon supérieur congélateur / refroidisseur
- Panier congélateur dissimulé
- Rayon inférieur congélateur / refroidisseur
- lonizer
Les équipements complètent :
- Écran électronique tactile Even-circTM
- Éclairage interne supérieur (lumière douce) Zone fraîche avec fermeture automatique
- Congélation et refroidissement super rapides Mode économique pour l'économie d'énergie
- lonizer™
- Gamme Fresh™ boisson
- Verrou enfant
- Détecteur de nuit Mode vacances
- Conception extra large et spacieuse. Le réfrigerateur est pourvu de trois compartiments pratiques et très grands pour les aliments frais et surgelés ; un compartiment réfrigéré avec porte à la française et deux tiroirs de congélateur inférieurs.
- Le tiroir du congélateur supérieur est destiné aux glaçons, aux aliments utilisés régulièrement et aux « restes ».
- Le tiroir du congélateur inférieur est destiné à la congélation intense et longue durée.
- Éclairage interne LED : s'allument lorsque la porte est ouverte. La performance de l'éclairage n'est pas affectée par quelque autre réglage de l'appareil.
- Affichage de la température et de l'heure automatique.
- Le système d'ouverture de la porte vous indique les changements de performance. Grand plateau garde-manger à humidité contrôlé.
Il est recommandé de laisser un espace de stockage entre les aliments pour une bonne circulation de l'air. Les températures dans le réfrigérateur sont légèrement plus hautes près du haut et plus basses près de la base. Suggestions de stockage (Scheme 2,2):
- OEufs, beurre, fromage, etc.
- Viandes cuites, saucisses, etc.
- Conserves, canettes, condiments, etc.
- Viande, volaille, poisson et aliments crus.
- Aliments en bocaux, boissons ou canettes.
- Fruits, légumes et salades.
- Boissons et tout type d'aliments en bouteille.
- Aliments farinés, canettes, produits laitiers, etc.
Scheme 2.3

Équipements généraux de votre appareil
- Lorsque les portes sont fermées, veillez à ce qu'il n'y ait pas d'espaces entre le joint de la porte et le corps de l'appareil. S'il y a des espaces, comblez-les.
- N'ouvre pas la porte de force immédiatement après l'avoir fermée. Veuillez attendre que la pression se stabilise.
- Notre conception de barre à meneau brevetée élimine le risque de fracture pouvant découler d'une utilisation inappropriée. Ce risque est commun chez nos concurrents.
- Notre nouvelle technologie Zéro givre veille à ce que l'air circule séparément dans les compartiments du refroidisseur et du congélateur. Ceci garantit qu'aucune odeur ne passe d'un compartiment à l'autre, afin que les légumes restent frais pour longtemps.
- Le ventilateur économique maintient la circulation de l'air en fonctionnant indépendamment, même lorsque le compresseur est arrêté. Ainsi, une circulation d'air équilibrée et uniforme est créée entre les rayons du refroidisseur.
- Les LED et les trous de la conduite d'air dissimulés donnent au refroidisseur un aspect esthétique.
- Grâce à une conception de conduite d'air spécifique, les ventilateurs distribuent de l'air froid à partir de différentes aérations sur tous les rayons du refroidisseur.
- Grâce à une application spéciale brevetée, les bords et les coins de l'écran forment une surface lisse contre la porte et assurent un aspect esthétique parfait. Grâce au panneau de commande électronique tactile, les commandes de température sont facilement accessibles, garantissant une vision esthétiquement égale.
- L'appareil contient des LED qui s'allument progressivement, et non pas d'un coup. Les LED atteignent une luminosité 100% en quelques secondes après l'ouverture de la porte.
- La rampe télescopique utilisée dans le compartiment du refroidisseur veille à ce que le refroidisseur fonctionne facilement et silencieusement.
- La porte du réfrigérateur inclut une fonction de fermeture automatique pour éviter que la porte ne claque ou reste ouverte.
- Les portes en inox anti-doigts ne laissent jamais de traces de doigt grâce à un enduit spécial sur l'acier inoxydable de la porte.
Even-circ, empêche les aliments frais de se dessécher. Cette technologie garantit que l'air circule de manière égale dans le compartiment du réfrigérateur, ceci aide à éviter que les aliments dessèchent.
Les aliments frais conservent leur texture et goût car la perte d'humidité est stoppée.
Informations sur la technologie zéro givre (scheme 2.3)
Les réfrigerateurs zéro givre ont un système d'exploitation différent des réfrigerateurs statiques. Dans les réfrigerateurs normaux (statiques), la pénétration de l'humidité dans le réfrigerateur causée par l'ouverture de la porte et l'humidité inhérente aux aliments entraîne la formation de glace dans le compartiment du congélateur.
Pour éliminer le givre et la glace du compartiment du congélateur, il est nécessaire de régulièrement arrêter le réfrigerateur et de placer les aliments surgelés dans un conteneur froid séparé.
La situation est complètement différente avec les réfrigerateurs Zéro givre. Un ventilateur intégré souffle de l'air froid de manière égale dans les compartiments du refroidisseur et du congélateur. L'air froid se disperse uniformément entre les rayons, assurant que tous les aliments soient refroidis de manière égale, prévenant ainsi la formation d'humidité et de givre.
Par conséquent, votre réfrigerateur zéro givre est facile à utiliser, en plus d'avoir une grande capacité et un aspect stylé.
Dans le compartiment du réfrigérateur, la configuration avec le compartiment congélateur sera presque identique. L'air, qui est émis par le ventilateur, situé en haut du compartiment du réfrigérateur, est refroidi lorsqu'il passe à travers l'espace derrière la conduite d'air. En même temps, l'air est soufflé par les trous de la conduite d'air afin que le processus de refroidissement se fasse dans le compartiment du réfrigérateur.
Les trous dans la conduite d'air ont été conçus pour que la répartition de l'air soit homogène dans ce compartiment. Comme il n'y a pas de passage d'air entre le compartiment du congélateur et du réfrigérateur, les odeurs ne se mélangent pas.
En conséquence, votre réfrigérateur avec technologie de refroidissement de nouvelle génération vous offre la facilité d'utilisation en plus d'un grand espace et un aspect esthétique.
Étagères
La hauteur des étagères en porte-à-faux peut être réglée pour s'adapter à vos besoins en matière de stockage.
Veillez à ce que les deux côtés de l'étagère soient nivelés, sinon les aliments pourraient tomber.
Les étagères ne tomberont pas accidentellement lorsque vous sortez des aliments de l'appareil.
Lors de l'ouverture ou fermeture du compartiment des produits laitiers, veillez à ne pas vous coincer les doigts (Schéma 2.4).
Le gaz éthylène est émis par les fruits et légumes et fait mûrir les produits frais. Lorsque ce gaz est produit dans un environnement fermé, il est réabsorbé par les fruits et les légumes et accélère le processus de vieillissement.
Ce réfrigérateur congélateur offre deux solutions à ce problème d'origine naturelle :
Ionizer diffuse des ions négatifs qui neutralisent les mauvaises odeurs et la poussière dans l'air.
En éliminant ces particules de l'air du réfrigérateur, lonizer améliore la qualité de l'air et élimine les odeurs.
La gamme Fresh Preserver aide à éliminer le gaz éthylène (un produit biologique émis naturellement par les aliments frais) et les odeurs désagréables du bac à légumes.
Il doit être régénéré une fois par an au soleil pendant 24 heures, par exemple sur le rebord d'une fenêtre.
Pour régénérer le filtre, retirez le logement du boîtier du filtre en le tirant dans le sens de la flèche (Scheme 2.6).
Le filtre ne devrait pas être lavé à l'eau ou un détergent.



Scheme 2.7
Scheme 2.8
Si vous n'utilisez pas le compartiment à glace pendant de longues durées :
Si vous n'utilisez pas le compartiment à glace pendant une longue durée, jetez les glaçons restants, lavez le bac à l'eau chaude, séchez-le avec un chiffon et replacez-le dans le réfrigérateur.
Remarque: lors de l'ouverture du tiroir supérieur du congélateur, évitez de le tirer trop rapidement car cela pourrait faire tomber les glaçons dans le tiroir de congélation intense du bas.
Bacs à glaçons
Remplissez la glacière d'eau et remettez-la en place. Les glaçons seront prêts dans 2 heures.
Lors de la remise en place de la glacière après l'avoir remplie d'eau, veillez à ce qu'elle soit à l'horizontale. Si elle est inclinée, l'eau qu'elle contient pourrait se déverser sur le panier.
Bolégumes et refroidisseur (petit-déjeuner) (schémas 2.7)
Ce compartiment peut servir de compartiment de refroidissement, dans lequel les aliments sont conservés à 0°C. Les aliments surgelés peuvent être conservés dans ce compartiment pour décongeler. La viande et/ou le poisson vidés (dans des sacs ou emballages plastique), qui seront consommés dans 1 à 2 jours, peuvent également y être stockés.
L'eau gèle à 0°C, mais les alimentés contiennent du sel ou du sucre qui gèlent à des températures inférieures.
Ne placez pas d'aliments à congeler ou des glucières dans ce compartiment.
Bouton de réglage de l'air du bac à légumes (schéma 2.8)
Tournez le bouton de réglage de l'air entre le bac à légumes et le réfrigérateur sur la position ouverte une fois le bac à légumes plein. Les aliments dans le bac à légumes resteront frais pendant une longue durée.
Le compartiment du congélateur se compose de tiroirs supérieurs et inférieurs.
Le tiroir de congélation intense (Scheme 2.9) est pour une congélation de longue durée.
Remarque: ne tirez pas les tiroirs du congélateur trop fort car les aliments pourraient tomber. Ne remplissez pas trop le tiroir sinon les aliments tomberont si vous l'ouvre trop vite.
Le département du congélateur est utilisé pour congeler des aliments frais, pour stocker des aliments surgelés et pour fabriquer des glaçons.
Si la porte du congélateur est restée ouverte pendant une longue durée ou mal fermée, du givre se formera et pourra gêner la circulation de l'air. Pour remédier à cela, débranchez le congélateur et attendez qu'il dégivre. Nettoyez le congélateur une fois qu'il est totalement dégivré.
Retirez les paniers, couvercles et autres, pour augmenter le volume de stockage du congélateur.
Le volume du congélateur indiqué sur l'étiquette est le volume sans les paniers, couvercles et autres.
Important
Ne recongelez pas des aliments décongelés. Ceci pourrait nuir à votre santé et entraîner des problèmes comme un empoisonnement alimentaire.
Ne placez pas des aliments chauds dans le compartiment du congélateur tant qu'ils ne sont pas complètement froids. Ceci ferait décongeler les aliments déjà congélés, qui pourrait ensuite pourrir.
Lors de l'achat d'aliments surgelés, veillez à ce qu'ils aient été stockés dans des conditions appropriées et que l'emballage ne soit pas endommagé.
N'achetez pas d'aliments surgelés si l'emballage présente des signes d'humidité ou s'ils sentent mauvais. Les aliments pourraient avoir été stockés de manière incorrecte et pourraient être moisis.
La durée de stockage des aliments surgelés dépend de la température de la pièce, du réglage du thermostat, de la fréquence d'ouverture de la porte, du type d'aliment et de la durée nécessaire au transport du produit du magasin au congélateur. Suivez toujours les instructions imprimées sur l'emballage et ne dépassez jamais la durée de stockage maximum indiquée.
REMARQUE: retirez les aliments congelés un jour avant la consommation et placez-les dans le compartiment du bas du réfrigérateur. Ceci aide à faire baisser la température du réfrigérateur, qui à son tour réduit la consommation d'énergie. Si les aliments congelés décongèlent à l'air libre, il y a une perte d'énergie.
REMARQUE: si vous essayez d'ouvrir la porte du congélateur immédiatement après l'avoir fermée, vous aurez du mal à l'ouvrir. C'est normal. Une fois l'équilibre atteint, la porte s'ouvrira facilement.

3. Utilisation du panneau de commande
Scheme 3.1
Utilisation du panneau de commande
- Bouton du refroidisseur
- Bouton mode
- Mode vacancies
- Mode économique
- minuterie boisson
- glampe boisson
- Verrou enfant
- Avertissement basse tension
- Alarme réparation
- Bouton économiseur d'écran
- Congélateur
- Indicateur de température du compartiment du tiroir
- Bouton détecteur de nuit
- bouton mode boisson
- Indicateur de température du compartiment du réfrigérateur
- Détecteur de nuit
Les valeurs à l'écran indiquent les valeurs de température indiquées par le client.
L'écran tactile est protégé contre les touches accidentelles.
Pour activer une fonction, appuyer sur les commandes de l'utilisateur pendant plus de 2 secondes désactivera la protection. Si le dernier bouton n'est pressé au bout de 20 secondes, l'écran retournera en mode sécurisé.
Utilisation de votre réfrigérateur congélateur
Le q mode boisson est utilisé pour les boissons froides pendant une durée réglable (5, 10, 15, 20, 25 ou 30 minutes). Lorsque vous utilisez le q mode boisson, les boissons peuvent être stockées dans le congélateur.

Important : le mode « q boisson » ne devrait pas être confondu avec le refroidissement.
Réglez le temps en fonction de la température des bouteilles avant de les placer dans les compartiments de la zone 1 et/ou zone 2. Par exemple, le temps peut initialement être réglé sur 5 minutes. Si vos boissons n'ont pas suffisamment refroidi après cette durée, vous pourrez définir un temps de refroidissement de 5 ou 10 minutes supplémentaires.

Lorsque ce mode est actif, vous DOIVENT contrôle la température des bouteilles régulièrement.
REMARQUE: Ceci ne réglera pas la température du congélateur.
Annuler le q mode boisson
REMARQUE: Parfois le bouton q boisson émettra deux signaux sonores, si les commandes n'auront pas été activées au préalable.
Étape 1. Si vous avez accidentellement appuyé sur le q boisson attendez que le symbole verre de vin clignote 4 fois. Appuyez sur le q boisson lorsque les chiffres de la minuterie clignotent.

Étape 2. Les chiffres et le symbole de la minuterie clignoteront et disparaîtront.

Réglez le mode boisson refroidissement des boissons
REMARQUE: Parfois le bouton q boisson émettra deux signaux sonores, si les commandes n’auront pas été activées au préalable.
Étape 1. Appuyez sur le bouton boisson pour activer le mode.

Étape 2. Une fois que le symbole a clignoté 4 fois, 2 signaux sonores retentissent et les chiffres de la minuterie clignotent.

Étape 3. Continuez d'appuyer sur la boisson pour sélectionner une durée.

REMARQUE : Lorsque les bouteilles sont assez froides, elles DOIVENT être retirées du congélateur sinon elles pourraient éclater.
Étape 3. Les chiffres de la minuterie continueront de clignoter. Une fois le temps écoulé, le mode d'ison émettra une alerte sonore.

Scheme 3.2
Scheme 3.3
Objectif
- Pour congeler une grande quantité d'aliments qui ne tient pas sur le rayon de congélation rapide. Pour congeler les aliments préparés.
- Pour congeler des aliments frais rapidement pour conserver la fraîcheur.
- Grand magasin d'aliments, ce mode garantit que les aliments sont congelés rapidement et conserve donc les nutriments et le goût.
- Viande/poisson de qualité supérieure, là encore en congelant rapidement le produit, les nutriments sont conservés et le goût est préservé
Le mode Super-freezing se désactivera automatiquement au bout de 24 heures ou une fois que le capteur de température du compartiment du congélateur détectera la température correcte.
Pour activer (Scheme 3.2), appuyez sur le bouton du congélateur jusqu'à ce que « SF » s'affiche sur l'écran. Un signal sonore retentira pour confirmer que le mode est actif.
SF, SUPERFREEZE s'arrête automatiquement au bout de 24 heures et retournera à la dernière valeur programmée
Objectif
- Pour refroidir et stocker une grande quantité d'aliments dans le compartiment du réfrigérateur.
- Pour refroidir rapidement les boissons.
- Grand magasin d'aliments, ce mode garantit que les aliments sont refroidis rapidement et conserve donc les nutriments et le goût.
Le mode Super-cooling se désactivera automatiquement au bout de 4 à 6 heures, selon la température ambiantes, ou lorsque le compartiment du refroidisseur atteint une température suffisamment BASSE.
Pour activer (Scheme 3.3), appuyez sur le bouton du refroidisseur jusqu'à ce que « SC » s'affiche sur l'écran. Un signal sonore retentira pour confirmer que le mode est actif.
SC, SUPERCOOL s'arrête automatiquement au bout de 4 heures et retournera à la dernière valeur programmée
SC, SUPERCOOL et SF, SUPERFREEZE ne peuvent pas être régés en même temps
Mode économique

Pendant les périodes d'utilisation moins fréquentes (ouverture de la porte) ou d'absence de la maison, comme un weekend de vacances, le programme
Eco peut fournir une température optimale tout en économisant de l'énergie.
Pour activer le mode ECO, appuyez sur le bouton [mode] jusqu'à ce que le symbole « eco » et « E » s'allume.
En mode eco, les températures des compartiments du réfrigérateur et du congélateur sont de 4°C pour le réfrigérateur et de -18°C pour le congélateur.

REMARQUE: Le réfrigérateur s'arrête en mode eco.
Le mode vacances doit être utilisé si l'appareil doit
être laissé pendant une longue durée. En mode vacances, seul le compartiment congélateur reste actif. Vous économisez sur votre facture d'électricité lorsque vous êtes absent.
Il est représenté par un parapluie et un soleil. Si le compartiment du refroidisseur ne sera pas utilisé pendant un certain temps, comme des vacances, activez le mode vacances. Pour activer le mode vacances, appuyez sur le bouton mode jusqu'à ce que le symbole du mode vacances et « H » s'allument.
En mode vacances, tous les aliments doivent etre retirés du BAC à légumes car celui-ci SERA désactivé.
En mode vacances, la température du congélateur sera régée par défaut sur -18°C
Arrêt des zones
Une combinaison des zones de refroidissement/congélation peut être désactivée le cas échéant. La combinaison de boutons devrait être appliquée pendant plus de 5 secondes.
Étape 1 Refroidisseur arrêté
Étape 2 Aucune action
Refroidisseur
Le mode refroidisseur est utilisé pour régler la température du compartiment du refroidisseur. Appuyez sur le bouton refroidisseur pour régler la température sur 2, 3, 4, 5, 6, 7 ou 8 °C.
Congélateur
Le bouton du congélateur est utilisé pour régler la température du compartiment du congélateur.
Appuyez sur le bouton du congélateur pour régler la température du congélateur sur -16, -17, -18, -19, -20, -21, -22, -23, ou -24 °C.
Verrou enfant

Le verrou enfant peut être activé pour éviter tout changement accidentel des réglages de l'appareil.
Pour activer (Scheme 3.4) le verrou infant, maintenez enfoncés les boutons refroidisseur et auteur simultanément pendant 3 secondes.
Lorsque le verrou enfant est activé, aucun changement ne peut être fait aux réglages car les boutons sont inactifs. Le symbole cadenas s'affichera.
Pour désactiver (Scheme 3.4) le verrou infant, appuyez et maintenez enfoncés les boutons refroidisseur et du congélateur simultanément pendant 5 secondes.
Économiseur d'écran (s. saver)
Ce mode économique de l'énergie en arrêtant l'éclairage du panneau de commande lorsque le panneau est inactif. Le mode économiseur d'écran s'activera automatiquement au bout de 30 secondes.
Cette fonction économique de l'énergie en éteignant les voyants de l'écran électronique. Pour activer l'économiseur d'écran, appuyez et maintenez enfoncé le bouton « s. saver » pendant 3 secondes. Pour désactiver l'économiseur d'écran, appuyez et maintenez enfoncé le bouton « s. saver » pendant 3 secondes.
Fonction alarme porte ouverte
Si la porte du réfrigerateur ou du congélateur reste ouverte pendant plus de 2 minutes, l'appareil émet un signal sonore.
Verrou enfant Schéma 3.4
Détecteur du nuit
La fonction détecteur de nuit économise l’énergie en éteignant les lampes à l’intérieur du réfrigérateur si l’éclairage de la pièce est suffisant. Pour activer, suivez la procédure ci-dessous.
Étape 1. Appuyez et maintenez le capteur pendant 3 secondes.
Étape 2. L'indicateur du détecteur de nuit s'affichera.
Alarme réparation

Si un voyant d'alarme s'allume, veuillez contacter un centre de réparation autorisé. Appuyez sur le bouton « s. saver » pour couper le son de l'alarme lorsqu'il y a une alarme et un point d'exclamation sur l'écran. Le point d'exclamation continue à s'afficher sur l'écran électronique jusqu'à ce que l'erreur soit rectifiée.
Avertissements de réglage de la température
- Nous vous déconseillons d'utiliser votre réfrigérateur dans des environnements inférieurs à 16°C en termes d'efficacité.
- Ne démarrez aucun autre ajustement lorsque vous êtes en train d'en faire un.
- Les réglages de température devraient être faits selon la fréquence d'ouverture de la porte, la quantité d'aliments à l'intérieur du réfrigerateur et la température ambiante de la pièce où le réfrigerateur est placé.
- Pour permettre à votre réfrigérateur d'atteindre la température de fonctionnement après le branchement aux prises, n'ouvrez pas les portes fréquemment ou ne placez de grandes quantités d'aliments dans le réfrigerateur. Veuillez noter que, selon la température ambiente, cela peut prendre 24 heures pour que votre réfrigérateur atteigne la température de fonctionnement.
- Une fonction de retardement de 5 minutes est appliquée pour ne pas endommager le compresseur de votre réfrigérateur lors du branchement ou débranchement des prises ou en cas de coupure de courant. Notre réfrigérateur commencera à fonctionner normalement au bout de 5 minutes.
- Voiture appareil a été conçu pour fonctionner à des intervalles de température ambiante (T/SN = 16°C - 43°C) énoncés dans les normes. Nous vous déconseillons d'utiliser votre appareil en-dehors des limites de température énoncées en termes d'efficacité du refroidissement.
REMARQUE: Si la température ambiantе est supérieure à 42°C, la température du compartiment ne peut pas être réglée sur -23°C ou -24°C. Elle peut uniquement être réglée sur -16°C, -17°C, -18°C, -19°C, -20°C, -21°C ou -22°C.
Compartiment du réfrigérateur
- Pour réduire l'humidité et éviter la formation de givre, stockez toujours les liquides dans des conteneurs hermétiques dans le réfrigérateur. Le givre a tendance à se concentrer dans les parties les plus froides du liquide qui s'évapore et, parfois, votre appareil nécessitera des dégivrages plus fréquents.
- Ne placez jamais d'aliments chauds dans le réfrigérateur. Les aliments chauds devraient refroidir à température ambiante et devraient être placés de manière à permettre une circulation adéquate de l'air dans le compartiment du réfrigérateur.
- Veillez à ce que les aliments ne soient pas en contact direct avec la paroi de l'appareil car du givre se développerait et l'emballage collerait à celle-ci. N'ouvrez pas la porte du réfrigérateur trop souvent.
- Nous vous recommandons d'emballer les viandes et les poissons vidés et de les stocker sur l'étagère en verre juste au-dessus du bac à légumes où l'air est plus frais, car ceci offre les meilleures conditions de stockage.
- Stockez les fruits et légumes en vrac dans le bac à légumes.
- Stockez les fruits et légumes en vrac dans le bac à légumes.
- Stocker les fruits et légumes séparément aide à empêcher les légumes sensibles à l'éthylène (légumes verts, brocolis, carottes, etc.) d'être affectés par les fruits émettant de l'éthylène (bananes, pêches, abricots, figues etc.).
- Ne placez pas de légumes humides dans le réfrigérateur.
- Le temps de stockage des produits dépend de la qualité initiale des aliments et du cycle de réfrigération ininterrompu avant le stockage du réfrigerateur.
- Pour éviter la contamination croisée, ne rangez pas les viandes avec les fruits et légumes. L'eau s'écoulant de la viande peut contaminer les autres produits du réfrigerateur. Vous devriez partager les viandes en paquet et nettoyer tout écoulement sur les étagères.
- Ne placez pas les aliments devant les passages du flux d'air.
- Consommez les aliments emballés avant la date d'expiration.
NOTE: Les pommes de terre, oignons et ails ne doivent pas être stockés dans le réfrigérateur. Le tableau Tableau 4.1 est un guide rapide vous indiquant les moyens les plus efficaces de stocker les grands groupes d'aliments dans le compartiment de votre réfrigérateur.
Tableau 4.1
| Aliment | Durée de stockage maximum | Comment et où stocker |
| Fruits et légumes | 1 semaine | Bac à légumes |
| Vande et poisson | 2 - 3 jours | Emballer dans un film plastique, dans des sacs ou dans un conteneur à viande et stocker sur l'étagère en verre |
| Fromage frais | 3 - 4 jours | Dans le compartment de la porte prévu à cet effet |
| Beurre et margarine | 1 semaine | Dans le compartment de la porte prévu à cet effet |
| Produits en bouteille ex. lait et yaourts | Jusqu'à la date d'expiration recommendée par le fabriquant | Dans le compartment de la porte prévu à cet effet |
| Œufs | 1 mois | Dans le compartment à oeufs prévu à cet effet |
| Aliments cuits | Toutes les étagères |
Conseils sur le stockage d'aliments frais
- Veillez à ce que les aliments, ayant été cuits et devant être conservés au froid, soient à température ambiante avant de les placer dans l'appareil. Veillez à ce que ces aliments soient stockés dans des conteneurs adaptés.
- Les aliments stockés dans le réfrigerateur doivent être nettoyés et séchés avant le stockage.
- Avant de placer les aliments dans le réfrigerateur, il est recommandé de pressuriser les aliments, afin que l'eau ne puisse pas sévaporer et que les fruits et légumes restent frais et que les saveurs des aliments ne se mélangent pas.
- Les aliments stockés peuvent être placés dans des sachets étiquetés.
- Les alimentés consommés tous les jours doivent être stockés à l'avant de l'étagère.
- Veillez à ce que les aliments soient stockés de manière systématique (viandes crues avec viandes crues, produits laitiers avec produits laitiers) pour éviter le transfert d'odeurs et la contamination croisée. Les viandes crues doivent être stockées vers le bas de l'appareil pour éviter la possibilité d'écoulement sur les aliments crus. Les autres aliments doivent être stockés au-dessus de la viande crue.
- Lors du stockage d'aliments dans la section produits frais, veillez toujours à ce qu'il y ait assez de place pour que l'air circule bien. Ceci aide à prolonger le temps de conservation des aliments.
- Lors du stockage d'aliments dans le réfrigérateur, veillez à ce que les aliments ne soient pas trop près de la paroi arrière pour éviter le risque de givre.
- Il est conseillé de couper les feuilles des radis et autres légumes racines. Cela conserve les nutriments de la racine qui ne sont plus absorbés par les feuilles.
- Placez les aliments surgelés dans la zone produits frais pour les laisser décongeler. La température du réfrigerateur réduit la formation de bactéries et prolonge la durée de vie.
- Certains aliments comme les oignons, les bananes et les légumes racines se conservent en ambiance et non dans le réfrigérateur.
- Le melon, les ananas et les bananes peuvent être placés directement dans le congélateur après la préparation, pour un stockage prolongé.
- Emballer les aliments frais correctement, en utilisant des températures correctes et en respectant les principes de l'hygiène alimentaire, améliorera la qualité des aliments frais stockés dans cet appareil. Utilisez des sacs en plastique, du papier d'aluminium ou
du film alimentaire pour couvrir les aliments frais hors de leur emballage pour éviter le transfert d'odeur et la contamination.
- Avant de stocker des articles dans des emballages multiples (ex. yaourt) retirez tout emballage superflu.
- NE PAS stocker de produits inflammables, volatiles ou explosifs dans l'appareil.
- Les boissons à forte teneur en alcool doivent être stockées à la verticale dans des bouteilles hermétiques.
- Les aliments délicats doivent être stockés dans la partie la plus froide de l'appareil.
- Essayez de ne pas ouvrir la porte trop souvent.
- Réglez le thermostat pour veiller à ce que les alimentés restent bien froids; essayez d'éviter la congélation dans le réfrigérateur. L'utilisation d'un thermomètre vous aidera à savoir si votre réfrigérateur est aussi froid. Placez-le dans un verre d'eau et laissez-le dans l'appareil pendant quelques heures pour obtenir un résultat précis.
- Certains alimentés contiennent des huiles et des acides naturels (ex. Acide citrique) pouvant endommager les plastiques si renversés – veillez à ce que ces alimentés soient placés dans des conteneurs adaptés.
- Des mauvaises odeurs dans le réfrigérateur indiquent qu'un aliment s'est renversé et un nettoyage est requis. De l'eau chaude avec du bicarbonate de soude nettoieront l'intérieur de l'appareil et élimineront la plupart des déversements (voir « Nettoyage et entretien »).
- N'oubliez pas de retirer les aliments périssables de cet appareil avant de partir en vacances.
Conseils sur la congélation des aliments
- Comme avec le stockage d'aliments frais, un emballage, une température et l'hygiène alimentaire correctes amélioreront la qualité des aliments que vous congelez.
- Évitez de placer des aliments chauds dans le congelateur. Laissez-les refroidir jusqu'à ce qu'ils atteignent la température de la pièce. Veillez à ce que tous les aliments destinés à la congélation soient de qualité supérieure et adaptés à la congélation. Utilisez un emballage qui est inodore et hermétique (comme des sacs en plastique) pour stocker les aliments afin que des aliments différents puissent être mélangés sans affecter la qualité. Veillez à ce qu'il soit hermétique. Les emballages troués déshydrateront les produits, ce qui entraînera une dégradation des vitamines.
- Gardez la surface de l'emballage sec. Ceci empêche les emballages de geler ensemble.
- Étiquetez les emballages en indiquant le type d'aliment et la date de stockage.
- Les aliments doivent être congelés rapidement, il est donc préféable de congeler des petites portions et de veiller à ce qu'ils soient le plus froids possible avant le stockage. Le poids maximum recommandé de chaque portion est de 2,5 kg.
- Gardez les aliments frais loin des alimentés déjà congelés, si vous nevez congelez des alimentés frais tous les jours, veillez à faire de petites portions pour éviter ceci.
- Ne dépassez pas la charge maximale de congélation, veuillez vous référer aux « Données techniques »
- Inscrivez la date d'expiration et le nom des aliments sur l'extérieur de l'emballage afin que vous soyez sûr du type d'aliment et s'il peut être consommé en toute sécurité.
- Retirez les aliments du congélateur pour les décongeler si nécessaire. Les aliments décongelés ne peuvent pas être recongelés sauf s'ils sont cuisinés.
- Ne mettez pas trop d'aliments frais dans le congélateur en une fois. Ceci pourrait dépasser la capacité de refroidissement du congélateur. Veuillez consulter les « Données techniques »
Lors du stockage d'aliments surgelés du commerce, veuillez suivre ces directives :
- Suivez toujours les directives du fabricant pour savoir combien de temps les aliments peuvent être stockés. Ne dépassez pas ces directives!
- Essayez de garder l'intervalle entre deux achats et de stockage le plus court possible pour préserver la qualité des alimentés.
- Achetez des alimentés surgelés, ayant été stockés à une température de -18°C ou moins.
- Évitez d'acheter des aliments ayant de la glace ou du givre sur leur emballage – Ceci indique que les produits ont peut-être été partiellement décongelés et recongelés – les montées de température affectent la qualité des aliments.
- En cas de coupure de courant, ou en cas de panne du réfrigérateur pendant une longue durée, vous devez retirer les alimentés du congélateur et les stocker dans un endroit froid et hygiénique (ex. garage ou entrepôt) jusqu'au rétablissement du courant, ou la réparation de l'appareil.
- Pour éviter les montées de température indésirables, vous devriez emballer les alimentés dans du matériel ou isolant, comme du journal, pour aider à conserver la température. Il est également important que les alimentés affectés par cette situation soient consommés ou cuisinés et recongelés (le cas échéant) peu de temps après afin d'éviter les risques pour la santé.
- Les couches de journal peuvent également être utilisées pour aider à garder les alimentés froids lorsque vous dégivrez le congélateur (voir « Nettoyage et entretien »).
5. Tableau relatif au stockage des aliments
Toutes les durées de stockage indiquées dans le tableau ci-dessous sont prévues pour servir de guide uniquement. Les durées de stockage des fruits et légumes dépendent de la qualité des aliments. Les cas peuvent varier.
Les fruits et légumes emballés sont consommés jusqu'à la date d'expiration.
Important
Le goût de certaines épices trouvées dans les plats préparés (anis, basilic, cresson de fontaine, vinaigre, quatre-épices, gingembre, ail, oignon, moutarde, thym, marjolaine, poivre noir, etc.) change et devient plus fort en cas de stockage prolongé. Par conséquent, ajoutez de petites quantités d'épices aux plats à congeler ou l'épice souhaitée devrait être
ajoutée une fois les aliments décongelés
La durée de stockage des alimentés dépend du type d'huile utilisé. Les huiles adaptées sont la margarine, la graisse de veau, l'huile d'olive et le beurre. Les huiles inadaptées sont l'huile d'arachide et la graisse de porc.
Les aliments liquides doivent être congelés dans des bols/tupperware en plastiques et les autres aliments doivent être congelés dans des sacs ou films plastiques.
Le tableau ci-dessous est un guide rapide vous indiquant les moyens les plus efficaces de stocker les grands groupes d'aliments dans le compartiment de votre congélateur.
| Vande et poisson | Préparation | Durée de stockage maximum (mois) |
| Steak | Enroulé dans du papier | 6 - 8 |
| Agneau | Enroulé dans du papier | 6 - 8 |
| Rôti de veau | Enroulé dans du papier | 6 - 8 |
| Cubes de veau | En petits morceaux | 6 - 8 |
| Cubes d'agneau | En morceaux | 4 - 8 |
| Vande hachée | En paquet sans épices | 1 - 3 |
| Abattis (morceaux) | En morceaux | 1 - 3 |
| Saucisse à cuir/salami | Doit être conservé emballé même s'il a une membrane | |
| Poulet et dinde | Enroulé dans du papier | 4 - 6 |
| Oie et canard | Enroulé dans du papier | 4 - 6 |
| Chevreuil, lapin et sanglier | Par portions de 2,5 kg ou en fillets | 6 - 8 |
| Poisson d'eau douce (Saumon, carpe, poisson-chat) | Après avoir retire le entrailles et les écailles du poisson, lavez-le et séchez-le. Si nécessaire, retirez la tête et la queue. | 2 |
| Poisson maigre | 4 | |
| Poissons gras (Thon, Maquereau, Morue noire, Anchois) | 2 - 4 | |
| Crustacés | Nettoyés et en sachet | 4 - 6 |
| Caviar | Dans son emballage, ou dans un conteneur en aluminium ou en plastique | 2 - 3 |
| Coquillages | Dans de l'eau salée, ou dans un conteneur en aluminium ou en plastique | 3 |
REMARQUE: La viande surgelée décongelée doit être cuisinée comme la viande fraîche. Si la viande n'est pas cuisinée après le dégivrage, elle ne doit pas être recongelée.
| Fruits et légumes | Préparation | Durée de stockage maximum (mois) |
| Haricots à fillet et haricots | Lavés, coupés en petits morceaux et bouillis dans l'eau | 10 - 13 |
| Haricots | Écossés, lavés et bouillis dans l'eau | 12 |
| Chou | Nettoyé et bouillis dans l'eau | 6 - 8 |
| Carotte | Lavée, coupée en petits morceaux et bouillie dans l'eau | 12 |
| Poivron | Coupez la tige, coupez en deux, retirez le cœur et faites bouillir dans de l'eau | 8 - 10 |
| Épinards | Nettoyés et bouillis dans l'eau | 6 - 9 |
| Chou-fleur | Retirez les feuilles, coupez le cœur en deux et mettez-le dans de l'eau avec un peu de jus de citron | 10 - 12 |
| Aubergine | Coupez en morceaux de 2 cm après le lavage | 10 - 12 |
| Màïs | Nettoyez et emballez avec sa tige ou comme du moins doux | 12 |
| Pomme et poire | Pelez et tranchez | 8 - 10 |
| Fruits et légumes | Préparation | Durée de stockage maximum (mois) | |
| Abricot et pêche | Coupez en deux et retirez le noyau | 4 - 6 | |
| Fraises et mûres | Lavez et émincez | 8 - 12 | |
| Fruits cuits | Ajoutez 10 % de sucre au conteneur | 12 | |
| Prunes, cerises, baies | Lavez et coupez les tiges | 8 - 12 | |
| Durée de stockage maximum (mois) | Temps de décongélation à température ambiente (heures) | Temps de décongélation dans un four (minutes) | |
| Pain | 4 - 6 | 2 - 3 | 4-5 (220-225 °C) |
| Biscuits | 3 - 6 | 1 - 1,5 | 5-8 (190-200 °C) |
| Pâtisseries | 1 - 3 | 2 - 3 | 5-10 (200-225 °C) |
| Tartes | 1 - 1,5 | 3 - 4 | 5-8 (190-200 °C) |
| Pâte phyllo | 2 - 3 | 1 - 1,5 | 5-8 (190-200 °C) |
| Pizzas | 2 - 3 | 2 - 4 | 15-20 (200 °C) |
| Produits laitiers | Préparation | Durée de stockage maximum (mois) | Conditions de stockage |
| Brique de lait (homogénéisé) | Dans son emballage | 2 - 3 | Lait pur - dans son emballage |
| Fromages - sauf le fromage blanc | En tranches | 6 - 8 | L'emballage d'origine peut être utilisé pour le stockage à court terme. Garder emballé pendant de longues durées. |
| Beurre, margarine | Dans son emballage | ||
Dégivrage
Le dégivrage se fait automatiquement afin qu'il soit inutile de dégivrer l'appareil manuellement.
NE PAS utiliser d'appareils mécaniques pour accélérer le processus de dégivrage.
Nettoyage
4 Débranche l'appareil de l'alimentation électrique avant le nettoyage. 4 Ne lavez pas votre apparéil en versant de l'eau dessus. A NE PAS utiliser d'abrasifs puissants ni de nettoyants agressifs car ils peuvent endommager l'intérieur de l'appareil. A Le réfrigérateur est lourd. Lors du déplacement du réfrigérateur, veilles à protégger le sol. Gardez le réfrigérateur vertical et ne le penchez pas – ceci éviter d'endommager le sol. A NE PAS pulvériser ni rincer le réfrigérateur avec de l'eau ou d'autres liquides. Ceci pourrait endommager les composants électriques. Utilisez un linge propre lors du nettoyage après des composants électriques ( comme l'ampoule ou le commutateur). A NE PAS nettoyer le réfrigérateur avec unerosse dure ou métallique. A NE PAS utiliser de solvant organique comme du détergent, de l'essence, de la laque, des épaisseurs, de l'acétone ou de l'acide. Pour éviter que votre peau colle aux parties métalliques froides, voirlez à ce que vos mains ne soient pas mouillées lorsque vous touchez les pièces. A NE PAS utiliser d'eau CHAUBE pour nettoyer les étagères en verre, car elles poursaient se fendre ou se casser.
Pour réduire au minimum les odeurs internes, il est préférible de régulièrement nettoyer les étagères internes, les bacs à légumes, les bacs et les parois.
Retirez les aliments de l'appareil et retirez les étagères.
Nettoyez l'intérieur en utilisant de l'eau chaude et du bicarbonate de soude avec un linge doux. Veillez à ce que l'intérieur soit bien séché avec un linge adapté.
Après le lavage, rincez à l'eau claire et séchez bien. Une fois le nettoyage terminé, rebranchez le connecteur à la prise électrique avec les mains sèches.
Les étagères et les autres accessoires (parties en plastique et en verre) peuvent être nettoyées dans l'évier en utilisant un liquide vaisselle et de l'eau chaude. Veillez à ce que tout le savon ait été rincé et que toutes les parties soient sèches avant de les replacer dans l'appareil.
Gardez tous les joints de la porte propres.
Veillez à ce que de l'eau ne pénétre pas dans le logement de la lampe et d'autres composants électriques.
L'appareil doit être nettoyé régulièrement avec une solution de bicarbonate de soude et d'eau tiède.
Nettoyez les accessoires séparément à la main avec du savon et de l'eau. Ne lavez pas les accessoires dans un lave-vaiselle.
Nettoyez le condensateur avec un torchon au moins deux fois par an. Ceci vous aidera à économiser sur votre facture d'électricité et à augmenter la productivité.
Nettoyage du bol d'évaporation :
Votre réfrigérateur se dégivre automatiquement. L'eau produite par les flux de dégivrage dans un bac d'évaporation, en passant à travers une rainure de récupération d'eau, où elle s'évapore.
Remplacement des lampes LED
Si votre réfrigérateur a un éclairage LED, contactez le centre d'aide car celui-ci doit être changé par du personnel autorisé uniquement.
L'éclairage LED intérieur s'allume lorsque la porte s'ouvre. La performance de l'éclairage n'est pas affectée par chaque autre réglage de l'appareil.
Vidage du réfrigérateur
En cas de coupure de courant, les aliments devraient rester au frais pendant environ 3 heures.
En cas de coupure de courant prolongée, vous devrez retirer les alimentés du congélateur et les stocker dans un endroit frais, enroulés dans du papier journal afin de garder des températures adaptées.
Une fois le courant rétabli, replacez les aliments dans le compartiment du congélateur.
Si les aliments commençaient à décongeler, ou si la coupure de courant avait duré plus longtemps que prévu, nous vous recommandons de consommer les aliments retirés du congélateur.
Si la panne de courant ne dure pas longtemps, la plupart des aliments peuvent être laissés dans le compartiment du congélateur - c'est la meilleure façon de garder la température - et entourés de glaçons du bac à glaçons. C'est également la solution idéale pour les pannes de courant dont vous avez été informé au préalable.
En cas de coupure de courant, ne mettez pas d'autres aliments dans le congélateur.
En cas de non-utilisation
Si vous n'utilisez pas l'appareil pendant une longue durée, il est recommandé de couper l'alimentation électrique, de vider l'appareil, de nettoyer l'intérieur et de laisser la porte entre-ouverte. Ceci fera économiser de l'énergie et évitera la génération d'odeurs à l'intérieur.
7. Dépannage
Avant d'appeler pour une réparation, veuillez consulter le tableau suivant : ceci pourrait vous faire gagner du temps et de l'argent.
| Type d'erreur | Signification | Pourquoi | Quoi faire |
| Avertissement « Erreur » | Certaines pieces sont en panne ou il y a une défaillance dans le processus de refroidissement. | Appelez un agent de réparation pour obtenir de l'aide dans les plus brefs délais. | |
| Le compartment congestioneur n'est pas assez froid | Cet avertissement apparaît en particulier s'il y a eu une coupure de courant pendant une longue durée ou lorsque l'appareil est utilisé pour la première fois. | Utilisez les alimentés rapidement. Ne congelez pas des alimentés décongelés.Réglez la température du congestioneur à des valeurs inférieures ou réglez le Super Freeze jusqu'à ce que le compartment soit à la température normale.Ne mettez pas des alimentés frais dans l'appareil tant que la défaillance n'est pas rectifiée. | |
| Le compartment réfrigérateur n'est pas assez froid | Cet avertissement apparaît en particulier s'il y a eu une coupure de courant pendant une longue durée ou lorsque l'appareil est utilisé pour la première fois. La température idéale du compartment de l'appareil est de +4 °C.Si vous VOYZ cet avertissement, vos alimentés peuvent être gâchés. | Réglez la température de l'appareil à des valeurs inférieures ou réglez le mode Super Refroidissement jusqu'à ce que le compartment atteigne la température normale.Ouvrez le moins possible la porte jusqu'à ce que la défaillance soit rectifiée. | |
| Compartment réfrigérateur trop froid | Les alimentés commenceront à geler car la température est trop BASSE. | Vérifiez si le mode Super refroidissement est activé.Réduisez les valeurs de température de l'appareil. | |
| Avertissement « basse tension » | Ceci est régélé lorsque l'alimentation électrique est inférieure à 170 V. | Ce n'est pas une défaillance. Ceci évite d'endommager le compresseur. Cet avertissement s'effacera une fois que la tension aura atteint le niveau requis. |
Si vous avez un problème avec votre appareil, veuillez vérifier ce qui suit avant de contacter le service après-vente.
Votre appareil ne fonctionne pas
Verifiez si :
- Il y a du courant
- Le connecteur est correctement branché à la prise
- Le fusible de la prise ou du réseau principal a sauté
- La prise est défectueuse. Pour vérifier cela, branchez un autre appareil qui fonctionne à la même prise.
Votre appareil fonctionne mal
Verifiez si :
L'appareil est surcharge - Les portes sont bien fermées - Il y a de la poussière sur le condensateur - Il y a une distance adéquate entre l'appareil et les murs alentours
Votre appareil fait du bruit
Les bruits suivants peuvent être entendus pendant le fonctionnement normal de l'appareil.
Un bruit de craquement (craquement de glace) est perceptible.
- Pendant le dégivrage automatique.
- Lorsque l'appareil est refroidi ou réchauffé (à cause de la dilatation du matériel de l'appareil).
- Un clic est perceptible : Lorsque le thermostat active/désactive le compresseur.
- Bruit du moteur : Indique que le compresseur fonctionne normalement. Le compresseur peut être plus bruyant pendant une courte durée lorsqu'il est activé pour la première fois.
- Un bruit de bulle et d'éclaboussure est perceptible
En raison du flux de réfrigérant dans les tubes du système.
- Un bruit d'écoulement d'eau est perceptible
En raison de l'écoulement de l'eau dans le bac d'évaporation. Ce bruit est normal pendant le dégivrage.
- Un bruit de soufflement d'air est perceptible :
Pendant le fonctionnement normal du système en raison de la circulation de l'air.
Il y a une accumulation d'humidité dans l'appareil.
Vérifiez si :
Tous les alimentés sont bien emballés. Les bacs doivent être secs avant d'être placés dans le réfrigérateur.
Les portes du réfrigérateur sont ouvertes fréquemment. L'humidité de la pièce pénétrera dans le réfrigérateur chaque fois que les portes seront ouvertes. L'humidité augmente rapidement si les portes sont fréquemment ouvertes, en particulier si l'humidité de la pièce est élevée.
Il y a une accumulation de gouttes d'eau sur la paroi arrière. Ceci est normal après un dégivrage automatique (dans les Modèles statiques).
Les portes ne s'ouvrent ou ne se ferment pas correctement
Vérifiez si :
- Des alimentations ou des emballages empêchent la porte de se fermer
- Les compartiments de la porte, les rayons et les bacs sont placés correctement
- Les joints de la porte sont coupés ou déchirés
- Votre réfrigérateur est à niveau.
Les bords du réfrigérateur/congélateur en contact avec le joint de la porte sont chauds.
En particulier en été (lorsqu'il fait chaud), les surfaces en contact avec le joint de la porte peuvent venir plus chaudes pendant le fonctionnement du compresseur. C'est normal.

Important :
En cas de panne de courant, ou si l'appareil est débranché et rebranché, le gaz dans le système de refroidissement de votre appareil sera déstabilisé, entraînant l'ouverture de l'élément thermique protecteur du compresseur.
Votre appareil commencera fonctionner normalement au bout de 5 minutes.
Si l'appareil n'est pas utilisé pendant une longue durée (comme pendant les vacances), débranchez le connecteur. Dégivrez et nettoyez l'appareil, en laissant la porte ouverte pour éviter la formation de moisissures et d'odeurs.
Si le problème persiste après que vous ayez suivi toutes les instructions ci-dessus, veuillez consulter le Centre de réparation
Autorisé local.
Cet appareil est conçu pour l'usage domestique et pour les fins énoncées uniquement. Il n'est pas destiné à l'usage commercial ou commun. Si le consommateur utilise l'appareil de manière non conforme à ces instructions, nous soulignons que le fabricant et le revendeur ne seront pas responsables des réparations ou défaillances pendant la période de la garantie.
La durée de vie de votre appareil indiquée et déclarée par le Département de l'Industrie est de 10 ans (la période de conservation des pièces nécessaires au bon fonctionnement de l'appareil).
Astuces pour économiser de l'énergie
- Installez l'appareil dans une pièce fraîche et bien aérée, mais pas sous les rayons directs du soleil et pas près d'une source de chaleur (comme un radiateur ou un four). Sinon, une plaque isolante devra être utilisée.
- Laissez les aliments et les boissons chauds refroidir avant de les placer dans l'appareil.
- Placez les aliments en décongélation dans le bac de l'appareil. La basse température de l'outil congelé aidera à refroidir le bac de l'appareil pendant la décongélation des aliments. Ceci fera économiser de l'énergie. Les aliments décongelant à l'extérieur de l'appareil entraîneront une perte d'énergie.
- Les boissons ou les autres liquides doivent être couverts lorsqu'ils sont dans l'appareil. S'ils restent découverts, l'humidité à l'intérieur de l'appareil augmentera, et l'appareil consommera plus d'énergie. Garder les boissons et autres liquides ouverts aide à préserver le goût et les saveurs.
- Évitez de garder les portes ouvertes pendant de longues durées et d'ouvrir les portes trop souvent car l'air chaud entrera dans l'appareil et entraînera trop souvent l'activation du compresseur.
- Gardez les couvercles des bacs de différentes températures (comme le bac à légumes et le refroidisseur d'eau) fermés.
- Le joint de la porte doit être propre et pliable. Remplacez les joints si usés.
Avertissements d'installation
Avant d'utiliser le congélateur de votre réfrigérateur pour la première fois, veuillez faire attention aux points suivants :
- Le congélateur de votre réfrigérateur peut sentir une odeur particulière lorsqu'il est utilisé pour la première fois. C'est normal et l'odeur se dissipera lorsque le congélateur de votre réfrigérateur commencera à refroidir.
- Avant de brancher le congélateur de votre réfrigérateur, veillez à ce que les informations sur la plaque d'identification (tension et charge branchée) correspondent à celles de l'alimentation électrique principale. En cas de doute, consultez un électricien qualifié.
- Nous n'assumons aucune responsabilité quant à tout dommage causé par une utilisation non reliée à la terre.
- Placez votre réfrigérateur congélateur à l'abri des rayons du soleil.
- Voiture réfrigérateur congélateur ne doit jamais être utilisé à l'extérieur ou exposé à la pluie.
- Voiture appareil doit être au moins 50 cm des cuisinières, fours à gaz et chaudières, et à au moins 5 cm des fours électriques.
- Si votre réfrigérateur congélateur est placé près d'un congélateur, il doit y avoir au moins 2 cm entre eux afin d'éviter la formation d'humidité sur la surface externe.
- Ne couvrez pas le corps ou le haut du réfrigérateur congélateur de dentelle. Ceci affectera la performance de votre réfrigérateur congélateur.
- Ne placez rien sur votre appareil.
- Ne placez pas d'objets lourds sur l'appareil.
- Nettoyez bien l'appareil avant l'utilisation (voir Nettoyage et Maintenance).
- Ce produit est uniquement conçu pour l'usage dans une cuisine.
- Avant d'utiliser votre réfrigérateur congélateur, essuyez toutes les pièces avec une solution d'eau chaude et une cuillère à café de bicarbonate de sodium. Puis rincez à l'eau claire et séchez. Replacez toutes les pièces dans le réfrigérateur congélateur après nettoyage.
- Utilisez les pattes avant réglables pour veiller à ce que votre appareil soit à niveau et stable. Vous pouvez régler les pattes en les tournant dans n'importe quelle direction. Ceci doit être fait avant de placer des aliments dans l'appareil.
Scheme 8.1
Scheme 8.2
Scheme 8.3

Le réfrigérateur doit être porté par au moins 4 personnes.
L'emballage d'origine et la mousse doivent être conservés pour un nouveau transport (facultatif).
Attachez votre réfrigérateur avec un emballage, des sangles ou des cordes solides et suivez les instructions relatives au transport indiquées sur l'emballage.
Retirez toutes les parties amovibles (rayons, accessoires, bacs à légumes, etc.) ou bloquez-les dans le réfrigérateur contre les chocs en utilisant des sangles pendant le repositionnement et le transport.
Un détecteur de température ambiantе, un tableau de bord et des caches de charnière sont disponibles sur votre réfrigérateur. Pendant le nettoyage, veillez à ce qu'aucun liquide ne pénétre dans cette zone.
Choisir le bon emplacement
- Pour assurer une ventilation adéquate, un espace d'au moins 150 mm est nécessaire en haut de votre appareil. La distance entre l'appareil et le mur de derrière doit être d'au moins 75 mm (Scheme 8.1). Toutes les unités placées au-dessus de l'appareil doivent être éloignées de 150 mm pour assurer une ventilation suffisante.
- Installez deux guides décaissement en plastique pour empêcher le condensateur de toucher le mur. Voir (Scheme 8.2).
- Si vous placez le réfrigérateur dans un angle, un espace suffisant doit être assuré pour ouvrir les portes et sortir les rayons (Scheme 8.3).
Évitez d'exposer l'appareil aux rayons du soleil directs et à des sources de chaleur (comme des radiateurs, des chaudières ou des cuisinières).
Si cet appareil est placé dans un environnement froid (comme un abri de jardin, une terrasse ou un garage) cela affectera ses performances. Les performances de l'appareil pourront ne pas être cohérentes et ceci pourrait endommager les alimentés. Une température ambience cohérente de 16°C ou plus est recommandée.
Raccordement d'alimentation électrique
Branchez l'appareil à l'alimentation électrique (220-240 V ~ 50 Hz) avec le connecteur et le câble, qui sont installés.
Les branchements au secteur doivent être conformes aux réglementations locales.



Veillez toujours à ce que le connecteur soit accessible après le positionnement de l'appareil.
Si le câble électrique est endommagé ou usé, arrêtez le réfrigérateur et consultez un agent autorisé pour le remplacement.
- Cet appareil est alimenté avec un connecteur électrique Type F (également appelé connecteur Schuko) CEE 7/7.
- Les connecteurs de type F sont calibrés à 16 A à 230 V c.a.
- Si le connecteur secteur installé n'est pas adapté à la prise de votre maison ou est retiré pour une autre raison, veuillez contacter un électricien approuvé.

Pendant l'utilisation
- Ne branchez pas votre réfrigérateur congélateur au réseau électrique en utilisant une rallonge.
- N'utilisez pas de connecteurs endommagés, déchirés ou usés.
- Ne tirez, ne pliez ou n'endommagez pas le cordon.
- Cet appareil a été conçu pour être utilisé par des femmes. Ne laissez pas d'enfants jouer avec l'appareil ou se suspendre à la porte.
- Ne touchez jamais le câble électrique/connecteur avec les mains humides. Ceci peut entraîner un court-circuit ou un choc électrique.
- Ne placez pas de bouteilles en verre ou de canettes dans le bac à glaçons car elles éclateront lorsque leur contenu gèlera.
- Ne placez pas de matériel ou explosif ou inflammable dans votre réfrigérateur. Placez les boissons ayant une forte teneur en alcool à la verticale dans le compartiment du réfrigérateur et veillez à ce qu'elles soient bien fermées.
- Lorsque vous retirez de la glace du bac à glaçons, ne la touchez pas. La glace peut causer des brûlures et/ou des coupures.
- Ne touchez pas d'articles gelés avec les mains humides. Ne mangez pas de crème glacée ou des glaçons immédiatement après leur retrait du bac à glaçons.
- Ne recongelez pas des aliments décongelés. Ceci pourrait entraîner des problèmes de santé comme un empoisonnement alimentaire. Réfrigérateurs anciens ou hors service
- Si vous ancien réfrigérateur ou congélateur a un verrou, cassez ou retirez le verrou avant de le jeter, car des enfants pourraient se retrouver coincés à l'intérieur et un accident pourrait survenir.
- Les anciens réfrigerateurs et congélateurs contiennent un matériel isolant et un réfrigérant avec du CFC. Par conséquent, veillez à ne pas polluer l'environnement lorsque vous jetez vos anciens réfrigerateurs.

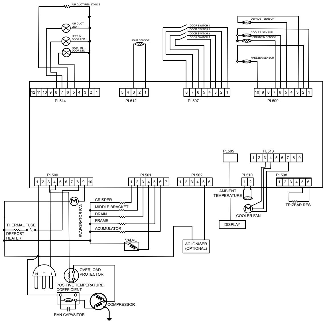
| Clé | Description |
| AIR DUCT RESISTANCE | RÉSISTANCE DE CONDUITE D'AIR |
| AIR DUCT LED 1 | CONDUITE D'AIR 1 |
| LEFT IN DOOR LED | LED INTÉRIEUR GAUCHE |
| RIGHT IN DOOR LED | LED INTÉRIEUR DROITE |
| LIGHT SENSOR | DÉTECTEUR DE LUMIÈRE |
| DOOR SWITCH 1 | COMMUTATEUR DE PORTE 1 |
| DOOR SWITCH 2 | COMMUTATEUR DE PORTE 2 |
| DOOR SWITCH 3 | COMMUTATEUR DE PORTE 3 |
| DOOR SWITCH 4 | COMMUTATEUR DE PORTE 4 |
| DEFROST SENSOR | CAPTEUR DE DÉGIVRAGE |
| COOLER SENSOR | CAPTEUR DE REFROIDISSEUR |
| SERPANTIN SENSOR | CAPTEUR DE SERPENTIN |
| FREEZER SENSOR | CAPTEUR DE CONGÉLATEUR |
| Clé | Description |
| TRIZBAR RESISTANCE | RÉSISTANCE TRIZBAR |
| COOLER FAN | VENTILATEUR DE REFROIDISSEMENT |
| AMBIENT TEMPERATURE | TEMPÉRATION AMBIANTE |
| DISPLAY | ÉCRAN |
| AC IONISER (OPTIONAL) | IONISEUR AC (EN OPTION) |
| VALVE | SOUPAPE |
| CRISPER | BAC À LÉGUMES |
| MIDDLE BRACKET | ÉTRIER CENTRAL |
| DRAIN | DRAIN |
| FRAME | CADRE |
| ACUMULATOR | ACCUMULATEUR |
| EVAPORATOR FAN | VENTILATEUR D'ÉVAPORATEUR |
| THERMAL FUSE | FUSIBLE THERMIQUE |
| DEFROST HEATER | CHAUFFAGE DéGIVRAGE |
| Clé | Description |
| OVERLOAD | PROTECTION CONTRE |
| PROTECTOR | LES SURCHARGES |
| POSITIVE | COEFFICIENT DE |
| TEMPERATURE | TEMPÉRATURE POSITIVE |
| COEFFICIENT | |
| RAN CAPASITOR | CONDENSATEUR DE |
| FONCTIONNEMENT | |
| COMPRESSOR | COMPRESEUR |
| L-LIVE | L-Direct |
| E-Earth | E-Terre |
| N-Neutral | N-Neutre |
10. Données techniques
INSTALLATEUR: Veuillez confier ces instructions à l'utilisateur.
EMPLACEMENT DU BADGE DE DONNÉES : Côté gauche du compartiment du réfrigérateur.
PAYS DE DESTINATION: FR, DE, NL

Calibres
| Marque | Falcon | |
| Identification du modele | FDXD18SS/C FDXD18BL/C | |
| Catégorie de produit | 7 (Réfrigérateur - Congélateur) | |
| Masse | kg | 144,3 |
| Nombre de cavités | 3 | |
| Classe énergétique | A+ | |
| Consommation d'énergie annuelle* | 473 kWh | |
| Volume brut total | 653 litres | |
| Volume net total | 557 litres | |
| Volume brut du réfrigérateur | 418 litres | |
| Volume net du réfrigérateur | 390 litres | |
| Volume net du compartment du bac à légumes | 38 litres | |
| Volume brut du congélateur | 235 litres | |
| Volume net du congélateur | 167 litres | |
| Nombre d'étoiles | **** | |
| Système de réfrigération | NO FROST | |
| Temps de montée de la tempête (-18°C/-9°C) | 24 heures | |
| Capacité de congélation | 20 kg / 24 h | |
| Catégorie climatique ** | T/N (16°C - 43°C) | |
| Émission de bruit | 45 dB(A) | |
| Consummation énergétique de 473 kWh par an, calculée sur la base des résultats obtenus pendant 24 heures dans des conditions de test normalisés. La consommation énergétique réelle dépend des conditions dans lesquelles l'équipement est utilisé ainsi que de son emplacement. Cet apparéil est concu pour être utilisé à une tempête ambiente comprise entre 16°C - 43°C. | ||
11. Garantie/service après vente
Si une consultation ou une assistance technique est nécessaire, veuillez remettre au réparateur local autorisé la facture et le code/numéro de série du produit.
Veuillez vous référer aux Données techniques pour localiser le numéro du produit/de série.
La maintenance gratuite pendant 2 ans de l'appareil depuis la date d'achat de ce produit.
Tout dommage esthétique à l'appareil doit être signalé dans les 30 jours après la livraison.
Pour la garantie sur les marchés étrangers, les clients doivent contacter le revendeur auquel ils ont acheté le produit.
Notice Facile