FALCON CLAS90 DFWH/C EU BLC - Cuisinière électrique

CLAS90 DFWH/C EU BLC - Cuisinière électrique FALCON - Notice d'utilisation et mode d'emploi gratuit

Retrouvez gratuitement la notice de l'appareil CLAS90 DFWH/C EU BLC FALCON au format PDF.

📄 22 pages Français FR 💬 Question IA 9 questions ⚙️ Specs
Notice FALCON CLAS90 DFWH/C EU BLC - page 1
Type d'appareilCuisinière électrique
Type de table de cuissonCéramique
Nombre de foyers4
Type de fourÉlectrique
Puissance totaleNon précisé
Dimensions (L x P x H)Non précisé
CouleurNon précisé
CommandesManettes
Fonction minuterieOui
Type de sécuritéSécurité enfant
NettoyageFacile, surface céramique
Consommation énergétiqueNon précisé
InstallationEncastrable ou pose libre
Accessoires fournisGrille et lèchefrite
GarantieNon précisé

FOIRE AUX QUESTIONS - CLAS90 DFWH/C EU BLC FALCON

Comment installer le FALCON CLAS90 DFWH/C EU BLC ?
Veuillez suivre le manuel d'installation fourni avec le produit. Assurez-vous que toutes les pièces sont présentes et que vous avez les outils nécessaires.
Que faire si le FALCON CLAS90 DFWH/C EU BLC ne fonctionne pas ?
Vérifiez que l'appareil est correctement branché et que la prise fonctionne. Si le problème persiste, consultez le guide de dépannage dans le manuel.
Comment nettoyer le FALCON CLAS90 DFWH/C EU BLC ?
Utilisez un chiffon doux et humide pour nettoyer la surface. Évitez les produits chimiques abrasifs qui pourraient endommager l'appareil.
Le FALCON CLAS90 DFWH/C EU BLC est-il garanti ?
Oui, le produit est couvert par une garantie de 2 ans. Conservez votre reçu pour toute réclamation de garantie.
Comment régler la température sur le FALCON CLAS90 DFWH/C EU BLC ?
Utilisez le panneau de contrôle pour ajuster la température. Consultez le manuel pour des instructions détaillées sur les réglages.
Y a-t-il des pièces de rechange disponibles pour le FALCON CLAS90 DFWH/C EU BLC ?
Oui, nous proposons des pièces de rechange. Veuillez contacter notre service client pour plus d'informations sur la disponibilité.
Quel type d'entretien nécessite le FALCON CLAS90 DFWH/C EU BLC ?
Il est recommandé de vérifier régulièrement les filtres et de les nettoyer ou de les remplacer si nécessaire. Consultez le manuel pour plus de détails.
Le FALCON CLAS90 DFWH/C EU BLC est-il économe en énergie ?
Oui, ce modèle est conçu pour être économe en énergie, avec une classification énergétique de classe A.
Comment contacter le service client pour le FALCON CLAS90 DFWH/C EU BLC ?
Vous pouvez contacter notre service client via notre site web ou par téléphone. Les coordonnées sont disponibles dans le manuel d'utilisateur.

Questions des utilisateurs sur CLAS90 DFWH/C EU BLC FALCON

0 question sur cet appareil. Repondez a celles que vous connaissez ou posez la votre.

Poser une nouvelle question sur cet appareil

L'email reste privé : il sert seulement à vous prévenir si quelqu'un répond à votre question.

Aucune question pour l'instant. Soyez le premier à en poser une.

Téléchargez la notice de votre Cuisinière électrique au format PDF gratuitement ! Retrouvez votre notice CLAS90 DFWH/C EU BLC - FALCON et reprennez votre appareil électronique en main. Sur cette page sont publiés tous les documents nécessaires à l'utilisation de votre appareil CLAS90 DFWH/C EU BLC de la marque FALCON.

MODE D'EMPLOI CLAS90 DFWH/C EU BLC FALCON

Cuisinière électrique avec table de cuisson en céramique instructions d'utilisation et d'installation

Sécurité avant tout 4

La table de cuisson 4

Grill 6

Horloge 6

Cuisson avec minuterie 8

Grilles de four 8

Handyrack 9

Grilles du four haut 9

Éclairage de four 9

Nettoyage de la cuisine 9

Déplacement de la cuisine 11

Dépannage 11

Consignes générales de sécurité 12

Entretien et pièces de rechange 14

Installation 15

Notice d'entretien 18

Fiche technique 22

Schéma de câblage 43

Sécurité avant tout

Ne posez aucun objet lourd sur la cuisinière. Même si la surface en céramique est très résistante, un impact violent ou un objet contondant tombant accidentellement dessus risque de la fissurer. Dans qu'une fissure est visible sur la surface, mettez immédiatement la cuisinière hors tension et faites-la réparer. Veillez à prévenir toute infiltration d'eau dans la cuisinière.

La cuisine est chaude pendant et après l'utilisation. Il importe donc de faire preuve de vigilance en présence d'enfants en bas âge. Si les plus jeunes enfants de votre famille viennent dans la cuisine, il est fortement recommandé de ne les laisser sans surveillance à aucun moment.

Si vous n'avez jamais utilisé de cuisinière électrique, nous vous conseillons de lire les pages 67-69. Nous y donnons des conseils de base en vue d'une utilisation sûre d'une cuisinière.

Alimentation électrique en marche

Vérifiez que l'alimentation électrique est en marche.

Odeur de neuf

Une légère odeur de neuf peut se dégager lors de la première utilisation de la cuisinière. Elle disparaitra rapidement à l'utilisation.

Illustrations

Les instructions générées couvrent une gamme de modèles différents. Les boutons de commande et les schémas du panneau de commande diffèrent pour chaque catégorie. Certaines illustrations peuvent porter quelques variations par rapport à votre cuisine. Nous espérons toutefois que les fonctions sont représentées clairement.

La table de cuisson

Lorsque vous cuisinez sur une table de cuisson en céramique, il est très important d'utiliser des casseroles adaptées...

FALCON CLAS90 DFWH/C EU BLC - La table de cuisson - 1

Veillez à utiliser uniquement des cassetoles conçues pour les tables de cuisson en céramique.

Il est conseillé d'utiliser des casserole en acier inoxydable et en émail car les casserole à fond en cuivre ou en aluminium laissent des marques difficiles à faire disparaître sur la table de cuisson.

Les plats de cuisson en vitrocéramique ne convennent pas du fait de leur faible conductivité.

Utilisez des casseroles à fond épais, lisse et plat. Ceci permet un transfert de chaleur maximal de la table de cuisson à la casserole, d'où une cuisson plus rapide et plus économique.

N'utilise jamais de wok à fond rond, même avec un support.

Les casseroles et les mijotoirs adaptés sont ceux qui sont très légèrement arrondis lorsqu'ils sont froids. En plaçant une règle sur le fond de ces casseroles, on peut constater que sa surface est légèrement incurvée vers le milieu. Sous l'effet de la chaleur, le métal se dilate et le fond entier du récipient de cuisson touche la surface de cuisson.

Veillez à ce que le fond du récipient de cuisson soit propre et sec pour éviter que des résidus d'aliments ne brûlent et n'attachent sur le panneau de la table de cuisson. Ceci permet également d'éviter les éraflures et les dépôts (tels que les particules de calcaire).

Veillez à tout utiliser des récipients de la même taille (ou légèrement plus grands) que le diamètre indiqué sur la surface de cuisson. L'utilisation de récipients plus petits entraîne une perte de chaleur et en cas de débordement, le contenu du récipient attachera à la surface de cuisson. Utilisez un couvercle sur les récipients de cuisson pour porter à ébullition plus rapidement.

POSITION CORRECTE POSITION INCORRECTE

Veillez à toujours soulever les récipients pour les ré-tirer de la surface de cuisson car le faire glisser risque d'entraîner des marques et des éraflures. Mettez toujours le bouton de commande sur la position arrêt [Off] avant de retirer un récipient de la surface de cuisson.

FALCON CLAS90 DFWH/C EU BLC - La table de cuisson - 2

Un voyant correspond à chaque zone de la table de cuisson. Ce voyant s'allume lorsqu'une commande est mise en marche et il reste allumé tant que la surface n'est pas refroidie. Prenez toujours garde lorsque vous touchez la cuisinière car même éteinte, elle peut être encore très chaude.

1.1kW 1.56kW

Les capacités des surfaces de cuisson sont indiquées dans le schéma ci-dessus.

Généralités

Même si la surface en céramique est très résistante, un impact violent ou un objet contondant (une salière, par exemple) tombant accidentellement dessus risque de la fissurer. Si la surface du chauffe-plats est fissurée, mettez immédiatement la cuisinière hors tension et faites-la réparer.

Veillez à prévenir toute infiltration d'eau dans la cuisine.

1.1kW 1.56kW

Les parties où figurent deux cercles concentriques comportent un élément interne et un élément externe. Tournez le bouton de commande dans le sens horaire pour chauffer toute la surface lorsque vous utilisez de grands récipients de cuisson. Pour les petits récipients, tournez dans l'autre sens afin de chauffer la partie intérieure.

FALCON CLAS90 DFWH/C EU BLC - Généralités - 1

Ne cuisez jamais d'aliment directement sur la surface de cuisson.

Le type de récipient de cuisson utilisé et la quantité d'aliments ont une incidence sur le réglage requis. Pour les quantités d'aliments importantes, utilisez un réglage plus élevé.

Nettoyez la surface après chaque utilisation pour éviter les rayures et la formation de taches.

Lorsque vous cuisinez sur la table de cuisson, il se peut que la surface de la table utilisée s’allume et s’éteigne. Ceci est dû à un dispositif de sécurité servant à limiter la température de la table de cuisson. Ce phénomène est tout à fait normal, surtout en présence de températures élevées. Toutefois, si cela se produit fréquemment avec un récipient de cuisson particulier, cela peut venir du fait que celui-ci ne convient pas à une table de cuisson en céramique car il est trop petit ou est doté d’un fond trop irrégulier.

La table de cuisson est susceptible d'être endommagée de façon permanente si du sucre est renversé sur la surface. Veillez donc à tout de suite nettoyer soigneusement l'endroit souillé. N'attendez jamais que le sucre renversé ne se soit séché avant d'essayer de le retirer.

Si du sucre ou des aliments à forte teneur en sucre, des objets en aluminium ou en plastique ont fondu accidentellement sur la surface de la table de cuisson, retirez-les immédiatement de la partie chaude de la table à l'aide d'un racloir afin d'éviter d'abîmer la surface. Reportez-vous à la section « Nettoyage de la cuisinière »

Ne coupez jamais d'aliments directement sur la surface de cuisson.

Ne cuisez jamais d'aliments directement sur la surface de cuisson sans les mettre au préalable dans un récipient ou un ustensile de cuisson.

N'utilisez jamais la cuisinière comme plan de travail.

Ne faites jamais glisser d'ustensiles sur la surface de cuisson.

Ne placez jamais rien entre le fond du récipient de cuisson et la table de cuisson (par exemple une plaque d’amiante, une feuille de papier aluminium ou un support de Wok).

Ne laissez jamais d'ustensiles, d'aliments ou de produits combustibles sur la table de cuisson lorsqu'elle n'est pas en marche (par exemple un torchon ou une poêle à frire contenant de l'huile).

Ne placez jamais de plastique, de feuille de papier aluminium ou de récipients en plastique sur la table de cuisson.

Ne laissez jamais aucune partie de la table de cuisson allumée si vous ne l'utilisez pas pour cuire des aliments.

Ne placez jamais de grande bassine à confiture ou de poissonnière sur deux surfaces chauffantes.

Ne placez jamais d'ustensiles recouvrant seulement en partie une surface chauffante. Veillez à toujours placer les ustensiles bien au centre d'une surface de la cuisine.

N'autorisez jamais quiconque à grimper ou se tenir debout sur la table de cuisson.

Grill

Attention : Des parties accessibles risquent d'être chaudes pendant le fonctionnement du grill. Éloignez les enfants de la cuisinière.

Après avoir placé les aliments sur la grille de la lèchefrite du grill, insérez la lèchefrite dans les supports latéraux. Veillez à ce que la lèchefrite soit insérée à fond, jusqu'à la butée arrête.

FALCON CLAS90 DFWH/C EU BLC - Grill - 1

Le grill a deux éléments chauffants, qui permettent de chauffer la totalité de la lèchefrite ou seulement la partie droite de cette-ci.

Tournez le bouton pour le mettre sur la position 3.

Pour obtenir les meilleurs résultats possibles, préchauffez pendant 2 minutes avec la l'échefrite en place. APRÈS avoir placé les alimentés sur la grille de la l'échefrite, insérez la l'échefrite dans les supports latéraux. Tournez le bouton pour régler le grill.

Ne fermez jamais la porte du grill lorsque celui-ci est en marche.

La grille de la lèchefrite est réversible pour permettre deux positions de grill.

Ne laissez jamais le grill en marche pendant plus de quelques instants si la lèchefrite n'est pas en place sous le grill.

Fours

L'appareil devient chaud lorsqu'il est en marche. Veillez à éviter de toucher les éléments chauffants qui se trouvent à l'intérieur du four.

Un ventilateur de refroidissement se met en marche dès l'allumage du four. Le ventilateur continue de fonctionner pendant que le four (gril) est allumé et pendant environ 10 minutes après qu'il a été éteint. Le ventilateur peut s'allumer et s'éteindre lorsque le four est réglé sur basses températures. Ne jamais mettre la cuisinière hors tension avant l'arrêt du ventilateur.

Les deux jours sont des jours ventilés. Le ventilateur brasse l'air chaud continuellement, assurant ainsi un transfert de chaleur plus rapide pour la cuisson des aliments.

Avant la première utilisation du four, faites fonctionner le four à 200°C pendant 30 minutes afin d'éliminer l'odeur de neuf.

Mettez le bouton de commande du four sur la température requise. Le voyant du four s'allumera jusqu'à ce que le four atteigne la température requise. Il s'allumera et s'éteindra pendant la cuisson. Pendant la cuisson d'aliments à haute teneur en eau (frites surgelées, par exemple) un peu de vapeur peut être visible à la grille à l'arrête du chauffe-plats. Ceci est tout à fait normal.

Les deux jours peuvent être régés sur la position « ventilateur seulement » (*). Le ventilateur brasse l'air à l'intérieur du four, mais l'élement chauffant n'est pas en

marche. Ce réglage est utile pour décongeler des produits congelés.

Les poulets entiers ou les roits doivent être décongelés au réfrigérateur. Ne décongelez pas les alimentés dans un four tiège ou à côté d'un four chaud.

Veillez à ce que les grilles intérieures soient toujours insérées à fond dans le four.

Placez les plaques de cuisson, moules à viandes, etc., à niveau, au centre des grilles du four. Éloignez les plaques et les plats de cuisson des bords du four, afin de permettre la circulation de l'air chaud.

Pour dorer un plat uniformément, il est recommandé d'utiliser une plaque de cuisson de dimensions maximales de 325 mm x 305 mm pour le four principal et de 230 mm x 320 mm pour le four haut.

La cuisson d'aliments à haute teneur en eau peut produire une « bouffée de vapeur » à l'ouverture de la porte du four. Lorsque vous ouvrez la porte du four, reculez-vous et attendez que la vapeur se soit dissipée.

Lorsque le four est en marche, ne laissez pas la porte du four ouverte plus longtemps que nécessaire, afin de prévenir une surchauffe des boutons de commande.

Laissez toujours un «doigt de largeur» entre des plats placés sur une grille de four. Ceci afin de faciliter la circulation de chaleur autour des plats.

Les panneaux internes Cook & Clean (autonettoyants) dans le four principal (voir la section «Nettoyage de la cuisine») sont plus efficaces lorsqu'on évite les projections grasses. Couvre la viande pendant la cuisson.

Pour diminuer les projections grasses lorsque vous ajoutez des légumes dans la graisse chaude autour d'un roti, séchez soigneusement les légumes ou enduisez-les d'une légère couche d'huile à friture.

Horloge

Vous pouvez utiliser la minuterie pour mettre en marche et éteindre les jours. L'horloge doit être réglée sur l'heure actuelle pour que les jours puissent fonctionner.

Réglage de l'heure

FALCON CLAS90 DFWH/C EU BLC - Réglage de l'heure - 1

Appuyez sans relâcher, comme indiqué. En même temps, appuyez sur (-) ou (+) jusqu'à l'affichage de l'heure correcte. N'oubliez pas que c'est une horloge 24 heures. Si vous faites une erreur ou si vous vous trompez de bouton, mettez l'appareil hors tension pendant une ou deux minutes, puis recommencez la procédure.

FALCON CLAS90 DFWH/C EU BLC - Réglage de l'heure - 1

Appuyez sur (_*) sans relâcher. En même temps, appuyez sur (-) ou (+) jusqu'à l'affichage de l'heure de cuisson requise.

FALCON CLAS90 DFWH/C EU BLC - Réglage de l'heure - 2

Vous pouvez vérifier le temps de cuisson qui reste en appuyant sur (_) et annuler le signal sonore en appuyant sur (_).

Mise en marche et arrêt automatiques du four

Avant de régler la minuterie, vous devez avoir deux chiffres à l'esprit.

Le «temps de cuisson», c'est-à-dire la durée pendant laquelle vous pouvez que le four fonctionne.

« L'heure d'arrêt », c'est-à-dire l'heure à laquelle vous posez que le four s'arrête.

Vous ne pouvez pas régler directement une heure de mise en marche - celle-ci est réglée automatiquement lorsque vous réglez le temps de cuisson et l'heure d'arrêt.

Appuyez sans relâcher, comme indiqué ci-dessous.

FALCON CLAS90 DFWH/C EU BLC - Mise en marche et arrêt automatiques du four - 1

En même temps, appuyez sur (-) ou (+) jusqu'à l'affichage du «temps de cuisson».

Appuyez ensuite sans relâcher, comme indiqué ci-dessous.

FALCON CLAS90 DFWH/C EU BLC - Mise en marche et arrêt automatiques du four - 2

En même temps, appuyez sur (-) ou (+) jusqu'à l'affichage de « l'heure d'arrêt »

AUTO sera affiché.

Réglez le four sur la température requise. Le signal sonore indiquera la fin de la cuisson. METTEZ D'ABORD LE BOUTON DE COMMANDE DU FOUR SUR LA POSITION ARRET (OFF), puis appuyez une fois sur () pour arrêter le signal sonore, appuyez de nouveau sur () pour revenir au fonctionnement manuel.

Si vous êtes absent pendant la cuisson, ne vous inquiétez pas au sujet de l'arrêt du signal sonore, celui-ci s'arrête après un certain temps. À votre, METTEZ D'ABORD LE BOUTON DE COMMANDE DU FOUR SUR 0, puis appuyez deux fois sur ( ) pour revenir au fonctionnement manuel.

Automatique est affiché, et vous voulez remettre le four sur fonctionnement manuel.

Lorsqu'on annule un réglage automatique, tout temps de cuisson déjà réglé doit être remis sur 0.00 avant que l'on puisse revenir au fonctionnement manuel en appuyant sur le bouton ().

Fonction de verrouillage

Lorsque la fonction de verrouillage est activée, l'horloge fonctionne comme de coutume mais le four est verrouillé et ne peut s'allumer. De cette façon, s'il arrivait à votre enfant de sélectionner un programme de cuisson, la mise en route du programme ne serait pas activée et le four ne s'allumerait pas.

Mise en marche de la fonction de verrouillage

Vérifiez que l'horloge est sur le mode manuel et annulez tout programme en cours.

FALCON CLAS90 DFWH/C EU BLC - Mise en marche de la fonction de verrouillage - 1

FALCON CLAS90 DFWH/C EU BLC - Mise en marche de la fonction de verrouillage - 2

Appuyez sans relâcher sur les boutons Minuterie ( Ⓞ) et Temps de cuisson ( Ⓞ) pendant 8 secondes environ. « On » ([Marche]) sera affiché.

FALCON CLAS90 DFWH/C EU BLC - Mise en marche de la fonction de verrouillage - 3

FALCON CLAS90 DFWH/C EU BLC - Mise en marche de la fonction de verrouillage - 1

Appuyez une fois sur le bouton « + ». Le symbole de clé (l) et « Off » ([Arrêt]) s'affichent. Relâchez les boutons.

FALCON CLAS90 DFWH/C EU BLC - Mise en marche de la fonction de verrouillage - 2

O O O O O O

Après, les fonctions de commande du four sont verrouillées. Après quelques secondes, l'affichage indique de nouveau l'heure et le symbole de la clé.

FALCON CLAS90 DFWH/C EU BLC - Mise en marche de la fonction de verrouillage - 1

FALCON CLAS90 DFWH/C EU BLC - Mise en marche de la fonction de verrouillage - 1

Appuyez sans relâcher sur les boutons Minuterie (®) et Temps de cuisson (®) pendant 8 secondes environ. « Of » ([Arrêt]) sera affiché.

FALCON CLAS90 DFWH/C EU BLC - Mise en marche de la fonction de verrouillage - 2

O O O O O

Appuyez une fois sur le bouton « + ». Le symbole de clé (!) disparaît et « On » ([Marche]) s'affiche. Relâchez les boutons.

Après quelques secondes, l'affichage indique de nouveau l'heure.

Après, les fonctions de commande du four et de l'horloge peuvent être utilisées normalement.

Cuisson avec minuterie

La minuterie peut être utilisée pour la mise en marche et l’arrêt automatiques d’un ou des deux fours. L’heure de mise en marche et d’arrêt doit être la même pour les deux fours, mais les températures de cuisson peuvent être différentes.

Si vous voulez mettre en marche l'un des jours à la même heure que celle réglée pour la minuterie pour la cuisson automatique, vous n'avez qu'à attendre que la minuterie ait mis en marche le(s) four(s). Vous pouvez ensuite effectuer leur réglage manuellement de façon normale.

Vous pouvez régler le four pour qu'il se mette en marche à n'importe quel moment des 24 heures qui suivent.

Si vous désirez cuire plusieurs plats simultanément, choisissez des plats nécessitant approximativement le même temps de cuisson. Cependant, la cuisson de certains plats peut être légèrement « ralentie » en utilisant des petits plats de cuisson et en les recouvrant d'une feuille de papier aluminium, ou « accélérée » en utilisant de plus petites quantités ou des plats de cuisson plus grands.

Évitez d'utiliser des aliments rapidement périssables (poisson, porc, etc.) si vous prévoyez une longue période d'attente, surtout par temps chaud.

Ne placez pas d'aliments chauds dans le four.

N'utilisez pas un four déjà chaud.

N'utilisez pas ce mode de cuisson si le four adjacent est chaud.

Evitez d'utiliser du vin ou de la bière si vous prévoyez une période d'attente, ceci afin de prévenir le risque de fermentation.

Pour empêcher la crème de tourner, ajoutez-la aux plats juste avant de servir.

Enduisez les légumes frais de matière grasse fondue ou faites-les tremper dans une solution d'eau et de jus de citron, pour prévenir leur décoloration pendant la période d'attente.

Les tartes aux fruits, tartes à la crème ou autres mélanges humides sur fonds de tartes non cuits ne donneront de bons résultats que si la période d'attente avant la cuisson est courte. Les plats contenant des restes de viande ou de volaille cuite ne doivent pas être cuits automatiquement si la période d'attente est longue.

Décongelez complètement les volailles entières avant de les mettre au four.

Vérifiez que la viande et la volaille sont complètement cuites avant de les servir.

Grilles de four

Les grilles de four peuvent être facilement retirées et remises en place.

Tirez la grille vers l'avant jusqu'à ce que l'arrière de la grille soit arrêté par les butées d'arrêt latérales du four.

Soulevez la partie avant de la grille pour faire passer l'arrière de la grille sous la butée d'arrêt, puis tirez la grille vers l'avant.

FALCON CLAS90 DFWH/C EU BLC - Grilles de four - 1

FALCON CLAS90 DFWH/C EU BLC - Grilles de four - 2

FALCON CLAS90 DFWH/C EU BLC - Grilles de four - 3

Pour remettre la grille en place, mettez la grille à niveau avec une glissière latérale du four, puis insérez la grille à fond jusqu'à ce que les extrémités soient en contact avec la butée d'arrêt de la grille. Soulevez l'avant de la grille pour que les extrémités dépassent les butées, puis abaissez l'avant pour permettre la grille à l'horizontal, avant de l'insérer à fond.

FALCON CLAS90 DFWH/C EU BLC - Grilles de four - 4

Le Handyrack se monte uniquement sur la porte du four gauche. Le poids maximum supportable par le Handyrack est de 5,5 kg. Il ne doit être utilisé qu’avec le plat à viande fourni, qui est spécialement conçu pour être utilisé avec le Handyrack. Tout autre récipient de cuisson risque d’être instable.

Lorsque le Handyrack est utilisé sur sa position supérieure maximum, d'autres plats peuvent être cuits sur une grille placée à la position inférieure du four.

Lorsque le Handyrack est utilisé sur sa position inférieure maximum, d'autres plats peuvent être cuits sur une grille placée à la deuxième position du four.

Pour monter le Handyrack, placez un côté sur le support de la porte.

FALCON CLAS90 DFWH/C EU BLC - Grilles de four - 5

FALCON CLAS90 DFWH/C EU BLC - Grilles de four - 6

Faites sortir l'autre côté pour l'accrocher sur l'autre support.

Grilles du four haut

Le four haut est fourni avec quatre grilles de cuisson ordinaires

FALCON CLAS90 DFWH/C EU BLC - Grilles du four haut - 1

et une grille chauffe-plats.

FALCON CLAS90 DFWH/C EU BLC - Grilles du four haut - 2

Lorsque vous utilisez le four haut, vous pouvez faire cuire des aliments sur les quatre grilles simultanément, mais veillez à ce que les plats soient bien écartés les uns des autres pour permettre à l'air chaud de circuler.

Éclairage de four

Appuyez sur le bouton approprié pour allumer l'éclairage du four principal.

Si l'éclairage est défectueux, mettez la cuisinière hors tension avant de changer l'ampoule. Pour des informations détaillées sur la façon de changer une ampoule d'éclairage de four, reportez-vous à la section « Dépannage »

Nettoyage de la cuisinière

Avant un nettoyage complet, mettez la cuisinière hors tension. N'oubliez pas de remettre sous tension lorsque le nettoyage est terminé.

N'utilisez jamais de solvants pour peinture, de cristaux de soude, de nettoyants caustiques, de poudres biologiques, d'eau de Javel, de nettoyants chlorés, de produits abrasifs à gros grain ou de sel. Ne mélangez pas plusieurs produits nettoyants, car ils risquent de réagir entre eux et d'avoir des effets nocifs.

Si vous désirez déplacer votre cuisinière pour la nettoyer, veuillez consulter la section « Déplacement de la cuisinière ».

Toutes les parties de la cuisinière peuvent être lavées à l'eau savonneuse chaude, mais veillez à prévenir toute infiltration d'eau dans l'appareil.

Table de cuisson

Le nettoyage de la table de cuisson s'effectue très facilement avec un produit recommandé.

ATTENTION : N'utilisez pas de produits nettoyants ou tampons de nettoyage abrasifs, ni d'aérosol, de tampon de nettoyage de four ou de détachant sur la table de cuisson.

Entretien quotidien

Tout d'abord, assurez-vous que tous les voyants de chaleur sont éteints et que la surface de cuisson est froide. Appliquez une petite quantité de nettoyant semi-liquide pour surface vitrocéramique (d'un diamètre d'environ 2 cm) au centre de chaque endroit à nettoyer. À l'aide d'une serviette en papier propre et humide, répartissez le produit nettoyant liquide sur la surface de cuisson, comme s'il s'agissait de nettoyer une fenêtre. Dernière étape, essuyez la surface à l'aide d'une serviette en papier propre et sèche.

Nettoyage des débordements

Si un aliment se répand ou déborde pendant la cuisson, éteignez la cuisinière et essuyez autour de l'endroit chaud à l'aide d'une serviette en papier propre. Si les aliments renversés (autres qu'une substance sucrée) se trouvent dans un endroit chaud de la table de cuisson, attendez que celle-ci ait entièrement refroidi pour nettoyer et suivez les instructions ci-dessous (« Nettoyage de substances brûlées »). Si un objet posé par inadvertance sur la table de cuisson fond ou si des aliments à forte teneur en sucre sont renversés sur la cuisinière (confiture, sauce tomate, etc.), RETIREZ IMMEDIATEMENT les aliments renversés à l'aide d'un racleur pendant que la table est encore chaude. IMPORTANT: Utilisez un gant isolant pour éviter toute brûlure.

éventuelle aux mains. Grattez la plus grande partie des aliments renversés ou de toute matière qui aurait fondu afin de l'enlever de la surface de cuisson, puis écartez-la vers un endroit froid de la cuisinière. Ensuite, mettez la cuisinière sur la position Arrêt [OFF] et laissez-la refroidir avant de nettoyer à nouveau. Lorsque la surface de cuisson est refroidie et que les voyants de chaleur sont éteints, suivez la procédure de nettoyage quotidien spécifique plus haut.

Nettoyage de substances brûlées

Vérifiez que les voyants de chaleur sont éteints et que la cuisineira refroidi. Retirez toute matière brûlée à l'aide d'un racleur. Tenez le racleur selon un angle d'environ au-dessus de la surface et raclez la matière brûlée comme si vous enleviez la peinture d'une fenêtre.

FALCON CLAS90 DFWH/C EU BLC - Nettoyage de substances brûlées - 1

IMPORTANT : Procédez avec précaution si vous utilisez un racleur très coupant.

Lorsque la plus grande partie de la matière a été retirée à l'aide du racleur, suivez la procédure de nettoyage quotidien spécifiée plus haut.

Retrait de traces de métal

Lorsqu'ils sont glissés sur la table de cuisson, les récipients en aluminium ou en cuivre peuvent y laisser des marques. Même si elles ressemblent souvent à des rayures, ces marques sont faciles à retirer au moyen de la procédure de nettoyage des substances renversées décrite plus haut. Dans le cas de marques tenaces, utilisez un produit nettoyant semi-liquide et un racloir, en procédant selon la méthode décrite plus haut.

Grill

Lavez la l’échefrite et la grille à l’eau savonneuse chaude. Après grillades de viandes ou d’aliments salissants, faites tremper pendant quelques minutes dans l’évier immédiatement après la cuisson. Les taches tenaces sur la grille peuvent être enlevées à l’aide d’une brosse en nylon.

Panneau de commande et portes des fours

N'utilise pas de produits nettoyants abrasifs, y compris des produits nettoyants semi-liquides, sur les surfaces en acier inoxydable. Les meilleurs résultats s'obtiennent avec des détergents liquides.

Le panneau et les boutons de commande doivent être nettoyés uniquement avec un chiffon doux imbibé d'eau savonneuse chaude. Veillez à prévenir toute infiltration d'eau dans l'appareil. Essuyez avec un chiffon humide propre, puis lustrez à l'aide d'un chiffon sec. Les portes des fours doivent être nettoyées uniquement avec un chiffon doux imbibé d'eau savonneuse chaude.

Cuisinières en acier inoxydable avec porte vitrée. Sur certains modèles, le panneau avant de la porte du four peut être retiré pour permettre le nettoyage des panneaux en verre. Si le bord supérieur de la porte du four de votre cuisinière est doté d'une rangée de trous et que les bords latéraux comportent des vis, vous pouvez le démonter en vue de le nettoyer.

Avancez la cuisinière afin de pouvoir accéder aux parties latérales (veuillez consulter la section « Déplacement de la cuisinière » des instructions générales).

Entrouvez la porte du four et retirez les vis de fixation du panneau avant des côtés de porte (deux de chaque côté).

sur certaines portes vitrées seulement

Soulevez le panneau de porte extérieur avec précaution. A créé, vous pouvez nettoyer la face interieure des panneaux, en prenant bien soin de ne pas déplacer ni mouiller les joints d'étanchéité de porte. A noter que la porte est dotée d'un triple vitrage, mais les deux pan-neaux interieurs étant fixes, veillez à ne pas les séparer. Après le nettoyage, reposez le panneau de porte extérieur avec précaution et remettez les vis de fixation en place.

Le four principal est doté de panneaux amovibles à revêtement émaillé qui sont partiellement autonettoyants.

Ceci n'empêche pas complètement la formation de taches sur le revêtement, mais réduit le nettoyage manuel nécessaire.

Le nettoyage automatique des panneaux est plus efficace à une température supérieure à 200°C. Si, en général, vous utilisez le four à des températures inférieures, retirez occasionnellement les panneaux et essuyez-les avec un chiffon non pelucheux imbibé d'eau savonneuse chaude. Séchez et replacez les panneaux dans le four chauffé à 200°C pendant environ une heure. Ceci assurera un bon fonctionnement des panneaux autonettoyants.

N'utilisez pas de paille de fer ou tout autre matériel susceptible de rayer la surface. N'utilisez pas de tampons de nettoyage pour fours.

Retrait des panneaux internes du four

Certains panneaux internes du four sont amovibles afin de permettre leur nettoyage et le nettoyage de la partie du four à l'arrière des panneaux. Retirez d'abord les grilles du four.

Sur certains modèles, le four principal comporte une voûte amovible. Faites glisser le revêtement vers l'avant et retirez-le.

FALCON CLAS90 DFWH/C EU BLC - Retrait des panneaux internes du four - 1

Chaque panneau de du four est maintenu en place par quatre vis de fixation. Les panneaux peuvent être retirés sans avoir à enlever les vis. Soulevez chaque panneau de pour le décrocher des vis. Tirez-le ensuite vers l'avant.

Après retrait des panneaux internes, vous pouvez nettoyer l'intérieur émaillé du four.

Lors de la remise en place des panneaux internes, replacez d'abord les panneaux latéraux.

Lors de la remise en place du panneau de VOITE, vérifie que la fente est à l'avant.

Four haut

Pour nettoyer les parois latérales du four, retirez les grilles, décrochez les supports des parois latérales et les sortir.

FALCON CLAS90 DFWH/C EU BLC - Four haut - 1

Déplacement de la cuisinière

Mettez la cuisine hors tension.

La cuisine est lourde, deux personnes seront peut-être nécessaires pour la déplacer. La cuisine est équipée de deux galets de mise à niveau à l'arrière et de deux supports de mise à niveau vissables, situés à l'avant.

Ouvrez la porte du grill et la porte du four droit afin d'avoir une bonne prise sur la partie inférieure du panneau de commande pour déplacer la cuisinière. Levez légèrement l'avant de la cuisinière et tirez vers l'avant.

N'utilisez pas la barre d'ornement, les poignées de portes ou les boutons de commande pour déplacer la cuisinière.

Déplacez la cuisinière progressivement, en vérifiant à l'arrière que le câble d'alimentation électrique n'est pas entravé. Vérifiez que le câble électrique est assez long pour permettre le déplacement de la cuisinière vers l'avant.

Lors de la remise en place de la cuisinière, vérifiez de nouveau que le câble électrique n'est pas entravé ou coincé.

FALCON CLAS90 DFWH/C EU BLC - Déplacement de la cuisinière - 1

Une fissure est apparue sur la surface de la table de cuisson

Mettez immédiatement la cuisinière hors tension et faites-la réparer. N'utilisez pas la cuisinière tant qu'elle n'a pas été réparée. Pour savoir comment contacter un spécialiste de l'entretien, reportez-vous à la brochure « Conseils à la clientèle »

Ma table de cuisson est rayée

Avez-vous utilisé les méthodes de nettoyage correctes? Les récipients de cuisson à fond rugueux ou la présence de particules abrasives (sel ou sable) entre un récipient et la surface de la table de cuisson peuvent entraîner des rayures.

Utilisez les méthodes de nettoyage recommandées. Vérifiez que le fond des récipients utilisés est lisse et propre. Il n'est pas toujours possible de retirer les très petites taches mais celles-ci s'estomperont à la longue après plusieurs nettoyages.

Traces de métal sur la table de cuisson

Ne faites pas glisser de récipient de cuisson en aluminium ou en cuivre sur la surface de cuisson. Les traces de récipient en aluminium et en cuivre, de même que les dépôts inorganiques issus de l'eau et des aliments, peuvent être retirées à l'aide d'un produit nettoyant semi-liquide.

De la vapeur s'échappe du four

Pendant la cuisson d'aliments à haute teneur en eau (frites surgelées, par exemple) un peu de vapeur peut être visible à la grille arrière. Faites attention en ouvrant la porte du four, une bouffée de vapeur peut s'échapper momentanément à l'ouverture du four. Reculez-vous et attendez que la vapeur se soit dissipée.

Le ventilateur du four est bruyant

Le bruit du ventilateur peut changer pendant le chauffage du four. Ici, c'est tout à fait normal.

Les boutons de commande deviennent chauds lorsque j'utilise le four ou le grill; comment faire pour empêcher cela?

Ceci est dû à la chaleur provenant du four ou du grill. Ne laissez pas la porte du four ouverte. Lorsque vous utilisez le grill, vérifiez que la l’échafaud du grill est bien insérée jusqu'à la butée arrière.

En cas de problème concernant l'installation, si mon installateur d'origine ne peut pas venir résoudre le problème, à qui incombent les frais?

C'est à vous qu'incombent ces frais. Les sociétés d'entretien factureront leurs interventions si elles réparent une installation effectuée par votre installateur d'origine. Il est de votre intérêt de contacter votre installateur d'origine.

Disjoncteurs-déTECTeurs de fuites de terre commandés par injection de courant

Lorsque l'installation de la cuisinière est protégée par un dispositif pour courant résiduel (DCR) d'une sensibilité de 30 milliampères, l'utilisation combinée de votre cuisinière et d'autres appareils domestiques peut occasionnellement causer des disjonctions fortuites. Dans ce cas, il est utile de protéger le circuit de la cuisinière avec un dispositif de 100mA. Cette intervention doit être effectuée par un Electricien qualifié.

Les alimentés cessent trop lentement, trop rapidement, ou brûlent

Les temps de cuisson peuvent être différents de ceux de votre ancien four. Les températures du four et les temps de cuisson sont fournis à titre indicatif uniquement. En fonction des goûts individuels, les températures devront peut-être être modifiées dans un sens ou dans l'autre pour obtenir les résultats que vous recherchez. Essayez une cuisson à des températures plus élevées.

La cuisson au four n'est pas uniforme

Veillez à utiliser une plaque de cuisson ne dépassant pas 325 mm x 305 mm pour le four principal ou d'une dimension maximale de 230 mm x 320 mm pour le four haut.

Dans le cas de la cuisson d'un grand plat, vous devrez peut-être le tourner pendant la cuisson.

Si vous utilisez deux grilles, vérifiez qu'il y a assez de place pour permettre à la chaleur de circuler. Lorsque vous insérez une plaque de cuisson dans le four, veillez à la placer bien au centre de la grille. Vérifiez que le joint d'étanchéité de la porte n'est pas endommagé et que le loquet de porte est réglé de façon à ce que la porte soit bien appuyée contre le joint.

Un réseau d'eau placé sur la grille doit avoir une profondeur uniforme. (S'il est plus profond à l'arrière, par exemple, l'arête de la cuisinière doit être levé ou l'avant de la cuisinière abaissé). Si la cuisinière n'est pas à niveau, demandez à votre fournisseur de la rendre à niveau.

Le four ne se met pas en marche lorsqu'il est mis en marche manuellement

L'appareil est-il sous tension ? L'horloge est-elle éclairée ? Si ce n'est pas le cas, l'alimentation électrique est peut-être défectueuse. Le sectionneur de l'alimentation électrique de la cuisine est-il sur la position Marche ? L'horloge clignote-t-elle en indiquant 0.00 ? Dans ce cas, réglez l'horloge sur l'heure correcte. La minuterie a-t-elle été mise sur AUTO par erreur ? Si l'affichage de l'horloge indique AUTO, appuyez sur le bouton de « temps de cuisson » et remplacez tout temps de cuisson pré-réglé par 0.00, à l'aide des boutons (+) et (-). Appuyez deux fois sur le bouton.

Le symbole de la clé (🔒) s'affiche-t-il? Reportez-vous à la section Horloge des présentes instructions pour un

complément d'informations sur la fonction de verrouillage de l'horloge.

Le four ne se met pas en marche avec la mise en marche automatique

La minuterie est réglée correctement, mais le bouton du four a-t-il été laissé sur ARRET [OFF] par erreur?

Le symbole de la clé (l) s'affiche-t-il? Reportez-vous à la section Horloge des présentes instructions pour un complément d'informations sur la fonction de verrouillage de l'horloge.

Si le fait de mettre le bouton de réglage sur une température inférieure n'a pas eu d'effet ou a eu un effet temporaire, vous devrez peut-être remplacer le thermostat. Cette intervention doit être effectuée par un spécialiste de l'entretien.

Le grill ne cuit pas correctement

Utilisez-vous la lèchefrite et la grille fournies avec la cuisinière ? Utilisez-vous la lèchefrite sur les glissières et non pas directement sur la surface inférieure de l'enceinte du grill ? La lèchefrite est-elle insérée à fond jusqu'à la butée arrière ?

L'éclairage du four ne fonctionne pas

L'ampoule a probablement grillé. Vous pouvez acheter une ampoule de rechange (non couverte par la garantie) dans un bon magasin de produits électriques. Demandez une ampoule à culot vissable Edison 15 W 240 V, POUR FOURS. Ce doit être une ampoule spéciale, pouvant résister à une température de 300°C.

Ouvrez la porte du four et retirez le Handyrack (le cas échéant) et les grilles du four.

Mettez l'appareil hors tension.

Dévissez le couvercle de l'ampoule en tournant en sens anti-horaire. Dévissez l'ampoule défectueuse. Vissez l'ampoule de rechange, puis revissez le couvercle de l'ampoule. Remettez l'appareil sous tension et vérifiez que l'ampoule fonctionne.

Consignes générales de sécurité

La cuisinière doit être installée par un électricien qualifié, conformément aux instructions d'installation. Elle doit faire l'objet d'un entretien effectué par un technicien d'entretien qualifié, lequel doit utiliser uniquement des pièces de rechange approuvées. Demandez à l'installateur de vous indiquer l'emplacement du commutateur de commande de la cuisinière. Notez cet emplacement à des fins de référence. Laissez toujours la cuisinière refroidir et mettez-la hors tension avant de la nettoyer ou d'effectuer une intervention d'entretien, sauf indication contraire dans les présentes instructions.

Prenez garde lorsque vous touchez la table de cuisson, en particulier dans les parties délimitées qui sont réservées à la cuisson. La surface en verre de la table de cuisson restera chaude même lorsque la cuisinière est éteinte. Pour prévenir les risques de brûlures, vérifiez

toujours que les commandes sont sur ARRET (OFF) et que la totalité de la surface en verre de la table de cuisson a refroidi avant de la nettoyer.

Eteignez toujours la cuisinière avant de désteroler un récipient de cuisson du plan de travail.

Ne placez jamais d'ustensiles sur la surface de cuisson lorsque la cuisinière est en marche. Ils risquent en effet de devenir chauds et de provoquer des brûlures.

Nous vous recommandons d’éviter d’essuyer toute partie de la table de cuisson tant qu’elle n’a pas refroidi et que le voyant de chaleur n’est pas éteint. Ajoutons une seule exception à cette précaution : lorsque du sucre est renversé sur la table de cuisson. À ce sujet, reportez-vous à la section « Nettoyage de la cuisinière ». Lorsque la cuisinière a refroidi, utilisez uniquement le produit nettoyant semi-liquide recommandé pour nettoyer la table de cuisson.

Pour éviter d'abîmer la surface de cuisson, ne répandez pas de produit nettoyant semi-liquide sur le verre lorsque la surface est encore chaude. Veuillez lire et suivre toutes les instructions ainsi que les avertissements indiqués sur les étiquettes des produits nettoyants semi-liquides. Après le nettoyage, utilisez un chiffon sec ou une serviette en papier pour retirer les résidus de nettoyant semi-liquide.

Évitez de faire chauffer un récipient de cuisson vide. Ceci risque en effet d'abîmer la table de cuisson et le récipient.

Veillez à ne pas placer ni ranger d'objets sur la surface de cuisson en verre pendant qu'elle est en marche.

Si vous utilisez un appareil électrique à proximité de la table de cuisson, veillez à ce que le cordon de l'appareil n'entre pas en contact avec la table de cuisson.

Si la surface du chauffe-plats est fissurée, mettez immédiatement la cuisinière hors tension et faites-la réparer.

Servez-vous de récipients de cuisson adaptés à la taille de la partie utilisée et veillez à ce qu'ils soient dotés d'un fond plat suffisamment grand pour couvrir le plan de travail choisi. En utilisant un récipient trop petit, vous risquez de vous trouver en contact direct avec une partie du plan de travail, vos vêtements pouvant alors prendre feu. L'utilisation de récipients de cuisson adaptés au plan de travail choisi permettra également d'améliorer l'efficacité de la cuisinière.

Ne faites pas glisser de récipient de cuisson sur la surface de cuisson car vous risquez de rayer le verre. Même s'il est capable de résister aux rayures, le verre en conserverait les marques. Les instruments pointus, les bagues ou autres bijoux et les boutons de vêtements peuvent rayer la surface de la table de cuisson.

N'utilisez pas la surface de cuisson pour couper des aliments.

Ne rangez pas d'objets lourds au-dessus de la table de cuisson. Ils risqueraient de l'abîmer en cas de chute.

Toutes les parties de la cuisinière deviennent chaudes lorsque l'appareil est en marche et resteront chaudes même lorsque la cuisson est terminée.

Au besoin, utilisez des gants de cuisine secs - l'emploi de gants humides risque de causer des brûlures dues à la vapeur lors du contact avec une surface chaude. Ne faites jamais fonctionner la cuisinière avec des mains mouillées.

N'utilisez pas de torchon ou autre chiffon épais à la place d'un gant de cuisine. Ils risquent de s'enflammer au contact d'une surface chaude.

Nettoyez la table de cuisson avec précaution. Si vous utilisez une éponge ou un chiffon humide pour essuyer des taches sur une surface chaude, prenez garde aux brûlures par la vapeur. Certains produits nettoyants peuvent produire vapeurs nocives au contact d'une surface chaude.

N'utilisez pas de casseroles instables et tournez les manches vers l'intérieur de la table de cuisson.

Ne laissez jamais les bébés, les tout-petits et les jeunes enfants s'approcher de la cuisinière. Ne les laissez jamais s'asseoir ni monter sur une partie de la cuisinière. Apprenez-leur à ne pas jouer avec les commandes ou avec une partie quelconque de la cuisinière.

Ne rangez jamais dans des placards au-dessus d'une cuisinière quoi que ce soit susceptible d'attirer l'attention des enfants - des enfants grimpant sur une cuisinière pour atteindre des objets risquent de se blesser gravement.

Nettoyez uniquement les pièces indiquées dans les présentes instructions.

Pour des raisons d'hygiène et de sécurité, la cuisinière doit toujours être propre, afin de prévenir le risque d'incendie causé par l'accumulation de graisse et autres particules alimentaires.

Veillez à ce que les revêtements muraux inflammables, rideaux, etc. soient toujours suffisamment éloignés de la cuisinière.

N'utilisez pas d'aérosols à proximité de la cuisinière lorsque celle-ci est en marche.

N'entreposez pas de matériaux combustibles ou de liquides inflammables à proximité de la cuisinière.

N'utilisez pas d'eau pour éteindre les incendies dus à la graisse. Ne soulevez jamais un récipient de cuisson qui a pris feu. Éteignez la cuisinière. Étouffez un récipient qui a pris feu, sur un plan de travail, en le recouvrant complètement avec un couvercle de taille appropriée ou une plaque de cuisson. Si possible, utilisez un extincteur à poudre chimique ou à mousse de type polyvalent.

Ne laissez jamais la cuisinière en marche sans surveillance si les brûleurs de la table de cuisson sont réglés sur maximum. Le débordement des récipients de cuisson peut produire de la fumée et des taches de gras qui risquent de s'enflammer.

Ne portez pas de vêtements amples ou flottants lorsqu vous utilisez la cuisine. Prenez garde lorsqu vous essayez d atteindre des objets dans des placards situés au-dessus de la table de cuisson. Des matériaux inflammables risquent de s'enflammer au contact d'une surface chaude et provoquer des brûlures graves.

Faites très attention lors du chauffage des graisses et des huiles car celles-ci risquent de s'enflammer en cas de surchauffe.

Si possible, utilisez un thermomètre à bain de friture pour prévenir une surchauffe de l'huile au-delà du point de fumée.

Ne laissez jamais une friteuse sans surveillance. Faites toujours chauffer l'huile lentement, en la surveillant. Les friteuses ne doivent être remplies qu'à un tiers de leur capacité. Une friteuse trop pleine peut déborder lorsqu'on y plonge des alimentés. Si vous utilisez un mélange d'huile et de graisse pour la friture, mélangez-les avant de chauffer, ou pendant la fonte des graisses.

Les aliments à frire doivent être le plus sec possible. La présence de cristaux de glace sur des aliments congelés ou d'humidité sur des aliments frais peut provoquer une ébullition et un débordement de l'huile.

Surveillez attentivement pour prévenir les débordements et la surchauffe pendant la friture à haute ou moyenne température. N'essayez jamais de déplacer un réseau de cuisson contenant de l'huile chaude, en particulier une friteuse. Attendez que l'huile ait refroidi.

Lorsque le grill est en marche, ne vous servez pas de la grille d'évacuation (la grille le long de la partie arrêtée de la cuisinière) pour réchauffer des assiettes ou des plats, sécher des torchons ou ramollir du beurre.

Veillez à prévenir toute infiltration d'eau dans la cuisine.

Seuls certains types de récipients en verre, vitrocéramique, terre cuite ou autres récipients émaillés peuvent être utilisés sur la table de cuisson; les autres risquent de se briser en raison du changement soudain de température.

N'autorisez personne à grimper, se tenir ABOUT ou s'accrocher sur ou à une partie de la cuisinière.

Ne recouvre pas les grilles, les panneaux internes ou la voûte du four de papier aluminium.

Veillez à ce que la cuisine soit bien ventilée en permanence. Utilisez des extracteurs ou des hottes aspirantes dans la mesure du possible.

Ne chauffez jamais des récipients alimentaires qui n’ont pas été ouverts. La pression accumulée à l’intérieur du récipient peut le faire éclater et blesser l’utilisateur.

La cuisine est conçue uniquement pour la cuisson domestique et ne doit pas être utilisée à d'autres fins.

N'UTILISEZ PAS le four pour chauffer la cuisine ; non seulement c'est un gaspillage d'énergie, mais il peut y avoir surchauffe des boutons de commande.

Lorsque le four est en marche, NE LAISSEZ PAS la porte du four ouverte plus longtemps que nécessaire.

Les caractéristiques techniques de cette cuisinière ne doivent pas être modifiées.

Cet appareil est lourd; prenez garde lorsque vous le déplacez.

Lorsque la cuisine n'est pas utilisée, vérifie que les boutons de commande sont sur la position Arrêt (Off).

Entretien et pièces de rechange

Veuillez remplir la fiche technique ci-dessous et la conserver à des fins de référence ultérieure – cette information nous permettra d'identifier exactement votre cuisinière et de mieux répondre à vos besoins. Cette fiche vous fera gagner du temps et vous sera très utile plus tard en cas de problème concernant votre cuisinière. Nous vous conseillons également de conserver votre reçu d'achat avec la présente brochure. Vous devrez peut-être présenter ce reçu pour valider une visite sur place dans le cadre de la garantie.

Type de combustible :

Vitrocéramique électrique

Nom et couleur de l'appareil*

Numéro de série de l'appareil*

Nom et adresse du détaillant

Date d'achat

Nom et adresse de l'installateur

Date d'installation

  • Cette information figure sur le badge technique de l'appareil.

En cas de problème

Dans le cas peu probable où vous auriez un problème avec votre cuisinière, veuillez d'abord lire le reste de la présente brochure, en particulier la section de dépannage, pour vérifier que l'appareil est utilisé correctement.

Si le problème persiste, contactez votre fournisseur.

Remarque

Si votre appareil n'est plus couvert par la garantie, notre fournisseur de services d'entretien peut vous facturer cette visite.

Si vous devez appeler un technicien d'entretien et si le dernier n'est pas la responsabilité du fabricant, notre fournisseur de services d'entretien se réserve le droit de facturer son intervention.

Les rendez-vous non respectés par le client peuvent être facturés.

Après la période de garantie

Nous recommandons un entretien périodique de nos appareils pendant toute leur vie utile afin de garantir des performances et une efficacité optimales.

Les travaux d'entretien doivent être effectués uniquement par des personnes techniquement compétentes et qualifiées.

Pièces de rechange

Pour garantir une performance optimale et sûre, nous recommandons l'utilisation exclusive de pièces d'origine. N'utilisez pas de commandes remises à neuf ou non autorisées. Contactez votre fournisseur.

Installation

Cette cuisinière est donc uniquement pour un usage domestique. Toute autre utilisation n'engage ni la responsabilité, ni la garantie du fabricant.

Mesures/règlements de sécurité

Cette cuisinière doit être installée par un électricien qualifié, conformément à la réglementation appropriée et aux prescriptions de la Compagnie d'électricité locale. Lisez les instructions avant d'installer ou d'utiliser cet appareil.

Avant l'installation, vérifiez que la cuisinière convient à la tension d'alimentation électrique. Reportez-vous au badge technique.

L'installation de la cuisinière nécessitera l'emploi du matériel indiqué ci-dessous.

Multimètre (pour les contrôles électriques)

Un mètre en acier

Un tournevis cruciforme

Un niveau à bulle

Un outil de mise à niveau de cuisinière (fourni dans le pack)

Positionnement de la cuisinière

FALCON CLAS90 DFWH/C EU BLC - Positionnement de la cuisinière - 1

FALCON CLAS90 DFWH/C EU BLC - Positionnement de la cuisinière - 2

Les schémas indiquent les cotes minimales recommandées entre la cuisine et les surfaces adjacentes.

Ne placez pas la cuisine sur un support.

Le pourtour de la table de cuisson doit être au niveau ou au-dessus de tout plan de travail adjacent. Au-dessus du niveau de la table de cuisson, laissez un espace de 75 mm entre chaque côté de la cuisinière et toute surface verticale adjacente.

Pour les surfaces non-combustibles (telles que le métal non peint ou les carrelages), cette cote peut être de 25 mm.

Laissez un espace de 650 mm au minimum entre la partie supérieure de la table de cuisson et une surface horizontalement combustible.

Toute hotte de cuisinière doit être installée conformément aux instructions du fabricant de hotte.

Par mesure de sécurité, ne placez pas de rideaux directement derrière la cuisinière.

Nous recommandons de laisser un espace de 910mm entre les unités pour permettre le déplacement de la cuisinière. Si la cuisinière doit être encastrée, placez-la à niveau avec l'élément d'un côté, puis montez l'élément de l'autre côté.

FALCON CLAS90 DFWH/C EU BLC - Positionnement de la cuisinière - 3

Si la cuisine est près d'un coin de la cuisine, un dégagement de 130 mm est nécessaire pour permettre l'ouverture des portes du four.

Déballage de la cuisinière

La cuisinière est très lourde. Prenez garde lorsque vous la déplacez. Nous recommandons de faire appel à deux personnes pour déplacer la cuisinière. Assurez-vous que le revêtement du sol est solidement fixé en place ou retirez-le afin d'éviter de l'abîmer en déplaçant la cuisinière.

N'enlevez aucun emballage de la cuisinière tant que celle-ci n'est pas directement en face de l'emplacement où elle sera installée (sauf si, dans son emballage externe, la cuisinière ne peut pas passer par une porte).

Reportez-vous à la feuille volante relative au déballage.

Mise à niveau

Nous vous recommandons d'utiliser un niveau à bulle placé sur l'une des grilles de four pour vérifier le niveau.

Placez la cuisinière à l'emplacement prévu pour son installation, en veillant à ne pas exercer de force de torsion lorsque vous l'insérez entre les éléments de cuisine, pour ne pas l'endommager ou endommager les éléments.

Les supports avant et les galets arrêté réglables permettent la mise à niveau de la cuisinière. Pour régler la hauteur de l’arrêté de la cuisinière, utilisez l’outil de mise à niveau fourni pour tourner les écrous de réglage aux coins avant inférieurs de l’appareil.

FALCON CLAS90 DFWH/C EU BLC - Mise à niveau - 1

Pour régler les supports avant, tournez les socles pour lever ou abaisser.

Montage des poignées (uniquement sur certains modèles)

Déposez les vis Allen 4 mm des portes à l'aide de la clé hexagonale. Montez les poignées de porte à l'aide des vis.

FALCON CLAS90 DFWH/C EU BLC - Montage des poignées (uniquement sur certains modèles) - 1

Les poignées doivent être au-dessus des fixations.

FALCON CLAS90 DFWH/C EU BLC - Les poignées doivent être au-dessus des fixations. - 1

Déposez les vis Allen 4 mm des coins supérieurs du panneau de commande et montez la barre ornamentale avant.

FALCON CLAS90 DFWH/C EU BLC - Les poignées doivent être au-dessus des fixations. - 2

Montage du dosseret (en option - uniquement sur certains modèles)

FALCON CLAS90 DFWH/C EU BLC - Montage du dosseret (en option - uniquement sur certains modèles) - 1

vue depuis l'arête de la cuisinière

Déposez les deux vis de fixation (vis à pans creux hexagonales 3 mm) et les écrous qui traversent la partie supérieure de la grille arrière. Maintenez le dosseret en place. De l'arrière, replacez les 2 vis et les écrous.

Raccordement électrique

Cette cuisinière doit être installée par un électricien qualifié, conformément à la réglementation appropriée et aux prescriptions de la compagnie d'électricité locale.

MISE EN GARDE : CET APPAREIL DOIT ETRE MIS A LA TERRE

Remarque

La cuisinière doit être raccordée à l'alimentation électrique correcte, indiquée sur l'étiquette de tension sur l'appareil, par le biais d'une unité de commande de cuisinière appropriée à interrupteur bipolaire (avec une séparation de contact de 3 mm au minimum entre les pôles). Cette cuisinière ne doit pas être raccordée à une prise d'alimentation domestique ordinaire.

La charge électrique totale de cet appareil est de 14,8 kW environ. Le câble utilisé doit avoir un calibre adapté à la charge et être conforme à toutes les prescriptions locales.

Pour accéder au bornier d'alimentation secteur, retirez le boitier électrique sur le panneau arrière.

Raccordez les câbles d'alimentation secteur aux bornes correctes pour votre type d'alimentation électrique.

Veuillez notes que le calibre de cable maximum est de 6 mm2 pour les bornes de vis et de 10mm2 pour les fils à trois dents.

FALCON CLAS90 DFWH/C EU BLC - Remarque - 1

FALCON CLAS90 DFWH/C EU BLC - Remarque - 2

Vérifiez que les connecteurs sont montés correctement et que les vis des bornes sont bien serrées. Fixez le câble d'alimentation secteur à l'aide du serre-câble.

Disjoncteurs-déTECTeurs de fuites de terre commandés par injection de courant

Lorsque l'installation de la cuisinière est protégée par un dispositif pour courant résiduel (DCR) d'une sensibilité de 30 milliampères, l'utilisation combinée de votre cuisinière et d'autres appareils domestiques peut occasionnellement causer des disjonctions fortuites. Dans ce cas, il est utile de protéger le circuit de la cuisinière avec un dispositif de 100mA. Cette intervention doit être effectuée par un électricien qualifié.

Surface de cuisson

Allumez chaque surface de cuisson et vérifiez qu'elle commence à chauffer.

Grill

Ouvrez la porte de l'enceinte du grill. Tournez le bouton de commande du grill et vérifiez que le grill commence à chauffer.

Contrôle des fours

L'horloge doit être réglée sur l'heure actuelle pour que les jours puissent fonctionner.

Appuyez sans relâcher, comme indiqué.

FALCON CLAS90 DFWH/C EU BLC - Contrôle des fours - 1

En même temps, appuyez sur - ou + jusqu'à l'affichage de l'heure correcte.

N'oubliez pas que c'est une horloge 24 heures.

Si vous fait une erreur ou si vous vous trompez de bouton, mettez l'appareil hors tension pendant une ou deux minutes, puis reconnectez la procédure.

Mettez le four en marche et vérifiez que le ventilateur du four se met en marche et que le four commence à chauffer. Eteignez le four.

Éclairage du four

Appuyez sur l'interrupteur d'éclairage du four et vérifiez que l'éclairage fonctionne.

N. B. L'ampoule de l'éclairage du four n'est pas incluse dans la garantie.

Montage de la plinthe

FALCON CLAS90 DFWH/C EU BLC - Montage de la plinthe - 1

Dévissez les 3 vis le long du bord inférieur avant de la cuisine. Insérez l'encoche centrale en forme de trou de serrure sur la vis centrale. Tournez et insérez les encoches d'extrémités en trou de serrure sur leurs vis respectives. Serrez les vis de fixation.

Conseils à la clientèle

Veuillez inscrire les informations vous concernant dans les présentes instructions. De même, indiquez à l'utilisateur comment faire fonctionner la cuisine et remettez-lui les instructions.

Notice d'entretien

Débranchez l'alimentation d'électricité avant toute intervention d'entretien, notamment si vous devez retirer l'un des éléments suivants : panneau de commande, panneaux latéraux, table de cuisson en céramique ou l'un des composants électriques ou des boîtiers. Avant de rebrancher l'alimentation électrique, effectuez les contrôles de sécurité nécessaires.

1. Retrait d'un panneau latéral

Débranche l'alimentation d'électricité.

Tirez la cuisine vers l'avant.

Tirez sur les chapeaux d'extrémité du panneau de commande à ajustage appuyé et retirez les vis de fixation d'extrémité situées sous le chapeau d'extrémité.

Retirez les vis de fixation de chaque panneau (1 à l'avant et 2 à l'arrière). Les vis de fixation de la partie inférieure avant (une de chaque côté) sont situées sous le bord inférieur au niveau des angles avant des panneaux latéraux.

Remontez en procédant dans l'ordre inverse.

2. Pour soulever la table de cuisson en céramique

Tirez la cuisine vers l'avant.

FALCON CLAS90 DFWH/C EU BLC - Pour soulever la table de cuisson en céramique - 1

Tirez sur les chapeaux d'extrémité du panneau de commande à ajustage appuyé et retirez les vis de fixation d'extrémité situées sous le chapeau d'extrémité.

Déposez les vis de fixation de la partie inférieure avant (une de chaque côté) situées sous le bord inférieur au niveau des angles avant des panneaux latéraux.

Faites pivoter les panneaux latéraux pour accéder aux vis de fixation de la table de cuisson (une de chaque côté) au niveau de l’avant supérieur des montants latéraux. Déposez ces vis.

Attention

Le matériel de la table de cuisson est beaucoup plus susceptible de rayer sur le dessous que sur la surface supérieure.

Soulevez la table de cuisson en céramique à l'avant et placez-la sur un support non métallique.

Veillez à ne pas toucher ni rayer le dessous de la partie céramique car ceci risque d'affaiblir sa résistance et de faire éclater la surface de cuisson.

3. Remplacement de l'élément table de cuisson

Soulevez la table de cuisson comme indiquée plus haut au point 2. A, vous pouvez accéder aux éléments.

4 Retrait du panneau de commande

Débranche l'alimentation d'électricité.

Cuisinières avec une barre ornamentale

Déposez la barre ornamentale en desserrant les 2 vis de fixation de support d'extrémité.

FALCON CLAS90 DFWH/C EU BLC - Cuisinières avec une barre ornamentale - 1

Tirez sur les chapeaux d'extrémité du panneau de commande à ajustage appuyé et retirez les vis de fixation d'extrémité situées sous le chapeau d'extrémité.

Cuisinières sans barre ornamentale

Soulevez l’avant de la table de cuisson en céramique - voir le point 2. Retirez les vis supérieures du panneau de commande.

Tirez pour enlever tous les boutons de commande.

Ouvrez les portes du four et du gril et retirez les vis de fixation du panneau de commande au-dessous du panneau de commande. Les vis situées juste sous l'horloge sont destinées au support de fixation de l'horloge. Ne les retirez pas.

FALCON CLAS90 DFWH/C EU BLC - Cuisinières sans barre ornamentale - 1

Tirez le panneau de commande vers l'avant et débranchez le câblage de l'arrière.

Remontez en procédant dans l'ordre inverse. Pour remettre les fils électriques, reportez-vous au schéma de câblage. Contrôlez le fonctionnement de la minuterie.

5. Retrait de l'interrupteur d'éclairage du four

Retirez le panneau de commande (voir point 4).

N. B. Il se peut que l'ancien interrupteur soit détruit au cours de l'opération de retrait.

Retirez le bouton d'interrupteur et l'ancien interrupteur de l'encadrement en prenant bien en main le corps de l'interrupteur depuis l'arrière du panneau de commande et en tournant d'un coup sec.

Retirez ensuite l'encadrement de l'interrupteur en retournant les languettes de verrouillage et poussez vers l'avant. Posez le nouvel encadrement sur le panneau de commandes. Commencez par aligner la clé en relief figurant sur la partie principale avec la découpe du panneau de commandes, puis poussez en place depuis l'avant. Montez le nouvel interrupteur sur l'encadrement en alignant les parties clés et en enfonçant pour le mettre en place. Posez le nouveau bouton en le poussant depuis l'avant.

Remettez le panneau de commande en place en procédant dans l'ordre inverse et effectuez un essai pour vérifier que l'interrupteur fonctionne correctement.

6. Retrait de la minuterie électronique

Débranche l'alimentation d'électricité.

Retirez les boutons de commande de la minuterie et déposez le panneau de commande (voir point 4). Retirez l'ensemble de minuterie/support de montage du

panneau de commande en dévissant les deux vis de fixation. Retirez la minuterie de son support de montage en appuyant sur les languettes en plastique situées sur le boîtier de la minuterie tout en tirant l'unité vers l'avant.

Remontez en procédant dans l'ordre inverse. Pour remettre les fils électriques, reportez-vous au schéma de câblage. Contrôlez le fonctionnement de la minuterie.

7. Retrait d'un thermostat

Soulevez le haut de la table de cuisson en céramique (voir point 2). Retirez le panneau de commande (voir point 4). Ouvrez la porte de four appropriée et déposez les éléments de cuisson du four.

Retirez le couvercle du tube en verre du thermostat (2 vis). Dégagez le tube en verre du thermostat des clips de retenue sur l'arête du four.

Four haut

Déposez la partie arrière interne du four - voir point 18. Dégagez le tube en verre du thermostat des clips de retenue sur l’arrête du four.

Sortez le tube capillaire du four. Débranchez le câblage du thermostat. Déposez les deux vis retenant le thermostat au panneau de montage. Posez le nouveau thermostat et réassemblez en procédant dans l'ordre inverse. Vérifiez que le tube en verre est solidement fixé à l'arrière du four et qu'il est positionné entre les clips de retenue.

Contrôlez le fonctionnement du thermostat.

8. Remplacement d'un contrôleur de grill

Soulevez le haut de la table de cuisson en céramique (voir point 2). Retirez le panneau de commande (voir point 4). Débranchez le câblage du contrôleur. Déposez les deux vis retenant le contrôleur au panneau de montage. Posez le nouveau contrôleur et réassemblez en procédant dans l'ordre inverse. Vérifiez que le contrôleur fonctionne correctement.

9. Dépose de la porte du grill

Déposez le panneau gauche (voir point 1). Retirez le panneau de commande (voir point 4). Retirez la cornière de protection centrale (5 vis - 2 en haut, 2 en bas et une au milieu). Retirez les deux vis à tête noyée (1 de chaque côté) qui retiennent les bras articulés du grill à l'avant de l'enceinte du grill.

REMARQUE : Les bras sont retenus par ressort. Procédez avec soin pour retirer la porte du gril. Conservez les joints.

Procédez au réassemblage dans l'ordre inverse, en vérifiant que le joint est monté entre le bras articulé et l'avant de l'enceinte du gril.

10. Retrait de la porte du four principal

Ouvrez la porte du four et retirez le Handyrack (le cas échéant) en faisant glisser un côté du support de la porte et en faisant glisser l'autre pour extraire le tout. Soutenez la porte et déposez les deux vis retenant la charnière supérieure et le joint à l'avant du four. Retirez la porte de

la charnière inférieure en la levant légèrement afin de la dégager de l'appareil.

Remontez en procédant dans l'ordre inverse.

11. Remplacement de panneau extérieur de porte du four principal

Avancez la cuisinière afin de pouvoir accéder aux côtés. Il existe deux types de portes.

Fixation en haut et en bas

FALCON CLAS90 DFWH/C EU BLC - Fixation en haut et en bas - 1

Entrouvez la porte du four et retirez les vis de fixation du panneau avant du haut et du bas de la porte (A).

Soulevez le panneau de porte extérieur avec précaution.

Retirez la poignée de porte du panneau en dévissant les 2 écrous de retenue. Posez la poignée de porte sur le nouveau panneau.

Posez le panneau sur la porte. Remontez en procédant dans l'ordre inverse.

Fixation sur le côté

Entrouvrez la porte du four et retirez les vis de fixation du panneau avant des côtés de porte (deux de chaque côté).

FALCON CLAS90 DFWH/C EU BLC - Fixation sur le côté - 1

Soulevez le panneau de porte extérieur avec précaution.

Retirez la poignée de porte du panneau en dévissant les 2 écrous de retenue. Posez la poignée de porte sur le nouveau panneau.

Posez le panneau sur la porte. Remontez en procédant dans l'ordre inverse.

12. Remplacement du verrouillage de porte du four principal

Retirez le panneau de porte extérieur (voir point 15). Retirez les vis "B" fixant l'ensemble du dispositif de verrouillage au panneau de porte extérieur. Posez le nouveau loquet et réassemblez en procédant dans l'ordre inverse.

Vérifiez que la porte fonctionne correctement.

FALCON CLAS90 DFWH/C EU BLC - Remplacement du verrouillage de porte du four principal - 1

13. Remplacement du joint d'étanchéité de porte de four

Ouvrez la porte du four. Le joint est maintenu en place à l'aide de petits crochets placés sur la face arrière. Depuis l'angle, tirez sur le joint dans le sens de la diagonale et à l'écart du centre de la porte, jusqu'à ce que le crochet se défasse. Passez au crochet suivant et libérez-le, ainsi que les suivants, selon le même procédé. Vous pouvez forcer si les crochets résistent car l'ancien joint sera mis au rebut.

FALCON CLAS90 DFWH/C EU BLC - Remplacement du joint d'étanchéité de porte de four - 1

Lors de la pose d'un nouveau joint, positionnez le rac-cord dans le bas. Accrochez le nouveau joint dans l'un des orifices situés à un angle de la porte et poursuivez l'opération sur tout le tour de façon à mettre chaque crochet en place.

14. Réglage de la gâche du loquet de porte du four principal

Ouvrez la porte du four, desserrez l'écrou de verrouillage à la base de la gâche et serrez ou desserrez jusqu'à obtention du réglage requis. Resserrez l'écrou de verrouillage.

15. Retrait de la partie arrêté interne du four ventilé

Ouvrez la porte du four droit et retirez les 4 vis et rondelles retenant la partie arrêté interne à l’arrête du four. Soulevez la partie arrêté interne en procédant avec précaution. Réassembliez dans l'ordre inverse, en veillant à serrer à fond les 4 vis et rondelles.

16. Retrait de la porte du four haut

Ouvrez la porte du four, soutenez la porte et déposez les deux vis retenant la charnière supérieure et le joint à l'avant du four. Retirez la porte de la charnière inférieure en la levant légèrement afin de la dégager de l'appareil. Remontez en procédant dans l'ordre inverse.

17. Remplacement de panneau extérieur de porte de four haut

Déposez la porte du four - voir point 16. Posez la porte face vers le bas sur une surface adaptée et déposez deux vis du bord inférieur et 2 vis de la face interne de la porte.

Retirez le panneau de porte extérieur. Retirez la poignée de porte en dévissant 2 vis. Retirez les 2 vis cruciformes retenant le support de fixation de poignée de porte au panneau de porte. Posez le support de poignée de porte et la poignée de porte sur le nouveau panneau.

Posez le panneau sur la porte. Remontez en procédant dans l'ordre inverse.

18. Remplacement du verrouillage magnétique de porte du four haut

Retirez le panneau de commande (voir point 4).

Retirez la plinthe (3 vis) et le couvercle vertical central (5 vis). Soulevez pour retirer le clip de l'élément magnétique. Posez le nouvel élément et le clip de retenue.

Remontez en procédant dans l'ordre inverse.

Vérifiez que la porte fonctionne correctement.

19. Remplacement du ventilateur de four

Débranchez l'alimentation d'électricité.

Avancez la cuisinière afin de pouvoir accéder à la partie arrière. Retirez les vis retenant le couvercle électrique à la plaque arrière et retirez le couvercle. Débranchez les 3 bornes raccordées au ventilateur en notant leur emplacement. Retirez la partie arrière interne du four (voir point 15). Maintenez la pale du ventilateur et défaites l'écrou central (filetage gauche), les 2 rondelles en cuivre, la pale et le joint d'arrêt. Dévissez les écrous de blocage et les rondelles (3 de chaque) et retirez le ventilateur de la partie arrière de la cuisinière. Posez le nouveau ventilateur et réassemblez en procédant dans l'ordre inverse. Contrôlez le fonctionnement du four.

20. Retrait de l'élément du four ventilé

Débranchez l'alimentation d'électricité.

Avancez la cuisinière afin de pouvoir accéder à la partie arrière. Retirez les vis retenant le couvercle électrique à la plaque arrière et retirez le couvercle. Débranchez les 3 bornes raccordées à l'élément en prenant note de leur emplacement. Retirez la partie arrière interne du four (voir point 15). Déposez 2 vis situées en haut de l'élément et 1 vis se trouvant en bas de l'élément à l'intérieur du four. Procédez avec précaution pour extraire l'élément. Posez le nouvel élément et réassemblez en procédant dans l'ordre inverse. Contrôlez le fonctionnement du four.

21. Dépose d'élément du grill

Débranche l'alimentation d'électricité.

Avancez la cuisinière afin de pouvoir accéder à la partie arrière. Retirez les vis retenant le couvercle électrique à la plaque arrière et retirez le couvercle. Débranchez les 4 bornes raccordées aux éléments en prenant note de leur emplacement. Déposez la l'échefrite de l'enceinte du

gril. Dans l'enceinte du gril, retirez la protection émaillée avant de la voûte du gril, les 2 vis et les rondelles. Retirez les 2 vis et les rondelles retenant le support avant de l'élement du gril. Retirez une vis de chacun des éléments du gril et enlevez les éléments de l'enceinte. Posez les nouveaux éléments et réassemblez en procédant dans l'ordre inverse. Contrôlez le fonctionnement du gril.

22. Remplacement de l'ampoule d'éclairage du four principal

Retirez la partie arrière interne du four (voir point 15). À présent, vous pouvez accéder au couvercle d'éclairage du four. Dévissez le couvercle.

Dévissez l'ampoule.

Posez une ampoule à culot vissable Edison 15 W 240 V, POUR FOURS. Ce doit être une ampoule spéciale pouvant résister à une température de 300°C.

Fiche technique

NOTICE À L'INSTALLATEUR : Veuillez remettre les présentes instructions à l'utilisateur.

EMPLACEMENT DU BADGE TECHNIQUE : Arrière de la cuisinière, badge de répétition du numéro de série sous

L'ouverture de la porte du four. Dimensions

Table de cuisson :

Hauteur totaleminimum 900 mmmaximum 925 mm
Largeur totale900 mm (Reportez-vous à la section « Positionnement de la cusinière »)
Profondeur totale648 mm
Emplacement prévu pour fixationReportez-vous à la section « Positionnement de la cusinière »
Espace minimum au-dessus de la table de cuisson650 mm

Capacités

Charge totale A 230V 15,6 kW (valeur totale approximative comprenant l'éclairage de four, le ventilateur du four, etc.)

1.1kW 1.56kW

FoursConvection foréeConvection forée
2.5kW2.5kW
Classement selon son efficacité énergétique sur une échelle allant de A (économe) à G (peu écconome)AB
Consommation d'énergie Calculée en charge normalisée0.85kWh0.95kWh
Volume utile (litres)6753
TypeGrand volumeVolume moyen
Temps de cuisson en charge normale (minutes)38 minutes49 minutes
Surface de cuisson1400cm2790cm2
Gril2.3kW

FALCON CLAS90 DFWH/C EU BLC - Capacités - 1

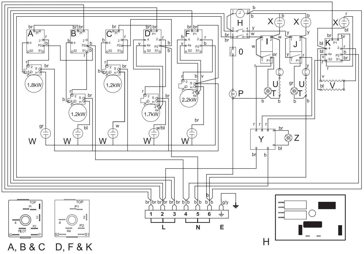
Le raccord indiqué sur le schéma de câblage est pour une alimentation monophasée. Les capacités nominales sont pour 230 V 50 Hz

A Régulateur d’énergie du circuit de la partie arrière gauche de la table de cuisson B Régulateur d’énergie de la partie avant gauche de la table de cuisson C Régulateur d’énergie de la partie arrière droite de la table de cuisson D Régulateur d’énergie de la partie avant droite de la table de cuisson E Borne de terre F Régulateur d’énergie de l’extrémité droite de la table de cuisson H Horloge Thermostat du four gauche J Thermostat du four droit K Régulateur de puissance du grill L Borne de ligne N Borne neutre O Interrupteur d’éclairage du four P Ampoule d’éclairage du four T Ventilateur du four U Élément du four ventilé 2,5 kW V Éléments du gril 1,15 kW x2 W Indicateurs de table de cuisson à néon X Indicateurs de panneau de commande à néon Y Contrôleur de ventilateur de refroidissement Z Ventilateur de refroidissement

Code couleur

Bleu Brun Orange Rouge Violet Blanc Jaune Noir

Sommaire Cliquez un titre pour y accéder
Assistant notice
Powered by Anthropic
En attente de votre message
Informations produit

Marque : FALCON

Modèle : CLAS90 DFWH/C EU BLC

Catégorie : Cuisinière électrique