1616361 - Climatiseur REMKO - Notice d'utilisation et mode d'emploi gratuit
Retrouvez gratuitement la notice de l'appareil 1616361 REMKO au format PDF.
| Type de produit | Climatiseur mobile |
| Caractéristiques techniques principales | Monobloc, refroidissement par évaporation |
| Alimentation électrique | 230 V / 50 Hz |
| Dimensions approximatives | 75 x 45 x 40 cm |
| Poids | 30 kg |
| Compatibilités | Compatible avec les fenêtres standard |
| Type de batterie | Non applicable |
| Tension | 230 V |
| Puissance | 2000 W |
| Fonctions principales | Refroidissement, déshumidification |
| Entretien et nettoyage | Filtres à nettoyer régulièrement, réservoir d'eau à vider |
| Pièces détachées et réparabilité | Disponibilité de pièces de rechange auprès du fabricant |
| Sécurité | Protection contre la surchauffe, interrupteur de sécurité |
| Informations générales utiles | Idéal pour les espaces jusqu'à 50 m², fonctionnement silencieux |
FOIRE AUX QUESTIONS - 1616361 REMKO
Questions des utilisateurs sur 1616361 REMKO
0 question sur cet appareil. Repondez a celles que vous connaissez ou posez la votre.
Poser une nouvelle question sur cet appareil
Téléchargez la notice de votre Climatiseur au format PDF gratuitement ! Retrouvez votre notice 1616361 - REMKO et reprennez votre appareil électronique en main. Sur cette page sont publiés tous les documents nécessaires à l'utilisation de votre appareil 1616361 de la marque REMKO.
MODE D'EMPLOI 1616361 REMKO
Manuel d'utilisation et d'installation
Série RKL ECO de REMKO
Climatisation ambiant local en version compacte
RKL 300 ECO, RKL 300 ECO S-Line, RKL 360 ECO, RKL 360 ECO S-Line

R290

Réfrigérant
Avant de mesurer en service/d'utiliser cet appareil, lisez attentivement ce manuel d'installation!
Ce mode d'emploi fait partie intégrante de l'appareil et doit toujours être conservé à proximité immédiate du lieu d'installation ou de l'appareil lui-même.
Sous réserve de modifications. Nous déclinons toute responsabilité en cas d'erreurs ou de fautes d'impression!
Traduction de l'original
1 Consignes de sécurité et d'utilisation 4
1.1 Consignes de sécurité generales 4 1.2 Consignes de sécurité supplémentaires concernant la manipulation du frigorigène R290.... 4 1.3 Identification des remarques 5 1.4 Qualifications du personnel.. 6 1.5 Dangers en cas de non-respect des consignes de sécurité 6 1.6Travail en toute sécurité 6 1.7 Consignes de sécurité à l'attention de l'exploitant 6 1.8 Consignes de sécurité à observer durant les travaux de montage, de maintenance et d'inspec-tion 8 1.9 Transformation arbitraire et et les changements 10 1.10 Utilisation conforme 10 1.11 Garantie 11 1.12 Transport et emballage 11 1.13 Protection de l'environnement et recyclage 11
2 Caractéristiques techniques 12
2.1 Caractéristiques des appareils 12
11 Représentation de l'appareil et liste des pièces de rechange 25
11.1 Représentation de l'appareil 25 11.2 Liste des pièces de rechange 26
1.1 Consignes de sécurité générales
Avant la première mise en service de l'appareil et de ses composants, veuillez lire attentivement ces instructions. Il contient des conseils utiles, des remarques ainsi que des avertissements pour la prévention des risques aux personnes et aux biens matériels. Le non-respect des instructions entraîne une mise en danger des personnes, de l'environnement et de l'appareil ou de ses composants et par conséquent, l'annulation des droits de garantie éventuels. - Conservez ces instructions, ainsi que les informations nécessaires à l'utilisation de l'installation (par exemple, fiche de données du frigorégène) à proximité de l'appareil. Cet appareil ne peut être installé et utilisé que conformément aux descriptions figurant dans ces instructions. Il est strictement interdit de réaliser des transformations et/ou modifications de sa propre initiative, quelle qu'en soit la nature. Les réglementations nationales relatives à l'installation doivent être respectées. Les enfants ne doivent pas rester sans surveillance à proximité de cet appareil. Pour des raisons de sécurité, les personnes représentant des handicaps mentaux, physiques ou autres ne doivent pas utiliser cet appareil sans surveillance. L'appareil ne doit pas être utilisé si son câble est endommagé. Faites réparer l'appareil immédiatement par une entreprise spécialisée. L'appareil doit uniquement être utilisé avec un câble d'alimentation doté d'une mise à la terre. Il est déconseillé d'utiliser des rallonges. Le filtre à air doit être nettoyé au plus tard toutes les 2 semaines. L'appareil ne doit pas être utilisé à proximité de sources de chaleur. L'appareil doit être transporté à la verticale. Les résidus de condensat doivent être évacués avant le transport. Avant la mise en service, l'appareil doit rester debout pendant 1 heure. - Les substances inflammables et les réservoirs sous pression ne doivent pas se couvrir à moins de 50 cm de l'appareil. L'appareil ne doit être ni stocké, ni utilisé dans des pièces contenant de l'huile, du gaz ou du soufre. L'appareil doit toujours être arrêté au moyen de l'interrupteur Marche/Arrêt. Rien ne doit être déposé sur l'appareil, en particulier chaque objet lourd ou chaud.
Les réparations ne peuvent être réalisées que par un personnel spécialisé autorisé et certifié. L'appareil ne doit pas être recouvert de films plastiques. Pour des raisons de protection de l'environnement, ces appareils ne doivent être éliminés que de manière professionnelle. Les consignes de sécurité relatives à la taille des pièces et à l'inflammabilité du frigorigène ne doivent pas être retirées de l'appareil. - Les appareils peuvent uniquement être utilisés dans des zones bien ventilées. L'appareil peut être utilisé par des enfants de 8 ans, ainsi que par des personnes ne présentant pas de handicaps physiques, mentaux ou autres s'ils ont obtenu les consignes de sécurité nécessaires. Les enfants ne doivent pas jouer avec l'appareil. Le nettoyage des appareils ne doit pas être réalisé par des enfants sans la surveillance de leur tuteur légal.

Avertissement concernant des matériaux inflammables!
Le frigorigène R290 répond aux exigences de la réglementation européenne sur les gaz fluorés. Selon le type d'appareil, les appareils contiennent 0,22 kg ou 0,25 kg de frigorigène R290. La quantité maximale autorisée de remplissage du frigorigène R290 est de 0,3 kg. Les appareils ne doivent être ni brûlés, ni alesés, ni percés. Pour le nettoyage, seuls les produits de nettoyage approuvés par le fabricant peuvent être utilisés. L'appareil ne doit jamais être utilisé dans des pièces contenant des flammes nues (par exemple, des chauffages à gaz, des cheminées ouvertes, etc.). Les composants du circuit frigorifique ne doivent pas être déformés. Le frigorigène R290 qui s'y trouve est incolore et inodore.
L'appareil ne doit être ni stocké, ni utilisé dans des pièces d'une surface au sol de 12,0 m² ou moins. L'accumulation de frigorigène due à des fuites peut provoquer un incendie et une explosion sous l'effet de la chaleur externe ou de sources d'inflammation dans les pièces trop étroites. Les appareils doivent être stockés avec grand soin. Les dommages mécaniques doivent impérativement être évités. Seul un personnel spécialisé et certifié est autorisé à intervenir dans le circuit de frigorigène conformément aux instructions de sécurité du fabricant. La maintenance et les réparations ne doivent être effectuées que par des personnes autorisées possédant des connaissances professionnelles suffisantes en matière de frigorigènes inflammables.

Avertissement!
N'utilisez que les produits recommandés par le fabricant pour accélérer l'éventuel processus de dégivrage ou pour nettoyer les appareils. L'appareil ne doit être utilisé ou stocké que dans des pièces dans lesquelles aucune appareil présentant des sources potentielles d'inflammation n'est utilisé. Le seuil inférieur de superficie de la pièce de 12,0m² doit être respecté. ATTENTION : les frigorigènes qui s'échappent sont incolores et inodores. L'appareil ne doit être ni brûlé, ni percé!
1.3 Identification des remarques
Cette section vous donne une vue d'ensemble de tous les aspects essentiels en matière de sécurité visant à garantir une protection optimale des personnes et un fonctionnement sans dysfonctions.
Les instructions à suivre et les consignes de sécurité fournies dans ce manuel doivent être respectées afin d’éviter les accidents, les dommages corporels et les dommages matériels. Les indications qui figurent directement sur les appareils doivent impérativement être respectées et toujours être lisibles.
Dans le présent manuel, les consignes de sécurité sont signalées par des symboles. Les consignes de sécurité sont précédées par des mots-clés qui expriment l'ampleur du danger.

DANGER!
En cas de contact avec les composants sous tension, il y a danger de mort immédiate par électrocution. L'endommagement de l'isolation ou de certains composants peut être mortel.

DANGER
Cette combinaison de symboles et de mots-clés attire l'attention sur une situation dangereuse imminente qui provoque la mort ou de graves blessures lorsqu'elle n'est pas évitée.

Avertissement!
Cette combinaison de symboles et de mots-clés attire l'attention sur une situation potentiellement dangereuse qui peut provoquer la mort ou de graves blessures lorsqu'elle n'est pas évitée.

Precaution!
Cette combinaison de symboles et de mots-clés attire l'attention sur une situation potentiellement dangereuse qui peut provoquer des blessures ou qui peut provoquer des dommages matériels et environnementaux lorsqu'elle n'est pas évitée ou.

Remarque!
Cette combinaison de symboles et de mots-clés attire l'attention sur une situation potentiellement dangereuse qui peut provoquer des dommages matériels et environnementaux lorsqu'elle n'est pas évitée.

Ce symbole attire l'attention sur les conseils et recommandations utiles ainsi que sur les informations visant à garantir une exploitation efficace et sans dysfonctionnements.
Série RKL ECO de REMKO
Le personnel chargé de la mise en service, de la commande, de l'inspection et du montage doit disposer de qualifications adéquates.
1.5 Dangers en cas de non-respect des consignes de sécurité
Le non-respect des consignes de sécurité comporte des dangers pour les personnes ainsi que pour l'environnement et les appareils. Le non-respect des consignes de sécurité peut entraîner l'exclusion de demandes d'indemnisation.
Dans certains cas, le non-respect peut engendrer les dangers suivants :
Défaillance de fonctions essentielles des appareils. Défaillance de méthodes prescrites pour la maintenance et l'entretien. Mise en danger de personnes par des effets électriques et mécaniques.
1.6 Travail en toute sécurité
Les consignes de sécurité, les consignes nationales en vigueur pour la prévention d'accidents ainsi que les consignes de travail, d'exploitation et de sécurité internes fournies dans le présent manuel d'emploi doivent être respectées.
1.7 Consignes de sécurité à l'attention de l'exploitant
La sécurité de fonctionnement des appareils et composants est garantie uniquement sous réserve d'utilisation conforme et de montage intégral.
Cet appareil ne peut être installé et utilisé que conformément aux descriptions figurant dans ces instructions. Il est strictement interdit de réaliser des transformations et/ou modifications de sa propre initiative, quelle qu'en soit la nature. Les enfants ne doivent pas rester sans surveillance à proximité de cet appareil. Pour des raisons de sécurité, les personnes représentant des handicaps mentaux, physiques ou autres ne doivent pas utiliser cet appareil sans surveillance. L'appareil ne doit pas être utilisé si son câble est endommagé. Faites réparer l'appareil immédiatement par une entreprise spécialisée. L'appareil doit uniquement être utilisé avec un câble d'alimentation doté d'une mise à la terre. Il est déconseillé d'utiliser des rallonges. Le filtre à air doit être nettoyé au plus tard toutes les 2 semaines. L'appareil ne doit pas être utilisé à proximité de sources de chaleur.
L'appareil doit être transporté à la verticale. Les résidus de condensat doivent être évacués avant le transport. Avant la mise en service, l'appareil doit rester debout pendant 1 heure. Il est interdit de faire fonctionner l'appareil dans des pièces représentant de possibles sources d'inflammation (flammes nues, chauffages au gaz ou électrique, cheminées). L'appareil ne doit être installé, utilisé et stocké que dans des pièces dont la superficie est supérieure à 12.0m². Le cas échéant, il est interdit de démonter la protection contre les contacts accidentels (grille) des pièces mobiles durant le fonctionnement de l'appareil. Il est interdit d'exploiter les appareils et composants lorsqu'ils présentent des vices ou dommages visibles à l'œil nu. Le contact avec certaines pièces ou composants des appareils peut provoquer des brûlures ou des blessures. Les appareils et composants ne doivent jamais être exposés à des contraintes mécaniques, à des jets d'eau sous pression ou encore à des températures extrêmes. Ne jamais percer la coque et ne pas mettre l'appareil en contact avec du feu. Les espaces dans lesquels le frigorigène peut s'échapper doivent être suffisamment ventilés et aérés. Sinon, il existe un risque d'étouffement. Tous les composants du carter et les ouvertures de l'appareil, telles que les ouvertures d'admission et d'évacuation de l'air, doivent être exempts de corps étrangers, de liquides ou de gaz. Les climatiseurs ambiants locaux sont conçus en vue d'une utilisation flexible dans des espaces d'habitation et de travail. Il n'est pas recommandé de les utiliser à l'année. Il est interdit de les utiliser dans des salles de serveurs. Ne laissez pas les appareils sans surveillance pendant une longue période.
Une utilisation non conforme peut gravement endommager l'appareil.
Veuillez lire attentivement ces instructions avant la mise en service!
L'appareil et en particulier le panneau de commande ne doit jamais être en contact avec de l'eau.

Ne jamais couvrir les sorties et les entrées d'air.

Les enfants ne doivent pas jouer avec l'appareil.

Ne rien déposer sur l'appareil et ne pas s'asseoir dessus.

Avant de nettoyer l'appareil, débrancher le connecteur secteur.

Ne démonter aucun composant du carter (faire appel à une entreprise spécialisée).

En cas de non-utilisation prolongée, débrancher le connecteur secteur.

Veiller à ce que la tension du secteur soit correcte (220-240 V CA, 50 Hz).

Ne pas utiliser l'appareil si la prise ou le câble est défectueux.

Vérifier la zone de travail
Avant de commencer à travailler sur des appareils contenant des frigorigènes inflammables, s'assurer que les éventuelles sources d'inflammation ont été éliminées et que tout risque d'inflammation des frigorigènes est exclu. Concernant la réparation des appareils, toujours tenir compte des consignes de sécurité susmentionnées. Les travaux ne doivent être effectués que par un personnel spécialisé, autorisé et rompu à la manipulation des frigorigènes inflammables!
Préparer la zone de travail
Toutes les personnes représentées doivent savoir qu'une opération de réparation est en cours et les personnes qui ne participant pas doivent quitter la zone de travail. Il est interdit de travailler dans des pièces trop exiguës. Le lieu de travail doit être rangé. Il convient de s'assurer que les conditions ambiantes convennent à la manipulation de frigorigènes inflammables.
Détecter les fuites de frigorigène. vérifier l'atmosphère ambiante
Toute intervention sur le circuit frigorifique peut à tout moment donner lieu à une fuite de frigorigène. Au moyen de détecteurs de frigorigène adaptés, s'assurer en permanence de l'absence d'atmosphère inflammable sur le lieu de travail. S'assurer que le détecteur de frigorigène utilisé est ajusté, approuvé et calibré pour une utilisation avec le frigorigène R290.
Mettre des extincteurs à disposition
Avant de commencer les travaux, mettre à disposition les matériels d'extinction adaptés. Dans ce contexte, les extincteurs à poudre sèche ou au CO_2 conviennent par exemple.
Éliminer les évventuelles sources d'inflammation
Une fuite de frigorigène associée à des sources d'inflammation entraîne une explosion. Par conséquent, toute source d'inflammation doit être éliminée de la zone de travail! Il est notamment interdit de fumer. Informer toutes les personnes représentées, notamment en mettant en place des panneaux de sécurité et en isolant la zone de travail.
Ventilation suffisante
Avant de commencer les travaux, s'assurer que la zone de travail se trouve à l'extérieur ou est suffisamment ventilée. Pendant les travaux, un flux de ventilation continu est indispensable. Le dispositif d'évacuation d'air doit garantir la sécurité des personnes qui travaillent : tout frigorégène qui s'échappe doit être éliminé de manière sûre et évacué de manière optimale dans l'atmosphère.
Contrôle du circuit frigorifique
Si des composants électroniques doivent être remplacés, s'assurer que la pièce de rechange présente la même fonction et les mêmes caractéristiques techniques. Dans tous les cas, les instructions de maintenance et de remplacement du fabricant doivent être respectées. En cas de problèmes ou de questions, contacter l'assistance du fabricant. Lors de l'utilisation de frigorigènes inflammables, les contrôles de sécurité suivants doivent être effectifs : - La quantité de remplacement correspond à la taille de la pièce dans laquelle l'appareil est installé. - Le dispositif d'évacuation et ses sorties fonctionnent de manière impeccable et ne sont ni bloqués ni obstrués.
Contrôle des composants électroniques
Avant de réparer et de maintenir des composants électroniques, un contrôle des composants et de la sécurité doit être effectué. Si la sécurité n'est plus assurée en raison d'un composant défaillant, le montage ne doit pas avoir lieu tant que le problème n'a pas été résolu. Si la défaillance de la pièce de rechange ne peut pas être éliminée et que l'appareil ne peut pas être immobilisé plus longtemps, une solution temporaire adaptée doit être mise en œuvre. Le contrôleur/exploitant de l'appareil doit être informé en conséquence. Le contrôle de sécurité approfondi doit inclure les aspects suivants:
- Les condenseurs sont déchargés. Un déchargement doit avoir lieu dans le cadre d'une opération sécurisée afin d'éviter les étincelles.
- Aucun composant électronique n'est actif ou chaque fil non isolé n'est lié pendant le remplissage, la réparation et le nettoyage.
- Le système ne doit pas présenter de mise à la terre.
Réparations sur des composants fermés
Avant de réparer des composants/pièces du boîtier fermés, l'appareil doit être mis hors tension. S'il est impossible d'effectuer la réparation hors tension, le dispositif de détention des fuites doit être utilisé pour contrôler le lieu critique et détecter les éventuelles fuites de frigorigène.
Les consignes suivantes doivent être respectées lors des travaux effectués sur des composants électroniques si le boîtier a fait l'objet de modifications portant atteinte à sa sécurité. Cela s'applique également aux cas dans lesquels les câbles sont endommagés ou trop longs, ou encore en cas d'assemblage de broches incorrect, c'est-à-dire si l'on constate que les raccords ne sont pas affectés comme à l'origine ou qu'il existe d'autres écarts par rapport à l'état attendu.
Réparation des composants à sécurité intrinsèque
Ne pas introduire de charges inductives ou capacitives permanentes dans les circuits de commande existants sans s’assurer qu’elles ne dépassent pas les tensions et courants maximaux admissibles des modules et des câbles. Les composants à sécurité intrinsèque sont les seuls à pouvoir être utilisés en présence de substances inflammables. Le dispositif de contrôle doit être réglé en fonction des conditions en présence. N’utiliser que des composants approuvés officiellement par le fabricant en tant que pièces de rechange. Les composants non approuvés peuvent entraîner un incendie en cas de fuite dans le circuit du frigorigène.
Câblage
Les câbles doivent être contrôlés afin de repérer les dommages suivants :
- Dommages au niveau de l'isolation
- Corrosion au niveau des points de contact
- Pression excessive sur les câbles
- Dommages dus aux vibrations
- Dommages dus aux arêtes coupantes
- Dommages causés par d'autres facteurs non mentionnés
Lors du contrôle, tenir également compte du vieillissement du matériel ainsi que des charges de vibration permanentes dues, par exemple, aux compresseurs ou ventilateurs.
Détection des frigorigènes inflammables
Lors de la recherche des fuites de frigorigène, n'utiliser strictement jamais de sources d'inflammation potentielles. Il est interdit d'utiliser un détecteur de fuite ou tout autre appareil comparable en présence d'une flamme.
- S'assurer que les composants sont montés correctement.
- S'assurer que les matériaux d'étanchéité ne sont pas modifiés de manière à permettre la pénétration de gaz ou d'objets inflammables à l'intérieur des composants.
- Les pièces de rechange doivent respecter les spécifications du fabricant.
Remarque!
Le recours aux silicones peut améliorer le fonctionnement des détecteurs de fuites! Les composants à sécurité intrinsique n'ont pas besoin d'être isolés avant de débuter le travail.
Méthodes de recherche des fuites
Les méthodes de détection des fuites suivantes sont approuvées pour les systèmes contenant des frigorigènes inflammables. Pour détecter les fuites, utiliser des appareils électroniques. Ceux-ci doivent être sélectionnés en fonction de la situation en présence en ce qui concerne leur sensibilité et, si nécessaire, être réétalonnés (l'étalonnage doit être effectué dans un environnement sans frigorigène). Le détecteur de fuite doit être réglé sur le seuil d'allumage le plus faible (LFL) du frigorigène. Des fuites liquides sont admissibles avec la plupart des frigorigènes. Les substances contenant du chlore constituent une exception car le chlore associé aux frigorigènes peut entraîner une corrosion des câbles en cuivre. Si une fuite est détectée, éliminer immédiatement toutes les sources d'inflammation possibles. Si une fuite a été détectée dans le système et nécessite de réparer la tuyauterie sous forme d'un brasage, le système doit être entièrement vidé de son frigorigène ou, si possible, la partie concernée doit être déconnectée du système par des robinets d'accès. Les pièces concernées du système doivent être rinçées à l'azote exempt d'oxygène avant et pendant les travaux de réparation.
Vidage du système et aspiration
Si le circuit frigorifique doit être ouvert en vue de réaliser des réparations ou pour d'autres raisons, la sécurité implique de recourir à des méthodes professionnelles. Dans tous les cas, manipuler le matériel le plus prudemment possible, car une inflammation peut se produire à tout moment! Respecter la méthode suivante :
- Évacuer le frigorigène
- Rincer le système au gaz protecteur
- Aspirer
- Répéter au besoin les étapes 2 et 3
- Ouvrir le système par une découverte ou un brasage
Pour garantir la sécurité, le système doit être rincé à l'azote exempt d'oxygène. Si nécessaire, répétez plusieurs fois l'opération de rinçage. Ne pas utiliser d'air comprimé ou d'oxygène pour l'opération de rinçage! APRÈS l'aspiration, le rinçage est réalisé en procédant à un remplissage d'azote sec jusqu'à atteindre la pression de fonctionnement, puis en effectuant une nouvelle aspiration. Ce processus de rinçage doit être répété jusqu'à ce qu'il ne reste plus de frigorigène dans le système. APRÈS le dernier rinçage, amenez le système à la pression ambiante pour pouvoir commencer à travailler. L'opération de rinçage est essentielle lorsque des travaux de brasage sont nécessaires sur la tuyauterie. S'assurer que la sortie de la pompe à vide ne se trouve pas près d'une source d'inflammation et qu'une ventilation permanente est assurée.
Opération de remplissage
En plus des exigences générales, les exigences suivantes doivent être remplies lors de l'opération de replissage :
- S'assurer de l'absence de contamination par d'autres frigorigènes (résidus dans l'équipement de remplissage).
- Faire en sorte que les câbles demeurent aussi courts que possible pour minimiser les risques de résidus.
- Les bouteilles de remplissage ou contenants doivent être à la verticale.
- Avant le remplissage, veiller à ce que le système soit mis à la terre.
- Étiqueter le système après le remplissage avec une désignation correspondant au type de frigorigène
- Ne jamais dépasser la quantité de replissage maximale.
Avant de procéder au replissage, contrôle le système à la recherche de fuites (test de pression!). Après le replissage et avant la mise en service, contrôle à nouveau le système à la recherche de fuites. Vérifier à nouveau l'étanchéité au moment de quitter le lieu de travail.
Repérage lors de la mise hors service
Si un appareil a dû être mis hors service et que le frigorigène a été mis au rebut, une date et une signature doivent être apposées sur l'appareil. S'assurer que les consignes sur le frigorigène inflammable restent générées.
Transport d'appareils contenant des frigorigènes inflammables
Les réglementations nationales doivent être respectées.
Stockage d'appareils contenant des frigorigènes inflammables
Les réglementations nationales doivent être respectées.
Transport sans l'emballage d'origine
Si les appareils sont transportés sans l'emballage d'origine, ils doivent être emballés de manière à éviter les dommages mécaniques. Les appareils doivent être transportés.
1.9 Transformation arbitraire et les changements
Il est interdit de transformer ou modifier les appareils et composants. De telles interventions pourraient être à l'origine de dysfonctionnements. Ne modifiez ou ne shuntez en aucun cas les dispositifs de sécurité. Les pièces de rechange d'origine et les accessoires agréés par le fabricant contribuent à la sécurité. L'utilisation de pièces étrangères peut annuler la responsabilité quant aux dommages consécutifs.
1.10 Utilisation conforme
Les appareils sont conçus exclusivement et selon leur configuration et leur équipement pour une utilisation en tant qu'appareil de climatisation ou de chauffage du fluide de fonctionnement, l'air, au sein de pièces fermées.
Toute autre utilisation ou toute utilisation au-delà de celle évoquée est considérée comme non conforme. Le fabricant/fournisseur ne saurait être tenu responsable des dommages en découlant. Seul l'utilisateur en porte le risque. L'utilisation conforme inclut également le respect des modes d'emploi et consignes d'installation et le respect des conditions d'entretien.
Ne jamais dépasser les seuils définis dans les caractéristiques techniques.
1.11 Garantie
Les éventuels droits de garantie ne sont valables qu'à condition que l'auteur de la commande ou son client renvoie à la société REMKO GmbH & Co. KG le « certificat de garantie » fourni avec l'appareil et dûment complété à une date proche de la vente et de la mise en service de l'appareil.
Les conditions de la garantie sont définies dans les « Conditions générales de vente et de livraison ». En outre, seuls les partenaires contractuels sont autorisés à conclure des accords spéciaux. De ce fait, adressez-vous toujours d'abord à votre partenaire contractuel attitré.
1.12 Transport et emballage
Les appareils sont livrés dans un emballage de transport robuste. Contrôlez les appareils à la livraison et notez les éventuels dommages ou pièces manquantes sur le bon de livraison, puis informez le transporteur et votre partenaire contractuel. Aucune garantie ne sera octroyée pour des réclamations ultérieures.

Avertissement!
Les sacs et emballages en plastique, etc. peuvent être dangereux pour les enfants!
Par conséquent :
- Ne pas laisser traîner l'emballage.
- Laisser l'emballage hors de portée des enfants!
Mise au rebut de l'emballage
Pour le transport, tous les produits sont emballés soigneusement à l'aide de matériaux écologiques. Contribuez à la réduction des déchets et à la préservation des matières premières en apportant les emballages usagés exclusivement aux points de collecte appropriés.

Mise au rebuild des appareils et composants
La fabrication des appareils et composants fait uniquement appel à des matériaux recyclables. Participez également à la protection de l'environnement en ne jetant pas aux ordures les appareils ou composants (par exemple les batteries), mais en respectant les directives régionales en vigueur en matière de mise au rebut écologique. Veillez par exemple à apporter votre appareil à une entreprise spécialisée dans l'élimination et le recyclage ou à un point de collecte communal agréé.

2.1 Caractéristiques des appareils
| Série | RKL 300 ECO | RKL 300 ECO S-LINE | RKL 360 ECO | RKL 360 ECO S-LINE | |
| Mode de fonctionnement | Appareil de climatisation compact local pour refroidissement | ||||
| Puisance frigorifique nominale1) | kW | 3,1 | 3,5 | ||
| Classe de rendement énergétique pour le refroidissement | A | ||||
| Importance rendement énerg. EER1) | 3,0 | 2,9 | |||
| Consommation d'énergie, par heures | kWh/60 min | 1,0 | 1,2 | ||
| Domaine d'applic. (vol. pièce), env. | m3 | 90 | 100 | ||
| Plage de réglage de l'unité intérieure | °C | +18 à +30 | |||
| Plage de service de l'unité intérieure | °C /% H.r. | De +18 à +35/de 35 à 85 | |||
| Frigorigène | R290 | ||||
| Frigorigène, quantité de base | kg | 0,22 | 0,25 | ||
| Équivalent en CO2 | t | 0,00 | |||
| Pression service max./circ. frigorifiq. | kPa | 800/2500 | |||
| Débit volum. d'air de circ. par niveau | m3/h | 280/340/410 | |||
| Niveau sonore max.2) | dB(A) | 61 | 63 | ||
| Puisance acoustique max. | dB(A) | 64 | 65 | ||
| Alimentation en tension | V/Ph/Hz | 230/1~/50 | |||
| Indice de protection | IP | 20 | |||
| Puisance électr. absorbée nomin.1) | kW | 1,0 | 1,2 | ||
| Puis. élec. absorbée nomin.1) mode de veille | 0,4 | ||||
| Courant électrique absorbé nominal1) | A | 5,0 | 5,9 | ||
| Courant électr. de démarriage, LRA | A | 21 | 25 | ||
| Tuyau d'évacuation, longueur/diamètre | mm | 1500/150 | |||
| Dimens. Hauteur/Largeur/Profondeur | mm | 840/450/380 | |||
| Poids | kg | 38,0 | |||
| Couleur de série | blanc | argent | blanc | argent | |
| Numéro de série | 1915... | 1916... | 1917... | 1918... | |
| Référence | 1616300 | 1616301 | 1616360 | 1616361 | |
1) Température ambiante TK 35 °C, FK 24 °C 2) Distance 1 m de champ libre
Description de l'appareil
Le climatiseur local convient particulièrement à une utilisation flexible.
Le climatiseur local se compose d'un appareil pour une installation au sol en zone intérieure et d'un tuyau d'évacuation permettant d'extraire la chaleur. L'unité intérieure capte la chaleur qui se trouve dans la pièce à refroidir dans l'évaporateur (échangeur thermique) et la transmet au circuit frigorifique interne. Celui-ci évacue la chaleur vers l'extérieur par le biais d'un autre échangeur thermique (condenseur) au moyen du tuyau d'évacuation flexible.
Le condensat généré en mode de refroidissement est transporté en continu au moyen d'une pompe à condensat se trouvant dans l'unité par le biais du condenseur qui évapore le condensat et acheminé vers l'extérieur par le biais du tuyau d'évacuation.
L'appareil filtre et déshumidifie l'air et crée ainsi un climat ambiant agréable. Il fonctionne automatiquement et offre une multitude d'autres options grâce à son régulateur par microprocesseur. La commande de l'appareil est comfortable grâce à une télécommande infrarouge incluse dans la livraison.
Fig. 1: Vue de face
B: Évacuation d'air - Recirculation 1: Poignée concave 2: Récepteur infrarouge 3: Lamelles d'aération 4: Tableau de commande 5: Rouleaux de transport
Fig. 2: Vue arrêté
A: Admission d'air - Recirculation B: Admission d'air - Air de sortie C: Évacuation d'air - Air de sortie 1: Filtre à air - Recirculation 2: Filtre à air - Air de sortie 3: Tuyau d'évacuation 4: Écoulement du condensat avec bouchon
4 Commande
La commande peut être effectuée par le tableau de commande se trouvant au niveau de l'appareil ou par la télécommande infrarouge en série. La commande de fonction des touches entre elles est identique, la désignation peut afficher des différences. Avant la mise en service de la télécommande infrarouge, les batteries doivent être insérées correctement.
Fig. 3: Tableau de commande
Légende
① Touche (marche / arrêt) Cette touche permet de mettre en marche et d'arrêter l'appareil. ② Touche du mode de fonctionnement MODE
En actionnant cette touche, vous pouvez faire votre choix parmi un fonctionnement automatique et 3 niveaux manuels de ventilateur en mode de refroidissement (AUTO, HI, MED, LO), ou encore sélectionner le mode de recirculation (FAN). Les DEL de l'affichage ⑧ indiquent le niveau choisi.
Niveau de ventilation adapté :
DEL AUTO
Niveau de ventilation maximal :
DEL HI
Niveau de ventilation moyen :
DEL MED
Niveau de ventilation minimal : DEL LO
Lorsque le paramètre AUTO est activé, un niveau de ventilation élevé est automatiquement choisi en cas de gros écart entre la température ambiante réglée et la température actuelle, tandis qu'un niveau de ventilation faible est automatiquement choisi en cas de faible écart.
Touche AUTO SWING
Cette touche permet de régler la répartition de l'air de sortie de l'appareil.
- Pression sur une touche = fonction d'oscillation continue
- Pression sur une touche = fonction d'oscillation arrêtée
- Pression sur une touche = fonction d'oscillation continue
Touches ▲/▼ THERMO CONTROL
Lorsque vous actionnez les touches ▲/▼, l'affichage indique la température de consigne programmée. Celle-ci peut être réglée dans une plage comprise entre 18 et 30° C par incréments de 1° C.
Touche SET TIMER
Cette touche permet d'activer la mise en marche ou l'arrêt automatique de l'appareil. La minuterie de connexion est arrêtée. La minuterie de déconnexion est programmée par la touche SET par incréments d'une heure jusqu'à 24 heures. Les DEL et indiquent l'objet d'activation.
Réglage de la température/de l'heure
⑥ Touche RESET TIMER
Les minuteries programmées peuvent être supprimées en actionnant la touche ⑥ RESET.
7 Touche COMP. on
La puissance frigorifique n'est générée que si le compresseur est actif. Lorsque la température de consigne programmée est atteinte, le compresseur et par conséquent la puissance frigorifique sont arrêtés. Le ventilateur de circulation continue toutefois de fonctionner. Pendant que le compresseur fonctionne, la DEL ⑦ est allumée. ⑧ Refroidissement : DEL AUTO, HI, MED, LO Voir ②.
Remarque!
Vous obtiendrez un climat ambiant agréable en sélectionnant la température de consigne souhaitée maximale de 4 à 7°C au-dessous de la température extérieure.
9 Recirculation : DEL FAN
Lorsque ce mode est activé, l'air de la pièce recircule au niveau moyen (non modifiable). L'appareil ne refroidit pas.
L'activation temporisée est active.
La désactivation temporaisée est active.
Le condensat qui apparaît est collecté dans un réservoir interne, acheminé par le biais du condenseur et y est évaporé. Le condensat évaporé est acheminé vers l'extérieur par le biais du tuyau d'évacuation. Si l'évacuation du condensat s'avère impossible, un dysfonctionnement se produit, signalé par la DEL ⑫. Pour pouvoir remettre l'appareil en service après ce dysfonctionnement, procédez comme suit :
- Arrêtez l'appareil à l'aide de la touche I / O et retirez le connecteur.
- Placez un réservoir adapté sous l'écoulement du condensat du réservoir interne. L'écoulement du condensat se trouve en bas, au milieu, à l'arrêt de l'appareil.
- Retirez le bouchon de l'évacuation du condensat et collectez le condensat qui s'échappe.
- Remettez ensuite en place le bouchon.
13 Écran d'affichage
L'écran d'affichage indique la température ambianteprogrammée ou le temps restant de la minuterie.
14 Récepteur infrarouge REMOTE
La télécommande infrarouge doit être orientée vers ce champ de réception pour être en mesure d'assurer la commande.
Remarques générales
Lorsque l'appareil est activé, chaque modification apportée aux réglages est automatiquement transmise au climatiseur. La réception correcte des données est confirmée par un bip. Pour fonctionner, la télécommande infrarouge doit être orientée dans la direction du récepteur. Il n'est possible de recevoir des données que si rien ne s'interpose entre l'émetteur et le récepteur. En cas d'arrêt prolongé de l'appareil, il est recommandé de retirer les piles de la télécommande.
Remarque!
N'utilisez jamais à la fois des piles neuves et usagées et retirez immédiatement les piles déchargées. Remplacez immédiatement les piles déchargées par des piles neuves afin d'éviter l'apparition d'éventuelles fuites.
Insertion de piles dans la télécommande
Avant la mise en service initiale, placez les piles fournies (2 piles, type AAA) dans la télécommande.
- Ouvrez le cache du compartiment à piles à l'arrière de la télécommande.
- Insérez les piles en respectant la polarité. Respectez les marquages figurant dans le compartiment à piles.
- Refermez le compartiment à piles.
Fonctions de la télécommande infrarouge
Tous les réglages de l'appareil peuvent être effectués par le biais de la télécommande fournie. Pour connaître les fonctions assurées par les touches, consultez la section « Tableau de commande ». La portée de la télécommande est d'env. 5 mètres.
Fig. 4: Télécommande infrarouge
1: Touche marche / arrêt POWER 2: Touche du mode de fonctionnement MODE 3: Touche de répartition de l'air AUTO SWING 4: Touche de l'horloge TIMER SET 5: Touche de l'horloge TIMER RESET 6: Touches △ / ∇ THERMO CONTROL 15: Émetteur infrarouge

Contributez également à économiser de l'énergie en mode standby! En cas de non utilisation de l'équipement, de l'installation ou des composants, nous vous conseillons d'interrompre l'alimentation en tension. Cette recommandation ne concerne pas les composants nécessaires à la sécurité!
5 Montage et installation
Indications de montage et d'installation de l'appareil
L'appareil est installé à l'emplacement souhaité, avec le côté de l'évacuation vers la salle. Veillez lors de l'installation à respecter les consignes suivantes:
Après déballage, laissez l'appareil immobile pendant au moins 5 minutes sur ses roulettes de transport avant de le mettre en marche. - Installez stablement l'appareil sur un sol plan et robuste. Des irrégularités au niveau du sol peuvent entraîner des vibrations et des bruits génants.
Fig. 5: Installation de l'appareil
Remarque!
Voudevezrespecturundégagementminimal de20cmentre l'arriere de l'appareil etle mur.
Toutes les rallonges du câble d'alimentation doivent partager une section suffisante et ne peuvent être utilisées que lorsqu'elles sont entièrement déroulées.
Fig. 6: Raccordement au réseau
Vérifiez si le bouchon de l'écoulement du condensat est présent et bien en place. Il existe un risque de fuite incontrolée du condensat après la mise en service.
Fig. 7: Écoulement du condensat
Fig. 7: Écoulement du condensat avec bouchon. N'utilisez jamais l'appareil sans le filtre d'admission d'air. Sinon, les lamelles de l'échangeur thermique s'encrassent et l'appareil perd en performances.
Fig. 8: Filtre de l'admission d'air
1: Filtre de recirculation 2: Filtre de l'air de sortie
Veillez à ce que les personnes et éléments matériels fragiles, comme les plantes, ne se trouvent pas directement exposés au débit d'air chaud émis.

En cas d'exposition aux rayons directs du soleil, fermez les rideaux et volets roulants, et maintenez les fenêtres et portes closes pendant le fonctionnement.
Remarque
Le tuyau d'évacuation doit toujours être posé en pente en direction de l'air et ne doit pas être raccordé à une rallonge!
En mode de refroidissement, l'appareil génère de l'air de sortie chaud et humide qui doit être évacué de la pièce à refroidir. Pour cette raison, il est nécessaire de brancher le tuyau d'évacuation livré sur l'ouverture d'évacuation à l'arrière de l'appareil.
Veillez à ce que les crans du tuyau d'évacuation s'enclenchent solidement dans les deux orifices de raccordement. Ne posez pas le tuyau d'évacuation flexible en le coudant beaucoup et ne le pliez pas afin de garantir un fonctionnement efficace de l'appareil et pour éviter tout dommage résultant de l'éviction des composants transportant de l'air!
Fig. 9 : Enclenchement du tuyau
L'air de sortie de l'appareil présente une certaine quantité d'humidité. C'est la raison pour laquelle il est recommandé d'évacuer l'air de sortie vers l'extérieur ou à l'air libre.
Variantes de l'acheminement de l'air de sortie
Vous pouvez acheminer l'air de sortie hors du bâtiment de la manière suivante :
Par le biais d'une buse plate
La buse plate livrée peut être utilisée de plusieurs manières. Il est possible de passer la buse plate par la fenêtre ouverte et de la fixer à l'aide d'une bande adhésive et d'une ventouse fenêtre (Voir la Fig. 10). De même, la buse plate peut être suspendue après la fenêtre inclinée (Voir la Fig. 11).
Par le biais d'un passage mural
Le tuyau fourni est raccordé solidement à un passage mural. Un passage mural est disponible en tant qu'accessoire (Voir la Fig. 12).

Fig. 10: Air de sortie par la fenêtre ouverte
Fig. 11: Air de sortie par la fenêtre inclinée Fig. 12: Passage mural
Remarque!
Dans certains cas, une dépression peut se produire dans la pièce d'installation lors de l'acheminement de l'air de sortie par le biais d'un tuyau d'évacuation raccordé solidement, par exemple, par les portes ou fenêtres fermées. Si les performances de l'appareil s'en trouvent amoindries, procédez à une compensation de pression (assurer une ventilation si nécessaire).
Fig. 13: Exemple de montage
1: Grille extérieure 3: Clapet anti-retour 2: Tuyau télescopique 4: Couvercle d'obturation
Indications d'installation
- Percez un avant-trou dans le mur extérieur (épaisseur de paroi max. 270-480 mm) d'un diamètre d'au moins 135 mm. ATTENTION : des conduites d'alimentation peuvent s'y trouver !
- Insérez le tuyau coulissant dans le passage mural créé de manière à ce que le tuyau extérieur (de gros diamètre) se trouve du côté intérieur du mur. Pour éviter les points de froid, isolez le tuyau télescopique en utilisant des matériaux d'isolation adaptés.
- Scellez le tuyau coulissant dans l'avant-trou de sorte que les deux côtés du mur soient nets. Fixez la grille de protection du côté extérieur du mur à l'aide de 4 vis. Montez la grille en veillant au dispositif de rejet de la pluie.
- Insérez le clapet anti-retour à l'intérieur et fixez-le également à l'aide de 4 vis. La mention Haut sur le clapet anti-retour doit être visible de l'intérieur!
- Lors de la mise hors service de l'appareil, par exemple avant le début de l'hiver, scellez l'ouverture du clapet anti-retour à l'aide du couvercle d'obturation afin d'empêcher toute circulation d'air.
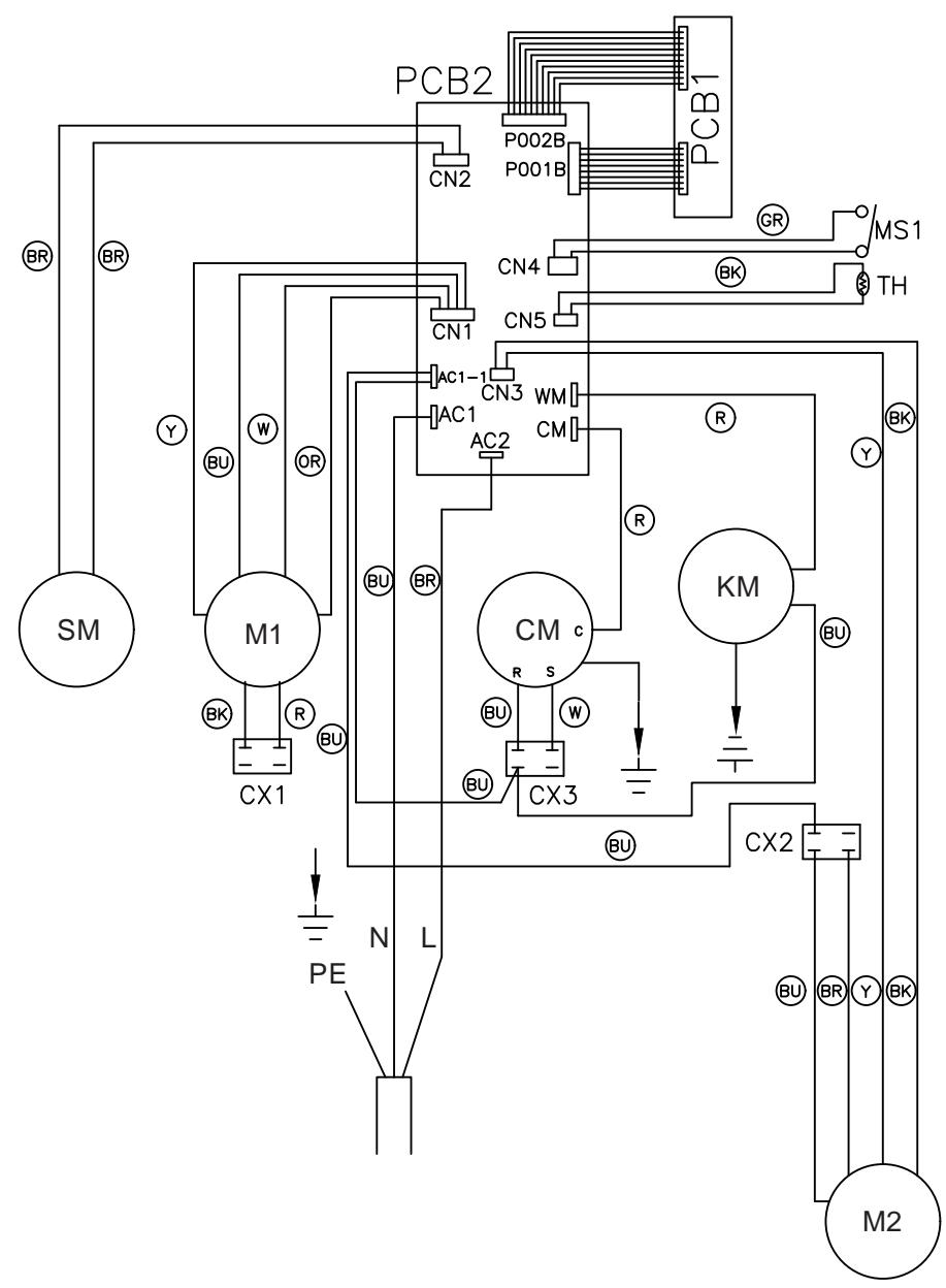
6 Raccordement électrique
Schéma de câblage électrique

Fig. 14: Schéma de câblage électrique
| PCB1 : | Tableau de commande | MS1 : | Microrupteur (réservoir plein) |
| PCB2 : | Platine de commande | Code de couleur : | |
| SM : | Moteur oscillant | BK : | Noir |
| M1 : | Moteur ventil. (évaporat.) | BR : | Marron |
| M2 : | Moteur ventil. (condens.) | BU : | Bleu |
| KM : | Pompe à condensat | GR : | Gris |
| CM : | Compresseur | OR : | Orange |
| CX1 : | Condenseur (M1) | R : | Rouge |
| CX2 : | Condenseur (M2) | W : | Blanc |
| CX3 : | Condenseur (CM) | Y : | Jaune |
| TH : | Capteur de température |
Nous nous réservons le droit d'apporter des modifications de cotes et de construction susceptibles de servir au progrès technique.
7 Mise en service
Avant toute mise en service, les ouvertures d'entrée et de sortie d'air doivent être contrôlées afin de repérer les éventuels corps étrangers, de même que le filtre d'admission d'air à la recherche des éventuelles impuretés. Les grilles et filtres obstrués ou encrassés doivent être immédiatement nettoyés (voir le chapitre « Entretien et maintenance »).
Mode de fonctionnement de refroidissement
- Mettez l'appareil en marche à l'aide de la touche I/O.
- À l'aide de la touche MODE, sélectionnez le mode de fonctionnement de refroidissement. La DEL AUTO doit s'allumer.
- Réglez la température de consigne souhaitée à l'aide des touches THERMO CONTROL. La température de consigne apparait à l'écran. Si le niveau réglé pour le ventilateur est trop gros ou trop petit, la touche MODE permet de régler le niveau souhaité.
Mode de fonctionnement de recirculation
- Mettez l'appareil en marche à l'aide de la touche I/O.
- À l'aide de la touche MODE, sélectionnez le mode de fonctionnement de ventilation. La DEL FAN doit s'allumer.
Remarque
N'arrêtez jamais l'appareil en cours de fonctionnement en tirant sur la prise d'alimentation.
Mise hors service limitée
Si l'appareil doit être mis hors tension de manière prolongée, par exemple, pendant tout l'hiver, procédez comme suit :
- Faites fonctionner l'appareil pendant env. 2 heures en mode Recirculation de l'air afin de sécher la surface des lamelles d'évaporateur. Cette opération permet d'évacuer l'humidité résiduelle hors de l'appareil et d'éviter les odeurs indésirables lors de la remise en service.
- Arrêtez l'appareil avec la touche « I/0 », retirez la fiche d'alimentation et enroulez le câble d'alimentation. Veillez à ne pas trop plier ou courber le câble. Le câble peut être fixé au dos de l'appareil.
- Placez un réservoir adapté sous l’évacuation de condensat du réservoir interne. L’évacuation de condensat se trouve en bas, au dos de l’appareil.
- Retirez le bouchon de l'évacuation de condensat et recueillez le condensat s'écoulant.
- Refermez le bouchon. L'absence de bouchon ou un bouchon mal inséré peut entraîner l'échappement de condensat après la remise en service.
- Stockez l'appareil dans une position verticale à l'abri des rayons de soleil directs et de la poussière, dans un lieu frais et sec. Protégez eventuellement l'appareil de la poussière à l'aide d'un cache plastique.
Mise hors service illimitée
La déinstallation de l'ensemble du système ne peut être réalisée que par une société spécialisée et en tenant compte de la protection de l'environnement. La société REMKO GmbH & Co. KG ou votre partenaire contractuel compétent se fera un plaisir de vous indiquer les entreprises spécialisées situées approximativement de chez vous.
9 Dépannage et service après-vente
L'appareil a été conçu selon des méthodes de fabrication de pointe et a été soumis à plusieurs reprises à des contrôles fonctionnels. Toutefois, si des défauts devaient survenir, vérifie l'appareil en vous référant à la liste suivante. Une fois tous les contrôles fonctionnels réalisés, si votre appareil présente toujours des dysfonctionnements, contactez le revendeur spécialisé le plus proche.
| Description d'erreur | Origine | Remède |
| L'appareil ne démarre pas ou se coupe automatiquement. | Interrupteur principal désactivé. | Activ. de l'interruption. principal. |
| Panne de courant | Contrôlez la tension, le cas échéant, patientlyez jusqu'àrétabillisément | |
| Défaut niveau fusible secteur | Remplacer | |
| Câble d'alimentation défectueux | Confiez la réparation à une entreprise spécialisée. | |
| Plage de températures dépassée ou non atteinte. | Respecter la plage de tempér. comprende entre 18 et 35 °C. | |
| Réserveir interne plein. | Vider le réservoir. | |
| La température ambiente de l'appareil se situe hors de la plage de service (de 18 à 35 °C). | Ne pas utiliser l'appareil en dehors de la plage de service. | |
| L'appareil fonctionne sans puissance frigorifique ou celle-ci est amoindrie. | Tuyau d'évac. coudé, prolongé, orienté vers le bas ou obstrué. | Veiller à ce que le chemin de l'air de sortie soit dégagé. |
| Contamination du filtré. Orifice d'aspiration et/ou de soufflage bloqué par des corps étrangers. | Nettoyer le filtré. | |
| Distance minimale trop petite. | Respecter dégagement min. | |
| Fenêtres et portes ouvertes/La charge thermique a augmenté. | Fermez les portes et fenêtres/Réduire la charge thermique. | |
| Dépression dans la pièce d'install. lors du fonction. de l'ap-pareil avec passage mural. | Générer une compensation de pression dans la pièce d'installation. | |
| Le mode de fonctionnement de refroidissement n'est pas réglé. | Régler le mode de fonctionnement AUTO, HI, MED ou LO. | |
| L'appareil est activé par le biais de la fonction de minuterie. | Appuyer à nouveau sur la touche I / 0. | |
| Réglage de la temp. trop élevé. | Réduire la température. | |
| Surtension à cause de foudre locale. | Arrêtier l'appareil et le laisser 5 min. déconnecté du secteur, puis le redémarrer. | |
| L'appareil ne réagit pas à la télé-commande infrarouge. | Piles de la télécommande à plat ou distance d'envoi trop importante. | Insérer de nouvelles piles/réduire la distance. |
| Après remplacement des piles, mauvaise polarité des piles. | Les piles ne sont pas insérées en respectant la polarité. Respecter les marquages. | |
| Fuite de condensat au niveau de l'appareil. | L'appareil est penché. | Le metre à la verticale. |
| Le bouchon de l'écoulement du condensat n'est pas en place ou est endommagé. | Mettre le bouchon bien en place ou au besoin le replacer. |
10 Nettoyage et entretien
Des travaux d'entretien réguliers et le respect des conditions préalables de base garantissant un fonctionnement impeccable de votre appareil et contribuant à augmenter sa durée de vie.

DANGER!
Avant d'entamer les travaux sur l'appareil, l'alimentation en tension doit impérativement être coupée et sécurisée contre toute remise en service!
Fig. 15: Dépose du filtre
1: Filtre de recirculation 2: Filtre d'évacuation
Nettoyez les appareils en utilisant un chiffon humide. N'employez pas de jet d'eau. N'utilisez pas de produits à récurer, de nettoyants agressifs ou d'agents contenant des solvants. N'utilisez que des produits de nettoyage appropriés même en cas d'encrassement extrême. Veillez à empêcher toute infiltration d'humidité dans l'appareil. Nettoyez les ouvertures d'admission et d'évacuation régulièrement et méticuleusement. La saleté a tendance à s'y accumuler en premier lieu.

Remarque!
Contrôlez au besoin le degré d'encrassement des lames de l'échangeur.
Nettoyez à intervalles réguliers, plus souvent si nécessaire, le filtre à air de l'unité intérieure. Nous vous recommandons de conclure un contrat de maintenance avec des entreprises spécialisées.

Vous garantissez ainsi à tout moment un fonctionnement fiable de votre installation!
Nettoyage du filtre
L'appareil est équipé de deux filtres à air. Ceux-ci peuvent être retirés à l'arrière. Les filtres doivent être nettoyés à intervalles réguliers. Nettoyez les filtres à air au moins toutes les 100 heures de fonctionnement. Réduisez cet intervalle en cas d'air fortement encrassé.
Procédez comme suit pour le nettoyage :
- Arrêtez l'appareil et retirez la fiche d'alimentation.
- Enlevez le filtre de l'appareil (Voir la Fig. 15).
- Nettoyez la poussière du filtre. Utilisez éventuellement un aspirateur en cas de léger encrassement.
- En cas d'encrassement prononcé, nettoyez le filtre à l'eau tiède avec précaution.
- Laissez le filtre sécher à l'air libre.
- Replacez le filtre dans l'appareil.
- Veillez à ce que le filtre soit sec et non endommagé.

Remarque!
N'utilise jamais l'unité intérieure sans le filtre original. Sans filtre, les lamelles de l'échangeur de l'unité intérieure s'encrassent et l'appareil perd de la puissance.
11.1 Représentation de l'appareil
Fig. 16: Vue éclatée
Nous nous réservons le droit d'apporter des modifications de cotes et de construction susceptibles de servir au progrès technique.
11.2 Liste des pièces de rechange
Pour commander des pièces de rechange, contactez directement REMKO GmbH & Co. KG

Important!
Pour assurer la bonne livraison des pièces de rechange, s'il vous plaît toujours le type d'appareil avec le numéro de série correspondant (voir la plaque signalétique).
| N° | Désignation | RKL 300 ECO | RKL 300 ECO S-LINE | RKL 360 ECO | RKL 360 ECO S-LINE |
| 1 | Paroi avant | ||||
| 2 | Poinée concave | ||||
| 3 | Couercle tableau de commande | ||||
| 4 | Grille d'évacuation | ||||
| 5 | Lamelles | ||||
| 6 | Levier de réglage des lamelles | ||||
| 7 | Face arrière | ||||
| 8 | Filtre à air de recirculation d'air | ||||
| 9 | Socle de l'appareil | ||||
| 10 | Rouseau de transport | ||||
| 11 | Carter du ventilateur (ventilateur du condenseur) | ||||
| 12 | Rotor du ventilateur (ventilateur du condenseur) | Sur demande en indiquant le nombre de série | |||
| 13 | Moteur du ventilateur (ventilateur condenseur) | ||||
| 14 | Récipient collecteur de condensat | ||||
| 15 | Condenseur | ||||
| 16 | Pompe à condensat entière | ||||
| 17 | Flotteur (réservoir) | ||||
| 18 | Microrupteur 1 (réservoir) | ||||
| 19 | Microrupteur 2 (réservoir) | ||||
| 20 | Évaporateur | ||||
| 21 | Compresseur entier | ||||
| 22 | Film du tableau de commande | ||||
| N° | Désignation | RKL 300 ECO | RKL 300 ECO S·LINE | RKL 360 ECO | RKL 360 ECO S·LINE |
| 23 | Platine du tableau de commande | Sur demande en indiquant le numéro de série | |||
| 24 | Platine de commande | ||||
| 25 | Moteur du ventilateur (évaporateur) | ||||
| 26 | Boîtier de l'évaporateur | ||||
| 27 | Carter du ventilateur (évaporateur) | ||||
| 28 | Rotor du ventilateur (évaporateur) | ||||
| 29 | Moteur à lamelles | ||||
| 30 | Filtre d'évacuation d'air | ||||
| 31 | Câble secteur avec fiche | ||||
| 32 | Condenseur compresseur | ||||
| 33 | Condenseur (ventilateur de l'évaporateur) | ||||
| 34 | Condenseur (ventilateur de l'évaporateur) | ||||
| 35 | Flexible d'évacuation d'air entier | ||||
| 36 | Télécommande infra- rouge | ||||
| 37 | Capteur d'admission d'air | ||||
| Pièces de rechange sans illustration | |||||
| Bac de récapération du condensat | Sur demande en indiquant le numéro de série | ||||
| Accessoires | |||||
| Traversée de paroi | 1613118 | 1613118 | 1613118 | 1613118 | |
12 Index
Commande
Tableau de commande 14
Écoulement du condensat 17
Évacuation de l'air chaud 18
Filtre de l'air de sortie 17
Filtre de recirculation. 17
Garantie 11
Installation 17
Maintenance 24
Mise au rebut de l'emballage 11
Mise au rebut des appareils 11
Montage 17
Nettoyage et entretien 24
Nettoyer le filtre 24
Protection de l'environnement 11
Recyclage 11
Représentation de l'appareil 25
Sécurité
Consignes à l'attention de l'exploitant 6
Consignes à observer durant les travaux d'inspection 8
Consignes à observer durant les travaux de maintenance 8
Consignes à observer durant les travaux de montage 8
Dangers en cas de non-respect des consignes de sécurité 6
Frigorigène R290 4
Généralités 4
Identification des remarques 5
Qualifications du personnel 6
Transformation arbitraire et fabrication de pièces de rechange 10
Travail en toute sécurité 6
Variantes de l'acheminement de l'air de sortie par le biais d'un passage mural 18, 19
Par le biais d'une buse plate 18
Vue éclatée 25
REMKO systèmes de qualité
Climat | Chaleur | Nouvelles énergies
REMKO GmbH & Co. KG
Télécopieur +49 (0) 5232 606-260
Courriel info@remko.de
Internet www.remko.de
Hotline Allemagne
+49 (0) 5232 606-0
Hotline Internationale
+49 (0) 5232 606-130

Notice Facile