KITCHENER 100 DUAL FUEL - Cuisinières à combustible mixte FALCON - Notice d'utilisation et mode d'emploi gratuit
Retrouvez gratuitement la notice de l'appareil KITCHENER 100 DUAL FUEL FALCON au format PDF.
| Type de produit | Cuisinière à double carburant |
| Caractéristiques techniques principales | 4 foyers à gaz, 1 four électrique, 1 gril |
| Alimentation | Gaz pour les foyers, électricité pour le four |
| Dimensions approximatives | 100 cm de largeur x 60 cm de profondeur x 90 cm de hauteur |
| Poids | Environ 100 kg |
| Compatibilités | Compatible avec les bouteilles de gaz et le gaz de ville |
| Fonctions principales | Cuisson, rôtissage, grillade |
| Entretien et nettoyage | Nettoyage des grilles et des plaques, entretien régulier du four |
| Pièces détachées et réparabilité | Disponibilité de pièces détachées auprès du fabricant |
| Sécurité | Système de sécurité pour les foyers à gaz, thermostat de sécurité pour le four |
| Informations générales | Garantie de 2 ans, manuel d'utilisation inclus |
FOIRE AUX QUESTIONS - KITCHENER 100 DUAL FUEL FALCON
Questions des utilisateurs sur KITCHENER 100 DUAL FUEL FALCON
0 question sur cet appareil. Repondez a celles que vous connaissez ou posez la votre.
Poser une nouvelle question sur cet appareil
Téléchargez la notice de votre Cuisinières à combustible mixte au format PDF gratuitement ! Retrouvez votre notice KITCHENER 100 DUAL FUEL - FALCON et reprennez votre appareil électronique en main. Sur cette page sont publiés tous les documents nécessaires à l'utilisation de votre appareil KITCHENER 100 DUAL FUEL de la marque FALCON.
MODE D'EMPLOI KITCHENER 100 DUAL FUEL FALCON
Avant de commencer... 3 Vue d'ensemble de la cuisine 5 Brûleurs de table de cuisson 5 Grill 7 Fours 8 Horloge 8 Conseils pour la cuisson avec Minuterie 10 Guide pour la cuisson au four 11 Conseils généraux pour la cuisson au four 12 Grilles de four 12 Handyrack 12 Éclairage du four principal 13 Nettoyage de la cuisinière 13 Dépannage 15 Installation 17 Modification Gaz de pétrole liquéfié GPL 22 Entretien 23 Schéma de câblage 28 Fiche technique 29
Avant de commencer…
Nous vous remercions d'avoir acheté une cuisinière Kitchener. Installée et utilisée correctement, cette cuisinière vous donnera de nombreuses années de service fiable. Il est donc important de lire la présente section avant de commencer, en particulier si vous n'avez jamais utilisé de cuisinière mixte.
Cet appareil est conçu uniquement pour un usage domestique. Toute autre utilisation n'engage ni la responsabilité, ni la garantie du fabricant. En particulier, n'utilisez PAS le four pour chauffer la cuisine - non seulement cette pratique invalidera les réclamations, mais elle constitue un gaspillage d'énergie et un risque de surchauffe des boutons de commande.
Installation et entretien
L'installation doit être conforme aux instructions appropriées des fabricants et satisfaire à la réglementation nationale et locale en vigueur, ainsi qu'aux prescriptions des compagnies de gaz et d'électricité locales.
Vérifiez que l'alimentation en gaz est en service et que la cuisinière est raccordée à l'alimentation électrique et sous tension (la cuisinière a besoin d'électricité).
Réglez l'horloge pour permettre le fonctionnement des jours - voir la section appropriée des présentes instructions.
La cuisine doit faire l'objet d'un entretien effectué par un technicien d'entretien qualifié, lequel doit utiliser uniquement des pièces de rechange approuvées.
Laissez toujours la cuisinière refroidir et mettez-la hors tension avant de la nettoyer ou d'effectuer une intervention d'entretien, sauf indication contraire dans les présentes instructions.
Odeur de neuf
Une légère odeur de neuf peut se dégager lors de la première utilisation de la cuisinière. Elle disparaîtra rapidement à l'utilisation.
Avant la première utilisation de l'appareil, assurez-vous qu'il ne reste aucun matériel d'emballage, puis régalez les fours sur 200°C et faites-les marcher pendant une heure afin d'éliminer l'odeur de neuf.
Avant la première utilisation du grill, allumez-le et faites-le marcher pendant 30 minutes, avec la l'échelle bien en place, et en laissant la porte du grill ouverte.
Veillez à ce que la pièce soit bien ventilée (voir « Ventilation » ci-dessous). Il est recommandé aux personnes souffrant de problèmes respiratoires ou d'allergies de quitter la pièce pendant ce temps.
Si vous sentez une odeur de gaz
Ne actionnez aucun interrupteur électrique, ni pour allumer, ni pour éteindre. - Ne fumez pas. N'utilisez pas de flammes nues. Coupez le gaz au compteur ou au niveau de la bouteille de gaz. Ouvrez portes et fenêtres pour évacuer le gaz. Éloignez toute personne de l'endroit concerné. - Appelez votre fournisseur de gaz.
Ventilation
L'utilisation d'un appareil de cuisson à gaz produit de la chaleur et de l'humidité dans la pièce contenant l'appareil. Par conséquent, veillez à ce que la cuisine soit bien ventilée : laissez les ouvertures de ventilation naturelle ouvertes ou installez une hotte aspirante à évacuation extérieure. En cas d'utilisation simultanée de plusieurs brûleurs ou d'utilisation prolongée de la cuisinière, ouvrez une fenêtre ou mettez en marche une hotte aspirante.
Sécurité personnelle
Les parties accessibles de la cuisinière deviennent chaudes lorsque celle-ci est en marche et resteront chaudes même après la cuisson. Ne laissez pas les bébés et les enfants s'approcher de la cuisinière et ne portez jamais de vêtements amples ou flottants lors de l'utilisation de la cuisinière. Vérifiez toujours que les commandes sont sur la position Arrêt [OFF] lorsque le four n'est pas en marche et avant de nettoyer la cuisinière.
Lorsque le four est en marche, ne laissez PAS la porte du four ouverte plus longtemps que nécessaire, afin de prévenir une surchauffe des boutons de commande.
La cuisson d'aliments à haute teneur en eau peut produire une « bouffée de vapeur » à l'ouverture de la porte du four. Lorsque vous ouvrez la porte du four, reculez-vous et attendez que la vapeur se soit dissipée :

Veillez à ce que les matériaux combustibles, (rideaux, liquides inflammables, etc.) soient toujours suffisamment éloignés de la cuisinière. N'utilisez pas d'aerosols à proximité de la cuisinière lorsque celle-ci est en marche.
Au besoin, utilisez des gants isolants secs - l'emploi de gants humides risque de causer des brûlures dues à la vapeur lors du contact avec une surface chaude. N'utilisez pas de torchon ou autre chiffon secs à la place d'un gant isolant - ils risquent de s'enflammier au contact d'une surface chaude.
Ne faites jamais fonctionner la cuisinière avec les mains mouillées. Ne recouvrez pas les grilles, les panneaux internes ou la voûte du four de papier aluminium.
Ne chauffez jamais des récipients alimentaires qui n'ont pas été ouverts. La pression accumulée à l'intérieur des récipients peut les faire éclater et blesser l'utilisateur. N'utilisez pas des casseroles instables. Tournez toujours les manches des récipients de cuisson vers l'intérieur de la table de cuisson.
Ne laissez jamais la table de cuisson en marche sans surveillance si les brûleurs sont réglés sur maximum. Le débordement des récipients peut produire de la fumée et des taches de gras qui risquent de s'enflammer. Si possible, utilisez un thermomètre à bain de friture pour prévenir une surchauffe de l'huile au-delà du point de fumée. Ne laissez jamais une friteuse sans surveillance. Faites toujours chauffer l'huile lentement, en la surveillant. Les friteuses ne doivent être remplies qu'à un tiers de leur capacité. Une friteuse trop pleine peut déborder lorsqu'on y plonge des aliments. Si vous utilisez un mélange d'huile et de graisse pour la friture, mélangez-les avant de chauffer, pendant la fonte des graisses.
Les aliments à frire doivent être le plus sec possible. La présence de cristaux de glace sur des aliments congelés ou d'humidité sur des aliments frais peut provoquer une ébullition et un débordement de l'huile. Surveillez attentivement pour prévenir les débordements et la surchauffe pendant la friture à haute ou moyenne température. N'essayez jamais de déplacer un récipient de cuisson contenant de l'huile chaude, en particulier une friteuse. Attendez que l'huile ait refroidi.
Lorsque le grill est en marche, ne vous servez pas de la grille d'évacuation (la grille le long de la partie arrière de la cuisine) pour réchauffer des assiettes ou des plats, sécher des torchons ou ramollir du beurre.
N'utilisiez pas d'eau pour éteindre les incendies dus à la graisse et ne soulevez jamais un récipient de cuisson qui a pris feu. Eteignez la cuisinière et étouffez un récipient qui a pris feu sur une table de cuisson en le recouvrant complètement avec un couvercle de taille appropriée ou une plaque de cuisson. Si possible, utilisez un extincteur à poudre chimique ou à mousse de type polyvalent. Veillez à prévenir toute infiltration d'eau dans l'appareil.
Seuls certains types de récipients en verre, vitrocéramique, terre cuite ou autres récipients émaillés peuvent être utilisés sur la table de cuisson; les autres risquent de se briser en raison du changement soudain de température.
Cet appareil est lourd; prenez donc garde lorsqu vous le déplacez.
Nettoyage
Pour des raisons d'hygiène et de sécurité, la cuisinière doit toujours être propre, afin de prévenir le risque d'incendie causé par l'accumulation de graisse et autres particules alimentaires. Nettoyez uniquement les composants indiqués dans les présentes instructions.
Nettoyez avec précaution. Si vous utilisez une éponge ou un chiffon humide pour essuyer des taches sur une surface chaude, prenez garde au risque de brûlures par la vapeur. Certains produits nettoyants peuvent produire des vapeurs nocives au contact d'une surface chaude.
Vue d'ensemble de la cuisinière

La cuisine Kitchener 90 Mixte comprend :
- Cinq brûleurs de table de cuisson, y compris un brûleur de Wok, chacun doté d'un Dispositif de Sécurité Spécial. Un panneau de commande.
- Un gril électrique.
- Deux grils électriques et ventilés.
Brûleurs de table de cuisson
Le schéma à côté de chaque bouton indique le brûleur associé à ce bouton.
Chaque brûleur est doté d'un dispositif de sécurité spécial qui coupe l'alimentation en gaz en cas d'extinction de la flamme. Un dispositif d'allumage par étincelle est déclenché lorsqu'on appuie sur le bouton :

Lorsqu'on appuie sur le bouton de commande, une étincelle se produit à chaque brûleur – ceci est normal. N'essayez jamais de démonter ou de nettoyer autour d'un brûleur lorsqu'un autre brûleur est allumé. Vous risqueriez de recevoir une décharge électrique.
Pour allumer un brûleur, appuyez sur le contacteur d'allumage et appuyez sur le bouton de commande associé et mettez-le sur le symbole grande flamme (h):

Le dispositif d'allumage produit une étincelle et allume le gaz. Continuez d'appuyer sur le bouton pendant quelques secondes pour permettre l'arrivée du gaz dans le brûleur :

Si le brûleur s'éteint lorsque vous relâchez le bouton de commande, le dispositif de sécurité n'a pas été enclenché. Mettez le bouton de commande sur la position Arrêt [Off] et attendez une minute avant d'essayer de nouveau, en appuyant un peu plus longtemps sur le bouton.
Tournez le bouton en sens horaire pour régler la hauteur de flamme :

La position minimum est au-delà de la position maximum, et non pas entre position maximum et arrêt. Tournez le bouton vers celle-ci lorsque le contenu du récipient de cuisson est parvenu à ébullition.
Si la flamme d'un brûleur s'éteint, mettez le bouton de commande sur la position Arrêt [Off] et attendez une minute avant de rallumer.
Veillez à ce que les flammes ne dépassent pas les récipients de cuisson. Utilisez un couvercle sur les récipients de cuisson pour porter à ébullition plus rapidement :

Veillez à ce que les récipients de cuisson de grande taille soient bien espacés entre eux.
N'utilise pas de casseroles ou marmites à fond concave ou à fond à rebord incurvé vers le bas :

L'utilisation de dispositifs de mijotage, de type plaques d'amiate ou plaques métalliques, est DECONSEILLEE. Ces dispositifs diminueront les performances de la cusinière et risquent d'endommager les grilles de la table de cuisson :

N'utilise pas des récipients de cuisson instables ou déformés susceptibles de se renverser, ni des récipients de cuisson à fond de très petit diamètre (casseroles à lait, pocheuses individuelles, etc.) :

Le diamètre minimum recommandé pour les récipients de cuisson est de 120mm. Le diamètre maximum pour les récipients de cuisson est de 250mm.
Brûleur de wok
Le brûleur de Wok (coup de feu) est conçu pour fournir une chaleur uniforme sur une grande surface. Il est parfait pour les grandes poêles et la friture rapide à feu vif :

Les petits brûleurs sont plus adaptés aux récipients de cuisson plus petits.
Les composants du brûleur sont démontables pour faciliter le nettoyage. Voir « Nettoyage de la cuisine »
En cas de débordement, essuyez dès que possible la surface émaillée autour des brûleurs de la table de cuisson. Tâchez d'essuyer la substance renversée pendant que l'émail est encore chaud.
Remarque :
Les récipients en aluminium peuvent laisser des traces métalliques au niveau des grilles de la table de cuisson. Ces traces sont sans incidence sur la durabilité de l'émail et peuvent être éliminées à l'aide d'un nettoyant pour métaux.
Support spécial de wok (option)
Le support spécial de Wok est conçu pour permettre l'utilisation d'un Wok professionnel de 35 cm (disponible dans notre gamme d'ustensiles de cuisine - Référence de pièce RM095).
Si vous utilisez un autre modèle de Wok, vérifiez qu’il repose correctement sur le support spécifique. Les Woks peuvent avoir des tailles et des formes très variées. Il est important que le Wok repose correctement sur le support - mais si le Wok est trop petit, il ne sera pas bien maintenu en place par le support spécifique :

Le support spécial de Wok doit être utilisé uniquement sur le brûleur de Wok à triple élément.
Lorsque vous placez le support spécial, vérifiez que le Wok repose bien sur les barres avant et arrière et qu’il est bien soutenu par une grille de la table de cuisson :

Vérifiez que le support spécial est stable et que le Wok est placé à niveau sur le brûleur.
Le support spécial deviendra très chaud pendant l'utilisation - laissez-le refroidir suffisamment longtemps avant de le retirer.
Plaque à griller (option)
La plaque à griller se pose sur une grille de la table de cuisson, d'avant en arrière :

Elle s'utilise pour la cuisson directe des aliments. N'utilise pas de récipients de cuisson sur cette plaque. La plaque à griller a une surface antiadhésive susceptible d'être endommagée par des ustensiles de cuisine métalliques (spatules, par exemple). Utilise des ustensiles en bois ou en plastique thermorésistant.
Ne la place pas transversalement – elle sera mal placée et instable.
Ne la placez pas sur le brûleur du Wok - elle n'est pas conçue pour être placée sur la grille du brûleur du Wok.
Placez la plaque à griller sur les grilles des brûleurs de la table de cuisson. Vérifiez qu'elle est placée correctement.
Avant l'utilisation, vous pouvez enduire la plaque d'une légère couche d'huile à friture. Allumez les brûleurs de la table de cuisson et réglez la hauteur de flamme selon les besoins.
Préchauffez la plaque à griller pendant 5 minutes au maximum avant d'y déposer les aliments :

Un préchauffage plus long risque de l'endommager. Pour réduire la chaleur, tournez les boutons de commande vers le réglage inférieur indiqué par le symbole petite flamme.
Veillez à ce qu'il y ait toujours suffisamment de place autour de la plaque à griller pour permettre l'échappement des gaz. N'utilisez jamais deux plaques à griller côte à côte :

Après la cuisson, laissez refroidir la plaque à griller avant de la nettoyer.
Gril
Retirez la l'échefrite de la partie inférieure de l'enceinte du grill :

Après avoir placé les aliments sur la grille de la l'échappe de la l'échefrite du gril, insérez la l'échefrite dans les supports latéraux, juste au-dessous des éléments. Veillez à ce que la l'échefrite soit insérée à fond, jusqu'à la butée arrêté :

Pour un résultat optimal, notamment pour des toasts, préchauffer le grill avec la l'échefrite en position de cuisson deux minutes avant utilisation.
Vous pouvez retirer la grille de la lèchefrite et y déposer les aliments pendant le préchauffage.
Après préchauffage, et après avoir placé les alimentés sur la grille de la lèchefrite du gril, insérez la lèchefrite dans les supports latéraux, jusqu'à la butée arrière. Tournez le bouton de commande pour régler le grill.
Le grill a deux éléments qui permettent de chauffer la totalité de la lèchefrite ou seulement la partie droite de celle-ci. Pour chauffer toute cette surface, tournez le bouton dans le sens horaire jusqu'à la position 3 :

Tournez-le en sens anti-horaire pour chauffer la partie droite.
La grille de la lèchefrite est réversible pour permettre deux positions de gril :

Ne laissez jamais le grill en marche pendant plus de quelques instants si la lèchefrite n'est pas en place sous le grill.
Les plats cuits au four peuvent être ensuite dorés au grill ; pour ce faire, placez le plat dans la lèchefrite et insérez celle-ci dans la partie inférieure du compartiment du grill.
Ne fermez jamais la porte du grill lorsque celui-ci est en marche.
Fours

L'horloge doit être réglée sur l'heure pour que le four principal (four calculable gauche) puisse fonctionner. Voir les instructions de la section « Horloge » pour le réglage de l'heure.
Remarque - Les références au four gauche et droit s'entendent vue de l'avant.
Les jours d'octobre sont des jours ventilés dans lesquels un ventilateur brasse l'air chaud continuellement, assurant ainsi une cuisson plus rapide et plus uniforme.
En général, les températures de cuisson recommandées pour les jours ventilés sont inférieures à celles pour des jours conventionnels.
Tournez le bouton de réglage de température du four pour le mettre sur la température requise :

Le voyant du four sera allumé jusqu'à ce que le four atteigne la température requise. Il s'allumera et s'éteindra pendant la cuisson :

Pendant la cuisson d'aliments à haute teneur en eau, un peu de vapeur peut être visible à la grille à l'arrière du chauffe-plats. Ceci est tout à fait normal.

Réglage de l'heure

Appuyez sans relâcher, comme indiqué ci-dessus. En même temps, appuyez sur (-) ou (+) jusqu’à l’affichage de l’heure correcte. N’oubliez pas que c’est une horloge 24 heures. Si vous faites une erreur ou si vous vous trompez de bouton, mettez l’appareil hors tension pendant une ou deux minutes, puis recommencez la procédure.
Minuterie
Appuyez sans relâcher sur la minuterie () :

En même temps, appuyez sur (-) ou (+) jusqu'à l'affichage du temps de cuisson requis :

Vous pouvez vérifier le temps de cuisson qui reste en appuyant sur (), et annuler le signal sonore en appuyant de nouveau sur ().
Arrêt automatique du four gauche
Appuyez sans relâcher sur le bouton Heure d’arrêt ( ):

En même temps, appuyez sur (-) ou (+) jusqu'à ce que « Heure d'arrêt » s'affiche. AUTO sera affiché. Le signal sonore indiquera la fin de la cuisson. METTEZ D'ABORD LE BOUTON DE COMMANDE DU FOUR SUR LA POSITION ARRET (OFF), puis appuyez une fois sur () pour arrêter le signal sonore; appuyez de nouveau sur () pour revenir au fonctionnement manuel.
Mise en marche et arrêt du four gauche avec minuterie
Avant de régler la minuterie, CHOISSEZ le « temps de cuisson », c'est-à-dire la durée pendant laquelle vous voulez que le four fonctionne, et « l'heure d'arrêt », c'est-à-dire l'heure à laquelle vous voulez que le four s'arrête.
Vous ne pouvez pas régler directement une heure de mise en marche – celle-ci est réglée automatiquement lors de la sélection du temps de cuisson et de l'heure d'arrêt.
Appuyez sans relâcher sur le bouton ( ). En même temps, appuyez sur (-) ou (+) jusqu'à ce que le temps de cuisson s'affiche :
□□-+

Appuyez sans relâcher sur le bouton Heure d'arrêt (□). En même temps, appuyez sur (-) ou (+) jusqu'à l'affichage de l'heure d'arrêt :

AUTO sera affiché.
Réglez le four sur la température requise. Le signal sonore indiquera la fin de la cuisson. METTEZ D'ABORD LE BOUTON DE COMMANDE DU FOUR SUR LA POSITION ARRET (OFF), puis appuyez une fois sur () pour arrêter le signal sonore; appuyez de nouveau sur () pour revenir au fonctionnement manuel.
Si vous êtes absent pendant la cuisson, ne vous inquiétez pas au sujet de l'arrêt du signal sonore; celui-ci s'arrête après un certain temps.
À votre retour, METTEZ D'ABORD LE BOUTON DE COMMANDE DU FOUR SUR 0, puis appuyez deux fois sur (®) pour revenir au fonctionnement manuel.
AUTO est affiché, et vous devez remettre le four sur fonctionnement manuel :
Lorsque l'on annule un réglage automatique, tout temps de cuisson déjà réglé doit être remis sur 0.00 avant que l'on puisse revenir au fonctionnement manuel en appuyant sur le bouton ().
Fonction de verrouillage
Après activation de la fonction de verrouillage, le four droit peut fonctionner normalement, mais le four gauche est verrouillé et ne s'allumera pas.
Activation de la fonction de verrouillage
Vérifiez que l'horloge est sur le mode manuel et annulez tout programme en cours.
Appuyez sans relâcher sur les boutons Minuterie ( Ⓞ) et Temps de cuisson ( Ⓞ) pendant 8 secondes environ :


« On » ([Marche]) sera affiché.
Appuyez une fois sur le bouton (+):

□ 1

Le symbole clé (¶) et «Of» (Arrêt) s'afficheront. Relâchez les boutons. Les fonctions de commande du four et de l'horloge seront alors verrouillées.
Après quelques secondes, l'affichage indiquera de nouveau l'heure et le symbole clé (¶):

O O O O O O
Déactivation de la fonction de verrouillage
Appuyez sans relâcher sur les boutons Minuterie (⋅) et Temps de cuisson (⋅) pendant 8 secondes environ :



« On » ([Arrêt]) sera affiché.
Appuyez une fois sur le bouton (+). Le symbole de clé (!) disparaît et «On» ([Marche]) s'affiche :



Relâchez les boutons. Après quelques secondes, l'affichage indiquera de nouveau l'heure.
Les fonctions de commande du four et de l'horloge pourront alors être utilisées normalement.
Conseils pour la cuisson avec minuterie
Si vous désirez cuire plusieurs plats simultanément, choisissez des plats nécessitant approximativement le même temps de cuisson. Cependant, la cuisson de certains plats peut être légèrement « ralentie » en utilisant des petits plats de cuisson et en les recouvrant d'une feuille de papier aluminium, ou « accélérée » en utilisant de plus petites quantités ou des plats de cuisson plus grands.
Evitez d'utiliser des aliments rapidement périssables (poisson, porc, etc.) si vous prévoyez une longue période d'attente, surtout par temps chaud.
Ne placez pas des aliments chauds dans le four qui sera utilisé avec la fonction Minuterie.
N'utilisez pas un four déjà chaud avec la fonction Minuterie.
N'utilise pas la fonction Minuterie avec un four si le four adjacent est déjà chaud.
Décongelez complètement les volailles entières avant de les mettre au four. Assurez-vous que les viandes et volailles sont bien cuites avant de les servir.
Les températures du four et les temps de cuisson indiqués dans le tableau ci-contre sont fournis uniquement à titre indicatif. En fonction des goûts individuels, les températures devront peut-être être modifiées pour obtenir les résultats que vous recherchez.
Pour obtenir les meilleurs résultats possibles, préchauffez le four jusqu'à l'extinction du voyant du four.
Lorsque vous suivez une recette, réduisez la température indiquée de 10°C et le temps de cuisson de 5 à 10 minutes. La température dans un four ventilé ne varie pas selon la position dans le four – vous pouvez donc utiliser n'importe quelle grille.
Si vous utilisez plusieurs grilles, laissez toujours au minimum un espace de glissière entre chaque grille. Placez les plaques de cuisson, les moules à gâteaux individuels et les plats à cuire au centre de la grille.
Guide pour la cuisson au four
| Aliment | Four gauche et four droit Température | Temps de cuisson approximatif |
| POISSON | ||
| 180°C | Filets 15-20 minutes. | |
| 180°C | Morceau entier 10 minutes/500 g + 10 minutes. | |
| 180°C | Steaks selon l'épaisseur. | |
| VIANDES ROTIES | ||
| Bœuf non désossé | 150°C | 20-25 minutes/500 g + 20-25 minutes |
| 190°C | 15-20 minutes/500 g + 15-20 minutes | |
| Bœuf désossé | 150°C | 30-35 minutes/500 g + 30-35 minutes |
| 190°C | 20-25 minutes/500 g + 20-25 minutes | |
| Agneau | 170°C | 30-35 minutes/500 g + 30-35 minutes |
| 190°C | 25-35 minutes/500 g + 25-30 minutes | |
| Porc | 150°C | 35-40 minutes/500 g + 35-40 minutes |
| 190°C | 25-30 minutes/500 g + 25-30 minutes | |
Farci et roulé : ajoutez approximativement 10 minutes/500 g aux temps de cuisson ci-dessus ou faites cuire à 200°C pendant 20 minutes, puis à 160°C pendant le reste de la cuisson.
AVANT LA CUISSON, DECONGELEZ COMPLETEMENT LES ROTIS ET VOLAILLES CONGELES.
| VOLAILLE | ||
| Poulet et dinde | 190°C | 15-20 minutes/500 g + 15-20 minutes |
| Volaille farcie : cuisson à 200°C ou à 200°C pendant 20 minutes, puis à 160°C pendant le reste de la cuisson. Préemballée (fraîche ou congelée) : suivre les temps de cuisson indiqués sur l'emballage. | ||
| PLAT BRAISE | 140°C | 2-4 heures selon la recette. |
| GATEAUX | ||
| Cake 100% fruits confits | 140°C | 45-50 minutes/500g de pâte. |
| Cake aux fruits confits (180 mm) | 145°C | 2½-3 heures. |
| Gâteau de Savoie | 170°C | 20-30 minutes |
| PATISSERIE | ||
| Tourte aux fruits | 190°C | 35-40 minutes |
| Tartelettes | 190°C | 15-20 minutes selon la tallie. |
| Pâté feuilletée | 200°C | 20-40 minutes selon la tallie. |
| PAIN | 200°C | 20-30 minutes |
| MERINGUES | 100°C | 2-2½ heures |
500g correspond approximativement à 1 livre (1 livre 2 onces).
Conseils généraux pour la cuisson au four
Veillez à ce que les grilles soient toujours insérées à fond dans le four.
Placez les plaques de cuisson, plats à rôtir, etc., à niveau, au centre des grilles du four. Éloignez les plaques et les plats de cuisson des bords du four, afin de ne pas trop dorer les aliments.
Pour dorer un plat uniformément, il est recommandé d'utiliser une plaque de cuisson de dimensions maximales de 340mm× 340mm pour le four gauche (four principal) et de 230mm× 320mm pour le four droit (four haut). Laissez toujours un « doigt de largeur » entre des plats placés sur une grille de four. Ceci afin de faciliter la circulation de chaleur autour des plats.
Les panneaux internes autonettoyants (voir « Nettoyage de la cuisine ») sont plus efficaces lorsqu'on évite les projections grasses. Couvrez la viande pendant la cuisson. Pour réduire les projections grasses lorsque vous ajoutez des légumes dans la graisse chaude autour d'un roti, séchez soigneusement les légumes ou enduisez-les d'un peu d'huile à friture.
Si vous souhaitez dorer un fond de tarte, préchauffez une plaque de cuisson pendant 15 minutes avant de placer le plat au centre de la plaque.
Placez les plats susceptibles de bouillir et déborder pendant la cuisson sur une plaque de cuisson.
Grilles de four
Four gauche (four principal)
Le protège-grille doit être à l'arrière, et pointer vers le haut. Outre les grilles plates, ce module est fourni avec une grille surbaissée, qui augmente les possibilités d'espacement entre les grilles de four.

Les grilles de four s'insèrent et s'extraient facilement :
| Tirez la grille vers l'avant jusqu'à ce que l'arrière de la grille soit arrêté par les butées d'accêt laterales du four. | → |
| Soulevez l'avant de la grille pour faire passer l'arrière de la grille sous la butée d'accêt, puis tirez la grille vers l'avant. | → ↑ |
Pour remettre la grille en place, mettez la grille à niveau avec une glissière latérale du four, puis insérez la grille à fond jusqu'à ce que les extrémités soient en contact avec la butée d'arrêt de la grille. Soulevez l'avant de la grille pour que les extrémités puissent dépasser les butées, puis abaissez l'avant pour permettre la grille à l'horizontal, avant de l'insérer à fond.

Grilles du four haut
Le four haut est fourni avec quatre grilles de cuisson ordinaires :

et une grille chauffe-plats :

Lorsque vous utilisez le four haut, vous pouvez faire cuire des aliments sur les quatre grilles simultanément, mais veillez à ce que les plats soient bien écartés les uns des autres pour permettre à l'air chaud de circuler.
Le Handyrack peut supporter un poids maximum de 5,5 kg. Il ne doit être utilisé qu'avec le moule à viande fourni, qui est spécialement élevé pour être utilisé avec le Handyrack. Tout autre récipient de cuisson risque d'être instable.

Le Handyrack se monte uniquement sur la porte du four gauche. Il est facile de surveiller les aliments ainsi car vous pouvez y accéder lorsque la porte est ouverte. Vous pouvez le monter sur deux positions. Retirez une des grilles et placez l'autre selon les besoins. Lorsque le Handyrack est utilisé sur sa position supérieure maximum, d'autres plats peuvent être cuits sur une grille placée à la position inférieure du four ou placée directement sur la sole du four. Lorsque le Handyrack est utilisé sur sa position inférieure maximum, d'autres plats peuvent être cuits directement sur la sole du four.
Éclairage du four principal
Appuyez sur le bouton approprié pour allumer l'éclairage du four.

Si l'éclairage du four principal est défectueux, mettez la cuisinière hors tension avant de changer l'ampoule. Pour des informations détaillées sur la façon de changer une ampoule de four, reportez-vous à la section « Dépannage »
Informations importantes
Avant un nettoyage complet, mettez la cuisinière hors tension. Laissez-la ensuite refroidir.
N'utilise jamais de solvants pour peinture, de cristaux de soude, de nettoyants caustiques, de poudres biologiques, d'eau de Javel, de nettoyants chlorés, ni de produits abrasifs à gros grain ou de sel. Ne mélangez pas plusieurs produits nettoyants, car ils risquent de réagir entre eux et d'avoir des effets nocifs.
Toutes les parties de la cuisinière peuvent être lavées à l'eau savonneuse chaude, mais veillez à prévenir toute infiltration d'eau dans l'appareil.
N'oubliez pas de remettre sous tension et de régler de nouveau l'horloge avant d'utiliser la cuisinière.
Nous avons développé une gamme de produits nettoyants qui permettent d'obtenir des résultats optimaux sans abimer les surfaces émaillées et peintes. Des informations complémentaires figurent dans la brochure Collection Ustensiles de cuisine [Cookware Collection] fournie avec votre cuisinière ou sur notre site Internet www.rangemaster.co.uk.
Brûleurs de table de cuisson
Certains modèles ont un anneau de garniture séparé qui se place sur la tête du brûleur.
Les têtes et chapeaux de brûleurs sont démontables pour faciliter le nettoyage. Vérifiez qu'ils sont complètement secs avant de les remettre en place.
Brûleurs mono-élément
Lors de la remise en place de la tête du brûleur, assurez-vous que l'encoche est en face de l'électrode ou du trou sur le socle. Vérifiez que la tête du brûleur est à niveau et que le chapeau est bien centré sur la tête du brûleur.
A chapeau, B tête, C encoche, D électrode, E socle
Brûleur de wok
Le brûleur de Wok est un peu plus complexe mais est aussi démontable à des fins de nettoyage.
Brûleur de Wok A chapeau de brûleur interne, B chapeau de brûleur externe, C tête de brûleur interne, D tête de brûleur externe.
Lors du remontage des éléments du brûleur de Wok, replacez l'anneau de garniture et repérez la partie en forme de « D »:
Le socle du brûleur de Wok
Tournez la tête jusqu'à ce que le « D » corresponde à celui situé sur le socle du brûleur. Retournez la tête et placez-la sur le socle du brûleur.
Pour monter le petit brûleur interne, repérez la grande encoche d'électrode sur le bord du brûleur. Alignez-la sur l'électrode d'allumage blanche et placez le brûleur interne sur le grand anneau du socle.
A Encoche d'électrode B Électrode d'allumage
Montez les deux chapeaux de brûleur, en vérifiant qu'ils sont placés correctement.
Support spécial de wok
Il est recommandé d'utiliser de l'eau savonneuse chaude, un tampon récurant savonneux humide, un produit de nettoyage semi-liquide, ou un tampon récurant en nylon pour le nettoyage.
Gril
Avant de retirer des composants du grill pour les nettoyer, assurez-vous qu'ils ont refroidi ou protégez-vous avec des gants isolants.
La lèchefrite et le support sont amovibles pour faciliter le nettoyage.
Lavez la lèchefrite et la grille à l'eau savonneuse chaude ou avec notre solution de nettoyage Rangemaster.
Après les grillades de viandes ou d'aliments salissants, faites tremper dans l'évier, pendant quelques minutes, immédiatement après la cuisson. Les taches tenaces sur la grille peuvent être enlevées à l'aide d'une brosse en nylon.
Lors de la remise en place de la l'échefrite, assurez-vous que le bord large est à l'avant :

Panneau de commande et portes
N'utilisez pas des produits nettoyants abrasifs, y compris des produits nettoyants semi-liquides, sur les surfaces en acier inoxydable brossé. Les meilleurs résultats s'obtiennent avec des détergents liquides.
Le panneau et les boutons de commande doivent être nettoyés uniquement avec un chiffon doux imbibé d'eau savonneuse chaude. Après nettoyage, lustrez à l'aide d'un chiffon sec.
Le four principal est doté de panneaux amovibles à revêtement émaillé qui sont partiellement autonettoyants. Ceci n'empêche pas complètement la formation de taches sur le revêtement, mais réduit le nettoyage manuel nécessaire.
Le nettoyage automatique des panneaux est plus efficace à une température supérieure à 200 °C. Si, en général, vous utilisez le four à des températures inférieures, retirez occasionnellement les panneaux et essayez-les avec un chiffon non pelucheux imbibé d'eau savonneuse chaude. Séchez et replacez les panneaux dans le four chauffé à 200°C pendant environ une heure. Ceci assurera un bon fonctionnement des panneaux autonettoyants.
N'utilisez pas de paille de fer ou tout autre matériel susceptible de rayer la surface.
Dépose des panneaux internes du four principal
Certains panneaux internes de four sont amovibles afin de permettre leur nettoyage. Retirez d'abord les grilles du four.
Chaque panneau latéral est maintenu en place par quatre vis de fixation. Les panneaux peuvent être retirés sans avoir à enlever les vis. Soulevez chaque panneau latéral pour le décrocher des vis. Tirez-le ensuite vers l'avant :

Après retrait des panneaux internes, vous pouvez nettoyer l'intérieur émaillé du four.
Four haut
Pour nettoyer les parois du four, retirez les grilles, décrochez et retirez les supports latéraux :

Le ventilateur du four est bruyant
Le bruit du ventilateur peut changer pendant le chauffage du four – ceci est tout à fait normal.
Le gril ne cuit pas correctement
Utilisez-vous la lèchefrite et la grille fournies avec la cuisine ? Utilisez-vous la lèchefrite sur les glissières et non pas directement sur la surface inférieure de l’enceinte du grill ? La lèchefrite est-elle insérée à fond jusqu’à la butée arrière ?
Ceci est dû à la chaleur provenant du four ou du grill. Ne laissez pas la porte du four ouverte. Lorsque vous utilisez le grill, assurez-vous que la l’échefrite du grill est bien insérée jusqu’à la butée arrêté. Laissez toujours la porte de l’enceinte du grill ouverte pendant l’utilisation du grill.
En cas de problème concernant l'installation, si mon installateur d'origine ne peut pas venir résoudre le problème, à qui incombent les frais?
C'est à vous qu'incombent ces frais. Les sociétés d'entretien factureront leurs interventions si elles réparent une installation effectuée par votre installateur d'origine. Il est de votre intérêt de contacter votre installateur d'origine.
Panne de courant
En cas de panne de courant, n'oubliez pas de régler de nouveau l'horloge pour permettre le fonctionnement automatique du four.
Les alimentés cessent trop lentement, trop rapidement, ou brûlent
Les temps de cuisson peuvent être différents de ceux de votre ancien four. Vérifiez que vous utilisez les températures et positions de grilles de four recommandées. Ajustez ensuite les réglages en fonction de vos goûts individuels.
La cuisson au four n'est pas uniforme
N'utilise pas de plat ou de plaque de cuisson de dimensions supérieures à celles indiquées dans la section « Conseils généraux pour la cuisson au four »
Dans le cas d'un grand plat, vous devrez peut-être le tourner pendant la cuisson.
Si vous utilisez deux grilles, vérifiez qu'il y a assez de place pour permettre à la chaleur de circuler. Lorsque vous insérez une plaque de cuisson dans le four, veillez à la placer au centre de la grille.
Vérifiez que le joint d'étanchéité de la porte n'est pas endommagé et que le loquet de porte est réglé de façon à ce que la porte soit bien appuyée contre le joint.
Un réseau d'eau placé sur la grille doit avoir une profondeur uniforme. (S'il est plus profond à l'arrière, par exemple, l'arrière de la cuisinière doit être levé ou l'avant de la cuisinière abaissé). Si la cuisinière n'est pas à niveau, demandez à votre fournisseur de la mettre à niveau.
Le four ne s'allume pas lorsqu'il est mis en marche manuellement
L'appareil est-il sous tension ? L'horloge est-elle éclairée ? Si ce n'est pas le cas, l'alimentation électrique est peut-être défectueuse. Le sectionneur de l'alimentation électrique de la cuisine est-il à la position Marche ?
L'heure a-t-elle été réglée?
Le symbole clé (l) s'affiche-t-il pour indiquer le verrouillage du four ? Reportez-vous à la section « Horloge » des instructions pour un complément d'informations sur la fonction de verrouillage.
Le four ne s'allume pas avec la mise en marche automatique
Le bouton de commande du four a-t-il été laissé par erreur sur ARRET (OFF)? Le four est-il verrouillé (voir ci-dessus)?
Si le fait de mettre le bouton de réglage sur une température inférieure n'a pas eu d'effet ou a eu un effet temporaire, vous devrez peut-être remplacer le thermostat. Cette intervention doit être effectuée par un spécialiste de l'entretien.
L'éclairage du four ne fonctionne pas
L'ampoule a probablement grillé. Vous pouvez acheter une ampoule de rechange (non couverte par la garantie) dans un magasin d'accessoires électriques. Demandez une ampoule à culot vissable Edison 15 W 240 V, POUR FOURS. Cette ampoule doit pouvoir résister à une température de 300°C.
Veuillez vous reporter à la brochure « Conseils à la clientèle » pour vous procurer des pièces de rechange par correspondance.

Avant de désteroler l'ampoule usagée, mettez la cuisinière hors tension et assurez-vous que le four a
refroidi. Ouvrez la porte du four et retirez les grilles du four.
Dévissez le couvercle de l'ampoule en tournant en sens antihoraire (il peut être très difficile à dévisser) :

Dévissez l'ampoule en tournant en sens antihoraire, en vous protégeant les mains avec un gant pour ne pas vous blesser :

Vissez l'ampoule de rechange, puis revissez le couvercle de l'ampoule. Remettez l'appareil sous tension et contrôlez le fonctionnement de l'éclairage.
Défaillance de l'allumage ou des brûleurs de la table de cuisson
L'appareil est-il sous tension ? L'horloge est-elle éclairée ? Si ce n'est pas le cas, l'alimentation électrique est peut-être défectueuse.
Les encoches du générateur d'étincelles (électrode d'allumage) ou du brûleur sont-elles obstruées par des débris ?
Les anneaux de garniture et les chapeaux des brûleurs sont-ils placés correctement (voir la section « Nettoyage de la cuisine »)?
Les brûleurs de la table de cuisson ne s'allument pas
Assurez-vous que les éléments du brûleur ont été replacedCorrectement après avoir été essuyés ou rétiers pour nettoyage.
Vérifiez que l'alimentation en gaz n'est pas défectueuse. Pour ce faire, vérifiez le fonctionnement de vos autres appareils à gaz.
Les brûleurs produisent-ils une étincelle lorsque vous appuyez sur le bouton ? Si ce n'est pas le cas, vérifiez que la cuisinière est sous tension - l'horloge est-elle éclairée ?
Installation
Avant de commencer l'installation, veuillez remplir la fiche ci-dessous. Ceci permettra à votre client de vous contacter facilement en cas de problème relatif à l'installation.
Respectez les prescriptions et réglementations de sécurité ci-dessous :
Avant l'installation, vérifie que les conditions de distribution locales (type et pression de gaz) et le réglage de l'appareil sont compatibles. Cet appareil doit être installé conformément à la réglementation en vigueur, et uniquement dans un endroit bien ventilé.
Dans votre intérêt et par souci de sécurité, légalement, tous les appareils à gaz doivent être installés par des personnes compétentes. Une installation incorrecte n'engage ni la responsabilité, ni la garantie du fabricant, et peut donner lieu à des poursuites.
Cet appareil ne doit pas être installé dans un bateau ou une caravane.
La cuisinière doit être installée conformément à la Réglementation Construction/IEE en vigueur.
Ventilation
Cet appareil n'est pas raccordé à un dispositif d'évacuation des produits de combustion. Prêtez particulièrement attention à la réglementation en vigueur concernant la ventilation.
Emplacement de la cuisinière
La cuisinière peut être installée dans une cuisine/un salon-cuisine, mais PAS dans une pièce contenant une baignoire ou une douche.
Remarque :
Un appareil utilisé avec du gaz de pétrole liquéfié (GPL) ne doit pas être installé dans une pièce ou un espace intérieur souterrain, par exemple dans un sous-sol.
Modification
Tous les modèles fournis sont régés pour une utilisation avec gaz naturel groupe H. Un kit de modification permettant l'utilisation de gaz de pétrole liquéfié (GPL) est fourni avec l'appareil. Reportez-vous aux instructions fournies avec le kit de modification. Après modification de l'appareil, veuillez apposer l'étiquette de modification sur la partie appropriée du badge technique, pour permettre d'identifier le type de gaz utilisé pour l'installation de la cuisinière.
L'installation de la cuisinière nécessitera l'emploi du matériel indiqué ci-dessous :
Dispositif stabilisateur
Un dispositif stabilisateur (équerre ou chaîne) doit être monté sur la cuisinière si celle-ci est alimentée en gaz par le biais d'un tuyau flexible.

Ce dispositif stabilisateur n'est pas fourni avec l'appareil mais est en vente dans la plupart des magasins de bricolage.

TUYAU flexible de gaz
Doit être conforme aux normes appropriées.

(pour les contrôles électriques)

Vous aurez aussi besoin des outils suivants :
- Perceuse électrique
- Foret à maçonnerie (nécessaire seulement pour montage sur sol en pierre ou en béton)
- Chevilles Rawlplugs (nécessaires seulement pour montage sur sol en pierre ou en béton)
- Metre en acier
- Tournevis cruciforme
Installation
Une fois le travail terminé, effectuez les contrôles de sécurité nécessaires.
- Tournevis à lame plate
- Niveau à bulle
- Crayon
- Clé réglable
- Vis pour le montage de l'équerre stabilisatrice.
Vérification des pièces
| 3 grilles de table de cuisson | Outil de mise à niveau et clés hexagonales |
| 1 grille de four plate et 1 grille surbaissée | Grilles et supports de grillés de four haut. |
| Handyrack | Plat à rôtir |
| Lèchefrite et grille | Plinthe |
Positionnement de la cuisinière
Les schémas indiquent les cotes minimales recommandées entre la cuisine et les surfaces adjacentes.
Ne placez pas la cuisine sur un support.
Le pourtour de la table de cuisson doit être au niveau ou au-dessus de tout plan de travail adjacent. Laissez un espace de 75 mm au-dessus du niveau de la table de cuisson entre chaque côté de la cuisinière et toute surface verticale adjacente. Pour les surfaces non combustibles (telles que le métal non peint ou les carrelages), cette cote peut être de 25 mm.

Laissez un espace de 650 mm au minimum entre la partie supérieure de la table de cuisson et une surface horizontalement combustible.

Toute hotte de cuisinière doit être installée conformément aux instructions du fabricant de hotte.
Les surfaces des meubles et des murs de chaque côté et à l’arrière de l’appareil doivent être résistantes à la chaleur, aux éclaboussures et à la vapeur. Certains types de meubles de cuisine en vinyle ou en stratifié sont particulièrement susceptibles aux risques de dommages thermiques et de décoloration. Nous déclinons toute responsabilité pour des dommages résultant d’une utilisation normale de la cuisinière et subis par des matériaux qui se décollent ou se décolorent à des températures de moins de 65°C au-dessus de la température ambiante.
Nous recommandons de laisser un espace de 910 mm entre les unités pour permettre le déplacement de la cuisinière. La cuisinière ne doit pas être encastrée. Elle doit
pouvoir être déplacée vers l'avant et vers l'arrière pour le nettoyage et l'entretien.
Si la cuisinière est près d'un coin de la cuisine, un dégagement de 130 mm est nécessaire pour permettre l'ouverture des portes de fours. La cote d'ouverture des portes est légèrement inférieure à ce dégagement, mais ceci inclut une marge de sécurité pour la protection des mains lors de l'ouverture de la porte.

Déballage de la cuisinière
N'essayez jamais de déplacer la cuisinière lorsque celle-ci est sous tension.
La cuisinière est très lourde, faites très attention. Nous recommandons de faire appel à deux personnes pour déplacer la cuisinière. Assurez-vous que le revêtement du sol est solidement fixé en place ou retirez-le afin de ne pas l'abimer en déplaçant la cuisinière.
N'essayez jamais de déplacer la cuisinière lorsque celle-ci est sous tension.
La cuisinière est très lourde, faites très attention. Nous recommandons de faire appel à deux personnes pour déplacer la cuisinière. Assurez-vous que le revêtement du sol est solidement fixé en place ou retirez-le afin de ne pas l'abimer en déplaçant la cuisinière.
Deux galets d'arrêt de mise à niveau et deux supports avant vissables facilitent le déplacement de la cuisinière. Vous devrez utiliser l'outil de mise à niveau.
Retirez le socle d'emballage en polystyrène. Depuis l'avant, inclinez la cuisinière vers l'avant et retirez la partie avant du socle d'emballage en polystyrène:


Répétez cette procédure à l'arrière et retirez la partie arrière du socle.
Abaissement des deux galets arrêté
Insérez d'abord l'outil de mise à niveau sur l'écrou de réglage hexagonal comme illustré ci-dessous :

Effectuez 10 tours complets (360^) en sens horaire. (Tournez et retirez l'outil de mise à niveau 20 fois):


Veillez à abaisser les DEUX GALETS ARRIÉRÉS. Il y a deux écrous de réglage, un pour chaque galet, aux coins avant inférieurs de la cuisinière.
Dépliez le bord arrêté du plateau d'emballage. Ouvrez la porte du grill et la porte du four croît afin d'avoir une bonne prise sur la partie inférieure du panneau de commande pour déplacer la cuisinière :

Installation
Une fois le travail terminé, effectuez les contrôles de sécurité nécessaires.
Agrippez la cuisinière sous le panneau de commande et soulevez légèrement l'avant de la cuisinière :

Poussez la cuisinière vers l'arrière avec précaution pour la dégager de son socle d'emballage. Retirez le plateau d'emballage.
Poussez la cuisinière près de sa position finale, en laissant juste assez de place pour pouvoir avoir accès à l'arrière.
N'utilisez pas les poignées de portes ou les boutons de commande pour déplacer la cuisinière.
Repositionnement de la cuisinière après raccordement
Si vous devez déplacer la cuisinière après son raccordement, débranchez la cuisinière, agrippez-la sous le panneau de commande et levez légèrement l'avant de la cuisinière (comme indiqué ci-dessus), puis vérifiez à l'arrière de l'appareil que le câble d'alimentation n'est pas entravé. Pendant le déplacement de la cuisinière, assurez-vous que le câble électrique et le tuyau de gaz ne sont pas entravés.
Si la cuisinière est dotée d'une chaîne stabilisatrice, défaites-la pour pouvoir manœuvrer la cuisinière.
N'oubliez pas de la remettre en place lorsque vous replacez la cuisinière.
Lors de la remise en place de la cuisinière, vérifie de nouveau que le câble électrique et le tuyau de gaz ne sont pas entravés ou coincés.
Modification GPL
Si vous souhaitez modifier l'appareil en vue de l'utilisation d'un gaz de pétrole liquéfié, effectuez la modification à ce stade. Reportez-vous à la section sur la modification dans les générées instructions.
Mise à niveau
Nous vous recommandons d'utiliser un niveau à bulle placé sur l'une des grilles de four pour vérifier le niveau.
Placez la cuisinière à l'emplacement prévu pour son installation, en veillant à ne pas exercer de force de torsion lorsque vous l'insérez entre les éléments de cuisine, pour ne pas l'endommager ou endommager les éléments.
Les supports avant et les galets arrêté réglables permettent la mise à niveau de la cuisinière. Pour régler la hauteur de l'arrêté de la cuisinière, utilisez l'outil de
mise à niveau fourni pour tourner les écrous de réglage aux coins avant inférieurs de l'appareil. Pour régler les supports avant, tournez les socles pour lever ou abaisser.
Montage d'un dispositif stabilisateur
Montez une équerre ou une chaîne stabilisatrice (non fournie avec la cuisinière) sur la cuisinière si celle-ci est raccordée à un tuyau flexible d'alimentation en gaz.
Avant le montage d'un dispositif stabilisateur, lisez les présentes instructions ainsi que les instructions de montage fournies avec le dispositif.

- Placez la cuisinière à l'emplacement prévu et mettez-la à niveau.
- Tracez une ligne au crayon à 70 mm du bord avant des supports de mise à niveau.
- Tracez l'axe pour l'équerre à 550 mm du côté gauche de la cuisinière.
- Déplacez la cuisinière vers l'avant.
- À partir de la ligne au crayon, mesurez 500 mm vers l'arrière pour indiquer le bord avant de l'équerre. Placez l'équerre de sorte qu'elle soit éloignée de l'axe de la cuisinière pour réduire le risque d'entravement du câble électrique ou du tuyau de gaz. Attachez l'équerre au sol.
- Mesurez la hauteur entre le niveau du sol et le bord de prise à l'arrière de la cuisinière. Ajoutez 3 mm à cette cote et montez l'équerre stabilisatrice à cette hauteur (entre le niveau du sol et le revers du membre supérieur), et vérifiez que l'équerre ne gêne pas le brûleur du four :


Installation
Une fois le travail terminé, effectuez les contrôles de sécurité nécessaires.
Raccordement de l'alimentation en gaz
Doit être conforme aux normes appropriées.
La cuisinière n'est pas fournie avec un tuyau flexible ; les tuyaux flexibles sont disponibles dans la plupart des magasins de matériaux et de bricolage.
L'alimentation en gaz domestique doit être terminée par un raccord baïonnette orienté vers le bas. Les boîtiersarrêté de la cuisinière limitent la position du point d'alimentation.
Il est difficile de donner des cotes précises, étant donné que la hauteur de la cuisinière est réglable et que chaque raccordement est différent. Idéalement, le raccord baïonnette d'alimentation domestique doit être situé dans la partie ombrée indiquée sur le schéma. Vous pouvez utiliser un tuyau flexible de 900 mm, mais un tuyau de 1250 mm offre plus de flexibilité quant au positionnement du raccord baïonnette et facilite le déplacement de la cuisinière. Montez le tuyau de façon à ce que les raccords d'admission et de sortie soient verticaux et que le tuyau pendente en forme de «U».
Le raccord de l'appareil est situé juste au-dessous du niveau de la table de cuisson, à l'arrière de la cuisinière.

Vue arrêté
A Admission de gaz de l'appareil B Emplacement du raccord d'alimentation en gaz - un raccordement latéral est aussi possible.
Dans le cas d'une alimentation en gaz naturel, le tuyau flexible doit être conforme à la norme B.S.669. Dans le cas d'une alimentation GPL, le tuyau doit pouvoir résister à une pression de 50 mbar, une augmentation de température de 70°C et porter une étiquette, un collet ou une bande rouge. En cas de doute, contactez votre fournisseur.
Vissez l'extrémité filée du tuyau flexible dans l'admission de gaz au revers du bloc de connexion à l'arrière de la cuisinière.
Lorsque le raccordement est terminé, effectuez un essai de pression pour contrôler l'étanchéité de la cuisinière.
Essai de pression
La pression de gaz peut être mesurée au niveau de l'injecteur de l'un des brûleurs centraux de la table de cuisson (non pas au niveau du brûleur de Wok). Retirez la tête d'un des brûleurs. Montez le manomètre sur le gicleur. Mettez en marche un des autres brûleurs de la table de cuisson. Tournez et appuyez sur le bouton de commande du brûleur avec manomètre, pour permettre l'arrivée du gaz.
Pressions
| Gaz naturel | Cuisinières GPL | |
| 20 mbars. | Butane | 29 mbars |
| Propane | 37 mbars | |
Eteignez les brûleurs. Replacez le chapeau du brûleur, en veillant à le remonter correctement sur le corps du brûleur.
Raccordement électrique
Cet appareil doit être installé par un électricien qualifié, conformément à la réglementation I.E.E. en vigueur et aux prescriptions de la compagnie d'électricité locale.
MISE EN GARDE : CET APPAREIL DOIT ETRE MIS A LA TERRE.
Remarque :
La cuisinière doit être raccordée à l'alimentation électrique correcte, indiquée sur l'étiquette de tension sur l'appareil, par le biais d'une unité de commande de cuisinière appropriée à interrupteur bipolaire (avec une séparation de contact de 3 mm au minimum entre les pôles).
Cette cuisinière ne doit pas être raccordée à une prise d'alimentation domestique ordinaire.
Alimentation monophasée
Alimentation triphasée
Pour accéder au bornier d'alimentation secteur, retirez le boîtier électrique sur le panneau arrière. Raccordez le câble d'alimentation secteur aux bornes correctes pour votre type d'alimentation électrique. Vérifiez que les connecteurs sont montés correctement et que les vis des bornes sont bien serrées. Fixez le câble d'alimentation secteur à l'aide du serre-câble.
Contrôle de la table de cuisson
Contrôlez le fonctionnement de chaque brûleur (voir la section « Brûleurs de la table de cuisson » au début des instructions).
Contrôle des jours
Réglez l'horloge conformément aux instructions données précédemment, et allumez les jours. Vérifiez que les ventilateurs des jours se mettent en marche et que les jours commencent à chauffer. Éteignez les jours.
Montage de la plinthe
Dévissez les trois vis le long du bord inférieur avant de la cuisinière. Insérez l’encoche centrale en forme de trou de serrure sur la vis centrale. Tournez et insérez les encoches d’extrémités en trou de serrure sur leurs vis respectives. Serrez les vis de fixation.

Vérifiez sur la fiche technique au verso de la présente brochure si la cuisinière peut être modifiée pour pouvoir utiliser le gaz de votre choix.
Cette modification doit être effectuée par une personne compétente, conformément aux présentes instructions et aux prescriptions de la compagnie de gaz locale.
Une modification incorrecte n'engage ni la responsabilité, ni la garantie du fabricant, et peut donner lieu à des poursuites.
Les générales instructions doivent être utilisées en conjonction avec les autres instructions relatives à cet appareil, en particulier en ce qui concerne les informations sur les normes, le positionnement de la cuisinière, le choix des tuyaux de raccordement appropriés, etc.
Lors de l'entretien ou du remplacement de composants d'alimentation en gaz, débranchez le gaz avant le début de l'intervention et, au terme de celle-ci, effectuez les contrôles de sécurité nécessaires pour les appareils à gaz.
N'utilise pas de commandes de gaz remises à neuf ou non autorisées.
Débranche l'appareil avant toute intervention d'entretien. Avant de rebrancher l'alimentation électrique, effectuez les contrôles de sécurité nécessaires.
Injecteurs
Brûleur standard
Retirez les chapeaux et les têtes des brûleurs. Retirez les anciens gicleurs. Montez les nouveaux gicleurs (les gicleurs corrects sont indiqués sur la Fiche technique au de la présente brochure). Remontez en procédant dans l'ordre inverse.
Réglage du robinet de commande
Débranchez l'appareil de l'alimentation électrique.
Retirez tous les boutons de commande.
Ouvrez la porte du grill et du four côté et retirez les quatre vis de fixation au-dessous du panneau de commande.
Installation
Une fois le travail terminé, effectuez les contrôles de sécurité nécessaires.
Le panneau de commande devrait s'abaisser légèrement.
Il est maintenu sur la partie supérieure par deux trous, un à chaque extrémité, qui s'insèrent sur des languettes situées sur le panneau interne.
Décrochez le panneau de commande du panneau interne et tirez-le vers l'avant :
Veillez à ne pas endommager ou trop tirer les câbles.
Modification en vue de l'utilisation d'autres gaz
Tournez la vis de dérivation sur chaque commande en sens inverse jusqu'à la butée :
Vis de dérivation du robinet


Remontez le panneau de commande. Réinsérez les trous du bord supérieur sur les languettes situées sur le panneau interne et revissez les vis de fixation inférieures sur le panneau de commande.
Étiquette autocollante
Apposez l'étiquette GPL sur la partie gaz naturel de l'étiquette de données techniques de l'appareil.
Contrôlez l'étanchéité de l'appareil (voir « Essai de pression » ci-dessus).
Contrôlez le fonctionnement de tous les brûleurs.
Entretien
AVANT TOUTE INTERVENTION D'ENTRETIEN SUR UN COMPOSANT D'ALIMENTATION EN GAZ, COUPEZ LE GAZ.
Contrôlez l'étanchéité de l'appareil une fois l'intervention d'entretien terminée. Lors des contrôles pour la détection des fuites de gaz, utilisez un produit conçu spécifiquement pour la détection des fuites.
N'utilisez pas de commandes de gaz remises à neuf ou non autorisées.
Débranche l'alimentation électrique avant toute intervention d'entretien, notamment si vous devez retirer un des éléments suivants : panneau de commande, panneaux latéraux, table de cuisson ou tout composant ou boîtier électrique.
Avant de rebrancher l'alimentation électrique, effectuez les contrôles de sécurité nécessaires.
1. Dépose du panneau de commande
Débranchez l'appareil de l'alimentation électrique.
Retirez tous les boutons de commande.
Ouvrez la porte du grill et du four côté et retirez les quatre vis de fixation au-dessous du panneau de commande.
Le panneau de commande devrait s'abaisser légèrement. Il est maintenu sur chacun des deux bords supérieurs par deux trous, un à chaque extrémité, qui s'insèrent sur des languettes situées sur le panneau interne.
Décrochez le panneau de commande du panneau interne et tirez-le vers l'avant :
Débranche le câblage à l'arrière.
Remontez en procédant dans l'ordre inverse. Pour rebrancher les fils électriques, reportez-vous au schéma de câblage. Contrôlez le fonctionnement de la minuterie.
2. Dépose de la table de cuisson
Débranchez l'appareil de l'alimentation électrique.
Retirez les grilles de la table de cuisson et les têtes des brûleurs. Retirez les vis de fixation des brûleurs sur la table de cuisson.
Retirez les six vis de fixation de la table de cuisson sur le châssis :
Avertissement - l'entretien DOIT etre effectué uniquement par une personne habilitée.
Débranche l'appareil de l'alimentation électrique avant une intervention d'entretien. Une fois le travail terminé, effectuez les contrôles de sécurité nécessaires.

Tout en veillant à ne pas endommager les électrodes du brûleur, soulevez la table de cuisson avec précaution, débranchez le fil de mise à la terre (situé à l'arrière, à droite) de la traverse arrêté et retirez la table de cuisson.
Remontez en procédant dans l'ordre inverse, en veillant à rebrancher les fils. Veillez à ne pas endommager les électrodes d'allumage des brûleurs.
N'oubliez pas de rebrancher les fils de mise à la terre lors de la remise en place des vis de fixation, car ils font partie intégrante de la mise à la terre de la cuisine.
Contrôlez le fonctionnement des brûleurs.
3. Dépose des panneaux latéraux
Débranchez l'appareil de l'alimentation électrique.
Déposez le panneau de commande – voir point 1. Tirez la cuisinière vers l'avant. Retirez les quatre vis de fixation sur chaque panneau (une à la partie avant inférieure, une à la partie avant supérieure et deux à l'arrière).
Remontez en procédant dans l'ordre inverse.
4. Remplacement du contacteur d'allumage ou de l'interrupteur 'éclairage
Débranchez l'appareil de l'alimentation électrique.
Déposez le panneau de commande – voir point 1.
Remarque: L'interrupteur usage peut être détruit pendant la dépose. Retirez l'ancien interrupteur en tenant fermement le corps de l'interrupteur depuis l'arrête du panneau de commande et en tournant d'un coup sec. Pour extraire l'encadrement, repliez ses languettes de fixation et poussez-le vers l'avant. Pour monter le nouvel encadrement sur le panneau de commande, alignez d'abord la clavette saillante du corps de l'encadrement et la découpe sur le panneau de commande, puis poussez pour insérer.
Pour monter le nouvel interrupteur sur l'encadrement, alignez les parties clavetées et poussez pour insérer. Montez le nouveau bouton en le poussant depuis l'avant.
Remontez en procédant dans l'ordre inverse et contrôlez le fonctionnement de l'interrupteur.
5. Remplacement de la minuterie
Débranchez l'appareil de l'alimentation électrique.
Déposez le panneau de commande (voir point 1). Retirez le(s) bouton(s) de commande de la minuterie.
Retirez l'ensemble minuterie / support de montage du panneau de commande après avoir retiré les vis de fixation.
Pour détacher la Minuterie de son support de montage, appuyez sur les languettes en plastique situées sur le boîtier de la minuterie tout en tirant la Minuterie vers l'avant.
Remontez en procédant dans l'ordre inverse. Pour rebrancher les fils électriques, reportez-vous au schéma de câblage. Contrôlez le fonctionnement de la Minuterie.
6. Remplacement d'un thermostat
Débranchez l'appareil de l'alimentation électrique.
Déposez le panneau de commande et la table de cuisson (voir points 1 et 2). Ouvrez la porte du four. Retirez les accessoires du four et dégagez le panneau de voûte (le cas échéant).
Four gauche
Tirez la cuisinière vers l'avant pour accéder au boîtier situé à l'arrière de la cuisinière. Retirez les quatre vis de fixation du boîtier et retirez celui-ci. Le tube capillaire du thermostat du four est fixé à la plaque arrière du four par une plaque de mise à la terre. Retirez les vis et la plaque.

Tube capillaire du thermostat
Plaque de mise à la terre
Four droit
Le tube capillaire du thermostat du four est fixé au montant arrêté droit par une plaque de mise à la terre.
Retirez le couvercle du tube en verre du thermostat (deux vis). Dégagez le tube en verre des clips de retenue à l'arête du four.
Sortez le tube capillaire du thermostat du four.
Débranchez le câblage du thermostat. Retirez les deux vis de fixation du régulateur sur la plaque de montage. Insérez le nouveau thermostat et remontez en procédant dans l'ordre inverse. Vérifiez que le tube en verre est bien fixé à l'arrière du four, en position centrale, entre les clips de retenue.
N'oubliez pas de remonter la plaque de mise à la terre.
Contrôlez le fonctionnement du thermostat.
Avertissement - l'entretien DOIT etre effectué uniquement par une personne habilitée.
Débranche l'appareil de l'alimentation électrique avant une intervention d'entretien. Une fois le travail terminé, effectuez les contrôles de sécurité nécessaires.
7. Remplacement du régulateur de grill
Débranchez l'appareil de l'alimentation électrique.
Déposez le panneau de commande et la table de cuisson (voir points 1 et 2). Débranchez le câblage du régulateur. Retirez les deux vis de fixation du régulateur sur la plaque de montage. Insérez le nouveau régulateur et remontez en procédant dans l'ordre inverse. Contrôlez le fonctionnement du régulateur.
AVANT TOUTE INTERVENTION D'ENTRETIEN SUR UN COMPOSANT D'ALIMENTATION EN GAZ, COUPEZ LE GAZ.
8. Remplacement d'un robinet de la table de cuisson
Débranchez l'appareil de l'alimentation électrique.
Déposez le panneau de commande et la table de cuisson (voir points 1 et 2).
Débranchez le câble DSS (dispositif de sécurité spécial) à l'arrêt du robinet. Défaites le raccord de compression situé à l'arrêt du robinet. Retirez les fixations du robinet sur la conduite de gaz. Débranchez le câblage du contacteur d'allumage.
Retirez le robinet. Retirez le joint et mettez-le au rebut. Posez le nouveau joint sur le robinet de rechange.
Remontez en procédant dans l'ordre inverse. Contrôlez l'étanchéité de l'appareil. Contrôlez l'allumage de la table de cuisson.
9. Dépose d'un injecteur de brûleur de la table de cuisson
Retirez le chapeau et la tête du brûleur. Retirez l'ancien injecteur.
Insérez le nouvel injecteur et remontez en procédant dans l'ordre inverse. Contrôlez l'étanchéité de l'appareil.
10. Remplacement d'une électrode de brûleur de la table de cuisson
Retirez la grille et le chapeau du brûleur. Retirez la vis de fixation de l'électrode. Tirez l'électrode vers le haut pour pouvoir tenir le fil entre le pouce et l'index. Retirez l'électrode, tout en continuant à tenir le fil.
Montez la nouvelle électrode sur le fil. Vissez l'électrode sur le brûleur. Replacez le chapeau du brûleur. Contrôlez le fonctionnement du brûleur. Replacez la grille.
11. Remplacement d'un brûleur de la table de cuisson
Déposez la table de cuisson (voir point 2).
À l'exception du brûleur de Wok, situé à droite, (voir ci-dessous) les brûleurs sont montés sur des supports. Pour ces brûleurs, débranchez les tuyaux d'alimentation en gaz au niveau du brûleur. Retirez les vis de fixation des supports, à l'avant et à l'arrière. Soulevez pour retirer les supports et les brûleurs. Les brûleurs sont fixés au
support par deux vis. Dévissez le brûleur à remplacer et montez le nouveau brûleur.
Remontez en procédant dans l'ordre inverse. Contrôlez le fonctionnement du brûleur.
Brûleur wok de droite
Débranchez les tuyaux d'alimentation en gaz au niveau du brûleur. Remplacez le brûleur et remontez en procédant dans l'ordre inverse. Contrôlez le fonctionnement du brûleur.
12. Remplacement d'une porte de four
Ouvrez la porte du four et retirez le Handyrack (le cas échéant) en faisant glisser un côté du support de la porte et en faisant glisser l'autre côté. Desserrez les deux vis de fixation de la charnière supérieure :


Soutenez la porte et retirez la vis située le plus après de l'axe de la charnière. Faites pivoter la charnière vers le haut pour l'extraire de l'axe sur la porte. Levez la porte pour la dégager de la charnière inférieure. Remontez en procédant dans l'ordre inverse.
Lors de la remise en place de la porte, veillez à ce que la douille de charnière en nylon soit en place entre l'axe de charnière et le support de charnière en bas et en haut.
13. Remplacement du panneau extérieur de la porte du four principal
Tirez la cuisinière vers l'avant pour pouvoir accéder aux côtés. Entrouvez la porte du four et retirez les vis de fixation du panneau avant des côtés de porte (deux de chaque côté):

Soulevez le panneau de porte extérieur avec précaution. Retirez la poignée de porte du panneau après avoir dévissé les deux écrous de fixation.
Montez la poignée de porte sur le nouveau panneau. Posez le panneau sur la porte. Remontez en procédant dans l'ordre inverse.
Avertissement - l'entretien DOIT etre effectué uniquement par une personne habilitée.
Débranche l'appareil de l'alimentation électrique avant une intervention d'entretien. Une fois le travail terminé, effectuez les contrôles de sécurité nécessaires.
14. Remplacement du verrouillage de la porte du four principal
Retirez le panneau de porte extérieur (voir point 13). Retirez les vis « B » fixant l'ensemble du dispositif de verrouillage au panneau de porte extérieur.

Posez le verrouillage de rechange et remontez en procédant dans l'ordre inverse. Contrôlez le fonctionnement de la porte.
15. Réglage de la gâche du loquet de la porte du four principal
Ouvrez la porte du four et desserrez le contre-écrou de la partie inférieure de la gâche :

Réglez la gâche vers l'intérieur ou l'extérieur jusqu'à obtention du réglage requis. Resserrez le contre-écrou.
16. Remplacement du joint de la porte du four
Ouvrez la porte du four. Le joint est maintenu en place par des petits crochets placés sur la face arrière. Depuis le coin, tirez sur le joint en diagonale, en l'éloignant du centre de la porte, jusqu'à ce que ce crochet se défasse. Passez au crochet suivant et défaites-le, ainsi que les suivants, de la même façon.
Vous pouvez forcer si les crochets résistent car le joint usage sera mis au rebut.

Lors de la pose d'un nouveau joint, positionnez le raccord dans la partie inférieure. Accrochez le nouveau joint dans un des orifices situés à un coin de la porte et
poursuivez l'opération sur tout le pourtour pour insérer chaque crochet.
17. Remplacement du panneau de porte extérieur du four haut
Déposez la porte du four – voir point 12. Déposez la porte sur une surface appropriée et retirez les deux vis du bord inférieur de la porte et les deux vis de la face interne de la porte.
Retirez le panneau de porte extérieur. Retirez la poignée de porte après avoir dévissé des deux vis.
Retirez les deux vis cruciformes retenant le support de fixation de poignée de porte au panneau de porte. Montez le support de poignée de porte et la poignée de porte sur le nouveau panneau.
Montez le panneau sur la porte et remontez en procédant dans l'ordre inverse.
18. Remplacement du verrouillage magnétique de la porte du four haut
Déposez le panneau de commande (voir point 1).
Retirez la plinthe (trois vis) et le couvercle vertical central (cinq vis). Soulevez le clip de retenue pour le retirer de l'élément magnétique.
Insérez le nouveau verrouillage et le clip de retenue et remontez en procédant dans l'ordre inverse. Contrôlez le fonctionnement de la porte.
19. Remplacement d'un élément de grill
Débranche l'appareil de l'alimentation électrique.
Retirez la l'échefe de l'enceinte du grill. Dans l'enceinte du grill, retirez la protection émaillée avant de la voûte du grill (deux vis et rondelles).
Retirez les deux vis et les rondelles de fixation du support avant de l'objet du grill. Retirez les vis de l'objet du grill.
Levez l'élément pour l'extraire avec précaution, en débranchant les fils des bornes de l'élément (veillez à noter leurs positions). Si vous ne pouvez pas débrancher les fils de cette façon, tirez la cuisinière vers l'avant afin de pouvoir accéder à l'arrière, dévissez le boîtier électrique sur la plaque arrière et débranchez les bornes de l'arrière.
Insérez le nouvel élément et remontez en procédant dans l'ordre inverse. Contrôlez le fonctionnement du grill.
20. Dépose de la partie arrière interne du four
Ouvrez la porte du four et retirez les vis et rondelles de fixation de la partie arrière interne à l'arrière du four. Soulevez la partie arrière interne avec précaution. Remontez en procédant dans l'ordre inverse, en veillant à bien serrer les quatre vis et rondelles.
Avertissement - l'entretien DOIT etre effectué uniquement par une personne habilitée.
Débranche l'appareil de l'alimentation électrique avant une intervention d'entretien. Une fois le travail terminé, effectuez les contrôles de sécurité nécessaires.
21. Remplacement d'un ventilateur de four
Débranche l'appareil de l'alimentation électrique.
Tirez la cuisinière vers l'avant pour pouvoir accéder à l'arête. Dévissez et retirez le boîtier électrique sur la plaque arête.
Débranchez les trois bornes raccordées au ventilateur en veillant à noter leurs positions. Déposez la partie arrière interne du four (voir point 20). Maintenez les pales du ventilateur et défaites l'écrou central (filetage gauche), les deux rondelles en laiton, les pales et le joint d'arrêt. Dévissez les écrous de fixation et les rondelles (trois de chaque) et retirez le ventilateur de la partie arrière de la cuisinière.
Insérez le nouveau ventilateur et remontez en procédant dans l'ordre inverse. Contrôlez le fonctionnement du four.
22 Remplacement d'un protecteur thermique d'élément de four
Débranchez l'appareil de l'alimentation électrique. Tirez la cuisinière vers l'avant pour pouvoir accéder au boîtier. Dévissez et retirez le boîtier. Le protecteur thermique est situé sur la plaque de mise à la terre, à côté des raccords d'éléments du four. Débranchez le câblage du protecteur thermique, défaites les fixations du protecteur sur la plaque de terre et retirez le protecteur.
Insérez le protecteur de rechange et remontez en procédant dans l'ordre inverse.
23. Remplacement d'un élément de four
Débranchez l'appareil de l'alimentation électrique.
Déposez la partie arrêté interne du four (voir point 20). Retirez les deux vis de la partie supérieure de l'élément et la vis de la partie inférieure de l'élément à l'intérieur du four.

Levez l'objet pour l'extraire avec précaution, en débranchant les fils des bornes de l'objet (veillez à noter leurs positions)
Si vous ne pouvez pas débrancher les fils de cette façon, tirez la cuisine vers l'avant afin de pouvoir accéder à l'arrière.
Dévissez le boîtier électrique sur la plaque arrière et débranchez les bornes à l'arrière.
Insérez le nouvel élément et remontez en procédant dans l'ordre inverse. Contrôlez le fonctionnement du four.
24 Réglage de l'angle de la porte du four principal
La charnière inférieure de la porte du four principal peut être ajustée afin de modifier l'angle de la porte. Desserrez les vis de fixation de la charnière inférieure, et utilisez le cran et un tournevis à lame plate pour changer la position de la charnière et la régler.
Resserrez les vis de la charnière.
Effet de l'ajustement de la charnière — exagéré pour plus de clarté


Ligne centrale de l'axe de charnière Omission de la porte du four pour plus de clarté
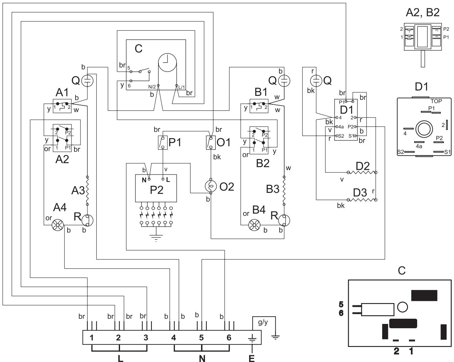
Schéma de câblage

| Le raccord indiqué sur le schéma de câblage est pour une alimentation monophasée. Les capacités nominales sont pour 230 V 50 HZ. | ||
| Légende du schéma de câblage | Code couleur | |
| A1 Thermostat du four croit | E Terre | b Bleu |
| A2 Bloc-interrupteurs du four croit | L Sous tension | br Brun |
| A3 Element du four ventilé droit 2,5 kW | N Neutre | bk Noir |
| A4 Ventilateur du four croit | O1 Interrupteur d'éclairage du four principal | or Orange |
| B1 Bloc-interrupteurs du four gauche | O2 Eclairage du four principal | r Rouge |
| B2 Element du four ventilé gauche 2,5 kW | P1 Contacteur d'allumage | v Violet |
| B3 Left Fan oven element 2.5kW | P2 Générateur d'étincelles | w Blanc |
| B4 Four ventilé gauche | Q Voyant | y Jaune |
| C Horloge | R Protecteur thermique | g/y Vert/Jaune |
| D1 Régulateur de puissance du grill | ||
| D2 Element du grill droit 1,15 kW | ||
| D3 Element du grill gauche 1,15 kW | ||
Fiche technique
Cette cuisinière est de catégorie II2H3+. Elle est fournie préréglée pour une utilisation avec du gaz naturel de type H. Un kit de modification permettant l'utilisation de gaz de pétrole liquéfié (GPL) est fourni avec la cuisinière.
A L'INTENTION DE L'INSTALLATEUR : Veuillez remettre les présentes instructions à l'utilisateur.
EMPLACEMENT DU BADGE TECHNIQUE : Arrière de la cuisinière, badge auxiliaire de numéro de série sous
l'ouverture de la porte du four.
| Gaz | Electricité | |
| Gaz naturel | 20 mbars | 220 - 240V 50Hz |
| Butane | 29 mbars | |
| Propane | 37 mbars | |
(Voir le badge technique de l'appareil pour les pressions d'essais)
Dimensions
| Hauteur hors tout | minimum 893 mm | maximum 920 mm |
| Largeur hors tout | 900 mm | Voir « Positionnement de la cuisinière » |
| Profondeur hors tout | 648 mm | |
| Cotes emplacement de montage | Voir « Positionnement de la cuisinière » | |
| Cote minimale au-dessus de la table de cuisson | 650 mm |
Raccordements
| Gaz | Electricité |
| Rp 1/2 au niveau du côte arrière droit | 220 - 240V 50Hz |
Puisances
| Gaz naturel | Gaz de pétrole liquéfié | |||
| Table de cuisson | Injecteur | Injecteur | ||
| Brûleur de Wok | 3.5kW | interne 80 | 3,5 kW (246g/h) | interne 54 |
| externe 129 | externe 77 | |||
| Grand brûleur | 3.0kW | 134 | 3,0 kW (210g/h) | 87 |
| Brûleurs moyens | 1.7kW | 109 | 1,7 kW (119g/h) | 68 |
| Petit brûleur | 1.0kW | 75 | 1,0 kW (70g/h) | 51 |
Les valeurs correspondant aux brûleurs à gaz sont basées sur la valeur calorifique brute.
| Four principal | Four haut | |
| Fours | Convection | Convection |
| 2.5 kW | 2.5 kW | |
| Catégorie d'éfficacité énergétique : sur une échelle de A (plus efficace) à G (moins efficace) | A | B |
| Consommation d'énergie basée sur une charge standard | 0,85 kWh | 0,95 kWh |
| Volume utilisable (litres) | 67 | 53 |
| Taille | Grande | Moyenne |
| Temps de cuisson – charge standard | 38 minutes | 49 minutes |
| Surface de cuisson | 1400 cm2 | 790 cm2 |
| Grid | 2,3 kW |
Charge électrique totale maximale à 230 V 7,4 kW (total approximatif comprenant éclairages de fours, ventilateur de four, etc.).
Notice Facile