NUS 90 INDUCTION - Induction FALCON - Notice d'utilisation et mode d'emploi gratuit
Retrouvez gratuitement la notice de l'appareil NUS 90 INDUCTION FALCON au format PDF.
| Type d'appareil | Four mixte |
| Modes de cuisson | Classique, Infusion, Kitchener, Professional+ |
| Capacité | Non précisé |
| Nombre de compartiments | Non précisé |
| Type de contrôle | Manettes mécaniques |
| Alimentation | Électrique |
| Fonction vapeur | Oui |
| Fonction convection | Oui |
| Température maximale | Non précisé |
| Matériau intérieur | Non précisé |
| Dimensions | Non précisé |
| Poids | Non précisé |
| Accessoires inclus | Non précisé |
| Système de nettoyage | Non précisé |
| Type d'installation | Encastrable ou autonome |
| Normes de sécurité | Non précisé |
FOIRE AUX QUESTIONS - NUS 90 INDUCTION FALCON
Questions des utilisateurs sur NUS 90 INDUCTION FALCON
0 question sur cet appareil. Repondez a celles que vous connaissez ou posez la votre.
Poser une nouvelle question sur cet appareil
Téléchargez la notice de votre Induction au format PDF gratuitement ! Retrouvez votre notice NUS 90 INDUCTION - FALCON et reprennez votre appareil électronique en main. Sur cette page sont publiés tous les documents nécessaires à l'utilisation de votre appareil NUS 90 INDUCTION de la marque FALCON.
MODE D'EMPLOI NUS 90 INDUCTION FALCON
1. Avant de commencer... 1
Sécurité Personnelle 1
Raccordement Électrique sécurité 1
Raccordement de l'alimentation en gaz sécurité 2
Si vous sentez une odeur de gaz 3
Odeur de Neuf 3
Ventilation 3
Son entretien 3
Conseils relatifs à la four 4
Grilles du four (selon le modèle) 5
Le ventilateur de refroidissement 6
Entretien de la Cuisinière 6
Nettoyage 6
2 Vue d'ensemble de la cuisinière 8
Brûleurs de Table de Cuisson 8
Brûleur de Wok 10
Support spécial de wok (fourni avec Professional+) 10
Plaque à Griller 10
Gril Coulissant « Glide-out » 12
Fours 13
Fonctionnement du four 13 Accessoires 14
3. Horloge à rotation 16
- Horloge 3 boutons 18
- Horloge 6 boutons 20
- Conseils pour la Cuisson 22
- Tableau de cuisson 23
8. Nettoyer voire cuisinière 24
Informations utiles 24
Brûleurs de plaque 24
La plaque du grill 25
Grille coulissante 25
Fours 26
Tableau de nettoyage 27
10. Installation 30
Mesures et Règlements de Sécurité 30
Ventilation 30
Emplacement de la cuisinière 30
Conversion 30
Positionnement de la Cuisinière 32
Déplacement de la Cuisinière 33
Baissez les deux galets arrière 33
Exécution du Mouvement 33
Fixation de l'équerre ou chaîne de stabilisation 33
Repositionnement de la Cuisinière avec raccordement 34
Mise à Niveau 34
Vérifications Finales 34
Raccordement de l'alimentation en gaz 35
Essai de Pression 35
Raccordement Électrique 36
Montage final 37
Conseils à la Clientèle 37
1. Avant de commencer...
Nous vous remercions d'avoir acheté cette cuisinière. Installée et utilisée correctement, cette cuisinière vous donnera de nombreuses années de service fiable. Il est important de lire la présente section avant de commencer.
Sécurité personnelle
Cet appareil ne doit être utilisé que pour la cuisson. Il ne doit pas être utilisé à d'autres fins, par exemple pour chauffer la pièce. L'utiliser à toute autre fin pourrait invalider toute garantie ou réclamation de responsabilité. En plus d'invalider des réclamations, cela gaspille du combustible et pourrait surchauffer les boutons de contrôle.
Son installation doit être conforme aux instructions appropriées des présentes et satisfaire à la réglementation nationale et locale en vigueur, ainsi qu'aux prescriptions des compagnies de gaz et d'électricité locales.
- Cet appareil peut être utilisé par des enfants âgés de 8 ans et plus, outre par des personnes aux capacités physiques, sensorielles ou mentales réduites ou qui manquent d'expérience et de connaissances à l'égard de l'appareil, à condition d'être surveillés ou d'avoir reçu des instructions claires pour utiliser cet appareil en toute sécurité et d'en comprendre les risques.
- AVENTISSEMENT: Les enfants ne doivent pas journé avec cet apparéil. Son nettoyage et son entretien ne doivent pas été effectués par des enfants non supervisés.
- Ne placez pas la cuisine sur un support.
- Cet appareil est conçu uniquement pour un usage domestique. Toute autre utilisation n'engage ni la responsabilité, ni la garantie du fabricant.
- Avant d'utiliser le (s) four (s), veuillez vous référer à l'installation de l'étagère du four, dans la section Accessoires.
- AVENTISSEMENT: L'appareil et ses pieces accessibles chauffent pendant leur utilisation. Veillez à ne pas toucher les éléments chauffants.
- ATTENTION: Un processus de cuisson de longue durée doit être surveillé de temps à autre. Un processus de cuisson de courte durée doit être surveillé en permanence.
- NE PAS stocker d'objets sur les surfaces de cuisson.
- Pour éviter toute surchauffe, NE PAS installer la cuisinière derrière une porte décorative.
- AVENTISSEMENT: Les parties accessibles de la cusinière deviennent chaudes lorsque celle-ci est en marche et resteront chaudes même après la cusson. Ne laissez pas les bébés et les enfants s'approcher de la cusinière et ne portez jamais de vêtements amples ou flottants lors de l'utilisation de la cusinière.
- N'utilisez PAS de nettoyeur à vapeur sur votre cuisinière. Veillez à ce que les matériaux combustibles, (rideaux, liquides inflammables, etc.) soient toujours suffisamment éloignés de la cuisinière.
- N'utilisez PAS d'aérosols à proximité de la cuisinière lorsque celle-ci est en marche.
Raccordement électrique sécurité
Son installation doit être conforme aux instructions appropriées des présentes et satisfaire à la réglementation nationale et locale en vigueur, ainsi qu'aux prescriptions des compagnies de gaz et d'électricité locales.
Avertissement: cet appareil doit être branché à une prise terre.
Remarque: La cuisinière doit être raccordée
Fig 1,1
Fig 1,2
à l'alimentation électrique correcte, indiquée sur l'étiquette de tension sur l'appareil, par le biais d'une unité de commande de cuisinière appropriée à interrupteur bipolaire (avec une séparation de contact de 3 mm au minimum entre les pôles).
À cette cuisinière ne doit pas être raccordée à une prise d'alimentation domestique ordinaire.
Pour accéder au bornier d'alimentation secteur, retirez le boîtier électrique sur le panneau arrière. Raccordez le câble d'alimentation secteur aux bornes correctes pour votre type d'alimentation électrique (Fig 1,1 et Fig 1,2). Vérifiez que les connecteurs sont montés correctement et que les vis des bornes sont bien serrées. Fixez le câble d'alimentation secteur à l'aide du serre-câble.
Cote de température minimale T105
Lisez les instructions avant d'installer ou d'utiliser cet appareil.
Raccordement de l'alimentation en gaz sécurité
- Cette cuisinière est un appareil de classe 2 et de sous-classe 1
- Cet appareil peut être modifié afin d'être utilisé avec autres types de gaz.
- Avant l'installation, vérifie que la cuisinière convient au type de gaz et à la tension d'alimentation électrique. Reportez-vous au badge technique.
- N'utilisez pas de commandes de gaz remises à neuf ou non autorisées.
- Débranche la cuisinière de l'alimentation électrique avant de réaliser l'entretien,
- -ci, effectuez les contrôles de sécurité nécessaires pour les appareils à gaz.
- Vérifiez que l'alimentation en gaz est en service et que la cuisinière est raccordée à l'alimentation électrique et sous tension (la cuisinière a besoin d'électricité).
- Dans votre intérêt et par souci de sécurité, légalement, tous les appareils à gaz doivent être installés par des personnes compétentes. Une installation incorrecte n'engage ni la responsabilité, ni la garantie du fabricant, et peut donner lieu à des poursuites.
- Un appareil utilisable avec du gaz de pétrole liquéfié (GPL) ne doit pas être installé dans une pièce ou un espace intérieur souterrain, par exemple dans un sous-sol.
Si vous sentez une odeur de gaz
- Ne actionnez aucune interrupteur électrique, ni pour allumer, ni pour éteindre
- Ne fumez pas
- N'utilisez pas de flammesUSES
- Coupe le gaz au compteur ou au niveau de la bouteille de gaz
- Ouvrez portes et fenêtres pour évacuer le gaz
- Éloignez toute personne de l'endroit concerné
- Appelez votre fournisseur de gaz
Odeur de neuf
Lorsque vous utilisez votre cuisinière pour la première fois, il est possible qu'une odeur s'en dégage. Cela devrait s'arrêter après son utilisation.
Avant d'utiliser votre cuisinière pour la première fois, veillez à ce que l'intégralité de l'emballage ait été retirée, puis pour chasser les odeurs issues de la fabrication, allumez tous les fours sur 200°C et laissez-les en fonctionnement pendant au moins 1 heure.
Avant la première utilisation du grill, allumez-le et faites-le marcher pendant 30 minutes, avec la echefrite bien en place, et en laissant la porte du grill ouverte.
Veillez à ce que la pièce soit bien ventilée (voir « Ventilation » ci-dessous). Il est recommandé aux personnes souffrant de problèmes respiratoires ou d'allergies de quitter la pièce pendant ce temps.
Ventilation
L'utilisation d'un appareil de cuisson produit de la chaleur et de l'humidité dans la pièce contenant l'appareil. Par conséquent, veillez à ce que la cuisine soit bien ventilée. Laissez les ouvertures de ventilation naturelle ouvertes ou installez une hotte aspirante à évacuation extérieure.
Entretien sonore
Il est conseilé de faire entretenir cet apparéil tous les ans. - AVENTISSEMENT: Avant desteroler l'ampoule usagée, mettez la cuisinière hors tension et assurez-vous que le four a refroidi. - Laissez toujours la cusinière refroidir et mettez-la hors tension avant de la nettoyer ou d'effectuer une intervention d'entretien, sauf indication contraire dans les prsentes instructions. - N'ESSAYEZ jamais de démonter ou de nettoyer aujourd'un brûleur lorsqu'un autre brûleur est allumé. Vous risqueriez de recevoir une décharge électrique. - Ne faites jamais fonctionner la cusinière avec les mains mouillées. - N'UTILISEZ pas de torchon ou autre chiffon épais à la place d'un gant isolant – ils risquent de d'enflammier au contact d'une surface chaude. - NE PAS UTILISER de dispositif de protection pour plaques chauffantes,
papier aluminium ou couvercle de plaque chauffante de quelque sorte que ce soit. Ils pourraient altérer la sécurité d'utilisation des brûleurs de vos plaques chauffantes et sont potentiellement dangereux pour la santé.
- Ne chauffez jamais des récipients alimentaires qui n'ont pas été ouverts. La pression accumulée à l'intérieur des récipients peut les faire éclater et blesser l'utilisateur.
- N'utilisez pas des casseroles instables. Tournez toujours les manches des récipients de cuisson vers l'intérieur de la table de cuisson.
- Ne laissez jamais la table de cuisson en marche sans surveillance si les brûleurs sont réglés sur maximum. Le débordement des récipients peut produire de la fumée et des taches de gras qui risquent de s'enflammer. Si possible, utilisez un thermomètre à bain de friture pour prévenir une surchauffe de l'huile au-delà du point de fumée.
Avertissement: tout processus de cuisson non surveillé sur une table de cuisson, à base de graisse ou d'huile, peut être dangereux et déclencher un incendie.
- Ne laissez jamais une friteuse sans surveillance. Faites toujours chauffer l'huile lentement, en la surveillant. Les friteuses ne doivent être remplies qu'à un tiers de leur capacité. Une friteuse trop pleine peut déborder lorsqu'on y plonge des aliments. Si vous utilisez un mélange d'huile et de graisse pour la friture, mélangez-les avant de chauffer, ou pendant la fonte des graisses.
Avertissement: risque d'incendie: NE PAS stocker d'objets sur les surfaces de cuisson.
- Les aliments à frire doivent être le plus sec possible. La présence de cristaux de glace
sur des alimentés congelez ou d'humidité sur des alimentés frais peut provoquer une ébullition et un débordement de l'huile. Surveillez attentivement pour prévenir les débordements et la surchauffe pendant la friture à haute ou moyenne température. N'essayez jamais de déplacer un écipient de cuisson contenant de l'huile chaude, en particulier une friteuse. Attendez que l'huile ait refroidi.
- Lorsque le grill est en marche, ne vous servez pas de la grille d'évacuation (la grille le long de la partie arrière de la cuisinière) pour réchauffer des assiettes ou des plats, sécher des torchons ou ramollir du beurre.
- N'utilisez pas d'eau pour éteindre les incendies dus à la graisse et ne souveze jamais un réseau de cuisson qui a pris feu. Eteignez la cuisinière et étouffez un réseau qui a pris feu sur une table de cuisson en le recouvrant complètement avec un couvercle de taille appropriée ou une plaque de cuisson. Si possible, utilisez un extincteur à poudre chimique ou à mousse de type polyvalent.
- Cet appareil ne DOIT PAS être modifié. L'appareil n'est pas censé être utilisé avec une minuterie externe ni avec un système de contrôle à distance séparé.
- Les produits inflammables risquent d'exploser et de causer des incendies et des dommages matériaux.
Conseils relatifs à la fourneaux
- Vérifiez toujours que les commandes sont sur la position Arrêt [OFF] lorsque le four n'est pas en marche et avant de nettoyer la cuisine. Utilisez un gant isolant pour ne pas vous brûler.
- La cuisson d'aliments à haute teneur en eau peut produire une « bouffée de vapeur » à l'ouverture de la porte du four. Lorsque
vous ouvrez la porte du four, reculez-vous et attendez que la vapeur se soit dissipée (Fig 1,3).
Le côté intérieur de la porte est fait en verre de sécurité renforcé. Faites attention à NE PAS rayer la surface sur le panneau de verre. - Des dégâts accidentels peuvent fissurer la porte en verre. - Ne pas obstruer les conduits d'aération. - NE PAS utiliser de produits nettoyants abrasifs ni de grattoirs pointus en métal pour nettoyer le couvercle en verre car ils pourraient rayer la surface et briser ainsi le verre. Veillez à ce que les grilles soient toujours insérées à fond dans le four. NE PAS fermer la porte sur les grilles du four. - Ne recouvrez pas les grilles, les panneaux internes ou la voûte du four de papier aluminium. - Lorsque le four est en marche, ne laissez PAS la porte du four ouverte plus longtemps que nécessaire, afin de prévenir une surchauffe des boutons de commande. - N'utilisez pas la fonction minuterie avec un four si le four adjacent est déjà chaud. - Ne placez pas des aliments chauds dans le four qui sera utilisé avec la fonction minuterie. - N'utilisez pas un four déjà chaud avec la fonction minuterie. - Au besoin, utilisez des gants isolants secs – l'emploi de gants humides risque de causer des brûlures dues à la vapeur lors du contact avec une surface chaude.
Grilles de four (selon le modèle)
Pour installer la grille coulissante, accrocher l'avant de la grille sur les glissières comme illustré (Fig 1,4). L'arête de la grille devrait

Fig 1,4
reposer sur les glissières, devant la butée d'arrêt (Fig 1,4).
Pour remettre la grille en place, mettez la grille à niveau avec une glissière latérale du four, puis insérez la grille à fond jusqu'à ce que les extrémités soient en contact avec la butée d'arrêt de la grille. Soulevez l'avant de la grille pour que les extrémités puissent dépasser les butées, puis abaissez l'avant pour permettre la grille à l'horizontal, avant de l'insérer à fond.
Avertissement: la cuisson sans surveillance sous le grill peut être dangereuse et provoquer un incendie.
Lors de l'utilisation du grill, veillez à ce que la lèchefrite soit en place et insérée à fond dans l'enceinte du grill, ici pour prévenir le risque de surchauffe des boutons de commande. - NE LAISSEZ PAS LE GRIL EN MARCHE pendant plus de quelques instants si la lèchefrite n'est pas en place sous le grill, ceci pour prévenir le risque de surchauffe des boutons de commande. - Ne fermez jamais la porte du grill lorsque celui-ci est en marche. - Les pièces accessibles peuvent chauffer lorsqu'le grill est en marche. Les jeunes enfants doivent être tenus à distance.
Le ventilateur de refroidissement
Notez que cet appareil électroménager a la possibilité d'un ventilateur. Lorsqu'un four ou une grille est en fonctionnement, le ventilateur fonctionnera pour refroidir la commande et les boutons de commandes.
Entretien de la cuisinière
En raison de la condensation de vapeur pendant la cuisson, vous devrez peut-être essuyer (avec un chiffon doux) des gouttelettes d'eau présentes sur la garniture extérieure du four. Cette précaution contribuera également à prévenir les taches et la décoloration de l'extérieur du four dues aux vapeurs de cuisson.
Nettoyage
- Avant un nettoyage complet, mettez la cuisinière hors tension. Laissez-la refroidir. Pour des raisons d'hygiène et de sécurité, la cuisinière doit toujours être propre, afin de prévenir le risque d'incendie causé par l'accumulation de graisse et autres particules alimentaires.
- Nettoyez uniquement les composants indiqués dans les présentes instructions.
- Nettoyez avec précaution. Si vous utilisez une éponge ou un chiffon humide pour essuyer des taches sur une surface chaude, prenez garde au risque de brûlures par la vapeur. Certains produits nettoyants peuvent produire des vapeurs nocives au contact d'une surface chaude.
- N'utilisez jamais de solvants pour peinture, de cristaux de soude, de nettoyants caustiques, de poudres biologiques, d'eau de Javel, de nettoyants chlorés, ni de produits abrasifs à gros grain ou de sel.
- Ne mélangez pas plusieurs produits nettoyants, car ils risquent de réagir entre eux et d'avoir des effets nocifs.
- Toutes les parties de la cuisinière peuvent être lavées à l'eau savonneuse chaude, mais veillez à prévenir toute infiltration d'eau dans l'appareil.
- Veillez à prévenir toute infiltration d'eau dans l'appareil.
- Avant de démonter des composants du gril pour les nettoyer, assurez-vous qu'ils ont
refroidi ou protégez-vous avec des gants isolants.
- NE PAS utiliser de substances abrasives.
- NE LAVEZ PAS les glissières latérales au lave-vaisse.
- Ne lavez pas les têtes de brûleur au lave-vaisselle
- N'utilisez jamais de produits nettoyants caustiques ou abrasifs qui abimeront la surface.
- N'utilisez pas de paille de fer ou tout autre matériaux susceptible de rayer la surface.
- Ne rangez jamais de produits inflammables dans le tiroir. Ces produits incluent les objets en papier, en plastique et en tissu, tels que les livres de cuisine, les ustensiles en plastique et les torchons, ainsi que les liquides inflammables. Ne rangez pas de produits explosifs, tels que des bombes aérosols, sur ou près de la cuisinière.
- Ne rangez pas d'explosifs comme les aérosols, sur ni près de l'appareil.
- N'utilisez pas de paille de fer ou tout autre matériaux susceptible de rayer la surface.
- N'essayez jamais de démonter ou de nettoyer autour d'un brûleur lorsqu'un autre brûleur est allumé. Vous risqueriez de recevoir une décharge électrique.
2 Vue d'ensemble de la cuisinière
Fig. 2.1
Fig. 2.2
La cuisinière à gaz avec four électrique 900 possède les caractéristiques suivantes (Fig. 2.1):
A. 5 brûleurs pour chauffe-assiettes complément 1 brûleur pour wok B. Un panneau de commande C. Un grill séparé ou un grill coulissant D. Four ventilé principal programmable E. Four haut ventilé
Brûleurs de table de cuisson
Le schéma à côté de chaque bouton indique le brûleur associé à ce bouton. Chaque brûleur est doté d'un dispositif de sécurité spécial qui coupe l'alimentation en gaz en cas d'extinction de la flamme.
Lorsque vous appuyez sur un bouton de la table de cuisson, une étincelle se produit à chaque brûleur – ce qui est tout à fait normal. N'essayez jamais de démonter ou de nettoyer autour d'un brûleur lorsqu'un autre brûleur est allumé. Vous risqueriez de recevoir une décharge électrique.
Remarque : pour le modèle Classic Deluxe, enlevez et tournez simplement le bouton de commande.
Pour allumer un brûleur, appuyez sur le bouton de commande associé et mettez-le sur le symbole grande flamme (§), (Fig. 2.2).
Le dispositif d'allumage produit une étincelle et allume le gaz. Continuez d'appuyer sur le bouton pendant quelques secondes pour permettre l'accélération du gaz dans le brûleur.
Si le brûleur s'éteint lorsque vous relâchez le bouton de commande, le dispositif de sécurité n'a pas été enclenché. Mettez le bouton de commande sur la position Arrêt [Off] et attendez une minute avant d'essayer de nouveau, en appuyant un peu plus longtemps sur le bouton.
Tournez le bouton pour régler la hauteur de flamme. Sur cette cuisinière, la position minimum est au-delà de la position maximum, et non pas entre position maximum et arrêt. Le symbole petite flamme indique le réglage minimum (Fig. 2.3).
Si la flamme d'un brûleur s'éteint, mettez le bouton de commande sur la position Arrêt [Off] et attendez une minute avant de rallumer.
Veillez à ce que les flammes ne dépassent pas les recipients de cuisson. Par sécurité, réglez les flammes de façon à ce qu'elles ne dépassent pas les bords du recipient de cuisson (Fig. 2.4).
Utilisez un couvercle sur les récipients de cuisson pour porter à ébullition plus rapidement.
Veillez à ce que les récipients de cuisson de grande taille soient bien espacés entre eux.
N'utilisez pas de casseroles ou marmites à fond concave ou à fond à rebord incurvé vers le bas (Fig. 2.5).
L'utilisation de dispositifs de mjotage, de type plaques d'amiate ou plaques métalliques, est DECONSEILLEE (Fig. 2.6). Ces dispositifs diminueront les performances de la cuisinière et risquent d'endommager les grilles de la table de cuisson.
N'utilise pas des récipients de cuisson instables ou déformés susceptibles de se renverser, ni des récipients de cuisson à fond de très petit diamètre (casseroles à lait, pocheuses individuelles, etc.) (Fig. 2.7).
Le diamètre minimum recommandé pour les récipients de cuisson est de 120mm. Le diamètre maximum pour les récipients de cuisson est de 260mm.
N'UTILISEZ PAS de récipients de cuisson de diamètre supérieur à celui du foyer.






Fig. 2.9
Fig. 2.10
Fig. 2.11
Fig. 2.12
Fig. 2.13
Fig. 2.14
Brûleur de wok
Le brûleur de wok (coup de feu) est conçu pour fournir une chaleur uniforme sur une grande surface. Il est parfait pour les grandes poêles et la friture rapide à feu vif (Fig. 2.8).
Les petits brûleurs sont plus adaptés aux récipients de cuisson plus petits.
En cas de débordement, essuyez dès que possible la surface émaillée autour des brûleurs de la table de cuisson. Tâchez d'essuyer la substance renversée pendant que l'émail est encore chaud.
Remarque: Les récipients en aluminium peuvent laisser des traces métalliques au niveau des grilles de la table de cuisson. Ces traces sont sans incidence sur la durabilité de l'émail et peuvent être éliminées à l'aide d'un nettoyant pour métaux.
Support spécial de wok (fourni avec)
Professional+)
Le support spécial de wok doit être utilisé uniquement sur un brûleur de wok.
Les woks peuvent avoir des tailles et des formes très variées. Il est important que le wok repose correctement sur le support - mais si le wok est trop petit, il ne sera pas bien maintenu en place par le support spécial (Fig. 2.9).
Lorsque vous placez le support spécial, vérifiez que le Wok repose bien sur les barres avant et arrière et qu’il est bien soutenu par une grille de la table de cuisson (Fig. 2.10). Vérifiez que le support spécial est stable et que le Wok est placé à niveau sur le brûleur.
Le support spécial deviendra très chaud pendant l'utilisation – laisse-le refroidir suffisamment longtemps avant de le retirer.
Fourni avec classic et professional+, optionnel kitchener et infusion
La plaque s'adapte sur les plaques de cuisson gauche, de l'avant vers l'arrière (Fig. 2.11). Elle s'utilise pour la cuisson directe des aliments. N'utilise pas de récipients de cuisson sur cette plaque. La plaque à griller a une surface antiadhésive susceptible d'être endommagée par des ustensiles de cuisine métalliques (spatules, par exemple). Utilisez des ustensiles en bois ou en plastique thermorésistant.

NE LA PLACEZ PAS transversalement - elle sera mal placée et instable (Fig. 2.12).

NE LA PLACEZ PAS SUR aucun autre brûleur - elle n'est pas conçue pour être placée sur un autre logement de la table de cuisson.
Placez la plaque à griller sur les grilles des brûleurs de la table de cuisson. Vérifiez qu'elle est placée correctement.
Avant l'utilisation, vous pouvez enduire la plaque d'une légère couche d'huile à friture (Fig. 2.13). Allumez les brûleurs de la table de cuisson et réglez la hauteur de flamme selon les besoins.
Préchauffez la plaque à griller pendant 5 minutes au maximum avant d'y déposer les aliments. Un préchauffage plus long risque de l'endommager. Pour réduire la chaleur, tournez les boutons de commande vers le réglage inférieur indiqué par le symbole petite flamme.

Veillez à ce qu'il y ait toujours suffisamment de place autour de la plaque à griller pour permettre l'évacuation des gaz.

N'utilisez jamais deux plaques à griller côte à côte (Fig. 2.14).
Après la cuisson, laissez refroidir la plaque à griller avant de la nettoyer.
Fourni avec infusion, optionnel classic kitchener et professional+
La plaque s'adapte sur les plaques de cuisson gauche, de l'avant vers l'arrière (Fig. 2.15). Elle s'utilise pour la cuisson directe des aliments. N'utilise pas de récipients de cuisson sur cette plaque. La plaque à griller a une surface antiadhésive susceptible d'être endommagée par des ustensiles de cuisine métalliques (spatules, par exemple). Utilisez des ustensiles en bois ou en plastique thermorésistant.

NE LA PLACEZ PAS transversalement - elle sera mal placée et instable.

NE LA PLACEZ PAS SUR aucun autre brûleur - elle n'est pas conçue pour être placée sur un autre logement de la table de cuisson.
Retirez la grille de cuisson gauche. Positionnez le griddle sur le brûleur. Vérifiez qu'elle est placée correctement.
Avant l'utilisation, vous pouvez enduire la plaque d'une légère couche d'huile à friture. Allumez les brûleurs de la table de cuisson et réglez la hauteur de flamme selon les besoins.
Préchauffez la plaque à griller pendant 5 minutes au maximum avant d'y déposer les aliments. Un préchauffage plus long risque de l'endommager. Pour réduire la chaleur, tournez les boutons de commande vers le réglage inférieur indiqué par le symbole petite flamme.
Veillez à ce qu'il y ait toujours suffisamment de place autour de la plaque à griller pour permettre l'échappement des gaz.
Après la cuisson, laissez refroidir la plaque à griller avant de la nettoyer.
Si la plaque chauffante est lavée dans un lave-vaiselle, il est possible que des résidus apparaissent à l'arrière. Ceci est normal et n'affectora pas les performances de votre plaque chauffante.




Gril coulissant « glide-out
ATTENTION: Cet appareil est destiné à la cuisson uniquement. Il ne doit pas être employé à d'autres fins, comme chauffer une pièce par exemple. ATTENTION: Les pièces accessibles peuvent chauffer lorsque le grill est en marche. Les jeunes enfants doivent être tenus à distance.
Ouvrez la porte du grill et tirez la lèchefrite vers l'avant à l'aide de la poignée (Fig. 2.16).
Le grill a deux éléments qui permettent de chauffer la totalité de la lèchefrite ou seulement la partie droite de celle-ci.
Tournez le bouton de commande pour régler la chaleur du grill. Pour un chauffage total, tournez le bouton en sens horaire (Fig. 2.17).
Pour le chauffage de la partie droite, tournez le bouton en sens antihoraire. Le voyant à côté de la commande du gril s'allumera.
Pour obtenir les meilleurs résultats possibles, préchauffez pendant deux minutes avec la lèchefrite en place. Vous pouvez retirer la grille de la lèchefrite et y déposer les aliments pendant le préchauffage.
NE LAISSEZ PAS LE GRIL EN MARCHE pendant plus de quelques instants si la lèchefrite n'est pas en place sous le grill, ici pour prévenir le risque de surchauffe des boutons de commande.
Après préchauffage du grill, retirez de nouveau la l'échefrite et replacez la grille avec les aliments sur la l'échefrite. Réinsérez la l'échefrite ou le support de l'échefrite dans l'enceinte du grill. Lorsque vous utilisez le grill, vérifiez que la l'échefrite du grill est bien insérée jusqu'au fond.
La grille de la l'échefrite est réversible pour permettre deux positions de grill (Fig. 2.18).
Ne fermez jamais la porte du grill lorsque celui-ci est en marche.
Fours
L'horloge doit être réglée sur l'heure pour que le four principal (four calculable gauche) puisse fonctionner. Voir les instructions de la section « Horloge » pour le réglage de l'heure.
Remarque - Les références au four gauche et droit s'entendant vue de l'avant.
Le four gauche est un four ventilé (Fig. 2.21).
Le four droit est un four ventilé (Fig. 2.22).
Four ventilé
Un four ventilé qui fait circuler de l'air chaud en continu, ce qui permet une cuisson rapide et plus constante. En général, les températures de cuisson recommandées pour un four ventilé sont plus basses que celles pour un four conventionnel.

N'oubliez pas : Toutes les cuisinières sont différentes - les températures de vos nouveaux jours peuvent être différentes de celles de votre ancienne cuisinière.
Four ventilé
Le ventilé du four restera allumé jusqu'à ce que le four atteigne la température requise. Il s'allumera et s'éteindra pendant la cuisson.




Fig. 2.23
Fig. 2.24
Fig. 2.25
Fig. 2.26
Fig. 2.27
Fig. 2.28
Fig.2.29
Fig. 2.30
Fig. 2.31
Fig. 2.32
Grilles de four - four gauche (four principal)
Les grilles de four (Fig. 2.23) sont retenues lorsqu'elles sont tirées vers l’avant mais elles peuvent aisément être enlevées et remises.
Tirez la grille vers l'avant jusqu'à ce que l'arrière de la grille soit arrêté par les butées d'arrêt latérales du four (Fig. 2.24).
Soulevez l'avant de la grille pour faire passer l'arrière de la grille sous la butée d'arrêt, puis tirez la grille vers l'avant (Fig. 2.25).
Pour remettre la grille en place, mettez la grille à niveau avec une glissière latérale du four, puis insérez la grille à fond jusqu'à ce que les extrémités soient en contact avec la butée d'arrêt de la grille. Soulevez l'avant de la grille pour que les extrémités dépassent les butées, puis abaissez l'avant pour mettre la grille à l'horizontal, avant de l'insérer à fond (Fig. 2.26).
Grilles de four - four droit (four haut)
Le four haut est fourni avec quatre grilles de cuisson ordinaires (Fig. 2.27), et une grille chauffe-plats (Fig. 2.28).
Lorsque vous utilisez le four haut, vous pouvez faire cuire des aliments sur les quatre grilles simultanément, mais veillez à ce que les plats soient bien écartés les uns des autres pour permettre à l'air chaud de circuler.
Le Handyrack (Fig. 2.29) se monte uniquement sur la porte du four gauche. Il est facile de surveiller les aliments ainsi car vous pouvez accéder lorsque la porte est ouverte.
Le Handyrack peut supporter un poids maximum de 5,5 kg. Il ne doit être utilisé qu'avec le plat à rotin fourni, qui est spécialement conçu pour être utilisé avec le Handyrack. Tout autre récipient de cuisson risque d'être instable. Vous pouvez le monter sur deux positions. Retirez une des grilles et placez l'autre selon les besoins. Lorsque le Handyrack est utilisé sur sa position supérieure, d'autres plats peuvent être cuits sur une grille placée à la position inférieure ou placée directement sur la sole du four. Lorsque le Handyrack est utilisé sur sa position inférieure, d'autres plats peuvent être cuits sur une grille placée à la deuxième position du four ou directement sur la sole du four.
Pour monter le Handyrack, placez un côté sur le support de la porte (Fig. 2.30). Extrayez l'autre côté pour l'accrocher sur l'autre support (Fig. 2.31).
Eclairage du four
Appuyez sur le bouton approprié pour allumer l'éclairage du four (Fig. 2.32). Si l'éclairage est défectueux, mettez la cuisinière hors tension avant de changer l'ampoule. Pour des informations détaillées sur la façon de changer une ampoule de four, reportez-vous à la section « Dépannage »
Grilles de four télescopiques - four (principal)
gauche
Fourni avec infusion, non fourni avec classic professional+ et kitchener.
Outre les grilles standard, le four de gauche est fourni avec un jeu de glissières destinées à une grille de four coulissante.
Pour installer la grille coulissante, accrocher l'avant de la grille sur les glissières comme illustré (Fig. 2.33). L'arrière de la grille devrait reposer sur les glissières, devant la butée arrière (Fig. 2.33).
La grille coulissante et les glissières sont faciles à répositionner.
Pour refermer la grille coulissante
Soulever l'arrière de la grille de façon à la dégager de la butée arrière. Ensuite, décrocher la grille du support de positionnement avant.
Pour retirer les glissières
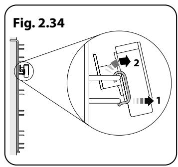
Faire pression sur la base des glissières (mouvement de torsion) pour les dégager des supports de grille. Ensuite, découvrez la glissière du barreau supérieur du support de grille et la retirez (Fig. 2.34).
Pour réinstaller les glissières
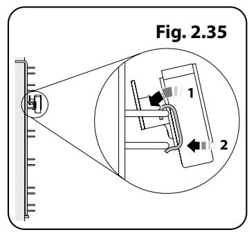
Accrocher l'arrière de la glissière sur le barreau supérieur d'une paire de supports de grille. Ensuite, accrocher l'avant de la glissière sur le même barreau. Pousser le clip sous le barreau inférieur (Fig. 2.35).
S'assurer que les glissières sont installées dans la même position des deux côtés (Fig. 2.36).
L'avant des glissières peut être identifié par le support (Fig. 2.33).

NE PAS mesurer les glissières au lave-vaisselle.





Réglage de l'heure

L'horloge doit être réglée à l'heure du jour avant la mise en marche du four
Rappel minute
Step. 1 Régler le rappel de minute
Step. 2 Annuler l'alarme de la minuterie

Remarque
Si l'alarme n'est pas désactivée manuellement, elle s'arrête a priori 2 minutes environ.
Lorsque la minuterie est active, l'intensité d'affichage de l'horloge ne diminue pas entre 22 heures et 6 heures
Pour arrêter le four à une heure spécifique de la journée (four principal)
uniquement) Vous avez. Régler la température et le mode de fonctionnement souhaités et vous souhaitez que le four s'arrête automatiquement.
Step.1 Remarque :
Le symbole de cuisson [ss] reste visible pendant le fonctionnement normal.
Step.2
Réglez l'heure à laquelle vous souhaitez que le four arrête la cuisson, par exemple, ajoutez 1 heure.


Step. 3
Tournez le bouton (1) sur « AUTO »
Vérifiez combien de temps il vous reste. Basculer entre ces deux-là.
Étape 4 : L'alarme retentit lorsque la cuisson est terminée, pour annuler, suivez cette étape.


RAPPEL Tournez le(s) bouton(s) de commande du four sur 0.
Pour démarrer et arrêter le four automatiquement (four principal uniquement)
La minuterie vous permet de démarrer et d'arrêter automatiquement en combinant la durée de la cuisson et l'heure d'arrêt. Vous donnant la possibilité de cuisiner des ragouts, etc. pendant votre absence. Vous ne pouvez pas régler l'heure de début réelle.
Step.1 Réglez le temps de cuisson
Step.2
- L'écran affichera l'heure actuelle ainsi que le « temps de cuisson » que vous venez de régler.
- Tournez le bouton (2) pour régler l'heure à laquelle vous souhaitez que votre four s’arrête.
Étape 3 L'heure actuelle sera affichée avec le mot « AUTO ». Réglez le four à la température de cuisson et au fonctionnement désirés.
Dans cet exemple, le four s'allumera automatiquement à 16h00 et s'éteindra à 17h00.
Remarque: Le symbole de cuisson [iss] reste visible pendant le fonctionnement normal.
Vérifiez combien de temps il vous reste
Étape 4. L'alarme retentit lorsque la cuisson est terminée, pour annuler, suivez cette étape.
RAPPEL Tournez le(s) bouton(s) de commande du four sur 0.

Réglage de la tonalité du bip
Step.1
Step.2
4. Horloge 3 boutons
L'heure du jour avant la mise en marche du four
Step.1
Step.2
Rappel minute
Step. 1 Régler le rappel de minute Remarque: Le
Le symbole de cuisson [ss] reste visible pendant le fonctionnement normal.
Step.2
Step. 3

Une fois le temps indiqué écoulé, une alarme sonnera. Pour arrêter l'alarme, appuyez sur n'importe quel bouton.
Réinitialiser le rappel de minute
Step.1
Remarque : Le symbole de cuisson [1] reste visible pendant le fonctionnement normal.
Step.2
Appuyez sur les boutons [+] et [-] en même temps.

Pour arrêter le four à une heure spécifique de la journée (four principal
uniquement) Vous avez réglé la température et le mode de fonctionnement souhaités et vous souhaitez que le four s’arrête automatiquement.
Step.1
Remarque: Le symbole de cuisson [iss] reste visible pendant le fonctionnement normal.
Appuyez trois reprises
Step.2
Réglez l'heure à laquelle vous souhaitez que le four arrête la cuisson, par exemple, ajoutez 1 heure.
Step.3
L'alarme retentit lorsque la cuisson est terminée, appuyez sur n'importe quel bouton pour arrêter l'alarme.
Pour démarrer et arrêter le four automatique (four principal equipment)
Step.1
Appuyez à nouveau sur le bouton [M] jusqu'à ce que l'heure actuelle soit affichée.
Step.2
Step.3
Réglez l'heure à laquelle vous souhaitez que le four arrête la cuisson.
Appuyez à nouveau sur le bouton [M] jusqu'à ce que l'heure actuelle soit affichée.
Step.4
Step.5
Appuyez sur les boutons [+] ou [-] pour régler l'« heure d'arrêt ».
L'heure actuelle sera affichée avec le mot « AUTO ». Réglez le four à la température de cuisson et au fonctionnement désirés.

Dans cet exemple, le four s'allumera automatiquement à 10h30 et s'éteindra à 11h00.


RAPPEL Tournez le(s) bouton(s) de commande du four sur 0.
Si l'alarme n'est pas désactivée, elle s'arrête après 7 minutes environ.
AUTO s'affiche, mais vous souhaitez revenir à la cuisson manuelle (four principal uniquely)

Appuyez sur les boutons ([+] ou [-]:


Changer la fréquence de l'alarme
Step.1
Step.2
5. Horloge 6 boutons
Fig. 5.1
A - Minuterie, B - Temps de cuisson, C - Temps d’arrêt, D - Manuel, E & F - Boutons de réglage de l’heure
Table 5.1 aperçu des fonctions
| Symbole | Fonction | Notes |
| [?] | Rappel minute est actif | |
| [...] | Le(s) four(s) peuvent fonctionner | Si le symbole « cuisson » [?] n'est pas affché, le programme a soit : terminé et le(s) four(s) ne sont pas opérationnels le(s) four(s) sont contrôlés par un programme automatique qui n'a pas démarré |
| [AUTO] | Le(s) four(s) est(sonct) contrôle(s) en mode semi-automatique ou automatique | |
| [P] | Le mode d'autonettoyage (pyrolytique) a été activé | Votre cuisinière peut ne pas avoir cette fonction pyrolytique |
| [dot] | Clignote pendant le réglage de l'heure de la journée |
Réglage de l'heure
L'horloge doit être réglée à l'heure du jour avant que le four ne soit mis en marche. L'heure du jour peut être réglée de deux manières:

Appuyez sur les boutons ([+] ou [-]).

Appuyez sur les boutons [+] ou [-]
NE PAS oublier que c'est une horloge de 24 heures.
Si vous devez réinitialiser l'horloge/cuisinière, coupez l'alimentation et attendez quelques minutes, puis recommencez.
Gradation automatique
Si aucun programme automatique n'est défini et que la minuterie n'est pas active, l'horloge diminuera automatiquement pendant les heures entre 22h00 et 06h00.
Rappel minute
Étape 1 : Appuyez et maintenez le bouton [Ω] Étape 2
Appuyez sur le bouton [L] pour vérifier combien de temps il reste
Step.3
Pour arrêter l'alarme, appuyez sur n'importe quel bouton.





Réglage de la tonalité du bip.
Relâchez le bouton [-] et appuyez à nouveau immédiatement, cela ajustera la tonalité d'une barre.
Réglage d'une durée de cuisson (four)
principalunicité)
Vous avez réglé la température et le mode de fonctionnement souhaités et vous souhaitez que le four s'arrête automatiquement.


RAPPEL Tournez le bouton de commande du four sur 0.
Réglage d'une heure de fin de cuisson
Vous avez réglé la température et le mode de fonctionnement souhaités et vous souhaitez que le four s'arrête automatiquement.

Step 3. Pour arrêter l'alarme, appuyez sur n'importe quel bouton.

Pour démarrer et arrêter les fours automatiquement (four principal uniquement)
Vous avez réglé la température et le mode de fonctionnement souhaités et vous souhaitez que le four s'arrête automatiquement.





Conseils pour la cuisson avec minuterie
Si vous désirez cuire plusieurs plats simultanément, CHOISSEZ des plats nécessitant approximativement le même temps de cuisson. Cependant, la cuisson de certains plats peut être légèrement « ralentie » en utilisant des petits plats de cuisson et en les recouvrant d'une feuille de papier aluminium, ou « accélérée » en utilisant de plus petites quantités ou des plats de cuisson plus grands.
Evitez d'utiliser des aliments rapidement périssables (poisson, porc, etc.) si vous prévoyez une longue période d'attente, surtout par temps chaud.
NE PLACEZ PAS des aliments chauds dans le four qui sera utilisé avec la fonction minuterie. NE PLACEZ PAS un four déjà chaud avec la fonction minuterie. NE PLACEZ PAS la fonction minuterie avec un four si le four adjacent est déjà chaud.
Décongelez complètement les volailles entières avant de les mettre au four. Assurez-vous que les viandes et volailles sont bien cuites avant de les servir.
Conseils généaux pour la cuisson au four
Veillez à ce que les grilles soient toujours insérées à fond dans le four.
Placez les plaques de cuisson, plats à rôtir, etc., à niveau, au centre des grilles du four. Placez les autres plats au centre sur les grilles. Éloignez les plaques et les plats de cuisson des bords du four, afin de ne pas trop dorer les aliments.
Pour un doré homogène, la taille maximum recommandée de s plats est :
- profondeur : 340 mm (13 1 / 2'' ) et largeur : 340 mm (13 1 / 2'' ) dans le four principal
- profondeur : 321 mm (12 5/8'') et largeur : 232 mm (9 1/8'') dans le four haut
Lorsque le four est en marche, NE LAISSEZ PAS la porte du four ouverte plus longtemps que nécessaire, afin de prévenir une surchauffe des boutons de commande.
- Laissez toujours un « doigt de largeur » entre des plats placés sur une grille de four. Ceci afin de faciliter la circulation de chaleur autour des plats. Pour réduire les projections grasses lorsque vous ajoutez des légumes dans la graisse chaude autour d'un roti, séchez soigneusement les légumes ou enduisez-les d'un peu d'huile à friture.
- Placez les plats susceptibles de bouillir et déborder pendant la cuisson sur une plaque de cuisson.
- Le four produit assez de chaleur pendant la cuisson pour réchauffer des assiettes placées dans l'enceinte du grill.
- Si vous souhaitez dorer un fond de tarte, préchauffez une plaque de cuisson pendant 15 minutes avant de placer le plat au centre de la plaque.
- Les panneaux internes autonettoyants (voir la section « Nettoyage de la Cuisinière ») sont plus efficaces lorsqu'on évite les projections grasses. Couvrez la viande pendant la cuisson.
7. Tableau de cuisson
Les températures du four et les temps de cuisson sont fournis à titre indicatif uniquement. En fonction des goûts de chacun, les températures devront peut-être être modifiées dans un sens ou dans l'autre, pour obtenir les résultats que vous recherchez.
Dans un four ventilé, les plats sont cuits à une température plus basse que dans un four traditionnel. Lorsque vous suivez une recette, réduisez la température indiquée de 10°C et le temps de cuisson de 5-10 minutes. La température dans un four ventilé ne varie pas selon la position dans le four - vous pouvez donc utiliser n'importe quelle grille.
Position de Grille
- Avant la cuisson, décongelez complètement les viandes et volailles congelées.
Température Four Position Température Conventional °C de Grille Four Ventilé °C Temps de Cuisson Approximatif
| Vienne | |||||
| Bœuf | 160 | C | 150 | 30-35 minutes par 500g +30-35 minutes. | Farci et roulé - Ajoutezapproximativement 10 minutes/500gaux temps de cuisson ci-dessus oufaites cuire à 200°C pendant 20minutes, puis à 160°C pendant lereste de la cuisson. |
| 200 | C | 190 | 20-25 minutes par 500g +20-25 minutes. | ||
| Agneau | 160 | C | 150 | 30-35 minutes par 500g +30-35 minutes. | |
| 200 | C | 190 | 20-25 minutes par 500g +20-25 minutes. | ||
| Porc | 160 | C | 150 | 35-40 minutes par 500g +35-40 minutes. | |
| 200 | C | 190 | 25-30 minutes par 500g +25-30 minutes. | ||
| Volaille | |||||
| Poulet | 160 | C | 150 | 20-25 minutes par 500g +20-25 minutes. | Volaille farcie - Cuisson à 200°C ouà 200°C pendant 20 minutes, puis à160°C pendant le resté de lacuisson.Préemballée (fraîche ou congelée):Suivre les temps de cuissonindiqués sur l'emballage.Avant la cuisson, decongelezcompletement les rotis et volaillescongeles. |
| 200 | C | 190 | 15-20 minutes par 500g +15-20 minutes. | ||
| Dinde | 160 | C | 150 | 25-30 minutes par 500g +25-30 minutes. | |
| 200 | C | 190 | 20 minutes par 500g +20 minutes. | ||
| Canard | 160 | C | 150 | 25-30 minutes par 500g. | |
| 200 | C | 190 | 20 minutes par 500g. | ||
| Plat braisé | 140-150 | C | 130-140 | 2-4 heures selon la recette. | |
| Poisson | |||||
| 190 | C | 180 | Filet 15-20 minutes. Morceau entier 15-20 minutes par 500g. | ||
| 190 | C | 180 | Morceau entier 10 minutes par 500g +10 minutes. | ||
| 190 | C | 180 | Steaks selon l'épaisseur. | Utilisation du four conventionnel :lors de la cuisson sur deux niveaux,laisser au moins un espace entreles plaques.Placer la plaque de pâtisserie avecle bord avant le long de l'avant de lagrille de four.Lors de la cuisson à deux étages,les plaques doivent être inverséesaprès environ la moitié du temps decuisson. | |
| Gâteau | |||||
| Cake 100% fruits confits | 140 | C/B | 130 | 45-50 minutes par 500g de pâte. | |
| Fruits 180mm | 150 | C/B | 140 | 2-2,5 heures. | |
| Fruits 230mm | 150 | C/B | 140 | 3,5 heures. | |
| Gâteau quatre quarts 180mm | 180 | C | 170 | 20-30 minutes. | |
| Desserts | |||||
| Tarte pâté brisée | 200 | C | 190 | 30-40 minutes. | |
| Tourtes aux fruits | 180 | C | 170 | 30-40 minutes permutation après 25 minutes. | |
| Tartelettes | 180 | C | 170 | 15-20 minutes. | Il est possible de cusiner avecjusqu'à trois étages en même tempsdans un four à chaleur tournante,mais assurez-vous de laisser unespace entre chaque grille utiliséepour la cuisson |
| Pâté feuilletée | 220 | C | 210 | 20-40 minutes selon la taille. | |
| Meringues | 100 | C | 90 | 2-2,5 heures selon la taille. | |
| Pain | 220 | C | 210 | 20-30 minutes. | |
8. Nettoyer votre cuisinière
Fig. 8.1 A - Chapeau, B - Tête, C - Encoche, D - Socle, E - Électrode
Fig. 8.2 A - Chapeau de brûleur interne, B - Chapeau de brûleur externe, C - Tête de brûleur, D - Socle de brûleur de wok
Fig. 8.3
Fig. 8.4
Informations utiles
Isoler l'alimentation électrique avant de nettoyer. Laisser la cuisine refroidir.

NE JAMAIS utiliser de solvants pour peinture, de carbonate de sodium, de nettoyants caustiques, de poudres biologiques, d'eau de Javel, de nettoyants blanchissants à base de chlore, d'abrasifs puissants ou de sel.

NE PAS mélanger différents produits de nettoyage - ils pourraient réagir et être dangereux.
Toutes les parties de la cuisine ne peuvent être nettoyées à l'eau savonneuse — mais veiller à ce que le surplus d'eau ne pénétre pas dans l'appareil.
Ne pas oublier de brancher au courant et de réinitialiser l'horloge avant de réutiliser la cuisinière.
Brûleurs de plaque
Certains modèles ont une bague de garniture séparée, qui s'adapte sur la tête du brûleur.
Les têtes de brûleur et les bouchons peuvent être retirés pour le nettoyage.

NE lavez PAS les têtes de brûleur au lave-vaiselle.
Veiller à ce qu'ils soient complètement secs avant de les remplacer.
Les brûleurs à anneau unique
Lors du remontage de la tête de brûleur, veiller à ce que l'encoche soit alignée avec l'électrode ou le trou dans la base. Veiller à ce que la tête de brûleur soit à niveau et que le bouchon soit placé centré sur la tête de brûleur (Fig. 8.1).
Le brûleur pour wok
Le brûleur pour wok peut également être retiré pour le nettoyage.
Lors du remontage du brûleur pour wok (Fig. 8.2), retourner la grande bague de base et tracer la zone en forme de « D » (Fig. 8.3). Tourner la tête jusqu'à ce que le « D » coïncide avec celui sur la base du brûleur. Retourner à nouveau le brûleur et le placer sur la base du brûleur.
Vérifier que les fentes de brûleur ne soient pas bouchées. En cas de bouchon, stérer les particules coincées en utilisant une brosse à dents (Fig. 8.4).
Installer à partir des deux bouchons de brûleur, en veillant à ce qu'ils soient bien placés.
Vérifier que les orifices de brûleur ne soient pas bouchés. En cas de bouchon, PTRRER les particules coincées en utilisant un morceau de fil fusible.
Le berceau du wok (en option)
Les matériaux de nettoyage recommandés sont de l'eau chaude savonneuse, une éponge humide avec du savon, un nettoyant crème ou une éponge en nylon.
La plaque du grill
Toujours nettoyer la plaque du grill après utilisation. Le laisser complètement refroidir avant de le retirer. Plonger la plaque du grill dans de l'eau chaude savonneuse. Utiliser un chiffon doux ou, pour les taches tenaces, une brosse de nettoyage en nylon.
REMARQUE: Si le grill est lavé au lave-vaiselle, des résidus du lave-vaiselle peuvent apparaître à l'arrêt. Ceci est normal et n'affectera pas les performances de vos plaques de grill.
Grille coulissante
Avant de retirer l'une des pièces du grill pour le nettoyage, assurez-vous qu'elles sont froides ou utilisez des gants de cuisine. NE PAS utiliser des substances abrasives.
La grille coulissante peut être facilement retirée pour le nettoyage comme suit : Retirer le cadre de support de la plaque du grill en tirant la plaque du grill vers l'avant (Fig. 8.5).
Soulever la plaque du grill du cadre de support. Le cadre de support est maintenu sur les rails latéraux par deux fixations de chaque côté (Fig. 8.6).
Pour chaque côté, tenir le rail avec une main et de l'autre main, soulever le cadre et l'extraire des fixations latérales (Fig. 8.7).
Pour des raisons de sécurité, repousser les rails latéraux dans la chambre du grill.
Si vous devez retirer les rails latéraux pour nettoyer la chambre du grill, vous pouvez les décrocher des côtés de la chambre du grill (Fig. 8.8) et nettoyer les côtés avec un chiffon et un détergent doux.
NE PAS METTRE LES RAILS COULISSANTS AU LAVE-VAISSELLE.
Quand vous avez terminé, raccrochez les rails latéraux sur les côtés de la chambre. Pour remonter le cadre, tirez les rails latéraux vers l'avant, un côté à la fois, maintenez le rail latéral et pressez le cadre dans les rails latéraux. Remettez la lèchefrite en place. Lors du remontage de la lèchefrite, assurez-vous que le bord large est à l'avant (Fig. 8.9).
Panneau de commande et portes
Éviter d'utiliser des nettoyants abrasifs, y compris des crèmes nettoyantes, sur des surfaces en acier inoxydable brossé. Pour de meilleurs résultats, utiliser un détergent liquide.
Le panneau de commande, les boutons et les portes ne doivent être nettoyés qu’avec un chiffon doux mouillé et de l'eau chaude savonneuse, mais attention à ce que de l'eau ne coule pas à l'intérieur de l'appareil.
Après le nettoyage, polir avec un chiffon sec.





Fig. 8.10
Fig. 8.11 Fig. 8.12

Panneaux de porte vitrés
Les panneaux avant de la porte du four peuvent être retirés afin que les vitres soient nettoyées. Déplacer la cuisinière vers l'avant pour pouvoir accéder aux côtés (voir la section « Déplacer la cuisinière » sous « Installation »).
Ouvrir légèrement la porte du four et retirer les vis de fixation du panneau avant des côtés de la porte, deux de chaque côté (Fig. 8.10).
Soulever soigneusement le panneau de la porte externe. La face interne des panneaux vitrés peut à présent être nettoyée - veiller à ne pas déplacer ou mouiller l'isolation de la porte.
REMARQUE: Si la porte a trois couches, alors l'intérieur des deux panneaux est fixé ensemble et ne doit pas être séparé.
Après le nettoyage, réinstaller le panneau de la porte soigneusement et replacer les vis de fixation latérales.

NE PAS utiliser de nettoyants abrasifs puissants ou de racloirs en métal pointus pour nettoyer la porte vitrée du four car ils pourraient rayer la surface, et la vitre pourrait se briser.
Panneaux « cuire et nettoyer
Le four principal a des panneaux latéraux « Cuire et nettoyer » ayant été enduits avec un émail spécial qui s'auto-nettoie partiellement. Ceci n'empêche pas toutes les marques sur le revêtement, mais aide à réduire la quantité de nettoyage manuel requis.
Les panneaux Cuire et nettoyer fonctionnent au-dessus de 200°C. Si vous cuisinez la plupart du temps en-dessous de cette température, retirez les panneaux de temps en temps et nettoyez-les avec un chiffon sans lin et de l'eau chaude savonneuse. Les panneaux doivent ensuite être séchés et replacés et le four chauffé à 200°C pendant environ une heure. Ceci permettra de garantir un bon fonctionnement des panneaux Cuire et nettoyer.

NE PAS utiliser de laine de fer, déponge-grattoir pour nettoyer les jours ou tout autre matériel pouvant rayer la surface.
Retrait des garnitures du four principal
Certains des panneaux de garniture peuvent être retirés pour le nettoyage.
Si vous souhaitez nettoyer l'intérieur en émail du four, vous devrez retirer les grilles avant de retirer les panneaux « Cuire et nettoyer ». Il n'est pas nécessaire de retirer les supports de support pour retirer les panneaux. Soulevez chaque panneau vers le haut et faites-le glisser vers l'avant hors des supports (Fig. 8.11).
Une fois les panneaux retirés, l'intérieur en émail du four peut être nettoyé.
Pour les réinstaller, procéder dans l'ordre inverse.
Le grand four
Pour nettoyer les côtés du four, retirez les plateaux, décrochez les supports des côtés du four et retirez-les en les bougeant (Fig. 8.12).
Tableau de nettoyage
Les nettoyants listés sont disponibles dans les supermarchés ou des magasins d'électricité comme indiqué.
Pour les surfaces en émail, utiliser un nettoyant approuvé pour l'usage sur de l'émail vitré.
Un nettoyage régulier est recommandé. Pour un nettoyage simplifié, immédiatement nettoyer les saletés.
Tableau 8.1
| Plaque chauffante | ||
| Pièce | Terminer | Méthode de nettoyage recommmandée |
| Haut de la plaque (y compris les têtes et les bouchons de brûleur) | Émail, acier inoxydable, aluminium | Eau chaude savonneuse, chiffon doux. Les taches tenaces sont éliminées avec une éponge en nylon. |
| Plaque céramique/induction | Verre renforcé. | Eau chaude savonneuse ; nettoyant crème/éponge métallique si nécessaire. |
| Plaque du grill (certains modèles uniquement) | Surface non collante | Laisser refroidir. Laver à l'eau chaude savonneuse. Ne pas utiliser de nettoyants/éponges abrasifs. Lave-vaiselle. |
| Zone chauffe-plats (certains modèles uniquement) | Verre renforcé. | Eau chaude savonneuse, nettoyant crème/éponge métallique si nécessaire. |
| Exterieur de la cusinière | ||
| Pièce | Terminer | Méthode de nettoyage recommmandée |
| Porte, autour de la porte et extérieur du tiroir de rangement | Émail ou peinture | Eau chaude savonneuse, chiffon doux. Les taches tenaces sont éliminées doucement avec un détergent liquide. |
| Acier inoxydable | Chiffon électrique (détaillants d'électricité) ou chiffon microfibre polyvalent (supermarché). | |
| Côtés et plinthe | Surface peinte | Eau chaude savonneuse, chiffon doux. |
| Crédence/Grille arrête | Émail ou acier inoxydable | Eau chaude savonneuse, chiffon doux. Nettoyant crème, avec soin, si nécessaire. |
| Panneau de commande | Peint, émail ou acier inoxydable | Eau chaude savonneuse. Ne pas utiliser de nettoyants abrasifs sur les écritures. |
| Boutons de commande/poignées et décorations | Plastique/chrome, cuivre ou laiton lacqué | Eau chaude savonneuse, chiffon doux. |
| Laiton | Polish laiton. | |
| Vitre de la porte du four/couvercle en verre | Verre renforcé. | Eau chaude savonneuse, nettoyant crème/éponge métallique si nécessaire. |
| Four et grill | ||
| Pièce | Terminer | Méthode de nettoyage recommmandée |
| Côtés, plancher et toit du four PAS LES PANNEAUX CUIRE ET NETTOYER (voir ci-dessous) | Émail | Tout nettoyant de marque pour fours adapté à l'émail. ATTENTION : NETTOYANTS POUR FOURS CORROSIFS/CAUSTIQUES : SUIVRE LES INSTRUCTIONS DU FABRICANT. Ne pasmettre en contact avec les éléments du four. |
| Panneaux Cuire et Nettoyer du four (certains modèles uniquement) | Émail spécial qui s'auto-nettoie partiellement | Cette surface se nettoie d'elle-même à 200°C et au-delà, ou les panneux peuvent être retirés et lavés avec de l'eau chaude savonneuse et une brosse en nylon (voir « Les fours » dans « Nettoyage de votre cusinière »). |
| Grilles de four, Grille pratique, Grill, Grille grill pratique | Chrome | Un nettoyant d'intérieur de fours adapté au chrome. Tampon savonneux. Lave-vaiselle. |
| Lèchefrite/plaque viande (certains modèles uniquement) | Émail | Eau chaude savonneuse. Tampon savonneux. Lave-vaiselle. |
Défaillance de l'allumage ou des brûleurs de la table de cuisson
L'appareil est-il sous tension ? L'horloge est-elle éclairée ?
Si ce n'est pas le cas, l'alimentation électrique est peut-être défectueuse.
Les encoches du générateur d'étincelles (électrode d'allumage) ou du brûleur sont-elles obstruées par des débris?
Les tubulures des brûleurs sont-elles placées correctement? Les couronnées sont-elles placées correctement? Voir la section « Nettoyage ».
Les brûleurs de la table de cuisson ne s'allument pas
Assurez-vous que les éléments du brûleur ont été replacés correctement après avoir été essuyés ou retirées pour nettoyage.
Vérifiez que l'alimentation en gaz n'est pas défectueuse. Pour ce faire, vérifiez le fonctionnement de vos autres appareils à gaz.
Les brûleurs produisent-ils une étincelle lorsque vous appuyez sur le bouton?
Les brûleurs produisent-ils une étincelle lorsque vous appuyez sur le bouton de commande?
De la vapeur s'échappe du four
Pendant la cuisson d'aliments à haute teneur en eau (frites surgelées, par exemple), un peu de vapeur peut être visible à la grille à l'arrêt du chauffe-plats.
Faites attention en ouvrant la porte du four, une bouffée de vapeur peut s'échapper momentanément à l'ouverture du four. Reculez-vous et attendez que la vapeur se soit dissipée.
Quels sont les produits de nettoyage recommandés pour la cuisinière?
Reportez-vous à la section « Nettoyage » pour en savoir plus sur le matériel recommandé pour le nettoyage.

Le ventilateur du four est bruyant
Le bruit du ventilateur peut changer pendant le chauffage du four. Ici, c'est tout à fait normal.
Ceci est dû à la chaleur provenant du four ou du gril. Ne laissez pas la porte du four ouverte.
Lorsque vous utilisez le grill, assurez-vous que la l'échafaud du grill est bien insérée jusqu'à la butée arrière.
Laissez toujours la porte de l'enclenche du grill ouverte pendant l'utilisation du grill.
Les commandes deviennent chaudes lorsque j'utilise le four ou le grill
La cuisinière est refroidie par un ventilateur. Si les commandes deviennent excessivement chaudes lorsque la cuisinière est en fonctionnement, alors le ventilateur peut avoir une défaillance. Si tel est le cas, veuillez contacter votre installateur, un ingénieur de réparation qualifié ou le service client pour effectuer les réparations.
En cas de problème concernant l'installation, si mon installateur d'origine ne peut pas venir résoudre le problème, à qui incombent les frais?
C'est à vous qu'incombent ces frais. Les sociétés d'entretien factureront leurs interventions si elles réparent une installation effectuée par votre installateur d'origine. Il est de votre intérêt de contacter votre installateur d'origine.
Panne de courant
En cas de panne de courant, n'oubliez pas de régler de nouveau l'horloge pour permettre le fonctionnement automatique du four.
Les alimentés cessent trop lentement, trop rapidement, ou brûlent
Les temps de cuisson peuvent être différents de ceux de leur ancien four.
Vérifiez que vous utilisez les températures et positions de grilles de four recommandées. Les températures du four et les temps de cuisson sont fournis à titre indicatif uniquement.
En fonction des goûts de chacun, les températures devront peut-être être modifiées dans un sens ou dans l'autre, pour obtenir les résultats que vous recherchez.
La cuisson au four n'est pas uniforme
N'utilise pas de plat ou de plaque de cuisson de dimensions supérieures à celles indiquées dans la section « Conseils Généraux pour la Cuisson au Four »
Dans le cas d'un grand plat, vous devrez peut-être le tourner pendant la cuisson.
Si vous utilisez deux grilles, vérifiez qu'il y a assez de place pour permettre à la chaleur de circuler. Lorsque vous insérez une plaque de cuisson dans le four, veillez à la placer au centre de la grille.
Vérifie que le joint d'étanchéité de la porte n'est pas endommagé et que le loquet de porte est réglé de façon à ce que la porte soit bien appuyée contre le joint.
Un réseau d'eau placé sur la grille doit avoir une profondeur uniforme. (S'il est plus profond à l'arête, par exemple, l'arête de la cuisinière doit être levé ou l'avant de la cuisinière abaissé.) Si la cuisinière n'est pas à niveau, demandez à votre fournisseur de la déte à niveau.
Le four ne s'allume pas lorsqu'il est mis en marche manuellement
L'appareil est-il sous tension ? L'horloge est-elle éclairée ? Si ce n'est pas le cas, l'alimentation électrique est peut-être défectueuse.
Le sectionneur de l'alimentation électrique de la cuisinière est-il sur la position Marche?
L'heure a-t-elle été réglée?
Le four ne s'allume pas avec la mise en marche automatique
Le bouton de commande du four a-t-il été laissé par erreur sur ARRET (OFF)?
Four est-il verrouillé (voir ci-dessus)?
Si le fait de mettre le bouton de réglage sur une température inférieure n'a pas eu d'effet ou a eu un effet temporaire, vous devrez peut-être remplacer le thermostat. Cette intervention doit être effectuée par un spécialiste de l'entretien.
L'éclairage du four ne fonctionne pas
L'ampoule a probablement grillé. Vous pouvez acheter une ampoule de rechange (non couverte par la garantie) dans un magasin d'accessoires électriques. Demandez une ampoule à culot vissable Edison 15 W 230V, POUR FOURS. Cette ampoule doit pouvoir résister à une température de 300°C (Fig. 9.1).
Coupez l'alimentation à l'aide du disjoncteur.
Avant de retirer l'ampoule usagée, mettez la cuisinière hors tension et assurez-vous que le four a refroidi. Ouvrez la porte du four et retirez les grilles du four.
Dévissez le couvercle de l'ampoule en tournant en sens antihoraire (il peut être très difficile à dévisser) (Fig. 9.2).
Dévissez l'ampoule en tournant en sens anti-horaire, en vous protégeant les mains avec un gant pour ne pas vous blesser.
Vissez l'ampoule de rechange, puis revissez le couvercle de l'ampoule. Remettez l'appareil sous tension et contrôlez le fonctionnement de l'éclairage.
La porte du four est alignée mal
La charnière inférieure de la porte de gauche peut être ajustée afin de modifier l'angle de la porte (Fig. 9.3). Desserrez les vis de fixation de la charnière inférieure, et utilisez le cran et un tournevis à lame plate pour changer la position de la charnière et la régler (Fig. 9.4).
Resserrez les vis de la charnière.




10. Installation
Avant de commencer l'installation, veuillez remplir la fiche ci-dessous. Ceci permettra à votre client de vous contacter facilement en cas de problème relatif à l'installation.
| Nom de l'Installateur |
| Société de l'Installateur |
| Numéro de Telephone de l'Installateur |
| Numéro de Série d'Appareils |
Mesures et règlements de sécurité

Cette cuisinière doit être installée conformément aux instructions appropriées des présentes et à la réglementation nationale et locale en vigueur, ainsi qu'aux prescriptions des compagnies de gaz et d'électricité locales.

Si l'appareil doit être installé en Suisse, les règlements et les directives suivantes doivent être respectées :
- SVGW - Principes de gaz G1: l'installation de gaz.
- EKAS - Forme 1942: directive sur le gaz liquide, Partie 2.
- la réglementation des instances cantonales (régulateurs de sécurité, par exemple, incendie).

Cette cuisinière est un appareil de classe 2 et de sous-classe 1.

Avant l'installation, vérifie que la cuisine convient au type de gaz et à la tension d'alimentation électrique. Reportez-vous au badge technique.

Cet appareil doit être installé conformément à la réglementation en vigueur, et uniquement dans un endroit bien ventilé.

Lisez les instructions avant d'installer ou d'utiliser cet appareil.

Dans votre intérêt et par souci de sécurité, légalement, tous les appareils à gaz doivent être installés par des personnes compétentes. Une installation incorrecte n'engage ni la responsabilité, ni la garantie du fabricant, et peut donner lieu à des poursuites.

Cet appareil peut être modifié afin d’être utilisé avec d’autres types de gaz.
Ventilation
Cet appareil n'est pas raccordé à un dispositif d'évacuation des produits de combustion. Prêtez particulièrement attention à la réglementation en vigueur concernant la ventilation.
Toutes les pièces nécessitent une fenêtre ouvrable ou un dispositif équivalent, et certaines pièces nécessitent une mise à l'air libre permanente en plus de la fenêtre ouvrable.
Emplacement de la cuisinière
La cuisinière peut être installée dans une cuisine/un salon-cuisine, mais PAS dans une pièce contenant une baignoire ou une douche.
Cet appareil est conçu uniquement pour un usage domestique. Toute autre utilisation n'engage ni la responsabilité, ni la garantie du fabricant.
Remarque: Un appareil utilisable avec du gaz de pétrole liquéfié (GPL) ne doit pas être installé dans une pièce ou un espace intérieur souterrain, par exemple dans un sous-sol.
Conversion
Un kit de conversion vers un autre gaz est disponible pour la cuisinière.
Si l'appareil doit faire l'objet d'une conversion vers un autre gaz, nous recommandons de le faire avant l'installation.

Nous recommandons l'utilisation d'un dispositif d'arrêt en cas de surpression ou d'une soupape de décharge sur toute installation GPL afin d'empêcher l'exposition de raccords/d'appareils en aval à une pression excessive (plus de 75 mbar) en cas de défaillance du régulateur.
Après conversion de l'appareil, veuillez apposer l'étiquette de conversion de gaz sur la partie appropriée de la plaque signalétique pour indiquer le type de gaz spécifique utilisé.
Installation
Une fois le travail terminé, vérifie que les alimentations de gaz et d'électricité sont correctement rebranchées.
L'installation de la cuisine nécessitera l'emploi du matériel indiqué ci-dessous:
- Dispositif stabilisateur : Un dispositif stabilisateur (équerre ou chaîne) doit être monté sur la cuisinière si celle-ci est alimentée en gaz par le biais d'un tuyau flexible. Ce dispositif stabilisateur n'est pas fourni avec l'appareil mais est en vente dans la plupart des magasins de bricolage. Manomètre.
- Tuyau flexible de gaz : Doit être conforme aux normes appropriées.
- Multimètre: Pour les contrôles électriques.
Vous aurez aussi besoin des outils suivants:
- Perceuse électrique
- Foret à maçonnerie (nécessaire seulement pour montage sur sol en pierre ou en béton)
- Chevilles Rawlplugs (nécessaires seulement pour montage sur sol en pierre ou en béton)
- Metre en acier
- Tournevis cruciforme
- Tournevis à lame plate
- Niveau à bulle
- Crayon
- Clé réglable
- Vis pour le montage de l'équerre stabilisatrice
- 4 mm et 3 mm clé hexagonale
| 3 grilles de table de cuisson | Plaque à griller(Fourni avec Classic et Professional+, optionnel Kitchener et Infusion) |
| Plaque à griller(Fourni avec Infusion, optionnel Classic Kitchener et Professional+) | |
| Lèchefrite et grille | |
| 2 grille plates | |
| Handyrack(non fourni Infusion) | |
| Dosseret (Fourni avec Classic) | |
| 2-piece plinthe(Classic, Kitchener et Infusion) | |
| Plinthe (Professional+) | |
| Clés hexagonales |
Fig. 10.1

Fig. 10.3
Positionnement de la cuisinière
Fig. 10.1 Le schéma indique les cotes minimales recommandées entre la cuisinière et les surfaces adjacentes.
Ne placez pas la cuisinière sur un support.
Le pourtour de la table de cuisson doit être au niveau ou au-dessus de tout plan de travail adjacent.
Laissez un espace de 75 mm AU-DESSUS du niveau de la table de cuisson entre chaque côté de la cuisinière et toute surface verticale adjacente.
Pour les surfaces non combustibles (telles que le métal non poreux ou les carrelages), cette cote peut être de 25 mm.
Laissez un espace de 650 mm au minimum entre la partie supérieure de la table de cuisson et une surface horizontalement combustible.
La Fig. 10.2 indique les dégagements recommandés au-dessus de la cuisineire.
- Toute hotte de cuisinière doit être installée conformément aux instructions du fabricant de hotte.
Tout revêtement doit être installé conformément aux instructions du fabricant. Une marge doit être appliquée pour le poids supplémentaire du conduit qui est installé sur la plaque chauffante de la cuisineire.
Les surfaces des meubles et des murs de chaque côté et à l'arrière de l'appareil doivent être résistantes à la chaleur, aux éclaboussures et à la vapeur. Certains types de meubles de cuisine en vinyle ou en stratifié sont particulièrement susceptibles aux risques de dommages thermiques et de décoloration.
Nous déclinons toute responsabilité pour des dommages résultant d'une utilisation normale de la cuisinière et subis par des matériaux qui se décollent ou se décolorent à des températures de moins de 65°C au-dessus de la température ambiante.
Nous recommandons de laisser un espace de 910 mm entre les unités pour permettre le déplacement de la cuisinière. La cuisinière ne doit pas être encastrée - elle doit pouvoir être déplacée vers l'avant et vers l'arrière pour le nettoyage et l'entretien.
Si la cuisinière est près d'un coin de la cuisine, un dégagement de 130 mm est nécessaire pour permettre l'ouverture des portes de fours (Fig. 10.3). La cote d'ouverture des portes est légèrement inférieure à ce dégagement, mais ici inclut une marge de sécurité pour la protection des mains lors de l'ouverture de la porte.
Installation
Une fois le travail terminé, vérifie que les alimentations de gaz et d'électricité sont correctement rebranchées.
Déplacement de la cuisinière

N'essayez jamais de déplacer la cuisinière lorsque cette-ci est sous tension.

La cuisinière est très lourde, faites très attention.
Nous recommandons de faire appel à deux personnes pour déplacer la cuisinière. Assurez-vous que le revêtement du sol est solidement fixé en place ou retirez-le afin de ne pas l'abîmer en déplaçant la cuisinière.
Deux galets d'arrêt de mise à niveau et deux supports avant vissables facilitent le déplacement de la cuisine. Vous devrez utiliser l'outil de mise à niveau.
Retirez le socle d'emballage en polystyrène. Depuis l'avant, inclinez la cuisinière vers l'avant et retirez la partie avant du socle d'emballage en polystyrène (Fig. 10.4). Répétez cette procédure à l'arrière et retirez la partie arrière du socle.
Baissez les deux galets arrière
Mettre d'abord une clé à douille ou à crochet de 13 mm dans l'écrou hexagonal d'ajustement. Effectuez 10 tours complets (360°) en sens inverse (Fig. 10.5).
Veillez à abaisser les DEUX GALETs ARRIÉRÉS. Il y a deux écrous de réglage, un pour chaque galet, aux coins avant inférieurs de la cuisinière.
Exécution du mouvement
Dépliez le bord arrêté du plateau d'emballage. Ouvrez la porte du grill et la porte du four droit afin d'avoir une bonne prise sur la partie inférieure du panneau de commande pour déplacer la cuisinière (Fig. 10.6).
Poussez la cuisinière vers l'arrière avec précaution pour la dégager de son socle d'emballage. Retirez le plateau d'emballage.
Poussez la cuisinière près de sa position finale, en laissant juste assez de place pour pouvoir avoir accès à l'arrière.

N'utilise pas les poignées de portes ou les boutons de commande pour déplacer la cuisinière.
Fixation de l'équerre ou chaîne de stabilisation
Sauf indication contraire, une cuisinière raccordée à un tuyau flexible de gaz doit être fixée avec un dispositif stabilisateur adapté.
Les dispositifs stabilisateurs adaptés sont représentés en Fig. 10.7, Fig. 10.8, Fig. 10.9 et Fig. 10.10.
Si vous utilisez une chaîne de stabilisation (Fig. 10.7), la chaîne devra alors être aussi courte que possible et fixée fermement à l'arrière de la cuisinière.
Si vous utilisez un support de stabilité ; fixez d'abord le dispositif de localisation de support à l'arrière de la cuisinière (Fig. 10.8). Puis ajustez le support pour engager dans la fente de l'appareil (Fig. 10.9 et Fig. 10.10).






Fig. 10.10
Repositionnement de la cuisinière après raccordement
Si vous devez déplacer la cuisinière après son raccordement, débranchez la cuisinière, agrippez-la sous le panneau de commande et levez légèrement l'avant de la cuisinière
(Fig. 10.6), puis vérifie à l'arrière de l'appareil que le câble d'alimentation n'est pas entravé.
Pendant le déplacement de la cuisinière, assurez-vous que le câble électrique et le tuyau de gaz ne sont pas entravés.
Si la cuisinière est dotée d'une chaîne stabilisatrice, défaites-la pour pouvoir manœuvrer la cuisinière. N'oubliez pas de la remettre en place lorsque vous replacez la cuisinière.
Lors de la remise en place de la cuisinière, vérifie de nouveau que le câble électrique n'est pas entravé ou coincé.
Mise à niveau
Nous vous recommandons d'utiliser un niveau à bulle placé sur l'une des grilles de four pour vérifier le niveau.
Placez la cuisinière à l'emplacement prévu pour son installation, en veillant à ne pas exercer de force de torsion lorsque vous l'insérez entre les éléments de cuisine, pour ne pas l'endommager ou endommager les éléments.
Les supports avant et les galets arrêté réglables permettent la mise à niveau de la cuisinière. Pour régler la hauteur de l'arrière de la cuisinière, utilisez l'outil de mise à niveau fourni pour tourner les écrous de réglage aux coins avant inférieurs de l'appareil. Pour régler les supports avant, tournez les socles pour lever ou abaiser.
Contrôle de la table de cuisson
Contrôlez le fonctionnement de chaque brûleur (voir la section "Brûleurs de la Table de Cuisson" au début des présentes instructions).
Contrôle du gril
Tournez le bouton de commande du grill et vérifiez que le grill commence à chauffer.
Contrôle des fours
Réglez l'horloge conformément aux instructions données précédemment, et allumez les fours. Vérifiez que les ventilateurs des fours se mettent en marche et que les fours commencent à chauffer.
Remarque: Assurez-vous d'avoir réglé l'horloge (voir 'Section 2').
Raccordement de l'alimentation en gaz
Doit être conforme aux normes appropriées.
Le tuyau flexible (non fourni avec la cuisinière) doit être conforme aux normes en vigueur. Les tuyaux flexibles sont disponibles dans la plupart des magasins de matériaux et de bricolage.
L'alimentation en gaz doit être terminée par un coude de tuyau et un raccord de type à baïonnette à face descendante (Fig. 10.11).
Le raccord de l'appareil est situé juste au-dessous du niveau de la table de cuisson, à l'arrière de la cuisinière. En cas de doute, contactez votre fournisseur.
Les boîtiers d'arrêt de la cuisinière limitent la position du point d'alimentation. Il est difficile de donner des cotes précises, étant donné que la hauteur de la cuisinière est réglable et que chaque raccordement est différent.
Vous pouvez utiliser un tuyau flexible de 900 mm, mais un tuyau de 1100 mm offre plus de flexibilité quant au positionnement du raccord baïonnette et facilite le déplacement de la cuisinière.
Montez le tuyau de façon à ce que les raccords d'admission et de sortie soient verticaux et que le tuyau pendente en forme de «U». Idéalement, le raccord d'alimentation domestique doit être dans la partie ombrée 'A' (Fig. 10.12).
Vissez l'extrémité filetée du tuyau flexible dans l'admission de gaz. Lorsque le raccordement est terminé, effectuez un essai de pression pour contrôler l'étanchéité de la cuisinière.
Le raccord d'admission de la cuisinière est de type interne ISO 7-1. Si le raccordement doit être de type ISO 228-1, utilisez le raccord d'adaptation ISO 7-1-ISO 228-1 fourni dans le kit de modification (Fig. 10.13).
Vissez le raccord dans l'admission de la cuisinière en serrant à la main. À l'aide de deux outils appropriés, l'un placé au niveau de l'admission située sur la cuisinière pour veiller à en assurer la stabilité et l'autre sur le raccord, vissez le raccord dans l'admission. Couple minimum 15 Nm. Couple maximum 20 Nm. Raccordement du tuyau flexible au connecteur.
Essai de pression
La pression de gaz peut être mesurée au niveau de l'injecteur de l'un des brûleurs centraux de la table de cuisson (non pas au niveau du brûleur de wok).
La pression de gaz peut être mesurée au niveau de l'injecteur d'un des brûleurs de la table de cuisson gauche.
Retirez la tête d'un des brûleurs. Montez le manomètre sur le gicleur. Mettez en marche un des autres brûleurs de la table de cuisson. Tournez et appuyez sur le bouton de commande du brûleur avec manomètre, pour permettre l'arrivée du gaz.
Reportez-vous au badge technique pour les pressions d'essais.

Fig. 10.11
Fig. 10.12 Toutes les dimensions en millimètre
Fig. 10.13
Installation
Une fois le travail terminé, vérifie que les alimentations de gaz et d'électricité sont correctement rebranchées.
L'utilisation conjointe de votre cuisinière et d'autres appareils domestiques peut entraîner des disjonctions fortuites; par conséquent, nous recommandons de protéger la cuisinière par un disjoncteur différentiel.
EN CAS DE DOUTE, CONSULTEZ UN ELECTRICIEN QUALIFIE.
Fig. 10.14
Eteignez les brûleurs. Replacez le chapeau du brûleur, en veillant à le remonter correctement sur le corps du brûleur.
Raccordement électrique
Cet appareil doit être installé par un électricien qualifié, conformément à la réglementation en vigueur et aux prescriptions de la compagnie d'électricité locale.
Remarque: La cuisinière doit être raccordée à l'alimentation électrique correcte, indiquée sur l'étiquette de tension sur l'appareil, par le biais d'une unité de commande de cuisinière appropriée à interrupteur bipolaire (avec une séparation de contact de 3 mm au minimum entre les pôles).

Cette cuisinière ne doit pas être raccordée à une prise d'alimentation domestique ordinaire.
Pour accéder au bornier d'alimentation secteur, retirez le boitier électrique sur le panneau arrière. Raccordez le câble d'alimentation secteur aux bornes correctes pour votre type d'alimentation électrique (Fig. 10.14 et Fig. 10.15). Vérifiez que les connecteurs sont montés correctement et que les vis des bornes sont bien serrées.
Fig. 10.15
Installation
Une fois le travail terminé, vérifie que les alimentations de gaz et d'électricité sont correctement rebranchées.
Montage des poignées et de la balustrade
Déposez les vis Allen 4 mm des portes à l'aide de la clé hexagonale (Fig. 10.11). Vissez les poignées de portes.

Les poignées doivent être au-dessus des fixations.
Retirez les vis Allen 4 mm des coins supérieurs du bandeau (Fig. 10.12). Montez la barre à torchons et fixez-la à l'aide des vis 4 mm.
Montage du desserré
Placez le dosseret à l'arrière de la table de cuisson et fixez-le à l'aide des vis fournies.
Montage de la plinthe 1 pièce (professional +)
Dévissez les trois vis le long du bord inférieur avant de la cuisine. Insérez l’encoche centrale en forme de trou de serrer sur la vis centrale. Tournez et insérez les encoches d’extrémités en trou de serrer sur leurs vis respectives. Vissez et fixez chaque encoche en forme de trou de serrer sur leurs vis respectives. Serrez les vis de fixation (Fig. 10.18).
Montage de la plinthe 2 pièces
Montez la plinthe intérieure à l'avant inférieur de la cuisinière à l'aide des quatre vis fournies (Fig. 10.19).
Fixez la plinthe extérieure (une vis à chaque extrémité) à la plinthe intérieure.
Grâce à l'encoche, vous pouvez ajuster la position de la plinthe extérieure en la faisant glisser vers le haut ou le bas (Fig. 10.20).
Conseils à la clientèle
Veuillez inscrire les informations vous concernant dans les générées instructions. De même, indiquez à l'utilisateur comment faire fonctionner la cuisine et remettez-lui les instructions.
Merci.






Légende
Le raccord indiqué sur le schéma de câblage est pour une alimentation monophasée. Les capacités nominales sont pour 230V 50Hz.
| Code | Description |
| X01 | Commutateur avant du grill |
| X02 | Régulateur d'énergie du grill |
| X03 | Éléments de grill de gauche |
| X04 | Éléments de grill de croite |
| X05 | Thermostat du four gauche |
| X07 | Interrupteur avant gauche |
| X09 | Élement de ventilateur de four gauche |
| X12 | Thermostat du four de croite |
| X14 | Commutateur avant du four de croite |
| Code | Description |
| X15 | Élement du four de croite |
| X16 | Ventilateur du four |
| X17 | Horloge |
| X24 | Ventilateur de refroidissement |
| X26 | Voyant |
| X27 | Interrupteur thermique |
| X29 | Contacteur d'allumage |
| X30 | Générateur d'étincelles |
| X31 | Éclairage du four |
| X32 | Commutateur d'éclairage du four |
| Code | Couleur |
| b | Bleu |
| br | Brun |
| bk | Noir |
| or | Orange |
| r | Rouge |
| v | Voilet |
| w | Blanc |
| y | Jaune |
| g/y | Vert / jaune |
| gr | Gris |
12. Fiche technique
A L'INTENTION DE L'INSTALLATEUR: Veuillez remettre les présentes instructions à l'utilisateur. EMPLACEMENT DU BADGE TECHNIQUE: Arrière de la cuisinière, badge auxiliaire de numéro de série sous l'ouverture de la porte du four. PAYS DE DESTINATION: GB, IE, FR, NL, DE, SE, BE, CH.
Catégories de gaz et réglages de pression Cet appareil est fourni avec un réglage associé à une des catégories de gaz énumérées dans le tableau ci-dessous, dépendant du pays de destination.
| Categorie | Pays de Destination | Gaz naturel | GPL |
| Cat II 2H3+ | GB, IE, CH | G20 20mbar | G30 butane 29mbar G31 propane 37mbar |
| Cat II 2E3B/P | DE | G20 20mbar | G30 butane 29mbar |
| Cat II 2ELL3B/P | G25 20mbar | G31 propane 29mbar | |
| G30 butane 50mbar | |||
| G31 propane 50mbar | |||
| Cat II 2E+3+ | FR, BE | G20 20/25mbar | G30 butane 29mbar G31 propane 37mbar |
| Cat II 2H3B/P | SE, CH | G20 20mbar | G30 butane 29mbar G31 propane 29mbar |
| Cat I 2L3B/P | NL | G25 25mbar | G30 butane 29mbar G31 propane 29mbar |
Consultez l'insigne de données pour des informations relatives au gaz et à la pression pour lesquelles l'appareil est réglé.
Veuillez suivre les directives de conversion si celle-ci est requise.
Puisances
| Gxx xx mbar EN30 ΣQn 10.9kW |
| Table de Cuisson | Vis de Dérivation* | Gaz Naturel G20 20 mb | Le Gaz Propane Liquide 29/37 mb | ||
| Injecteur | Injecteur | ||||
| Brûleur de Wok | 62 | 4,0 kW | 148 | 4,0 kW (291 g/h) | 103 |
| Brûleur rapide / grand | 40 | 3,0 kW | 134 | 3,0 kW (218 g/h) | 87 |
| Brûleur semi-rapide / moyen | 32 | 1,7 kW | 109 | 1,7 kW (124 g/h) | 68 |
| Brûleur auxiliaire / petit | 28 | 1,0 kW | 75 | 1,0 kW (73 g/h) | 51 |
| Table de Cuisson | Vis de Dérivation* | Gaz Naturel G25 25 mb | Le Gaz Propane Liquide 29 mb | ||
| Injecteur | Injecteur | ||||
| Brûleur de Wok | 62 | 4,0 kW | 152 | 4,0 kW (291 g/h) | 103 |
| Brûleur rapide / grand | 40 | 3,0 kW | 135 | 3,0 kW (218 g/h) | 87 |
| Brûleur semi-rapide / moyen | 32 | 1,7 kW | 105 | 1,7 kW (124 g/h) | 68 |
| Brûleur auxiliaire / petit | 28 | 1,0 kW | 76 | 1,0 kW (73 g/h) | 51 |
| Table de Cuisson | Vis de Dérivation* | Gaz Naturel G25 20 mb | Le Gaz Propane Liquide 50 mb | ||
| Injecteur | Injecteur | ||||
| Brûleur de Wok | 62 | 4,0 kW | 163 | 4,0 kW (291 g/h) | 86 |
| Brûleur rapide / grand | 40 | 3,0 kW | 141 | 3,0 kW (218 g/h) | 81 |
| Brûleur semi-rapide / moyen | 32 | 1,7 kW | 113 | 1,7 kW (124 g/h) | 60 |
| Brûleur auxiliaire / petit | 28 | 1,0 kW | 85 | 1,0 kW (73 g/h) | 46 |
- Les valves dans cette cuisinière sont installées avec des vis de réglage de dérivation. Si l'appareil est fourni avec un réglage pour le gaz naturel, les vis de dérivation seront dévissées. Pour une conversion de GPL, les vis de dérivation doivent être complètement visées.
Si l'appareil est fourni avec un réglage pour le GPL, les vis de dérivation seront complètement visées. Pour une conversion de gaz naturel, les vis de dérivation doivent être visées conformément aux instructions se trouvant dans la trousse de conversion incluse.
Raccordements
| Electricité | 230/400V 50 Hz |
Dimensions
| Identification du Modèle | Classic 90 Mixte | |
| Hauteur | minimale 905 mm | maximale 930 mm |
| Largeur hors tout | 900 mm | |
| Profondeur hors tout | 608 mm sans poignées, 670 mm avec poignées | |
| La hauteur minimale au-dessus de la plaque de cuisson | 650 mm | |
| Identification du Modèle | Kitchener 90 Mixte | |
| Hauteur | minimale 905 mm | maximale 930 mm |
| Largeur hors tout | 900 mm | |
| Profondeur hors tout | 604 mm sans poignées, 652 mm avec poignées | |
| La hauteur minimale au-dessus de la plaque de cuisson | 650 mm | |
| Identification du Modèle | Professional + 90 Mixte | |
| Hauteur | minimale 905 mm | maximale 930 mm |
| Largeur hors tout | 900 mm | |
| Profondeur hors tout | 604 mm sans poignées, 642 mm avec poignées | |
| La hauteur minimale au-dessus de la plaque de cuisson | 650 mm | |
| Identification du Modèle | Infusion 90 Mixte | |
| Hauteur | minimale 905 mm | maximale 930 mm |
| Largeur hors tout | 900 mm | |
| Profondeur hors tout | 604 mm sans poignées, 652 mm avec poignées | |
| La hauteur minimale au-dessus de la plaque de cuisson | 650 mm | |
Astuces d'économie d'énergie réchaud
Utiliser une batterie de cuisine avec une base plate.
Utiliser une batterie de cuisine à la bonne taille.
Utiliser une batterie de cuisine avec un couvercle.
Réduire la quantité de liquide ou de graisse au minimum.
Dès que le liquide commence à bouillir, baisser le feu.
La consommation repose sur G30.
Astuces d'économie d'énergie four
Cuisiner si possible les aliments en même temps.
Observer un temps de pré-cuisson court.
Ne pas prolonger le temps de cuisson.
Ne pas oublier d'éteindre l'appareil à la fin de la cuisson.
Ne pas ouvrir la porte du four en cours de cuisson.









Données d'efficacité du réchaud
| Marque | Falcon |
| Identification du Modèle | Classic Infusion Kitchener Professional + |
| Taille | 90 |
| Type | Mixte |
| Type de Plaque | GAZ |
| Nombre de brûleurs à gaz | 5 |
| Brûleur auxiliaire / petit (brûleur à gaz EE) | - |
| Brûleur semi-rapide / moyen (brûleur à gaz EE) | 58% |
| Brûleur semi-rapide / moyen (brûleur à gaz EE) | 58% |
| Brûleur rapide / grand (brûleur à gaz EE) | 56% |
| Brûleur rapide / grand (brûleur à gaz EE) | - |
| Wok (brûleur à gaz EE) | 54% |
| Wok (EE gas burner) | - |
| Plaque gaz EE réchaud (*) | 56% |
Les informations qui sont marquées par (*) ne sont pas nécessaires avec les plaques de cuisson à combustible mixte
Données du four
| Marque | Falcon | |
| Identification du Modèle | Classic | |
| Masse | kg | 110 |
| Identification du Modèle | Infusion | |
| Masse | kg | 106 |
| Identification du Modèle | Kitchener | |
| Masse | kg | 105 |
| Identification du Modèle | Professional+ | |
| Masse | kg | 106 |
| Type de Four | Electric | |
| Nombre de cavités | 2 | |
| Efficacité énergétique côte gauche | ||
| Type de combustible | Électrique | |
| Type de cavité | Attisé | |
| Courant - Par convention | kW | - |
| Courant - Convection forcée | kW | 2.5 |
| Volume | Litres | 79 |
| Consommation d'énergie (électricité) - conventionnelle | kWh / cycle | - |
| Consommation d'énergie (électricité) - convection forcée | kWh / cycle | 0.83 |
| Indice d'efficacité énergétique - conventionnelle | - | |
| Indice d'efficacité énergétique - convection forcée | 94.4 | |
| Classé énergétique | A | |
| Efficacité énergétique côte droit | ||
| Type de combustible | Électrique | |
| Type de cavité | Four éventées | |
| Courant - Par convention | kW | - |
| Courant - Convection forcée | kW | 2.5 |
| Volume | Litres | 67 |
| Consommation d'énergie (électricité) - conventionnelle | kWh / cycle | - |
| Consommation d'énergie (électricité) - convection forcée | kWh / cycle | 0.79 |
| Indice d'efficacité énergétique - conventionnelle | - | |
| Indice d'efficacité énergétique - convection forcée | 95.6 | |
| Classé énergétique | A | |
| Informations supplémentaires | |
| Ce four est conforme à la norme EN 60350-1 (électrique) EN 15181 (gaz) | |
| Rendement maximum @ 230 V 50 Hz | |
| Par convention | 2.2 kW |
| Multifonction | - |
| Multifonction (Réponse Rapide) | - |
| Convection forcee | 2.5 kW |
| Gril | 2.3 kW |
| Cuisson lente | - |
| Tiroir pour calibrage du pain | - |
| Charge électrique totale maximal à 230V (total approx. complenant éclairages de fours, ventilateur de four, etc.) | 7.4 kW |
Service CLIENT / PANNE hors garantie
Si vous avez des questions sur les produits ou en cas de problème avec votre appareil une fois installé, veuillez contacter SFG au 04 88 78 11 03 ou par mail : agafalcon@sfg.fr
Horaires : Du lundi au vendredi de 8h30 à 19h et le samedi de 8h30 à 13h
Garantie
Nos appareils sont garantis, selon nos conditions générales de vente, ainsi : (hors accessoires et pièces esthétiques), en France métropolitaine et Corse
| MÉTROPOLITAIÈNE | TYPE | GAMME | MODELE / FAMILLE | GARANTIE PIEÇES | GARANTIE MO |
| FALCON | Pianos de cuisson | Games:Traditionnelle/Contemporaine | Classic / Classic Deluxe / Elan Deluxe / Elise / Encore Deluxe / Esprit / Infusion / Kitchener / Nexus / Professional | 2 ans | 2 ans |
| FALCON | Pianos de cuisson | Gamine Semi Pro | CONTINENTAL / DELUXE / 900S / MERCURY | 3 ans | 2 ans |
| AGA | Pianos de cuisson | Masterchef Deluxe | Masterchef Deluxe | 5 ans | 2 ans |
| AGA | Pianos de cuisson | Autres modèles AGA | Er7 / Er3 / Dual control / City 60 | 5 ans | 1 an |
| FALCON/AGA | Hottes | Toutes | tous | 2 ans | 2 ans |
| FALCON/AGA | Réfrigérateurs | Toutes | tous | 2 ans | 2 ans |
| FALCON/AGA | Crédences | Toutes | tous | 2 ans | 2 ans |
La garantie couvre les défauts de fabrication reconnus par le Fabricant.
Les accessoires et les pièces esthétiques sont des éléments qui ne gênent pas le fonctionnement de l'appareil. Ils sont considérés comme consommables et sont exclus de la garantie.
PANNE sous garantie
Après constatation de la panne, dans un délai maximum selon tableau ci-dessus, suivant l'achat, le consommateur ou son revendeur adressera une demande de réparation en indiquant la référence de l'appareil (le numéro de série se trouvant sur la plaque signalétique), la panne constatée « ne fonctionne pas » n'est pas considérée comme une panne), accompagnée de sa facture d'achat (ticket de caisse). Cette demande doit être adressée à agafalcon@sfg.fr
À réception de la totalité des éléments et après validation de la panne soumise, une demande d'intervention sera transmise auprès de la station technique agréée la plus proche du domicile du consommateur qui conviendra avec le consommateur d'un rendez-vous (en France continentale, Corse et hors adresse non accessible par véhicule terrestre).
Le déplacement pour un appareil ne représentant pas de panne ou représentant une clause d'exclusion pourra être facturé au consommateur.
CASSE Au deballage
Lors de la réception de l'appareil et après déballage, le client doit détailler, sur le bon de transport, en présence du transporteur et avant signature, tous les dommages liés au transport.
Il convient de nous adresser, sous 48h après réception, la copie du bon de transport émargé, l'explicatif détaillé (accompagné de photos) des dommages subis par l'appareil ainsi que la facture d'achat, par mail avec accusé de réception à exportsales@agarangemaster.co.uk copie fbelème@agarangemaster.co.uk
Piece manquante au deballage
La demande est à effectuer auprès de FALCON France par mail adv@eurosav.fr sous 72h impérativement, à réception de l'appareil. Toute demande devra être accompagnée du numéro de série du produit, de la facture d'achat et de photos. Après examen du dossier, un devis vous sera adressé ou une prise en charge vous sera confirmée.
Piece casseee ou ABIMEE au deballage
Nous vous invitons à en faire la demande auprès de FALCON France par mail adv@eurosav.fr sous 72h impérativement, à réception de l'appareil. Toute demande devra être accompagnée du numéro de série du produit, de la facture d'achat et de photographies de la pièce concernée. En aucun cas, les avaries liées au transport/manutention n'entraîneront la responsabilité de FALCON France.
PIECES Detachees
Les pièces détachées indispensables à l'utilisation des appareils (hors pièces esthétiques, qui elles, sont disponibles pendant 4 ans) seront disponibles pour une durée de 8 ans après la fabrication de ces produits. Elles sont disponibles auprès de la société EUROSAV. Toute demande de pièce détachée doit être adressée par mail à adv@eurosav.fr en précisant
- Référence de l'appareil
- Facture d'achat
- Numéro de série
- Pièce demandée Photos
Dans le cadre d'une panne sous garantie, les pièces techniques (électriques, mécaniques ou électro-mécaniques) seront expédiées gratuitement, port compris.
Les pièces non couvertes par la garantie (pièces non techniques, accessoires, pièces esthétiques, consommables) feront l'objet d'un devis.
Si le produit est hors garantie (voir tableau "GARANTIE"), un devis vous sera adressé.
PIECES Consommables, examples:
- Paroi catalytique
- Ampoule déclairage (de four ou de hotte)
- Filtre de hotte (métallique ou charbon)
L'usage professionnel est exclu.
Ne sont pas couverts, les dommages ou les pannes suivants :
- Causes par le fait que l'utilisateur ne se sera pas conformé aux règles de prescription imposées par les organismes de distribution d'eau, de gaz et d'électricité,
- Causes par le fait que l'utilisateur ne se sera pas conformé aux règes de prescription imposées par AGA RANGEMASTER FALCON,
- Consécutifs à un mauvais entretien, à une erreur d'utilisation, au non-respect des instructions d'installation, d'entretien et/ou de stockage,
- Liés à l'usage anormal ou à l'usure normale du bien,
- Nécessitant le remplacement de consommables tels que, par exemple : filtres, joints, ampoules, pièces exclues de la garantie,
- Nécessitant le remplacement de pièces esthétiques, exclues de la garantie,
- N'entravant pas le bon fonctionnement du Produkt (ex. les dommages esthétiques tels que les rayures, tâches, égratignures),
- Relatifs aux accessoires,
- Consécutifs à une exposition à des conditions extérieures affectant l'appareil (exemple : corrosion, humidité excessive), à une variation anormale de la tension électrique,
- Liés à un choc, une casse, une chute, l'insertion de corps étrangers, ou à la transformation des Produits, et plus généralement imputables à des causes d'origine externe,
- Ayant donné lieu à une intervention sur le produit, effectuée par un personnel non qualifié ou une entreprise non agréée par AGA RANGEMASTER FALCON,
- Ayant donné lieu à une intervention réalisée avec des pièces de rechange non d'origine ou non agréées par AGA RANGEMASTER FALCON.
| Nom et Récédence du Produkt* | |
| Numéro de série du produit* | |
| Type de Combustible de la table de cuisson* | Gaz de ville □ Gaz bouteille(Butane/Propane) □ Electrique |
| Mixte □ Electrique | |
| Nom et adresse du revendeur : | |
| Date d'achat : | |
| Nom et adresse de l'installateur : | |
| Numéro de téléphone de l'installateur : | |
| Date d'installation : | |
Cas : informations sont situées sur la plaque signalétique du produit. Veuillez vous reporter au mode d'emploi pour en connaître l'emplacement (chapitre "Fiche Technique")
Notice Facile