MODERN PROFESSIONAL+ FX INDUCTION - Induction FALCON - Notice d'utilisation et mode d'emploi gratuit
Retrouvez gratuitement la notice de l'appareil MODERN PROFESSIONAL+ FX INDUCTION FALCON au format PDF.
| Intitulé | Description |
|---|---|
| Type de produit | Table de cuisson à induction professionnelle |
| Caractéristiques techniques principales | Induction à haute efficacité, zones de cuisson multiples, commandes tactiles |
| Alimentation électrique | 230V - 400V, triphasé |
| Dimensions approximatives | Largeur : 90 cm, Profondeur : 70 cm, Hauteur : 20 cm |
| Poids | Environ 50 kg |
| Compatibilités | Compatible avec tous les ustensiles de cuisine adaptés à l'induction |
| Type de batterie | Non applicable (fonctionne sur secteur) |
| Tension | 230V - 400V |
| Puissance | Max 7 kW |
| Fonctions principales | Cuisson rapide, réglage de la température, minuterie intégrée |
| Entretien et nettoyage | Nettoyage avec un chiffon humide, ne pas utiliser de produits abrasifs |
| Pièces détachées et réparabilité | Disponibilité des pièces détachées auprès du fabricant |
| Sécurité | Protection contre la surchauffe, verrouillage de sécurité, indicateur de chaleur résiduelle |
| Informations générales utiles | Idéale pour les professionnels de la cuisine, garantie de 2 ans |
FOIRE AUX QUESTIONS - MODERN PROFESSIONAL+ FX INDUCTION FALCON
Questions des utilisateurs sur MODERN PROFESSIONAL+ FX INDUCTION FALCON
0 question sur cet appareil. Repondez a celles que vous connaissez ou posez la votre.
Poser une nouvelle question sur cet appareil
Téléchargez la notice de votre Induction au format PDF gratuitement ! Retrouvez votre notice MODERN PROFESSIONAL+ FX INDUCTION - FALCON et reprennez votre appareil électronique en main. Sur cette page sont publiés tous les documents nécessaires à l'utilisation de votre appareil MODERN PROFESSIONAL+ FX INDUCTION de la marque FALCON.
MODE D'EMPLOI MODERN PROFESSIONAL+ FX INDUCTION FALCON
Ingrédients (nb de personnes : 5)
- 600 g de cerises
- 30 g de beurre + beurre pour le moule 4 cuil. à soupe rases de farine
- 50 cl de lait frais 4 œufs 4 cuil. à soupe rasées de sucre semoule 1 cuil. à soupe de sucre cristallisé 1 pincée de sel
Méthode de preparation
- Faites chauffer le four à 200°C, th.7.
- Beurrez un moule à tarte de 24 cm de diamètre ou un plat à gratin.
- Lavez rapidement les cerises, épongez-les et équeutez-les, puis disposez-les dans le moule.
- Faites juste fondre le beurre.
- Tamisez la farine avec le sel dans une terrine et délayez-la peu à peu avec le lait et le beurre fondu.
- Cassez les œufs dans une autre terrine, ajoutez le sucre semoule et battez-les à la fourchette.
- Versez dessus le mélange de farine, de lait et de beurre, à travers un tamis pour éliminer les grumeaux. Mélangez.
- Versez doucement la pâte sur les cerises, mettez le plat au four et faites cuire pendant 40 min.
- Laissez tiédir, puis poudrez avec le sucre cristallisé et servez dans le plat de cuisson.

Ingrédients (nb de personnes : 4)
150g de chapelure 1 cuil. à soupe de graines de fenouil - 6 brins de thym frais 4 cuil. à soupe d'huile d'olive 1 cuil. à soupe de moutarde à l'ancienne 2 cuil. à soupe de lait demi-écrémé 1 rosbif ficelé et non barde de 1,1 kg environ
8 carottes coupées en gros morceaux 3 navets coupés en deux 800 g de pommes de terre à chair ferme coupées en gros morceaux - 6 belles échalotes pelées - 5 cl de porto blanc - sel, poivre
Méthode de preparation
- Préchauffez le four à 190°C (th. 6/7). Mélangez la chapelure avec les graines de fenouil et 2 brins de thym effeuillés dans un bol. Ajoutez 2 cuil. à soupe d'huile d'olive, la moutarde à l'ancienne et le lait. Mélangez jusqu'à obtention d'une pâte épaisse.
- Huilez légèrement un plat à four pouvant aller sur le feu. Mettez-y le rosbif et enrobez-le de la préparation précédente en appuyant bien. Laissez macérer le temps de préparer les légumes.
- Portez à ébullition une grande casserole d'eau. Plongez-y les carottes, les navets et les pommes de terre. Laissez-les cuire 5 min à feu doux, puis égouttez-les et répartissez-les autour du rosbif. Ajoutez les échalotes. Nappez les légumes du reste d'huile d'olive, salez, poivrez et parsemez du reste de thym effeuillé. Versez 10 cl d'eau dans le fond du plat et enfournez pour 40 min (50 à 55 min si vous préférez un rôti bien cuit).
- Disposez le rosbif sur un plat avec les légumes. Couvrez de papier sulfurisé et laissez reposer 15 min.
- Pendant ce temps, posez le plat à four sur feu moyen. Ajoutez le porto et 5 cl d'eau, mélangez en gratant les sucs de cuisson avec une cuillère en bois et laissez réduire quelques minutes. Rectifiez l'assaisonnement et versez dans une saucière.
- Coupez le rosbif en tranches, délicatement pour ne pas trop émietter la croûte de thym. Servez-le entouré de légumes, en présentant la sauce à part.
1. Avant de commencer... 1
Odeur de Neuf 1
Ventilation 1
Sécurité Personnelle 1
Conseils relatifs à l'utilisation de la
Table de Cuisson 2
Entretien de la Cuisinière 3
2. Vue d'ensemble de la cuisinière 4
La Table de Cuisson 4
Gril / Gril coulissant « Glide-out » 8
Fours 9
Fours Conventionnels 9
Élément gratineur 11
Éclairage du Four Principal 11
Éclairage de façade (Hi-LITE seulement) 11
Accessoires 12
Rangement 13
Régler l'horloge 14
Utilisation de Notre Cuisinière à Induction 19
Conseils pour la Cuisson avec Minuterie 19
Conseils Généraux Pour la 10
Cuisson au four 19
5. Nettoyage de la cuisinière 21
Informations importantes 21
Table de Cuisson 21
Nettoyage des Débordements 21
Nettoyage des Déversements Brûlés 21
Gril 22
Panneau de commande et portes 22
Fours 23
Tableau Nettoyage 24
7. Installation 28
Mesures et Règlements de Sécurité 28
Ventilation 28
Emplacement de la cuisinière 28
Positionnement de la Cuisinière 29
Déplacement de la Cuisinière 29
Exécution du Mouvement 30
Repositionnement de la cuisinière après 30
Raccordement 30
Mise à Niveau 30
Raccordement Électrique 31
Vérifications finales 31
Montage final 32
Conseils à la Clientèle 32
Table de Cuisson 33
Four Multifonction 34
9. Fiche technique 38
Raccordements 38
Dimensions 38
Puissances 38
Données d'efficacité du Réchaud 39
Données du Four 40
1. Avant de commencer...
Nous vous remercions d'avoir acheté une cuisinière Falcon. Installée et utilisée correctement, cette cuisinière vous donnera de nombreuses années de service fiable. Il est donc important de lire la présente section avant de commencer, en particulier si vous n'avez jamais utilisé de cuisinière à induction.

ATTENTION: Cet appareil ne doit être utilisé que pour la cuisson. Il ne doit pas être utilisé à d'autres fins, par exemple pour chauffer la pièce. L'utiliser à toute autre fin pourrait invalider toute garantie ou réclamation de responsabilité. En plus d'invalider des réclamations, cela gaspille du combustible et pourrait surchauffer les boutons de contrôle. Installation et Entretien
Son installation doit être conforme aux instructions appropriées des fabricants et satisfaire à la réglementation nationale et locale en vigueur, ainsi qu'aux prescriptions des compagnies d'électricité locales.
Vérifiez que la cuisinière est raccordée à l'alimentation électrique et sous tension.
Demandez à l'installateur de vous indiquer l'emplacement du commutateur de commande de la cuisinière. Notez cet emplacement à des fins de référence.
L'affichage des commandes de la table de cuisson clignotera pendant deux secondes environ à la mise sous tension initiale – ceci est tout à fait normal.
Réglez l'horloge pour permettre le fonctionnement des jours - voir la section appropriée des présentes instructions.
Il est conseillé de faire entretenir cet appareil tous les ans.
La cuisinière doit faire l'objet d'un entretien effectué par un technicien d'entretien qualifié, lequel doit utiliser uniquement des pièces de rechange approuvées.
Laissez toujours la cuisine se refroidir et mettez-la hors tension avant de la nettoyer ou d'effectuer une intervention d'entretien, sauf indication contraire dans les présentes instructions.
Odeur de neuf
Une légère odeur de neuf peut se dégager lors de la première utilisation de la cuisinière. Elle disparaîtra rapidement à l'utilisation.
Avant la première utilisation de l'appareil, assurez-vous qu'il ne reste aucun matériel d'emballage, puis, régalez les fours sur 200°C et faites-les marcher pendant une heure afin d'éliminer l'odeur de neuf. Avant la première utilisation du grill, allumez-le et faites-le marcher pendant 30 minutes, avec la l'échefrite bien en place, et en laissant la porte du grill ouverte.
Veillez à ce que la pièce soit bien ventilée (voir « Ventilation »). Il est recommandé aux personnes souffrant de problèmes respiratoires ou d'allergies de quitter la pièce pendant ce temps.
Ventilation
ATTENTION! L'utilisation d'un appareil de cuisson produit de la chaleur et de l'humidité dans la pièce contenant l'appareil. Par conséquent, veillez à ce que la cuisine soit bien ventilée : laissez les ouvertures de ventilation naturelle ouvertes ou installez une hotte aspirante à évacuation extérieure. En cas d'utilisation simultanée de plusieurs brûleurs ou d'utilisation prolongée de la cuisinière, ouvrez une fenêtre ou mettez en marche une hotte aspirante.
Sécurité personnelle
Si vous êtes porteur d'un stimulateur cardiaque ou d'une pompe à insuline implantable : Les fonctions de la table de cuisson sont conformes aux normes européennes en vigueur relatives à l'interférence électromagnétique. Si vous êtes porteur d'un stimulateur cardiaque ou d'une pompe à insuline implantable et êtes inquiet quant aux risques d'interférence, veuillez demander conseil à votre médecin.
Cet appareil ne DOIT PAS être modifié. Cet appareil peut être utilisé par des enfants âgés de 8 ans et plus, outre par des personnes aux capacités physiques, sensorielles ou mentales réduites ou qui manquent d'expérience et de connaissances à l'égard de l'appareil, à condition d'être surveillés ou d'avoir reçu des instructions claires pour utiliser cet appareil en toute sécurité et d'en comprendre les risques. Les enfants ne doivent pas jouer avec cet appareil. Son nettoyage et son entretien ne doivent pas être effectués par des enfants non supervisés. A VERTISSEMENT: L'appareil et ses pièces accessibles chauffent pendant leur utilisation. Veillez à ne pas toucher les éléments chauffants. Les enfants de moins de 8 ans doivent être gardés à distance à moins qu'ils ne soient constamment surveillés. Éloignez les objets magnétiques (cartes de crédit et de débit, disques informatiques, calculateurs, etc.) de la table de cuisson lorsque celle-ci est en marche. ATTENTION: Un processus de cuisson de longue durée doit être surveillé de temps à autre. Un processus de cuisson de courte durée doit être surveillé en permanence. Risque d'incendie : NE PAS stocker d'objets sur les surfaces de cuisson. Pour éviter toute surchauffe, NE PAS installer la cuisinière derrière une porte décorative. Les parties accessibles de la cuisinière deviennent chaudes lorsque celle-ci est en marche et resteront chaudes même après la cuisson. Pour prévenir les risques de brûlures, ne laissez pas les bébés ni les enfants s'approcher de la cuisinière et ne portez jamais de vêtements amples ou flottants lors de l'utilisation de la cuisinière.
N'UTILISEZ PAS de nettoyeur à vapeur pour nettoyer la cuisinière.
Vérifiez toujours que les commandes sont sur la position Arrêt [OFF] lorsque le four n'est pas en marche et avant de nettoyer la cuisine.
Faites attention lorsque vous touchez les zones de cuisson sur la table de cuisson. Lorsque les jours sont allumés, NE PAS PORTES OUVERTES PLUS LONGTEMPS QUE NECESSAIRE POUR INSERER ETSTEROLER LE CONTENU. Les boutons de commande deviennent chauds, ce qui peut entraîner une défaillance cosmétique. Lors de l'utilisation du grill, veillez à ce que la l'échefrite soit en place et insérée à fond dans l'enceinte du grill, ici pour prévenir le risque de surchauffe des boutons de commande.
Veillez à ce que les matériaux combustibles (rideaux, liquides inflammables, etc.) soient toujours suffisamment éloignés de la cuisine.
N'utilisez PAS d'aérosols à proximité de la cuisinière lorsque celle-ci est en marche.
La cuisson d'aliments à haute teneur en eau peut produire une « bouffée de vapeur » à l'ouverture de la porte du four. Lorsque vous ouvrez la porte du four, reculez-vous et attendez que la vapeur se soit dissipée (Fig. 1.1).
Au besoin, utilisez des gants isolants secs - l'emploi de gants humides risque de causer des brûlures dues à la vapeur lors du contact avec une surface chaude. N'utilisez pas de torchon ou autre chiffon secs à la place d'un gant isolant - ils risquent de s'enflammier au contact d'une surface chaude.
Ne faites jamais fonctionner la cuisinière avec les mains mouillées. Ne pas couvrir les grilles, les panneaux internes, le toit du four ou le fond du four avec du papier aluminium. Ne chauffez jamais des récipients alimentaires qui n'ont pas été ouverts. La pression accumulée à l'intérieur des récipients peut les faire éclater et blesser l'utilisateur. N'utilisez pas des casseroles instables. Tournez toujours les manches des récipients de cuisson vers l'intérieur de la table de cuisson.
Ne laissez jamais la table de cuisson en marche sans surveillance si les brûleurs sont réglés sur maximum. Le débordement des récipients peut produire de la fumée et des taches de gras qui risquent de s'enflammer. Si possible, utilisez un thermomètre à bain de friture pour prévenir une surchauffe de l'huile au-delà du point de fumée.
A AVENTISSEMENT! Tout processus de cuisson non surveilé sur une table de cuisson, à base deGRAisse ou d'huile, peut être dangereux et déclencher un incendie.
Ne laissez jamais une friteuse sans surveillance. Faites toujours chauffer l'huile lentement, en la surveillant. Les friteuses ne doivent être remplies qu'à un tiers de leur capacité. Une friteuse trop pleine peut déborder lorsqu'on y plonge des aliments. Si vous utilisez un mélange d'huile et de graisse pour la friture, mélangez-les avant de chauffer, ou pendant la fonte des graisses.
Les aliments à frire doivent être le plus sec possible. La présence de cristaux de glace sur des aliments congelés ou d'humidité sur des aliments frais peut provoquer une ébullition et un débordement de l'huile. Surveillez attentivement pour prévenir les débordements et la surchauffe pendant la friture à haute ou moyenne température. N'essayez jamais de déplacer un récipient de cuisson contenant de l'huile chaude, en particulier une friteuse. Attendez que l'huile ait refroidi.
Lorsque le grill est en marche, ne vous servez pas de la grille d'évacuation (la grille le long de la partie arrière de la cuisinière) pour réchauffer des assiettes ou des plats, sécher des torchons ou ramollir du beurre.
N'utilisez pas d'eau pour éteindre les incendies dus à la graisse et ne soulevez jamais un récipient de cuisson qui a pris feu. Éteignez la cuisinière et étouffez un récipient qui a pris feu sur une table de cuisson en le recouvrant complètement avec un couvercle de taille appropriée ou une plaque de cuisson. Si possible, utilisez un extincteur à poudre chimique ou à mousse de type polyvalent.
Veillez à prévenir toute infiltration d'eau dans l'appareil.
Cet appareil est lourd; prenez garde lorsqu vous le déplacez.
Conseils relatifs à l'utilisation de la table de cuisson
N'autorisez jamais qui que ce soit à grimper ou se tenir sur la table de cuisson. Ne faites jamais cuire des aliments à même la table de cuisson (Fig. 1.2). Ne découpez pas des aliments sur la table de cuisson.
Ne laissez pas des ustensiles, aliments ou produits combustibles sur la table de cuisson lorsqu'elle n'est pas en service (torchon, ou poêle contenant de l'huile, par exemple).
Ne placez pas des feuilles en plastique ou aluminium ou des récipients en plastique sur la table de cuisson. Ne laissez pas les foyers s'ils ne sont pas utilisés pour la cuisson.
Ne déposez pas d'objets lourds sur la table de cuisson. Même si la surface en vitrocéramique est très résistante, un impact violent ou la chute accidentelle d'un objet sur la surface risque de la fissurer (Fig. 1.3).
Dès l'apparition d'une fissure sur la table de cuisson, mettez immédiatement la cuisinière hors tension et faites-la réparer.
SOULEVEZ toujours les récipients pour les déplacer de la table de cuisson. Ne les faites pas glisser sur la surface, car vous risquez de la marquer et de la rayer (Fig. 1.4). Mettez toujours le bouton de commande sur la position arrêt [Off] avant de déplacer un récipient.
Faire attention lors du placement de couvercles chauds sur la surface de la table de cuisson. Les couvercles qui couvaient des aliments portés à ébullition ou cuisant à la vapeur peuvent « coller » à la surface vitrocéramique. Si cela se produit, NE PAS essayer de soulever le couvercle de la plaque chaude : cela risquerait d'endommager la surface de la table de cuisson. Les objets comme les couvercles de casserole et les éléments avec une base peu épaissie, notamment les bouilloires, peuvent coller à la surface céramique. Dans cette éventualité, peu probable, n'essayez PAS de lever ou d'enlever l'élément pour le retirer. Vous risqueriez ainsi d'endommager aussi bien l'élément que la surface céramique. Retirez les objets en les faisant prudemment glisser jusqu'au périmètre de la plaque. Les dommages occasionnés par un retrait incorrect ne bénéficient d'aucune couverture au titre de la garantie. Attention à ne poser AUCUN objet métallique comme un couteau, une fourchette, une cuillère ou un couvercle sur la plaque chauffante car ils peuvent chauffer. L'appareil n'est pas censé être utilisé avec une minuterie externe ni avec un système de contrôle à distance séparé.
Ne placez rien entre le fond du récipient de cuisson et la surface de cuisson (plaque d'amiant, feuille de papier aluminium ou support de wok, par exemple).
Entretien de la cuisinière
En raison de la condensation de vapeur pendant la cuisson, vous devrez peut-être essuyer (avec un chiffon doux) des gouttelettes d'eau présentes sur la garniture extérieure du four. Cette précaution contribuera également à prévenir les taches et la décoloration de l'extérieur du four dues aux vapeurs de cuisson (Fig. 1.5).





2. Vue d'ensemble de la cuisinière
Fig.2.1
Fig.2.2

Fig.2.3
La cuisinière à induction 110 (Fig.2.1) comprend:
A. 5 foyers de cuisson à induction B. Un panneau de commande C. Un gril séparé ou un gril coulissant (selon le modèle) D. Four conventionnel ou four multifonctions (Programmable, selon le modèle) Tableau 2.1 E. Un four ventilé (Programmable, selon le modèle) F. Un tiroir de rangement
La table de cuisson
Utilisez uniquement des récipients de cuisson conçus pour les tables de cuisson à induction. Nous recommandons l'emploi de récipients de cuisson en acier inoxydable, en acier émaillé ou en fonte à fond émaillé. Certains récipients en acier inoxydable ne conviennent pas pour les tables de cuisson à induction; vérifie soigneusement avant l'achat.
N'utilisez pas de récipients en cuivre, aluminium ou céramique sur les tables de cuisson à induction. Le type de récipient de cuisson utilisé et la quantité d'aliments ont une incidence sur le réglage requis. Pour les quantités d'aliments importantes, utilisez un réglage plus élevé.
Utilisez des récipients de cuisson à fond évasé, lisse et plat (Fig.2.2). Ceci assure un transfert de chaleur optimal entre la table et le récipient de cuisson, et donc une cuisson plus rapide et plus économique. N'utilise jamais de Wok à fond rond, même avec un support.
Les récipients de cuisson les sont ceux qui, à l'état froid, sont très légèrement bombés vers l'intérieur (Fig.2.3). En plaçant une règle sur le fond de ces récipients, on peut constater que la surface est légèrement incurvée vers le milieu. Sous l'effet de la chaleur, le métal se dilate et la totalité du fond du récipient est en contact avec la surface de cuisson.
Veillez à ce que le fond du récipient de cuisson soit propre et sec pour éviter que des résidus alimentaires ne brûlent et n'attachent sur la table de cuisson. Ceci permet également de prévenir les rayures et les dépôts.

Faire attention lors du placement de couvercles chauds sur la surface de la table de cuisson. Les couvercles qui couvraient des aliments portés à ébullition ou cuits à la vapeur peuvent « coller » à la surface vitrocéramique. Si cela se produit, NE PAS essayer de soulever le couvercle de la plaque chaude : cela risquerait d'endommager la surface de la table de cuisson. Il est préférable de faire glisser le couvercle sur le bord de la surface de la table de cuisson et de le retirer délicatement.
Veillez à toujours utiliser des récipients de même taille (ou légèrement plus grands) que le diamètre indiqué sur la surface de cuisson. Utilisez un couvercle sur les récipients de cuisson pour porter à ébullition plus rapidement.

Faites toujours attention avant de toucher la table de cuisson, car, même éteinte, celle-ci peut être encore chaude!
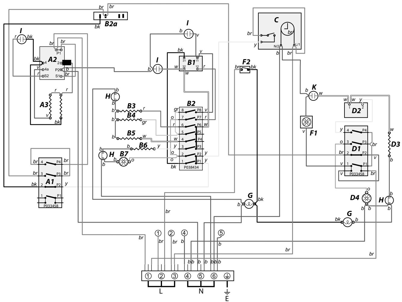
La table de cuisson à induction comprend cinq foyers contenant des éléments à induction de puissances et diamètres différents (Fig.2.4) chacun doté d'un détecteur de récipient et d'un indicateur de chaleur résiduelle, et un affichage des commandes.
L'affichage des commandes de la table de cuisson (Fig.2.5) vous informe sur les fonctions de la table, à l'aide des symboles suivants :
Détection de Réceptacle de Cuisson
Indicateur de Chaleur Résiduelle
Chauffage Automatique
Verrouillage Sécurité Enfants
L1/L2 Réglage Basse Température
P Réglage Haute Puissance
Détection de réceptacle de cuisson,
IMPORTANT : APRÈS usage, éteignez le foyer à l'aide du bouton de commande – NE VOUS FIEZ PAS UNIQUÉMENT à la fonction Détction de récipient de cuisson.
Si un foyer est en marche et qu'il n'y a pas de récipient de cuisson sur celui-ci ou si le récipient est trop petit pour le foyer, la table n'émettra pas de chaleur. Le symbole [u]
Tableau 2.1
| Modèles | Les Fours Programmable |
| Classic | Le four croit |
| Professional+ | Le four croit |
| Toledo | Le four croit |
| Hi-LITE | Le four croit |
| Professional Deluxe | Le four gauche |
| Elan | Le four gauche |
Fig.2.4
| Zone de Cuisson | Diamètre Minimum de pan mm |
| Front de gauche | 120 |
| Arrière gauche | 140 |
| Centre | 180 |
| Arrière droit | 140 |
| Avant droitie | 140 |
Tableau 2.3
| Le Niveau de Puissance | Automatique Temps de Chauffe à 100% (min: sec) |
| 1 | 0:48 |
| 2 | 2:24 |
| 3 | 3:50 |
| 4 | 5:12 |
| 5 | 6:48 |
| 6 | 2:00 |
| 7 | 2:48 |
| 8 | 3:36 |
| 9 |


apparaître sur l'affichage des commandes de la table ; il s'agit du « symbole Absence de-scripteur ». Placez un-scripte de taille appropriée sur le foyer, le symbole [L] disparaîtra et la cuisson pourra commencer. Si, après 10 minutes, il n'y a toujours pas de détention de-scripte, le foyer s'éteindra automatiquement.
Le tableau 2.2 indique les dimensions de récipients minimales recommandées pour chaque foyer.
Remarque: L'utilisation de récipients de diamètres inférieurs aux dimensions recommandées aura pour effet une diminution de la puissance.
Indicateur de chaleur résiduelle, h
Après usage, un foyer restera chaud pendant un certain temps, jusqu'à dissipation totale de la chaleur. Après arrêt d'un foyer, le symbole de l'indicateur de Chaleur Résiduelle [H], apparaîtra sur l'affichage de la table de cuisson. Ceci indique que la température du foyer est supérieure à 60°C et qu'il y a encore un risque de brûlure. Le symbole [H] s'éteint lorsque la température est inférieure à 60°C.
Chauffage automatique, r
Cette fonction est disponible pour tous les foyers de la table de cuisson. Elle permet un chauffage rapide de l'élément du foyer jusqu'à la température de cuisson requise. Lorsque le foyer a atteint la température requise, la puissance diminue automatiquement jusqu'au niveau de puissance sélectionné.
Pour sélectionner cette fonction, tournez le bouton de commande momentanément en sens antihoraire jusqu'à l'affichage du symbole [R] sur l'affichage des commandes de la table de cuisson.
Tournez ensuite le bouton de commande pour le mettre sur le niveau de puissance requis (1 à 9). Le récipient est chauffé à 100% pendant une durée spécifiée, puis au niveau de puissance sélectionné.
Après activation de la fonction Chauffage Automatique, l'affichage des commandes de la table de cuisson clignotera, alternant entre le réglage [R] et le niveau de puissance sélectionné.
À la fin du Chauffage Automatique, l'affichage cessera de clignoter et affichera seulement le niveau de puissance sélectionné.
La fonction Chauffage Automatique peut être désactivée de deux façons : par rotation du bouton de commande pour le remettre sur le réglage de puissance « 0 » ou par rotation du bouton de commande pour le mettre sur le réglage de puissance « 9 »
A titre indicatif, le Tableau 2.3 indique la durée disponible à 100% de puissance, en fonction du niveau de puissance sélectionné en mode Chauffage Automatique.
Verrouillage sécurité enfants, 0
IMPORTANT : Cette fonction ne peut être activée que lorsque tous les foyers sont éteints.
La table de cuisson peut être verrouillée pour empêcher son utilisation accidentelle par des enfants.
Pour verrouiller la table de cuisson, activez puis désactivez une des commandes de la table pour permettre en marche l'affichage de la table, puis tournez simultanément les deux commandes à induction arrière externes en sens antihoraire (Fig. 2.6) jusqu'à l'affichage du symbole sur l'affichage des commandes de la table de cuisson pour tous les foyers (Fig. 2.7).
Remarque: Le symbole [R] clignotera lors du verrouillage de la plaque - cet affichage est normal.
Le fait de verrouiller la plaque n'attache PAS le four; vous pouvez toujours les utiliser.
Pour déverrouiller la sécurité de la plaque, tournez simultanément les deux boutons de gauche dans le sens antihoraire et maintenez la position jusqu'à ce que le symbole au centre de l'écran de commande de la plaque s'éteigne.

Cette fonction doit être utilisée exclusivement pour le chauffage à froid.
Chaque foyer est équipée de 2 réglages basse température :
- L1 maintiendra une température d'environ 40°C - parfait pour faire fondre du beurre ou du chocolat tout doucement.
- L² maintiendra une température d'environ 90°C – parfait pour mischiefer (porter la casserole à ébullition puis sélectionner L² pour laisser mischiefer les soupes, les sauces, les ragôts, etc.).
La durée maximale d'utilisation de ce réglage est de 2 heures, après quoi la table de cuisson s'éteindra automatiquement. Si nécessaire, vous pouvez redémarrer immédiatement la fonction Basse température en reactivant L1 ou L2. Pour augmenter la température, tourner le bouton jusqu'au réglage souhaité.
Les durées maximales pour tous les autres niveaux électriques sont indiquées dans le Tableau 2-4.
Réglage haute puissance, p
Toutes les zones de cuisine à induction ont une fonction Haute Puissance activable en tournant le bouton de commande dans le sens des aiguilles d'une montre jusqu'à ce que [P] apparaisse sur l'écran de contrôle de la plaque de cuisine.
La fonction Haute Puissance met à disposition plus de puissance pour chaque zone de cuisine. Ceci est utile pour faire bouillir rapidement le contenu d'une grande casserole d'eau. La fonction Haute Puissance fonctionne pendant 10 minutes maximum sur chaque zone, après quoi, la puissance est automatiquement réduite au degré 9.
Pendant l'utilisation de la fonction Haute Puissance, les zones de cuisine fonctionnent par paires. Fig. 2.8 montre la
| Niveau de Puissance | Durée Maximale d'Opération |
| L1 et L2 | 2 heures |
| 1 | 6 heures |
| 2 | 6 heures |
| 3 | 5 heures |
| 4 | 5 heures |
| 5 | 4 heures |
| 6 | 1.5 heures |
| 7 | 1.5 heures |
| 8 | 1.5 heures |
| 9 | 1.5 heures |
| Haute puissance | 10 minutes |
Tableau 2.4
Fig.2.9
Fig.2.10
Fig.2.11
Fig.2.12
Tableau 2.5
| Fonction | Utilisation |
| Décongélation | Décongélation de petites quantités d'aliments dans le four sans chaleur |
| Four ventilé | Fonction de cuisson complète, chaleur uniforme; idéale pour la pâtisserie |
| Gril ventilé | Gril des viandes et poissons, avec porte du grill fermée |
| Four ventilé mixte | Fonction de cuisson complète; parfaite pour les rôts et la pâtisserie |
| Four conventionnel | Fonction de cuisson complète pour les rôts et la pâtisserie dans la partie inférieure du four |
| Élement gratineur | Pour gratiner les plats recouverts de fromage |
| Chaleur inférieure | Pour dorer les fonds de quiches, pizzas ou pâtisseries |
disposition de la plaque de cuisson. Les foyers A et B sont reliées entre elles comme le sont les foyers C, D et E.
Ceci signifie que, si vous utilisez la zone A en mode haute puissance puis la zone B, la puissance de la zone A sera légèrement réduite. Le deuxième élément à être mis en mode Haute Puissance est prioritaire. Il en est de même pour les zones C, D et E.

La fonction haute puissance peut être désactivée en tournant le bouton sur un réglage plus bas.
Fonction de surchauffe
Cette fonction détecte l'augmentation rapide de la température du réseau de cuisson et maintient cette température à un niveau sûr. Elle ne génère pas la cuisson normale.
Les batteries de cuisine avec des socles qui se déforment (Fig. 2.2) lorsqu'ils sont chauds, peuvent interférer avec le fonctionnement de la Fonction Chauffe. Cela peut endommager votre batterie de cuisine ou la plaque à induction en verre.

Veillez à ne pas laisser la table de cuisson en marche sans surveillance. Veillez à ne pas laisser les récipients de cuisson fonctionner à sec après ébullition. Des dommages peuvent être causés à votre batterie de cuisine et à votre plaque à induction en verre.
Veuillez lire attentivement et suivre scrupuleusement les instructions du fabricant avant d'utiliser votre batterie de cuisine sur votre plaque à induction.
Gril / gril coulissant « glide-out

ATTENTION: Cet appareil est destiné à la cuisson uniquement. Il ne doit pas être employé à d'autres fins, comme chauffer une pièce par exemple.

ATTENTION! Des composants accessibles risquent de devenir chauds pendant l'utilisation du grill. Éloignez les enfants de la cuisinière.
Ouvrez la porte du grill et tirez la lèchefrite (Fig. 2.9) ou le support de grill (Fig. 2.10) vers vous à l'aide de la poignée.
Le grill a deux éléments qui permettent de chauffer la totalité de la lèchefrite ou seulement la partie droite de cette-ci.
Tournez le bouton de commande pour régler la chaleur du grill. Pour un chauffage total, tournez le bouton en sens horaire (Fig.2.11).
Pour le chauffage de la partie droite, tournez le bouton en sens antihoraire. Le voyant à côté de la commande du grill s'allumera.
Pour des résultats optimaux, faire rentrer le chariot dans la chambre du grill et préchauffer la/les partie(s) appropriée(s) du grill pendant deux minutes. Vous pouvez retirer la grille de la lèchefrite et y déposer les aliments pendant le préchauffage.
NE LAISSEZ PAS LE GRIL EN MARCHE pendant plus de quelques instants si la lèchefrite n'est pas en place sous le grill, ceci pour prévenir le risque de surchauffe des boutons de commande.
Après préchauffage, retirez le support du grill de l'enceinte du grill. Replacez la lèchefrite et réinsérez le support du grill dans l'enceinte du grill. Vérifiez qu'il est bien inséré.
La grille de la l'échefrite est réversible pour permettre deux positions de grill (Fig. 2.12).
Ne fermez jamais la porte du grill lorsque celui-ci est en marche.
Fours
L'horloge doit être réglée sur l'heure pour que le four principal (four calculable gauche) puisse fonctionner. Voir les instructions de la section « Horloge » pour le réglage de l'heure.
Remarque - Les références au four gauche et droit s'entendent vue de l'avant.
Le four gauche est soit un four multifonctions ou conventionnel, alors que le four de droite est un four à chaleur tournante (programmable sur certains modèles).
Fours conventionnel
Un four conventionnel doté de deux éléments chauffants, l’un visible dans la voûte du four, et l’autre sous la sole du four.
Remarque : Veillez à ne pas toucher l'élément supérieur et le déflecteur de l'élément lors de l'insertion ou du retrait des plats dans le four.
L'élément supérieur exposé risquant de cuire certains aliments trop rapidement, nous vous recommandons de placer les aliments dans la partie inférieure du four. Vous devrez peut-être aussi diminuer la température du four. Des aliments semblables cuits à l'intérieur devront être intervertis pour cuire uniformément.
Four multifonction
Les fours multifonctions ont un ventilateur et un élément de four ventilé, ainsi que deux éléments chauffants supplémentaires. Un élément est dans la voûte du four et l'autre sous la sole du four.
Remarque : Veillez à ne pas toucher l'élément supérieur et le déflecteur de l'élément lors de l'insertion ou du retrait des plats dans le four.
Le four multifonctions a trois fonctions de cuisson principales : cuisson ventilée, cuisson ventilée mixte et cuisson conventionnelle. Utilisez ces fonctions pour effectuer l'essentiel de la cuisson.
L'élément gratineur et la chaleur inférieure peuvent être utilisés en fin de cuisson pour finir certains plats.
Utilisez les fonctions grill ventilé pour la cuisson au grill et décongélation pour décongeler de petites quantités d'aliments surgelés.
Le Tableau 2.5 récapitule les modes multifonctions. Le four
Les multifonctions permettent de nombreuses utilisations variées. Nous vous conseillons de bien surveiller la cuisson jusqu'à ce que vous soyez familiarisé avec chaque fonction. N'oubliez pas : toutes les fonctions ne conviennent pas à tous les types d'aliments.
Fonctions du four multifonctions réponse rapide (professional deluxe)
Le réglage Réponse Rapide permet un préchauffage ultrarapide du four. Il utilise l'élément du four ventilé et la chaleur supplémentaire d'un des
éléments de la voûte du four. Les fours ventilés préchauffent rapidement, mais la fonction Réponse Rapide accélère le préchauffage pour vous permettre de commencer la cuisson plus rapidement.
Pour utiliser la fonction Réponse Rapide, il suffit de tourner le bouton de commande de fonction sur R et de régler à la température requise. Le voyant sur le panneau de commande à côté du symbole R s'allumera.
Lorsque le four atteint la température requise, l'élement supérieur s'éteint et le témoin s'éteint.
La température du four est ensuite maintenue par l'élément et par le ventilateur du four ventilé.
Si vous choisissez de placer des aliments dans le four froid avant la cuisson tout en utilisant la fonction Réponse Rapide, veillez à ce que les gâteaux, etc. ne soient pas placés trop haut dans le four.
Four ventile
Cette fonction commande le ventilateur et l'élément chauffant autour de celui-ci. Une chaleur uniforme est produite partout dans le four, ce qui permet la cuisson rapide de grandes quantités d'aliments.
La cuisson par four ventilé est particulièrement utile pour la cuisson simultanée d'aliments sur plusieurs grilles et est une excellente fonction « polyvalente ». Vous devrez peut-être diminuer la température de 10°C environ pour des plats que vous aviez l'habitude de cuire dans un four conventionnel.
Si vous souhaitez préchauffer le four, attendez que le voyant s'éteigne avant de mettre le plat au four.
Gril ventile
Cette fonction commande le ventilateur pendant que l'élément chauffant supérieur est en marche. On obtient ainsi une chaleur plus uniforme, moins intense que celle d'un grill conventionnel. Pour obtenir les meilleurs résultats possibles, placez les aliments à griller sur une grille sur un plat à roi qui doit être plus petit que l'échelle du grill conventionnel. Ceci assure une meilleure circulation de l'air. Ce type de cuisson est idéal pour les morceaux de viande ou de poisson épais, car la circulation de l'air diminue l'intensité de la chaleur du grill.
La porte du four doit être fermée pendant la cuisson au grill pour éviter un gaspillage d'énergie.
Vous constaterez que vous devrez moins surveiller et tourner les aliments cuits de cette façon. Ce type de cuisson nécessite un préchauffage du four.
Pour obtenir les meilleurs résultats, nous vous commandons de ne pas placer le plateau du grill sur la grille la plus élevée.
Four ventilé mixte

Cette fonction commande le ventilateur et brasse l'air chaudé par les éléments chauffants de la voûte et de la sole du four. Cette fonction, qui combine la cuisson
ventilée et la cuisson conventionnelle (Chaleur Supérieure et Inférieure), est un moyen de cuisson idéal pour les aliments volumineux (gros rôti, par exemple) pour lesquels une cuisson complète est très importante.
On peut également faire cuire des plats simultanément sur deux grilles, mais les plats devront être intervertis pendant la cuisson, car, avec cette fonction, la chaleur est plus intense dans la voûte du four qu'au niveau de la sole.
Ce mode de cuisson est intensif et rapide ; surveillez les aliments cuits de Lacke jusqu'à ce que vous soyez familiarisé avec cette fonction.
Four conventionnel (chaleur de voute et de sole)

Cette fonction combine la chaleur fournie par les éléments supérieurs et inférieurs. Elle est particulièrement utile pour la cuisson d'aliments rôtis.
et des pâtes à tartes, gâteaux et biscuits.
Les aliments cuits sur la grille supérieure gratineront et doreront plus rapidement que ceux placés sur la grille inférieure car la chaleur est plus intense dans la voute du four qu'au niveau de la sole, comme dans le cas de la fonction « Four Ventile Mixte ». Des aliments similaires cuits de la sorte devront être intervertis pour cuire uniformément. Cette fonction permet donc de cuire des aliments nécessitant des températures de cuisson différentes, en utilisant la partie moins chaude dans la partie inférieure du four et la partie plus chaude dans la partie supérieure du four.
L'élement supérieur exposé risquant de cuire certains alimentents trop rapidement, nous vous recommandons de placer les alimentents dans la partie inférieure du four. Vous devrez peut-être aussi diminuer la température du four.
Des aliments semblables cuits à l'intérieur devront être intervertis pour cuire uniformément.
Élément gratineur

Cette fonction utilise uniquement l'élément situé dans la voûte du four. C'est une fonction utile pour gratiner ou finir des gratins de pâtes, des légumes en
sauce et des lasagnes, le plat à gratiner étant déjà chaud avant la mise en marche de l'élément supérieur.
Chaleur inférieure

Cette fonction utilise uniquement l'élément inférieur. Elle permettra de dorer le fond de votre pizza ou de votre quiche ou de terminer la cuisson d'un fond de
tarte sur une grille inférieure. C'est également une chaleur douce, parfaite pour le mijotage de plats placés au milieu du four ou pour réchauffer des assiettes.
Les fonctions Élément Gratineur et Chaleur Inférieure sont des adjonctions utiles à votre four et vous permettent de finir vos plats à la perfection. Vous constaterez rapidement que leur utilisation contribue à étendre vos compétences culinaires.
Décongélation

Avec cette fonction, le ventilateur du four brasse uniquement de l'air froid. Assurez-vous que la commande de température est réglée sur et
qu'aucune chaleur n'est appliquée. Cette fonction permet de décongeler des aliments, en petites quantités, par exemple des desserts, gâteaux à la crème, morceaux de viande, poisson et volaille.
Ce type de décongélation accélère le processus de décongélation et protège les aliments des mouches. Placez les morceaux de viande, poisson et volaille sur une grille, au-dessus d'une plaque prévue pour l'égouttement. N'oubliez pas de nettoyer la grille et la plaque après décongélation.
La porte du four doit être fermée pendant la décongélation.
Des aliments plus volumineux, tels que des poulets entiers et des rôts, ne doivent pas être décongelés de cette façon. Nous vous conseillons de les décongeler au réfrigérateur.
Ne décongelez pas des alimentés dans un four tiède ou à côté d'un four en marche ou encore chaud.
Vérifiez que les alimentés à base de produits laitiers, de viande et de volaille sont complètement décongelés avant de les cuire.
Four ventilé
Un four ventilé qui fait circuler de l'air chaud en continu, ce qui permet une cuisson rapide et plus constante.
En général, les températures de cuisson recommandées pour un four ventilé sont plus basses que celles pour un four conventionnel.
N'oubliez pas : Toutes les cuisinières sont différentes - les températures de vos nouveaux fours peuvent être différentes de celles de votre ancienne cuisinière.
Fonctionnement du four four multifonctions
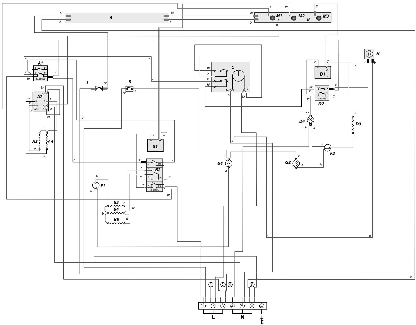
Le four multifonctions est doté de deux commandes, un sélecteur de fonction et un bouton de réglage de température (Fig.2.13).
Tournez le sélecteur de fonction pour le mettre sur une fonction de cuisson. Mettez le bouton de réglage de température du four sur la température requise (Fig.2.14).
Le voyant du four restera allumé jusqu'à ce que le four atteigne la température requise (Fig.2.15). Il s'allumera et s'éteindra pendant la cuisson pendant que le thermostat du four maintient la température requise.
Four conventionnel et four ventilé
Mettez le bouton du four sur la température requise (Fig.2.14).
Le voyant du four restera allumé jusqu'à ce que le four atteigne la température requise (Fig.2.15). Il s'allumera et s'éteindra pendant la cuisson.
Élément gratineur
L'élément gratineur est situé dans la partie supérieure du four gauche. Il peut être utilisé à la fin de la période de cuisson normale pour gratiner davantage un gratin ou dorer une viande.
Lorsque la cuisson normale est terminée, tournez le bouton de thermostat du four gauche en sens horaire pour le mettre sur la position de gratinage, indiquée par le ( ) (symbole Gratinage) sur le panneau de commande.
Lorsque le bouton de thermostat est sur cette position, seul l'objet gratineur fonctionnera. Les éléments chauffants supérieurs et inférieurs s’arrêtent automatiquement.
Eclairage du four principal
Appuyez sur le bouton approprié pour allumer l'éclairage du four (Fig. 2.16).
Si l'éclairage est défectueux, mettez la cuisinière hors tension avant de changer l'ampoule. Pour des informations détaillées sur la façon de changer une ampoule de four, reportez-vous à la section « Dépannage ».
Éclairage de façade (Hi-Lite seulement)
Pour allumer le panneau d'éclairage de façade, appuyez simplement sur le bouton dans (Fig.2.17). Pour arrêter cette fonction, appuyez à nouveau sur le bouton.





Fig.2.18
Fig.2.19
Fig.2.20
Fig.2.21
Fig.2.22
Fig.2.23
Fig.2.24
Grilles de four
Les grilles de four (Fig.2.18) sont retenues lorsqu'elles sont tirées vers l'avant mais elles peuvent aisément être enlevées et remises.
Tirez la grille vers l'avant jusqu'à ce que l'arrière de la grille soit arrêté par les butées d'arrêt latérales du four (Fig.2.19).
Soulevez l'avant de la grille pour faire passer l'arrière de la grille sous la butée d'arrêt, puis tirez la grille vers l'avant (Fig.2.20).
Pour remettre la grille en place, mettez la grille à niveau avec une glissière latérale du four, puis insérez la grille à fond jusqu'à ce que les extrémités soient en contact avec la butée d'arrêt de la grille. Soulevez l'avant de la grille pour que les extrémités dépassent les butées, puis abaissez l'avant pour permettre la grille à l'horizontal, avant de l'insérer à fond (Fig.2.21).
Handyrack (elan, hi-lite et professional deluxe)
Le Handyrack (Fig. 2.22) se monte uniquement sur la porte du four gauche. Il est facile de surveiller les aliments faisant ainsi car vous pouvez y acceder lorsque la porte est ouverte.
Le Handyrack peut supporter un poids maximum de 5,5 kg. Il ne doit être utilisé qu'avec le plat à rôtir fourni, qui est spécialement conçu pour être utilisé avec le Handyrack. Tout autre récipient de cuisson risque d'être instable.
Vous pouvez le monter sur deux positions. Retirez une des grilles et placez l'autre selon les besoins.
Lorsque le Handyrack est utilisé sur sa position supérieure, d'autres plats peuvent être cuits sur une grille placée à la position inférieure ou placée directement sur la sole du four.
Lorsque le Handyrack est utilisé sur sa position inférieure, d'autres plats peuvent être cuits sur une grille placée à la deuxième position du four ou directement sur la sole du four.
Pour monter le Handyrack, placez un côté sur le support de la porte (Fig.2.23).
Extraire l'autre côté pour l'accrocher sur l'autre support (Fig.2.24).
Rangement
Le tiroir inférieur permet le rangement des plaques de cuisson et autres ustensiles de cuisine. Il peut dérrire très chaud; n'y rangez pas des objets susceptibles de fondre ou de s'enflammer.
Les produits inflammables risquent d'exploser et de causer des incendies et des dommages matériaux.
Retrait du tiroir
Pour retirer le tiroir, tirez vers l'avant (Fig.2.25).
Poussez les extrémités des attaches en plastique - vers le bas du côté gauche et vers le haut du côté droit - pour relâcher les taquets qui retiennent le tiroir sur les rails latéraux (Fig.2.26). En même temps, tirez le tiroir hors des rails latéraux.
Pour sécurité, repoussez les glissières du tiroir.
Pour installer le tiroir de rangement
Faites soigneusement glisser le tiroir dans la cavité.
Faites glisser les rails latéraux jusqu'à ce qu'ils soient complètement étendus (Fig.2.27).
Levez le tiroir sur les côtés et placez l'un des rails du tiroir (environ 15 mm) sur l'un des rails latéraux à l'intérieur (Fig.2.28).
Tournez le tiroir pour placer le rail restant du tiroir sur le rail lateral opposé à l'intérieur.
Faites soigneusement glisser le tiroir dans la cavité. Vous desserrerez éventuellement une certaine résistance alors que le tiroir se place entièrement sur les rails latéraux à l'intérieur.




Fig. 2.1 Fig. 2.2

Fig. 2.3
Fig. 2.4
Horloge
L'horloge doit être réglée sur l'heure actuelle pour que les jours puissent fonctionner.
Réglage de l'heure
- Une fois que la cuisine est connectée et allumée, l'affichage se met à clignoter.
- Pour régler l'heure, placez le bouton du Programmateur (A) sur la position Horloge (C) et revenez à la position Manuel (D). Le point central clignote indiquant que l'heure peut être réglée. Tournez le bouton de Réglage (B) dans le sens horaire ou anti-horaire (Fig. 2.1) pour régler l'heure.
- Une fois l'heure réglée, attendez que le point central cesse de clignoter, l'heure est maintenant paramétrée.
Régler le rappel de minute
Le rappel de minute (E) est une fonctionnalité qui permet de définir un certain nombre de minutes et qui déclenche une alarme une fois la durée spécifique écoulée.
- Tournez le bouton de Réglage (B) pour définir la durée souhaitée. La durée minimum est d'une (1) minute (Fig. 2.3).
- Replacez le bouton du Programmateur (A) en position Manuel (D) pour afficher l'heure actuelle et le symbole de la « Cloche » sur l'écran.
Annuler l'alarme de la minuterie
Une fois la durée spécifiée écoulée, une alarme est émise. Il existe deux façons d'annuler l'alarme:
- Tournez le bouton de réglage (B) dans le sens antihoraire ou horaire (Fig. 2.4).
- Avec le bouton de la minuterie (A), Sélectionnez soit l'horloge (C) ou le réglage du rappel de minute (E). Retournez sur le réglage manuel (D) pour le mode de cuisson normal (Fig. 2.4).
REMARQUE Si l'alarme n'est pas désactivée manuellement, elle s'arrête après 2 minutes environ. Lorsque la minuterie est active, l'intensité d'affichage de l'horloge ne diminue pas entre 22 heures et 6 heures.
Pour arrêter le four multifonction à une heure spécifique de la journée
Vous avez réglé la température et le mode de fonctionnement requis pour le four multifonction et vous souhaitez arrêter automatiquement le four multifonction.
Conseil
Notez l'heure actuelle afin de ne pas l'oublier.
- Tournez le bouton de la minuterie (A) sur le réglage Heure d'arrêt (G). « AUTO » s'affiche à l'écran (Fig. 2.5).
- Tournez le bouton de Réglage (B) pour définir la durée de cuisson souhaitée. L'écran affiche l'heure en cours, plus la durée de cuisson supplémentaire que vous avez définie (Fig. 2.6).
- Tournez le bouton de la minuterie (A) sur le réglage Auto (H) (Fig. 2.27). L'affichage indique alors l'heure actuelle, le symbole Cuisson et le mot « AUTO ».
- Une fois la durée spécifique écoulée, une alarme est émise et le four multifonction s'arrête de fonctionner. Le symbole « Cuisson » disparaît de l'affichage et le mot « AUTO » se met à clignoter (Fig. 2.8).
- Lors de votre retour, replacez le bouton du Programmateur (A) sur la position Manuel (D) pour revenir au mode de cuisson manuel (Fig. 2.8).
Vous pouvez vérifier la durée restante à courir en plaçant le bouton du Programmateur (A) de Auto (H) à Heure d'arrêt (G) et en revenant sur AUTO (H).











Mise en marche et arrêt du four avec minuterie
Il est possible d’allumer et d’arrêter automatiquement le four multifonction en définissant la durée de la cuisson et l’heure de l’arrêt. Cela vous permet de faire cuire vos plats tout en étant absent. Il n’est pas possible de définir l’heure d’allumage effective.
- Tournez le bouton de la minuterie (A) sur le réglage du temps de cuisson (F). Tournez le bouton de réglage (B) dans le sens horaire afin de définir la durée du temps de cuisson requis (Fig. 2.9).
- Tournez le bouton de la minuterie (A) sur le réglage Heure d'arrêt (G) (Fig. 2.10). L'affichage indique alors l'heure actuelle plus le temps de cuisson que vous avez sélectionné.
- Tournez le bouton Réglage (B) pour régler l'heure à laquelle vous souhaitez que votre four s’arrête (Fig. 2.11).
- Réglez le four à la température de cuisson et au mode de fonctionnement désirés.
- Tournez le bouton du Programmateur (A) sur la position Auto (H) (Fig. 2.12). Si l'écran affiche l'heure en cours et AUTO, cela indique qu'une programmation a été définie (heure d'allumage et heures d'extinction).
- Lorsque le programme démarre, le symbole de cuisson apparait à l'écran. Une fois la durée écoulée, une alarme retentit et le four multifonction cesse de fonctionner. Le symbole de Cuisson disparait et le mot AUTO clignote (Fig. 2.13).
- Une fois la durée spécifiée écoulée, une alarme est émise. Deux manières permettent d'annuler l'alarme, veuillez vous référer à la section Annuler l'alarme de la minuterie à la page 16
Le « temps de cuisson », c'est-à-dire la durée pendant laquelle vous pouvez que le four fonctionne. « L'heure d'arrêt », c'est-à-dire l'heure à laquelle vous pouvez que le four s'arrête.
Retourner au mode de cuisson manuel
Pour annuler tous les réglages automatiques, tournez le bouton de la minuterie (A) pour sélectionner le réglage de l'horloge (C) (Fig. 2.14).
Remarque : Cette opération annule tous les paramètres du programme automatique, mais n'arrête pas la minuterie.
Réglage de la tonalité du bip sonore
La tonalité du bip sonore peut être réglée sur trois niveaux différents.
Tournez le bouton du Programmateur (A) sur la position Horloge (C). Tournez le bouton Réglage (B) dans le sens antihoraire jusqu'à ce que les barres de volume s'affichent (Fig. 2.15).
Pour régler le volume de l'alarme, relâchez le bouton Réglage (B) et tournez à nouveau dans le sens antihoraire (Fig. 2.16). Le volume de l'alarme change. Répétez ces étapes jusqu'à ce que le volume souhaité soit défini.
Horloge
Vous pouvez utiliser l'horloge (Fig.2.17) pour mettre en marche et éteindre les fours. L'horloge doit être réglée sur l'heure actuelle pour que les fours puissent fonctionner.
Tableau 2.1 décrit les symboles qui s'affichent sur l'écran numérique.
Réglage de l'heure
Lorsque la cuisinière est branchée pour la première fois au secteur, ou en cas de panne de courant prolongée, l'affichage de l'horloge clignote sur [0.00] et [AUTO].
Pendant le processus de réglage de l'heure, le point du milieu clignote. Une fois le processus terminé, le point s'arrête de clignoter et le symbole [+] s'affiche.
L'heure de la journée peut être réglée de deux manières :
- Appuyez sur le bouton [□] et maintenez-le enfoncé. Appuyez maintenant sur les boutons [+] ou [-] pour augmenter ou diminuer l'heure (Fig.2.18). Le fait de maintenir les boutons [+] ou [-] enfoncés pendant plus de 2 secondes permettra de faire avancer ou reculer l'heure rapidement. Relâchez les boutons pour régler l'heure de la journée.
- Appuyez en continu sur les boutons [+] ou [-] (Fig.2.19). En même temps, appuyez sur (-) ou (+) jusqu'à l'affichage du temps de cuisson requis.
N'oubliez pas qu'il s'agit d'une horloge 24 heures.
Si vous faites une erreur ou si vous vous trompez de bouton, mettez l'appareil hors tension pendant une ou deux minutes, puis recommencez la procédure.
Réduction automatique de l'intensité lumineuse
À condition qu'aucun programme automatique ne soit paramétré et que le minuteur ne soit pas actif, l'intensité lumineuse de l'horloge sera automatiquement réduite entre 22h00 et 06h00.
Minuterie
Appuyez sans relâcher sur la minuterie [D] (Fig. 2.20). En même temps, appuyez sur (-) ou (+) jusqu'à l'affichage du temps de cuisson requis (Fig. 2.21).
Vous pouvez vérifier la durée restante en appuyant sur []. Lorsque le bip sonore retentit, annulez-le en appuyant sur n'importe quel bouton.
Le « temps de cuisson », c'est-à-dire la durée pendant laquelle vous pouvez que le four fonctionne. L'heure d'arrêt «, c'est-à-dire l'heure à laquelle vous pouvez que le four s'arrête.
Régler une durée de cuisson
Appuyez sans relâcher sur le bouton Temps de cuisson [®,] (Fig.2.22). En même temps, appuyez sur (-) ou (+) jusqu'à l'affichage du temps de cuisson requis. L'horloge contrôle à présent la période de cuisson de votre ou vos four(s). Le symbole [®,] et [AUTO] s'afficheront.
Fig.2.17 0.00 A-Minuterie, B-Temps de cuisson, C-L'heure d'arrêt D-Manuel, E&F-Boutons d'arrangement de temps
Tableau 2.1
| Symbole | Fonction | Notes |
| [♀] | Le minuteur est actif | |
| [♂] | Le(s) four(s) peuvent être utilisés | Si le symbole « cuisson » [♀] ne s'affiche pas : • le programme est terminé et le(s) four(s) ne sont pas opérationnels • le(s) four(s) sont commandés par un programme automatique qui n'a pas démarré |
| [AUTO] | Le(s) four(s) sont commandés en mode semi-automatique ou automatique | |
| [P] | Le mode d'auto-nettoyage (par pyrolyse) a été activé | Votre cuisinière n'est peut-être pas dotée de cette fonction de pyrolyse |
| [dot] | Clignote lors du réglage de l'heure de la journée |












Tableau 2.2
| Symbole | Fonction | Notes |
| [ ] | Règle le minuteur | Utilisé avec les boutons [+] et [-] |
| [ ] | Règle la durée / le temps de cuisson | Utilisé avec les boutons [+] et [-] |
| [ ] | Règle l'heure de fin / d'arrêt de la cuisson | Utilisé avec les boutons [+] et [-] |
| [ ] or [ ] & [ ] | Permet de régler l'heure de la journée lorsque le mode « AUTO » n'est pas actif | Utilisé avec les boutons [+] et [-] |
| [ ] | Réinitialise la commande de cuisson en mode manuel | |
| [-] | Diminue l'intervalle de temps | Un réglage rapide est obtenu en maintainant ce bouton enforcé |
| [+] | Augmente l'intervalle de temps | Un réglage rapide est obtenu en maintainant ce bouton enforcé |
| [+] & [ -] | Efface tous les programmes « AUTO » et du minutesur |
Une fois la période de cuisson terminée, le bip sonore retentit et le symbole [AUTO] clignote. Tournez le bouton de commande du four sur 0, puis appuyez sur n'importe quel bouton pour arrêter le bip sonore. Appuyez sur [] pour revenir en mode de cuisson manuelle.
Régler une heure de fin de cuisson
Appuyez sans relâcher sur le bouton Heure d'arrêt (E), (Fig.2.23). En même temps, appuyez sur (-) ou (+) jusqu'à « l'heure d'arrêt » s'affiche (Fig.2.24). Le symbole [+] et [AUTO] s'afficheront.
Une fois l'heure d'arrêt atteinte, le bip sonore retentit et le symbole [AUTO] clignote. Tournez le bouton de commande du four sur 0, puis appuyez sur n'importe quel bouton pour arrêter le bip sonore. Appuyez sur [ ] pour revenir en mode de cuisson manuelle.
Mise en marche et arrêt du four avec minuterie
Avant de régler la minuterie, CHOISISsez le « temps de cuisson », et « l'heure d'arrêt »
Remarque : Vous ne pouvez pas régler directement une heure de mise en marche – celle-ci est réglée automatiquement lors de la sélection du « temps de cuisson » et de « l'heure d'arrêt ».
Appuyez sans relâcher sur le bouton Temps de cuisson [®], (Fig.2.25). En même temps, appuyez sur (-) ou (+) jusqu'à l'affichage du temps de cuisson requis (Fig.2.26).
Appuyez sans relâcher sur le bouton Heure d'arrêt [□], (Fig.2.27). En même temps, appuyez sur (-) ou (+) jusqu'à « l'heure d'arrêt » s'affiche (Fig.2.28). Relâchez les boutons.
AUTO sera affiché (Fig.2.29).
Réglez le ou les four(s) à la température souhaitée. Une fois la cuisson terminée, [AUTO] clignote et le bip sonore retentit. Tournez le ou les bouton(s) du four à la position OFF en premier, puis appuyez une fois sur n'importe quel bouton pour arrêter le bip sonore ; appuyez sur le bouton [m] pour revenir en mode de cuisson manuelle.
Si vous êtes absent pendant la cuisson, ne vous inquiétez pas au sujet de l'arrêt du signal sonore, celui-ci s'arrête après un certain temps. À votre retour, mettez d'abord le bouton de commande du four sur 0, puis appuyez deux fois sur [ ] pour revenir au fonctionnement manuel.
AUTO est affiché, et vous voulez remettre le four sur fonctionnement manuel
Pour revenir en mode de cuisson manuelle à partir d'un réglage automatique, appuyez simultanément sur les boutons [+] et [-]. Le programme automatique sera ainsi effacé et vous reviendrez en mode manuel.
Cette action effacera également le réglage [Minuteur].
Pour obtenir une vue d'ensemble des fonctions, reportez-vous au Tableau 2.2.
Utilisation de notre cuisinière à induction
Si vous n'avez jamais utilisé de cuisinière à induction, tenez compte des conseils suivants :
Assurez-vous que les récipients de cuisson que vous possédez ou que vous achetez sont adaptés à la cuisson par induction. L'acier inoxydable, l'acier émaillé ou la fonte sont idéals. Vérifiez une chose avant d'acheter des casseroles : leur fond doit être aimanté - prenez le temps de vous familiariser avec la cuisson à induction qui, bien que douce, est une cuisson rapide et puissante. Lors du mijotage, vous remarquerez peut-être que le mijotage des liquides semble cesser puis reprendre presque immédiatement. Ceci est tout à fait normal. - Vous pourrez entendre un léger bruit de vibration provenant des récipients pendant la cuisson à induction. Ici aussi, ceci est tout à fait normal et dépendra du type et de la forme des récipients utilisés. - Les éléments chauffants à induction s'allument et s'éteignent pendant la cuisson. Même si un foyer en marche semble s'éteindre et s'allumer, une chaleur constante continue d'être fournie au récipient de cuisson – ceci est tout à fait normal.
Conseils pour la cuisson avec minuterie
Si vous désirez cuire plusieurs plats simultanément, CHOISSEZ des plats nécessitant approximativement le même temps de cuisson. Cependant, la cuisson de certains plats peut être légèrement « ralentie » en utilisant des petits plats de cuisson et en les recouvrant d'une feuille de papier aluminium, ou « accélérée » en utilisant de plus petites quantités ou des plats de cuisson plus grands.
Évitez d'utiliser des aliments rapidement périsibles (poisson, porc, etc.) si vous prévoyez une longue période d'attente, surtout par temps chaud.
Ne placez pas des aliments chauds dans le four qui sera utilisé avec la fonction minuterie. N'utilisez pas un four déjà chaud avec la fonction minuterie. N'utilisez pas la fonction minuterie avec un four si le four adjacent est déjà chaud.
Décongelez complètement les volailles entières avant de les mettre au four. Assurez-vous que les viandes et volailles sont bien cuites avant de les servir.
Conseils généaux pour la cuisson au four
Veillez à ce que les grilles soient toujours insérées à fond dans le four.
Placez les plaques de cuisson, plats à rôtir, etc., à niveau, au centre des grilles du four. Placez les autres plats au centre sur les grilles. Éloignez les plaques et les plats de cuisson des bords du four, afin de ne pas trop dorer les aliments.
Pour dorer un plat uniformément, il est recommandé d'utiliser une plaque de cuisson de dimensions maximales de 340mm× 340mm pour le four gauche.
Lorsque le four est en marche, NE laissez PAS la porte du four ouverte plus longtemps que nécessaire, afin dprévenir une surchauffe des boutons de commande.
- Laissez toujours un « doigt de largeur » entre des plats placés sur une grille de four. Ceci afin de faciliter la circulation de chaleur autour des plats. Pour réduire les projections grasses lorsque vous ajoutez des légumes dans la graisse chaude autour d'un roti, séchez soigneusement les légumes ou enduisez-les d'un peu d'huile à friture.
- Placez les plats susceptibles de bouillir et déborder pendant la cuisson sur une plaque de cuisson. Le four produit assez de chaleur pendant la cuisson pour réchauffer des assiettes placées dans l'enceinte du grill. Si vous souhaitez dorer un fond de tarte, préchauffez une plaque de cuisson pendant 15 minutes avant de placer le plat au centre de la plaque.
- Les panneaux internes autonettoyants (voir la section « Nettoyage de la Cuisinière ») sont plus efficaces lorsqu'on évite les projections grasses. Couvrez la viande pendant la cuisson.
4. Cuisson de la table
Les températures du four et les temps de cuisson sont fournis à titre indicatif uniquement. En fonction des goûts de chacun, les températures devront peut-être être modifiées dans un sens ou dans l'autre, pour obtenir les résultats que vous recherchez.
Dans un four ventilé, les plats sont cuits à une température plus basse que dans un four traditionnel. Lorsque vous suivez une recette, réduisez la température indiquée de 10°C et le temps de cuisson de 5-10 minutes. La température dans un four ventilé ne varie pas selon la position dans le four - vous pouvez donc utiliser n'importe quelle grille.
Haut
Centre
Base
Position de la Grille
Température Four
Conventionnel °C
Position
deGrille
Température
Four Ventile °C Temps de Cuisson Approximatif
H-Haut; C-Centre; B-Base
Vande
| Bœuf | 160 | C | 150 | 30-35 minutes par 500g +30-35 minutes. | Farci et roulé - Ajoutezapproximativement 10 minutes/500gaux temps de cuisson ci-dessus oufaites cuire à 200°C pendant 20minutes, puis à 160°C pendant lereste de la cuisson. |
| 200 | C | 190 | 20-25 minutes par 500g +20-25 minutes. | ||
| Agneau | 160 | C | 150 | 30-35 minutes par 500g +30-35 minutes. | |
| 200 | C | 190 | 20-25 minutes par 500g +20-25 minutes. | ||
| Porc | 160 | C | 150 | 35-40 minutes par 500g +35-40 minutes. | |
| 200 | C | 190 | 25-30 minutes par 500g +25-30 minutes. | ||
| Volaille | |||||
| Poulet | 160 | C | 150 | 20-25 minutes par 500g +20-25 minutes. | Volatile farcie - Cuisson à 200°C ouà 200°C pendant 20 minutes, puis à160°C pendant le resté de lacuisson.Préemballée (fraîche ou congelée):Suivre les temps de cuissonindiqués sur l'emballage.Avant la cuisson, decongelezcompletement les rotis et volaillescongeles. |
| 200 | C | 190 | 15-20 minutes par 500g +15-20 minutes. | ||
| Dinde | 160 | C | 150 | 25-30 minutes par 500g +25-30 minutes. | |
| 200 | C | 190 | 20 minutes par 500g +20 minutes. | ||
| Canard | 160 | C | 150 | 25-30 minutes par 500g. | |
| 200 | C | 190 | 20 minutes par 500g. | ||
| Plat braisé | 140-150 | C | 130-140 | 2-4 heures selon la recette. | |
| Poisson | |||||
| 190 | C | 180 | Filet 15-20 minutes. Morceau entier 15-20 minutes par 500g. | ||
| 190 | C | 180 | Morceau entier 10 minutes par 500g +10 minutes. | ||
| 190 | C | 180 | Steaks selon l'épaissur. | Utilisation du four conventionnel :lors de la cuisson sur deux niveaux,laisser au moins un espace entreles plaques. | |
| Gâteau | |||||
| Cake 100% fruits confits | 140 | C/B | 130 | 45-50 minutes par 500g de pâte. | Placer la plaque de pâtisserie avecle bord avant le long de l'avant de lagrille de four.Lors de la cuisson à deux étages,les plaques doivent être inverséesaprès environ la moitié du temps decuisson. |
| Fruits 180mm | 150 | C/B | 140 | 2-2,5 heures. | |
| Fruits 230mm | 150 | C/B | 140 | 3,5 heures. | |
| Gâteau quatre quarts 180mm | 180 | C | 170 | 20-30 minutes. | |
| Desserts | |||||
| Tarte pâté brisée | 200 | C | 190 | 30-40 minutes. | |
| Tourtes aux fruits | 180 | C | 170 | 30-40 minutes permutation après 25 minutes. | |
| Tartelettes | 180 | C | 170 | 15-20 minutes. | Il est possible de cusiner avecjusqu'à trois étages en même tempsdans un four à chaleur tournante,mais assurez-vous de laisser unespace entre chaque grille utiliséepour la cuisson |
| Pâté feuilletée | 220 | C | 210 | 20-40 minutes selon la taille. | |
| Meringues | 100 | C | 90 | 2-2,5 heures selon la taille. | |
| Pain | 220 | C | 210 | 20-30 minutes. | |
Informations importantes
Avant un nettoyage complet, mettez la cuisinière hors tension. Laissez-la refroidir.
N'utilise jamais de solvants pour peinture, de cristaux de soude, de nettoyants caustiques, de poudres biologiques, d'eau de Javel, de nettoyants chlorés, ni de produits abrasifs à gros grain ou de sel. Ne mélangez pas plusieurs produits nettoyants, car ils risquent de réagir entre eux et d'avoir des effets nocifs.
Toutes les parties de la cuisinière peuvent être lavées à l'eau savonneuse chaude, mais veillez à prévenir toute infiltration d'eau dans l'appareil.
N'oubliez pas de remettre sous tension et de régler de nouveau l'horloge avant d'utiliser la cuisinière.
Entretien quotidien
Vérifiez tout d'abord que tous les indicateurs de chaleur résiduelle sont éteints et que la table de cuisson a refroidi. Appliquez une petite quantité de nettoyant semi-liquide pour surface vitrocéramique au centre de chaque zone à nettoyer. À l'aide de papier essuie-tout propre et humide, étalez le produit nettoyant sur la surface de cuisson. Pour finir, essuyez la surface avec du papier essuie-tout propre et sec.
Nettoyage des débordements
En cas de déversement ou débordement accidentel pendant la cuisson, éteignez la cuisinière et essuyez autour de la zone chaude avec du papier essuie-tout propre. Si les aliments renversés (autres qu'une substance sucrée) se trouvent sur une zone chaude de la table de cuisson, attendez que celle-ci ait entièrement refroidi pour nettoyer et suivez les instructions ci-dessous (« Nettoyage des déversements brûlés »).
En cas de fonte accidentelle d'un objet ou de déversement d'aliments à forte teneur en sucre (confiture, sauce tomate, jus de fruit, etc.), ENLEVEZ IMMEDIATEMENT les alimentés déversés à l'aide d'un racloir à lame pendant que la table est encore chaude.
IMPORTANT: Utilisez un gant isolant pour ne pas vous brûler.
Raclez le plus gros des aliments déversés ou de toute matière qui aurait fondu sur la zone de cuisson et poussez-les vers une zone froide. Mettez ensuite la cuisinière sur la position Arrêt [OFF] et laissez-la refroidir avant de continuer le nettoyage. Lorsque la surface de cuisson a refroidi et que les indicateurs de chaleur résiduelle sont éteints, suivez la procédure de nettoyage quotidien décrite plus haut.
Nettoyage des déversements brûlés
Vérifiez que les indicateurs de chaleur résiduelle sont éteints et que la table de cuisson a refroidi. Retirez toute matière brûlée à l'aide d'un racloir à lame simple. Tenez le racloir à un angle d'environ au-dessus de la surface et raclez pour éliminer les dépôts (Fig.5.1).

Fig.5.2
Fig.5.3
Fig.5.4
Fig.5.5
Fig.5.6
Lorsque le plus gros a été enlevé à l'aide du racloir, suivez la procédure de nettoyage quotidien décrite plus haut.
Gril

Avant de démonter des composants du grill pour les nettoyer, assurez-vous qu'ils ont refroidi ou protégez-vous avec des gants isolants.
Lavez la lèchefrite et la grille à l'eau savonneuse chaude. Après les grillades de viandes ou d'aliments salissants, faites tremper dans l'évier pendant quelques minutes, immédiatement après la cuisson. Les taches tenaces sur la grille peuvent être enlevées à l'aide d'une brosse en nylon. La lèchefrite peut aussi être lavée au lave-vaisselle.
Retrait du gril coulissant
Procédez comme suit pour retirer la lèchefrite à des fins de nettoyage. Pour retirer le support de la lèchefrite, tirez la lèchefrite vers l'avant (Fig.5.2).
Soulevez la lèchefrite du support. Le support est maintenu sur les glissières latérales par deux clips de chaque côté (Fig.5.3).
Pour chaque côté, soutenez la glissière latérale d'une main et, de l'autre, soulevez le support pour le dégager des clips latéraux (Fig.5.4).
Par sécurité, repoussez les glissières latérales dans l'enceinte du gril.
Pour faciliter le nettoyage de l'enceinte du gril, vous pouvez retirer les glissières latérales en les décrochant des côtés de l'enceinte (Fig. 5.5) et essuyer les côtés avec un chiffon doux imbibé de détergent doux.
NE LAVEZ PAS les glissières latérales au lave-vaissette.
Après nettoyage, raccrochez les glissières latérales sur les côtes de l'enceinte du gril. Pour remonter le support, tirez les glissières latérales vers l'avant, et, pour chaque côté, soutenez la glissière et appuyez sur le support pour le réinsérer dans les glissières. Replacez la lèchefrite. Lors de la remise en place de la lèchefrite, assurez-vous que le bord large est à l'avant (Fig. 5.6).
Panneau de commande et portes
N'utilise pas des produits nettoyants abrasifs, y compris des produits nettoyants semi-liquides, sur les surfaces en acier inoxydable brossé. Les meilleurs résultats s'obtiennent avec des détergents liquides.
Le panneau et les boutons de commande doivent être nettoyés uniquement avec un chiffon doux imbibé d'eau savonneuse chaude. Veillez à prévenir toute infiltration d'eau dans l'appareil.
Après nettoyage, lustrez à l'aide d'un chiffon sec.
Panneaux de porte vitrée (certains modèles)
Sur certains modèles, le panneau avant de la porte du four peut être retiré pour permettre le nettoyage des panneaux en verre. Avancez la cuisinière afin de pouvoir accéder aux parties latérales (veuillez consulter la section « Déplacement de la cuisinière » des instructions générales).
Entrouvez la porte du four et retirez les vis de fixation du panneau avant des côtés de la porte (deux de chaque côté) (Fig. 5.7).
Soulevez le panneau de porte extérieur avec précaution. Vous pouvez à présent nettoyer la face intérieure des panneaux, en veillant à ne pas déplacer ni mouiller les joints d'étanchéité de la porte.
Remarque: Si la porte est dotée d'un triple vitrage, les panneaux internes sont fixés ensemble et ne doivent pas être séparés.
Après nettoyage, reposez le panneau de porte extérieur avec précaution et replacez les vis de fixation.

N'UTILISEZ PAS de produits nettoyants décapants et abrasifs ni de racloirs métalliques acérés pour nettoyer la surface en verre de la porte du four, afin de prévenir tout risque de rayures et de fissures du verre.
Panneaux autonettoyants du four
Le four principal est doté de panneaux amovibles à revêtement émaillé qui sont partiellement autonettoyants. Ceci n'empêche pas complètement la formation de taches sur le revêtement, mais réduit le nettoyage manuel nécessaire.
Le nettoyage automatique des panneaux est plus efficace à une température supérieure à 200°C. Si, en général, vous utilisez le four à des températures inférieures, retirez occasionnellement les panneaux et essuyez-les avec un chiffon non pelucheux imbibé d'eau savonneuse chaude. Séchez et replacez les panneaux dans le four chauffé à 200°C pendant environ une heure. Ceci assurera un bon fonctionnement des panneaux autonettoyants.
N'utilisez pas de paille de fer ou tout autre matériel susceptible de rayer la surface.
Déposer les panneaux pour nettoyer l'intérieur en émail
Si vous souhaitez nettoyer l'intérieur du four qui est en émail, vous devez restorer les grilles avant d'enlever les parois. Soulevez chaque paroi et dégagez-la en la faisant coulisser sur les supports (Fig. 5.8). Une fois que les panneaux ont été retirés, l'intérieur en émail du four peut être nettoyé.
Remontez dans l'ordre inverse.


Tableau nettoyage
Les produits nettoyants indiqués sont en vente dans les supermarchés ou les magasins d'accessoires électriques (Tableau 5-1).
Pour les surfaces émaillées, utilisez un produit nettoyant recommandé pour l'émail vitrifé.
Un nettoyage régulier est recommandé. Pour faciliter le nettoyage, essuyez les taches immédiatement.
Tableau 5-1
| Table de Cuisson | ||
| Composant | Finition | Méthode de Nettoyage Recommandée |
| Surface de la table de cuisson | Émail ou acier inoxydable | Eau savonneuse chaude, chiffon doux. Frottez doucement avec un tampon à récurer en nylon pour éliminer les taches tenaces. |
| Plaques électriques étanches | Fonte | Nettoyez la rouille et les résidus alimentaires à l'aide d'un tampon à récurer en paille de fer savonnoux en frottant dans le sens du grain. Rincez et laissez sécher. Utilisez un produit renovateur pour plaques de cuisson (en vente dans les magasins d'accessoires électriques) pour rénover la couleur et protégger les plaques. |
| Table de cuisson céramique/ induction | Verre tempé | Eau savonneuse chaude, nettoyant crème/tampon à récurer si nécessaire. |
| Plaque à griller (selon les modèles) | Surface antiadhésive | Laissez refroidir. Lavez à l'eau savonneuse chaude. N'utilisez pas de produits nettoyants/tampons abrasifs. Lave-vaiselle. |
| Zone de réchauffage (selon les modèles) | Verre tempé | Eau savonneuse chaude, nettoyant crème/tampon à récurer si nécessaire. |
| Exterieur de la Cuisinière | ||
| Composant | Finition | Méthode de Nettoyage Recommandée |
| Porte, pourtour de porte et extérieur du tiroir de rangement | Émail ou peinture | Eau savonneuse chaude, chiffon doux. Frottez doucement les tâches tenaces avec un détergent liquide. |
| Acier inoxydable | Chiffon multi-uses en microfibre (supermarché) | |
| Côtés et plinthe | Surface peinte | Eau savonneuse chaude, chiffon doux. |
| Dosseret / Grille arrête | Émail ou acier inoxydable | Eau savonneuse chaude, chiffon doux. Nettoyez soigneusement avec un produit nettoyant semi-liquide, si nécessaire. |
| Panneau de commande | Peinture, émail ou acier inoxydable | Eau savonneuse tiège. N'utilisez pas de produits nettoyants abrasifs sur les caractères. |
| Boutons de commande/poignées et garnitures | Plastique / chrome ou cuivre / laiton laqué | Eau savonneuse tiège, chiffon doux. |
| Laiton | Produit de polissage pour laiton (supermarché). | |
| Vitre de porte de four / Couvercle en verre | Verre tempé | Eau savonneuse chaude, nettoyant crème/tampon à récurer si nécessaire. |
| Four et Gril | ||
| Composant | Finition | Méthode de Nettoyage Recommandée |
| Parois, sole et voûte du four - PAS les PANNEAUX AUTONETTOYANTS (voir ci-dessous) | Émail | Tout produit nettoyant pour four utilisable avec l'émail. ATTENTION : PRODUITS NETTOYANTS CORROSIFS/CAUSTIQUES POUR FOURS : SUIVEZ LES INSTRUCTIONS DU FABRICANT. Evitez tout contact avec les éléments du four. |
| Panneaux autonettoyants de four (selon les modèles) | Email spécial partiellement autonettoyant | Cette surface est autonettoyante à 200°C ou plus; vous pouvez également retirer les panneaux et les nettoyer à l'eau savonneuse chaude et avec une brosse en nylon. |
| Grilles de four, Handyrack, grille de l'echefrite, Handygrill | Chrome | Tout produit nettoyant pour four utilisable avec le chrome. Tampon à récurer savonneux. Lave-vaiselle. |
| L'echefrite/Plat à viande (selon les modèles) | Émail | Eau savonneuse chaude. Tampon à récurer savonneux. Lave-vaiselle. |
6. Dépannage
NE PAS faire effectuer de modifications ou de réparations de la table de cuisson par des personnes non qualifiées. N'essayez pas de réparer la table de cuisson ; vous risquez de vous blesser et d'endommager la table. Faites effectuer la réparation par une personne compétente.
Remarque: La table de cuisson à induction est dotée d'un système de diagnostic automatique et peut afficher ces diagnostics sur l'affichage des commandes de la table. Des codes d'erreur peuvent être affichés dans le cas d'un fonctionnement défectueux de la table de cuisson.
Les informations ci-dessous pourront vous être utiles pour remédier au problème en cas d'affichage d'un code d'erreur ou de fonctionnement défectueux de la cuisine.
Affichage du code d'erreur E2
L'unité électronique est trop chaude. Vérifiez l'installation de la cuisinière, pour vous assurer que la ventilation en place est suffisante. Dans des cas extrêmes, ce code d'erreur peut être affiché si un récipient de cuisson continue de fonctionner à sec après ébullition. En cas de doute, veuillez contacter votre installateur ou un réparateur qualifié.
Absence d'affichage
Surtension ou absence de tension d'alimentation de la cuisinière. En cas de doute, veuillez contacter votre installateur ou un réparateur qualifié.
Affichage du code d'erreur U400
La plaque/ la cuisinière est mal branchée. L'écran de commande va s'éteindre au bout d'1 seconde environ et le code d'erreur s'affichera en continu.
Utilisez-vous l'ustensile de cuisine adapté ? Veuillez vous référer aux instructions d'utilisation sur la sélection d'ustensiles de cuisine appropriés.
Affichage du code d'erreur er suivi d'un chiffre
L'appareil présente un problème technique interne qui ne peut pas être rectifié par l'utilisateur. Veuillez contacter votre installateur ou un réparateur qualifié.
Le fusible saute ou le disjoncteur différentiel est déclenché fréquemment
Veuillez contacter votre installateur ou un réparateur qualifié.
La table de cuisson ne se met pas en marche
Votre système électrique domestique a-t-il fait sauter un fusible ou déclenché un disjoncteur différentiel ?
La table de cuisson a-t-elle été connectée correctement à l'alimentation secteur ?
La fonction verrouillage sécurité enfants a-t-elle été activée? Voir la section Verrouillage sécurité enfants pour plus d'informations sur cette fonction.
La table de cuisson à induction est bruyante
Lors de l'utilisation de la table de cuisson à induction, un « bruit » peut être audible au niveau des foyers. Ceci est normal et peut être plus audible dans le cas d'une cuisson aux puissances maximales ou de l'utilisation simultanée des cinq foyers. Le type de récipient de cuisson peut aussi contribuer à ce « bruit ».
Le ventilateur de refroidissement
La plaque à induction comprend un ventilateur de refroidissement. Le ventilateur est en action lorsque le grill ou le four sont allumés. Dans certaines conditions, le ventilateur peut rester en action lorsque le grill et le four sont éteints. Cela est normal et le ventilateur s'éteindra automatiquement.
Une fissure est visible sur la surface de la table de cuisson
Mettez immédiatement la cuisinière hors tension et faites-la réparer. N'utilisez pas la cuisinière tant qu'elle n'a pas été réparée.
La table de cuisson est rayée
Utilisez toujours les méthodes de nettoyage recommandées dans les présentes instructions, et veillez à utiliser des récipients de cuisson à fond lisse et propre.
Les traces laissées par les dépôts minéraux dus à l'eau et aux aliments peuvent être éliminées à l'aide d'un produit nettoyant semi-liquide. Il n'est pas toujours possible d'éliminer les toutes petites rayures, mais celles-ci s'estomperont à la longue après plusieurs nettoyages.
Le ventilateur du four est bruyant
Le bruit du ventilateur peut changer pendant le chauffage du four. Ici, c'est tout à fait normal.
Le gril ne cuit pas correctement
Utilisez-vous la lèchefrite et la grille fournies avec la cuisinière ? Utilisez-vous la lèchefrite sur les glissières et non pas directement sur la surface inférieure de l'enceinte du gril ? La lèchefrite est-elle insérée à fond jusqu'à la butée arrière ?
Ceci est dû à la chaleur provenant du four ou du grill. Ne laissez pas la porte du four ouverte.
Lorsque vous utilisez le grill, assurez-vous que la l'échafaud du grill est bien insérée jusqu'à la butée arrière.
Laissez toujours la porte de l'enceinte du grill ouverte pendant l'utilisation du grill.
En cas de problème concernant l'installation, si mon installateur d'origine ne peut pas venir résoudre le problème, à qui incombent les frais?
C'est à vous qu'incombent ces frais. Les sociétés d'entretien factureront leurs interventions si elles réparent une installation effectuée par votre installateur d'origine. Il est de votre intérêt de contacter votre installateur d'origine.
Panne de courant
En cas de panne de courant, n'oubliez pas de régler de nouveau l'horloge pour permettre le fonctionnement automatique du four.
L'éclairage de façon ne s'allume pas (hi-lite seulement)
L'appareil est-il sous tension?
L'appareil a rencontré une panne qui ne peut pas être rectifiée par l'utilisateur. Veuillez contacter votre installateur ou un ingénieur de réparation qualifié.
Les alimentations cessent trop lentement, trop rapidement, ou brûlent
Les temps de cuisson peuvent être différents de ceux de votre ancien four. Vérifief que vous utilisez les températures et positions de grilles de four recommandées. Les températures du four et les temps de cuisson sont fournis à titre indicatif uniquement. En fonction des goûts de chacun, les températures devront peut-être être modifiées dans un sens ou dans l'autre, pour obtenir les résultats que vous recherchez.
La cuisson au four n'est pas uniforme
N'utilise pas de plat ou de plaque de cuisson de dimensions supérieures à celles indiquées dans la section « Conseils Généraux Pour la Cuisson au Four »
Dans le cas d'un grand plat, vous devrez peut-être le tourner pendant la cuisson.
Si vous utilisez deux grilles, vérifiez qu'il y a assez de place pour permettre à la chaleur de circuler. Lorsque vous insérez une plaque de cuisson dans le four, veillez à la placer au centre de la grille.
Vérifiez que le joint d'étanchéité de la porte n'est pas endommagé et que le loquet de porte est réglé de façon à ce que la porte soit bien appuyée contre le joint.
Un réseau d'eau placé sur la grille doit avoir une profondeur uniforme. (S'il est plus profond à l'arrière, par exemple, l'arête de la cuisinière doit être levée ou l'avant de la cuisinière abaissé.) Si la cuisinière n'est pas à niveau, demandez à votre fournisseur de la mettre à niveau.
Le four ne s'allume pas lorsqu'il est mis en marche manuellement
L'appareil est-il sous tension ? L'horloge est-elle éclairée ? Si ce n'est pas le cas, l'alimentation électrique est peut-être défectueuse. Le sectionneur de l'alimentation électrique de la cuisine est-il sur la position Marche ?
L'heure a-t-elle été réglée?
Le symbole clé [ɪ] s'affiche-t-il pour indiquer le verrouillage du four ? Reportez-vous à la section « Horloge » des instructions pour un complément d'informations sur la fonction de verrouillage.
Le four ne s'allume pas avec la mise en marche automatique
Le bouton de commande du four a-t-il été laissé par erreur sur ARRET (OFF)? Le four est-il verrouillé (voir ci-dessus)?
Si le fait de mettre le bouton de réglage sur une température inférieure n'a pas eu d'effet ou a eu un effet temporaire, vous devrez peut-être remplacer le thermostat. Cette intervention doit être effectuée par un spécialiste de l'entretien.
L'éclairage du four ne fonctionne pas
L'ampoule a probablement grillé. Vous pouvez acheter une ampoule de rechange (non couverte par la garantie) dans un magasin d'accessoires électriques. Demandez une ampoule à culot vissable Edison 15W 230V, POUR FOURS. Cette ampoule doit pouvoir résister à une température de 300°C (Fig. 6.1).
Avant de retirer l'ampoule usagée, mettez la cuisinière hors tension et assurez-vous que le four a refroidi.
Ouvrez la porte du four et retirez les grilles du four.
Dévissez le couvercle de l'ampoule en tournant en sens antihoraire (il peut être très difficile à dévisser) (Fig. 6.2).
Dévissez l'ampoule en tournant en sens antihoraire, en vous protégeant les mains avec un gant pour ne pas vous blesser. Vissez l'ampoule de rechange, puis revissez le couvercle de l'ampoule. Remettez l'appareil sous tension et contrôlez le fonctionnement de l'éclairage.
La porte du four est alignée mal
La charnière inférieure de la main gauche de la porte du four peut être réglée pour modifier l'angle de la porte (Fig. 6.3). Desserrez les vis de fixation de la charnière inférieure, et utilisez le cran et un tournevis à lame plate pour changer la position de la charnière et la régler (Fig. 6.4).
Resserrez les vis de la charnière.




Installation
Une fois le travail terminé, vérifie que les alimentations d'électricité sont correctement rebranchées.
7. Installation
Avant de commencer l'installation, veuillez remplir la fiche ci-dessous. Ceci permettra à votre client de vous contacter facilement en cas de problème relatif à l'installation.
| Nom de l'Installateur |
| Société de l'Installateur |
| Numéro de Telephone de l'Installateur |
| Numéro de Série d'Appareils |
Mesures et règlements de sécurité

Cette cuisinière doit être installée conformément aux instructions appropriées des fabricants et à la réglementation nationale et locale en vigueur, ainsi qu'aux prescriptions des compagnies d'électricité locales.

Lisez les instructions avant d'installer ou d'utiliser cet appareil.

Cet appareil est conçu uniquement pour un usage domestique. Toute autre utilisation n'engage ni la responsabilité, ni la garantie du fabricant.
Ventilation
Cet appareil n'est pas raccordé à un dispositif d'évacuation des produits de combustion. Prêtez particulièrement attention à la réglementation en vigueur concernant la ventilation.
Emplacement de la cuisinière
La cuisinière peut être installée dans une cuisine/un salon-cuisine, mais PAS dans une pièce contenant une baignoire ou une douche.
L'installation de la cuisinière nécessitera l'emploi du matériel indiqué ci-dessous :
Multimètre: Pour les contrôles électriques.
Vous aurez aussi besoin des outils suivants :
- Metre en acier
- Tournevis cruciforme
- Tournevis à lame plate
- Niveau à bulle
- Crayon
- Clé réglable
- 4 mm et 3 mm, clé hexagonale
- Clé polygonale ou à douilles de 13 mm
Vérification des Pièces :
| Clés hexagonales | L'échefrite et grille (modèle standard illustré) |
| Grilles de four plates | Handyrack |
| Dosseret (Classic) | Plat à rôtir |
| Plinthe (modèle standard illustré) |
Positionnement de la cuisinière
Le schéma indique les cotes minimales recommandées entre la cuisinière et les surfaces adjacentes (Fig. 7.1).
Ne placez pas la cuisinière sur un support.
Le pourtour de la table de cuisson doit être au niveau ou au-dessus de tout plan de travail adjacent. Laissez un espace de 75 mm AU-DESSUS du niveau de la table de cuisson entre chaque côté de la cuisinière et toute surface verticale adjacente.
Pour les surfaces non combustibles (telles que le métal non poreux ou les carrelages), cette cote peut être de 25 mm.
Laissez un espace de 650 mm au minimum entre la partie supérieure de la table de cuisson et une surface horizontalement combustible.
La Fig. 7.2 indique les dégagements recommandés au-dessus de la cuisinière.
- Toute hotte de cuisinière doit être installée conformément aux instructions du fabricant de hotte.
Tout revêtement doit être installé conformément aux instructions du fabricant. Une marge doit être appliquée pour le poids supplémentaire du conduit qui est installé sur la plaque chauffante de la cuisinière.
Les surfaces des meubles et des murs de chaque côté et à l'arrête de l'appareil doivent être résistantes à la chaleur, aux éclaboussures et à la vapeur. Certains types de meubles de cuisine en vinyle ou en stratifié sont particulièrement susceptibles aux risques de dommages thermiques et de décoloration. Nous déclinons toute responsabilité pour des dommages résultant d'une utilisation normale de la cuisinière et subis par des matériaux qui se décollent ou se décolorent à des températures de moins de 65°C au-dessus de la températureambiante.
Nous recommandons de laisser un espace de 1120 mm (pour l'induction) ou 1110 mm (pour la céramique) entre les unités pour permettre le déplacement de la cuisinière. La cuisinière ne doit pas être encastrée - elle doit pouvoir être déplacée vers l'avant et vers l'arrière pour le nettoyage et l'entretien.
Si la cuisinière est près d'un coin de la cuisine, un dégagement de 130 mm est nécessaire pour permettre l'ouverture des portes de jours (Fig. 7.3). La cote d'ouverture des portes est légèrement inférieure à ce dégagement, mais ceci inclut une marge de sécurité pour la protection des mains lors de l'ouverture de la porte.
Déplacement de la cuisinière

N'essayez jamais de déplacer la cuisinière lorsque cette-ci est sous tension.

La cuisinière est très lourde, faites très attention.
Nous recommandons de faire appel à deux personnes pour déplacer la cuisinière. Assurez-vous que le revêtement du sol est solidement fixé en place ou retirez-le afin de ne pas l'abîmer en déplaçant la cuisinière. Deux galets d'arrêt de mise à niveau et deux supports avant vissables facilitent le déplacement de la cuisinière. Retirez le socle d'emballage en




Installation
Une fois le travail terminé, vérifie que les alimentations d'électricité sont correctement rebranchées.
Fig.7.6

Fig.7.7
polystyrène. Depuis l'avant, inclinez la cuisinière vers l'avant et retirez la partie avant du socle d'emballage en polystyrène (Fig.7.4). Répétez cette procédure à l'arrière et retirez la partie arrière du socle.
Baissez les deux galets arrière
Pour ajuster la hauteur de l'arrière de la cuisinière, mettez d'abord une clé à douille ou à crochet de 13 mm dans l'écrou hexagonal d'ajustement. Tournez l'écrou dans le sens horaire pour soulever et dans le sens antihoraire pour baisser.
Effectuez 10 tours complets (360^) en sens horaire (Fig. 7.5).
Veillez à abaisser les DEUX GALETS ARRIERE.
Exécution du mouvement
Déplier le bord arrêté du plateau de base en carton. Ouvrez la porte et la porte du four grill droite afin que vous puissiez avoir une bonne prise sur le fond de la planche de bord que vous déplacez le four (Fig. 7.6).
Poussez doucement vers l'arrière de la cuisinière hors du plateau de base. Retirer le plateau de base.
Position de la cuisinière à proximité de sa position finale, en laissant juste assez d'espace pour se placer derrière elle (Fig. 7.7).

N'utilise pas les poignées de portes ou les boutons de commande pour déplacer la cuisinière.
Repositionnement de la cuisinière après raccordement
Si vous devez déplacer la cuisinière après son raccordement, débranchez la cuisinière, agrippez-la sous le panneau de commande et levez légèrement l'avant de la cuisinière (Fig. 7.6), puis vérifiez à l'arrière de l'appareil que le câble d'alimentation n'est pas entravé.
Pendant le déplacement de la cuisine, assurez-vous que le cable n'est pas entravé.
Si la cuisinière est dotée d'une chaîne stabilisatrice, défaites-la pour pouvoir manœuvrer la cuisinière. N'oubliez pas de la remettre en place lorsque vous replacez la cuisinière.
Lors de la remise en place de la cuisinière, vérifie de nouveau que le câble électrique n'est pas entré ou coincé.
Mise à niveau
Nous vous recommandons d'utiliser un niveau à bulle placé sur l'une des grilles de four pour vérifier le niveau.
Placez la cuisinière à l'emplacement prévu pour son installation, en veillant à ne pas exercer de force de torsion lorsque vous l'insérez entre les éléments de cuisine, pour ne pas l'endommager ou endommager les éléments.
Les supports avant et les galets arrêtés réglables permettent la mise à niveau de la cuisinière. Pour régler la hauteur de l'arrière de la cuisinière, tourner les écrous de réglage aux coins avant inférieurs de l'appareil. Pour régler les supports avant, tournez les socles pour lever ou abaiser.
Installation
Une fois le travail terminé, vérifie que les alimentations d'électricité sont correctement rebranchées.
Raccordement électrique
Cet appareil doit être installé par un électricien qualifié, conformément à la réglementation en vigueur et aux prescriptions de la compagnie d'électricité locale.
Disjoncteurs différentiels
L'utilisation conjointe de votre cuisinière et d'autres appareils domestiques peut entraîner des disjonctions fortuites; par conséquent, nous recommandons de protéger la cuisinière par un disjoncteur différentiel.
EN CAS DE Doute, CONSULTEZ UN ELECTRICIEN QUALIFIE.

MISE EN GARDE : CET APPAREIL DOIT ETRE MIS A LA TERRE.
Remarque: La cuisinière doit être raccordée à l'alimentation électrique correcte, indiquée sur l'étiquette de tension sur l'appareil, par le biais d'une unité de commande de cuisinière appropriée à interrupteur bipolaire (avec une séparation de contact de 3 mm au minimum entre les pôles).

Cette cuisinière ne doit pas être raccordée à une prise d'alimentation domestique ordinaire.
Pour accéder au bornier d'alimentation secteur, retirez le boîtier électrique sur le panneau arrière. Raccordez le câble d'alimentation secteur aux bornes correctes pour votre type d'alimentation électrique (Fig. 7.8 et Fig. 7.9). Vérifiez que les connecteurs sont montés correctement et que les vis des bornes sont bien serrées. Fixez le câble d'alimentation secteur à l'aide du serre-câble.
Contrôle de la table de cuisson
Contrôlez chaque foyer. Veillez à utiliser des récipients de cuisson recommandés et de diamètres appropriés.
Contrôle du gril
Tournez le bouton de commande du grill et vérifiez que le grill commence à chauffer.
Contrôle des fours
Réglez l'horloge conformément aux instructions données précédemment, et allumez les fours. Vérifiez que les ventilateurs des fours se mettent en marche et que les fours commencent à chauffer.
Remarque: Les ampoules des éclairages des fours ne sont pas inclues dans la garantie.
Eteignez le four.


Installation
Une fois le travail terminé, vérifie que les alimentations d'électricité sont correctement rebranchées.
Fig.7.10
Fig.7.11 Fig.7.12

Fig.7.13 Fig.7.14

Fig.7.15
Montage des poignées et de la balustrade (selon le module)
Déposez les vis Allen 4 mm des portes à l'aide de la clé hexagonale (Fig. 7.10). Vissez les poignées de portes.

Les poignées doivent être au-dessus des fixations.
Placez les obturateurs en plastique sur les trous de fixation (Fig. 7.11). Retirez les vis Allen 4 mm des coins supérieur du bandeau (Fig. 7.12). Montez la barre à torchons et fixez-la à l'aide des vis 4 mm.
Montage de la plinthe 1 pièce
Dévissez les trois vis le long du bord inférieur avant de la cuisine. Insérez l’encochette centrale en forme de trou de serrure sur la vis centrale. Tournez et insérez les encoches d’extrémités en trou de serrure sur leurs vis respectives.
Serrez les vis de fixation.
Retirez les trois vis pour les supports de la plinthe sur le bord avant inférieur de la cuisinière (Fig. 7.13). Fixez la plinthe avec ces vis (des vis d'autres couleurs sont incluses dans le pack de pièces en vrac).
Montage de la plinthe 2 pièce (professional deluxe)
Montez la plinthe intérieure à l'avant inférieur de la cuisine à l'aide des quatre vis fournies (Fig. 7.14).
Fixez la plinthe extérieure (une vis à chaque extrémité) à la plinthe intérieure.
Grâce à l'encoche, vous pouvez ajuster la position de la plinthe extérieure en la faisant glisser vers le haut ou le bas (Fig. 7.15).
Montage du dosseret (option)
Placez le dosseret à l'arrière de la table de cuisson et fixez-le à l'aide des vis fournies.
Conseils à la clientèle
Veuillez inscrire les informations vous concernant dans les générées instructions. De même, indiquez à l'utilisateur comment faire fonctionner la cuisinière et remettez-lui les instructions.
Merci.
8. Schémas de câblage
Table de Cuisson
Légende
Le raccord indiqué sur le schéma de câblage est pour une alimentation monophasée. Les capacités nominales sont pour 230 V 50 Hz.
| Code | Description |
| 1 | Element avanté gauche |
| 2 | Element arrêté gauche |
| 3 | Element avanté droite |
| 4 | Element arrêté droite |
| 5 | Element centrale |
| Code | Couleur |
| w/br | Blanc ou brun |
Four multifonction
Elan

Légende
Le raccord indiqué sur le schéma de câblage est pour une alimentation monophasée. Les capacités nominales sont pour 230V-50Hz.
| Code | Description |
| A1 | Interrupteur avant grill |
| A2 | Régulateur de l'énergie grill |
| A3 | Éléments grill |
| B1 | Multifonction de commutation avant du four thermostat |
| B2 | Thermostat de four multifonctions |
| B3 | Multifonction de l'élement supérieur du four (externe pr.) |
| B4 | Multifonction de l'élement supérieur du four (intérieure pr.) |
| B5 | Élement de ventilateur multifonction |
| B6 | Ventilateur du four multifonctions |
| B7 | Élement de sole du four multifonctions |
| B8 | Sélecteur de fonction de four multifonctions |
| Code | Description |
| C | Horloge |
| D1 | Droite interrupteur avant du four |
| D2 | Thermostat du four à droite |
| D3 | Droite élément four à chaleur tournante |
| D4 | Ventilateur du four à droite |
| F1 | Le ventilateur de refroidissement |
| F2 | Interrupteur la lumière du four |
| G | La luzère du four |
| H | Coupe-circuit thermique |
| I | Néon |
| Code | Couleur |
| b | Bleu |
| br | Brun |
| bl | Noir |
| or | Orange |
| r | Rouge |
| v | Voilet |
| w | Blanc |
| y | Jaune |
| g/y | Vert / jaune |
| gr | Gris |

Légende
Le raccord indiqué sur le schéma de câblage est pour une alimentation monophasée. Les capacités nominales sont pour 230 V 50 Hz.
| Code | Description |
| A1 | Interrupteur avant grill |
| A2 | Régulateur de l'énergie grill |
| A3 | Éléments grill |
| B1 | Thermostat de four multifonctions |
| B2 | Commutateur four multifonctions |
| B2a | Multifonction de commutation avant du four thermostat |
| B3 | Élement de base multifonction |
| B4 | Élement supérieur de four multifonctions (extérieure) |
| B5 | Élement gratineur de four multifonctions (intérieure) |
| B6 | Élement de ventilateur de four multifonctions |
| B7 | Ventilateur du four multifonctions |
| Code | Description |
| C | Horloge |
| D1 | Droite interrupteur avant du four |
| D2 | Thermostat du four à droite |
| D3 | Droite élément four à chaleur tournante |
| D4 | Ventilateur du four à droite |
| F1 | Ventilateur de refroidissement |
| F2 | Interrupteur la lumière du four |
| G | La luzère du four |
| H | Coupe-circuit thermique |
| I | Néon |
| Code | Couleur |
| b | Bleu |
| br | Brun |
| bl | Noir |
| or | Orange |
| r | Rouge |
| v | Voilet |
| w | Blanc |
| y | Jaune |
| g/y | Vert / jaune |
| gr | Gris |
Classic, Toledo et Professional+

Légende
Le raccord indiqué sur le schéma de câblage est pour une alimentation monophasée. Les capacités nominales sont pour 230 V 50 Hz.
| Code | Description |
| A1 | Interrupteur avant Grill |
| A2 | Régulateur de l'énergie Grill |
| A3 | Éléments Grill |
| B1 | Zoné interrupteur avant du four |
| B2 | Thermostat du four Zone |
| B3 | Zone four à rissoler éléments (paire intérieure) |
| B4 | Zone élément supérieur du four (paire externe) |
| B5 | Zone élément de base four |
| C | Horloge |
| D1 | Droite interrupteur avant du four |
| D2 | Thermostat du four à droite |
| Code | Description |
| D3 | Droite élément ventilateur du four |
| D4 | Élément de four à droite |
| F | Interrupteur la lumière du four |
| G1 | Lumière du four à gauche |
| G2 | Lumière du four de droite |
| H | Protecteur thermique |
| J | Néon |
| K | Ventilateur de refroidissement |
| Code | Couleur |
| b | Bleu |
| br | Brun |
| bl | Noir |
| or | Orange |
| r | Rouge |
| v | Voilet |
| w | Blanc |
| y | Jaune |
| g/y | Vert / jaune |
| gr | Gris |
Hi-LITE

Légende
Le raccord indiqué sur le schéma de câblage est pour une alimentation monophasée. Les capacités nominales sont pour 230 V 50 Hz.
| Code | Description |
| A | Panneau déclairage de gauche |
| A1 | Interrupteur avant de gril |
| A2 | Régulateur de puissance du gril |
| A3 | Élément de grill de gauche |
| A4 | Élément de grill de droite |
| B | Panneau déclairage de droite |
| B1 | Thermostat du four gauche |
| B2 | Gauge interrupteur avant du four |
| B3 | Gauge élément supérieur du four (intérieure) |
| B4 | Left-hand oven bottom element |
| F1 | Gauge élément de base du four |
| C | Horloge |
| D1 | Thermostat du four à droite |
| D2 | Droite interrupteur avant du four |
| D3 | Élément de four à droite |
| Code | Description |
| D4 | Ventilateur du four à droite |
| F2 | Découpe thermique du four à droite |
| G1 | Lumière du four à gauche |
| G2 | Lumière du four de droite |
| H | Le ventilateur de refroidissement |
| J | Interrupteur d'éclairage |
| K | Interrupteur la lumière du four |
| M1 | Indicateur de chauffage de grill |
| M2 | Indicateur de chauffage de four de gauche |
| M3 | Indicateur chauffage de four de droite |
| Code | Couleur |
| b | Bleu |
| br | Brun |
| bk | Noir |
| or | Orange |
| r | Rouge |
| v | Voilet |
| w | Blanc |
| y | Jaune |
| g/y | Vert / jaune |
| gr | Gris |
9. Fiche technique
A L'INTENTION DE L'INSTALLATEUR: Veuillez remettre les présentes instructions à l'utilisateur.
EMPLACEMENT DU BADGE TECHNIQUE: Arrière de la cuisinière, badge auxiliaire de numéro de série sous l'ouverture de la porte du four.
PAYS DE DESTINATION: GB, IE, FR, NL, DE, SE, BE, AT, CH, LU.
Raccordements
| Électriques | 230/400V~50 Hz 3N |
Dimensions
| Hauteur hors tout | Min 905 mm | Max 930 mm |
| Largeur hors tout | 1100 mm | |
| Profondeur hors tout: Elan | 597 mm sans poignées, 679 mm avec poignées | |
| Profondeur hors tout: Professional Deluxe | 595 mm sans poignées, 642 mm avec poignées | |
| Profondeur hors tout: Toledo | 596 mm sans poignées, 654mm avec poignées | |
| Profondeur hors tout: Classic | 596 mm sans poignées, 657mm avec poignées | |
| Profondeur hors tout: Professional+ | 596 mm sans poignées, 642mm avec poignées | |
| Profondeur hors tout: HI-LITE | 596 mm sans poignées, 650mm avec poignées | |
| Cote minimale au-dessus de la table de cuisson | 650 mm | |
Puisance:
Astuces d'économie d'énergie réchaud
Utiliser une batterie de cuisine avec une base plate.
Utiliser une batterie de cuisine à la bonne taille.
Utiliser une batterie de cuisine avec un couvercle.
Réduire la quantité de liquide ou de graisse au minimum.
Dès que le liquide commence à bouillir, baisser le feu.
La consommation repose sur G30.
Puisstance:
Astuces d'économie d'énergie four
Cuisiner si possible les aliments en même temps.
Observer un temps de pré-cuisson court.
Ne pas prolonger le temps de cuisson.
Ne pas oublier d'éteindre l'appareil à la fin de la cuisson.
Ne pas ouvrir la porte du four en cours de cuisson.
Données d'efficacité du Réchaud
| Marque | Falcon |
| Identification du Modèle | Professional Deluxe |
| Professional+ | |
| Classic | |
| Elan | |
| Toledo | |
| Hi-LITE | |
| Taille | 110 |
| Type | Induction |
| Type de Plaque | Induction |
| Nombre de zones électriques | 5 |
| Zone 1 - Ø cm | 18.5 |
| Technologie de chauffage | |
| Consommation d'énergie (cuisson ECElectric) - Wh/kg | 180 |
| Zone 2 - Ø cm | 15.5 |
| Technologie de chauffage | |
| Consommation d'énergie (cuisson ECElectric) - Wh/kg | 172 |
| Zone 3 - Ø cm | 18.5 |
| Technologie de chauffage | |
| Consommation d'énergie (cuisson ECElectric) - Wh/kg | 180 |
| Zone 4 - Ø cm | 15.5 |
| Technologie de chauffage | |
| Consommation d'énergie (cuisson ECElectric) - Wh/kg | 172 |
| Zone 5 - Ø cm | 18.5 |
| Technologie de chauffage | |
| Consommation d'énergie (cuisson ECElectric) - Wh/kg | - |
| Zone 6 - Ø cm | - |
| Technologie de chauffage | |
| Consommation d'énergie (cuisson ECElectric) - Wh/kg | |
| Consommation d'énergie (plaque ECElectric) - Wh/kg (*) | 175 |
Les informations qui sont marquées par (*) ne sont pas nécessaires avec les plaques de cuisson à combustible mixte.
Classic, HI-LITE, Professional+ et Toledo
Données du Four
| Marque | Falcon | |
| Identification du Modèle | Classic | |
| Masse | kg | 131 |
| Identification du Modèle | HI-LITE | |
| Masse | kg | 133 |
| Identification du Modèle | Professional+ et Toledo | |
| Masse | kg | 128 |
| Type de four | Electric | |
| Nombre de cavités | 2 | |
| Efficacité énergétique côte gauche | ||
| Type de carburant | Électrique | |
| Type de cavité | Convection | |
| Courant - Par convention | 2.2 | |
| Courant - Convection forcée | - | |
| Volume | Litres | 80 |
| Consommation d'énergie (électricité) - conventionnelle | kWh / cycle | 1.03 |
| Consommation d'énergie (électricité) - convection forcée | kWh / cycle | - |
| Indice d'efficacité énergétique - conventionnelle | 116.3 | |
| Indice d'efficacité énergétique - convection forcée | - | |
| Classe énergétique | B | |
| Efficacité énergétique côte croite | ||
| Type de carburant | Électrique | |
| Type de cavité | Attisé | |
| Courant - Par convention | - | |
| Courant - Convection forcée | 2.5 | |
| Volume | Litres | 73 |
| Consommation d'énergie (électricité) - conventionnelle | kWh / cycle | - |
| Consommation d'énergie (électricité) - convection forcée | kWh / cycle | 0.88 |
| Indice d'efficacité énergétique - conventionnelle | - | |
| Indice d'efficacité énergétique - convection forcée | 102.7 | |
| Classe énergétique | A | |
| Informations supplémentaires | |
| Ce four est conforme à la norme EN 60350-1 | |
| Rendement maximum @ 230 V 50 Hz | |
| Convention | 2.2 kW |
| Multifonction | 2.5 kW |
| Variante de four multifonction (avec réponse rapide) | - |
| Convection forcee | 2.5 kW |
| Gril | 2.3 kW |
| Four lent | - |
| Tiroir pour calibrage du pain | - |
Charge électrique totale maximale à 230 V (total approximatif, y compris les lumières du four, le ventilateur du four, etc.) 14.82 kW
Classic Deluxe, Elan et Professional Deluxe
Données du Four
| Marque | Falcon | |
| Identification du Modèle | Elan | |
| Masse | kg | 136 |
| Identification du Modèle | Professional Deluxe | |
| Masse | kg | 128 |
| Type de oven | Electric | |
| Nombre de cavités | 2 | |
| Efficacité énergétique côte gauche | ||
| Type de carburant | Électricité | |
| Type de cavité | Multifonction | |
| Courant - Par convention | 2.2 | |
| Courant - Convection forcée | 2.5 | |
| Volume | Litres | 73 |
| Consommation d'énergie (électricité) - conventionnelle | kWh / cycle | 1.08 |
| Consommation d'énergie (électricité) - convection forcée | kWh / cycle | 0.91 |
| Indice d'efficacité énergétique - conventionnelle | 126.1 | |
| Indice d'efficacité énergétique - convection forcée | 106.2 | |
| Classe énergétique | A | |
| Efficacité énergétique côte croite | ||
| Type de carburant | Électricité | |
| Type de cavité | Attisé | |
| Courant - Par convention | - | |
| Courant - Convection forcée | 2.5 | |
| Volume | Litres | 73 |
| Consommation d'énergie (électricité) - conventionnelle | kWh / cycle | - |
| Consommation d'énergie (électricité) - convection forcée | kWh / cycle | 0.88 |
| Indice d'efficacité énergétique - conventionnelle | - | |
| Indice d'efficacité énergétique - convection forcée | 102.7 | |
| Classe énergétique | A | |
| Informations supplémentaires | ||
| Ce four est conforme à la norme EN 60350-1 | ||
| Rendement maximum @ 230 V 50 Hz | ||
| Convention | 2.2 kW | |
| Multifonction | 2.5 kW | |
| Variante de four multifonction (avec réponse rapide) | 3.7 kW | |
| Convection forcée | 2.5 kW | |
| Grid | 2.3 kW | |
| Four lent | - | |
| Tiroir pour calibrage du pain | - | |
| Charge électricité total maximum à 230 V (total approximatif, y compris les lumières du four, le ventilateur du four, etc.) | ||
| Calssic Deluxe en Professional Deluxe (réponse rapide) | 16.01 kW | |
| Elan | 14.82 kW | |
Notice Facile