CLASSIC 90 INDUCTION - Induction FALCON - Notice d'utilisation et mode d'emploi gratuit
Retrouvez gratuitement la notice de l'appareil CLASSIC 90 INDUCTION FALCON au format PDF.
| Intitulé | Description |
|---|---|
| Type de produit | Cuisinière à induction |
| Caractéristiques techniques principales | 90 cm de largeur, 5 zones de cuisson à induction |
| Alimentation électrique | 230 V / 400 V, triphasé |
| Dimensions approximatives | Largeur : 90 cm, Profondeur : 60 cm, Hauteur : 90 cm |
| Poids | Environ 100 kg |
| Compatibilités | Compatible avec des ustensiles de cuisson en fer, acier inoxydable et certains types de céramique |
| Puissance | Max 11 kW, avec fonction booster sur certaines zones |
| Fonctions principales | Cuisson rapide, réglage de la température, minuterie, sécurité enfant |
| Entretien et nettoyage | Surface en vitrocéramique facile à nettoyer, utiliser des produits non abrasifs |
| Pièces détachées et réparabilité | Disponibilité de pièces détachées auprès du fabricant ou revendeurs agréés |
| Sécurité | Arrêt automatique, détection de casserole, sécurité enfant |
| Informations générales utiles | Installation par un professionnel recommandée, garantie de 2 ans |
FOIRE AUX QUESTIONS - CLASSIC 90 INDUCTION FALCON
Questions des utilisateurs sur CLASSIC 90 INDUCTION FALCON
0 question sur cet appareil. Repondez a celles que vous connaissez ou posez la votre.
Poser une nouvelle question sur cet appareil
Téléchargez la notice de votre Induction au format PDF gratuitement ! Retrouvez votre notice CLASSIC 90 INDUCTION - FALCON et reprennez votre appareil électronique en main. Sur cette page sont publiés tous les documents nécessaires à l'utilisation de votre appareil CLASSIC 90 INDUCTION de la marque FALCON.
MODE D'EMPLOI CLASSIC 90 INDUCTION FALCON
INGRÉDIENTS (Nb de personnes : 5)
- 600 g de cerises
- 30 g de beurre + beurre pour le moule
4 cuil. à soupe rases de farine - 50 cl de lait frais
4ceufs
4 cuil. à soupe rases de sucre semoule
1 cuil. à soupe de sucre cristallisé
1 pincede sel
MÉTHODE DE PREPARATION
- Faites chauffer le four à 200^, th.7.
- Beurrez un moule à tarte de 24 cm de diamètre ou un plat à gratin.
- Lavez rapidement les cerises, épongez-les et équeutez-les, puis disposez-les dans le moule.
- Faites juste fondre le beurre.
- Tamisez la farine avec le sel dans une terrine et délayez-la peu à peu avec le lait et le beurre fondu.
- Cassez les oeufs dans une autre terrine, ajoutez le sucre semoule et battez-les à la fourchette.
- Versez dessus le mélange de farine, de lait et de beurre, à travers un tamis pour éliminer les grumeaux. Mélangez.
- Versez doucement la pâte sur les cerises, mettez le plat au four et faites cuire pendant 40 min.
- Laissez tiédir, puis poudrez avec le sucre cristallisé et servez dans le plat de cuisson.
ROSBIF EN CROUTE DE THYM

INGRÉDIENTS (Nb de personnes : 4)
150g de chapelure
1 cuil. à soupe de graines de fenouil
- 6 brins de thym frais
4 cuil. à soupe d'huile d'olive
1 cuil. à soupe de moutarde à l'ancienne
2 cuil. à soupe de lait demi-écrémé
1 rosbif ficelé et non barde de 1,1 kg environ
8 carottes coupées en gros morceaux
3 navets coupés en deux
800 g de pommes de terre à chair ferme coupées en gros morceaux
- 6 belles échalotes pelées
- 5 cl de porto blanc
- sel, poivre
MÉTHODE DE PREPARATION
- Préchauffez le four à 190^ (th. 6/7). Mélangez la chapelure avec les graines de fenouil et 2 brins de thym effeuillés dans un bol. Ajoutez 2 cul. à soupe d'huile d'olive, la moutarde à l'ancienne et le lait. Mélangez jusqu'à obtention d'une pate épaisse.
- Huilez légèrement un plat à four pouvant aller sur le feu. Mettez-y le rosbif et enrobez-le de la préparation précédente en appuyant bien. Laissez macérer le temps de préparer les légumes.
- Portez à ébullition une grande casserole d'eau. Plongez-y les carottes, les navets et les pommes de terre. Laissez-les cuire 5 min à feu doux, puis égouttez-les et répartissez-les autour du rosbif. Ajoutez les échalotes. Nappez les légumes du reste d'huile d'olive, salez, poivrez et parsemez du reste de thym effeuillé. Versez 10 cl d'eau dans le fond du plat et enfournez pour 40 min (50 à 55 min si vous préférez un rêti bien cuit).
- Disposez le rosbif sur un plat avec les légumes. Couvre de papier sulfurisé et laissez reposer 15 min.
- Pendant ce temps, posez le plat à four sur feu moyen. Ajoutez le porto et 5 cl d'eau, mélangez en gratant les sucs de cuisson avec une cuillère en bois et laissez réduire quelques minutes. Rectifiez l'assaisonnement et versez dans une saucière.
- Coupez le rosbif en tranches, délicatement pour ne pas trop émietter la croûte de thym. Servez-le entouré de légumes, enprésentant la sauce à part.
Table des Matieres
1. Avant de Commencer... 1
Sécurité Personnelle 1
Raccordement Electrique sécurité 2
Odeur de Neuf 2
Ventilation 2
Induction et céramique 3
Conseils Relatifs à la Four 4
Entretien de la Cuisinière 4
Conseils Relatifs à l'Utilisation de la
Table de Cuisson
Gril/Gril Coulissant « Glide-out » 5
Leventilatederefroidissement 5
Nettoyage 5
2. Vue d'Ensemble de la Cuisinière 6
La Table de Cuisson 6
10
Fours 11
3. Horloge 15
4. Conseils Pour la Cuisson 20
Utilisation de Notre Cuisinière à Induction 20
Conseils Pour la Cuisson Avec Minuterie 20
Conseils Généaux pour la Cuisson au Four 20
5 Cuisson de la Table 21
6. Nettoyage de la Cuisinière 22
Table de Cuisson 22
Nettoyage des Débordements 22
Grill 23
Panneau de Commande et Portes 23
Fours 24
Four Haut 24
Tableau Nettoyage 25
7. Dépannage 26
8. Installation 29
Positionnement de la Cuisinière 30
Déplacement de la Cuisinière 30
Montage de la stabilité Bracket 31
Repositionnement de la Cuisinière après 31
Raccordement 31
Mise à Niveau 31
Raccordement Électrique 32
Vérifications Finales 33
Montage Final 33
Conseils à la Clientèle 33
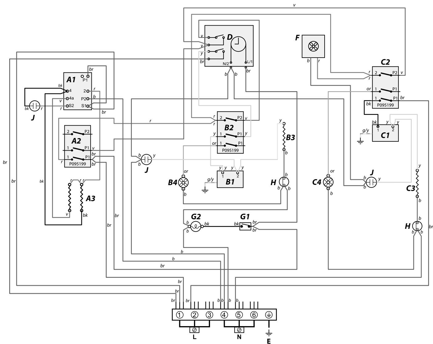
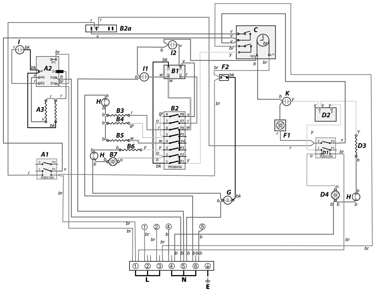
9. Schémas de Câblage 34
Table de Cuisson 34
Four Ventilé 35
Four Multifonction 36
10. Fiche Technique 37
Raccordements 37
Dimensions 37
Puissances 37
Données d'efficacité du Réchaud 38
1. Avant de Commencer…
Cette notice d'utilisation couvre plusieurs modèles. Mème si certaines illustrations peuvent ne pas se rapporter spécifique à votre modèle, les fonctions sont les mêmes. Nous espérons que ceci ne prétera pas à confusion.
Nous vous remercions d'avoir acheté cette cusinière. Installée et utilisée correctement, cette cusinière vous donna de nombreuses années de service fiable. Il est important de dire la presente section avant de commencer.
Sécurité Personnelle
Cet apparéil ne doit être utiliser que pour la cuisson. Il ne doit pas être utilisé à d'autres fins, par exemple pour chauffer la pièce. L'utiliser à toute autre fin pourrait invalider toute garantie ou réclamation de responsabilité. En plus d'invalider des réclamations, cela gaspille du combustible et pourrait surchauffer les boutons de contrôle.
Son installation doit être conforme aux instructions appropriées des générates et satisfaire à la réglementation nationale et locale en vigueur, ainsi qu'aux prescriptions des compagnies de gaz et d'électricité locales.
- Cet apparéil peut être utilisé par des enfants âgés de 8 ans et plus, autre par des personnes aux capacités physiques, sensorielles ou mentales réduites ou qui manquent d'expérience et de connaissances à l'égard de l' apparéil, à condition d'être surveillés ou d'avoir reçu des instructions claires pour utiliser cet apparéil en toute sécurité et d'en comprendre les risques.
- Les enfants ne doivent pas jouer avec cet apparéil. Son nettoyage et son entretien ne doit pas être effectuels par des enfants non supervisés.
- Cét apparéil est conçu uniquement pour un usage domestique. Toute autre utilisation n'engage ni la responsabilité, ni la garantie du fabricant.
L'appareil et ses pieces accessibles chauffent pendant leur utilisation. Veillez à ne pas toucher les éléments chauffants. - Un processus de cuisson de longue durée doit être surveilé de temps à autre. Un processus de cuisson de courte durée doit être surveillé en permanence.
NE PAS stocker d'objects sur les surfaces de cuisson.
Pour éviter toute surchauffe, NE PAS installer la cuisineire derrière une porte décorative. - Les parties accessibles de la cusinière deviennent chaudes lorsque celle-ci est en marche et resteront chaudes même après la cuisson. Ne laissez pas les bébés et les enfants s'approcher de la cusinière et ne portez jamais de vêtements amples ou flottants lors de l'utilisation de la cusinière.
N'utilisez PAS de nettoyeur à vapeur sur votre cuisinière.
Veillez à ce que les matériaux combustibles, (rideaux, liquides inflammables, etc.) soient toujours suffisamment éloignés de la cuisineire.
N'utilisez PAS d'aerosols à proximé de la cuisinière lorsque celle-ci est en marche.
François
Raccordement Electrique sécurité
La cusinière doit faire l'objet d'un entretien effectué par un technicien d'entretien qualifié, lequel doit utiliser uniquement des pieces de rechange approvées.
Son installation doit être conforme aux instructions appropriées des générées et satisfaire à la réglementation nationale et locale en vigueur, ainsi qu'aux prescriptions des compagnies de gaz et d'électricité locales.
Lisez les instructions avant d'installer ou d'utiliser cet apparéil.
- Cet apparéil est lourd; prenez garde lorsque vous le déplacez.
La cuisine ne peut etre installerée dans une cuisine/un salon-cuisine, mais PAS dans une piece contenant une baignoire ou une douche.
Cet apparéil doit être mis a la terre. - Cette cuisine ne doit pas etre raccordee a une prise d'alimentation domestique ordinaire.
L'affichage des commandes de la table de cuisson clignotera pendant deux secondes environ à la mise sous tension initiale – ceci est tout à fait normal. - Réglez l'horloge pour permettre le fonctionnement des jours - voir la section appropriée des générées instructions.
- Cét apparéil doit être installé conformément à la réglementation en vigueur, et uniquement dans un endroit bien ventilé.
- Une installation incorrecte n'engage ni la responsabilité, ni la garantie du fabricant, et peut donner lieu à des poursuites.
N'essayez jamais de déplacer la cuisine lorsque celle-ci est sous tension.
Avant de proceder à la reconnexion, vérifie que l'appareil ne présente aucun danger électrique.
Odeur de Neuf
Lorsque vous utilisez votre cuisinière pour la première fois, il est possible qu'une oedur s'en dégage. Cela devrait s'arrêter après son utilisation.
Avant d'utiliser votre cuisinière pour la première fois, voirlez à ce que l'intégralité de l'emballage ait été retire, puis pour chasser les odeurs issues de la fabrication, allumez tous les jours sur 200^ et laissez-les en fonctionnement pendant au moins 1 heures.
Avant la première utilisation du grill, allumez-le et faites-le marcher pendant 30 avec la lèchefrite bien en place, et en laissant la porte du grill ouverte.
Veillez à ce que la pièce soit bien ventilée (voir « Ventilation » ci-dessous). Il est recommandé aux personnes souffrant de problèmes respiratoires ou d'allergies de quitter la pièce pendant ce temps.
Ventilation
L'utilisation d'un appeareil de cuisson produit de la chaleur et de l'humidité dans la piece contenant l'appareil. Par conséquent, veillez à ce que la cuisine soit bien ventilée. Laissez les ouvertures de ventilation naturelle ouvertes ou installez une hotte aspirante à évacuation extérieure.
Son entretien
Il est conseilé de faire entretenir cet apparéil tous les ans.
N'UTILISEZ PAS de recipients de cuisson de diamètre supérieur à celui du foyer.
Laissez toujours la cuisine refroidir et mettez-la hors tension avant de la nettoyer ou d'effectuer une intervention d'entretien, sauf indication contraire dans les prsentes instructions.
N'ESSAYEZ jamais de démonter ou de nettoyer autour d'un brûleur lorsqu'un autre brûleur est allumé. Vous risqueriez de receivevoir une décharge électrique.
- Ne faites jamais fonctionner la cuisineire avec les mains mouillées.
N'UTILISEZ pas de torchon ou autre chiffon écais à la place d'un gant isolant – ils risquent de d'enflammier au contact d'une surface chaude.
- NE PAS UTILISER de dispositif de protection pour plaques chauffantes, papier aluminium ou couvercle de plaque chauffante de quelque sorte que ce soit. Ils poursaient affercer la sécurité d'utilisation des brûleurs de vos plaques chauffantes et sont potentiellement dangereux pour la santé.
- Ne chauffez jamais des recipients alimentaires qui n'ont pas eté ouverts. La pression accumulée à l'intérieur des recipients peut les faire éclater et blesser l'utilisateur.
N'utilisez pas des casseroles instables. Tournez toujours les manches des recipients de cuisson vers l'intérieur de la table de cuisson.
- Ne laisseriez jamais la table de cuisson en marche sans surveillance si les brûleurs sont régliés sur maximum. Le débordement des recipients peut produit de la fumée et des taches de gras qui risquent de s'enflammer. Si possible, utilisez un thermomètre à bain de friture pour prévenir une surchauffe de l'huile au-delà du point de fumée.
- Tout processus de cuisson non surveillé sur une table de cuisson, à base deGRAISSÉ ou d'huile, peut être dangereux et déclencher un incendie.
- Ne laïsez jamais une friteuse sans surveillance. Faites toujours chauffer l'huile lentement, en la surveillant. Les friteuses ne doivent être remplies qu'à un tiers de leur capacité
- Une friteuse trop pleine peut déborder lorsqu'on y plonge des alimentes. Si vous utilisez un mélange d'huile et de graisse pour la friture, mélangez-les avant de chauffer, ou pendant la fonte des graisses.
- Les alimentés à frire doivent être le plus sec possible. La présence de cristaux de glace sur des alimentés congelés ou d'humidité sur des alimentés frais peut provoquer une ébullition et un débordement de l'huile. Surveillez attentivement pour prévenir les débordements et la surchauffependant la friture à haute ou moyenne température. N'essayez jamais de déplacer un recipient de cuisson contenant de l'huile chaude, en particulier une friteuse. Attendez que l'huile ait refroidi.
Lorsque le grill est en marche, ne vous servez pas de la grille d'évacuation (la grille le long de la partie arrêté de la cusinière) pour réchauffer des assiettes ou des plats, sécher des torchons ou ramollir du beurre.
N'utilisez pas d'eau pour eteindre les incendies dus à la graisse et ne soulevez jamais un recipient de cuisson qui a pris feu. Eteignez la cusinière et etouffez un recipient qui a pris feu sur une table de cuisson en le recouvrant complètement avec un couvercle de taille appropriée ou une plaque de cuisson. Si possible, utilisez un extincteur à poudre chimique ou à mousse de type polyvalent. - Cet apparéil ne DOIT PAS être modifié. L' apparéil n'est pas censé être utilisé avec une minuterie externe ni avec un système de contrôle à distance séparé.
- Les produits inflammables risquent d'exploser et de causeurs des incendies et des dommages matériaux.
Induction et céramique
Si vous étés porteur d'un stimulator cardiaque ou d'une pompe à insuline implantable : Les fonctions de la table de cuisson sont conformes aux normes européennes en vigueur relatives à l'interférence electromagnétique. Si vous étés porteur d'un stimulator cardiaque ou d'une pompe à insuline implantable et étés inquiet quant aux risques d'interférence, veuillez demander conseil à votre médecin.
Eloignez les objets magnétiques (cartes de crédit et de débit, disques informatiques, calculateurs, etc.) de la table de cuisson lorsque celle-ci est en marche.
- Faites attention lorsque vous touche les zones de cuisson sur la table de cuisson.
Veillez à utiliser des écipients de cuisson à fond plat et adaptations à la taille du foyer utilisé. En utilisant un écipient trop petit, vous risquez de vous trouver en contact direct avec une partie du plan de travail, vos vêtements pouvant alors prendre feu.
Seules certaines cassetoles en acier inoxydable, en acier émailé ou en fonte avec fonds émailés peuvent être utilisées sur les plaques de cuisson à induction.
Seuls certains types de recipients en verre, vitrocérémente, terre cuite ou autres recipients émailés peuvent etre utilisés sur la table de cisson;les autres risquent de se briser en raison du changement soudain de température. - Faîtes attention à NE PAS rayer la surface en plaçant les ustensiles sur le panneau de verre.
- Ne faites jamais cuire des alimentés à même la table de cuisson (Fig.1.1).
- Ne laïsez pas les foyers allumés s'ils ne sont pas utilisés pour la cuisson.
- Ne déposez pas d'objets lourds sur la table de cuisson. Mème si la surface en vitrocéramique est très résistante, un impact violent ou la chute accidentelle d'un objet sur la surface risque de la fissurer (Fig.1.2).
- Dès l' apparition d'une fissure sur la table de cuisson, mettez immédiatement la cusinière hors tension et faites-la réparer.
- SOULEVEZ toujours les recipiens pour les retarder de la table de cuisson. Ne les faites pas glisser sur la surface, car vous risquez de la marquer et de la rayer (Fig.1.3).
Faire attention lors du placement de couvercles chauds sur la surface de la table de cuisson. Les couvercles qui couvaient des alimentes portés à ébullition ou cisant à la vapeur peuvent « coller » à la surface vitrocéramique. Si cela se produit, NE PAS essayer de soulever le couvercle de la plaque chaude : celle risquerait d'endommager la surface de la table de cuisson. Il est préféable de faire glisser le couvercle sur le bord de la surface de la table de cuisson et de le retirer délicatement. - Ne placez rien entre le fond du réseau de cuisson et la surface de cuisson (plaque d'amiente, feuille de papier aluminium ou support de wok, par exemple).
- Attention à ne poser AUCUN objet métallique comme un couteau, une fourchette, une cuillère ou un couvercle sur la plaque chauffante car ils peuventCHAuffer.
- Evitez d'essuyer toute partie de la table de cuisson tant que celle-ci n'a pas refroidi et que l'indicateur de chaleur résiduelle n'est pas eteint. Cette recommandation ne s'applique pas aux déversements de substances sucrees (voir « Nettoyage de la cisinière »). Avec nettoyage, utilisez un chiffon sec ou du papier essuie-tout pour éliminer les traces de nettoyant semi-liquide.
François





- Nettoyez la surface après chaque utilisation pour prévenir les rayures et les taches. Mais voirlez à nettoyer avec précaution car certains produits nettoyants peuvent produit des vapeurs nocives au contact d'une surface chaude.
Veillez à ne pas laisser la table de cuisson en marches sans surveillance. Veillez à ne pas laisser les recipients de cuisson fonctionner à sec après ébullition. - Àprous usage, éteignez le foyer à l'aide du bouton de commande – NE VOUS FIEZ PAS UNIQUÉMENT à la fonction Détction de récipient de cuisson.
Conseils Relatifs à la Four
Vérifiez toujours que les commandes sont sur la position Arrêt [OFF] lorsque le four n'est pas en marche et avant de nettoyer la cuisine.
Utilisez un gant isolant pour ne pas vous brûler.
La cuisson d'aliments à haute teneur en eau peut produit une « bouffée de vapeur » à l'ouverture de la portedu four. Lorsque vous ouvre la portedu four, reculez-vous et attendez que la vapeur se soit dissipée. (Fig.1.4).
Le côté interieur de la porte est fait en verre de sécurité renforcé. Faîtes attention à ne pas rayer la surface sur le panneau de verre.
- Des dégats accidentels peuvent fissurer la porte en verre.
- Ne pas obstruer les conduits d'aération.
- Ne pas utiliser de produits nettoyants abrasifs ni de grattoirs pointus en métal pour nettoyer le couvercle en verre car ils pourrait rayer la surface et briser ainsi le verre.
Veillez à ce que les grilles soient toujours insérées à fond dans le four. NE PAS fermer la porte sur les grilles du four.
- Ne recouvre pas les grilles, les panneaux internes ou la voûte du four de papier aluminium.
Lorsque le four est en marche, ne laissez PAS la portedu four ouverte plus longtemps que nécessaire, afin deprévenir une surchauffe des boutons de commande.
N'utilise pas la fonction minuterie avec un four si le four adjacent est deja chaud.
- Ne placez pas des alimentes chauds dans le four qui sera utilisé avec la fonction minuterie.
N'utilisez pas un four deja chaud avec la fonction minuterie.
Au besoin, utilisez des gants isolants secs - l'emploi de gants humides risque de causeur des brûlures dues à la vapeur lors du contact avec une surface chaude.
Entretien de la Cuisinière
En raison de la condensation de vapeur pendant la cuisson, vous devrez peut-être essuyer (avec un chiffon doux) des gouttelettes d'eau presents sur la garniture extérieure du four. Cette précaution contribuera également à prévenir les taches et la décoloration de l'extérieur du four dues aux vapeurs de cuisson (Fig.1.5).
Conseils Relatifs à l'Utilisation de la Table de Cuisson
N'autorisez jamais qui que ce soit à grimper ou se tenir debout sur la table de cuisson.
- Ne découpez pas des alimentés sur la table de cuisson.
- Ne laissiez pas des ustensiles, alimentés ou produits combustibles sur la table de cuisson lorsqu'elle n'est pas en service (torchon, ou poèle contenant de l'huile, par exemple).
- Ne placez pas des feuilles en plastique ou aluminium ou des recipients en plastique sur la table de cuisson.
- Mettez toujours le bouton de commande sur la position arrêt [Off] avant desteroler un récipient.
Evitez de faire chauffer un récipient de cuisson vide. Ceci risque en effet d'abîmer la table de cuisson et le récipient.
Gril/Gril Coulissant « Glide-out »
Lors de l'utilisation du grill, veillez à ce que la lèchefrite soit en place et insérée à fond dans l'enceinte du grill, ceci pour prévenir le risque de surchauffe des boutons de commande.
- NE LAISSEZ PAS LE GRIL EN MARCHE pendant plus de quelques instantsi la l'échérite n'est pas en place sous le grill, ceci pour prévenir le risque de surchauffe des boutons de commande.
- Ne fermez jamais la porte du grill lorsque celui-ci est en marche.
- Les pièces accessibles peuvent chauffer lorsque le grill est en marche. Les jeunes enfants doivent être tenus à distance.
Le ventilateur de refroidissement
Notez que cet apparéil électroménager la possibilité d'un ventilateur. Lorsqu'un four ou une grille est en fonctionnement le ventilateur fonctionnera pour refroidir la commande et les boutons de commandes.
Nettoyage
- Avant un nettoyage complet, mettez la cuisinière hors tension. Laissez-la refroidir.
Pour des raisons d'hygiene et de sécurité, la cusinière doit toujours être propre, afin de prévenir le risque d'incendie causé par l'accumulation de graisse et autres particules alimentaires. - Nettoyez uniquement les composants indiqués dans les générées instructions.
- Nettoyez avec précaution. Si vous utilisez une éponge ou un chiffon humide pour essuyer des taches sur une surface chaude, prenez garde au risque de brûlures par la vapeur. Certains produits nettoyants peuvent produit des vapeurs nocives au contact d'une surface chaude.
N'utilise jamais de solvants pour peinture, de cristaux de soude, de nettoyants caustiques, de poudres biologiques, d'eau de Javel, de nettoyants chlorés, ni de produits abrasifs à gros grain ou de sel. - Ne mélangez pas plusieurs produits nettoyants, car ils risquent de réagir entre eux et d'avoir des effets nocifs.
Toutes les parties de la cusinière peuvent être lavées à l'eau savonneuse chaude, mais voirlez à prévenir toute infiltration d'eau dans l'appareil.
Veillez a prévenir toute infiltration d'eau dans l'appareil. - Avant dePTRER des composants du gril pour les nettoyer, assurez-vous quils ont refroidi ou protégez-vous avec des gants isolants.
NE PAS utilise de substances abrasives.
NE LAVEZ PAS les glissières laterales au lave-vaiselle.
Ne lavez pas les têtes de brûleur au lave vaisselle
N'utilisez jamais de produits nettoyants caustiques ou abrasifs qui abimeront la surface.
N'utilise pas de paille de fer ou tout autre matériel susceptible de rayer la surface. - Ne rangez jamais de produits inflammables dans le tiroir. Ces produits incluent les objets en papier, en plastique et en tissu, tels que les livres de cuisine, les ustensiles en plastique et les torchons, ainsi que les liquides inflammables. Ne rangez pas de produits explosifs, tels que des bombes aérosols, sur ou pres de la cusinière.
- Ne rangez pas d'explosifs comme les aérosols, sur ni pres de l'appareil.
N'utilise pas de paille de fer ou tout autre matériel susceptible de rayer la surface.
N'essayez jamais de démonter ou de nettoyer autour d'un brûleur lorsqu'un autre brûleur est allumé. Vous risqueriez de receivevoir une décharge électrique.
2. Vue d'Ensemble de la Cuisinière

Fig.2.1

Fig.2.2


Fig.2.3
La cusinière à induction 90 (Fig.2.1) comprend :
A. 5 foyers de cuisson à induction
B. Un panneau de commande
C. Un grill séparé ou un grill coulissant (selon le modele)
D. Four ventilé principal (programmable) ou four Multifonctions (selon le modele)
E. Four haut ventilé
La Table de Cuisson
Utilisez uniquement des reçipiens de cuisson concus pour les tables de cuisson à induction. Nous recommendons l'emploi de reçipiens de cuisson en acier inoxydable, en acier émailé ou en fonte à fond émailé. Certains reçipiens en acier inoxydable ne convennent pas pour les tables de cuisson à induction; vérifie soigneusement avant l'achat.
N'utilise pas de récipiens en cuivre, aluminium ou céramique sur les tables de cuisson à induction. Le type de récipient de cuisson utilisé et la quantité d'aliments ont une incidence sur le réglage requis. Pour les quantités d'aliments importantes, utilisez un réglage plus élevé.
Utilisez des recipients de cuisson à fond écais, lisse et plat (Fig.2.2). Ceci assure un transfert de chaleur optimal entre la table et le recipient de cuisson, et donc une cuisson plus rapide et plus économique. N'utilise jamais de Wok à fond rond, même avec un support.
Les récipiens de cuisson les最好的 adaptations sont ceux qui, à l'état froid, sont très légèrement bombés vers l'intérieur (Fig.2.3). En plácant une règle sur le fond de ces récipiens, on peut constater que la surface est légèrement incurée vers le milieu. Sous l'effet de la chaleur, le métal se dilate et la totalité du fond du récipient est en contact avec la surface de cuisson.
Veillez à ce que le fond du recipient de cuisson soit propre et sec pour éviter que des résidus alimentaires ne brûlent et n'attachent sur la table de cuisson. Ceci permet également de prévenir les rayures et les dépôts.

Faire attention lors du placement de couvercles chauds sur la surface de la table de cuisson. Les couvercles qui couvaient des alimentents portés à ébullition ou cisant à la vapeur peuvent « coller » à la surface vitrocéramique. Si cela se produit, NE PAS essayer de soulever le couvercle de la plaque chaude : cela risquerait d'endommager la surface de la table de cuisson. Il est préféable de faire glisser le couvercle sur le bord de la surface de la table de cuisson et de le retirer délicatement.
Veillez à toujours utiliser des récipients de même taille (ou légèrement plus grands) que le diamètre indiqué sur la surface de cuisson. Utilisez un couvercle sur les récipients de cuisson pour porter à ébullition plus rapidement.

Faites toujours attention avant de toucher la table de cuisson, car, même éteinte, celle-ci peut être encore chaude!
La table de cuisson à induction comprend cinq foyer contenant des éléments à induction de puissances et diamètres différents (Fig.2.4), chacun doté d'un détector de récipient et d'un indicateur de chaleur résiduelle,et un affichage des commandes.
L'affichage des commandes de la table de cuisson (Fig.2-5) vous informe sur les fonctions de la table, à l'aide des symboles suivants:
Détéction de récipient de cuisson
H Indicateur de chaleur résiduelle
R Chauffage automatique
Verrouillage sécurité enfants
L1/L2 Réglage basse temperature
P Réglage haute puissance
Détction de Récipient de Cuisson,
IMPORTANT : ÀpRES usage, éteignez le foyer à l'aide du bouton de commande – NE VOUS FIEZ PAS UNIQUÉMENT à la fonction Détction de récipient de cuisson.
Si un foyer est en marche et qu'il n'y a pas de-scriptent de cuisson sur celui-ci ou si le-scriptent est trop petit pour le foyer, la table n'émettra pas de chaleur. Le symbole [u] apparaitra sur l'affichage des commandes de la table; il s'agit du « symbole Absence de-scriptent ». Placez un-scriptent de taille appropriée sur le foyer, le symbole [u] disparaitra et la cuisson pourrait commencer. Si, après 10 minutes, il n'y a toujours pas de détention de-scriptent, le foyer s'éteint automatiquement.


François
Tableau 2.1
| Cuisson de la Zone | Diamètre Minimum de Casserole (fond de casserole) mm |
| Gauche avant | 140 |
| Gauche arrêté | 180 |
| Centre | 180 |
| Droite arrêté | 180 |
| Droite avant | 140 |
Tableau 2.2
| Niveau de Puissance | Automatique Réchauffez le Temps à 100% (min:secs) |
| 1 | 0:48 |
| 2 | 2:24 |
| 3 | 3:48 |
| 4 | 5:12 |
| 5 | 6:48 |
| 6 | 2:00 |
| 7 | 2:48 |
| 8 | 3:36 |
| 9 | 0:10 |


Le Tableau 2.1 indique les dimensions de recipients minimales recommandées pour chaque foyer.
Remarque: L'utilisation de recipients de diamètres inférieurs aux dimensions recommandées aura pour effet une diminution de la puissance.
Indicateur de Chaleur Résiduelle, H
Après usage, un foyer restera chaud pendant un certain temps, jusqu'à dissipation totale de la chaleur. ÀpRES arrêt d'un foyer, le symbole de l'indicateur de chaleur résiduelle [H] apparaitra sur l'affichage de la table de cuisson. Ceci indique que la température du foyer est supérieure à 60^ et qu'il y a encore un risque de brûlure. Le symbole [H] s'éteint lorsque la température est inférieure à 60^ .
Chauffage Automatique, R
Cette fonction est disponible pour tous les foyers de la table de cuisson. Elle permet un chauffage rapide de l'élément du foyer jusqu'à la température de cuisson requise. Lorsque le foyer a atteint la température requise, la puissance diminue automatiquement jusqu'au niveau de puissance sélectionné.
Pour sélectionner cette fonction, tournez le bouton de commande momentanément en sens antihoraire jusqu'à l'affichage du symbole [R] sur l'affichage des commandes de la table de cuisson. Tournez ensuite le bouton de commande pour lemettre sur le niveau de puissance requis (1 à 9).Le écipient est chauffé à 100% pendant une durée spécifiée, puis au niveau de puissance sélectionné.
Après activation de la fonction Chauffage automatique, l'affichage des commandes de la table de cuisson clignotera, alternant entre le réglage [R] et le niveau de puissance sélectionné.
A la fin du chauffage automatique, l'affichage cessera de clignoter et affichera seulement le niveau de puissance sélectionné.
La fonction Chauffage automatique peut être désactivée de deux façon : par rotation du bouton de commande pour le remettre sur le réglage de puissance '0' ou par rotation du bouton de commande pour leMETRE sur le réglage de puissance '9'.
A titre indicatif, le Tableau 2.2 indique la durée disponible à 100% de puissance, en fonction du niveau de puissance sélectionné en mode Chauffage automatique.
Verrouillage Sécurité Enfants
La table de cuisson peut être verrouillée pour empêcher son utilisation accidentelle par des enfants.
IMPORTANT: Cette fonction ne peut être activée que lorsque tous les foyers sont éteints.
Pour verrouiller la sécurité de la plaque, tournez simultanément les deux boutons de gauche dans le sens antihoraire (Fig.2.6) et maintenez la position jusqu'à ce que le =0 symbole s'affiche au centre de l'écran de commande de la plaquey (Fig.2.7).
Remarque: Le symbole [R] clignotera lors du verrouillage de la plaque - cet affichage est normal.
Le fait de verrouiller la plaque n' affecte PAS le four; vous pouvez toujours les utiliser.
Pour déverrouiller la sécurité de la plaque, tournez simultanément les deux boutons de gauche dans le sens antihoraire et maintenez la position jusqu'à ce que le émette symbole au centre de l'écran de commande de la plaque s'éteigne.
Réglage Basse Température, L1/ L2

Cette fonction doit être utilisée exclusivement pour le chauffage à froid.
Ces réglages maintiendron une température: L1 ideale pour faire fondre du beurre ou du chocolat sans faire brûler, et L2 pour laisser mischief doucement de l'eau ayant été portée à ébullition.
- L1 maintiendra une température d'environ 40^ - parfait pour faire fondre du beurre ou du chocolat tout doucement.
- L^2 maintains une température d'environ 90^ – parfait pour mischiefer (porter la casserole à ébullition puis selectionner L^2 pour laisser mischiefer les soupes, les sauces, les ragouts, etc.).
La duréeemaximumd'utilisationdece réglageest de 2 heures.Pouraugmenter latempérature,tourner le bouton jusqu'au réglage souhaité.Les durées maximaless pour tous les autres niveaux électriques sont indiquées dansleTableau2.3.
Réglage Haute Puisance,
Toutes les zones de cuisine à induction ont une fonction haute puissance activable en tournant le bouton de commande dans le sens des aiguilles d'une montre jusqu'à ce que [P] apparaissé sur l'écran de contrôle de la plaque de cuisine.
La fonction haute puissance met à disposition plus de puissance pour chaque zone de cuisine. Ceci est utile pour faire bouillir rapidement le contenu d'une grande casserole d'eau.
La fonction haute puissance fonctionne pendant 10 minutes maximum sur chaque zone, après quoi, la puissance est automatiquement réduite au degré 9.
Fig.2.8 montre la disposition de la plaque de cuisson. Les foyers A et B sont reliées entre eux comme le sont les foyers C, D et E.
Ceci signifie que, si vous utilisez la zone A en mode haute puissance puis la zone B, la puissance de la zone A sera légèrement réduite. Le deuxième éléments à être mis en mode haute puissance est prioritaire. Il en est de même pour les zones C, D et E.

Ceci est un dispositif de sécurité intégré.
La fonction haute puissance peut etre désactivée en tournant le bouton sur un réglage plus bas.
| Niveau de Puisance | Durée Maximale d'Opération |
| L1 et L2 | 2 heures |
| 1 | 6 heures |
| 2 | 6 heures |
| 3 | 5 heures |
| 4 | 5 heures |
| 5 | 4 heures |
| 6 | 1.5 heures |
| 7 | 1.5 heures |
| 8 | 1.5 heures |
| 9 | 1.5 heures |
| Haute puissance | 10 minutes |

Tableau 2.3
François

Fig.2.9
Classic
Fonction de Surchauffe
Cette fonction déetecte l'augmentation rapide de la température du écipient de cuisson et maintainé cette température à un niveau sur. Elle ne gène pas la cuisson normale.
Les batteries de cuisine avec des socles qui se déforment (Fig.2.2) lorsqu'ils sont chauds, peuvent interférer avec le fonctionnement de la Fonction Chauffe. Cela peut endommager votre batterie de cuisine ou la plaque à induction en verre.

Veillez à ne pas laisser la table de cuisson en marche sans surveillance. Veillez à ne pas laisser les recipients de cuisson fonctionner à sec après ébullition. Des dommages peuvent être causés à votre batterie de cuisine et à votre plaque à induction en verre.
Veuillez litre attentivement et suivre scrupuleusement les instructions du fabricant avant d'utiliser votre batterie de cuisine sur votre plaque à induction.
Gril / Gril Coulissant « Glide-out »

ATTENTION: Cet apparéil est destiné à la cuisson uniquement. Il ne doit pas être employé à d'autres fins, comme chauffer une piece par exemple.

ATTENTION : Les pieces accessibles peuvent chauffer lorsque le grill est en marche. Les jeunes enfants doivent être tenus à distance.
Ouvrez la porte du grill et tirez la l'échefrite vers l'avant à l'aide de la poignée (Fig.2.9, Fig.2.10 au Fig.2.11).
Le grill a deux éléments qui permettent deCHAuffer la totalité de la lèchefrite ou seulement la partie droite de cette-ci.
Tournez le bouton de commande pour régler la chaleur du grill. Pour un chauffage total, tournez le bouton en sens horsaire (Fig.2.12).
Pour le chauffage de la partie droite, tournez le bouton en sens antihoraire. Le voyant à côté de la commande du gril s'allumera.
Pour obtenir les salariés résultats possibles, préchauffez pendant deux minutes avec la l'échéfte en place. Vous pouvez-retirer la grille de la l'échéfte et y déposer les alimentés pendant le préchauffage.

NE LAISSEZ PAS LE GRIL EN MARCHE pendant plus de quelques instantsi la l'echefrite n'est pas en place sous le gril,eci pour prévenir le risque de surchauffedes boutons de commande.
Après préchauffage du grill, retirez de nouveau la l'échefrite et replacez la grille avec les alimentents sur la l'échefrite. Réinsérez la l'échefrite ou le support de l'échefrite dans l'enceinte du grill. Lorsque vous utilisez le grill, vérifie que la l'échefrite du grill est bien insérée jusqu'àu fond.
La grille de la l'échefrite est réversible pour permettre deux positions de grill (Classic & Professional + (Fig.2.13)).
La grille de l'echa-frites peut être placée sur quatre hauteurs différentes, ce qui est possible en la returnant dans les sens
avant-arrière et haut-bas (Classic Deluxe & Professional Deluxe (Fig.2.14)).

Ne fermez jamais la porte du grill lorsque celui-ci est en marche.
Fours
L'horloge doit être réglée sur l'heure pour que le four principal (four calculable gauche) puisse fonctionner. Voir les instructions de la section « Horloge » pour le réglage de l'heure.
Remarque - Les références au four gauche et droit s'entendant vu de l'avant.
Le four gauche est un four ventilé (Fig.2.15) ou un four Multifonctions (Fig.2.16), selon le modele.
Le four droit est un four ventilé (Fig.2.17).
Four Ventilé
Un four ventilé qui fait circuler de l'air chaud en continu, ce qui permet une cuisson rapide et plus constante. En général, les températures de cuisson recommendees pour un four ventilé sont plus basses que celles pour un four conventionnel.
N'oubliez pas : Toutes les cusinières sont différentes – les températures de vos nouveaux jours peuvent être différentes de celles de votre ancienne cusinière.
Four Multifonction
Les fours multifonctions ont un ventilateur et un élément de four ventilé, ainsi que deux éléments chauffants supplémentaires. Un élément est dans la voûte du four et l'autre sous la sole du four.
Remarque: Veillez à ne pas toucher l'élement supérieur et le déflecteur de l'élement lors de l'insertion ou du retrait des plats dans le four.
Le four multifonctions a trois fonctions de cuisson principales : cuisson ventilée, cuisson ventilée mixte et cuisson conventionnelle. Utilisez ces fonctions pour effectuer l'essentiel de la cuisson.
L'élement gratineur et la chaleur inférieure peuvent être utilisés en fin de cuisson pour finir certains plats.
Utilisez les fonctions grill ventilé pour la cuisson au grill et décongélation pour décongeler de petites quantités d'aliments surgelés.
Le Tableau 2.4 récapitule les modes multifonctions. Le four multifonctions permet de nombreuses utilisations variees. Nous vous conseillons de bien surveiller la cuisson jusqu'à ce que vous soyez familiarisé avec chaque fonction. N'oubliez pas : toutes les fonctions ne convennent pas à tous les types d'aliments.



Tableau 2.4
| Fonction | Utilisation |
| Décongélation | Décongélation de petites quantités d'aliments dans le four sans chaleur |
| Four ventilé | Fonction de cuisson complète, chaleur uniforme; idéale pour la pâtisserie |
| Gril ventilé | Gril des viandes et poissons, avec portedu grill fermée |
| Four ventilé mixte | Fonction de cuisson complète; parfaite pour les rôts et la pâtisserie |
| Four conventionnel | Fonction de cuisson complète pour les rôts et la pâtisserie dans la partie inférieure du four |
| Elément gratineur | Pour gratiner les plats recouverts de fromage |
| Chaleur inférieure | Pour dorer les fonds de quiches, pizzas ou pâtisseries |
François
Fonctions du Four Multifonctions Réponse Rapide (Classic Deluxe & Professional Deluxe)

Le réglage Réponse Rapide permet un préchauffage ultrarapide du four. Elle utilise l'élement du four ventilé et la chaleur supplémentaire d'un des
éléments de la voûte du four. Les fours ventilés préchauffent rapidement, mais la fonction Réponse Rapide accelère le préchauffage pour vous permettre de commencer la cuisson plus rapidement.
Pour utiliser la fonction Réponse Rapide, il suffit de tournier le bouton de commande de fonction sur R et de régler à la température requise. Levoyant sur le panneau de commande à côté du symbole R s'allumera.
Lorsque le four atteint la température requise, l'élement supérieur s'eteint et le témoin s'eteint.
La température du four est ensuite maintainue par I'élement et par le ventilateur du four ventilé.
Si vous choisissez de placer des alimentés dans le four froid avant la cuisson tout en utilisant la fonction Réponse Rapide, voirlez à ce que les gâteaux, etc. ne soient pas placés trop haut dans le four.
Four Ventilé

Cette fonction commande le ventilateur et l'élement chauffant autour de celui-ci. Une chaleur uniforme est produit partout dans le four, ce qui permet la
cuisson rapide de grandes quantités d'aliments.
La cuisson par four ventilé est particulièrement utile pour la cuisson simultanée d'aliments sur plusieurs grilles et est une excellente fonction « polyvalente ». Vous devrez peut-être diminuer la température de 10^ environ pour des plats que vous aviez l'habitude de cuire dans un four conventionnel.
Si vous souhaitez préchauffer le four, attendez que levoyant s'éteigne avant demettre le plat au four.
Gril Ventile

Cette fonction commande le ventilateur pendant que l'objet chauffant supérieur est en marche. On obtient ainsi une chaleur plus uniforme, moins
intense que celle d'un grill conventionnel. Pour obtenir lesnieilleurs résultats possibles, placez les alimentes a griller sur une grille sur un plat a rotin qui doit etre plus petit qu'une lechefrite de grill conventionnel. Ceci assure une meilleure circulation de l'air. Ce type de cuisson est idéal pour les morceaux de viande ou de poisson epais, car la circulation de I'air diminue l'intensité de la chaleur du grill.
La porte du four doit être fermée pendant la cuisson au grill pour éviter un gaspillage d'énergie.
Vous constaterez que vous devrez moins surveiller et tourner les alimentes cuits de cette façon. Ce type de cuisson nécessite un préchauffage du four.
Pour obtenir les membresurs résultats, nous vous recommendons de ne pas placer le plateau du grill sur la grille la plus élevé.
Four Ventilé Mixte

Cette fonction commande le ventilateur et brasse l'air chauffé par les éléments chauffants de la voûte et de la sole du four. Cette fonction, qui combine la cuisson
ventilée et la cuisson conventionnelle (Chaleur Supérieure et Inférieure), est un moyen de cuisson idéal pour les alimentés volumineux (gros roti, par exemple) pour lesquels une cuisson complète est très importante.
On peut également faire cuire des plats simultanément sur deux grilles, mais les plats devront être intervertis pendant la cuisson, car, avec cette fonction, la chaleur est plus intense dans la voûte du four qu'au niveau de la sole.
Ce mode de cuisson est intensif et rapide; surveillez les alimentents cuits de lacke jusqu'à ce que vous soyez familiarisé avec cette fonction.
Four Conventionnel (Chaleur du Voute et de Sole)

Cette fonction combine la chaleur fournie par les éléments supérieurs et inférieurs. Elle est particulièrement utile pour la cuisson d'aliments rôts à tarte, gâteaux et biscuits.
Les alimentés cuits sur la grille supérieure gratineront et doreront plus rapidement que ceux placés sur la grille inférieure car la chaleur est plus intense dans la voûte du four qu'au niveau de la sole, comme dans le cas de la fonction « Four Ventilé Mixte ». Des alimentéssemblables cuits de la sorte devront être intervertis pour cuire uniformément. Cette fonction permet donc de cuire des alimentés nécessitant des températures de cuisson différentes, en utilisant la partie moins chaude dans la partie inférieure du four et la partie plus chaude dans la partie supérieure du four.
L'élement supérieur exposé risquant de cuire certains alimentés trop rapidement, nous vous recommandons de placer les alimentés dans la partie inférieure du four. Vous devrez peut-être aussi diminuer la température du four.
Des alimentéssemblablescuits ainsidevrontetreintervertis pour cuire uniformement.
Elément Gratineur

Cette fonction utilise uniquement l'objet situé dans la voûte du four. C'est une fonction utile pour gratiner ou finir des gratins de pâtes, des légumes en t des lasagnes, le plat à gratiner étant déjà chaud mise en marche de l'objet supérieur.
Chaleur Inférieure

Cette fonction utilise uniquement l'élément inférieur. Elle permettra de dorer le fond de votre pizza ou de votre quiche ou de terminer la cuisson d'un fond de
tarte sur une grille inférieure. C'est également une chaleur douce, parfaite pour le mjotage de plats placés au milieu du four ou pour réchauffer des assiettes.
Les fonctions Elément Gratineur et Chaleur Inférieure sont des adjonctions utiles à votre four et vous permettent de finir vos plats à la perfection. Vous constaterezrapidement que leur utilisation contribue àétendre vos compétences culinaires.
Décongélation

Avec cette fonction, le ventilateur du four brasse uniquement de l'air froid. Assurez-vous que la commande de température est réglée sur 0^ et
qu'aucune chaleur n'est appliquée. Cette fonction permet de décongeler des alimentes, en petites quantités, par exemple des desserts, gâteaux à la crème, morceaux de vande, poisson et volaille.
Ce type de décongélation accélère le processus de décongélation et protège les alimentés des mouches. Placez les morceaux de viande,.POSSON et VOLAILE sur une grille, au-dessus d'une plaque prévue pour I'égouttement. N'oubliez pas de nettoyer la grille et la plaque après décongélation.
La porte du four doit être fermée pendant la décongélation.
Des alimentés plus volumineux, tels que des poulets entiers et des rôts, ne doivent pas être décongelés de cette façon. Nous vous conseillons de les décongeler au réfrigérateur.
Ne décongelez pas des alimentés dans un four tiède ou à côté d'un four en marche ou encore chaud.
Vérifiez que les alimentés à base de produits laitiers, la viande et la volaille sont complètement décongelez avant de les cuire.
Fonctionnement du Four Four Multifonctions
Le four multifonctions est doté de deux commandes, un sélecteur de fonction et un bouton de réglage de température (Fig.2.18).
Tournez le sélecteur de fonction pour lemettre sur une fonction de cuisson. Mettez le bouton de réglage de température du four sur la température requise (Fig.2.19).
Levoyant du four restera allumé jusqu'à ce que le four attaigne la température requise (Fig.2.20). Il s'allumera et s'éteindra pendant la cuisson pendant que le thermostat du four maintient la température requise.
Four Conventional et Four Ventilé
Mettez le bouton du four sur la température requise (Fig.2.19).
Levoyant du four restera allumé jusqu'à ce que le four atteigne la température requise (Fig.2.20). Il s'allumera et s'éteindra pendant la cuisson.
Eclairage du Four Principal
Appuyez sur le bouton approprié pour allumer l'éclairage du four (Fig.2.21). Si l'éclairage est défectueux, mettez la cusinière hors tension avant de changer l'ampoule. Pour des informations détaillées sur la façon de changer une ampoule de four, reportez-vous à la section « Dépannage »
Accessoires
Grilles de Four - Four Gauche (Four Principal)
Les grilles de four (Fig.2.22) sont retenues lorsqu'elles sont tirées vers l'avant mais elles peuvent aisément être enlevées et remises.
Tirez la grille vers l'avant jusqu'à ce que l'arrière de la grille soit arrêté par les butées d'arrêt latérales du four (Fig.2.23).
Soulevez l'avant de la grille pour faire passer l'arrière de la




François

Fig.2.22

Fig.2.23

Fig.2.27

Fig.2.24

Fig.2.28

Fig.2.25

Fig.2.29

Fig.2.26

Fig.2.30
grille sous la butée d'arrêt, puis tirez la grille vers l'avant (Fig.2.27).
Pour remettre la grille en place, mettez la grille à niveau avec une glissière latérale du four, puis insérez la grille à fond jusqu'à ce que les extrémités soient en contact avec la butée d'arrêt de la grille. Soulevez l'avant de la grille pour que les extrémités puisent dépasser les butées, puis abaissez l'avant pourmettre la grille à l'horizontal, avant de l'insérer à fond (Fig.2.24).
Grilles de Four - Four Droit (Four Haut)
Le four haut est fourni avec quatre grilles de cuisson ordinaires (Fig.2.28), et une grille chauffe-plats (Fig.2.25).
Ànoter:lemodèleHi-LITEne dispose pas de clayette chauffe-plat mais est fourni avec trois clayettes de cuisson plates.
Lorsque vous utilisez le four haut, vous pouvez faire cuire des alimentes sur les quatre grilles simultanement, mais veillez à ce que les plats soient bien écartés les uns des autres pour permettre à l'air chaud de circuler.
Le Handyrack (Fig.2.29) se monte uniquement sur la portedu four gauche. Il est facile de surveiller les alimentés faisantainsi car vous pouzey acceder lorsque la porte est ouverte.
Le Handyrack peut supporter un poids maximum de 5,5 kg. Il ne doit être utilisé qu'avce le plat à rôtir fourni, qui est spécialement concu pour être utilisé avec le Handyrack. Tout autre réseau de cuisson risque d'être instable.
Vous pouze le monter sur deux positions. Retirez une des grilles et place l'autre selon les besoin.
Lorsque le Handyrack est utilisé sur sa position supérieure, d'autres plats peuvent être cuits sur une grille placée à la position inférieure ou placée directement sur la sole du four.
Lorsque le Handyrack est utilisé sur sa position inférieure, d'autres plats peuvent être cuits sur une grille placée à la deuxième position du four ou directement sur la sole du four.
Pour monter le Handyrack, placez un côté sur le support de la porte (Fig.2.26).
Extraire l'autre côté pour l'accrocher sur l'autre support (Fig.2.30).
3. Horloge
L'horloge doit être réglée sur l'heure actuelle pour que les jours puisent fonctionner.
Réglage de l'Heure
- Une fois que la cuisine est connectee et allumee, l'affichage se met a clignoter.
- Pour régler l'heure, placez le bouton du Programmateur (A) sur la position Horloge (C) et revenez à la position Manuel (D). Le point central clignote indiquant que l'heure peut être régée. Tournez le bouton de Réglage (B) dans le sens horsaire ou anti-horaire (Fig. 3.1) pour régler l'heure.
- Une fois l'heure régée, attendez que le point central cesse de clignoter, l'houre est maintainant paramétrée.
Régler le rappel de minute
Le rappel de minute (E) est une fonctionnalité qui permet de définir un certain nombre de minutes et qui déclenché une alarme une fois la durée spécifique éçoulée.
- Tournez le bouton du Programmateur (A) sur la position de réglage de la Minuterie (E), uncies doit se faire entendre une fois la position atteinte (Fig. 3.2).
- Tournez le bouton de Réglage (B) pour définir la durée souhaitation. La durée minimum est d'une (1) minute (Fig. 3.3).
- Replacez le bouton du Programmateur (A) en position Manuel (D) pour afficher l'heure actuelle et le symbole de la « Cloche » sur l'écran.
Annuler l'alarme de la minuterie
Une fois la durée spécifique éçoulée, une alarme est émise. Il existe deux façon d'annuler l'alarme:
- Tournez le bouton de réglage (B) dans le sens antihoraire ou horaire (Fig. 3.4).
- Avec le bouton de la minuterie (A), sélectionnez soit l'horloge (C) ou le réglage du rappel de minute (E). Retournez sur le réglage manuel (D) pour le mode de cuisson normal (Fig. 3.4).
REMARQUE
Si l'alarme n'est pas désactivée manuellement, elle s'arrête après 2 minutes environ.
Lorsque la minuterie est active, l'intensité d'affichage de l'horloge ne diminue pas entre 22 heures et 6 heures.








Pour arrêté le four multifonction à une heures spécifique de la journée
Vous avez.Regle la température et le mode de fonctionnement requis pour le four multifonction et vous souhaitez arrêté automatiquement le four multifonction.
CONSEIL
Notez l'heure actuelle afin de ne pas l'oublier.
- Tournez le bouton de la minuterie (A) sur le réglage Heure d'arrêt (G). « AUTO » s'affichent à l'écran (Fig. 3.5).
- Tournez le bouton de Réglage (B) pour définir la durée de cuisson souhaitation. L'écran affiche l'heure en cours, plus la durée de cuisson supplémentaire que vous avez définitie (Fig. 3.6).
- Tournez le bouton de la minuteurie (A) sur le réglage Auto (H). L'affichage indique alors l'heure actuelle, le symbole Cuisson et le mot « AUTO » (Fig. 3.7).
- Une fois la durée spécifiée écoulée, une alarmé est émise et le four multifonction s'arrête de fonctionner. Le symbole « Cuisson » disparait de l'affichage et le mot « AUTO » se met à clignoter (Fig. 3.8).
- Lors de votre(retour,replacezleboutondu Programmateur(A)sur la positionManuel(D) pour revenir au mode de cuisson manuel (Fig.3.8).
ASTUCE
Vous pouvez vérifier le durée restant à courir en plaçant le bouton du Programmateur (A) de Auto (H) à Heure d'arrêt (G) et en revenant sur AUTO (H).
Mise en Marche et Arrêt du Four avec Minuterie
Il est possible d'allumer et d'arrêter automatiquement Le four multifonction en définissant la durée de la cuisson et l'heure de l'arrêt. Cela vous permet de faire cuire vos plats tout en étant absent. Il n'est pas possible de définir l'heure d'allumage effective.
- Tournez le bouton de la minuterie (A) sur le réglage du temps de cuisson (F). Tournez le bouton de réglage (B) dans le sens horaîre afin de définir durée du temps de cuisson requis (Fig. 3.9).
- Tournez le bouton de la minuterie (A) sur le réglage Heure d'arrêt (G) (Fig. 3.10). L'affichage indique alors l'heure actuelle plus le temps de cuisson que vous avez sélectionné.
- Tournez le bouton Réglage (B) pour régler l'heure à laquelle vous souhaitez que votre four s'arrête (Fig. 3.11).
- Réglez le four à la température de cuisson et au mode de fonctionnement désirés.
- Tournez le bouton du Programmateur (A) sur la position Auto (H) (Fig. 3.12). Si I'écran affiche l'heure en cours et
AUTO, cela indique qu'une programmation a ete definie (heure d'allumage et heures d'extinction).
- Lorsque le programme démarre, le symbole de cuisson apparait à l'écran. Une fois la durée éçoulée, une alarmé retentit et le four multifonction cesse de fonctionner. Le symbole de Cuisson disparait et le mot AUTO clignote (Fig. 3.13).
-
Une fois la durée spécifiée écoulée, une alarme est émise. Deux manières permettent d'annuler l'alarme, veuilleszyou référer à la section Annuler l'alarme de la minuterie à la page 13
-
Le « temps de cuisson », c'est-à-dire la durée pendant laquelle vous pouze que le four fonctionne.
- « L'heure d'arrêt », c'est-à-dire l'heure à laquelle vous poulez que le four s'arrête.
Retourner au mode de cuisson manuel
Pour annuler tous les réglages automatiques, tournez le bouton de la minuterie (A) pour sélectionner le réglage de l'horloge (C) (Fig. 3.14).
Remarque: Cette opération annule tous les paramètres du programme automatique, mais n'arrête pas la minuterie.
Réglage de la tonalité du bip sonore
La tonalité du bip sonore peut être réglée sur trois niveaux différents.
Tournez le bouton du Programmateur (A) sur la position Horloge (C). Tournez le bouton Réglage (B) dans le sens antihoraire jusqu'à ce que les barres de volume s'affichent (Fig. 3.15).
Pour régler le volume de l'alarme, relâchéz le bouton Réglage (B) et tourner à nouveau dans le sens antihoraire (Fig. 3.16). Le volume de l'alarme change. Répétez ces étapes jusqu'à ce que le volume souhaité soit définit.







François
Fig. 3.17

A - Minuterie, B - « Temps de cuisson», C - « L'heure d'arrêt», D - Manuel, E & F - Boutons d'arrangement de temps
Tableau 3.1
| Symbole | Fonction | Notes |
| [?] | Le minuteur est actif | |
| [...] | Le(s) four(s) peuvent être utilisés | Si le symbole « cuisson » [?] ne s'affiche pas : le programme est terminé et le(s) four(s) ne sont pas opérationnels le(s) four(s) sont commandés par un programme automatique qui n'a pas démarré |
| [AUTO] | Le(s) four(s) sont commandés en mode semi-automatique ou automatique | |
| [P] | Le mode d'auto-nettoyage (par pyrolyse) a été activé | Votre cuisinière n'est peut-être pas dotée de cette fonction de pyrolyse |
| [dot] | Clignote lors du réglage de l'heure de la journée |





Horloge
Vous pouvez utiliser l'horloge (Fig. 3.17) pourmettre en marche et eteindre les fours. L'horloge doit etre reglee sur I'heure actuelle pour que les fours puissant fonctionner.
Tableau 3.1 décrit les symboles qui s'affichent sur l'écran numérique.
Réglage de l'Heure
Lorsque la cusinière est branchée pour la première fois au secteur, ou en cas de panne de courant prolongée, l'affichage de l'horloge clignote sur [0.00] et [RUTF].
Pendant le processus de réglage de l'heure, le point du milieu clignote. Une fois le processus terminé, le point s'arrête de clignoter et le symbole [ ] s'affiche.
L'heure de la journée peut être réglée de deux manières :
- Appuyez sur le bouton [ɪd] et maintenez-le enforcé. Appuyez maintainant sur les boutons [+] ou [-] pour augmenter ou diminuer l'heure (Fig. 3.18). Le fait deMAINTER les boutons [+] ou [-] enforcés pendant plus de 2 secondes permettra de faire avancer ou reculer l'heure rapidement. Relâchez les boutons pour régler l'heure de la journée.
- Appuyez en continu sur les boutons [----] et [---] (Fig. 3.19). En même temps, appuyez sur (-) ou (+) jusqu'à l'affichage du temps de cuisson requis.
N'oubliez pas qu'il s'agit d'une horloge 24 heures.
Si vous faites une erreur ou si vous vous trompez de bouton, mettez l'appareil hors tension pendant une ou deux minutes, puis recommencez la procédure.
Réduction automatique de l'intensité lumineuse
À condition qu'aucun programme automatique ne soit paramétré et que le minuteur ne soit pas actif, l'intensité lumineuse de l'horloge sera automatiquement réduite entre 22h00 et 06h00.
Minuterie
Appuyez sans relâcher sur la minuterie [Ω] (Fig. 3.20). En même temps, appuyez sur (-) ou (+) jusqu'à l'affichage du temps de cuisson requis (Fig. 3.21).
Vous pouvez vérifier la durée restante en appuyant sur [Ω]. Lorsque le bip sonore retentit, annulez-le en appuyant sur n'importe quel bouton.
- Le « temps de cuisson », c'est-à-dire la durée pendant laquelle vous pouze que le four fonctionne.
L'heure d'arrêt «, c'est-à-dire l'heure à laquelle vous poulez que le four s'arrête.
Régler une durée de cuisson
Appuyez sans relâcher sur le bouton Temps de cuisson [[, (Fig. 3.22). En même temps, appuyez sur (-) ou (+) jusqu'à l'affichage du temps de cuisson requis. L'horloge contrôle
à prisent la période de cuisson de votre ou vos four(s). Le symbole [+] et [AUTO] s'afficheront.
Une fois la période de cuisson terminée, le bip sonore retentit et le symbole [AUTO] clignote. Tournez le bouton de commande du four sur 0, puis appuyez sur n'importe quel bouton pour arrêté le bip sonore. Appuyez sur [ ] pour revenir en mode de cuisson manuelle.
Régler une heures de fin de cuisson
Appuyez sans relâcher sur le bouton Heure d'arrêt (E), (Fig. 3.23). En même temps, appuyez sur (-) ou (+) jusqu'à « l'heure d'arrêt » s'affiche (Fig. 3.24). Le symbole [ ] et [AUTO] s'afficheront.
Une fois l'heure d'arrêt atteinte, le bip sonore retentit et le symbole [AUTO] clignote. Tournez le bouton de commande du four sur 0, puis appuyez sur n'importe quel bouton pour arrêter le bip sonore. Appuyez sur [ ] pour revenir en mode de cuisson manuelle.
Mise en Marche et Arrêt du Four avec Minuterie
Avant de régler la minuterie,CHOISSEZ le « temps de cuisson », et « l'heure d'arrêt »
Remarque : Vous ne pouvez pas régler directement une heures de mise en marche – celle-ci est régée automatiquement lors de la sélection du « temps de cuisson » et de « l'heure d'arrêt »
Appuyez sans relâcher sur le bouton Temps de cuisson [[, (Fig. 3.25). En même temps, appuyez sur (-) ou (+) jusqu'à l'affichage du temps de cuisson requis (Fig. 3.26).
Appuyez sans relâcher sur le bouton Heure d'arrêt [□], (Fig. 3.27). En même temps, appuyez sur (-) ou (+) jusqu'à « l'heure d'arrêt » s'affiche (Fig. 3.28). Relâchez les boutons.
AUTO sera affché (Fig. 3.29).
Réglez le ou les four(s) à la température souhaïée. Une fois la cuisson terminée, [AUTO] clignote et le bip sonore retentit. Tournez le ou les bouton(s) du four à la position OFF en premier, puis appuyez une fois sur n'importe quel bouton pour arrêté le bip sonore; appuyez sur le bouton [d] pour revenir en mode de cuisson manuelle.
Si vous étés absent pendant la cuisson, ne vous inquiétez pas au sujet de l'arrêt du signal sonore, celui-ci s'arrêtea après un certain temps. A votre retour, mettez d'abord le bouton de commande du four sur 0, puis appuyez deux fois sur [d] pour revenir au fonctionnement manuel.
AUTO est Affché, et vous Voulez Remetre le Four sur Fonctionnement Manuel
Pour revenir en mode de cuisson manuelle à partir d'un réglage automatique, appuyez simultanément sur les boutons [+] et [-] . Le programme automatique sera ainsi effacé et vous reviendraz en mode manuel.
Cette action effacera également le réglage [Minuteur].
Pour obtenir une vue d'ensemble des fonctions, reportez-vous au Tableau 3.2.

Fig. 3.23

Fig. 3.24

Fig. 3.25

Fig. 3.26

Fig. 3.27

Fig. 3.28

Fig. 3.29
Tableau 3.2
| Symbole | Fonction | Notes |
| [+] | Règle le minuteur | Utilisé avec les boutons [+] et [-] |
| [...] | Règle la durée / le temps de cuisson | Utilisé avec les boutons [+] et [-] |
| [?] | Règle l'heure de fin / d'arrêt de la cuisson | Utilisé avec les boutons [+] et [-] |
| [or] | Permet de régler l'heure de la journée lorsque le mode « AUTO » n'est pas actif | Utilisé avec les boutons [+] et [-] |
| [...] & [?] | ||
| [+] | Réinitialise la commande de cuisson en mode manuel | |
| [-] | Diminue l'intervalle de temps | Un réglage rapide est obtenu enMAINANT ce bouton enforcé |
| [+] | Augmente l'intervalle de temps | Un réglage rapide est obtenu enMAINANT ce bouton enforcé |
| [+] & [?] | Efface tous les programmes « AUTO » et du minuteur |
François
4. Conseils Pour la Cuisson
Utilisation de Notre Cuisinière à Induction
Si vous n'avez jamais utilisé de cuisinière à induction, tenez compte des conseils suivants :
- S'assurer que les casseroles que vous avez ou avez achétées sont adaptées pour être utilisées sur les plaques à induction. L'acid inoxydable, l'acier en émail et la fonte sont des matérieliaux ideaux. Vérifiez une chose avant d'acheter des casseroles : leur fond doit être aimanté.
- Prenez le temps de vous familiariser avec la cuisson à induction qui, bien que douce, est une cuisson rapide et puissant. Lors du mjotage, vous remarquerez peut-être que le mjotage des liquides sembler cesser puis reprendre presque immédiatement. Ceci est tout à fait normal.
- Vous pourrez entendre un léger bruit de vibration provenant des membres pendant la cuisson à induction. Lci aussi, ceci est tout à fait normal et dépendra du type et de la forme des membres utilisés.
- Les éléments chauffants à induction s'allument et s'éteignent pendant la cuisson. Meme si un foyer en marche semble s'éteindre et s'allumer, une chaleur constante continue d'être fournie au recipient de cuisson - ceci est tout à fait normal.
Conseils Pour la Cuisson Avec Minuterie
Si vous désirez cuire plusieurs plats simultanément,CHOISSEZ des plats nécessitant approximativement le même temps de cuisson. Cependant, la cuisson de certains plats peut etre légèrement 'ralentie'en utilisant des petits plats de cuisson et en les recouvrant d'une feuille de papier aluminium, ou « accélérée » en utilisant de plus petites quantités ou des plats de cuisson plus grands.
Evitez d'utiliser des alimentes rapidement périsssables (poisson, porc, etc.) si vous prévoyez une longue période d'attente, surtout par temps chaud.
Ne place pas des alimentes chauds dans le four qui sera utilisé avec la fonction minuterie.
N'utilise pas un four deja chaud avec la fonction minuterie.
N'utilise pas la fonction minuterie avec un four si le four adjacent est déjà chaud.
Décongelez complètement les volailles entières avant de lesmettre au four. Assurez-vous que les viandes et volailles sont bien cuites avant de les servir.
Conseils Généaux pour la Cuisson au Four
Veillez à ce que les grilles soient toujours insérées à fond dans le four.
Placez les plaques de cuisson, plats à rôtir, etc., à niveau, au centre des grilles du four. Placez les autres plats au centre sur les grilles. Eloignez les plaques et les plats de cuisson des bords du four, afin de ne pas trop dorer les alimentés.
Pour dorer un plat uniformément, il est recommandé d'utiliser une plaque de cuisson de dimensions maximales de 340 mm x 340 mm pour le four gauche (four principal) et de 232 mm x 321 mm pour le four droit (four haut).
Lorsque le four est en marche, NE LAISSEZ PAS la portedu four ouverte plus longtemps que nécessaire, afin deprévenir une surchauffe des boutons de commande.
- Laissez toujours un « doigt de largeur » entre des plats placés sur une grille de four. Ceci afin de facilititer la circulation de chaleur autour des plats.
Pour réduire les projections grasses lorsque vous ajoutez des légumes dans laGRAISSÉchaude autour d'un roti, séchez soigneusement les légumes ou enduisez-les d'un peu d'huile à friture. - Placez les plats susceptibles de bouillir et déborderpendant la cuisson sur une plaque de cuisson.
- Le four produit assez de chaleurpendant la cuisson pour rechauffer des assiettes placées dans l'enceinte du grill.
- Si vous souhaitez dorer un fond de tarte, préchauffez une plaque de cuisson pendant 15 minutes avant de placer le plat au centre de la plaque.
- Les panneaux internes autonettoyants (voir la section « Nettoyage de la Cuisinière ») sont plus efficaces lorsqu'on évite les projections grasses. Couvre la viande pendant la cuisson.
5 Cuisson de la Table
Les températures du four et les temps de cuisson sont fournis à titre indicatif uniquement. En fonction des goûts de chacun, les températures devront peut-être être modifiées dans un sens ou dans l'autre, pour obtenir les résultats que vous recherchez.
Dans un four ventilé les plats sont cuits à une température plus BASSE que dans un four traditionnel. Lorsque vous suivez une recette, réduisez la température indiquée de 10^ et le temps de cuisson de 5-10 minutes. La température dans un four ventilé ne varie pas selon la position dans le four - vous pouvez donc utiliser n'importe celle grille.

H-Haut; C-Centre; B-Base
| Fonction de Four à Chaleur Tournante °C | Position de Grille | Fonction du Four Conventional °C | Temps de Cuisson Approximatif | |
| Vande | ||||
| Bœuf | 150 | C | 160 | 30-35 minutes par 500g +30-35 minutes. |
| 190 | C | 200 | 20-25 minutes par 500g +20-25 minutes. | |
| Agneau | 150 | C | 160 | 30-35 minutes par 500g +30-35 minutes. |
| 190 | C | 200 | 20-25 minutes par 500g +20-25 minutes. | |
| Porc | 150 | C | 160 | 35-40 minutes par 500g +35-40 minutes. |
| 190 | C | 200 | 25-30 minutes par 500g +25-30 minutes. | |
| Volatile | ||||
| Poulet | 150 | C | 160 | 20-25 minutes par 500g +20-25 minutes. |
| 190 | C | 200 | 15-20 minutes par 500g +15-20 minutes. | |
| Dinde | 150 | C | 160 | 25-30 minutes par 500g +25-30 minutes. |
| 190 | C | 200 | 20 minutes par 500g +20 minutes. | |
| Canard | 150 | C | 160 | 25-30 minutes par 500g. |
| 190 | C | 200 | 20 minutes par 500g. | |
| Plat braisé | 130-140 | C | 140-150 | 2-4 heures selon la recette. |
| Poisson | ||||
| 190 | C | 200 | Filet 15-20 minutes. Morceau entier 15-20 minutes par 500g. | |
| 190 | C | 200 | Morceau entier 10 minutes par 500g +10 minutes. | |
| 190 | C | 200 | Steaks selon l'épaissur. | |
| Gâteau | ||||
| Cake 100% fruits confits | 140 | C/B | 150 | 45-50 minutes par 500g de pâté. |
| Fruits 180mm | 150 | C/B | 160 | 2-2,5 heures. |
| Fruits 230mm | 150 | C/B | 160 | 3,5 heures. |
| Gâteau quatre quarts 180mm | 180 | C | 190 | 20-30 minutes. |
| Desserts | ||||
| Tarte pâté brisée | 180 | C | 190 | 30-40 minutes. |
| Tourtes aux fruits | 180 | C | 190 | 30-40 minutes permutation après 25 minutes. |
| Tartelettes | 180 | C | 190 | 15-20 minutes. |
| Pâté feuilletée | 210 | C | 220 | 20-40 minutes selon la taille. |
| Meringues | 90 | C | 100 | 2-2,5 heures selon la taille. |
| Pain | 210 | C | 220 | 20-30 minutes. |
François
6. Nettoyage de la Cuisinière
Avant un nettoyage complet, mettez la cuisinière hors tension. Laissez-la refroidir.
N'utilise jamais de solvants pour peinture, de cristaux de soude, de nettoyants caustiques, de poudres biologiques, d'eau de Javel, de nettoyants chlorés, ni de produits abrasifs à gros grain ou de sel.
Ne mélangez pas plusieurs produits nettoyants, car ils risquent de réagir entre eux et d'avoir des effets nocifs.
Toutes les parties de la cusinière peuvent être lavées à l'eau savonneuse chaude, mais voirlez à prévenir toute infiltration d'eau dans l'appareil.
N'oubliez pas de remettre sous tension et de régler de nouveau l'horloge avant d'utiliser la cuisineire.
Table de Cuisson
Entretien Quotidien
Vérifiez tout d'abord que tous les indicateurs de chaleur résiduelle sont éteints et que la table de cuisson a refroidi. Appliquez une petite quantité de nettoyant semi-liquide pour surface vitrocéramique au centre de chaque zone à nettoyer. A l'aide de papier essuie-tout propre et humide, étalez le produit nettoyant sur la surface de cuisson. Pour finir, essuyez la surface avec du papier essuie-tout propre et sec.
Nettoyage des Débordements
En cas de déversement ou débordement accidentel pendant la cuisson, éteignez la cusinière et essuyez autour de la zone chaude avec du papier essuie-tout propre. Si les alimentés renversés (autres qu'une substance sucrée) se trouvent sur une zone chaude de la table de cuisson, attendez que celle-ci ait entiérement refroidi pour nettoyer et suivez les instructions ci-dessous « Nettoyage des Déversements Brûlés »
En cas de fonte accidentelle d'un objet ou de déversement d'aliments à force teneur en sucre (confiture, sauce tomat, jus de fruit, etc.), ENLEVEZ IMMIEDIATEMENT les aliments déversés à l'aide d'un racloir à lame pendant que la table est encore chaude.
IMPORTANT: Utilisez un gant isolant pour ne pas vous brûler.
Raclez le plus gros des alimentés déversés ou de toute matière qui aurait fondu sur la zone de cuisson et poussez-les vers une zone froide. Mettez ensuite la cusinière sur la position Arrêt [OFF] et laissez-la refroidir avant de continuer le nettoyage. Lorsque la surface de cuisson a refroidie et que les indicateurs de chaleur résiduelle sont éteints, suivez la procédure de nettoyage quotidien décrite plus haut.
Nettoyage des Déversements Brûlés
Vérifiez que les indicateurs de chaleur résiduelle sont éteints et que la table de cuisson a refroidi. Retirez toute matière brûlée à l'aide d'un racloir à lame simple. Tenez le racloir à un angle d'environ 30^ au-dessus de la surface et raclez pour éliminer les dépôts (Fig.6.1). Lorsque le plus gros a été enlevé à l'aide du racloir, suivez la procédure de nettoyage quotidien déscrie plus haut.

Gril
Lavez la l'échefrite et la grille à l'eau savonneuse chaude.
Après les grillades de viandes ou d'aliments salissants, faites tremper dans l'évier, pendant quelques minutes, immédiatement après la cuisson. Les taches tenaces sur la grille peuvent être enlevées à l'aide d'une Brosse en nylon. La l'échefrite peut aussi être lavée au lave-vaiselle.

Avant dePTRirer des composants du gril pour les nettoyer, assurez-vous quils ont refroidi ou protegez-vous avec des gants isolants.
Retrait du Gril Coulissant
Procedez comme suit pour-retirer la lèchefrite à des fins de nettoyage. Pour-retirer le support de la lèchefrite, tirez la lèchefrite vers l'avant (Fig.6.2).
Soulevez la lèchefrite du support. Le support est maintainu sur les glissières laterales par deux clips de chaque côté (Fig.6.3).
Pour chaque côté, soutenez la glissière latérale d'une main et, de l'autre, soulevez le support pour le dégager des clips lateraux (Fig.6.4).
Par sécurité, repoussez les glissières laterales dans l'enceinte du gril.
Pour faciliter le nettoyage de l'enceinte du gril, vous pouvez restorer les glissières laterales en les décrochant des côts de l'enceinte (Fig.6.5) et essayer les côts avec un chiffon doux imbibé de détergent doux.

NE LAVEZ PAS les glissières laterales au lavevaisselle.
Après nettoyage, raccrochez les glissières laterales sur les côtés de l'enceinte du grill. Pour remonter le support, tirez les glissières laterales vers l'avant, et, pour chaque côté, soutenez la glissière et appuyez sur le support pour le réinsérer dans les glissières. Replacez la l'échefrite. Lors de la remise en place de la l'échefrite, assurez-vous que le bord large est à l'avant (Fig.6.6).
Panneau de Commande et Portes
N'utilise pas des produits nettoyants abrasifs, y compris des produits nettoyants semi-liquides, sur les surfaces en acier inoxydable brossé. Les mêleurs résultats s'obtiennent avec des détergents liquides.
Le panneau et les boutons de commande doivent être nettoyés uniquement avec un chiffon doux imbibé d'eau savonnue chaude. Veillez à prévenir toute infiltration d'eau dans l'appareil. ÀpRES nettoyage, lustrez à l'aide d'un chiffon sec.





François



Panneaux de Porte Vitrée
Sur certains modèles, le panneau avant de la porte du four peut être retireé pour permettre le nettoyage des panneaux en verre. Avancez la cusinière afin de pouvoir acceder aux parties latérales (veuillez dire la section « Déplacement de la Cusinière » des générées instructions).
Entrouvre la porte du four et retirez les vis de fixation du panneau avant des côts de la porte (deux de chaque côté) (Fig.6.7).
Soulevez le panneau de porte extérieur avec précaution. Vous pouvez à présent nettoyer la face interieure des panneaux, en veillant à ne pas déplacer ni mouiller les joints d'étanchéité de la porte.
Remarque: Si la porte est dotée d'un triple vitrage, les panneaux interieurs sont fixés ensemble et ne doivent pas séparés.
N'UTILISEZ PAS de produits nettoyants décapants et abrasifs ni de racloirs métalliques acérés pour nettoyer la surface en verre de la porte du four, afin de prévenir tout risque de rayures et de fissures du verre.
Fours
Panneaux Autonettoyants du Four
Le four principal est doté de panneaux amovibles à revêtement émailé qui sont partiellement autonettoyants. Ceci n'empêche pas complètement la formation de taches sur le revêtement, mais réduit le nettoyage manuel nécessaire.
Le nettoyage automatique des panneaux est plus efficace à une température supérieure à 200^ . Si, en général, vous utilisez le four à des températures inférieures, retirez occasionallyment les panneaux et essuyez-les avec un chiffon non pelucheux imbibé d'eau savonneuse chaude. Séchez et replacez les panneaux dans le four chauffé à 200^ pendant environ une heures. Ceci assurera un bon fonctionnement des panneaux autonettoyants.
N'utilise pas de paille de fer ou tout autre matériel susceptible de rayer la surface.
Déposer les panneaux pour nettoyer l'intérieur en émail
Si vous souhaitez nettoyer l'intérieur du four qui est en émail, vous devez-retirer les grilles avant d'enlever les parois. Il n'est pas nécessaire de retarder les supports pour enlever les parois. Soulevez chaque paroi et dégagez-la en la faisant coulisser sur les supports (Fig.6.8). Une fois que les panneaux ont été retirés, l'intérieur en émail du four peut être nettoyé.
Remontez dans l'ordre inverse.
Four Haut
Pour nettoyer les parois du four, retirez les grilles, décrochez et retirez les supports latéraux (Fig.6.9).
Tableau Nettoyage
Les produits nettoyants indiqués sont en vente dans les supermarchés ou les magasins d'accessoires électriques (Tableau 6.1).
Pour les surfaces émaillées, utilisez un produit nettoyant commande pour l'email vitrifié.
Un nettoyage régulier est recommandé. Pour faciliter le nettoyage, essuyez les taches immédiatement.
Tableau 6.1
| Table de Cuisson | ||
| Composant | Finition | Méthode de Nettoyage Recommandée |
| Surface de la table de cuisson | Émail ou acier inoxydable | Eau savonneuse chaude, chiffon doux. FrottezDoucement avec un tampon à récurer en nylon pour éliminer les taches tenaces. |
| Table de cuisson céramique/induction | Verre trempé | Eau savonneuse chaude, nettoyant crème/tampon à récurer si nécessaire. |
| Plaque à griller (selon les modèles) | Surface antiadhésive | Laissez refroidir. Lave à l'eau savonneuse chaude. N'utilise pas de produits nettoyants/tampons abrasifs. Lave-vaiselle. |
| Zone de réchauffage (selon les modèles) | Verre trempé | Eau savonneuse chaude, nettoyant crème/tampon à récurer si nécessaire. |
| Extrérieur de la Cuisinière | ||
| Composant | Finition | Méthode de Nettoyage Recommandée |
| Porte, pourtour de portet extérieur du tiroir de rangement | Émail ou peinture | Eau savonneuse chaude, chiffon doux.FrottezDoucement les tâches tenaces avec un détergent liquide. |
| Acier inoxydable | Chiffon multi-uses en microfibre (supermarché). | |
| Côtés et plinthe | Surface peinte | Eau savonneuse chaude, chiffon doux. |
| Dosseret / Grille arrière | Émail ou acier inoxydable | Eau savonneuse chaude, chiffon doux. Nettoyez soigneusement avec un produit nettoyant semi-liquide, si nécessaire. |
| Panneau de commande | Peinture, émail, acier inoxydable ou verre | Eau tiège savonneuse. Ne pas utiliser de nettoyant autre que du liquide vaisselle, car il pourrait endommager l'appareil d'un point de vue esthétique. |
| Boutons de commande/poignées et garnitures | Plastique / chrome ou cuivre / laiton laqué | Eau savonneuse tiège, chiffon doux. |
| Laiton l'aqué | Produit de polissage pour laiton (supermarché). | |
| Vitre de porte de four / Couvercle en verre | Verre trempé | Eau savonneuse chaude, nettoyant crème/tampon à récurer si nécessaire. |
| Four et Gril | ||
| Composant | Finition | Méthode de Nettoyage Recommandée |
| Parois, sole et voute du four - PAS les PANNEAUX AUTONETTOYANTS (voir ci-dessous) | Émail | Tout produit nettoyant pour four utilisable avec l'émail.AKTENTION: produits nettoyants corrosifs/caustiques pour fours: suivez les instructions du fabricant.Evitez tout contact avec les éléments du four. |
| Panneaux autonettoyants de four (selon les modèles) | Émail spécifique partiellement autonettoyant | Cette surface est autonettoyante à 200 °C ou plus; vous pouvez également retarder les panneaux et les nettoyer à l'eau savonneuse chaude et avec une Brosse en nylon. |
| Grilles de four, Handyrack, grille de l'echefrite, Handygrill | Chrome | Tout produit nettoyant pour four utilisable avec le chrome. Tampon à récurer savonneux. Lave-vaiselle. |
| L'echefrite/Plat à viande (selon les modèles) | Émail | Eau savonneuse chaude. Tampon à récurer savonneux. Lave-vaiselle. |
François
7. Dépannage
A
NE PAS faire effectuer de modifications ou de réparations de la table de cuisson par des personnes non qualifiées. N'essayez pas de réparer la table de cuisson; vous risquez de vous blesser et d'endommager la table. Faites effectuer la réparation par une personne compétente.
Remarque: La table de cuisson à induction est dotée d'un système de diagnostic automatique et peut afficher ces diagnostics sur l'affichage des commandes de la table. Des codes d'erreur peuvent être affichés dans le cas d'un fonctionnement défectueux de la table de cuisson.
Les informations ci-dessous pourront vous être utiles pour remédier au problème en cas d'affichage d'un code d'erreur ou de fonctionnement défectueux de la cuisine.
Affichage du code d'erreur E2
L'unité électronique est trop chaude. Vérifiez l'installation de la cusinière, pour vous assurer que la ventilation en place est suffisante. Dans des cas extrêmes, ce code d'erreur peut être affché si un recipient de cuisson continue de fonctionner à sec après ébullition. En cas de doute, veuillez contacter votre installerateur ou un réparateur qualifié.
Absence d'affichage
Surtension ou absence de tension d'alimentation de la cusinière. En cas de doute, veuilles contacter votre installerateur ou un réparateur qualifié.
Affichage du code d'erreur U400
La plaque/ la cusinière est mal branchée. L'écran de commande va s'eteindre au bout d'1 seconde environ et le code d'erreur s'affichera en continu.
Utilisez-vous l'ustensile de cuisine adapté ? Veuillez vous reférer aux instructions d'utilisation sur la selection d'ustensiles de cuisine appropriés.
Affichage du code d'erreur Er suivi d'un chiffre
L'appareil présente un problème technique interne qui ne peut pas etre rectifie par l'utilisateur. Veuillez contacter votre installerateur ou un reparateur qualifie.
Le fusible saute ou le disjoncteur différentiel est déclenché féquemment
Veuillez contacter votre installer ou un réparateur qualifié.
La table de cuisson ne se met pas en marche
Votre système électrique domestique a-t-il fait sauter un fusible ou déclenché un disjoncteur différentiel ?
La table de cuisson a-t-elle ete connectee correctement a l'alimentation secteur ?
La fonction verrouillage sécurité enfants a-t-elle ete activee?Voir la section Verrouillage sécurité enfants pour plus d'informations sur cette fonction.
La table de cuisson à induction est bruyante
Lors de l'utilisation de la table de cuisson à induction, un « bruit » peut être audible au niveau des foyers. Ceci est normal et peut être plus audible dans le cas d'une cuisson aux puissances maximes ou de l'utilisation simultanée des cinq foyers. Le type de recipient de cuisson peut aussi contribuer à ce « bruit »
Le ventilateur de refroidissement
La plaque à induction comprend un ventilateur de refroidissement. Le ventilateur est en action lorsque le grill ou le four sont allumés. Dans certaines conditions, le ventilateur peut rester en action lorsque le grill et le four sont éteints. Cela est normal et le ventilateur s'éteindra automatiquement.
Une fissure est visible sur la surface de la table de cuisson
Mettez immédiatement la cusinière hors tension et faites-la réparer. N'utilisez pas la cusinière tant qu'elle n'a pas été réparée.
La table de cuisson est rayée
Utilisez toujours les méthodes de nettoyage recommandées dans les Presents instructions, et voirlez à utiliser des recipients de cuisson à fond lisse et propre.
Les traces laissées par les dépôts mineraux dus à l'eau et aux alimentes, peuvent être éliminés à l'aide d'un produit nettoyant semi-liquide. Il n'est pas toujours possible d'éliminer les toutes petites rayures, mais celles-ci s'estomperont à la longue après plusieurs nettoyages.
Le ventilateur du four est bruyant
Le bruit du ventilateur peut changer pendant le chauffage du four - ici est tout à fait normal.
Le gril ne cuit pas correctement
Utilisez-vous la lèchefrite et la grille fournies avec la cuisinière? Utilisez-vous la lèchefrite sur les glissières et non pas directement sur la surface inférieure de l'enceinte du gril? La lèchefrite est-elle insérée à fond jusqu'à la butée arrête?
Les boutons de commande deviennent chauds lorsque j'utilise le four ou le grill. Comment faire pour empêcher cela ?
Ceci est d'à la chaleur provenant du four ou du grill. Ne laissez pas la porte du four ouverte.
Lorsque vous utilisez le grill, assurez-vous que la l'echefrite du grill est bien insérée jusqu'à la butée arrière.
Laissez toujours la porte de l'enceinte du grill ouverte pendant l'utilisation du grille.
En cas de problème concernant l'installation, si mon installateur d'origine ne peut pas venir résoudre le problème, à qui incombent les frais?
C'est à vous qu'incombent ces frais. Les sociétés d'entretien factureront leurs interventions si elles réparent une installation effectuee par votre installerateur d'origine. Il est de votre intérêt de contacter votre installerateur d'origine.
Panne de courant
En cas de panne de courant, n'oubliez pas de régler de nouveau l'horloge pour permettre le fonctionnement automatique du four.
Les alimentés cièsent trop lentement, trop rapidement, ou brûlent
Les temps de cuisson peuvent être différents de ceux de votre ancien four. Vérifiez que vous utilisez les températures et positions de grilles de four recommendées. Les températures du four et les temps de cuisson sont fournis à titre indicatif uniquement. En fonction des goûts de chacun, les températures devront peut-être être modifiées dans un sens ou dans l'autre, pour obtenir les résultats que vous recherchez.
La cuisson au four n'est pas uniforme
N'utilise pas de plat ou de plaque de cuisson de dimensions supérieures à celles indiquées dans la section « Conseils Généaux Pour la Cuisson au Four »
Dans le cas d'un grand plat, vous devrez peut-être le tourner pendant la cuisson.
Si vous utilisez deux grilles, vérifie qu'il y a assez de place pour permettre à la chaleur de circuler. Lorsque vous insérez une plaque de cuisson dans le four, voirlez à la placer au centre de la grille.
Vérifiez que le joint d'étanchéité de la porte n'est pas endommagé et que le loquet de porte est régle de façon à ce que la porte soit bien appuyée contre le joint.
Un réseau d'eau place sur la grille doit avoir une profondeur uniforme. (S'il est plus profond à l'arrière, par exemple, l'arrête de la cusinière doit être levé ou l'avant de la cusinière abaisse.) Si la cusinière n'est pas à niveau, demandez à votre fournisseur de laMETTE à niveau.
Le four ne s'allume pas lorsqu'il est mis en marche manuellement
L'appareil est-il sous tension? L'horloge est-elle éclairée? Si ce n'est pas le cas, l'alimentation électrique est peut-être défectueuse. Le sectionneur de l'alimentation électrique de la cuisine est-il sur la position Marche?
L'heure a-t-elle ete reglee?
Le four ne s'allume pas avec la mise en marche automatique
Le bouton de commande du four a-t-il eté laissé par erreur sur ARRET (OFF)? Four est-il verrouillé (voir ci-dessus)?
Avec le temps, la température du four de la cuisinière devient plus chaude
Si le fait demettre le bouton de réglage sur une température inférieure n'a pas eu d'effet ou a eu un effet-temporaire, vous devrez peut-être replacer le thermostat. Cette intervention doit être effectuee par un spécialiste de l'entretien.
L'éclairage du four ne fonctionne pas
L'ampoule a probablement grillé. Vous pouvez acheter une ampoule de rechange (non couverte par la garantie) dans un magasin d'accessoires électriques. Demandez une ampoule à culot vissable Edison 15W
Français
230V, POUR FOURS. Cette ampoule doit pouvoir résister à une température de 300^ (Fig.7.1).
Avant de-retirer l'ampoule usagée,mettez la cusinière hors tension et assurez-vous que le four a refroidi.
Ouvrez la porte du four et retirez les grilles du four.
Dévissez le couvercle de l'ampoule en tournant en sens antihoraire (il peut être très difficile à dévisser)
(Fig.7.2).
Dévissez l'ampoule en tournant en sens antihoraire, en vous protégeant les mains avec un gant pour ne pas vous blesser. Vissez l'ampoule de rechange, puis revissez le couvercle de l'ampoule. Remettez l'appareil sous tension et contrôle le fonctionnement de l'éclairage.
La porte du four est alignée mal
La charnière inférieure de la main gauche la porte du four peut être réglée pour modifier l'angle de la porte (Fig.7.3). Desserrez les vis de fixation de la charnière inférieure, et utilisez le cran et un tournevis à lame plate pour changer la position de la charnière et la régler (Fig.7.4).
Resserrez les vis de la charnière.




INSTALLATION
Une fois le travail terminé, vérifie que les alimentations d'électricité sont correctement rebranchées.
8. Installation
A L'intention de L'installateur
Avant de commencer l'installation, veuillez replir la fiche ci-dessous. Ceci permettra à votre client de vous contacter facilement en cas de problème relatif à l'installation.
Mesures et Règlements de Sécurité

Cette cusinière doit être installée conformément aux instructions appropriées des générées et à la réglementation nationale et locale en vigueur, ainsi qu'aux prescriptions des compagnies d'électricité locales.

Cet apparéil doit être installé conformément à la réglementation en vigueur, et uniquement dans un endroit bien ventilé.

Lisez les instructions avant d'installer ou d'utiliser cet apparéil.

Cet apparéil est conçu uniquement pour un usage domestique. Toute autre utilisation n'engage ni la responsabilité, ni la garantie du fabricant.
Ventilation
Cet apparéil n'est pas raccordé à un dispositif d'évacuation des produits de combustion. Prétez particulièrement attention à la réglementation en vigueur concernant la ventilation.
Toutes les pieces nécessitent une fenêtre ouvrable ou un dispositif équivalent, et certaines pieces nécessitent une mise à l'air libre permanente en plus de la fenêtre ouvrable.
Emplacement de la Cuisinière
La cusinière peut être installée dans une cuisine/un salon-cuisine, mais PAS dans une piece contenant une baignoire ou une douche.
L'installation de la cusinière nécessitera l'emploi du matériel indiqué ci-dessous:
Multimetre: Pour les contrôles électriques
Vou aurez aussi besoin des outils suivants :
- Metre en acier
- Tournevis cruciforme
- Tournevis à lame plate
- Niveau à bulle
- Crayon
- Clé réglable
- 4 mm et 3 mm clé hexagonale
- Clé polygonale ou à douilles de 13 mm
Vérification des Pièces:
| Dosseret (Classic) | Lèchefrite et grille (modèle standard illustré) |
| 2 grille plates | Handyrack |
| Plat à rôtir | Grilles et supports de grillés de four haut |
| Plinthe (modèle standard illustré) | Stabilité emplacement support |




Positionnement de la Cuisinière
La Fig.8.1 indique les cotes minimales recommandées entre la cusinière et les surfaces adjacentes.
Ne placez pas la cuisineire sur un support.
Le pourtour de la table de cuisson doit être au niveau ou au-dessus de tout plan de travail adjacent. Laissez un espace de 75 mm AU-DESSUS du niveau de la table de cuisson entre chaque côté de la cusinière et toute surface verticaleAdjacente.
Pour les surfaces non combustibles (telles que le métal non point ou les carrelages), cette cote peut être de 25mm .
Laissez un espace de 650 mm au minimum entre la partie supérieure de la table de cuisson et une surface horizontally combustible.
La Fig.8.2 indique les dégagements recommendés au-dessus de la cuisine.
*Toute hotte de cusinière doit être installée conformément aux instructions du fabricant de hotte.
** Tout revêtement doit être installé conformément aux instructions du fabricant. Une marge doit être appliquée pour le poids supplémentaire du conduit qui est installé sur la plaque chauffante de la cuisinière.
Les surfaces des meubles et des murs de chaque côté et à l'arrière de l'appareil doivent être résistantes à la chaleur, aux éclaboussures et à la vapeur. Certains types de meubles de cuisine en vinyle ou en stratifié sont particulièrement susceptibles aux risques de dommages thermiques et de décoloration. Nous déclinons toute responsabilité pour des dommages résultat d'une'utilisation normale de la cusinière et subis par des matériaux qui se décollent ou se décolorent à des températures de moins de 65^ au-dessus de la température ambiente.
Nous recommendons de laisser un espace de 910 mm (920 mm pour les cusinières à induction) entre les unités pour permettre le déplacement de la cusinière. La cusinière ne doit pas être encastrée. Elle doit pouvoir être déplacee vers l'avant et vers l'arriere pour le nettoyage et l'entretien.
Si la cusinière est pres d'un coin de la cuisine, un dégagement de 130mm est nécessaire pour permettre l'ouverture des portes du four (Fig.8.3). La cote d'ouverture des portes est légèrement inférieure à ce dégagement, mais ceci inclut une marge de sécurité pour la protection des mains lors de l'ouverture de la porte.
Déplacement de la Cuisinière
N'essayez jamais de déplacer la cusinière lorsqu'elle-ci est sous tension.
La cuisine est très lourde, faites très attention.
Nous recommendons de faire appel à deux personnes pour déplacer la cusinière. Assurez-vous que le revêtement du sol est solidement fixé en place ou retirez-le afin de ne pas l'abîmer en déplaçant la cusinière. Depuis l'arrière, inclinez la cusinière vers l'avant et retirez la partie arrrière du socle d'emballage en polystyrene (Fig.8.4). Repétez cette procédure à l'avant et retirez la partie avant du socle.
INSTALLATION
Une fois le travail terminé, vérifie que les alimentations d'électricité sont correctement rebranchées.
Abaisissement des Deux Galets Arrière
Pour ajuster la hauteur de l'arrière de la cusinière,mettre d'abord une clé à douille ou à crochet de 13 mm dans l'écrou hexagonal d'ajustement (Fig.8.5).
Tourner l'écrou dans le sens horaire pour soulever et dans le sens antihoraire pour baiser. Effectuez 10 tours complets (360^) en sens horaire.
Veillez à abaisser les DEUX GALETS ARRIERE.
Exécution du Mouvement
Dépliez le bord arrêté du plateau d'emballage. Ouvrez la porte du gril et la porte du four droit pour avoir une bonne prise sur la partie inférieure du panneau de commande pour déplacer la cusinière (Fig.8.6).
Poussez la cuisine vers l'arrière avec précaution pour la dégager de son socle d'emballage. Retirez le plateau d'emballage.
Poussez la cuisineire pres de sa position finale, en laissant juste assez de place pour pouvoir avoir accès à l'arrête (Fig.8.7).

N'utilise pas les poignées de portes ou les boutons de commande pour déplacer la cuisineire.
Montage de la stabilité Bracket
Ce dispositif stabilisateur n'est pas fourni avec l'appareil mais est en vente dans la plupart des magasins de bricolage.
Si vous utilisez un support de stabilité; fixez d'abord le dispositif de localisation de support à l'arrête de la cusinière (Fig.8.8). Puis ajustez le support pour engager dans la fente de l'appareil (Fig.8.9 et Fig.8.10).
Repositionnement de la Cuisinière après Raccordement
Si vous nevez déplacer la cusinière après son raccordement, débranche la cusinière, agrippez-la sous le panneau de commande et levez légèrement l'avant de la cusinière (Fig.8.6). Vérifiéz à l'arrête de l'appareil que le cable d'alimentation n'est pas entravé. Pendant le déplacement de la cusinière, assurez-vous que le cable électrique et le tuyau de gaz ne sont pas entravés.
Si la cusinière est dotée d'une chaîne stabilisatrice, défaites-la pour pouvoir manœuvrer la cusinière. N'oubliez pas de la remettre en place lorsque vous replace la cusinière.
Lors de la remise en place de la cusinière, vérifiez de nouveau que le cable électrique et le tuyau de gaz ne sont pas entravés ou coincés.
Mise à Niveau
Nous vous recommendons d'utiliser un niveau à bulle place sur une des grilles de four pour vérifier le niveau.
Placez la cusinière à l'emplacement prévu pour son installation, en veillant à ne pas exercer de force de torsion lorsque vous l'insérez entre les éléments de cuisine, pour ne pas l'endommager ou endommager les éléments.


Fig.8.6

Fig.8.7


Fig.8.9

INSTALLATION
Une fois le travail terminé, vérifie que les alimentations d'électricité sont correctement rebranchées.
Disjoncteurs Différentiels
L'utilisation conjointe de votre cusinière et d'autres appareils domestiques peut entraîner des disjonctions fortuites; par conséquent, nous recommendons de protégger la cusinière par un disjoncteur différentiel.
EN CAS DE DOUTE, CONSULTEZ UN ELECTRICIEN QUALIFIE.

Fig.8.11

Fig.8.12
Les supports avant et les galets arrêté régiables permettent la mise à niveau de la cusinière. Pour régler la hauteur de l'arrière de la cusinière, utilisez l'outil de mise à niveau fourni pour tourner les écrous de réglage aux coins avant inférieurs de l'appareil. Pour lever ou abaisser les supports, tournez les rondelles montées sur les supports.
Raccordement Électrique
Cet apparéil doit être installé par un électricien qualifié, conformément à la réglementation en vigueur et aux prescriptions de la compétie d'électricité locale.

MISE EN GARDE : CET APPAREIL DOIT ETRE MIS A LA TERRE.
Remarque: La cusinière doit être raccordée à l'alimentation électrique correcte, indiquée sur l'étiquette de tension sur l'appareil, par le biais d'une unité de commande de cusinière appropriée à interrupteur bipolaire (avec une séparation de contact de 3 mm au minimum entre les pôles).

Cette cuisinière ne doit pas etre raccordee a une prise d'alimentation domestique ordinaire.
Pour acceder au bornier d'alimentation secteur, retirez le boitier électrique sur le panneau arrière. Raccordez le cable d'alimentation secteur aux bornes correctes pour votre type d'alimentation électrique (Fig.8.11 et Fig.8.12). Vérifiez que les connecteurs sont montés correctement et que les vis des bornes sont bien serrées. Fixez le cable d'alimentation secteur à l'aide du serre-câble.
INSTALLATION
Une fois le travail terminé, vérifie que les alimentations d'électricité sont correctement rebranchées.
Vérifications Finales
Contrôle de la Table de Cuisson
Contrôlez chaque foyer. Veillez à utiliser des recipients de cuisson recommends et de diamètres appropriés.
Contrôle du Gril
Tournez le bouton de commande du grill et vérifie que le grill commence àCHAuffer.
Contrôle des Fours
Réglez l'horloge conformément aux instructions données précédemment, et allumez les fours. Vérifiez que les ventilateursurs des fours se mettent en marche et que les fours commencent à chauffer. Eteignez les fours.
Montage Final
Montage des Poignées et de la Balustrade (selon le modulo)
Déposez les vis Allen 4 mm des portes à l'aide de la clé hexagonale (Fig.8.13). Vissez les poignées de portes.

Les poignées doivent être au-dessus des fixations.
Retirez les vis Allen 4 mm des coins supérieur du bandeau (Fig.8.14). Montez la barre à torchons et fixez-la à l'aide des vis 4 mm.
Montage de la Plinthe 1 Pièce
(Classic et Professional +)
Dévissez les trois vis le long du bord inférieur avant de la cuisine. Insérez l'encoche centrale en forme de trou de serrure sur la vis centrale. Tournez et insérez les encoches d'extrémités en trou de serrure sur leurs vis respectives. Vissez et fixez chaque encoche en forme de trou de serrure sur leurs vis respectives. Serrez les vis de fixation (Fig.8.15).
Montage de la Plinthe 2 Pièce
(Classic Deluxe et Professional Deluxe)
Montez la plinthe interieure à l'avant inférieur de la cuisine à l'aide des quatre vis fournies (Fig.8.16).
Fixez la plinthe extérieure (une vis à chaque extrémité) à la plinthe interieure.
Grçé à l'encôche, vous pouvez ajuster la position de la plinthe extérieure en la faisant glisser vers le haut ou le bas (Fig.8.17).
Montage du Dosseret (option)
Placez le dosseret à l'arrière de la table de cuisson et fixez-le à l'aide des vis fournies.
Conseils à la Clientèle
Veuillez inscrite les informations vous concernant dans les générées instructions. De même, indiquez à l'utilisateur comment faire fonctionner la cusinière et remettez-lui les instructions.
Merci.





François
9. Schémas de Câblage

Table de Cuisson
| Code | Élément |
| 1 | Element avantue gauche |
| 2 | Element arrêté gauche |
| 3 | Element avanté droite |
| 4 | Element arrêté droite |
| 5 | Element centrale |
| Code | Couleur |
| w/br | Blanc / Brun |
Four Ventilé
Classic et Professional+

Legende
Les raccords indiqués sur la schéma de câblage sont pour une alimentation monophasée. Les capacities nominales sont pour 230V50Hz
| Code | Élément |
| A1 | Régulateur d'énergie de la grille |
| A2 | Interrupteur avant de la grille |
| A3 | Grill elements |
| B1 | Thermostat de four gauche |
| B2 | Interrupteur du thermostat du four gauche |
| B3 | Éléments de four de gauche |
| B4 | Ventilateur du four gauche |
| C1 | Thermostat du four à droite |
| C2 | Interrupteur du thermostat du four droite |
| C3 | Élément de four droite |
| C4 | Ventilateur de four droite |
| Code | Élément |
| D | Horloge |
| F | Le ventilateur de refroidissement |
| G1 | Interrupteur d'éclairage du four |
| G2 | Eclairage de four |
| H | Protecteur thermique |
| J | Néon |
| Code | Couleur |
| b | Bleu |
| br | Brun |
| bk | Noir |
| or | Orange |
| r | Rouge |
| v | Voilet |
| w | Blanc |
| y | Jaune |
| g/y | Vert / jaune |
| gr | Gris |
François
Four Multifonction
Classic Deluxe & Professional Deluxe

Legende
Le raccord indiqué sur le schéma de câblage est pour une alimentation monophasée. Les capacités nominales sont pour 230 V 50 Hz.
| Code | Description |
| A1 | Interrupteur avant grill |
| A2 | Régulateur de l'énergie grill |
| A3 | Éléments grill |
| B1 | Thermostat de four multifonctions |
| B2 | Commutateur four multifonctions |
| B2a | Multifonction de commutation avant du four thermostat |
| B3 | Élement de base multifonction |
| B4 | Élement supérieur de four multifonctions (extérieure) |
| B5 | Élement gratineur de four multifonctions (intérieure) |
| B6 | Élement de ventilateur de fourmultifonctions |
| B7 | Ventilateur du four multifonctions |
| C | Horloge |
| Code | Description |
| D1 | Thermostat du four à droite |
| D2 | Commande de four à chaleur tournante de droite |
| D3 | Élément de four à droite |
| D4 | Ventilateur du four à droite |
| F1 | Le ventilateur de refroidissement |
| F2 | Interrupteur d'éclairage du four |
| G | Eclairage de four |
| H | Protecteur thermique |
| I | Indicateur de chauffage de grill |
| I1 | Indicateur de chauffage de four de gauche |
| I2 | Rapid néon d'échauffement |
| K | Indicateur chauffage de four de droite |
| Code | Colour |
| b | Bleu |
| br | Brun |
| bl | Noir |
| or | Orange |
| r | Rouge |
| v | Voilet |
| w | Blanc |
| y | Jaune |
| g/y | Vert / jaune |
| gr | Gris |
10. Fiche Technique
A L'INTENTION DE L'INSTALLATEUR: Veuillez remetre les presentes instructions à l'utilisateur.
EMPLACEMENT DU BADGE TECHNIQUE: Arrière de la cusinière, badge auxiliaire de numéro de série sous l'ouverture de la porte du four.
PAYS DE DESTINATION: GB, IE, FR, NL, DE, SE, BE, AT, CH, LU.
Raccordements
| Électriques | 230/400V~50 Hz 3N |
Dimensions
| Hauteur hors tout | Min 905 mm | Max 930 mm |
| Largeur hors tout | 900 mm | |
| Profondeur hors tout: Classic | 596 mm sans poignées, 657mm avec poignées | |
| Profondeur hors tout: Classic Deluxe | 597 mm sans poignées, 666 mm avec poignées | |
| Profondeur hors tout: Professional Deluxe | 595 mm sans poignées, 642 mm avec poignées | |
| Profondeur hors tout: Professional+ | 596 mm sans poignées, 642mm avec poignées | |
| Cote minimale au-dessus de la table de cuisson | 650 mm | |
Voir « Positionnement de la cusinière »
Puisances

Astuces d'économie d'énergie réchaud
Utiliser une batterie de cuisine avec une base plate.
Utiliser une batterie de cuisine à la bonne taille.
Utiliser une batterie de cuisine avec un couvercle.
Réduire la quantité de liquide ou de graisse au minimum.
Dès que le liquide commence à bouillir, baisser le feu.
La consommation repose sur G30.
Astuces d'économie d'énergie four
Cuisiner si possible les aliments en meme temps.
Observer un temps de pré-cuisson court.
Ne pas prolonger le temps de cuisson.
Ne pas oublier d'etreindre l'appareil à la fin de la cuisson.
Ne pas ouvrir la porte du four en cours de cuisson.
François
Données d'efficacité du Réchaud
| Marque | Falcon |
| Identification du Modèle | Classic |
| Classic Deluxe | |
| Professional+ | |
| Professional Deluxe | |
| Taille | 90 |
| Type | Induction |
| Type de Plaque | Induction |
| Nombre de zones électriques | 5 |
| Zone 1 - Ø cm | 18.5 |
| Technologie de chauffage | |
| Consommation d'énergie (cuisson ECElectric) - Wh/kg | 180 |
| Zone 2 - Ø cm | 15.5 |
| Technologie de chauffage | |
| Consommation d'énergie (cuisson ECElectric) - Wh/kg | 172 |
| Zone 3 - Ø cm | 18.5 |
| Technologie de chauffage | |
| Consommation d'énergie (cuisson ECElectric) - Wh/kg | 180 |
| Zone 4 - Ø cm | 15.5 |
| Technologie de chauffage | |
| Consommation d'énergie (cuisson ECElectric) - Wh/kg | 172 |
| Zone 5 - Ø cm | 18.5 |
| Technologie de chauffage | |
| Consommation d'énergie (cuisson ECElectric) - Wh/kg | - |
| Zone 6 - Ø cm | - |
| Technologie de chauffage | |
| Consommation d'énergie (cuisson ECElectric) - Wh/kg | |
| Consommation d'énergie (plaque ECElectric) - Wh/kg (*) | 175 |
Les informations qui sont marquées par (*) ne sont pas nécessaires avec les plaques de cuisson à combustible mixte
Classic, Professional+
Données du Four
| Marque | Falcon | |
| Identification du Modèle | Classic | |
| Masse | kg | 116 |
| Identification du Modèle | Professional + | |
| Masse | kg | 113 |
| Type de four | Électrique | |
| Nombre de cavités | 2 | |
| Efficacité énergétique côte gauche | ||
| Type de carburant | Électrique | |
| Type de cavité | Attisé | |
| Courant - Par convention | - | |
| Courant - Convection forçée | 2.5 | |
| Volume | Litres | 73 |
| Consommation d'énergie (électricité) - conventionnelle | kWh / cycle | - |
| Consommation d'énergie (électricité) - convection forçée | kWh / cycle | 0.88 |
| Indice d'efficacité énergétique - conventionnelle | - | |
| Indice d'efficacité énergétique - convection forçée | 102.7 | |
| Classe énergétique | A | |
| Efficacité énergétique côte croite | ||
| Type de carburant | Électrique | |
| Type de cavité | Four éventées | |
| Courant - Par convention | - | |
| Courant - Convection forçée | 2.5 | |
| Volume | Litres | 67 |
| Consommation d'énergie (électricité) - conventionnelle | kWh / cycle | - |
| Consommation d'énergie (électricité) - convection forçée | kWh / cycle | 0.8 |
| Indice d'efficacité énergétique - conventionnelle | - | |
| Indice d'efficacité énergétique - convection forçée | 96.2 | |
| Classe énergétique | A | |
| Informations supplémentaires | |
| Ce four est conforme à la norme EN 60350-1 | |
| Rendement maximum @ 230 V 50 Hz | |
| Convention | 2.2 kW |
| Multifonction | 2.5 kW |
| Variante de four multifonction (avec réponse rapide) | - |
| Convection forçée | 2.5 kW |
| Gril | 2.3 kW |
| Four lent | - |
| Tiroir pour calibrage du pain | - |
| Charge électrique totale maximum à 230 V (total approximatif, y compris les lumières du four, le ventilateur du four, etc.) | 14.9 kW |
Classic Deluxe, Professional Deluxe
Données du Four
| Marque | Falcon | |
| Identification du Modèle | Classic Deluxe | |
| Masse | kg | 114 |
| Identification du Modèle | Professional Deluxe | |
| Masse | kg | 115 |
| Type de four | Électrique | |
| Nombre de cavités | 2 | |
| Efficacité énergétique côte gauche | ||
| Type de carburant | Électrique | |
| Type de cavité | Multifonction | |
| Courant - Par convention | 2.2 | |
| Courant - Convection forçée | 2.5 | |
| Volume | Litres | 73 |
| Consommation d'énergie (électricité) - conventionnelle | kWh / cycle | 1.08 |
| Consommation d'énergie (électricité) - convection forçée | kWh / cycle | 0.91 |
| Indice d'efficacité énergétique - conventionnelle | 126.1 | |
| Indice d'efficacité énergétique - convection forçée | 106.2 | |
| Classe énergétique | A | |
| Efficacité énergétique côte croite | ||
| Type de carburant | Électrique | |
| Type de cavité | Four éventées | |
| Courant - Par convention | - | |
| Courant - Convection forçée | 2.5 | |
| Volume | Litres | 67 |
| Consommation d'énergie (électricité) - conventionnelle | kWh / cycle | - |
| Consommation d'énergie (électricité) - convection forçée | kWh / cycle | 0.8 |
| Indice d'efficacité énergétique - conventionnelle | - | |
| Indice d'efficacité énergétique - convection forçée | 96.2 | |
| Classe énergétique | A | |
| Informations supplémentaires | |
| Ce four est conforme à la norme EN 60350-1 | |
| Rendement maximum @ 230 V 50 Hz | |
| Convention | 2.2 kW |
| Multifonction | 2.5 kW |
| Variante de four multifonction (avec réponse rapide) | 3.7 kW |
| Convection forçée | 2.5 kW |
| Gril | 2.3 kW |
| Four lent | - |
| Tiroir pour calibrage du pain | - |
| Charge électrique totale maximum à 230 V (total approximatif, y compris les lumières du four, le ventilateur du four, etc.) | 16.1 kW |
Notice Facile