MODELS B3W0..U4X(2 OR 5)D - Plaque de cuisson gaz BERTAZZONI - Notice d'utilisation et mode d'emploi gratuit
Retrouvez gratuitement la notice de l'appareil MODELS B3W0..U4X(2 OR 5)D BERTAZZONI au format PDF.
| Type d'appareil | Table de cuisson gaz encastrable |
| Dimensions (L x P) | 925 mm x 540 mm |
| Nombre de brûleurs | Non précisé |
| Type de brûleurs | Gaz |
| Type d'installation | Encastrement |
| Certification | Certifié |
| Modèles compatibles | Type A et Type B |
| Sécurité | Respect des codes et ordonnances |
| Instructions d'installation | Installation par professionnel qualifié requise |
| Usage | Usage domestique non professionnel |
| Précautions en cas de fuite de gaz | Ne pas allumer d'appareil, ne pas toucher aux interrupteurs, ne pas utiliser de téléphone, appeler le fournisseur de gaz |
| Garantie fabricant | Non précisée |
| Matériau de la surface | Non précisé |
| Type de commandes | Non précisé |
| Consommation énergétique | Non précisée |
| Poids | Non précisé |
FOIRE AUX QUESTIONS - MODELS B3W0..U4X(2 OR 5)D BERTAZZONI
Téléchargez la notice de votre Plaque de cuisson gaz au format PDF gratuitement ! Retrouvez votre notice MODELS B3W0..U4X(2 OR 5)D - BERTAZZONI et reprennez votre appareil électronique en main. Sur cette page sont publiés tous les documents nécessaires à l'utilisation de votre appareil MODELS B3W0..U4X(2 OR 5)D de la marque BERTAZZONI.
MODE D'EMPLOI MODELS B3W0..U4X(2 OR 5)D BERTAZZONI
Installation, Service et Instructions pour l'Utilisateur
Tables de cuisson gaz à encastrer BERTAZZONI


DIMENSIONS: 36 1 / 2 ” (925 ~mm)(W) × 211 / 4 ” (540 ~mm)(D)
Modèles B3W0..U4X(2 ou 5)D
Type ‘A’
Modèles B3Y0..U4X(2 ou 5)D
Type 'B'
IMPORTANT: A CONSERVER POUR L'UTILISATION DE L'INSPECTEUR ELECTRIQUE LOCAL.
LIRE ET CONSERVER CES INSTRUCTIONS POUR LES REFERENCES FUTURES.
OBSERVER TOUS LES CODES ET LES ORDONNANCES PRINCIPAUX.
ATTENTION: Au cas où les informations dans ce manuel ne seraient pas suivies avec précision, un incendie ou une explosion peuvent se produit en provoquant des dommages matériels, des blessures ou la mort.
Ne pas stocker ou utiliser d'essence, d'autres vapeurs ou liquides inflammables à proximé de celui-ci ou de n'importe quel autre apparéil.
CE QU'ON DOIT FAIRE EN CAS D'ODEUR DE GAZ
- N'essayez d'allumer aucun appareil.
- Ne touchez aucun interrupteur électrique.
- N'utilisezaucun téléphone dans notre établissement.
- Appelez immédiatement votre fournisseur de gaz par le téléphone d'un voisin. Suivez les instructions du fournisseur de gaz.
- Si vous ne pouvez pas atteindre vos fournisseurs de gaz, appelez les pompiers.
L'installation et le service doivent être exécutés par un installateur qualifié, une agence de service ou par le fournisseur du gaz.
Lisez ce livre d'instructions avant d'installer ou employer l'appareil.
Le fabricant ne sera responsable d'aucun dommage à la propriété ou aux personnes provoqué par l'installation incorrecte ou l'utilisation inexacte de l'appareil.
Le fabricant se reserve le droit d'apporter des modifications à ses produits au cas où il jugerait nécessaire ou utile, sans influencer les caractéristiques essentielles de sécurité et de fonctionnement.
Cet apparéil a été uniquement concu pour une utilisation non-professionnelle et domestique.

WARNING
Jamais utiliser cet apparéil comme réchauffeur d'une espace ou d'une chambre. Cette utilisation de l' apparéil pourrait provoquer un empoisonnement per le monoxyde de carbone.
INDEX:
Instructions d'installation.. page 11
Insertion de la table de cuisson. page 12
Exigences. page 12
Fixation de la table de cuisson. page 13
Branchement du gaz. page 13
Branchement electrique. page 13-14
Scheme de cablage. page 14
Ventilation du local. page 14
Positionnement et degazage. page 14
Remplacement des becs. page 14
Réglage des brûleurs. page 15
Descriptions. page 15
Instructions de service et d'entretien. page 15-16
Graissage des valves. page 16
Instructions pour l'utilisateur. page 16
Utilisation des brûleurs. page 16-17
Nettoyage de I'appareil. pages 17
Figures. pages 19
Instructions pour l'installation
Cet apparéil devra uniquement esté installé par une personne autorisée. Il devra être installé selon les instructions d'installation des fabricants. IMPORTANT: cet apparéil doit être installé selon les normes en vigueur du pays concerné.
L'installation de cet apparéil doit se conformer aux codes et aux ordonnances locaux. En l'absence de codes locaux, l'installation de cet apparéil doit se conformer aux Normes Nationales Américaines, "National Fuel Gas Code" ANSI Z223.1 - dernière édition** ou B149.1.
Au cas où les codes locaux le permettraient, utilisez un dispositif de raccordement en métal flexible avec le nouveau dessin certifié AGA ou CGA, de 1,5 mètres de longueur maximum, 12 I.D. recommandé pour le branchement de cette table de cuisson au conduit d'amnéée des gaz. Ne pliez pas ou n'endommagez pas le connecteur flexible en déplaçant la table de cuisson. Le régulateur de pression a un filetage au pas du gaz fémelle de 12 . Vos devrez déterminer le raccordement demandé, selon la dimension du conduit d'amnéée des gaz, du connecteur en métal flexible et du robinet d'arrêt.
L'appareil, lorsqu'il est installé, doit être mis à la terre selon les codes locaux ou, en l'absence de ceux-ci, avec le "National Electrical Code", ANSI/NFPA 70.
L'appareil et son robinet d'arrêt individuel doit être débranchés du système du conduit d'amnée des gaz pendant tous les essais sous pression de ce système à une pression d'essai supérieure à 1/2 psi (3,5 kPa).
L'appareil doit être isolé du système du conduit d'amnée des gaz, en fermant son robinet d'arrêt individuel pendant tous les essais sous pression de celui-ci à une pression égale ou inférieure à 1/2 psi (3.5 kPa).
Pour l'utilisation avec un régulateur de pression. Le régulateur fourni doit être employé avec cet apparéil.
Le dispositif de réglage de pression doit être prédisposé pour le gaz avec lequel l'appareil est employé.
Cet apparéil peut être utilisé avec Gaz Naturel ou Gaz LP. Il est livré par l'usine et régle pour l'utilisation avec Gaz Naturel: LES INJECTÉURS FIXE POUR LA CONVERSION DU GAZ SONT PLACE’ DANS L'EMBALLAGE IN DOTATION AVEC L'APPAREIL.
Le kit d'injecteurs pour le changement du type de gaz est contenu dans l'emballage avec le kit d'installation de la table et le livre d'instructions.
La pression d'alimentation maximum du gaz en entrée dans le régulateur de pression de l'appareil à gaz est de 20" colonne d'eau (w.c.) (5 kPa)
La pression d'alimentation minimum du gaz pour le contrôle du réglage du régulateur doit être au moins de 1" colonne d'eau (w.c.) (249 Pa) au-dessus de la pression du collecteur d'admission à l'appareil spécifiée ( cette pression de fonctionnement est de 4" colonne d'eau (1.00 kPa) pour le Gaz Naturel et 11" colonne d'eau (2.75 kPa) pour le Gaz LP).
ATTENTION: Une valve manuelle doit être installée dans une position accessible dans la ligne du gaz externe à l'appareil afin d'ouvrir ou d'arrêté le gaz à l'appareil.
AVERSTISSEMENT: Ne pas utiliser de pulvérisateurs d'aérosol à proximité de cet apparéil lorsqu'il est en fonction.
Insertion de la table de cuisson
Après avoir enlevé les différentes parties libres à l'intérieur et à l'extérieur de l'emballage, assurez-vous que la table de cuisson ne soit pas endommagée et qu'elle soit appropriée pour l'utilisation du gaz spécifique.
L'etiquette du type de gaz se trouve en dessous de la base de la table de cuisson.
En cas de doute, n'employez pas l'appareil et contactez le personnel préposé.
Gardez toutes les pièces de l'emballage (mousse de polystyrene, carton, agrafes, etc.) loin des enfants.
Considérez les dimensions critiques de l'appareil, avant d'effectuer une ouverture dans la surface supérieure du banc de travail. (mesures relatives selon la Fig 1-2).
Exigences
1. Distances des meubles suspendus (Valeurs minimum)
Les distances minimum devont etre conformes aux valeurs minimum indiquees dans la table n.1 et sont illustrées dans la fig. 1-2
Les hottes de cuisine et les ventilateurs aspirant doivent être installés selon les instructions du fabricant. Cependant, dansaucuncas,la distance entre la partie supérieure du bruleur le plus haut de l'appareil de cuisson et la hotte d'aspiration devra être inférieure au 30"(762mm).Voir la Fig.1-2.
N'importe qu'elle autre surface combustible orientée vers le bas a moins de 600mm vers la partie supérieure du bruleur le plus haut devra etre protégée pour sa largeur complete et profondeur de la zone a cuire.
Cependant, dansaucun cas cette distance à n'importe qu'elle surface, devra être inférieure à 173/4"(450mm.)
La profondeur maximum des armoires suspendues est de 13" (330mm)
2. Distances latérales (Valeurs minimum)
Les différentes distances laterales devont etre conformes aux valeurs minimum indiquees dans la table n.1 et illustrées dans la fig. 1- 2. La zone de la surface a cuire est definié comme la partie de l'appareil ou on fait normalement la cuisson, et n'inclut pas les parties de l'appareil qui contiennent les boutons de contrôle.
Table n.1
| Modèles de tables de cuisson | B3W0... B3Y0... | Modèles de tables de cuisson | B3W0... B3Y0... | |
| Distances Min. | pouches (mm) | Distances Min. | pouches (mm) | |
| L1 | 20 1/2" (520) | L10 | 35 10/16" (905) | |
| L2 | 1 9/16" (40) | L11 | 36" (915) | |
| L3 | 1 9/16" (40) | W | 36 1/2" (925) | |
| L4 | 18" (457) | D | 21 1/4" (540) | |
| L5 | 24" (610) | B1 (*) | 1 9/16" (40) | |
| L6 | 13" (330) | B2 (*) | 6" (152) | |
| L7 | 36 1/2" (925) | B3 (*) | 1 3/16" (30) | |
| L8 | 3/4" (20) | B4 (*) | 6" (152) | |
| L9 | 6 3/8" (162) |
(^*) Notes:
-B1 est la distance min. entre le bord frontal de l'appareil et le bord frontal de l'armoire.
-B2 et B4 sont les distances minimum entre le bord lateral croit/gauche de l'appareil et le mur lateral (si present).
-B3 est la distance minimum entre le bord arrêté de l'appareil et le mur arrêté.
Fixation de la table de cuisson
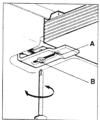
Pour empêcher aux liquides de fuir accidentellement dans l'espace de stockage sous-jacent, l'appareil est équiné d'une garniture spéciale. Pour appliquer cette garniture, suivez attentivement les instructions dans la Fig. 3. Disposez les bandes d'étanchéité protectrices le long des bords de l'ouverture du banc de travail et couvre soignement l'extrémité de la bande. (Voir Fig. 3). Insérez la table de cuisson dans l'ouverture du banc de travail. A l'aide d'un tournevis assemblez les supports A en dessous de la table de cuisson au moyen des vis B. (Voir Fig. 4). Positionnez les crochets dans la position et fixez-les avec les vis.
Recoupez la partie des bandes protectrices qui s'étendent au-delà de la base de la table de cuisson.
Branchement du gaz
Avant de brancher l'appareil à l'alimentation gaz, enlevez d'abord le bouchon en plastique qui est monté en force dans le raccord d'admission du gaz; pour l'enlever, le tirer simplement.
-
Vérifiez l'étiquette du "type de gaz" attachée à la table de cuisson. Les détails concernant les dimensions des injecteurs utilisés sont indiqués sur la plaquette des données située sur la base de l'appareil.
-
Cet appeareil devra etre instalé selon les conditions d'installation de l'autorité locale du gaz du code d'installation approprié.
-
Avant d'installer la table de cuisson considerez la position de l'alimentation gaz et l'itinéraire de la ligne du gaz.(Se référer à la fig.6)
-
Pour les modèles LPG la ligne de distribution de gaz est connectée au régulateur qui est fourni séparément. Le branchement d'entrée a un filetage mâle de 1/2 B.S.P (filetage Whitworth pour tuyaux). IL EST ESSENTIEL QUE LE COUDE SUR L'APPAREIL SOIT FERMÉMENT RETENU AVEC UNE CLE LORSQU'ON BRANCHÉ L'ALIMENTATION. NE PAS SERRER. La pression réglée pour LPG est de 11" colonne d'eau. (Voir Fig. 5).
-
Pour les modèles GN (gaz naturel) la ligne de distribution de gaz est connectée au régulateur qui est fourni séparément. Le branchement d'entrée a un filtage mâle de 1/2" B.S.P. (filetage Whitworth pour tuyaux). IL EST ESSENTIEL QUE LE COUDE SUR L'APPAREIL SOIT FERMEMENT RETENU AVEC UNE CLE LORSQU'ON BRANCHÉ L'ALIMENTATION. NE PAS SERRER. La pression régée pour GN est de 4" colonne d'eau (Voir Fig. 5).
-
Pour la position d'entrée du gaz de l'appareil, reférez-vous à la Fig 5 et 6. Àpres avoir installé l'alimentation du gaz et après avoir effectué tous les branchements, contrôlez soignement les éventuelles fuites. Tournez tous les boutons de commande de l'unité sur la position 'OFF'. Ouvrez la valve sur l'alimentation du gaz. En utilisant une solution avec du savon et de l'eau contrôlez tous les branchements du gaz, un après l'autre, en frrottant la solution sur le raccord. La présence de bulles indiquera une fuite. Serrer le raccordement et recontrôlez les fuites. Au cas où il ne serait pas possible de corriger la fuite, remplacez le raccord. Pour n'importe qu'elle circonceuse utilisez des allumettes ou des flammes pour vérifier les fuites.
Il est essentiel que la garniture et la fermeture du point d'essay de la pression soient correctement installés pour éviter la fuite de gaz
- Pour vérifier l'introductiOn de pression dans l'appareil il faut agir comme il suit:
a) Disjoindre la courent électrique avant de vérifier la pression.
b) Enlever un des chapeaux de brûleurs et la relative tete bruleur au fin d'acceder au injector du brûleur.
c) Mettre en position le détector de pression directement sur l'injector du bruleur ensuite ouvrir la relative manette en la gardant poussee à la position maxima, après mesurez la sortie de pression par l'injector du bruleur.
d) Quand on a terminé le contrôle de la pression, remètre le chapeau du brûleur et la tete bruleur dans la position originale et correcte et rejoindre la courente électrique à l'appareil.
8. Ouvrez le robinet de commande sur l'appareil et allumez chaque brûleur. Vérifiez une flamme bleu-clair sans formation de pointes jaunes. Si les brûleurs montrent quelques anomalies, vérifier qu'ils soient positionnés correctement et en ligne avec la tête d'injecteur à filage maje.
9. Parfois les brûleurs ne s'enflammment pas immédiatement et semble 'souffler' légèrement quand ils s'allument. Cela est dû à l'air dans les canalisations de gaz, qui disparaître dans peu de secondes.
10. Si après les instructions données, une performance satisfaisante n'a pas ete obtenue, contactez l'autorite locale du gaz pour demander conseil et assistance.
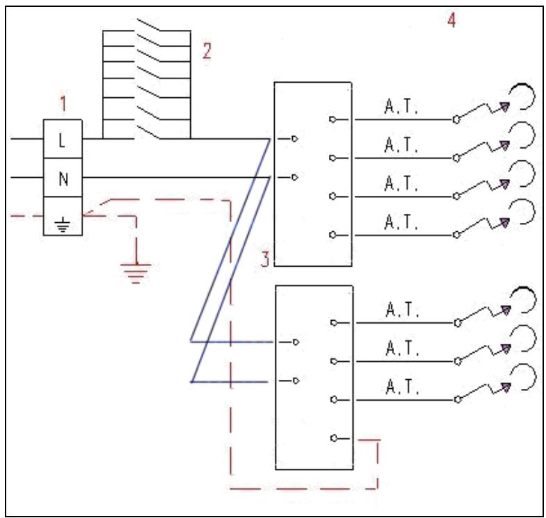
Branchement électrique
Le branchement de la table de cuisson au réseau est effectué par le fil électrique et la fiche tripolaire positionné sous la table de cuisson. L'appareil fonctionne à une tension du réseau de 120V c.a., fréquence 60Hz. L'absorption d'énergie électrique est d'environ 1W pour la version au 5 brûleur à gaz ou 2W pour la version de 6 brûleurs à gaz.
AVERTISSEMENT: Instructions pour la mise à terre électrique: L'appareil est équipé d'une bonde de mise à terre (trois pôles) pour votre protection contre le risque de chic et devra être branché directement à une prise correctement mise à terre. Ne coupez pas ou n'enlevez pas les pôles de cette bonde.
Schémas de câblage
Pour les tables de cuisson modèle A voir la Fig. 11.
Pour les tables de cuisson modèle B voir la Fig. 12.
Description du schéma de câblage
- Cosse de cable
- Interructeur
- Générateur d'étincelles
- Etincelle d'allumage
L. Noir
N. Blanc
T. Vert (terre)
Ventilation du local - Positionnement et dégazage
NOTE : Un ventilateur extracteur qui aide l'évacuation des produits de la combustion peut être utilisé dans le local où se trouve l'appareil ; en chaque cas il doit être eventuelsment installé conformément aux normes nationals en vigueur.
NOTE : Le fonctionnement d'une hotte d'aspiration peut avoir influence sur les autres apparciels a gaz qui fonctionnent dans le meme local ; en chaque cas elle doit etre eventuellement installee conformement aux normes nationals en vigueur.
Conversion à différents types de gaz
Avant d'effectuer n'importe quel travail d'entretien, débranche l'appareil de l'alimentation gaz et électrique. Pour le Gaz Naturel utilisez le régulateur illustré en Fig. 5. Pour LP Gaz utilisez celui illustré en Fig. 5.
- REMPLACEMENT DES BECS POUR L'UTILISATION AVEC D'AUTRES TYPES DE GAZ:
Pour changer les becs des brûleurs, suivez le procédé suivant:
Soulevez les brûleurs et dévissez les becs (Fig. 7) en employant une clé régable de 7mm et changez les becs avec ceux conçus pour la nouvelle alimentation de gaz, selon les informations fournies dans le TABLEAU A ci-dessous.
TABLEAU A: Adaptation aux différents types de gaz Modèle B3W0..U4X(2 or 5)D
| Brûleur | Position | Diam inj. | Gaz | Pressure | Débit nom. | Débit reduit | By-pass size | ||
| 1/100mm | Type | [i.w.c.] | [BTU/h] | [W] | [BTU/h] | [W] | [1/100mm] | ||
| Auxiliaire | Frontale D. | 0,90 | NATUREL | 4" | 3400 | 996 | 900 | 264 | réglé |
| 0,54 | LP(Propane) | 11" | 3400 | 996 | 900 | 264 | 0,29 | ||
| Semi-Rapide | Arriere G et D | 1,18 | NATUREL | 4" | 6100 | 1787 | 1500 | 439 | réglé |
| 0,70 | LP(Propane) | 11" | 6100 | 1787 | 1500 | 439 | 0,37 | ||
| Rapide | Frontale G | 1,55 | NATUREL | 4" | 10400 | 3047 | 3700 | 1084 | réglé |
| 0,92 | LP(Propane) | 11" | 10400 | 3047 | 3700 | 1084 | 0,58 | ||
| Brûleur Dual | Centrale Interieur | 0,80 | NATUREL | 4" | 2800 | 820 | 900 | 264 | réglé |
| 0,49 | LP(Propane) | 11" | 2800 | 820 | 900 | 264 | 0,29 | ||
| Entrale Extérieure | N°2 x 1,15 | NATUREL | 4" | 12000 | 3516 | 5300 | 1553 | réglé | |
| N°2 x 0,70 | LP(Propane) | 11" | 12000 | 3516 | 5300 | 1553 | 0,73 | ||
Modèle B3Y0..U4X(2 or 5)D
| Brûleur | Position | Diam inj. | Gaz | Pressure | Débit nom. | Débit redrawit | By-pass size | ||
| 1/100mm | Type | [i.w.c.] | [BTU/h] | [W] | [BTU/h] | [W] | [1/100mm] | ||
| Auxiliaire | Frontale D. | 0,90 | NATUREL | 4" | 3400 | 996 | 900 | 264 | réglé |
| 0,54 | LP(Propane) | 11" | 3400 | 996 | 900 | 264 | 0,29 | ||
| Semi-Rapide | Arriere G et C | 1,18 | NATUREL | 4" | 6100 | 1787 | 1500 | 439 | réglé |
| Frontale C | 0,70 | LP(Propane) | 11" | 6100 | 1787 | 1500 | 439 | 0,37 | |
| Rapide | Arriere D | 1,55 | NATUREL | 4" | 10400 | 3047 | 3700 | 1084 | réglé |
| 0,92 | LP(Propane) | 11" | 10400 | 3047 | 3700 | 1084 | 0,58 | ||
| Brûleur Dual | Frontale G Interieur | 0,80 | NATUREL | 4" | 2800 | 820 | 900 | 264 | réglé |
| 0,49 | LP(Propane) | 11" | 2800 | 820 | 900 | 264 | 0,29 | ||
| Frontale G Extérieure | N°2 x 1,15 | NATUREL | 4" | 12000 | 3516 | 5300 | 1553 | réglé | |
| N°2 x 0,70 | LP(Propane) | 11" | 12000 | 3516 | 5300 | 1553 | 0,73 | ||
ATTENTION: gardez les orifices enlevés de l'appareil pour une utilisation future
Réglage des brûleurs
Réglage du "MINIMUM" sur les brûleurs
Pour régler le minimum sur les brûleurs suivez le procédé indiqué ci-dessous:
1) Allumez le bruleur et mettez le bouton sur la position de MINIMUM ( petite flamme ).
2) Enlevez le bouton ( Fig. 8) du robinet qui est reglé pour la pression standard. Le bouton se trouve sur la barre du robinet-même.
3) Près de la barre du robinet sur le top de travail, insérez un petit tournevis à encoches dans la tige de soupape (Fig. 8) et tournez la vis du réducteur de pression à droite ou à gauche jusqu'à ce que la flamme du brûleur soit réglée de la manière la plus appropriée au MINIMUM.
4) S'assurer que la flamme ne sorte pas en changeant rapidement la position du MAXIMUM en position de MINIMUM.
ATTENTION: Le réglage décrit ci-dessus peut être seulement effectué avec des brûleurs qui emploient le gaz naturel, tandis qu'avoc les brûleurs qui emploient le gaz propane, la vis doit être complètement visée, dans le sens des aiguilles d'une montre.
Adaptation du régulateur de pression pour l'utilisation avec des différents types de gaz
Le régulateur de pression fourni avec l'appareil est un régulateur de pression du type convertible pour l'utilisation avec Gaz Naturel à une pression de sortie nominale de 4" w.c. (colonne d'eau) ou LP gaz à une pression de sortie nominale de 11" w.c. (colonne d'eau) et il est prédisposé par l'usine pour fonctionner avec un de ces gaz/pression, comme indiqué sur les étiquettes de réglage apposées sur l'appareil, l'emballage et le livre d'instructions.
Pour convertir le régulateur pour l'utilisation avec un gaz différent de celui qui a eté arranged il suffit d'effectuer les opérations suivantes:
1) Dévisser à la main le bouchon en plastique supérieur du régulateur (Fig. 5).
2) Dévisser à la main la piece en plastique blanche visseée sous le bouchon en métal susmentionné, ensuite le visser encore dans le sens opposé sous le bouchon en métal (pour la référence du gaz voir l'écriture "LP" et "NAT" avec les flèches relatives sur la partie blanche).
3) Visser encore à la main le bouchon en métal dans la position originale sur le régulateur.
En opérant de cette façon, le régulateur est transformé pour l'utilisation avec l'autre gaz/pression.
Descriptions
LEGENDE DESCRIPTIVE POUR LES
DESCRIPTION DES TABLES
TABLES DE CUISSON
- Brûleur petit
- Brûleur moyen
- Brûleur rapide
- Brûleur dual (poèle chinoise)
- Bouton de commande du brûleur auxiliaire frontal droite
- Bouton de commande du brûleur semirapide frontal gauche
- Bouton de commande du brûleur dual interieur
- Bouton de commande du brûleur dual extérieure
- Bouton de commande du brûleur semirapide arrêté gauche
- Bouton de commande du brûleur semirapide arrêté centrale
- Bouton de commande du brûleur rapide arrêté droite
- Bouton de commande du brûleur rapide frontal gauche
- Bouton de commande du brûleur dual interieur
- Bouton de commande du brûleur dual extérieure
- Bouton de commande du brûleur semirapide arrêté gauche
- Bouton de commande du brûleur semirapide arrêté droite
Modèle 'A' Fig. 9
Modèle 'B' Fig. 10
Instructions de service et d'entretien
Le service et l'entretien doit seulement être exécutés par une personne autorisée
Pour remplaçer les parties telles que les brûleurs, les valves et les composants électriques, la table de cuisson doit être enlevée du banc de travail en libérant les crochets de fixation, desserrant les vis de fixation de chaque brûleur, dévissant les écrous de fixation crochets de fixation de la table de cuisson qui sont
visibles au fond de la surface, enlevant la partie supérieure de la table de cuisson et replacant ensuite les pièces défectueuses.
Avertissement: si les valves doivent être remplacées, désassembliez d'abord les cables des interrupteurs d'allumage.
Il est recommandé de replacer les joints de la valve chaque fois que la valve est replacée, assurant, de cette façon, l'étanchéité parfaite entre le corps et le train de gaz.
ATTENTION: Débranche l'alimentation avant l'entretien de l'unité.
Pour le positionnement de la prise au mur pour le branchement de la bonde de mise à terre à trois pôles de l'appareil, voir les indications illustrées en Fig. 1-2
ATTENTION: ÀpRES la première installation de l'appareil ou après n'importe qu'elle intervention d'entretien concernant les parties principales du gaz de l'appareil, effectuez le test de fuite en utilisant de l'eau avec du savon sur les raccordements de gaz pour vérifier l'installation correcte. N'utilise pas de feu pour le test de fuite du gaz.
Graissage des valves
S'il est difficile d'opérer sur la valve, celle-ci devra etre immediatement graissée en suivant les instructions indiquées ci-dessous
- Demontez le corps de la valve en desserrant les deux vis positionnées sur le corps de cette-ci. (Voir la Fig. 13).
- Extrayez et nettoyez le cône d'étanchéité ainsi que son logement avec un chiffon imbibé de diluants.
3.Graissez légèrement le cône avec uneGRAISSESPéciale. - Insérez le cône, le déplaçant plusieurs fois, l'enlevez encore, enlevez laGRAISSÉ excessive et assurez-vous que les passages du gaz ne soient pas obstrués.
- Replacez toutes les parties dans l'ordre contraire et vérifie que la valve fonctionne correctement.
Instructions pour l'utilisateur
ATTENTION:
Maintenir la zone de l'appareil propre et libre des matériaux combustibles, de l'essence et d'autres vapeurs et liquides inflammables.

WARNING
Jamais utiliser cet apparéil comme réchauffeur d'une espace ou d'une chambre. Cette'utilisation de l' apparéil pourrait provoquer un empoisonnement per le monoxyde de carbone.
Ne stockez aucun matériel dangereux ou inflammable dans les meubles suspendus sur l'appareil; stockez-les dans un lieu sur pour éviter les risques potentiels.
Pour une utilisation sère de l'appareil, ne l'employez pas pour le chauffage des locaux.
N'utilise pas de pulverisateurs d'aerosol à proximé de cet apparéil lorsqu'il est en fonction
Pour la description des tables de cuisson, reférez-vous aux instructions d'installation.
Utilisation des brûleurs
Un diagramme est grave sur le tableau de commande sur chaque bouton qui indique quel brûleur correspond à ce bouton.
Allumage manuel:
L'allumage manuel est toujours possible même lorsque l'alimentation est débranchée ou en cas de panne de courant prolongée.
Tournez le bouton qui correspond au brûleur choisi dans le sens contraire des aiguilles d'une montre dans la position de MAXIMUM à l'étoile gravée (flamme large) et mettez une allumette allumée sur le brûleur.
Allumage électrique automatique:
Tournez le bouton qui correspond au brûleurChoisi dans le sens contraire des aiguilles d'une montre à la position de MAXIMUM à l'étoile gravée (flamme large) et puis appuyez sur le bouton pour activer l'allumage par étincelle. Relâchez le bouton quelques secondes après l'allumage du brûleur.
Brûleurs équipés d'un dispositif de sécurité (thermocouple):
Tournez le bouton qui correspond au brûleurChoisi dans le sens contraire des aiguilles d'une montre à la position de MAXIMUM à l'étoile gravée (flamme large) et puis appuyez sur le bouton pour activer l'allumage par étincelle. Une fois qu'il est allumé, continuez à appuyer sur le bouton pendant 10 secondes environ, pour permettre à la flamme de chauffer le thermocouple. Si le brûleur ne reste pas allumé après avoir relâché le bouton, repêtez le procédé ci-dessus.
Avertissement: Il est recommandé de ne pas essayer d'allumer le brûleur si le chapeau de la flamme relative, n'est pas en position correcte.
Suggestions pour une utilisation correcte des brûleurs:
ATTENTION: Pendant l'utilisation de chaque brûleur réglez la dimension de la flamme du brûleur correctement de façon à ce qu'elle ne se prolonge pas au-delà du bord des ustensiles de cuisine. C'est une instruction basée sur des considérations de sécurité
- Utilisez les casseroles appropriées pour chaque brûleur (voir la Fig. 14 et le Tableau B)
- Quand le liquide bout, tournez le bouton vers le bas à la position de MINIMUM.
- Utilisez toujours des cassetoles avec un couvercle.
Tableau B
| Brûleur | Diamètres recommendés en pôues pour les casseroles (mm) |
| Petit | 31½"-51/2"(90 – 140) |
| Moyen | 51/2"- 101/4"(140 – 260) |
| Large | 71/8"- 101/4"(180 – 260) |
| Double couronne (poèle chinoise) | 82/3"-101/4"(220 – 260) |
Utilisation correcte des cassetoles:
- Essuyez le fond de la casserole avant de la positionner sur la plaque de cuisson.
- Utilisez les pots avec un fond plat et épais, à l'exception de la cuisson avec poêles chinoises.
- Quand vous utilisez les brûleurs, assurez-vous d'avoir positionné correctement les manches des casseroles. Tenir les enfants loin de l'appareil.
- Quand vous cuisine des mets avec de l'huile ou de la graisse, qui sont très inflammables, l'utilisateur ne devra pas laisser l'appareil sans surveillance.
ATTENTION: Si l'alimentation est découvert, les brûleurs peuvent être allumés avec des allumettes. Les brûleurs équipés d'un thermocouple de sécurité peuvent seulement être allumés lorsque le bouton est en position de MAXIMUM (gravure de flamme large).
Avertissement: L'utilisation d'un apparéil de cuisson à gaz produit de la chaleur et de l'humidité dans la chambre où il est installé. Par conséquent, une ventilation appropriée dans la chambre est nécessaire ainsi que les ouvertures normales de ventilation qui doivent être sans obstructions et doivent activer les ventilateurs à tirage d'air/hottes d'aspiration. Une utilisation intensive et continue de l' apparéil peut exiger une ventilation additionnelle, par exemple en ouvrant une fenêtre, ou en augmentant la puissance du ventilateur à tirage d'air/hotte d'aspiration, si installés.
Nettoyage de l'appareil:
N'utilise jamais de produits à nettoyer abrasifs
Avant de nettoyer l'appareil il doit être débranché du réseau électrique.
Nettoyage de la surface de travail: nettoyez périodiquement les têtes des brûleurs, les supports en acier émailés des casseroles et les chapeaux des brûleurs en utilisant de l'eau chaude.
Tout débordement devra être enlevé aussi que possible en utilisant un chiffon.
S'il est difficile d'ouvrir ou fermer une valve, ne la forcez pas, mais demandez immédiatement l'assistance du personnel du service technique.
Nettoyage des parties émailées: Les parties émailées devront être nettoyées réquement avec de l'eau savonneuse. N'utilise pas de poudres abrasives. Ne laissez pas de substances acides ou alcalines sur les parties émailées ( comme par exemple du vinaigre, jus de citron, sel, sauce tomate, etc.) et ne lavez pas les parties émailées lorsqu'elles sont encore chaudes.
Nettoyage des parties en acier inox: Nettoyez les parties avec de l'eau savonneuse et séchez-les en utilisant un chiffon mou. Le brillant est maintainu en utilisant périodiquement des produits appropriés que vous pouvez trouver dans les supermarchés. N'employez jamais de poudres abrasives.
Nettoyage des chapeaux des brûleurs: Soulevez les chapeaux des brûleurs des têtes des brûleurs, lavez-les dans l'eau savonnexe et séchez-les soignement. Avant le replacement sur la tête du brûleur, assurez-vous que les trous ne soient pas obstrués.
Service après vente:
Revendeur /Importateur:
Nom, adresse, téléphone
| CENTRES DE SERVICE | |
| Nom | TEL录取 |
FABRICANT:
BERTAZZONI SPA
VIA PALAZZINA, 8 - 42016 - GUASTALLA (REGGIO E.) ITALY
Tél. 0522/226411 - fax 0522/226440 - http://www.bertazzoni-italia.com

Fig 1

Fig 2

Fig.3

Fig.4

Fig.5
| Inches | mm | |
| A | 11 13/16” | 300 |
| B | 1 9/16” | 40 |
| C | 2 14/16” | 73 |
| D | 1/8” | 22 |
| E | 2 2/12” | 55 |

Fig.6

Fig.7

Fig.8

Fig.9

Fig.10

Fig.11

Fig.12

Fig.13

Fig.14
| SPARE PARTS LIST | LISTE DE PIECES DE DETACHEES | D36500X | D36600X | ||
| NUMBER | COMPONENT | DESCRIPTION | COMPOSANT | QUANTITY | QUANTITY |
| 11 | 202457 | PART FOR BURNER FIXING | ETRIER BRULEUR | 3 | 3 |
| 18 | 202456 | PART FOR DUAL WOK AND SEMI RAPID BURNERS | PARTIE POUR BRULEUR COURONNE | 1 | |
| 22 | 202454 | LOAD BEARING BOTTOM | FOND | 1 | 1 |
| 36 | 202271 | FIXING HOOK | CROchet DE FIXAGE | 5 | 5 |
| 80 | 504160 | COVER FOR SMALL FLAME SPREADER | COUVERCLE PETIT AVD | 1 | 1 |
| 81 | 504161 | COVER FOR MEDIUM BURNER | COUVERCLE MOYEN ARD ARG | 2 | 3 |
| 82 | 504162 | COVER FOR RAPID BURNER | COUVERCLE RAPID | 1 | 1 |
| 85 | 504187 | COVER IN FOR DUAL BURNER FLAME SPREADER | COUVERCLE COURONNE AVG | 1 | 1 |
| 86 | 504186 | COVER OUT FOR DUAL BURNER FLAME SPREADER | COUVERCLE COURONNE AVG | 1 | 1 |
| 160 | 309130 | BRIDLE FOR FIXING GAS VALVES | CLAMEAUX FIXAGE ROBINETS | 6 | 7 |
| 385 | 306024 | SPRING FOR SPARK PLUG | RESSORT DE FIXATION BOUGIE | 6 | 7 |
| 424 | 415071 | SPARK PLUG FOR DUAL BURNER | BOUGIE ALLUMAGE BRULEUR COURONNE AVG | 2 | 2 |
| 425 | 415054 | SPARK PLUG 350MM | BOUGIE ALLUMAGE FIL 350MM | 2 | 4 |
| 426 | 415057 | SPARK PLUG 700MM | BOUGIE ALLUMAGE FIL 700MM | 2 | 1 |
| 430 | 415065 | ACCUMULATOR 6U | ALLUMAGE 6U | 1 | |
| 430 | 415064 | ACCUMULATOR 4U | ALLUMAGE 4U | 2 | |
| 473 | 408069 | SIMMER PLATE | GRILLE DE REDUCTION | 1 | 1 |
| 566 | 508037 | TERMOCOUPLE ULTRA-RAPID BURNER | THERMOCOUPLE BRULEUR COURONNE | 2 | 2 |
| 569 | 508038 | TERMOCOUPLE MM900 | THERMOCOUPLE BRULEUR | 4 | 5 |
| 648 | 601991 | TERMINAL SEPARATOR | BORNE DE RACCORDEMENT | 1 | 1 |
| 670 | 504128 | SMALL FLAME SPREADER | TETE BRULEUR PETIT | 1 | 1 |
| 671 | 504129 | MEDIUM FLAME SPREADER | TETE BRULEUR MOYEN | 2 | 3 |
| 672 | 504130 | RAPID FLAME SPREADER | TETE BRULEUR RAPID | 1 | 1 |
| 675 | 504189 | ULTRA RAPID FLAME SPREADER | TETE BRULEUR COURONNE | 1 | 1 |
| 702 | 408058 | ADAPTER FOR WOK BURNER PAN SUPPORT | ADAPTATEUR COURONNE | 1 | 1 |
| 723 | 411099 | GASKET | GARNITUDE | 6 | 7 |
| 760 | 510507 | SMALL BURNER | COUPE BRULEUR PETIT | 1 | 1 |
| 761 | 510508 | SEMI RAPID BURNER | COUPE BRULEUR MOYEN | 2 | 3 |
| 762 | 510509 | RAPID BURNER | COUPE BRULEUR RAPID | 1 | 1 |
| 764 | 510511 | DUAL BURNER | COUPE BRULEUR CORONNE | 1 | 1 |
| 884 | 502174 | GAS VALVE BY-PASS029 +MICRO FOR IGNITION | ROBINET BP029 | 2 | 2 |
| 885 | 502175 | GAS VALVE BY-PASS037 +MICRO FOR IGNITION | ROBINET BP037 | 2 | 3 |
| 886 | 502176 | GAS VALVE BY-PASS058 +MICRO FOR IGNITION | ROBINET BP058 | 1 | 1 |
| 887 | 502178 | GAS VALVE BY-PASS073 +MICRO FOR IGNITION | ROBINET BP073 | 1 | 1 |
| 943 | 308035 | BUMPER FOR PAN SUPPORT | BOUCHON EN CAOUTCHOUÇ POUR GRILLE FONTE | 4 | 4 |
| 965 | 408063 | CAST IRON PAN SUPPORT 2 BURNERS | GRILLE EN FONTE 2 BRULEURS | 2 | 3 |
| 960 | 408064 | CAST IRON PAN SUPPORT 1 BURNER | GRILLE EN FONTE 1 BRULEUR | 1 | |
| 1031 | 401909 | ELECTRIC KNOB | POIGNEE BRULEUR | 6 | 7 |
| 1624 | 019001 | WORK TABLE | PLAN DE TRAVAIL | 1 | |
| 1624 | 019002 | WORK TABLE | PLAN DE TRAVAIL | 1 | |
| 1627 | 501770 | GAS COLLECTOR | RAMPE ALIMENTATION | 1 | |
| 1627 | 501769 | GAS COLLECTOR | RAMPE ALIMENTATION | 1 | |
| 1628 | 501771 | TUBE FOR RAPID BURNER | TUYAU POUR BRULEUR RAPIDE | 1 | |
| 1628 | 501766 | TUBE FOR CENTRAL BURNER | TUYAU POUR BRULEUR CENTRALE | 2 | |
| 1631 | 501774 | TUBE FOR SEMIRAPID BURNER LEFT | TUYAN BRULEUR POSTERIEUR GAUCHE | 1 | |
| 1801 | 501765 | TUBE FOR REAR RIGHT BURNER | TUYAN BRULEUR POSTERIEUR DROITE | 1 | |
| 1801 | 501788 | TUBE FOR LEFT BURNER | TUYAN BRULEUR GAUCHE | 1 | 1 |
| 1803 | 501772 | TUBE FOR IN.DUAL BURNER | TUYAN BRULEUR DUAL IN. | 1 | |
| 1803 | 501767 | TUBE FOR IN.DUAL BURNER AND REAR LEFT | TUYAN BRULEUR DUAL IN. ET POST.GAUCHE | 2 | |
| 1804 | 501773 | TUBE FOR EXTERNAL DUAL BURNER | TUYAN BRULEUR DUAL EXTERIEUR | 1 | |
| 1804 | 501768 | TUBE FOR EXTERNAL DUAL BURNER | TUYAN BRULEUR DUAL EXTERIEUR | 1 | |
| 1807 | 501775 | TUBE FOR SEMIRAPID BURNER RIGHT | TUYAN BRULEUR POSTERIEUR DROITE | 1 |




Notice Facile