FEVS - Interphone vidéo FARFISA - Notice d'utilisation et mode d'emploi gratuit
Retrouvez gratuitement la notice de l'appareil FEVS FARFISA au format PDF.
| Intitulé | Valeur / Description |
|---|---|
| Type de produit | Interphone vidéo |
| Caractéristiques techniques principales | Écran couleur TFT, résolution 800 x 480 pixels, caméra avec vision nocturne |
| Alimentation électrique | Alimentation par courant alternatif 230V |
| Dimensions approximatives | Dimensions de l'unité intérieure : 200 x 130 x 30 mm |
| Poids | Environ 1,2 kg |
| Compatibilités | Compatible avec les systèmes de contrôle d'accès FARFISA |
| Type de batterie | Non applicable (fonctionne sur secteur) |
| Tension | 230V AC |
| Puissance | Consommation maximale de 10W |
| Fonctions principales | Communication audio et vidéo, ouverture de porte à distance, enregistrement d'images |
| Entretien et nettoyage | Nettoyage régulier avec un chiffon doux, éviter les produits abrasifs |
| Pièces détachées et réparabilité | Disponibilité de pièces de rechange via le service après-vente FARFISA |
| Informations générales | Installation recommandée par un professionnel pour garantir le bon fonctionnement |
FOIRE AUX QUESTIONS - FEVS FARFISA
Questions des utilisateurs sur FEVS FARFISA
0 question sur cet appareil. Repondez a celles que vous connaissez ou posez la votre.
Poser une nouvelle question sur cet appareil
Téléchargez la notice de votre Interphone vidéo au format PDF gratuitement ! Retrouvez votre notice FEVS - FARFISA et reprennez votre appareil électronique en main. Sur cette page sont publiés tous les documents nécessaires à l'utilisation de votre appareil FEVS de la marque FARFISA.
MODE D'EMPLOI FEVS FARFISA
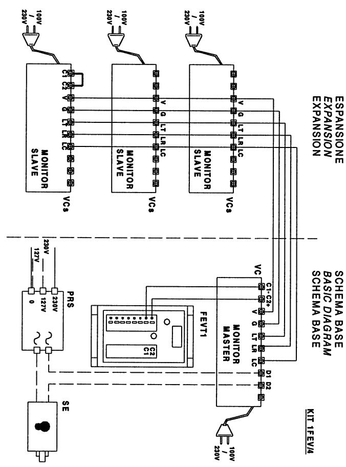
Kits Videophonie à 2 Conducteurs

- FFX/4
1FEV/4
1EFV4
Extensible avc
m - 1 0 ;
eepn eepn eepn eepn eepn eepn eepn eepn eepn eepn eepn eepn eepn eepn eepn eepn eepn eepn eepn eepn eepn eepn eepn eepn eepn eepn eepn eepn eepn eepn eepn eepn eepn eepn ecpnn nne ne ne ne ne ne ne ne ne ne ne ne ne ne ne ne ne ne ne ne ne ne ne ne ne ne ne ne ne ne ne ne ne ne ne ne ne ne ne ne ne ne ne ne ne ne ne ne ne ne ne ne ne ne ne ne ne ne ne ne ne ne ne ne ne ne ne ne ne ne ne ne ne ne
∀A
O
ENANNEEINN

Poe Poe Poe Poe Poe Poe Poe Poe Poe Poe Poe Poe Poe Poe Poe Poe Poe Poe Poe Poe Poe Poe Poe Poe Poe Poe Poe Poe Poe Poe Poe Poe Poe Poe Poe Poe Poe Poe Poe Poe Poe Poe Poe Poe Poe Poe Poe Poe Poe Poe Poe
| -### | |
| -### | |
| -### | |
| -### | |
| -### | |
| -### | |
| -### | |
| -### | |
| -### | |
| -### | |
| -### | |
| -### | |
| -### | |
| -### | |
| -### | |
| -### | |
| -### | |
| -### | |
| -### | |
| -### | |
| -### | |
| -### | |
| -### | |
| -### | |
| -### | |
| -### | |
| -### | |
| -### | |
| -### | |
| -### | |
| -### | |
| -### | |
| -### | |
| -### | |
| ### | |
| ### | |
| ### | |
| ### | |
| ### | |
| ### | |
| ### | |
| ### | |
| ### | |
| ### | |
| ### | |
| ### | |
| ### | |
| ### | |
| ### | |
| ### | |
| ### | |
| ### | |
| ### | |
| ### |
| -### | |
| -### | |
| -### | |
| -### | |
| -### | |
| -### | |
| -### | |
| -### | |
| -### | |
| -### | |
| -### | |
| -### | |
| -### | |
| -### | |
| -### | |
| -### | |
| -### | |
| -### |
| NOI | (1) | (2) | (3) |
| NORWAY, DEP. | (4) | (5) | (6) |
| SPECIAL FEATURES | |||
| (1) | (2) | (3) | (4) |
| (5) | (6) | (7) | (8) |
| (9) | (10) | (11) | (12) |
| (13) | (14) | (15) | (16) |
| (17) | (18) | (19) | (20) |
| (21) | (22) | (23) | (24) |
| (25) | (26) | (27) | (28) |
| (30) | (31) | (32) | (33) |
| (35) | (36) | (37) | (38) |
| (40) | (41) | (42) | (43) |
| (45) | (46) | (47) | (48) |
| (50) | (51) | (52) | (53) |
| (55) | (56) | (57) | (58) |
| (60) | (61) | (62) | (63) |
| (65) | (66) | (67) | (67) |
| (70) | (71) | (72) | (72) |
| (75) | (76) | (77) | (77) |
| (80) | (81) | (82) | (82) |
| (85) | (86) | (87) | (87) |
| (90) | (91) | (92) | (92) |
| (95) | (96) | (96) | (96) |
| (99) | (99) | (99) | (99) |
| (100) | (101) | (101) | (101) |
| (105) | (106) | (106) | (106) |
| (109) | (109) | (109) | (109) |
| (112) | (113) | (113) | (113) |
| (115) | (116) | (116) | (116) |
| (120) | (121) | (121) | (121) |
| (125) | (126) | (126) | (126) |
| (130) | (131) | (131) | (131) |
| (135) | (136) | (136) | (136) |
| (140) | (141) | (141) | (141) |
| (145) | (146) | (146) | (146) |
| (150) | (151) | (151) | (151) |
| (155) | (156) | (156) | (156) |
| (160) | (161) | (161) | (161) |
| (165) | (166) | (166) | (166) |
| (170) | (171) | (171) | (171) |
| (175) | (176) | (176) | (176) |
| (180) | (181) | (181) | (181) |
| (185) | (186) | (186) | (186) |
| (190) | (191) | (191) | (191) |
| (200) | (201) | (201) | (201) |
| (205) | (206) | (206) | (206) |
| (210) | (211) | (211) | (211) |
| (215) | (216) | (216) | (216) |
| (220) | (221) | (221) | (221) |
| (230) | (231) | (231) | (231) |
| (240) | (241) | (241) | (241) |
| (250) | (251) | (251) | (251) |
| (260) | (261) | (261) | (261) |
| (270) | (271) | (271) | (271) |
| (280) | (281) | (281) | (281) |
| (290) | (291) | (291) | (291) |
| (300) | (301) | (301) | (301) |
| (310) | (311) | (311) | (311) |
| (320) | (321) | (321) | (321) |
| (330) | (331) | (331) | (331) |
| (340) | (341) | (341) | (341) |
| (350) | (351) | (351) | (351) |
| (360) | (361) | (361) | (361) |
| (370) | (371) | (371) | (371) |
| (380) | (381) | (381) | (381) |
| (390) | (391) | (391) | (391) |
| (400) | (401) | (401) | (401) |
| (410) | (411) | (411) | (411) |
| (420) | (421) | (421) | (421) |
| (430) | (431) | (431) | (431) |
| (440) | (441) | (441) | (441) |
| (450) | (451) | (451) | (451) |
| (460) | (461) | (461) | (461) |
| (470) | (471) | (471) | (471) |
| (480) | (481) | (481) | (481) |
| (490) | (491) | (491) | (491) |
| (500) | (501) | (501) | (501) |
| (510) | (511) | (511) | (511) |
| (520) | (521) | (521) | (521) |
| (530) | (531) | (531) | (531) |
| (540) | (541) | (541) | (541) |
| (550) | (551) | (551) | (551) |
| (560) | (561) | (561) | (561) |
| (570) | (571) | (571) | (571) |
| (580) | (581) | (581) | (581) |
| (590) | (591) | (591) | (591) |
| (600) | (601) | (601) | (601) |
| (610) | (611) | (611) | (611) |
| (620) | (621) | (621) | (621) |
| (630) | (631) | (631) | (631) |
| (640) | (641) | (641) | (641) |
| (650) | (651) | (651) | (651) |
| (660) | (661) | (661) | (661) |
| (670) | (671) | (671) | (671) |
| (680) | (681) | (681) | (681) |
| (690) | (691) | (691) | (691) |
| (700) | (701) | (701) | (701) |
| (710) | (711) | (711) | (711) |


| Ses | |
| Cocce | |
| Cocce cccccc | |
| Cocce cccccc | |
| Cocce cccccc | |
| Cocce cccccc | |
| Cocce cccccc | |
| Cocce cccccc | |
| Cocce cccccc | |
| Cocce cccccc | |
| Cocce cccccc | |
| Cocce cccccc | |
| Cocce cccxxx | |
| Cocce cccccc | |
| Cocce cccccc | |
| Cocce cccccc | |
| Cocce cccccc | |
| Cocce cccccc | |
| Cocce cccccc | |
| Cocce cccccc | |
| Cocce cccccc | |
| Cocce cccccc | |
| Cocce cccCCC | |
| Cocce cccccc | |
| Cocce cccccc | |
| Cocce cccccc | |
| Cocce cccccc | |
| Cocce cccccc | |
| Cocce cccccc | |
| Cocce cccccc | |
| Cocce cccccc | |
| Cocce cccccc | |
| Cocce cccXXX | |
| Cocce cccccc | |
| Cocce cccccc | |
| Cocce cccccc | |
| Cocce cccccc | |
| Cocce cccccc | |
| Cocce cccccc | |
| Cocce cccccc | |
| Cocce cccccc | |
| Cocce cccccc | |
| Cocce ccc CCC | |
| Cocce cccccc | |
| Cocce cccccc | |
| Cocce cccccc | |
| Cocce cccccc | |
| Cocce cccccc | |
| Cocce cccccc | |
| Cocce cccccc | |
| Cocce cccccc | |
| Cocce cccccc | |
| Cocce ccccccc | |
| Cocce cccccc | |
| Cocce cccccc | |
| Cocce cccccc | |
| Cocce cccccc | |
| Cocce cccccc | |
| Cocce cccccc | |
| Cocce cccccc | |
| Cocce cccccc | |
| Cocce cccccc | |
| Cocce ccc+++ | |
| Cocce cccccc | |
| Cocce cccccc | |
| Cocce cccccc | |
| Cocce cccccc | |
| Cocce cccccc | |
| Cocce cccccc | |
| Cocce cccccc | |
| Cocce cccccc | |
| Cocce cccccc | |
| Cocce ccc++ | |
| Cocce cccccc | |
| Cocce cccccc | |
| Cocce cccccc | |
| Cocce cccccc | |
| Cocce cccccc | |
| Cocce cccccc | |
| Cocce cccccc | |
| Cocce cccccc | |
| Cocce cccccc | |
| Cocce ccc+ | |
| Cocce cccccc | |
| Cocce cccccc | |
| Cocce cccccc | |
| Cocce cccccc | |
| Cocce cccccc | |
| Cocce cccccc | |
| Cocce cccccc | |
| Cocce cccccc | |
| Cocce cccccc | |
| Cocce ccc*** | |
| Cocce cccccc | |
| Cocce cccccc | |
| Cocce cccccc | |
| Cocce cccccc | |
| Cocce cccccc | |
| Cocce cccccc | |
| Cocce cccccc | |
| Cocce cccccc | |
| Cocce cccccc | |
| Cocce ccc** | |
| Cocce cccccc | |
| Cocce cccccc | |
| Cocce cccccc | |
| Cocce cccccc | |
| Cocce cccccc | |
| Cocce cccccc | |
| Cocce cccccc | |
| Cocce cccccc | |
| Cocce cccccc | |
| Cocce ccc* | |
| Cocce cccccc | |
| Cocce cccccc | |
| Cocce cccccc | |
| Cocce cccccc | |
| Cocce cccccc | |
| Cocce cccccc | |
| Cocce cccccc | |
| Cocce cccccc | |
| Cocce cccccc | |
| Cocce cccc** | |
| Cocce cccccc | |
| Cocce cccccc | |
| Cocce cccccc | |
| Cocce cccccc | |
| Cocce cccccc | |
| Cocce cccccc | |
| Cocce cccccc | |
| Cocce cccccc | |
| Cocce cccccc | |
| Cocce cee cccccc | |
| Cocce cccccc | |
| Cocce cccccc | |
| Cocce cccccc | |
| Cocce cccccc | |
| Cocce cccccc | |
| Cocce cccccc | |
| Cocce cccccc | |
| Cocce cccccc | |
| Cocce cccccc | |
| Cocse cccccc | |
| Cocce cccccc | |
| Cocce cccccc | |
| Cocce cccccc | |
| Cocce cccccc | |
| Cocce cccccc | |
| Cocce cccccc | |
| Cocce cccccc | |
| Cocce cccccc | |
| Cocce cccccc | |
| Coccase cccccc | |
| Coccase cccccc | |
| Coccase cccccc | |
| Coccase cccccc | |
| Coccase cccccc | |
| Coccase cccccc | |
| Coccase cccccc | |
| Coccase cccccc | |
| Coccase cccccc | |
| Coccase cccccc | |
| Cocase cccccc | |
| Coccase cccccc | |
| Coccase cccccc | |
| Coccase cccccc | |
| Coccase cccccc | |
| Coccase cccccc | |
| Coccase cccccc | |
| Coccase cccccc | |
| Coccase cccccc | |
| Coccase cccccc | |
| CocCASE C### |
| SNNP | NII | |
| SNNP | -LOHS | - |
| XH X⊥ |
SEINHNOHNOLSNOLVQAD
| SNOLL#V## | ||
| S# | : | : |
| : | : | |
| : | : | |
| : | : | |
| : | : | |
| : | : | |
| : | : | |
| : | : | |
| : | : | |
| : | : | |
| : | : | |
| : | : | |
| : | : | |
| : | : | |
| : | : | |
| . | : | |
| : | : | |
| : | : | |
| : | : | |
| : | : | |
| : | : | |
| : | : | |
| : | : | |
| : | : | |
| : | : | |
| : | : | |
| : | : | |
| : | : | |
| : | : | |
| : | ||
| : | : | |
| : | : | |
| : | : | |
| : | : | |
| : | : | |
| : | : | |
| : | : | |
| : | : | |
| : | : | |
| : | : | |
| : | : | |
| : | : | |
| : | : | |
| : | : | |
| N31L3N3 | EN20N3LN4W | EN20N3LN4W |
11ESJEEEEMM
esJgEeOJgJ:JgJ-E L02020L10(6ε+)xE
802022L10(6+)'1EJ AHN-NN-OWSIOZ2009

Mi 2224/2 Lug.2003
Notice Facile