AM 60/2A - Amplificateur audio RONDSON - Notice d'utilisation et mode d'emploi gratuit
Retrouvez gratuitement la notice de l'appareil AM 60/2A RONDSON au format PDF.
| Type d'appareil | Amplificateur mélangeur audio |
| Sorties | 2 sorties : parole/musique et parole uniquement |
| Modèles | AM 60/2A, AM 120/2A |
| Risque électrique | Ne pas ouvrir, risque de choc électrique |
| Entretien | Confier à un personnel qualifié |
| Protection | Ne pas exposer à la pluie ou à l'humidité |
| Code couleur fil secteur | Jaune/vert = terre, bleu = neutre, marron = positif |
| Connexion terre | Fil vert-jaune à borne terre ou marquée "E" |
| Connexion neutre | Fil bleu à borne noire ou marquée "N" |
| Connexion phase | Fil marron à borne rouge ou marquée "L" |
| Utilisation haut-parleurs | Ne pas brancher simultanément basse impédance et ligne 100 V |
| Distance câbles micro | Éviter proximité câbles secteur, informatique, téléphone |
| Puissance max ligne 100 V | Ne pas dépasser 90 % (discours) ou 70 % (ambiance) |
| Haut-parleurs pavillon | Interdit sauf conçus spécialement pour ambiance |
| Haut-parleurs basse impédance | Éviter si plus de deux ou câbles très longs |
| Microphone | Utiliser basse impédance symétrique ou isolé terre |
| Câbles recommandés | Microphone de bonne qualité, câble haut-parleur double isolation |
FOIRE AUX QUESTIONS - AM 60/2A RONDSON
Questions des utilisateurs sur AM 60/2A RONDSON
0 question sur cet appareil. Repondez a celles que vous connaissez ou posez la votre.
Poser une nouvelle question sur cet appareil
Téléchargez la notice de votre Amplificateur audio au format PDF gratuitement ! Retrouvez votre notice AM 60/2A - RONDSON et reprennez votre appareil électronique en main. Sur cette page sont publiés tous les documents nécessaires à l'utilisation de votre appareil AM 60/2A de la marque RONDSON.
MODE D'EMPLOI AM 60/2A RONDSON
Pour éviter les risques de chocs électriques, ne pas enlever le couvercle.
Aucun entretien de pieces interieures par l'usage, confier l'entretien au personnel qualifié. Pour éviter les risques d'incendie ou d'électrocution, n'exposez pas cet article à la pluie ou à l'humidité.
Le symbole éclair avec point de flèche à l'intérieur d'un triangle équilatéral est utilisé pour alerter l'utilisateur de la présence à l'intérieur du coffret de "voltage dangereux" non isolé d'ampleur suffisante pour constituer un risque d'électrocution.
Le point d'exclamation à l'intérieur d'un triangle équilatéral est employé pour alerter les utilisateurs de la présence d'instructions importantes pour le fonctionnement et l'entretien (service) dans le livre d'instruction accompagnant l'appareil.
INSTRUCTIONS DE SECURITÉ
| ATTENTION : CET APPAREIL DOIT ETRE RELIE A LA TERRE | ||
| IMPORTANT | Etant donné que ce code couleur ne correspond pas nécessairement à celui des bordes de votre fiche, procédez de la manière suivante : | |
| Le code couleur des fils du cordon secteur est le suivant : | Connectez le fil vert-jaune à la borne verte ou jaune-verte ou marquée par la lecture "E" ou par le signe de terre. | |
| JAUNE ET VERT : TERRE (E) BLEU : NEUTRE (N) MARRON : POSITIF (L) | Connectez le fil bleu à la borne noire ou marquée par la lecture "N" Connectez le fil marron à la borne rouge ou marquée par la lecture "L" | |
GENERALITES
NE PAS brancher simultanément des haut-parleurs en basse impedance et en ligne 100 Volts sur le même amplificateur.
NE PAS faire passer des cables de microphone à proximé des cables secteur, informatiques, de téléphone ou à ligne 100 V. Si un contact est inévitable, croise les cables à un angle de 90^
NE PAS faire passer les cables à ligne 100 V à proximé des cables informatiques, de téléphone ou autres basses tensions.
NE PAS dépasser 90 % de la puissance de sortie de l'amplificateur si vous utilisez la ligne 100 V (uniquement discours).
NE PAS dépasser 70 % de la puissance de sortie de l'amplificateur si vous utilisez la ligne 100 V (sonorisation d'ambiance haut niveau)
NE PAS utilise des haut-parleurs à pavillon reentrant pour la sonorisation d'ambiance sauf s'ils ont ete concus specialement a cet effet.
EVITEZ des haut-parleurs de basse impedance si vous utilisez plus de deux haut-parleurs et/ou si vous vous servez de cables très longs.
EVITEZ d'assembler le cable de microphone. Si ceci est inévitable, utilisez exclusivement un connecteur blindo d'excellente qualite, par exemple un XLR.
VERIFIEZ que tous les haut-parleurs sont en phase.
VERIFIEZ l'absence de court-circuit sur la ligne de haut-parleurs avant de la connecter à l'amplificateur. Utilisez TOUJOURS un microphone basse impédance symétrique ou isolé de la terre prévu pour une entrée symétrique si la longueur des cables est très importante.
Utilisez TOUJOURS un cable de microphone de bonne qualité pour les extensions.
Utilise TOUJOURS un cable à double isolation de qualite secteur pour les cables de haut-parleurs.

| 1 - Réglage de volume MIC 1 | 7 - Réglage des graves (BASS) |
| 2 - Réglage de volume MIC 2 | 8 - Réglage des aigus (TREBLE) |
| 3 - Réglage du volume MIC3 | 9 - Réglage du volume MASTER |
| 4 - Réglage du volume MIC4 | 10 - Interrupteur Marche/Arrêt |
| 5 - Réglage du volume ENTREE AUX "LINE" | 11 - Voyant tímoin d'alimentation |
| 6 - Commutateur d'AUXILIAIRE AUX/CD | 12 - Affichage du niveau de sortie |

FACE ARRIERE
| 1 - Bornier de liaison à la terre | 16 - Réglage sensibilité de l'Entrée MIC 1 |
| 2 - Bornier de branchement alim. batterie | 17 - Entrée MIC 1 (DIN symétrique) |
| 3 - Borniers de branchement des HP | 18 - Porte fusible |
| 4 - Entrée Power In ligne (RCA) | 19 - Commutateur de voltage 115V / 230V |
| 5 - Sortie enregistrement (2 x RCA) | 20 - Prise d'alimentation secteur |
| 6 - Entrée CD (2 x RCA) | 21 - Sortie Pre Out (RCA) |
| 7 - Entrée AUX (2 x RCA) | 22 - Commutateur (Line, phantom, MIC) MIC 4 |
| 8 - Entrée MIC 4 (XLR/JACK symétrique) | 23 - Commutateur (Line, phantom, MIC) MIC 3 |
| 9 - Entrée MIC 4 (DIN symétrique) | 24 - Réglage niveau de sortie Monitor |
| 10 - Entrée MIC 3 (XLR/JACK symétrique) | 25 - Sortie Monitor |
| 11 - Entrée MIC 3 (DIN symétrique) | 26 - Bornier priorité |
| 12 - Entrée MIC 2 (XLR symétrique) | 27 - Bornier entrée TEL/EMER |
| 13 - Réglage sensibilité de l'Entrée MIC 2 | 28 - Réglage du niveau entrée TEL/EMER |
| 14 - Entrée MIC 2 (DIN symétrique) | 29 - Interrupteur de fonctionnement carillon |
| 15 - Entrée MIC 1 (XLR symétrique) |

SCHEMA DE BRANCHEMENT

1 - Secteur
Le transformateur d'alimentation est conscience pour une utilisation soit sur 115 V, soit sur 230 V, suivant la position du commutateur de voltage en face arriere. En sortie d'usine il est paramétré sur 230 V.
2 - Batterie 24 V
Pour l'utilisation sur batterie externe, relier l'amplificateur à la terre via le bornier à vis en face arrêté. La stabilité électrique est améliorée par la mise à la terre du coffret.
NOTA : Le cable de branchement doit être équipé d'un fusible de type rapide F15A. Respecter la bonne polarité.
3 - Microphone
Les entrées MIC 1 à 4 s'effectuent soit sur JACK symétrique 6,35 mm, soit sur DIN ou sur XLR en face arrêté (avec alimentation fantôme paramétrable). Les câblages des prises sont les suivants :
Fonctionnement en symétrique sur XLR :
Pin 1 = Masse
Pin 2 = Signal (+)
Fonctionnement en symétrique sur DIN :
Pin 1 = Signal +
Pin 2 = Terre
Pin 4 = Télecommande priorité
Pin 5 = Terre


Fonctionnement en symétrique sur Jack 6,35 mm stéreo :
Tip (pointe) = Signal +
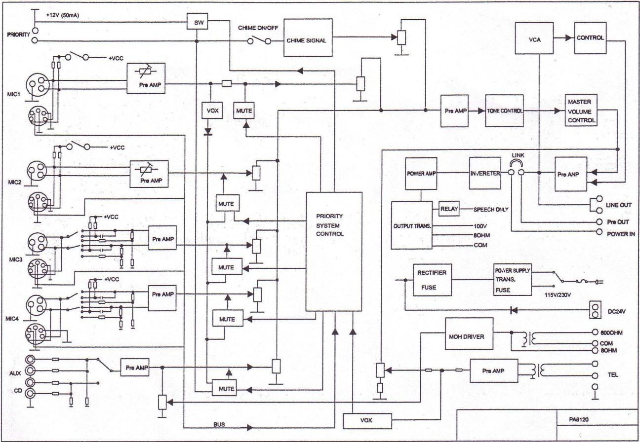
Priorité des microphones
- MIC 1 : est prioritaire par détction de modulation (Talkover) sur les entrées MIC 2 à 4 ainsi que sur les entrées Lignes, mais pas sur l'entrée TEL/EMER.
- MIC 2 : est prioritaire sur les entrées MIC 3 à 4 ainsi que sur les entrées Lignes, mais pas sur l'entrée TEL/EMER ni sur l'entrée MIC 1.
MIC 3 : est prioritaire sur l'entrée MIC 4 ainsi que sur les entrées Lignes, mais pas sur l'entrée TEL/EMER ni sur les entrées MIC 1 et MIC 2. - MIC 4 : est prioritaire seulement sur les entrées Lignes, mais pas sur l'entrée TEL/ERMER ni sur les entrées MIC 1, MIC 2 et MIC 3.
Alimentation phantom des microphones
- Les entrées MIC 3 et 4 sont des entrées (DIN, XLR/JACK) avec alimentation phantom paramétrable en face arrêté.
- Les entrées MIC et 2 peuvent receivevoir l'alimentation phantom après déplacement des switches SW401 et SW402 situés sur la carte circuit imprimé à l'intérieur de l'appareil.
Carillon :
1 - Mettre le commutateur CHIME en face arrriere sur la position ON, la fonction carillon est selectionnee.
2 - Lorsque le commutateur CHIME est sur ON, l'intervention d'un micro branché sur la prise DIN entree MIC 1 à 4 active le carillon Ding Dong qui est diffusé en tant que préannonce. Le volume par defaut du carillon est preréglé à 8 dB (40V) afin de convenir à la majorité des installations.
Cependant, il est possible de le régler à l'aide du potentiamètre "VR 303" située sur le circuit imprimé principal de l'appareil.
4-Téléphone/EMER
Entrée pour diffusion d'announces de sécurité, son niveau est indépendant du MASTER. Le niveau est régiable sur la face arrière (il ne peut cependant pas être régle sur 0). L'entrée TEL/EMER est prioritaire sur toutes les autres entrées.
5 - Sortie MONITOR (MOH)
Deux sorties MONITOR sont disponibles en face arrière :
1 - 600 Ω/1 V pour alimenter un system EPABX. Niveau de sortie régliable. Veuillez consulter le manuel de votre EPABX pour utiliser cette fonction.
2 - 8 Ω/1 W pour application monitoring (branchement d'un HP de contrôle).
6 - Ligne (AUX/CD)
Prise d'entrée pour les signaux sources auxiliaires comme radio Tuner, CD ou lecteur cassette. Positionner l'inter de selection AUX/CD en face avant en fonction de la source que vous souhaitez diffuser. Régler le volume LINE vers la croite pour l'augmenter, vers la gauche pour le diminuier.
Les prises d'entrée AUX et CD sont de type standard RCA, les 2 prises sont reliées entre elles en interne permettant la connexion d'un apparéil stéreo, néanmoins vous devez vous assurer auprès du fabricant de l' apparéil source que vous branchez qu'aucun dommage ne pourra résultat du branchement parallèle du canal droit et du canal gauche.
Câblage de la prise RCA :
Sleeve = Masse
Pin = Signal

7 - Sortie Enregistrement
Cet apparéil est pourvu d'une sortie sur 2 RCA, sortie mixée pour branchement d'un magnétophone pour enregistrement cassette.
8 - Entreie Ligne Power In/Sortie Pre Out
Relier l'étage mixeur/preamplificateur à l'étage puissance d'un amplificateur. Le cavalier de liaison doit être branché lors de l'utilisation normale en mixeur/preamplificateur.
Dans le cas de l'utilisation d'un compresseur/limitsur, d'un égaliseur ou autre processeur signal externe sur l'installation de sonorisation, relier la sortie "PRE OUT" de l'AM 60/2A (ou AM 120/2A) à l'entrée de l'appareil externe et la sortie de l'appareil externe à l'entrée "POWER IN".
Dans la chaine signal le "PRE OUT" est situé après les réglages MASTER de tonalité et de volume.
9 - Sorties Haut-parleurs 100 V
Nota : N'utiliser que des haut-parleurs en ligne 100 V (ou 70 V commutable).
Les HP ligne 100 V sont les plus couramment utilisés en EUROPE pour les installations Public Address.
Lorsque l'amplificateur est au maximum de sortie, 100 VRMS sont présents sur les borniers de sortie.
N'utiliser que des haut-parleurs équipés de transformateurs 100 V sur cette sortie.
Tous les HP sont câblés en parallèle et la somme des puissances de chaque HP ne doit pas dépasser la puissance RMS de sortie de l'amplificateur.
En principe, compte tenu de la nature des HP et des impédances des transformateurs il vaut moins ne pas dépasser 70% de la puissance RMS de l'amplificateur lorsqu'il y a diffusion de sources musicales.
Deux sorties HP sont prévues sur les amplificateurs mélangeurs AM 60/2A & AM 120/2A.
-
La sortie Music/Speech (Parole et Musique) produit le signal de toutes les entrées dans l'amplificateur.
-
La sortie Speech only (Parole uniquement) produit le signal lorsque la condition Priorité a eté sélectionnée. En conséquence sur cette sortie ne pourrait être diffusées que les entrées microphones prioritaires, cela signifie que seuls le "Ding Dong" et le signal issus de ces entrées microphones seront prênts sur cette sortie.
10 - Basse Impédance 8 Ω
Bornier de sortie qui permet le branchement de HP classiques en Basse Impédance.
ATTENTION :
Ne pas descendre en dessous de I'impedance 8
Lorsque plus de 2 HP doivent être branchés s'assurer que l'impédance totale se situe entre 8 et 16
11 - Branchement d'un amplificateur de puissance
Il est possible de brancher un amplificateur de puissance sur la sortie "PRE OUT" de l' amplificateur mélangeur.
L'amplificateur de puissance est relié au préampli par une entree RCA, plusieurs amplificateurs de puissance peuvent être branchés en utilisant la sortie du premier reliée à l'entrée du second et ainsi de suite, au total 3 amplificateurs de puissance peuvent être branchés de cette façon.
Lorsque les 2 zones "Music/Speech" et "Speech only" sont requises les borniers "Priority" doivent être utilisés : relier les bornier "Priority" de l'amplificateur mélangeur au premier amplificateur de puissance et ainsi de suite jusqu'àu 3^ème amplificateur de puissance.
12 - Porto de bruit "VCA"
Les amplificateurs mélangeurs sont équipés d'une détction de modulation "VOX" dans leur section Master. Le niveau d'entrée signal requis pour ouvrir la porte de bruit est fixé par le VR S601 sur la carte circuit imprimée fixée à la face avant.
Lorsque la porte de bruit est activée (ON) le rapport signal/bruit peut atteindre plus de 75 dB pour les entrées micros et 80 dB pour les entrées AUX/CD.
CHARACTERISTIQUES TECHNIQUES
| Type | Amplificateur-préamplificateur | |
| Modèle | AM 60/2A | AM 120/2A |
| Alimentation | AC 115 V/230 V 50/60 Hz ±10 % - commutable | |
| DC 24 V (déviation maximum 10%) | ||
| Puisance de sortie | MAX 90 W-RMS 60 W | MAX 180 W-RMS 120 W |
| Sorties | Sorties HP : Music/Speech : 8 Ω - 100 V (ou 70 V commutable)Speech : 100V (ou 70 V commutable)Sortie Enregistrement - TAPE : 350 mV, 4,75 KΩSortie Ligne - PRE OUT : 1V, 600 ΩSortie Monitor - MoH : 8 Ω 1 W / 600 Ω, 1 V symétrique | |
| Entrées | MIC 1 / 2 : 1 mV-200 mV (réglable), 250 Ω symétriquealimentation fantôme paramétrableMIC 3 / 4 : 1 mV, 250 Ω symétrique sans alim. PhantomPhantom : 1 mV, 250 Ω symétrique av. alim. PhantomLine : 100 mV, 47 KΩ symétrique sans alim. PhantomAUX : 200 mV, 47 KΩ, asymétriqueCD : 500 mV, 47 KΩ, asymétriqueTEL : 0,1 à 1 V, 600 Ω, symétrique, réglablePower In : 1 V, 47 KΩ, asymétrique | |
| Bandes passantes | MIC 1 à 4 : 60 Hz - 15000 Hz ± 3 dBAUX/CD : 50 Hz - 20000 Hz ± 3 dBTEL : 100 Hz - 15000 Hz ± 3 dB | |
| Distorsion harmonique totale | Moins de 1 % à 1 Khz à la puissance RMS | |
| Rapport Signal/Bruit | Tous les réglages de volume CCW : 80 dB en dessous de la puissance nominaleMIC 1 à 4 : 60 dB en dessous de la puissance RMSTEL : 70 dB en dessous de la puissance RMSLINE (AUX/CD) : 70 dB en dessous de la puissance RMS | |
| Réglages de Tonalité | Graves :±10 dB à 100 Hz - Aigus :±10 dB à 10 KHz | |
| Réglages | MIC 1 à 4 : réglage de volumeLINE (AUX/CD) : réglage de volumeMASTER : réglage de volumeTEL : niveau d'entréeMOH : niveau de sortieTonalité : Graves et aiguchimeCHIME : inter ON/OFFAC 115 V/230 V : commutateur de voltage | |
| Affichage | Voyant témoin de mise sous tensionAffichage niveau de sortie 5 voyants | |
| Consommation | Secteur : 170W - Batterie : 4A | Secteur : 360W - Batterie : 8A |
| Carillon | 2 tons Ding Dong précédant 1 appel micro | |
| Niveau de priorité | Utilisation des prises DIN pour les entrées MIC 1 à 4 :TEL/EMER MIC 1 MIC 2 MIC 3 MIC 4 AUX/CD6 5 4 3 2 1Utilisation des borniers priorité:TEL/EMER MIC 1 MIC 2 MIC 3 MIC 4 AUX/CD6 2 2 2 2 1 | |
| Dimensions L x P x h | 430 x 300 x 88 mm | |
| Poids | 8,5 Kg | 10 Kg |
| Option montage rack 19" 2 U | Equerres de fixation EQ 2000 | |
Notice Facile