MODE D'EMPLOI W-FM 54 WEISHAUPT
Notice d'utilisation

1 Conseils d'utilisation 4
1.1 Introduction pour l'utilisateur 4
1.1.1 Symboles 4
1.1.2 Personnes concernées 4
1.2 Garantie et responsabilité 5
2 Sécurité 6
2.1 Utilisation en toute sécurité 6
2.2 Comportement en cas d'odeur de gaz 6
2.3 Mesures de sécurité 6
2.3.1 Fonctionnement normal 6
2.3.2 Raccordement electrique 6
2.3.3 Alimentation gaz 7
2.4 Modifications sur le brûleur 7
2.5 Niveau sonore 7
2.6 Mise au rebut 7
3 Description produit 8
3.1 Fonction 8
3.1.1 Contrôle d'étanchéité 8
3.1.2 Programme de manque gaz 8
3.1.3 Puissance manuelle 9
3.1.4 Procedure de calcul 10
3.1.5 Initialisation des servomoteurs 11
3.1.6 Déroulement du programme 12
3.2 Entrées 16
3.2.1 Alimentation electrique 16
3.2.2 Chaine de sécurité 16
3.2.3 Choix du combustible et réarmement 17
3.2.4 Regulateur de puissance avec contacts 18
3.2.5 Regulateur de puissance avec entrées analogiques 19
3.2.6 Regulateur de puissance GTB 20
3.2.7 Pressostat d'air 20
3.2.8 Pressostat mini gaz 20
3.2.9 Pressostat maxi 20
3.2.10 Cellule de flamme 21
3.2.11 Compteur de combustible 21
3.3 Sorties 22
3.3.1 Alarme 22
3.3.2 Moteur 22
3.3.3 Transfo d'allumage 22
3.3.4 Variateur de vitesse 22
3.3.5 Signal de charge 23
3.4 Caracteristiques techniques 24
3.4.1 Caracteristiques electriques 24
3.4.2 Conditions environnantes 24
3.4.3 Dimensions 25
4 Installationélectrique 26
5 Utilisation 28
5.1 Unité de commande 28
5.1.1 Tableau de commande 28
5.1.2 Affichage 29
5.2 Affichage et modification des paramétres 31
5.2.1 Mot de passage 32
5.3 Paramétres 33
5.3.1 Niveau Mot de passage 33
5.3.2 Niveau Info 44
5.3.3 Niveau Service 44
6 Mise en service 45
6.1 Réglage en gaz 46
6.2 Reglage modulant en fioul 59
6.3 Reglage d'allure en fioul 72
7Mise hors service 83
8 Entretien 84
8.1 Composants relatifs à la sécurité 84
9 Recherche de defaults 85
9.1 Procedure en cas de panne 85
9.2 Codes defaults 87
10 Pièces détachées 96
11 Caracteristiques techniques 98
11.1 Variateur de vitesse 98
12 Index alphabétique 100
| Traduction de la notice originale |
1 Conseils d'utilisation
1 Conseils d'utilisation
Cette notice de montage et de mise en service fait partie intégrante de la commande et doit toujours être conservée sur place.
1.1 Introduction pour l'utilisateur
1.1.1 Symboles
| DANGER | Danger potentiel avec risques aggravés.
Un défaut de prise en compte de ce danger peut avoir des conséquences graves, voir même entraîner la mort. |
| ATTENTION | Danger potentiel avec risques moyens.
Un défaut de prise en compte de ce danger peut avoir des conséquences sur l'environnement, des blessures graves, voir même entraîner la mort. |
| ATTENTION | Danger potentiel avec risques faibles.
Un défaut de prise en compte de ce danger peut entraîner des dégradations matérielles, voir même des blessures corporelles. |
| II | Information importante. |
| • | Ce symbole représenté les opérations devant être effectuées immédiatement. |
| ✓ | Ce symbole correspond au résultat après une opération. |
| ■ | Énumération. |
| ... | Plage de valeurs. |
1.1.2 Personnes concernées
Cette notice de montage et de mise en service s'adresse à l'utilisateur et à du personnel qualifié. Elle doit être consultée par tous ceux qui intervennent sur le brûleur. Les interventions sur le brûleur ne peuvent être opérées que par les professionnelles disposant de la formation, des instructions et des autorisations qui s'imposent.
1 Conseils d'utilisation
1.2 Garantie et responsabilité
Des demandes en garantie et responsabilité lors de dommages corporels ou de dégats matériels ne sont pas couvertes lorsqu'elles se rapportent à l'une ou plusieurs des causes ci-après :
- Mauvaise utilisation du brûleur.
Non-respect des consignes de la notice de montage et de mise en service.
- Utilisation du brûleur avec des sécurités défectueuses et des protections non conformes.
- Dommages survenus par maintien en'utilisation alors qu'un défaut estprésent.
- Montage, mise en service, utilisation et entretien du brûleur non conformes.
- Modifications effectuées sur le brûleur par l'utilisateur.
- Montage d' éléments complémentaires qui n'ont pas été testés avec le brûleur.
- Modification du foyer par des inserts qui empêchent la bonne formation de la flamme.
- Réparations qui n'ont pas ete effectuees dans les regles.
- Utilisation de pieces qui ne sont pas des pieces d'origine Weishaupt.
- Combustibles non conformes.
- Défauts dans les conduites d'alimentation.
- Mauvaise manipulation.
2 Sécurité
2 Sécurité
2.1 Utilisation en toute sécurité
Le manager de combustion W-FM 54 est prévu pour fonctionner avec des brûleurs mixtes.
L'unité de commande AGM60...est uniquement prévue pour fonctionner avec un manager de combustion W-FM 54.
Uneutilisation non conforme peut conduire à:
des conséquences graves pouvant porter atteinte à la vie de l'utilisateur ou à celle de tiers,
- une dégradation du brûleur ou de son environnement.
2.2 Comportement en cas d'odeur de gaz
Eviter tout feu et toute étincelle. Par exemple :
- Ne pas eteindre ou allumer la luziere.
- Ne pas faire fonctionner d'appareil électric.
- Ne pas utiliser de téléphone portable.
Ouvrir portes et fenêtres.
Fermer le robinet gaz.
Prévenir les habitants de l'immeuble (sans utiliser la sonnette).
Faire evacuer le bâtiment.
- Prévenir l'installateur ou le distributeur de gaz par téléphone situé en-dehors duBATIMENT.
2.3 Mesures de sécurité
- Tout défaut pouvant porter atteinte à la sécurité du matériel et/ou des personnes doit impérativement être supprimé.
- Les composants des éléments de sécurité du brûleur doivent être replacés en fonction des prescriptions de longévité du constructeur (voir chap. 8.1).
2.3.1 Fonctionnement normal
- Plaque signalétique lisible et accessible.
- Le brûleur doit uniquement fonctionner lorsque le couvercle d'inspection est fermé.
- Ne pas toucher les pieces mobiles pendant le fonctionnement.
- Veiller à ce que les travaux de réglage, d'entretien et d'inspection soient réalisés selon le mode opérationnel décrit et dans les déliés impartis.
2.3.2 Raccordement electrique
Si des interventions doivent être réalisées à proximé d'appareils sous tension :
- Respecter la réglementation relative à la prévention des accidents BGV A3 ainsi que les règlements en vigueur au plan local.
Utiliser l'outillage adequat prescrit par la norme EN 60900.
2 Sécurité
2.3.3 Alimentation gaz
- L'installation, les modifications et l'entretien d'installations gaz ne peuvent être réalisés que par les sociétés de distribution de gaz ou par des entreprises agréeses pour des travaux sur le gaz.
- L'étanchéité des conduites gaz doit être vérifiée à la pression d'essai réglementaire (voir par ex. à cet effet la norme DVGW-TRGI, fiche de travail G 600 en vigueur en Allemagne).
- Avant l'installation, vérifier le type et la nature du gaz ainsi que la pression du réseau au+.
+upres de la société de distribution de gaz.
- Respecter l'ensemble des prescriptions en vigueur dans les chaufferies (voir par ex. la norme DVGW-TRGI, fiche de travail G 600 en vigueur en Allemagne ; TRF volume 1 et volume 2).
- Réaliser l'installation selon le type et la qualité de gaz pour éviter qu'il puisse arrivier en phase liquide à l'installation (par ex. condensats), respecter en particulier la température de vaporisation du GPL.
- N'utiliser que des matériaux d'étanchéité autorisés. Veiller au respect de leurs consignes de mise en œuvre.
- Reprendre le réglage du brûleur après un changement de gaz.
- Effectuer un contrôle d'étanchéité après chaque entretien et suppression de défaut.
2.4 Modifications sur le brûleur
Des modifications sur le brûleur ne sont admises qu'avac l'accord préalable de la société Max Weishaupt GmbH.
- Il est interdirit de procéder au montage d'éléments complémentaires qui n'ont pas été testés avec le brûleur.
Utiliser uniquement des pieces detachées Weishaupt.
2.5 Niveau sonore
Le niveau sonore d'un système de combustion est déterminé par le comportement acoustique de l'ensemble des composants de l'installation.
Un niveau sonore trop élevé peut entrainer une surdite. Fournir au personnel les équipements de protection adaptés.
Une réduction du niveau sonore peut être obtenue par la mise en place d'un piège à son.
2.6 Mise au rebut
Les matériels utilisés doivent être éliminés conformément à la législation en vigueur. Il importe de tener compte en outre de la réglementation en vigueur au plan local.
3 Description produit
3 Description produit
3.1 Fonction
3.1.1 Contrôle d'étanchéité
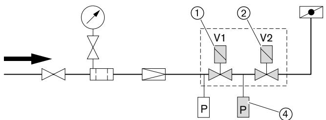
Le pressostat mini gaz sert également de contrôleur d'étanchéité et contrôle l'étanchéité des vannes. Le pressostat gaz est raccordé entre les deux vannes. Il informe le manager de combustion lorsque la pression augmente ou chute pendant le contrôle d'étanchéité.
Le manager de combustion procède automatiquement au contrôle d'étanchéité :
- après un arrêt thermostatique,
- avant le démarrage du brûleur suite à un arrêt par sécurité ou une chute de tension.
1ère phase de test (déroulement du cycle pour contrôle d'étanchéité de la vanne 1) :
- la vanne 1 ferme,
- la vanne 2 ferme de maniere temporisée,
- le gaz s'échappe et la pression entre V1 et V2 chute,
les deux vannes restent fermées pendant 10 secondes.
Si la pression gaz augmente pendant ces 10 secondes, alors la vanne V1 n'est pas étanche. Le manager de combustion met le brûleur en sécurité.
2ème phase de test (déroulement du cycle pour contrôle d'étanchéité de la vanne 2):
- la vanne 1 ouvre, la vanne 2 reste fermée,
- la pression gaz entre V1 et V2 augmente,
la vanne 1 se referme,
les deux vannes restent fermées pendant 10 secondes.
Si la pression gaz chute pendant ces 10 secondes sous la valeur reglee, alors la vanne V2 n'est pas etanche. Le manager de combustion met le bruleur en sécurité.


① Vanne1
② Vanne 2
(3) Pression entre V1 et V2
④ Pressostat mini gaz / pressostat gaz du contrôle d'étanchéité
(5) Phases de fonctionnement
3.1.2 Programme de manque gaz
Le pressostat mini gaz contrôle la pression de raccordement gaz à partir de la phase 39. Si la pression gaz préréglée est inférieure, le programme de manque gaz démarre.
Au programme de manque gaz, le manager de combustion met le brûleur en arrêt de sécurité et après écoulement du temps d'attente (10 secondes) il tente un nouveau démarrage. Àpres chaque essai infructieux, le temps d'attente pour le programme de manque gaz est double. Si les tentatives d'essais sont supérieures à la valeur limite de répetition (paramètre 223), le manager de combustion verrouille en position défaut.
Si le brûleur démarre, le compteur de répétitions est automatiquement remis à zéro.
3 Description produit
3.1.3 Puissance manuelle
Si un signal estprésent à l'entrée X5-03:1 (marche brûleur), la puissance manuelle permet de démarrer chaque position de charge comprise dans les limites de puissance. Lorsque la puissance manuelle est active, la puissance actuelle clignote sur l'afficheur. La puissance manuelle peut être activée soit par une combinaison de touches ou par le paramètre 121. En utilisant la commande manuelle à travers le paramètre 121 on accede à d'autres fonctions.
Indication puissance
Fonction
| Paramètre 121 | Combinaison de touches |
| ----- | Puisance manuelle désactivée | Impossible |
| 0.0 ... 19.9 | Manuel arrêt, reste actif après un changement de combustible | Impossible |
| P0 | Passage en position d'allumage (uniquem-ment fonctionnement par allure) | Impossible |
| 20.0 ... 100.0P1 ... P3 | Passage à une position de charge dans les limites de puissance.Des valeurs situées hors des limites de charge peuvent être régliées, mais pas atteintes. Si les limites sont élargies lors-que la puissance manuelle est active, alors le brûleur suit les courbes. | Passage à une position de charge dans les limites de puissance.II est uniquement possible de régler des valeurs comprises dans les limites. |
Pour la durée de la mise en service (400 Set)), la puissance manuelle est ignorerée.
A l'exception de Manuel ARRET, la puissance manuelle est désactivée lors d'une commutation de combustible.
Puisssance manuelle à l'aide d'une combinaison de touches
Activer la puissance manuelle :
Maintainir la touche [F] appuyee.
A l'affichage apparait LoAd.
A l'aide des touches [+] ou [-], régler la puissance manuelle.
En affichage de fonctionnement la puissance manuelle réglee clignote.
Désactiver la puissance manuelle :
Maintainir la touche [esc] appuyee pendant 5 secondes.

Puisssance manuelle par le parametre 121
Entrer le mot de passer (voir chap. 5.2.1).
Selectionner le parametre 121
Appuyer sur la touche [ENTER].
Avec la touche [+] ou[-],regler la puissance manuelle.
Appuyer sur la touche [ENTER].
Positionnement de la puissance manuelle.
3 Description produit
3.1.4 Procedure de calcul
Lors d'une mise en service en mode modulant, lorsque P1 et P9 sont programmés, il est possible de déclencher une procédure de clacul. Avec la procédure de calcul, une droite est tracee a partir du point de fonctionnement affiché jusqu'à P1 resp. P9. Les valeurs sur la courbe sont reprises en tant que points de fonctionnement.
Procedure de calcul vers P9: Appuyer 3...5 secondes sur [+] .
Procedure de calcul vers P1: appuyer 3...5 secondes sur [-].
Si seulement P1 et P9 sont programmés lors de la mise en service, le manager de combustion en quittant P1 déclenché une procédure de calcul et déterminé les points P2 à P8.

①

②
① Procedure de calcul automatique
② Calcul de P5 vers P9
3 Description produit
3.1.5 Initialisation des servomoteurs
En phase de fonctionnement 10 (retour) le manager de combustion procèle à l'initialisation des servomoteurs, pour cela le servomoteur franchit une marque de reférence. Ensuite, le servomoteur retourné en arrière et fixe une position reférence sur le repère interne de sa position de reférence. Par la suite, toutes les courses du servomoteur seront réalisées à partir de cette position.
Le manager de combustion initiaise les servomoteurs de combustible à la position OUVERT et le servomoteur air à la position FERME. La plage de réglage du volet d'air est limitée mécaniquement, pour cette raison le servomoteur air ne peut pas se positionner sur la marque OUVERT. Lorsque les servomoteurs sont inversés, un défaut d'initialisation est détecté (erreur 85). Une inversion des servomoteurs combustible est impossible en raison des différents connecteurs.

① Plage de référence FERMEE
② Marque de référence FERMEE (servomoteur air)
③ Plage de réference OUVERTE
④ Marque de référence OUVERTE (servomoteur combustible)
3 Description produit
3.1.6 Déroulement du programme
Phases de fonctionnement
| 00 | Phase d'arrêt par défaut |
| 02 | Phase de sécurité |
| 10 | Retour |
| 12 | Standby |
| 22 | DEMARRAGE ventilateur |
| 24 | Position préventilation |
| 30 | Préventilation |
| 36 | Position d'allumage |
| 38 | Préallumage |
| 39 | Test pressostat mini gaz (ouverture vanne de combustible 1,uniq. en gaz) |
| 40 | Libération du combustible |
| 42 | Allumeur en fonction |
| 44 | Signal de flamme |
| 50 | Stabilisation de la flamme (uniquement en gaz avec vanne d'allumage pilote) |
| 52 | ARRET vanne d'allumage pilote (uniquement en gaz avec allumage pilote) |
| 60 | Position de fonctionnement 1 |
| 62 | Position de fonctionnement 2 |
| 70 | Post-combustion |
| 72 | Position post-ventilation |
| 74 | Post-ventilation |
| 78 | Post-ventilation |
| 80 | Vider la rampe (uniquement lors du contrôle d'étanchéité) |
| 81 | Test sans pression (uniquement lors du contrôle d'étanchéité) |
| 82 | Remplir la rampe (uniquement lors du contrôle d'étanchéité) |
| 83 | Test avec système en pression (uniquement lors du contrôle d'étanchéité) |
| 90 | Temps d'attente manque gaz |
3 Description produit

Gaz avec vanne d'allumage pilote
Signal de commande entree / sortie
Pas de signal à l'entrée
Entree sans influence
(1) Phases de fonctionnement
② Chaine de sécurité
③ Demande de chaleur par la régulation
④ Signal de flamme
(5) Pressostat d'air
⑥ Pressostat mini gaz / contrôle d'étanchéité
⑦ Pressostat maxi gaz
Moteur turbine
⑨ Transfo d'allumage
10 Vanne de sécurité
(1) Vanne de combustible 1
(12) Vanne de combustible 2
③ Vanne d'allumage pilot
3 Description produit

Allumage gaz direct
Signal de commande entree / sortie
Pas de signal à l'entrée
Entree sans influence
(1) Phases de fonctionnement
② Chaine de sécurité
③ Demande de chaleur par la régulation
④ Signal de flamme
(5) Pressostat d'air
⑥ Pressostat mini / Pressostat gaz du contrôle d'étanchéité
⑦ Pressostat maxi gaz
Moteur turbine
⑨ Transfo d'allumage
10 Vanne de sécurité
11 Vanne de combustible 1
(12) Vanne de combustible 2
3 Description produit

Fioul modulant et d'allure
(1) Uniquement avec préallumage long (paramètre 381)
(2) Uniquement en mode fonctionnement 12 (fioul modulant avec bobine electromagnetique dans la ligne de giclure)

Signal de commande entree / sortie

Pas de signal à l'entrée

Entrée sans influence
①
Phases de fonctionnement
(2)
Chaîne de sécurité
(3)
Demande de chaleur par la régulation
(4)
Signal de flamme
(5)
Pressostat d'air
(6)
Pressostat maxi
(7)
Moteur turbine
(8)
Transfo d'allumage
(9)
Vanne de sécurité
10
Vanne de combustible 1
11
Vanne de combustible 2
(12)
Vanne de combustible 3
3 Description produit
3.2 Entrées

3.2.1 Alimentation électrique
L'alimentation électrique est raccordée au W-FM 54 sur les entrées X3-04:3-5.
L'unité de commande AGM 60 doit uniquement être alimentée en tension par le W-FM 54. Pour cela, raccorder la borne X31-01:4 (AGM 60) sur la sortie phase X3-04:2 (W-FM 54).
La fréquence réseau doit être régée au paramètre 125.

3.2.2 Chaine de sécurité
Les entrées X3-03:1/2 et X3-04:1/2 sont générées en tant que chaîne de sécurité au code de diagnostic. Si l'un des contacts de l'entrée n'est pas fermé, au moins un arrêt par sécurité est déclenché. Si le nombre de répétitions est dépasse, une entrée ouverte conduit à un verrouillage. Le nombre de répétitions peut être régle au paramètre 215.
A l'entrée X3-04:1/2, tous les composants externes de la chaîne de sécurité sont branchés en série, par exemple :
interrupteur arrêt d'urgence,
- thermostat de sécurité (STB),
- sécurité manque d'eau, ...
A l'entrée X3-03:1/2, on raccorde le fin de course de bride brûleur.
3 Description produit


3.2.3 Choix du combustible et réarmement
Choix du combustible
Le sélecteur de combustible est raccordé à l'unité de commande AGM 60 entre la borne X31-01:4 et la borne X31-01:1. Selon le type signal délivré à la borne X31-01:1, l'unité de commande AGM 60 active les entrées et sorties correspondantes (Fuel 0 = Gaz ou Fuel 1 = Fioul).
| Position sélecteur combustible | Signal X31-01:1 |
| 1 Gaz | - |
| 2 Fioul | 230 V |
| 3 externe | dépendant d'un contact externe |
Selon le combustible sélectionné, un signal de 230 V est transmis à la sortie X31-02:1 ou X31-02:2. Aux entrées X8-04:1 et X9-04:2 le W-FM 54 reconnait le combustible sélectionné.
| Entrée X8-04:1 | Entrée X9-04:2 | Signification W-FM 54 |
| 0 V | 230 V | Combustible actif = gaz |
| 230 V | 0 V | Combustible actif = fioul |
| 0 V | 0 V | Alimentation interrompue / Arrêt par sécurité |


Avant un changement de combustible, dans l'AGM 60, le contact du régulateur de puissance X32-02 interrupt une éventuelle demande de chaleur. Ainsi le manager de combustion met le brûleur hors service et démarre ensuite avec le nouveau combustible en fonctionnement automatique. Une éventuelle puissance manuelle sera donc effacée, à l'exception de la fonction manuelle ARRET qui reste active même après un changement de combustible.
Déverrouillage
Aux entrées X8-04:1 et X9-04:2, il est possible de raccorder un bouton de réarmement. En cas de défaut, un appui sur la touche pendant 1...3 secondes permet de réarmer le manager de combustion. Si le manager se trouve en phase de fonctionnement, un appui sur la touche pendant 1...3 secondes entraîne un verrouillage manuel. Un appui prolongé ou plus court n'est pas pris en compte par le manager et n'entraîne aucune réaction.
3 Description produit

Le contact pour la demande de chaleur est raccordé à l'entrée X32-02 de l'unité de commande AGM 60. Le signal est transmis par le contact du régulateur de puissance (LC) à l'entrée X5-03:1 (MARCHE brûleur) du manager de combustion.
Avant un changement de combustible, dans l'AGM 60, le contact du régulateur de puissance X32-02 interrupt une demande de chaleur. Ainsi le manager de combustion met le brûleur hors service et démarre ensuite avec le nouveau combustible en automatique. Une éventuelle puissance manuelle sera donc effacée, à l'exception de la fonction manuelle ARRET qui reste active même après un changement de combustible.
Avec la régulation de puissance, on désit entre un fonctionnement d'allure ou modulant. Le fonctionnement en gaz se règle au paramètre 201, celui en fioul au paramètre 301.
Fonctionnement modulant avec régulateur de puissance
Si l'entrée X5-03:2 (FERME) est actionnée, la puissance brûleur est réduite. Si l'entrée X5-03:3 (OUVERT) est actionnée, la puissance brûleur augmente. Si aucune des deux entrées n'est actionnée, la puissance brûleur resteinchangée.
Fonctionnement modulant avec thermostat
Si aux entrées X5-03 un thermostat ou un pressostat est raccordé, le combustible modulant peut uniquement fonctionner en 2 allures progressives.
Lors d'une demande de chaleur, l'entrée X5-03:2 (FERME) est actionnée et le brûleur se positionne en petit début. Si la température chute sous la valeur régée, l'entrée X5-03:3 (OUVERT) est actionnée et le brûleur se positionne en grand début. Si l'entrée X5-03:3 reçoit un signal, alors l'entrée X5-03:2 n'est pas prise en compte.

W-FM 54

W-FM 54

Si aux entrées X5-03 un thermostat ou un pressostat est raccordé, le combustible modulant peut uniquement fonctionner en 2 allures progressives.
Lors d'une demande de chaleur, l'entrée X5-03:2 (FERME) est actionnée et le brûleur se positionne en petit début. Si la température chute sous la valeur régée, l'entrée X5-03:3 (OUVERT) est actionnée et le brûleur se positionne en grand début. Si l'entrée X5-03:3 reçoit un signal, alors l'entrée X5-03:2 n'est pas prise en compte.

W-FM 54
Fonctionnement d'allures (uniquement fioul)
2 et 3 allures :
Entrée
Mode de fonctionnement
| 2 allures | 3 allures |
| X5-03:1 | Allure 1 | Allure 1 |
| X5-03:2 | Allure 1 | Allure 2 |
| X5-03:3 | Allure 2 | Allure 3 |
En fonctionnement 3 allures, si l'entrée X5-03:3 est actionnée, le brûleur passé en 3ème allure, le signal de la 2ème allure n'est pas pris en compte.
Charge d'allumage :

W-FM 54
En fioul, le contact de relais entre les bornes 1 et 2 ferme, le brûleur allume en 1ère allure lors de la demande de chaleur et passé automatiquement en 2ème allure. Dans le même temps, si l'entrée X5-03:3 est actionnée, le brûleur passe en 3ème allure.

W-FM 54
Inversion de charge :
En fioul, le contact de relais entre les bornes 2 et 3 se ferme. Le brûleur passée en 1 ére allure lors d'une demande de chaleur. Si les entrées X5-03:2/3 sont actionnées simultanément le brûleur passée de la 2ème à la 3ème allure.
3 Description produit

3.2.5 Régulateur de puissance avec entrées analogiques
Le contact pour la demande de chaleur est raccordé à l'entrée X32-02 de l'unité de commande AGM 60. Le signal est transmis par le contact du régulateur de puissance (LC) à l'entrée X5-03:1 (MARCHE brûleur) du manager de combustion.
Avant un changement de combustible, dans l'AGM 60, le contact du régulateur de puissance X32-02 interrupt une demande de chaleur. Ainsi le manager de combustion met le brûleur hors service et démarre ensuite avec le nouveau combustible en automatique. Une éventuelle puissance manuelle sera donc effacée, à l'exception de la fonction manuelle ARRET qui reste active même après un changement de combustible.
Le signal analogue est raccordé au W-FM 54 aux bornes X64:1 (4 ... 20 mA) et X64:2 (GND).
Fonctionnement modulant
En fonctionnement modulant, le paramètre 123 (voir chap. 5.3.1) définit le pas de réglage minimum.
| Signal à X64:1/2 | Puisance W-FM |
| 0 ... 3 mA | Brûleur à l'arrêt |
| 3 ... 4 mA | 20 % |
| 20 mA | 100 % |
Fonctionnement d'allure
En fonctionnement d'allure, l'hysteresis entre deux points de fonctionnement est de 1 mA ce qui permet d'eviter des variations de charge inutiles.
2 allures :
| Signal à X64:1/2 | Puisance W-FM |
| 0 ... 3 mA | Brûleur à l'arrêt |
| 3 ... 5 ... 12 mA | Allure 1 |
| 13 ... 15 ... 20 mA | Allure 2 |
3 allures :
| Signal à X64:1/2 | Puisance W-FM |
| 0 ... 3 mA | Brûleur à l'arrêt |
| 3 ... 5 ... 7 mA | Allure 1 |
| 8 ... 10 ... 12 mA | Allure 2 |
| 13 ... 15 ... 20 mA | Allure 3 |
3 Description produit

3.2.6 Régulateur de puissance GTB
La GTB est raccordée à l'entrée COM X92 par l'intérimédiaire d'une interface. La tension de sortie X5-03:4 est raccordée à l'entrée X32-02 de l'unité de commande AGM 60. Le signal est transmis par le contact du régulateur de puissance (LC) au manager de combustion par l'entrée X5-03:1 (MARCHE brûleur).
Avant un changement de combustible, le contact du régulateur de puissance X32-02 dans l'AGM 60 interrupt une demande de chaleur. Ainsi le manager de combustion met le brûleur hors service et démarre ensuite avec le nouveau combustible en fonctionnement automatique. Une évientuelle puissance manuelle est donc effacée, à l'exception de la fonction ARRET manuelle qui reste active même après un changement de combustible.

3.2.7 Pressostat d'air
A l'entrée X3-02 raccorder le contact de fermeture du pressostat d'air. Si le signal n'est pas present après le démarrage du ventilateur, le manager de combustion met le brûleur en défaut.

Le contact de fermetre du pressostat mini gaz doit être raccordé à l'entrée X5-01. A partir de la phase 39, le manager attend un signal à l'entrée X5-01:2. Si la valeur minimale passée sous la valeur réglée au pressostat mini, le contact du pressostat s'ouvre et le manager de combustion démarre le programme manque de gaz (voir chap. 3.1.2).
Le pressostat mini gaz est monté entre les vannes et sert également pour le contrôle d'étanchéité.

3.2.9 Pressostat maxi
En liaison avec la charge, l'unité de commande AGM 60 transmet le signal du pressostat maxi gaz ou du pressostat maxi fioul par la sortie X32-01:1 au manager de combustion.
Pressostat maxi gaz
Le contact d'ouverture du pressostat maxi gaz est raccordé sur l'entrée X22-02 de l'unité de commande AGM 60. Pour des brûleurs sans pressostat maxi gaz, faire un pont sur les bornes 2 et 3.
En gaz, le manager de combustion attend à partir de la phase 40 un signal à l'entrée X5-02:2. Si la valeur réglée au pressostat est dépassee, le contact du pressostat s'ouvre et le manager de combustion entraîne un arrêt par défaut.
Pressostat maxi fioul
Le contact d'ouverture du pressostat maxi fioul est raccordé sur l'entrée X5-02 de l'unité de commande AGM 60. Pour les brûleurs sans pressostat maxi fioul, faire un pont sur les bornes 2 et 3.
En fonctionnement fioul et à partir de la phase 22, le manager de combustion attend un signal à l'entrée X5-02:2. Si la valeur reglee au pressostat est depassee, le contact du pressostat s'ouvre et le manager entraîne un arrêt par défaut. En phase 22 (ventilateur MARCHE), la mise en défaut est effective après une temporisation de 25 secondes, dans les phases suivantes la mise en défaut est immediate.
3 Description produit
3.2.10 Cellule de flamme
Si le signal de la flamme en phase 44 est différent de la valeur nécessaire, le manager de combustion met le brûleur en défaut.
En fonctionnement, si le signal de flamme est inférieur à la valeur, le manager de combustion met le brûleur en sécurité avec redémarrage. Deux arrêts par sécurité à la suite entraînant une mise en défaut.
Un signal de flamme lors d'une demande de chaleur (phase 12) empêche le démarriage.
Un signal de flamme pendant la préventiation ou la post-ventilation entraine une mise en défaut après une seule répétition et une nouvelle apparition.
Le paramètre 954 affiche le signal de flamme actuel en pourcentage.

QRA...
La cellule de flamme QRA... (cellule UV) est raccordée à l'entrée X10-06.
| Signal de flamme
Paramètre 954 |
| Seuil de détction pour lumière étrangère | sup. à 18 % |
| Fonctionnement | min. 24 % |

QRC1...
La cellule de flamme QRC1... (cellule UV photodiode) est raccordée à l'entrée X10-05.
| Signal de flamme
Paramètre 954 |
| Seuil de détction pour lumière étrangère | sup. à 10 % |
| Fonctionnement | min. 26 % |

3.2.11 Compteur de combustible
A l'entrée X75 il est possible de raccorder un compteur de combustible. Pour cela,aucun variateur ne doit etre raccordé ni activé. Les impulsions du compteur volumé-trique sont reglées au paramètre 128.
Si deux compteurs volumétriques sont utilisés, il faut prévoir une commutation externe entre les compteurs : soit par le sélection de combustible, soit par l'ajout d'un relais supplémentaire sur la sortie d'une vanne de sécurité de l'AGM 60.
3 Description produit
3.3 Sorties
3.3.1 Alarme

A la sortie alarme X3-05:2 un signal de tension est transmis en position défaut (phase 00).
Un empêchement de démarriage peut également être signalé. Pour cela, régler le paramètre 210 sur 1.

3.3.2 Moteur
Fonctionnement normal
De manière standard, le contacteur de puissance resp. la combinaison etoile/triangle du moteur brûleur est raccordé sur la sortie X3-05:1.

Fonctionnement continu
Avec une ventilation permanente, le contacteur de puissance resp. la combinaison étoile/triangle du moteur brûleur se raccorde sur la sortie X3-05:3. De plus, la vanne de décharge du pressostat d'air doit être raccordée sur la sortie X3-05:1.

3.3.3 Transfo d'illumage
Le transfo d'allumage se raccorde sur la sortie X4-02.
Comportement à l'allumage gaz
Au paramètre 226 il est possible de modifier la durée du préallumage (phase 38).
Comportement à l'allumage fioul
Au paramètre 381, il est possible de déterminer si l'allumage doit enclencher en phase 22 ou en phase 38. Au paramètre 326, il est possible de modifier la durée de préallumage (phase 38).

3.3.4 Variateur de vitesse
A la fiche X74 il est possible de raccorder un variateur de vitesse et la détction de vitesse.
Variateur de vitesse
| Borne X74:1 | Entrée 24 V ; alimentation du variateur |
| Borne X74:2 | Signal de référence |
| Borne X74:3 | Signal de consigne de la vitesse (paramètre 645) |
Détection de la vitesse
| Borne X74:4 | Retour d'information vitesse (entree vitesse reelle) |
| Borne X74:5 | 10 V ; alimentation du manager de combustion |
3 Description produit

3.3.5 Signal de charge
A la place du variateur, il est possible à la sortie X74:3 de transmettre un signal dépendant de la charge. Pour cela, il faut-disposer d'une tension continue en 24V sur l'entrée X74:1/2.
Les valeurs représentées sont valables pour un signal analogique de 0 ... 10 V; si un signal de 2 ... 10 V resp. 0/2 ... 10 V est régé au paramètre 645, les tensions se modifiient en conséquence.
Conversion: (valeur d'origine x 0,8) + 2 = nouvelle valeur.
Fonctionnement modulant
| Puisance | Point de courbe | Signal analogue |
| Arrêt | - | 0 V |
| Position d'allumage | P0 | 1 V |
| Petit début (20 %) | P1 | 2 V |
| Grand début (100 %) | P9 | 10 V |
Fonctionnement 2 allures
| Puisance | Point de courbe | Signal analogue |
| Arrêt | - | 0 V |
| Allure 1 | P1 | 5 V |
| Allure 2 | P2 | 10 V |
Fonctionnement 3 allures
| Puisance | Point de courbe | Signal analogue |
| Arrêt | - | 0 V |
| Allure 1 | P1 | 3 V |
| Allure 2 | P2 | 5 V |
| Allure 3 | P3 | 10 V |
3 Description produit
3.4 Caracteristiques techniques
3.4.1 Caracteristiques electriques
Manager de combustion / Unité de commande
| W-FM 54 | AGM 60 |
| Tension / Fréquence réseau | 230 V/
50 ... 60 Hz | 230 V/
50 ... 60 Hz |
| Puisance maxi. absorbée | 30 W | 5 W |
| Intensité maxi. fusible de protection | 16 AT | 6,3 AT |
| Fusible de protection interne | 6,3 AT | - |
| Indice de protection | IP 00 | IP 00 |
Servomoteur
| STE 50 1,2 Nm | STE 50 3 Nm |
| Tension / Fréquence réseau | DC/AC 24 V/
50 ... 60 Hz | DC/AC24 V/
50 ... 60 Hz |
| Puisance maxi. absorbée | 7,5 W | 10 W |
| Couple moteur | 1,2 Nm | 3 Nm |
| Temps de réglage | 5 s/90° | 4 s/90° |
| Indice de protection | IP 54 | IP 54 |
| Classe de protection | II | II |
ABE
| STE 50 1,2 Nm |
| Tension réseau | DC 5 V |
| Puisance maxi. absorbée | 50 mW |
| Indice de protection (partie frontale) | IP54 selon ICE 529 |
| Indice de protection (partie arrière) | IP40 selon ICE 529 |
| Classe de protection | Il selon DIN EN 60 730-1 |
3.4.2 Conditions environnantes
| Température en fonctionnement | -20 ... +60 °C |
| Température lors du transport/stockage | -20 ... +60 °C |
| Humidité relative | max 95%, éviter toute forme de condensation |
3 Description produit
3.4.3 Dimensions

Manager de combustion

Unité de commutation
Unité d'affichage et de programmation
Dimensions des découpes : 127 x 91 mm ±5 mm

4 Installation électrique
4 Installation électrique
| DANGER | Electrocution lors de travaux sous tension
Des blessures graves voire la mort en sont les conséquences.
• Avant de début les travaux d'entretien,mettre l'installation hors tension et la sécuriser contre tout réenclenchement intempestif. |
| ATTENTION | Electrocution malgré réseau hors tension
Pour les brûleurs équipés d'un variateur,certains éléments peuvent encore être sous tension après une coupure de réseau et conduire à uneelectrocution.
• Avant de début les travaux,attendre env. 5 minutes jusqu'à ce que les tensions électriques aient disparues. |
L'installation électrique ne peut être réalisée que par un électricien professionnel et dans ce cadre les prescriptions en vigueur au plan local sont à respecter.
Réaliser le raccordement électrique de manière à pouvoir pivoter le brûleur.
Utiliser l'entrée de cables sur la carcasse du bruleur.
Raccorder les cables selon le schema electrique livre avec le bruleur.
Le circuit de commande, qu'il soit alimenté en triphase ou monophasé alternatif protégé par un fusible de 16 AT, ne peut être raccordé qu'entre phase et neutre (neutre à la terre).
La mise en place d'un transformateur d'isolement est impérative lorsque le régime de neutre n'est pas de type IT, TN ou en absence de neutre.
Au secondaire du transformateur d'isolement, le conducteur faisant office de neutre doit être mis à la terre.
Phase et neutre ne doit pas etre inverses. En cas de non-respect, la protection par contact n'est plus active. Des defaults de fonctionnement affectant la sécurité peuvent survenir.
La section des cables d'alimentation et de la chaine de sécurité doit être déterminée par rapport à la protection de tête (max. 16 AT).
Tous les autres câbles de raccordement de la chaine de sécurité doivent être déterminés par rapport à la protection interne (6,3 AT)
Terre et neutre selon prescriptions locales.
Determination des longueurs de câbles :
- Unité d'affichage et de programmation, régulateur, chaîne de sécurité, bride brû-leur, touche de déverrouillage maximum 20 m (100 pF/m),
- liaison BCI maximum 10m (100 pF/m).
Raccorder le moteur bruleur
Le moteur doit être protégé contre les surintensités et les court-circuits. Il est conseilé demettre en place un disjoncteur moteur.
Ouvrir le bornier moteur.
Réaliser l'alimentation électrique selon le schéma livre avec le brûleur, attention au sens de rotation du moteur.
Raccorder la rampe gaz
Le raccordement s'effectue selon le schema livre avec le bruleur.
Raccorder la double vanne gaz (fiche Y2) :
- bobine pour W-MF resp. DMV,
- servomoteur pour VGD.
Raccorder le pressostat mini gaz (fiche F11).
Eventuelles traccorder le pressostat maxi gaz (fiche F33).
4 Installation électrique
Variateur de vitesse
Si le variateur de vitesse se trouve sur le moteur, le cable d'alimentation n'est pas blinde.
Si le variateur est installé de manière séparée, les câbles de commande et de raccordement du moteur vers le variateur sont blindés.
Mettre le blindage au niveau du variateur sur les etriers prevus a cet effet.
Au niveau du brûleur, utiliser des presse-étoupes métalliques pour le blindage.
5 Utilisation
5 Utilisation
5.1 Unité de commande
5.1.1 Tableau de commande

Unité d'affichage et de programmation (ABE)
| N° | Touche | Fonction |
| ① | [ENTER] | Enregistrer les modifications ;
Accès aux paramètres et valeurs |
| [info] | Appuyer env. 3 secondes = Niveau Info ;
Appuyer env. 5 secondes = Niveau Service |
| ② | [+] | Navigation dans la structure de paramètres ;
Modifier les valeurs de réglage |
| ③ | [-] |
| ② et ③ | Appui simultané sur [+] et [-] de (esc)(1) | Interruption/Retour |
| ④ | [A] (Air) | Sélectionne le servomoteur des volets d'air |
| ⑤ | [F] (Fioul) | Sélectionne le servomoteur combustible |
| ④ et ⑤ | Appuy Simultané sur [A] et [F] de (VSD)(2) | Sélectionne le variateur de vitesse (option) |
Appuyer simultanément sur la touche [ENTER] et une deuxième touche quel-conque.
Le brûleur se met immédiatement en défaut.
5 Utilisation
5.1.2 Affichage
Les segments noirs des symboles indiquent l'etat des entrées et des sorties, l'unité des valeurs ainsi que les niveaux qui sont actifs.

① Demande de chaleur par thermostat chaudiere (demarrage)
② Moteur brûleur
③ Allumage
(4) Vannes combustible
(5) Présence signal de flamme
⑥ Disparition de flamme ou défaut
⑦ Position angulaire
⑧ Valeur en pourcentage
⑨ Seconde
10 Minute
Heure (avec le débit = V/h)
⑫ Débit (m³, l, ft³, gal)
⑬ Servomoteur OUVERT
④ Servomoteur FERME
⑤ Niveau Service
16 Niveau Info
⑦ Niveau Paramètres (niveau installer)
5 Utilisation
Affichage OFF
| OFF UPr0 | Le paramétrage pour le combustible 0 (gaz) est manquant, in-complet ou a été effacé. |
| OFF UPr1 | Le paramétrage pour le combustible 1 (fioul) est manquant, in-complet ou a été effacé. |
| OFF GAS0 | Pas de demande de chaleur par le régulateur (Entrée X5-03:1). |
| OFF OIL1 | |
| OFF S | Chaîne de sécurité non fermée lors de la demande de chaleur (Entrées X3-03:1/2 et X3-04:1/2). |
Affichage Ph
| Ph22 | Le manager de combustion se trouve dans une phase de marche et attend des signaux sur le déroulement du programme ou des commandes sorties. |
| Ph30 15 | Le manager de combustion est dans une phase de fonctionnement et affiche le temps programmé restant (ex. préventionation). |
Affichage Op
| P: 672 | Le manager de combustion se trouve en position de fonctionnement modulant et affiche la puissance actuelle en pourcentage. |
| P: P2 | Le manager de combustion est en fonctionnement d'allure et affiche l'allure de fonctionnement actuelle. Lors d'un changement d'allure, l'indication de on ou off donne des informations sur l'ouverture ou la fermetre de la vanne combustible correspondante. |
| P: P20F |
L'affichage clignote
En cas de défaut, l'affichage indique de manière changeante le code erreur C et le code de diagnostic D (voir chap. 9.2).
| Er r:cc | Le manager de combustion met le brûleur en sécurité. |
| Er r:d | Le brûleur démarre automatiquement dès lors que le défaut a été supprimé. |
5.2 Affichage et modification des paramètres
| Niveau Mot de passer (installateur) | Niveau Info/Service |
| Sélectionner le niveau |
| 400: SÉE | Appuyer simultanément sur les touches [F] et [A] et ensuite enter le mot de passer (voir chap. 5.2.1). | 5ER
954:82 | Le niveau Info ou Service peut uniquement être séLECTIONné à partir de l'affichage standard.
Appuyer sur [ENTER].
- Pour niveau Info 1 ... 3 s
- Pour niveau Service 3 ... 5 s |
| Paramètre suivant |
| 400: SÉF
500: PFR-A | Appuyer sur la touche [+]. | 161:74
70101200 | Appuyer sur la touche [+].
-ou-
Appuyer un court instant sur la touche [ENTER]. |
| Paramètre précédent |
| 400: SÉE
500: PFR-H | Appuyer sur la touche [-]. | 161:74
70101200 | Appuyer sur la touche [-]. |
| Un niveau en-dessous |
| 500: PFR-A
50100: 00 | Appuyer sur [ENTER]. | 70101200
70101200 | Appuyer sur [ENTER] pendant 1 ... 3 s. |
| Un niveau au-dessus |
| 50102:150
150 | Appuyer sur la touche [esc]. | 70105:...
79150 | Appuyer sur [ENTER]
3 ... 5 s.
-ou-
appuyer sur la touche [esc]. |
| Modifier la valeur |
| 150
155 | Appuyer sur la touche [+] ou [-]. | | Impossible |
| enregistrer les valeurs |
| 155
155 | Appuyer sur [ENTER]. | | Impossible |
5 Utilisation
5.2.1 Mot de passer
Entrer le mot de passer
Appuyer simultanément sur les touches [F] et [A].
A l'affichage apparait CodE.
Avec la touche [+] ou [-] , entre le premier chiffre et valider avec [ENTER].
Répéter la procédure jusqu'à ce que le mot de passer soit mémorisé.
Quitter l'enregistrement du mot de passer en appuyant sur [ENTER].
L'affichage indique pendant un court instant PArA (niveau Paramétres) et passée ensuite à 400: Set (Setup).

Désactiver le mot de passer
Si aucune touche n'est actionnée durant 30 minutes, le manager de combustion désactive automatiquement le mot de passer et verrouille le niveau.
Au niveau Mot de passer, il est possible d'anticiper la désactivation du mot de passer.
Appuyer sur les touches [esc] jusqu'à ce que CLr CodE s'affiche.
Lacher les touches [esc].
Le manager de combustion verrouille le niveau Mot de passer et va à l'affichage de fonctionnement.

5 Utilisation
5.3 Paramètres
5.3.1 Niveau Mot de passage
000 Paramètres internes
| N° | Fonction |
| 050 | Backup/Restore |
| Les valeurs entre W-FM et ABE avec identification brûleur identique (P113) sont reproduites.Lors d'un Backup resp. Restore erroné, une valeur négative s'affiche. La cause de l'erreur est décrite dans l'information 137 (voir chap. 9.2).Pour enregistrer du W-FM sur l'ABE (Backup) :► Appuyer sur la touche [ENTER].✔ bAC_up s'affiche.► Appuyer sur la touche [ENTER].► Régler avec la touche [+] 1 et valider avec [ENTER].✔ Lorsque l'opération est réussie, l'affichage se remet sur 0.Enregistrer de l'ABE vers le W-FM :► Appuyer sur la touche [ENTER].✔ bAC_up s'affiche.► Appuyer sur la touche [+] .✔ A l'affichage apparait rESTorE.► Régler avec la touche [+] 1 et valider avec [ENTER].✔ Lorsque l'opération est réussie, l'affichage se remet sur 0. |
| 055 | Identification brûleur des données du Backup (uniquement lecture). |
| 056 | Extrait ASN des données du Backup (uniquement lecture). |
| 057 | Version logiciel lors de l'établissement des données Backup (uniquement lecture). |
100 Paramètres généraux
| N° | Fonction |
| 102 | Date de fabrication JJ.MM.AA |
| 103 | N° de production |
| 104 | Affectation groupe de paramètres : code client |
| 105 | Affectation groupe de paramètres : version |
| 107 | Version du logiciel |
| 108 | Variante logiciel |
| 111 | Extrait ASN pour comparaison avec les données Bakcup (P056). |
| 113 | Identification brûleur : identique au numéro de fabrication du brûleur (plaque signalétique).Si le manager de combustion a été remplaced, l'identification du brûleur doit à nouveau être régée. |
| 121 | Puisance manuelle (voir chap. 3.1.3) |
| 123 | Pas de positionnement minimal en pourcentageSeules des modifications de la puissance supérieures à la valeur régée sont positionnées, évitant ainsi desréglages inutiles en fonctionnement modulant.123.00 = Indication de puissance de la GTC123.01 = Régulateur de puissance analogique sur X64123.02 = Contact régulateur de puissance sur X5-03 |
5 Utilisation
N^ Fonction
| 124 | Test disparition de flamme (Test LTS) |
| Le test de disparition de flamme ferme les vannes de combustible et déterminé le temps restant jusqu'à la disparition de flamme. Le temps déterminé est affchéé au code diagnostic avec une résolution de 0,2 secondes (exemple:Loc.D:8=1,6 secondes). |
| Pour le test de disparition de flamme, le brûleur se positionne à la puissance régée au paramètre 133 resp. 134. Si aucune puissance n'a été régée au paramètre 133 resp. 134, le test de disparition de flamme s'effectue avec la puissance actuelle. |
| ►Appuyer sur la touche [ENTER].►Avec la touche [+], régler la valeur 1 et valider avec [ENTER]. |
| ✓Lorsque l'opération a réussi, l'affichage indique de manière changeante le code erreur Loc.c:7 et le code diagnostic Loc.d:x. |
| 125 | Fréquence réseau |
| 0=50 Hz |
| 1=60 Hz |
| 126 | Affichage éclairé |
| 128 | Compteur combustible (gaz) |
| La valeur doit correspondre au nombre d'impulsions par m3du compteur combustible. Si la valeur est mise à 0, le compteur ne rouge pas. |
| 129 | Compteur combustible (fioul) |
| La valeur doit correspondre au nombre d'impulsions par litre du compteur combustible. Si la valeur est mise à 0, le compteur ne rouge pas. |
| 130 | Effacer historique des défauts (voir chap. 9.1) |
| 133 | Puissance pour test disparition de flamme (gaz) |
| 134 | Puissance pour test disparition de flamme (fioul) |
| 141 | Mode de fonctionnement GTC |
| 0=ARRET |
| 1=Modbus, le manager de combustion travaille en tant qu'esclave, on utilise le mode de transmission RTU (Remote Terminal Unit) |
| 2=eBus |
| 142 | Temps de retour lors d'une interruption de communication (plage:0...7200 sec.) |
| Lorsque la communication avec la GTC est inexistante, et après écoulement de ce temps, c'est le prochain régulateur selon sa priorité qui est sollicité. Si aucun autre régulateur n'est raccordé, le brûleur reste à la position momentanée et c'est la puissance régée au paramètre 148 qui est démarrée. |
| Priorité 1: régulateur de puissance de la GTC |
| Priorité 2: régulateur de puissance sur l'entrée analogue X64 |
| Priorité 3: régulateur de puissance sur l'entrée X5-03 |
| 143 | Adresse du manager de combustion en tant que participant e-Bus. |
| 1=Adresse 03 |
| 2=Adresse 13 |
| 3=Adresse 33 |
| 4=Adresse 73 |
| 5=Adresse F3 |
| 6=Adresse 1F |
| 7=Adresse 3F |
| 8=Adresse 7F |
| 144 | Cycle d'émission en secondes pour tous les service eBus 05 et 09 |
| 145 | Adresse du manager de combustion en tant que participant Modbus |
| 146 | Vitesse de transmission Modbus |
| La vitesse de transmission du manager de combustion et de la GTC doit être identique. |
| 0=9600 |
| 1=19200 |
5 Utilisation
| N° | Fonction |
| 147 | Parité Modbus
La parité du manager de combustion doit être identique à celle de la GTC.
0 =aucun bit de parité
1 =bit de parité impair
2 =bit de parité pair |
| 148 | Puisance de remplacement gaz (plage : 0 ... 100 %)
Indication de pulsance lors d'une interruption de communication avec la GTC.
- - - - = pas de pulsance de remplacement
0.0 =brûleur à l'arrêt |
| 149 | Puisance de remplacement fioul (plage : allure P1 ... P3, resp. 0 ... 100 %)
Indication de pulsance lors d'une interruption de communication avec la GTC.
- - - - = pas de pulsance de remplacement
0.0 =brûleur à l'arrêt |
| 161 | Nombre de défauts |
| 162 | Heures de fonctionnement depuis la dernière remise à zéro (gaz).
Remise à zéro :
► Appuyer sur la touche [ENTER].
► Appuyer sur la touche [-].
✔ A l'affichage apparait 0, les heures de fonctionnement sont remises à zéro. |
| 163 | Heures de fonctionnement total (manager de combustion sous tension) |
| 164 | Mises en service depuis la dernière remise à zéro (gaz).
Remise à zéro :
► Appuyer sur la touche [ENTER].
► Appuyer sur la touche [-].
✔ A l'affichage apparait 0, les heures de fonctionnement sont remises à zéro. |
| 165 | Mises en service (gaz). |
| 166 | Total mises en service (gaz + fioul). |
| 167 | Volume combustible depuis la dernière remise à zéro (fioul).
Remise à zéro :
► Appuyer sur la touche [ENTER].
► Appuyer sur la touche [-].
✔ A l'affichage apparait 0, les heures de fonctionnement sont remises à zéro. |
| 172 | Heures de fonctionnement depuis la dernière mise en service (fioul).
Remise à zéro :
► Appuyer sur la touche [ENTER].
► Appuyer sur la touche [-].
✔ A l'affichage apparait 0, les heures de fonctionnement sont remises à zéro. |
| 174 | Mises en service depuis la dernière remise à zéro (fioul).
Remise à zéro :
► Appuyer sur la touche [ENTER].
► Appuyer sur la touche [-].
✔ A l'affichage apparait 0, les heures de fonctionnement sont remises à zéro. |
| 175 | Mises en service (fioul) |
| 177 | Volume combustible depuis la dernière remise à zéro (fioul).
Remise à zéro :
► Appuyer sur [ENTER].
► Appuyer sur la touche [-].
✔ A l'affichage apparait 0, les heures de fonctionnement sont remises à zéro. |
5 Utilisation
200 Coffret de sécurité (combustible 0)
| N° | Fonction |
| 201 | Mode de fonctionnement combustible 0 (chemin de combustible gaz) |
| -- = Non défini (effacer les courbes) |
| 1 = Allumage gaz direct |
| 2 = Allumage gaz pilote |
| 3 = N'est pas utilisé |
| 4 = Modulant fioul sans commande electromagnétique dans la ligne de giclaur1 |
| 5 = Deux allures fioul1 |
| 6 = Trois allures fioul1 |
| 7 ... 11 = N'est pas utilisé |
| 12 = Modulant fioul avec commande electromagnétique dans la ligne de giclaur |
| 13 ... 22 N'est pas utilisé |
| = |
| 208 | Programstop |
| 0 = Désactivé |
| 1 = Position préventilation (phase 24) |
| 2 = Position d'allumage (phase 36) |
| 3 = Intervalle 1 (phase 44) |
| 4 = Intervalle 2 (hase 52) |
| 210 | Alarme lors d'un empêchement de démarrage |
| Détermine si un signal est transmis à la sortie X3-05/2 même en cas d'empêchement de démarrage |
| 0 = pas d'alarme (pas de signal à la sortie X3-05/2) |
| 1 = alarme (signal à la sortie X3-05/2) |
| 211 | Temps de montée du ventilateur (plage : 2,0 ... 60 s) |
| Temps depuis le démarrage du ventilateur jusqu'à la montée des servomoteurs. |
| 212 | Temps max. jusqu'au petit début (plage : 0,2 ... 45 s). |
| S'il n'y a plus de besoin de chaleur, le brûleur fonctionne aussi longtemps que possible pendant le temps imparti puis s'arrête. Le brûleur met max. 32 secondes pour passer de 100 % de puissance à 20 % (petit début). |
| 215 | Compteur à répétition chaîne de sécurité (plage : 1 ... 16) |
| Nombre des arrats par sécurité par la chaîne de sécurité jusqu'au verrouillage (voir chap. 3.2.2). |
| 221 | Cellule de flamme gaz |
| 0 = QRC |
| 1 = QRA |
| 222 | Préventionation gaz |
| La mise en place d'un contrôle d'étanchéité et de deux vannes de combustible de classe A, permet de supprimer la préventionation après un arrêt thermostatique du brûleur (selon EN 676). |
| 0 = ARRET |
| 1 = MARCHE (temps de préventionation paramètre 225) |
| 223 | Compteur de répétition pressostat mini gaz (plage : 1 ... 16) |
| Nombre d'arrÊts par sécurité par le pressostat mini gaz jusqu'au verrouillage (voir chap. 3.1.2). |
| 225 | Temps de préventionation gaz en phase de fonctionnement 30 (plage : 20 ... 3600 s) |
| Après avoir atteint la position de préventionation, le manager de combustion reste positionné en phase 30 pendant la durée réglée. |
| 226 | Préallumage gaz (plage : 0,2 ... 3600 s) |
| Durée du préallumage en phase 38. |
| 230 | Intervalle 1 Gaz |
| L'intervalle 1 en phase 44 sert de temps de stabilisation après la formation de la flamme. |
(1) Uniquement pour brûleurs avec deux chemins de combustible fioul.
5 Utilisation
| N° | Fonction |
| 232 | Intervalle 2 gazL'intervalle 2 en phase 52 sert de temps de stabilisation après formation de la flamme. |
| 233 | Post-combustion gaz (plage : 0,2 ... 60 s)Le manager de combustion restepositionné pendant la durée régée en phase 70, la cellule de flamme estignorée durant ce temps. |
| 234 | Post-ventilation gaz (plage : 0,2 ... 6480 s)Après avoir atteint la position de post-ventilation, le manager restepositionné pendant le temps régénpence 74, la cellule de flamme est ignorerépendant ce temps. |
| 237 | Pressostat maxi gazSi un pressostat maxi gaz est monté,mettre le paramètre sur 1.0 = ARRET1 = Pressostat maxi gaz2 = Contact de fermeture de vanne |
| 241 | Contrôle d'étanchéitéSelon DIN EN 676, il est possible de supprimer le contrôle d'étanchéité lorsque la préventilation est activeet avec une puissance brûleur inférieure à 1200 kW.0 = Contrôle d'étanchéité à l'ARRET (uniquement pour puissance < 1200 kW, le paramètre 222 doit êtremis sur 1 = MARCHE)1 = Contrôle d'étanchéité lors de la mise en service2 = Contrôle d'étanchéité lors d'une mise hors service3 = Contrôle d'étanchéité pour mise en service/hors service |
| 248 | Post-ventilation 3 gaz (plage : 0,2 ... 6480 s)Le manager de combustion restependant le temps régénpence en phase 78, sauf si une nouvelledemande de chaleur interrupt la post-ventilation 3 en phase 78. |
| 261 | Cellule fioul(10 = QRC1 = QRA |
| 265 | Temps de préventilation fioul en phase 30 (plage 15 ... 3600 s)(1Après avoir atteint la position de préventilation,le manager de combustion restepositionné en phase 30pendant la durée régée. |
| 266 | Durée de préallumage fioul (plage : 0,6 ... 3600 s)(1Après avoir atteint la position d'allumage,le manager de combustion restepositionné pendant le temsprégé en phase 38. |
| 270 | Intervalle 1 fioul(1)L'intervalle 1 en phase 44 sert de durée de stabilisation après la formation de la flamme. |
| 272 | Pas d'utilisation |
| 273 | Post-combustion fioul (plage 0,2 ... 60 s)(1Le manager de combustion restepositionné pendant la durée régée en phase 70, la cellule de flamme estignorée durant ce temps. |
| 274 | Post-ventilation fioul (plage : 0,2 ... 6480 s)(1Après avoir atteint la position de post-ventilation,le manager restepositionné pendant le temps régénpence en phase 74, la cellule de flamme est ignorerépendant ce temps. |
| 276 | Pressostat mini fioul(10 = ARRET1 = Actif à partir de la phase 382 = Actif à partir de la phase 40 |
(1) Uniquement pour brûleurs avec deux chemins de combustible fioul.
5 Utilisation
N^ Fonction
| 277 | Pressostat maxi fioul(1) |
| Si un pressostat fioul est monté,mettre le paramètre sur 1. |
| 0 = ARRET |
| 1 = Pressostat maxi fioul |
| 2 = Contact vanne de fermeture |
| 281 | Position d'allumage fioul(1) |
| 0 = Allumage en phase 38 (préallumage court) |
| 2 = Allumage en phase 22 (préallumage long au démarrage du ventilateur) |
| 284 | Post-combustion 3 fioul (plage: 0,2 ... 6480 s)(1) |
| Le manager de combustion reste en position pendant le temps régle en phase 78, sauf si une nouvelle demande de chaleur interrupt la post-ventilation 3 en phase 78. |
(1) Uniquement pour brûleurs avec deux chemins de combustible fioul.
300 Coffret de sécurité (combustible 1)
N^ Fonction
| 301 | Fonctionnement combustible 0 (chemin de combustible fioul) |
| -- = Non définis (effacer les courbes) |
| 1 = Allumage gaz direct(1) |
| 2 = Allumage gaz pilote(1) |
| 3 = N'est pas utilise |
| 4 = Modulant fioul sans commande électromagnétique de la ligne de giclaur |
| 5 = Deux allures fioul |
| 6 = Trois allures fioul |
| 7 ... 11 = N'est pas utilise |
| 12 = Modulant fioul avec commande électromagnétique de la ligne de giclaur |
| 13 ... 22 N'est pas utilise |
| = |
| 321 | Cellule gaz(1) |
| 0 = QRC |
| 1 = QRA |
| 322 | Préventionation gaz(1) |
| La mise en place d'un contrôle d'étanchéité et de deux vannes de combustible de classe A, permet de supprimer la préventionation après un arrêt thermostatique du brûleur (selon EN 676). |
| 0 = ARRET |
| 1 = MARCHE (temps de préventionation paramètre 225) |
| 323 | Compteur à répétition pressostat mini gaz (plage : 1 ... 16)(1) |
| Nombre des arrêts par sécurité par le pressostat mini gaz jusqu'au verrouillage (voir chap. 3.1.2). |
| 325 | Durée de préventionation gaz en phase 30 (plage : 20 ... 3600 s)(1) |
| Après avoir atteint la position de préventionation, le manager de combustion reste positionné en phase 30 pendant la durée régée. |
| 326 | Préallumage gaz (plage : 0,2 ... 3600 s)(1) |
| Durée du préallumage en phase 38. |
| 330 | Intervalle 1 gaz(1) |
| L'intervalle 1 en phase 44 sert de durée de stabilisation après la formation de la flamme. |
| 332 | Intervalle 2 gaz(1) |
| L'intervalle 2 en phase 52 sert de temps de stabilisation après la formation de la flamme. |
| 333 | Post-combustion gaz (plage: 0,2 ... 60 s)(1) |
| Le manager de combustion reste positionné pendant la durée régée en phase 70, la cellule de flamme est ignorerée durant ce temps. |
(1) Uniquement pour brûleurs avec deux chemins de combustible gaz
5 Utilisation
N^ Fonction
| 334 | Post-ventilation gaz (plage: 0,2 ... 6480 s)1
Après avoir atteint la position de post-ventilation, le manager reste positionné pendant le temps régé en phase 74, la cellule de flamme est ignorerée pendant ce temps. |
| 337 | Pressostat maxi gaz1
Si un pressostat gaz est monté, régler le paramètre sur 1.
0 = ARRET
1 = Pressostat maxi gaz
2 = Contact de fermeture de vanne |
| 341 | Contrôle d'étanchéité1
Selon DIN EN 676, il est possible de supprimer le contrôle d'étanchéité lorsque la prévention est active et avec une puissance brûlée inférieure à 1200 kW.
0 = Contrôle d'étanchéité à l'ARRET (uniquement pour puissance < 1200 kW, le paramètre 222 doit être mis sur 1 = MARCHE)
1 = Contrôle d'étanchéité lors de la mise en service
2 = Contrôle d'étanchéité lors d'une mise hors service
3 = Contrôle d'étanchéité pour mise en service/hors service |
| 348 | Post-combustion 3 gaz (plage: 0,2 ... 6480 s)1
Le manager de combustion reste en position pendant le temps régé en phase 78, sauf si une nouvelle demande de chaleur interrupt la post-ventilation 3 en phase 78. |
| 361 | Cellule de flamme fioul
0 = QRC
1 = QRA |
| 365 | Prévention fioul en phase de fonctionnement 30 (plage: 15 ... 3600 s)
Après avoir atteint la position de prévention, le manager de combustion reste positionné en phase 30 pendant la durée régée. |
| 366 | Préallumage fioul (plage: 0,6 ... 3600 s)
Après avoir atteint la position d'allumage, le manager de combustion reste positionné pendant le temps régé en phase 38. |
| 370 | Intervalle 1 fioul
L'intervalle 1 en phase 44 sert de temps de stabilisation après la formation de la flamme. |
| 372 | Pas d'utilisation |
| 373 | Post-combustion fioul (plage: 0,2 ... 60 s)
Le manager de combustion reste positionné pendant la durée régée en phase 70, la cellule de flamme est ignorerée durant ce temps. |
| 374 | Post-ventilation fioul (plage: 0,2 ... 6480 s)
Après avoir atteint la position de post-ventilation, le manager reste positionné pendant le temps régé en phase 74, la cellule de flamme est ignorerée pendant ce temps. |
| 377 | Pressostat maxi fioul
Si un pressostat fioul est monté,mettre le paramètre sur 1.
0 = ARRET
1 = Pressostat maxi fioul
2 = Contact vanne de fermeture |
| 381 | Point d'allumage fioul
0 = Allumage en phase 38 (préallumage court)
1 = Allumage en phase 22 (préallumage long au démarrage du ventilateur) |
| 384 | Post-ventilation 3 fioul (plage: 0,2 ... 6480 s)
Le manager de combustion reste en position pendant le temps régé en phase 78, sauf si une nouvelle demande de chaleur interrupt la post-ventilation 3 en phase 78. |
(1) Uniquement pour brûleurs avec deux chemins de combustible gaz
5 Utilisation
400 Mise en service paramètre (Setup)
Le groupe de paramètres 400 sert au réglage du rapport combustible/air (voir chap. 6).
500 Came électronique
N^ Fonction
| 501 | Positions extra servomoteur combustible 0 (gaz) |
| 501.00 = Position repos (est démarrée en phase 10, 12 et 00) |
| 501.01 = Position de préventilation (est démarrée en phase 24) |
| 501.02 = Position de post-ventilation (est démarrée en phase 72) |
| 502 | Positions extra servomoteur air pour combustible 0 (gaz) |
| 502.00 = Position repos (est démarrée en phase 10, 12 et 00) |
| 502.01 = Position préventilation (est démarrée en phase 24) |
| 502.02 = Position post-ventilation (est démarrée en phase 72) |
| 503 | Positions extra variateur pour combustible (gaz) |
| 503.00 = Position repos (est démarrée en phase 10, 12 et 00) |
| 503.01 = Position préventilation (est démarrée en phase 24) |
| 503.02 = Position post-ventilation (est démarrée en phase 72) |
| 504 | Positions extra servomoteur combustible 1 (fioul) |
| 504.00 = Position repos (est démarrée en phase 10, 12 et 00) |
| 504.01 = Position préventilation (est démarrée en phase 24) |
| 504.02 = Position post-ventilation (est démarrée en phase 72) |
| 505 | Positions extra servomoteur air pour combustible 1 (fioul) |
| 505.00 = Position repos (est démarrée en phase 10, 12 et 00) |
| 505.01 = Position préventilation (est démarrée en phase 24) |
| 505.02 = Position post-ventilation (est démarrée en phase 72) |
| 506 | Positions extra variateur pour combustible 1 (fioul) |
| 506.00 = Position repos (est démarrée en phase 10, 12 et 00) |
| 506.01 = Position préventilation (est démarrée en phase 24) |
| 506.02 = Position post-ventilation (est démarrée en phase 72) |
| 522 | Montée de la rampe (plage : 5 ... 120 s) |
| La rampe doit être au moins 10 % plus lente que celle du variateur de vitesse. |
| 523 | Réduire la rampe (plage : 5 ... 120 s) |
| La rampe doit être au moins 10 % plus lente que celle du variateur de vitesse. |
| 542 | Activer le variateur de vitesse |
| 0 = inactif |
| 1 = actif |
| 545 | Limite de puissanceasse pour combustible gaz (plage : 20,0 ... 100 %). |
| Détermine la limite de modulation basse (petit débit). Si aucune limite n'est définié en fonctionnement, la limite de puissanceasse est automatiquement mise à 20 %. |
| -- -- -- = aucune limite de puissance définié (20 %) |
| 546 | Limite de puissance haute du combustible gaz (plage : 20,0 ... 100 %) |
| Détermine la limite de modulation haute (grand débit). Si aucune limite n'est définié en fonctionnement, la limite de puissance haute est automatiquement mise à 100 %. |
| -- -- -- = aucune limite de puissance définié (100 %) |
| 565 | Limite de puissanceinférieure combustible fioul (plage : 20,0 ... 100 % resp. P1 ... P3) |
| Détermine la limite de modulation basse (petit débit). Si aucune limite n'est définié, la limite de puissanceasse en fonctionnement est automatiquement mise à 20 % resp. P1. |
5 Utilisation
N^ Fonction
| 566 | Limits de puissance haute combustible fioul (plage: 20,0 ... 100 % resp. P1 ... P3) |
| Détermine la limite de modulation supérieure (grand débit). Si aucune limite n'est définie, la limite de puissance supérieure en fonctionnement est automatiquement réglée à 100 % resp. à la plus grande allure. |
600 Acteurs
N^ Fonction
| 606 | Bande de tolération de la surveillance de positionnement pour combustible 0 (uniquement lecture)La valeur affichée (réglage d'usine 1,4°) moins 0,6° donne la bande de tolération.Ex. : 1,4°-0,6° = 0,8°0,8° = à partir de cette valeur un défaut de positionnement peut être détecté.1,4° = à cette valeur, un défaut de positionnement est détecté.606.00 = Servomoteur combustible606.01 = Servomoteur air |
| 610 | Bande de tolération de la surveillance de positionnement pour combustible 1 (voir P606) |
| 641 | Calibrage de la vitesse de rotationLors du calibrage de la vitesse, un signal de consigne de 95 % (9,5 V) est transmis au variateur. La vitesse atteinte est enregistrée en tant que valeur 100 %, permettant de dispose d'une réserve de 5 %. La fréquence maximale du variateur doit donc être de 52,6 Hz. Si le variateur est fixé sur le moteur, la fréquence maximale est préréglée d'usine. Avec un variateur externe, la fréquence maximale doit être régée à cette valeur.Démarrer le calibrage :► Appuyer sur [ENTER].► Avec la touche [+], régler la valeur 1 et valider avec [ENTER].✓ Le moteur ventilateur démarre avec le volet d'air ouvert.Lorsque le calibrage est réussi, l'affichage est remis à 0, si le calibrage échoue une valeur négative s'affiche (-X).Après chaque calibrage de la vitesse, procédér à un contrôle de combustion. |
| 642 | Vitesse calibréeLors du calibrage, un signal de 95 % est transmis au variateur et la vitesseatteinte est enregistrée en tant que vitesse calibrée.642.00 = Vitesse calibrée de Microcontrole 1 enregistrée.642.01 = Vitesse calibrée de Microcontrole 2 enregistrée.L'écart entre les vitesse des deux Microcontroler peut être jusqu'à 1,5 %. |
| 645 | Sortie analogique X74Par cette sortie, il est possible de transmettre un signal analogique (voir chap. 3.3.5) indépendant de la charge ou de commander un variateur de vitesse (voir chap. 3.3.4). Dans le cas du variateur, la tension à la sortie X74 et à l'entrée de consigne du variateur doit être identique.0 = DC 0 ... 10 V1 = DC 2 ... 10 V2 = DC 0/2 ... 10 V |
700 Historique des défauts
Le groupe de paramètres 700 sert à localiser et supprimer les défauts (voir chap. 9.1).
5 Utilisation
900 Données process
| N° | Fonction |
| 903 | Puisance actuelle |
| 903.00 = Combustible |
| 903.01 = Air |
| 922 | Position pas à pas servomoteur |
| 922.00 = Servomoteur combustible |
| 922.01 = Servomoteur air |
| 935 | Vitesse de rotation absolue |
| Vitesse réelle momentanée (déterminée par le disque de réglage du moteur) |
| 936 | Vitesse calibrée |
| Signal vitesse actuelle en pourcentage. |
| 942 | Source puissance active (régulateur de puissance) |
| Puisance pour réglage de courbes |
| 1 = Puisance lors du réglage de la courbe |
| 2 = Puisance manuelle |
| 3 = Régulateur de puissance par GTC |
| 4 = Régulateur de puissance externe par sortie analogique X64 borne 1 / borne 2 |
| 5 = Régulateur de puissance externe par contacts X5-0 3 borne 2 / borne 3 |
| 945 | Combustible actuel |
| 0 = Combustible 0 (gaz) |
| 1 = Combustible 1 (fioul) |
| 947 | Consultation contact W-FM (édition codée) |
| 947.00 = Entrées |
| 1 = Pressostat mini |
| 2 = Pressostat maxi |
| 4 = Sélection combustible interne |
| 8 = Pressostat d'air |
| 16 = Régulateur de puissance OUVERT |
| 32 = Régulateur de puissance MARCHE |
| 64 = Régulateur de puissance FERME |
| 128 = Chaine de sécurité |
| 947.01 = Sorties |
| 1 = Vanne de sécurité |
| 2 = Allumage |
| 4 = Vanne combustible 1 |
| 8 = Vanne combustible 2 |
| 16 = Vanne combustible 3 / Vanne pilote |
| 32 = Sélection combustible interne 1 |
| 950 | Etat de la consigne des reliais (édition codée) |
| 1 = Alarme |
| 2 = Vanne de sécurité |
| 4 = Allumage |
| 8 = Vanne combustible 1 |
| 16 = Vanne combustible 2 |
| 32 = Vanne combustible 3 / Vanne pilote |
| 954 | Signal de flamme actuel en pourcentage (voir chap. 3.2.10) |
| 960 | Débit actuel du combustible |
| 961 | Phase de fonctionnement actuelle (voir chap. 3.1.6) |
| 981 | Mémoire d'erreurs : Code (voir chap. 9.2) |
5 Utilisation
N^ Fonction
| 982 | Mémoire d'erreurs : Code diagnostic (voir chap. 9.2) |
| 992 | Pavillon erreurs |
5 Utilisation
5.3.2 Niveau Info
Au niveau Info, les valeurs des paramètres peuvent être affichées mais ne peuvent pas été modifiées.
Pour afficher les valeurs des paramétres :
Sélectionner les paramètres avec la touche [+] ou [-] .
Appuyer sur [ENTER] pendant 1 ... 3 s.
La valeur du paramètre s'affiche.
N^ Fonction
| 167 | Volume du combustible depuis la dernière remise à zéro (fioul). |
| 162 | Heures de fonctionnement depuis la dernière remise à zéro (gaz). |
| 164 | Mises en service depuis la dernière remise à zéro (gaz). |
| 165 | Mises en service (gaz) |
| 177 | Volume du combustible depuis la dernière remise à zéro (fioul). |
| 172 | Heures de fonctionnement depuis la dernière remise à zéro (fioul). |
| 174 | Mises en service depuis la dernière remise à zéro (fioul). |
| 175 | Mises en service (fioul) |
| 163 | Total heures de fonctionnement (manager de combustion sous tension) |
| 166 | Total mises en service (gaz + fioul) |
| 113 | Identification brûleur : identique au numéro de fabrication (plaque signalétique). |
| 107 | Version logiciel. |
| 108 | Variante logiciel. |
| 102 | Date de fabrication JJ.MM.AA |
| 103 | Numéro de production |
| 104 | Affectation groupe de paramètres : code client. |
| 105 | Affectation groupe de paramètres : version. |
| 143 | Adresse du manager de combustion en tant que participant eBus. |
5.3.3 Niveau Service
Au niveau Service, les paramètres peuvent être affichés mais ne peuvent pas été modifiés.
Pour afficher les valeurs des paramétres :
Sélectionner les paramètres avec la touche [+] ou [-] .
Appuyer sur la touche [ENTER] pendant 1 ... 3 s.
La valeur du paramètre s'affiche.
N^ Fonction
| 954 | Signal de flamme actuel en pourcentage (voir chap. 3.2.10) |
| 960 | Débit actuel du combustible |
| 945 | Combustible actuel |
| 121 | Puisance manuelle (voir chap. 3.1.3) |
| 922 | Position pas à pas servomoteur |
| 922.00 = Servomoteur combustible |
| 922.01 = Servomoteur air |
| 936 | Vitesse calibrée |
| Signal vitesse actuelle en pourcentage. |
| 161 | Nombre de defaults |
| 701 | Historique des defaults (voir chap. 9.1) |
| … | |
| 725 | |
6 Mise en service
6 Mise en service
Pour ce chapitre, se référer également à la notice de montage et de mise en service du brûleur. Ce document comporte des informations sur :
les conditions à respecter lors de la mise en service,
les valeurs de réglage et positions des servomoteurs,
- le contrôle de la combustion,
la détermination du début gaz,
les derniers travaux.
6 Mise en service
6.1 Réglage en gaz
Ouvrir le robinet gaz.
La pression gaz se cree dans la rampe.
Refermer le robinet gaz.

Pompe déteriorée suite à la fermeture des organes de coupure fioul.
Une pompé sans accouplément electro-magnétique peut être endommagée lors d'un fonctionnement à sec ou lors d'une dépression à l'aspiration élevée.
Ouvrir les organes de coupure fioul du bruleur.
Mettre le selecteur de combustible sur gaz.
Rétablit l'alimentation électrique.
A l'affichage apparait soit OFF UPr0 ou OFF GAZ0.
OFF UPr0 Brûleur à l'arrêt et non programme
OFF GASO Bruleur à l'arrêt


1. Entrer le mot de passer
- Appuyer simultanément sur les touches [F] et [A].
A l'affichage apparait CodE.
Avec la touche [+] ou [-] , entre le premier chiffre et valider avec [ENTER].
Répéter la procédure jusqu'à ce que le mot de passer soit mémorisé.
Quitter l'enregistrement du mot de passer en appuyant sur [ENTER].
√ L'affichage indique pendant un court instant PARA (niveau Paramétres) et passée ensuite à 400: Set (Setup).

2. Mettre le brûleur sur marche
Vérifier qu'il y a besoin de chaleur.
Un segment noir apparaît sous le symbole S (Start).
Pour continuer la mise en service, il doit y avoir demande de chaleur par le thermostat, c'est-à-dire un signal sur l'entrée X5-03/1.

6 Mise en service
3. Demarrer Setup
Appuyer sur la touche [ENTER].
Si le manager de combustion est déjà programmé, l'affichage indique run GAZO ①.
Sélectionner le mode de réglage (à partir de l'opération 8).
Si le manager de combustion n'est pas programmé, le paramètre 201 (2) s'affiche.
Définir les paramètres 201, 542 et 641 puis régler P0 (à partir de l'opération 4).
201 Mode de fonctionnement
542 Activation du variateur de vitesse
641 Calibrage de la vitesse de rotation

4. Régler le mode de fonctionnement
oi
Les opérations suivantes doivent uniquement être réalisées lorsque le manager de combustion n'est pas programmé. Si le manager de combustion est déjà programmé, continuer avec l'opération 8.
Appuyer sur la touche [ENTER].
A l'affichage apparait uniquement la valeur du paramètre.
Avec [+] ou [-] , régler le mode de fonctionnement et valider avec [ENTER].
Quitter en appuyant sur [esc].
A l'affichage apparait le parametre 201 avec le mode de fonctionnement actuel.


6 Mise en service
5. Activer/désactiver le variateur
Appuyer sur la touche [+]
A l'affichage apparait le parametre 542.
Appuyer sur la touche [ENTER].
A l'affichage apparait uniquement la valeur du paramètre.
Avec [+] ou[-]activerresp.désactiverlevariateuretvalideravec[ENTER].
0 sans variateur de vitesse
1 avec variateur de vitesse
Quitter en appuyant sur [esc].
A l'affichage apparait le paramètre 542 avec le réglage actuel.

6. Proceder au calibrage de la vitesse de rotation

S'il n'y a pas de variateur ou si le calibrage a ete realise avec un autre combustible, ignorer le calibrage de la vitesse 641 en appuyant sur la touche [+ ] et continuer avec l'opération 7.
- Appuyer sur la touche [+] .
A l'affichage apparait le parametre 641.
Appuyer sur la touche [ENTER].
Avec [+] regler 1 et demarrer le calibrage avec [ENTER].
Contrôler le sens de rotation du moteur brûleur.
√ Le moteur turbine démarre avec volets d'air ouverts. Lorsque le calibrage est terminé, l'affichage passé de 1 à 0.
Quitter le calibrage avec [esc].

6 Mise en service
7. Prérogler les points d'allumage et grand débit
- Appuyer sur la touche [+] .
Le point d'allumage P0 apparait a l'affichage.
Maintainir la touche [A] appuyee et avec [+]/[-] régler la position des volets d'air.
Maintainir la touche [F] appuyee et avec [+]/[-] régler la position du clapet gaz.

Uniquement avec variateur raccordé
- Appui simultané sur les touches [A] et [F] (VSD) et avec [+]/[-] régler la vitesse de rotation.
La vitesse d'allumage ne doit pas etre inférieure a 70 %

- Appuyer sur la touche [+] .
A l'affichage apparait le point grand débit P9.
Maintainir la touche [A] appuyee et avec [+]/[−] régler la position des volets d'air à partir du diagramme de réglage.
Maintainir la touche [F] appuyee et avec [+]/[-] régler la position du clapet gaz45.0 ... 65.0^ .

Uniquement avec variateur raccordé
Appui simultané sur les touches [A] et [F] (VSD) et avec [+]/[-] régler la vitesse à 100% .
Appuyer sur la touche [+]
On quitte le preréglage. L'affichage indique run GAZ0.

6 Mise en service
8. Sélectionner le mode de fonctionnement
Il est possible deCHOISIR entre deux modes de fonctionnement :
- réglage avec flamme,
- préréglage sans flamme.
Le préréglage sans flamme est uniquement judicieux, lorsque les points de fonctionnement sont déjà connus (par ex. après le remplacement d'un apparéil).
Réglage avec flamme ①
Appuyer sur la touche [ENTER].
Contrôler le sens de rotation du moteur brûleur.
Le brûleur démarre la prévention Ph12 et reste en position d'allumage Ph36 sans allumer.
Sur l'afficheur apparait le point d'allumage P0.
Régler la pression de mélange en position d'allumage (à partir de l'opération 10).
Préroglage sans flamme ②
- Appuyer un court instant sur la touche [esc].
A l'affichage apparait le point de fonctionnement P0.
Le segment noir sous le symbole S s'eteint.
Prerégler les points de fonctionnement sans flamme (à partir de l'opération 9).

9. Prérogler les points sans flamme
Cette opération doit uniquement être réalisée, lorsque le mode de fonctionnement sans flâme a été sélectionné. Le réglage avec flâme (à partir de l'opération 10) n'est donc pas supprimé.
Appuyer sur la touche [+]
Le point de fonctionnement P1 apparait a l'affichage.
Maintainir la touche [A] appuyee et avec [+]/[-] prerégler la position des volets d'air.
Maintainir la touche [F] appuyee et avec [+]/[-] prerégler la position du clapet gaz.

Uniquement avec variateur raccordé
Appui simultané sur les touches [A] et [F] (VSD) et avec [+]/[-] prérégler la vitesse.

6 Mise en service
- Appuyer sur la touche [+] .
A l'affichage apparait CALC. Le manager de combustion demarre la procedure de calcul. Ensuite le point de fonctionnement P2 apparait à l'affichage.
Régler la position des volets d'air [A] et clapet gaz [F] resp. la vitesse [A] et [F] (VSD).
Avec la touche [+] selectionner et prerégler l'un après l'autre les points P3 a P9.

Quitter le prééglage avec [esc].
A l'affichage apparait 400 SET.
Appuyer sur la touche [ENTER].
A l'affichage apparait run GAS0.
Appuyer sur la touche [ENTER].
Contrôler le sens de rotation du moteur brûleur.
Le brûleur démarre la prévention et reste en position d'allumage sans allumer.
Le point d'allumage P0 apparait à l'affichage.

6 Mise en service
10. Contrôler la pression de mélange en position d'allumage
La pression de mélange en position d'allumage doit être comprise entre 0,5 ...2,0 mbar.
Eventuellement adapter la pression de melange à l'aide de la position des volets d'air.

Uniquement avec variateur raccordé
Appui simultané sur les touches [A] et [F] (VSD) et avec [+] /[-] régler la vitesse de rotation.
La vitesse d'allumage ne doit pas etre inférieure a 70 %

11. Contrôler les vannes gaz
- Appuyer sur la touche [+] et vérifier le bon fonctionnement des vannes à l'ouverture et à la fermeture.
Le brûleur essaie de démarrer.
Le pressostat mini gaz déclenché.
A l'affichage apparait OFF UPr0 après l'interruption.
Ouvrir le robinet gaz.
Appuyer sur la touche [ENTER], jusqu'à ce que le brûleur redémarre.
A l'affichage apparait a nouveau P0 avec les valeurs régles pour la pression chambre de mélange en position d'allumage.
6 Mise en service
12. Mise à feu du brûleur
Appuyer sur la touche [+] .
Le brûleur s'allume et les servomoteurs restent en position d'allumage.
Les phases de fonctionnement suivantes apparaisent à l'affichage.
Ph 38 Allumeur en fonction
Ph 39 Test pressostat mini (la vanne de combustible 1 ouvre)
Ph 40 Vanne de combustible
Ph 42 Arret allumeur
Ph 44 Flamme en position d'allumage

- Appuyer sur la touche [+] (uniquement pour les brûleurs avec vanne d'allumage pilote).
La vanne d'allumage pilote ferme.
A l'affichage apparaisent les phases de fonctionnement suivantes :
Ph 50 Stabilisation de la flamme
Ph 52 Vanne d'allumage pilote à l'ARRET

13. Adapter la pression de réglage au régulateur
Contrôler et évientuellesment adapter la pression de réglage au régulateur.
14. Contrôler la combustion
Déterminer les valeurs de combustion en position d'allumage.
Régler une teneur en O_2 d'env. 4 ... 5 % en agissant sur la position du clapet gaz.
6 Mise en service
15. Prérogler le point de fonctionnement P1
Appuyer sur la touche [+]
Le point de fonctionnement P1 apparait a l'affichage.
Prerégler le début gaz [F] et le début d'air [A] en observant les valeurs de combustion.
Le point de fonctionnement P1 doit se situer sous le petit débit nécessaire et à l'intérieur de la plage de fonctionnement.

Uniquement avec variateur raccordé
Au point de fonctionnement P1, la vitesse de rotation minimale de 50% doit etre atteinte.
Réduire lentement la vitesse avec les touches [F] et [A] (VSD) puis ouvrir en alternance les volets d'air avec la touche [A].
Appuyer sur la touche [+]
Le point de fonctionnement P2 apparait à l'affichage.
Si aucun point n'a ete defini, le manager de combustion demarre une procedure de calcul et definit tous les points manquants jusqu'at P9, CALC apparait un court instant a I'affichage.

16. Se positionner en grand débit
Avec la touche [+] ,demarrer l'un après l'autre les points jusqu'a P9.
A chaque point, contrôle les valeurs de combustion et corriger à l'aide de la position clapet gaz [F].

6 Mise en service
17. Régler le grand débit
Lors du réglage du grand débit, il convient de respecter les indications de puissance du constructeur de chaudière ainsi que la plage de fonctionnement du brûleur.
Determininer le débit gaz (volume réel V_t ) à régler.
Au point grand débit, régler la position du clapet gaz [F] à env. 60 ... 70^

Uniquement avec variateur raccordé
Selectionner une vitesse turbine la plus faible, néanmoins pas inférieure à 80%, tout en observant les valeurs NO_x et la stabilité de la flamme.
Régler la pression de réglage au régulateur jusqu'à ce que le début gaz (V_r) soit atteint.
Déterminer la courbe critique CO et à l'aide du volet d'air [A] resp. de la vitesse turbine (VSD) régler un excès d'air de 15 ... 20 %.
Vérifier à nouveau le début de gaz.
Eventuellement adapter la pression de réglage au régulateur et reprendre le réglage de l'excess d'air.

Après cette opération, la pression de réglage ne doit plus être modifiée.

18. Demarrer la procEDURE de calcul
Pour atteindre un fonctionnement régulier, il est nécessaire de démarrer une procédure de calcul de P9 vers P1.
Appuyer env. 4 secondes sur la touche [-].
CALC apparait sur l'afficheur.
Lacher la touche [-].
Le manager de combustion démarre la procédure de calcul.
Le point de fonctionnement P8 apparait sur l'afficheur.

6 Mise en service
19. Régler les points de fonctionnement

Un appui de plus de 4 secondes sur la touche [-] entraine une nouvelle procedure de calcul depuis le point affché jusqu'à P1.
- Appuyer un court instant sur [-] lorsque des points calculés ou déjà régés ne doivent pas été retranscrits.
Le réglage des points de fonctionnement s'effectue exclusivement par l'amnée de combustible [F]. Des modifications du débit d'air influencent négativement la linéarité de la régulation de puissance resp. la vitesse.
Contrôler les valeurs de combustion.
Maintainir la touche [F] appuyee et avec [+]/[-] optimiser la combustion.
Pour chaque point de fonctionnement, optimiser la combustion jusqu'à ce que P1 soit atteint.

20. Determininer la limite de puissance haute (grand débit)
A travers le paramètre 546, il est possible de limiter le grand début.
Quitter le réglage avec [esc].
√A l'affichage apparait 546 - - - -
Si aucune valeur haute pour le grand début n'a eté définie, donc grand début P9 (100 % de la répartition de la charge).
Continuer avec l'opération 21 si le grand début ne doit pas etre limite.
Appuyer sur la touche [ENTER].
A l'affichage apparait uniquement la valeur du paramètre.
Avec [+] ou[-],regler la limite de puissance et valider avec [ENTER].
Positionnement à la valeur.
Quitter en appuyant sur [esc].
A l'affichage apparait le parametre 546 avec la limite de puissance haute actuelle.

6 Mise en service
21. Définir la limite de puissance basse (petit début)
Le paramètre 545 permet de limiter le petit début.
Lors du réglage du petit débit, il convient de respecter les indications de puissance du constructeur de chaudière et la plage de fonctionnement du brûleur.
Appuyer sur la touche [+]
√ L'affichage indique 545 - - - - .
Si acune valeur pour le petit début n'a ete definite, donc petitdebit P1.
Appuyer sur la touche [ENTER].
A l'affichage apparait uniquement la valeur du paramètre.
Avec [+ ] ou [-] ,regler la limite de puissance et valider avec [ENTER].
Positionnement à la valeur.
Déterminer le début gaz et eventuèlement adapter la limite de puissance.
Quitter en appuyant sur [esc].
Le paramètre 545 s'affiche avec la limite de puissance inférieure actuelle.

22. Mémoriser les points
Quitter le niveau en appuyant sur [esc].
√ A l'affichage apparait 400 SET.
Quitter en appuyant sur [esc].
L'affichage indique OP (Operate) avec la puissance actuelle.

23. Adapter la position des volets d'air en préventilation.
Afin de facilititer la commutation du pressostat gaz pendant le contrôle d'étanchéité, la position des volets d'air en préventilation doit être identique à la position des volets d'air au point P9 (grand débit).
Appuyer simultanément sur les touches [F] et [A].
√ A l'affichage apparait 400 SET.
Appuyer sur la touche [+]
√ A l'affichage apparait 500: PArA.
Appuyer sur la touche [ENTER].
Avec la touche [+] ,selectionner 502.00 et valider avec [ENTER].
Avec la touche [+] ,seLECTIONner 502.01 et valider avec [ENTER].
- Avec la touche [-] régler la position des volets d'air à la valeur du point de fonctionnement P9 et valider avec [ENTER].
Quitter les niveaux avec [esc].
6 Mise en service
24. Contrôler le comportement au démarrage
Mettre le bruleur a l'arrêt et refaire un demarrage.
Contrôler le comportement au démarrage et évientuèlement corriger le réglage de la position d'allumage.
Après une modification de la position d'allumage :
Refaire un contrôle du comportement à l'allumage.
25. Sécuriser les données
Appuyer simultanément sur les touches [F] et [A].
Avec la touche [-], selectionner 000: Int et valider avec [ENTER].
Le paramètre suivant 050.00: 0 s'affiche.
- Appuyer sur la touche [ENTER].
bAC_up s'affiche.
Appuyer sur la touche [ENTER].
Avec la touche [+] ,regler sur 1 et valider avec [ENTER].
Lorsque les données ont ete securisées, l'affichage est remis sur 0. Les valeurs du manager de combustion ont ete enregistrées sur I'ABE.
Quitter les niveaux avec [esc].
26. Régler le pressostat et procéder aux derniers travaux.
Voir également la notice de montage et de mise en service du brûleur.
6 Mise en service
6.2 Réglage modulant en fioul
Mettre le selecteur de combustible sur fioul.
Ouvrir les organes de coupure fioul du brûleur.
Rétablit l'alimentation électrique.
√ A l'affichage apparait soit OFF UPr ou OFF OIL1.
OFF UPr1 Brûleur à l'arrêt et non programme
OFF OIL1 Bruleur à l'arrêt


1. Entrer le mot de passer
Appuyer simultanément sur les touches [F] et [A].
A l'affichage apparait CodE.
Avec la touche [+] ou [-] , entre le premier chiffre et valider avec [ENTER].
Répéter la procédure jusqu'à ce que le mot de passse soit mémorisé.
Quitter l'enregistrement du mot de passer en appuyant sur [ENTER].
√ L'affichage indique pendant un court instant PArA (niveau Paramétres) et passée ensuite à 400: Set (Setup).

2. Mettre le brûleur sur marche
Vérifier qu'il y a besoin de chaleur.
Un segment noir apparait sous le symbole S (Start).
Pour continuer la mise en service, il doit y avoir demande de chaleur par le thermostat, c'est-à-dire un signal sur l'entrée X5-03/1.

6 Mise en service
3. Demarrer Setup
Appuyer sur la touche [ENTER].
Lorsque le manager de combustion est déjà programmé, l'affichage indique run OIL1 ①.
Sélectionner le mode de réglage (à partir de l'opération 9).
Si le manager de combustion n'est pas programmé, l'afficheur indique 301 (2).
Définir les paramètres 301, 542 et 641 puis régler P0 (à partir de l'opération 4).
301 Mode de fonctionnement
542 Activation du variateur de vitesse
641 Calibrage de la vitesse de rotation

4. Régler le mode de fonctionnement
oi
Les opérations suivantes doivent uniquement être réalisées lorsque le manager de combustion n'est pas programmé. Si le manager de combustion est déjà programmé, continuer avec l'opération 8.
Appuyer sur la touche [ENTER].
A l'affichage apparait uniquement la valeur du paramètre.
Avec [+] ou [-] , régler le mode de fonctionnement et valider avec [ENTER].
- 4 = Modulant fioul sans commande électromagnétique de la ligne de giclure
- 12 = Modulant fioul avec commande electromagnétique de la ligne de giclaur
Quitter en appuyant sur [esc].
A l'affichage apparait le parametre 301 avec le mode de fonctionnement actuel.


6 Mise en service
5. Activer/désactiver le variateur
Appuyer sur la touche [+]
A l'affichage apparait le parametre 542.
Appuyer sur la touche [ENTER].
A l'affichage apparait uniquement la valeur du paramètre.
Avec [+] ou[-]activerresp.desactiverlevariateuretvalideravec[ENTER].
0 sans variateur de vitesse
1 avec variateur de vitesse
Quitter en appuyant sur [esc].
A l'affichage apparait le paramètre 542 avec le réglage actuel.

6. Proceder au calibrage de la vitesse de rotation

S'il n'y a pas de variateur ou si le calibrage a ete realise avec un autre combustible, ignorer le calibrage de la vitesse 641 en appuyant sur la touche [+ ] et continuer avec l'opération 7.
- Appuyer sur la touche [+] .
A l'affichage apparait le parametre 641.
Appuyer sur la touche [ENTER].
Avec [+] regler 1 et demarrer le calibrage avec [ENTER].
Contrôler le sens de rotation du moteur brûleur.
Le moteur turbine démarre avec volets d'air ouverts. Lorsque le calibrage est terminé, l'affichage passé de 1 à 0.
Quitter le calibrage avec [esc].

6 Mise en service
7. Gardner l'autorité sur la position d'allumage ou prégler
Appuyer sur la touche [+] .
Le point d'allumage P0 apparait à l'affichage.
Le point d'allumage P0 est préréglé d'usine (voir feuille technique brûleur). Si des valeurs sont déjà régliées, continuer avec l'opération 8. Si le manager de combustion n'est pas préprogramme (par ex. après un remplacement), il faut régler les positions des volets d'air et du régulateur fioul.
Maintainir la touche [A] appuyee et avec [+]/[-] régler la position des volets d'air.
Maintainir la touche [F] appuyee et avec [+]/[-] régler la position du régulateur fioul.

Uniquement avec variateur raccordé
La vitesse de rotation à l'allumage doit être de 100% en fioul.
Appui simultané sur les touches [A] et [F] (VSD) et avec [+]/[-] régler la vitesse à 100% .

6 Mise en service
8. Prérogler le point grand débit
- Appuyer sur la touche [+] .
A l'affichage apparait le point grand débit P9.
Maintainir la touche [A] appuyee et avec [+]/[-] régler la position des volets d'air.
Prendre la position du régulateur fioul figurant sur la feuille technique brûleur.
Maintainir la touche [F] appuyee et entrer la valeur avec [+]/[-] .

Uniquement avec variateur raccordé
Appui simultané sur les touches [A] et [F] (VSD) et avec [+]/[-] régler la vitesse à 100% .
Appuyer sur la touche [+]
Quitter le préroglage.
L'affichage passa a run OIL 1.

6 Mise en service
9. Sélectionner le mode de fonctionnement
Il est possible deCHOISIR entre deux modes de fonctionnement :
- réglage avec flamme,
- préréglage sans flamme.
Le préréglage sans flamme est uniquement judicieux, lorsque les points de fonctionnement sont déjà connus (par ex. après le remplacement d'un apparéil).
Réglage avec flamme ①
Appuyer sur la touche [ENTER].
Contrôler le sens de rotation du moteur brûleur.
Le brûleur démarre la prévention Ph12 et reste en position d'allumage Ph36 sans allumer.
Sur l'afficheur apparait le point d'allumage P0.
Régler la pression de mélange pour la position d'allumage (à partir de l'opération 11).
Préroglage sans flamme ②
- Appuyer un court instant sur la touche [esc].
A l'affichage apparait le point de fonctionnement P0.
Le segment noir sous le symbole S s'éteint.
Prerégler les points de fonctionnement sans flamme (à partir de l'opération 10).

10. Prérogler les points sans flamme
Cette opération doit uniquement être réalisée, lorsque le mode de fonctionnement sans flâme a été sélectionné. Le réglage avec flâme (à partir de l'opération 11) n'est donc pas supprimé.
- Appuyer sur la touche [+] .
Le point de fonctionnement P1 apparait a l'affichage.
Maintainir la touche [A] appuyee et avec [+]/[-] prerégler la position des volets d'air.
Maintainir la touche [F] appuyee et avec [+]/[-] prerégler la position du régulateur.

Uniquement avec variateur raccordé
Appui simultané sur les touches [A] et [F] (VSD) et avec [+]/[-] prérégler la vitesse.

6 Mise en service
- Appuyer sur la touche [+] .
A l'affichage apparait CALC. Le manager de combustion demarre la procedure de calcul. Ensuite le point de fonctionnement P2 apparait a l'affichage.
Régler la position des volets d'air [A] et du régulateur fioul [F] resp. la vitesse de rotation [A] et [F] (VSD)
Avec la touche [+] selectionner et prerégler l'un après l'autre les points P3 à P9.

Quitter le prééglage avec [esc].
√ A l'affichage apparait 400 SET.
Appuyer sur la touche [ENTER].
run OIL1 apparait sur l'afficheur.
Appuyer sur la touche [ENTER].
Contrôler le sens de rotation du moteur brûleur.
Le brûleur démarre la préventilation et reste en position d'allumage sans allumer.
Le point d'allumage P0 apparait à l'affichage.

6 Mise en service
11. Contrôler la pression de mélange en position d'allumage
La pression de mélange en position d'allumage doit être comprise entre 2 ... 5 mbar.
Eventuellement adapter la pression de melange à l'aide de la position des volets d'air.

Uniquement avec variateur raccordé
La vitesse de rotation à l'allumage doit être de 100% en fioul.
Appui simultané sur les touches [A] et [F] (VSD) et avec [+]/[-] régler la vitesse à 100% .

12. Contrôler la pression pompe
La pression pompe doit etre d'env. 1 ... 2 bar inférieure a la pression en grand debit figurant sur la feuille technique du bruleur.
Contrôler la pression pompe au manomètre et éventuèlement ajuster.
Retirer le bouchon ① (uniquement pour type T et TA).
Desserrer le contre-écrou ② (uniquement pour pompe type T et TA).
Régler la pression pompe à l'aide de la vis de réglage de pression ③.
- Tourner à droite = augmenter la pression,
- Tournier à gauche = diminuér la pression.

6 Mise en service
13. Mise à feu du brûleur
Appuyer sur la touche [+]
Le brûleur s'allume et les servomoteurs restent en position d'allumage.
Les phases de fonctionnement suivantes apparaisent à l'affichage.
Ph 38 Allumeur en fonction
Ph 40 Vanne de combustible
Ph 42 Arret allumeur
Ph 44 Flammeme n position d'allumage

14. Contrôler la combustion
Déterminer les valeurs de combustion pour la position d'allumage P0.
- Régler la teneur en O_2 à env. 4 ... 5 % en agissant sur la position du régulateur fioul [F] tout en veillant à ce que la pression retour ne soit pas inférieure à 6 ... 8 bar (selon le type de brûleur).
15. Prérogler le point de fonctionnement P1

Uniquement avec variateur raccordé
En fonctionnement fioul, la vitesse de rotation peut être réduite de manière à ce que la pression pompe régée en grand débit ne chute pas de plus de 15% .
Appuyer sur la touche [+]
Le point de fonctionnement P1 apparait a l'affichage.
Contrôler et évientuellesment corriger les valeurs de combustion.
Appuyer sur la touche [+]
Le point de fonctionnement P2 apparait a l'affichage. Si aucun point n'a ete defini, le manager de combustion demarre une procedure de calcul et definit tous les points manquants jusqu'at P9, CALC apparait un court instant a I'affichage.

6 Mise en service
16. Se positionner en grand débit
Avec la touche [+] ,demarrer l'un après l'autre les points P2 a P9.
A chaque point, contrôle les valeurs de combustion et corriger à l'aide de la position du régulateur fioul [F].


17. Régler le grand début
Lors du réglage du grand débit, il convient de respecter les indications de puissance du constructeur de chaudière ainsi que la plage de fonctionnement du brûleur.
oi
Uniquement avec variateur raccordé
La vitesse de rotation au point grand début doit être de 100% .
Appui simultané sur les touches [A] et [F] (VSD) et avec [+]/[-] régler la vitesse à 100% .
Lors de la livraison, le brûleur est régé à une certaine puissance (voir la feuille technique brûleur).
- Régler la pression pompe et la position du régulateur fioul selon les indications figurant sur la feuille technique brûleur.
oi
Après cette opération, la pression pompe ne doit plus être modifiée.

6 Mise en service
18. Demarrer la procEDURE de calcul
Pour atteindre un fonctionnement régulier, il est nécessaire de démarrer une procédure de calcul de P9 vers P1.
Appuyer env. 4 secondes sur la touche [-].
CALC apparait sur l'afficheur.
Lacher la touche [-].
Le manager de combustion démarre la procédure de calcul.
Le point de fonctionnement P8 apparait sur l'afficheur.

19. Régler les points de fonctionnement

Un appui de plus de 4 secondes sur la touche [-] entraine une nouvelle procEDURE de calcul depuis le point affché jusqu'à P1.
Appuyer un court instant sur [-] lorsque des points calculés ou déjà réglés ne doivent pas être retranscrits.
Le réglage des points de fonctionnement s'effectue exclusivement par l'amnée de combustible [F]. Des modifications du débit d'air influencent négativement la linéarité de la régulation de puissance.
Contrôler la combustion.
Maintainir la touche [F] appuyée et avec [+]/[-] optimiser la combustion.
Pour chaque point de fonctionnement, optimiser la combustion jusqu'à ce que P1 soit atteint.

6 Mise en service
20. Désiminer la limite de puissance haute (grand débit)
Avec le paramètre 566, il est possible de limiter le grand début.
Quitter le réglage avec [esc].
√A l'affichage apparait 566 - - - -
Aucune valeur pour le grand début n'a eté définie, c'est-à-dire que grand début P9 (100 % de la répartition de la charge).
Continuer avec l'opération 21 si le grand début ne doit pas etre limite.
Appuyer sur la touche [ENTER].
A l'affichage apparait uniquement la valeur du paramètre.
Avec [+] ou[-],regler la limite de puissance et valider avec [ENTER].
Quitter en appuyant sur [esc].
A l'affichage apparait le paramètre 566 avec la limite de puissance supérieure actuelle.

21. Définir la limite de puissance basse (petit débit)
Le paramètre 565 permet de limiter le petit début.
Lors du réglage du petit début, il convient de respecter les indications de puissance du constructeur de chaudière et la plage de fonctionnement du brûleur.
Appuyer sur la touche [+]
Le paramètre 565 - - - - s'affiche.
Aucune valeur pour le petit début n'a ete definite,donc petit debit P1.
- Appuyer sur la touche [ENTER].
A l'affichage apparait uniquement la valeur du paramètre.
Avec [+] ou[-],regler la limite de puissance et valider avec [ENTER].
Positionnement à la valeur.
Déterminer le début fioul et éventuellesment adapter la limite de puissance.
Quitter en appuyant sur [esc].
Le paramètre 565 s'affiche avec la limite de puissance inférieure actuelle.

6 Mise en service
22. Mémoriser les points
Quitter le niveau en appuyant sur [esc].
A l'affichage apparait 400 SET.
Quitter en appuyant sur [esc].
L'affichage indique OP (Operate) avec la puissance actuelle.

23. Contrôler le comportement au démarrage
Mettre le bruleur a l'arrêt et refaire un demarrage.
Contrôler le comportement au démarrage et évientuèlement corriger le réglage de la position d'allumage.
Après une modification de la position d'allumage :
Refaire un contrôle du comportement à l'allumage.
24. Sécuriser les données
Appuyer simultanément sur les touches [F] et [A].
Avec la touche [-], selectionner 000: Int et valider avec [ENTER].
Le paramètre suivant 050.00: 0 s'affiche.
Appuyer sur la touche [ENTER].
bAC_up s'affiche.
Appuyer sur la touche [ENTER].
Avec la touche [+] ,regler sur 1 et valider avec [ENTER].
Lorsque les données ont ete securisées, l'affichage est remis sur 0. Les valeurs du manager de combustion ont ete enregistrees sur I'ABE.
Quitter les niveaux avec [esc].
25. Régler le pressostat et procéder aux derniers travaux.
Voir également la notice de montage et de mise en service du brûleur.
6 Mise en service
6.3 Réglage d'allure en fioul
Mettre le selecteur de combustible sur fioul.
Ouvrir les organes de coupure fioul du brûleur.
Rétablit l'alimentation électrique.
√ A l'affichage apparait soit OFF UPr ou OFF OIL1.
OFF UPr1 Brûleur à l'arrêt et non programme
OFF OIL1 Bruleur à l'arrêt


1. Entrer le mot de passer
Appuyer simultanément sur les touches [F] et [A].
A l'affichage apparait CodE.
Avec la touche [+] ou [-] , entre le premier chiffre et valider avec [ENTER].
Répéter la procédure jusqu'à ce que le mot de passer soit mémorisé.
Quitter l'enregistrement du mot de passer en appuyant sur [ENTER].
√ L'affichage indique pendant un court instant ParA (niveau Paramétres) et passée ensuite à 400: Set (Setup).

2. Mettre le brûleur sur marche
Vérifier qu'il y a besoin de chaleur.
Un segment noir apparaît sous le symbole S (Start).
Pour continuer la mise en service, il doit y avoir demande de chaleur par le thermostat, c'est-à-dire un signal sur l'entrée X5-03/1.

6 Mise en service
3. Demarrer Setup
Appuyer sur la touche [ENTER].
Lorsque le manager de combustion est déjà programmé, l'affichage indique run OIL1 ①.
Sélectionner le mode de réglage (à partir de l'opération 9).
Si le manager de combustion n'est pas programmé, l'afficheur indique 301 (2).
Définir les paramètres 301, 542 et 641 puis régler P0 (à partir de l'opération 4).
301 Mode de fonctionnement
542 Activation du variateur de vitesse
641 Calibrage de la vitesse de rotation

4. Régler le mode de fonctionnement
oi
Les opérations suivantes doivent uniquement être réalisées lorsque le manager de combustion n'est pas programmé. Si le manager de combustion est déjà programmé, continuer avec l'opération 8.
Appuyer sur la touche [ENTER].
A l'affichage apparait uniquement la valeur du paramètre.
Avec [+] ou [-] , régler le mode de fonctionnement et valider avec [ENTER].
Quitter en appuyant sur [esc].
A l'affichage apparait le parametre 301 avec le mode de fonctionnement actuel.


6 Mise en service
5. Activer/désactiver le variateur
Appuyer sur la touche [+]
A l'affichage apparait le parametre 542.
Appuyer sur la touche [ENTER].
A l'affichage apparait uniquement la valeur du paramètre.
Avec [+] ou[-]activer resp.désactiver le variateur et valider avec [ENTER].
0 sans variateur de vitesse
1 avec variateur de vitesse
Quitter en appuyant sur [esc].
A l'affichage apparait le paramètre 542 avec le réglage actuel.

6. Proceder au calibrage de la vitesse de rotation

S'il n'y a pas de variateur ou si le calibrage a ete realise avec un autre combustible, ignorer le calibrage de la vitesse 641 en appuyant sur la touche [+ ] et continuer avec l'opération 7.
- Appuyer sur la touche [+] .
A l'affichage apparait le parametre 641.
Appuyer sur la touche [ENTER].
Avec [+] regler 1 et demarrer le calibrage avec [ENTER].
Contrôler le sens de rotation du moteur brûleur.
Le moteur turbine démarre avec volets d'air ouverts. Lorsque le calibrage est terminé, l'affichage passé de 1 à 0.
Quitter le calibrage avec [esc].

6 Mise en service
7. Prérogler la position d'allumage
- Appuyer sur la touche [+] .
Le point d'allumage P0 apparait à l'affichage.
Maintainir la touche [A] appuyee et avec [+]/[-] régler la position des volets d'air.

Uniquement avec variateur raccordé
En fonctionnement fioul, la vitesse de rotation devrait etre de 100% . Si la vitesse de rotation est reduite, des problemes de fonctionnement peuvent survenir.
Appuyer sur la touche [+]
On quitte le preréglage de la position d'allumage.
L'affichage passa a run OIL1.

6 Mise en service
8. Sélectionner le mode de fonctionnement
Il est possible deCHOISIR entre deux modes de fonctionnement :
- réglage avec flamme,
- préréglage sans flamme.
Le préreglage sans flamme est uniquement judicieux, lorsque les points de fonctionnement sont déjà connus (par ex. après le remplacement d'un apparéil).
Réglage avec flamme ①
Appuyer sur la touche [ENTER].
Contrôler le sens de rotation du moteur brûleur.
Le brûleur démarre la prévention Ph12 et reste en position d'allumage Ph36 sans allumer.
Sur l'afficheur apparait le point d'allumage P0.
Régler la pression de mélange en position d'allumage (à partir de l'opération 10).
Préroglage sans flamme ②
- Appuyer un court instant sur la touche [esc].
A l'affichage apparait le point de fonctionnement P0.
Le segment noir sous le symbole S s'eteint.
Prerégler les points de fonctionnement sans flamme (à partir de l'opération 9).

6 Mise en service
9. Prérogler les points sans flamme
Cette opération doit uniquement être réalisée, lorsque le mode de fonctionnement sans flâme a été sélectionné. Le réglage avec flâme (à partir de l'opération 10) n'est donc pas supprimé.
Avec la touche [+] selectionner l'un après l'autre les points et les preregler.
P1 Point de fonctionnement 1
P2on Point de commutation de P1 vers P2
P2 Point de fonctionnement 2
P3on Point de commutation de P2 vers P3 (uniquement 3 allures)
P3 Point de fonctionnement 3 (uniquement pour fonctionnement 3 allures)
Maintainir la touche [A] appuyee et avec [+]/[-] prerégler la position des volets d'air.

Avec la touche [-] selectionner l'un après l'autre les points et les preregler.
P3oF Point de déclenchement de P3 vers P2 (uniquement en fonctionnement 3 allures)
P2oF Point de déclenchement de P2 vers P1
Maintainir la touche [A] appuyee et avec [+]/[-] prerégler la position des volets d'air.
Quitter le prééglage avec [esc].
A l'affichage apparait 400 SET.
- Appuyer sur la touche [ENTER].
run OIL1 apparait sur l'afficheur.
- Appuyer sur la touche [ENTER].
Le brûleur démarre la prévention et reste en position d'allumage sans allumer.
Le point d'allumage P0 apparait à l'affichage.

6 Mise en service
10. Contrôler la pression de mélange en position d'allumage
La pression de mélange en position d'allumage doit être comprise entre 2 ... 5 mbar.
Eventuellement adapter la pression de melange à l'aide de la position des volets d'air.

Uniquement avec variateur raccordé
En fonctionnement fioul par allure, la vitesse de rotation devrait etre de 100% pour tous les points. Une reduction de la vitesse peut entrainer des problemes de fonctionnement.
Appui simultané sur les touches [A] et [F] (VSD) et avec [+]/[-] régler la vitesse à 100% .

11. Contrôler la pression pompe
La pression pompe doit être réglée en fonction du grand début régle précédemment.
Contrôler la pression pompe au manomètre et éventuèlement ajuster.
Retirer le bouchon ① (uniquement pour type T et TA).
Desserrer le contre-écrou ② (uniquement pour pompe type T et TA).
Régler la pression pompe à l'aide de la vis de réglage de pression ③.
- Tourner à droite = augmenter la pression,
- Tourner à gauche = diminuér la pression.

6 Mise en service
12. Mise à feu du brûleur
Appuyer sur la touche [+]
Le brûleur s'allume et les servomoteurs restent en position d'allumage.
Les phases de fonctionnement suivantes apparaisent à l'affichage.
Ph 38 Allumeur en fonction
Ph 40 Vanne de combustible
Ph 42 Arret allumeur
Ph 44 Flammene n position d'allumage
Contrôler la pression pompe.
Contrôler les valeurs de combustion.
La teneur en O_2 devrait etre d'environ 5 %
Eventuellesment modifier la position des volets d'air.

13. Régler le point de fonctionnement P1
Appuyer sur la touche [+]
Le point de fonctionnement P1 apparait a l'affichage.
Si P1 n'est pas encore prérégle, les valeurs de P0 sont retranscrites pour P1.
- Prérogler la position des volets d'air [A] en tenant compte des valeurs de combustion.

14. Determiner le point de commutation P2on.
Appuyer sur la touche [+]
P2on apparait à l'affichage.
La vanne de 2ème allure resté fermée.
Si P2on n'est pas encore prérégle, les valeurs de P1 sont retranscrites pour P2on.
Regler l'excès d'air (teneur en O_2 env. 8,1 %) en agissant sur la position des volets d'air [A] tout en observant la stabilité de la flamme.

6 Mise en service
15. Regler le point de prépréglage P2_d
Appuyer sur la touche [+] .
A l'affichage apparait le point de préroglage P2_d.
La vanne de 2ème allure reste fermée.
Prerégler la position des volets d'air [A] pour le point 2
La valeur n'est pas encore positionné.
Le point de prépréglage réduit le manque d'air au démarrage de P2.

16. Amener le brûleur au point P2
Appuyer sur la touche [+]
√ L'affeur indique P2.
La vanne de 2ème allure ouvre.
La position prérgée pour les volets d'air à P2_d démarre.
- Prérogler la position des volets d'air [A] en tenant compte des valeurs de combustion.


17. Régler le grand débit
Lors du réglage du grand débit, il convient de respecter les indications de puissance du constructeur de chaudière ainsi que la plage de fonctionnement du brûleur.
En fonctionnement 3 allures, repeter les opérations 14, 15 et 16 pour le point de commutation P3_on, le point de préroglage P3_d et le point de fonctionnement P3.
Déterminer le début de fioul et eventuellesment adapter la pression pompe.
Contrôler les valeurs de combustion.
Regler l'exces d'air.
Après cette opération, la pression pompe ne doit plus être modifiée.


6 Mise en service
18. Amener le bruleur en petit débit
Appuyer sur [-].
A l'affichage apparait le point de coupure P3oF.

Le point de déclenchement détermine la position de coupure des volets d'air pour la vanne d'allure suivante. Le point lui-même ne peut pas être démarré.
Adapter la position des volets d'air [A].
En général, le point de déclenchement se trouve entre 0 ... 5^ au-dessus du point de commutation de l'allure concernée. Toutefois, ce point ne doit pas se trouver sous le point de commutation.
Appuyer sur [-] et observer le comportement au déclenchement.
Contrcler les valeurs de combustion au point P2.
- Régler l'excess d'air à l'aide de la position des volets d'air [A], et ne plus modifier la pression fioul.
Repeter la procedure pour le point de fonctionnement P1.

19. Observer le comportement au fonctionnement
- Avec les touches [+] et [-] démarrer plusieurs fois les points de fonctionnement et observer le comportement lors de la commutation.
Lors d'une instability de flamme :
Reduire la position des volets d'air [A] dans le point de commutation.
En cas de formation de smoke :
Augmenter la position des volets d'air [A] au point de commutation.
20. Mémoriser les points

Le point P1 doit être démarré au moins une fois pour éviter que OFF UPr ne s'affiche en quittant la mise en service et que le manager de combustion ne reste à l'état non programmé.
Démarrer le point de fonctionnement P1.
Appuyer 2 fois sur [esc].
L'affichage indique OP (Operate) et un point de fonctionnement.

6 Mise en service
21. Contrôler le comportement au démarrage
Mettre le bruleur a l'arrêt et refaire un demarrage.
Contrôler le comportement au démarrage et évientuèlement corriger le réglage de la position d'allumage.
Après une modification de la position d'illumage :
Refaire un contrôle du comportement à l'allumage.
22. Sécuriser les données
Appuyer simultanément sur les touches [F] et [A].
Avec la touche [-], selectionner 000: Int et valider avec [ENTER].
Le paramètre suivant 050.00: 0 s'affiche.
- Appuyer sur la touche [ENTER].
bAC_up s'affiche.
Appuyer sur la touche [ENTER].
Avec la touche [+] ,regler sur 1 et valider avec [ENTER].
Lorsque les données ont ete securisées, l'affichage est remis sur 0. Les valeurs du manager de combustion ont ete enregistrees sur I'ABE.
Quitter les niveaux avec [esc].
23. Régler le pressostat et procéder aux derniers travaux.
Voir également la notice de montage et de mise en service du brûleur.
7 Mise hors service
7 Mise hors service
Pour des interruptions de courte durée, par ex. nettoyage de cheminée,mettre le brûleur à l'arrêt.
Pour des interruptions de longue durée,mettre le brûleur à l'arrêt et fermer les vannes de combustible.
8 Entretien
8 Entretien
8.1 Composants relatifs à la sécurité
Composants relatifs à la sécurité
Les composants des éléments de sécurité du brûleur doivent être replacés selon les prescriptions de longévité du constructeur.
Ces prescriptions peuvent le cas échéant être indépendantes de la période de garantie reprise dans les conditions générales de vente.
| Composants relatifs à la sécurité | Prescriptions de remplacement | Standard CEN Norme |
| ABE / Manager de combustion | 10 ans ou 250 000 cycles | EN 230 / 298 |
| Unité de commande | 10 ans ou 5000 changements de combustible | - |
| Servomoteurs | 10 ans ou 2 000 000 cycles | EN 12067-2 |
9 Recherche de defaults
9 Recherche de défauts
9.1 Procedure en cas de panne
Mémoire définis
Le manager de combustion enregistre les 25 dernières erreurs et défauts dans l'historique (paramètres 700), 701 correspond au dernier défaut apparu. On accede à l'historique des erreurs par le niveau Service ou niveau Mot de passer.
Afficher l'historique des erreurs
Sélectionner le niveau Service ou niveau Mot de passage (voir chap. 5.2).
Avec la touche [+] resp.[-] selectionner les erreurs l'une après l'autre.
Appuyer sur la touche [ENTER] (au niveau Service 1 ... 3 s).
Le niveau erreur clignote.
Avec la touche [+] selectionner les erreurs l'une après l'autre au niveau Erreur.
Si aux niveaux erreurs 05 et 06, l'affichage indique : - - :
Appuyer sur la touche [ENTER] (au niveau Service 1 ... 3 s).
La valeur est affichée.

| N° | Niveau | Signification |
| 701 | .01 = | Codes définuts | (voir chap. 9.2) |
| ... | .02 = | Code de diagnostic | (voir chap. 9.2) |
| 725 | .03 = | Classe d'erreurs (classe les erreurs selon la priorité) | 0 = Verrouillage, priorité absolue1 = Arrêt par sécurité avec reset logiciel2 = Sous-tension3 = Arrêt par sécurité en phase de sécurité4 = Arrêt par sécurité empêchement de démarrage5 = Arrêt par sécurité mise hors service6 = Information sans réaction de déclenchement |
| .04 = | Phase de fonctionnement | Phase de fonctionnement au moment du defaulted (voir chap. 3.1.6.1). |
| .05 = | Compteur de mises en service | Nombre de mises en service au moment de l'erreur. Pour afficher, appuyer sur la touche [ENTER]. |
| .06 = | Puisance | Puisance au moment de l'erreur. Pour afficher, appuyer sur la touche [ENTER]. |
9 Recherche de defaults
Proceder au réarmement

Dommages provenant d'une mauvaise réparation
Le générateur peut être endommagé.
Ne pas déverrouiller plus de 2 fois de suite l'installation.
- Les pannes doivent être résolues par du personnel compétent habilité à intervenir sur la chaudière.
- Appuyer sur la touche [ENTER] pendant env. 2 secondes.
RESET s'affiche.
Lacher la touche.
Le brûleur est déverrouillé.
Remplacement de l'appareil
Avant de proceder au remplacement du manager de combustion ou de l'ABE, dire et contrcler l'historique des erreurs et joindre une copie en cas de retour.
Effacer l'historique des erreurs
Seul l'historique des erreurs au niveau Service peut être effacé. L'histoire des erreurs au niveau Mot de passer ne peut pas être effacé.
Entrer le mot de passer (voir chap. 5.2.1).
Sélectionner le paramètre 130.
Appuyer sur la touche [ENTER].
L'afficheur indique la valeur 0.
En 3 secondes, régler la valeur à 1 avec la touche [+] ,rialder avec [ENTER],puis régler la valeur a 2 et valider a nouveau avec [ENTER].
Si l'affichage passa a 0, la procedure de suppression est terminée.
Si l'affichage indique -1, la durée de 3 secondes est expires et la procédure de suppression est interrompue.

9 Recherche de défauts
9.2 Codes définis
| Codes dé-fauts | Code de diag-nostic | Cause | Remèdes |
| 2 | 1 | Pas de signal de flamme en phase de fonctionnement 44 | Contrôler la cellule de flamme (en-crassement, défectuosité, force du si-gnal).Corriger le point d'allumage. |
| 2 | Pas de signal de flamme en phase de fonctionnement 52 |
| 3 | 0 | Pas de signal du pressostat d'air à partir de la phase de fonctionnement 24 | Contrôler le pressostat d'air (réglage,raccordement).Nettoyer la turbine et la volute d'aspi-ration. Contrôler le flexible HP resp. à l'aspi-ration. |
| 1 | Signal du pressostat d'air avant la phase de fonctionnement 22 | Contrôler le pressostat d'air. |
| 4 | Signal du pressostat d'air avant la mise en service |
| 4 | 0 | Signal de flamme en préventation | Contrôler la cellule. |
| 1 | Signal de flamme lors d'une mise hors service |
| 2 | Signal de flamme lors d'une mise en ser-vice |
| 7 | 0 | Disparition de flamme | Contrôler la cellule de flamme (en-crassement, défectuosité, force du si-gnal).Contrôler l'alimentation du brûleur.Contrôler la combustion. |
| 4 ... 255 | Disparition de flamme lors du Test LTS | Durée fermeture des vannes de combus-tible jusqu'à disparition de flamme.Durée : 2 s valeur 5=1 s |
| 12 | 0 | Contrôleur d'étanchéité V2 non étanche | Contrôler le pressostat du contrôle d'étanchéité (voir chap. 3.1.1).Contrôler la vanne magnétique |
| 1 | Contrôle d'étanchéité V1 non étanche |
| 14 | 0 | FDC ouvert | Contrôler le contact de fermeture des vannes (fonctionnement, raccorde-ment). |
| 1 | FDC fermé |
| 64 | FDC ouvert avant mise en service |
| 20 | 0 | Le pressostat mini gaz a déclenché | Contrôler le pressostat mini gaz.Contrôler l'alimentation en gaz. |
| 1 | Programme manque gaz(voir chap. 3.1.2) |
| 21 | 0 | Le pressostat maxi gaz a déclenché | Contrôler le pressostat maxi gaz.Contrôler l'alimentation du brûleur. |
| 22 | 0 | Chaîne de sécurité / bride brûleur ouver-te | Contrôler les organes de sécurité. |
| 1 | Chaîne de sécurité / bride brûleur ouver-te pendant la mise en service |
| 50 ... 58 | # | Défaut interne | En cas de répétition, replacer le ma-nager de combustion. |
| 60 | 1 | Indication de puissance analogique non valable à la mise en service (empêche-ment de démarriage) | Contrôler la liaison. |
| 2 | Indication de puissance actuelle non va-able (puissance de remplacement : petit débit) |
9 Recherche de defaults
| Codes dé-fauts | Code de diag-nostic | Cause | Remèdes |
| 61 | 0 | Passage au combustible 0 | Pas d'erreur. |
| 1 | Passage au combustible 1 |
| 62 | 0 | Sélection du combustible incorrecte lors de la mise en service, pas de signal sur X8-04:1 et X9-04:2 | Vérifier si la liaison n'est pas interrom-pue. |
| 1 | Sélection de combustible incorrecte (défaut interne) | En cas de répétition, replacer le ma-nager de combustion. |
| 2 | Signaux de combustion différents (erreur interne) |
| 3 | Sélection du combustible incorrecte lors de la mise en service, signal sur X8-04:1 et X9-04:2 | Vérifier qu'il n'y a pas de court-circuit. |
| 65 ... 67 | # | Défaut interne | En cas de répétition, replacer le ma-nager de combustion. |
| 70 | 23 | Puisance incorrecte | |
| 26 | Points de courbe modulants non définis | Régler les points de la courbe pour tous les acteurs. |
| 71 | 0 | Position repos non définie | Régler sur position extra pour tous les acteurs |
| 1 | Position préventilation non définie |
| 2 | Position post-ventilation non définie |
| 3 | Position d'allumage non définie |
| 72 | # | Défaut interne | En cas de répétition, replacer le ma-nager de combustion. |
| 73 | 23 | Puisance incorrecte | |
| 26 | Points de courbe d'allure non définis | Régler les points de la courbe pour tous les acteurs. |
| 75 | 1 | Puisance actuelle différente | |
| 2 | Puisance consigne différente | |
| 4 | Position consigne différente | |
| 16 | Différentes positions ont été atteintes | Reprene le calibrage. |
| 72 | # | Défaut interne | En cas de répétition, replacer le ma-nager de combustion. |
| 80 | 1 | Le manager de combustion n'a pas pu rattraper l'écart de rotation et a atteint la limite BASSE de régulation | Le manager de combustion n'est pas ca-libré pour ce moteur :
Reprene le calibrage. |
| 2 | Le manager n'a pas pu rattraper l'écart de rotation et a atteint la limite haute de régulation | Les temps de la rampe du variateur sont supérieurs à deux du manager de comb-sbustion :
Contrôler les temps de rampe (para-mêtres 522, 523).
La corbe du variateur n'est pas linéaire :
Adapter le signal de commande du manager de combustion/variateur (paramètre 645).
La réaction du variateur est trop lente :
Contrôler les réglages du variateur (filtre à l'entrée, compensation de glis-sement, occultation de plusieurs vi-tesses). |
| 81 | 1 | Impulsions parasites sur l'entrée du cap-tein de rotation | Améliorer la compatibilité electro-ma-gnétique. |
9 Recherche de defaults
| Codes dé-fauts | Code de diag-nostic | Cause | Remèdes |
| 82 | 1 | Temps de la rampe trop court lors de la descente pendant le calibrage | ► Augmenter le temps de rampe (para-mètre 523). |
| 2 | La vitesse de calibrage n'est pas enre-gistree | ► Reprendre le calibrage. |
| 3 | Pas de retour d'information sur la vitesse | ► Contrôr l'a liaison.► Contrôr l'écart sonde de vitesse / donneur d'impulsions |
| 4 | Le moteur n'a pas atteint de vitesse sta-ble après la montée | Les temps de la rampe du variateur sont supérieurs à ceux du manager de combustion :► Contrôr les temps de rampe (para-mêtres 522, 523).La courbe du variateur n'est pas linéaire :► Adapter le signal de commande du manager de combustion/variateur (paramètre 645).La réaction du variateur est trop lente :► Contrôr les réglages du variateur (filtre à l'entrée, compensation de glissement, occultation de plusieurs vi-tesses).La vitesse du variateur se situe sous la vitesse mini de calibrage (650 1 /min)► Augmenter la vitesse du variateur. |
| 5 | Sens de rotation inversé | ► Contrôr le sens de rotation.► Contrôr le montage du donneur d'impulsions. |
| 6 | Exemple d'impulsions (60°, 120°, 180°)déflectieux, impulsions parasites sur le cable de sonde | ► Contrôr la liaison.► Contrôr l'écart sonde de vitesse / donneur d'impulsions► Améliorer la compatibilité electro-ma-gnétique. |
| 7 | La vitesse calibrée est hors de la plage admissible | |
| 15 | Ecart de vitesse entre Microcontroller 1 et Microlontroler 2 | ► Reprendre le calibrage. |
| 20 | Calibrage dans la mauvaise phase de fonctionnement | ► Arrêtier la demande de chaleur et ré-péter le calibrage. |
| 21 | Chaîne de sécurité / bride brûleur ouver-te pendant le calibrage. | ► Reprendre le calibrage. |
| 22 | Le servomoteur air n'est pas liéflationné | ► Contrôr le servomoteur. |
| 23 | Variateur désactivé | ► Activer le variateur et reprendre le calibrage. |
| 24 | Calibrage démarré sans fonctionnement validé | ► Vérifier le mode de fonctionnement (paramètres 201, 301) et reprendre le calibrage. |
| 128 | Le variateur est sollicité mais n'est pas calibré | ► Procédéur au calibrage. |
| 255 | Le moteur tourne mais n'est pas calibré | ► Procédéur au calibrage. |
9 Recherche de defaults
| Codes dé-fauts | Code de diag-nostic | Cause | Remèdes |
| 83 | 1 | Vitesse non atteinte, limite de régulation basse est active | Suppression voir code de défaut 80. |
| 2 ... 3 | Vitesse non atteinte, limite haute de régulation est active | Suppression voir code de défaut 80. |
| 4 ... 7 | Interruption par impulsions parasites sur le cable de sonde | ►Améliorer la compatibilité electro-ma-gnétique. |
| 8 ... 15 | Fonctionnement modulant : pente de la courbe du variateur trop importante (v-tesse non atteinte)La modification de la vitesse entre deux points ne doit pas, selon le temps de la rampe (paramêtres 522, 523), être su-périeure à un certain pourcentage.10 % à 20 s20 % à 10 s40 % à 5 s | ►Contrôler les temps de rampe (para-mêtres 522, 523). |
| 16 ... 31 | Pas de retour d'information sur la vitesse | ►Contrôler la liaison.►Contrôler l'écart sonde de vitesse / donner d'impulsions |
| 32 ... 63 | Ecart vitesse trop important | ►Contrôler les temps de rampe (para-mêtres 522, 523). |
| 84 | 1 | Fonctionnement modulant : pente de la courbe du variateur trop importanteLa modification de la vitesse entre deux points ne doit pas, selon le temps de la rampe (paramêtres 522, 523), être su-périeure à un certain pourcentage.10 % à 20 s20 % à 10 s40 % à 5 s | ►Contrôler les temps de rampe (para-mêtres 522, 523). |
| 2 ... 3 | Fonctionnement modulant : pente de la courbe du servomoteur combustible trop importante | La modification de position entre deux points de fonctionnement peut être de 31° au maximum :►Représence le réglage des points de fonctionnement. |
| 4 ... 7 | Fonctionnement modulant : pente de la courbe du servomoteur air trop impor-tante |
| 85 | 1 | Erreur d'adressage servomoteurs combustible | ►Vérifier si les servomoteurs sont inver-sés.►Vérifier si l'entrainment est bloqué. |
| 2 ... 3 | Erreur d'adressage servomoteur air |
| 128 ... 255 | Le paramétrage d'un des servomoteurs a été modifié. | |
| 86 | 0 | Erreur de positionnement du servomo-teur combustible | ►Vérifier si l'entrainment est bloqué. |
| 1 | Rupture liaison du servomoteur combus-tible | min 0,5 V entre Pin 5 et 2 ou 6 et 2 :►Contrôler le raccordement. |
| 8 | Fonctionnement modulant : pente de la courbe du servomoteur combustible trop importante | La modification de position entre deux points de fonctionnement peut être de 31° au maximum :►Représence le réglage des points de fonctionnement. |
| 16 ... 255 | Servomoteur combustible surcharge, resp. inversé mécaniquement | ►Vérifier si l'entrainment est bloqué. |
9 Recherche de défauts
| Codes dé-fauts | Code de diag-nostic | Cause | Remèdes |
| 87 | 0 | Erreur de positionnement servomoteur air | Vérifier si l'entrainment est bloqué. |
| 1 | Interruption dans l'alimentation du servo-moteur air | min 0,5 V entre Pin 5 et 2 ou 6 et 2 : Contrôler le raccordement. |
| 8 | Fonctionnement modulant : pente de la courbe du servomoteur air trop impor-tante | La modification de position entre deux points de fonctionnement peut être de 31° au maximum : Reprendre le réglage des points de fonctionnement. |
| 16 ... 255 | Servomoteur air surcharge, resp. inversé mécaniquement | Vérifier si l'entrainment est bloqué. |
| 90 ... 91 | # | Défaut interne | En cas de répétition, replacer le manager de combustion. |
| 93 | 3 | Court-circuit cellule de flamme | Contrôler la cellule. Contrôler le raccordement. |
| 95 | # | Tension étrangère sur contact de relais (interne) | Contrôler la cellule. Contrôler le raccordement. |
| 3 | Transfo d'allumage |
| 4 | Vanne de combustible 1 |
| 5 | Vanne de combustible 2 |
| 6 | Vanne de combustible 3 |
| 96 | # | Contact relais soudé (interne) | Contrôler les contacts de relais : Mettre sous tension.
✓ La sortie X3-05:1 doit être libre de tension.
✓ Mettre hors tension et débrancher la fiche X3-05.
✓ Entre la sortie X3-05:1 et l'entrée X3-04:4 (N) il ne doit pas exister de liaison ohmique.
Lorsqu'un critère n'est pas atteint :
✓ Remplacer le manager de combus-tion. |
| 3 | Transfo d'allumage |
| 4 | Vanne de combustible 1 |
| 5 | Vanne de combustible 2 |
| 6 | Vanne de combustible 3 |
| 97 | 0 | Relais de sécurité soudé (interne) ou tension étrangère sur le relais de sécurité | Suppression voir code d'erreur 96. |
| 98 | # | Le relais ne s'enclenché pas (interne) | En cas de répétition, replacer le manager de combustion. |
| 2 | Vanne de sécurité |
| 3 | Transfo d'allumage |
| 4 | Vanne de combustible 1 |
| 5 | Vanne de combustible 2 |
| 6 | Vanne de combustible 3 |
| 99 ... 100 | # | Défaut interne de la commande relais | En cas de répétition, replacer le manager de combustion. |
9 Recherche de defaults
| Codes dé-fauts | Code de diag-nostic | Cause | Remèdes |
| 105 | # | Défaut interne interrogation des con-tacts | Peut être géné ré par des charges capita-citives resp. des entrées alimentées en tension continue. L'entrée pour laquelle le problème est apparu s'affiche au code de diagnostic. |
| 1 | Pressostat mini |
| 2 | Pressostat maxi |
| 3 | Sélection interne de combustible 0 |
| 4 | Pressostat d'air |
| 5 | OUVERTURE régulateur de puissance |
| 6 | Régulateur de puissance MARCHE / ARRET |
| 7 | FERMETURE régulateur de puissance |
| 8 | Chaîne de sécurité / bride brûleur |
| 9 | Transfo d'allumage |
| 10 | Vanne de combustible 1 |
| 11 | Vanne de combustible 2 |
| 12 | Vanne de combustible 3 |
| 13 | Sélection interne de combustible 1 |
| 106 ... 110 | # | Défaut interne | ► En cas de répétition, remplaçer le ma-nager de combustion. |
| 111 | # | TensionRéseau trop faible | |
| 112 | # | Retour de la tension | Pas d'erreur. |
| 113 ... 115 | # | Défaut interne | ► En cas de répétition, remplaçer le ma-nager de combustion. |
| 116 | # | Durée des cycles dépassée | ► Remplacer le manager de combus-tion. |
| 117 | # | Durée de vie dépassée | ► Remplacer le manager de combus-tion. |
| 120 | 0 | Impulsions parasites à l'entrée compteur combustible | ► Améliorer la compatibilitéelectro-ma-gnétique. |
| 121 ... 124 | # | Défaut interne | ► Reprendre le paramétrage resp. réta-blir le groupe de paramêtres avec Restore.► En cas de répétition, remplaçer le ma-nager de combustion. |
| 125 ... 126 | # | Défaut interne | ► Répéter le paramétrage.► En cas de répétition, remplaçer le ma-nager de combustion. |
| 127 | # | Défaut interne | ► Reprendre le paramétrage resp. réta-blir le groupe de paramêtres avec Restore.► En cas de répétition, remplaçer le ma-nager de combustion. |
| 128 | 0 | Défaut interne | ► En cas de répétition, remplaçer le ma-nager de combustion. |
| 129 ... 131 | # | Défaut interne | ► Répéter le paramétrage.► En cas de répétition, remplaçer le ma-nager de combustion. |
| 132 | # | Défaut interne | ► En cas de répétition, remplaçer le ma-nager de combustion. |
9 Recherche de defaults
| Codes dé-fauts | Code de diag-nostic | Cause | Remèdes |
| 133 ... 135 | # | Défaut interne | ► Rétéré le paramétrage.► En cas de répétition, replacer le ma-nager de combustion. |
| 136 | 1 | Restore démarré | Pas d'erreur. |
| 137 | 255 (-1) | Interruption car Time-out pendant B可不是 dupercoup / Restore ou l'ABE ne dispose pasde la fonction. | ► Contrôler la liaison.► Rétéré Backup / Restore► Remplacer l'ABE. |
| 254 (-2) | Interruption suite à une erreur de trans-mission | ► Rétéré Backup / Restore |
| 253 (-3) | Restore ne peut pas être rétabli pour lemoment |
| 252 (-4) | Restore incomplet |
| 251 (-5) | Pas d'identification du brûleur | ► Définir l'identification du brûleur (pa-ramètre 113). |
| 250 (-6) | Groupe de paramètres Backup non va-lable, Restore impossibly | |
| 249 (-7) | Le Backup dispose d'une identificatiorbrûleur erronée et ne peut pas fonction-ner | |
| 248 (-8) | Restore ne peut pas être rétabli pour lemoment | ► Rétéré Backup / Restore |
| 247 (-9) | Groupe de paramètres Backup non va-lable, Restore impossibly | |
| 246 (-10) | Interruption car Time-out pendant Restore | ► Rétéré Backup / Restore |
| 245 (-11) | Erreur d'accès Restore |
| 244 (-12) | Version logiciel et groupe de paramètreBackup incompatible, Restore impos-sible | |
| 243 (-13) | Comparaison des données Backup en- tre les Microcontroleurs défectueuse | ► Rétéré Backup / Restore |
| 242 (-14) | Backup est défectueux et ne peut pas'être remis en arrière | |
| 241 (-15) | Le Backup dispose d'une ASN erronéeet ne peut pas fonctionner | |
| 240 (-16) | Pas de Backup disponible dans l'ABE | |
| 239 (-17) | Mémorisation Backup dans l'ABE défec-tueuse | ► Rétéré Backup / Restore |
| 157 (-99) | Restore réussi, néanmoins groupe de paramètres Backup plus petit que dansle système actuel | |
| 146 | 1 | Modbus-Time-out | |
| 2 | eBus-Time-out | |
9 Recherche de defaults
| Codes dé-fauts | Code de diag-nostic | Cause | Remèdes |
| 150 | 1 (-1) | Test LTS se trouve en phase de fon-c-tionnement non valable | Démarrer Test LTS en phase 60. |
| 2 (-2) | Puisance pour Test LTS inférieure à la limite de puissance basse (paramètre 545) | Adapter la puissance et reprendre le Test LTS. |
| 3 (-3) | Puisance pour test LTS supérieure à la limite de puissance supérieure (paramètre 546) |
| 4 (-4) | Interruption manuelle test LTS | Pas d'erreur. |
| 5 (-5) | Pas de disparition de flamme après l'arrêt des vannes de combustible | Vérifier si lumière étrangère. Contrôler le raccordement. Contrôler l'étanchéité des vannes. |
| 165 ... 166 | # | Défaut interne | |
| 167 | 1 | Verrouillage manuel par le contact | Pas d'erreur. |
| 2 | Verrouillé manuelles par l'ABE | |
| 3 | Verrouillé manuelles par PC Tool | |
| 8 | Communication entre W-FM et ABE in-terrompue pendant le réglage d'une courbe | |
| 9 | Communication entre W-FM et PC Tool interrompue pendant le réglage d'une courbe | |
| 33 | Essai de réarmement par PC-Tool | |
| 168 ... 171 | # | Défaut interne | En cas de répétition, replacer le ma-nager de combustion. |
| 200 | # | Système correct | |
| 201 | 1 | Aucun mode de fonctionnement sélec-tionné | |
| 2 ... 3 | Pas de chemin de combustible définir | |
| 4 ... 7 | Aucunecourbe n'a été définie | |
| 8 ... 15 | Vitesse de calibrage non définie | |
| 16 ... 31 | Backup / Restore impossibly | |
| 202 | # | Défaut interne dans le réglage du mode de fonctionnement | Définir un nouveau mode de fonction- nement (paramètre 201) |
| 203 | # | Défaut interne dans le réglage du mode de fonctionnement | Définir un nouveau mode de fonction- nement (paramètre 201) En cas de répétition, replacer le ma-nager de combustion. |
| 204 | 24 ... 52 | Programstop actif. La phase de fonction- nement s'affiche au code de diagnostic. | Désactiver le programstop (paramètre 208). |
| 205 | # | Défaut interne | En cas de répétition, replacer le ma-nager de combustion. |
| 206 | 0 | Combinaison d'appareil non acceptée (manager de combustion - ABE) | |
| 207 | 0 | Version manager de combustion trop an-cienne | |
| 1 | Version ABE trop ancienne | |
| 208 ... 209 | # | Défaut interne | En cas de répétition, replacer le ma-nager de combustion. |
9 Recherche de défauts
| Codes dé-fauts | Code de diag- nostic | Cause | Remèdes |
| 210 | 0 | Mode de fonctionnement non autorisé | ► Définir un nouveau mode de fonction- nement (paramètre 201) |
| 240 ... 250 | # | Défaut interne | ► En cas de répétition, replacer le ma- nager de combustion. |
10 Pièces détachées
10 Pièces détachées





10 Pièces détachées
| Pos. | Désignation | Référence |
| 1.01 | ABE pour W-FM | 600 405 |
| 1.02 | Câble de liaison ABE -W-FM | |
| - 2 m | 600 406 |
| - 10 m | 600 407 |
| 1.03 | Unité de commande 230V AGM 60.2A9 | 600 427 |
| 1.04 | Manager de combustion W-FM 54 230V 50-60Hz | 600 425 |
| 1.05 | Connecteur W-FM | |
| - X3-02 Pressostat d'air | 716 301 |
| - X3-03 Fin de course bride brûleur | 716 302 |
| - X3-04 Réseau et chaîne de sécurité | 716 303 |
| - X3-05 Turbine, alarme | 716 410 |
| - X4-02 Transfo d'allumage | 716 305 |
| - X5-01 Pressostat mini | 716 307 |
| - X5-02 Pressostat maxi | 716 308 |
| - X5-03 Chaîne de réglage | 716 309 |
| - X6-03 Vanne de sécurité | 716 312 |
| - X7-01 Vanne fioul allure 2 | 716 313 |
| - X7-02 Vanne fioul allure 3 | 716 314 |
| - X8-02 Cde ligne giclaur électromagnétique | 716 317 |
| - X8-03 Fioul vanne 1 | 716 318 |
| - X8-04 Sélection combustible 1 | 716 411 |
| - X9-04 Sélection combustible 0 | 716 418 |
| - X10-05 Cellule QRB,QRC, ionisation | 716 413 |
| - X10-06 Cellule QRA | 716 414 |
| - X22-02 Connecteur pour rampe gaz | 716 365 |
| - X24-04 Gaz V1 V2 | 716 450 |
| - X24-05 PV Gaz | 716 452 |
| - X24-06 SV Gaz | 716 454 |
| - X31-01 Réseau, sélection combustible | 716 455 |
| - X31-02 Sélection combustible | 716 456 |
| - X32-01 Liaison W-FM-vannes | 716 457 |
| - X32-02 Régulateur de puissance | 716 458 |
| - X64 Réserve 4-20mA | 716 416 |
| - X74 Liaison variateur de vitesse | 716 417 |
| - X75 Compteur combustible | 716 415 |
11 Caracteristiques techniques
11 Caractéristiques techniques
11.1 Variateur de vitesse
oi
Des informations plus détaillées se trouvent sur le CD du variateur de vitesse.
Le variateur de vitesse fixé sur le moteur du brûleur équipé d'une variation de la vitesse dispose :
- d'une liaison ① pour le transfert de données,
- d'une fenêtre de diagnostic ② avec 10 LED pour l'etat des signaux des entrées et sorties,
- d'une fenêtre Statut ③ avec 2 LED rouge-vert pour afficher l'état de fonctionnement.

Liaison
Une liaison permet d'acceder au variateur à l'aide d'un PC. Le calculi neccasse peut etre telecharge gratuitement sur le site (http://elcat.nord.com/software/nordcon/download/nordcon_127.zip). Pour le raccordement, utiliser un cable de liaison RJ12 sur Sub-D9.
Fenêtre de diagnostic
| LED | Entré/Sortie | Signification |
| 1 (jaune) | Sortie digital | Alarme du variateur de vitesse |
| 2 (jaune) | Entrée digitale 1 | Autorisation de marche du variateur |
| 3 (jaune) | Entrée digitale 2 | Réseau 24V DC fonctionnement |
| 4 (jaune) | Entrée digitale 3 | |
| 5 (jaune) | Entrée digitale 4 | |
| 6 (jaune) | Thermistance moteur | Suréliévation de température au moteur |
| 7 (jaune) | Frein moteur | Frein moteur actif |
| 8 (jaune) | Frein mécanique | Frein mécanique actif |
| 9 (vert) | BUS état 1 | arrêt | pas de communication |
| clignote | avertissement bus |
| marche | communication |
| 0 (rouge) | BUS Etat 2 | arrêt | pas d'erreur |
| | clignote | défaut de surveillance / Time-out |
| | marche | pas de système bus |
11 Caracteristiques techniques
Fenêtre état
| LED | Affichage | Signification |
| A (vert/rouge) | AS-Interface-Etat | - |
| B (vert/rouge) | Etat de fonctionnement du variateur | arrêt | pas de tension réseau / tension de commande |
| vert permanent | Prêt à fonctionner |
| vert clignotant | 2Hz = Prêt à démarrer |
| 0,5Hz = Démarrage verrouillé |
| vert perma-nent rouge cligno-tant | Pas prêt (la tension de commande est présente mais absence de réseau) |
| vert clignotant rouge cligno-tant | Avertissement |
| rouge cligno-tant | Erreur (code erreur voir manuel du variateur) |
12 Index alphabetique
A
Adresse de l'appareil 34
Affichage 29
Affichage 34
Affichages 31
Afficher les paramètres 31
Afficheur 28
Afficheur retro-éclaire 34
Alarme 22,36
Alimentation electrique 16
Allure 30
Allure de fonctionnement 30
Arrêt 36
Arrêt par sécurité 30
B
Backup 33,58,71,82
C
Cellule de flamme 21, 36, 39
Chaine de sécurité 13, 14, 15, 16, 30, 36
Charge d'allumage 18
Classe de protection 24
Classe d'erreurs 85
Clignotement 9,30
Code de diagnostic 87
Codes defaults 87
Compteur a repetition 8
Compteur combustible 21
Condensats 7
Conditions environnantes 24
Contact régulateur de puissance 17, 18, 19, 20
Contrôle d'etanchéité 8, 20, 37
Contrôleur d'étanchéité pressostat mini gaz 20
Couplemoteur 24
Cycles 84
D
Débit d'allumage 22
Deroulement du cycle 13, 14, 15
Detection de vitesse 22
Durée de vie 6
E
EBus 34
Eclairage 34
Empêchement de démarrage 22, 36
Enregisterer 33
Fin de course 16
Fonctionnement 30
Fréquence réseau 34
G
Garantie 5
Grand débit 40
Groupe de valeurs 33
GTC 34
H
Heures de fonctionnement 35
Historique des erreurs 86
1
Identification bruleur 33
Indice de protection 24
InF 30
Initialisation 11
Installation electrique 26
Interruption de fonctionnement 83
Inversion de charge 18
L
LED 98
Limin de modulation 40
Limin de puissance 40
Loc 30
M
Manager de combustion 26
Manuel ARRET 9
Mémoire définuts 85
Mesures de sécurité 6
Mise hors service 83
Mises en service 35
Modbus 34
Mode de fonctionnement 18, 19, 36
Modification de puissance 33
Modification de vitesse 90
Modifier la valeur 31
Mot de passage 31, 32, 46, 59, 72
Moteur 13, 14, 15, 22, 26
Moteur bruleur 22
Moteur turbine 13, 14, 15
12 Index alphabetique
N
Niveau Info 31
Niveau Installateur 31
Niveau Service 31
0
Odeur de gaz 6
OFF 30
Op 30
P
Panneau de commande 28
Parité 35
Pas de positionnement 33
Pas de réglage 19
Petit débit 40,57,70
Ph 30
Phase 12,30
Phase de fonctionnement 12, 13, 14, 15
Phase de marche 30
Point d'allumage 39
Points de fonctionnement 10
Position de fonctionnement 12
Position défaut 30
Position post-ventilation 40
Position préventilation 40
Position repos 40
Positions extra 40
Pressostat gaz du contrôle d'étanchéité 8, 13, 14
Pressostat maxi 15
Pressostat maxi fioul 20,39
Programme manque gaz 8,20
Programstop 36
Protection 24
Protection contre l'inversion 11
Puissance 9,30
Puissance absorbée 24
Puissance manuelle 9,17,18,19,20,33
a
QRA 21
QRC 21
R
Rame 8
Rampegaz 8
Réarmement 17, 86
Regulateur de puissance 18, 19, 42
Régulation de vitesse 98
Remplacer l'appareil 86
Répetition 36
Responsabilité 5
Restore 33
s
Securiser les données 58,71,82
Selection combustible 17
Servomoteur 11
Servomoteur air 40
Servomoteur combustible 40
Signal analogue 19
Signal de charge 23, 41
Signal de flamme 13, 14, 15
Sortie X24-04 13, 14
Sortie X24-05 13
Sortie X24-06 13, 14
Sortie X3-05 13, 14, 15, 22
Sortie X31-02 17
Sortie X4-02 13, 14, 15, 22
Sortie X6-02 15
Sortie X6-03 13, 14, 15
Sortie X7-01 13, 14, 15
Sortie X7-02 13, 15
Sortie X74 22, 23
Sortie X8-02 13, 14, 15
Sortie X8-03 15
Stockage 24
T
Température 24
Temps d'arrêt 83
Temps de la rampe 40
Temps de post-ventilation 37
Temps de réglage 24
Temps de stabilisation flamme 36, 37, 39
Tension d'alimentation 24
Tension réseau 16, 24
Test disparition de flamme 34
Thermostat 18
Transfo d'allumage 13, 14, 15, 22
Transport 24
U
Unité d'affichage et de programmation (ABE) 28
Unité de commande 6, 17, 28
V
Vanne 13, 14, 15
Vanne d'allumage pilote 13
Vanne de combustible 13, 14, 15
Vanne de décharge 22
12 Index alphabetique
Vanne de sécurité 13, 14, 15
Vanne magnetique 13, 14, 15
Variateur de vitesse 22,40,98
Ventilation permanente 22
Verrouillage 17
Version du logiciel 33
Vis de réglage de pression 66, 78
Vitesse d'allumage 49,52
Vitesse de rotation 62, 66, 67, 68, 75, 78
Vitesse de transmission 34
Volume combustible 35
| Produits | | Descriptif | Puisances |
| Brûleurs W | Brûleurs fioul, gaz et mixtes éprouvés des millions de fois : fiables, économiques, pérennes. Grâce à leur,chambre de mélange spéciale, les brûleurs fioul purflam garantissent une combustion sans suie et des émissions de NOx très basses. S'appliquent aux habitats individuels, collectifs et entreprises. | jusqu'à 570 kW |
| Brûleurs monarch* et industriels | Les légendaires brûleurs industriels : fonctionnement fiable, technique robuste, bonne disposition de tous les composants. Brûleurs fioul, gaz et mixtes pour centrales de chauffage. | jusqu'à 11.700 kW |
| Brûleurs multiflam* | Technologie innovante pour brûleurs de grande puissance : valeurs d'émissions minimales en particulier pour les brûleurs de puissance > 1 MW. Brûleurs fioul, gaz et mixtes avec système de répartition de combustible breveté. | jusqu'à 17.000 kW |
| Brûleurs industriels WK | Brûleurs construts selon un principe modulaire : flexibles, robustes, performants. Brûleurs fioul, gaz et mixtes pour applications industriielles. | jusqu'à 22.000 kW |
| Thermo Unit | Chaudières Thermo Unit en fonte ou en acier : modernes, économiques, fiables. Conçues pour un chiffage ecologique des maisons individuelles et petits collectifs. Combustible: gaz ou fioul. | jusqu'à 55 kW |
| Thermo Condens | Chaudières à condensation gaz équipées du système Scot :performantes, fiables, respectueuses de l'environnement. Idéales pour le chiffage d'habitats individuels ou petits collectifs. Pour les puissances élevées, Weisabeth propose la chaudière à condensation gaz au sol WTC-GB. | jusqu'à 1.200 kW (cascade) |
| Pompes à chaleur | Les pompes à chaleur exploitant la chaleur gratuite émmagasinée dans l'air, l'eau et la terre offrant ainsi une forme d'indépendance en matière de chiffage et de préparation d'eau chaude sanitaire. Une cas-cade de pompes à chaleur est possible. | jusqu'à 130 kW |
| Systèmes solaires | Energie gratuite par le soleil : des composants parfaitement adaptés, innovants, résistants et esthétiques. Les capteurs assurent la préparation ECS et l'appoint en chiffage. | |
| Prépareurs ECS / Accumulateurs d'énergie | Vaste programme de prépareurs d'eau chaude sanitaire alimentés par une chaudière et d'accumulateurs d'énergie qui conservent l'énergie solaire collectée par les capteurs. | |
| Gestion technique de bâtiments | Weisabeth propose des techniques modernes de mesure et de régulation : des armoires de commande électriques à la gestion technique de bâtiments. Ces techniques sont économiques et flexibles. | |