LG1141E - Cuisinière LACANCHE - Notice d'utilisation et mode d'emploi gratuit
Retrouvez gratuitement la notice de l'appareil LG1141E LACANCHE au format PDF.
| Type de produit | Four à gaz |
| Caractéristiques techniques principales | Four à convection, 5 foyers, 1 four à chaleur tournante |
| Alimentation électrique | Non applicable (fonctionne au gaz) |
| Dimensions approximatives | Largeur : 90 cm, Hauteur : 90 cm, Profondeur : 60 cm |
| Poids | Environ 100 kg |
| Compatibilités | Compatible avec les bouteilles de gaz propane et butane |
| Type de batterie | Non applicable (pas de batterie) |
| Tension | Non applicable (fonctionne au gaz) |
| Puissance | Puissance totale : 12 kW |
| Fonctions principales | Cuisson, rôtissage, pâtisserie, grillade |
| Entretien et nettoyage | Nettoyage à l'eau savonneuse, ne pas utiliser de produits abrasifs |
| Pièces détachées et réparabilité | Disponibilité des pièces détachées auprès des revendeurs agréés |
| Sécurité | Équipé d'un système de sécurité anti-fuite de gaz |
| Informations générales | Garantie de 2 ans, installation par un professionnel recommandée |
FOIRE AUX QUESTIONS - LG1141E LACANCHE
Téléchargez la notice de votre Cuisinière au format PDF gratuitement ! Retrouvez votre notice LG1141E - LACANCHE et reprennez votre appareil électronique en main. Sur cette page sont publiés tous les documents nécessaires à l'utilisation de votre appareil LG1141E de la marque LACANCHE.
MODE D'EMPLOI LG1141E LACANCHE
Note relative à l'élimination des déchets électriques et électroniques 47
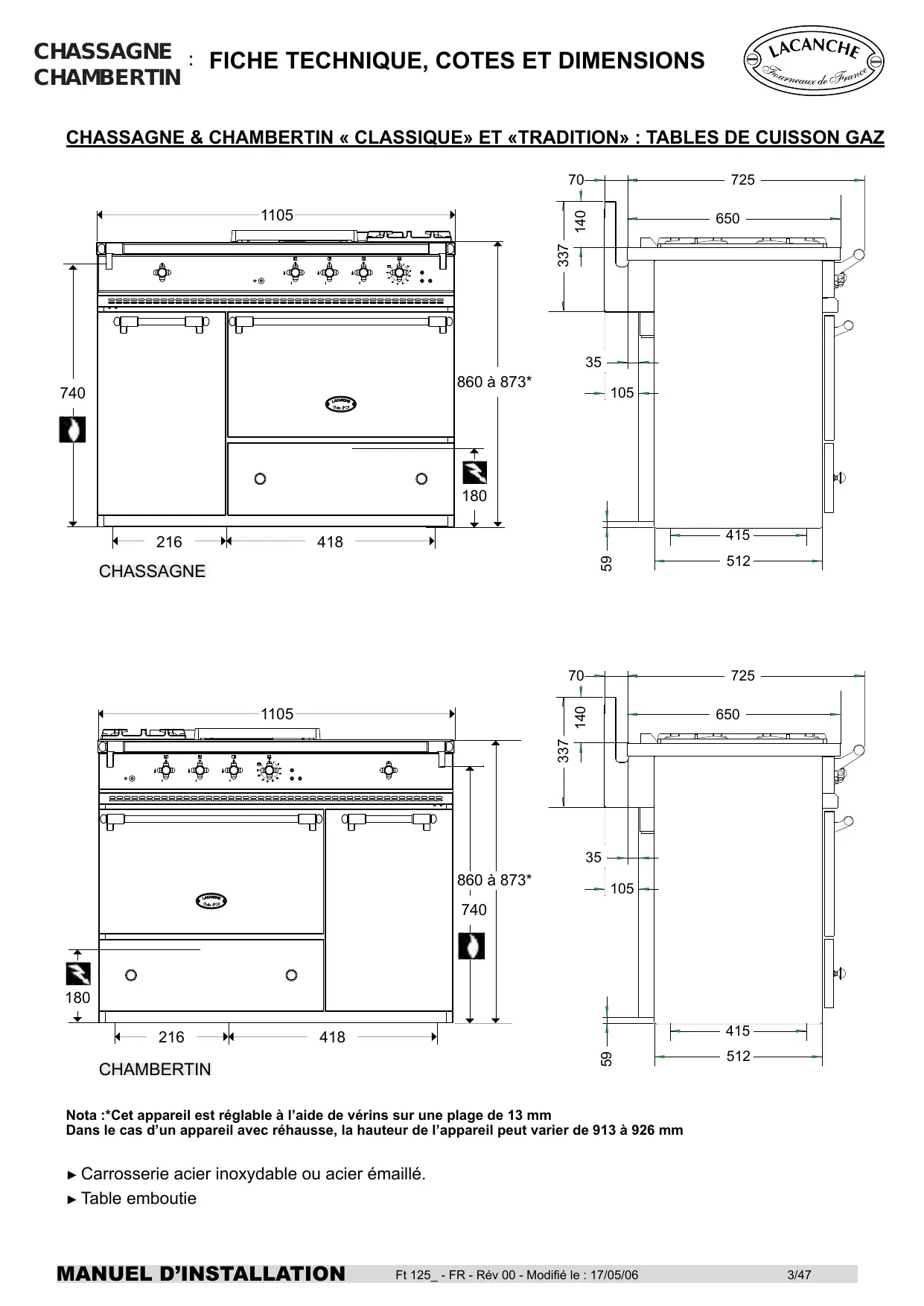
Chassagne & chambertin « classique» et «tradition»: TABLES de cuisson gaz
CHASSAGNE

CHAMBERTIN
Nota : Cet appareil est réglable à l'aide de vérins sur une plage de 13 mm. Dans le cas d'un appareil avec housse, la hauteur de l'appareil peut varier de 913 à 926 mm.
Carrosserie acier inoxydable ou acier émaillé. ▶ Table emboutie


Chassagne «classique» 3 feuilles
- 3 brûleurs de taille et de puissance différentes (voir Brûleurs A, C, D tableau 1, annexe 0).
- Commandés individuellement par un robinet à sécurité (thermocouple).
- Allumage électrique par bouton poussoir.
Chambertin «classique» 3 feuilles
- 3 brûleurs de taille et de puissance différentes (voir Brûleurs A, C, D tableau 1, annexe 0).
- Commandés individuellement par un robinet à sécurité (thermocouple).
- Allumage électrique par bouton poussoir.

Chassagne «classique» 4 feux
- 4 brûleurs de taille et de puissance différentes (voir Brûleurs B, C, D tableau 1, annexe 0).
- Commandés individuellement par un robinet à sécurité (thermocouple).
- Allumage électrique par bouton-poussoir.

Chambertin «classique» 4 feuilles
- 4 brûleurs de taille et de puissance différentes (voir Brûleurs B, C, D tableau 1, annexe 0).
- Commandés individuellement par un robinet à sécurité (thermocouple).
- Allumage électrique par bouton poussoir.

3 Faux gaz et une plaque coup de feu :
- 3 brûleurs de taille et de puissance différentes (voir Brûleurs T, C, D tableau 1, annexe 0).
- Foyer central équipé d'une plaque coup de feu 385x510 mm.
- Commandés individuellement par un robinet à sécurité (thermocouple).
- Allumage électrique par bouton poussoir.

3 Faux gaz et une plaque coup de feu :
- 3 brûleurs de taille et de puissance différentes (voir Brûleurs T, C, D tableau 1, annexe 0).
- Foyer central équipé d'une plaque coup de feu 385 × 510 mm.
- Commandés individuellement par un robinet à sécurité (thermocouple).
- Allumage électrique par bouton poussoir.
Raccordement gaz avec tube 15/21, filetage 1/2 gaz, sur raccord mâle
Raccordement électrique, sur bornier au dos de l'appareil
Four gaz :
Tôle émaillée. Dimensions L x P x H : 530 mm x 460 mm x 305 mm. 4 niveaux de plateaux au pas de 58 mm, 62 litres. Chauffe assurée par brûleur contrôle par robinet thermostatique, sécurité par thermocouple. Allumage électrique par bouton poussoir.
Four électrique statique :
Tôle émaillee. Dimensions L x P x H : 530 mm x 460 mm x 305 mm. Résistances de VOUTE et de sole thermostatées, thermostat de sécurité. Celui-ci est équipé d'un grilloir électrique d'une puissance de 2850 W.
Puissance : 3100 W – Alimentation 230 V 1N~ 50 Hz / 400 V 3N~ 50 Hz
Four électrique ventilé :
Tôle émaillée. - Dimensions L x P x H: 530 mm x 405 mm x 305 mm. Celui-ci est équipé d'un grilleir électrique d'une puissance de 2850 W. Chauffe assurée par deux résistances circulaires (2x1700 W) entourant une turbine à réaction. Thermostat de sécurité.
Puissance : 3400 W – Alimentation 230 V 1N~ 50 Hz / 400 V 3N~ 50 Hz
Chauffe-assiettes :
Chauffe-assiettes GN 1/1 calorifugée acier inox Z8C17. Dimensions L x P x H : 530 mm x 325 mm x 490 mm. 5 niveaux de platerie au pas de 68 mm. Chauffe par résistance de 950 W commandée par thermostat de 30 à 110°C. Capacité : 72 assiettes de Ø 24 cm.
Puissance : 950 W – Alimentation : 230 V 1 N~ 50 Hz
Accessoires
Four : Un plat lèchefrite, une grille, une tôle pâtissière. Armoire neutre : 1 grille. Armoire chauffe-assiettes : 2 grilles
Pressions et consommations horsaire
Appareil adaptable, se reporter à la plaque signalétique et marquage au dos de l'appareil (F/O, T, A, B, C, D : tab. 3, annexe 0).
Directives
Appareils à gaz : 90/396/CEE
Basse tension : 73/23/CEE
CEM : 89/336/CEE
Chassagne “electrique”: TABLE de cuisson electrique



Note : Cet appareil est réglable à l'aide de vérins sur une plage de 13 mm. Dans le cas d'un appareil avec réhausse, la hauteur de l'appareil peut varier de 913 à 926 mm.
Carrosserie acier inoxydable ou acier émaillé. Table emboutie



Raccordement électrique, sur bornier au dos de la bapeil
TABLE De cuisson electrique avec FOYERS vitroceramiques
- 4 foyers radiants de taille et puissance différentes sous plaque vitrocéramique de 6 mm (Foyers A, B, C tableau 2 en annexe 0).
Puissance: 8400W-230V1N~50Hz/400V3N~50Hz
TABLE De cuisson electrique avec FOYERS vitroceramiques
- 4 foyers radiants de taille et puissance différentes sous plaque vitrocéramique de 6 mm (Foyers A, B tableau 2 en annexe 0).
Puissance: 8400W-230V1N~50Hz/400V3N~50Hz
Four électrique statique :
Tôle émaillee. Dimensions L x P x H : 530 mm x 460 mm x 305 mm. Résistances de VOUTE et de sole thermostatées, thermostat de sécurité. Celui-ci est équipé d'un grilloir électrique d'une puissance de 2850 W.
Puissance : 3100 W – Alimentation 230 V 1N~ 50 Hz / 400 V 3N~ 50 Hz
Four électrique ventilé :
Tôle émaillée. - Dimensions L x P x H : 530 mm x 405 mm x 305 mm. Celui-ci est équipé d'un grilloir électrique d'une puissance de 2850 W. Chauffe assurée par deux résistances circulaires (2x1700 W) entourant une turbine à réaction. Thermostat de sécurité.
Puissance : 3400 W – Alimentation 230 V 1N~ 50 Hz / 400 V 3N~ 50 Hz
Chauffe-assiettes :
Chauffe-assiettes GN 1/1 calorifugée acier inox Z8C17. Dimensions L x P x H : 530 mm x 325 mm x 490 mm. 5 niveaux de platerie au pas de 68 mm. Chauffe par résistance de 950 W commandée par thermostat de 30 à 110°C. Capacité : 72 assiettes de Ø 24 cm.
Puissance : 950 W – Alimentation : 230 V 1 N~ 50 Hz
Accessoires
Four : Un plat lèchefrite, une grille, une tôle pâtissière. Armoire neutre : 1 grille. Armoire chauffe-assiettes : 2 grilles
Directives
Basse tension : 73/23/CEE
CEM : 89/336/CEE
Fourneau
L'installation doit se faire selon les règles de l'art conformément aux instructions contenues dans cette notice et les règlements en vigueur dans le pays d'installation.
Ce manuel sera remis à l'utilisateur après installation.

Avertissements :
L'acquéreur s'engage à installer ou à faire installer son matériel conformément aux règles de l'art, réglementation et normes en vigueur.
Toute intervention ou dépannage sur un appareil doit être effectués par un intervenant qualifié.
Expédition-colisage :
Emballage carton sur socle bois.
Déballer, vérifier le bon état de l'appareil. En cas d'avaries, signifier les réserves sur le bordereau de livraison, les confirmer, au plus tard sous 48 heures, par lettre recommandée avec accusé de réception auprès du transporteur.
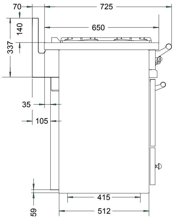
→ Positionnez l'appareil de niveau à l'aide de ses vérins. Respecter un écart minimum de 50 mm entre l'appareil et les autres surfaces (parois sensibles à la chaleur). → Dans le cas où l'appareil devrait être intégré entre deux surfaces, il est IMPERATIF de prévoir la libre circulation d'air à l'arrière (prévoir un dosseret). De même la table de cet appareil ne devra JAMAIS se situer en dessous des plans de travail adjacent. Il est également conseillé de laisser déborder la face avant de l'appareil de 70 mm par rapport aux meubles de côté.
Installer impérativement sous une hotte d'extraction.
→ Si cet appareil doit être mis en place près d'un mur, d'une cloison, d'un meuble, de cordures décoratives. Il est recommandé que ceux-ci soient faits d'un matériel non combustible. Si ce n'est pas le cas, ils doivent être recouverts d'un matériel approprié, bon isolant thermique non combustible. Une attention toute spéciale étant accordée aux réglementations de prévention des incendies.
Il est nécessaire de s'assurer de la non inflammabilité des matières jouxtant les panneaux latéraux du fourneau

Si les éléments adjacents sont composés de matériaux sensibles à la chaleur, un espace de 50 mm entre le côté du fourneau et l'élément adjacent doit être respecté. Il est recommandé de positionner le bord avant de la table de cuisson en avancée de 70 mm par rapport aux éléments mobiliers adjacents, pour ce faire nous vous conseillons d'utiliser le dosseret Lacanche (voir ci-après).
Utilisation du dosseret arrière:
Particulièrement recommandés pour les fourneaux encastrés, il espace l'appareil de 70 mm du mur et porte ainsi la profondeur du plan de cuisson à 722,5 mm.
Il permet, de plus, un meilleur comportement de fonctionnement des composants :
Réf. DS 1500.

Une vanne d'arrêt doit être installée et accessible à proximité pour isoler l'appareil ou pour faciliter l'arrêt de l'alimentation :
- Alimentation gaz naturel :
Obligation d'installer un Robinet Obturateur Automatique Intégré (ROAI) (depuis le 1er juillet 1997 en France).
- Alimentation en GPL (Butane - Propane)
Propane : Déteendeur de Sécurité (DDS) classe 1.
Butane : Détenreur Butane à sécurité monté sur la bouteille (raccordement à l'appareil par flexible homologué GPL longueur maximale de 2 mètres).
Conseils
Vérifier que le fourneau est réglé pour la nature du gaz installé (voir l'étiquette au point de raccordement gaz).
Si le gaz d'alimentation de votre installation n'est pas compatible avec le réglage gaz de votre appareil, il est alors nécessaire de procéder à des modifications de réglage. Pour cela se référer au chapitre «Changement de gaz» de cette notice.
Gaz butane : Raccorder l'appareil à la sortie d'un détendeur de 2,6 kg/h. 2 bouteilles jumelées à l'entrée du détendeur sont indispensabl
Gaz propane : Raccorder l'appareil à la sortie d'un détendeur de 3 kg/h. 2 bouteilles jumelées à l'entrée du détendeur sont indispensabl L'alimentation par bouteille de 37 kg ou citerne cryogénique est possible et recommandée.
Contrôlez :
La concordance de la pression d'alimentation gaz de l'installation avec la pression gaz pour lequel l'appareil est réglé. Le parfait état de propreté des canalisations, afin d'éviter l'obstruction des injecteurs et le dysfonctionnement des têtes magnétiques. Le gaz pour lequel l'appareil a été réglé : plaquette signalétique et marquage. La compatibilité de la section des canalisations d'alimentation avec la puissance de l'appareil. La conformité du début d'air neuf. (Arrivée d'air suffisante pour permettre une bonne combustion - voir annexe 1).
Raccordement gaz
Raccord mâle A Ø 15/21, filetage 1/2'' gaz (fig. 1).
Après raccordement
Contrôler la pression d'alimentation sur prise de pression A1 (fig. 2).
Vérifier l'étanchéité du raccordement.


L'ouverture de la table peut s'avérer nécessaire dans les cas suivants : - Réglages relatifs à un changement de gaz. - Réglages des thermocouples. - Réarmement du thermostat de sécurité avec table vitrocéramique.
Ouverture de la table
1. Enlever grilles et brûleurs. 2. Dévisser la (les) vis des brûleurs, voir B et B1 fig. 3 et 4. 3. Tirer et lever le dessus après avoir desserré les 2 vis C (fig. 5 & 6). 4. Caler la table.




Repose de la table
Lors de la reprise de la table, fixer impérativement les vis de maintien de table, ce non-respect pouvant entraîner une déformation de celle-ci.
Les appareils Lacanche sont livrés dans le gaz déterminé au moment de la commande. Il est impératif d'affiner les réglages lors de l'installation de l'appareil.
L'appareil est prévu pour fonctionner avec les gaz du tableau 4, annexe 0.
IMPORTANT : Fermez la vanne d’arrêt gaz avant d’effectuer toutes interventions.
Important
En cas d'utilisation avec un gaz autre que celui du réglage initial, il est impératif de procéder à l'échange des injecteurs et de reprendre les réglages comme définis ci-après. Vérifier ensuite l'étanchéité du circuit.
Injecteur de table :
Relever les bagues d'air D. Remplacer les injecteurs E suivant tableau 5 en annexe 0 et figure [7] ( en 1 / 100mm
Si nécessaire, les tubes mélangeurs des brûleurs latéraux maintenus par une traverse (H, fig. 10) peuvent être dégagés.
Pour cela, dévisser les vis F (fig. [8]) puis la vis G (fig. [9]).
Nota : Lors du remplacement d'un (des) injecteur(s), remplacer également la rondelle d'étanchéité (voir § «Ligne gaz»).
Réglage de l'air primaire des brûleurs de tables :
Positionner corps et chapeaux de brûleurs à leur emplacement respectif. Régler la bague d'air F (voir fig. [3] et [8], tableau 6 en annexe 0).
Note : Des flammes normales ont une couleur bleu-vert, sauf pour le gaz naturel où elles sont violettes.




Réglage du début réduit des brûleurs de table :
Après raccordement ou changement de gaz, il est impératif de reprendre ce réglage :
Déposer la manette. Allumer le brûleur. Passer en position mini. Agir à l'aide d'un tournevis sur la vis de réglage J (fig. 11).
Note: les flammes sont réduites au 1/4 de leur taille en position mini, le brûleur ne doit pas s'éteindre en passant de la position maxi à la position mini.
Réglage des sécurités par thermocouple de la table :
Si le brûleur s'éteint, après avoir maintenu enfoncée à fond la manette une vingtaine de secondes ; vérifie que :
- Le serrage (modéré) de la tête magnétique sur le robinet est correct.
- La pointe du thermocouple K est bien léchée par la flamme (fig.12).
- Les thermocouples et têtes magnétiques sont dans un bon état de propreté.


Injecteur de four :
Retirer la sole. ATTENTION lors de la reprise, bien la ramener sous le pli de la façade (fig.13). Désaccoupler la tubulure. Dévisser la vis I du porte injecteur (fig.14). Échanger l'injecteur (tableau n° 7 en annexe 0).


Réglage de l'air primaire four :
Retirer la sole. Dévisser la vis de maintien de la bague d'air. Procéder au réglage (fig. 15, tableau n° 7 en annexe 0).

Réglage du début réduit de four :
IMPERATIF après raccordement et tout changement de gaz.
La vis de réglage L, (fig. 16) est accessible après dépose de la manette de commande.
Allumer le brûleur correspondant. Préchauffer le four environ 1/4 d'heure (thermostat 10). Passer en position mini (thermostat 1). Puis agir à l'aide d'un petit tournevis sur la vis de réglage (agir rapidement avant que le thermostat ne réagisse et que le brûleur ne repasse au début maximum).
Note : Les flammes sont réduites au 1/4 de leur taille en position maxi, le brûleur ne doit pas s’éteindre en passant de la position maxi à la position mini.
Réglage des sécurités par thermocouple du four :
Si le brûleur s'éteint, après avoir maintenu enfoncée la manette une vingtaine de secondes ; vérifie que :
- Le serrage (modéré) de la tête magnétique sur le robinet de sécurité est correct.
- La pointe du thermocouple M est bien léchée par la flamme (fig. 17).
- Les thermocouples et têtes magnétiques sont en bon état de propreté.


L'installation doit se faire selon les règles de l'art, conformément aux instructions contenues dans cette notice et aux normes en vigueur dans le pays d'installation.
Avant raccordement, vérifier :
✓ Que l'alimentation électrique du réseau est compatible avec la tension et puissance de l'appareil. ✓ Que l'installation fixe de l'utilisateur comporte un dispositif à coupure omnipolaire homologué.
Raccordement : attention :
- Utiliser un câble couple normalisé (245 IEC 57 ou 245 IEC 66 ou toutes autres natures de câble représentant les mêmes caractéristiques).
- La longueur des conducteurs du câble d'alimentation entre le dispositif d'arrêt de traction et les bornes doit être telle que les conducteurs actifs se tendent avant le conducteur de terre en cas de traction sur le câble.
- Si cet appareil est relié de façon permanente à une canalisation électrique fixe, cette canalisation devra posséder une protection adaptée aux courants de fuite.
- Si cet appareil est raccordé par un câble muni d'une fiche de prise de courant, cette prise devra être accessible en permanence.
Appareil avec 1 four gaz ou 1 four électrolyte :
- Déposez le capot arrêté R (four gaz) ou S (four électrique), figures [1], [2].
- Procédez au raccordement en utilisant un câble couple normalisé au bornier T (fig. 3&4).
- Fixez le câble au moyen du serre-câble U (fig. 3).
Il y a danger à mettre l'appareil en service sans relier sa masse à la terre.


Notre responsabilité ne saurait être engagée en cas d'accidents consécutifs à une mise à la terre inexistante ou incorrecte.



230 V 1 N ~ 50 Hz
Toute intervention ou dépannage sur un appareil doit être effectuée par un installateur qualifié.
Graissage des robinets :
Le robinet peut à l'usage perdre sa graisse. Il est alors nécessaire de graisser le robinet, ce qui a pour but d'assurer son étanchéité et de faciliter sa manœuvre.
1 - Fermez la vanne d'arrêt gaz et couper l'alimentation électrique de l'appareil. 2 - Enlevez la manette correspondant au robinet gaz à graisser. 3 - Dévissez la partie avant du robinet gaz. 4 - Graissez la carotte du robinet (Lubrifiant haute température, par exemple : SILICAL GEL ™ BARBAHL).
Attention! Enlevez tout excès de graisse.
Reposer dans le sens inverse des opérations de 3 à 1,
Thermostat limiteur :
Le thermostat limiteur est, conformément aux règles de construction, destiné à protéger l'appareil de toute surchauffe excessive.
En cas de surchauffe, le thermostat limiteur se déclenche et coupe les fonctions jour de l'appareil. De plus, le limiteur, de part sa technologie, est très sensible aux chocs et aux vibrations qui peuvent se produire durant les transports et les manipulations.
Le déclenchement intempestif du limiteur peut alors survenir lors de la première mise en chauffe du four et couper ainsi le fonctionnement de ce dernier.
Pour réarmer le thermostat limiteur :
1- Retirer la cheminée sur le dessus de la table. 2- Dévisser le capuchon protégeant le bouton. 3- Appuyer sur le pouvoir rep. V (fig. 5)
Nota: Rechercher toujours la cause du déclenchement de ce thermostat:
Pour les tables électriques :
Le pouvoir se trouve à l'intérieur de la table. Pour y avoir accès, il est nécessaire d'ouvrir la table (voir § « Ouverture et repos de la table » et appuyer sur le pouvoir rep. W (fig. 6)).


Pour les références et désignations des différents composants, se référer au tableau 9 en annexe 1.
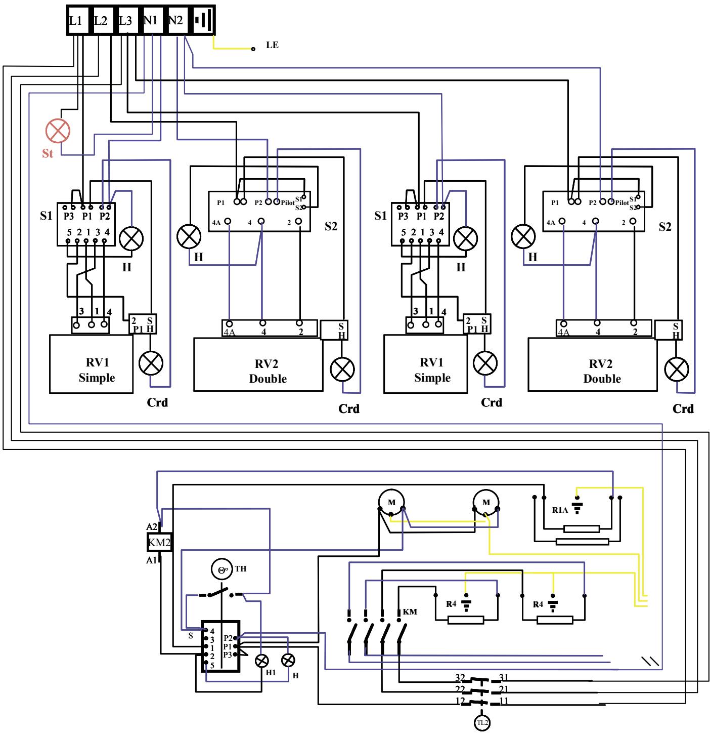
LG1541G (Table gaz + 1 four gaz)
Nota : Les bornes de l'allumeur non utilisées sont reliées à la masse.
SFE530 (1 four électrique statique)
SFCT (1 four électrique ventilé)
Chauffe-assiettes
LVTR 1541 E (Table Vitrocéramique + 1 four électrique statique)
LVTR 1541 CT (Table Vitrocéramique + 1 four électrique ventilation)

Pour les références et désignations des différents composants, se référer au tableau 10 en annexe 1.

Important
Cet appareil doit être installé conformément aux réglementations et normes en vigueur dans un local suffisamment aéré.
Tout changement de gaz, autre que celui pour lequel il est réglé, doit être réalisé par un installateur qualifié
Tout changement de tension, autre que celui pour lequel il est réglé, doit être réalisé par un installateur qualifié.
Garantie
La garantie est portée sur le contrat de vente. Pour toute intervention de garantie, s'adresser à un revendeur agréé. Cette garantie ne couvre pas les déteriorations provenant d'une mauvaise installation, utilisation ou d'un mauvais entretien.

AVERTISSEMENTS 29
FEUX VIFS 31
PLAQUE COUP DE FEU 33
FOYERS RADIANTS SOUS VITROCERAMIQUE 34
RECOMMANDATIONS PRELIMINAIRES A L'USAGE DES FOURS 37
FOUR GAZ 39
FOUR ELECTRIQUE 41
FOUR ELECTRIQUE A CONVECTION 42
CHAUFFE-ASSIETTES 43
NETTOYAGE & ENTRETIEN 44
Note relative à l'élimination des déchets électriques et électroniques 47
Cet appareil possède le marquage CE, c'est-à-dire qu'il répond aux exigences essentielles des directives européennes en termes de sécurité auxquelles il est soumis.
Avant toute utilisation, il est impératif d'enlever toutes les protections plastiques internes et externes sous peine de dommages irréversibles aux parois aciers.
Ne jamais stocker de produits inflammables dans le four, dans l'armoire, dans le chauffe-assiette ou sur la table. Ceux-ci peuvent prendre feu, de même que les matières plastiques ou tout autre article peut être endommagé. Le revêtement de sol de la pièce dans laquelle l'appareil doit être installé doit impérativement pouvoir supporter des températures supérieures à 65°C de plus que la température ambiante sans se déformer, se rétrécir ou se décolorer. Ne pas installer cet appareil sur une moquette ou un revêtement plastique. Ne pas obturer les conduits d'évacuation ou d'aération. Assurez-vous que le renouvellement d'air frais soit suffisant. Ne pas suspendre de matériel inflammable au-dessus de l'appareil. Ceux-ci peuvent s'enflammer. Ne pas couvrir la table de cuisson avec des feuilles d'aluminium. Cet appareil est destiné exclusivement pour la cuisson. Ne pas utiliser la table de cuisson ou le four comme appareil de chauffage. Quand vous utilisez la table de cuisson, ne pas toucher les grilles de table et les zones environnantes. Ces zones adjacentes aux brûleurs sont chaudes et peuvent provoquer des brûlures. Les enfants ne doivent pas être laissés sans surveillance lorsque l'appareil est en fonction. Ne pas placer d'objet attractif sur la table de cuisson. Les enfants pourraient grimper et les attraper et, ainsi se blesser. Quand vous utilisez la table de cuisson, ne pas toucher les grilles de table et les zones environnantes. Ces zones adjacentes aux brûleurs sont chaudes et peuvent provoquer des brûlures. Quand vous utilisez le four, ne touchez pas les surfaces intérieures de ce four, ainsi que les zones situées à proximité. Lors de son utilisation l'appareil devient chaud. Il y a lieu de ne pas toucher les éléments chauffants situés à l'intérieur du four. Coupez l'alimentation gaz et/ou électrique de l'appareil avant toute intervention. Si l'appareil est placé sur un socle, des dispositions doivent être prises pour éviter que l'appareil ne glisse du socle. Avec chaque utilisation, fermer la vanne de barrage gaz.
Appréciés par les chefs pour leur rapidité de mise en chauffe et leur facilité d'utilisation, les yeux vifs gaz sont depuis toujours les foyers traditionnels des grandes cuisines. Depuis quelques années, d'autres foyers de cuisson sont apparus, mais le gaz compte toujours autant d'adptes. Les avantages sont nombreux ; le gaz permet une montée en température rapide. On peut d'un simple coup d'œil se rendre facilement compte de la puissance de la flamme pour augmenter ou réduire sa puissance.
Les tables gaz des fournaux LACANCHE sont équipées de deux brûleurs de différentes puissances. Ces brûleurs à flamme auto stabilisée ont un ralenti très faible, permettant le mijotage et une grande puissance de chauffe pour saisir rapidement. Selon leur puissance, ils conviennent à différents types d'ustensiles.
Le brûleur semi-rapide est recommandé par exemple pour les petites saucières, les cassolettes ou encore les poèles à blinis. Pour les petits ustensiles, un réducteur peut être posé sur la grille afin d'assurer une meilleure stabilité (accessoires).
Les brûleurs rapide et intensif : conviennent parfaitement aux sauteuses, casseroles et marmites. Leur rendement permet des montées en température très rapides et une grande souplesse d'utilisation.
Le brûleur ultra-rapide : est un brûleur de grande puissance. Il est particulièrement recommandé pour l'utilisation de grands ustensiles jusqu'à 40 cm de diamètre, pour des préparations mijotées (pot au feu, cassoulet, confitures...) ou des préparations nécessitant d'être saisies rapidement (fricassées, beignets, viandes grillées).
Vous apprendrez rapidement à utiliser les différents types de brûleurs pour obtenir la juste cuisson.
Les brûleurs sont disposés sur une table en acier inoxydable selon des configurations différentes en fonction des modèles (figures ci-dessous). Chaque brûleur est équipé de sécurité par thermocouple. Ce dispositif coupe l'arrivée de gaz en cas d'extinction intempestive.
Les différents types de brûleurs sont reconnaissables en fonction de leur diamètre respectif.


| Désignation | Diamètre chapeau brûleur | |
| Ultra-rapide | A | Ø 107 mm |
| Intensif | B | Ø 90 mm |
| Rapide | C | Ø 72 mm |
| Semi rapide | D | Ø 55 mm |
Utilisation :
Poussez et tournez la manette du brûleur, dans le sens inverse des aiguilles d'une montre jusqu'au repère. Maintenez la manette poussée à fond tout en appuyant simultanément sur le bouton d'allumage une vingtaine de secondes afin de permettre l'accrochage de la flamme.
Une position débit réduit repérée par le sigle «●» vous donne la puissance minimale prévue du brûleur.
Pour éteindre, tournez la manette dans le sens des aiguilles d'une montre jusqu'à la position «●».
La manette revient à sa position initiale, le verrouillage mécanique est alors en place, la sécurité gaz est active quelques secondes après l'extinction du brûleur.
Conseils d'utilisation

Choisissez toujours un foyer proportionné au diamètre du récipient utilisé.
ATTENTION: Lors de l'utilisation de la table, du four, les parties accessibles peuvent être très chaudes. Informez les utilisateurs potentiels des risques encourus.
La plaque coup de feu est une plaque en fonte chauffée par un brûleur gaz de forte puissance. Elle constitue un plan de travail sur lequel peuvent être posées en même temps plusieurs casseroles.
Grâce à la fonte qui accumule et conserve la chaleur de façon régulière sur toute sa surface, les préparations pourront, selon la température, cuire ou mijoter. C'est pourquoi l'usage de la plaque coup de feu est idéale pour cuire un pot au feu, un coq au vin, laisser infuser un fond de veau ou de poisson, ou encore lier une sauce.
En enlevant le tampon central, le brûleur peut être utilisé comme feu vif traditionnel.
Les tables gaz de type « TRADITION » sont équipées d'une plaque coup de feu T.
Description
La plaque coup de feu est entièrement réalisée en fonte. Elle est constituée en deux parties, d'une part la partie principale qui repose directement sur la table de cuisson, d'autre part d'un tampon amovible situé au centre de la plaque.
ATTENTION : La température peut dépasser 300°C
Utilisation
Avant d'utiliser votre plaque coup de feu pour la première fois, nous vous recommandons de la laisser préchauffer, brûleur en position début réduit. Lorsque celle-ci est suffisamment chaude, éteindre le brûleur, puis graisser modérément (l'huile ne doit pas couler sur la table) votre plaque au moyen d'un chiffon imbibé d'huile végétale.
Après avoir effectué cette opération 3 ou 4 fois, la plaque ne sera pas esthétique pendant ce temps (elle va passer par différentes teintes jusqu'à devenir uniformément grise, noire avec l'huile) mais la fonte sera protégée contre l'oxydation. Après ce temps de préparation, décaperez la plaque avec de la paille de fer, puis procédez à l'entretien courant (voir chapitre «nettoyage») avec un produit spécial fonte.
Enlever le tampon de la plaque coup de feu au moyen de la tige-lever fournie à cet effet.
Poussez et tournez la manette du brûleur, dans le sens inverse des aiguilles d'une montre jusqu'au repère. Maintenez la manette poussée à fond tout en appuyant simultanément sur le bouton d'allumage une vingtaine de secondes afin de permettre l'accrochage de la flamme.
Une position débit réduit repérée par le sigle « vous donne la puissance minimale préréglée du brûleur.
Replacer correctement le tampon.
Pour éteindre, tourner la manette dans le sens des aiguilles d'une montre jusqu'à la position «●». La manette revient à sa position initiale, le verrouillage est alors en place, la sécurité gaz est active quelques secondes après l'extinction du brûleur.

Les foyers radiants sous vitrocéramique représentent une évolution récente dans le domaine des techniques de cuisson. Le principe, relativement simple, consiste à placer une source de chaleur, généralement un élément électrique, sous une plaque vitrocéramique, suffisamment résistante pour supporter des températures élevées.
L'élément chauffant transmet sa chaleur sous forme d'infrarouges à travers le verre et la restitue aux récipients posés dessus. La zone non touchée par le rayonnement restant ainsi froide.
Les foyers radiants apportent une montée en température et une régulation très rapide, du fait de leur faible inertie. Cette particularité sera appréciée pour toutes les préparations nécessitant des variations rapides de l'allure de chauffe.
La planéité des plaques vitrocéramiques offre une bonne stabilité, évitant ainsi tout risque de renversement. Elles sont de plus d'un entretien particulièrement aisé.
Description
La version de table vitrocéramique comporte un verre vitrocéramique de forte épaisseur (6 mm) équipé suivant modèle de :
- d'un foyer simple circuit Ø 210 d'une puissance de 2100 Watts A.
- d'un foyer double circuit Ø 140/210 d'une puissance de 1000/2100 Watts B.
Le foyer simple circuit est commandé par un commutateur 6 positions.
Le foyer double compte un circuit interieur de 1100 Watts commandé par un doseur d'énergie et un circuit externe de 1000 Watts commandé par un commutateur additionnel.
Note : Chaque foyer radiant est équipé d'un témoin de chaleur résiduelle. Ces témoins s'allument quelques secondes après la mise sous tension du foyer correspondant et s’éteignent lorsque la chaleur de la zone du foyer concerné est redescendue en dessous d’une valeur ne représentant plus de risques pour les personnes (environ 70°C).

Utilisation
Sélectionner la manette de commande de la plaque, le voyant adjacent s'éclaire.
Foyer simple
Commencer la cuisson en position 6 selon la quantité, puis réduire l'allure selon le type de cuisson désirée.
A titre indicatif, les différentes positions conviennent le mieux pour:
1 & 2 = Mise en attente ou réchauffage des plats cuisés. 3 & 4 = Mijotages ou entretien de la cuisson. 5 & 6 = Cuisson à la poèle (utiliser la position 6 pour les fritures).

Foyer double
Positionner le doseur d'énergie sur la position 10, puis lorsque l'élément rayonne, ramener sur la position nécessaire à la cuisson en cours.
Pour obtenir la puissance maximale de cet élément double, positionner la manette sur la position MAX.
Pour obtenir la régulation totale du foyer, revenir en arrêt (positions 1 à 10).
Pour éteindre le circuit additionnel, revenir sur la position 0.

Utiliser des récipients à fond légèrement concave, sans fond rugueux, afin d'éviter les rayures sur la plaque.
Adapter la taille du récipient au besoin réel. Le diamètre du fond du récipient doit être égal ou légèrement supérieur à celui de la ségmentation de la plaque.
Ne placer pas ou ne laisser pas un récipient en émail ou aluminium vide sur une zone chauffante. De même, ne placer pas de produits emballés sous aluminium directement sur la table ; cela risquerait d'endommager définitivement votre appareil.
Eviter les projections de sucre et les débordements de sirop, les enlever immédiatement, car ils peuvent être à l'origine de minuscules éclats.
Ne jamais fournir plus de puissance que celle qui peut être absorbée par les alimentés : trop de chaleur entraîne des pertes d'eau, de graisse et des déperditions d'énergie.
Chaque fois que la recette le permet, couvrez vos écipients, vous réaliserez des économies d'énergie.
Penser à ramener la manette en position O quelques instants avant la fin de la cuisson, celle-ci se terminera grâce à la chaleur accumulée.
Attention
Si une fiche, dans la surface apparaît visible, déconnecter immédiatement l'appareil de sa source d'alimentation pour éviter un risque de choc électrique. Avertissez votre installateur.
Afin d'utiliser un four dans les meilleures conditions et d'en tirer avantage, nous vous proposons de lire les lignes suivantes qui vous permettront certainement de mieux connaître les principes de la cuisson au four.
Le four cuit et chauffe grâce à une source de chaleur, généralement située à l'intérieur de celui-ci. Cette source de chaleur chauffe l'air puis le four dans son ensemble. Les aliments cuisent donc grâce à la chaleur dégagée par des éléments chauffants mais aussi grâce au rayonnement de chaleur issu des parois du four.
Quelques recommandations préalables :
Avant d'utiliser pour la première fois le four, laisser le chauffer à vide, à la position C du thermostat pendant deux heures environ, afin d'éliminer les odeurs de fumées dues à la composition de la laine minérale constituant l'isolation du four ainsi qu'aux graisses résiduelles utilisées lors de sa fabrication. Ces dégagements disparaîtront après quelques utilisations.
Les plats de cuissons :
Le matériel des plats et moules influe sur la cuisson du fait de leur épaisseur, de leur capacité à transmettre la chaleur et de leur couleur.
L'aluminium, la terre à feu, l'aluminium avec revêtement anti-adhésif diminuent la cuisson et la coloration du dessous. Ces matériaux sont conseillés pour les pâtisseries et pour la cuisson des rôtis.
La fonte émaillée, l'aluminium anodisé, le fer étamé, le verre et la porcelaine à feu, l'aluminium avec revêtement anti-adhésif et l'extérieur coloré augmentent la cuisson du dessous. Ces matériaux sont conseillés en particulier pour les tartes, les quiches et toutes les cuissons croustillantes qui doivent être aussi dorées dessous que dessus.
Nous vous conseillons :
→ De préchauffer pendant 10 à 12 minutes suivant la position choisie avant d'enfourner votre plat. → De veiller, lors de l'enfournement, à ne pas placer les préparations trop près des parois pour éviter un rayonnement excessif sur les bords des préparations. → De ne pas poser directement un plat sur la sole ou de faire cuire vos pièces directement dans le plat l'écheferite. → D'utiliser des plats de forte inertie calorifique (terre à feu ou plats en fonte émaillée) à bords hauts, de dimensions proportionnées à la pièce à rôtir et de retourner les viandes rouges à mi-cuisson, ceci afin d'éviter le dégagement de fumée provoqué par les projections graisseuses lors de la cuisson de viandes. → De placer le plat l'écheferite en bas du four, afin de recueillir d'éventuels débordements lors de la cuisson de tartes aux fruits.
Utilisation du grill sur les jours électriques :
ATTENTION, la cuisson au grilloir est très rapide, surveiller attentivement vos aliments.
→ Graisser légèrement viandes et poissons avant de les placer sur la grille coulissante. → Placer et utiliser uniquement le plat lèchefrite sous la grille afin de recueillir les sucs de cuisson ou d'éviter tout débordement dans le cas de gratins. → La distance entre l'élément rayonnant du grilloir et la pièce à griller doit augmenter en fonction de son épaisseur, pour éviter d'avoir une surface extérieure trop grillée et un intérieur non cuit. En mode grilloir, la porte de four doit être maintenue fermée, sauf lors de l'inspection de la cuisson.
Ces quelques conseils associés à votre propre expérience vous permettront d'obtenir d'excellents résultats.
Le four gaz est un four de grandes performances. De l'avis de certains chefs inconditionnels, le four gaz ne dessèche pas les préparations pendant la cuisson. Les résultats obtenus sont excellents et la consommation d'énergie plus économique!
Le four gaz est indiqué pour les cuissons longues, par exemple pour les recettes cuites dans des plats de terre (terrines, gratins, ragôts, etc...) mais aussi pour les viandes nécessitant une cuisson courte et devant être saisies ( carré d'agneau), ou encore les rôts, qui ne crouent pas et restent juste moelleux.
De plus, le four gaz permet de cuire dans d'excellentes conditions toutes les préparations nécessitant un fort effet de "sole" (1). Pour les préparations devant être cuites dans une ambiance sèche ou à des températures très basses (en dessous de) comme les meringues ou certaines pâtisseries, nous recommendons l'utilisation de fours électriques.
(1) L'effet de sole est obtenu par la chaleur venant de la partie basse du four, c'est-à-dire, dans le cas du four gaz, de l'endroit où se trouve la source de chaleur. L'effet de sole est recommandé, par exemple, pour la cuisson des tartes aux fruits, des quiches lorraine, etc...
Description
Réalisé en tôle d'acier émaillée antiacide, les fours gaz comprennent 4 niveaux de bossage au pas de 58 mm permettant un glissement facile de la plateriaie. Le volume est de 62 litres.
Le brûleur de four est commandé par un robinet thermostatique. Une protection par thermocouple assure la sécurité par fermeture de l'arrivée de gaz au robinet thermostatique en cas d'extinction intempestive du brûleur.
Le brûleur de four est de grande dimension afin d'assurer l'homogénéité de la surface de chauffe de la sole. Sa puissance est de 4,0 kW.
Le four gaz est équipé d'origine, d'une tôle à pâtisserie, d'une grille et d'un plat à rôtir.


Le voyant A indique la mise sous tension de l'appareil (il reste éclairé tant que l'appareil n'est pas déconnecté du réseau d'alimentation).
Utilisation
Pousser et tourner la manette du robinet thermostatique du four, dans le sens inverse des aiguilles d'une montre jusqu'au repère 10 et appuyer simultanément sur le bouton d'allumage.
Maintenir la manette poussée à fond une vingtaine de secondes afin de permettre l'accrochage de la sécurité.
Pour éteindre, tourner la manette dans le sens des aiguilles d'une montre jusqu'au repère O. La manette revient à sa position initiale, le verrouillage de sécurité est alors en place, la sécurité gaz est active quelques secondes après l'extinction du brûleur.
Arrêt :
Appuyer sur la manette et tourner (sens horaire) sur la position 0.
Attention:
Lorsque le four est allumé, les parties accessibles peuvent devenir très chaudes. Garder les enfants à bonne distance. Manipuler les plats et grilles avec précaution. Les orifices ou les fentes d'aération ou de dissipation de la chaleur ne doivent pas être bouchés. Ne stocker pas de produits inflammables dans le tiroir à casseroles.
Températures données à titre indicatif.
| Repère / Item | Température °C / Four gaz |
| 1 | 160 °C |
| 2 | 165 °C |
| 3 | 180 °C |
| 4 | 195 °C |
| 5 | 210 °C |
| 6 | 225 °C |
| 7 | 240 °C |
| 8 | 255 °C |
| 9 | 270 °C |
| 10 | 285 °C |
Le four électrique est un four simple à utiliser permettant de cuire dans de très bonnes conditions toutes les préparations habituelles.
Doté de trois éléments chauffants, le four électrique peut être utilisé comme four de cuisson et aussi comme grilloir.
Le four électrique est particulièrement recommandé pour les pâtisseries sèches comme les tuiles aux amandes, les génoises etc...
Description
Réalisé en tôle d'acier émaillée antiacide à; le four comprend 4 niveaux de bossage au pas de 58 mm permettant un glissement facile de la plateriaie.
Les dimensions du four sont identiques à celles du four gaz correspondant (suivant modèles).
Le four électrique est équipé d'origine, d'une tôle à pâtisserie, d'une grille et d'un plat à rôt.
Les éléments chauffants sont constitués en partie sole par deux résistances de 950 Watts et en partie voûte d'un élément périphérique de 1200 Watts fonctionnant simultanément.
En position grilloir, seul l'élement central de la résistance de VOITE d'une puissance de 2850 Watts fonctionne.
Les éléments chauffants sont commandés par un commutateur thermostatique.
Dans sa version four électrolyque, le bandeau possède 3 voyants:
- Le voyant A indique la mise sous tension de l'appareil (il reste éclairé tant que l'appareil n'est pas déconnecté du réseau d'alimentation).
- Le voyant B indique la mise sous tension d'un des éléments de l'appareil.
- L'élévant indique la régulation de l'élément chauffant sous tension.

Mise en service :
Le préchauffage du four doit se faire sur le repère du thermostat choisi pour la cuisson.
Tourner le commutateur thermostatique dans le sens des aiguilles d'une montre jusqu'au repère désiré.
Les voyants, rep. B et C, s'allument. Lorsque le voyant C s'eteint, la température sélectionnée est atteinte, vous pouvez alors enfourner votre préparation.
Pour éteindre, tourner la manette du commutateur thermostatique de la droite vers la gauche jusqu'au repère 0.
Grilleoir électrique
Le four électrique est équipé d'un grill permettant de griller les viandes, de gratiner aussi tous types de préparations.
C'est un équipement idéal pour terminer, par exemple, la cuisson des crèmes brûlées ou obtenir la juste cuisson d'une côte de bœuf.
Mise en service
Tourner la manette du commutateur thermostatique jusqu'au symbole grilloir. Pour éteindre, ramener la manette en position 0.
Le four à convection représente une évolution récente dans les modes de cuisson. Son principe est simple. Il consiste à faire circuler de l'air sur un élément chauffant au contact duquel il se charge en calories, l'ambiance chaude du four ainsi obtenue permettant la cuisson des aliments.
La circulation d'air est obtenue grâce à une ou deux turbines situées dans le four, elles aspirent l'air et le rejettent sur une ou deux résistances, créant ainsi un mouvement appelé convection.
Le four à convection offre de nombreux avantages, le principal étant de pouvoir cuire de façon homogène sur plusieurs niveaux des préparations identiques ou différentes. Il convient donc particulièrement bien pour cuire la pâtisserie, la viennoiserie, les feuilletés.
Sa montée en température est rapide, les décongélations des aliments surgelés sont régulières
De plus, les cuissons simultanées de préparations différentes s'effectuent sans échanges d'odeur, ces dernières étant détruites lors du passage de l'air sur la résistance chauffante.
Réalisé en tôle d'acier émaillée antiacide, le four de 62 litres comprend 4 niveaux de bossage au pas de 58 mm permettant un glissement facile de la platelte.
Les dimensions du four sont identiques au four gaz, hormis la profondeur qui passe à 405 mm.
La chauffe du four est assurée par deux résistances circulaires de 1700 Watts entourant une turbine de type à réaction. Il est équipé d'un grill rayonnant d'une puissance de 2850 W.
Le four à convection forcée est doté d'origine, d'une toile à pâtisserie, d'une grille, d'un plat à rôtir
L'élément chauffant est commandé par un commutateur thermostatique, le bandeau possède 3 voyants :
- Le voyant A indique la mise sous tension de l'appareil (il reste éclairé tant que l'appareil n'est pas déconnecté du réseau d'alimentation).
- Le voyant B indique la mise sous tension d'un (d'un des) élément (s) de l'appareil.
- L'élévant C indique la régulation de l'élement chauffant sous tension.
Mise en service :
Le préchauffage du four doit se faire sur le repère de thermostat choisi pour la cuisson.

Tourner le commutateur thermostatique dans le sens des aiguilles d'une montre jusqu'au repère choisi.
Les voyants (rep. B et C) s'allument, lorsque le voyant (C) s'éteint, la température désirée est atteinte, vous pouvez alors enfourner votre préparation.
Pour éteindre, tourner la manette du commutateur thermostatique de la droite vers la gauche jusqu'au repère 0.
Grill :
Tournez la manette sur le cran (z) situé après la position MAX. Pour éteindre, tournez la manette du commutateur de la droite vers la gauche jusqu'au repère 0.
Note : Pendant le fonctionnement, la turbine reste en fonction.
Conseils d'utilisation (voir § “recommendations préliminaires à l'usage des jours”:)
Dans le cas de cuissons simultanées, les pâtisseries seront placées de préférence sur les gradins du haut, au-dessus des autres pièces à cuire.
Dans le cas où les aliments n'ont pas le même temps de cuisson, il suffira de les enfourner, de telle sorte qu'ils soient cuits juste au moment de les servir et de les retirer au fur et à mesure qu'ils seront prêts.
D'autre part, il apparaît que la cuisson dans un four à convection se fait à des températures plus basses que dans un four traditionnel. Penser à réduire la température de chauffe.
Le chauffe-assiettes permet de maintenir vos préparations au chaud et vous offre ainsi une meilleure souplesse dans l'organisation de vos préparations. Son principe est simple, il consiste par l'intermédiaire d'un élément chauffant, à maintenir l'ambiance chaude de votre chauffe-assiettes à la température souhaitée.
La chauffe est obtenue grâce à une résistance située en partie inférieure sous la sole.
Description
Réalisé en tôle d'acier inoxydable entièrement calorifugée, le chauffe assiettes comprend 5 niveaux pouvant recevoir des grilles au format gastronorme GN 1/1.
Le chauffe-assiettes est doté d'origine, de deux grilles.
La chauffe du chauffe-assiettes est assurée par une résistance de 950 Watts.
L'élément chauffant est commandé par un commutateur thermostatique, situé au bandeau de commande.
Un voyant adjacent à la manette indique la régulation thermostatique de l'élément chauffant. Il s'allume et s'éteint en fonction de la température programmée.
Mise en service
Le préchauffage du chauffe-assiettes doit se faire une heure environ avant l'introduction de plats ou préparations.
Tourner le commutateur thermostatique dans le sens des aiguilles d'une montre jusqu'au repère choisi. Le voyant (rep. A) s'allume, lorsqu'il s'éteint, la température désirée est atteinte, vous pouvez alors le garnir.
Pour éteindre, tourner la manette du commutateur thermostatique de la droite vers la gauche jusqu'au repère.
Conseils d'utilisation
Nous vous conseillons, avant d'utiliser pour la première fois le chauffe-assiettes, de le laisser chauffer à vide, à la position maximum du thermostat pendant 1/2 heure, afin d'éliminer les odeurs de fumées dues à la composition de la laine minérale constituant l'isolement ainsi qu'aux graisses résiduelles utilisées lors de sa fabrication. Ces dégagements disparaîtront après quelques utilisations.
- Ne posez pas d'assiettes directement sur la sole sous peine de bris de vaisselle du fait de l'élevation rapide de la température.
- Vos plats ou assiettes peuvent être très chaudes, en fonction de la température sélectionnée. Prenez toutes précautions utiles avant de les manipuler.
Attention: Le chauffe-assiettes n'est pas un appareil de remise en température, les aliments chargés en contenants sont déjà à la température réglementaire de la liaison chaude (> à C).
Feux vifs:
Pour faciliter le nettoyage, les brûleurs ont été prévus en deux parties. Les nettoyer séparément.
Chapeaux de brûleur:
Les chapeaux de brûleur sont en laiton massif. À l'aide d'un chiffon doux imbibé d'un produit spécial laiton (ex : MIROR®).
Si le produit vient à couler sur l'émail, NEURTOUT pas frotter (ces produits contiennent généralement des abrasifs). Rincer rapidement à l'eau claire sans frotter.
Si les chapeaux sont très marqués, il convient de les polir à l'aide de papier verre très fin puis de les frotter à l'aide d'un produit pour cuivre.
Corps de brûleur :
Les corps de brûleurs en aluminium se tâchent en cours d'utilisation. Les nettoyer régulièrement au tampon abrasif (Scotch Brite®) ou les laver au lave-vaisselle.
Après enlèvement des grilles et brûleurs, un simple coup d'éponge permet un nettoyage facile et complet de la table.
Évitez d'utiliser une éponge ou un produit d'entretien abrasif ou corrosif comme les nettoyants pour fours et détachants.
Veillez lors du nettoyage à ne pas faire tomber de liquide par les ouvertures des brûleurs.
Plaque coup de feu :
Ne pas nettoyer la plaque chaude avec de l'eau, celle-ci pourrait être endommagée.
Respecter les consignes lors des premières utilisations (voir chapitre «Plaque à coups de feu» du Manuel d'utilisation).
Enlever immédiatement les débordements éventuels, le nettoyage sera plus aisé.
Vous pouvez utiliser des produits nettoyants du commerce spécialistes. Si celle-ci est encrassée, utiliser des tampons abrasifs, GRAISEZ après nettoyage.
Vous pouvez décapage votre plaque à l'aide d'un papier abrasif fin lorsque celle-ci est encrassée, l'entretien courant se fait avec un produit spécialiste (exemple : ZEBRACIER®).
Plaque vitrocéramique :
Les plaques doivent TOUJOURS être maintenues bien sèches. Essuyer vos ustensiles avant de les poser sur les plaques.
Les traces calcaires seront éliminées par du vin blanc d'alcool blanc. Recouvrir les taches à l'aide d'un chiffon imbibé, laisser reposer pendant 1/2 h. Ensuite rincer et sécher soigneusement.
Les traces métalliques ou dépôts superficiels, qui résistent au nettoyage normal indiqué ci-dessus, peuvent être éliminés en utilisant un produit liquide de nettoyage des récipients inox (par exemple ZIP Inox crème®, PPZ Inox ®...).
La partie inox se nettoie à l'aide d'une déponge humide, additionnée d'un détergent doux pour les tâches récalcitrantes (par exemple CIF Amoniacal ®...).
En cours d'utilisation, si du sirop de sucre tombe sur la plaque vitrocéramique, laisser l'élément en position 1, et, à l'aide d'un racloir à lame de rasoir (par exemple CERA Quick®, enlever IMMI DIATEMENT le reste du dépôt brûlé.
Attention
Si une férule, dans la surface apparaît visible, déconnecter immédiatement l'appareil de sa source d'alimentation pour éviter un risque de choc électrique. Avertissez votre installateur.
Plaque de fonte
En cas de débordements importants, faire chauffer la plaque quelques instants afin de carboniser les résidus. Après coupure du courant de la plaque, l'essuyer avec du papier absorbant, gratter éventuellement avec une spatule en bois.
Pour une longue période d'inutilisation, graisser légèrement les plaques.
La partie inox se nettoie à l'aide d'une déponge humide, additionnée d'un détergent doux pour les tâches récalcitrantes (par exemple CIF Ammoniacal...).
Tôle pâtisserie :
Les tôles pâtisserie sont réalisées en acier bleui. Sans protection grasse, ces dernières peuvent rouiller très rapidement. Il convient donc d'appliquer après nettoyage un film gras (beurre, huile) sur ces tôles.
Carrosserie
Vous pouvez utiliser des produits spécifiques à acier inoxydable (par exemple ZIP INOXYDABLE®, JOHNSON INOXYDABLE®, PPZ INOXYDABLE®), jamais de produits abrasifs.
Dessus en acier inoxydable :
La table est entièrement emboutie ou munie de cuvettes embouties pour un bon nettoyage et une meilleure hygiène (pas de zone de détention). L'entretien doit se faire avec des produits liquides non chlorés afin de ne pas rayer l'acier.
Si la table est tachée, utiliser une pâte à base de pierre d'argile et de savon disponibles en grandes surfaces.
Parure acier inoxydable :
La parure inox se nettoie avec des produits aérosols vendus en grandes surfaces. Néanmoins, choisissez un produit contenant peu de silicone afin d’éviter des traces blanches survenant après le séchage du produit.
Parure laiton :
À l'aide d'un chiffon imbibé d'un produit spécial laiton (ex : MIROR®). ATTENTION si le produit venait à couler sur l'émail, ne frottez surtout pas (ces produits contiennent des abrasifs) mais rincez à l'eau claire sans frotter.
Une autre solution consiste à utiliser un savon solide (Pierre d'argent, Pierre d'argile) que l'on peut appliquer à l'aide d'une éponge mouillée sur les zones à nettoyer.
Cette solution est aussi très efficace pour nettoyer et redonner le brillant aux surfaces en laiton ou chromées.
Pièces émaillées
Utilisez une éponge imbibée d'eau savonneuse, ou de produit propre mais jamais de poudre récurante.
Vous pouvez aussi utiliser de l'alcool à brûler mais uniquement lorsque l'appareil est froid.
Fours :
Nettoyez les parois avec un produit d'entretien non abrasif. L'utilisation de produits agressifs est à éviter. Si vous deviez utiliser de tels produits, dégrafez le joint de porte, et le replacer après nettoyage.
Rincez et séchez.
Nettoyer au moins une fois par an la partie située derrière la tôle de protection de ou des turbines. Les matières grasses entraînées par la circulation de l'air et lors d'une utilisation à faible température peut provoquer des fumées.
Ne pas pulvériser de produits décapants directement sur les résistances des fours électriques.
Après nettoyage et avant toute mise en service, vérifie si la sole est bien engagée sous le pli de la façade, afin d'éviter toute déformation de celle-ci sous l'action de la chaleur.
Attention
Il est formellement déconseillé de nettoyer cet appareil à l'aide de produits chlorés.
Lisez attentivement les précautions et recommandations d'utilisation des produits que vous employez pour le nettoyage et l'entretien de l'appareil. Conformez-vous à leurs prescriptions d'usage.
Note relative à l'élimination des déchets électriques et électroniques
Décret n° 2005-829 du 20 juillet 2005 relatif à la composition des équipements électriques et électroniques et à l'élimination des déchets issus de ces équipements transposant les directives européennes 2002/95/CE et 2002/96/CE.
Les équipements électriques et électroniques (EEE) et les déchets d'équipements électriques et électroniques (DEEE) sont réglementés sur le plan européen par deux directives dont l'objectif est d'une part, de limiter l'utilisation de substances dangereuses dans les EEE et, d'autre part, de favoriser la réutilisation, le recyclage et les autres formes de valorisation des DEEE afin de réduire la quantité de déchets à éliminer.

Chaque équipement électrique et électronique mis sur le marché après le 13 août 2005 doit être revêtu de ce marquage.
Le pictogramme signifie que l'équipement ne peut être jeté avec les autres déchets, qu'il fait l'objet d'une collecte sélective en vue de sa valorisation, réutilisation ou recyclage.
Les utilisateurs d’équipements électriques et électroniques ont l’obligation de ne pas se débarrasser des DEEE avec les déchets municipaux non triés. Des systèmes de collecte appropriés sont mis à disposition des utilisateurs.
C'est en respectant ces décrets que les utilisateurs d'équipements électriques et électroniques évitent des effets potentiellément néfastes sur l'environnement et la santé humaine. Ils contribuent également à la préservation des ressources naturelles.
Notice Facile