TT24 - Table de mixage MACKIE - Notice d'utilisation et mode d'emploi gratuit
Retrouvez gratuitement la notice de l'appareil TT24 MACKIE au format PDF.
| Intitulé | Détails |
|---|---|
| Type de produit | Table de mixage numérique |
| Caractéristiques techniques principales | 24 canaux, 16 préamplis micro, 8 sorties auxiliaires, 4 bus de sous-groupe |
| Alimentation électrique | 100-240V AC, 50/60Hz |
| Dimensions approximatives | 482 mm x 432 mm x 133 mm |
| Poids | 6,8 kg |
| Compatibilités | Compatible avec les systèmes d'exploitation Windows et Mac |
| Type de batterie | Non applicable |
| Tension | Non applicable |
| Puissance | Non spécifiée |
| Fonctions principales | Mixage audio, enregistrement numérique, effets intégrés |
| Entretien et nettoyage | Nettoyer avec un chiffon doux, éviter les produits abrasifs |
| Pièces détachées et réparabilité | Disponibilité variable, consulter le fabricant pour les pièces |
| Sécurité | Utiliser dans un environnement sec, éviter les surcharges électriques |
| Informations générales utiles | Idéal pour les concerts, les studios d'enregistrement et les événements en direct |
FOIRE AUX QUESTIONS - TT24 MACKIE
Téléchargez la notice de votre Table de mixage au format PDF gratuitement ! Retrouvez votre notice TT24 - MACKIE et reprennez votre appareil électronique en main. Sur cette page sont publiés tous les documents nécessaires à l'utilisation de votre appareil TT24 de la marque MACKIE.
MODE D'EMPLOI TT24 MACKIE
Consignes de sécurité importantes
- Lisez ces instructions.
- Conserve ces instructions.
- Respectez toutes les mises en garde.
- Suivez toutes les instructions.
- Ne pas utiliser pres d'une source liquide.
- Nettoyez uniquement avec un tissu sec.
- Ne bloquez pas les ouies de ventilation. Installez selon les instructions du fabricant.
- Ne pas installer près d'une source de chaleur comme un radiateur, un poèle, des amplificateurs, etc.
- Ne pas modifier les protections de la fiche secteur. Les fiches polarisées sont équipées d'une lame plus large que l'autre. Les fiches avec mise à la terre disposant de deux broches et d'une autre pour la terre. Ce système garantit votre sécurité contre toute electrocution. Si la fiche fournie ne correspond pas au format de vos prises murales, consultez un electricien pour faire remplacer vos prises.
- Protégéz le cordon secteur contre tout dommage physique, contre tout pincement et évitez que les personnes puissant marcher sur le cordon.
- Utilisez uniquement les accessoires/fixations spécifiés par le fabricant.
- Utilisez uniquement avec un chariot, pied, support, fixation ou table spécifique par le fabricant ou vendu avec le produit. Lorsque vous utilisez un chariot, veillez à assurer sa stabilité pour éviter toute chute.
- Déconnectez l'appareil du secteur lors des orages ou des longues périodes d'inutilisation.
UTILISATION D'UN CHARIOT

Chariots et pieds - Le produit doit être utilisé uniquement avec un chariot ou un pied recommandié par le fabricant. Soyez prudent lorsque vous déplacez le produit sur un chariot. Les arrêts brusques, les forces excessives et les surfaces instables peuvent endommager les équipements.

CAUTION AVIS
RISK OF ELECTRIC SHOCK DO NOT OPEN RISQUE D'ÉLECTROCUTION NE PAS OUVRIR

CAUTION: TO REDUCE THE RISK OF ELECTRIC SHOCK DO NOT REMOVE COVER (OR BACK) NO USER-SERVICEABLE PARTS INSIDE REFER SERVICING TO QUALIFIED PERSONNEL
Le symbole éclair avec la flèche à l'intérieur d'un triangle équilatéral est utilisé pour alerter l'utilitaire de la présence à l'intérieur du boliter d'une tension dangereuse non isolée d'ampleur suffilante pour constituter un risque d'électrocution.

The exclamation point within an equilateral triangle is intended to alert the user of the presence of important operating and maintenance (servicing) instructions in the literature accompanying the appliance. Le point d'exclamation à l'intérieur d'un triangle équilateral est utilisé pour alerter les utilisateurs de la présence d'instructions importantes sur le fonctionnement et l'entretien du produit dans le mode d'emploi accomplissant l'airpèare.
- Confiez toutes les réparations à un service qualifié. Vous doivent faire contrôler le produit lorsqu'il a été endommagé (cordon secteur ou fiche secteur endommagés, par exemple), si un liquide s'est infiltré dans le bottier, si un objet a PENtré dans le bottier, si l'apparil a été exposé à la pluie ou à l'humidité, s'il ne fonctionne pas normalement ou s'il est tombé.
- Cet apparéil doit absolument être connecté à une prise secteur avec terre.
- Cet appeareil est équipé d'un interrupteur secteur à bascule unipolaire. L'interrupteur est situé en face arrêté et doit rester accessible par l'utilisateur.
- Cet apparéil répond aux normes féderales américaines sur les produits de Classe A/Classe B (suivant le cas) et régulant les interférences radio générées par les apparéils numériques. Il en va de même pour les normes du Ministère Canadien des Communications.
ATTENTION — Leprésent appareil numérique n'émet pas de bruits radioélectriques dépassant les limites applicables aux appareils numériques de classe A/claisse B (selon le cas) prescrites dans le règlement sur le brouillage radioélectrique, dicté par le ministère des communications du Canada.
- L'exposition à des niveaux sonores élevés peut entraîner des dommages auditifs irreversibles. La sensibilité à ces dommages varie d'un individu à l'autre, mais tout le monde est appelé à des dommages auditifs extrêmes en présence de niveaux sonores élevés. L'administration U.S. (Government's Occupational Safety and Health Administration — OSHA) fournit le tableau de comparaison produit ci-dessous.
Selon l'OSHA, toute exposition au-delà de ces limites entraîne des dommages auditifs. Pour éviter toute exposition dangereuse aux niveaux sonores élevés, il est conseilé d'utiliser des protections auditives. Ces protections placées dans l'oreille doivent être portées lors de l'utilisation d'appareils produitant des niveaux sonores élevés pour éviter toute perte irréversible de l'audition. Consultez le tableau ci-dessous.
| Durée par jour en heures | Niveau sonore en dBA, Réponse lente | Exemple type |
| 8 | 90 | Duo dans un club de petite taille |
| 6 | 92 | |
| 4 | 95 | Métro |
| 3 | 97 | |
| 2 | 100 | Musique classique très forte |
| 1.5 | 102 | |
| 1 | 105 | Tami créant sur Adrian |
| 0.5 | 110 | |
| 0,25 ou moins | 115 | Passage le plus fort d'un concert de Rock |
ATTENTION — Pour réduire les risques d'électrocution, ne pas exposer ce produit à la pluie ou à l'humidité.
Table des matières
Chapitre 1: Introduction 5
1.1 Evolution de la console TT24 5
1.2 Survol des caractéristiques 5
1.2.1 Fonctions DSP 5
1.3 Terminologie et conventions 6
Chapitre 2 : Turoiel de prise en main .........7
2.1 Connexion des amplificateurs ou des enceintes ....7
2.2 Connexion d'un micro 7
2.3 Connexion d'un lecteur de CD/cassette 9
2.4 Fonctions Aux 10
2.5 Effects 11
Chapitre 3:Réglages de la console. 12
3.1 Voies 12
3.1.1 Touche LINE 12
3.1.2 Alimentation fantôme 48 V 12
3.1.3 Bouton GAIN 12
3.1.4 Leds OL et SIG 12
3.1.5 Bouton V-Pot 12
3.1.6 Touche MUTE 13
3.1.7 Section de banque/description de la voie ....13
3.1.8 Touche SELECT 13
3.1.9 Touche SOLO 13
3.1.10 Fader de voie 13
3.2 Section de selection de banque 13
3.2.1 Touche ANALOG 13
3.2.2 Touche DIGITAL 13
3.2.3 Touche RETURNS 14
3.2.4 Touche MASTER 14
3.2.5 Banque utiliseur 14
3.4.1 Touche FAT 15
3.4.2 Touche EQ 16
3.4.3 Touche DYN 16
3.4.4 Touche GRP/AUX 16
3.4.5 Touche AUX MSTR 16
3.4.6 Touche SNAP 17
3.4.7 Touche EFX 17
3.4.8 Touche MATRIX 17
3.4.9 Utilaires 17
3.4.10 Afficheurs et Led RUDE SOLO 17
3.7.1 Changement de banque de groupes 19
3.7.2 Assignation des groupes 19
3.7.3 Reglages des paramètres des groupes 19
3.7.4 Groupes de Mutes 19
3.8 Section Solo 19
3.8.1 Touche CLEAR SOLO 19
3.8.2 Touche PFL 19
Chapitre 4: Connecteurs de face arrêté. 20
4.1 Entrees/sorties analogiques 20
4.1.1 Entrees micro (MIC) 1 à 24 20
4.1.2 Entrees ligne (LINE) 1 à 24 20
4.1.3 Connecteurs INSERTRS 1 à 24 20
4.1.4 Départs AUX SENDS 1 à 12............21
4.1.5 Entrees LINE INPUTS 1 à 8 (retours) 21
4.1.6 Sorties MONITOR 21
4.1.7 Connecteurs CD/TAPE A IN/OUT 21
4.1.8 Entreé CD/TAPE B 21
4.1.9 Entre micro TALKBACK 21
4.1.10 Sorties MAINS OUT 21
4.1.11 Sorties GROUP/MATRIG OUT 22
4.2 Entrees/sorties numériques 22
4.2.1 Connecteurs ADAT DIGITAL I/O 22
4.2.2 Connecteurs AES/EBU IN/OUT 23
4.2.3 Connecteurs SPDIF IN/OUT 23
4.2.4 Connecteurs WORD CLOCK IN/OUT 23
4.2.5 Connecteurs MIDI IN/OUT 23
4.2.6 Port USB 23
4.3 Embase secteur IEC 23
4.4 Interrupteur POWER 23
Chapitre 5: Attribution des DSP et des effets intégrés 24
5.1 Entrees analogiques, numériques et ligne 24
5.2 Bus Master L/R et C/Mono 24
5.2.1 Modes L/R+Mono et LCR 24
5.2.2 Égaliseur six bandes 25
5.2.3 Compresseur 25
5.2.4 Position des Faders sur le trajet du signal ....25
5.3.1 Égaliseur paramétrique six bandes 25
5.3.2 Compresseur 25
5.4 Groupes personalisables avec blocs DSP 25
5.4.1 Modes personalisables du groupe 25
5.4.2 Attribution de DSP au groupe 26
5.5 Matrices de sortie 27
5.5.1 Delai 27
5.6 Proceseurs d'effets intégrés 27
5.7 Tableau sommaire des fonctions DSP et des effets 28
Chapitre 6: Écran tactile et logiciel TT Control 33
6.1 Conventions du logiciel TT Control 33
6.1.1 TT Control - Boutons 34
6.1.2 TT Control - Touches 34
6.1.3 TT Control - Menu 34
6.1.4 TT Control - Graphiques 34
6.2 Conventions de I'ecran tactile 34
6.2.1 Écran tactile - Boutons 34
6.2.2 Ecran tactile - Touches 35
6.2.3 Écran tactile - Nom et voie/fonction 35
6.2.4 Sous-pages 35
6.3 Pages Overview 35
6.3.1 Page Analog 35
6.3.2 Page Digital 36
6.3.3 Page Effect Return 36
6.3.4 Page Line 37
6.3.5 Page Aux 37
6.3.6 Page Group 37
6.3.7 Page Master 38
6.4 Égaliseur quatre bandes 38
6.5 Égaliseur six bandes 39
6.5.1 Égaliseur quatre bandes 39
6.5.2 Filtres Kill 39
6.6 Egaliseur 31 bandes 39
6.15 Gestion des fichiers 51
6.15.1 Chargement et sauvegarde des Venues 51
6.15.2 Chargement et sauvegarde des prênéglages 52
6.15.3 Sauvegarde et restauration de la mémoire.... 52
6.15.4 Sauvegarde et restauration des fichiers... 52
6.15.5 Sauvegarde et restauration des fichiers... 53
6.15.6 Traducteur de fichiers v1.0 53
Annexe A : Caracteristiques techniques ……54
Annexe B: Paramètres sauvégardés dans les Snapshots 57
Annexe C: Touches de raccourci de la console TT24 Console Surface Quick Keys 58
Annexe D: Plans de câblage et synoptique 59
Annexe E : Informations d'entretien ....65
Service couvert par la garantie 65
Assistance technique 65
Annexe F: Garantie limitée 67
1 - Introduction
1.1 Évolution de la TT24
L'industrie de la sonorisation professionnelle a été révolutionnée au cours des dernières années par l'arrivée des consoles numériques. Toutefois, les consoles numériques de format moyen sont souvent conçues pour les applications de studio, avec de nombreuses fonctions inutiles pour les applications Live, comme des fonctions pour les logiciels d'enregistrement audionumérique. Certaines consoles, de par leur interface limitée, nécessitant même l'achat de cartes d'entrée/sortie supplémentaires.
La TT24 est une console numérique moyen format, conscience spécialement pour la sonorisation. Notre savoir-faire et notre expérience considérables dans la conception de consoles analogiques nous ont permitted de produit une console numérique puissant et simple d'utilisation, pour la plupart des budgets et une multitude d'applications :
- Les théâtres et les lieux de culte;
- Les salles de concert ;
- Les installations de sonorisation mobile professionnelles.
La TT24 reprend la presentation analogique, à laquelle les ingénieurs du son sont habitués, tout en offrant les nombreux avantages du numérique. La TT24 est extrémement abordable et offre des fonctions que l'on ne trouve habituèlement que sur des consoles haut de gamme.
L'organisation de la console TT24 est très simple :
Permettre un accès rapide et intuitif à n'importe qu'elle fonction de base de mixage Live à l'aide de deux boutons ou moins, tous deux à la portée des deux mains de l'ingénieur du son.
Offrir une structure linéaire pour l'écran tactile :aucun bouton "suivant" ou "précedent", ou de menus à faire défilier pour acceder aux fonctions souhaitées.
Prenoze le temps d'inscrite le numero de série de votre produit dans ce cadre pour toute reférence (assurance, assistance, autorisation de(retour,etc.)
Lieud'achat:
Date d'achat :
1.2 Survol des caractéristiques
- Console de sonorisation 24 bits/96 kHz
24 entrées micro/ligne avec égaliseur 4 bandes, compresseur, filtré passé-haut, inverseur de phase et fonction de couplage stéreo
8 entrées ligne avec égaliseur 4 bandes et fonction de couplage stéreo - 99 mémorisations rapides (Snapshots) des positions des filtres
- Connexions en face arrêté : 36 x 28 entrées/sorties analogiques (24 entrées micro/ligne, 8 entrées ligne, 4 entrées Tape) x (8 sorties Matrix, 3 sorties Main, 3 sorties Monitor, 12 départs Aux) ; 28 x 28 entrées/sorties numériques (24 entrées/sorties ADAT optiques, 2 entrées/sorties AES/EBU, 2 entrées/sorties S/PDIF)
- Section QuickMix avec écran tactile de 140~mm , 12 boutons-poussoirs rotatifs et boutons QuickMix.
29 Faders motorisés de 100mm
28 V-Pots à fonctions multiples
12 départs Aux avec égaliseur paramétrique 6 bandes (incluant le double filtré Kill) et compréseur/limiteur - Sorties gauche, droite et CTR/Mono avec égaliseur 6 bandes (incluant le double filtre Kill), égaliseur graphique 31 bandes et comprisseur/limiteur
Mode auxiliaire permettant un monitoring simultané - Section Matrix-Plus 11 × 8 permutant de fusionner les entrées
8 groupes définis par l'utilisateur
8 Mutes de groupes - Possibilité de coupler deux consoles, pour un maximum de 96 entrées
- Logiciel TT Control permettant de contrôle et de visionner les paramètres de la console avec un PC
1.2.1 Fonctions DSP
La TT24 est équipée de fonctions DSP sur les entrées et les sorties, permettant d'optimiser l'utilisation. Nos ingénieurs se sont efforçés d'implanter ces fonctions afin qu'elles répondent aux exigences des applications de sonorisation en temps réel :
24 entrées micro/ligne
-
Inverseur de phase
Filtre passage-haut a fréquence régable -
Expandeur/Gate
- Compresseur/limitsur
- Égaliseur paramétrique 4 bandes
- Fonction de couplage stéreo
8 entrées ligne
- Égaliseur paramétrique 4 bandes
- Fonction de couplage stéreo
Sorties Main (LEFT, RIGHT, CTR/MONO)
- Compresseur/limiteur
- Égaliseur paramétrique 6 bandes (incluant deux filtres Kill)
- Égaliseur graphique 31 bandes
- Modes d'utilisation L/R + Mono ou LCR
12 départs auxiliaires
- Compresseur/limitsur
- Égaliseur paramétrique 6 bandes (incluant deux filtres Kill)
- Fonction de couplage stéreo
8 groupes personnalisables avec 8 blocs DSP assignables
- Compresseur/limiteur
- Égaliseur paramétrique 4 bandes
- Modes d'utilisation Mono, Stereo, LCR et VCA
8 matrices de sorties
- Délai (jusqu'à 600 ms) sur chacune des sorties
4 effets stéreo intégrés
Réverbération
Réverbération Gate
Délai mono/stéréo/Ping Pong
Chorus
- Flanger
1.3 Terminologie et conventions
Les conventions et termes suivants sont employés dans ce mode d'emploi :
- Les réglages de la console et de l'écran tactile sont représentés par leur nom exact, en majuscules et en caractères gras (ex.: appuyez sur la touche ANLG).
- Les sections de la console et de l'écran tactile sont en majuscules (ex.: appuyez sur le bouton PAN dans la section V-POT CONTROL).
- Activer signifie que vous devez appuyer sur la touche ou le bouton afin d'activer l'une de ses deux fonctions (il s'allume).
- Désactiver signifie que vous doivent appuyer sur la touche ou le bouton afin de désactiver la fonction (il s'étéint).
- CAN signifie conversion analogue/numérique.
CNA signifie conversion numérique/analogique. - Désactivation automatique signifie que lorsque vous appuyez sur une touche, cette dernière est activée et les autres sont automatiquement désactivées. L'une des touches est selectionnée en tout temps. Par exemple, les touches de selection de banque disposent de cette fonction. L'autre terme utilisé est bouton radio, d'après les boutons-pous-soirs qui servient à selectionner les stations radio dans les voitures antérieures à 1960.
L'écran tactile est une interface nouvelle pour la plupart des ingénieurs du son, et certains nouveaux termes sont utilisés :
- Appuyer se rapporte aux sélections de l'écran tactile (ex.: Appuyez sur la touche EQ).
- Sélectionner signifie appuyer sur une touche ou une case à cocher afin d'activer la fonction. Ceci permet de déscrie en une seule étape l'action sans connaître l'état précédent du réglage. Par exemple, si le réglage n'est pas sélectionné, le fait d'appuyer sur celui-ci une fois le sélectionne. S'il est déjà sélectionné, aucune action n'est requise.
2 - Tutorials de prise en main
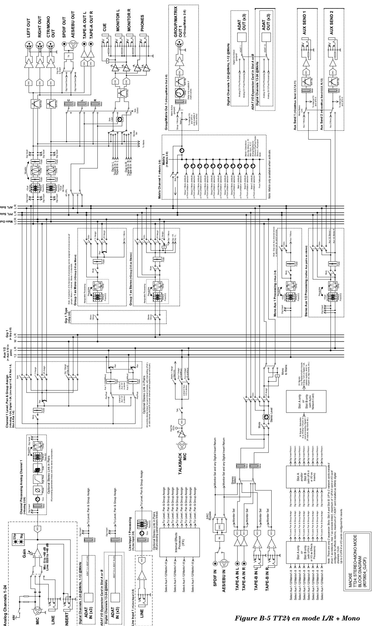
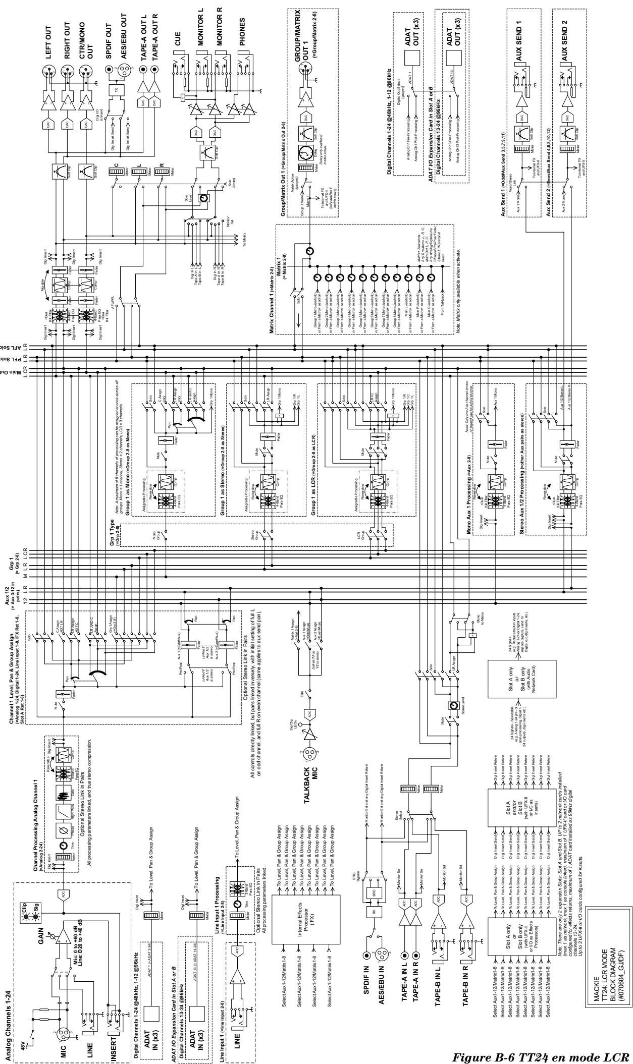
Ce tutoriel vous aidera à utiliser la TT24 facilement et rapidement en donnant des instructions pas à pas pour la plupart des fonctions les plus utilisées. Il peut aussi être utile de consulter l'Annexe B : Plans de cablage et synoptique de la TT24, pour comprendre comment plusieurs systèmes complets et efficaces sont reliés.
2.1 Connexion des amplificateurs ou des enceintes
- Reliez une paire d'amplificateurs/enceintes aux sorties XLR MAINS LEFT et RIGHT (Figure 2-1).
- Connectez un amplificateur/enceinte au départ AUXSEND 1.
- Connectez le casque.
Réglage du gain de la voie
- Appuyez sur la touche PFL (Figure 2-2).
- Appuyez sur la touche SOLO de la voie 1 (au-dessus du Fader) pour la placer en solo.
- Réglez le niveau micro en contrôlant les afficheurs à droite de l'écran tactile et en écouteant à l'aide du casque (le niveau du casque est réglé dans la section UTILITY).
Le niveau doit se situer entre -7 et -10 dBFS.
- Appuyez sur la touche SOLO à nouveau ou sur CLEAR SOLO (à gauche de la touche PFL) pour désactiver la fonction solo. Routez l'entrée 1 aux sorties Mains, Group 1 et Aux 1.
- Maintenez la touche L / R de la section GROUP

Figure 2-1 Sorties Mains et départ auxiliaires
2.2 Connexion d'un micro
Cette section explique comment connecter un micro à l'entrée 1, régler le gain, acheminer le signal aux groupes/bus auxiliaires, et activer/régler le contrôle passée-haut.
Connexion du micro à l'entrée 1
- Connectez le micro à l'entrée XLR de la voie 1 (coin supérieur droit de la face arrêté).
- Appuyez sur la touche ANLG pour sélectionner la banque (partie droite de la Figure 2-2).
- Relevez la touche LINE, sur la position micro.
- Enfoncez la touche 48V si le micro nécessite une alimentation fantôme, sinon, laissez-la relevee.

Figure 2-2 Partie supérieure de la voie (gauche); touches de banque, touches CLEAR Solo et PFL, et section V-Pot Control (droite)
ASSIGN (Figure 2-3) enforcée et appuyez sur la touche SELECT de la voie 1. Les touches SELECT de toutes les voies s'allument, indiquant qu'elles sont toutes routées à la sortie Main. Le signal du micro, dont le niveau est réglé à l'aide du Fader Master, doit être audible dans les enceintes de façon reliées aux sorties MAIN OUT.
Acheminons maintain le signal du micro au groupe 1 plutôt qu'aux sorties MAINS OUT :
- Maintenez la touche L/R (section GROUP ASSIGN) enforcée et appuyez sur la touche SELECT de la voie 1 afin qu'elle ne soit pas allumée. La voie 1 n'est plus acheminée aux sorties MAINS OUT.
- Maintenez la touche Group 1 de la section GROUP ASSIGN enforcée et appuyez sur la touche SELECT de la voie 1. Le signal du micro est maintenant acheminé au groupe 1.
- Maintenez la touche L / R de la section GROUP ASSIGN enforcée et appuyez sur la touche SELECT du groupe 1.
Le groupe 1 est maintainant assigné aux sorties MAINS OUT RIGHT et LEFT.
Utilisez les Faders Master, de la voie et du groupe pour régler le niveau du micro dans les enceintes reliées aux sorties MAINS OUT.
- Appuyez sur la touche AUX SENS 1 dans la section V-POT CONTROL (Figure 2-3).
- Reglez le niveau Aux 1 de la voie 1 à l'aide du V-Pot.
- Appuyez sur la touche QuickMix AUX MSTR (Figure 2-4).
- Reglez le niveau général Aux 1 à l'aide du bouton QuickMix correspondant (voir page Aux Master dans la Figure 2-5).
Le signal du micro devrait être acheminé au return relié à la sortie Aux 1.
Activation et réglage du filtré passehaut
- Appuyez sur la touche HPF dans la section V-POT CONTROL (Figure 2-2) pour assigner le contrôle passée-haut aux V-Pots de la voie.
- Activez le filtré passer-haut en appuyant sur le V-Pot de la voie 1 pour que la Led rouge du bas s'allume.
- Tournez le V-Pot pour régler la fréquence du filtré, entre 20 et 400Hz , afin de supprimer les basses fréquences indésirables.
- Sélectionnez la voie 1 et appuyez sur la touche QuickMix EQ pour afficher la plage de fréquences.
L'écran tactile affiche alors la plage de fréquences du filtré passse-haut.
2.3 Connexion d'un lecteur de CD/cassette
Cette section explique comment connecter un lecteur de CD/cassette aux connecteurs CD/TAPE A ou B (A = RCA, B = Jacks 6,35 mm), et aux voies 23/24.
Connexion d'un lecteur de CD à l'entrée CD/Tape
- Connectez le lecteur de CD à l'entrée CD/TAPE A ou B (Figure 2-1).
- Appuyez sur la touche UTIL (Figure 2-4).
- Sélectionnez STEREO INPUT ASSIGN sur l'écran tactile (Figure 2-6).
- Sélectionnez TAPE/CD A ou TAPE/CD B dans la section INPUT SELECTION (Figure 2-6).
- Sélectionnez L / R dans la section GRP ASSIGN pour

router la source stéreo aux sorties MAINS RIGHT et LEFT.
- Réglez le MUTE et le SOLO sur l'écran tactile.
- Trouvez un niveau d'entrée convenable à l'aide du bouton QuickMix correspondant au Fader stéreo.
Connexion du lecteur de CD aux voies 23 et 24
- Reliez le lecteur de CD aux connecteurs LINE des voies 23 et 24.
- Enforcez la touche LINE (niveau ligne).
- Maintenez les touches SELECT des voies 23 et 24 enfoncées jusqu'à ce que la boîte de dialogue Link Channels apparaissé sur l'écran tactile.
- Sélectionnéz OK pour coupler les voies.
- Appuyez sur la touche PAN dans la section V-POT CONTROL (Figure 2-3).
- Tournez le V-Pot de la voie 23 complètement à gauche. Le panoramicque de la voie 24 est réglé automatique-ment du côte opposé.
- Appuyez sur la touche SOLO au-dessus du Fader de l'une ou l'autre des voies. Comme le mode PFL est activé, le signal de la voie coupée n'est pas mis en solo.
- Réglez le bouton de GAIN de la voie en contrôlant les afficheurs à droite de l'écran tactile.
Le niveau doit se situer entre -7 et -10 dBFS.
- Répétez les étapes 7 et 8 pour l'autre voie de la paire couplée.

Remarque: Le couplage stéreo ne fonctionne que pour les voies paire/impaire adjacentes. Les paramètres de la voie impaire sont attribués à la voie paire, excepté le panoramaique, qui est inversé (lorsque la voie impaire est réglée complètement à gauche, la voie paire est réglée complètement à droite).

Figure 2-6 Assignation de l'entrée sté reproduction
Réglage de l'égalisation, de la dynamique et du routage de la voie
- Avec les voies 23 et 24 sélectionnées, appuyez sur la touche EQ dans la section QuickMix pour afficher la page 4-BAND EQ sur l'écran tactile (Figure 2-7).
- Sélectionnez EQ IN pour activer l'égaliseur.
- Utilisez les 12 boutons QuickMix pour régler les paramètres d'égalisation.


Figure 2-7 Pages 4-Bands EQ (haut) et Dynamics (bas)
- Appuyez sur le bouton QuickMix DYN pour afficher la page DYNAMICS sur l'écran tactile (Figure 2-7).
- Sélectionnez GATE IN ou COMP IN pour activer ces processeurs.
- Utilisez les 12 boutons QuickMix pour régler les paramètres de traitement de la dynamique.
Appuyez sur le graphique du compresseur ou du Gate sur l'écran tactile pour acceder à une vue agrandie.
- Appuyez sur la touche QuickMix GRP/AUX pour afficher la page GRPS/AUXES (Figure 2-8).
- Acheminez la voie aux groupes 1 à 8 et aux
sorties L/R et C/Mono en selectionnant les touches de la section GROUPS correspondantes, dans la moitié supérieure de l'écran tactile.
- Réglez les niveaux des départs auxiliaires de la voie sélectionnée à l'aide des boutons QuickMix.
- Appuyez sur les boutons QuickMix de chacun des départs Aux pour sélectionner le mode pré ou post-Fader.
2.4 Fonctions Aux
Cette section explique comment configurer, router et mixer les bus Aux. Chacun des 12 départgs generaux dispose d'un égaliseur et d'un compresseur/limiteur.
- Appuyez sur la touche AUX MSTR (Figure 2-4) pour afficher la page AUX MASTER.
- Sélectionné le départ Aux Master 1 en appuyant sur le bouton QuickMix dans le coin supérieur gauche. Le départ Aux 1 est alors sélectionné (haut de la Figure 2-9).
- Appuyez sur le graphique d'égalisation ou la touche QuickMix EQ afin d'afficher la page 6-BAND EQ pour le départ Aux 1 sélectionné (bas de la Figure 2-9).
La touche EQ IN/OUT se trouve dans le coin supérieur droit de l'écran tactile.
L'égaliseur dispose de six bandes :
- Deux filtrés (bandes 2 et 3) entièrement paramétriques (GAIN, FREQ, Q).
- Deux filtrés Baxendall pour les aigus et les graves (bandes 1 et 4, respectivement).
- Deux filtres Kill (bandes 5 et 6) pour la suppression des fréquences sur une bande étroite. Appuyez sur les boutons du filtre Kill pour sélectionner -6, -12, ou -18 dB. Plus l'atténuation est importante, plus la valeur Q est importante (filtre plus étroit). Tournez le bouton pour régler la fréquence.


Figure 2-9 Pages AUX MASTER (haut) et 6-BAND EQ (bas)
Les niveaux des départs des voies sont régés à l'aide des V-Pots, en selectionnant le bouton correspondant au départ dans la section V-POT CONTROL. Les niveaux des 12 départs de la voie selectionnée peuvent être régés avec l'écran tactile et les boutons QuickMix en appuyant sur la touche QuickMix GRP/AUX.
Exemples de routage à l'aide des départ Aux
Pour acheminer l'entrée micro 1 à tous les retours :
- Appuyez sur la touche SELECT de la voie 1.
- Appuyez sur la touche QuickMix GRP/AUX.
- Réglez le niveau de chacun des départ Aux à l'aide des boutons QuickMix.
Pour envoyer un mélange de retours :
- Appuyez sur la touche du départ souhaité dans la section AUX SENDS.
- Utilisez les V-Pots de chacune des voies pour régler le mixage.
2.5 Effects
Les quatre processeurs d'effets permettent d'utiliser l'un des effets suivants : réverbération, réverbération/ Gate, délambda mono/stéreo/Ping Pong, Chorus ou Flanger. Les départ par défaut pour les effets sont les départ Aux 9-12, mais n'importe quel départ Aux ou départ de matrice peut être utilisé. Les retours pour les effets se trouvent dans la banque Returns.
- Appuyez sur la touche de banque ANLG.
- Appuyez sur la touche AUX SENS 9 dans la section V-POT CONTROL.
- Réglez le V-Pot de la voie 1 sur la position 3:00 pour acheminer le signal au départ Aux 9.


Figure 2-10 Pages Internal Effects (haut) et Chorus (bas)
- Appuyez sur la touche QuickMix EFX. La page INTERNAL EFX apparaît alors sur l'écran tactile (haut de la Figure 2-10).
- Sélectionnéz la touche Edit du Chorus pour modifier les paramètres sur une page séparée (bas de la Figure 2-10).
- Appuyez sur la touche de banque RTRNS.
- Utilisez le micro et augmentez les niveaux des retours (INT EFX 1L et INT EFX 1R) jusqu'à ce que le niveau de l'effet soit satisfaisant.
3 - Réglages de la console
Les réglages de la console TT24 sont regroupés en sections, qui sont représentées dans ce chapitre:
Voies
- QuickMix
- Sélection de banque
V-Pot Control
Utility
- Groups et Master
Solo
3.1 Voies
La TT24 est équipée de 24 voies, comprises entre le Fader en bas et la touche LINE dans le haut. Chacune des voies ne peut contrôler qu'une seule entrée de l'une des quatre banques. La section supérieure de chacune des voies (partie gauche de la Figure 3-1) comporte ces réglages analogiques, qui ne servent que pour la banque Analog : touche LINE de sélection micro/ligne, touche 48V d'alimentation fantôme, bouton GAIN pour réglage du gain de la source, et Leds OL (surcharge) et SIG (signal).
Plus bas sur les voies se trouvent un potentiemetre virtuel (V-Pot), des touches MUTE, SELECT, et SOLO, ainsi qu'un Fader motorisé de 100mm (droite de la Figure 3-1). Le V-Pot, qui contrôle plusieurs fonctions de la voie, une à la fois, est constitué d'un codeur à pouvoir entouré d'une bague de LEDs à 15 segments (voir Section V-Pot Control à la page 14).
3.1.1 Touche LINE
Enoncez la touche LINE pour utiliser l'entrée ligne en Jack 6,35 mm, ou relevez-la pour utiliser l'entrée mi


cro XLR. Pour les installations permanentes nécessitant d'acceder aux entrées ligne et micro d'une même voie, effectuez les connexions aux entrées puis alternez entre les deux à l'aide de cette touche LINE.
3.1.2 Alimentation fantôme 48 V
Enfoncéz la touche 48V pour activer l'alimentation fantôme 48 Vcc, nécessaire pour la plupart des micros à condensateur, sur l'entrée micro XLR. La TT24 peut fournir une alimentation fantôme pour toutes les 24 entrées micro simultanément. Relevez la touche lorsque vous utilisez des micros dynamiques ne nécessitant pas d'alimentation fantôme. L'entrée ligne n'est pas affectée par l'alimentation fantôme.
3.1.3 Bouton GAIN
Le bouton GAIN sert à contrôler l'amplificateur analogique réglant la sensibilité du signal d'entrée. La plage de gain de l'entrée micro est de 0 à 60 dB; celle de l'entrée ligne est de -20 à +40 dB. Le repère en position 10:00 indique le gain unitaire pour l'entrée ligne; celui en position 8:00 indique le gain unitaire pour l'entrée micro. Les niveaux respectifs sont indiqués autour du bouton, ceux de l'entrée micro dans le cercle extérieur, ceux de l'entrée ligne dans le cercle interieur.
3.1.4 LeDs OL et SIG
La Led SIG verte s'allume lorsque le niveau de l'entrée micro/ligne selectionnée dépasse -15 dBu. La Led OL rouge s'allume lorsque le signal est à 3 dB de la surcharge. Les Leds SIG et OL demeurent allumées tant que le niveau du signal dépasse leur niveau de seuil.
3.1.5 Bouton V-Pot
Le V-Pot permet de contrôle et d'afficher les réglages de ces fonctions, une à la fois : panoramicique, filtré passée haut, niveaux du départ, panoramicque du départ (pour les départes couples), gain numérique et afficheur de la voie. La fonction est sélectionnée à partir de la section V-POT CONTROL.

Figure 3-1 Voie : partie supérieure (gauche), partie inférieure (droite)
Le V-Pot est entouré d'une bague de 15 Leds (positions 7:00 à 5:00). Leur activation se fait habituèlement vers la droite, suivant l'accentuation du niveau. Sous le V-Pot se trouve également une Led servant à indiquer : l'écrétage, les réglages par défaut, l'activation/désactivation, etc. La Led en position 12:00 sert aussi parfois à indiquer un réglage nominal (ex.: panoramicique régèle au centre). Toutes ces fonctions sont décrites à la page 14 (Section V-Pot Control).
3.1.6 Touche MUTE
Appuyez sur la touche MUTE pour activer (touche allumée) ou désactiver (étéinte) le Mute de la voie.

Remarque: La page SETUP-GENERAL permit de déterminer si les départ Aux pré-Fader sont pré ou post-Mute (voir page 46).
3.1.7 Section de banque/description de la voie
Cette section indique quel signal audio est associé à la voie. Chacune des voies peut en tout moment contrôler un canal de l'une des quatre banques. La Figure 3-1 illustrate la voie 1. Quatre sélections sont proposées dans la section de banque/description de la voie :
- Lorsque la banque ANALOG est selectionnée, la voie 1 contrôle le canal analogue 1.
- Lorsque la banque DIGITAL est sélectionnée, la voie 1 contrôle le canal numérique 25.
- Lorsque la banque RETURNS est seLECTIONnée, la voie 1 contrôle l'entrée ligne 1.
- Lorsque la banque MASTERS est seLECTIONnée, la voie 1 contrôle le départ auxiliaire 1.
3.1.8 Touche SELECT
Lorsque allumée, la touche SELECT indique que :
- les paramètres de la voie sélectionnée sont affichés sur l'écran tactile et peuvent être réglicés.
- la voie est sélectionnée pour être assignée à des groupes avec les touches GROUP ASSIGN/SELECT (voir Sections Group et Master à la page 19).
Couplage des voies
Le fait d'enforcer les touches SELECT d'une paire de voies impaire/paire adjacentes pendant deux secondes permet de les coupler. Une fenêtre de confirmation apparait alors sur l'écran tactile: "Link Channel X and Y?" Sélectionnez YES pour coupler les voies ou CANCEL pour annuler l'opération. Pour découpler les voies, enforcez les deux touches SELECT à nouveau pendant deux secondes. Une fenêtre de confirmation apparait alors: "Unlink Channel X and Y?" Sélectionnez YES pour les découpler ou CANCEL pour les laisser coupées. Lorsque coupées, les réglages de la voie impaire sont attribués à la voie paire, ce qui signifie que toute modification apportée à l'une ou l'autre des voies affecte les deux. La seule exception: le panoramaique. Les panoramicques des deux voies sont inversement opposés: le fait de régler une voie complètement à gauche règle l'autre complètement à droite; en la réglant sur la position 10:00, l'autre est réglée sur la position 2:00.
La somme des signaux des voies coupées est ensuite acheminée au compresseur stéreo.
3.1.9 Touche SOLO
Appuyez sur la touche SOLO pour isoler le signal de la voie. Cette touche rétroéclairée s'allume alors en jaune. La sélection du mode PFL/AFL s'effectue dans la section Solo générale (voir Section Solo à la page 19). Par défaut, la fonction Solo permet d'isoler plusieurs voies en même temps. Toutefois, sélectionnez le mode EXCLUSIVE SOLO (dans l'écran tactile SETUP-GENERAL) pour qu'une touche Solo d'une voie désactive celles des autres voies. Lorsqu'en mode EXCLUSIVE SOLO, appuyez sur CTRL+SOLO pour isoler plusieurs voies.
3.1.10 Fader de la voie
Le Fader de 100mm motorisé déterminé le niveau de la voie. Sa fonction varie selon la banque sélectionnée (voir Section de selection de banque ci-dessous). En mode Aux (voir page 15), le Fader déterminé le niveau des départ Aux 1 à 12, dont la selection s'effectue dans la section V-POT CONTROL (voir page 14). Il est régla ble de - à +10 dB, par incréments logarithmiques.
3.2 Section de sélection de banque
Les quatre boutons de sélection de banque (ANLG, DGTL, RTNS, MSTR) déterminent la source des 24 voies (Figure 3-3). L'une des banques est toujours activée, et les autres sont toutes désactivées. Toutes les voies conservent leurs réglages lors des changements de banque.

Figure 3-3 Touches de selection de banque
3.2.1 Touche ANALOG
Appuyez sur la touche ANLG pour sélectionner la banque ANALOG. La touche s'allume en rouge et les 24 entrées micro/ligne analogiques sont assignées aux voies 1 à 24.
3.2.2 Touche DIGITAL
Appuyez sur la touche DGTL pour sélectionner la banque DIGITAL. La touche s'allume alors en vert et les entrées numériques sont assignées aux voies 1 à 24. Les trois connecteurs optiques ADAT en face arrière fournissant 24 entrées numériques (à 44,1/48kHz ). À 96kHz , les trois connecteurs optiques ADAT intégrés fournissant 12 entrées numériques.
3.2.3 Touche RETURNS
Appuyez sur la touche RTRN pour sélectionner la banque RETURNS. La touche s'allume alors en rouge et les entrées suivantes sont assignées aux voies :
1-8: Huit entrées ligne analogiques (Jacks 6,35 mm en face arrêté). 9-16: Quatre retours d'effets stéreo internes. 17-24: Retours depuis les cartes d'extension.
3.2.4 Touche MASTER
Appuyez sur la touche MSTR pour sélectionner la banque MASTERS. La touche s'allume alors en vert et les entrées suivantes sont assignées aux voies :
1-12: Douze départs auxiliaires généraux. 13-20: Huit groupes généraux. 22-24: Sorties Mains Left, Right et CTR/Mono.
Remarque : Les Faders gauche/droit sont toujours coupés. Les Faders gauche/droit et Center/Mono peuvent être coupés.
3.2.5 Banque utiliser
Cette banque personalisable permet de creator une nouvelle banque de 24 Faders, composée de n'importe quel canal des quatre banques principales (ANLG, DGTL, RTNS, MSTR). Pour acceder à cette banque utilisateur lors du mixage, appuyez tout simplement sur les touches de selection de banque ANLG et DGTL simultanément. Elles s'allument alors et les Faders se figent sur leurs réglages, ce qui indique que la TT24 accede
à la banque utiliser. Consultez la section 6.13.5 pour de plus amples informations sur la banque utilisé.
Les touches à droite des Faders de voie seront à assigner une fonction aux V-Pots de la voie. Il s'agit des quatre touches de la section V-POT CONTROL (PAN, TRIM, METERS, HPF), et les touches AUX SENDS 1-12 et AUX PAN (Figure 3-4). Ces touches désactivement les autres afin qu'une seule reste activée à la fois. La touche AUX PAN ne sert que pour les départ Aux coupés et ne désactive pas la touche Aux Send sélectionnée. Une Led s'allume alors autour du V-Pot pour indiquer le panoramicque. La touche AUX MODE est abordée dans cette section en raison de son lien avec les autres touches Aux. Toutefois, elle ne désactive pas les autres touches.
3.3.1 Bouton TRIM
Ce réglage de gain numérique, disponible uniquement pour la banque ANALOG, sert à régler le niveau d'entrée juste après le convertisseur A/N et l'afficheur de la voie, mais avant le processeur de signaux numériques (DSP). Vous pouvez donc régler le gain analogique pour une conversion A/N optimale, puis régler le niveau d'entrée pour le DSP de la voie. Il peut également atténuer le niveau de tous les départs et sorties de la voie en même temps, ce réglage se trouvant avant les départs Aux et Group sur le trajet du signal. Ce réglage permet ±15 dB d'atténuation/accentuation, par pas de 0,1 dB, individue par la Led allumée. Lorsqu'il est régle sur le gain unitaire, la Led en position 12:00 et celle sous le V-Pot s'allument.
3.3.2 Bouton PAN
La position du panoramaque est indiquée par la Led allumée. Lorsqu'il est centré, la Led centrale et celle sous le V-Pot s'allument. Les modes de panoramaque LR et LCR sont également accessibles pour les banques ANALOG, DIGITAL et RETURNS, ainsi que pour les huit groupes (en mode dépendant) de la banque MASTER.
3.3.3 Filtre passer-haut (HPF)
Le filtré passée-haut sert à atténuer les basses fréquences indésirables du signal d'entrée. Sélectionnez une fréquence de coupure entre 20 et 400Hz . La fréquence par défaut est de 80Hz , et la pente du filtré est de 18 dB par octave. La fréquence est indiquée par la Led allu
mée autour du V-Pot. Appuyez sur le V-Pot pour activer/désactiver le filtré ; la Led rouge au bas s'allume lorsqu'il est activé. Appuyez sur la touche SELECT d'une voie, puis sur la touche QuickMix EQ pour afficher la plage de féquences du filtré alors que vous tournez le V-Pot.
3.3.4 Afficheurs
Les Leds du V-Pot servent à afficher (de la gauche vers la droite) le niveau du signal de la voie. La Led rouge au bas s'allume lorsque se produit de l'échéage numérique (0 dBFS). Appuyez sur le V-Pot pour que l'afficheur indique la réduction de gain du compréseur : les Leds sont alors activées vers la gauche (le bouton contrôle le niveau de seuil du compréseur). La Led rouge au bas clignote, ce qui signifie que l'afficheur indique la réduction de gain du compréseur. Cette fonction peut être activée séparément pour chaque voie. Maintenez la touche METERS de la section V-POT CONTROL enforcée pendant deux secondes pour passer d'un mode à l'autre (niveau de la voie/réduction de gain) pour toutes les voies.
Le niveau de départ de la voie est indiqué par les Leds (de - à +10 dB, par pas logarithmiques). La bague de Leds s'allume selon le niveau du départ. Le niveau de départ maximum est indiqué par toutes les Leds allumées. Lorsque le niveau est réglé sur le gain unitaire (sur la position 3:00), la Led au bas du V-Pot s'allume. Tournez le V-Pot pour régler le niveau de départ. Appuyez sur le V-Pot pour sélectionner le mode pré ou post-Fader. Maintenez enforcées les touches de deux départs consécutifs dans la section V-Pot Control pour les coupler en stéreo. Par exemple, maintenez enforcées les touches Aux 1 et 2, et l'écran tactile affiche alors : "Link Aux Sends Aux 1 and Aux 2?" Sélectionnez OK. Lors du couplage des départs, le niveau du départ impair est attribué au niveau pair. Une fois couplés, le fait de régler un départ modifie aussi l'autre. Appuyez sur l'une des touches AUX SENDS des départs coupés pour contrôler le niveau stéreo avec les V-Pots (les deux touches AUX SENDS s'allument). Les DSP des départs Aux sont également coupés.
3.3.6 Bouton AUX PAN
Lorsque deux départs auxiliaires sont coupés en stéRéo, le panoramicique est indiqué par une Led. Lorsqu'il est régle sur la position centrale, la Led en position 12:00 et celle sous le V-Pot s'allument. Tournez ce V-Pot pour régler le panoramicique des départs Aux couplés. Le V-Pot AUX PAN ne désactive pas les autres V-Pots. Lorsque le V-Pot AUX PAN est sélectionné, il régle le panoramicique des départs Aux stéréo sélectionnés. Le panoramicique des départs coupés est inverse : le fait d'en régler un sur la position 9:00 règle automatique-ment l'autre sur la position 3:00. Si un départ Aux mono et le V-Pot AUX PAN sont sélectionnés, aucune position stéréo n'est indiquée par les Leds du V-Pot. Appuyez sur le V-Pot AUX PAN à nouveau pour returner au mode d'utilisation normal.
3.3.7 Touche AUX MODE
AUX MODE est la seule touche bleue de la console. Elle sert à transformer la TT24 en console de retours en permettant de contrôler le niveau des départes avec les 24 Faders de voie, et celui des départes généraux avec les quatre Faders de groupe. Sélectionnez une touche AUX SENDS afin qu'elle clignote, et chacun des Faders de voie déterminé alors le niveau de départ. En mode AUX MODE, les Faders de groupe sont assignés aux départes généraux 1 à 12 dans trois banques :
| Fader de groupe 1 | Fader de groupe 2 | Fader de groupe 3 | Fader de groupe 4 | |
| Départs AUX 1 à 4 | 1 | 2 | 3 | 4 |
| Départs AUX 5 à 8 | 5 | 6 | 7 | 8 |
| Départs AUX 9 à 12 | 9 | 10 | 11 | 12 |
Tableau 3-1 Les Faders de groupe contrôle les départ Aux généraux en mode AUX MODE
Par exemple, si la touche AUX SENDS 3 est selectionnée, elle clignote alors que les touches AUX SENDS 1, 2 et 4 restent allumées afin d'indiquer que leurs départages généraux sont assignés aux Faders de groupe. Pour les départures coupés, les deux touches AUX SENDS clignotent lorsqu'elles sont selectionnées, et les deux autres touches de la banque sont allumées. Les touches TRIM, METERS, HPF, PAN et AUX PAN fonctionnent normalement et déterminent toujours la fonction des V-Pots. Les touches GROUP ASSIGN ne s'allument pas lorsque les banques de quatre groupes sont en mode AUX. Toutefois, vous pouvez toujours maintainir une touche GROUP ASSIGN enforcée pour assigner le groupe.
Remarque : Consultez le chapitre sur les sections Group et Master (page 19) pour de plus amples informations sur l'utilisation des Faders de groupe.
3.4 Section QuickMix
La section QuickMix (Figure 3-5) comprend l'écran tactile, 12 boutons-poussoirs rotatifs et 8 touches. Elle compte aussi des touches Snapshot, une Led RUDE SOLO, des afficheurs L/R et C/MONO et la section des utilisaires de l'ingénieur du son. Il est important de noter que:
- Les seules commandes régibles de l'écran tactile sont les touches On/Off et les menus déroulants permettant d'effectuer une sélection. Tous les boutons représentés sur l'écran tactile sont contrôleés à l'aide de leur bouton respectif dans la section QuickMix. Si l'un des 12 boutons n'apparait pas sur l'écran tactile, c'est que le bouton QuickMix correspondant n'offre pas de fonction.
- Tous les boutons de l'écran tactile affichés en blancplatz qu'en noir offrent une double fonction,accessible en appuyant sur le bouton QuickMix correspondant. Cette fonction varie selon le réglage.
Les touches QuickMix de gauche sont : FAT, EQ, DYN et GRP/AUX. Celles de droite sont : AUX MSTR, SNAP, EFX et MATRIX.
Chacune des touches QuickMix permet d'afficher une page pour la voie sélectionnée. Si cette voie n'offre pas la fonction sélectionnée (ex.: les entrées numériques ne sont pas munies d'égaliser), l'écran tactile affiche "This Channel Does Not Contain XX" jusqu'à ce que vous accédiez à une autre page de l'écran. L'écran tactile estprésenté en détaill au chapitre 6, Écran tactile et logiciel TT Control.
3.4.1 Touche FAT
Appuyez sur la touche FAT pour afficher la page OVERVIEW de la voie, et ainsi obtaining un aperçu de tous les réglages et afficheurs. Bien que les paramètres ne poussent pas tous être régés à partir de cette page,
le fait de sélectionner un paramètre qui n'est pas régla-ble permet d'ouvrir la page de la fonction (ex.: appuyez sur le graphique EQ pour ouvrir la page EQ sur l'écran tactile). Les réglages affichés sur la page OVERVIEW dépendent du type de voie sélectionné: Analog, Digital, Line, Effect Return, Group, Master, et Aux (voir Pages Overview à la page 35).
3.4.2 Touche EQ
Appuyez sur la touche EQ pour afficher la page EQ de la voie sélectionnee:
4-BAND EQ: Égalisation paramétrique 4 bandes pour les entrées et les groupes généraux.
Voir Égaliseur 4 bandes à la page 38 pour de plus amples informations.
- 6-BAND EQ: Deux filtrés d'égalisation paramétriques, deux filtrés Baxendale pour les graves et les aigus, ainsi que deux filtrés Kill pour la suppression des fréquences sur une bande étroite, pour les départs Aux Master et les sorties Main (L/R et C/Mono).
Voir Égaliseur 6 bandes à la page 39 pour de plus amples informations.
31-BAND EQ: Trois filtres d'égalisation graphique 31 bandes pour les sorties Mains (L/R et C/Mono).
Voir Égaliseur 31 bandes à la page 39 pour de plus amples informations.
3.4.3 Touche DYN
Appuyez sur la touche DYN pour afficher les pages DYNAMICS (voies analogiques) ou COMPRESSOR (départs Aux Master, groupes et sorties Mains) de la voie sélectionnée sur l'écran tactile. La page DYNAMICS affiche les réglages du Gate/expandeur et du compresseur, ainsi que leurs afficheurs respectifs. Appuyez sur le graphique du Noise Gate ou du processeur de traitement de la dynamique pour ouvrir leur page (vous pouvez aussi acceder à la plupart des paramètres à partir de la page DYNAMICS). Voir Traitement de la dynamique à la page 40.
3.4.4 Touche GRP/AUX
Appuyez sur la touche GRP/AUX pour afficher la page GRPS/AUXES. Appuyez sur la touche d'assignation GROUPS du groupe auquel vous souhaitez assigner la voie. Les boutons QuickMix déterminent le niveau des 12 départs Aux. Appuyez sur le bouton QuickMix d'un départ pour sélectionner le mode pré ou post-Fader. Voir Page Group/Auxes à la page 44.
3.4.5 Touche AUX MSTR
Appuyez sur la touche AUX MSTR pour afficher la page AUX MASTER. Les boutons QuickMix déterminent le niveau des 12 départ Aux Master. Le départ Aux Master sélectionné est affiché dans le coin supérieur gauche. Pour sélectionner un autre départ, appuyez sur le bouton QuickMix du départ correspondant. La partie supérieure de la page AUX MASTER donne un aperçu des paramètres du départ sélectionné : affichage, compression et courbes d'égalisation. Appuyez sur les graphiques d'égalisation ou de compression pour ouvrir leur page respective (ou sur les touches QuickMix EQ ou DYN). Chacun des départ Aux Master dispose d'une page OVERVIEW à laquelle vous pouvez acceder en sélectionnant le départ Aux et en appuyant sur la touche FAT (page 37). Voir Page Aux Master à la page 43.
3.4.6 Touche SNAP
Appuyez sur la touche SNAP pour afficher et modifier les réglages sur la page SNAPSHOTS du logiciel TT Control (voir Snapshots à la page 42 et Snapshots à la page 18 pour sur la fonction Snapshots).
3.4.7 Touche EFX
Appuyez sur la touche EFX pour afficher les paramètres des effets sur la page EFX. La console est équinée de quatre processeurs d'effets intégrés. Voir Effets (page 45) sur la page EFX. Consultez aussi les sections Proceseurs d'effets intégrés (page 27) et Tableau sommaire des DSP et des effets (page 28).
3.4.8 Touche MATRIX
Appuyez sur la touche MATRIX pour afficher la page MATRIX. Voir Page Matrix Mix à la page 44 et Sortie Matrix à la page 27 pour de plus amples informations.
3.4.9 Utilaires
Cette zone regroupe les touches COPY et PASTE, pour les opérations de copier-coller, et quatre touches rétroéclairées vertes : HELP, SETUP, UTIL et CTRL.
Touche HELP
Elle affiche la version du Firmware de la TT24.
Touche SETUP
Appuyez sur la touche SETUP pour ouvrir la page SETUP et ainsi acceder aux paramétres généraux de la console, classes par catégories : Operation, General, Digital et MIDI. Voir page 45 pour plus de détails.
Touche UTIL
Appuyez sur la touche UTIL pour ouvrir la page UTIL et acceder aux fonctions de configuration de la console : Monitor Source, Stereo Input Assign, Talkback, Metering, Test Tones et User Bank (voir page 49).
Touche CTRL
Le fait de maintainir la touche CTRL enforcée lorsque vous accedez à certains régliages de la console vous permet d'utiliser des fonctions supplémentaires :
- Valeurs par défaut: Maintenez la touche CTRL enforcée et sélectionnez n'importe quel réglage de la console pour le ramener à sa valeur par défaut. Par exemple, maintenez la touche CTRL et tournez un V-Pot de panoramicique pour le ramener en position centrale, ou tournez un bouton de gain pour ramener le réglage sur 0.
- Solos multiples : Maintenez la touche CTRL,enfonce pour selectionner plusieurs touches SOLO. Cela fonctionne meme lorsque le mode EXCLUSIVE SOLO est activé dans la page GENERAL SETUP de l'écran tactile (voir page 46).
Pages spéciales pour logiciel TT Control: CTRL+METERS, CTRL+BANK (ANLG, DGTL, RTNS ou MSTR), CTRL+MATRIX.
Touche COPY
Appuyez sur la touche COPY pour copier les paramètres de la voie sélectionnée dans le presse-papiers (il ne peut containir les paramètres que d'une seule voie).
Touche PASTE
Appuyez sur la touche PASTE pour coller le contenu du presse-papiers sur la ou les voies sélectionnées. La touche PASTE n'est d'aucune utilisé si rien n'est copiedé au presse-papiers.
Les paramètres pouvant être copiés-collés dépendant de la page sur l'écran tactile :
Pages 4-BAND EQ et 6-BAND EQ: uniquely les paramètres d'égalisation
Page COMPRESSEUR: uniquely les paramètres du compresseur
Page GATE/EXP: uniquely les paramètres du Gate/expandeur
Page DYNAMICS: les paramètres du compresseur et du Gate/expandeur
Page GRPS/AUXES : uniquement les assignations aux groupes et aux départ
Page FAT OVERVIEW : tous les paramètres
3.4.10 Afficheurs et Led RUDE SOLO
Les afficheurs principaux indiquent le niveau des sorties Left, Right et Center/Mono, tout dépendant de la configuration de la console. Les afficheurs reçoivent le même signal que celui envoyé aux sorties Mains. La première des Leds de surcharge au haut de l'afficheur s'allume lorsque le signal atteint -2 dBFS. Lorsque la fonction Solo de l'une des voies est activée, la Led
RUDE SOLO clignote en rouge. Les afficheurs L et R indiquent alors le niveau du signal stéreo en solo只不过 que le niveau général. Si le signal mis en solo est mono, il apparait sur les afficheurs L et R.
L'afficheur CTR/MONO n'indique aucun signal lorsque la fonction Solo est activée. Ceci, ainsi que la Led RUDE SOLO, vous indiquent qu'un signal isolé est affché. Lorsque toutes les fonctions Solo sont désactivées, soit une par une ou en appuyant sur la touche CLEAR SOLO, la Led RUDE SOLO)cesse de clignoter en rouge et les trois afficheurs returnent à leur mode d'utilisation normal.

Figure 3-6 Afficheurs Main et Led RUDE SOLO
3.5 Section UTILITY
Située dans la partie supérieure de la console, la section UTILITY comprend les régles TALKBACK, MONITOR et PHONES.
Le bouton TALKBACK déterminé le gain de l'entrée TALKBACK pour le micro d'ordre connecté en face arrêté. La plage de réglage est de 0 à 60 dB. La Led verte SIG (signal) et la Led rouge OL (surcharge) fonctionnent exactement comme celles sur les voies (voir page 12). Le signal du micro d'ordre est acheminé dans la page TALKBACK, à laquelle vous accédez en appuyant sur la touche UUTIL, puis sur la touche TALKBACK de l'écran tactile. Le signal du micro d'ordre peut être routed à n'importe quel bus matriciel ou Aux.
D'autres fonctions Snapshot avances sont accessibles sur la page SNAPSHOTS (ex.: filtrage de la voie et des paramétres; voir page 42). Cette section aborde uniquement les réglages de la console.
L'écran LCD SNAPSHOTS affiche le Snapshot selec-tionné (coin inférieur droit de la Figure 3-6). Utilisez les touches haut/bas pour faire défiler les Snapshots. Le numéro du Snapshot chargeé est affchéé sur l'écran LCD SNAPSHOTS près de l'écran tactile. Le numéro apparaissant sur l'afficheur SNAPSHOTS clignote avant que le Snapshot ne soit chargeé. Maintenez enforcée la touche haut/bas et, après une augmentation/diminution de trois numérios, le défiling s'effectue à coup de cinq afin d'acceder plusrapidement au Snapshot souhaïte. Appuyez sur la touche RECALL pour charger le Snapshot dont le numéro clignote sur l'afficheur LCD. Àpres avoir appuyé sur la touche RECALL, les paramètres du Snapshot sont charges et l'afficheur LCD demeure allumé continuèlement. Appuyez sur la touche STORE pour sauvegarder les réglages de la console dans le Snapshot chargeé.
3.5.2 Bouton MONITOR
Le bouton MONITOR détermine le niveau des sorties
pour retours Left, Right et Mono. Le niveau est régiable de Off à +10 dB. Ces sorties portent les signaux Left, Right et Monitor Sélectionnés dans la page MON. SOURCE, à laquelle vous accédez en appuyant sur la touche UUTIL, puis sur la touche MONITOR SOURCE. Lorsqu'une touche Solo est activée, le signal solo est le seul sur les sorties des retours.
3.5.3 Bouton PHONES
Le bouton PHONES détermine le niveau de la sortie casque, qui délivre un signal stéreo identique à celui des sorties Monitor L/R. Le réglage PHONES est indépendant du réglage MONITOR.
3.6 Snapshots
La TT24 dispose d'une fonction de Snapshots servant à sauvegarder et charger les réglages de la console. La section Snapshots se trouve dans le coin supérieur droit, à côté des touches QuickMix (Figure 3-5). Ces commandes permettent de sauvegarder/charger rapidement jusqu'à 99 Snapshots. Voir "Annexe B : Paramètres sauvégardés dans les Snapshots" pour une liste de tous les paramètres de la TT24 sauvégardés dans un Snapshot.

3.7 Sections Group et Master
La TT24 dispose de quatre voies de groupes et d'une voie Master (Figure 3-8). Chacun des groupes est équi-pé d'un V-Pot de réglage de panoramicique et de mode du groupe, de touches MUTE, SELECT et SOLO et d'un Fader. Les quatre voies de la section Group contrôlent les groupes 1-4 ou 5-8. La banque de groupe sélectionnée est indiquée par les touches GROUP ASSIGN/SELECT allumées.
3.7.1 Changement de banque de groupes
Appuyez sur l'une des touches GROUP ASSIGN/SELECT pour selectionner la banque de groupes. Les touches GROUP ASSIGN/SELECT 1-4 ou 5-8 s'allument, et les Faders et les commandes prennten les valeurs de réglage de la banque de groupes précédente.
3.7.2 Assignation des groupes
Maintenez une touche GROUP ASSIGN/SELECT enforcée et appuyez sur la touche SELECT des voies que vous souhaitez ajouter/couper. Cette procédure fonctionne pour toutes les touches GROUP ASSIGN/SELECT: Group 1-8, L-R et CTR/Mono.
La touche SELECT des voies assignées à un groupe clignote lorsqu'une touche GROUP ASSIGN/SELECT est enforcée.
Une voie sélectionne peut également être assignée à des groupes en appuyant sur la touche GRP/AUX de la section QuickMix, puis en accédant aux paramètres Group/Aux sur l'écran tactile.
3.7.3 Réglage des paramètres des groupes
Appuyez sur la touche GROUP SELECT d'un groupe pour acceder à ses réglages et ses commandes dans la section QuickMix, comme s'il s'agissait d'une entrée.
3.7.4 Groupes de Mutes
Huit groupes de Mutes peuvent être utilisés lorsqu'il est nécessaire de couper tous les signaux d'entrée des groupes avec une seule touche. Tous les canaux des banques ANLG, DGTL et RTNS peuvent être assignés à un groupe de Mutes, mais pas les sorties.
La section d'assignation des groupes de la TT24 permet d'assigner les canaux à un groupe de Mutes et de les activer/désactiver.
Pour assigner des entrées à un groupe de Mutes: Maintenez la touche QuickMix CTRL enfonnée et appuyez sur l'une des touches GROUP ASSIGN 1-8. La touche Group Assign s'allume alors et la touche Mute du groupe clignote, indiquant que la TT24 permet d'assigner des Mutes au groupe. Appuyez tout simplement sur
la touche Mute des voies que vous souhaitez assigner au groupe de Mutes. Vous pouvez appuyer sur les autres touches Group Assign pour configurer n'importe lequel des huit groupes de Mutes lorsque le mode d'assignation est activé. Appuyez sur la touche clignotante MUTE du groupe de Mutes ou la touche Group Assign allumée pour désactiver le mode d'assignation.
Pour activer/désactiver les groupes de Mutes: Maintenez la touche Group Assign enforcée et appuyez sur la touche Mute du groupe pour activer/désactiver les groupes de Mutes. La touche Mute des voies s'allume lorsqu'un groupe de Mutes est activé.
Remarque : Les groupes de Mutes de la TT24 sont différents de ceux des consoles analogiques : lorsqu'un groupe de Mutes est activé, vous pouvez désactiver le Mute d'une voie en appuyant sur sa touche Mute. Cela permet de couper plus facilement les groupes et les voies séparées.
3.8 Section Solo
La section Solo (Figure 3-9) comprend deux touches : CLEAR SOLO et PFL.
Appuyez sur cette touche pour désactiver la fonction Solo de n'importe qu'elle voie. Elle s'allume en jaune lorsqu'une touche Solo est activée, et la Led RUDE SOLO s'allume également (Figure 3-5).
3.8.2 Touche PFL
Appuyez sur cette touche rétroéclairée de couleur jaune pour placer toutes les voies mises en solo en mode PFL (écoute pré-Fader). Lorsque cette touche n'est pas allumée, elles sont en mode AFL (écoute post-Fader).
4 - Connecteurs de face arrêté
Entrées/sorties analogiques
La Figure 4-1 illustré les connecteurs d'entrée et de sortie analogiques en face arrêté, sauf les sorties Group/Matrix (Figure 4-3).
4.1.1 Entrees micro (MIC) 1 à 24
Nous avons conçu le préampli micro de la TT24 en nous basant sur le savoir-faire et l'expérience acquis lors de la conception des consoles Digital 8●Bus, VLZ Pro et Onyx, et nous l'avons optimisé pour le mixage numérique.
Ces connecteurs XLR femelle acceptent les signaux symétriques à niveau micro provenant de praticquement n'importe quel type de micro. La touche LINE sur la voie doit être relevant lorsque vous utilisez ces connecteurs. Les entrées MIC apparaisent dans la banque ANALOG. L'alimentation fantôme 48 Vcc peut être activée pour les micros à condensateur en enforcant la touche 48V.
Câblage des entrées XLR :
Broche 1 = Blindage ou masse
Broche 2 = Plus (+ ou point chaud)
Broche 3 = Moins (- ou point froid)
4.1.2 Entrées ligne (LINE) 1 à 24
Ces entrées Jack stéreo 6,35 mm acceptent les signaux symétriques ou asymétriques à niveau ligne provenant de pratiquement n'importe qu'elle source. La touche LINE sur la voie doit être enfoncée lorsque vous utilisez ces connecteurs. Les entrées LINE apparaisent dans la banque ANALOG.
Les Jacks symétriques sont câbés comme suit :
- Pointe = Plus (+ ou point chaud)
- Bague = Moins (- ou point froid)
- Corps = Blindage ou masse
Les Jacks asymétriques sont câbés comme suit :
- Pointe = Plus (+ ou point chaud)
- Corps = Blindage ou masse
4.1.3 Connecteurs INSERT 1 à 24
Ces Jacks stéréo 6,35 mm sur chacune des voies servent de départ et de return analogiques. Utilisez ces connecteurs INSERT pour connecter un processeur d'effets externe (ex.: compresseurs, égaliseurs) en série sur une voie individuelle. Ces connecteurs peuvent aussi servir de sorties directes de voie, asymétriques et post-gain.
Le point d'insertion est après le réglage GAIN et juste avant le convertisseur A/N. Le départ (pointe) faible impédance et le retour (bague) haute impédance permettant la connexion de pratiquement n'importe quel équipement.
Les câbles pour ce type de connecteur doivent être câblés comme suit :
- Pointe = Départ (sortie vers les effets)
- Bague = Retour (entree depuis les effets)
- Corps = Masse commune (le blinding est connecté aux trois corps)

Figure 4-1 Entrees/sorties analogiques
Voici trois façon d'utiliser les connecteurs INSERT :

Figure 4-2 Connecteurs Insert
4.1.4 Départs AUX SENDS 1 à 12
Ces Jacks stéreo 6,35 mm délivrent 12 signaux à niveau ligne symétriques ou asymétriques et permettent la connexion d'effets ou d'amplificateurs de retours.
4.1.5 Entrees LINE INPUTS 1 à 8 (retours)
Ces huit entrées en Jack 6,35 mm acceptent les signaux symétriques ou asymétriques à niveau ligne provenant de processeurs externes ou de tout autre apparéil. Elles peuvent de plus servir d'entrées lignes supplémentaires ou de retours auxiliaires. Les entrées LINE INPUTS apparaissent sur les voies 1 à 8 dans la banque RETURNS.
4.1.6 Sorties MONITOR
Ces Jacks stéreo 6,35 mm délivrent trois signaux symétriques à niveau ligne et peuvent servir de sortie Main stéreo (sorties L et R) ou mono (sortie M) supplémentaire, ou permettre de contrôle les signaux connectés aux entrées CD/TAPE A ou CD/TAPE B. Voir Page MONITOR SOURCE à la page 49 pour de plus amples informations. Reliez ces sorties aux entrées d'un amplificateur, d'une enceinte active ou d'un d'enregistreur. Habituellement, les sorties L et R sont reliées à des moniteurs de studio actifs et la sortie M est reliée à un retour actif.
4.1.7 Connecteurs CD/TAPE A IN/OUT
Les connecteurs RCA doivent être reliés aux entrées/sorties d'un lecteur de CD/cassette. Le connecteur TAPE IN accepte les signaux asymétriques provenant
d'un enregistrer ou d'une autre source équipés de connecteurs RCA. Le signal peut être routé aux sorties MONITOR lorsque CD/TAPE A est la source sélectionnée dans la page MON. SOURCE (page 49). Vous pouvez ainsi diffuser de la musique pendant les pauses à l'aide des sorties MONITOR ou PHONES.
Les entrées CD/TAPE A peuvent aussi être routées aux sorties MAINS OUT à partir de la page STEREO INPUT. Cela permet d'utiliser les enceintes de façon pour diffuser de la musique pendant les pauses. Le niveau de l'entrée CD/TAPE A est alors régle à l'aide d'un codeur rotatif de la section QuickMix.

MISE EN GARDE: Le fait de sélectionner L/R pour l'entrée CD/TAPE A sur la page STEREO INPUT peut générer du Larsen entre l'entrée TAPE IN et la sortie TAPE OUT. Assurez-vous que votre enregistreur n'est pas en mode d'enregistrement (sur pause ou
non) ou de transmission aux retours, et réduisez le niveau de cette entree au minimum.
Les sorties CD/TAPE A délivrent un signal asymétrique identique à celui des sorties MAINS OUT. Habituellement, elles sont reliées aux entrées d'un enregistrure, mais elles peuvent également servir de sorties Main supplémentaires, pour alimenter une autre zone de diffusion, par exemple.
4.1.8 Entre CD/TAPE B
Ces entrées Jacks stéreo 6,35 mm acceptent les signaux symétriques ou asymétriques à niveau ligne provenant des sorties d'un lecteur de CD/cassette ou de praticquement n'importe quel équipement stéreo à niveau ligne. L'entrée CD/TAPE B peut être affectée aux sorties MAINS OUT à partir de la page STEREO INPUT (voir page 49). Ceci permet d'acheminer le signal aux sorties MAINS OUT ou d'utiliser les enceintes de façon pour diffuser de la musique pendant les pauses.
4.1.9 Entre micro TALKBACK
Ce connecteur XLR femelle sert à connecter un micro d'ordre. Seuls les micros dynamiques peuvent être utilisés (ce connecteur ne dispose pas d'une alimentation fantôme). Utilisez le réglage Talkback de la page UTI-LITY pour router le signal aux sorties (voir page 49).
4.1.10 Sorties MAINS OUT
Ces connecteurs XLR male portent le signal symétrique du mixage général (niveau ligne). C'est-à-dire : le mixage acheminé aux amplificateurs et enceintes. Les connecteurs de sortie LEFT et RIGHT servent pour les signaux stéreo gauche et droit, et le connecteur de sortie CTR/MONO délivre le signal central (en mode LCR) ou le signal mono (en mode L/R+MONO).
4.1.11 Sorties GROUP/MATRIX OUT
Par défaut, ces huit connecteurs XLR male délivrent les signaux symétriques à niveau ligne des groupes 1 à 8. Toutefois, lorsque la matrice de mixage MATRIX est activée, chacune des sorties peut délivrer un signal indépendant provenant de pratiquement n'importe qu'elle entraee.Voir Page Matrix Mix à la page 44.

Figure 4-3 Connecteurs Group/Matrix
4.2 E/S numériques
Cette section présente les connecteurs d'entrée et de sortie numériques en face arrêté (Figure 4-4).
4.2.1 Connecteurs ADAT DIGITAL I/O
Ces six connecteurs Toslink intégrés (INPUTS A-C, OUTPUTS A-C) offrent 24 canaux d'entrée/sorting au format optique ADAT en 24 bits, 44.1 / 48kHz . À 88,2/96 kHz, le signal est multiplexé (format S/MUX), ce qui réduit le nombre de canaux d'entrée/sorting à 12.
La carte d'extension d'entrée/sorting ADAT optionnelle dispose de connecteurs Toslink supplémentaires (Expansion INPUTS A-C, Expansion OUTPUTS A-C) pour les canaux 13 à 24 à 88,2/96 kHz.
Le tableau indique les canaux en fonction des fréquences d'échantillonnage, avec et sans la carte d'extension:
Remarque: Les cartes d'extension ne sont pas encore disponibles.
Tableau 4-1 Canaux d'entrée/sortie numériques au format ADAT, à 44,1/48 et 88,2/96 kHz
| 44,1/48 kHz | 88,2/96 kHz | |
| INPUT A | 1-8 | 1-4 |
| INPUT B | 9-16 | 5-8 |
| INPUT C | 17-24 | 9-12 |
| OUTPUT A | 1-8 | 1-4 |
| OUTPUT B | 9-16 | 5-8 |
| OUTPUT C | 17-24 | 9-12 |
| Expansion INPUT A | ND | 13-16 |
| Expansion INPUT B | ND | 17-20 |
| Expansion INPUT C | ND | 21-24 |
| Expansion OUTPUT A | ND | 13-16 |
| Expansion OUTPUT B | ND | 17-20 |
| Expansion OUTPUT C | ND | 21-24 |

Figure 4-4 Entrées/sorties numériques et emplacements pour cartes d'extension
4.2.2 Connecteurs AES/EBU IN/OUT
Le connecteur XLR femelle AES/EBU IN accepte les signaux d'entrée stéreo numériques au format AES/ EBU. Un convertisseur de fréquence d'échantillonnage peut être activé afin de convertir la fréquence du signal d'entrée AES/EBU pour qu'elle corresponde à celle de la TT24. Le trajet du signal peut être déterminé à partir de la page STEREO INPUT (voir page 49).
Le connecteur XLR male AES/EBU OUT est une sortie numérique stéreo composée des signaux des sorties MAINS RIGHT et LEFT. À 88,2/96 kHz, le port AES/EBU emploie la méthode double vitesse, ce qui double la vitesse d'horloge du port d'E/S numérique afin de transmettre le double d'informations (voir page 46, pour plus d'informations sur les options de configuration numérique).
4.2.3 Connecteurs SPDIF IN/OUT
Le connecteur RCA asymétrique SPDIF IN accepte les signaux stéreo numériques au format S/PDIF. Un convertisseur de fréquence d'échantillonnage peut être activé afin de convertir la fréquence du signal de l'entrée SPDIF IN pour qu'elle corresponde à celle de la TT24. Le signal peut ensuite être acheminé aux sorties Main L/R à partir de la page STEREO INPUT, si nécessaire.
Le connecteur RCA asymétrique SPDIF OUT est une sortie numérique stéreo au format S/PDIF composée des signaux des sorties MAINS RIGHT et LEFT.
4.2.4 Connecteurs WORD CLOCK IN/OUT
Ce connecteur BNC WORD CLOCK IN recooit le signal Wordclock d'un autre apparéil lorsque le paramètre Clock Source est réglé sur Word dans la page DIGITAL SETUP. Utilisez ce connecteur lorsque vous devez synchroniser plusieurs apparéils sur la même horloge maître. Utilisez un cable coaxial de 75 pour connec-ter le signal Wordclock à l'entrée WORD CLOCK IN.
Le connecteur BNC WORD CLOCK OUT produit un signal Wordclock dont la fréquence d'échantillonnage correspond à celle de la TT24. Utilisez ce connecteur pour transmettre le signal Wordclock à d'autres apparreils lorsque la TT24 est l'horloge maître du système.
4.2.5 Connecteurs MIDI IN/OUT
Ces connecteurs DIN 5 broches MIDI IN/OUT permettent la connexion à d'autres apparciels MIDI. L'entrée MIDI IN peut receiveoir un code temporel MIDI (MTC), pour la synchronisation avec un autre apparciel, ou des messages de changement de programme MIDI, pour le chargement de Snapshots. La sortie MIDI OUT peut transmettre un message de contrôle MMC MIDI et des messages de changement de programme MIDI lors du chargement de Snapshots.
4.2.6 Port USB
Ce bus série universel permet d'utiliser le logiciel TT Control sur un PC, d'installer les mises à jour du Firmware, de partirager des fischiers entre PC et d'effectuer des sauvegardes.
4.3 Embase secteur IEC
Il s'agit d'un connecteur IEC standard à 3 broches. Connectez le cordon secteur fourni avec la TT24 à cette embase et l'autre extrémité à une prise secteur.
La TT24 est équipée d'une alimentation à découvert page acceptant tous les formats secteur compris entre 100 Vca et 240 Vca. Pas besoin de déslecteur de tension. Ceci vous permet d'utiliser la console partout dans le monde. Cette alimentation est également moins sensible aux variations de tensions, surtensions, bruits secteur, etc.
4.4 Interrupteur POWER
Lorsque l'interrupteur POWER est placé sur On , la TT24 est sous tension. Pendant le chargement du Firmware, la console est en mode d'auto test et les Faders sont activés.
5 - Affectation des DSP et des effets intégrés

REMARQUE TECHNIQUE : La TT24 est équipée de 12 puce DSP SHARC avec algéorithmes intégrés. Contrairement aux autres mélangeurs audionumeriques, les algéorithmes sont programmes en tant que Firmware sur les puce DSP. Le signal audio est numérique par le convertisseur A/N et il
est ensuite achemine au DSP, qu'il soit activé ou non. La latence est donc la même pour toutes les sources audio.
Ce chapitre explique comment la TT24 attribue les ressources des effets intégrés et des DSP. Voir Chapitre 6: Écran tactile et logiciel TT Control pour des informations spécifique sur les pages des effets et des DSP. Voir Tableau sommaire des fonctions DSP et des effets à la page 28 pour les paramètres de référence.
5.1 Entrees analogiques, numériques et ligne
Entrées analogiques
Les entrées analogiques 1 à 24 acheminent le signal à leur bloc DSP tout de suite après le convertisseur A/N, et avant les sorties, les groupes et les départ. Voici le trajet du signal : filtré passer-haut à fréquence régliable, Noise Gate régliable, égaliseur et compresseur (l'ordre peut être inversé en fonction de la voie), Fader de voie, panoramicique et sections d'assignation.
Entrées numériques
Les entrées numériques au format optique ADAT 25 à 48 ne sont pas équipées de DSP. Leurs signaux parviennent donc à la console, passent par l'afficheur puis sont routés aux sorties Mains, Aux Sends ou Groups/Matrix.
REMARQUE: La carte d'extension UFX II offre des DSP supplémentaires pour ces entrées.
Entres ligne
Chacune des entrées ligne dispose d'un égaliseur paramétrique quatre bandes. Les entrées impaire/paire adjacentes peuvent être coupées en stéreo (page 13).
5.2 Bus Master L/R et C/Mono
Voici le trajet du signal des bus Master L/R et C/Mono : égaliser paramétrique six bandes, égaliser graphique 31 bandes, comprésur et Fader général.
5.2.1 Modes L/R+Mono et LCR
Les deux modes de mixage généraux de la TT24 sont :
L / R + M o: Sorties stereo et mono independantes.
LCR: Panoramaque gauche-centre-droit pour les voies et les bus.
L/R+Mono :
En mode L/R+Mono, les signaux gauche et droit sont présents aux sorties LEFT et RIGHT et le signal mono à la sortie CTR/MONO. Les voies peuvent être assignées aux deux sorties. Le signal acheminé à la sortie CTR/MONO est pré-panoramaque. Les réglages de traitement et de niveau général des sorties L/R et Mono sont couplés par défaut, mais ils peuvent également être utilisés indépendamment (voir page 13). Lorsquils ne sont pas coupplés, le Fader MASTER détermine le niveau des sorties LEFT-RIGHT, et le Fader C/Mono (voie 24 de la banque MASTERS) celui de la sortie mono (qui peut aussi être contrôleé à partir de la page Master OVERVIEW). Lorsquils sont coupplés, le Fader Master contrôle tous les niveaux et les réglages de traitement sont tous coupplés. Un décalage relatif peut être réglé entre les sorties LEFT-RIGHT et CTR/MONO à partir de la page Master OVERVIEW, ou à l'aide des Faders des voies 22 à 24 de la banque MASTERS.
LCR:
En mode LCR, les sorties LEFT, CTR/MONO et RIGHT délivrent toutes le même signal. Les voies peuvent être assignées aux sorties stéroye, mono ou aux trois. Lorsqu'une voie est assignée uniquement à la sortie Center, le signal est pré-panoramaque, et ce réglage ne l'atté ce don pas. Les voies assignées uniquement aux sorties LEFT et RIGHT sont routées avec un panoramaque stéroye. Lorsqu'en mode LCR, les voies sont routées aux sorties LEFT, CTR/MONO et RIGHT avec un véritable panoramaque LCR. En mode LCR, les réglages de traitement et de niveaux généraux sont coupés par défaut, mais ils peuvent aussi être utilisés indépendamment en selectionnant LINK sur la page Master OVERVIEW. Lorsquils ne sont pas coupés, le Fader MASTER déterminé le niveau des sorties LEFT et RIGHT, et le Fader C/Mono (voie 24 de la banque MASTERS) celui de la sortie Center (qui peut aussi être contrôle à partir de la page Master OVERVIEW). Lorsqu'ils sont coupés, le Fader MASTER contrôle tous les niveaux et les réglages de traitement sont tous coupés. Un décalage relatif peut être réglé entre les sorties LEFT-RIGHT et CTR à partir de la page Master OVERVIEW, ou à l'aide des Faders des voies 22 à 24 de la banque MASTERS.
5.2.2 Égaliseur six bandes
Les sorties générales disposent toutes d'un égaliseur six bandes, composé de quatre filtrés d'égalisation et de deux filtrés Kill (voir page 38), et d'un égaliseur graphique 31 bandes (voir page 39).
Couplage de l'égalisation
Les égaliseurs Master LR et C/Mono représentent en fait trois égaliseurs: l'égaliseur LR est stéreo (deux EQ), et l'égaliseur Mono (un EQ) peut aussi être couplé à ce dernier. Pour ce faire, maintenez les touches SELECT des canaux LR et C/Mono enforcées pendant deux secondes (voir Couplage des voies à la page 13). Sélectionnez la touche SELECT du Fader Master LR ou C/Mono lorsque la page EQ ou OVERVIEW est affichée et la page de l'égaliseur (ou du compresseur) LR apparaît sur l'écran. Lorsqu'en mode LR et C/Mono coupés, les réglages de l'égaliseur LR affectent l'égaliseur Mono, ce dernier est indépendant s'il n'est pas coupled.
5.2.3 Compressor
Le compresseur Master fonctionne exactement comme celui des voies (voir page 40). Les compresseurs Master LR et C/Mono représentent en fait trois compresseurs: les compresseurs LR sont coupés en stéreo et le compresseur C/Mono peut être coupled au besoin. Le compresseur Master peut être affiché sur la page Master OVERVIEW, et les réglages s'effectuent à partir de la page COMPRESSOR.
5.2.4 Faders dans le trajet du signal
La position du Fader Master LR ou LCR peut être pré ou post-compresseur. En mode pré-compresseur, l'utilisteur peut se servir du Fader Master sans affecter le niveau du compresseur. La position du Fader Master est déterminée sur la page Master OVERVIEW.
Trajet du signal pour chacun des départ : égaliseur paramétrique six bandes et compréseur. La position de l'égaliseur et du compréseur peut être inversée.
5.3.1 Égaliseur paramétrique six bandes
Les égaliseurs des départes généraux fonctionnent de la même façon que les égaliseurs LR et C/Mono (voir page 39).
Si une paire de départ est coupée, leurs égaliseurs sont également coupés : le fait de régler l'égaliseur d'un départ règle également celui de l'autre.
L'égaliseur d'un départ peut être affiché sur les pages AUX MASTER et Aux OVERVIEW. Les réglages de l'égaliseur s'effectuent à partir de la page 6 BAND EQ.
5.3.2 Compresseur
Les compresseurs des départiers généaux fonctionnent de la même façon que les compresseurs des voies.
Si une paire de départ est couplée, leurs comprisseurs sont également coupés : le fait de régler le comprisseur d'un départ règle également celui de l'autre.
Le compresseur d'un départ général sélectionné est affché sur les pages Aux MASTER et Aux OVERVIEW. Les réglages s'effectuent à partir de la page COMPRESSOR du départ général.
5.4 Groupes personalisables avec blocs DSP
Huit blocs DSP sont disponibles pour les groupes personnalisables, de sorte que chacun des groupes peut utiliser un bloc DSP, sauf ceux en mode VCA (voir page 26). Les groupes ne peuvent pas tous acceder aux blocs DSP en même temps s'ils sont en mode multivoies. Le DSP des groupes comporte un égaliseur quatre bandes et un compréseur. Par défaut, l'égaliseur est avant le compréseur, mais l'ordre peut être inversé.
5.4.1 Modes personalisables du groupe
Chacun des groupes peut être configuré en mono, sté-réo, LCR (si dans ce mode) ou VCA. Le type de groupe est déterminé dans la page Group OVERVIEW. Chacun des modes peut être configuré indépendamment.
Mode Mono
Si la TT24 est en mode L/R+Mono, tous les groupes sont mono par défaut. Les groupes mono fonctionnent de la même façon que les groupes sur une console analogue conventionnelle : les touches GROUP ASSIGN permettent d'achemer les signaux mono pré-panoramaques des voies aux groupes. ÀpresTraitement, le signal passé par la touche MUTE et le Fader du groupe, et est ensuite envoy aux sorties Master LR ou Mono. Le panoramicique du groupe permet de déterminer l'équilibre gauche-droit. La matrice de mixage peut également acceder aux signaux des groupes.
Mode Stereo
Les groupes stéreo ne sont pas équipés de réglage de panoramicique. Les signaux sont routés des voies aux groupes à l'aide des touches GROUP ASSIGN, mais le signal est post-panoramaque afin de préserver l'image stéreo tout au long du trajet du signal. Àpres le traitement du groupe, le signal stéreo passse par la touche MUTE et le Fader du groupe, puis est acheminé aux sorties principales L/R. Les groupes stéreo peuvent également être routés à la sortie C/Mono, mais le signal est alors une somme mono.
Mode LCR
En mode LCR, les quatre modes de groupe, dont ce dernier, sont accessibles, mais leur fonctionnement est légèrement différent. Un groupe mono reçoit toujours un signal mono depuis la voie assignée et peut encore être routed aux sorties Center ou L/R. Cependant, il peut également être achemieux aux sorties Center et L/R simultanément s'il est assigné aux trois sorties, ce qui offre un veritable panoramicique gauche-centre-droit.
En mode LCR, un groupe stéreo reçoit un signal d'une voie dont le panoramaque est stéreo. Il en résultat donc un groupe stéreo présentant l'image stéreo tout au long du trajet du signal. Le groupe ne peut être routé qu'aux sorties LEFT et RIGHT ou MATRIX après le traitement, la touche MUTE du groupe et le Fader.
Si un groupe est en mode LCR, il recoit le signal post-panoramaque d'une voie, de sorte que le panoramaque est LCR. Le groupe conserve donc une vraie image gauche-centre-droit tout au long du trajet du signal (DSP assignable, touche MUTE et Fader). Un groupe LCR peut être routé aux sorties LEFT, RIGHT et CTR/MONO.
Remarque: Le fait d'assigner le groupe aux bus LEFT-RIGHT ou CTR l'assigne automatiquement aux deux; il ne peut être routé qu'à l'un ou l'autre.
Mode VCA
Le mode VCA permet d'assigner les voies, chacune à leur niveau respectif, à un groupe dont le niveau général est régle avec un seul Fader. N'importe qu'elle entraee peut'être assignée à un groupe VCA. Le Fader du groupe VCA modifie le niveau des voies assignées au niveau de leur Fader. Ceci signifie que tous les départ post-Fader de ces voies sont également affectés par le Fader du groupe VCA. Les Faders du groupe VCA et de la voie affectent donc la sortie de la voie. Par exemple, si le Fader de la voie est régle sur +5 dB et le Fader VCA sur -15 dB, le niveau de sortie de la voie est de -10 dB.
Toutefois, tous les Faders coupés ou régés au minimum ne sont pas affectés par le Fader VCA. Par exemple, si la voie 1 est régée au minimum, la sortie de la voie est coupée peu importe la position du Fader VCA. De même, si le Fader VCA est coupé ou régé au minimum, les voies assignées sont coupées, peu importe la position de leur Fader. Lorsqu'une seule entrée est assignée à plusieurs groupes VCA, elle est affectée par tous les Faders VCA. Le niveau du signal en résultat est la somme des Faders de la voie et VCA. Le gain maximum de la somme est de 10dB . Le Fader de groupe VCA est équipé de touches MUTE, SOLO et SELECT. Lorsque le groupe VCA est coupé ou réduit au maximum, les voies assignées le sont également. Les touches MUTE et SOLO des voies clignotent alors et les touches MUTE et SOLO du groupe VCA s'allument.
5.4.2 Affectation de DSP au groupe
Les groupes mono, stéreo et LCR peuvent acceder au DSP, mais pas les groupes VCA. Huit DSP sont disponibles pour les groupes, et chacun de ces derniers dispose d'un numéro de DSP différent : Mono = 1, Stereo = 2, LCR = 3. La TT24 permet jusqu'à huit groupes LCR : le processeur ne dispose pas d'assez de ressources pour toutes les possibités de routage de tous les groupes.
La page Group OVERVIEW comporte un afficheur GRP DSP AVAILABLE indiquant les ressources disponibles pour le DSP (par incréements d'une unité). Voir page 37 pour plus d'informations.
Lorsqu'un autre mode de groupe est sélectionné, le DSP peut être changé automatiquement. S'il n'y a pas assez de ressources DSP pour faire le changement, cette mise en garde apparait : “There is not enough DSP to change the mode of the selected group. Change the mode and remove group processing?” Sélectionnez REMOVE pour annuler le traitement et changer de mode de groupe, ou sélectionnez CANCEL pour conserver le mode de groupe en cours et les ressources DSP.
Égaliseur paramétrique quatre bandes
L'égaliseur paramétrique quatre bandes fonctionne de la même façon que celui des voies (voir Égaliseur quatre bandes à la page 38).
Les sections d'égalisation sont en fonction du mode du groupe: Mono = 1, Stereo = 2, LCR = 3. Les groupes stéréo et LCR sont pourvus de sections d'égalisation coupées en raison de leurs voies multiples. L'égaliseur de groupe affecte tous les groupes.
L'égaliser par paramétrique des groupes peut être affché sur la page Group OVERVIEW, et les réglages s'effectuent à partir de la page 4 BAND EQ des groupes.
Compresseur
Le compresseur des groupes fonctionne exactement comme celui des voies (voir Compressor à la page 40).
Le mode du groupe déterminé le nombre de sections de compression et les ressources DSP sollicitées : Mono = 1 , Stereo = 2 LCR = 3 . Les groupes stéreo et LCR sont pourvus de sections de compression coupées en raison de leurs voies multiples. Le compresseur de groupe affecte tous les groupes.
Le compresseur des groupes peut être affiché sur la page Group OVERVIEW, et les réglages s'effectuent à partir de la page COMPRESSOR.
5.5 Matrices de sorties
Chacune des matrices de sorties dispose d'un début régable.
5.5.1 Delai
Chacune des matrices de sorties dispose d'un début (jusqu'à 600 ms) pour l'alignement de plusieurs groupes d'enceintes dans les grandes salles (voir Délai à la page 44).
5.6 Proceseurs d'effets intégrés
Les réglages des quatre processeurs d'effets indépendants (entree mono/sortie stéreo) s'effectuent à partir des pages EFX, auxquelles vous pouvez acceder en appuyant sur la touche EFX ou sur leurs retours correspondants sur les pages OVERVIEW. Chacun des processeurs peut utiliser l'un des effets suivants : réverbération, lié mono/stéreo/Ping Pong, Chorus ou Flanger. Tous les effets disposent d'un égaliseur post-effet avec des filtres Baxendall pour les graves et les aigus, et un correcteur paramétrique pour les mediums.
Les effets intégrés peuvent être alimentés par n'importe quel départ Aux Sends ou sortie Matrix. Par défaut, les quatre processeurs d'effets sont alimentés par les départs Aux Sends 9 à 12. Le routage s'effectue à partir de la page EFX (voir Effets à la page 45).
5.7 Tableau sommaire des fonctions DSP et des effets
Tableau 5-1 Fonctions DSP et attribution
| FONCTION | VOIES | PARAMÈTRE | VALEURS DE RÉGLAGE/PAS | VALEUR PAR DEFAULT |
| Digital Trim (gain numérique) | Analogiques 1 à 24 et retours analogiques 1 à 8 | Digital Trim | +15 dB à -15 dB (pas : 0,1 dB) | 0 dB |
| High Pass Filter (filtre passé-haut) | Analogiques 1 à 24 | On/Off | On ou Off | Off |
| Phase | Analogiques 1 à 24 | Phase | Normal/Invert | Normal |
| Gate | Analogiques 1 à 24 | Threshold | -60 dBFS à -1 dBFS (pas : 0,2 dB) | -60 dBFS |
| Range | -100 dB à -1 dB (pas : 0,5 dB) | -100 dB | ||
| Ratio (lorsque l'expandeur est activé) | 1:20 à 1:1 (pas proportionnels) | 1:20 | ||
| Attack | 0,1 ms à 2500 ms (pas proportionnels) | 0,1 ms | ||
| Release | 10 ms à 2500 ms (pas proportionnels) | 100 ms | ||
| Hold | 0 ms à 2500 ms (pas proportionnels) | 0 ms | ||
| Gate On/Off | On ou Off | Off | ||
| Mode | Gate ou Expander | Gate | ||
| Compresseur | Analogiques 1 à 24Départs Aux Sends 1 à 12Bus DSP assignableL/R-C/Mono | Threshold | 60 dBFS à -1 dBFS (pas : 0,2 dB) | -1 dBFS |
| Ratio | 1:1 à 20:1 (pas proportionnels) | 2.2:1 | ||
| Attack | 0,1 ms à 2500 ms (pas proportionnels) | 4,1 ms | ||
| Release | 10 ms à 2500 ms (pas proportionnels) | 100 ms | ||
| Gain | 0 dB à 20 dB (pas : 0,1 dB) | 0 dB | ||
| Compressor On/Off | On ou Off | Off | ||
| Knee Mode | Hard ou Soft | Hard | ||
| FONCTION | VOIES | PARAMÈTRE | VALEURS DE RÉGLAGE/IN-CREMENTS | VALEUR PAR DEFAULT |
| 4-Band EQ (égaliseur 4 bandes) | Analogiques 1 à 24 Bus DSP assignable | Gain 1 | -15 dB à +15 dB (pas : 0,1 dB) non disponible lorsqu'elle passé-haut est activé sur la bande 1 | 0 dB |
| Freq 1 | 20 Hz à 20 kHz (pas proportionnels) | 80 Hz | ||
| Bandwidth 1 | 2 octaves à 1/30 octave ( proportionnels) non disponible pour filtre Baxendale | 1/2 | ||
| Gain 2 | -15 dB à +15 dB (pas : 0,1 dB) | 0 dB | ||
| Freq 2 | 20 Hz à 20 kHz (pas proportionnels) | 500 Hz | ||
| Bandwidth 2 | 2 octaves à 1/30 d'oct. ( proportionnels) | 1/2 | ||
| Gain 3 | -15 dB à +15 dB (pas : 0,1 dB) | 0 dB | ||
| Freq 3 | 20 Hz à 20 kHz (pas proportionnels) | 2 kHz | ||
| Bandwidth 3 | 2 octaves à 1/30 d'octave ( pas proportionnels) | 1/2 | ||
| Gain 4 | -15 dB à +15 dB (pas : 0,1 dB) | 0 dB | ||
| Freq 4 | 20 Hz à 20 kHz (pas proportionnels) | 10 kHz | ||
| Bandwidth 4 | 2 octaves à 1/30 d'oct. ( proportionnels) non disponible pour filtre Baxendale | 1/2 | ||
| EQ On/Off | On ou Off | On | ||
| Band 1 | Mode Para, Shelf | Shelf | ||
| Band 4 | Mode Para, Shelf | Shelf | ||
| 6-Band EQ (égaliseur 6 bandes avec deux filtres Kill) | Départs Aux Sends 1 à 12 L/R-C/Mono | Gain 1 | -15 dB à +15 dB (pas : 0,1 dB) | 0 dB |
| Freq 1 | 20 Hz à 20 kHz (pas proportionnels) | 80 Hz | ||
| Gain 2 | -15 dB à +15 dB (pas : 0,1 dB) | 0 dB | ||
| Freq 2 | 20 Hz à 20 kHz (pas proportionnels) | 500 Hz | ||
| Bandwidth 2 | 2 octaves, 1/30 d'oct. ( proportionnels) | 1/2 | ||
| Gain 3 | -15 dB à +15 dB (pas : 0,1 dB) | 0 dB | ||
| Freq 3 | 20 Hz à 20 kHz (pas proportionnels) | 2 kHz | ||
| Bandwidth 3 | 2 octaves à 1/30 d'oct. (propor.) | 1/2 | ||
| Gain 4 | -15 dB à +15 dB (pas : 0,1 dB) | 0 dB | ||
| Freq 4 | 20 Hz à 20 kHz (pas proportionnels) | 10 kHz | ||
| Gain 5 | 0 dB, -6 dB, -12 dB, -18 dB | 0 dB | ||
| Freq 5 | 20 Hz à 20 kHz (pas proportionnels) | 1 kHz | ||
| Bandwidth 5 | 1/10, 1/20, 1/30 d'octave | 1/10 d'octave | ||
| Gain 6 | 0 dB, -6 dB, -12 dB, -18 dB | 0 dB | ||
| Freq 6 | 20 Hz à 20 kHz (pas proportionnels) | 1 kHz | ||
| Bandwidth 6 | 1/10, 1/20, 1/30 d'octave | 1/10 d'octave | ||
| EQ On/Off | On ou Off | On | ||
| 31-Band Graphic EQ (égaliseur graphique 31 bandes) | L/R-C/Mono | Gain | -12 dB à +12 dB | 0 dB |
| Frequency | ISO centrée, 1/3 d'octave | |||
| 20, 25, 32, 40, 50, 62, 80, 100, 125, 160, 200, 250, 315, 400, 500, 630, 800, 1.0 k, 1.3 k, 1.6 k, 2.0 k, 2.5 k, 3.2 k, 4.0 k, 5.0 k, 6.4 k, 8.0 k, 10.0 k, 13.0 k, 16.0 k, 20.0 k | ||||
| Delay (délai) | Sorties Matrix | Delay | 0 ms à 600 ms (pas : 0,5 ms) | 0 ms |
| Temperature | 20 à 120 °F (-10 ° à 50 °C), pas de 1° | 77 °F / 25 °C | ||
| Delay On/Off | On ou Off | Off | ||
Tableau 5-2 Paramètres et valeurs des effets intégrés
| FONCTION | PARAMÈTRE | VALEURS DE RÉGLAGE/INCRÉ-MENTS | VALEUR PAR DÉ-FAUT |
| Reverb (réverbération) | Size | 3 à 40 m (pas : 1 m) | 10 m |
| Decay | 0,1 à 10 s (pas : 0,1 s) | 1,6 s | |
| Pre Delay | 0 à 300 ms (pas : 1 ms) | 0 ms | |
| Diffusion | 0 à 10 (pas : 1) | 5 | |
| Damping | 0 à 10 (pas : 1) | 5 | |
| Roll Off | Flat à 500 Hz (pas proportionnels) | Flat | |
| EQ On/Off | On/Off | Off | |
| Low Shelf Gain | -15 dB à +15 dB (pas : 0,1 dB) | 0 dB | |
| Mid Gain | -15 dB à +15 dB (pas : 0,1 dB) | 0 dB | |
| Mid Frequency | 20 Hz à 20 kHz (pas proportionnels) | 2 kHz | |
| Mid Bandwidth | 2 octaves à 1/30 d'octave (pas proportionnels) | 1/2 | |
| High Shelf Gain | -15 dB à +15 dB (pas : 0,1 dB) | 0 dB | |
| Gated Reverb (réverbération Gate) | Size | 3 à 40 m (pas : 1 m) | 10 m |
| Pre Delay | 0 à 300 ms (pas : 1 ms) | 0 ms | |
| Diffusion | 0 à 10 (pas : 1) | 5 | |
| Roll Off | Flat à 500 Hz (pas proportionnels) | Flat | |
| Type | Hall, Plate, Random, Reverse | Hall | |
| Damping | 0 à 10 (pas : 1) | 5 | |
| Roll Off | Flat à 500 Hz (pas proportionnels) | Flat | |
| EQ On/Off | On/Off | Off | |
| Low Shelf Gain | -15 dB à +15 dB (pas : 0,1 dB) | 0 dB | |
| Mid Gain | -15 dB à +15dB (pas : 0,1 dB) | 0 dB | |
| Mid Frequency | 20 Hz à 20 kHz (pas proportionnels) | 2 kHz | |
| Mid Bandwidth | 2 octaves à 1/30 d'octave (pas proportionnels) | 1/2 | |
| High Shelf Gain | -15 dB à +15 dB (pas : 0,1 dB) | 0 dB | |
| FONCTION | PARAMÈTRE | VALEURS DE RÉGLAGE/INCRÉMENTS | VALEUR PAR DÉ-FAUT |
| Reverb Through Gate (réver-bération et Gate) | Size | 3 à 40 m (pas : 1 m) | 10 m |
| Decay | 0,1 à 10 s (pas : 0,1 s) | 1,6 s | |
| Pre Delay | 0 à 300 ms (pas : 1 ms) | 0 ms | |
| Diffusion | 0 à 10 (pas : 1) | 5 | |
| Damping | 0 à 10 (pas : 1) | 5 | |
| Roll Off | Flat à 500 Hz (pas proportionnels) | Flat | |
| Threshold | -60 dBFS à -1 dBFS (pas : 0,2 dBFS) | -60 dBFS | |
| Release | 10 à 2500 ms (pas proportionnels) | 100 ms | |
| Hold | 0 à 2500 ms (pas proportionnels) | 0 ms | |
| EQ On/Off | On/Off | Off | |
| Low Shelf Gain | -15 dB à +15 dB (pas : 0,1 dB) | 0 dB | |
| Mid Gain | -15 dB à +15 dB (pas : 0,1 dB) | 0 dB | |
| Mid Frequency | 20 Hz à 20 kHz (pas proportionnels) | 2 kHz | |
| Mid Bandwidth | 2 octaves à 1/30 d'octave (pas proportionnels) | 1/2 | |
| High Shelf Gain | -15 dB à +15 dB (pas : 0,1 dB) | 0 dB | |
| Mono Delay (délai mono) | Delay | 0 à 1600 ms (pas proportionnels) | 250 ms |
| Feedback | 0 % à 100 % (pas : 1 %) | 20% | |
| Damping | Flat à 500 Hz (pas proportionnels) | Flat | |
| EQ On/Off | On/Off | Off | |
| Low Shelf Gain | -15 dB à +15 dB (pas : 0,1 dB) | 0 dB | |
| Mid Gain | -15 dB à +15 dB (pas : 0,1 dB) | 0 dB | |
| Mid Frequency | 20 Hz à 20 kHz (pas proportionnels) | 2 kHz | |
| Mid Breadth | 2 octaves à 1/30 d'octave (pas proportionnels) | 1/2 | |
| High Shelf Gain | -15 dB à +15 dB (incréments : 0,1 dB) | 0 dB | |
| Stereo Delay (délai stéreo) | Delay Left | 0 à 1600 ms (pas proportionnels) | 250 ms |
| Delay Right | 0 à 1600 ms (pas proportionnels) | 250 ms | |
| Feedback Left | 0 % à 100 % (pas : 1 %) | 20% | |
| Feedback Right | 0 % à 100 % (pas : 1 %) | 0.2 | |
| Damping Left | Flat à 500 Hz (pas proportionnels) | Flat | |
| Damping Right | Flat à 500 Hz (pas proportionnels) | Flat | |
| EQ On/Off | On/Off | Off | |
| Low Shelf Gain | -15 dB à +15 dB (pas : 0,1 dB) | 0 dB | |
| Mid Gain | -15 dB à +15 dB (pas : 0,1 dB) | 0 dB | |
| Mid Frequency | 20 Hz à 2 0 kHz (pas proportionnels) | 2 kHz | |
| Mid Bandwidth | 2 octaves à 1/30 d'octave (pas proportionnels) | 1/2 | |
| High Shelf Gain | -15 dB à +15 dB (incréments : 0,1 dB) | 0 dB | |
| FONCTION | PARAMÈTRE | VALEURS DE RÉGLAGE/INCRÊMENTS | VALEUR PAR Dé-FAUT |
| Ping Pong Delay (décai Ping Pong) | Delay Left | 0 à 1600 ms (pas proportionnels) | 250 ms |
| Delay Right | 0 à 1600 ms (pas proportionnels) | 250 ms | |
| Feedback Left | 0 % à 100 % (pas : 1 %) | 20% | |
| Feedback Right | 0 % à 100 % (pas : 1 %) | 0.2 | |
| Damping Left | Flat à 500 Hz (pas proportionnels) | Flat | |
| Damping Right | Flat à 500 Hz (pas proportionnels) | Flat | |
| EQ On/Off | On/Off | Off | |
| Low Shelf Gain | -15 dB à +15 dB (pas : 0,1 dB) | 0 dB | |
| Mid Gain | -15 dB à +15 dB (pas : 0,1 dB) | 0 dB | |
| Mid Frequency | 20 Hz à 20 kHz (pas proportionnels) | 2 kHz | |
| Mid Bandwidth | 2 octaves à 1/30 d'octave (pas proportionnels) | 1/2 | |
| High Shelf Gain | -15 dB à +15 dB (pas : 0,1 dB) | 0 dB | |
| Chorus | Depth | 0 à 10 ms (pas : 0,1 ms) | 3 ms |
| Delay | 0 à 100 ms (pas : 1 ms) | 0 ms | |
| Thicken | 0,1,2,3 | 1 | |
| Speed | 0,05 à 5 Hz (pas proportionnels) | 1 Hz | |
| Waveform | Sine, Triangle, Random | Sine | |
| EQ On/Off | On/Off | Off | |
| Low Shelf Gain | -15 dB à +15 dB (pas : 0,1 dB) | 0 dB | |
| Mid Gain | -15 dB à +15 dB (pas : 0,1 dB) | 0 dB | |
| Mid Frequency | 20 Hz à 20 kHz (pas proportionnels) | 2 kHz | |
| MidBandwidth | 2 octaves à 1/30 d'octave (pas proportionnels) | 1/2 | |
| High Shelf Gain | -15 dB à +15 dB (pas : 0,1 dB) | 0 dB | |
| Flanger | Depth | 0 ms à 10 ms (pas : 0,1 ms) | 3 ms |
| Delay | 0 ms à 100 ms (pas : 1 ms) | 0 ms | |
| Manual Sweep | 20 Hz à 20 kHz (pas proportionnels) | 1 kHz | |
| Thicken | 0,1,2,3 | 1 | |
| Speed | 0,05 Hz à 5 Hz (pas proportionnels) | 1 Hz | |
| Waveform | Sine, Triangle, Rand | Sine | |
| EQ On/Off | On/Off | Off | |
| Low Shelf Gain | -15 dB à +15 dB (pas : 0,1 dB) | 0 dB | |
| Mid Gain | -15 dB à +15 dB (pas : 0,1 dB) | 0 dB | |
| Mid Frequency | 20 Hz à 20 kHz (pas proportionnels) | 2 kHz | |
| Mid Bandwidth | 2 octaves à 1/30 d'octave (pas proportionnels) | 1/2 | |
| High Shelf Gain | -15 dB à +15 dB (incrêments : 0,1 dB) | 0 dB |
6 - Écran tactile et logiciel TT Control
La plupart des réglages de la TT24 s'effectuent à l'aide de l'écran tactile et/ou du logiciel TT Control. Cette section présente les conventions générales pour ces deux interfaces. comme les pages du logiciel TT Control sont des versions améliorées de celles de l'écran tactile, elles ne seront mentionnées que lorsqu'il y a des différences.
L'écran tactile et le logiciel TT Control disposent d'une touche Ctrl offrant une fonction très pratique. Maintenez la touche CTRL enforcée et seLECTIONnez n'importe quel réglage de la console pour le ramener à sa valeur par défaut. Par exemple, maintenez la touche Ctrl enforcée et tournez un bouton Pan pour le ramener sur sa position centrale, ou un bouton de gain pour le régler sur 0 dB.

Remarque: L'écran tactile et le logiciel TT Control peuvent être synchronisés, permettant ainsi d'afficher la même page sur les deux écrans. Ils peuvent également être utilisés indépendamment, ce qui permet à deux ingénieurs du son d'acceder à la console. Ils sont synchronisés par défaut. Voir page 46 pour modifier ce réglage.
6.1 Conventions du logiciel TT Control
Le logiciel TT Control permet encore plus de possiblités de contrôle de la console TT24 en offrant :
- Un contrôle à distance de toutes les fonctions à partir d'un PC relié via USB.
- Un affichage et des graphiques de toute valeur qualité que ceux de l'écran tactile.
- Une possibilité de gestion à distance par type de concert/salle/préroglage et de sauvegarde/restauration entre deux consoles.
- La possibilité demettre à jour le Firmware de la console.
- Une gestion détaillée des Snapshots.

Figure 6-1 Interface du logiciel TT Control
La TT24 peut être reliée à un PC via un cable USB (cable de 2m fourni). Voici la configuration minimum requise pour PC:
Tableau 6-1:Configuration minimum pour PC
| Résolution | Vitesse de pro- cesseur | Système d'exploitation |
| 1024 x 768 | 600 MHz | Windows 2000 ou XP |
L'interface du logiciel TT Control comprend des boutons, des touches, des graphiques et des menus déroulants, qui sont tous décrits dans les sections suivantes.
6.1.1 TT Control - Boutons
Ces deux méthodes permettent de déterminer la valeur de réglage de chacun des boutons :
- Cliquez sur le bouton, maintenez le bouton de la souris enforcé et déplacez-le vers le haut/bas pour augmenter/réduire la valeur, respectivement.
Les boutons Trim, HPF, Fader, et Pan (Figure 6-1) peuvent être régles de cette façon. - Double-cliquez sur la valeur sous le bouton afin de la mesure en surbrillance, puis entrez une nouvelle valeur à l'aide du clavier.
Le champ HPF est en surbrillance dans la Figure 6-1. Les limites inférieure et supérieure sont appliquées automatiquement pour tous les paramètres.
6.1.2 TT Control - Touches
Le logiciel TT Control offre deux types de touches :
- Touches activées/désactivées (seLECTIONnées ou non)
Les touches qui sont sélectionnées (activées) sont celles avec des caractères noirs sur fond bleu clair (ex.: L/R dans la section GROUPS de la Figure 6-3). Les touches qui ne sont pas sélectionnées (déscienties) sont celles avec des caractères gris sur fond bleu foncé (ex.: GROUPS 1-8 dans la Figure 6-1). Cliquez pour l'activer/désactiver.
- Interrupteurs à témoin
Ces interrupteurs permettent de sélectionner l'une des valeurs à leur droite. La valeur sélectionnée est en caractères noirs sur fond bleu pale (ex.: GATE dans la Figure 6-1). Les valeurs qui ne sont pas sélectionnées sont en caractères gris sur fond noir (ex.: EXPANDER dans la Figure 6-1). La position de l'interrupteur indique la valeur sélectionnée. Cliquez sur n'importe qu'elle partie de l'interrupteur pour alterner entre les valeurs (l'ordre est circulaire s'il y en a plus de deux).
6.1.3 TT Control - Menus
Les menus Ch. 1 Analog, Overview, Menu et Files, dans le haut de la Figure 6-1, sont tous munis d'une flèche pointant vers le bas indiquant les sélections du menu. Cliquez sur le nom du menu ou la flèche pour ouvrir un menu Windows standard. De plus, le menu Ch. 1 Analog dispose de flèches haut/bas plus larges de chaque côté. Cliquez sur ces flèches, ou appuyez sur les touches de défilament vers le haut/bas de la console, pour faire défiler la liste sans devoir ouvrir la fenêtre.
6.1.4 TT Control - Graphiques
Certain graphiques affichent des numérios et des lettres dans de petits losanges qui peuvent être déplacés (ex.: les graphiques EQ, GATE et Compressor de la Figure 6-1). Sur le graphique EQ, chacun des points peut être régle en fonction du type de filtré. comme la bande 1 est un filtré Baxendall, son point (1 dans la Figure 6-1) peut être déplace latéralement pour spécifique la fréquence de coupure du filtré, et vers le haut/bas pour régler le gain du filtré. Les filtres paramétriques peuvent être déplaces vers le haut/bas pour régler le gain, et latéralement pour spécifique la fréquence centrale. Maintenez la touche Alt enforcée, cliquez sur le point et déplacez-le latéralement pour régler le facteur Q (vers la gauche pour un filtré plus large, vers la droite pour un filtré plus étroit). Chacun des points correspond également aux champs numériques sous le graphique, qui affichent leur valeur en cours. Pour effectuer le réglage à partir d'un champ, double-cliquez-le puis entrez la valeur à l'aide du clavier. Les limites inférieure et supérieure sont appliquées automatiquement.
6.2 Conventions de l'écran tactile
L'écran tactile comporte des boutons, des touches et des sous-pages, qui sont tousprésentés dans les sections suivantes. Le menu FILES est le même pour toutes les pages de l'écran tactile.
6.2.1 Écran tactile - Boutons

Remarque: Les boutons de l'écran tactile ne peuvent pas être régles directement sur l'écran! Ils correspondant aux codeurs rotatifs QuickMix sous l'écran tactile.
Selon la page, jusqu'à 12 boutons de l'écran tactile peuvent être utilisés, et la fonction et la valeur de réglage de chacun sont affichées. La position de ces boutons correspond à celle des codeurs rotatifs QuickMix sous l'écran. Le fait de tourner un bouton QuickMix modifie donc le paramètre correspondant. Lorsqu'une page compte moins de 12 paramètres, la rangée de boutons
QuickMix au bas est tout d'abord utilisée, puis celles du milieu et du haut si nécessaire. La Figure 6-2 illustrate les trois rangiées. Les boutons QuickMix peuvent servir de poussoirs pour sélectionner l'une des deux valeurs du paramètre principal. Par exemple, le pouvoir du départ Aux Send d'une voie permet de sélectionner les modes pré ou post-Fader. Les boutons de l'écran tactile disposant de cette fonction apparaissent en blanc只不过 qu'en noir ( comme sur la Figure 6-2).

Figure 6-2 Page 6 Band EQ
6.2.2 Ecran tactile - Touches
L'écran tactile offre deux types de touches :
- Touches activées/désactivées
Les touches qui ne sont pas séLECTIONnées (désactivées) sont celles avec des caractères noirs sur fond blanc (ex.: touche SOLO de la Figure 6-3). Les touches sélectionnées (activées) sont celles avec des caractères blancs sur fond noir.
- Interrupteurs avec tímoins lumineux
Ces interrupteurs permettent de sélectionner l'une des valeurs à leur droite. La valeur sélectionnée est en caractères noirs sur fond blanc (ex.: ALL ACTIVE dans la Figure 6-3). La valeur qui n'est pas sélectionnée est en caractères blancs sur fond noir (ex.: ALL OUT). La position de l'interrupteur indique la valeur sélectionnée. Appuyez sur l'interrupteur pour passer d'une valeur à l'autre.

Figure 6-3 Page MATRIX MIX
6.2.3 Écran tactile - Nom et voie/ fonction
Le nom de la page de l'écran tactile apparait en haut, au milieu de l'écran (ex.: MATRIX MIX dans la Figure 6-3). Certaines pages sont spécifiques à la voie ou à la fonction sélectionnée. Par exemple, les pages OVERVIEW Analog et Effect Return sont différentes. La voie/fonction sélectionnée apparait dans le coin supérieur gauche de l'écran (ex.: Mtx C dans la Figure 6-3). Appuyez sur les flèches haut/bas de chaque côté de la voie pour faire défiler les voies. Les touches QuickMix de défiling haut/bas permettent la même fonction.
6.2.4 Sous-pages
Certaines fonctions nécessitent une ou plusieurs sous-pages pour régler tous les paramètres. Pour acceder à ces pages, appuyez sur une touche ou une section, comme un graphique EQ. Àpès avoir visionné et régle les paramètres sur la sous-page, returnez à la page précédente en appuyant sur la touche de la console qui vous a permis d'acceder à la page d'origine.
6.3 Pages Overview
Il y a sept pages OVERVIEW: Analog, Digital, Line, Effect Return, Aux, Group et Master. Pour afficher ces pages, appuyez sur la touche QuickMix FAT et :
- selectionnez la banque de la voie souhaitée et appuyez sur sa touche SELECT;
OU
- appuyez sur les flèches vers le haut/bas après du menu de la voie pour trouver la voie souhaitation.
6.3.1 Page Analog

Figure 6-4 Page Analog OVERVIEW
La section AUXES affiche les assignations, les niveaux, le panoramicque (si les départs sont couprés en stéréo) et le mode pré/post-Fader (vide = POST) de la voie. La section GROUP ASSIGNMENTS affiche les assignations aux groupes de la voie. Appuyez sur la section AUXES pour ouvrir la page GRPS/AUXES (voir page 44).
EQ, GATE et COMP
Appuyez sur l'un de ces graphiques pour ouvrir sa page. Appuyez sur les flèches pour changer l'ordre de l'égaliser et du compresseur. Appuyez sur les touches EQ OUT, COMP OUT et GATE OUT pour activer/désactiver ces processeurs.
DIGITRIM
Ce bouton déterminé le gain numérique (page 14).
PHASE
Lorsque la fonction PHASE est activée, la phase du signal d'entrée est inversée. Ceci permet de compenser pour la distance entre les micros, comme lorsqu'ils sont utilisés pour un kit de batterie ou des sources stéreo.
LINK
Lorsqu'une voie apparait dans la liste LINK, elle est couplée en stéreo avec la voie sélectionnée.
6.3.2 Page Digital

Figure 6-5 Page Digital OVERVIEW
La section AUXES affiche les assignations, les réglages de niveau, le panoramaque (si les départs sont coupés en stéreo) et le mode pré/post-Fader (vide = POST) de la voie sélectionnée. La section GROUP ASSIGNMENTS affiche les assignations aux groupes de la voie sélectionnée. Appuyez sur la section AUXES pour ouvrir la page GRPS/AUXES (voir page 43).
LINK
Lorsqu'une voie apparait dans la liste LINK, elle est couplée en stéreo avec la voie sélectionnée.
6.3.3 Page Effect Return

Figure 6-6 Page Effect Return OVERVIEW
La section AUXES affiche les assignations, les réglages de niveau, le panoramaique (si les départs sont coupés en stéreo) et le mode pré/post-Fader (vide = POST) de la voie sélectionnée. La section GROUP ASSIGNMENTS affiche les assignations aux groupes de la voie sélectionnée. Appuyez sur la section AUXES pour ouvrir la page GRPS/AUXES (voir page 44).
LINK
Lorsqu'une voie apparait dans la liste LINK, elle est couplée en stéreo avec la voie sélectionnée.
RETURN
Le nom de l'effet est affchéé au bas de cette section (Chorus dans la Figure 6-6). Appuyez sur la touche EFX EDIT pour apporder des modifications à l'effet sur sa page spécifique (Figure 6-7).
Cette page compte les paramètres régibles de l'effet, les afficheurs IN/OUT, les touches EQ IN/OUT et un graphique affichtant la courbe d'égalisation associée à l'effet. Appuyez sur la touche EDIT EQ pour afficher les réglages de l'égaliseur (filtrres Baxendall grave et aigu et filtrtre paramétrique)只不过 que ceux de l'effet.
6.3.4 Page Line
La section AUXES affiche les assignations, les niveaux, le panoramaique (si les départs sont coupclés en stéreo) et le mode pré/post-Fader (vide = POST) de la voie. La section GROUP ASSIGNMENTS affiche les assignations aux groupes de la voie. Appuyez sur la section AUXES pour ouvrir la page GRPS/AUXES (page 44).
EQ
Appuyez sur le graphique EQ pour ouvrir sa page. Appuyez sur la touche EQ IN pour l'activer/désactiver.
LINK
Lorsqu'une voie apparait dans la liste LINK, elle est couplée en stéreo avec la voie sélectionnée.
6.3.5 Page Aux

Figure 6-9 Page Aux OVERVIEW
EQ et COMP
Appuyez sur les graphiques d'égalisation ou de compression pour ouvrir leur page respective. Utilisez les flèches pour déterminer l'ordre des processeurs. Appuyez sur les touches EQ IN et COMP IN pour activer/désactiver ces processeurs.
LINK
Lorsqu'une voie apparait dans la liste LINK, elle est couplée en stéreo avec le départ Aux sélectionné.
6.3.6 Page Group

Figure 6-10 Page Group OVERVIEW Touche GRP DSP ENABLE/DISABLE
Cette touche permet d'activer/désactiver le DSP du groupe. Utilisez cette touche ainsi que l'afficheur GRP DSP AVAILABLE pour optimiser les ressources DSP en fonction de vos besoin. Cette touche ne fonctionne que s'il y a suffisamment de ressources DSP. Lorsque le compresseur et l'égaliseur sont déactivés, leur graphique n'est pas affchéé. Si le groupe sélectionné ne peut pas bénéficier de plus de ressources DSP, un message apparait pour l'indiquer. Si vous avez juste besoin de ces ressources, désactivez d'autres DSP.
Pour libérer des ressources DSP :
- Appuyez sur la touche DISABLE dans la section GRP DSP.
Un message de mise en garde apparait: "Are you sure? This will remove DSP and all associated DSP settings from the selected group." - Appuyez sur OK pour confirmer l'annulation ou CANCEL pour que le groupe conserve ses ressources DSP.
Afficheur GRP DSP AVAILABLE
Cet afficheur indique les ressources DSP disponibles. Dans la Figure 6-10, cinq des huit processeurs DSP sont toujours disponibles.
EQ et COMP
Appuyez sur les graphiques pour afficher leur page respective. Utilisez les flèches pour déterminer l'ordre des processeurs. Appuyez sur les touches EQ IN et COMP IN pour activer/désactiver ces processeurs.
GROUP MODE
Sélectionnez le mode de groupe à l'aide de l'interru Pasteur à témoin : MONO, STEREO ou VCA. Pour plus d'informations au sujet des modes de groupe, consultez la page 25.
GRP ASSIGN
Appuyez sur les touches L / R et M pour assigner le groupe aux sorties Left-Right et Center/ Mono, respectivement.
6.3.7 Page Master
Lorsque les sorties L/R et MONO sont coupclées, elles partagent les mêmes réglages d'égalisation et de compression. Ces réglages sont indépendants lorsqu'elles ne sont pas coupclées. La sortie MONO prend les réglages des sorties L/R lorsque vous les couplez.
EQ et COMP
Appuyez sur les graphiques d'égalisation ou de compression pour ouvrir leur page spécifique. Utilisez les flèches pour déterminer l'ordre des proceseurs. Appuyez sur les touches EQ IN et COMP IN pour activer/désactiver ces proceseurs.
6.4 Égaliseur graphique 4 bandes

Figure 6-12 Page 4-BAND EQ des voies analogiques
Les 24 entrées micro/ligne, les huit entrées ligne supplémentaires et les huit groupes personnalisables peuvent tous acceder à un égaliseur quatre bandes. Les quatre bandes peuvent être configurées de deux façon :
- Les bandes 1 à 4 sont identiques avec des réglages paramétriques standard : Gain, Frequency et Q.
- Les bandes 2 et 3 sont des filtres paramétriques standard, et les filtres 1 et 4 peuvent servir de filtres Baxendall grave et aigu, respectivement. Il s'agit de la configuration habituelle pour la plupart des consoles analogiques.
L'égaliseur peut être activé/désactivé à partir de l'écran tactile, ce qui permet une comparaison A/B.
Sélectionnez une voie analogue et appuyez sur la touche QuickMix EQ pour afficher la page 4 BAND EQ. Le type des filtres 1 et 4 est sélectionné avec des interrupteurs à témoin. Le graphique illustré les réglages d'égalisation.
Gain
Le GAIN de chacun des quatre filtres peut être accen-tue/attenué de ± 15 dB, par incréments de 0,1 dB. Par défaut, le gain de chacun des filtres est réglé sur zéro.
Fréquence
Le paramètre FREQ déterminé la fréquence du filtré sur laquelle le gain est appliqué. Le paramètre FREQ est réglablé de 20Hz à 20kHz , par pas proportionnels. Pour les filtres Baxendall, le réglage FREQ représenté la fréquence à demi-atténuation, soit la fréquence à laquelle le niveau est réduit de moitié.
Fréquences par défaut pour chacun des filtres :
- Bande 1 : 80 Hz
- Bande 2:500 Hz
- Bande 3:2 kHz
- Bande 4:10 kHz
Fréquence du filtré passé-haut
Le champ HPF FREQ affiche la fréquence de coupure du filtré, régée à partir de la section V-POT CONTROL.
Q (largeur de bande)
Le réglage Q détermine la largeur de bande d'un filtre paramétrique et permet de l'élargir ou de la rétrécir avec des accentuations/atténuations. Le valeur Q est mesurée à partir des points à mi-niveau des filtres à chaque extrémité, et sa plage de réglage est de 0,1 à 2 octaves, par incréments proportionnels.

REMARQUE: La largeur de bande et le facteur Q sont souvent employés comme synonyms, ce qui porte souvent à confusion puisque leurs valeurs sont inversement proportionnelles. Plus la valeur de la bande passante augmente, plus la valeur Q diminue.
6.5 Égaliseur graphique 6 bandes
Les sorties Master LR et C/Mono disposent d'un égaliseur six bandes doté de quatre filtres d'égalisation et de deux filtres Kill.
6.5.1 Égaliseur 4 bandes
Les bandes 1 à 4 sont identiques à celle de l'égaliseur quatre bandes (page 38), sauf les bandes 1 et 4, qui servent respectivement de filtrres Baxendall grave et aigu.
6.5.2 Filtres Kill
Les filtres Kill sont des filtres paramétriques conçus spécialement pour la suppression de Larsen à des fréquences spécifique, ce qui évite d'utiliser tout un filtre. Les bandes 5 et 6 contrôlent la fréquence des filtres Kill. La fréquence par défaut pour les deux filtres Kill est de 1kHz .
Appuyez sur les touches QuickMix supérieures gauche et droite pour faire défiler les quatre modes du filtré Kill, indiqués dans le tableau 6-2. La réduction de gain est plus importante d'un mode à l'autre, et la largeur de bande est donc de plus en plus étroite. Par défaut, les filtres sont régles sur Off. Le fait de maintainir la touche CTRL enforcée lorsque vous reglez le bouton QuickMix d'un filtré Kill le ramène sur sa position Off. Le réglage du filtré Kill est affché sous le champ de la fréquence.
Tableau 6-2 Modes du filtrre Kill
| Off | Mode 1 | Mode 2 | Mode 3 | |
| Réduction de gain (dB) | 0 | 6 | 12 | 18 |
| Largeur de bande (octaves) | ND | 1/10 | 1/20 | 1/30 |
6.6 Égaliseur 31 bandes
Les sorties LR et C/Mono disposent d'un égaliseur graphique 31 bandes. Chacun des égaliseurs graphiques 31 bandes est équipé de 31 filtres de 1/3 d'octave, à fréquence ISO et facteur Q constant, offrant une plage de réglage de ± 12 dB. Un commutateur EQ IN/OUT permet une écoute comparative A/B avec/sans égalisation. L'écran LCD offre également une vue agrandie (8 bandes), pour un meilleur aperçu des filtres. Pour afficher l'égaliseur graphique 31 bandes sur l'écran LCD, appuyez tout simplement sur la touche SELECT du Fader général, puis sur la touche FAT dans la section QuickMix. La page Fat affiche alors les trois égaliseurs graphiques dans les points d'insertion au bas de la page. Appuyez sur la touche Insert Edit pour afficher la page de l'égaliseur graphique 31 bandes. Les filtres d'égalisation sont régés à l'aide des 12 codeurs rotatifs/poussoirs de la section QuickMix. Les quatre poussoirs de la rangée inférieure servent à selectionner le groupe de huit filtres à modifier, et les codeurs rotatifs des deux autres rangiées servent à déterminer l'accentuation/atténuation. Le logiciel TT Control permet de régler les filtres à la souris.
6.7 Page Dynamics
Appuyez sur la touche QuickMix DYN pour afficher la page DYNAMICS sur l'écran tactile. Appuyez sur les graphiques GATE ou COMP pour afficher leur page respective.
6.71 Page Compressor
Les afficheurs IN/OUT indiquent les niveaux d'entrée et de sortie du compresseur. L'afficheur REDUCTION inversé indique la réduction de gain du compresseur.
Le graphique affiche les réglages du compresseur.
Threshold
Le réglage THRESH détermine le niveau au-dessus duquel il y a atténuation. Sa plage de réglage est de -60 à 0 dBFS, par pas de 0,1 dBFS ; la valeur par défaut est de 0 dB.
Ratio
Le réglage RATIO détermine le taux de réduction de gain lorsque le niveau du signal dépasse le seul (de compression subtile à limitation). La plage de ce réglage est de 1:1 (aucune réduction de gain) à :1 (limitation). Le réglage par défaut est 1:1.
Attack
Le réglage ATK détermine le temps que met le comprésseur pour réduire le gain une fois que le niveau du signal a dépasse le seuil. La plage de réglage est de 1 à 300 ms, par pas proportionnels. Ainsi, plus l'attaque est rapide, plus les réglages sont précis. Le réglage par défaut est de 15 ms.
Release
Le réglage REL détermine le temps que prend le compresseur pour cesser la réduction de gain après que le niveau du signal soit passé sous le seuil. La plage de réglage est de 50 ms à 3 s, par pas proportionnels. Ainsi, plus le temps de rétablissement est rapide, plus les réglages sont précis. Le réglage par défaut est de 200 ms.
Gain
Le réglage GAIN détermine le gain appliqué au signal de sortie du compréseur. Il s'agit d'un gain de compensation servant à compenser l'atténuation du niveau par le compréseur. La plage de réglage est de 0 à 20 dB, par pas de 0,1 dB. Le réglage par défaut est 0 dB.
Hard/Soft Knee
La touche HARD/SOFT KNEE permet de déterminer le type de courbe du compresseur. Elle n'est accessible qu'à partir de la page COMPRESSOR (elle ne l'est pas à partir de la page DYNAMICS).
HARD KNEE : Alors que le signal dépasse le seuil, la réduction de gain est immédiatement appliquée avec le taux maximum.
SOFT KNEE : Alors que le signal dépasse le seuil, la réduction de gain est appliquée graduallement, jusqu'à ce qu'elle atteigne le taux maximum.


Figure 6-16 Pages GATE (haut) et EXP (bas)
Le Gate/expandeur dispose de cinq réglages et d'une touche d'activation/désactivation. Une touche permet de sélectionner le Gate ou l'expandeur.
Les afficheurs IN/OUT indiquent les niveaux d'entrée et de sortie du Gate/expandeur. L'afficheur REDUC-TION inversé indique la réduction de gain.
Le graphique affiche les réglages du Gate/expandeur.
Threshold
Le réglage THRESH détermine le niveau sous lequel il y a attenuation. Sa plage de réglage est de -60 à -1 dBFS, par incréments de 0,1 dBFS. Par défaut, le niveau de seuil est régle à -1 dBFS.
Range/Ratio
Lorsque le Gate est activé, le réglage RANGE déterminé le niveau d'atténuation du signal lorsqu'il passés sous le seuil. La plage de réglage est de -100 à -1 dB, par pas de 0,1 dB. Le réglage par défaut est -100 dB.
Lorsque l'expandeur est activé, le réglage RATIO déterminé le taux de réduction du gain d'expansion, de 1:1 à 1:∞. Le réglage par défaut est 1:∞.
Hold
Le réglage HOLD détermine la durée pendant laquelle le Gate/expandeur demeure ouvert après que le signal soit passé sous le seuil, et avant que la réduction de gain ne commence. La plage de réglage est de 0 à 5 s; la valeur par défaut est 0 s.
Attack
Le réglage ATK détermine le temps que prend le Gate pour s'ouvoir et laisser passer le signal lorsque ce dernier dépasse le seuil après la réduction. La plage de réglage est de 1 à 30 ms, par pas proportionnels. Ainsi, plus il est rapide, plus les réglages sont précis. Le réglage par défaut est 1 ms.
Release
Le réglage REL détermine le temps que prend le Gate pour se fermer et commencer la réduction de gain après que le signal soit passé sous le seuil et que le temps de maintien soit écoulé. La plage de réglage est de 50 ms à 3 s, par pas proportionnels. Ainsi, plus il est rapide, plus le réglage est précis. Le réglage par défaut est 250 ms.
Mode Expander/Gate
L'interrupteur EXPANDER/GATE permet de sélectionner le Gate ou l'expandeur. Il n'est accessible qu'à partir de la page GATE/EXP (pas à partir de la page DYNAMICS). Lorsque l'expandeur est activé, les réglages HOLD, ATK et REL fonctionnent de la même façon qu'avac le Gate, mais le réglage RANGE est représenté par le réglage RATIO. Ceci permet une réduction de gain plus subtile dans bien des situations.
Lorsque l'expandeur est activé, le réglage RANGE est remplaced par le réglage RATIO, qui détermine le taux de réduction du gain lorsque le signal passse sous le seuil. La plage de réglage est de 1:20 (réduction de gain maximum) à 1:1 (aucune réduction). Plus la commande RATIO est réglée pres de 1:1, plus la résolution entre les valeurs augmente.
6.8 Snapshots

Figure 6-17 Page SNAPSHOTS
Appuyez sur la touche QuickMix SNAP pour afficher la page SNAPSHOTS sur l'écran tactile. Tous les Snapshots sont affichés dans la liste verticale de droite, et les touches FILTER EDIT, TITLE EDIT, PROTECT, CLEAR, STORE et RECALL sont à gauche (Figure 6-17).
Pour sélectionner un Snapshot, appuyez sur son nom dans le champ SNAPSHOT TITLE. Les emplacements ne contenant aucun Snapshot sont indiqués par Empty, alors que ceux qui sont utilisés sont indiqués par Snapshot n (n représentant le numéro de Snapshot, incrémenté automatique).
Appuyez sur la touche FILTER EDIT pour acceder aux pages de filtrage spécifique. La TT24 permet de filtrer les fonctions de mixage ( comme le Mute, le Fader, le panoramicique, l'égaliseur, le compresseur, etc.) en fonction du Snapshot.
Lorsque l'une de ces fonctions est selectionnée dans la page de filtrage, elle n'est pas affectée lorsque le Snapshot est charge.
De plus, la section de filtrage des voies permet de filtrer les effets intégrés, ainsi que les entrées et les sorties individuelles, afin qu'ils ne soient pas affectés lors du chargement d'un Snapshot.
Remarque : Tous les réglages du filtré s'appliquent à un seul Snapshot.

Figure 6-19 Page de filtrage SNAPSHOTS
Appuyez sur la touche TITLE EDIT pour modifier le nom donné par défaut au Snapshot (Snapshot n). Lorsque la page "Enter new snapshot name" apparait, utilisez le clavier à l'écran pour saisir le nouveau nom, puis appuyez sur OK.
6.8.1 Touche PROTECT
La touche PROTECT permet d'éviter que le Snapshot ne soit effacé ou écrasé. Pour protégger un Snapshot :
- selectionnez un Snapshot puis appuyez sur la touche PROTECT;
OU
- appuyez sur la colonne LOCK à côté du Snapshot.
Lorsqu'un Snapshot est protégé, une icône apparait dans la colonne LOCK à côté de son nom. S'il n'y a aucune icône à côté du nom du Snapshot, ce dernier peut être effacé ou écrasé. Dans la Figure 6-17, les Snapshots 1,2 et 5 sont protégés, alors que les autres ne le sont pas.
Pour modifier ou effacer un Snapshot protégé :
- selectionnez le Snapshot puis appuyez sur la touche PROTECT;
OU
- appuyez sur l'icone de protection.
6.8.2 Touche CLEAR
Appuyez sur la touche CLEAR pour supprimer le Snapshot sélectionné. Le Snapshot est alors supprimé et Empty est affché dans son emplacement. Un message de mise en garde s'affiche lorsque vous tentez de supprimer un Snapshot protégé.
6.8.3 Touche STORE
Appuyez sur la touche STORE pour sauvegarder les réglages de la console (avec filtrage, si activé) dans le Snapshot sélectionné. Un message de mise en garde s'affiche lorsque vous tentez d'écraser un Snapshot protégé.
6.8.4 Touche RECALL
Appuyez sur la touche RECALL pour charger le Snapshot sélectionné (avec filtrage, si activé).
Les Snapshots peuvent être filtrés afin que seuls les voies et/ou les paramètres souhaités soient sauvégardés et charges. Le filtrage peut être pratique dans plusieurs situations :
- Chargement des réglages du Fader et du Mute, sans affecter ceux du DSP.
- Chargement des réglages de quelques voies, sans affecter ceux des autres voies.
- Modification des préréglages des effets intégrés dans un ordre spécifique, sans affecter les autres réglages, lors d'applications de sonorisation.
La page Snapshots comporte les sections de filtrage suivantes :
SNAPSHOT PARAMETER FILTERING
La touche ACTIVE au haut de cette section doit être sélectionnée pour permettre le filtrage. Seuls les paramètres sélectionnés sont sauvégardés dans le Snapshot. La touche OTHERS sert pour les autres fonctions DSP qui ne sont pas affichées. Les touches INT 1-4 représentent les effets intégrés.
CHANNEL FILTERING SELECT
Appuyez sur les touches BANK 1-4 ou MATRIX A-H et Sélectionnéz les voies souhaitées pour cette banque dans la liste à droite. Seules les voies sélectionnées sont sauvégardées dans le Snapshot.
- CHANNELS FILTERED Sert à afficher les voies sélectionnées pour le Snapshot en cours.
6.9 Page Aux Master

Figure 6-20 Page AUX MASTER
Appuyez sur la touche QuickMix AUX MSTR pour afficher la page AUX MASTER sur l'écran tactile. Le niveau des 12 départ Aux généraux est déterminé par les boutons QuickMix correspondants. Pour sélectionner un autre départ, appuyez sur le bouton du départ souhaïte. Le départ Aux activé est indiqué dans le coin supérieur gauche de la page.
Les fonctions générales du département Aux Master sélectionné sont affichées dans la moitié supérieure de la page : afficheur, couplage, compression et égalisation.
Chacun des départ Aux Send Master dispose également de sa propre page OVERVIEW (voir page 37), qui peut être affichée en appuyant sur le bouton QuickMix FAT.
EQ et COMP
Appuyez sur les sections d'égalisation ou de compression pour ouvrir leur page respective (ou appuyez sur les touches QuickMix EQ ou DYN). Voir Égaliseur 6 bandes et Compresseur à la page 40.
LINK
Si le départ Aux général est coupled en stéreo, le nombre du départ figure dans la liste sous LINK; sinon, OFF est affché.
Appuyez sur la touche QuickMix GRP/AUX pour afficher la page GRPS/AUXES sur l'écran tactile.
6.10.1 Touches GROUPS
Sélectionnez la touche GROUPS du groupe auquel vous souhaitez assigner la voie. Les touches en surbrillance indiquent qu'il y a assignation (dans la Figure 6-19, chaque groupe n'est assigné).
6.10.2 Départs AUX
Utilisez le bouton QuickMix correspondant au numero d'un départ ou d'une paire de départ pour régler le niveau. Les départ Aux possédant deux numéroros sont coupés en stéreo, et ils disposent d'un réglage PAN pour déterminer la position de la voie sélectionnée dans le champ stéreo du départ. Appuyez sur le bouton QuickMix servant à régler le niveau du départ Aux pour sélectionner le mode pré ou post-Fader.
6.11 Page Matrix Mix
Appuyez sur la touche QuickMix MATRIX pour afficher la page MATRIX MIX. Activez la matrice en selectionnant ALL ACTIVE, ce qui achemine les signaux de la matrice aux sorties Group.
Matrix-Plus est une matrice de mixage 11 × 8 extrémenment flexible. Bien que les entrées par défaut pour chacune des matrices soient les entrées Groups 1-8, Left, Right et Center, pratiquement n'importe quelsignal peut être achemie à la Matrix-Plus.
Appuyez sur l'une des touches MATRIX MIXER SELECTION A-H pour sélectionner une matrice. Les boutons déterminent les niveaux d'entrée de la matrice selectionnée. Le bouton inférieur croit déterminé le niveau de sortie général de la matrice sélectionnée, qui est indiqué sur l'afficheur.

Figure 6-22 Page MATRIX MIX
Appuyez sur le bouton QuickMix souhaité pour afficher la page de la Figure 6-23, qui permet de selectionner les signaux d'entrée de la matrice.

Figure 6-23 Page de selection/assignation MATRIX MIX
Les signaux peuvent provenir de ces entrées :
- Entrées 1-24 analogiques pré/post-Fader
- Entrées 25-48 numériques pré/post-Fader
- Entrées ligne 1-8 pré/post-Fader
- Group 1-8 Mono, Left, Right, Center (si disponible)
- Main Left, Right ou CTR/Mono post-Fader
- Entrées stéreo Left et Right pré/post-Fader
- Retours d'effets internes 1L-4R pré/post-Fader
6.11.1 Delai
Chacune des matrices dispose également d'un début (jusqu'à 600 ms) pour l'alignement des enceintes. Appuyez sur la touche DELAY SETUP de la page MATRIX MIX pour régler le début des matrices.

Figure 6-24 Pages MATRIX MIX DELAY SETUP
MATRIX DELAY TIME: 0-600 ms, par pas de 0,5 ms.
Ce paramètre convertit la distance en temps de retard. L'unité de mesure pour la distance est sélectionné dans la section DISPLAY UNITS.
DISPLAYUNITS:U.S.ouMETRIC
TEMPERATURE: Entrez la températe actuelle.
La température affecte la conversion entre le temps de délambda et la distance. La plage de réglage est de 20 à 120^ (-10 à 50^ ), par pas de 1^ .
6.12 Effects


Figure 6-25 Pages INTERNAL EFX
Appuyez sur la touche QuickMix EFX pour afficher la page INTERNAL EFX (gauche de la Figure 6-23). Sélectionnez un effet, puis appuyez sur une touche Edit pour le modifier. Sélectionnez la source qui alimenté l'effet ; la page à la droite de la Figure 6-23 est alors affichée.

Figure 6-26 Sélection des préroglages
La page d'édition des effets affiche les préréglages, ce qui permet de les faire défilier, peu importe l'effet (ex.: réverbération, réverbération Gate, Chorus, etc.).
L'édition des effets s'effectue en appuyant sur la touche QuickMix EFX, puis en sélectionnant la touche de l'effet souhaité. Sur cette page, un afficheur et un bouton permettent de faire défiler les préreglages et d'obtenir un aperçu.
6.13 Configuration

Figure 6-27 Sélections du menu SETUP
Appuyez sur la touche QuickMix SETUP pour afficher la page SETUP MENU SELECTION. Sélectionnez les touches OPERATION, GENERAL, DIGITAL et MIDI pour acceder à ces pages.
Sélectionnez l'une des deux options CENTER MODE : L/R + MONO ou LCR. Voir L/R+Mono et Modes LCR à la page 24 pour une description de ces modes.
Routage INPUT DSP
Permet de router 24 voies avec DSP à la banque numérique只不过 qu'à la banque analogique. Ceci permet de déplacer les réglages Trim, Phase, HPF, EQ, Gate et Compressor de toutes les 24 entrées analogiques sur les voies numériques 25-48. De plus, lorsque la TT24 est équipée d'une carte UFX-II, dotant ainsi les voies 25-48 de DSP, les touches Analog et Digital sont allumées.
NOISE SUPPRESSION
Sélectionnez la touche ENABLE pour activer la fonction de suppression de bruit. Ceci permet de réduire les bruits de fond en activant des Noise Gates faible bruit et en supprimant le bruit produit par les voies qui ne sont pas utilisées. Un réglage de seuil général permet de régler le point d'activation des Gates (la plage de réglage est de -70 dB à -50 dB).
6.13.2 Page General
Les départs Aux pré-Fader peuvent être pré ou post-Mute. Cette fonction facilitite l'utilisation de la TT24 avec les enceintes de façon et de retard. Par exemple, les retours sont généralement alimentés par des départs Aux pré-Fader. Leur Mute doit être activé pendant les enttracts, lorsque les micros sont déplacés. Les départs Aux pré-Fader doivent donc être pré-Mute.
PC AUTO FOLLOW
Le logiciel TT Control peut être indépendant de l'écran tactile ou synchronisé avec celui-ci. Lorsque utilisés indépendamment, deux utilisateurs peuvent contröler la TT24, l'un à partir de la console, l'autre à partir de l'ordinateur.
SELECT FOLLOWS SOLO
Lorsque cette fonction est activée, la touche Solo des voies sert également à les sélectionner. Ceci est praticque lors du mixage et de la configuration initiale car vous pouvez ainsi acceder rapidement aux paramétres des voies placées en solo dans les retours ou les casques.
UNITS OF MEASUREMENT
Il s'agit de l'unité de mesure (valeurs au format U.S. ou métrique) utilisé par la console.
FADERS et SCREEN CALIBRATE
Appuyez sur l'une de ces touches CALIBRATE pour acceder à la procédure de calibration des Faders et de l'écran tactile.
EXCLUSIVE SOLO
Sélectionnez EXCLUSIVE SOLO pour que la fonction SOLO désactive toutes celles qui étaient activées. Par exemple, si la voie 1 est placee en solo, le fait d'appuyer sur la touche SOLO de la voie 2 désactive automatique-ment le Solo de la voie 1. Lorsque EXCLUSIVE SOLO est selectionné, il est encore possible de placer plusieurs voies en solo en maintainant la touche Ctrl enforcée lorsque vous appuyez sur une touche SOLO. Lorsque cette fonction n'est pas selectionnée, plusieurs voies peuvent etre placees en solo en meme temps.
V-POT SPEED
La vitesse et la sensibilité de tous les V-Pots et de tous les boutons QuickMix (sauf le Pan) sont affectées par le réglage V-POT SPEED à huit positions. "Fast" permet au V-Pot de couvir toute la plage de réglage d'un paramètre en un tour complet. "Slow" permet un contrôle plus précis et nécessite plus d'un tour pour couvir la plage de réglage.
6.13.3 Page Digital
Sélectionnez la fréquence d'échantillonnage : 44,1 kHz, 48 kHz, 88,2 kHz ou 96 kHz.
Clock Source
Sélectionnez la source d'horloge : Internal ou Word.
Clock Status
Locked est surligné dans ce champ lorsqu'la TT24 est synchronisée avec la source d'horloge Wordclock externe. S'il n'est pas surligné, la source d'horloge est réglée sur Internal ou il n'y a pas de synchronisation avec une source Word Clock externe.
Digital Input
Sélectionnez une entrée numérique : AES ou SPDIF. Une seule peut être activée à la fois.
Sample Rate Convert
Cochez cette case pour activer la conversion automatique de fréquence d'échantillonnage sur l'entrée numérique.
Cochez cette case pour que la sortie numérique délivre un signal dont la fréquence d'échantillonnage est la moitié de celle de l'entrée numérique sélectionnée.
6.13.4 Page MIDI Control
La fenêtre de configuration MIDI permet de contrôler les valeurs des Faders et les Mutes des voies, et de modifier les Snapshots à distance à partir d'un échantillonneur ou d'un appeareil MIDI relié au connecteur MIDI IN de la TT24. De plus, la TT24 peut être configurée pour transmettre des messages MIDI via le connecteur MIDI OUT lorsque ces paramètres sont modifiés à partir des réglages de la console.
Activation de l'entrée/sortinge MIDI
La transmission de messages MIDI est désactivée par défaut. Pour que la TT24 puisse receivevoir des messages MIDI compatibles, Sélectionnez la touche RECEIVE, dans la page MIDI, afin qu'elle soit en surbrillance. Pour que la TT24 puisse également transmettre des messages MIDI lorsque les paramètres sont modifiés, Sélectionnez la touche SEND, dans la page MIDI, afin qu'elle soit en surbrillance.
Configuration du canal MIDI
Les messages MIDI sont transmis et reçus sur l'un des 16 canaux MIDI. Pour que la TT24 puisse communiquer avec un autre apparéil, les deux apparéils doivent être configurés sur le même canal MIDI. Pour sélectionner le canal MIDI de la TT24, Sélectionné le nombre du canal MIDI souhaïte dans la page MIDI du menu SETUP afin qu'il soit en surbrillance. Le canal sélectionné est alors utilisé pour transmettre ou receivevoir des messages MIDI.
Remarque: Les octets des messages MIDI sont représentés par des valeurs hexadécimales. Consultez la table de conversion decimal-hexadécimal à la page suivante.
Snapshots :
Lorsque RECEIVE est sélectionné dans la page MIDI du menu SETUP, les Snapshots de la TT24 peuvent être chargés à l'aide de messages MIDI de changement de programme. Lorsque SEND est sélectionné, un message MIDI de changement de programme est envoyé depuis le connecteur MIDI OUT de la TT24 lorsqu'un Snapshot est chargeé.
Octets des messages MIDI pour les Snapshots : Cn ss
Où: n = Canal MIDI (0x0 à 0xF)
ss = Numéro de Snapshot (0x00 à 0x62)
Exemple: "C0 44" charge le Snapshot 68 sur la TT24 via le canal MIDI 1.
Mutes :
Lorsque RECEIVE est sélection dans la page MIDI du menu SETUP, l'etat des Mutes de voie peut être modifié à l'aide de messages de note MIDI. Lorsque SEND est sélectionné, un message de note MIDI est transmis depuis le connecteur MIDI OUT de la TT24 lorsqu'un Mute est activé/désactivé.
Octets des messages MIDI pour les Mutes de voie : 9n ii mm
Où :n = Canal MIDI (0x0 à 0xF)
ii = Identification de la voie
Série 1: (0x00 à 0x17)
Série 2: (0x18 à 0x2F)
Série 3: (0x30 à 0x47)
Série 4: (0x48 à 0x5F)
mm = État du Mute
(Désactivement = 0x00; Act
Exemple: “90 18 7F” active le Mute de la voie 1 de la série 2 de la TT24 via le canal MIDI 1.
Faders :
Lorsque RECEIVE est sélectionné dans la page MIDI du menu SETUP, la valeur des Faders de voir peut être modifié à l'aide de messages de contrôle continu MIDI. Lorsque SEND est sélectionné, un message de contrôle continu MIDI est transmis depuis le connecteur MIDI OUT de la TT24 lorsqu'un Fader est déplaced sur la console.
Octets des messages MIDI pour les Faders de voie : Bn ii vv
Où: n = Canal MIDI (0x0 à 0xF)
ii = Identification de la voie
Série 1: (0x00 à 0x17)
Série 2: (0x18 à 0x2F)
Série 3: (0x30 à 0x47)
Série 4: (0x48 à 0x5F)
vv = Valeur du Fader (0x00 à 0x7F)
Exemple : “B0 18 61” règle le Fader de la voie 1 de la série 2 sur 0 dB, via le canal MIDI 1 de la TT24.
Table de conversion decimal-hexadecimal
| Décimal | Hexadécimal (0x) | Décimal | Hexadécimal (0x) | Décimal | Hexadécimal (0x) |
| 00 | 0 | 16 | 10 | 32 | 20 |
| 01 | 1 | 17 | 11 | 33 | 21 |
| 02 | 2 | 18 | 12 | 34 | 22 |
| 03 | 3 | 19 | 13 | 35 | 23 |
| 04 | 4 | 20 | 14 | 36 | 24 |
| 05 | 5 | 21 | 15 | 37 | 25 |
| 06 | 6 | 22 | 16 | 38 | 26 |
| 07 | 7 | 23 | 17 | 39 | 27 |
| 08 | 8 | 24 | 18 | 40 | 28 |
| 09 | 9 | 25 | 19 | 41 | 29 |
| 10 | A | 26 | 1A | 42 | 2A |
| 11 | B | 27 | 1B | 43 | 2B |
| 12 | C | 28 | 1C | 44 | 2C |
| 13 | D | 29 | 1D | 45 | 2D |
| 14 | E | 30 | 1E | 46 | 2E |
| 15 | F | 31 | 1F | 44 | 2F |
6.14 Page Utility

Figure 6-32 Sélections du menu UTILITY
Appuyez sur la touche QuickMix UTIL pour afficher la page UTILITY MENU SELECTION. Sélectionnez les touches MONITOR SOURCE, STEREO INPUT ASSIGN, TALKBACK, METERING, TEST TONES et USER BANK pour configurer ces paramètres.
6.14.1 Page MONITOR SOURCE
La page MONITOR SOURCE permet d'assigner une source aux retours et aux casques. Les réglages de gain analogique du retour se trouvent dans la section UTILITY (voir page 18). Sélectionnéz l'une de ces sources : L/R, C/MONO, DIGITAL, TAPE/CD A ou TAPE/CD B.
Les afficheurs L,R , and C réflètent deux de la console et indiquent les niveaux des sorties Monitor L,R et C / M . Chacun des afficheurs est surmonté d'une Led de surcharge.
Le réglage SOLO LEVEL détermine le niveau du groupe de solos. Sa plage de réglage est de ± 15 dB par incréments de 0,1 dB. Le réglage par défaut est 0 dB. La Led RUDE SOLO s'allume lorsqu'une voie est place en solo.
Sélectionnez les voies Matrix et Aux pour le micro d'ordre. Par défaut, la touche Talkback est verrouillée. Appuyez sur la touche Talkback de la console afin qu'elle s'allume et que l'entrée soit activée. Appuyez à nouveau pour qu'elle s'éteigne et que l'entrée soit dé-sactivée. La touche Talkback peut fonctionner de façon momentanée (appuyez pour parler) lorsque la case de verrouillage du micro d'ordre n'est pas cochée dans la page UTILITY/TALKBACK.
Cette page permet de router le signal d'entrée stéreo (DIGITAL, TAPE/CD A ou TAPE/CD B) au bus principal.
SOLO
Sélectionnez la touche SOLO pour écouter le signal avant qu'il ne soit achemieux enceintes.
MONO
Sélectionnez la touche MONO pour envoyer la somme mono du signal aux sorties LEFT et RIGHT.
GRP ASSIGN
Sélectionnez L/R dans la section GRP ASSIGN pour router la source stéreo aux sorties MAINS LEFT et RIGHT.
INPUT METERS
Les afficheurs indiquent le niveau du signal d'entrée stéréo pré-Fader et pré-assignation L/R.
6.14.4 Page METERING

Figure 6-36 Page METERING
Les afficheurs indiquent les niveaux des sorties Group/Matrix.
6.14.5 Page USER BANK

Figure 6-37 Page USER BANK
Pour acceder à la banque utilisateur, appuyez simultanément sur les touches de selection de banque ANLG et DGTL. Elles s'allument alors et les Faders figent leurs réglages, ce qui indique que la TT24 accede à la banque utilisateur.
La page de configuration de la banque utilisateur (Utility/User Bank) dispose d'une série de touches (1-24) permutant de sélectionner la voie assignée à la banque utilisateur. Une liste déroulante de toutes les voies sert à sélectionner les voies de la banque utilisateur. Les modifications apportées à la banque utilisateur sont instantanées. Ce paramètre est accessible via le logiciel TT Control ou l'écran tactile.
6.14.6 Page TEST TONES

Figure 6-38 Page TEST TONES
La fonction de signal test et d'oscillateur permet la sélection de plusieurs signaux, dont:
Bruit blanc (White)
Bruit rose (Pink)
Ondes sinusoidales (Sine) et carrees (Square) à 100 Hz, 440 Hz, 1 kHz et 10 kHz
Les signaux test peuvent être routés vers l'une de ces sorties :
Matrix A-H
Aux 1-12
L-R
Ctr/Mono
Une touche d'activation, un réglage de niveau et un afficheur séparés sont mis à votre disposition pour le signal test. Vous pouvez acceder à l'oscillateur basse fréquence à l'aide du logiciel TT Control et de l'écran tactile, dans la page UTILITY/TEST TONE.
6.15 Gestion des fichiers
La TT24 dispose d'un système de sauvegarde et de restauration. Appuyez sur la touche FILES dans le coin supérieur droit de la page pour ouvrir le menu File Management Select.

Figure 6-39 Menu FILE MGMT SELECT
6.15.1 Chargement et sauvegarde des Venues
Les paramètres de la TT24 liés aux caractéristiques physiques/acoustiques de la salle et des équipements peuvent être sauvégardés dans un fjichier Venue. Ces paramètres sont sélectionnés dans la page SETUP: Operation, General et Digital. Les caractéristiques de plusieurs salles de concert peuvent être sauvégardées, ce qui permet de charger des configurations spécifique. Le fjichier Venue comprend tous les paramètres de configuration de la TT24. Vous pouvez sauvégarder la fréquence d'échantillonnage, la source Wordclock externe, etc. (voir “Paramètres sauvégardés dans un fjichier Venue” plus bas). Le chargement et la sauvégarde s'effectuent à l'aide de l'écran tactile ou du logiciel TT Control, et de la mémoire interne de la TT24.
Appuyez sur LOAD VENUE pour sélectionner le fichier dans la liste de la console.

Figure 6-40 Page FILE MGMT LOAD VENUE
Utilisez les touches de défilament vers le haut/bas pour faire défilier la liste si nécessaire. Appuyez sur le nom du fjichier souhaité, puis appuyez sur OK.
Appuyez sur la touche SAVE VENUE (Figure 6-33) pour sauvegarder les caractéristiques de la salle.

Figure 6-41 Page FILE MGMT SAVE VENUE
Appuyez sur un fjichier deja existant pour l'écraser, ou sur
Paramètres sauvegardés dans un fichier Venue
SETUP/Operation
Center mode
SETUP/Operation
6.15.1 Chargement et sauvegarde des prêrglages
Les préréglages peuvent regrouper tous les réglages des voies ou seulement quelques-uns, comme les égaliseurs, les compresseurs et les Gates. De plus, les processeurs d'effets intégrés offrent également des préréglages.
Le chargement et la sauvégarde s'effectuant à partir de l'écran tactile ou du logiciel TT Control, et de la mémoire interne de la TT24.
6.15.3 Sauvegarde et restauration de la mémoire de la console
La sauvegarde et la restauration de la mémoire interne de la TT24 ne peuvent se faire qu'à partir du logiciel TT Control, en utilisant les fonctions de sauvegarde et de restauration de la console. Ceci permet de créé un fisier contenant tous les Snapshots et les prérogages représentent sur la TT24. Sélectionnez la fonction de restauration de la console dans le menu et désissez un nom et un réseau pour votre fisier *.tt24bk.


Figure 6-42 Page de sauvegarde et de restauration
6.15.4 Sauvegarde et restauration de fichiers
La sauvegarde et la restauration de fichiers permet de sauvegarder un ou plusieurs fichiers (de n'importe quel type) sur un PC. La sauvegarde ne peut se faire qu'a partir du logiciel TT Control, en selectionnant l'options de sauvegarde de fichiers dans le coin supérieur droit de l'application, dans le menu File.
- Sélectionnéz le type de fichier (Snapshot, venue, channel, EQs, gate, compressor et effets intégrés).

- Sélectionnez ensuite Individual ou Block. Cette option permet de déterminer si ce sont tous les fichiers d'un certain type ou uniquement un seul fichier qui sont sauvégardés.
- Une fois que le fjichier est sélectionné, créé un nom pour le fjichier sauvégardé et déterminer son emplacement. Ceci s'effectue en cliquant sur la touche Select dans la section "Select PC file".
- Une fois que le fjichier à sauvegarder a été seLECTIONné et qu'un nom et une destination ont été spécifiés, cliquez tout simplement sur la touche Transfer File et un message apparait pour confirmer la taille du fjichier et la réussite du transfert.


6.15.5 Sauvegarde et restauration defichiers
La sauvegarde et la restauration de fischiers permet de sauvegander un ou plusieurs fischiers de n'importe quel type sur un PC. La sauvegarde ne peut se faire qu'à partir du logiciel TT Control, en selectionnant l'options de sauvegarde de fischiers dans le coin supérieur droit de l'application, dans le menu File.
6.15.6 Traducteur de fichiers v1.0
Il s'agit d'un utiliser permanenter d'utiliser des fichiers sauvégardés avec de vieilles versions du Firmware avec le version 1.2. Pour ce faire, Sélectionnez un fichier sauvégâté dans la section Version 1 et spécifie un nom pour le nouveau fichier sauvégâté, ainsi que son emplacement sur le PC. Une fois que le fichier a été converti, il peut être restauré sur la TT24 à l'aide de la fonction de restauration précisé precedemment.

Annexe A : Caractéristiques techniques
| ANALOGIQUE : | |
| PRÉAMPLIFICATEUR MICRO | |
| Réponse en fréquence | +0, -2 dB, 10 Hz à 20 kHz (entre Mic In et Insert Out) |
| Distorsion (DHT + Bruit) | < 0,003 % à +20 dBu de sortie, 20 Hz à 20 kHz (entre Mic In et Insert Out) |
| BRUIT | 20 Hz à 20 kHz de bande passante (impédance de la source : 150 Ω) |
| Bruit équivalent rapporté en entrée | -128 dBu |
| Bruit résiduel | -103 dBu (entre Mic In et Insert Out, 0 dB de gain) |
| Taux de réjection de mode commun | >60 dB à 1 kHz, gain au maximum (entre Mic In et Insert Out) |
| Temps de monté | < 3 μs |
| Vitesse de balayage | 3,6 V/μs |
| PLAGE DE RÉGLAGE DU GAIN D'ENTRÉE | |
| Mic In | 0 dB à +60 dB |
| Line In | -20 dB à +40 dB |
| ALIMENTATION FANTÔME | 48 Vcc |
| IMPÉDANCE D'ENTRÉE | |
| Entrée micro | 2 kΩ, symétrique |
| Entrée ligne | 10 kΩ |
| Retours Aux, entrées CD/Tape A et B | 10 kΩ |
| NIVEAU D'ENTRÉE MAXIMUM | |
| Entrée micro | +22 dBu |
| Entrée ligne | +22 dBu |
| Retours Aux, entrées CD/TapeA et B | +22 dBu |
| IMPÉDANCE DE SORTIE | |
| L/R/C-Mono, Group/Matrix Out | 150 Ω |
| Départ Aux, Monitor Out | 150 Ω |
| Sorties CD/Tape A et B | 600 Ω |
| NIVEAU DE SORTIE MAXIMUM | |
| Insert Out | +22 dBu |
| L/R/C-Mono, Group/Matrix Out | +26 dBu |
| Départ Aux, Monitor Out | +21 dBu |
| Sorties CD/Tape A et B | +22 dBu |
| Embase casque | 500 mW dans 100 Ω |
| SYSTème | |
| RÉPONSE EN FRÉQUENCY (à gain unitaire)Entree entrée Mic et sortie Main | +0, -1 dB, 10 Hz à 20 kHz à 44,1 kHz+0, -2 dB, 10 Hz à 40 kHz à 96 kHz+0, -0,5 dB, 14 Hz à 27,5 kHz à 96 kHz |
| Distorsion (DHT + Bruit) | |
| Entre entrée Mic et sortie Main | < 0,02 % à +4 dBu d'entrée, 44,1 kHz, 10 Hz à 20 kHz< 0,03 % à +4 dBu d'entrée, 96 kHz, 10 Hz à 20 kHz |
| Entre entrée AES et sortie SRC-AES | < 0,0002 % à -10 dBFS d'entrée, 44,1 kHz, 10 Hz à 22,05 kHz< 0,0006 % à -10 dBFS d'entrée, 96 kHz, 10 Hz à 48 kHz |
| RAPPORT SIGNAL SUR BRUIT | -78 dBu (référence: +4 dBu, entre Mic In et Main Out) |
| PLAGE DYNAMIQUE | 101 dB (entre Mic In et Main Out) |
| GAIN MAXIMUM | 96 dB (entre Mic In et Main Out) |
| DIAPHONIE | |
| Entrées adjacentes | -110 dB à 1 kHz |
| Sorties Main adjacentes | -95 dB à 1 kHz |
| Sorties Aux adjacentes | -115 dB à 1 kHz |
| NUMÉRIQUE : | |
| FADERS | |
| Type | Motorisé de 100 mm, sensibles aux mouvements |
| Résolution | 128 pas |
| FRAQUENCY D'ÉCHANTILLONNAGE | 44,1, 48, 88,2, 96 kHz (interne et externe) |
| PROCESSEUR DE SICNAUX NUMÉRIQUES | 32 bits à virgule flottante |
| TEMPS DE PROPAGATION (entre Mic In et Main Out) | <3,8 ms à 44,1 kHz<1,7 ms à 96 kHz |
| Niveau minimum | 0,4 Vcc |
| Facteur d'utilisation | 50 % |
| Impédance | 75 Ω |
| Plage Word Clock externe | 44,1 kHz = 42,5 kHz - 45,8 kHz48 kHz = 46,4 kHz - 49,4 kHz88,2 kHz = 85,0 kHz - 90,7 kHz96 kHz = 92,2 kHz - 98,2 kHz |
| SORTIE WORD CLOCK | |
| Niveau en circuit ouvert | 5 Vcc |
| Rapport cyclique | 50 % |
| Impédance | 75 Ω |
| ENTRÈE AES (IEC-60958-3) | |
| Fréquence d'échantillonnage avec SRC | 32 kHz - 96 kHz |
| Fréquence d'échantillonnage sans SRC | Fréquence d'échantillonnage du système |
| Niveau maximum | 0,4 Vcc |
| Impédance | 110 Ω, découlage par transformateur |
| SORTIE AES (IEC-60958-3) | |
| Fréquence d'échantillonnage | Fréquence du système ou moitié de la fréquence du système (commutable) |
| Niveau dans 110 Ω | 5 Vcc |
| Impédance | 110 Ω, découlage par transformateur |
| ENTRÈE S/PDIF | |
| Fréquence d'échantillonnage avec SRC | 32 kHz - 96 kHz |
| Fréquence d'échantillonnage sans SRC | Fréquence d'échantillonnage du système |
| Niveau minimum | 0,4 Vcc |
| Impédance | 75 Ω |
| SORTIE S/PDIF | |
| Fréquence d'échantillonnage | Fréquence du système ou moitié de la fréquence du système (commutable) |
| Niveau dans 75 Ω | 0,5 Vcc |
| Impédance | 75 Ω, découlage par transformateur |
DONNÉES GÉNÉRALES
| ALIMENTATION SECTEUR | 100-240 Vca, 50-60 Hz, commutation automatique |
| FUSIBLE | 6 A/250 V |
| TEMPÉRATURE D'UTILISATION | 10 °C – 40 °C (50 °F – 104 °F) |
| DIMENSIONS | |
| Hauteur | 265 mm |
| Largeur | 1083 mm (avec les poignées) |
| Profondeur | 636 mm |
| Poids | 32,2 kg |
Mise en garde
Comme nous améliorons en permanence nos produits par des pieces de meilleure qualité et en perfectionnant nos méthodes de fabrication, nous nous réservons le droit de modifier ces caractéristiques à tout moment sans préavis.
Annexe B : Paramètres sauvégardés dans les Snapshots
Les paramètres suivants sont sauvégardés dans les Snapshots :
Entrées analogiques et numériques 1-48 (lorsque la carte UFXII fournit des DSP à la banque DIGITAL)
Retours d'effets internes (stéreo 1-4)
Retours de cartes d'extension 1-8
Départs Aux généraux 1-12
EQ
- Kill filters
- Compressor
Mute
Fader
- Select
Groupes généraux 1-8
- Group Mode
DSP enable
EQ - Compressor
Mute
Fader
Pan - Main Assign
- Select
Sorties Mains Left-Right et CTRmono
Parametric EQ
- Kill filters
- Compressor
DSP order
Fader
- Select
31 band GEQs
Proceseurs d'effets intégrés 1-4
FX type
- Preset dial
Tous les réglages des effets en cours
Matrix A-H
- Matrix enable
Delay - Matrix inputs
Fader - Select
Entree stereo
DSP intégré (analogue ou numérique)
Annexe C : Touches de raccourcis de la TT24
SYSTEME
Initialisation matérielle (Hard Reset) = CTRL + HELP à la mise sous tension
Maintenez ces deux touches enforcées lors de la mise sous tension pour initiaiser la TT24 sur ses régages par défaut. La mémoire interne est effacée, supprimant tous les Snapshots, prérégages et Venues.
Initialisation partielle (Soft Reset) = CTRL + UTIL à la mise sous tension
Maintenez les touches enforcées lors de la mise sous tension pour initiaiser partiellement la TT24 sur ses réglages par défaut. La mémoire interne n'est PAS effacée. Les Snapshots, préréglages et Venues demeurent intacts.
Calibration manuelle de l'écran LCD = CTRL + SETUP
Appuyez sur ces deux touches simultanément alors que la TT24 est sous tension pour afficher la page de calibration de l'écran LCD. Si l'écran tactile ne répond pas correctement lorsque vous sélectionnez les touches, cette procédure permet de le recalibrer.
FONCTIONS D'INITIALISATION
Initialisation d'une voie = CTRL + FAT
Appuyez sur ces deux touches pour ramener les réglages de la voie sélectionnée sur leurs valeurs par défaut.
Initialisation de l'égaliseur = CTRL + EQ
Appuyez sur ces deux touches pour ramener les réglages de l'égaliser de la voie sélectionnée sur leurs valeurs par défaut.
Initialisation des processeurs dynamique = CTRL + DYN
Appuyez sur ces deux touches pour ramener les réglages du compresseur/Gate de la voie sélectionnée sur leurs valeurs par défaut.
Initialisation des groupes et des départs Aux = CTRL + GRP/AUX
Appuyez pour ramener la fonction d'assignation de groupe et les niveaux des départ Aux sur OFF.
Réinitialisation de tous les départs de la voie = CTRL + AUX 1-12
Appuyez sur la touche CTRL et n'importe qu'elle touche numérototée des départ (1-12) pour désactiver tous les départ Aux de la voie. Ceci est très pratique pour couper rapidement un mixage auxiliaire.
Pages spéciales pour logiciel TT Control :
Page Matrix Overview = CTRL + MTRX
Appuyez sur ces deux touches pour que le logiciel TT Control affiche la page Matrix Overview.
Afficheurs de banque = CTRL + METERS
Appuyez sur ces deux touches pour ouvrir les afficheurs haute résolution de la banque sélectionnée sur l'interface du logiciel TT Control.
96 Faders: CTRL + n'importe quelle touche de banque (ANLG, DGTL, RTNS, MSTR)
Appuyez sur ces deux touches pour que le logiciel TT Control affiche 96 Faders et permettent de visionner chaque des voies de la console sur une page séparée.
FONCTIONS SUPPLEMENTAIRES
Afficheurs de réduction de gain des V-Pots
Maintenez la touche METERS enforcée pendant deux secondes pour activer le mode de réduction de gain des V-Pots. Les Leds affichent alors la réduction de gain et le bouton détermine le seuil. Il est possible d'activer ce mode un V-Pot à la fois en appuyant sur la touche METERS puis sur le codeur. La Led rouge au bas du V-Pot indique que ce dernier est en mode de réduction de gain.
Annexe D : TT24 - Plans de câblage et Synoptique


Figure B-2 Système TT24 avec système de retours I (In-E Monitor)

Figure B-3 Système 96 entrees composé de deux TT24

Figure B-4 Système stéreo trois voies utilisant la carte d'extension L La Technology

DdWp Apw

Annexe E : Informations d'entretien
Couverture par la garantie
Vous trouvrez les détails sur la garantie à l'Annexe F: Informations sur la garantie.
Si vous pensez que votre TT24 a un problème, faites ce que vous pouvez pour confirmer la panne avant de l'envoyer pour réparation.
- Notre question préféree : La console est-elle reliée au secteur ?
Assurez-vous que le cordon secteur soit bien enforcé dans l'embase IEC et dans la prise secteur. - Vérifiez que la prise secteur soit active (branchez une lampe).
- L'interrupteur POWER est-il sur On ? Assurez-vous que l'interrupteur POWER de la face arrêté soit sur ON (position haute).
L'écran tactile est-il allumé? Dans le cas contraire, vérifie s'il y a du courant dans la prise secteur. - Est-ce qu'il y a une coupure de courant dans le bâtiment? Si oui, appelez votre fournisseur d'électricité pour faire rétablier le courant.
- Si l'écran tactile n'est pas allumé, et si vous étés sur qu'il y a du courant dans la prise secteur, vous ne devez faire réparer votre TT24. Cet apparéil ne contient aucune piece pouvant être replacée par l'utilisateur. Consultez la section Régarations sur la procédure à suivre à la fin de cette annexe.
Une voie ne fonctionne pas correctement
La touche MUTE est-elle enfoncée?
Le réglage de GAIN de la voie est-il monté?
Le Fader est-il monté?
- Le signal source est-il monté ? Assurez-vous que le niveau de sortie du signal source est suffisant pour allumer la Led de signal juste au-dessus du V-Pot de la voie.
- La voie est-elle assignée à un groupe ? Assurez-vous que le groupe est assigné aux sorties MAINS LEFT et RIGHT.
- Un cable est-il connecté aux connecteurs CHANNEL INSERT ? Déconnecter tous les apparèils qui sont reliés à ces connecteurs.
- Essayez la même source sur une autre voie, régée exactement comme la voie suspecte.
Problème de sortie
Le réglage de niveau de la voie est-il monté?
- Si c'est une sortie stéréo, inversez les côtes. Ainsi, si une sortie gauche fait défaut, inversez les cables gauche et croit au niveau de la console. Si le problème ne change pas de côté, la console n'est pas la cause du problème.
Son médiocre
Le connecteur d'entrée est-il correctement inséré ?
- Le son est-il distordu et fort?Réduisez le GAIN d'entrée. Réduisez le niveau sur la source.
- Si possible, écoutez le signal avec un casque connecté sur la source. Si le son est mauvais, le problème ne vient pas de la console.
Bruit/ronflement
- Baissez les Faders de la banque RETURNS. Si le bruit disparait, il vient de la source connectée aux entrées RETURNS (entrées LINE Inputs ou retours d'effets).
- Baissez chaque voie, une à une. Si le bruit disparait, il vient de la source connectée à la voie.
- Contrôlez les câbles des signaux entre les entrées et la TT24. Déconnectez-les un à un. Lorsque le bruit disparait, vous avez la source causant le problème.
- Essayez de connecter toutes les sources à la même ligne secteur pour qu'elles utilisent toutes la même terre/masse.
Réparations
Aux USA, les réparations des produits Mackie sont assurées par des centres de réparation agrées. Pour les réparations des produits Mackie acheté hors des USA, contactez votre revendeur ou votre distributeur.
Pour faire réparer chez TT24, procédez comme suit :
- Lisez la page précédente d'assistance. Merci.
- Appelez Mackie au 800/898-3211, 7:00 à 17:00 du lundi au vendredi (heure du Pacifique) pour obtenir un numéro de demande de réparation. Préperez le numéro de série de la TT24. Vous doivent avoir obtenu un numéro de retard pour être dépanné.
- Conservez ce mode d'emploi et le cordon secteur. Nous n'en avons pas besoin.
- Utilisez l'emballage d'origine pour renvoyer le produit. Ceci est TRÉS IMPORTANT. Lorsque vous appelez pour demander le numéro de return, dites au technicien si vous avez besoin d'un nouvel emballage. Mackie n'est pas responsable des dommas ges dus à un emballage qui n'est pas le我不想.
- Joignez une note avec votre nom, adresse de livreaison (pas de boîte postale), votre numéro de téléphone, le numéro de demande de réparation et une description détaillée du problème et comment nous pouvons répéter ici le problème.
-
Inscrivez le numéro de return en GROS CARACTERES sur la boîte. Sans numéro de return, le produit sera refusé.
-
Le technicien vous indiquera l'adresse pour envoyer votre console. Assurez le produit lors du transport.
- Demandez au technicien le temps de réparation estime lorsque vous lui demandez le numéro d'autorisation de retour. Utilisez l'emballage d'origine et inscrivez le numéro de retour sur la boîte. Une fois réparée, nous vous l'enverrons par courrier de surface. Ce paragraphe ne s'applique pas nécessairement aux réparations non couvertes par la garantie.
REMARQUE: Selon les termes de la garantie, vous devez expédier le produit au centre de réparation agrée. Les frais de transport pour le return ne sont couverts que pour les réparations couvertes par la garantie.
REMARQUE : Vous doivent avoir en votre possession un reçu d'un revendeur/agree par Mackie pour bénéficier d'une réparation couverte par la garantie.
Besoin d'aide?
Vous pouvez appeler nos techniciens du lundi au vendredi
de 7:00 à 17:00 (heure du pacifique) au : 1-800-898-3211
Consultez le site www.mackie.com et cliquez sur Support, ou envoyez un
email à: techmail@mackie.com
Annexe F : Garantie limitee
Conservez votre facture d'achat.
TT24 - Garantie limitée
A. LOUD Technologies Inc. garantit les pieces et main d'oeuvre de cet apparéil pour une période d'un an à partir de la première date d'achat. En présence d'un défaut de piece ou de main d'oeuvre, ou si le produit ne fonctionne pas correctement lors de la période de garantie, LOUD Technologies, après acceptation, réparera ou replacera le produit. Cette garantie ne s'applique qu'aux apparéils vendus et livrés sur le sol des U.S. par LOUD Technologies Inc. ou ses revendeurs.
B. Le fait de ne pas replir la carte d'enregistrement ou le fait de ne pas enregistrer le produit en ligne n'annule pas la garantie d'un an.
C. L'entretien et les réparations des produits Mackie ne peuvent être réalisés que par un centre agréé par l'usine (voir section D, ci-dessous). Les entretiens, réparations ou les modifications non agréées annulent la garantie. Pour obtenir une réparation couverte par la garantie, vous devez fournir une copie de la facture de vente délivrée par le revendeur Mackie agréée où vous avez achété le produit. Il est nécessaire de provenir la date d'achat pour déterminer si votre produit Mackie entre dans le cadre de cette garantie.
D. Pour obtenir une réparation/agréee :
- Appelez Mackie au 800/898-3211, de 7:00 à 17:00 heures du lundi au vendredi (heure de la côte ouest) pour obtenir un numéro d'autorisation de réparation. Les produits envoyés sans numéro d'autorisation de réparation seront refusés.
- Emballez le produit dans son emballage d'origine. Joignez une note expliquant le problème avec précision, une copie de la facture d'achat, comprenant le prix et la date d'achat et votre adresse postale (pas de n° de boîte postale). Si nous n'accrivons pas à identifier le problème ou si nous ne pouvons pas identifier la date d'achat du produit, nous nous réservons le droit de facturer la réparation.
- Envoyez le produit dans son emballage original, en port payé au centre de réparation agrée. L'adresse du centre le plus pres vous sera donné par le technicien.
IMPORTANT: Verifiez que le nombre de回头 soit visible sur le carton d'expédition.
E. LOUD Technologies se réserves le droit d'inspecter les produits sous garantie avant d'approver la réparation sous garantie. LOUD Technologies peut demander la preuve de la date d'achat originale par copie certifiée de la facture originale. La décision finale de couverture par la garantie est décidée entièrement par LOUD Technologies Inc.
F. Tout produit envoyé à l'un des centres de réparation agrées par LOUD Technologies sera réparé ou remplaça selon les termes de la garantie, dans les 30 jours, à partir de la date de réception. LOUD Technologies et ses centres de réparation agrées peuvent utiliser des pieces ayant déjà servi pour la réparation ou le remplacement du produit. Les produits renvoyés pour réparation ne répondant pas aux critères de cette garantie ne seront pas réparés et renvoyés avant le paiement intégral des frais de main d'oeuvre, de pieces, de port et d'assurance. Les produits réparés sous garantie seront renvoyés et le port de retour sera pris en charge par LOUD Technologies aux USA.
G. LOUD Technologies garantit toutes les réparations pour une période de 90 jours ou la période restante de garantie. Cette garantie ne couvre pas les dommages resultant d'une installation inappropriée, d'une mauvaise utilisation, de néligence ou d'abus, ou à l'apparce extérieure. Cette garantie n'est valide que si les sceaux d'inspection et le numéro de série sont toujours prênts sur l'appareil.
H. LOUD Technologies n'assume aucune responsabilité dans la qualité ou la promptitude des réparations faites par le centre de réparation/agréé.
I. Cette garantie s'applique à l'acheteur initial et aux acheteurs suivants dans la période de garantie initiale. La facture d'achat originale est nécessaire pour que des réparations soient effectuées.
J. Ceci est votre unique garantie. LOUD Technologies n'autorise personne d'autres, ce qui comprend les revendeurs ou les représentants à assumer une quelconque responsabilité associée à LOUD Technologies ou à creer une garantie pour LOUD Technologies Inc.
K. CETTE GARANTIE EST LA SEULE GARANTIE OFFERTE PAR LOUD TECHNOLOGIES INC ET REMPLACE TOUTE GARANTIE EXPRESSE ET INDIRECTE, CE QUI COMPREND TOUT TYPE DE RESPONSABILITÉ. CETTE GARANTIE EST STRICTEMENT LIMITÉE EN DURÉE À UN AN À PARTIR DE LA DATE D'ACHAT ORIGINALE AUPRÉS D'UN REVENDEUR MACKIE AGRÉÉ. UNE FOIS CETTE GARANTIE PÉRIMÉE, LOUD TECHNOLOGIES N'OFFRE AUCUNE GARANTIE SUPPLEMENTaire. LOUD TECHNOLOGIES NE POT PAS ÉTRE TENU RESPONSABLE POUR TOUT DOMMAGE DIRECT OU INDIRECT LIE À L'UTILISATION DE CE PRODUIT. Certains états étendent les concepts de responsabilité et les exclusions liées à la garantie. Cette garantie vous donne des droits qui peuvent être étendus par certaines législations locales.
MACKIE.
16220 Wood-Red Road NE · Woodinville, WA 98072 · USA
www.mackie.com · sales@mackie.com
Notice Facile