POWERBOX LINK - Poêle à bois MCZ - Notice d'utilisation et mode d'emploi gratuit
Retrouvez gratuitement la notice de l'appareil POWERBOX LINK MCZ au format PDF.
| Type d'appareil | Poêle à granulés |
| Installation | Encastrable |
| Alimentation | Granulés de bois |
| Puissance thermique | Non précisé |
| Rendement | Non précisé |
| Capacité du réservoir | Non précisé |
| Autonomie | Non précisé |
| Dimensions (L x H x P) | Non précisé |
| Poids | Non précisé |
| Type de ventilation | Active system |
| Contrôle | Non précisé |
| Matériau | Non précisé |
| Couleur | Noir |
| Normes | Non précisé |
| Garantie | Non précisé |
FOIRE AUX QUESTIONS - POWERBOX LINK MCZ
Questions des utilisateurs sur POWERBOX LINK MCZ
0 question sur cet appareil. Repondez a celles que vous connaissez ou posez la votre.
Poser une nouvelle question sur cet appareil
Téléchargez la notice de votre Poêle à bois au format PDF gratuitement ! Retrouvez votre notice POWERBOX LINK - MCZ et reprennez votre appareil électronique en main. Sur cette page sont publiés tous les documents nécessaires à l'utilisation de votre appareil POWERBOX LINK de la marque MCZ.
MODE D'EMPLOI POWERBOX LINK MCZ
1.3.1. Limites de garantie 5
1.3.2. Exclusions 5
2. NOTIONS THEORIQUES POUR L'INSTALLATION 6
2.1. LES PELLETS (ou GRANULES DE BOIS) 6
2.2. PRECAUTIONS POUR L'INSTALLATION 7
2.3. LE LIEU D'INSTALLATION 8
2.4. RACCORDEMENT A LA PRISE D'AIR FRAIS EXTERIEUR 8
2.5. RACCORDEMENT AU TUYAU DE SORTIE DE FUMÉES. 9
2.6. RACCORDEMENT AU CONDUIT DE FUMEE 10
2.7. RACCORDEMENT À UN CONDUIT EXTERIEUR PAR TUYAU CALORIFUGÉ OU À DOUBLE PAROI. 10
2.8. RACCORDEMENT AU CONDUIT DE CHEMINEE 10
2.9. ANOMALIES DE FONCTIONNEMENT LIÉES AU MAUVAIS TIRAGE DU CONDUIT DE CHEMINÉE......11
3. INSTALLATION ET MONTAGE 12
3.1. SCHEMAS et CARACTERISTIQUES TECHNIQUES 12
3.2. PREPARATION ET DÉBALLAGE 14
3.3. FIXATION DU MONOBLOC SUR L'EMBASE 14
3.4. DEMONTAGE DE L'ENCADREMENT DE COMPENSATION 15
3.5. MONTAGE DE LA GOULOTTE DE CHARGEMENT DES PELLETS 15
3.5.1. Montage latorial de la goulotte 16
3.5.2. Montage frontal de la goulotte 16
3.6. AIR COMBURANT ET FILTRE A AIR 16
3.7. BOUCHES DE VENTILATION DE LA HOTTE 17
3.7.1. Avant-propos 17
3.7.2. Bouches de ventilation de la hotte pour revetement nouveau 17
3.7.3. Gabarit pour la réalisation des troughs pour les grilles de ventilation de la hotte 18
3.8. BRANCHEMENT ELECTRIQUE 18
3.9. REALISATION DE L'HABILLAGE 19
3.10. ISOLATION DE LA POUTRE EN BOIS 19
3.11. MONTAGE DES HABILLAGES STANDARD MCZ 19
3.12. MONTAGE DU CADRE DE COMPENSATION 19
3.13. MONTAGE DU VOLET DE LA GOULOTTE DE CHARGEMENT DU PELLET 20
3.13.1. Montage du volet POWERBOX LINK 20
3.14. OUVERTURE/FERMETURE DE LA PORTE DU PELLET POWERBOX LINK 20
3.15. SCHEMA POUR RÉALISER LES TROUS SUR L'HABILLAGE - MESURES CONSEILLEES 20
4. FONCTIONNEMENT 21
4.1. RECOMMANDATIONS AVANT L'ALLUMAGE 21
4.2. CONTROLLE AVANT L'ALLUMAGE 21
4.3. CHARGEMENT DES PELLETS DANS LE POWERBOX COMPACT 22
4.4. CHARGEMENT DES PELLETS DANS LE POWERBOX LINK 23
4.5. TELECOMMANDENDE LCD 24
4.5.1. Afficheur de la telecommande 24
4.5.2. Caracteristiques generales de la telecommande LCD 26
4.5.3. Type de piles et remplacement 26
4.6. TABLEAU DE SECOURS 27
4.7. RÉGLAGE À EFFECTUER AVANT LE PREMIER ALLUMAGE 28
4.7.1. Réglage de l'heure du jour en cours 28
4.7.2. Configuration de l'unité de mesure de la température 28
4.8. PREMIER ALLUMAGE 28
4.8.1. Allumage/Extinction au moyen de la télécommande 28
4.8.2. Remarque sur le premier allumage 29
4.8.3. Allumage/Extinction à partir du tableau de secours 29
4.9. MODALITÉS DE FONCTIONNEMENT 29
4.9.1. Manuel et automatique 30
4.9.2. Mode manuel 30
4.9.2.1.Passage du mode manuel au mode automatique 30
4.9.3. Mode automatique 30
4.9.3.1.Passage du mode automatique au mode manuel 31
4.9.4. Mode automatique avec ECO-STOP 31
4.9.4.1. Activation, desactivation modalite ECO-STOP 32
4.10. LA VENTILATION D'AIR CHAUD 32
4.11. FONCTION SLEEP 33
4.12. LE CHRONO 33
4.12.1. Jour courant et horloge 34
4.12.2. Activation CHRONO et besoin d'un programme 34
4.12.3. Désactivation du CHRONO. 36
4.13. PROGRAMMES HEBDOMADAIRES ET JOURNALIERS PRE-CONFIGURES 36
4.13.1. Programmes hebdomadaires 36
4.13.2. Programmes journalists 38
4.14. EXAMPLE PRATIQUE DE PROGRAMMATION HEBDOMADAIRE / JOURNALIÈRE 39
4.14.1. Configuration d'un programme hebdomadaire 39
4.14.2. Configuration d'un programme journalier 39
4.15. VERROUILAGE DU CLAVIER 41
4.16. CAPTEUR DE NIVEAU DU PELLET 41
4.17. REMPLACEMENT DE LA TELÉCOMMANDE 42
4.18. DISPOSIFS DE SECURITE 42
4.19. SIGNALISATION DES ALARMES 43
4.20. Sortie de la condition d'alarme 45
4.20.1. Interruption du fonctionnement du produit 45
- ENTRETIEN ET NETTOYAGE 46
5.1. NETTOYAGE QUOTIDIEN OU HEBDOMADAIRE 46
5.1.1. Avant chaque allumage 46
5.1.2. Nettoyage tous les 2/3 jours 46
5.1.3. Nettoyage de la vitre 46
5.2. NETTOYAGES PÉRIODIQUES INCOMBANT À L'UTILISATEUR 47
5.2.1. Extraction du monobloc 47
5.2.2. Nettoyage du filtré à air 47
5.2.3. Nettoyage de I'échangeur de chaleur 48
5.2.4. Nettoyage du conduit de fumée et du raccord 48
5.2.5. Autres contrôles 49
5.2.6. Mise hors service (fin de saison) 49
5.2.7. Contrôle des composants internes 49
-
PANNES / CAUSES / SOLUTIONS 51
-
SCHEMAS ELECTRIQUES 53
INTRODUCTION
Cher Client,
Nous tenons vous remercier de la préférence que vous avez accordée aux produits MCZ et, en particulier à un poèle de la ligne à pellets MCZ.
Pour un fonctionnement optimal de votre poèle et pour pouvoir profiter pleinement de la chaleur et du bien-être qu'offre le feu à votre interieur, nous vous conseillons de lire attentivement ce livre d'instructions avant d'effectuer le premier allumage.
Nous vous félicitons encore de votre choix et vous rappelons que le produit NE DOIT PAS étante utilisé par les enfants ni par les personnes de capacité physiques ou mentales réduites, ou ne disposant ni de l'expérience ni de l'information nécessaires. Le cas échéant, la personne chargeée de leur sécurité doit les surveiller ou les instruire opportunément sur l'utilisation de l'appareil.
Mise à jour du livre
Dans le but d'améliorer constamment ce produit, le constructeur se réserves le droit d'apporter sans préavis toutes les modifications qu'il jugera utiles lors de la mise à jour de cette publication. Toute reproduction, même partielle, de ce manuel sans l'autorisation du Fabricant est rigoureusement interdite.
Conservation et consultation du livre.
- Prenez soit de ce manuel et conservez-le à portée de main dans un endroit rapidement et facilement accessible.
- Au cas où ce manuel serait perdu ou de détruit ou, quoi qu'il en soit, s'il se trouvait en très mauvais état, demandez une copie à votre revendeur ou directement au Fabricant en spécifique bien les références du modele qui vous interesse.
- Les paragraphs essentiels ou requérant une attention particulière sont imprimés en caractère gras.
- "Le texte en italique" sert à attirer votre attention sur certains autres paragraphs de ce manuel ou éventuelles sur des précisions complémentaires.
SYMBOLES UTILISÉS DANS CE MANUEL
| ATTENTION: Ce symbole d'ajtitude signale qu'il faut dire attentivement le passage auquel il se rapporte car le non respect des indications prescrites pourrait entraîner de sérieux dommages au poège et compromètre la sécurité l'utilisateur. | |
| INFORMATIONS: Ce symbole signale les informations importantes pour le bon fonctionnement du poège. Le non respect de ces indications compromèttait l'utilisation du poège et son fonctionnement ne s'avérait pas satisfaistant. | |
| ÉTAPE S'OPÉRATIONNELLES: Indique une série de touches à presser pour acceder au menu ou pour effectuer des réglages. | |
| MANUEL Indique qu'il faut consulter avec attention ce manuel ou les instructions correspondantes. |
- L'installation, le raccordement électrique, le contrôle du fonctionnement et la maintenance devront être effectuels exclusivement par des techniciens qualifiés et agréés.
- Installer le poèle suivant les normes en vigueur dans la région ou le pays où le poèle sera installé.
- Pour un usage correct du poèle et de ses systèmes électroniques, de même que pour prévenir tout accident, respectez scrupuleusement les indications figurant dans ce livre.
L'utilisation, le réglage et la programmation du poèle doivent être effectuels par desadultes. Toute erreur ou mauvaise programmation peut engendrer des situations dangereuses et/ou un mauvais fonctionnement. - Avant toute opération, l'utilisateur ou la personne s'apprétant à intervenir sur le poèle devra avoir lu et compris cette notice d'instructions dans son entier.
- Le poèle doit être destiné exclusivement à l'usage pour lequel il a été consu. Toute autre utilisation doit être considérée incorrecte et donc dangereuse.
- Ne pas monter sur le poèle et ne pas l'utiliser comme plan d'appui.
- Ne pasmettre de linge à sécher sur le poèle. Les séchoirs à linge et autres accessoires similaires doivent êtreplaces àbonnédistance du poèle.-Risqued'incendie
- La responsabilité de tout usage impropre du produit incombe entière sur l'utilisateur final et dégage la société MCZ de toute responsabilité civile et penale.
- Toute manipulation du poèle et tout remplacement non autorisé de pieces détachées non originales peut s'avérer dangereux pour la sécurité de l'opérateur et dégage la société MCZ de toute responsabilité civile et penale.
- La plupart des surfaces du poèle sont très chaudes (porte, poignée, vitre, tuyaux de sorties de fumées, etc.) Il faut éviter par conséquent de toucher ces parties sans être protégé de manière ajustate par des vêtements ou des accessoires prévus à cet effet tels que des gants thermiques ou des systèmes d'actionnement du type "main froide"
- Expliquer scrupuleusement ces dangers aux personnes âgées, aux personnes handicapées et plus particulièrement aux enfants, en veillant toujours à ce qu'ils ne s'approchant pas du poèle allumé.
- Il est interdit de faire fonctionner le poèle avec la porte ouverte ou la vitre brisée.
- Ne pas toucher le poèle avec les mains humides car il s'agit d'un apparéil électric.Toujours débrancher le
cable d'alimentation avant d'intervenir sur l'unité.
- Avant d'effectuer toute opération de nettoyage ou de maintenance, couper préalablement l'alimentation électrique du poèle au moyen de l'interrupteur général situé au dos de celui-ci ou en débranchant le cable électrique.
- Le poèle doit être branché à une installation munie d'un disjoncteur et d'une prise de terre conformément aux normes 73/23 CEE et 93/98 CEE.
- L'installation doit être dimensionné en fonction de la puissance électrique déclarée du poèle.
- Une installation incorrecte ou un mauvais entretien (non conformes aux prescriptions de ce livre) peuvent cause des dommages aux personnes, aux animaux ou aux choses. Dans ce cas MCZ décline toute responsabilité civile ou pénale.
1.2. RECOMMANDATIONS POUR LE FONCTIONNEMENT
- Éteindre le poèle en cas de panne ou de mauvais fonctionnement.
- Ne jamais verser les pellets à la main dans le pot de combustion.
- Les granulés de bois imbrûés accumulés dans le pot de combustion suite à de nombreux "allumages manqués" doivent être enlevés avant de procéder à un nouvel allumage.
- Ne pas laver l'intérieur du poèle avec de l'eau.
- Ne pas nettoyer le poèle avec de l'eau. L'eau pourrait s'infiltrer à l'intérieur du poèle et déterminer les éléments d'isolation électrique, provoquant ainsi des chocs électriques.
- Ne pas exposez la peau à l'air chaud pendant un long moment. Ne pas surchauffer la piece où vous séjournez ni celle où le poèle est installé. Cela pourrait ALTERER les conditions physiques ou entraîner des problèmes de santé.
- Ne pas exposer les plantes et les animaux directement au flux d'air chaud. Cela pourrait avoir des effets nocifs sur les plantes et les animaux.
- Ne pasmettreplusieurs types de granulésde bois dans le réservoir du combustible.
- Installer le poèle dans une piece ajustate prévoyant des dispositifs de lutte contre l'incendie et équipée de tous les raccordements aux différents réseau d'alimentation (air et électricité) et d'évacuation des fumées.
- En cas d'incendie du conduit de fumée, éteindre le poèle, le débrancher et ne jamais ouvrir la porte. Et appeler les autorités compétentes.
- Le poèle et son habillage en céramique doit être entreposés dans un lieu sec à l'abri des intempérières.
-
Il est recommandé de ne pas poser le corps du poële directement sur le sol ; si le sol est composé de matériaux inflammables, une isolation adequate devra être prévue.
-
En cas de panne du système d'allumage, ne pas tenter d'allumer le poèle avec des matériaux inflammables.
INFORMATIONS :
Pour tout problème, s'adresser au revendeur ou au personnel qualifié et/agree MCZ. Pour les réparations, exiger des pieces détachées d'origine.
Utiliser exclusivement le combustible préconse par MCZ (pour l'ITALIE, seulement des granulés de bois de 6 mm de diamètre - pour les autres pays européens, des granulés de bois de 6-8 mm de diamètre) et seulement pour les modèles équipés du système d'alimentation automatique.
- Contrôler et faire ramoner périodiquement les conduits de sorties de fumées (raccordement au conduit de fumée).
- Les granulés de bois imbrûés accumulés dans le pot de combustion suite à de nombreux "allumages manqués" doivent être enlevés avant de procéder à un nouvel allumage.
Le poèle à granulés de bois n'est pas un apparéil de cuisson.
- Toujours veiller à ce que le couvercle du réservoir des pellets soit bien fermé.
- Conserver soigneusement ce livre d'instructions car il devra accompagner le poèle pendant tout son cycle de vie. Si vous nevez vendre ou transporter votre poèle dans un autre endroit, assurez-vous que ce livre l'accompagne.
- En cas de perte, demandez un autre exemplaire de ce livre à votre revendeur/agréé ou à la société MCZ.
1.3. CONDITIONS DE GARANTIE
La société MCZ garantit ce produit, à l'exclusion des éléments sujets à une usure normale comme indiqué ci-dessous, pendant une période de deux ans à compter de la date d'achat, à condition que le certificat de garantie soit validé par une piece justificative portant le nom du revendeur et la date de vente, que ledit certificat de garantie dûment rempli soit expédié dans les 8 jours, et que le poèle ait été installé et testé par un technicien/agréé et suivant les instructions détaillées figurant dans le livre d'instructions qui accompagne le produit..
On entend par garantie le remplacement ou la réparation gratuite des parties ou des pieces d'origine reconnues défectueuses pour vice de fabrication.
1.3.1. Limits de garantie
La garantie ne couvre pas les composants électriques et électroniques ni les ventilateurs pour lesquels la période de garantie est fixée à 1 an à compter de la date d'achat justifiée comme indiqué ci-dessus. La garantie ne couvre pas les parties sujettes à une usure normale telles que joints, vitres et toutes les parties amovibles du poèle.
Les pieces remplacées seront couvertes pendant toute la période de garantie restante.

En particulier, les vitres sont garanties jusqu'au moment où le poseur agréé MCZ en atteste la parfaite intégrité une fois l'in installation terminée.
1.3.2. Exclusions
Les variations chromatiques sur les parties peintes et en céramique, de même que les craquelures de la céramique ne peuvent enaucun cas faire l'objet d'une réclamation, dés lors qu'il s'agit de caractéristiques naturelles inherentes à la nature des matériaux et à l'utilisation du produit.
La garantie ne couvre pas les parties qui s'avent défectueuses suite à des négligences, à un mauvais entretien ou à une installation non conforme aux prescriptions de la société MCZ (voir les chapitres correspondants dans ce livre d'instructions).
La société MCZ décline toute responsabilité en cas de dommages matériels et corporels éventuelles causes, directement ou indirectement, aux personnes, aux animaux ou aux choses suite au non respect des prescriptions figurant dans ce livre d'instructions et, plus particulièrement de celles qui concernent les directives relatives à l'installation, l'utilisation et la maintenance du poèle.
En cas de mauvais fonctionnement du poèle, adressez-vous à votre revendeur et/ou à l'importateur de votre région.
Les dommages causés par le transport et/ou par la manutention du poêle sont exclus de la garantie. Pour ce qui concerne l'installation et l'utilisation du poêle, se référer exclusivement au livre d'instructions fourni avec le poêle.
La garantie ne couvre pas les dommages occasionnels par des manipulations de l'appareil, des agents atmosphériques, des calamités naturelles, des décharges électriques, l'incendie, des défauts de l'installation électrique ou un entretien incorrect ou inexistant par rapport aux instructions du constructeur.

DEMANDE D'INTERVENTION
La demande d'intervention devra estre faite au revendeur qui fera suivre l'appel au service d'assistance technique MCZ
LA SOCIÉTÉ MCZ✗DCLARE QUE LE POÉLE ACHETÉ EST CONFORME AUX DIRECTIVES CEE 89/336 et 72/23 et SUCCESSIFS AMENDEMENTS.

MCZ décline toute responsabilité en cas d'usageIMPROPRE ou de modifications du poèle et de ses accessoires, non préalablement autorisées.
Pour tout remplacement de pieces détachées, n'utiliser que des pieces détachées d'origine MCZ.
2. NOTIONS THEORIQUES POUR L'INSTALLATION
2.1. LES PELLETS (ou GRANULES DE BOIS)
Les pellets sont issus du compactage et du tréfilage des scières de bois séché naturellement (sans vernis). Ce matériel sa doit sa densité à la lignine contenue dans le bois même, grâce à laquelle la production des granulés de bois ne requiert pas l'emploi de colles ou d'agents de liaison.
Le marché offre différents types de pellet représentant des caractéristiques qui varient en fonction des mélanges d'essences de bois utilisés. Le calibre des granulés de bois varie de 6 à 8 mm pour une longueur standard comprise entre 5 et 30 mm. Les pellets deonne qualité représentent une densité variant de 600kg / m3 à plus de 750~kg / m3 avec une humidité sur poids brut du granulé variant de 5 à 8 %
Non seulement le pellet est un combustible ecologique, dans la mesure où il permet de recycler au maximum les résidus de bois pour fournir une combustion plus propre que celle obtenue avec des combustibles fossiles, mais il présente également plusieurs avantages techniques. Si la puissance calorifique d'un bon bois de chauffage est de 4,4 kW/kg (avec 15 % d'humidité, soit après 18 mois de séchage environ), celle des granulés de bois est de 5,3 kW/kg.
Pour garantir une bonne combustion, les granulés de bois doivent nécessairement être conservés à l'abri de l'humidité et de la saleté. Les pellets sont généralement distribués en sacs de 15 kg et sont par conséquent très facies à stocker.
Des granulés de bois de bonne qualité assurent une excellente combustion tout en réduisant l'émission de gaz nocifs dans l'atmosphère.

Plus la qualité du combustible est médiocre, plus fréquence sera la nécessité de nettoyer le pot et la chambre de combustion.
Les pellets doivent être fabriqués exclusivement avec des essences de bois n'ayant subi aucun traitement chimique.
Les normes DIN 51731 et ONORM M 7135 homologuent des granulés de bois de bonne qualité ayant les caractéristiques suivantes :
Pouvoir calorifique : 5.3 KW/kg
Densité : 700 kg/m3
Taux d'humidité : 8 % max. du poids
Pourcentage de cendres : 1 % max. du poids
Diametre: 6 - 6,5 mm
- Longueur : max. 30 mm
Composition : 100 % bois non traité et sans aucun ajust de substances liantes (pourcentage d'écorce : 5 % max.).
Emballage : sacs réalisés avec un matériel ecologique et biodégradable

Combustible pellet

Sac de combustible de 15 Kg

La société MCZ commande vivement d'employer un combustible homologué avec ses poêles.
L'emploi de pellets de qualité médiocre ou non conforme à ce qui a été précédemment indiqué compromet le fonctionnement de votre poèle et par conséquent pourrait annuler la garantie et la responsabilité de la société MCZ pour ce produit. Les poèles à pellets MCZ fonctionnent exclusivement avec des granulés de bois de 6 mm de diamètre (pour l'ITALIE seulement) et de 6-8 mm de diamètre (dans les autres pays européens) d'une longueur variant de 5 à 30 mm maximum.
2.2. PRECAUTIONS POUR L'INSTALLATION

IMPORTANT!
L'INSTALLATION ET LE MONTAGE NE DOIVENT ÉTRE EFFECTUÉS QUE PAR DU PERSONNEL QUALIFIÉ.
Toutes les réglementations locales, y compris en reférence aux normes nationales et européennes, doivent être respectées lors de l'installation de l'appareil
L'installation du poèle doit être effectué dans un lieu ajustatpermettant les normales opérations d'ouverture et d'entretien ordinaire. La piece doit :
- être adaptée aux conditions de fonctionnement environnementales
- être équipée d'un réseau d'alimentation électrique à 230 50 Hz (EN73-23)
- dispose d'un système approprié pour l'évacuation des fumées
- être dotée d'une aération extérieure
- être équipée de mise à la terre conforme aux normes UE

IMPORTANT!
- LE PRODUIT DOIT ÉTRE RACCORDE À UN CONDUIT DE FUMEE INTERNE OU EXTERNE, CONFORMÉMENT AUX NORMES EN VIGUEUR.
- Le produit doit être raccordé à un conduit de fumée ou à un conduit vertical pouvant evacuer les fumées au point le plus haut de l'habitation.
- Les fumées dérivent de la combustion du bois et poursaient donc salir les murs si evacuées trop pres de ceux-ci. En outre ces fumées étant peu visibles mais très chaudes, leur contact provoque des brûlures.
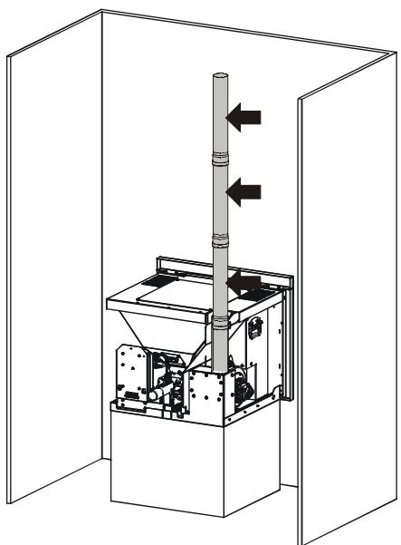
- Avant d'instructor le monobloc, il faudra réaliser l'ouverture pour le passage du tube d'évacuation des fumées et l'ouverture pour la prise d'air extérieur.
- La prise électrique doit être placée en un point toujours accessible, sinon il faudra placer des dispositifs adéquats de coupure de l'alimentation électrique en phase d'installation, conformément aux normes en matière d'installation électrique
2.3. LE LIEU D'INSTALLATION
Pour un bon fonctionnement et une bonne distribution de la chaleur, le monobloc doit être installé dans un lieu où peut arriver l'air nécessaire à la combustion des granulés (disponibilité d'environ 40~m^3 /h ), en conformité aux règles d'installation et aux normes en vigueur dans le pays d'installation.
Le volume de la pierce ne doit pas etre inférieur a 30m^3
L'air doit arrivier à travers des ouvertures permanentes pratiquées dans les murs (à proximé du poèle) qui donnent sur l'extérieur, avec une section minimale de 100~cm^2 .
Ces aménées d'air doivent être réalisées de manière à ne subir aucune obstruction.
L'air peut également être prélevé dans des pieces adjacentes à celles qui doit être ventilée à condition que celles-ci soient dotées d'une prise d'air extérieur et qu'elles ne soient utilisées ni comme,chambre à coucher ni comme salle de bains et qu'il n'existe aucun risque d'incendie, comme par exemple dans le cas de garage, remise à bois ou dépôt de materiaux inflammables, et ceci dans le respect des prescriptions des normes en vigueur.


Il est interdit d'installer l'appareil dans les chambres à coucher et salles de bains ou dans les pièces équipées d'un autre apparéil de chauffage dépourvu d'une propre arrivée d'air (cheminée, radiateur, etc.).
Il est interdit d'inverter le poèle dans une piece dont l'atmosphère est explosive.
Le sol de la pièce où sera installé le poèle doit être aménaged de façon ajustate pour pouvoir supporter la charge au sol de celui-ci.
Si les murs ne sont pas de nature inflammable, installer le poèle en laissant un espace d'au moins 10 cm entre le mur et le dos du poèle.
En cas de murs de nature inflammable, laisser un espace minimum de 20 cm entre le mur et le dos du poèle, de 50 cm sur le côté et de 150 cm devant.
En présence d'objets particulièrement délicats tels que meubles, rideaux, canapés, il faudra augmenter considérablement ces distances.

En cas de sol en bois prévoir une plaque de sol conforme aux normes en vigueur.

Exemple de réalisation de la prise d'air
Exemple d'installation de Powersystem
2.4. RACCORDEMENT À LA PRISE D'AIR FRAIS EXTÉRIEUR
Il est indispensable qu'une quantité d'air frais au moins égale à celle requise par la combustion normale des granulés de bois ainsi que l'air nécessaire à la ventilation puisent arrivert dans la piece ou le poèle est installé. Cette aération peut être réalisée aussi bien au moyen d'ouvertures permanentes donnant sur l'extérieur et pratiquées dans les murs de la piece, qu'au moyen de conduits de ventilation individuels ou collectifs.
Dans ce but, réaliser une ouverture dans le mur extérieur à proximité du poèle avec une section libre minimale de 100cm^2 (ouverture de 12 cm diamètre ou carrée de 10× 10~cm ), protégée par une grille à l'intérieur et à l'extérieur.
La prise d'air doit également :
- communiquer directement avec la pierce où le poèle est installé
- être protégée par une grille métallique ou une protection ajustée à condition que celle-ci n'en réduise pas la section minimale
- être installée de manière à ne pas pouvoir s'obstruer.

Il n'est pas obligatoire de raccorder directement l'amnéée d'air au poège (directement avec l'extérieur) mais la section sus-indiquée devra quoi qu'il en soit garantir une arrivée d'air d'environ 50 m3/h.
Voir la forme UNI 10683 REV.
2.5. RACCORDEMENT AU TUYAU DE SORTIE DE FUMÉES
Pendant la réalisation de l'ouverture pour le passage du tuyau d'évacuation des fumées, il faudra nécessairement tenir compte, de la présence eventuelle de matériaux inflammables. Si l'ouverture doit traverser une paroi en bois ou, quoi qu'il en soit, en matériel thermolabile, l'INSTALLATEUR DOIT en premier lieu utiliser le raccord mural prévu à cet effet (diam. 13 cm minimum) et isoler comme il se doit le tuyau de poèle qui le traverse en utilisant des matériaux isolants ajustats. (1,3 — 5 cm d'épaissur avec conductibilité thermique minimale de 0,07 W/m ^ K).
Ceci vaut également si le tuyau du poèle doit parcourir des trongons verticaux ou horizontals toujours à proximé (min. 20 cm) de la paroi thermolabile.
Comme solution alternative, il est conseillé d'utiliser un tuyau industriel calorifugé que vous pourrez utiliser également à l'extérieur pour éviter les condensas.
La chambre de combustion fonctionne en dépression. Le conduit de sortie de fumées sera en dépression s'il est raccordé à un conduit de cheminée efficace comme prescrit plus haut.

IMPORTANT!
- Tout changement de direction à 90^ du conduit d'évacuation des fumées doit être réalisé avec des raccords en "T" prévus à cet effet et équipés de regards. (Voir accessoires pour le poèle à pellets)
- Il est formellement interdit d'appliquer une grille à l'extrémité du tuyau d'évacuation car cette-ci pourrait compromètre le bon fonctionnement de votre poêle.
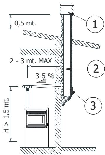
POUR LE RACCORDEMENT AU CONDUIT DE CHEMINÉE, NE PAS UTILISER PLUS DE 2-3 m DE CONDUIT HORIZONTAL NI PLUS DE 3 COUDES À 90^
IL EST NOTAMMENT CONSEILLÉ DE NE PAS DÉPASSER LES 6 METRES DE LONGUEUR AVEC LE TUYAU Ø 80 mm
LE TUYAU 80 mm SERT UNIQUEMENT POUR LE RACCORD AU CONDUIT DE FUMEE ET NE PEUT ETRE CONSIDERÉ UN "CONDUIT DE FUMEE". Les caractéristiques du conduit de fumée sont différentes et sont décrites dans les paragraphs suivants

Raccordement au tuyau de sortie de fumées
Le conduit de cheminée ne doit pas avoir des dimensions interieures supérieures à 20 × 20 cm ou à 20 cm de diamètre; en cas de dimensions supérieures ou de mauvaises conditions du conduit de cheminée (par ex. en cas de lézardes, d'isolement insuffisante, etc.), il est conseilé d'insérer à l'intérieur un tuyau en acier inox avec un diamètre approprié, sur toute la hauteur du conduit.
Vérifier, au moyen d'instruments appropriés, que le tirage est de de 10 Pa minimum.
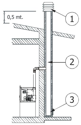
Prévoir une trappe de visite à la base du conduit de cheminée pour pouvoir effectuer les contrôles périodiques et le ramonage qui doit être fait chaque année.
Assurer l'étanchéité du raccordement au conduit de cheminée en utilisant les raccords et les tuyaux préconisés.
Contrôler impérativement qu'une sortie de toit anti-refoulement ait été installée sur le toit, conformément aux normes en vigueur.

Ce type de raccordement assure l'évacuation des fumées même en cas de coupure d'électricité momentanée.
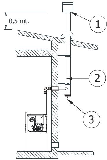
2.7. RACCORDEMENT À UN CONDUIT EXTERIEUR PAR TUYAU CALORIFUGÉ OU À DOUBLE PAROI.
Le conduit externe doit avoir des dimensions internes minimales de 10 × 10 cm ou de 10 cm de diamètre et maximales de 20 × 20 cm et 20 cm de diamètre.
Vérifier, au moyen d'instruments appropriés, si le tirage correspond à 10 Pa.
N'utiliser que des tuyaux calorifugés (à double paroi) en acier inox lisse à l'intérieur (il est interdir d'utiliser des tuyaux inox flexibles) et fixés au mur.
Prévoir une trappe de visite à la base du conduit vertical extérieur pour les contrôles périodiques et le ramonage qui devra être exécuté une fois par an.
Assurer l'étanchéité du raccordement au conduit de cheminée en utilisant les raccords et les tuyaux préconisés.
Contrôler impérativement qu'une sortie de toit anti-refoulement ait été installée sur le toit, conformément aux normes en vigueur.

Ce type de raccordement assure l'évacuation des fumées même en cas de coupure d'électricité momentanée.
2.8. RACCORDEMENT AU CONDUIT DE CHEMINÉE
Pour un bon fonctionnement, le raccord entre le poèle et le conduit de fumée, ne doit pas être inférieur à 3 % d'inclinaison pour les tronçons horizontally dont la longueur totale ne doit pas dépasser les 2 / 3 et le tronçon vertical d'un raccord en "T" à un autre (changement de direction) ne doit pas être inférieur à 1,5 .
Vérifier, au moyen d'instruments appropriés, si le tirage est de de 10 Pa minimum.
Prévoir une trappe de visite à la base du conduit de cheminée pour les contrôles périodiques et le ramonage qui devra être effectué une fois par an.
Assurer l'étanchéité du raccordement au conduit de cheminée en utilisant les raccords et les tuyaux préconisés.
Contrôler impérativement qu'une sortie de toit anti-refoulement ait été installée sur le toit, conformément aux normes en vigueur.

1) Sortie de toit antivent
2) Conduit de cheminée
3) Inspection

1) Sortie de toit antivent
2) Conduit de cheminée
3) Inspection

1) Sortie de toit antivent
2) Conduit de cheminée
3) Inspection

Ce type de raccordement assure l'évacuation des fumées même en cas de coupure d'électricité momentanée.
2.9. ANOMALIES DE FONCTIONNEMENT LIÉES AU MAUVAIS TIRAGE DU CONDUIT DE CHEMINÉE
Parmi les différents facteurs météorologiques et géographiques qui intervennent sur le fonctionnement d'un conduit de cheminée (pluie, brumes, neige, altitude, périodes d'ensoleillement, orientation, etc.) le vent est certainement le plus déterminant de tous En effet, à part la dépression thermique induite par la différence de température existant entre l'intérieur et l'extérieur de la cheminée, il existe un另一种 type de dépression (ou surpression): la pression dynamique induite par le vent. Un vent ascendant a toujours pour effet d'augmenter la dépression et par conséquent, le tirage.Un vent horizontal augmente la dépression si la sortie de toit est bien installée. Un vent descendant a toujours pour effet de diminuier la dépression et quelquefois de l'inverser.

Par ex. Vent descendant de 45^ de 8 m/sec. Suppression de17 Pa


En dehors de la direction et la force du vent, la position du conduit de fumée et de la sortie de toit par rapport au toit de la maison et au paysage environnant, est également importante.
Le vent influence même indirectement le fonctionnement de la cheminée en créé des zones de surpression et de dépression non seulement à l'extérieur, mais aussi à l'intérieur des maisons. Dans les pieces directement exposées au vent (2) peut se creator une surpression interieure qui peut favoriser le tirage des poèles et des cheminées, mais qui peut être contrastée par la surpression extérieure si la sortie de toit est placée du côte exposé au vent (1). Au contraire, lorsque les locaux sont situés dans la direction opposée à celle du vent (3), une dépression dynamique entrant en concurrence avec la dépression thermique naturelle développée par la cheminée peut se produit, mais elle peut être compensée (quelquefois) en plaçant le conduit de fumée du côte opposé à la direction du vent (4).

1-2 = Zones de surpression
3-4 = Zones de dépression

IMPORTANT!
La conformité et la position du conduit de cheminée influencent particulièrement le fonctionnement du poèle à pellets.
Des conditions précaires ne pourront être résolues que par un réglage ajustat de votre poèle, effectué par du personnel agréé MCZ.
3. INSTALLATION ET MONTAGE
3.1. SCHEMAS et CARACTERISTIQUES TECHNIQUES

POWERBOX COMPACT


\section*{Caracteristiques techniques}
| Puissance thermique totale Max. | 8.5 kw / 7.310 kcal/h |
| Puissance thermique totale Min. | 2.6kw / 2.236 kcal/h |
| Rendement au Max. | 91.7 % (> 90%) |
| Rendement au Min. | 92.6 % (> 90%) |
| Température des fumées en sortie au Max. | 170°C |
| Température des fumées en sortie au Min. | 70°C |
| CO à 13%O2 au Min. et au Max. | 0.042 — 0.019% |
| CO2 au Min. et au Max. | 4.3% — 8.5% |
| Masse des fumée au min. et au max. | 4.0 – 8.3 g/sec |
| Tirage minimal à la puissance Max. | 0,12 mbar – 12 Pa |
| Tirage minimal à la puissance Min. | 0,07 mbar – 7 Pa |
| Capacité du réservoir | 25 liters |
| Type de pellet | Pellet Ø 6-8 mm. Pezzatura 5/30 mm |
| Consommation hora du pellet | Min ~ 0,6 kg/h * Max.~ 1,75 kg/h * |
| Autonomie | Al min ~ 28 h * Al max. ~ 10 h * |
| Volume de chauffe m3 | 183/40 – 209/35 – 244/30 ** |
| Entrée d'air pour la combustion | Ø 50 mm. |
| Sortie de fumées | Ø 80 mm. |
| Maximum puissance électricaine absorbée | 270 Watt |
| Tension et fréquence d'alimentation | 220 Volt / 50 Hz |
| Poids net | 120 Kg. |
| Poids avec emballage | 140 Kg. |
Note
- Données pouvant varier selon le type de pellet utilisé.
** Volume de chauffe selon le besoin de cal/m³ 40-35-30 (respectivement 40-35-30 Kcal/h de m³)
Produit conforme à l'installation dans un conduit multiple.
POWERBOX LINK



\section*{Caracteristiques techniques}
| Puisance thermique totale Max. | 8.5 kw / 7.310 kcal/h |
| Puisance thermique totale Min. | 2.6kw / 2.236 kcal/h |
| Rendement au Max. | 91.7 % (> 90%) |
| Rendement au Min. | 92.6 % (> 90%) |
| Température des fumées en sortie au Max. | 170°C |
| Température des fumées en sortie au Min. | 70°C |
| CO à 13%O2au Min. et au Max. | 0.042 — 0.019% |
| CO2 au Min. et au Max. | 4.3% — 8.5% |
| Masse des fumée au min. et au max. | 4.0- 8.3 g/sec |
| Tirage minimal à la puissance Max. | 0,12 mbar – 12 Pa |
| Tirage minimal à la puissance Min. | 0,07 mbar – 7 Pa |
| Capacité du réservoir | 25 litr |
| Type de pellet | Pellet Ø 6-8 mm.Pezzatura 5/30 mm |
| Consommation horaire du pellet | Min ~ 0,6 kg/h *Max.~ 1,75 kg/h * |
| Autonomie | Al min ~ 28 h *Al max. ~ 10 h * |
| Volume de chauffe m3 | 183/40 – 209/35 – 244/30 ** |
| Entrée d'air pour la combustion | Ø 50 mm. |
| Sortie de fumées | Ø 80 mm. |
| Maximum puissance électricaine absorbée | 270 Watt |
| Tension et fréquence d'alimentation | 220 Volt / 50 Hz |
| Poids net | 120 Kg. |
| Poids avec emballage | 140 Kg. |
Note
- Données pouvant varier selon le type de pellet utilisé.
** Volume de chauffe selon le besoin de cal/m³ 40-35-30 (respectivement 40-35-30 Kcal/h de m³)
Produit conforme à l'installation dans un conduit multiple.
3.2. PREPARATION ET DÉBALLAGE
Le monobloc est livre en emballage unique.
Ouvrir l'emballage, couper les feuillards, dégager le corps du poèle de la palette et l'installer à l'emplacement choisi en veillant à ce que ce dernier soit conforme aux indications prescrites.
Le corps du poèle ou le monobloc doit toujours être manipulés en position verticale et exclusivement au moyen de chariots élévateurs.. Veillez en particulier à ce que la porte et la vitre ne subissant pas de chocs mécaniques qui en comprométrtraient pas le bon état.
Dans tous les cas, ne manipuler les produits qu'avec extréme prudence. Si possible, déballer le poèle pres de l'endetroit où il sera installé.
Les matériaux qui compose l'emballage ne sont ni toxiques ni nocifs.
Ils ne requirement donc d'aucun procédé d'élimination particulier.
Par conséquent, le stockage, l'élimination et le recyclage eventuel devront être effectuels par l'utilisateur final, conformément aux lois en vigueur en la matière.
Ne pas entreprises le monobloc et les revêtements sans leurs emballages.
Si vous doivent raccorder toute fois à un tuyau de sortie de fumées qui traverse le mur d'adossement postérieur (pour rejoindre le conduit de cheminée), veiller à ne pas forcer l'embouchure en emboitant le tuyau.
3.3. FIXATION DU MONOBLOC SUR L'EMBASE
Il est obligatoire de bloquer le monobloc au sol car pendant les opérations de maintenance annuelle effectuées par le technicien agréé, la,chambre de combustion sera retiree de son logement à l'aide de deux glissières extensibles.
Il est obligatoire de bloquer le monobloc sur un plan, car la chambre de combustion devra être retiree de son logement, moyonnant deux glissieres extensibles, lors des operations de maintenance annuelle effectuees par le technician agree.
Pour fixer le monobloc, professionnel comme suit :
- Mesurer la distance (A) de la butée de l'encadrement jusqu'à l'extrémité du support de façon à pouvoir le replacer de manière appropriée.
- retirer l'encadrement de compensation ou l'élement droit et gauche (C), comme indiqué au paragraph 3.12
- dévisser les vis inférieures (B) situées sous la porte du monobloc
- retirer enfin l'appareil en le séparant du support (D)
- Positionner le support (D) à la distance du mur comme mesurée précédemment (A)
- fixer le support (D) sur l'embase (E) avec les vis fournies en dotation

La fixation du monobloc sur l'embase est obligatoire, car lors des opérations de maintenance et du retrait de la chambre de combustion, le barycentre de l'appareil est fortement déplaced en avant. Si le produit n'est pas ancre au plan, il risque de perdre sa stabilité.


Le monobloc peut être installé à la hauteur désirée, en réalisant simplement un rehaussement ajustat. Ce support devra être réalisé en matériel ignifuge.

MCZ décline toute responsabilité en cas de dommages aux biens ou aux personnes dérivant du non-respect des avertissements reportés ci-dessus.
3.4. DEMONTAGE DE L'ENCADREMENT DE COMPENSATION
Pour éviter d'endommager le cadre de finition qui entoure la porte du foyer (C), nous vous conseillons de le démonter avant de fixer le Powerbox sur l'embase (E) et de le placer en lieu sur. Pour le démontage voir le chap. 3.12
3.5. MONTAGE DE LA GOULOTTE DE CHARGEMENT DES PELLETS
Un autre choix à effectuer avant de positionner le monobloc est le côté où installer la goulotte de chargement du combustible.
Le Powerbox Link est livré avec deux colliers, un tube de raccordement et une goulotte dotée de volet.
La goulotte peut être montée à droite, à gauche ou frontalement. Le tube de raccordement a une longueur d'1 mètre.

Il faut obligatoirement raccourcir le tube de raccordement, en fonction du positionnement (lateral ou frontal), de sorte qu'il soit bien tendu. Cette opération est nécessaire pour faciliter la descente des granulés.
Avant de réaliser l'habillage, effectuer un essai de chargement du combustible pour en vérifier la bonne descente vers le réservoir.
Si le tube est monté sur le côté gauche, au niveau de l'évacuation des fumées, il devra obligatoirement être isolé de manière ajustate.
MCZ décline toute responsabilité en cas de non-respect de cette prescription. Risque d'incendie!!
3.5.1. Montage létral de la goulotte
Si la goulotte est placée en position latérale, la distance maximale de l'axe de l'appareil au mur doit être de 80 cm (figure ci-contre).
Pour positionner la goulotte, procéder comme suit :
- Raccorder le tube fourni en dotation au Powerbox en faisant attention à ce qu'il soit tourné latéralement, puis le fixer avec le collier.
- Raccorder le tube (dans la partie haute) à l'embouchure de la structure du volet moyennant le collier fourni en notation.
- Positionner le tube avec la structure du volet, de sorte qu'après avoir réalisé l'habillage, il soit possible de le visser et de le fixer à la paroi de l'habillage au niveau du trou réalisé pour son insertion.
- Pour monter le volet externe, suivre les indications du paragraphe 3.15, car cette opération ne devra etre effectuée qu'après avoir complete l'habillage.

Montage latorial de la goulotte
3.5.2. Montage frontal de la goulotte
- Raccorder le tube fourni en dotation au produit en faisant attention à ce qu'il soit tourné latéralement, puis le fixer avec le collier.
Raccorder le tube à l'embouchure de la structure du volet avec le collier. - Positionner le tube de manière à ce qu'il soit accessible une fois l'habillage terminé et de façon à pouvoir fixer la structure du volet sur le trou situé sur la paroi de l'habillage prévu à cet effet.
- Pour monter le volet externe, suivre les indications du paragraphe 3.15, car cette opération ne devra être effectuee qu'aupres avoir complete l'habillage.

3.6. AIR COMBURANT ET FILTRÉ À AIR
Le PowerSystem est doté d'une entrée d'air combustant qui permet l'aspiration de l'air indispensable à la combustion. Cette entrée située au dos du monobloc est protégée par un filtre anti-pollen facile à nettoyer. Nous conseillons de toujours prélever l'air combustant à l'intérieur de la piece d'installation et non à l'extérieur, pour éviter le risque d'aspirer des impuretés, des poussières fines ou de l'humidité.
Le filtré à air de forme cylindrique est placé immédiatement au dos du monobloc au niveau du départ du tuyau et il est composé d'une grille métallique très fine.
Le filtrte doit être nettoyé périodiquement et pour y acceder il faut extraire la chambre de combustion à l'aide des glissières. Pour cette opération, voir le chapitre relat à la maintenance.
3.7. BOUCHES DE VENTILATION DE LA HOTTE
3.7.1. Avant-propos
Le Powerbox peut être utilisé de deux manières différentes :
- Comme application sur un revêtement existant
- Comme nouvelle installation
Au cas où le Powerbox serait inséré sur un revêtement existant, seront utilisées les grilles de ventilation générées sur le revêtement.
Au cas où le Powerbox serait utilisé comme nouvelle installation, MCZ conseille d'installer les bouches de ventilation comme décrit au paragraphe 3.7.2
3.7.2. Bouches de ventilation de la hotte pour revêttement nouveau.

Il est obligatoire d'inverter les bouches de ventilation de la hotte MCZ ou dans tous les cas, des bouches en mesure de garantir la même fonctionnalité et la même section de passage d'air (voir accessoires MCZ).
MCZ décline toute responsabilité en cas de dommages à la structure ou aux composants électriques dérivant du non-respect de cet averissement.
Vu la puissance élevé du PowerBox, la structure atteint de haute températures et il est indispensable de garantir toujours une ventilation continue et efficace à l'intérieur de l'habillage.
Outre à garantir le fonctionnement parfait du produit, ceci permettra de récapérer une partie de la chaleur de la structure qui serait perdue si elle avait rester à l'intérieur de l'habillage.
Pour une meilleure compréhension de la quantité, de la dimension et de la fonction des bouches de ventilation à installer sur l'habillage, nous reportons ci-dessous quelques configurations d'installation possibles des bouches.
1a) Grille de sortie de l'air de convection
1b) Grille d'entrée de l'air de convection
Les grilles 1a et 1b sont indispensablees pour libérer la chaleur qui se forme à l'intérieur de la hotte et leur installation est obligatoire, independamment du type d'installation ou d'habillage que l'on entend réaliser.
2) Portepourlechargement du pellet.

Exemple de raccordement au tuyau d'entrée d'air

revêtement existant

3.7.3. Gabarit pour la réalisation des troughs pour les grilles de ventilation de la hotte
Le dessin ci-dessous illustre les positions et les dimensions pour le positionnement des grilles de ventilation de la hotte. (1a et 1b)

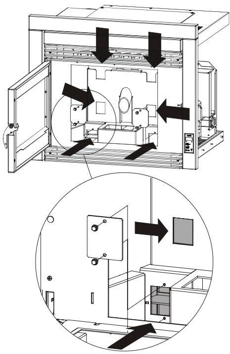
3.8. BRANCHEMENT ÉLECTRIQUE
Brancher d'abord le cable d'alimentation au dos du produit, puis le brancher sur une prise électrique murale qui doit toujours être accessible.
Si ceci avait été impossible, en phase d'installation il faut insérer, des dispositifs adéquats de coupure de l'alimentation électrique, conformément aux normes nationales en matière d'installation électrique.
Après avoir branché le cable d'alimentation et complétement toute la phase d'installation et d'habillage du produit,mettre l'interrupteur en position (I). La touche lumineuse s'allumera ainsi que levoyant C du tableau de secours qui s'allumera en rouge (de façon FIXE)

Pendant la période hors saison, il est conseillé dePTRRer le cable de branchement électrique.

3.9. RÉALISATION DE L'HABILLAGE

Toutes les fonctions du produit doivent être testées avant de réaliser l'habillage. MCZ décline toute responsabilité en cas de dommages à l'habillage dérivant d'anomalies de fonctionnement non contrôlées avant la réalisation de l'habillage.
IL EST OBLIGATOIRE de contrôle l'étanchéité de tous les tuyaux de passage de fumée (raccord fumée, joints et raccord au conduit de fumée) avant la réalisation de l'habillage.

AVANT DE PROCÉDER À L'HABILLAGE DU MONOBLOC, LIRE LE CHAPITRE "ESSAI DE FONCTIONNEMENT"
Le foyer fermé et les parties de l'habillage doivent être fixées entre euxSANS ENTRER EN CONTACT AVEC LA STRUCTURE EN ACIER
pour éviter la transmission de la chaleur du marbre et/ou de la pierre et pour permettre les normales dilatations thermiques ; attention aux finitions en bois telles que poutres ou étagères.
Il est conseilé de construire la contre-hotte en placoplatre de type ignifuge de 15/20 mm dépaisseur avec une structure autoportante réalisée avec un profilé galvanisé afin que les éléments de l'habillage (poutres en bois ou linteaux en marbre) qui, eux,n ont pas de structure portante,puissant facilement la supporter et pour pouvoir facilement intervenir en cas d'anomalies et/ou d'entretiens futurs.
Effectuer le montage à blanc de la sole foyère de l'habillage en laissant une ouverture de 1 cm entre le foyer fermé et la dalle foyère pour effectuer l'isolation.
3.10. ISOLATION DE LA POUTRE EN BOIS
La poutre en bois doit être protégée avec une isolation ajustée des parties chaudes pour prévenir le risque d'incendie ou éviter d'endommager l'habillage.
Pour le montage des habillages destinés spécifique au produit MCZ PowerBox, nous renvoyons l'installateur au manuel d'emploi et d'installation placé à l'intérieur de l'habillage spécifique.
3.12. MONTAGE DU CADRE DE COMPENSATION
Après avoir terminé l'habillage et/ou la partie en placoplatre, monter l'encadrement de compensation précédemment démontré.
Cet encadrement est une finition qui permet de-cache l'interstice entre la structure métallique du monobloc.
Pour monter l'encadrement, il suffit d'ouvoir la porte du PowerBox, enfilier le cadre comme illustré sur la figure, et le fixer aux montants latéraux de la structure à l'intérieur du profil de la porte, à l'aide des quatre vis fournies en notation.

PROTECTION THERMIQUE DES POUTRES
- Isolant appliqué ou a appliquer
- Poutres on bois
- Marbre ou autre matériel

Montage de l'encadrement de compensation
3.13. MONTAGE DU VOLET DE LA GOULOTTE DE CHARGEMENT DU PELLET.
Le volet est prévu pour pivoter à 180^ en cas de positionnement sur le coté gauche ou sur le coté droit de l'habillage. En effet, le cadre du volet est parfaitement symétrique quant aux trous de fixation à la hotte par conséquent, il suffit de tourner le volet en fonction de vos exigences.
3.13.1. Montage du volet POWERBOX LINK
Après avoir préparé le raccordement du tube comme décrit au paragraphe 3.5, effectuer les opérations suivantes :
Fixer le volet à la hotte au moyen de quatre vis, et des quatre troussitués sur le cadre de la porte, marqués de la dette (A).
- Lesieurs percents sur le profil interieur du volet (B) seront en revanche à fixer le cadre du volet à celui de la goulotte pour fixer définitivement les deux éléments de sorte que la paroi de la hotte se trouve au milieu
- Pratiquer d'abord un trou rectangulaire sur la hotte à la hauteur déterminée par la façon dont le piètement a été fixé (voir § 3.5 du manuel).

Fixation du volet cable à la hotte

Comme décrit ci-dessus, le volet peut être monté en le faisant pivoter de 180^ et par conséquent, si vous decide de monter le volet spécifiquement par rapport au schéma, les trous (A) et (B) seraient simplement invertis.
3.14. OUVERTURE/FERMETURE DE LA PORTE DU PELLET POWERBOX LINK
La porte est équipée d'une fermeture à pression et est donc complètement privée de bouton ou de poignée.
Pour ouvrir ou fermer la porte, appuyer au niveau du bord en haut à gauche. Sur simple pression, la porte s'enclenchera ou se désenclenchera du dispositif de fermeture placé sur le cadre de la porte.

3.15. SCHEMA POUR RÉALISER LES TROUS SUR L'HABILLAGE - MESURES CONSEILLÉES

4. FONCTIONNEMENT
4.1. RECOMMANDATIONS AVANT L'ALLUMAGE

Ne pas rester à proximé du produit, mais aérer la pièce, comme déjà indiqué. La fumée et l'odeur de peinture disparaîtront après environ une heures de fonctionnement; nous rappelons quoi qu'il en soit qu'elles ne sont pas nocives pour la santé.
Lors des phases d'allumage et de refroidissement, la structure pourrait se dilater et se contracter, par conséquent de légers craquements pouraient être perceptibles.
Ce phénomène est absolument normal puisque la structure est réalisée en acier laminé et ne pourra donc enaucun cas etre considere comme un defaulted.
Il est essentiel de ne pas surchauffer le poèle dés le premier allumage et de veiller au contraire à le porter lentement à la température désirée.
Utiliser (si en mode "Manuel") des puissances de chauffage basses (par ex. 1^ère - 2^ème - 3^ème ). Avec les allumages suivants, vous pourrez jour de toute la puissance calorifique à disposition (par ex. 4^ème - 5^ème ) en n'oubliant pas toutes de ne pas le laisser allumé à la puissance maximale pendant plus de 60-90 minutes.
De cette façon, vous évitez d'endommager les soudures et la structure en acier.

Au moment du premier allumage, le poèle se trouve déjà en modalité "manuelle": pendant la première période il est conseilé d'utiliser uniquement des puissances de chauffage moyennes ou basses (de la première à la troisième)

Ne tentez pas dévaluer les performances de votre poèle depuis le premier allumage!
Commencez par vous habituez progressivement aux commandes du tableau de bord ou à la télécommande du poèle.
Essayer de mémoriser visuèlement les messages proposés sur l'afficheur de la télécommande.
4.2. CONTROLLE AVANT L'ALLUMAGE
Vérifier si toutes les conditions de sécurité vuesAAParavant sont réunies.
S'assurer d'avoir lu et parfaitement compris le contenu de ce livre d'instructions.
Ouvrir la porte et oter de la vitre et du foyer tous les éléments susceptibles de brûler (instructions et étiquettes adhésves variees).
Contrôler que le pot de combustion soit bien positionné et stable sur sa base, et que la porte du foyer soit fermée correctement.

Ouverture de la porte du foyer

Après une longue période d'inactivité, retireur du réservoir (à l'aide d'un aspirateur avec un long tuyau) les résidus de pellets accumulés depuis un certain temps, car ils pourraient avoir absorbe de l'humidité, ce qui modifierait leurs caractéristiques d'origine, et les rendre inadaptés à la combustion.
4.3. CHARGEMENT DES PELLETS DANS LE POWERBOX COMPACT
Le chargement du combustible s'effectue au moyen du tiroir frontal place au-dessus de la porte du Powerbox.
Pour faciliter la procédure de chargement, effectuer l'opération en plusieurs phases comme décrit :
- Ouvrir le tiroir avec le crochet en dotation. Les glissières du tiroir sont munies d'une butée qui bloque la partie mobile au point d'ouverture maximum. Pourbloquerle tiroir au point d'ouverture maximum,le soulever légèrement et le tirer à soi. (figure 1)
- Verser les pellets sur le plateau, soit directement à partir du sac soit en utilisant la palette fournie en dotation (A)
- Pousser les pellets vers le réservoir avec l'accessoire (B) fourni en dotation.

Ne jamais verser dans le réservoir un combustible non conforme aux specifications précédemment indiquées.


4.4. CHARGEMENT DES PELLETS DANS LE POWERBOX LINK
Le chargement du combustible s'effectue par la porte latérale ou frontale montée sur l'habillage et qui donne accès à la goulotte de chargement du combustible.
Pour faciliter la procédure de chargement, effectuer l'opération en plusieurs phases comme décrit :
- Ouvrir le volet et verser la moitié du contenu du sac directement dans la goulotte, ou en utilisant la palette en dotation (A)
- Compléter l'opération en versant la deuxième moitié du sac et en suivant la même procédure

Palette A

Verser le pellet lentement et avec précaution afin d'éviter que la vitesse ne puisse entraîner les pellets hors du réservoir et les repandre à l'intérieur de l'habillage
Ne jamais verser dans le réservoir un combustible non conforme aux specifications précédemment indiquées.


4.5. TÉLECOMMANDE LCD

LEGENDE
- Position de la sonde de tempéature ambiente
- Afficheur LCD retroéclairé
- Touche de Marche /Arrêt Combiner la pression de cette touche avec les autres pour acceder aux autres menus comme celui de la configuration de l'heure courante.
- Touche de selection des modalités de fonctionnement (MANUEL - AUTOMATIQUE -AUTOMATIQUE AVEC ECO-STOP). Combiner la pression de cette touche avec les autres pour acceder aux autres menus comme celui de la configuration de l'heure courante.
- Touche de défilament vers le haut ou vers le bas pour le réglage des puissances de flamme et de la ventilation et pour le réglage de la fonction Sleep et du Chrono
- La touche MENU permet d'accéder aux menus de configuration de la ventilation, de la modalité SLEEP et du CHRONO
- Base d'appui contenant le compartment des batteries
4.5.1. Afficheur de la télécommande

LEGENDE
- Icônes indiquant le mode de fonctionnement du poële (MANUEL - AUTOMATIQUE - AUTOMATIQUE AVEC ECO STOP)
- Icône transmission des données au poèle
- Icône qui, si allumée, indique le verrouillage du clavier (prévu pour éviter la pression involontaire des touches)
- L'affichage permanent de cette icône indique qu'il faut replacer les piles
- Icône qui indique la température relevée dans la piece où se trouve la télécommande, grâce à la sonde interne montée sur la télécommande même
- Unité de mesure pouvant être sélectionnée pour la visualisation des degrés relevés/souhaités (Celsius - Fahrenheit)
- Icône qui apparait avec la température ambiente relevante par la sonde interne de la télécommande
- Température programmée par l'utilisateur, et que la pièce doit atteindre en mode AUTOMATIQUE. En mode MANUEL cette indication est éteinte.
- Horloge interne. Il peut jourer temporairement le rôle de compteur à rebours si la fonction SLEEP est active.
- Icones qui indiquent la date (en angeais). Lorsqu'on programme le CHRONO personnelé, les tirets en bas indiquent, si allumés, que certaines tranches horaires quotidiennes ont été activées pour ce jour-là
-
Icône qui indique la fonction CHRONO. Si l'icône est complètement éteinte, le CHRONO est désactivé, si seulement le bord de l'icône est allumé, le CHRONO est activé et si en revanche l'icône est complètement allumée, elle indique que nous sommes en mode de programmation du CHRONO.
-
Icône qui indique la fonction SLEEP. Si elle est complètement éteinte, la fonction SLEEP est désactivée, si seulement le bord de l'icône est allumé, la fonction SLEEP est activée et si en revanche l'icône est complètement allumée, elle indique que nous sommes en mode de programmation de la fonction SLEEP.
- Icône de la ventilation qui permet de régler la vitesse du ventilateur d'air chaud. Si l'indication AUTO est également allumée, elle indique que la ventilation est branchée sur la puissance.
- Icône qui permet de régler la flamme de 1 à 5 niveaux de puissance. Si la flamme est sur la puissance 5, abréviation MAX s'affiche.
- Icône qui, si activée, indique la possibilité de régler la chute du pellet (fonction réservée au technicien spécialisé)
- Icône qui, si activée, indique la possibilité de régler l'heure affichée sur l'icone n° 9
- Tirets indiquant la puissance de ventilation : 1 tiret = 1ere vitesse, 2 tirets = 2eme vitesse, 5 tirets = 5eme vitesse
- Tirets indiquant la puissance de la flamme : 1 tiret = 1ère vitesse, 2 tirets = 2ème vitesse,... 5 tirets = 5ème vitesse Ces tirets n'apparaissant que si le poële est en mode MANUEL
- Cette icône est nécessaire pour sélectionner le programme hebdomadaire pendant la programmation du CHRONO. Elle sert également à sélectionner les programmes journaliers dans le programme chrono personnelé.
- En configuration CHRONO, si cette icône s'allume en même temps que l'icône n°19, elle indique qu'on est en train de désirir le programme hebdomadaire personnelisé (qui prévoit la saisie de tranches horaires journaières -> 24h)
NOTABENE:
Les iconônes n^ 11 - 12 - 13 et 14 représentent deux modes d'éclairage différents:
COMPLÉTEMENT ILLUMINÉE (ICÔNE TOTALEMENT NOIRE)
SEUL LE CONTOUR DE L'ICONE EST ILLUMINÉ
Quand les icônes sont complètement allumées, cela signifie que nous sommes en train d'opérer sur cette fonction.
Exemple: si le symbole du ventilateur est complètement allumé, cela signifie que nous sommes en train de modifier la vitesse du ventilateur d'air chaud avec la touche 5
Quand seuls les contours des icônes sont allumés, cela signifie que cette fonction est active et que nous ne pouvons pas la modifier qu'en entrant dans sur menu y afférer. En entrant sur le menu correspondant, l'icône s'allume complètement (voir ci-dessus)
Exemple: si seul le contour de l'icône du ventilateur est allumé, nous ne réussirons pas à modifier la vitesse du ventilateur en pressant la touche 5 mais, quoi qu'il en soit, la fonction est active car le ventilateur est en train de fonctionner (si le.POèle est allumé). Pour pouvoir modifier la vitesse du ventilateur il faut nécessairement acceder au menu qui mi permet d'effectuer ce réglage et allume complètement l'icône.
4.5.2. Caracteristiques generales de la télécommande LCD
Les poêles munis du dispositif de contrôle de la combustion ACTIVE SYSTEM, sont commandés principalement par télécommande ou en cas d'urgence par le petit tableau postérieur.
La télécommande LCD permet de profiter pleinement du potentiel du poèle, d'en régler tous les paramètres de fonctionnement, de programme le chrono, mais aussi etURTout de contrôler constamment la température ambiente de reférence pour les régimes de fonctionnement du poèle.
En effet la sonde d'ambiance est montée directement sur la télécommande, de façon à permettre une mesure plus précise de la température de la pierce à chauffer, là où le souhaite l'utilisateur, et sans la pénible contrainte des cablages fixes des thermostats.
La télécommande est munie de rétro-éclairage qui s'active par simple pression d'une touche.

Position de la sonde de température ambiente

Tenir la télécommande loin des sources des chaleur directe et à l'abri de l'eau.
Il est conseilé de tener la télécommande hors de la portée des enfants.
La télécommande doit toujours se trouver à proximé du poèle (dans un rayon d'action de 5 m) de façon à permettre une bonne transmission des valeurs de température ambiente. Si après 3 heures de fonctionnement le poèle ne recoitaucun signal de la télécommande, il commence à émettre périodiquement des signaux sonores pour aviser l'utilisateur que la télécommande est trop loin (ou que les piles sont usées): sur l'afficheur du tableau d'urgence s'affiche l'alarme A10. Avec cette alarmé le poèle continue à fonctionner et pour éteindre l'alarme il suffira de rapprocher la télécommande afin de rétablir les conditions de fonctionnement normales.
4.5.3. Type de piles et remplacement
Les piles se trouvent dans la partie inférieure du dispositif, au niveau de la base d'appui.
Pour faire fonctionner le poèle, 3 piles du type MINI STYLO da 1,5 V sont nécessaires
Sur l'icone n^ 4, la télécommande signale à l'utilisateur que les piles sont presque usées. Si l'icone indiquant que les piles sont usées apparait, cela signifie que les piles sont presque usées et que la télécommande ne va pas tarder à s'téindre.

Indicateur de piles usées

Si la télécommande est privée de pile, donc éteinte, l'appareil pourra être commandé à partir du panneau frontal (voir paragraphe 4.5).
En modalité de secours, seules certaines fonctions restent actives : allumage, arrêt et réglage manuel de trois niveaux de puissance.

Les piles livrées avec le poèle ont une durée limitee qui permet d'effectuer la première mise en marche du poele et d'apprender à s'en servir.
Il est conseilé de remplacer les piles après le premier allumage. Il est également conseilé de toujours prévoir des piles de rechange chez soi..

Pendant l'opération de remplacement des piles, veiller à respecter les polarités en suivant les symboles imprimés sur le compartment des piles de la télécommande.
4.6. TABLEAU DE SECOURS
Sur la partie frontale du Powerbox, en bas à droite, est encastré le panneau d'urgence, grâce pour effectuer le diagnostic d'éventuelles anomalies de fonctionnement et pour le contrôle du PowerBox au cas où la télécommande ne fonctionnerait pas. Sur le panneau d'urgence se trouve aussi le récepteur pour la télécommande.


LEGENDE
A. Afficheur à trois chiffres qui donne une série d'informations sur le poèle, ainsi que le code d'identification des éventuelles anomalies de fonctionnement.
B. Voyant VERT qui signale :
- ÉTEINT = Poèle éteint
ALLUMÉ CLIGNOTANT = Poèle en phase d'allumage
ALLUMÉ FIXE = Poéle allumé
C. Voyant ROUGE qui signale :
- ÉTEINT = Poéle allumé
ALLUMÉ CLIGNOTANT LENTEMENT = Poèle en train d s'eteindre
ALLUMÉ CLIGNOTANT RAPIDEMENT = Poèle en alarmé (assocé à un bip sonore pendant les 10 premières minutes)
ALLUMÉ FIXE = Poéle allumé
D. Sélecteur à trois positions pour la fonction
OFF = Poèle éteint manuellement faute de télécommande
- REMOTE = Poèle pouvant être commandé exclusivement avec la télécommande
- ON = Poèle étant manuellement faute de télécommande
E. Sélecteur à trois positions pour la sélection de la puissance
MIN = Sélecteur pour faire fonctionner le poèle à la puissance MINIMALE faute de télécommande et avec le sélecteur 4 sur ON
MED = Sélecteur pour faire fonctionner le poèle à la puissance MINIMALE faute de télécommande et avec le sélecteur 4 sur ON
MAX = Sélecteur pour faire fonctionner le poèle à la puissance MINIMALE faute de télécommande et avec le sélecteur 4 sur ON
F. Touche pour les fonctions de diagnostic sur le fonctionnement du poêle
G. Touche pourmettrelepoel en communication avec une nouvelletelecommande (selon une procedure expliquée par la suite)

POUR QUE LE POÉLE FONCTIONNE AVEC LA TÉLÉCOMMANDE LE SELECTIONUR "D" DOIT ÉTRE PLACÉ SUR "REMOTE"
4.7. RÉGLAGE À EFFECTUER AVANT LE PREMIER ALLUMAGE
4.7.1. Réglage de l'heure du jour en cours.
Presser simultanément les touches 4 et 6 de la télécommande pendant 5 secondes lorsque le poèle est allumé, pour acceder au menu de réglage de l'heure et du jour en cours.
Une fois que le mot "CLOCK" est affchéé, il est possible, au moyen de la touche 5, de sélectionner l'heure courante et de la confirmer avec la touche 6, de même pour les minutes, les confirmer avec la touche 6 et enfin le jour. Enfin, presser de nouveau la touche 6 pour confirmer le tout et pour quitter le menu.
Par convention, les jours de la semaine sont indiqués par des sigles dérivant de l'anglais, soit respectivement :
MO = Monday → Lundi
Si le clavier reste inactif pendant 7 secondes, la télécommande quitte automatiquement la modalité de réglage de l'heure et confirme la dernière donnée saisie..
4.7.2. Configuration de l'unité de mesure de la température
Il est possible deCHOISIR L'unité de mesure de la température, en prenatal, comme système de mesure, le système international ou bien le système anglo-saxon.
Seulément lorsque le poèle est étéint, avec une pression de la touche 4 pendant au moins 5 secondes, sélectionner l'unité de mesure de la température; le choix est entre degrés Celsius (°C) et degrés Fahrenheit (°F).
La configuration standard de la télécommande est : dégrés Celsius (°C)

4.8. PREMIER ALLUMAGE
4.8.1. Allumage/Extinction au moyen de la télécommande
L'allumage et l'extinction du poèle (et pour autant, de l'afficheur de la télécommande) s'effectue en pressant la touche 3 de la télécommande pendant 2 secondes.
Après une phase de démarrage d'environ 15 minutes, le poêle entre en régime.
Après l'extinction du poèle par pression de la touche 3, commence la phase de refroidissement qui comprend l'interruption du chargement de combustible, le nettoyage du pot de combustion et la poursuite de la ventilation jusqu'à ce que le poèle soit suffisamment froid ; cette phase peut durer de 20 à 40 minutes selon le nombre d'heurespendant lesquelles le poèle est resté allumé et sa position.

4.8.2. Remarque sur le premier allumage

Le premier allumage pourrait ne pas réussir étant donné que la vis sans fin est vide et ne parvient pas toujours à charger la quantité de pellets nécessaire dans le pot de combustion à temps pour amorcer normalement la flamme.

ANNULER L'ETAT D'ALARME EN AGISSANT SUR LE PETIT TABLEAU DE SECOURS (voir paragraphe 4.16), RETIRER LES PELLETS RESTÉS DANS LE POT DE COMBUSTION ET RÉPÉTER L'ALLUMAGE.
Si après plusieurs tentatives d'allumage la flamme n'apparait pas, même avec un afflux régulier de pellets, vérifier si la position du pot de combustion est correcte : il doit être posé en adhérant parfaitement sur l'espace d'emboitement et doit être dépourvu de dépôts de cendres. Si après ce contrôle rien n'apparait anormal, cela signifie que le problème pourrait être lié aux composants du poèle ou être imputable à une mauvaise installation.

ENLEVER LES GRANULES DE BOIS RESTÉS DANS LE POT DE COMBUSTION ET APPELER UN TECHNICIEN AGRÉÉ MCZ.
4.8.3. Allumage/Extinction à partir du tableau de secours
En cas de panne de la télécommande ou de piles usées, vous pouvez faire fonctionner le poèle en modalité provisoire depuis le tableau de secours.
Avec cette configuration, le poèle ne peut fonctionner qu'en modalité manuelle et vous pouvez désir parmi 3 niveaux de puissance.
ALLUMAGE DU POÉLE SANS TÉLÉCOMMANDE
Pour allumer le poèle placer le sélecteur "D" sur la position ON. Au moment de l'allumage, le voyant ROUGE s'éteint tandis que levoyant VERT commence à clignoter jusqu'à ce que la phase d'allumage soit terminée ; en régime le voyant VERT reste constamment allumé.
- SELECTION DE LA PUISSANCE SANS TÉLÉCOMMANDE
Il est possible de désir parmi trois puissances de chauffage : MIN-MED-MAX (selecteur "E")
La puissance au MINIMUM correspond à la 1ère puissance ; La puissance MOYENNE correspond à la 3ème puissance ;
La puissance au MAXIMUM correspond à la 5ème puissance ;
EXTINCTION DU POÉLE SANS TÉLÉCOMMANDE
Pour eteindre le poelle placer le selecteur "D" sur la position OFF.

Une fois que le fonctionnement de la télécommande a eté rétabli, n'oubliez pas de replacer le/selecteur "D" sur la position "REMOTE" autrement le poèle ignorera les ordres de la télécommande.
4.9. MODALITÉS DE FONCTIONNEMENT
Les poêles représentent deux modes de fonctionnement : MANUEL et AUTOMATIQUE.



4.9.1. Manuel et automatique
Le poèle peut fonctionner selon les deux modalités ci-dessus, qui correspondent à deux principes de fonctionnement différents
Le mode MANUEL permit de régler uniquement la puissance de la flamme, de 1 à 5, en ignorant tout écart de température ambiente. Cette modalité est signalée par le sigle MAN sur l'afficheur de la télécommande (icône 1)
Le mode AUTOMATIQUE permet en revanche de programmer la température désirée dans la piece où se trouve le poèle et règle automatiquement sa puissance, afin d'obtenir et de conserver la température choisié. Cette modalité est signalée par le sigle AUTO sur l'afficheur de la télécommande (icone 1)
Cette modalité permet également d'utiliser une fonction avancée appelée ECO STOP qui sera illustrée par la suite (par. 4.8.4.)
Pour selectionner la modalité, presser la touche 4

À chaque allumage, le poèle se met sur le mode de fonctionnement où il se trouvait au moment où il a été éteint la dernière fois.
4.9.2. Mode manuel
Ce mode de fonctionnement permet uniquement de varier la puissance thermique distribuée en selectionnant la puissance de la flamme.
Avec la touche 4 de la télécommande, sélectionner le mode MANUEL qui est indiqué sur l'afficheur par le sigle MAN et par le symbole de la flamme. Cette modalité permet de régler les 5 puissances calorifiques du poèle au moyen de la touche 5.
Presser le haut de la touche 5 pour augmenter la puissance et le bas de la touche pour l'abaisser. Cette variation est indiquée par les tirets situés au-dessus du symbole de la flamme. Avec la 5ème puissance, s'affiche également le sigle MAX au-dessous du symbole de la flamme, pour indiquer que les performances maximales du poèle sont atteintes.
Avec cette modalité de fonctionnement le symbole de la flamme est complètement allumé.
4.9.2.1. Passage du mode manuel au mode automatique
Pour passer du mode de fonctionnement MANUEL au mode AUTOMATIQUE il suffira de presser rapidement la touche 4 deux fois de suite. Le sigle MAN s'eteindra et le sigle AUTO s'allumera ; les indicateurs de puissance de flamme et l'icone de la flamme disparaissant tandis que les chiffres servant à programmermer la température souhaitation s'allument (icone 8)
4.9.3. Mode automatique
Alors que le mode MANUEL permet simplement deCHOISIR la puissance thermique distribuée et de maintainir ce fonctionnement telquel, le mode AUTOMATICO permit de programmer une température déterminée pour une piece donnée. Avec cette modalité de fonctionnement, le poèle varie automatiquement la puissance thermique distribuée de façon à Obtirr la temperature programmée et pour qu'elle reste constante dans la piece.
Presser la touche 4 de la télécommande pour selectionner le mode AUTOMATIQUE qui est indiqué sur l'afficheur avec le sigle AUTO.



Avec cette modalité, avec la touche 5, il est seulement possible de régler la température souhaitée dans la pierce..
Presser le haut de la touche 5, pour augmenter la température choisis et le bas de la touche pour abaiser la température. La température souhaitée est indiquée par les chiffres de l'icône 8
La télécommande règle le fonctionnement du poèle en comparant constamment la température relevée dans la piece (indiquée en haut à droite sur l'afficheur et plus précisément les chiffres les plus grands pres du symbole de la maison) à la température programmée par l'utilisateur.
Lorsque la température souhaitation dans la piece est atteinte, le poèle se porte graduèlement sur la puissance minimale, alors que si la température de la piece descend sous le seuil programme, le poèle, toujours progressivement, se remet sur les puissances plus haute pour chauffer.
La température de la piece est relevée par la télécommande grâce à une sonde interne, par conséquent, le poèle tentera toujours d'atteindre la température en se basant sur les relevés de la sonde de la télécommande.
Grçé à cette caractéristique, la télécommande peut être considérée comme un veritable THERMOSTAT MOBILE EXTERNE, avec un rayon d'action d'environ 5 m (lorsque les piles sont neues)

Comme la télécommande joue le role de thermostat externe, il est nécessaire que les conditions de communication entre la télécommande et le poèle soient réunies. Par conséquent, il est conseilé de laisser la télécommande dans la piece chauffée par le poèle, à 8 m de ce dernier, mais pas trop après quand même, de façon à ce qu'elle ne soit pas influencée par la grande chaleur qui se dégage immeditatement à coté du poèle.

Il est conseilé de laisser la télécommande dans la piece où se trouve le poèle de façon à ce que le poèle et la télécommande puissant communiquer correctement.
Nous précisons en outre que si on laïsse la télécommande hors de portée du poèle, ce dernier ne recoit plus d'informations sur la température ambiente et continue à fonctionner selon la modalité reçue dans la dernière transmission.
4.9.3.1.Passagedu mode automatique au mode manuel
Pour returner en mode MANUEL, depuis le mode AUTOMATIQUE presser la touche 4 de façon à ce que le sigle MAN et les tirets relatifs au réglage de la puissance de la flamme s'affichent sur le display de la télécommande.
4.9.4. Mode automatique avec ECO-STOP
Cette modalité modifie le comportement du poèle en mode automatique : lorsque la température programmée par l'utilisateur est atteinte, le poèle module à la puissance 1 pendant un bref laps de temps puis s'éteint, si la température reste constante et supérieure à cette programmée.. Le poèle ne se rallume automatiquement que lorsque la piece requiert de nouveau de la chaleur (pas avant l'écoulement de intervalle de temps nécessaire au refroidissement du poèle). Cette option n'est conseillée que lorsque le poèle fonctionne dans des millieux hautement isolés ou où la dispersion de chaleur est minime avec le temps.


Exemple de fonctionnement en mode ECO STOP
Si la température ambiente relevée par la sonde de la télécommande est de 15^ C et la température programmée est 20^ C, le poèle se porte (selon une rampe prédéterminée) sur la 5^ème puissance et une fois que la température de 20^ C est atteinte, il s'éteint automatiquement de façon-temporaire (STAND-BY). Lorsque la température ambiente descend au-dessous de la valeur programmée sur la télécommande (par ex. 18^ C) et qu'un laps de temps d'arrêt suffisant s'est écoulé, le poèle se rallume en mode automatique et fonctionne jusqu'à atteindre de nouveau les 20^ C programmes. Si la température ambiente relevée par la sonde d'ambiance de la télécommande reste au-dessus de la valeur programmée sur le thermostat (par ex. 20 - 21^ C) le poèle reste étéint et l'afficheur visualise le message Eco Stop.
Avec cette modalité, l'allumage peut être effectué par l'utilisateur en reprogrammant la température du thermostat à une valeur supérieure à celle de la pierce ou en éteignant le poèle, enMAINANT LA TOUCHE 3 enforcée pendant quelques secondes après quoi, toujours en pressant cette touche, le poèle se rallumera.
Il n'est pas nécessaire de reprogrammer le mode "ECO STOP" car il reste en mémoire après la dernière utilisation.
4.9.4.1. Activation, désactivation modalité ECO-STOP
Cette modalité permet d'optimiser la consommation du poège lorsqu'il fonctionne dans des pieces bien isolées :
Cette option peut être selectionnée aussi bien en modalité manuelle qu'en modalité automatique, en pressant et en maintainant la touche 4 enfoncée pendant 5 secondes.
Le sigle AUTO apparait sur l'afficheur de la télécommande et simultanément l'indication ECO STOP.
Pour désactiver la fonction ECO-STOP, suivre la même méthode.
4.10. LA VENTILATION D'AIR CHAUD
Les poêles sont équipés d'un ventilateur interne pour l'expulsion de l'air chaud de chauffage qui peut être régle à tout moment sur 5 vitesses différentes, que le poêle se trouve en modalité manuelle ou automatique.
Pour acceder au menu de réglage de la ventilation, presser la touche MENU n° 6 une seule fois et l'icone relative à la ventilation s'allumera complètement. Normalement en effet seul le contour du symbole apparait puisque pour acceder au réglage il est nécessaire d'acceder au menu correspondant.
Les vitesses pouvant être sélectionnées sont 5 plus une fonction automatique.
Pour sélectionner la vitesse, après avoir pressé la touche 6, presser la touche 5 en haut ou en bas pour augmenter ou abaiser la puissance de ventilation. La variation de la ventilation peut être observée en comptant le nombre de tirets situés au-dessus du symbole du ventilateur, lesquels augmenteront ou diminuérer en conséquence.
En plus de la 5ème vitesse il existe une autre possibilité de selection appelée fonction AUTO. Cette fonction permet d'' accrocher '' la vitesse de ventilation à la puissance de la flamme. Lorsque cette option



est sélectionnée, le poèle désit de façon autonome la vitesse du ventilateur, en se basant sur la puissance de la flamme.
Cette option peut être selectionnée simplement en pressant de nouveau la flèche haut de la touche 5 une fois arrivé à la 5ème puissance de ventilation. Le sigle AUTO apparait sur l'afficheur de la télécommande sous le symbole du ventilateur.
Exemple avec ventilation programmée en AUTO :
Si la flamme est réglée sur la puissance 3, le ventilateur se programmera automatiquement sur la puissance 3 ou bien si la flamme est sur la puissance 5 le ventilateur se programmera automatiquement sur la puissance 5 et ainsi de suite.

Si le clavier reste inactif pendant 7 secondes, la télécommande quitte automatiquement la modalité de réglage de la ventilation et confirme la dernière donnée saisie..

Pour le choix de la vitesse du ventilateur, il est conseilé de ne pas sélectionner des vitesses trop basses (1a ou 2a) lorsque le poèle est au maximum car cela pourrait entrainer une surchauffe de la structure
4.11. FONCTION SLEEP
Cette fonction sert à accélérer la selection d'une extinction programmée, sans devoir programmermer le CHRONO interne du poèle.
Pour expliquer simplement la fonction SLEEP, disons qu'elle permet à l'utilisateur de programmer un compte à rebours d'un minimum de 15 minutes à un maximum de 8 heures, à la fin duquel le poèle s'eteindra.
Pour programmer la fonction, presser la touche 6 MENU deux fois de suite de façon à ce que l'icone correspondante s'allume complètement.
Là où est indiquée habituèlement l'heure courante, apparait 00:00 et il est possible de désirir la durée avec la touche 5. Presser la flèche haut pour augmenter le temps par tranche de 15 minutes ou bien la flèche bas pour diminuer le temps par tranche de 15 minutes. Pour confirmer, presser de nouveau la touche 6 ou attendre 7 secondes.
Revenu en fonctionnement normal, l'afficheur montre le compte à rebours avant l'extinction, au lieu de l'heure courante.

Si le clavier reste inactif pendant 7 secondes, la télécommande quitte automatiquement la modalité de réglage de la fonction SLEEP et confirme la dernière donnée saisie..
4.12. LE CHRONO
Cette modalité de fonctionnement signalée par l'indicateur ④ sur l'afficheur de la télécommande, permet de programmer l'allumage et l'extinction du poèle en mode automatique.
Normalement, sur les poêles le mode PROGRAMMé est désactivé.
Les caractéristiques fondamentales du mode PROGRAMMÉ sont :
L'horloge
Le jour en cours
Lechoix du programme hebdomadaire /journalier



4.12.1. Jour courant et horloge
Voir le paragraphe 4.6.1. et 4.6.2. pour apprendre à configurer le jour et l'heure.
N'oubliez pas que les jours de la semaine sont indiqués sur la télécommande par des sigles anglaises, à savoir :
MO = Monday → Lundi
TU = Tuesday Mardi
La configuration du jour et de l'heure courants est fondamentale pour que le chrono puisse fonctionner correctement.
4.12.2. Activation CHRONO et besoin d'un programme.
CONFIGURATION D'UN PROGRAMME HEBDOMADAIRE
Nous expliquons ci-après comment activer la fonction CHRONO en choisisant un programme hebdomadaireou journalier :
presser la touche 6 plusieurs fois jusqu'à ce que l'icone de l'horloge s'allume sur l'afficheur :

PROGRAM
ensuite, avec la touche 5 besoin parmi les10 programmes hebdomadaires pré-configures sur la télécommande.
Choisir en fonction des tableaux figurant au programme 4.12., le programme qui convient le plus aux exigences de chauffage de votre interieur puis memoriser le numero du programme sur la télécommande. Si aucun des 10 programmes pré-configures ne répond aux exigences personnelles de chauffage, il est possible de construire un programme hebdomadaire personnelisé (P99) de votrechoix (voir paragraphe suivant).

Si le clavier reste inactif pendant 7 secondes, la télécommande quitte automatiquement la modalité de réglage du CHRONO et confirme la dernière donnée saisie..
Tout de suite après avoir choisi le programme CHRONO et l'avoir confirmé avec la touche 6, quitter le menu de configuration et l'icone du CHRONO restera affichée sur le display de la télécommande sous de format :

Donc si cette icône reste affichée sur le display, cela signifie qu'un programme chrono prévoyant des allumages ou des arrêts distribués sur l'espace d'une journée et de la semaine, est activé.




ATTENTION!
Si la fonction CHRONO est active, l'icone 品 est allumée sur toutes les pages-écran relatives au fonctionnement
La fonction CHRONO peut être activée/désactivée quand le poèle est allumée ou éteint.
CONFIGURATION D'UN PROGRAMME PERSONNALISÉ
Si aucun des programmes pré-configurés ne répond aux exigences de chauffage de votre interieur, il est possible de désirer et de combiner différents programmes journalistiers précus dans la mémoire de la télécommande et de construire ainsi un programme hebdomadaire personnelisé (appele P99).
Les programmes journaliers pouvant être scélectionnés sont 50 et vous peuvent désirir un programme différent pour chaque jour de la semaine.
Pour activer cette option procéder comme décrit ci-dessus pour la configuration d'un programme hebdomadaire, sauf qu'au lieu de Sélectionner l'un des programmes figurant dans le tableau des programmes hebdomadaires (de P01 à P10) vous devez Sélectionner le programme P99.
Une fois que le programme P99 a été sélection, presser la touche 4 pour acceder à la modalité de programmation journalière et le premier jour de la semaine (MO = Monday = Lundi) commencerà à clignoter.
Avec la touche 5 faire défilier les programmes de 01 à 50 enCHOISANT celui qui vous interesse, après avoir préalablement consulté le tableau figurant au paragraphe 4.12. Lorsqu'on effectue ce type de programmation, on remarque que meme l'icone des 24 h s'allume pour signaler qu'on est en train d'effectuer une programmation jouraliere et non pas hebdomadaire.
Après avoir choisi le programme souhaité pour le jour activé (par ex. n° 32 pour le jour MO = Monday = Lundi) presser de nouveau la touche 4 pour continuer avec la programmation du jour TU = Tuesday = Mardi). Notons que dés que le programme pour le jour MO = Monday = Lundi, est confirmé, un tiret apparait sous le sigle MO pour signaler qu'un programme journalier est activé pour ce jour-là.
Dès que le programme pour un jour de la semaine a été confirmé et que nous sommes passés au jours successif, la télécommande repropose, pour unchioix rapide, le dernier programme configuré (dans notre exemple le n^ 32) mais avec la touche 5 il est possible de le changer avec un autre.
Proceder selon cette modalité de programmation jusqu'àu jour SU = Sunday = Dimanche
Si pour un jour de la semaine, vous ne souhaitez configurer certains programmes, selectionner le programme 00 et continuer la programmation. Noter que sous le jour en question, certains tret ne s'allumera.
A la fin de la programmation, presser la touche 6 ou attendre 30 secondes et la télécommande quitte automatiquement le menu en confirmant les CHOIX EFFECTUés.

Si un programme Chrono est actif mais que l'utilisateur decide d'allumer/éteindre le poèle avant, la commande donnée par l'utilisateur est considérée plus importante que celle du Chrono et par conséquent, est effectué. Naturellement, la



commande du Chrono est ignorée.
Exemple : si le Chrono prévoit un allumage du poêle à 10 h mais qu'a 9 h l'utilisateur a froid et veut l'allumer avant, s'il presse la touche 5 le poêle s'allumera. A 10 h, le chrono, qui prévoyait un allumage, sera ignoré parce que le poêle est déjà allumé.


REMARQUE IMPORTANTE :
L'allumage du poèle requiert 10/15 minutes de temps et 10/15 autres minutes avant que de l'air assez chaud n'en sorte.
Il faudra donc tenir compte de ces données pour programmer l'heure d'allumage du poèle. De la même façon, l'extinction du poèle requiert environ 30 minutes pendant lesquilles la chaleur accumulée continue à se libérer dans la piece. Tenir compte de cet intervalle de temps permet de réaliser une économie de combustible non indifférente.
4.12.3. Désactivation du CHRONO.
Pour désactiver le CHRONO acceder de nouveau au menu de programmation avec la touche 6 jusqu'à ce que l'icone apparaisse et à l'aide de la touche 5 selectionner
OFF
Attendre ensuite 7 secondes pour la confirmation ou bien presser de nouveau la touche 6 pour confirmer.
Cette opération désactive le CHRONO.

4.13. PROGRAMMES HEBDOMADAIRES ET JOURNALIERS PRE-CONFIGÉS
4.13.1. Programmes hebdomadaires
Les programmes hebdomadairesCHOisis par MCZ et memorisés sur la télécommande du poèle ont eté concus pour satisfaire la plupart des utilisateurs qui ne se trouvent pas chez eux pendant les heures de travail (ouvriers, commercants, employés, tours d'équipe, etc...) ainsi que des personnes qui restent chez elles pendant une grande partie de la journée (femmes au foyer, personnes âgées, etc...).
De plus, nous avons pensé à certains qui utilisent le poèle dans leur résidence secondaire, habitée seulement pendant les fins de semaines ( par ex. maison à la montagne) et qui souhaitent trouver leur intérieur déjà chauffé à leur arrivée..
En revanche, pour ceux qui ont des exigences encore plus particulières et pour lesquels aucuns des dix programmes hebdomadaires n'est satisfaisant, il est possible de personnaliser le programme hebdomadaire P99 en utilisant sept programmes différents pour chacun des jours de la semaine (voir chapitre 4.11.2).
| PROGRAMME | HORAIRES | |||||||||||||||||||||||||
| N° | TYPE DE PROGRAMME | JOURS | 0.001.002.003.004.005.006.007.008.009.0010.0011.0012.0013.0014.0015.0016.0017.0018.0019.0020.0021.0022.0023.000.00 | |||||||||||||||||||||||
| P01 | FEMME AU FOYER | Lun-Ven | ||||||||||||||||||||||||
| Sam-Dim. | ||||||||||||||||||||||||||
| P02 | OUVRIER EMPLOYÉ | Lun-Ven | ||||||||||||||||||||||||
| Sam-Dim. | ||||||||||||||||||||||||||
| P03 | OUVRIER EMPLOYÉ | Lun-Ven | ||||||||||||||||||||||||
| Sam-Dim. | ||||||||||||||||||||||||||
| P04 | OUVRIER EMPLOYÉ | Lun-Ven | ||||||||||||||||||||||||
| Sam-Dim. | ||||||||||||||||||||||||||
| P05 | OUVRIER EMPLOYÉ | Lun-Ven | ||||||||||||||||||||||||
| Sam-Dim. | ||||||||||||||||||||||||||
| P06 | OUVRIER EN ÉQUIPE | Lun-Ven | ||||||||||||||||||||||||
| Sam-Dim. | ||||||||||||||||||||||||||
| P07 | COMMERCANT | Lun-Sam | ||||||||||||||||||||||||
| Dim. | ||||||||||||||||||||||||||
| P08 | COMMERCANT | Lun-Sam | ||||||||||||||||||||||||
| Dim. | ||||||||||||||||||||||||||
| P09 | AFFAIRE | Lun-Sam | ||||||||||||||||||||||||
| Dim. | ||||||||||||||||||||||||||
| P10 | WEEK-END | Ven | ||||||||||||||||||||||||
| Sam-Dim. | ||||||||||||||||||||||||||
4.14.1. Configuration d'un programme hebdomadaire
Prenons pour exemple un travailleur normal (ouvrier ou employé) qui commence à travailler à 8 h du matin et rentre chez lui à l'heure du déjeuner à 12h30 puis reprend le travail de 14 h jusqu'à 18 h.
Parmi les programmes en mémoire sur notre télécommande, celui qui convient le mieux aux heures où l'utiliseur est chez lui est le P07 (voir tableau au paragraphe 4.12.1); voyons maintainant comment le configurer :

PHASE 1

PHASE 2


presser la touche 6 plusieurs fois jusqu'à ce que l'icone de l'horloge s'allume complètement :
Presser la touche 5 vers le haut pour selectionner le programme P07 que nous avons choisi.

PHASE 3
RECAPITULATION
- Presser la touche 6 jusqu'à ce que l'icone de l'horloge apparaisse.
- Sélectionner le programme avec la touche 5
- Confirmer le programme avec la touche 6 ou bien attendre 30 secondes après lesquelles la télécommande confirme automatiquement la selection effectue et quitte le menu de programmation.
- L'icône vide du Chrono reste affichée, ce qui signifie que le programme est configuré et qu'à partir de ce moment le poèle s'allumera et s'éteindra de façon autonome.
Confirmer la sélection faite en pressant la touche 6 ou attendre 30 secondes. Le programme est confirmé, l'icone de l'horloge s'eteint et leurs ses contours restent affichés tandis que les voyants relatifs au programmeCHOISA s'éteignent
4.14.2. Configuration d'un programme journalier
Prenons pour exemple un utilisateur qui n'a pas d'horaires journaliers définis ( profession libreale, etc...) mais qui sait plus ou moins qu'il sera chez lui pendant les jours et aux horaires suivants ::
LUNDI chez lui jusqu'à 10 h et à partir de 17 h
- MARDI → chez lui jusqu'à 8 h et à partir de 14 h
- MERCREDI reste chez lui toute la journee et ne souhaite configurer aucun programme
JEUDI reste chez lui toute la journee
VENDREDI chez lui jusqu'à 9 h, de 12 h à 15 h et à partir de 18 h
- SAMEDI → chez lui seulement à partir de 18 h
DIMANCHE chez lui seulement a partir de 14 h
Sur la base de ces heures, nous choisirons dans le tableau illustré au paragraphe 4.12.2 les programmes journaliers qui convennent le plus à cetemploi du temps.
LUNDI
Programme 20
MARDI
Programme 42
- MERCREDI
→Programme 00
JEUDI
Programme 13
VENDREDI
Programme 33
- SAMEDI
Programme 10
DIMANCHE
Programme 08
DÉBUT DE LA PROGRAMMATION : LUNDI

PHASE 1


PHASE 2

Presser la touche 6 plusieurs fois jusqu'à ce que l'icone de l'horloge s'allume complètement :
Presser la touche 5 vers le haut pour selectionner le programme P99.

PHASE 3


PHASE 4

Presser la touche 4 pour confirmer l'entrée de la modalité de programmation journalière. L'icone relative aux 24 h s'allume et le sigle MO = Lundi commence à clignoter.
Presser la touche 5 vers le haut pour selectionner le programme 20 (choisi pour le lundi).

PHASE 5


PHASE 6

Presser la touche 4 pour confirme le programme configuré pour la journée de MO = Lundi et commencer la programmation de la journée de TH = Mardi. Quand on presse la touche, un tiret s'allume sous le symbole MO = Lundi et le sigle TU = Mardi commence à clignoter. Le tiret signale que pour ce jour-là un programme chrono a été configuré.
Après avoir pressé la touche 4 pour confirmer la programmation du jour MO = Lundi et être passé à la programmation du jour TU = Mardi, la télécommande reprouse le programme configuré pour le lundi, au cas où l'utiliseur souhaiterait configurer ce même programme pour le mardi. Si par contre le programme configuré pour le lundi ne convient pas pour le mardi, il suffit de presser la touche 5 pour le modifier. Dans notre cas en effet le programme du lundi ne convient pas au mardi et nous devons selectionner le programme n° 42. Presser alors la touche 5 pour le changer.

PHASE 7


PHASE 8

Après avoir choisi le programme 42 pour le jour TU = Mardi, confirmer la sélection faite avec la touche 4 pour passer à la programmation de WE = Mercredi. Comme précédemment un tiret s'allumera sous le sigle TU = Mardi et le symbole WE = Mercredi commencerà à clignoter.
Pour le jour WE = Mercredi nous ne voulons configurer notamment et il suffit donc, comme pour les autres cas, de selectionner avec la touche 5 le programme 00 puis de confirmier la selection avec la touche 4.

PHASE 9

PHASE 10 FINALE
Pour terminer notre programmation pour les jours restant, yeudi, vendredi, samedi et dimanche, il suffit d'opérer comme indiqué pour la programmation des jours précédents, lundi, mardi et mercredi. La seule différence resides dans le numero de programme choisi, toujours au moyen de la touche 5.
Comme chaque programme n'a été configuré pour le jour de WE = Mercredi (en effet, nous avions sélectionné 00) nous voyons que la programmation s'est déplacee au TH = Jeudi tandis que sous le sigle WE = Mercredi dernier tiret n'est allumé. Cela signifie que pour le jour en question chaque programme Chrono journalier n'a eté prévu.
Quand la programmation de chacun des jours est terminée, c'est-à-dire arrivé au sigle SU = Dimanche, une ultérieure pression sur la touche 6 permettra de quitter la programmation. Ou bien il suffit d'attendre 30 secondes et la télécommande quitte automatiquement la programmation en confirmant toutes les configurations effectuees. Pour avoir un aperçu rapide de la programmation, contrôle si des tirets se trouvent sous les sigles de la semaine ou bien il est toujours possible de returner à la programmation avec la touche 6, de sélectionner à nouveau le programme P99 avec la touche 5 puis, plusieurs avec la touche 6, faire défiler tous les jours de la semaine pour vérifier si le programme a été configuré.
4.15. VERROUILAGE DU CLAVIER
La télécommande est dotée d'une fonction qui permet de verrouiller le clavier par sécurité, pour éviter que les touches ne soient pressées accidentellement ou pour le cas où la télécommande tomberait dans les mains d'un enfant.
Ce verrouillage s'active simplement en pressant pendant 5 secondes la touche 6.
Après ce laps de temps, le symbole du "cadenas" qui confirme le verrouillage du clavier apparaitra en haut à gauche de l'afficheur.
Pour désactiver le verrouillage du clavier, repeter l'opération décrite cédessus.
4.16. CAPTEUR DE NIVEAU DU PELLET
Un capteur est installé à l'intérieur du réservoir à pellet et relève l'épuisement du combustible pour éviter que le compartment ne puisse

se vider complètement. La signalisation est effectuée par 2 bips sonores répétés à intervalles d'une minute et par l' apparition de la mention PELLET qui clignotera sur l'afficheur du tableau de secours. Vu que l'afficheur ne dispose que de 3 caractères, la mention PELLET sera illustrée en deux phases consécutives : "PEL" "LET" PELLET. Pendant cette phase, le produit se règle automatiquement à la puissance minimum.
Pour éliminer la signalisation et returner aux conditions normales de fonctionnement, il suffit de replir le réservoir à pellets. Si pendant cette phase de pré-alarme d'environ 20 minutes l'utiliseur ne devait pas replir le réservoir, l'appareil démarre la phase extinction pour absence de combustible. Cette phase est signalée par la mention PELLET qui reste fixe, et qui s'annule, comme toutes les autres alarmes, en mettant l'interrupteur sur OFF pendant quelques secondes (après avoir réintroduit du pellet dans le réservoir).


4.17. REMPLACEMENT DE LA TÉLECOMMANDE
Si l'on remplace la télécommande par une neue, il faudra faire reconnaître la nouvelle télécommande au poèle. Cette opération s'effectue comme suit :
- vérifier si le sélection D du tableau de secours est sur la position REMOTE,
- presser la touche G
- ÀpRES 10 secondes, lorsque les trois tirets de l'afficheur du tableau de secours auront cession de clignoter, appuyer sur un bouton quelconque de la télécommande
4.18. DISPOSITIFS DE SECURITE

Réglage de la nouvelle télécommande
Le poèle est équipé des dispositifs de sécurité suivants :
- PRESSOSTAT
Il contrôle la dépression dans le conduit de fumée. Il sert à bloquer la vis sans fin de chargement des granulés de bois au cas où la sortie de fumées serait bouchée et en cas de contrepressions importantes (vent).
SONDE TEMPERATURE FUMÉES
Elle relève la température des fumées et fait partir ou arrêté le poële lorsque la température des fumées descend au-dessous de la valeur programmesée.
SONDE TEMPERATURE DU RÉSERVOIR DU COMBUSTIBLE
Si la température dépasse la valeur de sécurité programmée, cette sonde interrompt immédiatement le fonctionnement du poêle et pour le faire redémarrer il sera nécessaire de réarmer manuelle la sonde mais seulement lorsque le poêle aura refroidi.
SECURITE ÉLECTRIQUE
Le poèle est protégé contre les brusques coupures d'électricité par un disjoncteur général placé sur le tableau de contrôle situé à l'arrière du poèle. Les fusibles de protection des cartes électroniques sont situés également au dos du poèle.
- RUPTURE VENTILATEUR FUMÉES
Si le ventilateur s'arrête, la carte électronique bloque immédiatement l'approvisionnement en pellets et un message d'alarme s'affiche.
- RUCTURE DU MOTORÉDUCTEUR
Si le motoréducteur s'arrête, le poèle continue à fonctionner jusqu'à ce qu'il atteigne le niveau minimum de refroidissement.
- ABSENCE MOMENTANÉE DE COURANT ÉLECTRIQUE
Si pendant le fonctionnement du poèle, une coupure de courant électrique se vérifie, au rétablissement du courant le poèle se met en refroidissement puis se rallume automatiquement.
ALLUMAGE MANQUE
Si pendant la phase d'allumage aucune flamme n'apparait, le poèle se met en position d'alarme.

IL EST INTERDIT DE MANIPULER LES DISPOSITIFS DE SECURITE.

Il ne sera possible d'allumer le poèle qu'après avoir éliminé la cause qui a déclenché le système de sécurité et après avoir rétabli le fonctionnement automatique de la sonde. Pour comprendre la nature de l'anomalie survenue, consulter leprésent manuel (paragraphe 4.17) qui explique comment intervenir en fonction du message d'alarme affché.

ATTENTION!
Si le poèle N'EST PAS UTILISÉ de la façon prescrite dans leprésent livret d'instructions, le fabricant decline toute responsabilité en cas de dommages matériels et corporels. En outre, le constructeur decline toute responsabilité en cas de dommages causés aux personnes ou aux choses suite au non respect de toutes les règles figurant dans ce manuel, et notamment :
- Adopter toutes les mesures et/ou les précautions nécessaires lors des travaux d'entretien, de maintenance, de nettoyage et de réparation.
- Ne pas manipuler les dispositifs de sécurité.
- Ne pas enlever les dispositifs de sécurité.
Raccorder le poèle à un système de sortie de fumées efficace. - Contrôler au préalable si la piece où le poèle sera installé est aérée de façon ajustée.
4.19. SIGNALISATION DES ALARMES
En cas d'anomalie de fonctionnement, le poèle entre dans la phase d'extinction et une alarme informe l'utilisateur sur le type de panne relevante au moyen d'un code à 3 chiffres qui reste affiché sur le tableau de secours situé au dos du poèle.
L'alarme est signalée de façon permanente par le code à trois chiffres, par unvoyant lumineux rouge clignotant qui apparait toujours sur le tableau de secours, et pendant les 10 premières minutes d'alarme, par un signal sonore intermittent que l'on peut eteindre en eigneant l'appareil avec la telecommande. Pour quitter la condition d'alarme et returner à l'etat de fonctionnement normal, dire les indications reportees dans les deux paragraphs suivants.
Le tableau qui suit énuméré les alarmes évientuèlement signalées par le poële, avec le code y afférant qui apparait sur le tableau de secours.
| MESSAGE SUR L'AFFICHEUR | TYPE DE PROBLÈME | SOLUTION |
| A01 | Allumage du feu non réussi | Contrôler le niveau de granulés dans le réservoirVérifier si le pot de combustion est bien posé dans sonlogement et s'il ne présente pas d'incrustations de fumées;Vérifier si la bougie d'allumage chauffe. |
| A02 | Extinction anormale du feu | Dérive d'une extinction causée par le manque de combustible(réservoir vide) ou par un excès de pellets dans le pot decombustion qui suffoque et étant le feu. |
| A03 | La température du réservoir à pellet dépasse le seuilde sécurité prévu.Surchauffe de la structure | Attendre que la structure ait refroidi avant de faire redémarrerle poèle |
| A04 | La température des fumées en sortie a dépassecertaines des limites de sécurité programmesés. | Le poèle s'éteint en mode automatique. Laisser refroidir lepoèle pendant quelques minutes puis le rallumer.Contrôler la sortie de fumées et la position de la sonde detempérature.Vérifier le type de pellet utilisé. |
| A05 | Le pressostat s'est déclenché à cause de problèmesd'obstruction du conduit de cheminée dus à descores étrangers, à du suif/cendre ou à des agentsthemosphériques externes (vent, neige, etc...) | Contrôler et nettoyer le conduit de fumée sur TOUTE sa longueur.Protégé la sortie contre le vent externe. |
| A06 | L'extracteur de fumées ne parvient pas à garantirl'air primaire nécessaire pour une bonnecombustion. | Problèmes de tirage ou obstruction du pot de combustion.Vérifier si le pot de combustion est bouché par desincrustations et le nettoyer le cas échéant.Contrôler et s'il y a lieu nettoyer le conduit de fumée. |
| A07 | Pendant le fonctionnement du poèle, se vérifie uneentree d'air non prévue dans la chamde combustion | caused par l'ouverture prolongée de la porte du foyer ou parune infiltration d'air non indifférente (absence du tiroir àcendre ou du clapet d'inspection de la ventilation fumées) |
| A08 | L'extracteur de fumées est bloqué, ne tourne pas. | Contrôler la propriété du logement ventilateur fumées au casou de la salété le bloquerait.Panne du ventilateur fumées. Remplacement |
| A09 | Panne du capteur de fumées qui ne relève pascorrectement la température des fumées en sortie | Contacter un centre d'assistance agrée pour faire replacer lecompasant. |
| A10 | La bougie ne fonctionné pas | Contracter un centre d'assistance agrée pour faire replacer lecompasant. |
| A11 | Le motoréducteur de chargement du pellet dans lepot de combustion est en panne | Contracter un centre d'assistance agrée pour faire replacer lecompasant. |
| A12 | La télécommande se trouve hors du champ deréception du poèle depuis plus de 3 heures (ou bienses piles sont usées).REMARQUE: seulement dans ce cas le poèle n'entrepas en extinction d'alarme mais continue àfonctionner selon la modalité que la télécommandelui avait transmise lors de la dernière commande. | Rapprocher la télécommande du champ de réception du poèle (ouchanger les piles au cas où elles seraient usées).Dés que le poèle receiveva un nouveau signal de la télécommande,les signaux d'alarme disparaitront. Une façon simple pour forcerune transmission au poèle est de presser la touche 4 (qui change le mode de fonctionnement de manuel à automatique et viceversa) |
| A13 | Panne généraie à la centrale électronique | Contracter un centre d'assistance agrée pour faire replacer lecompasant. |
| A14 | Panne ou capteur air combustion | Contracter un centre d'assistance agrée pour faire replacer lecompasant. |
| PELLET | Le capteur du réservoir du pellet signalel'épuissement du combustible | Si l'on remplit immidiatement le réservoir pendant le préavis d'alme, la signalisation disparaïtra automatiquement aprèsquelles secondes. Si au contraire l'apparéil est entré en étatd'alme pour absence de pellet, replir le réservoir, annulerl'alme et rallumer. |
4.20. Sortie de la condition d'alarme
En cas de déclenchement d'alarme, pour rétabir le fonctionnement normal de l'appareil, suivre la procédure décrite ci-après :
- Placer le sélection D du tableau de secours postérieur sur OFF pendant quelques secondes, jusqu'à ce que le code à 3 chiffres identifient le type d'alarme disparaissé et que la mention OFF soit affichée. Cette opération annule aussi le clignotement du voyant rouge et le signal sonore d'alarme.
- Reporter de nouveau le sélecteur D en position REMOTE pour pouvoir commander de nouveau le fonctionnement de l'appareil avec la télécommande.
- Éteindre la télécommande et la rallumer si l'on désire rallumer la flamme.

Seulement en cas de panne A12 (absence de transmission entre la télécommande et l'appareil), la flamme reste régulièrement allumée selon la dernière modalité utilisée, et quitte automatiquement la modalité d'alarme à la première réception d'un signal de la télécommande.

4.20.1. Interruption du fonctionnement du produit
Les causes d'interruption peuvent être les suivantes :
- Surchauffe de la structure
- Fonctionnement à la puissance maximum pendant une durée prolongée.
Haute pression des fumées en sortie (relevée par le pressostat) et par conséquent possible obstruction de la sortie de fumées ou présence de contre-pressions extérieures.
L'interruption est signalée sur l'afficheur du tableau de secours et accompagné d'un "bip" sonore. Dans ce cas, la phase d'extinction s'active automatiquement. Il faut désactiver l'alarme avant de faire redémarrer le produit.
ALARME A3: Le poèle se met en alarme A03 en cas d'un excès de température au niveau du réservoir à pellets. L'appareil est doté d'un thermostat de sécurité à réarmement automatique.
Pour quitter cette condition d'alarme, l'utilisateur doit eteindre l'appareil en mettant le selecteur "D" sur OFF, puis attendre que la structure et le réservoir se refroidissant (environ 20 minutes).
En effet, le réarmement du thermostat s'effectue automatiquement dés que l'appareil a refroidi, puis l'alarme disparaît ce qui permet de rallumer le produit.
ALARME A5: Il faut contrôler si TOUT le conduit de cheminée, le conduit de fumée et la chambre de combustion sont propres et privés d'obstruction. (il est conseillé de faire effectuer cette opération à un technicien agréé MCZ) Ce n'est qu'aupreset avoir définitivement élimné la cause du blocage que l'appareil pourrait être rallumé.
5. ENTRETIEN ET NETTOYAGE

ATTENTION!
Toutes les opérations de nettoyage des différentes pieces doivent être effectuées quand l'appareil est refroidi et après avoir débranché la fiche électrique.
L'appareil ne requiert que peu d'entretien lorsqu'il est utilisé avec des granulés de bois homologués et de qualité. La nécessité d'entretien augmente en fonction du temps de fonctionnement et des modifications de prestations requisés.
5.1. NETTOYAGE QUOTIDIEN OU HEBDOMADAIRE
5.1.1. Avant chaque allumage
Nettoyer le pot de combustion avec l'outil prévu à cet effet pour éliminer la cende et les éventuelles incrustations qui pourrait obstruer les orifices prévus pour le passage de l'air.

LES ORIFICES DU POT DE COMBUSTION DOIVENT ETRE TOUS PRIVÉS D'OBSTRUCTIONS ET D'INCRUSTATIONS. SE RAPPELER QUE SEUL UN POT DE COMBUSTION BIEN PROPRE PEUT GARANTIR L'EXCELLENT FONCTIONNEMENT DU PRODUIT.
Un simple contrôle visuel, effectué tous les jours, suffit à vous renseigner sur l'état du pot de combustion.
Pour nettoyer le pot de combustion de façon efficace, l'extraire complètement de son logement et nettoyer à fond tous les orifices et la grille placée sur le fond. Si vous utilisez du pellet de bonne qualité, un pinceau suffira pour reporter le pot de combustion dans les meilleures conditions de fonctionnement ; pour des incrustations tenaces, servez-vous de l'outil en acier en dotation à l'appareil.
5.1.2. Nettoyage tous les 2/3 jours
Nettoyer et vider le tiroir à cendres en faisant attention à la cendra chaude.
Utiliser un aspirateur pour-retirer la cende que lorsque cette dernière a complètement refroidi. Dans ce cas, utiliser un aspirateur pouvant éliminer les particules d'une certaine dimension du type "aspirateur bidon". Ne pas oublier de nettoyer aussi le logement du pot de combustion en utilisant l'embout approprié.
Votre experience et la qualité du pellet détermineront la fréquence des nettoyages nécessaires à l'appareil. Nous conseillons de nettoyer l'appareil au moins tous les 2 ou 3 jours. Une fois l'opération terminée, replacer le tiroir à cendres et le pot de combustion, en ayant soin de bien les positionner.
5.1.3. Nettoyage de la vente
Lorsque la vitre a refroidi, ouvrir la porte du foyer, vaporiser une petite quantité de produit détergent (voir accessoires MCZ) sur un chiffon doux, de préférence en coton, puis nettoyer la vitre. Ne pas vaporiser le produit directement sur la vitre car en coulant il pourrait s'infiltrer entre la vitre et les profils en acier et endommager la sérigraphie.


Extraction du pot de combustion pour le nettoyage

Extraction du tiroir à cendres

Nettoyage du logement du pot de combustion

ATTENTION ! Ne pas utiliser d'alcool ! Ne pas vaporiser le dédTangent directement sur la vitre. MCZ ne répond pas des dommages à la sérigraphie de la vitre dérivant du non-respect des prescriptions indiquées. Ne pas nettoyer les parties laquées.
5.2. NETTOYAGES PÉRIODIQUES INCOMBANT À L'UTILISATEUR

ATTENTION!
Ces opérations de maintenance ne doivent être effectuées que par du personnel spécialisé ou/agreeé. MCZ décline toute responsabilité en cas de dommages aux biens ou aux personnes dérivant du non-respect de cette prescription et se réserve le droit d'évaluer la validité de la garantie sur la base des dommages subis par le produit.
5.2.1. Extraction du monobloc
Pour effectuer la maintenance sur certains dispositifs et l'entretien de certaines pieces, il est nécessaire d'extraire une partie du monobloc de son logement. La partie mobile est montée sur des glissières coulissantes qui en facilitent l'extraction. Avant d'y procéder, il faut d'abord où l'encadrement de compensation en suivant les instructions du chapitre 3.13 pour éviter de l'abîmer pendant les opérations de maintenance. Pour le retrait, retirer les deux vis frontales situées sur le bas et retirer le petit panneau inférieur.
Après avoir enlevé les vis, il suffit d'exercer une légère traction vers soi pour extraire la partie mobile comme un tiroir. Les glissières sont munies d'une butée qui bloque la partie mobile au point de maximum extraction.

Extraction de la partie mobile du monobloc

L'EXTRACTION DU MONOBLOC NE DOIT ETRE EFFECTUÉE QUE LORSQUE LA STRUCTURE A REFROIDI ET APRES AVOIR PREALABLEMENT COUPÉ LE COURANT ÉLECTRIQUE À L'APPAREIL.
Lors de la réinstallation de la partie mobile, veiller à bien visser à fond les deux vis précédemment retirees. Tout oubli pourrait cause le non fonctionnement du produit pour absence de tension ou entrainer des pertes de suie
5.2.2. Nettoyage du filtré à air
Le filtré à air en grille métallique est situé au dos du monobloc, au niveau du tuyau d'entrée de l'air comburant 05 cm, et sert à éviter l'entrée d'impuretés à l'intérieur du corps moteur et du capteur interne.
Nous vous conseillons de nettoyer ce filtré lors de chaque extraction du monobloc de son logement lors des opérations de maintenance périodiques de mi-saison et de fin de saison.
Pour le nettoyer, il suffit de dégager le filtré en suivant le sens indiqué par la flèche etPTRirer la poussière avec un pinceau, un chiffon humide ou de l'air comprimé.

Démontage du filtré à air pour le nettoyage

ATTENTION!
LE MONTAGE DU FILTRÉ À AIR EST OBLIGATOIRE. Ne jamais faire fonctionner le produit sans le filtre à air.
MCZ ne répond pas des évventuels dommages aux composants dérivant du non-respect de cette prescription.

Le filtré est fabriqué en grillage métalliqueSouple et déformable au toucher, c'est pourquoi lors des opérations de nettoyage, il faut veiller à ne pas l'écraser ou le détériorer. En cas de rupture, il faudra le replacer
5.2.3. Nettoyage de l'échangeur de chaleur
Au milieu mais surtout à la fin de l'hiver, il est nécessaire de nettoyer le compartment où passent les fumées evacuées.
Ce nettoyage doit obligatoirement être fait de façon à faciliter l'élimination générale de tous les résidus de la combustion, avant que le temps et l'humidité ne les compactent et qu'ils ne deviennent difficiles à enlever.
Lorsque l'appareil a refroidi, ouvrir la porte du foyer et-retirer le tiroir à cendres et le pot de combustion. Puis dévisser les trois vis situées immédiatement au-dessus de la bouche du foyer pour retarder l'étrier qui bloque les réfractaires internes en Alutec. Retirer delicatement les cotés latéraux, puis le fond arrêté.

Pendant le retrait des réfactaires, veiller à ne pas les heurter car ils pourraient s'ébrécher ou se briser. Les placer en lieu sur jusqu'àu moment du remontage.
Après avoir retire le fond en réfractaire, on remarque des ouvertures sur le fond en acier où passée normalement la fumée. Insérer une Brosse à bouteille (de préférence en fer) dans chaque ouverture et gratter les parois du foyer de manière à faire tomber la cendre dans la partie sous-jacente où sont placées les trappes de visite.
Dévisser les boulons et ouvrir les trappes de visite situées sous le tiroir à cendres. Puis à l'aide d'un embout d'aspirateur approprié, retarder les dépôts de cende et de suie sur l'échangeur de chaleur, toujours en utilisant la Brosse et l'embout d'aspirateur.
Puis remonter le tout en effectuant à l'inverse les opérations décrites
5.2.4. Nettoyage du conduit de fumée et du raccord
Lorsque le monobloc est retire, il est possible d'intervenir sur la volute d'aspiration des fumées (1) située à gauche et effectuer le nettoyage et la maintenance. Afin d'effectuer cette opération de maintenance, il faut naturellement démonter le ventilateur d'aspiration des fumées.
En outre, un joint (3) est appliqué sur la sortie de la volute et garantit l'étanchéité avec le raccord des fumées (2). Contrôler toujours le bon état du joint et s'il y a lieu, le replacer. Le joint peut aussi être régle à l'aide d'une vis. En desserrant la vis, on peut augmenter ou diminuer la pression sur le raccord.
Le raccord des fumées est logé au dos du monobloc, au niveau de la sortie de la volute, ensemble au compartment de récapération des cendres (4). Passer également l'aspirateur dans ce compartment après avoir inséré l'embout approprié sur l'orifice d'insertion de la volute.

Vis de fixation de l'étrier supportant les réfractaires en Alutec

Puis nettoyer le système de sortie des fumées, en insisting après des raccords, des coudes et des tronçons horizontally. Pour toute information sur le nettoyage du conduit de cheminée, s'adresser à une entreprise de ramonage.

ATTENTION :
La fréquence de nettoyage du système d'évacuation des fumées devra être déterminée en fonction de l'utilisation et du type d'installation.
5.2.5. Autres contrôls
Tous les joints d'étanchéité montés sur les composants sujets à maintenance (ventilateur aspiration fumées, trappes de visite, etc..) doivent être replacés s'ilts sont démontés au cours des opérations de maintenance. Vérifier l'étanchéité des joints placés sur la porte du foyer et au besoin, contacter un centre d'assistance agrée pour effectuer le remplacement

MCZ conseille de s'adresser à un centre d'assistance agréé pour l'entretien et le nettoyage de fin de saison car ces centres effectuent non seulement les opérations décrites ci-dessus mais aussi le contrôle général des composants.
5.2.6. Mise hors service (fin de saison)
En fin de saisson, il est conseillé de vider complètement le réservoir des granulés en utilisant un aspirateur avec un long tuyau.
Débrancher l'appareil du secteur pendant la période hors saison. Si au moment du rallumage, en appuyant sur l'interrupteur général, l'afficheur du tableau de commande ne s'allume pas, il faudra probabilité remplacer le fusible de service.
Le compartment portes-fusibles est situé sur le boitier de l'interrupteur général, juste au-dessus de la prise d'alimentation. Si nécessaire, ouvrir le couvercle du boitier portes-fusibles à l'aide d'un tournevis et replacer le fusible (3,15 AT retardé).
5.2.7. Contrôle des composants internes

ATTENTION!
Le contrôle des composants électriques et mécaniques internes devra être effectué exclusivement par du personnel qualifié et spécialisé dans ce domaine.
Il est recommandé d'effectuer cet entretien périodique annuel (en stipulant par exemple un contrat d'assistance technique programme par exemple) portant sur le contrôle visuel et le contrôle du fonctionnement des composants internes :
Les interventions de contrôle et/ou d'entretien indispensablees pour le fonctionnement correct de votre poèle sont résumées ci-dessous :

1. VoluteSortie de fumées et raccord des fuméesJoint d'étanchéité entre la volute et le raccord des fuméesCompartmentnement récapération des cendres

| PARTIES / | 1 JOUR | 2-3 JOURS | 30 JOURS | 60-90 JOURS | 1 AN |
| Pot de combustion | ● | ||||
| Compartment | ● | ||||
| Tiroir à cendres | ● | ||||
| Vitre | ● | ||||
| Échangeur inférieur | ● | ||||
| Échangeur complet | ● | ||||
| Conduit de fumées | ● | ||||
| joint porte | ● | ||||
| Filtre à air | ● | ● | |||
| Conduit de cheminée | ● | ||||
| Pile télécommande | ● |
6. PANNES / CAUSES / SOLUTIONS

ATTENTION :
Toutes les réparations doivent être effectuées exclusivement par un technician spécialisé, lorsque le poèle est étant et que la prise électrique est débranchée.
| PROBLÉMES | CAUSES POSSIBLES | SOLUTIONS |
| Les pellets ne sont pas introduits dans la chimbre de combustion. | • Le réservoir des granulés de bois est vide. • La vis sans fin est bloquée par de la scirure. • Panne du motoréducteur • Carte électronique défectueuse. | • Remplir le réservoir à pellets • Vider le réservoir et débarrasser manuellement la vis sans de la scirure. • Remplacer le motoréducteur • Remplacer la carte électronique. |
| Le feu s'éteint ou le poèle s'arrête automatiquement. | • Le réservoir à pellets est vide. • Les pellets e sont pas introduits. • La sonde de sécurité de température des pellets s'est déclenchée. • La porte n'est pas parfaitement fermée ou les joints sont usés. • Les pellets ne sont pas appropriés. • Faible arrivée de pellets. • Chambre de combustion sale. • Sortie de fumées obstruée. • Le pressostat se déclenché. • Le moteur extraction fumées est endommagé. | • Remplir le réservoir de pellets. • Voir solution précédente. • Laisser le poèle refroidir complètement, rétablier le thermostat jusqu'à ce que le bloc s'éteigne et rallumer le poèle; si le problème persisté, s'adresser au service d'assistance technique. • Fermer la porte ou faire remplaner les joints par des joints d'origine. • Change de type de pellets enCHOISANT une catégorie préconsée par le fabricant. • Faire contrôle l'arrivée du combustible par le service d'assistance technique. • Nettoyer la chambre de combustion en suivant les instructions du livre. • Faire ramoner le conduit de fumée. • Vérifier si le conduit de cheminée est obstrué et si le pressostat fonctionné correctement. • Contrôler le moteur et le remplaner s'il y a lieu. |
| Le poèle fonctionné quelques minutes puis s'éteint. | • La phase d'allumage n'est pas terminée. • Absence momentanée de courant électrique. • Conduit de fumée obstrué. • Sonde de température défectueuse ou en panne. • Bougie endommagée. | • Répéter la phase d'allumage. • Voir instruction précédente. • Ramoner le conduit de cheminée. • Vérifier et remplaner la sonde. • Contrôler la bougie et la remplaner s'il y a lieu. |
| Les pellets s'accumulent dans le pot de combustion, la vitre de la porte se salit et la flamme est faible. | • Manque d'air de combustion. • Pellets humides ou inadaptés. • Moteur d'aspiration fumées en panne. | • Vérifier si la prise d'air ambient existe et est dégagée. • Contrôr si le filtre de l 'air comburant situé sur le tuyau de Ø 5 cm de l'amnéé d'air est bouché. • Nettoyer le pot de combustion et contrôr si tous les orifices sont libres. • Effectuer un nettoyage général de la chamble de combustion et ramoner le conduit de cheminée. • Vérifier l'état des joints de la porte. • Change le type de granulés de bois. • Contrôr le moteur et le remplaner s'il y a lieu. |
| PROBLÈMES | CAUSES POSSIBLES | SOLUTIONS |
| Le moteur d'aspiration des fumées ne fonctionne pas. | • Le poèle ne recoit pas de courant électricque. • Le moteur est en panne • La carte électronique est défectueuse. • Le tableau de commande ne fonctionne pas. | • Vérifier la tension du secteur d'alimentation et le fusible de protection. • Vérifier le moteur et le condensateur et les replacer s'il y a lieu. • Remplacer la carte électronique. • Remplacer le tableau de commande. |
| Le ventilateur de l'air de convection ne s'accrite jamais. | • La sonde thermique du contrôle de la tempêteure est défectueuse ou endommagée. • Ventilateur endommagé | • Vérifier le fonctionnement de la sonde et, évientuelles, la replacer. • Vérifier le fonctionnement du moteur et le replacer s'il y a lieu. |
| La télécommande ne fonctionne pas. | • Pile de la télécommande usée. • Télécommande endommagée. | • Remplacer la pile • Remplacer la télécommande. |
| En mode automatique, le poèle fonctionné toujours à la puissance maximale. | • Thermostat d'ambiance sur la position maximale • La sonde de détention température est endommagée. • Tableau de commande défectueux ou ne fonctionnant pas. | • Régler de nouveau la tempêteure du thermostat. • Vérifier la sonde et évientuelles, la replacer. • Vérifier le tableau de commande et, évientuelles, le replacer. |
| Le poèle ne démarre pas. | • Absence de courant électricque. • Sonde à pellets bloquée. • Fusible endommagé. • Le pressostat ne fonctionne pas (il signale un blocage). • Évacuation ou conduit de fumée obstrué. | • Contrôler si la prise électricque est branchée et si l'interrupteur général est sur la position "I". • Débloquer la sonde en agissant sur le thermostat postérieur. Si cela se produit de nouveau, remplaner le thermostat. • Remplaner le fusible. • Remplaner le pressostat. • Nettoyer la sortie des fumées et/ou ramoner le conduit de fumée. |

ATTENTION!
Les opérations rédigées en caractère gras doivent être effectuees exclusivement par des techniciens agreés MCZ.
Le fabricant décline toute responsabilité et annule la garantie en cas de non respect de cette condition.
7. SCHÉMAS ÉLECTRIQUES


LEGENDE DES CABLAGES CARTE MERE
- Bougie d'allumage pellet
- Interrupteur
- Ventilateur air chaud
- Sonde fumées
- Ventilateur expulsion fumées
- Thermostat à bulbe
-
Pressostat
-
Motoreducteur
- Contrôle du régime du ventilateur fumées
- Capterur débit d'air
- Tableau interface services
- Tableau de secours
N.B. Les câblages électriques de chaque composant sont munis de connecteurs pré-câblés dont la mesure varie pour chacun.
MCZ
MCZ S.p.A.
Via Guglielmo Oberdan n°86
Notice Facile