IPCAM P1100A - Caméra de surveillance PLUSTEK - Notice d'utilisation et mode d'emploi gratuit
Retrouvez gratuitement la notice de l'appareil IPCAM P1100A PLUSTEK au format PDF.
| Intitulé | Description |
|---|---|
| Type de produit | Caméra IP de surveillance |
| Résolution vidéo | 1080p Full HD |
| Angle de vue | 90 degrés |
| Connectivité | Wi-Fi et Ethernet |
| Alimentation électrique | Adaptateur secteur inclus |
| Dimensions approximatives | 120 x 80 x 60 mm |
| Poids | 250 g |
| Fonctions principales | Vision nocturne, détection de mouvement, audio bidirectionnel |
| Compatibilités | Compatible avec iOS et Android via application dédiée |
| Entretien et nettoyage | Essuyer avec un chiffon doux, ne pas utiliser de produits abrasifs |
| Pièces détachées et réparabilité | Disponibilité limitée des pièces, consulter le service après-vente |
| Sécurité | Chiffrement des données, mot de passe sécurisé |
| Garantie | 2 ans |
FOIRE AUX QUESTIONS - IPCAM P1100A PLUSTEK
Questions des utilisateurs sur IPCAM P1100A PLUSTEK
0 question sur cet appareil. Repondez a celles que vous connaissez ou posez la votre.
Poser une nouvelle question sur cet appareil
Téléchargez la notice de votre Caméra de surveillance au format PDF gratuitement ! Retrouvez votre notice IPCAM P1100A - PLUSTEK et reprennez votre appareil électronique en main. Sur cette page sont publiés tous les documents nécessaires à l'utilisation de votre appareil IPCAM P1100A de la marque PLUSTEK.
MODE D'EMPLOI IPCAM P1100A PLUSTEK
Camera Réseau Guide de l'Utilisateur


Installation
Configuration
Guide Technique
© 2008. Tous droits réservés. Aucune partie de ce document ne peut être reproductive sans autorisation écrite préable. Toutes les marques déposées et les marques commerciales mentionnées dans cette publication appartiennent à leurs propriétaires respectifs.
Bien que tous les efforts possibles aient eté mis en oeuvre pour assurer l'exactitude des informations contenues dans ce manuel, nous n'assumons aucune responsabilité pour les erreurs ou omissions ou toutes autres déclarations containues dans ce manuel, que ces erreurs soient commises par omission ou résultat d'une néligence, par accident, ou toute autre cause. Les informations containues dans ce manuel sont sujettes à modifications sans préavis.
Ce produit doit être uniquement utilisé à des fins légales. Certaines utilisations de cetteamera peuvent être interdites par les lois en vigueur dans certaines localités, états ou pays, telles que l'enregistrement de communications vidés ou audio à des fins spécifique. Si vous avez des questions relatives à la légality de votre usage de ce produit, vous doivent contacter leur autorité compétente en ce domaine avant de l'utiliser.
Le produit est élaboré et fabriqué afin de respecter les conditions environnementales. Nous mettons tout en œuvre afin de fabriquer des matériels conformes aux normes environnementales en vigueur. Veuillez consulter les autorités locales pour les informations spécifique. L'emballage du produit est recyclable.
Les captures d'écran contenues dans ce manuel ont été obtenues à partir de Windows 2000. Si votre ordinateur est équipé de Windows XP, votre écran sera légèrement différent de ces captures mais le fonctionnement est identique.
Table des matières
Introduction 1
Commentutilisercemode d'employoi 1
Conventions de ce mode d'emploi 2
Note sur les icones 2
Règles de sécurité 3
Les Fonctionnalités de votre Caméra Réseau 4
Configuration matérielle et logicielle requise 5
Contenu de l'emballage 7
Vue d'Ensemble 8
Chapitre I. Installation de la Caméra Réseau 10
Tester vous Camera Réseau 10
Monter la Camera Réseau 11
La Plaque de Montage 11
Montage sur un Plafond Plat 12
Montage sur Plafond Suspendu 14
Connector la Caméra Réseau 15
Méthode I: Connecter Directement à votre PC............ 15
Méthode II. Connecter au Réseau d'une Organisation... 16
Méthode III. Connector Directement à Internet 18
Ajuster la Lentille 18
Maintenance et Astuces 21
Chapitre II. Configurer la Caméra Réseau 22
Visionneur ActiveX 22
Enregister la Camera Réseau 24
Méthode I. Outil de Recherche de Caméra 24
Méthode II. Barre d'Adresse IE 26
Centre de Configuration de la Caméra Réseau Plustek......29
Comment Configurer la Caméra Réseau 30
Aperçu Réel 30
Configuration de l'Image 36
Paramètres Réseau 38
Paramètres du Serveur 39
Administration 41
Paramétres du Gestionnaire d'Evénements 43
Captures 46
Mise à Jour. 47
Chapitre III. Guide Technique 49
Indicateur à DEL 49
Outil de Recherche de Camera Réseau. 49
Information sur la Configuration de l'IP 51
Utilisation de la Camera Réseau dans un Systeme Dynamique 52
Serveur Proxy 55
Interface I/O Externe 58
Réinitialisation de la Caméra reseau 60
Appendice A: Résolution des problèmes 61
Installation et Configuration 61
Vues et Opérations 64
Plus d'assistance 69
Appendice B: Glossaire. 70
Appendice C: Spécifications Techniques 76
Appendice D: Service après-vente et garantie 79
Déclaration de garantie limitée 80
Comment contacter Plustek 82
Introduction
Merci d'avoir choisi notre produit. Comme tous nos produits,Vote nouvelle camera reseau a ete entierement testee et notre reputation dans le domaine de la satisfaction client est un gage de qualite.
Merci de nous avoir choisi en tant que votre fournisseur deamera réseau. Nous espérons que vous en serez satisfait et continuuez à vous adresser à nous pour accérir d'autres produits de qualité, au fur et à mesure de l'évolution de vos besoin et de vos intérêts.
Comment utiliser ce mode d'emploi
Ce Guide de l'Utilisateur donne des instructions et des illustrations sur la façon de procéder pour installerer et configurer votreamera reseau. Ce guide entend que l'utilisateur a déjà une connaissance de Windows XP, et 2000 Professionnel. Si ce n'est pas le cas, nous vous sugérons d'en apprendre plus à propos de Microsoft Windows en vous reférant à votre manuel Microsoft Windows avant de vous servir de votreamera reseau.
Introduction cette section de ce guide vous apporte une vue d'ensemble et décrit la configuration minimale requise ainsi que les caractéristiques principales et le contenu de l'emballage. Avant de commencer à installerer votreamera réseau, vérifier le contenu de l'emballage. Si des pieces venaient à manquer ou être endommagé, veuilles contacter votre revendeur ou directement notre service client.
Chapitre I décrit comment monter laamera réseau etmettre en place un système de surveillance basique. Il y a plusieurs types de connections
possible pour la maison et le bureau et donc ce guide vous propose différentes méthodes afin d'effectuer l'installation de votreamera réseau.
Chapitre II décrit comment configurer laamera réseau. Ce chapitre vous apporte plusieurs illustrations et informations à propos du site web de configuration - Plustek Network Camera Configuration Center. Vous pouvez vous y adapter et essayer toutes les fonctions proposées avec laamera réseau.
Chapitre III vous apporte des informations techniques utiles et des astuces.
Les Appendice A regroupent des informations d'assistance technique qui vous aidont peut-être à résoudre des problèmes de base. Avant d'appeler le service d'assistance technique, lisez attentivement l'appendice A : Résolution des problèmes.
Appendice B couvre le glossaire qui pourrait vous aider à en apprendre plus sur le réseau et les périphériques réseau.
Appendice C contient les specifications de votreamera reseau.
Appendice D contient notre Déclaration de Garantie Limitée et les informations relatives au Service Àpres Vente.
Conventions de ce mode d'emploi
"XXX" —
Signal des commandes ou un contenu sur votre écran.
Gras —
Signal des notes importantes.
Note sur les iconônes
Ce guide utilise les icones suivantes pour vous signaler des points important qui nécessitate leur attention.

Warning: Une procédure qui doit être suivie avec prudence afin d'éviter tout accident ou dommage.
Attention: Instructions qui sont importantes à retenir et qui pourrait éviter des erreurs.
Information: Notes supplémentaires pour votre usage.
Règles de sécurité
Avant d'utiliser cet apparéil, veuillez dire attentivement les informations suivantes afin de prévenir tous dommages et accidents corporels.
-
De la condensation peut apparaître dans ce matériel et provoquer des dysfonctionnements dans les cas suivants:
-
lorsque l'appareil est déplace rapidement d'un emplacement froid vers un emplacement chaud,
- après qu'une piece froide soit chauffée,
- quand le matériel est placé dans une piece humide.
Afin d'éviter la condensation, il est recommandé de suivre les instructions suivantes :
1) Fermez l'appareil dans un sac plastique afin qu'il s'adapte aux conditions de la pièce.
2) Attende 1 à 2 heures avant de sorting l'appareil de son sac.
- N'utiliser que l'adaptateur qui vous est fourni. Tout autre adaptateur pourrait cause une surtension, une électrocution, des blessures ou un feu.
- Gardez l'espace autour de l'adaptateur dégagé pour le cas où vous devriez débrancher rapidement l'adaptateur secteur en cas d'urgence.
- Des fils électriques endommages peuvent provoquer un incendie ou un
choc électrique. Maintenez le cordon d'alimentation droit, sans le tordre, le plier ou l'abîmer.
- Débranchez l'appareil si vous ne vous en servez pas durant une longue période (la nuit ou un long week-end) afin d'éviter tout danger d'accendie.
Les Fonctionnalités de votre Caméra Réseau

- Serveur Web Indépendant - avec un serveur web intégré, laamera réseau peut être directement connectée à Internet grâce à un cable Ethernet. Cela diffère déjà d'uneamera classique, qui est en générale connectée à un ordinateur personnel directement par cable USB.
- Peut Etre Installé Indépendamment d'un PC - Alimenté par un adaptateur secteur et connecté grâce à un cable Ethernet, laamera réseau devient un terminal.
-
Surveillance à Distance en Temps Réel – Pas de limite de temps ou de région, vous pouze acceder de partout à votreamera si vous pouze acceder à Internet; en outre il vous est possible de surveiller libre villa ou appartement et même votre progéniture au jardin d'enfants simplement en ouvrant le Centre de Configuration de votre Caméra Réseau Plustek.
-
L'Interface I/O Externe vous apporte une façon intelligente de surveiller votre immobilier – Munie d'un capteur externe (e.g. capteur de porte) connecté au port I/O externe, tout mouvement détecté par le capteur peut être vu comme une alarme par laamera réseau, de façon à ce que le système de surveillance déclenché la fonction de sauvegarde et d'envoi des images capturées vers votre boîte mail ou FTP.
- Format d'Image Compressée JPEG - Mouvement et images spécifiques enregistrés par laamera reseau sont sauvegardés en format JPEG, qui peutContainir suffisamment de données d'image dans une taille réduite qui peut être facilement transféré via Internet.
Protection par Mot de Passe - Administrateur et utilisateur sont protégés par mot de passer, ce qui peut securiser les différents niveaux de control de votreamera reseau.
Configuration matérielle et logicielle requise1
La Caméra Réseau est recommandée pour fonctionner avec les ordinateurs ou réseaux qui possèdent les caractéristiques suivantes :
| System d'Exploitation | Microsoft® Windows®, 2000 Professionnel, XP Home Edition, Vista ou XP Professionnel, |
| Proesseur | Intel Pentium® III 300 MHz processeur ou plus récent |
| Protocole Réseau | Protocole réseau installé TCP/IP. (PPPoE, DHCP, Statique IP, DDNS, SMTP, FTP, NTP) |
| Navigateur Web | Internet Explorer 6.0 ou plus récent2 |
| Interface Ethernet | Carte Ethernet 10/100 Mbps et câbles de Catégorie 5 câbles pour les connections réseau3 |
| Autres | CD-ROM/DVD, Carte matériel supportant la couleur en 16-bit ou plus, 800 MB d'espace disque dur libre |
Contenu de l'emballage4

- Caméra Réseau
- Socle
- Plaque de montage
-
Adaptateur Secteur
-
Câble Ethernet (câble de 5ème catégorie)
- Aiguille de RESET ("Réinitialisation")
- Visserie
- Chevilles Plastiques
- Additif Mise au Point de la Lentille
- CD-ROM d'Installation
- Port d'Extension Ethernet
- Mode d'emploi
Vue d'Ensemble


- Repère de montage
- Microphone
- Lentille
- Cache de lentille
-
Indicateur à DEL
-
Port Ethernet
- Interface I/O Externe
- Entrée du courant
- Trous de montage
Chapitre I. Installation de la Caméra Réseau
Avant d'installer votre camera reseau, veillez à avoir toutes les pièces disponibles et prêtes. Une liste du contenu de l'emballage figure dans la section « Contenu de l'emballage » de ce mode d'emploi.
Tester votre Caméra Réseau
Avant de commencer à utiliser laamera réseau, veuillez tester la caméra réseau en suivant les étapes décrites ci-dessous.

- Connectez l'adaptateur secteur à la fiche de laamera réseau et branchez l'adaptateur au secteur.
-
Insérez le connecteur RJ-45 dans le port Ethernet de laamera réseau, et connectez le cable Ethernet au port Ethernet de votre PC.
-
Si l'indicateur à DEL clignote, laamera reseau est correctement connectée.

Information
Pour plus d'indications sur l'indicateur à DEL, veuillez vous référer à la section "Indicateur à DEL".
- Insérez le CD-ROM d'installation, inclus avec votre Caméra, dans votre lecteur CD-ROM.

- Lancez l'application "Outil de Recherche de Camera" dans le CD-ROM.
- Lorsque votre camera réseau est listedes dans la fenetre de l'Outil de Recherche de Camera, votre camera réseau fonctionne correctement.
Monter la Caméra Réseau
La Plaque de Montage

A. Les trois petits trous sont prévus pour monter laamera réseau sur un plafond plat ou un plafond suspendu.
B. Les quatre petits troussont prévus pour monter laamera réseau sans son socle sur un plafond suspendu.
Montage sur un Plafond Plat
- Plaque la plaque de montage sur la surface du plafond et marquez les trouss du groupe A sur le plafond.
- Percez trois trous dans le plafond et enoncez les chevilles dans les trouss.
Notez que le diamètre des trous dans le plafond doit être inférieur au diamètre des chevilles. - Fixez le socle de montage avec les vis. Vous pouvez ajuster la direction du socle après avoir légrement dévisse de quelques tours.

- Passez le cable Ethernet et le cable de l'adaptateur dans les orifices du socle de montage, et connectez les à laamera réseau dans leurs emplacements respectifs.

- Mettez laamera reseau sur le socle de montage. Assurez-vous que l'index de montage sur laamera reseau et celui sur le socle sont ajustés ensemble.

- Fixer laamera avec les plus petites vis fournies dans le kit de montage.

- Laamera reseau est montee sur la surface.
Montage sur Plafond Suspendu


- Enlevez le panneau de plafond ou vous allez monter votre camera reseau.

Attention
Veuillez consulter un professionnel pour plus d'aide pour l'enlèvement et la remise en place des panneaux de plafond.
Attention
- Placez la plaque de montage sur la partie interieure du panneau et marquez les trous à percer. La série de trous A est pour monter laamera avec le socle, et la série B est pour le montage sans socle.
- Percez la les trous de la série A ou B ainsi qu'un trou plus large. Ce trou plus large sert à faire passer les câbles.
-
Placez la plaque de montage sur l'intérieur du panneau.
-
Passez le cable Ethernet le cordon de l'adaptateur à travers le trou le plus large et connectez les dans leurs emplacements respectifs.
- Approchez le bas de laamera au plus pres du panneau et fixez la grâce aux vis fournies comme indiqué dans la Figure B. Si vous désisissez le montage sans socle, passez à l'étape 7.
- Approchez le socle contre le panneau et vissez le comme indiqué en Figure A.
- Replacez le panneau équipé de la camera réseau au plafond.
Connector la Caméra Réseau
Laamera réseau peut être utilisé en Internet ou en Intranet. Vous pouvez utiliser une des méthodes suivantes en fonction de vos besoin:
Méthode I: Connector Directement à votre PC
Laamera reseau peut etre connectee a votre PC grace a un cable Ethernet. Ce type de connexion est courament utilise pour les tests ou pour une configuration initiale.

- Insérer le connecteur RJ-45 dans le port Ethernet de la camera réseau.
- Connecter le cable Ethernet au port Ethernet du PC.
- Connecter l'adaptateur secteur à la fiche de laamera reseau.
- Brancher l'adaptateur au secteur.
- Si l'indicateur à DEL clignote, votreamera est correctement connectée.

Information
Pour plus d'indications sur l'indicateur à DEL, veuillez vous référer à la section "Indicateur à DEL".
Méthode II. Connector au Réseau d'une Organisation
En général, un réseau d'entreprise est connecté à Internet via un hub Ethernet. Si vous devez connecter laamera à un réseau de société ou d'organisation, veuillez suivre les étapes suivantes:

- Insérer le connecteur RJ-45 dans le port Ethernet de la camera réseau.
- Connecter le cable Ethernet au port du hub.
- Connecter l'adaptateur secteur à la fiche de laamera reseau.
- Brancher l'adaptateur au secteur.
- Si l'indicateur à DEL clignote, votreamera est correctement connectée.

Méthode III. Connector Directement à Internet
Si vous venez à connecter votreamera à Internet via Modem Cable ou xDSL, veuillez suivre les étapes suivantes:

- Insérer le connecteur RJ-45 dans le port Ethernet de la camera réseau.
- Connecter le cable Ethernet au Modem Cable ou xDSL.
- Connecter l'adaptateur secteur à la fiche de laamera reseau.
- Brancher l'adaptateur au secteur.
- Si l'indicateur à DEL clignote, votreamera est correctement connectée.

Information
Pour plus d'indications sur l'indicateur à DEL, veuillez vous référer à la section "Indicateur à DEL".
Ajuster la Lentille
Voussous :
- Demontez le couvre lentille en effectuant une rotation douce dans le sens antihoraire.

- Desserrez les vis des deux cotés du module, et ajustez la lentille en déplaçant la partie inférieure du module de bas en haut.

- Resserrez les vis lorsque vous avez fini l'ajustement de l'angle.
- Mettez l'additif de mise au point de la lentille spécialement concu sur la base et ajuster manuelle si nécessaire.


Information
Si vous replacez la lentille sans son additif de mise au point, vous obtiendrez des images troubles dues à la réfraction du couvre lentille. Pour éliminer ces effets sur les images, nous vous recommendons d'utiliser l'additif de mise au point.
- Démonter l'additif après avoir fait la mise au point.
- Remontez le couvre lentille en insérant l'ergo situé à la base du couvre lentille dans les glissières prévues et tourner dans le sens horaire jusqu'àu blocage. Notez que la position de la fenêtre de la lentille devrait être alignée avec la lentille.


attention
Attention
- Afin de conservez votreamera en bon état, il n'est pas recommander de la manipulier trop souvent.
- Ne laïsez pas d'empreintes ou unquelconque objet sur la surface de la lentille et du couvre lentille ; autrement, vous pourriez obtenir des images de mauvaise qualite ou troubles.
Maintenance et Astuces

tention
Attention
Pour garder votreamera réseau en bon état de marche, prenez un moment pour suivre les étapes de maintenance ci-dessous.
- Cet apparéil est uniquement concu pour une'utilisation en interieur.
- L'adaptateur secteur, le cable video ou le cable Ethernet doivent etre prouvé étanche pour une utilisation extérieure.
- Nettoyer doucement le sable et la poussière accumulé sur la surface de la lentille avec un nettoyant professionnel pour lentille.
- Vérifier régulièrement l'appareil et assurez-vous qu'il est dans de bonnes conditions de fonctionnement. Gardez cet apparéil dans un environnement sur et sans humidité excessive, haute température, interférence dangereuses, surface instable, liquide corrosifs, etc.
- Cet apparéil fonctionne au besoin dans des températures comprisés entre 10^ C et 40^ C (50° F et 104° F).
Chapitre II.
Configurer la Caméra Réseau
Le Centre de Caméra Réseau Plustek est la fenêtre de configuration qui vous apporte plusieurs可以选择 de paramètres de surveillance (e.g. Administration, Réseaux et etc.). Le Centre de Caméra Réseau Plustek vous apporte aussi la possibilité de contrôler laamera réseau dans tous les sens.
Visionneur ActiveX
Lorsque vous connectez votreamera réseau pour la première fois, veuillez configurer le Visionneur ActiveX avant de vous connecter.
- Démarrez Internet Explorer, et cliquer sur "Options" afin de désirir "Options Internet" dans le menu déroulant.
- Cliques sur l'onglet "Sécurité" dans la fenêtre "Options Internet".

- Cliquer sur "Personnaliser le Niveau..." pour ouvrir la fenêtre "Paramètres de Sécurité".
- Sélectionner "Demander" dans les options: "Télécharger les contrôleux ActiveX non signés" et "Télécharger les contrôleux ActiveX signés". Cochez "Activer" dans les options: "Contrôles d'initialisation et de script ActiveX non marqués comme sécurisés", "Exécuter les contrôleux ActiveX et les plugins", et "Contrôles ActiveX reconnus surs pour l'écriture des scripts".


- Cliquer sur "OK" pour valider les changements.
- Un message d'alerte apparait et vous demande confirmation. Cliquer sur "Oui" pour valider les changements de sécurité.


Information
Quand vous utilisez laamera reseau dans un milieu professionnel, vous devriez contacter votre administrateur reseau ou votre fournisseur d'accès internet.
Enregistrer la Caméra Réseau
Méthode I. Outil de Recherche de Caméra
L'Outil de Recherche de Caméra peut détecter les caméras réseau que vous connecter au réseau de votre entreprise ou votre PC.
- Insérer le CD-ROM dans le lecteur CD-ROM de votre PC.
- Double cliquez sur le fichier "Plustek_CAM_Search_Tool.exe".
- La fenêtre "Outil de Recherche de Caméra".


Information
Veuillez you referrer aux sections "Outil de Recherche de Camera" et "Information de Configuration IP" pour plus d'information sur la configuration.
- Sélectionnez et double cliquez sur laamera réseau que vous allez utiliser.
- La page Accès au Systeme s'affiche.


Information
Lorsque you utilisez Internet Explorer pour parcourir des sites web, les contrôles ActiveX peuvent assurer l'affichage normal des images.
- Tapez "admin" comme nom de compte, "password" comme mot de passer.

Attention
Attention
"admin" et "password" sont les nom et mot de passer par défaut pour votre première connexion à laamera réseau. Veuillez changer le nom d'utilisateur et le mot de passer par défautès que possible. Pour changer le nom d'utilisateur et le mot de passer, veuillez vous référer à la section "Administration".
- Cliquez sur "Soumettre" pour envoyer les informations pour identification.

attention
Attention
Une fois la configuration du Visionneur ActiveX effectuee correctement, vous allez rencontres la fenetre "Internet Explorer - Avertissement de sécurité" comme ci-dessous, vous demandant d'installer "view.cab". Veuillezclinquer sur le bouton "Installer" pour l'installer sans aucune crainte pour le fonctionnement de votreamera.
En fonction de votre version de firmware, cet invite peut contir des informations de type "Logo Certification Windows requise" ou "Signature numérique requise". Veuillez ignore ce message et continue d'installer votreamera réseau.

Méthode II. Barre d'Adresse IE
Lorsque vous connectez laamera reseau à Internet avec une adresse IP statique, vous pouvez enregister laamera directement en saississant l'adresse IP dans la Barre d'Adresse IE.

Information
- Si vous connectez directement laamera à Internet via un Modem Câble avec une adresse IP statique l'Outil de Recherche de Caméra ne fonctionnera pas. Veuillez vous enregistrer en entrant l'IP statique directement dans la Barre d'Adresse IE.
- Si une adresse IP dynamique vous est fournie,
veuillez vous reférer à la section “Utilisation de la Caméra Réseau dans un Système Dynamique” pour plus d'instruction.
-
Si laamera reseau est connectee directement à votre PC, vous doivent utiliser une adresse IP unique en changeant simplement le dernier numero de l'adresse IP de votre PC comme celle de votreamera. Ensuite, vous pouvez vous enregistrer en entrant la nouvelle adresse IP dans la Barre d'Adresse IE.
-
Démarrez Internet Explorer, et entrez l'adresse IP de laamera réseau dans la barre d'adresse IE, tapez "Entrer" sur le clavier pour lancer la page d'Accès au Systeme.

- La page Accès au Systeme s'affiche.


Information
Lorsque you utilisez Internet Explorer pour parcourir des sites web, les contrôleux ActiveX peuvent assurer l'affichage normal des images.
- Tapez "admin" comme nom de compte, "password" comme mot de passer.

Attention
Attention
"admin" et "password" sont les nom et mot de passer par défaut pour votre première connexion à laamera reseau. Veuillez Changeur le nom d'utilisateur et le mot de passer par défaut lors que possible. Pour changer le nom d'utilisateur et le mot de passer, veuillez vous reférer à la section "Administration".
- Cliquez sur "Soumettre" pour envoyer les informations pour identification.

attention
Attention
Une fois la configuration du Visionneur ActiveX effectue correctement, vous allez rencontres la fenêtre "Internet Explorer - Avertissement de sécurité" comme ci-dessous, vous demandant d'installer "view.cab". Veuillez cliquer sur le bouton "Installer" pour l'installer sans aucune crainte pour le fonctionnement de votreamera. En fonction de votre version de firmware, cet invite peut containir des informations de type "Logo Certification Windows requise" ou "Signature numérique requise". Veuillez IGnorer ce message et continuer d'installer votreamera reseau.

Centre de Configuration de la Caméra Réseau Plustek
Le Centre de Caméra Réseau Plustek s'affichera après que laamera réseau ait accepté votre demande de connexion.

Page de Bienvenue
Barre de Menu - Il y a 8 menus disponibles: Aperçu Réel, ParamImage, Réseau, Serveur, Administration, GestEvènements, Captures et Mise à Jour. Plus de détails sont fournis dans la section "Comment Configurer La Caméra Réseau".
Visionneur - Les images prises par laamera seront affichées dans le visionneur. Les paramètres que vous avez changé dans ces menus seront appliqués pour produit un aperçu réel dans le visionneur.
Comment Configurer la Camera Réseau
Voussoupiez configurer laamera enajustant les parametes disponibles dans ces menus pour obtenir la qualite qui vous correspond.

Information
Si vous vous enregistrez en tant qu' "Utilisateur Standarde", vous étes autorisé à utiliser les fonctions du menu Aperçu Réel seulement. Veuillez vous référer à la section "Administration" pour plus de détails.
Aperçu Réel
Comment Prende un Snapshot
- Cliquez sur le bouton "Snapshot" pour capturer l'image vue dans le visionneur.

- L'image capturée est sauvégardee au chemin d'accès spécifique (c:\tmp\webcam).

- Vérifiez les images que vous avez capturing en cliquant sur le menu "Captures".
Comment Ajuster I'Image
- Placez le curseur dans le visionneur.
- Faites un clic droit et sélectionnez "Qualité d'Image" du menu apparaissant.

- La fenêtre de Qualité de l'Image s'affiche.

- Ajustez les attributs de l'image dans la fenêtre Qualité de l'Image. Tout changement effectué s'appliquera immédiatement aux images, et vous pouvez donc vérifier instantanément et faire d'autres changements appropriés.
- Cliquez sur "OK" pour confirmer les paramètres, ou sur "RESET" pour revenir à la configuration par défaut.

Balance automatique des blancs auto : En lumière interieure, les images dans le visionneur peuvent avoir des reflets jaunes, orange ou bleuté. Cette fonction permet d’eviter ce phénomène.
Comment Enregisterur un Film
- Placez le curseur dans le visionneur.
- Faites un cli c droit et selectionnez "Enregistrement Video" du menu apparaisant.

- La fenêtre de l'enregistreur video s'ouvre

- Choisissez un taux "Images/sec" convenable, et entrez le chemin d'accès et le nom du fichier dans la section "Enregistrer Sous".
- Cliquez sur "DEPART" pour lancer l'enregistrement.
- Cliquez sur "ARRETER" pour interrompre l'enregistrement.
- Le film enregistré sera sauvégarder au format "avi", qui peut être lu avec Windows Media Player.
Comment Agrandir un Ecran
- Placez le curseur dans le visionneur.
- Faites un cli c d roit et selectionner "Loupe" du menu apparaissant.

- Faites glisser le curseur pour selectionner une partie que vous avez besoin d'agrandir. La partie selectionnelle sera agrandie et affichée dans le visionneur.

- Pour recadrer l'image élargie, faite un click droit sur l'image et seLECTIONnez "Loupe" de nouveau.
Comment Définir la zone de détction de Mouvement
- Enable the Motion Detection function in "EventTrigger Settings" page by checking both or either of the options: "Motion Detection 1" and/or "Motion Detection 2", and confirm by clicking the "Submit" button.
- Placez le curseur dans le visionneur.
- Faites un click droit et pointez sur "Détection de mouvement" du menu apparaissant.

- Sélectionnez "DM1" pour définir la zone de détction de Mouvement 1, ou "DM2" pour la zone de détction de Mouvement 2.

Information
La zone définie ne prendra pas effet tant que la fonction détection de Mouvement ne sera pas activée. Veuillez vous reférer à la section "Paramètres du Gestionnaire d'Evénements" de ce guide.
- Faites glisser le curseur pour selectionner le cadre désiré.
- Un cadre coloré apparait. Le cadre rouge sert à définir le champ ou DM1 prendra effet. Le cadre vert sert à définir le champ ou DM2 prendra effet.

- “Paramètres MD” sert à paramétre la sensibilité de détction. Plus BASSE est la valeur, plus haute est la sensibilité.

Information
La zone définie ne prendra pas effet tant que la fonction détection de Mouvement ne sera pas activée. Veuillez vous reférer à la section "Paramètres du Gestionnaire d'Evénements" de ce guide. Ensuite, vous pouvez vérifier les images tirées par le DéTECTeur de Mouvement dans la page "Captures".
Configuration de l'Image
plustek
Tous droits réservés

- Résolution: Plus grande est la résolution,更好地 seront les images. Toutefois, plus la résolution est grande et plus le temps de calcul est long. Vous devriez vérifier la résolution la plus ajustée à votre besoin.
- Qualité: Cette fonction détermine la qualité d'image dans le visionneur ou écran que vous avez capturé.
Precision est pour obtenir la meilleure clarté sans perte de vitesse.
Standard peut convenir à la plupart des affichages en fournissant la meilleure qualité.
Détction de Mouvement permet des vitesses d'affichage du mouvement plus rapides.
- Anti-Scintillagement: c'est une fonction qui sert à effacé les problèmes d'interfERENCE de notre système d'éclairage. Veuillez consulterer votre revendeur d'électricité pour connaître votre fréquence. Par exemple, si
vous installez votreamera à Taiwan, vous doivent cocher l'option "60 Hz".
Audio: Cette fonction permet d'enrichir l'enregistrement en ajoutant un fond sonore aux images.
- Rotation de 180 degrés: En aktivant cette fonction l'image se retrouve inversée.
- Langue: Vous pouvez selectionner la langue de l'interface. ÀpRES avoir choisi la langue désirée, veuilleziquer sur le bouton "Raffraichir" dans Internet Explorer afin d'obtenir l'affichage dans la nouvelle langue.
Comment ajuster la Configuration de l'Image
- Ajustez les propriétés sur la page Configuration de l'Image.
- Cliquez sur "Soumettre" pour valider les changements.
- Cliquez sur le menu "Aperçu Réel" pour vérifier les changements que vous avez apporté à ce menu.
Paramètres Réseau
Tous droits réservés

plustek
- Cochez "Statique", "DHCP", ou "PPPoE" en fonction de la manière utilisée pour connecter laamera à Internet.

Information
- Statique: Lorsqu'une IP statique vous est attribuée par votre FA, cette option vous permet de vous connectez en tapant directement l'adresse IP statique dans la Barre d'Adresse IE.
- DHCP: EnChoosing cette option, votre camera réseau se voit attribuée une adresse IP du réseau de votre entreprise. De cette façon, vous pouvez vous connecter en langant l'Outil de Recherche de Caméra.
-
PPPoE: Cette option permet à la camera réseau de se connecter seule à Internet.
-
Entrez l'IP, le masque de Sous Réseau, et la Passerelle seulement si vous avez coché "Statique". Entrez votre compte utiliser PPPoE et votre mot de passer si vous avez coché "PPPOE".

Attention
Attention
La longueur du PPPOE Nom d'utilisateur et du Mot de passer doit être comprise entre 3 et 16 caratères. Le Mot de passage sera toujours affché sous forme de 7 caractères cryptés.
- Entrez "168.95.1.1" dans le champ serveur DNS.
- Ajustez les paramètres dans le Date & heures.
- Cliquez sur "Soumettre" pour valider les modifications.
Paramètres du Serveur
Tous droits réservés

plustek
- Dans la section Serveur Mail, entrez l'IP ou nom d'Hôte du serveur, un mail d'Emetteur, le mail du Destinataire à qui envoyer les images et un
Nom d’Utilisateur/Mot de Passe autorisé sur le serveur de mail à envoyer des mails.
- Dans la section Serveur FTP, entrez l'IP ou nom d'Hôte du serveur, le Port FTP, Upload Path et un Nom d'Utilisateur/Mot de Passe autorisé à envoyer les images en FTP sur le serveur.
| Information | Assurez-vous que le nom de fichier affché dans la section chemin d'envoi soit le même que celui dans IP/Hôte avant de commencer les tests. |
- Dans la section Serveur DDNS, entrez le Nom d'Hôte du serveur et le Nom d'Utilisateur/Mot de Passe autorisé à utiliser le serveur.
| Attention | ● La longueur du Nom d'utilisateur et du Mot de passer doit être comprise entre 3 et 16 caratères. Le Mot de passage sera toujours affché sous forme de 7 caractères cryptés. ● Veuillez vous référer à la section “Utilisation de la Caméra Réseau dans un Système Dynamique” pour plus d'informations. |
- Ajustez les paramètres dans le serveur NTP.
- Entrez "80" pour le port du serveur HTTP.
- Cliquez sur "Soumettre" pour valider les changements ou sur "Annule" pour interrompre la configuration.
| Si vous avez des questions à propos des définitions des termes qui apparaissent dans cette section, veuillez vous référer au chapitre Glossaire pour plus d'informations. | |
| Information | |
Administration
Tous droits réserves

plustek
Administrateur et Utilisateur Standard peuvent avoir différents niveaux de contrôle sur laamera réseau. Veuillez vous reférer au tableau suivant pour les fonctions autorisées.
| Fonctions Autorisées | Administrateur | Utilisateur Standard |
| Aperçu Réal | ✓ | ✓ |
| ParamImages | ✓ | X |
| Réseau | ✓ | X |
| Serveur | ✓ | X |
| Administration | ✓ | X |
| Gestion d'Evènements | ✓ | X |
| Captures | ✓ | X |
| Mise à Jour | ✓ | X |
Comment Modifier un Compte Utilisateur Autorisé
- Nommer laamera dans la section "Nom de la Camera".
- Créez un "Utilisateur Standard" en définissant un nom d'utilisateur et un mot de passe. L'ancien mot de passe est nécessaire pour changer un compte d'Utilisateur Standard.
- Pour changer le mot de passer administrateur, entrez simplement votre nom d'utilisateur et votre ancien mot de passer, et ensuite définișez votre nouveau mot de passer en le saisissant deux fois dans les champs prévus.
- Cliquer sur "Soumettre" pour valider les modifications. Ou cliquer sur "Annuler" pour interrompree les changements.

attention
Attention
La longueur du Nom d'utilisateur et du Mot de passer doit être comprise entre 3 et 16 caratères. Le Mot de passée sera toujours affché sous forme de 7 caractères cryptés.
Paramètres du Gestionnaire d'Evénements
plustek
Tous droits réservés
| Aperçu réel | ParamImage | Réseau | Serveur | Administration | Gest-Evénements | Captures | Mise à jour |
| Répondre au déclenchement | Paramètres du gestionnaire | ||||||
| Déclenché par | □ Evénements autorisés | ||||||
| □ Entrée 1 autorisée | Port est | Active | |||||
| □ Détction de mouvement 1 | Détction de mouvement 2 | ||||||
| □ Manual trigger | |||||||
| Quand déclenché | □ Téléchargement d'images | ||||||
| □ Serveur TCP | |||||||
| □ Activer le port de sortie | |||||||
| □ Enregistrer sous PC | |||||||
| Action Buttons | □ Show manual trigger button | ||||||
| √ Show snapshot button | |||||||
| Output Buttons | Sortie 1 | ||||||
| Ports E/S | Port | Etat normal | Etat courant | ||||
| Entrée 1 | DC 5V | DC 5V | |||||
| Sortie 1 | DC 12V | DC 12V | |||||
| (Si l'état normal est identique à l'état courant, alors le port est inactif) | |||||||
| Soumettre | Annuler | ||||||
- Cochez l'option "Evénements autorisés" dans la section "Répondre au déclenchement" pour activer la fonction de "Détection de mouvement".
- Cochez l'option "Entrée autorisée" dans la section "Déclenché par" pour activer le port d'entrée externe.
- Cochez les options de la liste déroulante dans la partie vide à côté de la section "port est".

Information
- "Actif"-port d'entrée, "Etat normal" et "Etat Courant" sont les mêmes dans la section "Ports E/S".
-
"Inactif" --- port d'entrée, "Etat normal" et "Etat courant" sont différents.
-
Vérifiez les options dans le champ "Déclenché par".

- Lorsque "Détection de Mouvement" est sélectionnée, un cadre rouge apparait dans le visionneur.
- Lorsque "Détection de Mouvement" est sélectionnée, un cadre vert apparait dans le visionneur.
- Si vous avez connecté un capteur exter à la camera reseau, "Sortie" active la camera reseau pour envoyer un signal d'alarme au capteur exter. Veuillez vous reférer à la section "Interface I/O Externe".
-
"Manual Trigger" est égal à la fonction de l'option "5V" dans la section d'entrée. Meme sans le 5V, le système d'alarme peut fonctionner seulement si vous cochez l'option "Manual Trigger". Et lorsque "Manual Trigger" est valide, n'oubliez jamais de cocher "Activer le port de sortie" dans la section "When Triggered " et selectionnez l'option "Actinact" dans la section "Output Buttons".
-
Cochez l'option "Téléchargement d'images" dans la section "Quand déclenché" pour télécharger une image vers un ftp ou un mail.
- Vérifiez les options du serveur TCP pour envoyer un message prédéfini vers le serveur TCP désigné afin de notification aux autres programmes "Evènement déetecté" dans la section "Quand déclenché".
- Cochez les options "Show manual trigger button" et "Show Snapshot button" quand l'option "Manual Trigger" est valide dans la section "Déclenché par".

Information
- Lorsque you cliquez sur le bouton "photo" dans la vue active du site web, l'image de la vue active sera capturée et la photo sera sauvegardée dans C:\tmp\webcam.
-
Pour le bouton "trigger" dans la vue active du site web, les images seront capturées durant le transfert de "Non" vers "Oui" et seront sauvégardées vers C:\tmp\webmd.
-
Cochez l'option "Activer le port de sortie" dans le champ "Quand déclenché".
- Lorque vous cochez "actinact" pour la Sortie 1 dans la section "output buttons", le bouton "Output 1" sera affché dans la vue active du site web. Vous pourrez alors positionner la sortie manuellement en cliquant alternatively sur "Active" et "Inactive" sur le coté gauche de "Output 1".
- Cochez l'option "Enregister sous PC" option in "Quand déclenché".
- Ajustez les paramètres dans le "Ports E/S".
10 Cliquer sur "Soumettre" pour valider les modifications. - Cliquer sur "Annuler" pour quitter la fenêtre de configuration.
Captures
plustek
Phistek INC. All Rights Reserved

Comment Visionner une Capture d'Image
- Double cliquer sur l'image a visionner.
- L'image s'affichera dans Internet Explorer ou un logiciel de traitement d'image.
- Cliquez sur les liens (Premier, Précédent, Suivant et Dernier) au-dessus des miniatures pour afficher plus de miniatures si nécessaire.

Information
Pour 2000/98/XP/MEimages que vous avez capturé sont automatiquement enregistrées dans le chemin d'accès suivant (c:\tmp\webcam). Pour Vista, les images que vous avez capturé sont automatiquement enregistrées dans le chemin d'accès suivant (c:\utilisateurs \public\tmp\webcam)
Mise à Jour
plustek
Tous droits réserves

Vous estes autorise a metre à jour la camera reseau en telechargeant le logiciel mis à jour vers le processeur de votre camera reseau.
Pourmettreà jourvotrecamera réseau,veuilliezsuivre lesétapes suivantes:
-
Cliquez sur le bouton "Restart" et laamera réseau redémarre après 15 secondes.
-
Cliquez sur le bouton "Default" et laamera réseau redémarre après 15 secondes.
- Cliquez sur le bouton "Back Up" et tous les paramètres seront sauvégardés dans un fichier "*.bin" envoyé depuis le site web.
- Cliquez sur le bouton "Rechercheur" pour désirer le fichier de backup, et le chemin de fichier sera effchéé dans la section Restore. Cliquez ensuite sur le bouton "Restore".
- Cliquer sur "Parcourir" à droite de l'option "Nouveau Nom de Dossier".
- Sélectionner le fichier “*.bin” que vous avez télécharge sur notre site web.
- Le chemin d'accès s'affiche dans le champ "Nouveau Nom de Dossier".
- Cliquez sur "Soumettre" pour valider les modifications.
- Le système se mettra à jour environ 60 secondes après.
- Fermez toutes les fenêtres Internet Explorer après la mise à jour.
- Démarrez Internet Explorer, et cliquez sur "Outils" afin de désirir "Options Internet" dans le menu déroulant.
- Cliquez sur “Paramètres” dans l'onglet “Général” puis sur le bouton “Afficher les Objets” pour supprimer le fichier nommé “CSQ Objects”. Le fichier “CSQ Objects” mis à jour sera géné ré automatiquement après l'initialisation de laamera réseau.
| i Information | Pour Windows VISTA, démarrez Internet Explorer et cliquez "Outils" pour désirir "Gérer les modules complémentaires..." dans la liste déroulante, puis désisissez "Activez ou désactivez les modules complémentaires".Choisissez "Télécharger les Contôles ActiveX" depuis la liste déroulante dans la boite de dialogue "Gestion des modules complémentaires" et sélectionnez le fjichier nommé "CSQ Objects" puis cliquez sur le bouton "Supprimer" afin d'effacer l'ancien ActiveX". |
- Enregistrez-vous dans laamera reseau à partir de l'Outil de Recherche de Camera ou de la barre d'adresse IE pour vérifier les résultats mis à jour.
Chapitre III. Guide Technique
Ce chapitre couvre plusieurs informations techniques sur l'utilisation de laamera réseau, ce qui vous aidera à vous familiariser avec ce périphérique réseau. Pour plus d'information à propos du réseau, vous pouvez dire les définitions et explications dans Appendice B: Glossaire de ce guide.
Indicateur à DEL
L'indicateur à DEL vert indique le statut de votre Caméra comme décrit ci dessous :
| DEL | Statut |
| Clignote | Laamera est correctement configurée et prête à l'emploi. |
| Eteinte | Laamera est éteinte car l'installation est incorrecte. |
Outil de Recherche de Caméra Réseau
L'Outil de Recherche de Caméra Réseau est une fonction qui peut permettre de détecté la ou les camères réseau que vous pouvez connecter à un réseau de société ou à votre PC.

L'Outil de Recherche de Caméra peut détecter toutes les caméras qui ont été correctement connectées au réseau de l'entreprise. Les caméras réseaux sont affichées dans le panneau blanc de la fenêtre. Vous pouze selectionner uneamera en fonction de vos besoin de surveillance si vous avez les droits d'utilisateur sur cetteamera.
- Nommez laamera réseau selectionnée dans le champ "Nom de la Camera".
- Entrez la bonne adresse IP de votreamera réseau si vous avez coché "Statique". Si vous avez coché "PPPOE ou DHCP", veuillez passer à l' étape 5.

Information
Laamera reseau devrait avoir la meme information de configuration IP que vous ordinateur homis I'adresse IP. Veuillez vous referrer à la section "Information sur la Configuration de l'IP" pour obtenir la bonne passerelle et le bon masque sous reseau de votre PC.
- Entrez le masque de sous réseau dans l'option Masque.
-
Entre la passerelle de votre réseau.
-
Entrez "80" dans l'option Port Http.
- Cliquez sur "Soumettre" pour valider les modifications.
- Cliquer sur "Mise à Jour" pour rafraîchir la liste dans le panneau blanc de la fenêtre.
Information sur la Configuration de l'IP
VoussouvezobtenirlesinformationscounternantlaconfigurationIPdevoret ordinateuren suivant lesétapesdécritesci dessous:
- Cliquez "Démarrer">"Programmes">"Accessoires">"Invite de Commande", et ouvre la fenêtre de l'Invite de Commande.
- Entrez "ipconfig" après "C:>".
- Ecrivez les informations incluant l'adresse IP, le masque de Sous Réseau, la Passerelle pour la configuration IP de la Caméra Réseau.


Information
Quand vous connectez directement votreamera à un PC ou au réseau de votre organisation, la configuration IP de votre PC est pour votre reférence afin de revoir le dernier numéro et de spécifique une adresse IP unique pour laamera réseau.
Utilisation de la Camera Réseau dans un Systeme Dynamique
Dans certains réseaux d'entreprise, vous pouvez avoir une adresse IP dynamique attribuée. Ce qui signifie que chaque fois que votre péripérisque réseau se connecte, il se verra attribué une adresse IP différente.
Lorsque vous avez besoin d'utiliser la camera réseau dans une telle configuration, vous nevez configurer la camera réseau avant de vous connecter.
Yououpouze suivre lesétapes suivantes:
- Connectez laamera reseau au reseau via le hub Ethernet.

- Lancez l'Outil de Recherche de Caméra en double cliquant sur "Plustek_CAM_Search_Tool.exe" dans votre CD-ROM. Laamera réseau que vous avez connecté à votre réseau sera affichée dans la fenêtre ouverte.

- Si vous sélectionnez l'option "Statique", veuilles replir le Masque de Sous-Réseau et la Passerelle dans l'Outil de Recherche de Caméra, changer le dernier nombre de l'adresse IP de votre PC pour créé une adresse IP unique pour la caméra réseau, tapez "80" dans l'option port Http, puis cliquez sur "Soumettre" pour valider les changements.
Si vous scélectionnez "PPPOE", veuilles entrer le Nom d'utilisateur et le Mot de passer foumi par votre fournisseur DSL et cliquer "Soumettre" pour valider les changements. Vous pouvez alors sauter l' étape 5 dans ce cas.


tTention
Attention
- Si laamera réseau est derrière un routeur, l'option "PPPOE" ne peut pas être utilisée dans la fenêtre "Outil de Recherche de Caméra."
-
Veuillez vous référer à la section "Information sur la Configuration IP" pour obtenir votre adresse IP, Masque de Sous Réseau, et Passerelle de votre PC.
-
Cliquer sur le bouton "Mise à Jour" de la page de l'Outil de Recherche de Caméra afin demettre à jour les informations du panneau gauche de la fenêtre et double cliquez la camera reseau pour vous enter comme administrateur.
- Cliquer sur le menu "Réseau" pour ouvrir la page des Paramètres Réseau, cochez l'option "PPPOE" et entrez le compte et mot de passer PPPoE. Ensuite, cliquez sur "Soumettre" pour valider les changements.

- L'adresse IP peut être mise à jour automatiquement après que vous returniez à la page des Paramètres Réseau. Retenez l'adresse IP qui figure dans la page des Paramètres Réseau.

- Appliquer le service DDNS dans le site web (e.g. www.dyndns.com). Vous doivent spécifier toute adresse IP actuelle (que vous avez obtenu à l'étape
6) à un Nom d'Hôte spécifique. Notez votre Nom d'Hôte, Numéro de compte et Mot de Passe.
- Cliquer sur le menu "Serveur" dans le Centre de Configuration de la Caméra et inscrivez votre compte et votre mot de passer DDNS dans la section prévue à cet effet. Cliquer sur "Soumettre" pour enregistrrer toutes les modifications que vous avez effectué.

- Vous pouvez vous enregistrer simplement en entrant le nom d'hôte dans la barre de recherche après avoir complété la configuration ci dessus.
Serveur Proxy
Le serveur Proxy est généralement utilisé pour se connecter directement à Internet pour maintainir la sécurité d'un réseau dans un environnement professionnel. Quand votreamera réseau est connectée à un tel réseau, le serveur proxy peut vous empêcher d'acceder à laamera réseau. Veuillez consulter votre administrateur réseau ou votre fournisseur d'accès Internet pour plus de détails sur la désactivation d'un serveur proxy dans votre environnement professionnel.
Yououpouvezutiliserlesétapes suivantes pourdésactiverle serveurproxy:
- Demarrer Internet Explorer, et cliquer sur "Outils" pour selectionner "Options Internet" dans le menu déroulant.

- Cliquez sur "Paramètres réseau..." dans l'onglet Connexions.

- Vous pouvez découvert l'option "Utiliser un Serveur Proxy", et cliquez sur "OK" dans la fenêtre. Ou cliquez sur "Avancée..." dans la Configuration LAN et suivez les étapes a et b.

a. Entrez un nombre d'adresse IP spécifique dans le champ "Exceptions".
b. Cliquer sur "OK" dans la fenêtre de Configuration du Proxy pour valider les modifications.

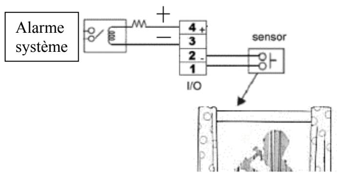
Interface I/O Externe
L'interface I/O externe apporte une solution pour intégrer laamera réseau avec un capteur externe ou périphérique dans le Journal d'Evénements. La connexion d'un capteur externe peut activer une alarme au centre de Configuration de Caméra Réseau Plustek. Le capteur externe n'est pas inclus dans l'emballage; vous devez l'acquerir si vous souhaitez utiliser cette fonctionnalité.
Qu'est ce que I'Interface I/O Externe?
| Pin | Fonction |
| 1 | Entrée du capteur externe (+) Entrée du capteur externe reçois un signal qui est produit par le capteur d'alarme (e.g. capteur de porte, capteur infra rouge). Cesignaux peuvent activer la fonction GPIO. Veuillez vous reférer à la section Journal d'Evénements pour plus de détails. |
| 2 | Masse (-) |
| 3 | Control du pérophérique externe de Sortie (-) |
| 4 | Sortie Courant DC (+) Sortie Courant DC envoie un courant électrique pour activer les pérophériques externes (e.g. luminière, buzzer). C'est un circuit de collection ouvert et le courant maximum est DC +12v, 100mA. |
Exemple de Diagramme du Circuit


Attention
Attention
- Des dommages sérieux peuvent survenir à laamera si un apparéil dont la capacité électrique excède celle de l'I/O externe est connecté.
- Les courants faibles et forts sont intégrés aux circuits de laamera. Une mauvaise connexion pourrait l'endommager.
Réinitialisation de la Caméra réseau
La fonction réinitialisation de laamera vous permet de remettre laamera en configuration tel que prévu par le fabricant.
Pour réinitialiser votreamera réseau, veuillez garder votreamera réseau connectée à votre réseau interne et suivez les étapes suivantes:
- Enlever le couvre lentille en devissant doucement dans le sens antihoraire.
- Insérer l'aiguille de réinitialisation dans le trou situation sur la base de la camera reseau.
- Poincaréz le bouton de RESET avec la goupille pendant 5 secondes.

- La configuration d'origine est restaurée.

tTention
Attention
Vous perdrez votre protection par mot de passer precedente. Veuillez dessaisir un nouveau mot de passés dans la fenêtre Administration.
Appendice A: Résolution des problèmes
Ce chapitre vous fournit une référence et une aide rapides pour certains des problèmes que vous pourriez rencontres dans votre installation et opération avec laamera réseau.
Installation et Configuration
Symptôme:
J'utilise l'ADSL pour surfer sur Internet depuis ce réseau. Les fonctions offertes par celui-ci sont d'assigner dynamiquement une adresse IP. Connexion :PPPoE. Adresse IP obtenue avec IPConfig : 192.168.1.X. On me précise qu'il s'agit de mon adresse IP. Mais un site Web proposant des fonctions d'identifications m'indique l'adresse 82.20.2.60. Lorsque je rentre cette adresse dans mon navigator Internet, il m'envoie alors à la configuration de mon routeur.
Solution:
- Si vous utilisez la partage de connexion PPPoE pour acceder à internet, veuillez trouvez l'adresse IP de votre camera reseau avec Outil de Recherche de Camera.
- Entrez l'adresse IP de votre apparéil de partage de connexion et importez l'adresse IP de votreamera réseau dans votre DMZ. (Pour savoir comment accéder à votre apparéil de partage de connexion et comment
configurer la DMZ, veuilles you referez à la documentation de l'appareil que vous utilisez). Sauvegardez la configuration de la DMZ.
- Redémarrez l'appareil de partage de connexion, et vous verrez votre camera reseau avec l'adresse 82.20.2.60 depuis le réseau extérieur.
Symptôme:
Lorsque j'ouvre l'outil de recherche et clique sur 255 Cam_location, je ne peux entraer l'adresse.
Solution:
- L'adresse IP de votreamera réseau n'est pas dans le même réseau que votre LAN. Veuillez vous assurez qu'ils sont dans le même segment.
- Vérifiez que l'options d'utilisation d'un proxy n'est PAS activée dans la boite de dialogue Outils de IE. Veuillez vous reféréz à l'image ci-dessous.

Symptôme:
Je peux acceder parfaitement à laamera dans mon réseau et voir des videos. Le problème est lorsque j'essaye d'y acceder derrière un routeur, la première page apparait juste lentement et me demande un nom d'utiliser et un mot de passer; puis plus rien – pas d'erreur – rien n'apparait. Pour information j'ai configuré pas moins de 6 différentes camera IP de cette façon avec ce routeur – je suis sur que la re-direction NAT fonctionne...
Solution:
Afin d'établit plusieurs camera différentes, les ports de l'adresse IP WAN nécessitant d'être relier individuellement vers l'adresse IP interne de la caméra. Supposons qu'il y ait 5 cameras et qu'elle soient reliées selon le tableau CIDessous. Cet exemple suppose que le routeur principal est capable de relier un numéro de port à un autre numéro de port sur une/adresse différente (c'est à dire avoir le port 80 de toutes les cameras reliés sur différents ports du réseau WAN). Sur certains routeurs (par exemple certain Linksys) cela n'est pas possible. Alors l'utilisateur doit configurer la caméra local afin qu'elle utilise le même numéro de port que le numéro de port extérieur. Cela peut être fait depuis Centre de Caméra Réseau Plustek | Paramètres Réseau dans le menu de configuration de la caméra. Une fois modifiée, il n'est plus possible d'acceder à la caméra en utilisant le port http par défaut et l'utilisateur devra toujours utiliser le nouveau numéro de port comme indiqué dans le tableau CIDessous:
| IP WAN | Port | IP Locale | URL Locale |
| x.y.z.q | 80 | 192.168.0.50 | 192.168.0.50 |
| x.y.z.q:81 | 81 | 192.168.0.51 | 192.168.0.51:81 |
| x.y.z.q:82 | 82 | 192.168.0.52 | 192.168.0.52:82 |
| x.y.z.q:83 | 83 | 192.168.0.53 | 192.168.0.53:83 |
| x.y.z.q:84 | 84 | 192.168.0.54 | 192.168.0.54:84 |
Symptôme:
J'obtiens toujours sur ma page Internet Explorer un écran bleu avec une croix rouge dans le coin supérieur gauche comme affiché dans l'image ci-dessous.

Solution:
Cette erreur apparait à cause d'un paramètre incorrecte dans le Visionneur ActiveX ou de l'absence d'un contrôle ActiveX.
- Premièrement vérifie que les paramètres du Visionneur ActiveX sont correctes.
La Note sur la page d'authentication vous montre comment configurer votre navigateur pour activer le téléchargement des contrôleux ActiveX (voir l'image si-dessous). Vous pouze également vous reféréz au documents du Visionneur ActiveX pour obtenir des instructions de configuration détaillées.

- Une fois que la configuration du Visionneur ActiveX est achevée, lorsque vous vous connectez pour le première fois, vous verrez apparaitre une boite de dialogue avec demandant d'installer un contrôle ActiveX. Veuillez cliquer sur Installer pour installer le contrôle ActiveX sans aucune craine pour les fonctions de votreamera.
En fonction de votre version de firmware, cet invite peut contenir des informations de type "Logo Certification Windows requise" ou "Signature numérique requise". Veuillez ignore ce message et continue d'installer votreamera réseau.

Symptôme:
Est-ce que laamera reseau supporte les tunnels VPN chiffrres ?
Solution:
Notre camera reseau ne supporte pas les tunnels VPN.
Symptôme:
Est-ce que votre logiciel permet à l'utilisateur de régler la taille de la MTU TCP/IP enéditant le fichier binaire avec un éditeur hexadecimal ?
Solution:
Notre logiciel ne supporte pas les réglage de la taille de la MTU.
Symptôme:
Pouvez vous me donner l'emplacement du réseau ou sont enregistrés les images jpg et les videos ?
Solution:
Trouvez le disque d'installation de votreamera sur votre ordinateur (dans c:\par défaut), et vous pourrez voir les images dans les périodes ci-dessous :
1. Pour 98/ME/2000/XP
C:\tmp\webmd Detection d'animation
C:\tmp\webcam Captures Web
C:\tmp\webcam Enregistrement Vidéos
2. Pour Vista
C:\utilisateurs\public\tmp\webmd Detection d'animation
C:\utilisateurs\public\tmp\webcam CapturesWeb
C:\utilisateurs\public\tmp\webcam Enregistrement VidEOS
Le chemin "enregistrement video" peut être modifié, mais doit exister initialement.
Symptôme:
Est-ce légal d'enregistrer des animations audio/vidEOS avec maamera ?
Solution:
Utiliser des appareil audio ou video pour enregistrer des images ou voix d'une personne sans leur accord et consentement est interdit dans certains pays et juridictions. Il n'est donné ici aucune garantie que notre produit fourni convient pour un usage privé d'un utilisateur en vertu des lois applicables de son pays. Nous démentons toute responsabilités de l'usage qui pourrait être fait par un utilisateur de notre produit qui ne se conformerait pas aux lois du pays, locales ou fédérales.
Symptôme:
J'ai acheter une camera reseau; tout semble bien fonctionner après l'installation initiale. Cependant, j'ai demarré l'application Active View et essayé d'ajouter la camera à la liste, l'application se bloque et je doit tuer le processus afin de pouvoir réutiliser de nouveau mon ordinateur.
Solution:
L'application Active View est combiné en interne avec la programme IE. LA version d'Active View que vous utilisez est peut-etre incompatible avec la version actuelle d'IE. Vous doivent récapérer la dernière version d'Active View. Pour ajouter uneamera dans Active View:
- Cliquez sur le bouton Sélection Caméra dans la fenêtre Active View et une boite de dialogue va apparaitre.
- Sélectionnez laamera que vous souhaitez dans la liste déroulante.
- Entrez le Nom et Mot de passer.
- Cliquez sur le bouton Connexion pour connecter laamera.
Note: Sur VISTA, vous doivent être authentifié en "Administrateur".

Plus d'assistance
Si vous ne trouvez pas l'information souhaitation ici, vous pouvez vous connecter sur notre site Web pour obtenir plus d'informations ou le support technique.

Information
Lorsque vous recherche le support technique, veuilles préparer vos informations afin d'obtenir un retour rapide et efficace.
Appendice B: Glossaire
Vous pouvez dire les définitions suivantes pour une(Meilleure compréhension d'un environnement réseau, et cela pourrait vous aider à traiter des problèmes réseau lorsque vous utilisez des péripériques réseau. Toutefois, les connaissances couvertes dans cette section ne vous empêcheront pas d'installer et d'utiliser votreamera réseau.
Pour plus d'informations sur ces définitions, vous pouvez les étudier dans des livres spécialisés sur les réseaux et les périphériques réseau.
ADSL
ADSL (Asymmetric Digital Subscriber Line) est une technologie pour la transmission de data numérique à haut débit sur des lignes téléphoniques existantes à des professionnels ou des particuliers. A la différence d'une connexion téléphonique classique; l'ADSL propose une connection constante ininterrompue.
Contrôles ActiveX
Un contrôle ActiveX est un objet composant de programme qui peut être réutiliser par plusieurs applications au sein d'un ordinateur ou au sein d'un réseau d'ordinateurs. La technologie pour creer un contrôle ActiveX fait partie de la technologie ActiveX de Microsoft, parmi laquelle figure le Component Object Model (COM). Lorsque vous utilisez Internet Explorer pour rechercher des sites web, les contrôles ActiveX contrôles peuvent assurer l'affichage normal des images.
DHCP
DHCP (Dynamic Host Configuration Protocol) est un protocole de communication qui laisse les administrateurs gérer centralement et automatise la délivrance d'adresses IP dans le réseau d'une entreprise.
DNS
DNS (Domain Name System) est un service qui localise divers noms de domaines Internet et qui les traduit en adresses IP. Le service DNS peut accroître la vitesse de réponse et la précision d'un site web.
HTTP
HTTP (Hypertext Transfer Protocol) est un protocole standard largement utilisé sur le World Wide Web, et tous les fischiers (texte, images graphiques, son, video, et autre fischiers multimédia) transférés sur le WWW suivront ce protocole. Dès qu'un utilisateur lance son navigateur internet, il utilise indirectement le HTTP.
FTP
File Transfer Protocol (FTP), un protocole Internet standard, est le mode le plus simple pour échanger des fischiers entre ordinateurs sur Internet. FTP est souvent utilisé pour télécharger et envoyer des fischiers (les formats inclus: .txt, .exe, .pdf, .doc, .mp3, .zip, *.rar, ect.) entre deux ordinateurs. Au cours d'un envoi ou d'un téléchargement, un ordinateur sera considéré comme le serveur FTP et l'autre comme le terminal client.
Passerelle
Une passerelle est un point reseau qui agit comme une porte d'entree a un autre reseau. Dans un reseau pour entreprises, un serveur d'ordinateur agit comme un nceud de passerelle, et egalement comme un serveur proxy et un pare feu.
Adresse IP
Une adresse IP est un nombre à 32-bit qui identifie chaque expéditeur ou destinataire d'une information qui est envoyé en paquet via Internet. Une adresse Ip a deux parties : l'identifiant d'un réseau précis sur Internet et l'identifiant de l'appareil en particulier (qui peut être un serveur ou un poste de travail) au sein de ce réseau.
Internet Protocol
Le Protocole Internet (IP) est la méthode ou protocole par lequel les données sont envoyées d'un ordinateur à un autre via Internet. Lorsque vous envoyez ou receivez des données (par exemple, un email ou une page web), le message est divisé en petits morceaux appelés paquets. Chacun de ces paquets contient à la fois l'adresse Internet de l'expéditeur et celle du destinataire. Le Protocole Internet ne fait que les délivrer.
IMAP
IMAP (Internet Message Access Protocol) est un protocole standard pour acceder à vos emails depuis votre serveur local. IMAP requiert un accès continu au serveur pendant le temps ou vous travailliez sur vos emails.
Internet Message Access Protocol (IMAP) is an un protocole alternative. IMAP fournit plus de capacités à l'utilisateur pour conserver ses emails sur le serveur et pour les organiser en dossiers sur le serveur. IMAP peut être considéré comme un serveur de fichiers à distance.
Adresse MAC
Dans un réseau local (LAN) ou tout autre réseau, L'adresse MAC (Media Access Control) est le numéro unique correspondant à votre ordinateur. (Sur un LAN Ethernet, il est le même que celui de votre adresse Ethernet).
LAN
JPEG (prononcez "jay-peg) est un format qui est couramment utilisé pour les images couleurs affichées sur Internet. JPEG réduit la taille de l'image en étant des données non critique de l'image. JPEG conserve toutes les informations de couleur de l'image et permet différents degrés de compression.
Réseau
En langage informatique, un réseau est une série de points ou de nœuds interconnectés par des chemins de communication. Des réseaux peuvent s'interconnector entre eux et contenir des sous réseaux.
NTP
NTP (Network Time Protocol) est un protocole dont la fonction est de synchroniser les horloges des ordinateurs via Internet.
POP3
POP3 est un protocole client/serveur qui permet à votre fournisseur d'accès Internet de receivevoir et de conserver vos emails. POP peut être vu sous la forme d'un service "stock et envoi". POP et IMAP traite de la réception des emails, et SMTP est un protocole qui sert simplement à transférer les emails à travers Internet.
Numéro de Port
En programmation, un port est un emplacement " logique de connexion" et spécifique, utilisant le Protocole Internet , TCP/IP, maniere par laquelle unprogramme client spécifique un programme serveur particulier sur un réseau
d'ordinateur. Pour le service HTTP, le port 80 est défini par défaut et ne doit pas être spécifique dans l'Uniform Resource Locator (URL).
PPPoE
PPPoE (Point to point Protocol over Ethernet) est une Specification pour connecter plusieurs utilisateurs d'ordinateurs sur un réseau local Ethernet à un site distant via un modem et autres périphériques similaires. PPPoE peut être utilisé pour que plusieurs personnes partagent une ligne ADSL, un modem cable, ou une connections ans fil à Internet. PPPoE combine le protocole Point to point Protocol (PPP), souvent utilisée pour des connections téléphonique classique, avec un protocole Ethernet, qui supporte des utilisateurs multiples dans un réseau local. Les informations du Protocole PPP sont enfermées dans un cadre Ethernet.
Serveur Proxy
Un serveur proxy est associé avec tout ou partie d'une passerelle d'un serveur qui sépare le réseau de l'entreprise avec le réseau extérieur et également un pare feu qui protège l'entreprise des intrusions extérieures. Pour l'utilisateur, le serveur proxy est invisible.
SMTP
SMTP (Simple Mail Transfer Protocol) est un protocole TCP/IP utilisé pour envoyer et receivevoir des emails. Toutefois, vu qu'il est limité dans ses capacités de stockage au niveau réception, il est utiliser en général avec un des deux autres protocôles, POP3 ou IMAP, qui permettent aux utilisateurs de sauvegarder des messages dans une boîte mail et de les télécharger périodiquement depuis le serveur. En d'autres termes, les utilisateurs se servent d'un programme qui utilise SMTP pour envoyer des emails et soit POP3 soit IMAP pour les receivevoir.
Masque de Sous réseau
Quand un paquet arrive à la passerelle d'une organisation ou a un point de connexion avec son numéro de réseau unique, il peut être transporte à l'intérieur des passerelles de l'organisation en utilisant aussi le numéro de sous réseau. Le masque de sous réseau autorise le routeur à savoir si deux IP apparlient au même sous réseau.
TCP/IP
TCP (Transmission Control Protocol) est une série de règles (protocole) utilisées avec le Protocole Internet (IP) pour envoyer des informations sous forme d'unité de message entre ordinateurs via l'Internet. Tandis que l'IP prend en charge la délivrance des informations, TCP prend en charge leTRAÇAGE des unités individuelles d'information (appelez paquets) ce en quoi est scindé le message pour des transmissions efficaces via l'Internet.
WEP
WEP signifie Wired Equivalent Privacy. C'est un protocole de sécurité pour les réseaux sans fils locaux (WLANs) définis dans le standard 802.11b. Avec des structures physiques moins sécurisées que les LAN, les WLANs sont plus vulnérables aux incursions. Le WEP est destiné à apporter de la sécurité en cryptant les informations sous forme d'ondes radio d'un point à un autre.
Appendice C:
Spécifications Techniques
| IPCam P1100 | ||
| Apparance | Dimension Physique | (L×W×H) |
| Poids | 200g | |
| Environnement | Température | 10°C to 40°C (50°F to 104°F) |
| Eclairage | 50 or 60 Hz interieur ambiant | |
| Image | Taille de l'image | 160 x 120, 320 x 240, 640 x 480 |
| Format de compression | JPEG | |
| Taux de rafraîchissement | 30 fps | |
| Lentille | Focus | 3M |
| Capteur couleur 1/4" | ¼ inch Capteur Couleur d'Image | |
| Lens angle de vue | 54° | |
| Orientation | Fixe (Contrôle Manuel) | |
| Inclinaison | Fixe (Contrôle Manuel) | |
| Vitesse d'obturateur | no | |
| Connexion IP | Protocole | PPPoE, DHCP, Statique IP, DDNS, SMTP, FTP, NTP |
| Interface | RJ45 | |
| Fonctions | Audio | Non Disponible |
| Masque隱私é | Disponible | |
| Alarmé de mouvement | Disponible | |
| Enregistrement normal | Disponible | |
| Stockage externe | Disponible | |
| Sortie video | Disponible | |
| Mail Notification | Disponible | |
| Adaptateur Secteur | 5V. 1.5A | |
| Consommation | 8 W | |
| IPCam P1100A | ||
| Apparance | Dimension Physique | (L×W×H) |
| Poids | 200g | |
| Environnement | Température | 10°C to 40°C (50°F to 104°F) |
| Eclairage | 50 or 60 Hz interieur ambiant | |
| Image | Taille de l'image | 160 x 120, 320 x 240, 640 x 480 |
| Format de compression | JPEG | |
| Taux de rafraîchissement | 30 fps | |
| Lentille | Focus | 3M |
| Capteur couleur 1/4" | ¼ inch Capteur Couleur d'Image | |
| Lens angle de vue | 92° | |
| Orientation | Fixe (Contrôle Manuel) | |
| Inclinaison | Fixe (Contrôle Manuel) | |
| Vitesse d'obturateur | no | |
| Connexion IP | Protocole | PPPoE, DHCP, Statique IP, DDNS, SMTP, FTP, NTP |
| Interface | RJ45 | |
| Fonctions | Audio | Avec un angle de 2 mètres (6.57 feet) |
| Masque隱私é | Disponible | |
| Alarmé de mouvement | Disponible | |
| Enregistrement normal | Disponible | |
| Stockage externe | Disponible | |
| Sortie videoe | Disponible | |
| Mail Notification | Disponible | |
| Adaptateur Secteur | 5V. 1.5A | |
| Consommation | 8 W | |
Appendice D: Service après-vente et garantie
Si vous rencontres des difficultés pourmettrevoirecamera en service,veuillez tout d'abord consulter les instructions d'installation et les suggestions de résolution des problèmes contenues dans ce mode d'emploi.
Pour plus d'assistance,appelez l'un des numérores de support technique qui figurent en dernierie page de ce mode d'emploi. L'un de nos techniciens se fera un plaisir de vous aider, du lundi au vendredi, aux heures de travail indiquées ci-dessous:
| Europe | 9:00 a.m. – 5:30 p.m. (CET) |
| Monde entier sauf Europe | 9:00 a.m. – 6:00 p.m. Taiwan Time |
Pour éviter toute attente, préparez les informations suivantes avant d'appeler:
Nom et modele du Camera
- Numéro de série du Caméra (Situé à l'arrière du Caméra)
- Une description détaillée du problème
La marque et le modele de votre ordinateur
La vitesse de son processeur (Pentium 133, etc.)
- Voiture système d'exploitation et BIOS (optionnel) actuels
Le nom, la version et l'éditeur de vos autres logiciels
- Les autres péripériques USB installés
Déclaration de garantie limitée
Cette Déclaration de garantie limitée ne s'applique qu'aux options d'origine que vous avez achétées à un revendeur autorisé pour votre propre usage, et non pour une éventuelle revente.
La garantie du constructeur s'entend pièces et main-d'oeuvre, et n'est applicable qu'après réception de la preuve d'achat originale. Pour bénéficier d'une réparation au titre de la garantie, vous pouze contacter le revendeur ou le distributeur, ou encore visiter notre site Web pour connaître les dernières informations relatives à notre service après-vente. Vous pouze également nous contacter par e-mail.
Si vous transférez ce produit à un autre utilisateur, le bénéfice de la garantie est acquis à ce dernier durant le reste de la période de garantie. Vous devez donc transférer votre preuve d'achat et cette déclaration à cet utilisateur.
Nous garantissons que cet apparéil est en bon état de fonctionnement et est conforme à sa description fonctionnelle telle qu'elle figure dans la documentation fournie. Sur presentation d'une preuve d'achat, les pieces de remplacement bénéficient de la garantie restant à courir pour les pieces qu'elles remplacent.
Avant de renvoyer ce produit au titre du bénéfice de la garantie, vous devez enPTRirer tous lesprogrammes,toutes lesdonnées et tous les supports amovibles.Les produits returnés sans mode d'emploi et sans éléments logiciels seront remplacés sans mode d'emploi et sans éléments logiciels.
Cette Garantie limitée ne s'étend pas à un échange lorsque le problème résultat d'un accident, d'un désastre naturel, d'un acte de vandalisme, d'une erreur ou d'un abus d'utilisation, d'une utilisation dans un environnement non adapté, d'une modification de programme, d'un autre appeareil ou d'une modification du produit non effectuee par le fabricant.
Si le produit concerné est une option, cette Garantie limitée ne s'applique que si ce produit est utilisé avec l'appareil pour lequel il a étéçu.
Pour toutes questions concernantVoteGarantielimitee,veuillezcontacterle revendeurapprovoueprioresduquelyouaveszacheteceproduit,oudirectementlefabricant.
CETTE GARANTIE LIMITÉE REMPLACE TOUTES LES AUTRES GARANTIES, EXPLICITES OU IMPLICITES, Y COMPRIS, MAIS SANS Y ETRE LIMITÉ, LES GARANTIES IMPLICITES DE COMMERCIABILITÉ ET D'ADAPTATION À UN USAGE PARTICULARIER. TouteFOIS, LES LOIS EN VIGUEUR DANS CERTAINS PAYS N'AUTORISENT PAS L'EXCLUSION DES GARANTIES IMPLICITES. SI CES LOIS SONT APPLICABLES, TOUTES LES GARANTIES IMPLICITES OU EXPLICITES SONT LIMITÉES EN DUREE À LA PÉRIODE DE GARANTIE. AUCUNE AUTRE GARANTIE NE POURRA ETRE INVOQUÉE À L'ISSUE DE CETTE PÉRIODE.
Certaines juridictions n'autorisent pas les limitations de durée d'une garantie implicite ; la limitation ci-dessus peut donc ne pas s'appliquer.
En aucune circunstance le fabriquant ne saurait etre tenu pour responsable de l'un des événements suivants :
- Plainte d'un tiers contre vous pour pertes ou dommages.
- Perte de, ou dommage causé à, vos données ou enregistements; ou
- Dommages économiques consécutifs (y compris perte de profits ou d'économies) ou incidents, même si le fabricant est informé qu'une telle possibilité existe.
Certaines juridictions n'autorisent pas l'exclusion ou les limitations de dommages incidents ou consécutifs ; la limitation ci-dessus peut donc ne pas s'appliquer à votre cas.
Cette Garantie limitée vous accorde des droits juridiques spécifique, et vous pouvez également dispose d'autres droits, qui varient selon les juridictions.
Comment contacter Plustek
Europe: Plustek Technology GmbH
Gutenberggring 38
22848 Norderstedt
Germany
Tél: +49 (0) 40 523 03 130
Fax: +49 (0) 40 523 03 500
E-mail: support@plustek.de
Site Web: www.plustek.de
Amérique du Nord: USA office Plustek Technology Inc.
17517 Fabrica Way, Suite B
Cerritos, CA 90703
Tel: 714-670-7713
Fax: 714-670-7756
E-mail: supportusa@plustek.com
Monde entier sauf Europe & Plustek Inc.
Visitez notre site web http://www.plustek.com/support/support.htm pour plus d'informations sur le service client.
Notice Facile