A700 - Console de mixage STUDER - Notice d'utilisation et mode d'emploi gratuit
Retrouvez gratuitement la notice de l'appareil A700 STUDER au format PDF.
| Type d'appareil | Magnétophone |
| Fonction principale | Enregistrement et lecture audio |
| Nombre de pistes | Non précisé |
| Vitesse de bande | Non précisé |
| Type de bande | Bande magnétique standard |
| Alimentation | Non précisé |
| Dimensions | Non précisé |
| Poids | Non précisé |
| Connectivité | Entrée/Sortie audio analogique |
| Commandes | Lecture, Enregistrement, Arrêt, Pause, Rembobinage, Avance rapide |
| Affichage | Non précisé |
| Accessoires inclus | Non précisé |
| Usage recommandé | Professionnel et domestique |
| Garantie | Non précisé |
| Langues du manuel | Allemand, Anglais, Français |
FOIRE AUX QUESTIONS - A700 STUDER
Questions des utilisateurs sur A700 STUDER
0 question sur cet appareil. Repondez a celles que vous connaissez ou posez la votre.
Poser une nouvelle question sur cet appareil
Téléchargez la notice de votre Console de mixage au format PDF gratuitement ! Retrouvez votre notice A700 - STUDER et reprennez votre appareil électronique en main. Sur cette page sont publiés tous les documents nécessaires à l'utilisation de votre appareil A700 de la marque STUDER.
MODE D'EMPLOI A700 STUDER
| 4. | Mécanique |
| 4.1. | Bloc des têtes |
| 4.2. | Freins |
| 4.3. | Bras presseur |
| 4.4. | Electro-aimant écarteur de bande |
| 4.5. | Moteur de cabestan |
| 4.6. | Démontage des coussinets, moteurs de bobinage |
| 4.7. | Lubrification |
| 4.8. | Arrêt de fin de bande |
| 5. | Réglages et mesures électriques |
| 5.1. | Généralités |
| 5.2. | Réglages du mécanisme |
| 5.3. | Réglages du pupitre de mélange |
| 5.4. | Réglage de la lecture |
| 5.5. | Réglage de l'enregistrement |
| 5.6. | Mesure des différentes caractéristiques |
| 5.7. | Contrôle du niveau de sortie |
| 5.8. | Complément de mesure sur le pupitre de mélange |
| 5.9. | Pleurage et scintillagement |
| 6. | Liste des pièces détachées |
| 7. | Electronique (Description des fonctions) |
| 7.1. | Electronique du mécanisme |
| 7.2. | L'électronique du pupitre de mélange |
| 7.3 | Electronique des têtes |
| 8. | Schemas |
| 9. | Liste de câblage |


A Chassis de défilament et sa commande
Plateau de bobine gauche
Plateau de bobine droite
3 Interrupteur secteur POWER
4 Repétition
5 Fonction AUTOmatique
6 Selecteur d'enregistrement, canal gauche LEFT
7 Selecteur d'enregistrement, canal droite RIGHT
8 Arret instantané PAUSE
9 Retour rapide
Avance rapide
1 Reproduction PLAY
STOP
13 Enregistrement REC simultanément avec PLAY
Remise à zéro du compteur
15 Compteur de bande
16 Vitesse 3 / 4^ - 9,5cm / s
Vitesse 71 / 2^ - 19cm / s
18 Vitesse 15^ - 38~cm / s
B Réglages d'enregistrement
19 Somme RECORD MASTER
Indicateur de saturation, canal gauche
21 VU-metre, canal gauche
22 VU-metre, canal droite
23 Indicateur de saturation canal droite
Entree micro 1 gauche, MIC L
25 Sélecteur d'entrée 1, INPUT SELECTOR 1











26 Entre micro 1 droite, MIC R
Potentiomètre d'entrée 1 gauche
Potentiometre d'entree 1 droite
Potentiometre d'entrée 2 gauche
30 Potentiometre d'entree 2 droite
31 Entrée micro 2 gauche, MIC L
32 Selecteur d'entree 2
33 Entre micro 2 droite, MIC R
Réglages de reproduction
34 Selecteur de mode
35 Commutateur avant/après-bande
36 Sortie casque (haut-parleur en service)
37 Réglage de tonalité, aigués, TREBLE
33 Réglage de tonalité, basses, BASS
39 Sortie casque (haut-parleur hors service)
40 Volume d'ecoute gauche, VOLUME L
41 Volume d'ecoute droite, VOLUME R
C Reglerfeld WIEDERGABE
D Face arrirée et prises
42 Commutateur pour réseau 50Hz / 60Hz
43 Fusible sector
44 Selecteur de tension
45 Commande externe de vitesse CAPSTAN SPEED CONTROL
46 Commande externe de projecteur, REMOTE CONTROL SLIDE
Telécommande des fonctions, REMOTE CONTROL TAPE DRIVE
48 DIN pour étag de puissance (avec mise sous tension automatique des REVOX A722) TO POWER AMPLIFIER
49 CHINCH avant le sélecteur de modLINE A
50 CINCH après le selecteur de mode LINE B
51 CINCH universelle 2, AUX 2
52 DIN radio (entree/sortie diode), RADIO/REC/PB
53 CINCH pour cartouche magnétique, PHONO MAGNETIC
54 CINCH universelle 1, AUX 1
2. Technische Daten
2. Caractéristiques techniques
Performances minimales garanties mesurées avec la bande REVOX 601 (type Low Noise/High Output)
Vitesse de la bande:
9, 5, 19 et 38 cm/sec. Tolerance de la vitesse nominale: ± 0,1% (pour une épaissur de bande de 35~ m longue durée)
Derive:
inférieure à 0,1%
Pleurage:
max. ± 0,06% à 38 cm/sec.
max. ±0,08% à 19 cm/sec.
max. ±0,1 % à 9,5 cm/sec.
Compteur:
à 4 positions, en minutes et secondes à vitesse de 19 cm/sec. Tolerance 0,5%
Diametre des bobines:
de 4 cm interne à 26,5 cm (10.5") externesanc commutation
Tension de bande:
asservie dans toutes les fonctions y compris le freinage.
Courbe de réponse enregistrement lecture:
38 cm/s 30 Hz à 22000 Hz + 2/-3 dB
50 Hz à 18000 Hz ± 1,5 dB
19 cm/s 30 Hz à 20000 Hz + 2/-3 dB
50 Hz à 15000 Hz ± 1,5 dB
9.5 cm/s 30 Hz à 16000 Hz + 2/-3 dB
50 Hz à 10000 Hz ± 1,5 dB
Preaccentuation:
NAB
Niveau de modulation max.:
514 nWb/m, correspondant à 0 VU + 6 dB
Mesure de modulation:
VU-metre selon norme ASA
Affichage des valeurs de pointe:
Durée: env. 0,2 sec.
Distorsion enregistrement-lecture à 1 kHz:
Vitesse
Niveau 0-VU
Rapport signal/bruit en enregistrement-lecture,
pondéré ASA A,reference 514 nWb/m
à 38 cm/sec. mistroux que 65 dB
à 19 cm/sec. mistroux que 66 dB
à 9,5cm/sec. mistroux que 63 dB
Diaphonie à 1000 Hz
mono mieuxque60dB
magnétique RIAA 2,5 mV/ 50 kohms,
1 x radio stereo,
3 mV/33 kohms,
Taux de surcharge de toutes les entres
meilleur que 40 dB (1:100)
Sorties stéreophoniques:
à niveau de modulation maximum:
2× LINE: 1,55V / R_j = 5 kohms,
y compris signal de mise sous
tension A722
Correcteurs de tonalité:
Graves: ±8 dB à 80 Hz par pas de 2 dB,
Aiguès: ±8 dB à 8 kHz par pas de 2 dB
Composants:
19 circuits intégrés (CI),
2 LSI,
93 transistors,
92 diodes,
7 redresseurs
Alimentation:
110 - 250 V commutable, 50 - 60 Hz,
max. 130 watts
Sous toute réserve de modifications
dues à une amélioration technique.

Fig. 3.2.-1

Fig. 3.2.-2

Fig. 3.2.-3
-
Ausbau
3.1. Allgemeines
3.1.1. Vor Entfernen eines Gehäuse-Blechteils unbedingt Netzsteckerziehen -
Dismantling
3.1. General
3.1.1. Disconnect Recorder from Electric Current Supply before removing Metal Cover Panels -
Démontage
3.1. Généralités
3.1.1. Avant tout démontage, retarder la prise du secteur
3.1.2. Outils indispensables
Tournevis en croix no 2
Tournevis no 3
Les indications concernant les plaques de re-couvement s'entendant avec l'appareil en position verticale.
3.2. Demontage des revêtements de l'appareil
3.2.1. Dépose de la plaque arrête
-
Débrancher la prise secteur (évent, dérouler le cable de ses crochets de fixation prévus pour le transport).
-
Dévisser les 8 vis à tête en croix (Fig. 3.2. -1)
Renverser légèrement la partie supérieure arrêté et tirer delicatement contre soi en aidant de la main droite au niveau de la niche des connexions.
3.2.2. Demontage de la plaque de recouvrement supérieure
Retirer la plaque arrriere.
- Dévisser les 3 vis à tête en croix (2) (Fig. 3.2. -2).
Oter la plaque.
Oter les pouilies des palpeurs 4 apres en avoir devisse le couvercle (a la main).
Meme processus pour le galet presseur 8
Retirer le couvercle des têtes en tirant en avant ⑦.
Retirer delicatement en avant la platine du rail de montage (6)
Devisser 5 vis a tete en croix (3).
Déposer prudèment la plaque frontale (attention aux pouliés).

Fig. 3.2.-4

Fig. 3.3.-1

Fig. 3.3.-2
3.2.4. Démontage de la plaque de base
Renverser prudemment I'appareil sur le cote (attention earaflures), eventuèlement protégier les ébenisteries.
- Dévisser les 3 vis de fixation du pied avant (9) (Fig. 3.2.-4).
Devisser les vis des deux extrémités dupied arrêté (10) (Fig. 3.2. -4).
3.3. Demontage de la partie pupitre de mélange
Demonter la plaque de base.
- Dévisser les deux vis se trouvant aux extrémités de la plaque de commande (11), tener cette dernière contre soi par le bas.
- Deconnecter les trois fiches peigne 12 Fig.3.3.-2.
Devisseres4(grandes)visetrouvanta la base du pupitre de melange (Fig.3.3.- 3).
Tirer et sortir le pupitre de melange par l'avant.
Au cas ou des manipulations seraient rendues nécessaires sur la platine mécanique, il est recommandé d'isoler les fiches peigne car il existe un risque de court-circuit.

Fig. 3.3.-3

Fig. 3.4.-1
3.4. Demontage de la traverse principale complenant les circuits de commande du mecanisme et du moteur
Il est important de rappeler qu'il faut d'abord débrancher la prise secteur.
Oter les 2 vis (14) (Fig. 3.4. -1).
- Dégager le toron de cables du pupitre de mélange de celui du mecanisme.
Donner du mou au cable secteur.
Sortir la traverse principale par l'arriere (pour le remontage voir 3.21).
3.5. Demontage du transformateur d'alimentation
Demonter les plaques de recouvrement avant et arrêté.
Demonter la traverse principale (a cause du cable secteur).
Démonter la poignée après avoir otedes deux vis de fixation.
- Debrancher les deux fiches peigne du circuit d'alimentation (Fig. 3.5. -1) (A4)
-
Dévisser les 2 vis (19) (Fig. 3.5. - 2) (préndre garde aux diverses longueurs de vis au remontage : longues vis dans la partie épaissé du radiateur en fonte injectée).
-
Devisser l'équerre de fixation (18) (Fig. 3.5. - 1) du circuit d'alimentation. (Au remontage prendre garde de reconnectcer la cosse de masse).
- Debrancher le circuit d'alimentation en le tirant dans la direction du moteur de bobinage de droite (16).

Fig. 3.5.-2

Fig. 3.5.-3

Fig. 3.5.-4
- Debrancher les contacts A.M.P. du cable gris (22) d'alimentation secteur (Fig. 3.5. - 3) du circuit de commande du mecanisme (A5).
Défaire la bride (21) (Fig. 3.5. -3).
Libérer le cable d'alimentation. - Debrancher la fiche peigne (20) (Fig. 3.5. - 3) du circuit relais (A 3).
Devisser diagonalement les 4 vis de fixation du transformateur (Fig. 3.5. -4).
Sortir le transformateur d'alimentation.
Lors du remontage, prendre garde aux fils qui passent en dessous du transformateur. Avres un échange, il est important de reconstricter les critères d'isolations comme indiqués (UDE, SEV etc.).
3.6. Demontage du bloc des têtes
Retirer le couvercle des têtes, le galet presseur ainsi que le rail de montage.
- Dévisser les 3 vis (24) (Fig. 3.6. -1).
Tirer prudemment le bloc des têtes en avant tout en veillant à ne pas blesser l'axe du cabestan.
3.7. Demontage des circuits palpeurs
Demonter la plaque frontale.
Devisser les 2 vis (26) (Fig. 3.7. -1).

Fig. 3.10.-1
Fig. 3.7.-1
| 3.8. | Ausbau der linken Bandzugwaage | 3.8. | Removal of left-hand Tape Tension Sensor Assembly | 3.8. | Démontage du palpeur gauche |
| - | Gerät in Horizontalstellung bringen. | - | Place recorder on its back. | - | Mettre l'appareil en position horizontal-tale. |
| - | Steckverbindung (25) (Fig. 3.7.-1) lösen. | - | Disconnect plug-in connections (25) (fig. 3.7.-1). | - | Débrancher les fiches peigne (25) (Fig. 3.7.-1). |
| - | M3-Kreuzschlitzschrauben (27) (Fig. 3.7.-1) lösen. | - | Remove 2 Phillips head screws (27) (fig. 3.7.-1). | - | Dévisser les vis M3 (27) (Fig. 3.7.-1). |
| - | Bandfuhrlebel bewegungen bis die 3. Kreuzschlitzschraube durch Blendeöffnung hindurch gelöst werden kann. | - | Move tape tension sensor arm to gain access to the third Phillips head screw and remove that screw. | - | Faire pivoter le palpeur jusqu'à ce que la 3ème vis puisse être enlevée par l'orifice prévu à cet effet. |
| 3.9. | Ausbau der rechten Bandzugwaage | 3.9. | Removal of right-hand Tape Tension Sensor Assembly | 3.9. | Démontage du palpeur droit |
| - | Gerät in Horizontalstellung bringen. | - | Place recorder on its back. | - | Mettre l'apparail en position horizontal-tale. |
| - | 2 Steckverbindungen lösen. | - | Disconnect 2 plug-in connections. | - | Débrancher les 2 fiches peigne. |
| - | Ausbau wie 3.8. | - | Proceed as described under 3.8. | - | Démonter selon 3.8. |
| 3.10. | Tonmotor ausbauen | 3.10. | Removal of Capstan Motor | 3.10. | Démontage du moteur du cabestan |
| - | Anschlusskabel (30) (Fig. 3.10.-1) des Abtasters von der Capstan-Geschwindigkeitssteuerung (A 15) abziehen. | - | Disconnect push-on terminals (30) of tacho-head from capstan speed control board A 15 (fig. 3.10.-1). | - | Débrancher la tête tachymétrique du cir-cuit de commande des vitesses (A 15). |
| - | 3 AMP-Flachstecker (28) aus Capstan-motor-Regler (A 16) ziehen (Fig. 3.10.-1). | - | Disconnect 3 push-on terminals (28) (fig. 3.10.-1) from capstan motor control A 16. | - | Débrancher les 3 contacts AMP (28) du circuit de régulation du moteur du cabestan (A 16) |
| - | 4 Schrauben (29) (Fig. 3.10.-1) lösen. | - | Remove 4 Phillips head screws (29) (fig. 3.10.-1). | - | Dévisser les 4 vis (29) (Fig. 3.10.-1). |
| - | Tonmotor vorsichtig (Achtung: Ton-welle) nach hinteren aufharen (Tonmotor beim Einbauen zentrierten!). | - | Carefully remove capstan motor towards the rear, taking care not to damage the capstan shaft. | - | Retirer délicatement le moteur par l'arrière (attention à l'axe du cabestan). Au remon-tage recentre le moteur. |

Fig. 3.11.-1

Fig. 3.11.-2
3.11. Demontage de I'agregat des freins
-
Reposer l'appareil sur sa partie arrête.
-
Retirer les plateaux de bobine après avoir devissé les 3 vis de fixations (31) (Fig. 3.11. - 1).
-
Dévisser la vis centrale de fixation des tambours de freins, écarter les bandes de freins et sorting les tambours par le haut avec précaution.
Il est particulièrement recommendé de ne pas plier les bandes de frein et de toucher les surfaces actives des freins (bande ou garniture) car les traces degraisse diminuente l'efficacité des freins.
- Débrancher les fils d'alimentation de l'electro-aimant des freins (au remontage prendre garde à la polarité violet = +, noir = -).
Devisser les 3 vis (32) (Fig. 3.11. -2).
3.12. Demontage des moteurs de bobinages
Demonter l'agregat des freins.
- Debrancher l'alimentation des moteurs (35) (Fig. 3.12. - 1) du circuit de commande de ces derniers (soit A 8 et A 10).
Devisser les 3 vis (34) (Fig. 3.11. -2).
Retirer le moteur par en haut.

Fig. 3.12.-1



Fig. 3.13.-1
Fig. 3.14.-1
Fig. 3.16.-1
3.13. Bandabhebemagnet ausbauen
3.13. Demontage de l'electro-aimant d'écartement de la bande
Demonter le bloc des têtes (voir 3.6).
- Debrancher les fils d'alimentation de l'electro-aimant (au remontage prendre garde à la polarité: violet = +, vert = -).
- Dévisser les 2 vis (36) (Fig. 3.13. -1).
Retirer I'electro-aimant par derriere.
3.14. Demontage de l'agregat du galet presseur
Demonter le bloc des têtes.
- Dévisser les 3 vis (37) (Fig. 3.14. -1).
- Débrancher l'alimentation de l'electroaimant (au remontage prendre garde à la pola-rite: rouge = +, blanc = -).
3.15. Démontage du compteur
Demonter la plaque frontale.
Libérer la plaque frontale du pupitre demelange.
- Dévisser le rail de guidage des touches.
- Retirer le compteur après avoir devissé les 2 vis de fixation.
3.16. Demontage de la corbeille contenant les circuits电子iques des têtes
Demonter les plaques de recouvrement avant et arrêté.
Demonter le bloc des têtes.
Ouvrir une ligature de fixation.
Demonter la prise 20 pôles du bloc des têtes.
- Dévisser les 4 vis (38) (Fig. 3.16. -1) de la partie supérieure.

Fig. 3.17.-1

Fig. 3.19.-1
3.17. Demontage des circuits de commande des moteurs de bobinage (A 8 et A 10) et du moteur du cabestan (A 16)
- Demonter les plaques de recouvrement avant et arrêté (évent. la poignée, pour le circuit de commande du cabestan).
- Dévisser une vis par print 39 (Fig. 3.17.-1)
3.18. Démontage des transistors de puissance
- Demonter les plaques supérieure et arriere.
- Dégager les 2 transistors de puissance (2 vis 40) (Fig. 3.17. - 1) de leur socle.
3.19. Demontage des circuits de commande du moteur du cabestan (A 15)
- Demonter le pupitre de melange.
- Demonter la traverse principale comprenant les circuits de commande de vitesse du moteur du cabestan et le circuit de commande du mecanisme.
- Debrancher les 3 fiches peigne (41), (42), (43) (Fig. 3.19. - 1).
- Devisser les 2 vis de la platine.
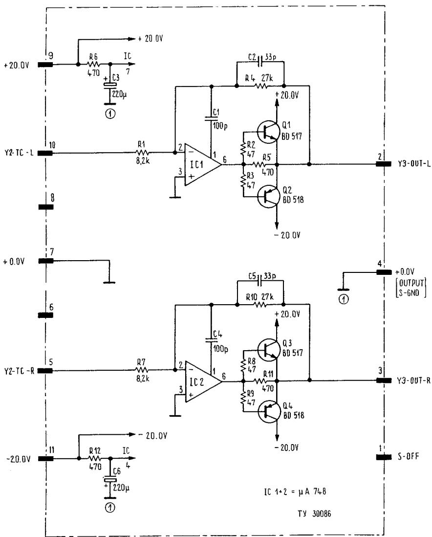
3.20. Demontage du circuit de commande du mecanisme (A 5)
- Demonter le p提供优质 de mélange.
- Demonter la traverse principale retenant les circuits A 5 et A 15.
- Retirer les 4 fiches peigne (44), (45), (46), (47) (Fig. 3.19. - 1).
- Demonter les 3 vis de la platine.


Fig. 3.22.-1
Fig. 3.22.-2
3.21. Zusammenbau
Au remontage il faut faire particulièrement attention à ce qu'aucun cable ne soit pince ou écrase. Il est important également que les cables reconnent leur place primitive. Les pas de vis doivent être légèrement lubrifiés avant d'être engagés.
Pour le remontage de la traverse principale, il faut prendre les précautions suivantes.
Reconnector les contacts A.M.P. du cable secteur.
- Remetre la traverse en place en tirant le cable secteur dans la direction du transformateur d'alimentation.
Revisser la traverse.
3.22. Demontage de l'intérieur du pupitre de mélange
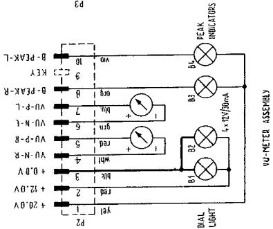
3.22.1. Demontage de la lampe servant à indiquer les pointes de modulation et de cette qui sert à éclairer le VU-metre
Demonter la plaque frontale du pupitre de melange.
Oter les 2 vis (Fig. 3.22. -1).
Retirer les Vu -métres en avant.
On peut atteindre les lampes indicatrices
de pointes derrière les cadrans des VU-mêtes.
3.22.2. Demontage de l'amplificateur des VUMétres
- Demonter le p提供优质 de melange (voir 3.3.)
- Oter 1 vis (Fig. 3.22. - 2) sur la platine de l'amplificateur d'entrée.
- Deconnecter le circuit de sa fiche de raccordement.

Fig.3.22.-3

Fig. 3.22.-4
3.22.3. Demontage de I'ampli-casque
Enlever la plaque de base et la plaque de recouvrement arrête.
Oter 1 vis (50) (Fig. 3.22. - 3) sur le circuit de raccordement.
Sortir l'ampli-casque de son socle de raccordement.
3.22.4. Demontage du circuit des transformateurs d'entrée
Démontage du pupitre de mélange (voir 3.3.)
- Oter une vis de fixation (51) (Fig.
3.22. - 4) de la platine des transformateurs.
- Debrancher la fiche peigne de la platine des transformateurs.
Retirer la platine des transformateurs de son socle de raccordement.
3.22.5. Démontage du VU-metre
Demonter le pupitre de melange.
Demonter le circuit des VU-mêtes.
- Devisser les 3 vis de l'équerre de fixation des VU-mêtres (52) (Fig. 3.22. - 5).
Retirer les VU-mêtes par l'arrière.

Fig. 3.22.-5

Fig. 3.22.-6

Fig. 3.22.-7
3.22.6. Demontage du circuit correcteur de tonalité (A 30)
Oter la vis (53) (Fig. 3.22. - 6) du print de raccordement A 25.
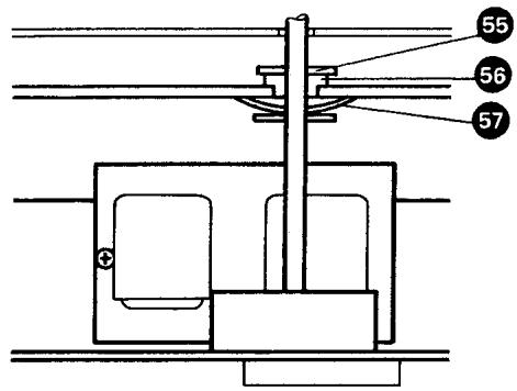
Oter les 2 circlips (55) (Fig. 3.22. -7) qui se trouvent sur la partie avant du chassinis.
Enlever les guides en teflon (Fig. 3.22.-7).
Retirer le circuit de son socle de raccordement par l'arriere (pour le remontage voir 3.22.-9).
3.22.7. Demontage des préamplificateurs d'entree (A 28)
Demonter les VU-mêtes.
Oter les 2 vis (54) (Fig. 3.22. - 6) du print de raccordement.
Retirer les 4 circlips qui se trouvent sur la partie avant du chassin (55) (Fig. 3.22, -7).
- Oter les 4 guides en teflon (56) (Fig. 3.22. -7).
Retirer le circuit à l'aide d'un tourne vis de son socle de raccordement.
- Débrancher les prises de raccordement (remontage voir 3.22.8.).
3.22.8. Indications importantes pour le remontage du préamplificateur d'entrée (A 28)
Prendre garde au positionnement des ressorts de contact (57) (Fig. 3.22.-7).
Avant de réinsérer les prints dans le chassin, rebrancher la fiche inférieure (P 4) (pour un meilleur accès).
Veiller à la position du toron de câbles.
- Remetre d'abord les guides en teflon.
Puis les circlips.
- Refixer le tout avec 2 vis.
3.22.9. Remontage du circuit de tonalité (A 30)
- Prendre garde au positionnement correct des ressorts de mise à la masse (57) (Fig. 3.22. - 7).
- Remetre en place les guides en teflon.
La commutation doit etre aisee (veiller au gripage).

Fig. 3.22.-8
3.22.10. Changement d'un potentiemetre à glissiere ou d'une prise Jack
Demonter le p提供优质 de melange (voir 3.3.).
Oter les 6 circlips et guides teflon.
- Debrancher les (7) raccords qui mènent à la partie frontale du chassin.
Oter les 4 vis (Fig. 3.22. -8) de la partie frontale du chassis.
Retirer la partie frontale du pupitre de mélange.
Au remontage prendre garde à la position correcte des ressorts de masse (57).


Fig. 4.1.-1
Fig. 4.1.-2
| 4. Mechanik | 4. Transport Mechanism | 4. Mécanique |
| Bedingt durch das stabile Druckguss-Chassis und das 3-Motoren-Laufwerk ergibt sich ein welt-gehend wartungsfreier mechanischer Teil. Die Einstellungen und Messungen beschranken sich auf die wichtigen beweglichen Teile. | Thanks to the extremely rigid construction of the diecast motor deck and the 3 motor transport mechanism, mechanical maintenance can be kept to a minimum. The necessary adjustments and measurements confine themselves to only a few movable parts. | Grçace à un chassis stable en fonte injectée et un mécanisme équipé de 3 moteurs, la partie mécaine de l'apparil ne mécessite pratiquementaucun service. Les quelques réglages existants ne concernent que les pièces en mouvement. |
| An Spezialwerkzeugen werden benötigt: | Special Tools required: | Les outils spéciaux nécessaires sont les suivants: |
| SeegerringzangenFederwagen oder Kontaktoren, 200g (2 N), 2000g (20 N)Abgewinkelte Flachzange | Snap-ring PliersAngled PliersSpring Scales or Dial Gauges 0 . . . 200 gramsand 0 . . . 2000 grams | une pince à circlipsun dynamomètre de 200 g (2N) 2000 g (20 N) |
| 4.1. Kopfträger4.1.1. BandfuhrungenBandfuhrungen reinigen, Bandfuhrungen A nicht verstellen. Mit einem Gabel-Schlüssel(5 mm) konnen die Bandfuhrungen vom Kopf-träger gelöst werden (Fig. 4.1. - 1). | 4.1. Tape Head Chassis4.1.1. Tape GuidesClean tape guides, do not alter the setting of tape guide A. A 5 mm open-end wrench is required for removing the tape guides from the tape head chassis (figure 4.1. - 1). | 4.1. Bloc des têtes4.1.1. Guides de bandeNettoyer les guides de bande, ne pas dé-régler les guides de bande A. A l'aide d'une clé à fourche (5 mm) il est possible de démonter lesguides de bande du bloc des têtes. (Fig.4.1. - 1) |
| 4.1.2. TonkopfbefestigungenDie Tonkopfe sind auf das Kopfträgerchassis geschraubt. Bei abgenommenem Kopfträger-chassis konnen die Tonkopfe mit der Zentrums-schraube gelöst werden (Fig. 4.1. - 2).Wird der Aufnahme- oder Wiedergabekopf ausgewechselt, so ist die Maschine vorzugswese an die nachste Werksvertretung zur Neujustierung einzusenden. | 4.1.2. Sound Head MountingThe magnetic heads are screwed onto the tape head chassis. With the tape head chassis removed from the recorder, the heads can be taken off, after undoing their centrally located mounting screws. (Fig. 4.1. - 2)When replacing a record- or playback head, repositioning and alignment of the head must be carried out by following the instructions given in section 6.4 and 6.5. | 4.1.2. Fixation des têtesLes têtes sont visées sur le bloc des têtes. Les têtes peuvent être retirees en dévisant la vis centrale après avoir été le bloc des têtes (Fig.4.1. - 2)S'il est nécessaire de changer les têtesd'enregistrement ou de lecture il est à conseiller de faire parvenir votre apparueil au service après vente le plus proche afin d'y procéder aux rég-lages nécessaires. |
| 4.2. Bremsen (STOP)Die Bremsen sind wirksam, wenn der Brems-magnet stromlos ist.STOP-Taste drücken. | 4.2. Brakes (STOP)The brakes are applied as long as the brake lift solenoid remains in its de-energized position.Press button STOP | 4.2. Freins (STOP)Les freins agissant lorsque l'électro-aimant des freins n'est pas alimenté.Presser la touche "stop". |
| 4.2.1. Messung der BremsmomenteLeerspule auflagen, verriegeln. Die Mess-werte beziehen sich auf einen Kerndurchmesser der Spule von 115 mm. | 4.2.1. Braking TorquePlace empty reel with a 4,5 inch(115 mm) hub diameter onto reel spindle andlock it in position. | 4.2.1. Mesure du moment de freinagePlacer et verrouiller une bobine vide. Les valeurs de mesure se rapportent à un diamètre de noyau de bobine de 115 mm. |

Fig. 4.2.-2
Enrouler quelques tours d'une fine ficelle sur la bobine vide, puis afin de mesurer le moment de freinage tirer dans le sens désiré à l'aide du dynamomètre.
Un frein bien regle donne les résultats de mesure suivants:

Fig. 4.2.-1
Au cas où vous n'obtiendriez pas les valeurs ci-dessus il serait alors nécessaire de contrôler attentivement le système des freins.
Les garnitures et les bandes de freins doivent être absolument propres et libérées de toute matière grasse.
Les garnitures de freins peuvent etre nettoyees avec du trichloréthilène. Il est bon de rappeler que les garnitures de freins ne doivent ensuite plus etre touchées.
Les bandes de frein ne doivent etre en aucun cas pliees et doit recouvrit la garniture sur toute sa surface. Aprese le changement des bandes ou des tambours de freins il est necessaire de recontrcler l'excursion du noyau de I'electro-aimant des freins.
- Debloquer les freins manuellement (faire plonger le noyau de l'electro-aimant).
- Contrôler ainsi si grâce aux deux tétons les bandes de freins décollent simultanément. Si cela n'est pas le cas desserrer les trois vis du chassis des freins et le déplacer jusqu'à l'obtention de la symétrie.

Fig. 4.3.-1
Si il n'est pas possible de faire autrement, plier légarement le levier à l'extremité de la bande de frein.
Pour régler l'électro-aimant des freins, ce dernier doit être excité
- Divisser les plateaux de bobine.
- Presser la touche PLAY et la maintainir dans cet état.
- Desserrer les fixations de l'electroaimant des freins puis le faire glisser de gauche à droite de façon telle que les frottements de la bande de frein ne s'entendant plus sur le tambour.
Fixer l'electro-aimant dans cette position.
Contrôle:
Maintenir la touche PLAY pressée.
- Bloquer le palpeur de bande gauche dans sa position la plus en arrêté. Le moteur de bobinage gauche s'arrête. Contréor manuellement que le moteur gauche tourne librement. (Pas de bruit de frottement)
Relacher le palpeur de gauche. Refaire la même opération avec le palpeur de droite.
4.3. Andruckrolle
Le bras presseur est actionné électro-magnétique. La pression est déterminée par un ressort de valeur déterminée.
4.3.1. Mesure de la pression
- Presser la touche PLAY.
S'il n'ya pas de bande, maintainir la touche pressée.
- Par l'intermédiaire d'un fil de nylon fixé d'une part sur l'axe du galet presseur (eventuèlement dévisser le couvercle de l'axe) et d'autre part à un dynamomètre. Tirer le bras dans la direction A (Fig. 4.3. -1) jusqu'à ce que le galet presseur se décolle de l'axe de cabestan.
Le dynamomètre doit alors indiquer 1 - 1,3kg (10..13 N)

Fig. 4.3.-2
4.3.2. Réajustage de l'agregat du galet presseur
- Demonter le bloc des têtes (voir chap. 3.6.)
- Presser la touche PLAY et la maintainir dans cette position.
- Desserer l'electro-aimant du bras-presseur et obtenir un espace d'environs 0.5...1 mm entre l'axe et la fourchette en le déplacant vers la gauche (Fig. 4.3. -2).
Maintein l'electro-aimant das cette position et serrer les vis de fixation.
Contrôle:
- Presser le galet presseur manuellement sur l'axe du cabestan.
- Presser la touche PLAY et la maintainir dans cette position.
Lorsque l'electro-aimant est excité, l'espace entre l'axe et la fourchette doit être de la valeur régéeAAParavant soit:0.5...1mm.
Eloigner le galet presseur de I'axe du cabestan, le noyau plongeur ne doit pas bouger.
RelacheratouchePLAY. - Bloquer les vis de réglage de l'électroaaimant avec une laque de sécurité.
4.3.3. Changement des pouilies des palpeurs et du galet presseur
- Dévisser les couvercles sur les axes de poulies.
Retirer ces dernières par le haut.
Les poulies ne doivent etre nettoyees qu'vec un chiffon sec.Prendre garde qu'aucun produit de nettoyage ne s'inffetre dans les coussinets.
Seuls les axes et les capuchons doivent être nettoyés à la benzine rectifiée.
Remonter les poulies alors qu'elles sont parfaîtrement sèches. Les axes ne doivent pas être huiliés.

Fig. 4.4.-1

Fig. 4.5.-1

Fig. 4.5.-2 E B
4.4. Bandabhebemagnet
4.4. Electro-aimant écarteur de bande
Ce dernier agit électro-magnétiquement pendant la fonction de rebobinage.
4.4.1. Reglage de l'electro-aimant ecarteur de bande
Placer une bande.
Presser une des touches de bobinage (> <)
Liberer I'electro-aimant et le deplacer jusqu'à ce que la bande passé à la hauteur du blindage de la tete (Fig. 4.4.1.)
4.5. Moteur de cabestan (Fig. 4.5. -1)
Le moteur de cabestan est équipé d'un axe traversant, guidé par deux coussinets. Il est de plus verrouillé en position axiale. Le coussinet axial est un palier d'appui synthétique. Les coussinets sont lubriifiés à vie et ne nécessitant normalement aucun service.
L'axe de cabestan ainsi que le palier d'appui synthetique peuvent etre simplement changes. Si un des coussinet devait etre endommagé, faire parvenir le moteur de cabestan au prochain point de service.Voir demontage chapitre 3.10.
4.5.1. Demontage de l'axe de cabestan et du palier d'appui synthétique
Pour ce faire il n'est pas nécessaire de démonter le moteur de cabestan.
Retirer prudemment I'arrêt de sécurité A par le côté attention à la détente, (Fig. 4.3.1.).
Retirer le rotor du moteur de cabestan par le bas.
l'axe de cabestan peut etre retire par le haut, pour cela il faut préalablement oter le bloc des têtes. (Voir chapitre 3.6.).
-Après avoir enlevé le circlips B, il est possible de-retirerlepalierd'appui (Fig. 4.5.-2),pour cela oter dans l'ordre les rondellesressortE,la rondelle d'entrainement F ainsi que le palier-peigne G.

Fig. 4.6.-1
Pour toute intervention ayant un rapport avec l'axe de cabestan et les coussinets, prendre garde de ne pas les endommager (mal-rond que 1/1000 ~mm ) et de veiller à ne pas introduire d'impurtés dans ces coussinets de précision.
4.6. Demontage des coussinets, moteurs de bobinage (Fig. 4.6. -1)
Demonter le moteur de bobinage (Voir chapitre 3.12.)
Ouvrir le circlips poli B et C avec la pince adequate (ne pas ouvrir plus que nécessaire pour le retirer) oter le rotor et l'axe par le bas. Le réglage de la hauteur du tambour de frein (plateau de bobine) s'effectue à l'aide de l'entretoise D.
Au remontage veiller à ce que les entreprises soient remises sur leur moteurs respectifs. Le circlips B retire au demontage, ne doit plus être utilisée. Il doit être replacé par un circlips neuf. Les roulements à billes des moteurs de bobinage ne doivent être replacés que par des roulements d'origine.
4.7. Schmieren
Tous les roulements sont lubriés à vie et ne nécessités normalement aucun service lors du changement de l'axe de cabestan, imprégner la rondelle feuitre du coussinet de quelques gouttes d'Isoflex PDP65.
4.8. Endschalter
4.8. Arrêt de fin de bande
Après avoir préalablement démontré le bloc des têtes il est possible dePTRirer le dispositif photo-électrique de l'arrêt de fin de bande.
| 5. Elektrische Einstellungen und Messungen | 5. Electrical Adjustments | 5. Mesures et régles électriques | |||
| 5.1. Allgemeines | 5.1. General | 5.1. Généralités | |||
| Messereräte und Hilfsmittel | Test Equipment | Appareils de mesure et accessoires | |||
| - Ent magnetisierungs-Drossel | - Audio Millivolmeter/Electronic Voltmeter | - Démagnetiseur | |||
| - NF-Millivolmeter oder Röhrenvoltmeter | - Audio Generator | - Millivolmètre B.F. ou voltmètre à lamype | |||
| - NF-Generator | - Distortion Factor Meter | - Générateur B.F. | |||
| - Klirraktor-Messagerät | - Oscilloscope or Digital Counter | - Pont de distorsion | |||
| - Oszilskop oder Digital-Zähler(Counter) | - Wow and Flutter Meter | - Oscilloscope ou compteur digital | |||
| - Tonhöchshwankungsmesser | - 1000 Hz Bandpass Filter or Wave Analyzer | - Scintillomètre | |||
| Head Demagnetizer | |||||
| Testband:Zur Einpegelung der Aufnahme- und Wieder-gaberveränder wird in der nachfolgenden Ein-stellanleitung das REVOX-Testband als Bezugs-band verwendet.Dessen Spezifikationen sind nachfolgend festge-halten: | Calibration Tape:To adjust the performance of the playback-and record electronics, a REVOX calibration tape, as specified below, is used as a reference.The tape is recorded to the following specifi-cations: | Bande éton Pour le tarage des préamplis d'enregistrement et de lecture, il est recommendé de suivre les instructions de réglage et d'utiliser la bande éton "service REVOX", dont les specifications sont les suivantes: | |||
| LINE B.Ausgang | LINE Boutput | LINE BSortie | |||
| Bezugsgepel0 VU = 257 nWb/m ▷ 775 mV | Reference level0 VU = 257 nWb/m ▷ 775 mVFrequency response | Niveau de référence0 VU = 257 nWb/m ▷ 775 mV | |||
| 0 VU -20 dB = 25.7 nWb/m ▷ 77.5 mV | 0 VU -20 dB = 25.7 nWb/m ▷ 77.5 mV | 0 VU -20 dB = 25.7 nWb/m ▷ 77.5 mV | |||
| Alle NF- und HF-Messungen mit abgeschirmtenLeitungen vorhalten. | Use shielded cables for all audio and bias frequency measurements. | Toutes les mesures B.F. et H.F. doivent être réalisées avec l'aide de cables blindés. | |||
| Ent magnetisieren | Demagnetizing | Démagnetisation | |||
| Vor jeder Messung oder Einstellung mit laufenden Band sind die Tonköfe und Bandfuhrungen zu ent Magnetisieren. | Sound heads and tape guides are to be demagnetized prior to running the calibration tape, or before making any measurements or adjust-ments. | Il est très important de démagnetiser les têtes et les guides de bande avant de poser une bande de mesure sur l'appareil. | |||
| Starke Gleichfeld-Magnetisierungen verschl-term den Geräuschspannungsabstand und den Frequenzgang und konnen zudem bleibende Beschändigungen der Bezugsbänder verursachen. | A strong remanent magnetic field may cause permanent damage to the recording on the calibration tape, or it will at least cause a deterioration of the recorder's signal to noise ratio and frequency response performance. | De fortes inductions continues peuvent dégrader les caractéristiques du bruit de fond et de la course de réponse et risquènt de plus d'effacer partiellement les bandes éton. | |||

Fig. 5.2-1
5.2. Reglages du mecanisme 5.2.1. Préparations
Contrôler les tensions de l'alimentation stabilisée (+ 12.0 / - 12.0 / + 5.0). Les corrections peuvent être apportées à l'aide des potenti-métres R 14 (+ 12.0) et R 23 (- 12.0) se trouvant sur le print d'alimentation 1.067.160 (A4).
Remarque:
sur les illustrations suivantes, seuils sont imprimés les points de mesure et de réglages mentionnés.
5.2.2. Réglage de synchronisation du moteur du cabestan
- Commuter la machine sur 38~cm / s (15 ips) et presser la touche de lecture.
- Brancher un voltmetre universel (au moins 20 000 Ω/VDC) sur le point de mesure TP 1 du print de régulation 1.067.234/235 (voir Fig. 5.2.1).
Tournier lentement le potentiemetre R 32, jusqu'à ce que la touche "15" s'allume.
Bloquer la "cloche" du moteur du cabestan à la main et noter la valeur ainsi obtenu sur le voltmètre.
Si la machine s'est arrêtée, repeser la touche de lecture, relâcher le moteur et régler la tension avec le potentiamètre R 32 sur la moitié de la valeur de la mesure précédente.
Remarque:
Si I'on tourne le potentiometre R 32 à sa butée de droite, le moteur du cabestan tournera trop vite (U_TP1 = 0V)
A la butée de gauche, le moteur s'arrête (_TP1 = 4à 5V) et dans les deux cas la lampe de la touche "15" s'esteint.
5.2.3. Reglage des palpeurs
- Demonter la platine de recouvrement (voir chap. 3.2.3.).
Remonter les éléments de guidage. - Mettre une bande.

Fig. 5.2-2

Fig. 5.2-3
- Presser la touche de lecture.
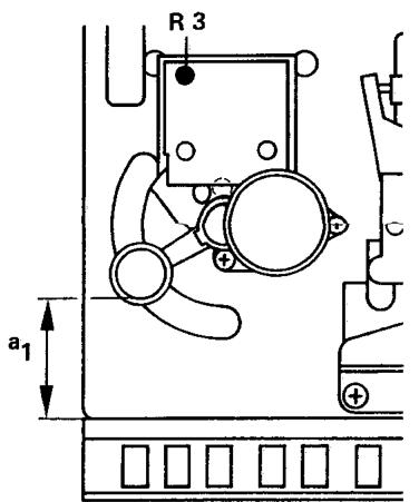
Palpeur gauche: régler le potentiamètre R 3 (Fig. 5.2. - 2) jusqu'à l'obtention d'un écart de 46mm . Entre la partie supérieure du rail de guidage des touches et le palpeur.
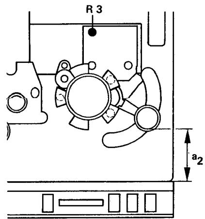
Palpeur croit: régler le potentiamètre R 3 (Fig. 5.2. - 3) jusqu'à l'obtention d'un écart de 50mm . Entre la partie supérieure du rail de guidage des touches et le palpeur.
Au cas où il ne serait pas possible d'obtenir ce réglage, il faudrait alors modifier la valeur de R 5 de 4.7k à 10k sur les prints de gauche (1.067.190) et droit (1.067.210).
5.2.4. Contrôle de la régulation des moteurs de bobinage
- Mettre une bande et rebobiner jusqu'à l'obtention d'une couche identique de bande sur les deux bobines.
- Brancher un oscilloscope double trace (Fig. 5.2. - 4): 1er canal, sur le point 8 (fil orange) du print de régulation A 8 (débteur), 2ème canal, sur le point 8 (fil noir) du print de régulation A 10 (récepteur).
- Presser la touche de lecture. On peut dire alors des signaux sinusoidaux en demi-alternance d'amplitude identique.

Fig. 5.2.-4
Fig. 5.2-5
Anmerkung:
Tout déplacement vertical du palpeur gauche ou droit provoque une modification de l'amplitude des signaux respectifs.
5.2.5. Verification du point de travail du phototransistor
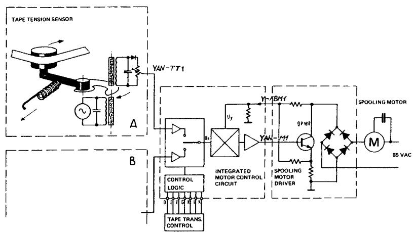
Par suite du large éventail des tolérances de ce photo—transistor, il est conseilé, après tout remplacement, de proceder au contrôle suivant: les points de mesure (A) et (B) se trouvent sur le circuit de commande 1.067.230 (A5).
Lorsque la cellule est éclairée, vous mesures au point (A) (QP-END) une tension continue de 4,5 V (Fig. 5.2.-5). La mesure est effectue avec un voltmètre universel de 20000 Ω /VDC.
En etat non éclaire (photo-transistor re couvert d'un capuchon), la tension mesurée sur la base du transistor Q1 tombe à 0 volt (PointB).
Remarque:
En utilisant des bandes relativement transparentes (telles que REVOX PE 36 RX), il est possible que la sensibilité du transistor soit trop grande: dans ce cas, il faut la réduire.
Sur le circuit de commande 1.067.230: réduire la valeur de la résistance R 9 de 33 k jusqu'à ce que la valeur mesurée au point Batteigne 300mV (Fig. 5.2. -5).
sur le circuit de commande 1.067.230 (1) / (2) :regler la tension en des sous de 300mV a I'aide du potentiometre R 69 (pointB Fig.5.2.-5).


Fig. 5.3-2
5.3. Réglages du pupitre de melange
5.3.1. Contrôle de l'amplifacteur d'entrée
- Placer les boutons de commande selon Fig. 5.3. -1.
Raccorder un millivoltmetre B.F. aux sorties LINE B (50) (Fig. 5.3. -2)
le générateur BF en parallele sur les entres AUX 1 (Fig. 5.3. -2),regler le niveau de sortie du generateur a 1000Hz de façon a dire 0,775 V sur le millivoltmetre B.F. Pour obtenir cette valeur, il faut injector un signal d'environ 20mV
Remarque:
Varier légèrement le niveau du générateur afin de compenser une éventuelle asymétrie des pré-amplificateurs au niveau de 0,775 V.
5.3.2. Tarage des VU-mêtres
- Placer les boutons de commande selon fig. 5.3. -3.
- Conserver le même niveau de sortie que pour le chap. 5.3.1. (1000 Hz, 0,775 sur la sortie LINE B).
- Tarer le VU-metre de gauche sur la valeur 0 VU à l'aide du potentiemetre ajustable METER CALIBRATION L qui se trouve sur le circuit 1.067.425 (voir fig. 5.3.-4).
Tarer VU-metre de droite sur la valeur 0 VU à l'aide du potentiemetre ajustable METER CALIBRATION R qui se trouve sur le circuit 1.067.425 (voir fig. 5.3.-4).

Fig. 5.3.-3

Fig. 5.3.-4

Fig.5.3-7
Fig. 5.3-5
| Bei der Eichung des VU-Meters immer senkrecht auf die Skala-Anzeige blichen. | When calibrating the VU-meters look at their scales directly from the front at an angle of 90° to their faces. | Pendant l'opération faire attention de bien regarder le VU-mètre perpendicular. |
| VU-Meter Anzeige nicht mehr verstellen. | The so obtained VU-meter calibration must not be altered any more. | Ne plus retoucher les réglages des VU-mêtres |
| 5.3.3. Kontrolle der Spitzenwert-Anzeige | 5.3.3. Sensitivity of Peak Level Indicators | 5.3.3. Contrôle de l'indicateur de pointes de modulation |
| Wird der Pegel um mehr als 6 dB erhöht müssen die Übersteuerungs-Anzeigelampen aufleuchten. Der Unterschied der Ansprechschwellen bisher Lampenarficht nicht grösser als 0.5 dB sein. | When raising the level by 6 dB, the peak level indicators must become illuminated. The threshold for both lamps should not differ by more than 0,5 dB. | En augmentant le niveau à partir de 0 dB de + 6 dB, les indicateurs de pointes de modulation doivent s'allumer. L'écart entre les seuils d'alumage ne doit pas dépasser 0,5 dB. |
| Anmerkung: Bei Maschinen mit VU-Meter Steckkarten 1.067.425-11, kann die Schwelle für jeder Kanal einzeln justiert werden. Die Justierung ist nur erforderlich, wenn die VU-Meter Steckkarte oder die Instrumente ausgewechselt wurden. Zugang zu den Einstellreglern nur bei ausgebautem Mischpult. Bei VU-Meter Steckkarten 1.067.425.01 ist die Spitzenwert-Anzeige fest eingestellt. | Note: On recorders equipped with VU-meter amplifiers 1.067.425-11 the threshold for peak level indication may be adjusted separately. Recalibration will be necessary only after either the VU-meters or the metering amplifiers had to be replaced. Access to the calibration controls is possible only after removal of the audio-mixer section. On VU-meter amplifiers 1.067.425.01 the peak indication threshold is set to a fixed value. | Remarque: Pour les machines qui sont équipées du circuit enchachievable 1.067.425-11, il est possible d'effectuer le tarage du seuil pour chaque canal séparément. Ce réglage n'est nécessaire que lorsqu'on change le circuit en question ou les VU-mêtres. L'accès aux réglages n'est possible qu'en sortant le bloc pupitre de melange. Sur le circuit VU-mètre (1.067.425.0) l'indicateur de pointes de modulation est fixe. |
| 5.3.4. Überprüfung von MONO - STEREO Umschaltung über Vorwahltasten | 5.3.4. Testing the MONO - STEREO Switching of the Preselector Buttons | 5.3.4. Vérification de la commutation MONO STEREO en actionnant les touches de préselection d'enregistrement |
| Bedienungselemente nach Fig. 5.3. - 6 einstellen. | - Set operating controls as per figure 5.3. - 6. | - Placer les boutons de commande selon fig. 5.3. - 6. |
| NF-Generator auf gleichem Pegel belas-sen (1000 Hz, 0,775 V am Ausgang). Anschluss AUX 1 (54) (Fig. 5.3. - 7) | - Adjust level of audio generator as under section 5.3.1. to obtain a signal level of 0,775 V/1000 Hz on the output (54). | - Conserver le même niveau à la sortie du générateur B.F. (1000 Hz, 0,775 V de sortie). Sur la prise AUX 1 (54) Fig. 5.3. - 7. |
Fig. 5.3-6

Fig. 5.3.-7

Fig. 5.3-8
-
Close fader INPUT LEVEL 1, L to position "0". Open fader INPUT LEVEL 1, R to position "10". Only the right-hand VU-meter will now read 0 VU.
-
Release record preselector button LEFT. Both VU-meters will read 0 VU.
-
Presser la touche de préselection d'enregistrement LEFT (gauche). Les deux VU-mêtres doivent indiquer 0 VU.
- Presser en plus la touche RIGHT (droite). Seul le VU-metre de gauche doit indiquer 0 VU.
- Placer le potentiemetre INPUT LVEL 1, R sur le bute "10". Seul le VU-metre de droite indique O VU.
- Declencher la touche de préselection d'enregistrement LEFT (gauche), les deux instruments doivent indiquer 0 VU.
5.3.5. Verification de la commutation MONOSTEREO en actionnant le commutateur de selection des canaux
- Placer les boutons de réglage selon fig. 5.3.-8.
- Conserver le même niveau du générateur B.F. (1000 Hz 0,775 V) sur la prise AUX 1 (54) fig. 5.3. -7.
Seul le VU-metre de droite indique 0 VU. - Mettre le selecteur de mode sur "L", les deux VU-mètres doivent être déclenchés.
Enmettantleselecteurdemode sur R",lesdeuxVU-metreindiquent0VU.
Sur MONO, les deux VU-mêtres -6 VU.
Pousser le potentiometre INPUT LEVEL 1, L jusqu'à sa butée "10". Laisser le potentiometre INPUT LEVEL 1, R à sa butée "0", les deux VU-mêtres indiquent -6 VU. - Placer le sélecteur de mode sur "R": les deux VU-mètres sont déclenchés.
Sur "L" les deux VU-mêtres doivent indiquer 0 VU.
Sur STEREO, seuI le VU-metre de gauche indique O VU.

Fig. 5.3-9

Fig. 5.3-10
5.3.6. Vérification de la courbe de réponse "sans bande".
- Placer les boutons de réglage selon fig. 5.3.-9.
- Brancher le générateur B.F. en parallele sur les entrées AUX 1 (54) (fig. 5.3. - 10).
Raccorder un millivoltmetre B.F. sur la sortie LINE B 50 - faire varier la fréquence du générateur de 30 - 20000Hz et noter les écarts de niveaux (tolerance: +0dB / -1dB ).
Effectuer ce contrôle sur les deux canaux.
5.3.7. Mesure du bruit de fond
Pour la partie "INPUT" du p UIPre de melange. Placer les boutons de commande selon fig. 5.3.-11.
- Brancher un millivoltmetre B.F. à la sourtie LINE B (50) (fig. 5.3. - 10).
La valeur du bruit de fond doit être au minimum de 88 dB. (valeur non pondérée prise par rapport à un flux enregistré sur bande de 514 nWb/m. = 1.55 V) sur la sortie (49) ou (50) (Fig. 5.3. - 10).
La mesure doit être effectue sur les deux canaux.

Fig. 5.3-11


Fig. 5.4.-1
Fig. 5.4-2
5.4.1. Réglage grossier de l'azimut de la tête de lecture
Contrôr si l'entre-fer est bien centré sur la surface de contact avec la bande.
Faire un trait horizontal sur chaque piste avec un crayon gras, puis passer une bande usageée quelques secondes afin d'effacer la marque sur le point de contact. A l'aide d'une loupe, contrôle que l'entrefer se trouve bien centré sur les deux parties effacées.
- Placer les boutons selon fig. 5.4. -1.
- Mettre sur l'appareil une bande etalon de 19 cm/sec. sur la partie réservée à l'azimut (10 kHz).
Raccorder un millivoltmetre B.F. sur la sortie LINE B (50) (fig.5.4.-2).
- Presser la fonction PLAY et effectuer le réglage de l'azimuth avec la vis "imbus" P jusqu'à l'obtention d'un signal de sortie maximum (Fig. 5.4. - 3).
5.4.2. Niveau de reference à partir de la bande étalon (REVOX-Bande étalon Art. Nr. 46001)
- Placer les boutons selon la fig. 5.4. -1.
- Brancher un millivolmtetre B.F. sur la sortie de LINE B (50) (Fig. 5.4. -2) Echelle 1 V.
Bobiner la bande etalon sur la partie niveau de reference (257 nWb/m.). - Presser la fonction PLAY.

Fig. 5.4-3

Fig. 5.4-4

Fig. 5.4-5
Avec le potentiemetre de reglage REPRODUCE LEVEL LEFT (sur I'arriere de I'appareil, centre croit) obtenir une tension de sortie de 0,775 V (fig. 5.4. -4).
- Placer le commutateur de mode sur "R".
- Brancher le millivoltmetre B.F. sur le sortie LINE B droite (50) (fig. 5.4. - 5).
Effectuer le réglage de REPRODUCE LEVEL RIGHT pour obtenir également 0,775 V. (Fig. 5.4. -4).
5.4.3. Réglage fin de l'azimuth de la tête de lecture (methode de la phase)
Pour effectuer un réglage fin de l'azimuth par la méthode de la phase, il est absolument nécessaire de procéder auparavant au réglage décrit au chap. 5.4.1. si I'on peut éviter d'avoir une erreur de 90^
- Placer les boutons de réglage selon la fig. 5.4. -6.
Rebobiner la bande etalon sur la partie destinée au réglage de l'azimut (10 kHz).
Raccorder le millivoltmetre B.F. sur la sortie LINE B (Fig. 5.4. - 5). (LEFT et RIGHT en parallele).
Passer en lecture et effectuer le réglage fin (très pointu) afin d'obtenir un signal maximum de sortie à l'aide de la vis (voir Fig. 5.4.-7).
Bloquer la vis avec une goutte de vernis.

Fig. 5.4-6

Fig. 5.4-7


Fig. 5.4-8
Fig. 5.4.-9
5.4.4. Mesure de la coube de réponse d'après la bande étalon
- Placer les boutons de commande selon la fig. 5.4. -8.
- Placer la bande etalon sur l'appareil et la bobiner jusqu'au début de la partie courbe de reponse en veillant d'enclenger la vitesse correspondante.
- Brancher un millivolmtetre B.F. sur la sortie LINE B (50) (Fig. 5.4. - 9) LEFT et RIGHT en parallele.
Il est possible de contrôler alternatively la courbe de réponse sur les deux canaux en commutant "L"/"R".
5.5. Réglages de l'enregistrement
5.5.1. Vérification de la tension et de la fréquence H.F.
- Placer les boutons de commande selon Fig. 5.5. -1.
- Placer une bande vierge (REVOX 601) sur l'appareil et enclencher la fonction enregistrement.
Tension d'effacement:
- Mesurer la tension d'effacement, sur la tete d'effacement à l'aide d'un voltmètre électronique.
$$ \left. \begin{array}{l} {\mathrm {L}: \text {g e l b - s c h w a r z} } \ {\mathrm {R}: \text {g r u n - s c h w a r z} } \end{array} \right} \text {j e} 3 2 \mathrm {V} $$
$$ \left. \begin{array}{l l} (\mathrm {L}: \text {y e l l o w} & \cdot \quad \text {b l a c k}) \ (\mathrm {R}: \text {g r e e n} & \cdot \quad \text {b l a c k}) \end{array} \right} 3 2 \mathrm {V} $$
$$ \left. \begin{array}{c c c} (L: \text {j a u n e} & - & \text {n o i r}) \ (R: \text {v e r t} & - & \text {n o i r}) \end{array} \right} 3 2 V $$

Fig. 5.5-1

Fig. 5.5-2

Fig. 5.5-3
Oszillatorfrequenz
Frequence de l'oscillateur:
- Placer une bande et presser la fonction enregistrement.
La fréquence de l'oscillateur peut être mesurée sur la tête d'effacement à l'aide d'un compteur digital ou d'un oscilloscope.
Le fréquence est de 150kHz± 5kHz
Sur l'oscilloscope ont doit obtenir 15 alternances par 100 s
Les mesures suivantes doivent être effectuées avec un niveau d'enregistrement de -20 dB par rapport à 0 dB VU (pour éviditer toute saturation des fréquences aigues).
- Placer les boutons de commande selon la fig. 5.5. -2.
- Brancher un millivoltmetre B.F. à la sortie LINE B (50) (Fig. 5.5. - 3). Sensibilité 100mV .
Raccorder un générateur B.F. en paralle sur l'entrée AUX 1 (54) (Fig. 5.5. - 3). Tarer la tension de sortie du générateur à 1000Hz de façon a obtaining une lecture de 77,5mV sur le millivoltmetre.
5.5.3. Réglage grossier de l'azimut de la tete d'enregistrement
- Placer les boutons de commande selon la fig. 5.5. -4.

Fig. 5.5-4


| Type of tape Bandsorte Type de bande | SLOW 3 3/4 ips | MEDIUM 7 1/2 ips | FAST 15 ips |
| REVOX PE 36 RX | |||
| REVOX 601 AGFAPE 36 BASF PES (LH) SCOTCH 202/203 | 5 dB | 4 dB | 3 dB |
Fig. 5.5-5
Fig. 5.5-6
- Commuter le générateur B.F. sur 10 kHz (voir les préparats au chapitre 5.5.2.)
- Placer une bande non enregistrée (REVOX 601) et presser la fonction enregistrement.
Tourner la vis de réglage (R) jusqu'à l'obtention d'un signal de sortie maximum (Fig. 5.5. - 5). (Tenir compte du décalage des têtes pour l'appréciation du réglage, tourner la vis doucement).
Comme le courant de prémagnetisation provoque une courbe dont le maximum est très pointu influençant ainsi le niveau de reproduction des hauteures féquences, il est possible de fixer de façon précise son point de travail.
Les conditions de mesure restent les mêmes qu'au chapitre 5.5.3. (10 kHz - 26 dB en dessous de 0 dB VU).
Les potentiamétres de réglage BIAS LEFT et RIGHT, SLOW, MEDIUM, FAST (Fig. 5.5. - 8) doivent être tournés dans le sens des aiguilles d'une montre jusqu'à l'obtention d'une tension de sortie B.F. maximum. (Le sélecteur de mode alternativement sur "L" / "R" sur les trois vitesses respectivement 3 3/4, 7 1/2 et 15.).
Repérer le point maximum et tourner le potentiametre toujours dans le même sens, jusqu'à ce que la chute de tension de sortie B.F. corresponde aux valeurs indiquées sur la tabelle 5.5.-7 (△U).

Fig. 5.5-9

Fig. 5.5-10
5.5.5. Niveau d'enregistrement
- Placer les boutons de commande selon la fig. 5.5. -9.
- Les niveaux des préamplificateurs de lecture doivent être préalablement ajustés (chap. 5.4.2.).
- Brancher le générateur B.F. en parallele sur les entrées AUX 1 (54) (Fig. 5.5. - 10).
- Connecter un millivoltmetre B.F. sur les sortie LINE B (50) (Fig. 5.5. - 10). Echelle 1 V.
- Placer une bande non enregistrée (REVOX 601) sur l'appareil et presser la fonction enregistrement.
- Regler le niveau de sortie du générateur à 500 Hz, de façon à dire une tension de 775 mV sur le millivoltaire.
- Mettre le commutateur "INPUT-TAPE" sur "TAPE".
A l'aide des potentiometres de réglage RECORD LEVEL LEFT et RIGHT tarer le signal sur le même niveau (Fig. 5.5. - 11). Commuter alternatively le commutateur de mode sur "L" et "R".
Contrôle: s'assurer qu'il n'y a aucune différence de niveau entre "TAPE" et "INPUT".
Pour les vitesses de 9,5 cm/s. (3 3/4") ainsi que de 38 cm/s. (15"), la tolérance est de ± 1 dB.

Fig. 5.5-11

Fig. 5.5-12

Fig. 5.5-13
5.5.6. Préaccentuation d'enregistrement
- Placer les boutons de commande selon fig. 5.5. -12.
Raccorder le millivoltmetre B.F. sur la sortie LINE B (50), (LEFT et RIGHT en paralèle).
Tarer le niveau du générateur de façon a obtenir -26 dB VU à 12 kHz. (Entree AUX 1 54), en parallele).
Tarer le niveau de sortie aux vitesses correspondantes EQUALIZATION, SLOW, MEDIUM, FAST (voir Fig. 5.5. -13) afin d'obtenir 77.5mV = 0dB (jusqu'a 1 dB).
- Placer le sélecteur de mode sur "R".
Effectuer le réglage sur le canal droit.
Anmerkung:
En passant d'une vitesse à l'autre, il est conseilé de retarder le niveau 0 dB à 500 Hz avant d'effectuer le tarage à 12 kHz.
5.5.7. Réglage fin de l'azimut de la tête d'enregistrement
- Placer les boutons de commande selon la fig. 5.5. -14.

Fig. 5.5-14

Fig. 5.5-15

Fig. 5.5-16
Raccorder le millivoltmetre B.F. sur la sortie LINE B (50), (LEFT et RIGHT en parallele).
- Mettre une bande non enregistrée et passer en fonction d'enregistrement.
Effectuer le réglage fin avec la vis (R) (Fig. 5.5. - 15) jusqu'à l'obtention d'un signal de sortie maximum. Tener compte du décalage duaux têtes pour la lecture. Commuter sur MONO et régler la phase.
Pour éviter un déphasage >90^ il est absolutment indispensable de proceider aparavant comme indiqué au chapitre 5.5.3.
Contrôle:
Commuter le générateur sur une fréquence plus basse, le niveau doit rester constant. Au cas où une différence noitoire apparait, refaire les réglages depuis le chapitre 5.5.6.
Bloquer la vis de réglage avec un vernis.
5.5.8. Courbe de réponse "avec bande"
- Placer les boutons de commande selon la fig. 5.5. - 16.
Laisser le générateur sur le même niveau que precedement.
TaragedumillivoltmetreB.F.
Faire varier le niveau de sortie du générateur afin d'obtenir un point de repère facile à la lecture (par ex - 5 dB au milieu de l'échelle sur unequelconque unité en dB).

Fig. 5.6-1

Fig. 5.6-2
- Contrôr les courbes de réponse sur les 3 vitesses. En commutant tantôt sur "L" ou sur "R", il est possible de contrôrler les deux canaux.
Composer les valeurs avec le tableau des caractéristiques techniques.
5.6. Mesure de différentes caractéristiques
5.6.1. Distorsion "avec bande"
- Placer les boutons de réglage selon la fig. 5.6.-1.
- Connecter le générateur B.F., régle sur 500Hz et remonter son niveau de sortie à +6 dB VU (limite d'allumage des indicateurs de pointe).
- Brancher un distorsiometre sur la sortie LINE B (50) (Fig. 5.6. - 2).
- Placer une bande non enregistrée (REVOX 601) et passer en fonction enregistrement.
- Mesurer la distorsion en commutant alternativement sur les positions "L" et "R". Voir les valeurs admissibles sur la tabelle 5.6. -3.

Tab. 5.6-5
Fig. 5.6-4
| 38 cm/s (15 ips) | 19 cm/s (7 1/2 ips) | 9.5 cm/s (3 3/4 ips) |
| >65 dB | >66 dB | >63 dB |
5.6.2. Bruit de fond "avec bande"
Le recul du bruit de fond se refere au niveau maximum admissible (514 nWb/m, 1,55 V). Afin de ne pas fausser la mesure par des inductions parasites H.F. il faut utiliser une bande effacée.
- Placer les éléments selon la fig. 5.6. -4.
- Brancher un millivoltmetre B.F. sur la sortie LINE B, LEFT (50) (Fig. 5.6. - 6).
Presser la touche de lecture. - Mesurer le recul de bruit de fond du canal gauche.
Tourner le commutateur de mode sur "R".
Faire la même mesure sur le canal droit.
Répéter les mêmes mesures sur les trois vitesses.
Les valeurs effectives (pondérées, ASA A) sont visibles sur la tabelle 5.6. - 5.
Si il n'est pas possible d'atteindre ces valeurs, demagnetiser les têtes et les guides de bande.

Fig. 5.6.-6

Fig. 5.6-7
AUX
TAPE

Fig. 5.6-8
Les mesures suivantes:
Profondeur d'effacement
Diaphonie-MONO
Diaphonie-STEREO
ne peuvent être effectues qu'avac un millivolmt-metre selectif (dans le cas particulier largeur de bande 100Hz à 1000Hz ).
5.6.3. Profondeur d'effacement
Pour mesurer la profondeur d'effacement d'après la méthode sélective, il faut enregister une fréquence de 1000Hz puis l'effacer en lisant le résultat sur un millivoltmètre au travers d'un filtrte passée-bande accordé sur 1000Hz . Cela permet de mesurer uniquement les tensions résiduelles.
- Placer les boutons de commande selon la fig. 5.6. -7.
- Brancher un voltmetre sur la sortie LINE B 50.
- Régler le générateur B.F. sur 1000 Hz (0 dB + 6 dB VU).
- Placer une bande non enregistrée (REVOX 601) et passer en enregistrement.
STOP, revenir en arrêté.
- Placer le potentiemetre RECORD MASTER sur "0".
Passer en fonction enregistrement et mesurer la profondeur d'effacement.
Le résidu doit correspondre à 75 dB au—dessous du niveau +6 VU.
- Mettre le selecteur de mode sur "R" et repeter la meme mesure.
Pour effectuer cette mesure, il est nécessaire d'enregistrerAAParavant une fréquence de 1000Hz à +6 dB VU sur le canal gauche L pendant 1 minute, puis enchainer le même enregistrement sur le canal droite R. Pendant ces opérations, il faut naturellement déclencher la touche de sélection du canal non utilisé.

Fig. 5.6-9
AUX
TAPE

Fig. 5.6-10
- Placer les boutons de commande selon la fig. 5.6. -9.
- Brancher le générateur B.F. sur 1000 Hz +6 dB VU.
Passer fonction enregistrement. - Àpres environ 1 minute, déclencher la touche de préselection d'enregistrement LEFT,mettre le potentiemetre INPUT LEVEL 1,LEFT sur "0". Presser la touche RIGHT etmettre le potentiemetre INPUT LEVEL 1RIGHT sur "10".
-Aprés environ 1 autre minute, presser la fonction STOP et revenir au début. - Brancher le voltmetrelectronique selec-tif sur la sortie LINE B, RIGHT (50) (Fig. 5.6. - 10).
Passer en lecture. A l'aide du potenti-metre CROSSTALK (voir fig. 5.6. - 11) obtenir la valeur la plus satisfaisante.
Bobiner et rechercher le début du canal droite RIGHT. - Brancher le voltmetrelectronique selec-tif sur la sortie LINE B, LEFT 50 (Fig. 5.6.-10).
Metre le commutateur de mode sur "L".
Passer en lecture. A l'aide du potentio-metre CROSSTALK corriger la diaphonie R L si besoin est.
Si les corrections s'avent importantes, refaire les mesures de diaphonie et régler sur une valeur moyenne.


Fig. 5.6-13
Avant de procesder à la mesure de la diaphonie stéreo, il est indispensable d'effectuer la mesure et le réglage de la diaphonie mono.
A la mesure, suivant le potentiemetre CROSSTALK ne doit plus etre touche.
Brancher un générateur B.F. en parallele sur les entrées AUX 1 (54) (Fig. 5.6. - 13). Le potentiamètre d'entrée du canal mesure doit être fermé.
- Placer les boutons de commande selon la fig. 5.6. -12.
Mesure L R (gauche vers droit)
Brancher un millivoltmetre B.F. selec tif sur la sortie LINE B, RIGHT 50 (Fig. 5.6.-13).
- Regler le générateur B.F. sur 1000 Hz, de façon à obtaining 0dB + 6dB VU.
Passer en fonction enregistrement.
Effectuer la mesure de diaphonie.
La valeur doit etre de plus de 45 dB en dessous de +6 dB VU.
Mesure R L (droite vers gauche)
Raccorder un millivoltmetre selec tif B.F. sur la sortie LINE B, LEFT 50 (Fig. 5.6.-13).
- Mettre le potentiemetre INPUT LEVEL 1, LEFT sur "O".
et le potentiometre INPUT LEVEL 1, RIGHT sur "10".
- Mesurer la diaphonie.
La valeur doit être de plus de 45 dB en dessous de +60 dB VU.


Fig. 5.7-2
5.7. Contrôle du niveau de sortie
- Placer les boutons de commande selon la fig. 5.7. -1.
- Brancher un millivoltmetre B.F. sur la sortie LINE B (Fig. 5.7. - 2) alternatively left et RIGHT.
- Régler le générateur sur 500 Hz de façon à Obtir + 6 dB VU.
- Placer une bande non enregistrée sur le magnétophone et passer en fonction enregistrement.
Le niveau ne doit pas varier de plus de ± 1 dB lorsque l'on commute les fonctions suivantes: INPUT TAPE, STEREO/L/R/MONO.
Anmerkung:
A la vitesse de 19~cm / sec 71/2") il ne doit y avoir aucune différence de niveau lorsqu'on commute INPUT TAPE. Voir a ce sujet le chapitre 5.5.5.: niveau d'enregistrement.
5.8. Complément de mesure sur le pupitre de mélange
Ces contrôles ne sont pas indispensablees pour les mesures de l'enregistrement et de la lecture.
5.8.1. Contrôle du préampli-phono
- Placer les boutons de commande selon la fig. 5.8. -1.
Raccorder un millivoltmetre B.F. sur la sortie LINE B (50) (Fig. 5.8. -2). Echelle 3 V. - Brancher le générateur B.F. sur l'entrée Phono magnétique (53) (Fig. 5.8. -2).
Fréquence: 1000 Hz
Niveau: 3 mV
Réduire le niveau par le potentiametre d'entrée.
INPUT LEVEL 1 Let
INPUT LEVEL 1 R de 20 dB.
Chercher un point de reference sur le millivolt-metre.

Fig. 5.8-1
PHONO
INPUT

Fig. 5.8-2
| - Frequenzgang durchmessen und Aus-gangspegel nach folgender Tabelle kontrollieren: | - Measure frequency response by compa-ring the output levels with the following table: | - Mesurer la courbe de réponse en tenant compte de la tabelle ci-dessous: | |||||
| Generator-Frequency | Ausgangs-Pegel (dB) | Generator Frequency | Output Level (relative dB) | Fréquence du générateur | Niveau de sortie (dB) | ||
| 1 kHz | 0 | geeicht | 1 kHz | 0 | Reference | 1 kHz | 0 référence |
| 30 Hz | + 18.6 | 30 Hz | + 18.6 | 30 Hz | + 18.6 | ||
| 125 Hz | + 11.6 | 125 Hz | + 11.6 | 125 Hz | + 11.6 | ||
| 500 Hz | + 2.6 | ± 0.7 dB | 500 Hz | + 2.6 | ± 0.7 dB | 500 Hz | + 2.6 |
| 4 kHz | - 6.6 | 4 kHz | - 6.6 | 4 kHz | - 6.6 | ||
| 10 kHz | - 13.7 | 10 kHz | - 13.7 | 10 kHz | - 13.7 | ||
| 18 kHz | - 18.7 | 18 kHz | - 18.7 | 18 kHz | - 18.7 | ||
5.8.2. Contrôle des correcteurs de tonalité
- Placer les boutons de commande selon la fig. 5.8. -3.
- Placer les boutons de tonalité TREBLE et BASS sur la position du milieu.
Raccorder un millivoltmetre B.F. sur la sortie TO POWER AMPLIFIER (Fig. 5.8.-2).
- Brancher un générateur B.F. aux entrées AUX 1 (54) (Fig. 5.6. -2).
Niveau: env. 40mV
Fréquence: 8 kHz
- Regler le générateur de façon à obtenir un point de reférence sur l'échelle en dB du millivoltmètre.
Proceder au contrôle du correcteur d'aigus TREBLE par pas de 2 dB.

Fig. 5.8-3
| Klangregler-schalter | Generator-Frequency | Pegelsprung pro Schalterstufe ± Tolerance | Endstellung ± Tolerance | Bemerkungen |
| Tone Control | Generator Frequency | Level Change per step ± Tolerance | Endposition ± Tolerance | Notes |
| Correcteur de tonalité | Fréquence du générateur | Ecart de niveau par pas | Tolerance des extremités ± | Remarques |
| TREBLE | 8 kHz | 2 dB ± 0.4 dB | +8 dB ± 1 dB -8 dB ± 1 dB | - TREBLE-Regler bleibt in Mittenpos-sition. - TREBLE control remains in Pos. "0". - correcteur d'aignes reste sur 0 |
| - Frequenz am Generator auf 80 Hz ein-stellen und Millivoltmeter auf Referenzwert eichen. - Kontrolle des BASS-Klangreglers in 2 dB-Stufen vornehmen. - Correct audio generator output level to obtain a convenient reference deflection (e.g. -5 dB) on the audio millivoltmeter within its required sensitivity range. - Check performance of tone control TREBLE in 2 dB steps. - Régler le générateur sur 80 Hz et obtenir un point de reférence sur l'échelle en dB du voltmètre. - Proceder au contrôle du correcteur de graves BASS par pas de 2 dB. | ||||
| BASS | 80 Hz | 2 dB ± 0.4 dB | +8 dB ± 1 dB -8 dB ± 1 dB | - Bass-Regler bleibt in Mittenposition - BASS control remains in Pos. "0". - Correcteur de graves reste sur 0 |
5.8.3. Caracteristiques B.F. du puple de mélange A 700
| Eingang Input Entrée | Pegel für Vollaussteuerung Level for peak recording level Niveau de modulation maximum 0 VU + 6 dB | Abschlusswiderstand für Fremdspannungs-Messung Terminal impedance for ext. voltage measurement Résistance terminale pour la mesure tension de bruit | Fremdspannungs-Abstand bezüglich Vollaussteuerung Δ Signal/Noise ratio to peak recording level Δ Rapport signal/bruit pondéré modulation maximum Δ |
| AUX 1,2 | ~ 42 mV (40 ... 44 mV) | 10 kΩ | ≥ -70 dB |
| RADIO | ~ 3 mV (3 ... 3,5 mV) | offen, open, ouvert | ≥ -58 dB |
| PHONO | ~ 3 mV* (2,9 ... 3,1 mV) | 2,2 kΩ | ≥ -65 dB |
| MIC HI 1,2 | ~ 1,8 mV (1,8 ... 2 mV) | 200 Ω | ≥ -70 dB |
| MIC LO 1,2 | ~ 0,15 mV (0,14 ... 0,17mV) | 200 Ω | ≥ -49 dB |
- bei 1 kHz, Frequenzgang nach RIAA entzerrt to 1 kHz, frequency response equalized as per RIAA à 1 kHz, courbe de réponse avec correction RIAA
Mess-Bandbreite = 30~kHz ,Fremdspannungs-Abstand bei geschlossenem Summenregler ≥ -80 dB Measure bandwith = 30~kHz , Signal to noise ratio to closed master fader ≥ -80 dB Largeur de bande de mesure = 30~kHz Rapport signal/bruit avec la reglage de somme a zero ≥ 80 dB
| Ausgang Output Sortie | Pegel bei Vollaussteuerung Level to peak recording level Niveau de modulation maximum 0 VU + 6 dB | relativer Ausgangspiegel relative Outputlevel Niveau de Sortie relatif |
| LINE A | 1,55 V ± 0,7 dB □ | + 6 dB |
| LINE B | 1,55 V ± 0,7 dB □ | + 6 dB |
| RADIO (DIN) | 0,775 V ± 0,7 dB □ | 0 dB |
| TO POWER AMP | 3,1 V ± 0,7 dB □ | + 12 dB |
| PHONES | 4,9 V ± 0,7 dB □ | + 16 dB |
5.9. Pleurage et scintillage
Les caractéristiques techniques se rapportant au pleurage et au scintillage ont été mesurées d'après DIN 45507.
6. Ersatzteil-Liste
6. Lieste des pieces détachées
A Support des têtes
B Agregat galet presseur
C Agregat des freins
D Palpeurs
E Moteur de bobinage
F Moteur de cabestan

| Index Index Index | Anzahl Quantity Quantité | Bezeichnung Description Désignation | Artikel Nr. Article Nr. Numéro d'article | Bestell Nr. Order Nr. Numéro de commande |
| A | Kopfträger Tape Head Assembly Support des têtes | |||
| 1 | Kopfträger kompl. 2-Spur Stereo Tape Head Assembly, compl. 2-track Stereo Chássis de défilament 2-pistes stéreo | 1.020.822 | 73 728 | |
| 1 | Kopfträger kompl. 4-Spur Stereo Tape Head Assembly, compl. 4-track Stereo Chássis de défilament 2-pistes stéreo | 1.020.824 | 73 729 | |
| 1 | 1 | Kopfträgerchassis Tape Head Chassis Bloc des têtes | ||
| 2 | 1 | Abschalterprint kompletT End-of-Tape Circuit Board, complete Plaque d'arrêt automatique | 1.020.804 | 73 724 |
| 3 | 1 | Signallampe Light Bulb Lampe tímoin | 51.02.0140 | 70 437 |
| 4 | 1 | Unterlagsscheibe Washer Rondelle | 24.16.1030 | 70 143 |
| 5 | 1 | Schraube Screw Vis | 21.26.0354 | 73 411 |
| 6 | 2 | Schieber genietet Slider, riveted Glissière rivée | 1.020.803 | 73 590 |
| 7 | 2 | Zug feder Tension Spring Ressort | 1.020.820-17 | 73 588 |
| 8 | 2 | Unterlagsscheibe Washer Rondelle | 24.16.1030 | 70 143 |
| 9 | 2 | Schraube Screw Vis | 21.26.0357 | 73 413 |
| 10 | 2 | Schiebergehause Slider Housing Guide de glissière | 1.020.820-03 | 73 584 |
| 11 | 2 | Halter Clamp Support | 1.020.820-04 | 73 585 |
| 12 | 1 | Beruhigungswolle kompletIdler complete Tambour amortisseur | 1.020.806 | 73 592 |
| 13 | 1 | Zugfeder Tension Spring Ressort de compression | 1.020.820-16 | 73 587 |
| 14 | 1 | Unterlagsscheibe Washer Rondelle | 23.01.3032 | 70 129 |
| 15 | 1 | Sicherungsscheibe Lock Washer Rondelle Grower | 24.16.1030 | 70 143 |
| 16 | 1 | Schraube Screw Vis | 21.26.0354 | 73 411 |
| 17 | 4 | Bandführungsbolzen Tape Guide Pin Pivot de guidage | 1.020.820-07 | 73 727 |
| 18 | 4 | Druck feder Pressure Spring Ressort | 1.020.820-12 | 73 586 |
| 19 | 8 | Führungsscheibe Guide Disk Flasque de guidage | 1.077.145-01 | 72 250 |
| 20 | 4 | Distanzüle Spacer Entretoise | 1.077.145-02 | 72 251 |
| 21 | 4 | Schlitzmutter Slotted Nut Ecrou fendu | 1.010.025-22 | 73 579 |
| 22 | 1 | Kopfattrappe Dummy Head Simulator de tête | 1.020.820-18 | 73 589 |
| 23 | 1 | Unterlagsscheibe, massiv Cup Washer Rondelle épaissé . | 1.010.003-23 | 71 005 |
| 24 | 1 | Schraube Screw Vis | 21.26.2456 | 73 444 |
| 25 | 2 | Klemmhülse Snap Socket Douille de fixation | 1.077.100-05 | 72 207 |
| 26 | 2 | Klemmhülse komplett Snap Socket, complete Douille de fixation complète | 1.077.115 | 72 224 |
| 27 | 3 | Schraube Screw Vis | 21.26.0354 | 73 411 |
| 28 | 1 | Anschlusskabel Connecting Cable Prise de raccordement | 1.020.805 | 73 591 |
| 29 | 4 | Schaube Screw Vis | 21.01.0280 | 73 443 |
| 30 | 1 | Unterlagsscheibe Washer Rondelle | 24.16.1025 | 73 425 |
| 31 | 2 | Distanzstück Spacer Entretoise filtée | 1.010.046-27 | 73 580 |
| 32 | 1 | Schaube Screw Vis | 21.26.0455 | 73417 |
| 33 | 1 | Sicherungsscheibe Lock Washer Rondelle Grower | 24.16.1040 | 70 144 |
| 34 | 1 | Distanzstück Spacer Entretoise | 1.116.098-02 | 73 280 |
| 35 | 1 | Löschkopf 2-Spur Erase Head 2-track Tête d'effacement 2-pistes | 1.116.098-01 | 73 278 |
| 35 | 1 | Löschkopf 4-Spur Erase Head 4-track Tête d'effacement 4-pistes | 1.116.099-01 | 73 279 |
| 36 | 1 | Schaube spezial Screw, special Vis spéciale | 1.077.130-02 | 72 242 |
| 37 | 1 | Unterlagsscheibe Washer Rondelle | 1.017.250-02 | 73 583 |
| 38 | 1 | Aufnahmekopf 2-Spur Record Head 2-track Tête d'enregistrement 2-pistes | 1.116.022 | 73 255 |
| 38 | 1 | Aufnahmekopf 4-Spur Record Head 4-Spur Tête d'enregistrement 4-pistes | 1.116.042 | 73 267 |
| 39 | 1 | Abschirmdeckel Head Housing, outer Blindage extérieur | 1.077.155-05 | 72 258 |
| 40 | 1 | Abschirmgehäuse Head Housing, inner Blindage intérieur | 1.077.155-06 | 72 259 |
| Index Index Index | Anzahl Quantity Quantität | Bezeichnung Description Désignation | Artikel Nr. Article Nr. Numéro d'article | Bestell Nr. Order Nr. Numéro de commande |
| 41 | 2 | Kopfträgerplatte komplett Head Mounting Plate, complete Plaque de base complète | 1.020.801 | 73 722 |
| 42 | 2 | Unterlagsscheibe Washer Rondelle | 23.15.1032 | 73 439 |
| 43 | 2 | Schraube Screw Vis | 21.99.0118 | 70 087 |
| 44 | 2 | Sicherungsscheibe Lock Washer Rondelle Grower | 24.16.1030 | 70 143 |
| 45 | 4 | Schraube Screw Vis | 21.26.0354 | 73 411 |
| 46 | 4 | Sicherungsscheibe Lock Washer Rondelle Grower | 24.16.1030 | 70 143 |
| 47 | 1 | Wiedergabekopf 2-SPur Playback Head 2-track Tête de lect. 2-pistes | 1.116.027 | 73 257 |
| 47 | 1 | Wiedergabekopf 4-SPur Playback Head 4-track Tête de lect. 4-pistes | 1.116.047 | 73 269 |
| 48 | 2 | Sicherungsscheibe Lock Washer Rondelle Grower | 24.16.1020 | 70 141 |
| 49 | 2 | Schraube Screw Vis | 21.01.0202 | 73 442 |
| 50 | 4 | Madenschraube Set Screw Vis pointeau | 21.18.6354 | 70 081 |
| 51 | 1 | Abschirmung komplett Shielding Lid, complete Volet de blindage complet | 1.020.807 | 73 593 |

| Index Index Index | Anzahl Quantity Quantité | Bezeichnung Description Désignation | Artikel Nr. Article Nr. Numéro d'article | Bestell Nr. Order Nr. Numéro de commande |
| B | Andruckaggregat Pinch-Roller Mechanism Agrégat galet presueur | |||
| 1 | Andruckaggregat komplett Pinch-Roller Mechanism, cplt. Agrégat galet presueur complet | 1.067.170 | 73 768 | |
| 1 | 1 | Andruckarm Pinch-Roller Arm Bras presueur | 1.067.175 | 73 778 |
| 2 | 1 | Rollenachse Roller Shaft Axe du galet presueur | 1.067.170-10 | 73 775 |
| 3 | 1 | Sicherungs-Scheibe Lock Washer Rondelle Grower | 24.16.1040 | 70 144 |
| 4 | 1 | Sechskant-Mutter M4 Hexagonal Nut M4 Ecrou six-pans M4 | 22.01.5040 | 73 446 |
| 5 | 1 | Andruckrolle Pinch-Roller Galet presueur | 1.067.178 | 73 779 |
| 6 | 1 | Deckel Screw-on Cap Capuchon | 1.067.119 | 73 760 |
| 7 | 1 | Andruckmagnet Pinch-Roller Solenoid Electro-aimant presueur | 1.014.715 | 73 721 |
| 8 | 1 | Anker kompl. mit Bügel Plunger cplt. with Clevis Noyau plongeur compl. avec étrier | 1.067.173 | 73 767 |
| 9 | 1 | Zugfeder Tension Spring Ressort de traction | 1.080.125-04 | 73 773 |
| 10 | 1 | Bolzen Pin Clavette | 1.067.170-11 | 73 776 |
| 11 | 2 | Wellensicherung Retaining Clip Circlips | 24.16.3040 | 70 149 |
| 12 | 1 | Achse Shaft Axe | 1.067.170-05 | 73 772 |
| 13 | 1 | Sicherungs-Scheibe Lock Washer Rondelle Grower | 24.16.1040 | 70 144 |
| Index Index Index | Anzahl Quantity Quantität | Bezeichnung Description Désignation | Artikel Nr. Article Nr. Numéro d'article | Bestell Nr. Order Nr. Numéro de commande |
| 14 | 1 | Sechskant-Mutter M4 Hexagonal Nut M4 Ecrou six-pans M4 | 22.01.8040 | 73 431 |
| 15 | 2 | Madenschraube Set Screw Vis pointeau | 1.077.325-03 | 72 301 |
| 16 | 1 | Hebel Level Levier | 1.067.170-02 | 73 769 |
| 17 | 1 | Sechskant-Mutter M3 Hexagonal Nut M3 Ecrou six-pans M3 | 22.01.8030 | 70 107 |
| 18 | 1 | Sicherungs-Scheibe Lock Washer Rondelle Grower | 24.16.1030 | 70 143 |
| 19 | 1 | Lagerbolzen Bearing Pin Pivot filtré | 1.067.170-03 | 73 770 |
| 20 | 1 | Zugfeder Tension Spring Ressort | 1.067.170-08 | 73 774 |
| 21 | 1 | Mitnehmer Driver Bracket Coupleur | 1.067.170-04 | 73 771 |
| 22 | 2 | Wellensicherung Retaining Clip Circlips | 24.16.3023 | 70 147 |
| 23 | 2 | Sechskant-Schaube Hex-Head Screw Ecrou six-pans | 21.60.4455 | 73 438 |
| 24 | 2 | Sicherungs-Scheibe Retaining Clip Rondelle Grower | 24.16.1040 | 70 144 |
| 25 | 2 | Unterlagsscheibe Washer Rondelle | 23.01.2043 | 70 127 |

C
| Index Index Index | Anzahl Quantity Quantité | Bezeichnung Description Désignation | Artikel Nr. Article Nr. Numéro d'article | Bestell Nr. Order Nr. Numéro de commande |
| C | Bremsaggregat Brake System Agrégat des freins | |||
| 1 | 1 | Bremschassis Brake Chassis Chássis des freins | 1.077.405 | 72 319 |
| 2 | 3 | Schraube Screw Vis | 21.01.0354 | 70 051 |
| 3 | 3 | Fächerscheibe Star Washer Rondelle éventail | 24.99.0105 | 70 157 |
| 4 | 1 | Bremshebel Brake Lever Levier de commande des freins | 1.077.410 | 72 320 |
| 5 | 1 | Bremshebel Brake Lever Levier des freins | 1.077.415 | 72 321 |
| 6 | 1 | Feder Return Spring Ressort | 1.062.210-06 | 71 198 |
| 7 | 2 | Bremsband Brake Band Bande de freinage | 1.077.421 | 72 322 |
| 8 | 2 | Bremszugfeder Brake Tension Spring Ressort de frein | 1.077.100-13 | 72 214 |
| 9 | 6 | Wellensicherung d=3.2 mm Retaining Clip Circlips (ø3,2 mm) | 24.16.3032 | 70 148 |
| 10 | 1 | Bremsmagnet Brake Solenoid Electro-aimant des freins | 1.014.705 | 71 038 |
| 11 | 1 | Anker kompl. mit Mitnehmerschraube und Sicherungsscheibe Plunger cplt. with Screw and Lock Washer Noyau complet, avec vis et rondelle Grower | 1.014.708 | 71 039 |
| 12 | 2 | Schraube M4 5 (max. 5 mm lang) Screw M4/5 mm Vis M4 x 5 (longueur max. 5 mm) | 21.01.0453 | 70 058 |
| 13 | 2 | Federscheibe Spring Washer Rondelle élastique | 24.99.0106 | 70 158 |
| Index Index Index | Anzahl Quantity Quantität | Bezeichnung Description Désignation | Artikel Nr. Article Nr. Numéro d'article | Bestell Nr. Order Nr. Numéro de commande |
| 14 | 2 | Bremsrolle kompl. mit Belag Brake Drum cplt. with Lining Tambour de frein complet, avec garniture | 1.067.242 | 73 797 |
| 15 | 2 | Mitnehmerscheibe Driver Rondelle d'entrainment | 1.067.100-27 | 73 756 |
| 16 | 2 | Unterlagsscheibe Washer Rondelle | 23.01.3043 | 70 130 |
| 17 | 2 | Sicherungscheibe Lock Washer Rondelle Grower | 24.16.1040 | 70 144 |
| 18 | 2 | Sechskant-Schauba M4x8 Hex-Head Screw M4/8 mm Vis à tête six-pans M4x8 | 21.01.4455 | 70 073 |
| 19 | 2 | Spulenteller Turntable Plateau de bobine | 1.077.564-01 | 72 517 |
| 20 | 2 | Klemmhülse Shaft Section, 3-pronged Douille à trois ergots | 1.077.568-03 | 72 475 |
| 21 | 2 | Druckfeder Reel Lock Spring Ressort | 1.736.794-03 | 71 607 |
| 22 | 2 | Schaftschaube Shaft Screw Vis à tige | 1.077.568-02 | 72 474 |
| 23 | 6 | Schraube M3x8 Screw M3/8 mm Vis M3x8 | 21.38.0355 | 70 099 |
| 24 | 3 | Gewindebolzen Threaded Spacer Entreose filtée | 1.067.100-20 | 73 823 |

| Index Index Index | Anzahl Quantity Quantité | Bezeichnung Description Désignation | Article Nr. Article Nr. Numéro d'article | Bestell Nr. Order Nr. Numéro de commande |
| D | Bandzugwaagen Tape Tension Sensors Palpeurs | |||
| 1 | Bandzugwaage links kompl. Tape Tension Sensor Left, cplt. Palpeur gauche, complet | 1.067.180 | 73 780 | |
| 1 | 1 | Umlenkrolle Idler Roller Poulie | 1.067.220 | 73 790 |
| 2 | 1 | Print Printed Circuit Board Circuit imprimé | 1.067.190 | 73 783 |
| 3 | 1 | Feder, lang Tension Spring, long Ressort, long | 1.067.180-13 | 73 782 |
| 4 | 1 | Feder Tension Spring Ressort | 1.067.180-12 | 73 781 |
| 5 | 1 | Deckel Screw-on Cap Capuchon | 1.067.116 | 73 757 |
| 6 | 1 | Rolle Guide Roller Poulie de guidage | 1.067.225 | 73 791 |
| Die Ersatzteile der rechten Bandzugwaage entsprechen denjenigen der linken Bandzugwaage Ausgenommen folgende Positionen: | ||||
| Replacement parts for the right-hand tape tension sensor are identical with those for the left-hand sensor, except for the following: | ||||
| Les pièces détachées du palpeur droit, sont identiques à celle du palpeur gauche à part les positions suivantes: | ||||
| 1 | Bandzugwaage rechts kompl. Tape Tension Sensor Right, cplt. Palpeur droit, complet | 1.067.200 | 73 785 | |
| 2 | 1 | Print Printed Circuit Board Circuit imprimé | 1.067.210 | 73 789 |
| 4 | 1 | Feder Tension Spring Ressort | 1.067.200-04 | 73 788 |
| Index Index Index | Anzahl Quantity Quantität | Bezeichnung Description Désignation | Article Nr. Article Nr. Numéro d'article | Bestell Nr. Order Nr. Numéro de commande |
| 7 | 2 | Madenschraube Set Screw Vis pointeau | 21.59.5352 | 73 437 |
| 8 | 1 | Zählerrolle Counter-drive Pulley Poulie du compteur | 1.067.200-02 | 73 787 |

E

| Index Index | Anzahl Quantity Quantität | Bezeichnung Description Désignation | Artikel Nr. Article Nr. Numéro d'article | Bestell Nr. Order Nr. Numéro de commande |
| E | Wickelmotor Spooling Motor Moteur de boninage | |||
| 1 | Wickelmotor, komplet Spooling Motor, cplt. Moteur de boniage, complet | 1.021.256 | 73 734 | |
| 1 | 2 | Kugellager Ball Bearing Roulement à billes | 41.99.0105 | 70 255 |
| 2 | 2 | Tellerfeder Cup Washer Rondelle elastique | 37.02.0206 | 73 440 |
| 3 | 2 | Innensicherung (Seeger) Circlip, inside Circlips interieur | 24.16.4220 | 70 152 |
| 4 | 2 | Aussenicherung (Seeger) Circlip, outside Collier d'étranglement | 24.16.5080 | 70 154 |
| 5 | 1 | Aussenicherung, geschlüften Circlip, ground faces Collier d'étranglement, ajusté | 1.021.256-04 | 73 736 |

F
| Index Index Index | Anzahl Quantity Quantität | Bezeichnung Description Désignation | Artikel Nr. Article Nr. Numéro d'article | Bestell Nr. Order Nr. Numéro de commande |
| F | Tonmotor Capstan Motor Moteur de cabestan | |||
| 1 | Tonmotor, komplet Capstan Motor, cplt. Moteur de cabestan, complet | 1.021.155 | 73 730 | |
| 1 | 1 | Tonwelle 9.5/19/38 cm/s Capstan Shaft 3.75/7.5/15 ips Axe de cabestan 9.5/19/38 cm/s | 1.021.155-02 | 73 732 |
| 2 | 2 | Kunststoffhaube Plastic Cap Capuchon en plastique | 1.077.220-02 | 72 280 |
| 3 | 1 | Distanzring Spacer Anneau | 1.021.160-08 | 71 089 |
| 4 | 1 | Kammlager Thrust-bearing Palier à collet | 1.021.162 | 71 093 |
| 5 | 1 | Anlaufscheibe Low Friction Washer Rondelle à faible friction | 1.021.160-09 | 71 090 |
| 6 | 2 | Tellerfeder Cap Washer Rondelle élastique | 37.02.0106 | 70 235 |
| 7 | 1 | Innensicherung (Seeger) Circlip, inside Circlips intérieur | 24.16.4220 | 70 152 |
| 8 | 1 | Rotor Rotor Rotor | 1.021.161 | 71 092 |
| 9 | 1 | Wellensicherung Shaft Lock Ressort de bloquage | 1.021.160-10 | 71 091 |


Fig. 7.1.-1
7. Elektronik
7.1. Electronique du mecanisme
Cette description devrait permettre de mistroux comprendre le fonctionnement de I'electronique du mecanisme, et de servir de contrôle dans l'explication des schémas.
7.1.1. Transformateur d'alimentation
La prise secteur, amène par un double interrupteur, le courant au carrousel de tension et aux primaires du transformateur d'alimentation. Les différents secondaires, alimentant les moteurs de bobinage, le moteur du cabestan et toute l'électronique, sont protégés séparément par des fusibles se trouvant sur la plaquette de distribution 1.067.150 (distribution board), schéma A2.
Les alimentations des moteurs de bobinage sont spécialement conçues pour le bobinage rapide. L'enregistrement et la reproduction nécessitant un couple moteur beaucoup plus faible, la tension d'alimentation est réduite par la commutation d'un relais (schéma A3, fig. 7.1.-1).
Les différentes tensions d'alimentation de toute l'électronique sont fournies par ce circuit (schéma A4).
Description de la stabilisation +12V
Après l'encampement de l'appareil, le condensateur C 4 se charge. Du diviseur de tension des résistances R 9, R 10, une tension de démarriage est appliquée par la diode D 9 à la base du transistor Q 4, dont le courant collecteur commande les transistors Q 5 et Q 6. C'est par la comparaison de la tension de base et de la tension d'émetteur du transistor Q 4, qu'est assuree la stabilisation de la tension de sortie. Le courant de sortie est également contrôle. La tension aux bornes de la résistance R 7, additionee de la tension base-emetteur du transistor Q 5, est comparée à la tension de reference des diodes D 7 et D 8. Lors d'une surintensite, la chute de tension provoquee par la résistance R 7, bloque le transistor Q 5 qui, au travers du transistor Q 6, coupe l'alimentation.
Tab. 7.1.-2
| Push button bulbs Tattentampen Lampes des touches | Solenoids Magnetete Electro-simant | |||||||||||
| 0 L Bulb off Lampe ausgeschelt Lampé éteinte | Pressure Antekr Preset | No pressure Kerel Antekr Retiche | Braking Bremng Fremge | Brakes (fringir Brenn an gelat Freis rechts) | Normal position Normale Stabilung Position normale Tape droux or Band atrophob Bande represse | Staband Sitie Motion Bewegung En mouvement | ||||||
| AUTO | < | > | PLAY | STOP | REC | Pressure roller Andruckrolle Galet preseur | Brake Bremse Freins | L | L | L | L | |
| On Power On Ein Endlenché | 0 | 0 | 0 | 0 | 0 | L | 0 | 0 | 0 | 0 | 0 | L |
| Threaded the tape Speed select Band einlagen Geschwindigkeit während Place la bande Sichteurer la vitesse | 0 | 0 | 0 | 0 | 0 | L | 0 | 0 | 0 | 0 | 0 | 0 |
| Play Wiedergabe Lecture | 0 | 0 | 0 | L | 0 | 0 | L | L | 0 | 0 | L | 0 |
| Record Aufnahme Erreglement | 0 | 0 | 0 | L | 0 | L | L | L | 0 | 0 | L | 0 |
| STOP | 0 | 0 | 0 | 0 | L | 0 | 0 | 0 | 0 | 0 | 0 | 0 |
| Forward >Vorsplänen >Avance rapide > | 0 | 0 | L | 0 | 0 | 0 | 0 | L | L | L | L | 0 |
| Rewind <Rückspulen >Rebobinage < | 0 | L | 0 | 0 | 0 | 0 | 0 | 0 | L | L | L | 0 |
| PLAY (Braking phase) (Bremsgase) (Phase de freinlage) | 0 | 0 | 0 | L | L | 0 | 0 | 0 | 0 | L | L | 0 |
| Play Wiedergabe Lecture | 0 | 0 | 0 | L | 0 | 0 | L | L | 0 | 0 | L | 0 |
| PAUSE (Button depres) (Taste gebrachte) (Touche pressée) | 0 | 0 | 0 | L | L | 0 | 0 | 0 | 0 | 0 | 0 | 0 |
| PAUSE (Button free) (Taste freilassen) (Touche relachée) | 0 | 0 | 0 | L | 0 | 0 | L | L | 0 | 0 | L | 0 |
| Repeat button deprss Repetieraste gebrachte Touche de répétition pressée | 0 | L | 0 | 0 | 0 | 0 | 0 | L | L | L | L | 0 |
| Repeat button free (Braking phase) Repetieraste freilassen (Bremsgase) Touche de répétition relachée (Phase de freinlage) | 0 | 0 | 0 | L | L | 0 | 0 | 0 | 0 | L | L | 0 |
| Repeat button (Braking ended) Repetieraste (Bremung bewertet) Touche de répétition (Free image termini) | 0 | 0 | 0 | L | 0 | 0 | L | L | 0 | 0 | L | 0 |
| AUTO | L | 0 | 0 | L | 0 | 0 | L | L | 0 | L | L | 0 |
| Tape end (Transparent leader) Bandende (Transparent band) Fin de bande (Amore transparente) | L | L | 0 | L | 0 | 0 | 0 | L | L | L | L | L |
| Rewind automatic Rückspullen automatisch Rebobinage automatique | L | L | 0 | L | 0 | 0 | 0 | L | L | L | L | 0 |
| Tape start, Play 1: Record 2) Bandanfang, Wiedergabe 1: Aufnahme 3) Début de bande, Lecture 1: Enregistrement 4) | L | 0 | 0 | L | L | 01 L2 | 0 | L | L | L | L | L |
| Speed selector off (Braking phase) Geschwindigkeitsstellen ausschatten (Bremsgase) Sichteur de vitesse déclenché (Phase de freinlage) | L | 0 | 0 | L | 0 | 0 | L | L | 0 | 0 | L | 0 |
| Capstan stop Capstan Stillstand Cabestan à l'arret | 0 | 0 | 0 | 0 | L | 0 | 0 | 0 | 0 | 0 | 0 | 0 |
Le circuit de la stabilisation -12,0V ave ses polarités inverses, est complémentaire à la stabilisation +12,0V . La tension de reference de la stabilisation +5,0V , est donnée à partir du +12,0V , par le divisur de tension des résistances R 3 et R 4. Lajonction du +0,0V au chassis, est assurée par une vis (GND).
7.1.3. Commande du mécanisme 1.067.230 (A5)
Un seul circuit intégré est utilisé pour la logique de commande: IC 1, SC 10429 (schéma A5). Les ordres de fonction venant des touches de l'appareil ou de la commande à distance, sont gardés en mémoire par la logique qui tient égallement compte des signaux de l'analyseur du mouvement de la bande et de l'interrupteur de fin de ruban. C'est par l'intémédiaire de transistors amplificateurs, que le circuit intégré IC 1 de la logique, commande les electro-aimants et les lampes de signalisation de l'appareil et de la commande à distance. Ces différents signaux de sortie sont analysées par la tabelle des fonctions du mecanisme (fig. 7.1.-2).

Fig. 7.1.-3

Fig. 7.1.-4
7.1.4. Bandbewegungs-Sensor (A7)
7.1.4. Analyseur du mouvement de la bande (A7)
L'analyseur (A7) se compose d'un oscillateur et d'un disque metallique à denture en forme de crénaux. Les bobines de l'oscillateur sont placées de telle façon, qu'à chaque passage d'une dent, l'oscillateur s'arrête par amortissement des circuits inductifs. Par la rotation du disque, un signal rectangulaire apparaît alors aux bornes de la résistance R 10 (fig. 7.1.-3). Àpres différenciation, les impulsions positives de ce signal, sont appliquées à la base du transistor Q 4 qui charge par la résistance R 13, le condensateur C 10. A l'arrêt de l'appareil, l'absence d'impulsion, permet la décharge de ce condensateur au travers de la résistance R 14. Àinsi la tension entre les résistances R 13 et R 14, va monter jusqu'à la saturation du transistor Q 5 qui mettra à "0" le signal YBI-MOVE. Lors du défilament de la bande le signal passé alors à "L". En bobinage rapide, le signal K-PRESS est à +24,0 V, ce qui met en parallele, par la diode D 6, les résistances R 18 et R 14. Le temps de décharge du condensateur C 11 étant raccourci, le signal "arrêt de bande" apparait plus rapidement qu'en fonction d'enregistrement ou de reproduction.
7.1.5. Régulation de la tension de bande
Voir schéma de principe fig. 7.1.-4.
Le régulateur est composé d'un oscillateur couple à un circuit accordé. Un diaphragme metallique vient plus ou moins diminuier ce couplage en fonction du déplacement du tendeur de bande. La valeur de la tension redressée par la diode D1 (signal YAN-TTI), dépend donc de la tension de la bande.
Les signaux YAN-TT1 (tendeur gauche) et YAN-TT2 (tendeur droite) sont ensuite transmis aux circuits intégrés TCA 561 des commandes moteur (schéma A5).
La logique de commande de ces circuits intégrés considère les signaux S-PAUSE, B-REVE, B-FORW, TME (freinage) ou de STOP, disponibles par la commande du mécanisme. Les étages d'entrée livrent la tension de commande U_X qui, après un étage multiplicitateur, est amplifiée pour attaquer directement le transistor régulateur du moteur de bobinage (scheme A8). Les résistances de renvoi R 1, R 2 du collecteur et de l'émetteur de ce transistor, sont calculées de manière qu'avoc n'importe quel état

Fig. 7.1.-5
de conduction du transistor QPWR, l'amplitude du signal sinusoidal demi-onde Y-FBM 1 reste constante. C'est par le retour de Y-FMB 1 à l'étage multiplicitateur que le signal de sortie YAN-M 1 de forme sinusoidale demi-onde est d'amplitude proportionnelle à la tension de commande U_X .
Pendant le bobinage rapide, la régulation du côte débiteur agit de telle façon, que la position du tendeur de bande ne soit pas inférieure à sa position en enregistrement ou en reproduction.
En phase de freinage, le moteur de la bobine débitrice est contrôle jusqu'à l'arrêt de la bande. La fig. 7.1.-5 démontré ces différentes phases de commande en rebobinage. Pour l'avance rapide, les phases sont les mêmes, seuls les signaux sont mesures alors par IC 3.
7.1.6. Tonmotorregelung 1.067.235 (A15)
7.1.6. Régulateur de vitesse du cabestan 1.067.235 (A15)
Un anneau tachymétrique inductif engendre un signal de féquence proportionnelle au nombre de tours du moteur du cabestan. Ce signal est, par le circuit intégré d'entrée IC 1 TBA 931-1, amplifié, limité et débarrassé des tensions de renflement. La résistance R 13 le conduit au circuit intégré IC 2, TDA 1000, qui est composé d'un comparateur de phase et de féquence et d'un oscillateur de réference piloté par quartz. De cet oscillateur, sont obtenues par division, les féquences de réference des trois vitesses de bande (400, 800 et 1600Hz ). Leurs commutations s'effectuent par les entrées 14, 15 et 16. Le signal de sortie, mesure au point TP 1, est à "L" tant que la vitesse synchrone du cabestan n'est pas atteinte. Lors d'une commutation à

Fig. 7.1.-6
une vitesse inférieure, le signal passé à "0". Enfin, en vitesse synchrone, par la différence de phase du signal tachymétrique et de la fréquence de reférence, ce signal prend une forme rectangulaire (fig. 7.1.-6), et la lampe de la touche de la vitesse correspondante s'allume par le transistor Q 3. Au moindre ralentissement du moteur, la base du transistor Q 2 est commutée en masse par la diode D 3, ce qui bloque le transistor Q 3 et éteint la lampe.
Un filtré passée-bas constitué par les condensateurs C 13, C 14 et les résistances R 26, R 27, transforme en une tension continue moyenne, le signal rectangulaire de commande du circuit intégré IC 3, TCA 561. Ce circuit est composé d'un amplificateur d'entrée, d'un étage multiplicitateur et d'un étage de sortie qui attaque directement avec le signal YAN-M 3, le transistor QPWR 3 de l'étage régulateur de vitesse du cabestan (schéma A16). Le fonctionnement de cet étage est identique à celui des moteurs de bobinage.
La reférence à quartz interne peut être remplacee par un oscillateur extérieur de fréquence variable, permettant d'augmenter ou de diminuer la vitesse du cabestan d'une demi-octave (variateur de vitesse REVOX A700).
7.2. L'électronique du pupitre de mélange 7.2.1. Généralités
Cette dernière est répartie dans la partie inférieure de l'appareil appelée pupitre de mélange et écoute. La partie électronique du pupitre de mélange est composée des circuits imprimés suivants:
Transformateur d'entree 1.067.430 A26,
A27
Amplificateur d'entrée 1.067.405 A28
Correcteur de tonalité 1.067.410 A30
Amplificateur d'écouteur 1.067.421 A31
Amplificateur des VU-mètres 1.067.425 A29
Circuit d'interconnexion 1.067.415 A25
7.2.2. Eingangstransformatoren 1.067.430 (A26, A27)
7.2.2. Transformateurs d'entrée 1.067.430 (A26, A27)
Les transformateurs d'entrée des prises microphones sont places avant les selecteurs d'entrée. Ainsi le raccordement des microphones est garanti symétrique et sans raccord à la masse. L'adaptation des impédances hautes et basses s'effectue par le selecteur d'entrée, selon les types de microphones utilisés. L'impédance d'entrée n'est pas modifiée, seule la contre-reaction du préamplificateur se trouvant sur le circuit d'entrée l'est.
Les transformateurs d'entrée sont montés sur deux circuits enchichables, euxmemes connectés à l'amplificateur d'entrée.
7.2.3. Amplificateur d'entrée 1.067.405 (A28)
Les signaux de modulation accedent au travers des quatre entrées aux deux sélections d'entrée (S 1, S 2) pour chaque canal séparément, gauche (LEFT) et droit (RIGHT). Les deux étages amplificateurs (IC 1, IC 2) travaillent séparément pour les quatre entrées. La sensibilité du circuit intégré amplificateur est simplement modifiée par la variation de la contre-reaction par le sélection d'entrées. Ceci permet d'obtenir un niveau de ligne indépendant de la source du signal appliqué.
Suivant les étages préamplificateurs - sur la partie frontale extérieure - on trouve les réglages d'entrée (INPUT LEVEL). Sur l'entrée de l'amplificateur de somme (IC 3) se trouve la commutation en diagonale (FET) activée uniquement enregistements monophoniques (MONO). Le potentiamètre de somme d'entrée (RECORD MASTER) se trouvant après l'amplificateur de somme, est accessible sur la plaque frontale. La sortie du potentiamètre de somme accede directement à l'amplificateur d'enregistrement.
Le commutateur avant/après bande (S 3) envoie au circuit d'interconnexion, soit le signal provenant de la bande soit celui provenant de l'amplificateur de ligne. Le signal provenant de l'amplificateur de ligne est conduit au commutateur de lecture (S 4). Avant ce commutateur le signal bifurque sur les prises CINCH phono marquées LINE A et après le sélecteur, sur LINE B. Les prises CINCH mentionnées se trouvent sur le circuit d'interconnexion ainsi que toutes les autres prises d'entrée et de sortie.
Le signal est ensuite appliqué par le commutateur de lecture au potentiemetre VOLUME pour aboutir à l'amplificateur des VU-mêtres.
7.2.4. Klangregler 1.067.410 (A 30)
7.2.4. Contrôle de tonalité 1.067.410 (A30)
Le contrôle de tonalité est branché directement à la sortie du réglage du volume de lecture (VOLUME) en filtré actif. Le choix d'une impédance d'entrée elevée du circuit évite l'adjonction d'un circuit tampon. Le réglage des basses et des aiguès sa fait par pas de 2 dB réfééré respectivement aux fréquences de 80 Hz et 8 kHz. Les reseaux de contre- reaction RZ1 et RZ3 respectivement RZ2 et RZ4 sont commutes simultanément pour les deux canaux. En position 0 des commutateurs S1 et S2, le coefficient d'amplification est égal à 1. L'impédance de sortie de IC1 est suffisamment BASSE pour qu'elle puisse attaquer directement l'amplificateur d'écouteur.
7.2.5. Amplificateur d'écouteur 1.067.420 (A31)
Cet amplificateur est un petit etage de puissance complenant des amplificateurs de tension intégrés (IC 1, IC 2) et des petits transistors de puissance comme amplificateur de courant (Q 1...Q 4). La puissance totale est définie par les résistances R 1, R 4 et R 7, R 10. Pour garantir un niveau comfortable sur les sorties écouteur, l'alimentation est prise séparément sur les tensions non stabilisées +20 V et -20 V. Ces dernières sont protégées contre les court-circuites de longue durée par des résistances de sécurité montées à l'intérieur.
7.2.6.VU-Meter Versteller 1.067.425 (A 29)
7.2.6. Amplificateur des VU-mêtres
Le signal appliqué à l'ampli VU-metre est pris entre le commutateur de lecture et le potentiometre de volume. Avec avoir eté amplifié au travers de Q 1, Q 2 / Q 9, Q 10, le signal de commande des VU-mêtres est redresse par D 6, D 7 / D 13, D 14 avant d'attaquer le VU-metre. Les deux potentiometres R 1 et R 24 permettent le tarage des VU-mêtres (gauche et droit).
Le formateur d'impulsion et l'étage de commutation (Q 3...Q 8 et Q 11...Q 16) servent à l'activation des indicateurs de surmodulation ainsi qu'au prolongement de la durée de l'affichage pendant 200 ms, permettant ainsi d'apercevoir des pointes de 10 ms. Le seul de travail (O VU +6 dB) peut être taré séparément pour chaque canal sur le circuit VU-mètre enrichable, 1.067.425-11 par les potentiometres R 9 et R 32, contrairement au circuit 1.067.425-01 où ce point est fixé.
7.2.7. Verbindungs-Print 1.067.415 (A25)
7.2.7. Circuit d'interconnexion 1.067.415 (A25)
Tous les circuits du pupitre de melange sont enchancements sur le circuit d'interconnexion. Ce dernier est constitué de lignes de connexion BF et d'alimentation, destinées aux circuits enchancements.
Les prises d'entrées et de sorties, l'étage de correction phono (IC 1) ainsi que l'ampli ligne (IC 2) se trouvent également sur le circuit d'interconnexion.
7.3. Kopfelektronik
7.3.1. Allgemeines
7.3. Electronique des têtes
7.3.1. Généralités
Les circuits enchichables de l'électronique des têtes sont placés dans un boftier métallique. Les executions courantes du magnétophone A700 utilisent les variantes suivantes:
Circuit de base 1.067.250 A19
Oscillateur 1.067.265 A21
Oscillateur 1.067.267 A21
Amplificateur d'enregistrement NAB 1.067.260 A22
Amplificateur d'enregistrement CCIR 1.067.261 A22
Amplificateur de lecture NAB 1.067.270 A23
Amplificateur de lecture CCIR 1.067.271 A23
Comme partie intégrante, compacte et facilement interchangeable, nous avons le bloc des têtes 1.020.822 (A24), raccordé par une fiche à 20 pôles au boîtier contenant l'électronique des têtes.
7.3.2. Basis-Print 1.067.250 (A 19)
Sur la plaquette de base se trouvent les prises destinées à receivevoir les circuits oscillateur, d'enregistrement et de lecture. Un circuit enchachieable supplémentaire, est prévu pour la synchronisation de diapositives. La plaquette de base compeote les interconnexions, et l'alimentation des circuits enchachables de l'electronique des têtes. Les raccordements à l'électronique du mecanisme, au support des têtes au pupitre de melange et au bloc d'alimentation se font à l'aide d'un toron de fils terminé par une fiche.
7.3.3.Osillator 1.067.265 (A 21)
7.3.3.Oscillateur 1.067.265 (A21)
L'oscillateur à haut rendement est du type L.C.(T 1, C 14). Sa fréquence de 150kHz peut être ajustée par le noyau de la bobine.
Son enclenchement est commandé par le circuit de commande du mécanisme (S-REL-L/S-REL-R). Les pistes d'effacement sont raccordées au 150 kHz par les portes NAND et NOR puis par les transistors A1 (LEFT) et Q3 (RIGHT).
Le couplage de la prémagnetisation sur les pistes d'enregistrement s'effectue à l'aide des transformateurs T 2 (LEFT) et T 3 (RIGHT). La commutation du primaire est effectuée suivant les vitesses (SLOW-MED-FAST) par Q 2, Q 3, Q 4 / Q 14, Q 15, Q 16. Le réglage de prémagnetisation est sépare par canal pour chaque vitesse. Les potentiamétres R 8, R 12, R 16 pour le canal gauche et R 37, R 41, R 45, pour le canal droit. Le signal B.F. provenant du préamplificateur du pupitre de mélange abouti aux pistes d'enregistrement après avoir été mélangé à la prémagnetisation dans les transformateurs (T 2 et T 3). Le signal destiné à la tête d'enregistrement est commute par un circuit à transistors (Q 7, Q 8 / Q 17, Q 18).
7.3.4.Osillator 1.067.267 (A 21)
7.3.4.Oscillateur 1.067.267 (A21)
Un oscillateur L.C. (T 3 et C 20) délivre une fréquence nominale de 150kHz ajustable par un noyau. Les ordres en provenance du circuit de commande du mécanisme enclenchent l'oscillator. Les pistes d'effacement sont raccardées au 250kHz par les transistors Q 6 (LEFT) et Q 4 (RIGHT).
Le couplage de la prémagnetisation sur les pistes d'enregistrement, s'effectue à l'aide des transformateurs T1 (LEFT) et T2 (RIGHT). La commutation du primaire est effectuee selon I'ordre des vitesses (SLOW, MED, FAST) par Q 15...Q 20. Le reglage de la premagnetisation est separé par le canal pour chaque vitesse, les potentiometres R 58, R 59, R 60 pour le canal gauche et R 61, R 62, R 63 pour le canal droit. Le signal B.F. issu du préamplificateur du pupitre de melange abouti aux pistes d'enregistrement après avoir ete melange a la premagnetisation dans les transformateurs (T 1 et T 2). Le signal destiné a la tete d'enregistrement est commute par un circuit a transistors Q 2 (LEFT) Q 4 (RIGHT). Aussi longtemps que I'enregistrement n'est pas en fonction, les transistors a effet de champ s Q 5, canal gauche et Q 10 canal droit, court-circuitent les connexions de tete a la masse. Cette precaution est destinée a proteger la bande contre toute magnetisation parasite indesirable.
7.3.5. Amplificateur d'enregistrement (A22)
NAB 1.067.160
CCIR 1.067.261
L'amplificateur correspondant à la norme可以选择 (NAB ou CCIR) est place dans le boitier metallique réservé à l'électronique des têtes. L'amplificateur d'enregistrement est constitué d'un réglage de niveau (R 2, R 32), d'un pré-amplificateur et d'un amplificateur final (IC 1, IC 2). Les courbes caractéristiques sont commutes simultanément avec le changement des vitesses et le réglage de la préaccentuation des aigus s'effectue par les potentiétres R 11, R 21, R 28 / R 41, R 51, R 58. La commutation de la caractéristique se rapportant à la vitesse choisis (S-FAST, S-MED, S-SLOW) est assuree par l'électronique de commande du mécanisme. Les circuits de sortie (L 1 et L 2) évitant une reinjection des tensions HF et optimisent l'impédance entre la tête d'enregistrement et l'étage final.
7.3.6. Amplificateur de lecture (A23)
NAB 1.067.270
CCIR 1.067.271
Comme pour l'enregistrement, l'amplificateur de lecture existe en deux versions (NAB ou CCIR). Le signal recolte à la tête de lecture traverse le préampli (IC 1) aux courbes caractéristiques commutables. Les transistors Q 2, Q 3, Q 4 du canal gauche, Q 6, Q 7, Q 8 du canal droit commutent automatiquement les différentes courbes caractéristiques suivant les vitesses (S-FAST, S-MED, S-SLOW). Les filtres passe-bas L 1 et L 2 sont places avant les réglages du niveau de sortie R 5, R 27. Puis venant des curseurs de ces derniers les signaux de lecture (Y-REPR-L/Y-REPR-R) sont appliqués sur le commutateur (INPUT-TAPE) se trouvant sur l'ampli d'entrée du pupitre de mélange. Sur les sorties se trouvent les circuits de "muting" (Q 1, Q 5) commandés par le signal S-MUTE et le transistor Q 9.
7.3.7. Bloc des têtes 1.020.822 (A24)
Les fils de raccordement des têtes de lecture, enregistrement, effacement ainsi que de l'arrêt optique de fin de bande, sont soudés sur une fiche de sortie à 20 pôles.
Les connexions des têtes aboutissent dans la corbeille de l'électronique des têtes alors que l'arrêt de fin de bande prend ses racines dans l'électronique du mécanisme et dans l'alimentation. Les 4 contacts restants sont destinés au raccordement évientuel d'une 4ème tête.
| 8. | Schaltbilder | 8. | Diagrams | 8. | Schemas |
| A 2 | Netztransformator-Einheit1.067.140 | A 2 | Mains transformer assembly1.067.140 | A 2 | Transformateur d'alimentation1.067.140 |
| A 4 | Netzteil 1.067.160 | A 4 | Power Supply 1.067.160 | A 4 | Alimentation 1.067.160 |
| A 5 | Laufwerk-Steuerung 1.067.230 | A 5 | Tape transport control 1.067.230 | A 5 | Commande du mécanisme 1.067.230 |
| A 6 | Abtasterprint, links 1.067.190 | A 6 | Sensor board, left 1.067.190 | A 6 | Circuit analyseur, gauche 1.067.190 |
| A 7 | Abtasterprint, rechts 1.067.210 | A 7 | Sensor board, right 1.067.210 | A 7 | Circuit analyseur, droit 1.067.210 |
| A 3 | Relais Print 1.067.151 | A 3 | Relay board 1.067.151 | A 3 | Plaqette du relais 1.067.151 |
| A 12 | Magnet Teil 1.067.100 | A 12 | Solenoid section 1.067.100 | A 12 | Electro-aimant 1.067.100 |
| A 14 | A 14 | A 14 | |||
| A 15 | Capstan Geschwindigkeits Steuerung1.067.235 | A 15 | Capstan speed control 1.067.235 | A 15 | Régulateur de vitesse du cabestan1.067.235 |
| A 8 | Wickelmotor Regler (Abwickelseite)1.067.135 | A 8 | Spooling motor control (Supply)1.067.135 | A 8 | Réglage du moteur de bobinage(côte débuteur) 1.067.135 |
| A 10 | Wickelmotor Regler (Aufwickelseite)1.067.135 | A 10 | Spooling motor control (Take up)1.067.135 | A 10 | Réglage du moteur de bobinage(côte récepteur) 1.067.135 |
| A 16 | Capstanmotor Regler 1.067.136 | A 16 | Capstan motor control 1.067.136 | A 16 | Réglage du moteur de cabestan1.067.136 |
| A 19 | Basis Print 1.067.250 | A 19 | Basis board 1.067.250 | A 19 | Plaqette de base 1.067.250 |
| A 24 | Kopfräger 1.020.822 | A 24 | Head block assembly 1.020.822 | A 24 | Support des têtes 1.020.822 |
| A 21 | Ozzillator 1.067.265/267 | A 21 | Oscillator 1.067.265/267 | A 21 | Oscillateur 1.067.265/267 |
| A 22 | Aufnahme Verträger 1.067.260/261 | A 22 | Record amplifier 1.067.260/261 | A 22 | Amplificateur d'enregistrement1.067.260/261 |
| A 23 | Wiedergabe Verträger1.067.270/271 | A 23 | Reproduce amplifier 1.067.270/271 | A 23 | Amplificateur de lecture1.067.270/271 |
| A 25 | Verbindungs Print 1.067.415 /416 | A 25 | Interconnection PC Board1.067.415 /416 | A 25 | Circuit imprimé d'interconnection1.067.415 /416 |
| A 28 | Eingangs Verträger 1.067.405 | A 28 | Input amplifier 1.067.405 | A 28 | Amplificateur d'entée 1.067.405 |
| A 26 | Eingangs Transformer 1.067.430 | A 26 | Input transformer 1.067.430 | A 26 | Transformateur d'entée 1.067.430 |
| A 27 | Eingangs Transformer 1.067.430 | A 27 | Input transformer 1.067.430 | A 27 | Transformateur d'entée 1.067.430 |
| A 29 | VU-Meter Verträger 1.067.425 | A 29 | VU-meter amplifier 1.067.425 | A 29 | Amplificateur des VU-mètres 1.067.425 |
| A 30 | Klangregler 1.067.410 | A 30 | Tone control 1.067.410 | A 30 | Correcteur de tonalité 1.067.410 |
| A 31 | Kopfhörer Verträger 1.067.420 | A 31 | Headphone amplifier 1.067.420 | A 31 | Amplificateur d'écouteur 1.067.420 |
| A 32 | Front Platte 1.067.400 | A 32 | Front panel 1.067.400 | A 32 | Panneau frontal 1.067.400 |


| POSITION | ORDER NUMBER | SPECIFICATIONS | ||
| Value | Tolerance% | Notes | ||
1.067.131 1
Commande du mécanisme



| POSITION | ORDER NUMBER | SPECIFICATIONS | ||
| Value | Tolerance % | Notes | ||
| 1.067.230 | Tape Transport Control | ||||
| B 1 | 51.02.0146 | 30 V / 0.04 A | T 5.5 | ||
| B 2 | 51.02.0146 | 30 V / 0.04 A | T 5.5 | ||
| B 3 | 51.02.0146 | 30 V / 0.04 A | T 5.5 | ||
| B 4 | 51.02.0146 | 30 V / 0.04 A | T 5.5 | ||
| B 5 | 51.02.0146 | 30 V / 0.04 A | T 5.5 | ||
| B 6 | 51.02.0146 | 30 V / 0.04 A | T 5.5 | ||
| B 7 | 51.02.0146 | 30 V / 0.04 A | T 5.5 | ||
| B 8 | 51.02.0146 | 30 V / 0.04 A | T 5.5 | ||
| C 1 | 59.30.6339 | 3.3 u | - 20 | 35 V | TA |
| C 2 | 59.30.6339 | 3.3 u | - 20 | 35 V | TA |
| C 3 | 59.30.6339 | 3.3 u | - 20 | 35 V | TA |
| C 4 | 59.30.6339 | 3.3 u | - 20 | 35 V | TA |
| C 5 | 59.30.6339 | 3.3 u | - 20 | 35 V | TA |
| C 6 | 59.30.6339 | 3.3 u | - 20 | 35 V | TA |
| C 7 | 59.30.6339 | 3.3 u | - 20 | 35 V | TA |
| C 8 | 59.30.4689 | 6.8 u | - 20 | 16 V | TA |
| C 9 | 59.99.0181 | 10 n | 80 | 50 V | KER |
| C 10 | 59.30.6339 | 3.3 u | - 20 | 35 V | TA |
| C 11 | 59.30.4339 | 3.3 u | - 20 | 16 V | TA |
| C 12 | 59.30.4339 | 3.3 u | - 20 | 16 V | TA |
| C 13 | 59.30.6689 | 6.8 u | - 20 | 35 V | TA |
| C 14 | 59.30.6478 | 0.47 u | - 20 | 35 V | TA |
| C 15 | 59.30.3479 | 4.7 u | - 20 | 10 V | TA |
| C 16 | 59.30.4339 | 3.3 u | - 20 | 16 V | TA |
| C 17 | 59.30.6689 | 6.8 u | - 20 | 35 V | TA |
| C 18 | 59.30.6478 | 0.47 u | - 20 | 35 V | TA |
| C 19 | 59.30.3479 | 4.7 u | - 20 | 10 V | TA |
| C 20 | 59.30.6109 | 1 u | - 20 | 35 V | TA |
| C 21 | 59.25.1471 | 470 u | - 10 | 6 V | EL |
| C 22 | 59.25.3101 | 100 u | - 10 | 16 V | EL |
| C 23 | 59.25.3101 | 100 u | - 10 | 16 V | EL |
| C 24 | 59.30.6109 | 1 u | - 20 | 35 V | TA |
| C 25 | 59.99.0181 | 10 n | 80 | 50 V | KER |
| D 1 | 50.04.1102 | 6,8 V | 5 | 0.4 W | Z |
| D 2 | 50.04.1107 | 3,3 V | 5 | 0.4 W | Z |
| D 3 to D 28 | 50.04.0102 | 1 N 914, 1 N 4148 | SI | ||
| IC 1 | 50.05.0143 | SC 10429 | |||
| IC 2 | 50.05.0152 | TCA 561 | |||
| IC 3 | 50.05.0152 | TCA 561 | |||
| J 1 | 54.01.0248 | Socket Strip | |||
| J 2 | 54.01.0248 | Socket Strip | |||
| J 3 | 54.01.0216 | Socket Strip | |||
| J 4 | 54.01.0226 | Socket Strip | |||
| POSITION | ORDER NUMBER | SPECIFICATIONS | ||
| Value | Tolerance % | Notes | ||
Q1 50.03.0407 BC109C
Q2 50.03.0408 BC107B
Q3 50.03.0408 BC107B
Q4 50.03.0306 BC178B
Régulation externe de vitesse du cabestan
| POSITION | ORDER NUMBER | SPECIFICATIONS | ||
| Value | Tolerance % | Notes | ||
| 1.067.235 | Capstan Speed Control | ||||
| B 1 | 51.02.0146 | 30 V / 0.04 A | T 5.5 | ||
| B 2 | 51.02.0146 | 30 V / 0.04 A | T 5.5 | ||
| B 3 | 51.02.0146 | 30 V / 0.04 A | T 5.5 | ||
| C 1 | 59.31.6104 | 100 n | 10 | 100 V | MPETP |
| C 2 | 59.30.6109 | 1 u | 20 | 35 V | TA |
| C 3 | 59.31.6473 | 47 n | 10 | 100 V | MPETP |
| C 4 | 59.31.6473 | 47 n | 10 | 100 V | MPETP |
| C 5 | 59.31.6473 | 47 n | 10 | 100 V | MPETP |
| C 6 | 59.30.3479 | 4.7 u | -20 | 10 V | TA |
| C 7 | 59.99.0181 | 10 n | 80 | 50 V | KER |
| C 8 | 59.32.1102 | 1 n | 10 | 500 V | KER |
| C 9 | 59.30.4339 | 3,3 u | -20 | 16 V | TA |
| C 10 | 59.31.6224 | 220 n | 10 | 100 V | MPETP |
| C 11 | 59.31.6105 | 1 u | 10 | 63 V | MPETP |
| C 12 | 59.31.9682 | 6,8 n | 10 | 160 V | PETP |
| C 13 | 59.31.6105 | 1 u | 10 | 63 V | MPETP |
| C 14 | 59.30.1101 | 100 u | -20 | 3 V | TA |
| C 15 | 59.30.6109 | 1 u | -20 | 35 V | TA |
| C 16 | 59.30.6109 | 1 u | -20 | 35 V | TA |
| C 17 | 59.25.3101 | 100 u | -10 | 16 V | EL |
| C 18 | 59.25.3101 | 100 u | -10 | 16 V | EL |
| C 19 | 59.25.1471 | 470 u | -10 | 6 V | EL |
| C 20 | 59.99.0181 | 10 n | 80 | 50 V | KER |
| C 21 | 59.99.0181 | 10 n | 80 | 50 V | KER |
| D 1 | 50.04.0102 | 1 N 914, 1 N 4148 | SI | ||
| D 2 | 50.04.0102 | 1 N 914, 1 N 4148 | SI | ||
| D 3 | 50.04.0102 | 1 N 914, 1 N 4148 | SI | ||
| D 4 | 50.04.0102 | 1 N 914, 1 N 4148 | SI | ||
| D 5 | 50.04.0102 | 1 N 914, 1 N 4148 | SI | ||
| D 6 | 50.04.0102 | 1 N 914, 1 N 4148 | SI | ||
| IC 1 | 50.05.0139 | TBA 931 - 1 | |||
| IC 2 | 50.05.0157 | TDA 1000 | |||
| IC 3 | 50.05.0152 | TCA 561 | |||
| J 1 | 54.01.0215 | Socket Strip | |||
| J 2 | 54.01.0218 | Socket Strip | |||
| P 1 | 54.02.0320 | Flat Pin | |||
| P 2 | 54.02.0320 | Flat Pin | |||
| POSITION | ORDER NUMBER | SPECIFICATIONS | |||
| Value | Tolerance % | Notes | |||
| Q 1 | 50.03.0306 | BC 178 B | |||
| Q 2 | 50.03.0409 | BC 108 B | |||
| Q 3 | 50.03.0408 | BC 107 B | |||
| Q 4 | 50.03.0306 | BC 178 B | |||
| Q 5 | 50.03.0409 | BC 108 B | |||
| R 1 | 57.41.4103 | 10 k | 5 | 0.25 W | CSCH |
| R 2 | 57.41.4222 | 2,2 k | 5 | 0.25 W | CSCH |
| R 3 | 57.41.4470 | 47 | 5 | 0.25 W | CSCH |
| R 4 | 57.41.4822 | 8.2 k | 5 | 0.25 W | CSCH |
| R 5 | 57.41.4222 | 2.2 k | 5 | 0.25 W | CSCH |
| R 6 | 57.41.4124 | 120 k | 5 | 0.25 W | CSCH |
| R 7 | 57.41.4103 | 10 k | 5 | 0.25 W | CSCH |
| R 8 | 57.41.4332 | 3.3 k | 5 | 0.25 W | CSCH |
| R 9 | 57.41.4330 | 33 | 5 | 0.25 W | CSCH |
| R 10 | 57.41.4103 | 10 k | 5 | 0.25 W | CSCH |
| R 11 | 57.41.4103 | 10 k | 5 | 0.25 W | CSCH |
| R 12 | 57.41.4151 | 150 | 5 | 0.25 W | CSCH |
| R 13 | 57.41.4103 | 10 k | 5 | 0.25 W | CSCH |
| R 14 | 57.41.4681 | 680 | 5 | 0.25 W | CSCH |
| R 15 | 57.41.4473 | 47 k | 5 | 0.25 W | CSCH |
| R 16 | 57.41.4101 | 100 | 5 | 0.25 W | CSCH |
| R 17 | 57.41.4102 | 1 k | 5 | 0.25 W | CSCH |
| R 18 | 57.41.4221 | 220 | 5 | 0.25 W | CSCH |
| R 19 | 57.41.4332 | 3.3 k | 5 | 0.25 W | CSCH |
| R 20 | 57.41.4223 | 22 k | 5 | 0.25 W | CSCH |
| R 21 | 57.41.4223 | 22 k | 5 | 0.25 W | CSCH |
| R 22 | 57.41.4223 | 22 k | 5 | 0.25 W | CSCH |
| R 23 | 57.41.4562 | 5.6 k | 5 | 0.25 W | CSCH |
| R 24 | 57.41.4102 | 1 k | 5 | 0.25 W | CSCH |
| R 25 | 57.41.4562 | 5.6 k | 5 | 0.25 W | CSCH |
| R 26 | 57.41.4473 | 47 k | 5 | 0.25 W | CSCH |
| R 27 | 57.41.4152 | 1.5 k | 5 | 0.25 W | CSCH |
| R 28 | 57.41.4822 | 8.2 k | 5 | 0.25 W | CSCH |
| R 29 | 57.41.4102 | 1 k | 5 | 0.25 W | CSCH |
| R 30 | 57.41.4102 | 1 k | 5 | 0.25 W | CSCH |
| R 31 | 57.41.4221 | 220 | 5 | 0.25 W | CSCH |
| R 32 | 58.02.4251 | 250 | 20 | 0.2 W | PCSCH |
| R 33 | 57.41.4103 | 10 k | 5 | 0.25 W | CSCH |
| R 34 | 57.41.4101 | 100 | 5 | 0.25 W | CSCH |
| R 35 | 57.41.4105 | 1.0 M | 5 | 0.25 W | CSCH |
| S 1 | 1.011.032.00 | Push Button | |||
| S 2 | 1.011.032.00 | Push Button | |||
| S 3 | 1.011.032.00 | Push Button | |||
| TP 1 | 54.02.0320 | Flat Pin | |||
| XTL 1 | 89.01.0370 | 1.6384 MHz | |||





04.75
| POSITION | ORDER NUMBER | SPECIFICATIONS | ||
| Value | Tolerance % | Notes | ||
1.067.135
Spooling Motor Control
C1 59.99.0450
0.47 u
20
150 V
MP
D 1 70.01.0223
B 280 / C 800
SI
P 54.02.0328
Flat Pin
R1 57.41.4474
470 k
5
0.25 W
CSCH
B2 57.41.4333
33 k
5
0.25 W
CSCH
B3 57.56.4479
4.7
5
4.2 W
DR
R4 57.41.4473
47 k
5
0.25 W
CSCH
R5 57.41.4473
47 k
5
0.25 W
CSCH
| POSITION | ORDER NUMBER | SPECIFICATIONS | ||
| Value | Tolerance % | Notes | ||
| 1.067.136 | Capstan Motor Control | ||||
| C 1 | 59.99.0450 | 0.47 u | 20 | 150 V | MP |
| D 1 | 70.01.0223 | B 280 / C 800 | SI | ||
| P | 54.02.0328 | Flat Pin | |||
| R 1 | 57.41.4105 | 1 M | 5 | 0.25 W | CSCH |
| R 2 | 57.41.4333 | 33 k | 5 | 0.25 W | CSCH |
| R 3 | 57.56.4220 | 22 | 5 | 4.2 W | DR |
| R 4 | 57.41.4473 | 47 k | 5 | 0.25 W | CSCH |
| R 5 | 57.41.4473 | 47 k | 5 | 0.25 W | CSCH |

Mixing unit
Mischpult
Pupitre de mélange







A 21 Oscillator 1.067.267 Oszillator Oscillateur
Amplificateur d'enregistrement
CCIR
1.067.261


1.067.260

1.067.261
| POSITION | ORDER NUMBER | SPECIFICATIONS | ||
| Value | Tolerance % | Notes | ||
| 1.067.260 | Record Amplifier NAB | ||||
| C 1 | 59.32.0221 | 220 p | 20 | 500 V | KER |
| C 2 | 59.11.3682 | 6.8 n | 5 | 160 V | PC |
| C 3 | 59.30.1470 | 47 u | -20 | 3 V | TA |
| C 4 | 59.99.0183 | 4.7 p ± 0.25 p | 50 V | KER | |
| C 5 | 59.31.9103 | 10 n | 10 | 160 V | MPETP |
| C 6 | 59.31.9103 | 10 n | 10 | 160 V | MPETP |
| C 7 | 59.11.3682 | 6.8 n | 5 | 160 V | PC |
| C 8 | 59.31.9103 | 10 n | 10 | 160 V | MPETP |
| C 9 | 59.31.6154 | 0.15 u | 10 | 100 V | MPETP |
| C 10 | 59.30.6689 | 6.8 u | -20 | 35 V | TA |
| C 11 | 59.32.1680 | 68 p | 10 | 500 V | KER |
| C 12 | 59.11.6222 | 2,2 n | 5 | 400 V | PC |
| C 13 | 59.11.4472 | 4.7 n | 2.5 | 160 V | PC |
| C 14 | 59.11.5102 | 1.0 n | 10 | 400 V | PC |
| C 15 | 59.31.9103 | 10 n | 10 | 160 V | MPETP |
| C 16 | 59.31.6154 | 0.15 u | 10 | 100 V | MPETP |
| C 17 | 59.11.4472 | 4.7 n | 2.5 | 160 V | PC |
| C 18 | 59.11.6222 | 2.2 n | 5 | 400 V | PC |
| C 19 | 59.31.9103 | 10 n | 10 | 160 V | MPETP |
| C 20 | 59.31.6154 | 0.15 u | 10 | 100 V | MPETP |
| C 21 | 59.30.1470 | 47 u | -20 | 3 V | TA |
| C 22 | 59.31.9103 | 10 n | 10 | 160 V | MPETP |
| C 23 | 59.99.0183 | 4.7 p ± 0.25 p | 50 V | KER | |
| C 24 | 59.99.0183 | 4.7 p ± 0.25 p | 50 V | KER | |
| C 25 | 59.31.9103 | 10 n | 10 | 160 V | MPETP |
| C 26 | 59.11.3682 | 6.8 n | 5 | 160 V | PC |
| C 27 | 59.31.9103 | 10 n | 10 | 160 V | MPETP |
| C 28 | 59.31.6154 | 0.15 u | 10 | 100 V | MPETP |
| C 29 | 59.30.6689 | 6.8 u | -20 | 35 V | TA |
| C 30 | 59.32.1680 | 68 p | 10 | 500 V | KER |
| C 31 | 59.11.6222 | 2.2 n | 5 | 400 V | PC |
| C 32 | 59.11.4472 | 4.7 n | 2.5 | 160 V | PC |
| C 33 | 59.11.5102 | 1.0 n | 10 | 400 V | PC |
| C 34 | 59.31.9103 | 10 n | 10 | 160 V | MPETP |
| C 35 | 59.31.6154 | 0.15 u | 10 | 100 V | MPETP |
| C 36 | 59.11.4472 | 4.7 n | 2.5 | 160 V | PC |
| C 37 | 59.11.6222 | 2.2 n | 5 | 400 V | PC |
| C 38 | 59.31.9103 | 10 n | 10 | 160 V | MPETP |
| C 39 | 59.31.6154 | 0.15 u | 10 | 100 V | MPETP |
| C 40 | 59.30.1470 | 47 u | -20 | 3 V | TA |
| C 41 | 59.31.9103 | 10 n | 10 | 160 V | MPETP |
| C 42 | 59.99.0183 | 4.7 p ± 0.25 p | 50 V | KER | |
| C 43 | 59.99.0183 | 4.7 p ± 0.25 p | 50 V | KER | |
| C 44 | 59.99.0181 | 10 n | 80 | 50 V | KER |
| C 45 | 59.99.0181 | 10 n | 80 | 50 V | KER |
| C 46 | 59.31.9103 | 10 n | 10 | 160 V | MPETP |
| C 47 | 59.32.0221 | 220 p | 20 | 500 V | KER |
| C 48 | 59.11.3682 | 6.8 n | 5 | 160 V | PC |
| C 49 | 59.30.1470 | 47 u | -20 | 3 V | TA |
| C 50 | 59.99.0183 | 4.7 p ± 0.25 p | 50 V | KER | |
| D 1 | 50.04.1102 | 6.8 V | 5 | 0.4 W | |
| IC 1 | 50.05.0140 | TBA 931 - 2 | |||
| IC 2 | 50.05.0140 | TBA 931 - 2 | |||
| IC 3 | 50.05.0142 | SN 7405 N | |||
| L 1 | 62.02.1822 | 8.2 m | 5 | ||
| L 2 | 62.02.1822 | 8.2 m | 5 | ||
| R 1 | 57.41.4472 | 4.7 k | 5 | 0.12 W | CSCH |
| R 2 | 58.02.4502 | 5 k lin. | 20 | 0.2 W | PCSCH |
| R 3 | 57.41.4330 | 33 | 5 | 0.12 W | CSCH |
| R 4 | 57.41.4471 | 470 | 5 | 0.12 W | CSCH |
| R 5 | 57.41.4471 | 470 | 5 | 0.12 W | CSCH |
| R 6 | 57.41.4103 | 10 k | 5 | 0.12 W | CSCH |
| POSITION | ORDER NUMBER | SPECIFICATIONS | |||
| Value | Tolerance % | Notes | |||
| R 7 | 57.41.4272 | 2.7 k | 5 | 0.12 W | CSCH |
| R 8 | 57.41.4562 | 5.6 k | 5 | 0.12 W | CSCH |
| R 9 | 57.41.4472 | 4.7 k | 5 | 0.12 W | CSCH |
| R 10 | 57.41.4272 | 2.7 k | 5 | 0.12 W | CSCH |
| R 11 | 58.02.4502 | 5 k lin. | 20 | 0.2 W | PCSCH |
| R 12 | 57.41.4680 | 68 | 5 | 0.12 W | CSCH |
| R 13 | 57.41.4153 | 15 k | 5 | 0.12 W | CSCH |
| R 14 | 57.41.4104 | 100 k | 5 | 0.12 W | CSCH |
| R 15 | 57.41.4104 | 100 k | 5 | 0.12 W | CSCH |
| R 16 | 57.41.4391 | 390 | 5 | 0.12 W | CSCH |
| R 17 | 57.41.4152 | 1.5 k | 5 | 0.12 W | CSCH |
| R 18 | 57.41.4682 | 6.8 k | 5 | 0.12 W | CSCH |
| R 19 | 57.41.4182 | 1.8 k | 5 | 0.12 W | CSCH |
| R 20 | 57.41.4332 | 3.3 k | 5 | 0.12 W | CSCH |
| R 21 | 58.02.4502 | 5 k lin. | 20 | 0.2 W | PCSCH |
| R 22 | 57.41.4680 | 68 | 5 | 0.12 W | CSCH |
| R 23 | 57.41.4153 | 15 k | 5 | 0.12 W | CSCH |
| R 24 | 57.41.4104 | 100 k | 5 | 0.12 W | CSCH |
| R 25 | 57.41.4332 | 3.3 k | 5 | 0.12 W | CSCH |
| R 26 | 57.41.4682 | 6.8 k | 5 | 0.12 W | CSCH |
| R 27 | 57.41.4682 | 6.8 k | 5 | 0.12 W | CSCH |
| R 28 | 58.02.4502 | 5 k lin. | 20 | 0.2 W | PCSCH |
| R 29 | 57.41.4680 | 68 | 5 | 0.12 W | CSCH |
| R 30 | 57.41.4153 | 15 k | 5 | 0.12 W | CSCH |
| R 31 | 57.41.4224 | 220 k | 5 | 0.12 W | CSCH |
| R 32 | 57.41.4472 | 4.7 k | 5 | 0.12 W | CSCH |
| R 33 | 57.41.4472 | 4.7 k | 5 | 0.12 W | CSCH |
| R 34 | 57.41.4472 | 4.7 k | 5 | 0.12 W | CSCH |
| R 35 | 57.41.4330 | 33 | 5 | 0.12 W | CSCH |
| R 36 | 57.41.4105 | 1 M | 5 | 0.12 W | CSCH |
| R 37 | 57.41.4272 | 2.7 k | 5 | 0.12 W | CSCH |
| R 38 | 57.41.4562 | 5.6 k | 5 | 0.12 W | CSCH |
| R 39 | 57.41.4472 | 4.7 k | 5 | 0.12 W | CSCH |
| R 40 | 57.41.4272 | 2.7 k | 5 | 0.12 W | CSCS |
| R 41 | 58.02.4502 | 5 k lin. | 20 | 0.2 W | PCSCH |
| R 42 | 57.41.4680 | 68 | 5 | 0.12 W | CSCH |
| R 43 | 57.41.4153 | 15 k | 5 | 0.12 W | CSCH |
| R 44 | 57.41.4104 | 100 k | 5 | 0.12 W | CSCH |
| R 45 | 57.41.4104 | 100 k | 5 | 0.12 W | CSCH |
| R 46 | 57.41.4391 | 390 | 5 | 0.12 W | CSCH |
| R 47 | 57.41.4152 | 1.5 k | 5 | 0.12 W | CSCH |
| R 48 | 57.41.4682 | 6.8 k | 5 | 0.12 W | CSCH |
| R 49 | 57.41.4182 | 1.8 k | 5 | 0.12 W | CSCH |
| R 50 | 57.41.4332 | 3,3 k | 5 | 0.12 W | CSCH |
| R 51 | 58.02.4502 | 5 k lin. | 20 | 0.2 W | PCSCH |
| R 52 | 57.41.4680 | 68 | 5 | 0.12 W | CSCH |
| R 53 | 57.41.4153 | 15 k | 5 | 0.12 W | CSCH |
| R 54 | 57.41.4104 | 100 k | 5 | 0.12 W | CSCH |
| R 55 | 57.41.4332 | 3.3 k | 5 | 0.12 W | CSCH |
| R 56 | 57.41.4682 | 6.8 k | 5 | 0.12 W | CSCH |
| R 57 | 57.41.4682 | 6.8 k | 5 | 0.12 W | CSCH |
| R 58 | 58.02.4502 | 5 k lin. | 20 | 0.2 W | PCSCH |
| R 59 | 57.41.4680 | 68 | 5 | 0.12 W | CSCH |
| R 60 | 57.41.4153 | 15 k | 5 | 0.12 W | CSCH |
| R 61 | 57.41.4224 | 220 k | 5 | 0.12 W | CSCH |
| R 62 | 57.41.4472 | 4.7 k | 5 | 0.12 W | CSCH |
| R 63 | 57.41.4472 | 4.7 k | 5 | 0.12 W | CSCH |
| R 64 | 57.41.4472 | 4.7 k | 5 | 0.12 W | CSCH |
| R 65 | 57.41.4330 | 33 | 5 | 0.12 W | CSCH |
| R 66 | 57.41.4105 | 1 M | 5 | 0.12 W | CSCH |
| R 67 | 57.41.4472 | 4.7 k | 5 | 0.12 W | CSCH |
| R 68 | 58.02.4502 | 5 k lin. | 20 | 0.2 W | PCSCH |
| R 69 | 57.41.4330 | 33 | 5 | 0.12 W | CSCH |
| R 70 | 57.41.4471 | 470 | 5 | 0.12 W | CSCH |
| R 71 | 57.41.4471 | 470 | 5 | 0.12 W | CSCH |
| R 72 | 57.41.4103 | 10 k | 5 | 0.12 W | CSCH |
| POSITION | ORDER NUMBER | SPECIFICATIONS | ||
| Value | Tolerance % | Notes | ||
| 1.067.261 | Record Amplifier CCIR Modifications to 1.067.260! | ||||
| C 6 | 59.11.4472 | 4.7 n | 2.5 | 160 V | PC |
| C 7 | 59.11.4472 | 4.7 n | 2.5 | 160 V | PC |
| C 9 | blank | ||||
| C 11 | 59.32.0101 | 100 p | 20 | 500 V | KER |
| C14 | 59.11.4472 | 4.7 n | 2.5 | 160 V | PC |
| C 16 | blank | ||||
| C 25 | 59.11.4472 | 4.7 n | 2.5 | 160 V | PC |
| C 26 | 59.11.4472 | 4.7 n | 2.5 | 160 V | PC |
| C 28 | blank | ||||
| C 30 | 59.32.0101 | 100 p | 20 | 500 V | KER |
| C 33 | 59.11.4472 | 4.7 n | 2.5 | 160 V | PC |
| C 35 | blank | ||||
| R 8 | 57.41.4331 | 330 | 5 | 0.12 W | CSCH |
| R 13 | blank | ||||
| R 14 | 57.41.4153 | 15 k | 5 | 0.12 W | CSCH |
| R 19 | 57.41.4331 | 330 | 5 | 0.12 W | CSCH |
| R 23 | blank | ||||
| R 24 | 57.41.4153 | 15 k | 5 | 0.12 W | CSCH |
| R 38 | 57.41.4331 | 330 | 5 | 0.12 W | CSCH |
| R 43 | blank | ||||
| R 44 | 57.41.4153 | 15 k | 5 | 0.12 W | CSCH |
| R 49 | 57.41.4331 | 330 | 5 | 0.12 W | CSCH |
| R 53 | blank | ||||
| R 54 | 57.41.4153 | 15 k | 5 | 0.12 W | CSCH |



1.067.270

1.067.271
| POSITION | ORDER NUMBER | SPECIFICATIONS | ||
| Value | Tolerance % | Notes | ||
1.067.270
Reproduce Amplifier NAB
| C 1 | 59.32.0101 | 100 p | 20 | 500 V | KER |
| C 2 | 59.11.3103 | 10 n | 5 | 160 V | PC |
| C 3 | 59.99.0183 | 4.7 p ± 0.25 p | 50 V | KER | |
| C 4 | 59.30.4100 | 10 u | -20 | 16 V | TA |
| C 5 | 59.11.6471 | 470 p | 5 | 400 V | PC |
| C 6 | 59.11.6471 | 470 p | 5 | 400 V | PC |
| C 7 | 59.11.3103 | 10 n | 5 | 160 V | PC |
| C 8 | 59.30.1101 | 100 u | -20 | 3 V | TA |
| C 9 | 59.11.3103 | 10 n | 5 | 160 V | PC |
| C 10 | 59.11.3103 | 10 n | 5 | 160 V | PC |
| C 11 | 59.11.3103 | 10 n | 5 | 160 V | PC |
| C 12 | 59.31.6223 | 22 n | 10 | 100 V | MPETP |
| C 13 | 59.32.0101 | 100 p | 20 | 500 V | KER |
| C 14 | 59.11.3103 | 10 n | 5 | 160 V | PC |
| C 15 | 59.99.0183 | 4.7 p ± 0.25 p | 50 V | KER | |
| C 16 | 59.30.4100 | 10 u | -20 | 16 V | TA |
| C 17 | 59.11.6471 | 470 p | 5 | 400 V | PC |
| C 18 | 59.11.6471 | 470 p | 5 | 400 V | PC |
| C 19 | 59.11.3103 | 10 n | 5 | 160 V | PC |
| C 20 | 59.30.1101 | 100 u | -20 | 3 V | TA |
| C 21 | 59.11.3103 | 10 n | 5 | 160 V | PC |
| C 22 | 59.11.3103 | 10 n | 5 | 160 V | PC |
| C 23 | 59.11.3103 | 10 n | 5 | 160 V | PC |
| C 24 | 59.31.6223 | 22 n | 10 | 100 V | MPETP |
| C 25 | 59.99.0181 | 10 n | 80 | 50 V | KER |
| C 26 | 59.99.0181 | 10 n | 80 | 50 V | KER |
| D 1 | 50.04.0125 | 1 N 4448 only | SI | ||
| D 2 | 50.04.0109 | 1 N 4448 eq | SI | ||
| D 3 | 50.04.0125 | 1 N 4448 only | SI | ||
| D 4 | 50.04.0109 | 1 N 4448 eq | SI |
IC 1 50.05.0141 TBA 931-3
L1 62.02.1222 2.2m 5
L2 62.02.1222 2.2m 5
Q1 50.03.0464 BC108B
Q2 50.03.0464 BC108B
Q3 50.03.0464 BC108B
Q4 50.03.0464 BC108B
Q5 50.03.0464 BC108B
Q6 50.03.0464 BC108B
Q7 50.03.0464 BC108B
Q8 50.03.0464 BC108B
Q9 50.03.0318 BC178B
| POSITION | ORDER NUMBER | SPECIFICATIONS | ||
| Value | Tolerance % | Notes | ||
| R 1 | 57.41.4823 | 82 k | 5 | 0.12 W | CSCH |
| R 2 | 57.41.4330 | 33 | 5 | 0.12 W | CSCH |
| R 3 | 57.41.4105 | 1 M | 5 | 0.12 W | CSCH |
| R 4 | 57.41.4561 | 560 | 5 | 0.12 W | CSCH |
| R 5 | 58.02.4502 | 5 k lin. | 20 | 0.2 W | PCSCH |
| R 6 | 57.41.4152 | 1.5 k | 5 | 0.12 W | CSCH |
| R 7 | 57.41.4271 | 270 | 5 | 0.12 W | CSCH |
| R 8 | 57.41.4274 | 270 k | 5 | 0.12 W | CSCH |
| R 9 | 57.41.4472 | 4.7 k | 5 | 0.12 W | CSCH |
| R 10 | 57.41.4102 | 1 k | 5 | 0.12 W | CSCH |
| R 11 | 57.41.4271 | 270 | 5 | 0.12 W | CSCH |
| R 12 | 57.41.4334 | 330 k | 5 | 0.12 W | CSCH |
| R 13 | 57.41.4472 | 4.7 k | 5 | 0.12 W | CSCH |
| R 14 | 57.41.4102 | 1 k | 5 | 0.12 W | CSCH |
| R 15 | 57.41.4271 | 270 | 5 | 0.12 W | CSCH |
| R 16 | 57.41.4394 | 390 k | 5 | 0.12 W | CSCH |
| R 17 | 57.41.4103 | 10 k | 5 | 0.12 W | CSCH |
| R 18 | 57.41.4101 | 100 | 5 | 0.12 W | CSCH |
| R 19 | 57.41.4102 | 1 k | 5 | 0.12 W | CSCH |
| R 20 | 57.41.4153 | 15 k | 5 | 0.12 W | CSCH |
| R 21 | 58.02.4502 | 5 k lin. | 20 | 0.2 W | PCSCH |
| R 22 | 57.41.4153 | 15 k | 5 | 0.12 W | CSCH |
| R 23 | 57.41.4823 | 82 k | 5 | 0.12 W | CSCH |
| R 24 | 57.41.4330 | 33 | 5 | 0.12 W | CSCH |
| R 25 | 57.41.4105 | 1 M | 5 | 0.12 W | CSCH |
| R 26 | 57.41.4561 | 560 | 5 | 0.12 W | CSCH |
| R 27 | 58.02.4502 | 5 k lin. | 20 | 0.2 W | PCSCH |
| R 28 | 57.41.4152 | 1.5 k | 5 | 0.12 W | CSCH |
| R 29 | 57.41.4271 | 270 | 5 | 0.12 W | CSCH |
| R 30 | 57.41.4274 | 270 k | 5 | 0.12 W | CSCH |
| R 31 | 57.41.4472 | 4.7 k | 5 | 0.12 W | CSCH |
| R 32 | 57.41.4102 | 1 k | 5 | 0.12 W | CSCH |
| R 33 | 57.41.4271 | 270 | 5 | 0.12 W | CSCH |
| R 34 | 57.41.4334 | 330 k | 5 | 0.12 W | CSCH |
| R 35 | 57.41.4472 | 4.7 k | 5 | 0.12 W | CSCH |
| R 36 | 57.41.4102 | 1 k | 5 | 0.12 W | CSCH |
| R 37 | 57.41.4271 | 270 | 5 | 0.12 W | CSCH |
| R 38 | 57.41.4394 | 390 k | 5 | 0.12 W | CSCH |
| R 39 | 57.41.4103 | 10 k | 5 | 0.12 W | CSCH |
| R 40 | 57.41.4101 | 100 | 5 | 0.12 W | CSCH |
| R 41 | 57.41.4102 | 1 k | 5 | 0.12 W | CSCH |
| R 42 | 57.41.4152 | 1.5 k | 5 | 0.12 W | CSCH |
| R 43 | 57.41.4152 | 1.5 k | 5 | 0.12 W | CSCH |
| R 44 | 57.41.4152 | 1.5 k | 5 | 0.12 W | CSCH |
| R 45 | 57.41.4472 | 4.7 k | 5 | 0.12 W | CSCH |
| R 46 | 57.41.4472 | 4.7 k | 5 | 0.12 W | CSCH |
| R 47 | 57.41.4392 | 3.9 k | 5 | 0.12 W | CSCH |
| POSITION | ORDER NUMBER | SPECIFICATIONS | ||
| Value | Tolerance % | Notes | ||
1.067.271
Reproduce Amplifier CCIR

Interconnection PC Board
Circuit imprimé d'interconnexion



| POSITION | ORDER NUMBER | SPECIFICATIONS | ||
| Value | Tolerance - % | Notes | ||
| 1.067.415 | Interconnection PC Board 1 | ||||
| C 1 | 59.31.1104 | 0.1 u | 20 | 100 V | MPETP |
| C 2 | 59.31:1104 | 0.1 u | 20 | 100 V | MPETP |
| C 3 | 59.30.4100 | 10 u | 50 | 16 V | TA |
| C 4 | 59.30.1101 | 100 u | 50 | 3 V | TA |
| C 5 | 59.31.9472 | 4.7 n | 10 | 160 V | PETP |
| C 6 | 59.12.4473 | 47 n | 5 | 250 V | MPETP |
| C 7 | 59.12.4473 | 47 n | 5 | 250 V | MPETP |
| C 8 | 59.30.6109 | 1 u | 50 | 35 V | TA |
| C 9 | 59.30.1470 | 47 u | 50 | 3 V | TA |
| C 10 | 59.32.2220 | 22 p | 5 | 40 V | KER |
| C 11 | 59.31.9103 | 10 n | 10 | 160 V | MPETP |
| C 12 | 59.27.2470 | 47 u | 50 | 16 V | EL |
| C 13 | 59.30.4100 | 10 u | 50 | 16 V | TA |
| C 14 | 59.30.1101 | 100 u | 50 | 3 V | TA |
| C 15 | 59.31.9472 | 4.7 n | 10 | 160 V | PETP |
| C 16 | 59.12.4473 | 47 n | 5 | 250 V | MPETP |
| C 17 | 59.12.4473 | 47 n | 5 | 250 V | MPETP |
| C 18 | 59.30.6109 | 1 u | 50 | 35 V | TA |
| C 19 | 59.30.1470 | 47 u | 50 | 3 V | TA |
| C 20 | 59.32.2220 | 22 p | 5 | 40 V | KER |
| C 21 | 59.31.9103 | 10 n | 10 | 160 V | MPETP |
| C 22 | 59.27.2470 | 47 u | 50 | 16 V | EL |
| C 23 | 59.31.1224 | 0.22 u | 20 | 100 V | MPETP |
| C 24 | 59.32.1151 | 150 p | 10 | 500 V | KER |
| C 25 | 59.32.1151 | 150 p | 10 | 500 V | KER |
| C 26 | 59.99.0264 | 1 u | 20 | 100 V | MPETP |
| D 1 | 50.04.0122 | 1 N 4001 | SI | ||
| IC 1 | 50.05.0141 | TBA 931-3 | LIN | ||
| IC 2 | 50.05.0140 | TBA 931-2 | LIN | ||
| J 1 | 54.01.0289 | Socket Strip | AMP | ||
| J 2 | 54.01.0216 | Socket Strip | AMP | ||
| J 3a | 54.01.0215 | Socket Strip | AMP | ||
| J 3b | 54.01.0218 | Socket Strip | AMP | ||
| J 3c | 54.01.0215 | Socket Strip | AMP | ||
| J 4a | 54.01.0241 | Socket Strip | AMP | ||
| J 4b | 54.01.0241 | Socket Strip | AMP | ||
| J 5a | 54.01.0241 | Socket Strip | AMP | ||
| J 5b | 54.01.0218 | Socket Strip | AMP | ||
| J 6 | 54.01.0241 | Socket Strip | AMP | ||
| J 7 | 54.01.0292 | Socket Strip | AMP | ||
| J 8 | 54.01.0290 | Socket Strip | AMP | ||
| J 9 | 54.01.0289 | Socket Strip | AMP | ||
| POSITION | ORDER NUMBER | SPECIFICATIONS | ||
| Value | Tolerance % | Notes | ||
| R 1 | 57.41.4683 | 68 k | 5 | 0.25 W | CSCH |
| R 2 | 57.41.4221 | 220 | 5 | 0.25 W | CSCH |
| R 3 | 57.41.4104 | 100 k | 5 | 0.25 W | CSCH |
| R 4 | 57.41.4104 | 100 k | 5 | 0.25 W | CSCH |
| R 5 | 57.41.4271 | 270 | 5 | 0.25 W | CSCH |
| R 6 | 57.41.4333 | 33 k | 5 | 0.25 W | CSCH |
| R 7 | 57.41.4822 | 8.2 k | 5 | 0.25 W | CSCH |
| R 8 | 57.41.4683 | 68 k | 5 | 0.25 W | CSCH |
| R 9 | 57.41.4680 | 68 | 5 | 0.25 W | CSCH |
| R 10 | 57.41.4153 | 15 k | 5 | 0.25 W | CSCH |
| R 11 | 57.41.4182 | 1.8 k | 5 | 0.25 W | CSCH |
| R 12 | 57.41.4104 | 100 k | 5 | 0.25 W | CSCH |
| R 13 | 57.41.4272 | 2.7 k | 5 | 0.25 W | CSCH |
| R 14 | 57.41.4473 | 47 k | 5 | 0.25 W | CSCH |
| R 15 | 57.41.4330 | 33 | 5 | 0.25 W | CSCH |
| R 16 | 57.41.4472 | 4.7 k | 5 | 0.25 W | CSCH |
| R 17 | 57.41.4333 | 33 k | 5 | 0.25 W | CSCH |
| R 18 | 57.41.4683 | 68 k | 5 | 0.25 W | CSCH |
| R 19 | 57.41.4221 | 220 | 5 | 0.25 W | CSCH |
| R 20 | 57.41.4104 | 100 k | 5 | 0.25 W | CSCH |
| R 21 | 57.41.4104 | 100 k | 5 | 0.25 W | CSCH |
| R 22 | 57.41.4271 | 270 | 5 | 0.25 W | CSCH |
| R 23 | 57.41.4333 | 33 K | 5 | 0.25 W | CSCH |
| R 24 | 57.41.4822 | 8,2 K | 5 | 0.25 W | CSCH |
| R 25 | 57.41.4683 | 68 K | 5 | 0.25 W | CSCH |
| R 26 | 57.41.4680 | 68 | 5 | 0.25 W | CSCH |
| R 27 | 57.41.4153 | 15 K | 5 | 0.25 W | CSCH |
| R 28 | 57.41.4182 | 1.8 K | 5 | 0.25 W | CSCH |
| R 29 | 57.41.4183 | 18 K | 5 | 0.25 W | CSCH |
| R 30 | 57.41.4183 | 18 K | 5 | 0.25 W | CSCH |
| R 31 | 57.41.4183 | 18 K | 5 | 0.25 W | CSCH |
| R 32 | 57.41.4183 | 18 K | 5 | 0.25 W | CSCH |
| R 33 | 57.41.4104 | 100 K | 5 | 0.25 W | CSCH |
| R 34 | 57.41.4272 | 2.7 K | 5 | 0.25 W | CSCH |
| R 35 | 57.41.4473 | 47 K | 5 | 0.25 W | CSCH |
| R 36 | 57.41.4330 | 33 | 5 | 0.25 W | CSCH |
| R 37 | 57.41.4472 | 4.7 K | 5 | 0.25 W | CSCH |
| R 38 | 57.41.4333 | 33 K | 5 | 0.25 W | CSCH |
| R 39 | 57.41.4392 | 3.9 K | 5 | 0.25 W | CSCH |
| R 40 | 57.41.4392 | 3.9 K | 5 | 0.25 W | CSCH |
| R 41 | 57.55.5101 | 100 | 10 | 2 W | DR |
| R 42 | 57.55.5101 | 100 | 10 | 2 W | DR |
| R 43 | 57.41.4560 | 56 | 5 | 0.25 W | CSCH |
| R 44 | 57.41.4271 | 270 | 5 | 0.25 W | CSCH |
| R 45 | 57.55.5101 | 100 | 10 | 2 W | DR |
| R 46 | 57.55.5101 | 100 | 10 | 2 W | DR |
| R 47 | 57.41.4560 | 56 | 5 | 0.25 W | CSCH |
| R 48 | 57.41.4271 | 270 | 5 | 0.25 W | CSCH |
1.067.415 ②

Interconnection PC Board
Verbindungs Print
Circuit imprimé d'interconnexion


| POSITION | ORDER NUMBER | SPECIFICATIONS | ||
| Value | Tolerance % | Notes | ||
| 1.067.415 | Interconnection PC Board | ||||
| C 1 | 59.31.1104 | 0.1 u | 20 | 100 V | MPETP |
| C 2 | 59.31.1104 | 0.1 u | 20 | 100 V | MPETP |
| C 3 | 59.30.4100 | 10 u | 50 | 16 V | TA |
| C 4 | 59.30.1101 | 100 u | 50 | 3 V | TA |
| C 5 | 59.31.9472 | 4.7 n | 10 | 160 V | PETP |
| C 6 | 59.12.4473 | 47 n | 5 | 250 V | MPETP |
| C 7 | 59.12.4473 | 47 n | 5 | 250 V | MPETP |
| C 8 | 59.30.6109 | 1 u | 50 | 35 V | TA |
| C 9 | 59.30.1470 | 47 u | 50 | 3 V | TA |
| C 10 | 59.32.2220 | 22 p | 5 | 40 V | KER |
| C 11 | 59.31.9103 | 10 n | 10 | 160 V | MPETP |
| C 13 | 59.30.4100 | 10 u | 50 | 16 V | TA |
| C 14 | 59.30.1101 | 100 u | 50 | 3 V | TA |
| C 15 | 59.31.9472 | 4.7 n | 10 | 160 V | PETP |
| C 16 | 59.12.4473 | 47 n | 5 | 250 V | MPETP |
| C 17 | 59.12.4473 | 47 n | 5 | 250 V | MPETP |
| C 18 | 59.30.6109 | 1 u | 50 | 35 V | TA |
| C 19 | 59.30.1470 | 47 u | 50 | 3 V | TA |
| C 20 | 59.32.2220 | 22 p | 5 | 40 V | KER |
| C 21 | 59.31.9103 | 10 n | 10 | 160 V | MPETP |
| C 23 | 59.31.1224 | 0.22 u | 20 | 100 V | MPETP |
| C 24 | 59.32.1151 | 150 p | 10 | 500 V | KER |
| C 25 | 59.32.1151 | 150 p | 10 | 500 V | KER |
| C 26 | 59.99.0264 | 1 u | 20 | 100 V | MPETP |
| D 1 | 50.04.0122 | 1 N 4001 | SI | ||
| J 1 | 54.01.0289 | Socket Strip | AMP | ||
| J 2 | 54.01.0216 | Socket Strip | AMP | ||
| J 3a | 54.01.0215 | Socket Strip | AMP | ||
| J 3b | 54.01.0218 | Socket Strip | AMP | ||
| J 3c | 54.01.0215 | Socket Strip | AMP | ||
| J 4a | 54.01.0241 | Socket Strip | AMP | ||
| J 4b | 54.01.0241 | Socket Strip | AMP | ||
| J 5a | 54.01.0241 | Socket Strip | AMP | ||
| J 5b | 54.01.0218 | Socket Strip | AMP | ||
| J 6 | 54.01.0241 | Socket Strip | AMP | ||
| J 7 | 54.01.0292 | Socket Strip | AMP | ||
| J 8 | 54.01.0290 | Socket Strip | AMP | ||
| J 9 | 54.01.0289 | Socket Strip | AMP | ||
| POSITION | ORDER NUMBER | SPECIFICATIONS | ||
| Value | Tolerance % | Notes | ||
| R 1 | 57.41.4683 | 68 k | 5 | 0.25 W | CSCH |
| R 2 | 57.41.4221 | 220 | 5 | 0.25 W | CSCH |
| R 3 | 57.41.4104 | 100 k | 5 | 0.25 W | CSCH |
| R 4 | 57.41.4104 | 100 k | 5 | 0.25 W | CSCH |
| R 5 | 57.41.4271 | 270 | 5 | 0.25 W | CSCH |
| R 6 | 57.41.4333 | 33 k | 5 | 0.25 W | CSCH |
| R 7 | 57.41.4822 | 8.2 k | 5 | 0.25 W | CSCH |
| R 8 | 57.41.4683 | 68 k | 5 | 0.25 W | CSCH |
| R 9 | 57.41.4680 | 68 | 5 | 0.25 W | CSCH |
| R 10 | 57.41.4153 | 15 k | 5 | 0.25 W | CSCH |
| R 11 | 57.41.4182 | 1.8 k | 5 | 0.25 W | CSCH |
| R 12 | 57.41.4104 | 100 k | 5 | 0.25 W | CSCH |
| R 13 | 57.41.4272 | 2.7 k | 5 | 0.25 W | CSCH |
| R 14 | 57.41.4473 | 47 k | 5 | 0.25 W | CSCH |
| R 15 | 57.41.4330 | 33 | 5 | 0.25 W | CSCH |
| R 16 | 57.41.4472 | 4.7 k | 5 | 0.25 W | CSCH |
| R 17 | 57.41.4333 | 33 k | 5 | 0.25 W | CSCH |
| R 18 | 57.41.4683 | 68 k | 5 | 0.25 W | CSCH |
| R 19 | 57.41.4221 | 220 | 5 | 0.25 W | CSCH |
| R 20 | 57.41.4104 | 100 k | 5 | 0.25 W | CSCH |
| R 21 | 57.41.4104 | 100 k | 5 | 0.25 W | CSCH |
| R 22 | 57.41.4271 | 270 | 5 | 0.25 W | CSCH |
| R 23 | 57.41.4333 | 33 K | 5 | 0.25 W | CSCH |
| R 24 | 57.41.4822 | 8,2 K | 5 | 0.25 W | CSCH |
| R 25 | 57.41.4683 | 68 K | 5 | 0.25 W | CSCH |
| R 26 | 57.41.4680 | 68 | 5 | 0.25 W | CSCH |
| R 27 | 57.41.4153 | 15 K | 5 | 0.25 W | CSCH |
| R 28 | 57.41.4182 | 1.8 K | 5 | 0.25 W | CSCH |
| R 29 | 57.41.4183 | 18 K | 5 | 0.25 W | CSCH |
| R 30 | 57.41.4183 | 18 K | 5 | 0.25 W | CSCH |
| R 31 | 57.41.4183 | 18 K | 5 | 0.25 W | CSCH |
| R 32 | 57.41.4183 | 18 K | 5 | 0.25 W | CSCH |
| R 33 | 57.41.4104 | 100 K | 5 | 0.25 W | CSCH |
| R 34 | 57.41.4272 | 2.7 K | 5 | 0.25 W | CSCH |
| R 35 | 57.41.4473 | 47 K | 5 | 0.25 W | CSCH |
| R 36 | 57.41.4330 | 33 | 5 | 0.25 W | CSCH |
| R 37 | 57.41.4472 | 4.7 K | 5 | 0.25 W | CSCH |
| R 38 | 57.41.4333 | 33 K | 5 | 0.25 W | CSCH |
| R 39 | 57.41.4392 | 3.9 K | 5 | 0.25 W | CSCH |
| R 40 | 57.41.4392 | 3.9 K | 5 | 0.25 W | CSCH |
| R 41 | 57.55.5101 | 100 | 10 | 2 W | DR |
| R 42 | 57.55.5101 | 100 | 10 | 2 W | DR |
| R 43 | 57.41.4560 | 56 | 5 | 0.25 W | CSCH |
| R 44 | 57.41.4271 | 270 | 5 | 0.25 W | CSCH |
| R 45 | 57.55.5101 | 100 | 10 | 2 W | DR |
| R 46 | 57.55.5101 | 100 | 10 | 2 W | DR |
| R 47 | 57.41.4560 | 56 | 5 | 0.25 W | CSCH |
| R 48 | 57.41.4271 | 270 | 5 | 0.25 W | CSCH |
| POSITION | ORDER NUMBER | SPECIFICATIONS | ||
| Value | Tolerance % | Notes | ||
| 1.067.447 | Separation PC Board | ||||
| C 1 | 59.27.2470 | 47 u | 50 | 16 V | EL |
| C 2 | 59.27.2470 | 47 u | 50 | 16 V | EL |


| POSITION | ORDER NUMBER | SPECIFICATIONS | ||
| Value | Tolerance % | Notes | ||
| 1.067.415 | Interconnection PC Board | ||||
| C 1 | 59.31.1104 | 0.1 u | 20 | 100 V | MPETP |
| C 2 | 59.31.1104 | 0.1 u | 20 | 100 V | MPETP |
| C 3 | 59.30.4100 | 10 u | 50 | 16 V | TA |
| C 4 | 59.30.1101 | 100 u | 50 | 3 V | TA |
| C 5 | 59.31.9472 | 4.7 n | 10 | 160 V | PETP |
| C 6 | 59.12.4473 | 47 n | 5 | 250 V | MPETP |
| C 7 | 59.12.4473 | 47 n | 5 | 250 V | MPETP |
| C 8 | 59.30.6109 | 1 u | 50 | 35 V | TA |
| C 9 | 59.30.1470 | 47 u | 50 | 3 V | TA |
| C 10 | 59.32.2220 | 22 p | 5 | 40 V | KER |
| C 11 | 59.31.9103 | 10 n | 10 | 160 V | MPETP |
| C 12 | 59.27.2470 | 47 u | 50 | 16 V | EL |
| C 13 | 59.30.4100 | 10 u | 50 | 16 V | TA |
| C 14 | 59.30.1101 | 100 u | 50 | 3 V | TA |
| C 15 | 59.31.9472 | 4.7 n | 10 | 160 V | PETP |
| C 16 | 59.12.4473 | 47 n | 5 | 250 V | MPETP |
| C 17 | 59.12.4473 | 47 n | 5 | 250 V | MPETP |
| C 18 | 59.30.6109 | 1 u | 50 | 35 V | TA |
| C 19 | 59.30.1470 | 47 u | 50 | 3 V | TA |
| C 20 | 59.32.2220 | 22 p | 5 | 40 V | KER |
| C 21 | 59.31.9103 | 10 n | 10 | 160 V | MPETP |
| C 22 | 59.27.2470 | 47 u | 50 | 16 V | EL |
| C 23 | 59.31.1224 | 0.22 u | 20 | 100 V | MPETP |
| C 24 | 59.32.1151 | 150 p | 10 | 500 V | KER |
| C 25 | 59.32.1151 | 150 p | 10 | 500 V | KER |
| C 26 | 59.99.0264 | 1 u | 20 | 100 V | MPETP |
| D 1 | 50.04.0122 | 1 N 4001 | SI | ||
| J 1 | 54.01.0289 | Socket Strip | AMP | ||
| J 2 | 54.01.0216 | Socket Strip | AMP | ||
| J 3a | 54.01.0215 | Socket Strip | AMP | ||
| J 3b | 54.01.0218 | Socket Strip | AMP | ||
| J 3c | 54.01.0215 | Socket Strip | AMP | ||
| J 4a | 54.01.0241 | Socket Strip | AMP | ||
| J 4b | 54.01.0241 | Socket Strip | AMP | ||
| J 5a | 54.01.0215 | Socket Strip | AMP | ||
| J 5b | 54.01.0218 | Socket Strip | AMP | ||
| J 6 | 54.01.0241 | Socket Strip | AMP | ||
| J 7 | 54.01.0292 | Socket Strip | AMP | ||
| J 8 | 54.01.0290 | Socket Strip | AMP | ||
| J 9 | 54.01.0289 | Socket Strip | AMP | ||
| POSITION | ORDER NUMBER | SPECIFICATIONS | ||
| Value | Tolerance % | Notes | ||
| R 1 | 57.41.4683 | 68 k | 5 | 0.25 W | CSCH |
| R 2 | 57.41.4221 | 220 | 5 | 0.25 W | CSCH |
| R 3 | 57.41.4104 | 100 k | 5 | 0.25 W | CSCH |
| R 4 | 57.41.4104 | 100 k | 5 | 0.25 W | CSCH |
| R 5 | 57.41.4271 | 270 | 5 | 0.25 W | CSCH |
| R 6 | 57.41.4333 | 33 k | 5 | 0.25 W | CSCH |
| R 7 | 57.41.4822 | 8.2 k | 5 | 0.25 W | CSCH |
| R 8 | 57.41.4683 | 68 k | 5 | 0.25 W | CSCH |
| R 9 | 57.41.4680 | 68 | 5 | 0.25 W | CSCH |
| R 10 | 57.41.4153 | 15 k | 5 | 0.25 W | CSCH |
| R 11 | 57.41.4182 | 1.8 k | 5 | 0.25 W | CSCH |
| R 12 | 57.41.4104 | 100 k | 5 | 0.25 W | CSCH |
| R 13 | 57.41.4272 | 2.7 k | 5 | 0.25 W | CSCH |
| R 14 | 57.41.4473 | 47 k | 5 | 0.25 W | CSCH |
| R 15 | 57.41.4330 | 33 | 5 | 0.25 W | CSCH |
| R 16 | 57.41.4472 | 4.7 k | 5 | 0.25 W | CSCH |
| R 17 | 57.41.4333 | 33 k | 5 | 0.25 W | CSCH |
| R 18 | 57.41.4683 | 68 k | 5 | 0.25 W | CSCH |
| R 19 | 57.41.4221 | 220 | 5 | 0.25 W | CSCH |
| R 20 | 57.41.4104 | 100 k | 5 | 0.25 W | CSCH |
| R 21 | 57.41.4104 | 100 k | 5 | 0.25 W | CSCH |
| R 22 | 57.41.4271 | 270 | 5 | 0.25 W | CSCH |
| R 23 | 57.41.4333 | 33 K | 5 | 0.25 W | CSCH |
| R 24 | 57.41.4822 | 8,2 K | 5 | 0.25 W | CSCH |
| R 25 | 57.41.4683 | 68 K | 5 | 0.25 W | CSCH |
| R 26 | 57.41.4680 | 68 | 5 | 0.25 W | CSCH |
| R 27 | 57.41.4153 | 15 K | 5 | 0.25 W | CSCH |
| R 28 | 57.41.4182 | 1.8 K | 5 | 0.25 W | CSCH |
| R 29 | 57.41.4183 | 18 K | 5 | 0.25 W | CSCH |
| R 30 | 57.41.4183 | 18 K | 5 | 0.25 W | CSCH |
| R 31 | 57.41.4183 | 18 K | 5 | 0.25 W | CSCH |
| R 32 | 57.41.4183 | 18 K | 5 | 0.25 W | CSCH |
| R 33 | 57.41.4104 | 100 K | 5 | 0.25 W | CSCH |
| R 34 | 57.41.4272 | 2.7 K | 5 | 0.25 W | CSCH |
| R 35 | 57.41.4473 | 47 K | 5 | 0.25 W | CSCH |
| R 36 | 57.41.4330 | 33 | 5 | 0.25 W | CSCH |
| R 37 | 57.41.4472 | 4.7 K | 5 | 0.25 W | CSCH |
| R 38 | 57.41.4333 | 33 K | 5 | 0.25 W | CSCH |
| R 39 | 57.41.4392 | 3.9 K | 5 | 0.25 W | CSCH |
| R 40 | 57.41.4392 | 3.9 K | 5 | 0.25 W | CSCH |
| R 41 | 57.55.5101 | 100 | 10 | 2 W | DR |
| R 42 | 57.55.5101 | 100 | 10 | 2 W | DR |
| R 43 | 57.41.4560 | 56 | 5 | 0.25 W | CSCH |
| R 44 | 57.41.4271 | 270 | 5 | 0.25 W | CSCH |
| R 45 | 57.55.5101 | 100 | 10 | 2 W | DR |
| R 46 | 57.55.5101 | 100 | 10 | 2 W | DR |
| R 47 | 57.41.4560 | 56 | 5 | 0.25 W | CSCH |
| R 48 | 57.41.4271 | 270 | 5 | 0.25 W | CSCH |

1.067.405 1

Amplificateur d'entrée
Input amplifier

| POSITION | ORDER NUMBER | SPECIFICATIONS | ||
| Value | Tolerance % | Notes | ||
| 1.067.405 | Input Amplifier | ||||
| C 1 | 59.34.2220 | 22 p | 5 | 50 V | KER |
| C 2 | 59.34.2220 | 22 p | 5 | 50 V | KER |
| C 3 | 59.30.6100 | 10 u | 50 | 35 V | TA |
| C 4 | 59.30.1101 | 100 u | 50 | 3 V | TA |
| C 5 | 59.31.9103 | 10 n | 10 | 160 V | MPETP |
| C 6 | 59.34.2220 | 22 p | 5 | 50 V | KER |
| C 7 | 59.30.2220 | 22 u | 50 | 6 V | TA |
| C 8 | 59.34.2220 | 22 p | 5 | 50 V | KER |
| C 9 | 59.30.6109 | 1 u | 50 | 35 V | TA |
| C 10 | 59.30.1101 | 100 u | 50 | 3 V | TA |
| C 11 | 59.31.9103 | 10 n | 10 | 160 V | MPETP |
| C 12 | 59.34.2220 | 22 p | 5 | 50 V | KER |
| C 13 | 59.30.2220 | 22 u | 50 | 6 V | TA |
| C 14 | 59.31.9103 | 10 n | 10 | 160 V | MPETP |
| C 15 | 59.34.1829 | 8.2 p | 5 | 50 V | KER |
| C 16 | 59.30.2220 | 22 u | 50 | 6 V | TA |
| C 17 | 59.31.0334 | 0.33 u | 20 | 63 V | MPETP |
| C 18 | 59.34.2220 | 22 p | 5 | 50 V | KER |
| C 19 | 59.34.2220 | 22 p | 5 | 50 V | KER |
| C 20 | 59.30.6100 | 10 u | 50 | 35 V | TA |
| C 21 | 59.30.1101 | 100 u | 50 | 3 V | TA |
| C 22 | 59.31.9103 | 10 n | 10 | 160 V | MPETP |
| C 23 | 59.34.2220 | 22 p | 5 | 50 V | KER |
| C 24 | 59.30.2220 | 22 u | 50 | 6 V | TA |
| C 25 | 59.34.2220 | 22 p | 5 | 50 V | KER |
| C 26 | 59.30.6109 | 1 u | 50 | 35 V | TA |
| C 27 | 59.30.1101 | 100 u | 50 | 3 V | TA |
| C 28 | 59.31.9103 | 10 n | 10 | 160 V | MPETP |
| C 29 | 59.34.2220 | 22 p | 5 | 50 V | KER |
| C 30 | 59.30.2220 | 22 u | 50 | 6 V | TA |
| C 31 | 59.31.9103 | 10 n | 10 | 160 V | MPETP |
| C 32 | 59.34.1829 | 8.2 p | 5 | 50 V | KER |
| C 33 | 59.30.2220 | 22 u | 50 | 6 V | TA |
| C 34 | 59.31.4104 | 0.1 u | 20 | 160 V | MPETP |
| C 35 | 59.31.4104 | 0.1 u | 20 | 160 V | MPETP |
| IC 1 | 50.05.0141 | TBA 931-3 | LIN | ||
| IC 2 | 50.05.0141 | TBA 931-3 | LIN | ||
| IC 3 | 50.05.0140 | TBA 931-2 | LIN | ||
| J 1 | 54.01.0218 | Socket Strip | AMP | ||
| J 2 | 54.01.0238 | Socket Strip | AMP | ||
| J 3 | 54.01.0239 | Socket Strip | AMP | ||
| J 4 | 54.01.0242 | Socket Strip | AMP | ||
| J 5 | 54.01.0239 | Socket Strip | AMP | ||
| POSITION | ORDER NUMBER | SPECIFICATIONS | |||
| Value | Tolerance % | Notes | |||
| Q 1 | 50.03.0331 | 2 N 5639 | NDFET | ||
| Q 2 | 50.03.0331 | 2 N 5639 | NDFET | ||
| P 1a | 54.01.0221 | Pin Strip | AMP | ||
| P 1b | 54.01.0223 | Pin Strip | AMP | ||
| P 1c | 54.01.0221 | Pin Strip | AMP | ||
| R 1 | 57.41.4473 | 47 k | 5 | 0.25 W | CSCH |
| R 2 | 57.41.4473 | 47 k | 5 | 0.25 W | CSCH |
| R 3 | 57.41.4104 | 100 k | 5 | 0.25 W | CSCH |
| R 4 | 57.41.4680 | 68 | 5 | 0.25 W | CSCH |
| R 5 | 57.41.4182 | 1.8 k | 5 | 0.25 W | CSCH |
| R 6 | 57.41.4471 | 470 | 5 | 0.25 W | CSCH |
| R 7 | 57.41.4222 | 2.2 k | 5 | 0.25 W | CSCH |
| R 8 | 57.41.4330 | 33 | 5 | 0.25 W | CSCH |
| R 9 | 57.41.4472 | 4.7 k | 5 | 0.25 W | CSCH |
| R 10 | 57.11.4472 | 4.7 k | 5 | 0.25 W | CSCH |
| R 11 | 57.41.4683 | 68 k | 5 | 0.25 W | CSCH |
| R 12 | 57.41.4473 | 47 k | 5 | 0.25 W | CSCH |
| R 13 | 57.41.4104 | 100 k | 5 | 0.25 W | CSCH |
| R 14 | 57.41.4680 | 68 | 5 | 0.25 W | CSCH |
| R 15 | 57.41.4182 | 1.8 k | 5 | 0.25 W | CSCH |
| R 16 | 57.41.4222 | 2.2 k | 5 | 0.25 W | CSCH |
| R 17 | 57.41.4330 | 33 | 5 | 0.25 W | CSCH |
| R 18 | 57.41.4472 | 4.7 k | 5 | 0.25 W | CSCH |
| R 19 | 57.41.4103 | 10 k | 5 | 0.25 W | CSCH |
| R 20 | 57.41.4103 | 10 k | 5 | 0.25 W | CSCH |
| R 21 | 57.41.4103 | 10 k | 5 | 0.25 W | CSCH |
| R 22 | 57.41.4103 | 10 k | 5 | 0.25 W | CSCH |
| R 23 | 57.41.4330 | 33 | 5 | 0.25 W | CSCH |
| R 24 | 57.41.4224 | 220 k | 5 | 0.25 W | CSCH |
| R 25 | 57.41.4273 | 27 k | 5 | 0.25 W | CSCH |
| R 26 | 57.41.4101 | 100 | 5 | 0.25 W | CSCH |
| R 27 | 57.41.4104 | 100 k | 5 | 0.25 W | CSCH |
| R 28 | 57.41.4105 | 1 M | 5 | 0.25 W | CSCH |
| R 29 | 57.41.4473 | 47 k | 5 | 0.25 W | CSCH |
| R 30 | 57.41.4473 | 47 k | 5 | 0.25 W | CSCH |
| R 31 | 57.41.4104 | 100 k | 5 | 0.25 W | CSCH |
| R 32 | 57.41.4680 | 68 | 5 | 0.25 W | CSCH |
| R 33 | 57.41.4182 | 1.8 k | 5 | 0.25 W | CSCH |
| R 34 | 57.41.4471 | 470 | 5 | 0.25 W | CSCH |
| R 35 | 57.41.4222 | 2.2 k | 5 | 0.25 W | CSCH |
| R 36 | 57.41.4330 | 33 | 5 | 0.25 W | CSCH |
| R 37 | 57.41.4472 | 4.7 k | 5 | 0.25 W | CSCH |
| R 38 | 57.11.4472 | 4.7 k | 5 | 0.25 W | CSCH |
| R 39 | 57.41.4683 | 68 k | 5 | 0.25 W | CSCH |
| R 40 | 57.41.4473 | 47 k | 5 | 0.25 W | CSCH |
| POSITION | ORDER NUMBER | SPECIFICATIONS | ||
| Value | Tolerance % | Notes | ||
| R 41 | 57.41.4104 | 100 k | 5 | 0.25 W | CSCH |
| R 42 | 57.41.4680 | 68 | 5 | 0.25 W | CSCH |
| R 43 | 57.41.4182 | 1.8 k | 5 | 0.25 W | CSCH |
| R 44 | 57.41.4222 | 2.2 k | 5 | 0.25 W | CSCH |
| R 45 | 57.41.4330 | 33 | 5 | 0.25 W | CSCH |
| R 46 | 57.41.4472 | 4.7 k | 5 | 0.25 W | CSCH |
| R 47 | 57.41.4103 | 10 k | 5 | 0.25 W | CSCH |
| R 48 | 57.41.4103 | 10 k | 5 | 0.25 W | CSCH |
| R 49 | 57.41.4103 | 10 k | 5 | 0.25 W | CSCH |
| R 50 | 57.41.4103 | 10 k | 5 | 0.25 W | CSCH |
| R 51 | 57.41.4330 | 33 | 5 | 0.25 W | CSCH |
| R 52 | 57.41.4224 | 220 k | 5 | 0.25 W | CSCH |
| R 53 | 57.41.4273 | 27 k | 5 | 0.25 W | CSCH |
| R 54 | 57.41.4101 | 100 | 5 | 0.25 W | CSCH |
| R 55 | 57.11.4681 | 680 | 5 | 0.25 W | CSCH |
| R 56 | 57.11.4331 | 330 | 5 | 0.25 W | CSCH |
| R 57 | 57.11.4681 | 680 | 5 | 0.25 W | CSCH |
| R 58 | 57.11.4331 | 330 | 5 | 0.25 W | CSCH |


Input amplifier
Eingangs Verstärker Amplificateur d'entrée


| POSITION | ORDER NUMBER | SPECIFICATIONS | ||
| Value | Tolerance % | Notes | ||
| 1.067.405 | Input Amplifier | ||||
| C 1 | 59.34.2220 | 22 p | 5 | 50 V | KER |
| C 2 | 59.34.2220 | 22 p | 5 | 50 V | KER |
| C 3 | 59.30.6109 | 1 u | 50 | 35 V | TA |
| C 4 | 59.30.1101 | 100 u | 50 | 3 V | TA |
| C 5 | 59.31.9103 | 10 n | 10 | 160 V | MPETP |
| C 6 | 59.34.2220 | 22 p | 5 | 50 V | KER |
| C 7 | 59.30.2220 | 22 u | 50 | 6 V | TA |
| C 8 | 59.34.2220 | 22 p | 5 | 50 V | KER |
| C 9 | 59.30.6109 | 1 u | 50 | 35 V | TA |
| C 10 | 59.30.1101 | 100 u | 50 | 3 V | TA |
| C 11 | 59.31.9103 | 10 n | 10 | 160 V | MPETP |
| C 12 | 59.34.2220 | 22 p | 5 | 50 V | KER |
| C 13 | 59.30.2220 | 22 u | 50 | 6 V | TA |
| C 14 | 59.31.9103 | 10 n | 10 | 160 V | MPETP |
| C 15 | 59.34.1829 | 8.2 p | 5 | 50 V | KER |
| C 16 | 59.30.2220 | 22 u | 50 | 6 V | TA |
| C 17 | 59.31.0334 | 0.33 u | 20 | 63 V | MPETP |
| C 18 | 59.34.2220 | 22 p | 5 | 50 V | KER |
| C 19 | 59.34.2220 | 22 p | 5 | 50 V | KER |
| C 20 | 59.30.6109 | 1 u | 50 | 35 V | TA |
| C 21 | 59.30.1101 | 100 u | 50 | 3 V | TA |
| C 22 | 59.31.9103 | 10 n | 10 | 160 V | MPETP |
| C 23 | 59.34.2220 | 22 p | 5 | 50 V | KER |
| C 24 | 59.30.2220 | 22 u | 50 | 6 V | TA |
| C 25 | 59.34.2220 | 22 p | 5 | 50 V | KER |
| C 26 | 59.30.6109 | 1 u | 50 | 35 V | TA |
| C 27 | 59.30.1101 | 100 u | 50 | 3 V | TA |
| C 28 | 59.31.9103 | 10 n | 10 | 160 V | MPETP |
| C 29 | 59.34.2220 | 22 p | 5 | 50 V | KER |
| C 30 | 59.30.2220 | 22 u | 50 | 6 V | TA |
| C 31 | 59.31.9103 | 10 n | 10 | 160 V | MPETP |
| C 32 | 59.34.1829 | 8.2 p | 5 | 50 V | KER |
| C 33 | 59.30.2220 | 22 u | 50 | 6 V | TA |
| C 34 | 59.31.4104 | 0.1 u | 20 | 160 V | MPETP |
| C 35 | 59.31.4104 | 0.1 u | 20 | 160 V | MPETP |
| IC 1 | 50.05.0141 | TBA 931-3 | LIN | ||
| IC 2 | 50.05.0140 | TBA 931-2 | LIN | ||
| IC 3 | 50.05.0141 | TBA 931-3 | LIN | ||
| J 1 | 54.01.0218 | Socket Strip | AMP | ||
| J 2 | 54.01.0238 | Socket Strip | AMP | ||
| J 3 | 54.01.0239 | Socket Strip | AMP | ||
| J 4 | 54.01.0242 | Socket Strip | AMP | ||
| J 5 | 54.01.0239 | Socket Strip | AMP | ||
| POSITION | ORDER NUMBER | SPECIFICATIONS | |||
| Value | Tolerance % | Notes | |||
| Q 1 | 50.03.0331 | 2 N 5639 | NDFET | ||
| Q 2 | 50.03.0331 | 2 N 5639 | NDFET | ||
| P 1a | 54.01.0221 | Pin Strip | AMP | ||
| P 1b | 54.01.0223 | Pin Strip | AMP | ||
| P 1c | 54.01.0221 | Pin Strip | AMP | ||
| R 1 | 57.41.4473 | 47 k | 5 | 0.25 W | CSCH |
| R 2 | 57.41.4473 | 47 k | 5 | 0.25 W | CSCH |
| R 3 | 57.41.4104 | 100 k | 5 | 0.25 W | CSCH |
| R 4 | 57.41.4680 | 68 | 5 | 0.25 W | CSCH |
| R 5 | 57.41.4182 | 1.8 k | 5 | 0.25 W | CSCH |
| R 6 | 57.41.4471 | 470 | 5 | 0.25 W | CSCH |
| R 7 | 57.41.4222 | 2.2 k | 5 | 0.25 W | CSCH |
| R 8 | 57.41.4330 | 33 | 5 | 0.25 W | CSCH |
| R 9 | 57.41.4472 | 4.7 k | 5 | 0.25 W | CSCH |
| R 10 | 57.41.4333 | 33 k | 5 | 0.25 W | CSCH |
| R 11 | 57.41.4683 | 68 k | 5 | 0.25 W | CSCH |
| R 12 | 57.41.4473 | 47 k | 5 | 0.25 W | CSCH |
| R 13 | 57.41.4104 | 100 k | 5 | 0.25 W | CSCH |
| R 14 | 57.41.4680 | 68 | 5 | 0.25 W | CSCH |
| R 15 | 57.41.4182 | 1.8 k | 5 | 0.25 W | CSCH |
| R 16 | 57.41.4222 | 2.2 k | 5 | 0.25 W | CSCH |
| R 17 | 57.41.4330 | 33 | 5 | 0.25 W | CSCH |
| R 18 | 57.41.4472 | 4.7 k | 5 | 0.25 W | CSCH |
| R 19 | 57.41.4103 | 10 k | 5 | 0.25 W | CSCH |
| R 20 | 57.41.4103 | 10 k | 5 | 0.25 W | CSCH |
| R 21 | 57.41.4103 | 10 k | 5 | 0.25 W | CSCH |
| R 22 | 57.41.4103 | 10 k | 5 | 0.25 W | CSCH |
| R 23 | 57.41.4330 | 33 | 5 | 0.25 W | CSCH |
| R 24 | 57.41.4224 | 220 k | 5 | 0.25 W | CSCH |
| R 25 | 57.41.4273 | 27 k | 5 | 0.25 W | CSCH |
| R 26 | 57.41.4101 | 100 | 5 | 0.25 W | CSCH |
| R 27 | 57.41.4104 | 100 k | 5 | 0.25 W | CSCH |
| R 28 | 57.41.4105 | 1 M | 5 | 0.25 W | CSCH |
| R 29 | 57.41.4473 | 47 k | 5 | 0.25 W | CSCH |
| R 30 | 57.41.4473 | 47 k | 5 | 0.25 W | CSCH |
| R 31 | 57.41.4104 | 100 k | 5 | 0.25 W | CSCH |
| R 32 | 57.41.4680 | 68 | 5 | 0.25 W | CSCH |
| R 33 | 57.41.4182 | 1.8 k | 5 | 0.25 W | CSCH |
| R 34 | 57.41.4471 | 470 | 5 | 0.25 W | CSCH |
| R 35 | 57.41.4222 | 2.2 k | 5 | 0.25 W | CSCH |
| R 36 | 57.41:4330 | 33 | 5 | 0.25 W | CSCH |
| R 37 | 57.41.4472 | 4.7 k | 5 | 0.25 W | CSCH |
| R 38 | 57.41.4333 | 33 K | 5 | 0.25 W | CSCH |
| R 39 | 57.41.4683 | 68 k | 5 | 0.25 W | CSCH |
| R 40 | 57.41.4473 | 47 k | 5 | 0.25 W | CSCH |
| POSITION | ORDER NUMBER | SPECIFICATIONS | ||
| Value | Tolerance % | Notes | ||
| R 41 | 57.41.4104 | 100 k | 5 | 0.25 W | CSCH |
| R 42 | 57.41.4680 | 68 | 5 | 0.25 W | CSCH |
| R 43 | 57.41.4182 | 1.8 k | 5 | 0.25 W | CSCH |
| R 44 | 57.41.4222 | 2.2 k | 5 | 0.25 W | CSCH |
| R 45 | 57.41.4330 | 33 | 5 | 0.25 W | CSCH |
| R 46 | 57.41.4472 | 4.7 k | 5 | 0.25 W | CSCH |
| R 47 | 57.41.4103 | 10 k | 5 | 0.25 W | CSCH |
| R 48 | 57.41.4103 | 10 k | 5 | 0.25 W | CSCH |
| R 49 | 57.41.4103 | 10 k | 5 | 0.25 W | CSCH |
| R 50 | 57.41.4103 | 10 k | 5 | 0.25 W | CSCH |
| R 51 | 57.41.4330 | 33 | 5 | 0.25 W | CSCH |
| R 52 | 57.41.4224 | 220 k | 5 | 0.25 W | CSCH |
| R 53 | 57.41.4273 | 27 k | 5 | 0.25 W | CSCH |
| R 54 | 57.41.4101 | 100 | 5 | 0.25 W | CSCH |
| R 55 | 57.11.4681 | 680 | 5 | 0.25 W | CSCH |
| R 56 | 57.11.4331 | 330 | 5 | 0.25 W | CSCH |
| R 57 | 57.11.4681 | 680 | 5 | 0.25 W | CSCH |
| R 58 | 57.11.4331 | 330 | 5 | 0.25 W | CSCH |
| R 59 | 57.41.4183 | 18 k | 5 | 0.25 W | CSCH |
| R 60 | 57.41.4183 | 18 k | 5 | 0.25 W | CSCH |


A 26
Transformateur d'entrée (MIC 1)
1.067.430

A 27
Transformateur d'entrée (MIC 2)

1.067.430

1.067.425
| POSITION | ORDER NUMBER | SPECIFICATIONS | ||
| Value | Tolerance % | Notes | ||
| 1.067.430 | Input Transformer | ||||
| C 1 | 59.34.4271 | 270 p | 5 | 50 V | KER |
| C 2 | 59.34.4271 | 270 p | 5 | 50 V | KER |
| J 1 | 54.01.0216 | Socket Strip | AMP | ||
| P 1 | 54.01.0227 | Pin Strip | AMP | ||
| R 1 | 57.41.4123 | 12 k | 5 | 0.25 W | CSCH |
| R 2 | 57.41.4123 | 12 k | 5 | 0.25 W | CSCH |
| T 1 | 1.022.400 | Micro-Input Transformer 1 : 4 | |||
| T 2 | 1.022.400 | Micro-Input Transformer 1 : 4 | |||
| POSITION | ORDER NUMBER | SPECIFICATIONS | ||
| Value | Tolerance % | Notes | ||
| 1.067.425 | VU-Meter Amplifier | ||||
| C 1 | 59.30.4100 | 10 u | 50 | 16 V | TA |
| C 2 | 59.32.0221 | 220 p | 20 | 500 V | KER |
| C 3 | 59.30.4100 | 10 u | 50 | 16 V | TA |
| C 4 | 59.30.4339 | 3.3 u | 50 | 35 V | TA |
| C 5 | 59.30.4100 | 10 u | 50 | 16 V | TA |
| C 6 | 59.32.0221 | 220 p | 20 | 500 V | KER |
| C 7 | 59.30.4100 | 10 u | 50 | 16 V | TA |
| C 8 | 59.30.4339 | 3.3 u | 50 | 16 V | TA |
| D 1 | 50.04.0109 | 1 N 4448 Equiv. | SI | ||
| D 2 | 50.04.0109 | 1 N 4448 Equiv. | SI | ||
| D 3 | 50.04.0109 | 1 N 4448 Equiv. | SI | ||
| D 4 | 50.04.0109 | 1 N 4448 Equiv. | SI | ||
| D 5 | 50.04.0109 | 1 N 4448 Equiv. | SI | ||
| D 6 | 50.04.0953 | AA 116 | GE | ||
| D 7 | 50.04.0953 | AA 116 | GE | ||
| D 8 | 50.04.0109 | 1 N 4448 Equiv. | SI | ||
| D 9 | 50.04.0109 | 1 N 4448 Equiv. | SI | ||
| D 10 | 50.04.0109 | 1 N 4448 Equiv. | SI | ||
| D 11 | 50.04.0109 | 1 N 4448 Equiv. | SI | ||
| D 12 | 50.04.0109 | 1 N 4448 Equiv. | SI | ||
| D 13 | 50.04.0953 | AA 116 | GE | ||
| D 14 | 50.04.0953 | AA 116 | GE | ||
| P 1 | 54.01.0273 | Pin Strip | AMP | ||
| Q 1 | 50.03.0438 | BC 108 B | NPN | ||
| Q 2 | 50.03.0318 | BC 178 B | PNP | ||
| Q 3 | 50.03.0438 | BC 108 B | NPN | ||
| Q 4 | 50.03.0438 | BC 108 B | NPN | ||
| Q 5 | 50.03.0438 | BC 108 B | NPN | ||
| Q 6 | 50.03.0438 | BC 108 B | NPN | ||
| Q 7 | 50.03.0438 | BC 108 B | NPN | ||
| Q 8 | 50.03.0438 | BC 108 B | NPN | ||
| Q 9 | 50.03.0438 | BC 108 B | NPN | ||
| Q 10 | 50.03.0318 | BC 178 B | PNP | ||
| Q 11 | 50.03.0438 | BC 108 B | NPN | ||
| Q 12 | 50.03.0438 | BC 108 B | NPN | ||
| Q 13 | 50.03.0438 | BC 108 B | NPN | ||
| Q 14 | 50.03.0438 | BC 108 B | NPN | ||
| Q 15 | 50.03.0438 | BC 108 B | NPN | ||
| Q 16 | 50.03.0438 | BC 108 B | NPN | ||
| POSITION | ORDER NUMBER | SPECIFICATIONS | ||
| Value | Tolerance % | Notes | ||
| R 1 | 58.02.4503 | 50 k LIN | 20 | 0.1 W | PCSCH |
| R 2 | 57.41.4473 | 47 k | 5 | 0.25 W | CSCH |
| R 3 | 57.41.4332 | 3.3 k | 5 | 0.25 W | CSCH |
| R 4 | 57.41.4153 | 15 k | 5 | 0.25 W | CSCH |
| R 5 | 57.41.4682 | 6.8 k | 5 | 0.25 W | CSCH |
| R 7 | 57.41.4222 | 2.2 k | 5 | 0.25 W | CSCH |
| R 8 | 57.41.4472 | 4.7 k | 5 | 0.25 W | CSCH |
| R 9 | 58.02.4503 | 50 k LIN | 20 | 0.1 W | PCSCH |
| R 10 | 57.41.4562 | 5.6 k | 5 | 0.25 W | CSCH |
| R 11 | 57.41.4103 | 10 k | 5 | 0.25 W | CSCH |
| R 12 | 57.41.4103 | 10 k | 5 | 0.25 W | CSCH |
| R 13 | 57.41.4103 | 10 k | 5 | 0.25 W | CSCH |
| R 14 | 57.41.4682 | 6.8 k | 5 | 0.25 W | CSCH |
| R 15 | 57.41.4821 | 820 | 5 | 0.25 W | CSCH |
| R 16 | 57.41.4473 | 47 k | 5 | 0.25 W | CSCH |
| R 17 | 57.41.4153 | 15 k | 5 | 0.25 W | CSCH |
| R 18 | 57.41.4103 | 10 k | 5 | 0.25 W | CSCH |
| R 19 | 57.41.4103 | 10 k | 5 | 0.25 W | CSCH |
| R 20 | 57.41.4472 | 4.7 k | 5 | 0.25 W | CSCH |
| R 21 | 57.41.4271 | 270 | 5 | 0.25 W | CSCH |
| R 22 | 57.41.4272 | 2.7 k | 5 | 0.25 W | CSCH |
| R 23 | 57.41.4272 | 2.7 k | 5 | 0.25 W | CSCH |
| R 24 | 58.02.4503 | 50 k LIN | 20 | 0.1 W | PCSCH |
| R 25 | 57.41.4473 | 47 k | 5 | 0.25 W | CSCH |
| R 26 | 57.41.4332 | 3.3 k | 5 | 0.25 W | CSCH |
| R 27 | 57.41.4153 | 15 k | 5 | 0.25 W | CSCH |
| R 28 | 57.41.4682 | 6.8 k | 5 | 0.25 W | CSCH |
| R 30 | 57.41.4222 | 2.2 k | 5 | 0.25 W | CSCH |
| R 31 | 57.41.4472 | 4.7 k | 5 | 0.25 W | CSCH |
| R 32 | 58.02.4503 | 50 k LIN | 20 | 0.1 W | PCSCH |
| R 33 | 57.41.4562 | 5.6 k | 5 | 0.25 W | CSCH |
| R 34 | 57.41.4103 | 10 k | 5 | 0.25 W | CSCH |
| R 35 | 57.41.4103 | 10 k | 5 | 0.25 W | CSCH |
| R 36 | 57.41.4103 | 10 k | 5 | 0.25 W | CSCH |
| R 37 | 57.41.4682 | 6.8 k | 5 | 0.25 W | CSCH |
| R 38 | 57.41.4821 | 820 | 5 | 0.25 W | CSCH |
| R 39 | 57.41.4473 | 47 k | 5 | 0.25 W | CSCH |
| R 40 | 57.41.4153 | 15 k | 5 | 0.25 W | CSCH |
| R 41 | 57.41.4103 | 10 k | 5 | 0.25 W | CSCH |
| R 42 | 57.41.4103 | 10 k | 5 | 0.25 W | CSCH |
| R 43 | 57.41.4472 | 4.7 k | 5 | 0.25 W | CSCH |
| R 44 | 57.41.4271 | 270 | 5 | 0.25 W | CSCH |
| R 45 | 57.41.4272 | 2.7 k | 5 | 0.25 W | CSCH |
| R 46 | 57.41.4272 | 2.7 k | 5 | 0.25 W | CSCH |


| POSITION | ORDER NUMBER | SPECIFICATIONS | ||
| Value | Tolerance % | Notes | ||
| 1.067.410 | Tone Control | ||||
| C 1 | 59.12.2223 | 22 n | 5 | 100 V | PETP |
| C 2 | 59.11.6471 | 470 p | 5 | 400 V | PC |
| C 3 | 59.34.2220 | 22 p | 5 | 50 V | KER |
| C 4 | 59.12.2223 | 22 n | 5 | 100 V | PETP |
| C 5 | 59.30.3479 | 4,7 u | 50 | 10 V | TA |
| C 6 | 59.31.4104 | 0.1 u | 20 | 160 V | MPETP |
| C 7 | 59.31.9103 | 10 n | 10 | 160 V | PETP |
| C 8 | 59.34.0569 | 5.6 p | 0.5p | 50 V | KER |
| C 9 | 59.31.0334 | 0.33 u | 20 | 63 V | MPETP |
| C 10 | 59.34.0569 | 5,6 p | 0.5p | 50 V | KER |
| C 11 | 59.30.4100 | 10 u | 50 | 16 V | TA |
| C 12 | 59.12.2223 | 22 n | 5 | 100 V | PETP |
| C 13 | 59.11.6471 | 470 p | 5 | 400 V | PC |
| C 14 | 59.34.2220 | 22 p | 5 | 50 V | KER |
| C 15 | 59.12.2223 | 22 n | 5 | 100 V | PETP |
| C 16 | 59.30.3479 | 4,7 u | 50 | 10 V | TA |
| C 17 | 59.31.4104 | 0.1 u | 20 | 160 V | MPETP |
| C 18 | 59.31.9103 | 10 n | 10 | 160 V | PETP |
| C 19 | 59.34.0569 | 5.6 p | 0.5p | 50 V | KER |
| C 20 | 59.31.0334 | 0.33 u | 20 | 63 V | MPETP |
| C 21 | 59.34.0569 | 5.6 p | 0.5p | 50 V | KER |
| C 22 | 59.30.4100 | 10 u | 50 | 16 V | TA |
| C 23 | 59.31.4104 | 0.1 u | 20 | 160 V | MPETP |
| C 24 | 59.31.4104 | 0.1 u | 20 | 160 V | MPETP |
| IC 1 | 50.05.0141 | TBA 931-3 | LIN | ||
| P 1a | 54.01.0224 | Pin Strip | AMP | ||
| P 1b | 54.01.0224 | Pin Strip | AMP | ||
| R 1 | 57.38.8452 | 84.5 k | 1 | 0.25 W | MF |
| R 2 | 57.38.1622 | 16.2 k | 1 | 0.25 W | MF |
| R 3 | 57.38.8452 | 84.5 k | 1 | 0.25 W | MF |
| R 4 | 57.41.4330 | 33 | 5 | 0.25 W | CSCH |
| R 5 | 57.41.4105 | 1 M | 5 | 0.25 W | CSCH |
| R 6 | 57.41.4104 | 100 k | 5 | 0.25 W | CSCH |
| R 7 | 57.38.8452 | 84.5 k | 1 | 0.25 W | MF |
| R 8 | 57.38.1622 | 16.2 k | 1 | 0.25 W | MF |
| R 9 | 57.38.8452 | 84.5 k | 1 | 0.25 W | MF |
| R 10 | 57.41.4330 | 33 | 5 | 0.25 W | CSCH |
| R 11 | 57.41.4105 | 1 M | 5 | 0.25 W | CSCH |
| R 12 | 57.41.4104 | 100 k | 5 | 0.25 W | CSCH |
| RZ 1 | 1.010.008.57 | 54.54 k | 2 | 0.25 W | MF |
| RZ 2 | 1.010.007.57 | 453.6 k | 2 | 0.25 W | MF |
| RZ 3 | 1.010.008.57 | 54.54 k | 2 | 0.25 W | MF |
| RZ 4 | 1.010.007.57 | 453.6 k | 2 | 0.25 W | MF |

A 31 Headphone amplifier Kopfhorer Verstärker Amplificateur d'écouteur


1.067.420

1.067.421
| POSITION | ORDER NUMBER | SPECIFICATIONS | ||
| Value | Tolerance % | Notes | ||
| 1.067.420 | Headphone Amplifier | ||||
| C 1 | 59.32.0101 | 100 p | 20 | 500 V | KER |
| C 2 | 59.32.1330 | 33 p | 10 | 500 V | KER |
| C 3 | 59.25.4221 | 220 u | 100 | 25 V | EL |
| C 4 | 59.32.0101 | 100 p | 20 | 500 V | KER |
| C 5 | 59.32.1330 | 33 p | 10 | 500 V | KER |
| C 6 | 59.25.4221 | 220 u | 100 | 25 V | EL |
| IC 1 | 50.05.0156 | TY 30086 | LIN | ||
| IC 2 | 50.05.0156 | TY 30086 | LIN | ||
| P 1a | 54.01.0224 | Pin Strip | AMP | ||
| P 1b | 54.01.0223 | Pin Strip | AMP | ||
| Q 1 | 50.03.0456 | BD 517-5 | NPN | ||
| Q 2 | 50.03.0455 | BD 518-5 | PNP | ||
| Q 3 | 50.03.0456 | BD 517-5 | NPN | ||
| Q 4 | 50.03.0455 | BD 518-5 | PNP | ||
| R 1 | 57.41.4822 | 8.2 k | 5 | 0.25 W | CSCH |
| R 2 | 57.41.4470 | 47 | 5 | 0.25 W | CSCH |
| R 3 | 57.41.4470 | 47 | 5 | 0.25 W | CSCH |
| R 4 | 57.41.4273 | 27 k | 5 | 0.25 W | CSCH |
| R 5 | 57.41.4471 | 470 | 5 | 0.25 W | CSCH |
| R 6 | 57.41.4471 | 470 | 5 | 0.25 W | CSCH |
| R 7 | 57.41.4822 | 8,2 k | 5 | 0.25 W | CSCH |
| R 8 | 57.41.4470 | 47 | 5 | 0.25 W | CSCH |
| R 9 | 57.41.4470 | 47 | 5 | 0.25 W | CSCH |
| R 10 | 57.41.4273 | 27 k | 5 | 0.25 W | CSCH |
| R 11 | 57.41.4471 | 470 | 5 | 0.25 W | CSCH |
| R 12 | 57.41.4471 | 470 | 5 | 0.25 W | CSCH |
| POSITION | ORDER NUMBER | SPECIFICATIONS | |||
| Value | Tolerance % | Notes | |||
| 1.067.421 | Headphone Amplifier | ||||
| C 1 | 59.32.0101 | 100 p | 20 | 500 V | KER |
| C 2 | 59.32.1330 | 33 p | 10 | ||
| C 3 | 59.25.4221 | 220 u | 100 | 25 V | EL |
| C 4 | 59.32.0101 | 100 p | 20 | 500 V | KER |
| C 5 | 59.32.1330 | 33 p | 10 | 500 V | KER |
| C 6 | 59.25.4221 | 220 u | 100 | 50 V | EL |
| C 7 | 59.31.4104 | 0,1 u | 20 | 160 V | MPETP |
| C 8 | 59.30.4220 | 22 u | 50 | 16 V | TA |
| D 1 | 50.04.1117 | 12 V | 5 | 0,4 W | Z |
| D 2 | 50.04.0109 | 1 N 4448 | SI | ||
| D 3 | 50.04.0109 | 1 N 4448 | SI | ||
| IC 1 | 50.05.0156 | TY 30086 | LIN | ||
| IC 2 | 54.01.0223 | TY 30086 | LIN | ||
| K 1 | 56.04.0123 | ||||
| P 1a | 54.01.0224 | Pin Strip | AMP | ||
| P 1b | 54.01.0223 | Pin Strip | AMP | ||
| Q 1 | 50.03.0456 | BD 517-5 | NPN | ||
| Q 2 | 50.03.0455 | BD 518-5 | PNP | ||
| Q 3 | 50.03.0456 | BD 517-5 | NPN | ||
| Q 4 | 50.03.0455 | BD 518-5 | PNP | ||
| Q 5 | 50.03.0436 | BC 107 B | NPN | ||
| Q 6 | 50.03.0436 | BC 107 B | NPN | ||
| Q 7 | 50.03.0318 | BC 178 B | PNP | ||
| R 1 | 57.41.4822 | 8.2 k | 5 | 0.25 W | CSCH |
| R 2 | 57.41.4470 | 47 | 5 | 0.25 W | CSCH |
| R 3 | 57.41.4470 | 47 | 5 | 0.25 W | CSCH |
| R 4 | 57.41.4273 | 27 k | 5 | 0.25 W | CSCH |
| R 5 | 57.41.4471 | 470 | 5 | 0.25 W | CSCH |
| R 6 | 57.41.4471 | 470 | 5 | 0.25 W | CSCH |
| R 7 | 57.41.4822 | 8.2 k | 5 | 0.25 W | CSCH |
| R 8 | 57.41.4470 | 47 | 5 | 0.25 W | CSCH |
| R 9 | 57.41.4470 | 47 | 5 | 0.25 W | CSCH |
| R 10 | 57.41.4273 | 27 k | 5 | 0.25 W | CSCH |
| R 11 | 57.41.4471 | 470 | 5 | 0.25 W | CSCH |
| R 12 | 57.41.4471 | 470 | 5 | 0.25 W | CSCH |
| R 13 | 57.41.4821 | 820 | 5 | 0.25 W | CSCH |
| R 14 | 57.41.4221 | 220 | 5 | 0.25 W | CSCH |
| R 15 | 57.41.4104 | 100 k | 5 | 0.25 W | CSCH |
| POSITION | ORDER NUMBER | SPECIFICATIONS | ||
| Value | Tolerance % | Notes | ||
| R 16 | 57.41.4104 | 100 k | 5 | 0.25 W CSCH |
| R 17 | 57.41.4562 | 5.6 k | 5 | 0.25 W CSCH |
| R 18 | 57.41.4564 | 560 k | 5 | 0.25 W CSCH |
| R 19 | 57.41.4564 | 560 k | 5 | 0.25 W CSCH |
| R 20 | 57.41.4391 | 390 | 5 | 0.25 W CSCH |
TO INPUT AMPLIFIER
P.C. BDO 20 967.405
TO INTERCONP CBA084 167.415
TO INTERCNECTIONS
P 8BA01 0.67..5-15
1 + u7 = 4q
1 + u1 - 1 = ( 1 + u) u1 < 1 = u

BAC = 90^ D = 90^
m - 1 0 ;




CHASSIS

Front panel
Front Platte
Panneau frontal

| POSITION | ORDER NUMBER | SPECIFICATIONS | ||
| Value | Tolerance % | Notes | ||
Les schémas d'appareils électroniques complexes sont souvent fastidieux à déchiffrer et risquent de provoquer de fausses interpréta-tions. Pour cette raison, nous avons établi grâce à l'ordinateur, une liste complète des connexions révélant ainsi tous les raccordements à l'intérieur du magnétophone A700.
Pour facilitier le represse, l'ensemble de l'électronique est divisé en 32 groupes (GR) numérotes de A1 à A32. Chaque groupe est sous-divisé en éléments (EL) dont les points de raccordements (PT) sont codés.
Gruppen
La table suivante indique le role de chaque groupe dans le magnétophone A700.
A 1 Câble secteur et prise de commande à distance
A 2 Transformateur d'alimentation
A 3 Plaquette du relais
A 4 Alimentation
A 5 Commande du mecanisme
A 6 Circuit analyseur gauche
A7 Circuit analyseur droit
A 8 Réglage du moteur de bobinage (côté débiteur)
A 9 Moteur de bobinage, cote débiteur (M1)
A10 Réglage du moteur de bobinage (côté récepteur)
A11 Moteur de bobinage, côté récepteur (M2)
A12 Electro-aimant (galet presseur)
A13 Electro-aimant (écarteur de bande)
A14 Electro-aimant (freins)
A15 Regulateur de vitesse du cabestan
A16 Réglage du moteur du cabestan
A17 Moteur du cabestan (R3)
A18 Transistor de puissance et condensateurs de déphasage
A19 Plaquette de base
A21 Oscillaturer
A22 Amplificateur d'enregistrement
| A25 Verbindungs-Print A26 Eingangs-Transformer (MIC 1) A27 Eingangs-Transformer (MIC 2) A28 Eingangs-Verträger A29 VU-Meter Verträger A30 Klangregler A31 Kopfhörer-Verträger A32 Frontplatte | A25 Interconnection board A26 Input transformer (MIC 1) A27 Input transformer (MIC 2) A28 Input amplifier A29 VU-meter amplifier A30 Tone control A31 Headphone amplifier A32 Front panel | A23 Amplificateur de lecture A24 Bloc des têtes A25 Circuit imprimé d'interconnexion A26 Transformateur d'entrée (MIC 1) A27 Transformateur d'entrée (MIC 2) A28 Amplificateur d'entrée A29 Amplificateur des VU-mêtres A30 Correcteur de tonality A31 Amplificateur d'écouteur A32 Panneau frontal | |||
| Elemente, Punkte | Elements, Points | Eléments, points | |||
| Gruppen die über mehrere Steckerleisten oder andere Einheiten verfügen, sind in Elemente (EL) aufgeült. Diese Elemente sind die Träger der Anschluss-Punkte (PT). | Groups which contain more than one connection or subassembly are subdivided into elements (EL). The elements are provided with connecting points (PT). | Les groupes devant receivevoir plusieurs prises ou unités sont répartis en éléments (EL). Ces éléments sont les supports des points de raccordements (PT). | |||
| Die einzelnen Listen sind entsprechend den Ausführungen folgendermassen getrennt: | There are separate lists for the following executions: | Chaque liste correspondant aux différences versions, est séparée de la manière suivante: | |||
| LOCATION PIN LIST Druck schwarz | LOCATION PIN LIST black printing | LOCATION PIN LIST impression noire | |||
| SIGNAL WIRE LIST Druck blau | SIGNAL WIRE LIST blue printing | SIGNAL WIRE LIST impression bleue | |||
| LOCATION PIN LIST | LOCATION PIN LIST | LOCATION PIN LIST | |||
| These listened nach Gruppen geordnet. Ist die Gruppennummer oder die Gruppenbezeichnung besteht, so können die weiteren Informationen aus dieser Liste bezogen werden. Ist der Signal-Name besteht, so ist die SIGNAL WIRE LIST zu benutzen. Die Gruppennummer ist in der zweiten Spalte location unter (GR) zuuchen. In der gleichen Spalte sind auch die Elementnummern (EL) und die Anschluss-Punkte (PT) zu finden. In der ersten Spalte ist die Elementbezeichnung aufgeüht. Die dritte Spalte gibt den Signal-Names und die Drahtfarbe des entsprechenden Anschluss-Punktes an. Die Drahtfarben sind in Zahlen angegeben und entsprechenden dem internationalen Farcode. | This contains a tabulation of all groups. All details can be extracted from this list once the group number or the group name is known. The signal wire list, is to be consulted if the signal designation is known. In this list the group numbers (GR) are tabulated in chronological order from A1 to A32. The group number is found in column 2 under the heading LOCATION, marked GR. Under the same heading, the element numbers are found in column 3, marked EL, whereas the element names are listed under the heading DE-SCRIPTION OF PART. The pin connection numbers are also to be found under the heading LOCATION in column 4, marked PT. Finally the signal designation and the colour of the wires connected to the connecting points are printed under the headings SIGNAL NAME AND COLOR. | Cette liste est classée par groupe. Si le nombre de groupe ou sa désignation sont connus, les informations complémentaires de cette liste sont immédiatement connues. Si le nom du signal est connu il faut alors utilise la SIGNAL WIRE LIST. Cette liste est codée dans l'ordre des nombres de groupe (GR) de A1 à A32. Le nombre de groupe (GR) se trouve dans la 2ème colonne ainsi que les nombres d'éléments (EL) et les points de raccordement (PT) Dans la première colonne se trouvent les désignations d'éléments. La troisième colonne indique la nature des signaux et les couleurs des fils aboutissants à leurs points de raccordement respectifs. Les couleurs des fils sont représentées par des chiffres et correspondent au code international des couleurs. | |||
| Beispiel: | Example: | Example: | |||
| In der LOCATION PIN LIST, PAGE 20 ist fol-gendes zu finden: | The following can be extracted from PAGE 20 of the LOCATION PIN LIST: | Dans la LOCATION PIN LIST, PAGE 20 on trouve ce qui suit: | |||
| Gruppe: | GR 19 | Group: | GR 19 | Groupe: | GR 19 |
| A19 BASIS P.C. BOARD | A19 BASIS P.C. BOARD | A19 BASIS P.C. BOARD | |||
| Elementbezeichnung: | BASIS BOARD | Description of part: | BASIS BOARD | Désignation | |
| Anschluss-Type: | P (Molex-Stecker) | Type of connection: | P (Molex PC card con-nector) | d'élement: | BASIS BOARD |
| Gruppe: | 19 | Type de raccord: | P (prise Molex) | ||
| Element: | 1 | Group: | 19 | Groupe: | 19 |
| Anschluss-Punkt: | 1 | Element: | 1 | Élement | 1 |
| Signal-Name: | S-MUTE | Connecting point: | 1 | Point de raccord: | 1 |
| Farbe: | 7 (violett) | Signal-name: | S-MUTE | Nom du signal: | S-MUTE |
| Color: | 7 (violet) | Couleur: | 7 (violet) | ||
SIGNAL WIRE LIST
Cetteliste est classé par dénomination des signaux.Si cette dénomination est connue,les informations complémentaires de cette liste le seront également.
Si seuils les designations ou les numeros de groupes sont connus, il faut alors se referrer à la LOCATION PIN LIST.
Cetteliste de dénomination de signaux est classée par ordre alphabetique (les points zéro et les tensions d'alimentation sont en tete de cette liste).
La dénomination du signal se trouve dans la première colonne et le code de couleur dans la deuxieme. La troisième colonne sous le titre LOCATION, indique àquel point de connexion d'un groupe ou élément le signal apparait.
Example
Denomination du
signal: S-MUTE
Couleur: 7 (violet)
Le fil portant ce signal conduit de TAPE TRANSPORT CONTROL (GR 5, EL 3, PT 3) à BASIS BOARD (GR 19, EL 1, PT 1) à BASIS BOARD (GR 19, EL 6, PT 9) et à REPRODUCE AMPLIFIER (GR 23, EL 1, PT 9).
| Verdraughts-Typen (Anschluss-Typen) | Type of connecting joints | Types de connexions | ||||||
| In der Spalte LOCATION sind unter TYPE die jeweiligen Anschluss-Vermerke aufgeführnt. | Under the heading LOCATION the type of con- nections are indicated in the column marked TYPE. | Les indication sur le genre de raccord utilisé se trouvent dans la colonne LOCATION sous la mention TYPE. | ||||||
| In der folgenden Aufstellung ist die Bedeutung der Abkürzungen ersichtlich: | The following list shows the type of connec- tions used and their letter code: | La liste suivante indique le genre de connexion utilisé et sa dette de code: | ||||||
| Type | Bezeichnung | Ersatzteilnummer | Type | Description | Order number | Type | Dénomination | No. de commande |
| L | Lötfahne (solder lug) | L | solder lug | L | Cosse à souder | |||
| P | MOLEX-Printstecker, Steckerhülsen | 54.06.4512 | P | MOLEX-PC card connector, sleeve contact | 54.06.4512 | P | Fiche de circuit imprimé (ou prise) MOLEX | 54.06.4512 |
| DESCRIPTION OF PART | LOCATION | MAX LEV* | SIGNAL NAME | COLOR | ||||
| TYPE | GR | EL | PT | |||||
| DISTRIBUTION BOARD | P 1 | P | 2 | 1 | 1 | F-M2 | ||
| P | 2 | 1 | 2 | T-M2L | ||||
| P | 2 | 1 | 3 | T-M2H | ||||
| P | 2 | 1 | 4 | T-M3 | ||||
| P | 2 | 1 | 5 | F-M3 | ||||
| P | 2 | 1 | 6 | T-M1H | ||||
| P | 2 | 1 | 7 | T-M1L | ||||
| P | 2 | 1 | 8 | F-M1 | ||||
| DISTRIBUTION BOARD | P 2 | P | 2 | 2 | 1 | F-24 | ||
| P | 2 | 2 | 2 | F-24 | ||||
| P | 2 | 2 | 3 | T-24 | ||||
| P | 2 | 2 | 4 | T-24 | ||||
| P | 2 | 2 | 5 | F-5 | ||||
| P | 2 | 2 | 6 | T-5 | ||||
| P | 2 | 2 | 7 | F-12P | ||||
| P | 2 | 2 | 8 | T-12P | ||||
| P | 2 | 2 | 9 | F-12N | ||||
| P | 2 | 2 | 10 | T-12N | ||||
| VOLTAGE SELECTOR | L | 2 | 3 | 1 | S-LINE1 | 9 | ||
| MAIN FUSE | L | 2 | 4 | 1 | S-LINE2 | 6 | ||
| DESCRIPTION OF PART | LOCATION | MAX PT LEV | SIGNAL NAME | COLOR | ||
| TYPE | GR | EL | ||||
| MAINS CABLE | P | 1 | 1 | 1 | LINE1 | |
| P | 1 | 1 | 2 | LINE2 | ||
| REMOTE CONTROL CONNECTOR | L | 1 | 3 | 1 | S-REM | 1 |
| L | 1 | 3 | 2 | S-REC | 2 | |
| L | 1 | 3 | 3 | S-AUTO | 3 | |
| L | 1 | 3 | 4 | S-PAUSE | 4 | |
| L | 1 | 3 | 5 | S-REW | 5 | |
| L | 1 | 3 | 6 | S-REPR | 6 | |
| L | 1 | 3 | 7 | S-STOP | 7 | |
| L | 1 | 3 | 8 | S-FORW | 8 | |
| L | 1 | 3 | 9 | B-REC | 9 | |
| L | 1 | 3 | 10 | B-STOP | 0 | |
| L | 1 | 3 | 11 | B-REPR | 1 | |
| L | 1 | 3 | 12 | B-FORW | 2 | |
| L | 1 | 3 | 13 | B-REW | 3 | |
| L | 1 | 3 | 14 | B-AUTO | 4 | |
| L | 1 | 3 | 15 | S-REC-D | 5 | |
| 1 | 3 | 16 | KEY | |||
| L | 1 | 3 | 17 | +24.0 | 7 | |
| L | 1 | 3 | 18 | S-SET-D | 2 | |
| L | 1 | 3 | 19 | S-RES-D | 6 | |
| L | 1 | 3 | 20 | +0.0 | 4 | |
| CAPSTAN SPEED CONTROL CONN. | L | 1 | 4 | 1 | ||
| L | 1 | 4 | 2 | +0.0 | 1 | |
| L | 1 | 4 | 3 | |||
| L | 1 | 4 | 4 | S-REFEXT | 6 | |
| L | 1 | 4 | 5 | Y-REFEXT | 5 | |
| L | 1 | 4 | 6 | B-SYNC | 4 | |
| L | 1 | 4 | 7 | +24.0 | 2 | |
Notice Facile