DZ - Accessoires électriques OMRON - Notice d'utilisation et mode d'emploi gratuit
Retrouvez gratuitement la notice de l'appareil DZ OMRON au format PDF.
| Intitulé | Description |
|---|---|
| Type de produit | Relais de commande OMRON DZ |
| Caractéristiques techniques principales | Relais électromécanique avec contacts normalement ouverts et fermés |
| Alimentation électrique | 24V AC/DC, 110V AC, 220V AC selon le modèle |
| Dimensions approximatives | Environ 30 x 30 x 60 mm |
| Poids | Environ 100 g |
| Compatibilités | Compatible avec divers systèmes de contrôle et automates programmables |
| Type de batterie | Non applicable (fonctionne sur alimentation externe) |
| Tension | Varie selon le modèle, généralement entre 24V et 220V |
| Puissance | Capacité de commutation jusqu'à 10A |
| Fonctions principales | Contrôle de circuits électriques, protection des équipements |
| Entretien et nettoyage | Vérifier régulièrement les connexions et nettoyer les contacts si nécessaire |
| Pièces détachées et réparabilité | Pièces disponibles via le fabricant ou distributeurs agréés |
| Sécurité | Respecter les normes électriques en vigueur, utiliser des protections adéquates |
| Informations générales | Produit conçu pour une utilisation industrielle, garantie de 1 an |
FOIRE AUX QUESTIONS - DZ OMRON
Questions des utilisateurs sur DZ OMRON
0 question sur cet appareil. Repondez a celles que vous connaissez ou posez la votre.
Poser une nouvelle question sur cet appareil
Téléchargez la notice de votre Accessoires électriques au format PDF gratuitement ! Retrouvez votre notice DZ - OMRON et reprennez votre appareil électronique en main. Sur cette page sont publiés tous les documents nécessaires à l'utilisation de votre appareil DZ de la marque OMRON.
MODE D'EMPLOI DZ OMRON
Commun aux modèles z, a, x et DZ
Le cache-bornes est fixé par des vis de montage et protège les câbles du boîtier et des bornes contre la poussière, les vibrations ou les doigts, empêchant ainsi les courts-circuits au niveau des bornes, les erreurs de mise à la terre, la déconnexion ou une mauvaise connexion des câbles, ainsi que les accidents dus aux décharges électriques.
Les cache-bornes fabriqués en résine de phénol ont cinq ou six fines cloisons. Ces cloisons peuvent être ouvertes pour fournir des trous pour les câbles de connexion à des points précis.
| Matériau | Application Sens de montage | Pour bornes soudées | Pour bornes à vis | Remarques |
| Modèle | ||||
| Résine de phénol | Montage létral | AP-A | AP-B | --- |
| Moulage métallique comprimé | Montage létral | AP1-A | AP1-B | Utilisé pour AP-A et AP-B |
| Chlorure de vinyle | Montage létral | AP-Z | --- | |
Remarque : Utilisez le cache destiné aux bornes à vis pour les modèles à bornes soudées de la série DZ.
Commun aux modèles z, a, x et DZ
Modèle : Séparateur pour Z
Commun aux modèles z et x
Un fin de course peut être actionnée par une came ou un objet approprié, auquel cas vous devez utiliser l'un des actionneurs suivants en fonction de l'application.
| Actionneur | Commun aux modèles Z et X | |
| Levier | XAA-1 | |
| Levier à galet | ZAA-2 | |
| Poussoir montage sur panneau | Court | ZAQ-3 |
| Moyen | ZAQ-2 | |
| Long | ZAQ-1 | |
| Poussoir à galet montage sur panneau | ZAQ-22 | |
Cache-bornes
AP-A Utilisation de la borne à souder (résine de phénol)

Remarque: Le capot compte cinq parties minces et faciles à séparer pour une connexion facile.
AP-B Utilisation de la borne à vis (résine de phénol)

Remarque: Le capot comporte six parties minces et faciles à séparer pour une connexion facile.
AP1-A Utilisation de la borne à souder (moule d'impression en métal)

Remarque : 1. Le capot comporte six trous pour une connexion facile des fils conducteurs. 2. AP1-A doit être utilisé avec AP-A.
AP1-B Utilisation de la borne à vis (moule d'impression en métal)

Remarque : 1. Le capot comporte six trough pour une connexion facile des fils conducteurs. 2. AP1-B doit être utilisé avec AP-B.
AP-Z Soudure ou utilisation de borne à vis (chlorure de vinyle)

Deux, 4,2 de diamètre
Dimension du câble de traction
Coupe transversale A-A' Coupe transversale B-B'
Remarque : Vous pouvez utiliser un câble de 6 ou 8 de diamètre en coupant à la taille du câble à utiliser. Remarque : Chaque dimension a une tolérance de ± 0,4 mm, sauf mention contraire. (±0,8 mm pour le modèle AP-Z)
Séparateur
Deux, 4,5 de diamètre
Remarque: 1. Chaque dimension a une tolérance de +0,4 mm, sauf mention contraire. 2. La matière est du tissu tétron vernis aux résines alkydes d'époxyde dont la résistance à la chaleur est de 130°C.
Actionneurs
Remarque : Ces actionneurs ne sont pas fournis avec les fins de course.
Levier XAA-1

| Modèle | Z-15G-B | X-10G-B |
| FA max. | 4,90 N {500gf} | 4,90 N {500gf} |
| FR min. | 1,67 N {170 gf} | 1,67 N {170 gf} |
| PC max. | 6 mm | 6 mm |
| SC min. | 12,7 mm | 12,7 mm |
| MD max. | 2,2 mm | 3,3 mm |
| PL max. | 32,9±1,6 mm | |
Lever à galet ZAA-2
Remarque : Chaque dimension a une tolérance de ± 0,4mm, sauf mention contraire.
| Modèle | Z-15G-B | X-10G-B |
| FA max. | 4,90 N {500gf} | 4,90 N {500gf} |
| FR min. | 1,67 N {170 gf} | 1,67 N {170 gf} |
| PC max. | 6 mm | 6 mm |
| SC min. | 12,7 mm | 12,7 mm |
| MD max. | 2,2 mm | 3,3 mm |
| PL max. | 44.5±1,6 mm | |
Poussoir montage sur panneau court
ZAQ-3 Remarque : Cet actionneur (simple plongeur) peut être utilisé avec des plongeurs standard (Z-15G(-B), Z-15E(-B), X-10G(-B), DZ-10G-1A(-1B)) pour les modèles Z, X et DZ.
| Modèle | ZAQ-3 | |
| Z-15E-B | X-10G-B | |
| FA max. | 8,34 N | 5,39 N |
| {850 gf} | {550 gf} | |
| FR min. | 1,12 N | 1,12 N |
| {114 gf} | {114 gf} | |
| PC max. | 0,8 mm | 1 mm |
| SC min. | 4,8 mm | 4,5 mm |
| MD max. | 0,15 mm | 0,2 mm |
| PF | 27,8±1,5 mm | |
Remarque : 1. Simple plongeur en acier inoxydable
- Cadre en bronze
- Partie de vis incomplete avec longueur maximale de 1,5 mm.
Poussoir montage sur panneau moyen
ZAQ-2 Remarque : Cet actionneur (simple plongeur) peut être utilisé avec des plongeurs standard (Z-15G(-B), Z-15E(-B), X-10G(-B), DZ-10G-1A(-1B)) pour les modèles Z, X et DZ.
| Modèle | ZAQ-2 | |
| Z-15E-B | X-10G-B | |
| FA max. | 8,34 N | 5,39 N |
| {850 gf} | {550 gf} | |
| FR min. | 1,12 N | 1,12 N |
| {114 gf} | {114 gf} | |
| PC max. | 0,8 mm | 1 mm |
| SC min. | 4,8 mm | 4,5 mm |
| MD max. | 0,15 mm | 0,2 mm |
| PF | 53,2±1,5 mm | |
Remarque : 1. Simple plongeur en acier inoxydable 2. Cadre en bronze 3. Partie de vis incomplète avec longueur maximale de 1,5 mm.
Poussoir montage sur panneau long
ZAQ-1

Remarque : Cet actionneur (simple plongeur) peut être utilisé avec des plongeurs standard (Z-15G(-B), Z-15E(-B), X-10G(-B), DZ-10G-1A(-1B)) pour les modèles Z, X et DZ.
| Modèle | ZAQ-1 | |
| Z-15E-B | X-10G-B | |
| FA max. | 8,34 N | 5,39 N |
| {850 gf} | {550 gf} | |
| FR min. | 1,12 N | 1,12 N |
| {114 gf} | {114 gf} | |
| PC max. | 0,8 mm | 1 mm |
| SC min. | 20,6 mm | 20,4 mm |
| MD max. | 0,15 mm | 0,2 mm |
| PF | 69,1±1,5 mm | |
Remarque : 1. Simple plongeur en acier inoxydable
- Cadre en bronze
- Partie de vis incomplète avec longueur maximale de 1,5 mm.
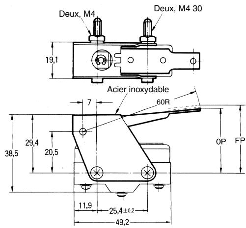
Poussoir à galet, montage sur panneau ZAQ-22

Remarque : 1. Poussoir en acier inoxydable
- Cadre en bronze
- Partie de vis incomplete avec longueur maximale de 1,5 mm.
| Modèle | ZAQ-22 | |
| Z-15E-B | X-10G-B | |
| FA max. | 8,34 N | 5,39 N |
| {850 gf} | {550 gf} | |
| FR min. | 1,12 N | 1,12 N |
| {114 gf} | {114 gf} | |
| PC max. | 0,8 mm | 1 mm |
| SC min. | 20,6 mm | 20,4 mm |
| MD max. | 0,15 mm | 0,2 mm |
| PF | 37±0,8 mm | |
TOUTES LES DIMENSIONS INDIQUEES SONT EN MILLIMETRES.
Pour convertir les millimètres en pouces, multipliez par 0,03937. Pour convertir les grammes en onces, multipliez par 0,03527.
Le produit étant sans cesse amélioré, ces spécifications peuvent être modifiées sans préavis.
Notice Facile