SL125 - Moto DAELIM - Notice d'utilisation et mode d'emploi gratuit
Retrouvez gratuitement la notice de l'appareil SL125 DAELIM au format PDF.
| Type d'appareil | Scooter |
| Moteur | Monocylindre 4 temps |
| Refroidissement | Air ou liquide |
| Capacité du réservoir | Environ 5 à 8 litres |
| Transmission | Automatique CVT |
| Freins avant | Disque |
| Freins arrière | Tambour ou disque |
| Suspension avant | Fourche télescopique |
| Suspension arrière | Double amortisseur |
| Poids à vide | Environ 100 à 130 kg |
| Vitesse maximale | Non précisé |
| Capacité de charge | Environ 150 kg |
| Éclairage | Phare halogène ou LED |
| Tableau de bord | Analogique ou numérique |
| Type de démarrage | Électrique et kick |
| Dimensions (L x l x H) | Non précisé |
FOIRE AUX QUESTIONS - SL125 DAELIM
Téléchargez la notice de votre Moto au format PDF gratuitement ! Retrouvez votre notice SL125 - DAELIM et reprennez votre appareil électronique en main. Sur cette page sont publiés tous les documents nécessaires à l'utilisation de votre appareil SL125 de la marque DAELIM.
MODE D'EMPLOI SL125 DAELIM
CONDUCTEUR ET PASSAGER :
Cette motocyclete est conque pour transporter un conducteur et un passager.
USAGE ROUTIER
Cette motocyclette est donc pour être utilisée seulement sur la route
LISEZ CE MANUEL DU PROPRIETAIRE SOIGNEUSEMENT
Soyez tout spécialément attentif aux recommandations précédées par les mots suivants :
AVERTISSEMENT
Indique une force possibilité de blessure personnelle sévère voir le décès si les instructions ne sont pas suivies.
ATTENTION
Indique une possibilité de blessure personnelle ou de dommages matériels si les instructions ne sont pas suivies.
NOTE
Donne des informations utiles.
Ce manuel doit être considéré comme faisant partie de la moto et doit donc rester avec lors de la revente ou être remis au nouveau propriétaire ou au nouveau conducteur
TABLE DES MATIERES
SPECIFICATIONS 3
INSTRUCTIONS D'UTILISATION 3
CONSIGNES DE SECURITE 3
Avant de demarrer le vehicule 4
Instructions 4
Vétements adaptés 4
Chargement 5
Modifications 5
Accessoires 5
Silencieux 5
DISPOSITION DES ELEMENTS 5
LECTURE ET EXPLOitation DU TABLEAU DE BORD .6
Compteur 6
Voyants lumineux 6
UTILISATION DES INTERRUPEURS 6
Contacteur general 6
Bouton de démarreur 6
Phare 7
Contacteur des clignotants 7
Bouton de l'avertisseur 7
Feux de détresse 7
UTILISATION DES AUTRES EQUIPEMENTS 7
Blocage de la direction 7
Fermeture de la selle 8
Frein de stationnement 8
Coffre 8
Emplacement du manuel 8
Boite à gants 9
Prise 12 V 9
Portesac 9
CONDUITE 9
Demarrage du moteur 10
Si le moteur ne démarre pas 11
Aprés le démarrage du moteur 11
Conduite 11
Le freinage 12
CONTROLES AVANT DEPART 13
Inspection d'une zone suspecte 13
- Contrôle des freins 14
Alimentation en carburant 14
-
Contrôle pneumatiques 15
-
Contrôle de l'huile moteur 16
Contrôle de l'éclairage et des clignotants 16
Retroviseur 16
- Contrôle des fuites de carburant 16
ENTRETIEN PERIODIQUE 16
Tableau d'entretien periodique 17/18
Precautions d'entretien 19
Freins 19
Durites de frein, fuites, dégats et état général 20
Contrôle des plaquettes de frein 20
Réglage du frein de stationnement 21
Contrôle du frein de stationnement 21
Vidange de l'huile moteur 21
Contrôle de l'huile de transmission 22
Demontage d'une roue 22/23
Bougie d'allumage 24
Contrôle de la batterie 24
Remplacement d'un fusible 25
Remplacement d'une ampoule 25/26
控 _ 是 de I'elément filtrant 27
Contrôle de la béquille laterale 27
Soufflets caoutchouc de protections des cables 27
Precautions en cas de lavage 28
Instructions d'entreposage 28
Ce manuel apporte tous les éléments nécessaires à une utilisation correcte, en sécurité et avec la maintenance de base du scooter que vous avez achetée. Pour assurer des opérations plus facies et plus sures, veuillez dire attentivement ce manuel avant toute chose.
- Les photos et les dessins montrés dans ce manuel peuvent différer de la méthode en raison des modifications et des évolutions possibles.
- Ce scooter est donc pour 2 personnes, pilote inclus.
ATTENTION
- Ne pas utiliser d'essence impure : celle-ci pourrait provoquer de la corrosion dans le réservoir qui, en se détachant, boucherait les conduits d'essence au carburateur conduisant à un mauvais démarrage voire des dégats mécaniques lors de la mise en marche du moteur.
- Ne pas utiliser des huiles impures ou de basse qualité : utiliser tout
jours l'huile d'origine préconisée pour protégger et assurer les performances de votre engin et sa longévité.
- Si une panne quelconque résultat à l'utilisation d'essence ou d'huile inappropriée, ces pannes ne sauraient être prises en garantie.
CONSIGNES DE SECURITE
- Une conduite prudente et le port de vêtements de protection complets et adaptations sont les facteurs les plus importantes de la conduite de cet engin. Veuillez respecter le code de la route et évitez d'être pressés ou nonchalant!
- Beaucoup de nouveau propriétaires sont prudents et attentifs avec leur nouvelle acquisition. Cela dit, avec le temps, ils se relâchent et ceci peut les mener à l'accident. Veuillez prendre soin à ne pas vous laisser aller et considérer toujours votre scooter et son'utilisation avec toutes les consignes de sécurité requisés.
Lorsque vous utilisez vos vécuicule, gardez à l'esprit et appliquez les consignes de sécurité imprimées sur l'étiquette de conseils liée au vehicule.
- Portez toujours un casque.
- Portez des lunettes de protection.
- Respectez les limitations de vitesse.
- Garer le scooter loin des endroits féquentés (en particulier par les enfants) car le silencieux peut devenir très chaud.
- Pour des raisons de sécurité, ne pas modifier illegalement votre vehicule.
- Assurer régulierement les contrôles d'entretien spécifique.
"Points de contrôle d'entretien"
Freins, Pneumatiques, Huile, Ampoules, Avertisseur, Tableau de bord.
AVANT DE DEMARRER LE VEHICULE
- Lisez ce manuel attentivement.
- Procedez aux vérifications de maintenance au préalable.
- Maintenez toujours vous scooter propre et bien entretenu.
- Assurez-vous d'avoir coupé le moteur et d'éloigner toute source de feu lors du ravitationnement en essence.
- Les gaz d'échévement contiennent des poisons tel que le monoxyde de carbone (CO); donc demarrer votre engin dans un lieu bien ventilé.
VETEMENTS ADAPTES
- Assurez-vous de tous jours porter un casque homologué pour votre sécurité. Portez aussi des gants et des lunettes de protection.
- Ne portez pas de vêtements amples ou d'écharpes longues qui pourraient flotter derrière vous. Ils pourraient doivent dangereux s'ils s'accrochaient dans les leviers de frein.
- Beaucoup d'accidents auto/moto surviennent car l'automobiliste n'a pas vu le deux roues.
Soyez attentifs pour éviter ce genre d'accident ou vous n'êtes même pas fautif grâce :
-Au port de vêtements clairs et/ou réfléchissants.
- En ne restant pas dans l'angle mort du rétroviseur de l'automobiliste. Vous devriez porter des vestes ou des blousons adaptés avec des manches serrées.
Vous devriez toujours porter un casque sérieusement attaché.
Portez toujours des gants.
Vous devriez porter des chaussures bien ajustees avec peu ou pas de talon.
INSTRUCTIONS
- Les occupants de l'engin devraient bien se caler afin d'assurer une conduite coulée.
- Veuillez vérifier si vous n'êtes pas trop épuisé ou mal dispose avant de partir.
- La position de conduite à une grande influence sur la sécurité.
- Veuillez maintainir le centre de votre corps au milieu de la selle. Evitez tout particulièrement de vous asseoir seul sur le siège arrêté car vous allègeriez de trop la roue avant et causeierz du guidonage.
- Le passager devrait se tener au scooter ou au pilote avec ses deux mains et gardez ses pieds sur les cales-pieds prévus à cet effet.
- Lorsque vous voulez tourner, déportez légersement votre corps dans la direction souhaïée du virage. Il est dangereux de ne pas coordonnier votre mouvement avec celui de l'engin.
- Les routes sinueuses, mauvaises et non revêtres changent constamment de caractéristiques d'adherence. Roulez sur ce genre de route peut s'avérer dangereux si vous ne respectez pas certaines précautions.
- Pour rouler en sécurité sur ce genre de routes, il faut anticiper les conditions de route, ralentir à au moins la moitié de la vitesse habituel et garder vos épaules et vos poignets relax, tout en maintainant fermement le guidon.
- La conduite avec une ou les deux mains hors des poignées ou du guidon peut provoquer de sévères blessures voir le décès causé par une perte de contrôle du scooter.
CHARGEMENT
- Lorsque vous transportez une charge, vous devez garder à l'esprit que le comportement de votre engin sera modifié en particulier dans les virages.
- Assurez-vous de ne pas surcharger votre vehicule au point de le rendre instable à la conduite.
Poids maximum du paquet arrêté : 3 Kg
Poids maximum dans le coffre: 10Kg
ATTENTION
-
Ne chargez que sur les emplacements prévus à cet effet, car poser et attacher des colis ailleurs pourrait endommager votre moto.
-
Ne rien placer entre le chassin et le moteur, car celui-ci pourrait brûler.
- Ne rien placer dans l'environnement du bouchon d'essence. Cela pourrait nuir au fonctionnement du moteur et cause de sévères dommages.
- Ne pas arrimer de trop volumineux ou de trop lourds chargements (tels qu'un sac de couchage ou une tente) aux barres de maintainien ou à la fourche. Il pourrait en résultat une tenue de route aléatoire et une prise de virage trop lente.
MODIFICATIONS
- Les modifications structurelles ou du fonctionnement de l'engin sont dégrader la capacité de maintenance ou augmenter le bruit du scooter en réduisant sa durée de vie. Ces modifications ne sont pas seulement interdites par la loi mais aussi préjudiciaibles au public environnant. Ces modifications ne sont pas couvertes par la garantie.
ACCESSIONS
- A part les accessoires concus par DAELIM MOTOR CO. LTD, ne pas utiliser de phares additionnels qui vont décharger rapidement votre batterie.
- Inspectez soigneusement vos accessoires afin de vous assurer qu'ils ne
génént pas vos éclairages, qu'ils ne réduisent pas la garde au sol, qu'ils ne réduisent pas les débattements de suspensions et ceux du guidon ou qu'ils ne limitent pas les manœuvres de conduite.
- Ne pas ajouter déquipements électriques qui excèderaient la capacité électrique de la moto. Un fusible grillé provoquerait une perte de l'éclairage dangereuse et une chute de puissance moteur.
- Cet engin n'a pas ete concu pour tracter un side-car ou une remorque. La tenue de route serait sérieusement compromise dans ces cas-la.
SILENCIEUX
- Prétez une attention toute particulière à votre passager afin qu'il évite de se brûler avec le silencieux au cours du voyage.
ATTENTION
- Ne pas se garer ou de nombreux piétons passent. Leurs enfants pourraient se brûler avec l'échévement du scooter.
- Le passager doit toujours faire attention à ne pas se brûler au contact du silencieux.
Si de la paille ou du plastique touche l'échévement, un incendie pourrait en résultat.


LECTURE ET EXPLOITATION DU TABLEAU DE BORD
"COMPTEUR DE VITESSE"
Il indique votre vitesse en km / h durant le trajet. Veuillez respecter les vitesse limites legales pour leur sécurité.

VOYANTS LUMINEUX
"TOTALISATEUR KILOMETRIQUE"
Il indique la distance totale parcourue par la moto en km.
JAUGE A CARBURANT
Elle indique le niveau d'essence du réservoir.
Si l'aiguille est dans la zone rouge, ravitailliez immédiatement. Dans cette situation, environ 1,7 1 de carburant restent dans le réservoir.
"TEMoin DE CLIGNOTANT"
Il clignote avec les deux clignotants lorsque ceux-ci sont actionnés par leur commande.
"TEMoin DE FREIN DE PARKING"
Il s'allume lorsque le frein de stationnement est enclenché.
UTILISATION DES INTERRUPEURS
CONTACTEUR GENERAL
1.ON... Démarre le moteur. La clé ne peut être enlevée.
2.OFF... Arrête le moteur. La clé peut être enlevée.
3. LOCK... Blocage de la direction. La clé peut être enlevée.
- OPEN... Lorsque la selle est ouverte, la clé revient seule sur la position initiale (OFF). La clé peut alors être laissée sur place ou enlevée.
ATTENTION
- Ne pas manipuler la clé de contact durant le roulage. Si la clé de contact est place sur OFF ou LOCK, tout le système électrique sera arrêté. Ne jamais toucher la clé de contact durant le roulage, car cela pourrait provoquer des accidents. S'il est nécessaire dePTRir la clé de contact, arrêtez le vehicule d'abord.

- Avant de quitter votre scooter, assurez-vous d'avoir bloqué la direction et d'avoir enlevé la clé de contact.
Le vehicule peut etre verrouille sur sa bequille centrale a I'aide d'un antivol supplémentaire (homologue par les assurances). - Si la clé de contact est laissée sur « ON » moteur à l'arrêt, la batterie se décharge.
- Tournez la clé lentement sans appuyer pour atteindre la position OPEN (ouverture de la selle).
Ne pas ajouter de clés supplémentaires ou un porte-clés en métal à votre clé de contact. Ceci pourrait endommager votre scooter par des rayures au cours du roulage. (Utilisez des porte-clés en cuir ou en tissu).
BOUTON DU DEMARREUR
En pressant ce bouton, le moteur est lancé à condition d'avoir la clé de contact sur ON et que le levier de frein soit actionné.

Bouton de démarreur
ATTENTION
- Le moteur ne démarrera pas si le levier de frein n'est pas actionné.
- Ne plus tener le levier de frein, ni accelérer lorsque le moteur a démarré. Cela pourrait endommager le moteur.
FEUX AVANT
Sélecteur des feuX
"ALLUMAGE DES FEUX"
Après avoir place le contact sur « ON », veuillez actionner le sélecteur des feuels.
"INVERSEUR CODE/PHARE"

Ce commutateur permet de passer des feuux de route aux feuels de code et vice-versa.
Commutateur
code/phare

PHARES
ED (HI)...autiliser si besoin
| Position de la clé | Fonction |
| (H) | Feux avant, arrêté, de position et du tableau de bord |
| (P) | Feux de position, arrêté et du tableau de bord |
| (OFF) | Tous deux éteints |
CODE
D (LO)... à utiliser en cas de circulation avec d'autres vehicules, en ville, etc...
ATTENTION
N'utiliser le plein phare que sur les routes hors agglomération ou lorsque son utilisation ne gène plus la voiture qui vous precede.
"CONTACTEURS DE CLIGNOTANT"
Si ce contacteur est actionné lorsque le contact est sur ON, les clignotants fonctionneront.
(R)... à utiliser lors d'un virage à droite (L)... à utiliser lors d'un virage à gauche
ATTENTION
- Le contacteur de clignotants ne revient pas automatiquement à son position neutre après le virage. Veuillez le presser après chaque virage pour stopper les clignotants.
Contacteur
de clignotants

poussoir d'avertisseur
BOUTON DE L'AVERTISSEUR
Appuyer sur le bouton d'avertisseur pour faire fonctionner l'avertisseur sonore si le contacteur a clé est sur la position ON.

FEUX DE DETRESSE
En appuyant sur ce bouton, avec le contact sur ON, les quatre clignotants se mettent a clignoter.
Bouton de feu de detresse

UTILISATION DES AUTRES EQUIPEMENTS
BLOCAGE DIRECTION
"BLOCAGE"
Pour bloquer la direction, tournez le guidon sur la gauche, puis tournez tout en appuyant la clé de contact sur LOCK. Retirez la clé.

"DEBLOCAGE"
Pour débloquer la direction, tournez simplement la clé de contact sur OFF.
ATTENTION
- Ne jamais tourner la clé de contact sur LOCK durant un roulage sous peine de perte de contrôle du vehicule et d'accident!
FERMETURE DE LA SELLE
"VERROUILLAGE"
- La selle se verrouille automatiquement lorsqu'on la referte.
Tirez légerement la selle vers le haut pour vous assurer de son bon verrouillage.

"DEVERROUILLAGE"
- veuillez tourner la serrure du contact principal de OFF vers OPEN à l'aide de la clé.
ATTENTION
- sachant que la selle se verrouille automatiquement à la fermeture, veiliez à ne pas oublier vos clefs à l'intérieur du coffre!
- Contrôlez que la selle est bien fermée. Ne jamais conduire avec la selle non verrouillée.
Si la serrure de selle ne fonctionne plus, n'insistez pas et veillez vous rendre chez votre concessionnaire DAELIM le plus proche.
FREIN DE STATIONNEMENT
Lors du stationnement sur la bequille laterale, veuillez actionner ce frein de parking afin d'eviter que le scooter ne rouge.

"MISE EN PLACE"
Veuillez appuyer sur la commande et le frein de parking est enclenché.
Veuillez presser le bouton central sur la commande du frein de parking pour le libérer automatique.
COFFRE
- Le cofre est situé sous la selle.
- En ouvrant la selle à l'aide de la clé de contact, vous aurez un accès ainsi au coffre.
- La lampe d'éclairage du coffre s'allume à l'ouverture du coffre.
CHARGE MAXIMALE DU COFFRE:10 KG
ATTENTION
- La température interne du coffre est augmente par la chaleur du moteur. Veuillez ne pas y placer de la nourriture ou d'autres articles qui pourrait être facilement affectés par la chaleur. De même, évitez les articles inflammables dans le coffre.
- Veuillez ne pas y logger d'articles de grande valeur ou fragiles.
- Vu que ce coffre n'est pas parfaitement étanche, assurez-vous d'avoir retire tous les articles qui pouraient être endommages par l'eau. Veuillez ne pas essayer d'y logger un casque ou des objets trop volumineux qui pouraient empêcher la fermeture correcte du cofre et décharger la batterie à cause de la lampe de cofre restée allumée!
- Il existe un emplacements pour le manuel d'utilisation dans le bas du coffre sous la selle.
- Veuillez ranger le manuel d'utilisation et d'entretien dans cet emplacement.

Emplacement du manuel d'utilisation
BOITE A GANTS
"FERMETURE"
A l'aide de la clé principale, tourner la serrure de la boite à gants vers la droite, fermez le couvercle, tournez la cef vers la gauche puis retirez-là.

"OUVERTURE"
Pour ouvrir la boite à gants, tournez simplement la serrure vers la droite.
CHARGE MAXI DE LA BOITE A GANTS:1.5 KG
ATTENTION
- Veuillez ne pas y loger d'articles de grande valeur ou frag
Vu que ce rangement n'est pas étanche, assurez-vous d'avoir retiret tous les articles qui pouraient etre endommagés par I'eau lors du lavage, par exemple.
PRISE 12 VOLTS
- La clé principale permet l'ouverture de la boîte à gants.
- Otez le protège prise, puis branchez la prise du chargeur du téléphone portable.
- Refermez la boite à gants.
- Tournez la clé de contact sur ON.
- Lorsque le chargement est terminé, ouvrez la boite à gants et débranchez votre téléphone portable.

Prise de recharge
telephone portable
ATTENTION
- La recharge du téléphonne ne fonctionne qu'vec la clé de contact sur ON.
- Une autre utilisation de cette prise (pour une lampe par exemple) peut rapidement épuiser la batterie.
- Conduire le scooter durant la recharge peut endommager votre téléphone portable.
PORTE SAC
- Pour transporter facilement un sac ou des objets similaires, il devrait etre accroche au portesac.
- N'essayez pas de transporter des sacs trop lourds ou des charges trop pesantes car vous pourriez perturber la stabilité et la direction du scooter.

ATTENTION
Veuillez ne pas essayer de porter des charges lourdes par ce moyen car la stabilité et le comportement du scooter en seraient gravement affectés.
CONDUITE
- Assurez-vous d'avoir contrôle le niveau d'huile, d'essence, etc. avant de démarrer le moteur.
- Veuillez you assurer que le scooter est mis sur la bequille centrale lors du démarrage du moteur.
ATTENTION
- Assurez-vous que la roue arrête est freinée lors du démarrage du moteur pour prévenir tout risque de départ brutal.
- Le blocage du frein de la roue arrrière n'est pas possible si le réglage du frein n'est pas correct.
- Veuillez conduire avec prudence pour des raisons de sécurité et de fiabilité de votre vehicule.
- Durant le premier mois (ou 1000km ) après l'achat du vehicule, veuillez conduire calmement en évitant les démarrages rapides et les fortes accelerations.
DEMARRAGE DU MOTEUR
Veuillez toujourssuivre la procEDURE de démarrage décrite ci-dessous.
- Ce modele est équipé d'un contacteur de béquille laterale qui coupe l'allumage.
- Le moteur ne peut pas'être démarré si la béquille laterale est dépliee.
- Veuillez vous assurer que vous démarrez votre scooter sur sa béquille centrale.
AVERTISSEMENTS
- Ne jamais faire tourner le moteur dans une piece fermée. Les gaz d'échévement contiennent des poisons tel que le monoxyde de carbone qui peut provoquer une perte de conscience et conduire au décès.
- Tant que le scooter est sur sa béquille centrale, vous ne devriez jamaismettre à plein gaz car si la roue arriere venait à toucher le sol, le scooterpourrait alors décoller à pleine vitesse (n'oubliez pas que ce scooter possede un variateur de vitesse automatique)
1-Freinez la roue arriere (avec le levier de frein ou le frein de parking).

2-Tournez la clé de contact sur ON.

3- Démarrez le moteur électriquement ou au kick
UTILISATION DU DEMARREUR ELECTRIQUE
- Appuyez sur le bouton du démarreur sans tourner la poignée de gaz (sans ouvrir les gaz).

ATTENTION
- Relâcher immédiatement le bouton du démarreur des que le moteur a démarré.
- Ne pas appuyer sur le bouton du démarreur lorsque le moteur tourne. Ceci pourrait endommager le démarreur.
- Si le moteur est chaud et ne démarre pas après avoir pressé le bouton
du démarreur pendant trois ou quatre secondes, veuillez ouvrir légarement les gaz de 1/8 à 1/4 et recommencer. Ceci devrait facilitier le démarrage.
- Il est possible que le démarrage devienne plus difficile après une longue période d'inactivité du scooter ou si le circuit de carburant est colmaté (des problèmes de démarrage qui arri

vent même s'il y a suffisamment d'essence dans le réservoir). Dans ce cas-la, veuilles ne pas ouvrir les gaz et actionner à nouveau le bouton du démarreurs plusieurs fois.
ATTENTION
- Pour ne pas épuiher la batterie, ne pas appuyer sur le bouton du démarreur plus de cinq secondes. Relâcher le bouton du démarreur pendant environ 10 secondes avant de le solliciter à nouveau.
DEMARRAGE SANS DEMARREUR ELECTRIQUE(AU KICK)
- Mettez la béquille centrale, dépliez le kick et appuyer fermement sur le kick avec votre pied.
ATTENTION
-
Veuillez vous assurer d'avoir replie le kick dans sa position de départ après le démarrage du moteur.
-
Veuillez you assurer d'avoir sorti la bequille centrale et replie la laterale durant le demarrage.
- Ne pas utiliser le démarreur électricque est le kick simultanément.
4-Lorsque le moteur est froid ou un hiver ou que le vehicule n'a pas eté utilisé durant de longues périodes, veuillez laisser le moteur au ralenti quelque temps pour le laisser chauffer.
ATTENTION
- Veuillez freiner la roue arrriere jusqu'au démarrage du moteur.
- Les gaz d'échévement contiennent des substances dangereuses tel le monoxyde de carbone. Veuillez demarrer le moteur dans des endroits bien ventilés.
SI LE MOTEUR NE DEMARRE PAS
Si le moteur ne peut pas etre demarré ou si le scooter n'avance pas, veuillez vérifier les points suivants:
- Y a-t-il de l'essence dans le réservoir ?
- Procedez-vous en suivant les conseils disponibles dans le manuel de l'utilisateur?
- Le fusible n'est-il pas grillé?
- Le démarreur fonctionne-t-il?
- Si le démarreur électrique ne peut pas fonctionner à cause de la batterie, essayez de démarrer le moteur en utilisant la technique du kick manuel.
APRES LE DEMARRAGE DU MOTEUR
1- Enlever la bequille centrale.
- Pousser le scooter vers l'avant pour replier la bequille centrale tout en veillant à ne pas relacher le frein arrêté.

ATTENTION
- Veuillez ne pas ouvrir excessivement les gaz tant que vous ne conduisez pas votre scooter!
2-Installation à bord - Il est préférible de monter sur le scooter par le côte gauche, et de bien s'asseoir sur la selle. Laisser un pied, voir les deux, au sol.

ATTENTION
- Veuillez prendre le frein arrêté avant de démarrer.

3-Veuillez retiree le frein de parking.
4- Veuillez relâcher le levier du frein arrêté et tourner lentement la poignée des gaz afin d'obtenir un départ progressif et facile.
ATTENTION
- Une rotation trop rapide de la poignée des gaz provoquera un départ trop brutal.
Si le régime du moteur n'a pas diminué après la fermeture des gaz, veuillez stopper toute utilisation et faire inspecter ce problème par votre concessionnaire le plus proche.
CONSEILS DE CONDUITE
- Avant de rentrer dans le traffic, veuillez signaler votre intention en actionnant vos clignotants.
La vitesse du scooter est contrôle grace à la rotation de la poignée de gaz.

- Si vous tournez la poignée de gaz.... La vitesse du vehicule augmente. Veuillez ouvrir les gaz lentement. Lors d'une montée, vous devrez accelerer plus fort afin d'avoir plus de puissance.
- Si vous laissez revenir la poignée de gaz.... La vitesse du vehicule diminue. Cette manoeuvre peut être effectue plus ou moins rapidement selon vos besoins de décelération.

Utiliser les freins avant et arrêtre ensemble.
- Laissez revenir la poignée de gaz complètement puis tirer les deux leviers de frein.
- Il est préférible de n'appliquer qu'une faible traction sur les leviers de frein au début du freinage, suivi d'une action plus ferme.

ATTENTION
- Si un seul frein est utilisé, il est possible de provoquer un dérapage!
Ne jamais freiner ni tournier le guidon trop brutalement.
- Un freinage ou une prise de virage trop brutale peuvent entrainer un dérapage et une chute.
- Il est particulièrement dangereux d'effectuer un freinage violent sur une route humide ou par temps de pluie car dans ces conditions car les pneus perdent de l'adherence et dérapent facilement.

Vous devriez être particulièrement prudent lors d'un roulage par temps pluvieux.
- Lors d'un roulage sous la pluie ou sur des routes humides la distance de freinage est allongée.
- Dans les descentes, réduisez les gaz complètement et freinez pour réduire la vitesse.
- Il est possible que les freins perdent temporairement de leur efficacité après un roulage dans la boue ou la pluie. Pour s'assurer de leur bon fonctionnement, veuillez ralentir (après avoir vérifié le traffic autour de vous) puis freiner légarement tout en roulant lentement afin d'évacuer l'eau et assurer leur séchage.
- Soyez particulièrement prudent lors d'un roulage dans la neige ou sur des routes verglacées! Dans ces conditions extrêmes, les pneumatiques ont perdu une grande part de leur adherence et la roue arrrière peut facilement déraper lors de l'ouverture des gaz.
LE FREINAGE
1-A l'approche de votre arrêt.
- Veuillez actionner le clignotant et, après avoir contrôle le traffic proche, tournez lentement vers votre zone d'arrêt.
- Laissez revenir la poignée des gaz complètement puis servez-vous des freins avant et arrêté. Le feu stop s'allumera pour signaler votre freinage aux vehicules qui vous suivent.
2- Avec l'arrêt du vehicule.
- Veuillez ramener le clignotant à l'arrêt puis coupez le contact (OFF). Cela arrête la moteur.
ATTENTION.

Veuillez ne pas tournier la clé de contact pendant le roulage. Si celle-ci est positionnée sur OFF ou LOCK, le circuit électrique sera coupé. Manipuler la clé de contact durant le roulage est très risqué. NeMETRE la clé de contact sur OFF ou LOCK qu'après l'arrêt complet du vehicule.
3-Veuillez descendre du scooter par le cote gauche et sortez la bequille centrale sur un sol bien plat.
Assurez-vous d'arreter votre scooter dans un endroit libre. De même, votre vehicule peut etre renversé si la bequille n'est pas déployee sur un terrain solide et plat.
- La béquille centrale est déployée en agrippant le guidon avec la main gauche et le portebagages arrêté avec la main droite et en appuyant fermement sur l'ergot de la béquille

avec le pied droit. À partir de la, soulevez le porte-bagages arrêté pour bien verrouiller la béquille centrale.
4- Pour prévenir le vol, assurez-vous d'avoir bloqué la direction durant le stationnement
ATTENTION
- Veuillez stationner dans un endroit où vous ne génerez pas le traffic. Lorsque vous vous garez juste après le roulage, veuillez éviter tout contact avec le moteur ou le silencieux encore très chaud.
- Ne pas stationner votre scooter sur une route inclinée. Your vehicule pourrait se renverser sur les passants!
Si vous nevez stationner dans une zone en declivite, dirigez la roue avant vers le haut afin de réduire les risque de chute du scooter.
CONTROLES AVANT DEPART
Pour augmenter votre sécurité et prévenir des accidents matériels, veuillez effectuer ces contrôles avant chaque départ et assurer l'entretien régulier. Cette maintenance régulière devrait être effectuee même si le vehicule n'a pas eteutilise depuis longtemps.
Les contrôle avant départ devraient être effectuels systématiquement avant de conduire le vehicule.
- Inspection des endroits critiques
- Vérification du niveau de carburant
- Vérification des pneumatiques
- Vérification des freins
- Vérification du niveau d'huile moteur
- Vérification des feuels et clignotants
- Vérification du réglage du rétroviseur
- Verifications de fujites de carburant
- Vérification de la plaque d'immatriculation
- Contrôle de la poignée de gaz.
ATTENTION
Respectez ces consignes de sécurité lors des vérifications.
- Les gaz d'échéppement contiennent des substances toxiques telles que le monoxyde de carbone. Ne pas mener de vérifications dans des endroits fermés ou mal ventilés avec le moteur tournant.
- Réalisiez vos contrôle sur un vehicule bequillé sur un endroit plat et solide.
- Lors de vos contrôle après un roulage, faites attention à ne pas vous brûler car le moteur et son échéappement sont encore chauds.
- Stoppez le moteur et retirez la clé de contact avant toute opération de maintenance sur l'engin.
- Veuillez toujours utiliser les outils ajustats.
Si vous ne pouvez résoudre votre problème mécanique, veuillus contacter votre concessionnaire ou votre agent pour effectuer les opérations nécessaires.
INSPECTION D'UNE ZONE SUSPECTE
- Vérifiez les endroits critiques révélés lors du dernier roulage.
- En cas de problèmes de ce type, veuillez vous rapprocher de votre agent ou concessionnaire DAELIM pour les contrôleles et les réparations nécessaires.
CONTROLE DES FREINS
"JEUX DES LEVIERS DE FREIN"
Appuyer légarement sur le levier du frein jusqu'à partir une résistance afin de vérifier le jeu libre en bout de levier. L'absence ou au contraire trop de jeu dans le levier de commande est l'indication d'un problème dans le système de freinage.
JEU DU LEVIER DE FREIN: 10 à 20 mm

ATTENTION
- Le jeu au levier de frein recommendé doit être maintainu. Un jeu excess-sif peut provoquer une distance de freinage plus longue, une défaillance du système de freinage et un temps de mise en action trop grand en cas de situations d'urgence alors que le jeu insuffisant, lui, provoquera des distances de freinage très courte et pourra même abîmer le système de freinage (plaquettes de freins, stabilité, etc.)
"VERIFICATION DU NIVEAU DE LIQUIDE DE FREIN"
Cette vérification s'effectue avec le vehicule parqu sur sa bequille centrale et sur un sol plat. Assurez vous que le guidon est bien horizontal. Vérifiez, par le hublot (voyant) translucid, si le niveau est en dessous du repère LOWER.
Si le liquide frein est très bas, cela peut indiquer une fuite dans le système de freinage. Veuillez donc contrôle les fuites sur la durit de frein.

ATTENTION
Si le liquide frein est très en dessous du repère LOWER, veuillez contrôle non seulement les fuites sur la durit de frein mais aussi l'usure des garnitures de frein.
CARBURANT
"CONTROLE"
Vérifiez que le niveau est suffisant pour le trajet prévu.
- Si l'aiguille de la jauge à essence est sur E (zone rouge), veuilles ravitaille en essence des que possible.
Capacité de la réserve de carburant : 1,7 l
"RAVITALLEMENT"
- Utilisez la clé de contact pour ouvrir la selle en la tournant de OFF vers OPEN.
- Tournez le bouchon du réserve dans le sens inverse des aiguilles d'une montre et retirez-le.
- Remplissez le réservoir d'essence jusqu'àu niveau situé sous l'orifice de remplissage. Bouchon du réservoir.
ATTENTION
- L'essence est extrémement inflammable et même explosive sous certaines conditions. Veuillez ravitailler dans un er
- Assurez-vous d'avoir arrêté le moteur et d'être loin de toute source de feu lors du ravitationnement.
- Si le remplissage d'essence dépasse le bas du goulot de remplissage, celle-ci pourrait déborder lors de la fermeture du réservoir.
Jauge de carburant


- Ne pas utilisez d'essence de mauvaise qualité. Son utilisation peut endommager (entrainer un encrassement, un calaminage, etc.) de la chambre de combustion et du circuit d'alimentation.
- Ne pas referrer trop fort le bouchon du réservoir. Ceci pourrait endommager le bouchon et son joint en caoutchouc entraînant une fuite d'essence qui pourrait induire un incendie en cas de problème électrique ou d'accident avec le scooter.
- Evitez de respirer les vapeurs et d'être en contact avec l'essence.
GARDEZ HORS DE PORTEE DES ENFANTS.
PNEUMATIQUES
"VERIFICATION DE LA PRESSION"
Vérifiez que la pression d'air est correcte en examinant l'aspect du pneumatique au sol. Si vous remarquez une anomalie quelconque dans la forme du pneu en contact avec le sol, utilisez un manometre de pression pour vérifier sa valeur et l'ajuster si nécessaire pour obtenir la valeur recommandée.
| TAILLE | AVANT | 120/70-12 53K | |
| ARRIERE | 130/70-12 62K | ||
| PRESSION (kg/cm2 ou Bar) | EN SOLO | AVANT | 2.00 |
| ARRIERE | 2.00 | ||
| EN DUO | AVANT | 2.00 | |
| ARRIERE | 2.25 | ||

Vérifiez si les flancs et la bande de roulement sont exempts de fentes, criques et autres anomalies.

Déchichures
"USURE ANORMALE"
Vérifiez si la bande de roulement ne présente pas de signes d'usure irrégulière.
Aspect anomalous

"CORPS ETRANGERS"
Vérifiez que la bande de roulement et les flancs n'ont pas de clous, de cailloux, etc.. Ceux-ci aurait pu s'incruster dans le pneumatique.
Clous

"PROFONDEUR DES SCULPTURES"
- Vérifiez l'indicateur d'usure (voir son repère sur le flanc) pour voir s'il reste assez de profondeur des sculptures.
- Si l'indicateur d'usure affleure les sculptures du pneumatique, veuillez remplacer ce pneumatique par un neuf.
Repere de l'indicateur d'usure


ATTENTION
- Si la pression de gonflage n'est pas correcte ou s'il y a des craquelures, des traces d'endommagement ou une usure irreguliere sur les pneus, cela peut provoquer des vibrations dans le guidon lors de la conduite et mener à la crevaison.
- Une pression d'air insuffisante peut alourdir la direction et rendre la conduite plus difficile et entraîner une surconsommation d'essence et une usure excessive des bords du pneumatique alors qu'une pression excessive induira une conduite plus facile et un abaisissement de la consommation de carburant. Cela provoquera aussi une usure excessive la partie centrale de la bande de roulement.
- Ce scooter est équipé de pneus sans,chambre à air (tubeless).En cas de crevaison,veuillage prendre contact avec le concessionnaire compét pour les vérifications et de réparation si besoin.
CONTROLE DE L'HUILLE MOTEUR
Veuillez contrôle le niveau d'huile quotidiennement avant chaque départ.
Le niveau d'huile moteur doit être maintainu entre les deux repères LOWER et UPPER du hublot transparent de contrôle.
- Parquez, sur un sol plat, le scooter sur la bequille centrale.
- Demarrez le moteur et le laissez tourner au ralenti durant 2 à 3 minutes.
- Coupe le moteur et contrôle le niveau d'huile.
- Si nécessaire, veuillez ajouter l'huile préconise dans le moteur. Evitez
le sur-remplissage!
ATTENTION
- Ne pas utiliser le moteur avec un niveau d'huile bas. Il risque d'être séverément endommagé.

Hublot de niveau d'huile moteur
CONTROLE DES FEUX ET CLIGNOTANTS
"FEU AVANT ET ARRIERE"
Démarrez le moteur et assurez-vous que les yeux sont en fonctionnement. Pensez aussi à vérifier si les optiques sont endommagées ou sales.
"FEU DE STOP"
Veuillez mette le contact sur ON.
En actionnant successivement le frein avant, puis arrrière, contrôle si le feu stop arrrière s'allume a chaque fois. Pensez aussi a vérifier si les optiques sont endommagées ou sales.
"FEUX CLSIGNOTANTS"
Veuillez mette le contact sur ON.
Veuillez contrôle si tous les deux clignotants avant et arriere du scooter (un incluant le côté gauche et le côté droit) s'allument correctement.
Simultanément, vérifie que vous entendez le répétableur sonore de clignotants. Pensez aussi à vérifier si les cabochons sont abimés ou sales.
RETROVISEUR
Asseyez-vous bien croit sur la selle et veuillez vérifier si vous avez une bonne rétrovision. Pensez aussi à vérifier l'objet de la propriété des rétroviseurs.
CONTROLE DES FUITES DE CARBURANT
Recherche les éventuelles fuites de carburant en contrôle le réservoir, la durit, le carburateur, etc.
ATTENTION
- Si du carburant est renversé, assurez-vous de l'avoir bien essuyé et séché avant de démarrer le moteur.
PLAQUE D'IMMATRICULATION
Veuillez contrôle si la plaque d'immatriculation n'est pas abimée ou sale.
Pensez aussi à vérifier si la plaque d'immatriculation est bien fixée au vehicule.
ENTRETIEN
- Le programme d'entretien préconise indique la périodicité avec les intervalles de maintenance et les éléments à contrôle. Il est primordial que votre scooter soit entretenu selon ces préconisations pour conserver son niveau de sécurité, de fiabilité et de pollution.
Ces instructions sont basées sur l'hypothèse que la moto est utilisé exclusivement dans les conditions pour lesquelles il a été concu. Des vitesses élevées soutenues ou l'utilisation dans des conditions inhabituelles d'humidité ou de poussières, nécessitant une maintenance plus freqente que celles spécifiées dans le TABLEAU D'ENTRETIEN préconise. Veuillez consulter votre concessionnaire DAELIM pour des conseils personalisés.
Assurez les contrôle basiques avant les interventions périodiques.
I.: contrôle et nettoyer, régler, lubrifier ou remplacer si nécessaire
R.: Remplacer
L.:lubrifier
C:nettoyer
| FREQUENCY OPERATION | DISTANCE AU COMPTEUR (NOTE 1) | REMARQUES | |||||
| x 1000 km | 1 | 4 | 8 | 12 | |||
| Mois | 1 | 6 | 12 | 18 | |||
| * | Alimentation essence | I | I | I | I | ||
| * | Filtre à essence | R | R | R | R | ||
| * | Commande des gaz | I | I | I | I | ||
| Filtre à air | Tous les 1000 km : C | NOTE 2 | |||||
| Bougie d'allumage | I | R | I | ||||
| * | Jeu aux soupapes | I | I | I | I | ||
| * | Réglage du ralenti | I | I | I | I | ||
| * | Huile moteur | R | R | R | R | ||
| ** | Filtre à huile | R | R | R | R | ||
| Hublot niveau d'huile | C | C | C | ||||
| Huile de transmission | R | NOTE 3 | |||||
| * | Liquide de frein | I | I | I | NOTE 3 | ||
| Mois | 6 | 12 | 18 | ||||
| * | Usure plaquettes/garnitures | I | I | I | I | ||
| Système de freinage | I | I | I | I | |||
| * | Intérupteur du feu stop | I | I | I | |||
| * | Réglage du phare | I | I | I | I | ||
| * | Suspension | I | I | I | |||
| * | Ecrous, vis, boulons | I | I | ||||
| ** | Roues/pneus | I | I | I | |||
| ** | Roulement colonne direction | I | I | I | I | ||
| ** | Courroie de transmission | I | I | I | |||
| ** | Variateur | I | I | I | |||
| ** | Carrosserie | I | I | I | |||
- Si vous n'avez pas les outils appropriés ou les informations pour assu-rer l'entretien ou si vous pensez ne pas avoir les compétences nécessaires, veuillez contacter votre concessionnaire ou votre agent local pour ces opérations.
** Pour assurer votre sécurité, ces contrôleles et ces opérations d'entretien doivent être assurées par des concessionnaires ou des agents autorisés DAELIM.
NOTES : (1) Pour des kilométrages plus importants, reprendre la fréquences des intervalles du tableau d'entretien.
(2) Entretenir plus féquèment en cas de roulage dans des régions très humides ou très poussièreuses.
(3): remplaçer tous les deux ans ou au kilométrage indiqué au premier terme échu. Ces opérations réclament un bon niveau en mécanique
PRECAUTIONS D'ENTRETIEN
Ce chapitre explique la méthode correcte de contrôle, de nettoyage et de remplacement des pieces. Veuillez toujours vous reférer à ce chapitre lorsque vous pouze contrôler ou réparer votre vehicule.
AVERTISSEMENTS
- Si vous scooter a chuté ou a été impliqué dans un accident, contrôle les dégats sur les leviers, les cables, les durites et les étriers de frein, et les autres parties vitales de l'engin. Ne reconduisez pas le vehicule avant d'avoir procédé à ces contrôleles et aux réparations eventuelles. Veuillez faire contrôle par votre concessionnaire DAELIM les organes principaux, en incluant le cadre, la suspension et la direction, afin de vérifier leur géométrie et d'autres dégats qui auraient pu vous échapper.
- Utilisez des pieces neuves et d'origine DAELIM ou équivalentes pour l'entretien et les réparations. Des pieces de qualité inférieure pourraientmettre en péril la sécurité de votre scooter et sa conformité aux normes antipollution.
ATTENTION
- Respectez toujours les consignes de sécurité lorsque vous assurez l'entretien sur votre scooter.
- Choisissez un sol plat et assurez-vous que la béquille centrale est bien placée.
- Utilizez de bons outils.
- Durant les opérations d'entretien la clé de contact doit être retiree.
- Méfiez-vous du moteur et du système d'échémpement qui peuvent être restés très chauds lors des opérations d'entretien.
- Àprouvésous opérations d'entretien personnel,les déchetsdoivent estre récapucérés et disposés dans une poubelle spécifique en vue du recyclage.
FREINS
Les freins avant et arrriere sont du type hydraulique à disques.
Au fur et à mesure de l'usure des plaquettes de freins, le niveau du liqui-
de de frein diminue.
Il n'y a pas de réglage à faire, mais le niveau du liquide de frein et l'usure des plaquettes doit être contrôle régulièrement. L'intégrality du système de freinage doit être contrôle fréquement pour s'assurer qu'il n'y a pas de fuite de liquide de frein.
Si la course du levier devient excessive et que les plaquettes de freins n'ont pas dépasse leur limite d'usure, il y a probablement de l'air dans le système de freinage et il doit être purgé. Voyez votre concessionnaire DAELIM pour cette opération spécifique.
AVERTISSEMENTS
- Le liquide de frein peut cause des irritations. Évitez le contact avec la peau ou les yeux. En cas de contact, rincez abondament avec de l'eau etappelez un docteur si vos yeux ont ete touchés.
Gardez hors de portée des enfants.
"REMPLISSAGE DU LIQUIDE DE FREIN AVANT"
- Vérifier que le niveau du liquide de frein est au-dessus du repère LOWER lorsque le scooter est en position verticale.
- Du liquide de frein sera ajoute au réserve à chaque fois que son niveau atteindre le repère LOWER.
1- Enlevez le saute vent
2-Veuillez nettoyer les pourtours du bocal de liquide de frein pour évier toute pollution du bocal.
3-Devissez les deux vis du couvercle du réservoir de liquide de frein et enlevez l'entretoise puis le soufflet en caoutchouc.
4-A l'aide d'un flacon neuf, replisssez avec du liquide de frein recom-mandoj jusqu'au niveau maximum.
LIQUIDE DE FREIN RECOMMANDE : DOT 3 OU DOT 4
5- Replacez avec soin le couvercle, après avoir remis le soufflet en caoutchouc et son entrezoise.
6- Resserrez les deux vis avec soin.
7- Remontez le saute-vent.
"REMPLISSAGE DU LIQUIDE DE FREIN ARRIERE"
- Veuillez procéder comme pour le cas du frein avant vu précédèment
ATTENTION
- Faites très attention lors du remplissage du liquide de frein à ne pas polluer celui-ci avec des corps étrangers. Ils provoqueraient une perte partielle ou totale du potentiel de freinage.
- Ne pas replir de liquide de frein au-dessus du niveau maximal, sous peine de débordements.
- Évitez de répandre de liquide de frein sur les parties peintes au risque d'endommager la peinture de façon irréversible.
- Utiliser le liquide de frein recommendé car tout autre qualité pourrait induire des réactions chimiques.
- Si le niveau de liquide de frein diminue rapidement, c'est le signe d'un problème sur le système de freinage.
Une fuite dans le système de freinage peut conduire à une réduction du freinage pouvant être totale.
DURITES DE FREINS, FUITES, DEGATS ET ETAT GENERAL
Assurez-vous visuellement qu'il n'y a pas de fuite de liquide de frein et en utilisant une clé plate, veuillez vérifier, les joints et le bon serrage des connexions hydrauliques.
De même, veuillez regarder si les gains ou les conduits hydrauliques ne sont pas en contact lors de la rotation du guidon ou par les vibrations pendant le roulage.

CONTROLE DES PLAQUETTES DE FREINS
L'usure des plaquettes de freins dépend beaucoup du style et des conditions de conduite. En général, les plaquettes de freins s'usent plus vite en ville.
Contrôlez vos plaquettes à chaque intervalle spécifique (page 32).
- Observez la rainure/indicateur d'usure sur les plaquettes de frein au niveau de l'étrier.
- Si la rainure d'usure n'est plus visible, les plaquettes doivent être remplacées par paire.
Voyez votre concessionnaire DAELIM pour ces opérations vitales.
"FREIN AVANT"

"FREIN ARRIERE"
Rainure d'usure des plaquettes

REGLAGE DU FREIN DE STATIONNEMENT
Le réglage du frein de stationnement est assure par la rotation de l'écrou sur le levier de frein arrêté. Àpres ce réglage, veuillusc vous assu-rer du bon fonctionnement en essayant le frein de parking.
ATTENTION
- ÀpRES avoir régólé la garde du frein, veuillez vous assurer que la partie en U de la vis-butée est bien dans le logement de l'axe du pivot comme montré sur le schéma ci-contre. Sinon, la garde peut varier soudainement.
- Il n'est pas nécessaire de regler la garde des freins avant et arrêté.


CONTROLE DE L'USURE DES GARNITURES DU FREIN DE PARKING
Après avoir reglé le frein de stationnement, veuillez vérifier l'usure des garnitures.
Tout en freinant à fond, si le repère « Δ » du levier du frein arrirée se trouve alors en face du repère « Δ » du tambour alors les garnitures sont usées. Veuillez amener votre scooter chez votre un concessionnaire le plus proche pour les faire replacer.

VIDANGE DE L'HUILE MOTEUR
Si l'huile moteur est en fin de service, cela peut raccourcir sérieusement la durée de vie du moteur. Veillez àMAINTER un niveau d'huile correct, utilisez la qualite d'huile preconisée et respectez les intervalles de vidange.
- Placez le vehicule sur sa bequille centrale et faites chauffer le moteur au ralenti deux à trois minutes.
- Arrêtez le moteur et placez un écipient sous le moteur. Enlevez la jauge à huile et la vis de vidange et laisseZ l'huile se vidanger.
- Remetre et serrer le bouchon de vidange.
- Enlevez le cache de replissage puismplir le carter d'huile moteur après avoir ouvert le bouchon du filtré à huile situé sur la culasse.
CAPACITE D'HUILMEOTEUR :
- 0.81 (avec changement de filtré à huile)
-
0.75 l (vidange simple)
-
Démarrez le moteur et laissez le tourner quelques minutes au langenti.
- Arrêtez le moteur et vérifiez le niveau d'huile. Si le niveau est bas, rajoutez l'huile recommandaee.
- Vérifiez l'absence de fuite d'huile.
"HUILPRECONISEE"
Si vous utilisez de I'huile moteur de mauvaise qualite, la durée de vie du moteur sera grandement diminuée et la garantie ne pourra pas etre appliquee.

Huile grade

Boulon de vidange
Hublot de contrôle de niveau
ATTENTION
- Si vous vidangez l'huile moteur immédiatement après l'arrêt, faites attention à ne pas vous brûler car le moteur, le système d'échéppement et l'huile sont encore très chauds
- Évitez l'intrusion de poussières ou de corps étrangers lors du replaisage d'huile moteur.
- En cas de débordement essuyez soigneusement l'huile. Si le niveau d'huile est plus bas ou plus haut que prévu dans ce manuel, le moteur en subira les conséquences.
- Ne mélangez pas les huiles de différents constructeurs ou de différentes qualités, n'utilise pas d'huile de basse qualité qui pourrait mener jusqu'à l'accident.
- Veuillez nettoyer la crépine du filtré à huile avec de l'huile neue tous les 4000km .
Faites attention à ne pas perdre le ressort de la crépine du filtre à huile lors du remontage du boulon de vidange.
CONTROLE DE L'HUILDE DE TRANSMISSION
"NIVEAU D'HUIL"
- Veuillez démarrer le moteur et le laissez tourné au ralenti quelques minutes.
- Stoppez le moteur et placez le scooter sur sa béquille centrale sur un terrain plat.
- Enlevez le carter de transmission LH.
- Enlevez la vis de vérification du niveau d'huile et assurez-vous que celui-ci afflore le bord inférieur du taraudage.
- Si le niveau est bas, dévissez le bouchon de replissage ACG. Veuillez compléter avec l'huile recommandaee jusqu'à obtaining un léger débordement par l'orifice de vérification du niveau.
HUILERECOMMANDEE:SAE80-90 - Remontez la vis de vérification du niveau, le bouchon de replissage et le carter de transmission LH.
Vis de
niveau d'huile

graves dommages s'il y a trop ou pas assez d'huile de transmission.
- Ne pas utiliser d'huile d'autres fabricants ou de mauvaise qualité. Ces huiles peuvent perdre rapidement leur qualité lubrifiante et provoquer des dégats irréversibles.
"FUITE D'HUIL"
Veuillez contrôle les fuites d'huile eventuelles au niveau du carter de transmission.

DEMONTAGE D'UNE ROUE
"DEMONTAGE DE LA ROUE AVANT"
1 - Decollez la roue avant en plaçant une cale sous l'avant du vehicule.
2 - Desserrez la vis ovale et enlevez le cable du compteur de vitesse.
3 Devissez et otez l'etrier du frein avant du fourreau de la fourche

ATTENTION
- Ne pas utiliser le frein avant suite au démontage de la roue avant. Cela provoquerait un remontage difficile.
4 - Libérrez l'axe de la roue avant.
5 - Retirez l'axe de la roue avant, puis enlevez la roue avant.
6 - Pour remonter, veuillez proceder dans l'ordre inverse du démontage.
ATTENTION
Lors du remontage de la roue, introduze delicatement le disque entre les plaquettes de frein pour éviter de les abimer.

Vis de l'étrier
- Avant de remonter, assurez vous que la partie en U du capteur de vitesse se loge bien dans son emplacement sur le fourreau de fourche gauche.
Fixez l'etrier de frein de frein en faisant attention a ne pas endommager les plaquettes. Remontez les vis de fixation de l'etrier et resserrez-les au couple de: 2.7m.kg
- Resserrer l'écrou de l'axe de roue avant au couple préconisé :

Logement du
COUPLE DE L'AXE DE ROUE AVANT:5A7M.KG
7 - Àpres le remontage, actionnez les freins plusieurs fois et vérifie que la roue tourne librement.
"DEMONTAGE DE LA ROUE ARRIERE"
1 - Placez la moto verticalement sur sa bequille centrale sur un sol plat.
2 - Libérez le réglage et le cable du frein de stationnement.
3 - Dévissez la patte de maintainien de la durit du frein arrêté.
4 - Dévissez les 4 vis de la bride.
5 - Dévissez les 3 vis du silencieux et le retirer.
Patte de maintain de la durit du frein arrriere

Vis de fixation
Vis de la bride du silencieux

Ecrou axe de roue
6 Enlevez l'etrier arrirée du bras oscillant arrêté en enlevant ses 2 vis de fixation.
7 Enlevez l'axe puis le bras oscillant.
8 Otez le collier et la roue arrriere.
9 Remontez dans l'ordre inverse du démontage.

Ecrou de réglage de la garde
COUPE DE SERRAGE DE L'ECROU DE L'AXE DE ROUE ARRIERE: 6 A 8 M.KG
ATTENTION
- Si une clé dynamométrique n'a pas été utilisée lors de cette opération, veuillez vous rendre chez votre concessionnaire des que possible, afin de procéder à une verification. Un remontage incorrect pourrait conduir à une perte d'efficacité des freins.
Lors des opérations de maintenance et le démontage de l'échéppement, laissez refroidir le silencieux après l'arrêt.
BOUGIE D'ALLUMAGE
Si l'électrode est usée ou si son écartement est incorrect, une bonne étincelle ne peut être produite. Nettoyez et reglez l'écartement.
1 Enlevez la vis spéciale du carter de bougie.
2 Enlevez l'antiparasite.
3 Bien nettoyez la zone de la bougie.
4 Otez la bougie en utilisant la clé ajuste.
5 Nettoyez la bougie avec unerosse speciale.
6 Vérifiez l'électrode à la recherche d'usure ou de corrosion.
7 Mesurez l'écartement des electrodes avec des cales d'épaissieur.

ÉCARTEMENT DES ELECTRODES PRECONISE : 0,8 A 0,9 mm
8 Remontez et resserrez à la main la bougie jusqu'au contact avec la culasse.
Bougie recommende: CR8EH-9
En cas de montage d'une nouvelle bougie, à l'aide de la clé à bougie, res
serrez encore la bougie d'un demi-tour. Si la même bougie est réutilisée, tourner encore 1/3 à 1/4 puis serrer avec la clé.
10 Remontez dans l'ordre inverse du démontage.
ATTENTION
- Si une bougie d'un autre fabricant ou surtout d'un indice thermique différent est utilisé, cela provoquera un mauvais démarrage du moteur, des ratés et une perte de puissance.
La bougie doit être correctement serrée. Un serraige incorrect peut provoquer un échauffement et endommager le moteur.

CONTROLE DE LA BATTERIE
"NETTOYAGE DES COSSES DE LA BATTERIE"
- En enlevant les 2 vis du cache batterie, sous le palncher, vous aurez accès à la batterie.
- Si les cosses de la batterie sont sales ou oxydées, débranchez la batterie et nettoyez là.
- En cas de poudre blanche sur les bornes de la batterie, nettoyez-les avec de l'eau chaude.
- En cas d'oxydation grave des cosses de la batterie, débranchez-la et Brossez les cosses avec une brosse à dents ou du papier de verre.
ATTENTION
- VeuillezmettrelecontactsurOFFavantdedebran-cher la batterie.Enlevez le fil -puis,ensuite,le fil ^+ Rebranchezlefil ^+ puis le fil-.
- Veuillez rester éloigné des sources de feu durant les manipulations de la batterie.
- Veuillez vous assurer que les câbles + et - ne sont pas en contact durant les manipulations. Ce contact pourrait provoquer une étincelle assez puissant
Caste de la batterie


pour endommager tout l'équipement électrique, provoquer un incendie ou une électrocution.
- Des démarrages électriques féuents peuvent raccourcir la durée de vie de la batterie. Veuillez utiliser le kick pour démarrer le moteur après une longue période sans'utilisation du scooter ou lors du premier démarrage de la journée ou par temps froid, afin d'améliorer le démarriage est de prolonger la durée de vie de la batterie.
"REMLISSAGE DU LIQUIDE DE BATTERIE"
- Cette batterie étant de type sans entretien, il n'est pas nécessaire de vérifier son niveau d'electrolyte ni de rajouter de l'eau distilled.
- Si vous batterie a besoin de vérifications, veuillez contacter votre concessionnaire DAELIM.
ATTENTION
- Faites attention à ne pas enlever les bouchons scellés de cette batterie étanche.
Lorsque le scooter ne doit pas etre utiliser pour une longue période, demontez la batterie pour lui eviter l'auto decharge.Veuillez la recharger complètement. Ensuite stockez la dans un endroit frais et sec. Si la batterie doit etre laissée sur le scooter, debranchez la borne négative « - »du cable.
Coupez le contact principal et vérifie le fusible. Si le fusible est grillé, veuillez 1 'echanger contre un nouveau de 7 A.
- Le fusible est installé à l'intérieur du porte fusible situé à côté de la batterie. Pour sortir le fusible, ouvrez le porte-fusible, sortez le fusible avec ses deux connecteurs, séparez les connecteurs pour libérer le fusible.
- Si le nouveau fusible grille rapidement, c'est qu'il y a un problème sur le circuit électrique.


REMONTAGE
Connecteurs de fusible
ATTENTION
- Lors du démontage du fusible, assurez-vous que le porte fusible ne soit pas en deux parties.
- ÀpRES avoir remonté le fusible sur ses deux connecteurs, vérifie si celui-ci peut facilement coulisser. Dans ce cas, le mauvais contact peut provoquer une surchauffe.
- Ne pas utiliser du fusible d'une capacité supérieure à celui d'origine pour éviter une surchauffe des cables. Lors du remplacement de tout élément électrique (ampoules et jauges), assurez-vous d'utiliser les pieces recommandées. L'utilisation de composants ELECTriques non recommandés peut conduire au grillage des fusibles ou à l'endommagement de la batterie.
Lors du lavage du scooter, n'arrosez pas la zone électrique du fusible.
- Avant de remplacer une ampoule, assurez-vous que le contact principal est sur OFF.
- N'utiliser que les ampoules de puissances préconisées.
- ÀpRES la pose des ampoules neuves, veuillez vérifier leur bon fonctionnement.
ATTENTION
- Les ampoules deviennent très chaudes lorsqu'elles sont allumées et le reste quelques instants après leur extinction. Assurez-vous de les avoir laissées refroidir avant toute intervention.
- Ne touchez pas avec les doigts le verre des ampoules, ce qui pourrait provoquer des points chauds et une panne. Portez des gants propres lors du remplacement des ampoules. Si vous touchez le verre d'une ampoule avec vos mains, nettoyez-le avec un chiffon imbibé d'alcool pour éviter toute panne ultérieure.
AMPOULE AVANT
- Veuiliez contrôle le bon fonctionnement de l'interrupteur de commande avant de procédéur au remplacement de l'ampoule correspondante.
1 libreze les 7 vis spécifiques de maintain, débranchez le branchement électrique et enlevez le carénage avant.
2 Tirez sans tournier le connecteur du phare
3 Otez la protection en caoutchouc
4 Enlevez l'ampoule avant en étant le clips métallique.
ampoule et procededans l'ordre inverse du demontage
"REGLAGE DE LA HAUTEUR D'ECLAIRAGE"
- Vous pouvez régler la hauteur d'éclairage en tournant les vis de réglage du bloc optique
1-Pourle réglage vertical,veuillez tourner la vis de gauche.
2-Pour le reglage horizontal,veuillez tourner la vis de droite.
ATTENTION
- Un mauvais réglage de la hauteur d'éclairage peut aveugler les conducteurs venant de face ou au contraire ne pas assurer un éclairage suffisant.
1 - Libérez les deux vis et otez le cabochon du feu arrrière.
2 - Appuyez légèrement sur l'ampoule et tournez-la dans le sens inverse des aiguilles d'une montre.
3 - Installes la nouvelle ampoule dans l'ordre inverse du démontage.
- Pendant le démontage, veuillez faire attention à ne pas abîmer le cabochon du feu arrière.
- Àprous le remplacement du cabochon de feu arrêté, mais vous assurez de l'étanchéité du montage.
AMPOULE DE CLIGNOTANT
"AMPOULE CLIGNOTANT AVANT"
1 - Libérez la vis de maintien et otez le cabochon des clignotants.
2 - Appuyez légèrement sur l'ampoule et tournez dans le sens inverse des aiguilles d'une montre.
3 - Installez la nouvelle ampoule et procédez dans l'ordre inverse du démontage.
AMPOULE DE CLIGNOTANT AVANT : 12V 10W
"AMPOULE CLIGNOTANT ARRIERE"
1 - Libérez la vis de maintien et otez le cabochon des clignotants.
2 - Appuyez légerement sur l'ampoule et tournez dans le sens inverse des aiguilles d'une montre
3 - Installez la nouvelle ampoule et procédez dans l'ordre inverse du démontage.
AMPOULE DE CLIGNOTANT ARRIERE : 12V 10W
CONTROLE DE L'ELEMENT FILTRANT
"DEMONTAGE"
1 - Tournez la clé de contact de OFF vers OPEN pour ouvrir la selle.
2 - Libérez les 6 vis de fixation et enlevez le couvercle du filtré à air.
3 - Dévissez les 2 vis de maintainiers puis otez le support filtré à air.
4 - Enlevez puis contrôle l'etat de l'élement filtrant.
5 - Remontez dans l'ordre inverse du démontage.
"NETTOYAGE"
- Nettoyez l'élément filtrant dans de l'huile propre, essorez l'huile en excès, ensuite essuyez le avec un chiffon sec puis essorez-le à nouveau.
- Assurez-vous que toute huile en excès a été éliminée et remontez l'élement filtrant.
HUILPRECONISEE:SAE10W-30
ATTENTION
- Ne pas utiliser d'essence ou d'autres produits inflammables pour le nettoyage du filtré à air
- Si le filtré à air est mal remonté, la poussière et d'autres impuretés pourraient pénétre directement dans le moteur. Ceci entraîrerait une usure accrue du cylindre et réduira la puissance du moteur.
- Lors du lavage du scooter, éviter d'envoyer de l'eau dans le filtré à air. Ceci pourrait provoquer les difficultés de démarrage.
Si le démarrage du moteur est impossible, sous la pluie ou après avoir conduit dans des flaques d'eau, veuillez contrôle la présence d'eau dans le filtré à air et nettoyez le si besoin.
CONTROLE DE LA BEQUILLE LATERALE
- Dépliez la béquille centrale et parquez le scooter verticalément sur un sol plat
- Contrôlez si le ressort de rappel n'est pas abîné ou trop faible et que la béquille latorale se manoeuvre librement.
- Vérifiez que le contacteur de béquille coupe bien l'allumage :
1 - Replies la bequille laterale.
2 - Démarrez le moteur.
3 - Abaissez la bequille latérale : le moteur devrait stopper.
- Si le contacteur de la béquille latorale ne fonctionne pas comme décrit ci-dessus, veuillez le faire contrôle par votre concessionnaire DAELIM le plus proche.
SOUFFLETS CAOUTCHOUC DE PROTECTION DES CABLES
Un soufflet de protection en caoutchouc est monté pour protégger le cable interne.
Veuillez vérifier que ce soufflet est correctement monté à ses deux extrémites. Lors du lavage du scooter, veillez à ne pas arroser directement ces éléments. Pour les nettoyer utiliser un chiffon sec.

ATTENTION
- L'infiltration d'impuretés ou d'eau causee par l'endommagement du soufflet (mauvaise position, déchirure etc.) peut causer l'apparition de glace en hiver et bloquer le cable, provoquant des a coup s a acceleration et une diminution de l'efficacite du freinage. En cas de dommages, remplacez le soufflet en caoutchouc immediatement.
PRECAUTIONS EN CAS DE LAVAGE
Assurez-vous d'avoir coupé le moteur avant tout lavage.
- Evitez d'introduire de l'eau dans le silencieux. Cela pourrait rendre le prochain démarrage difficile ou provoquer de la corrosion
- Evitez d'introduire de l'eau dans le système de freinage, cela affaibi- rait le prochain freinage. Avec la fin du lavage, choisissez un endroit tranquille et demarrez la moto. Freinez légerement avec les deux freins à basse vitesse afin de secher le système de freinage et lui rendre toute son efficacité.
- Prenez des précautions avant de nettoyer votre vehicule. Veuillez ne pas polar exagérément votre scooter au risque de déterminer la peinture en la décolorant.
INSTRUCTION D'ENTREPOSAGE
Pour un remisage de longue durée, durant tout l'hiver par exemple, vous doivent suivre certaines étapes pour réduire les effets négatifs du temps en cas de non d'utilisation de votre vehicule.
De plus, les réparations nécessaires devront être effectuées avant de remisser le scooter, autrement, ces réparations risquent d'être oublées à la remise en service de l'engin.
"ENTREPOSAGE"
- Vidangez l'essence du réservoir dans un jerrican approprié à l'aide d'un siphon ou de toute autre méthode équivalente.
- Si l'entreposage doit durer plus d'un mois, la vidange du carburateur est très importante afin d'assurer des performances normales après le remisage.
ATTENTION
- L'essence est extrémement inflammable et même explosive sous certaines conditions. Effectuez ces opérations dans unepiece bien ventilée et moteur à l'arrêt. Ne fume pas et eliminez toutes les sources d'étinçel-
les ou de flamme autour de l'endetroit où sont effectués la vidange et le stockage de l'essence puis, ensuite, le replissage du réservoir.
- Retirez la batterie. Stockez la dans un endroit protégé du gel et à l'abri des rayons du soleil. Rechargez la batterie une fois par mois en mode lent.
Lavez et séchez la moto. Lavez et séchez toutes les parties peintes.
- Gonflez les pneus aux pressions préconisées. Placez le scooter sur des cales de façon à ce que les deux roues soient au-dessus du sol.
- Couvrez l'engin (n'utilise pas de plastiques ou autres housses etanches) et stockez-la dans un endroit frais, sans humidité et avec un minimum de variations de températures quotidiennes. Ne stockez pas le scooter directement exposé au soleil.
"REMISE EN SERVICE"
- Retirez la bache et nettoyez la moto.
- Rechargez la batterie si besoin. Réinstalléz la batterie.
- Effectuez tous les contrôleles et les vérifications d'avant le départ. (Page 25)
Effectuez un test à basse vitesse dans un endroit sans traffic.
- Le numero de cadre est grave sur la partie centrale avant du cadre.
- Le numéro du moteur est grave au milieu du carter gauche.
- Les numéros de cadre et de moteur seront utilisés pour récapérer votre scooter en cas de vol.
- Veuillez noter ces nombres ainsi que votre immatriculation et les conserver hors de votre vehicule.


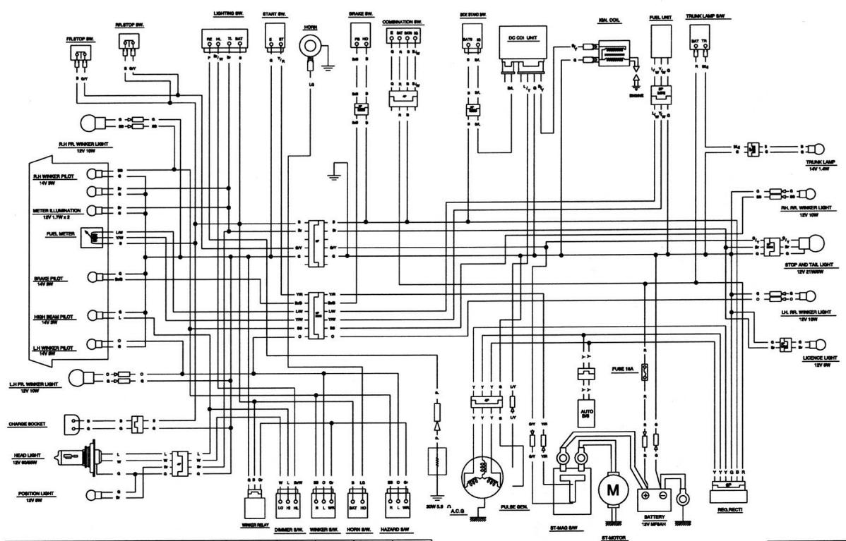
SCHEMA DE CABLAGE ELECTRIQUE

| LIGHTS | CONSERVATION | DIAMETER | TUNING | HANGADN | HEADCY | STARE | SPARE DISK | BASE STAND DISK | |||||||||||||||||||||
| RME | HL | TL | BMT | M | E | BMT | BMT | HL | HL | L | n | m | L | L | n | m | L | L | HC | BMT | L | L | BMT | L | BMT | BMT | |||
| CPT | 0 | - | - | - | LOCO | O | O | O | - | LO | - | O | O | O | - | - | - | - | - | - | - | - | - | - | - | - | - | - | - |
| P | - | - | - | - | OCH | O | O | - | - | OH | O | O | O | - | - | - | - | - | - | - | - | - | - | - | - | - | - | - | - |
| (%) | - | - | - | - | OR | - | - | - | - | OR | - | O | O | - | - | - | - | - | - | - | - | - | - | - | - | - | - | - | - |
| H | - | O | O | - | COCUL | BMT | BMT | BMT | BMT | - | COCUL | L | BMT | - | - | - | - | - | - | - | - | - | - | - | - | - | - | - | - |
| COOLING | P | BMT | B | B | |||||||||||||||||||||||||
| W | WHITE | Gr | GRAY |
| B | BLACK | Br | SNOHN |
| Y | YELLOW | O | CHRANGE |
| L | BLUE | BB | SRY BLUE |
| G | GREEN | LA | LIGHT GREEN |
| R | RED | P | Pink |
NOTES
DAELIM
vous recommendé les casques

www.suomy.fr

DAELIM MOTOR FRANCE
PREPARE PAR
DIP SAS
Importateur exclusif pour la France
DIP SAS
ZAC LA VALENTINE
117, TRAYERSE DE LA MONTRE
13011 MARSEILLE
www.dip.fr
Notice Facile