SC125 - Scooter DAELIM - Notice d'utilisation et mode d'emploi gratuit
Retrouvez gratuitement la notice de l'appareil SC125 DAELIM au format PDF.
| Intitulé | Description |
|---|---|
| Type de produit | Scooter 125 cm³ |
| Caractéristiques techniques principales | Moteur monocylindre, 4 temps, refroidi par air |
| Alimentation électrique | Allumage électronique |
| Dimensions approximatives | Longueur : 2 050 mm, Largeur : 740 mm, Hauteur : 1 130 mm |
| Poids | Poids à vide : environ 130 kg |
| Capacité du réservoir | Réservoir de carburant de 10 litres |
| Type de batterie | Batterie au plomb, 12V |
| Tension | 12 Volts |
| Puissance | Puissance maximale : 11 kW à 8 500 tr/min |
| Fonctions principales | Scooter urbain, économique, facile à manœuvrer |
| Entretien et nettoyage | Vérification régulière de l'huile, nettoyage du filtre à air, contrôle des freins |
| Pièces détachées et réparabilité | Disponibilité de pièces détachées dans les réseaux agréés |
| Sécurité | Équipé de freins à disque avant et arrière, éclairage LED |
| Informations générales | Conforme aux normes Euro 5, idéal pour les trajets quotidiens |
FOIRE AUX QUESTIONS - SC125 DAELIM
Téléchargez la notice de votre Scooter au format PDF gratuitement ! Retrouvez votre notice SC125 - DAELIM et reprennez votre appareil électronique en main. Sur cette page sont publiés tous les documents nécessaires à l'utilisation de votre appareil SC125 de la marque DAELIM.
MODE D'EMPLOI SC125 DAELIM
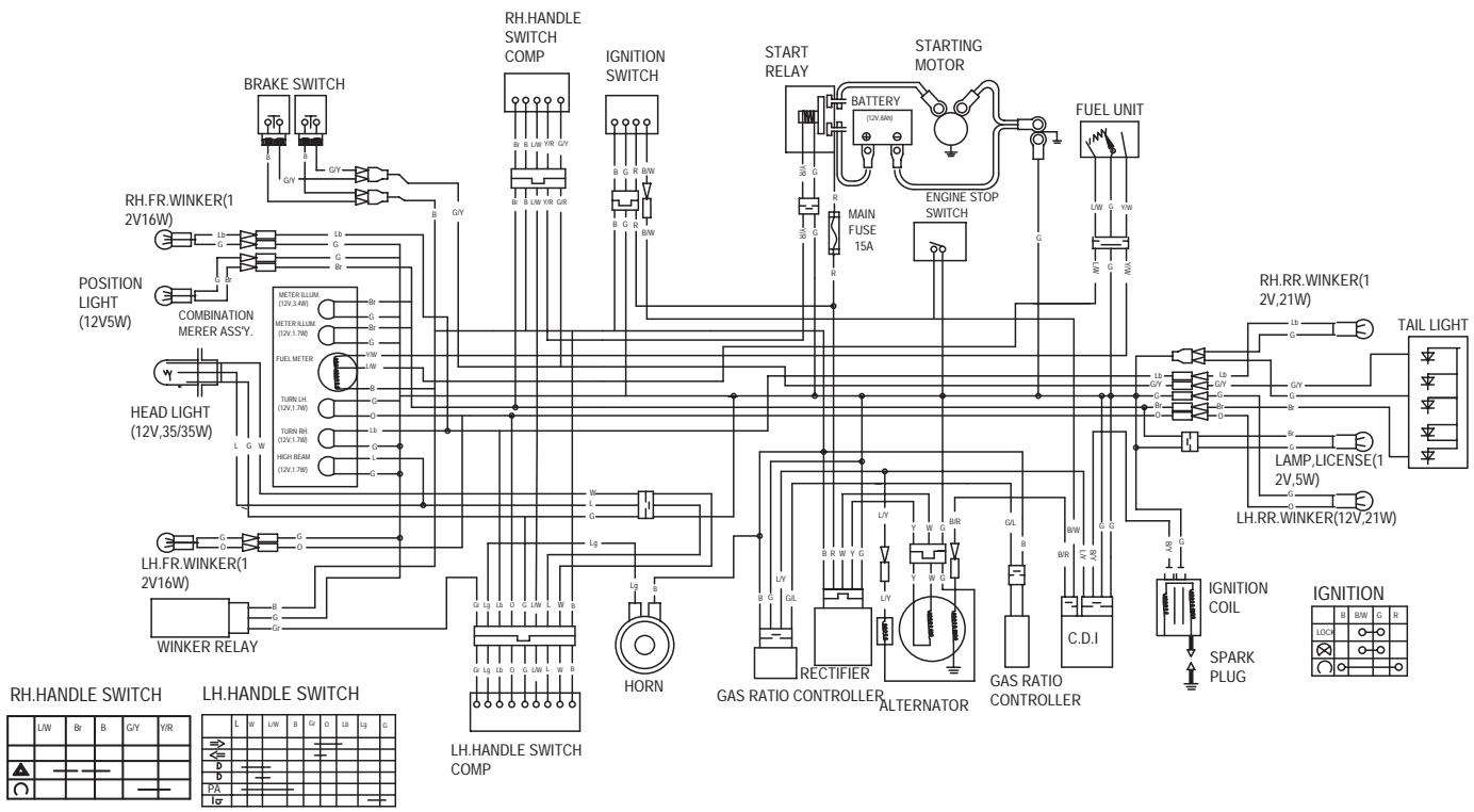
CONTRôle DE L'ÉCLAIRAGE ET DES CLIGNOTANTS 29
Ce manuel décrit les méthodes permettant d'utiliser et d'entretenir votre vehicule en toute sécurité.
Pour être certain d'utiliser ce vehicule de la manière la plus sure et la plus comfortable possible, prenez le temps de dire attentivement ce manuel avant toute utilisation.
- Les photographies et les croquis représentés dans ce manuel peuvent être légèrement différents de la réalité en raison des modifications qui ont pu être apportées au vehicule.
- Ce vignicule est concu pour transporter deux personnes, pilote compris.
ATTENTION
- Ne pas utiliser de carburant de mauvaise qualité Dans le cas contraire, un dépôt peut se former dans le fond du réserveir et boucher l'arrivée d'essence, pouvant entraîner des démarrages difficiles et/ou endommager sérieusement le moteur.
- Utiliser de l'huile de haute qualite.
Cela permettra de prolonger la durée de vie de votre vehicule. - La garantie ne s'applique pas aux vehicules utilisés en compétition.
Aucune piece ne doit être modifiée et/ou remplaçée par une autre piece qu'une piece d'origine Daelim, et ce pour toute la durée de la garantie. - Tout défaut de fonctionnement cause par l'utilisation d'un carburant ou d'un lubrifiant inapproprié entraînera automatiquement l'annulation de la garantie.
PRECAUTIONS POUR VOITRE SECURITE
- Une conduite attentive et un équipement approprié sont lesIRMes de la route et conduitez sans agressivement.
- Beaucoup d'utilisateurs portent une attention particulière à la sécurité lorsque leur vehicule est neuf. Toutefois, après une période d'adaptation, cette attention a tendance à se relâcher, ce qui peut conduire à l'accident. Merci de toujours utiliser votre vehicule avec le niveau d'attention nécessaire pour votre sécurité.
Lorsque vous utilisez votre vehicule,mercie de garder en tete et de respecter les précautions d'utilisation.
- Porter un casque pour tout déplacement.
- Porter des gants pour tout déplacement.
- Respecter les limitations de vitesse. Adapter sa vitesse à l'environnement et à la visibilité.
Faire attention aux risques de brûlures sur l'échévement. Ne laisser jamais les enfants s'approcher du vehicule après utilisation. - Pour plus de sécurité, ne modifier ou ne transformer jamais le vehicule.
- Inspector et contrôle régulièrement le vehicule.
- Freins, pneumatiques, huile, éclairage, averitisseur sonore, instrumentation.
AVANT DE DEMARRER LE VEHICULE
- Lire ce manuel de l'utilisateur attentivement.
- Contrôler le vehicule avant toute utilisation.
- Maintenir le vehicule propre en permanence et respecter le calendrier d'entretien.
S 'assurer que le contact soit coupé et qu'il n'y a pas de risque d'incendie lorsque l'on remplit le réservoir de carburant. - Les gaz d'échévement contiennent des substances toxiques telles que le monoxyde de carbone.
Ne démarrer le moteur que dans un endroit correctement ventilé.

FONCTIONNEMENT

- Les occupants de la moto doivent bien se caler afin d'assurer une conduite coulée.
- Veuiliez vérifier si vous n'êtes pas trop épuisé ou mal disposé avant de partir.
- Pour plus de sécurité, faire des pauses régulières lorsque l'on conduit sur une longue distance.
Placez toujours le corps au milieu de la selle. Ne pas s'asseoir à l'arrête de la selle car cela risque de délester la roue avant et rendre la direction imprecise.

- Tenir le guidon fermement et en permanence lorsque l'on conduit.
Le passager doit toujours utiliser les poignées de maintaines situées de part et d'autres de la selle. Dans le cas contraire, un accident peut survenir et entraîner des blessures graves.
ATTENTION
-
Ne pas laisser tourner le moteur du scooter dans un lieu clos ou mal ventilé.
-
Lorsque l'on peut changer de direction, incliner légarement le corps dans la direction souhaïée. Pour plus de sécurité, le corps doit suivre les mouvements du vehicule.

- L'etat de surface des routes n'est jamais parfait et change en permanence. Conduire sur certains revêtements peut s'avérer dangereux si certaines précautions ne sont pas prises.
De façon à conduire en toute sécurité, anticiper les conditions de roulage, ralentir sensiblement en cas de besoin et se décontracter afin d'être préts à réagir.
FONCTIONNEMENT
- Porter toujours un casque homologué et des gants pour tout déplacement.
- Porter des vêtements protecteurs et veiller à ce qu'ils ne puissant enaucun cas se prendre dans les roues souspeine d'entrainer un accident.
- De nombreux accidents sont causés par le fait que l'automobiliste ne voit pas le deux roues :
- Porter des vêtements clairs ou équipés de dispositifs rétroréfléchissants.
- Tâcher d'être toujours en dehors de l'angle mort des autres usagers de la route.
Garder toujours un œil sur les rétroviseurs pour prévenir tout danger venant de l'arrête.
EQUIPEMENT DU PILOTE
- Porter toujours un casque homologué et des gants pour tout déplacement.
- Porter des vêtements protecteurs et veiller à ce qu'ils ne puissant enaucun cas se prendre dans les roues sous peine d'entraîner un accident.
- De nombreux accidents sont causés par le fait que l'automobiliste ne voit pas le deux roues :
- Porter des vêtements clairs ou équipés de dispositifs rétroréfléchissants.
- Tâcher d'être toujours en dehors de l'angle mort des autres usagers de la route.
Garder toujours un œil sur les rétroviseurs pour prévenir tout danger venant de l'arrête.

DANGER
- S'assurer que pilote et passager portent un casque homologué, des lunettes et des vêtements protecteurs lors de chaque déplacement.
- Ne pas porter de casque multiplier les risques de blessure grave ou de mort.
CHARGEMENT
- Lorsque l'on roule avec un chargement, garder en tête le fait que la conduite du vehicule s'en trouve modifiée, en particulier lors des changements de direction.
Faire en sorte de ne pas surcharger le vehicule afin de ne pas le rendre instable. CHARGE MAXIMALE:10km

ATTENTION
- Faire en sorte de ne pas surcharger le vehicule et d'attacher correctement la charge.
- Ne placer aucun objet entre la carrosserie et le moteur dans la mesure où celui-ci devient très chaud.
- Ne pas placer de matériel inflammable à proximé du bouchon de replissage du réservoir de carburant.
Si le trou aménagedans le bouchon du réservoir d'huile est bouché,l'huile peut ne pas alimenter correctement le moteur et entraîner des sérieux dommages au moteur.
- Ne pas transporter de charges trop lourdes ou trop volumineuses sur le guidon, la fourche ou les garde-boue (tels qu'un sac de couchage ou une tente) sous peine d'alourdir la direction ou d'entrainer un comportement instable.
Il pourrait en résultat une tenue de route aléatoire et une prise de virage trop lente.
MODIFICATIONS
- Toute modification de la structure du vehicule peut déteriorer son fonctionnement ou entraîner une augmentation du niveau sonore à l'échévement, ce qui diminue la durée de vie du vehicule. Ces modifications ne sont pas simplement interdites par la loi, elles constituent également un manque de respect envers les autres usagers de la route. Enfin, ces modifications ne sont pas couvertes par la garantie.
ATTENTION
- En cas de problème causé par une modification, la garantie sera automatiquement annulée.
ACCESSIONS
- A part les accessoires concus par DAELIM MOTOR CO. LTD., ne rajouter aucun dispositif d'éclairage supplémentaire qui pourrait décharger prématurément la batterie.
- Contrôler les accessoires pour s'assurer qu'ils ne promètten pas l'éclairage, la garde au sol, les mouvements de la direction, le débutment des suspensions ou le fonctionnement des différentes commandes.
- N'ajouter aucun équipement électrique qui pourrait dépasser les capacité du système électrique d'origine. Le déclenchement d'un fusible peut entraîner une baise de l'éclairage ou de la puissance moteur.
DANGER
- Les modifications apportées au vehicule ou l'utilisation incorrecte d'accessoires peuvent cause un accident et entraîner des blessures graves.
- Respecter les instructions qui concernent les modifications au vehicule ou le montage des accessoires.
SILENCIEUX
- Veiller à ce que le passager ne se brûle pas sur le système d'échévement durant vos déplacements.


ATTENTION
- Faire attention aux risques de brûlures sur l'échévement. Ne laisser jamais les enfants s'approcher du vehicule après utilisation. Faire également attention aux piétons.
- Si un tissu synthétique vient à toucher l'échévement chaud, il peut prendre feu.


COMPTEUR

Indique la vitesse. Respecter les limitations pour une meilleure sécurité.
Indique la distance totale parcourue par le vehicule, en kilometres.
Indique la quantité de carburant restante dans le réservoir.
Veiller à replir le réserve sitôt que l'aiguille de la jauge entre dans la zone rouge.
CAPACITE DU RÉSERVOIR DE CARBURANT:11 L
RÉSERVE:2,4 L
DANGER
Veiller a ne pas tomber en panne d'essence dans la mesure ou le moteur peut s'arreter brutalement et entraîner un accident.
VOYANTS LUMINEUX
Lorsque la commande est actionnée, le témoin lumineux clignote en même temps que les clignotants.
CONTACTEUR PRINCIPAL
CONTACTEUR PRINCIPAL


- ON.... Démarre le moteur. La clef ne peut être retiree (l'éclairage fonctionne).
- OFF....Stoppe le moteur. La clef peut etre inseree ou retirée du contacteur.
- LOCK....Bloque la direction. La clef peut etre inseree ou retirée du contacteur.
- OPEN....Lorsque la selle est déverrouillée, la clef revient à sa position originale (OFF). La clef peut être insérée ou retiree du contacteur.
ATTENTION
- Afin d'éviter tout risque d'accident, ne pas intervenir sur le contacteur principal lorsque vous conduisez.
- Si I'on doit-retirrer la clef de contact,stopper d'abord le vehicule.
- Tourmez la clef avec douceur sans appuyer pour ouvrir la selle.
Lorsque le contacteur est en position ON, l'éclairage entre en fonction. - De nuit, ne pas couper l'éclairage afin de conserver une visibilité suffisante et éviter les accidents.
Lorsque I'on stoppe le vehicule, bloquer la direction et-retirer la cef.
BOUTON DE DÉMARREUR

Le moteur démarre après une pression sur ce bouton. Le contacteur à clef doit être sur ON et le levier de frein doit être tiré.
ATTENTION
- Le moteur ne démarrera pas si le levier de frein n'est pas tiré.
- Ne pas maintainir le levier tire et les gaz ouverts lorsque le moteur a démarré.
Cela peut endommager le moteur et le vehicule peut demarrer brusquement.
- Si le contacteur principal reste en position ON pendant trop longtemps alors que le moteur ne tourne pas, la batterie peut se décharger rapidement.
ÉCLAIRAGE
La seLECTION entre feu de route (phare) et feu de croissement (code) s'effectue grâce à cette commande.

Les codes/phares peuvent etre activés en utilisant cet interrupteur.

FEUDE ROUTE
D(HI) .... A utiliser lorsque 1'on souhaite tener la visibilité maximale.
FEU DE CROISEMENT
DLO) ....Autiliserlorsque1'on croise d'autres vehicules,en ville,etc.
ATTENTION
N'utiliser le feu de route que lorsque vous est sur de ne pas eblouir les autres usagers de la route.
COMMANDE DE CLIGNOTANTS

Si cette commande est actionnée alors que le contacteur à clef est sur ON, les clignotants fonctionneront.
(R)....À utiliser lorsquè l'on peut tourner à droite.
(L) utiliser lorsque l'on peut tourner a gauche.
ATTENTION
La commande de clignotants ne revient pas automatiquement dans sa position initiale après le changement de direction. Veillez a remetre la commande en position initiale après votre changement de direction.
VERTISSEUR SONORE
L'avertisseur sonore principal entre en fonction lorsque cette commande est pressee et que le contacteur principal est sur ON.

Lorsque le vehicule est a l'arrêt, s'assurer que la direction est bien verrouillée afin de limiter les risques de vols.
Pour bloquer la direction, tournier le guidon au maximum vers la gauche et appuyez sur la cef tout en la tournant vers la position LOCK.
Pour débloquer la direction, tournez la cef vers la position OFF.
ATTENTION
S'assurer que la direction est bien verrouillée en faisant légarement tourner le guidon vers la gauche.
- Faire en sorte de ne pas générer les autres vehicules au moment de garer le vehicule.
VERROUILLAGE DE LA SELLE
- La selle est automatiquement bloquée lorsqu'elle est pousse en position basse.
- Essayer de soulever légèrement la selle pour s'assurer de son verrouillage.
- Tourner la cef de la position OFF vers OPEN pour ouvrir la selle.
ATTENTION
- Dans la mesure où la selle se verrouille automatiquement, prendre garde à ne pas laisser la cef dans le coffre.
S'assurer que la selle est bien verrouillée après l'avoir abaissée. Conduire avec la selle non verrouillée peutmaker un danger.
Lorsque le verrouillage de la selle ne fonctionne plus, ne pas tenter de l'ouvrir de force et consulter le concessionnaire le plus proche.
COFFRE

- Un coffre a été aménagé sous la selle
- En utilisant la clef de contact sur la serrure de la selle, celle-ci peut être ouverte pour libérer l'accès au coffre.
Tournier doucement la clef de contact de la position OFF vers la position OPEN.

- Conserver le manuel de l'utilisateur ainsi que le guide d'entretien dans cet espace de rangement.
CHARGE MAXIMALE DU COFFRE : 10 KG
ATTENTION
- La température à l'intérieur du coffre est susceptible d'augmenter en raison du fonctionnement du moteur. Ne pas placer dans le coffre d'aliments ou d'objets sensibles à la chaleur. Ne pas y placer de matériel inflammabl.
- Ne pas y placer d'objets fragiles ou de valeur.
- Dans la mesure où de l'eau est susceptible d'entrée dans le coffre au lavage, s'assurer dePTRirer tous les objets qui peuvent etre endommagés par I'eau.
CROCHET POUR SAC

- Pour plus de facilité, le transport des sacs peut être effectué en utilisant le crochet ajouté à cet effet.
ATTENTION
- Ne pas essayer de transporter de charges trop lourdes ou trop volumineuses qui peuvent affecter la stabilité du vehicule.
CONDUITE DU VEHICULE
- Vérifier les niveaux de carburant, d'huile, etc., avant de démarrer le moteur.
S'assurer que le vehicule est sur sa bequille centrale avant de demarrer le moteur.
ATTENTION
S'assurer que la roue arrriere est bloquée lorsque l'on demarre le moteur afin d'éviter un départ brutal du vehicule.
- Le blocage de la roue n'est pas possible si le frein arrêté n'est pas régle correctement.
Conduire avec prudence pour plus de sécurité et pour la longévite du vehicule.
- Pendant 1 mois (ou 1000km ), conduire avec moderation, éviter les départ rapides et les accelerations brutes.
- Pendant les 1000 premiers km, ne pas dépasser un régime de 6000 tr/min afin de roder le vehicule dans les dernières conditions.
La durée de vie du vehicule est augmentée si le rodage est effectué correctement.
DÉMARRAGE

Bloquer la roue arrête

Tournier le contacteur principal vers la position ON.
3 Appuyer sur le bouton du démarreurs sans tournar la poignée des gaz. (sans ouvrir les gaz)

ATTENTION
Relachemermediatement le bouton du demarreur sitot que le moteur est en route.
- Ne pas appuyer sur le bouton du démarreur si le moteur tourne déjà sous peine d'endommager le démarreur.
- Si le moteur ne démarre pas avec les gaz fermés, appuyer de nouveau sur le bouton du démarreur en ouvrant les gaz d'environ 1/8 à 1/4.

DANGER
- Ne jamais démarrer le moteur dans un espace clos. Les gaz d'échéppement contiennent des substances toxiques qui peuvent entraîner des pertes de conscience et la mort.
-
Lorsque le scooter est sur sa bequille centrale, il ne faut jamais ouvrir les gaz en grand : si la roue arrrière touche le sol, le vehicule peut partir brutalement. (N'oubliez pas que cescopter dispose d'un embrayagecentrifuge)
-
Il est possible que le démarrage soit plus difficile si le vehicule n'a pas été utilisé pendant une longue période ou si les conduites d'arrivée de carburant sont bouchées (des démarrages difficiles alors que le niveau de carburant est correcte peuvent être le signe de conduites bouchées).
Lorsque cela arrivé, ne pas ouvrir les gaz et appuyer plusieurs fois sur le bouton du démarreur.
ATTENTION
- Ne pas appuyer sur le bouton du démarreur plus de 5 secondes à la fois. Relâcher le bouton environ 10 secondes avant de rééssayer.
Garder le levier de frein arriré tire jusqu'au démarrage. - Les gaz d'échéppement contiennent des substances toxiques telles que le monoxyde de carbone.
Demarrer le moteur dans un espace ouvert.
- Lorsque le moteur est froid (le matin ou l'hiver) ou si le vehicule n'a pas eté utilisé pendant une longue période, faisser le moteur tourner au ralenti quelque temps afin de lui permettre de monter en température.
APRÈS AVOIR DÉMARREDÉ LE MOTEUR
Replier la bequille centrale.
- Pousser le vehicule en avant pour replier la bequille centrale en veillant à ne pas relâcher le frein arrêté.

ATTENTION
- Ne pas ouvrir les gaz excessivement avant de commencer à rouler.
2Monter sur le vehicule
- On doit monter sur le vehicule par le cote gauche et s'asseoir bien au centre de la selle. Garder au moins un pied au sol.

ATTENTION
- Conserver le levier de frein arriré tiré avant le démarrage.
3 Relacher progressivement le levier de frein arrirée et tourner doucement la poignée des gaz pour démarrer.

ATTENTION
- Une ouverture trop rapide des gaz peut entrainer un démarrage brutal du vehicule.
- Si le régime du moteur ne diminuè par lorsque la poignée des gaz revient à sa position initiale, arrêté le vehicule et faire vérifier le dispositif par un concessionnaire/agréé.
PRINCIPES DE PILOTAGE
- Avant de s'insérer dans le traffic, utiliser les clignotants pour faire comprendre ses intentions aux autres usagers

Si la poignee est tournée...
La vitesse augmente.
Ouvrir les gaz progressivement.
Lorsque l'on aborde une montée, il faut ouvrir davantage les gaz afin d'obtenir plus de puissance.
- Si la poignée revient dans sa position initiale...
La vitesse diminue. Cela peut se produit plus ou moinsrapidement selon si I'on a besoin de ralentir vite ou non.
ROTATE
BACK ROTATE

Laisser la poignee des gaz revenir en position initiale puis actionner les leviers de freins.
- Il est préférible de commencer le freinage en tirant doucement sur les leviers puis d'augmenter progressivement la pression.

RR.BRAKE
FR.BRAKE
ATTENTION
- Si un seul frein est actionné, cela peut entraîner un dérapage du vehicule.
- Un freinage ou un changement de direction brutal peut entraîner un dérapage du vehicule et une chute.
- Il est particulièrement dangereux d'effectuer un freinage brutal sur une surface mouillée dans la mesure où les pneumatiques peuvent perdre l'adherence et glisser facilement.

- Des distances de freinage supérieures sont nécessaires en cas de freinage sur sol mouillé.
Réduire sa vitesse et anticiper ses freinages par rapport à d'habitude. - Dans les descentes, laisser la poignée de gaz revenir en position initiale puis freiner progressivement.
- Il est possible que les freins perdent un peu de leur efficacité en cas de conduite sur sol mouillé. Pour s'assurer que les freins fonctionnent correctement, ralentir (en surveillant les autres vehicules) et actionner doucement les freins pour évacuer l'humidité.
- Faire particulièrement attention en cas de conduite sur la neige ou si la route risque d'être verglacée.
Dans ces conditions, les deux pneumatiques peuvent perdre leur adherence et le pneumatique arrêté peut patiner à l'accelération.
ARRÉT
Lorsque l'on approche de l'endetroit ou l'on souhaite s'arrête.
Actionner le clignotant approprié et après avoir observé les autres vehicules, tourner avec prudence vers l'endroit ou l'on souhaite s'arrêt.
- Laisser la poignée des gaz revenir dans sa position initiale puis actionner les freins avant et arrêté. Le feu stop arrêté va alors s'allumer pour avertir les autres usagers.

2Après l'arrêt complet du vehicule.
- Replacer la commande de clignotant dans sa position initiale et tourner le contacteur principal sur la position OFF pour couper le moteur.

ATTENTION
- Ne pas actionner le contacteur principal en roulant.
Lorsque le contacteur est place en position OFF ou LOCK, le système électrique ne fonctionne pas.
Actionner le contacteur principal en roulant peut être très dangereux. Ne placer le contacteur en position OFF ou LOCK que lorsque le vehicule est parfaitement à l'arrêt.
3 Descendre du vehicule par la gauche et。(204 mettre en place la bequille centrale.
- S'assurer que l'endetroit où l'on souhaite se garer ne gène pas le traffic. S'assurer que le sol est plat et stable afin que le vehicule ne bascule pas de sa béquille.
- La mise en place sur la béquille centrale s'effectue en plaçant la main gauche sur le guidon, la main droite sur le portepaquet et en appuyant fermement sur la béquille avec le pied droit.
Dans cette position, tirer le portepaquet vers le haut etmettre la bequille en place.

4Afin delimiter les risques de vol,
s'assurer que la direction soit bien bloquée.
ATTENTION
S'assurer que I'endetroit ou l'on souhaite se garer ne gene pas le traffic.
S'assurer que personne ne risque de se brûler en touchant le moteur ou le système d'échéppement qui restent très chauds.
Garer le vehicule sur une surface stable afin d'eviter tout risque de bascurement.
Si l'on se garè sur une surface en pente légère, placer l'avant du vehicule vers le haut afin de limiter les risques de chute.
Pour accroître la sécurité et limiter les risques d'accidents, contrôler le vehicule et respecter le programme d'entretien. Le programme d'entretien doit être respecté même si le vehicule n'a pas été utilisé pendant une longue période. Les contrôles quotidiens doivent être systématiquement effectuels avant de démarrer le vehicule.
- Contrôle de l'aspect général
- Contrôle des freins
- Contrôle des pneumatiques
- Contrôle de l'huile moteur
- Contrôle de l'éclairage et des clignotants
- Contrôle des rétroviseurs
- Contrôle des fuites eventuelles
- Contrôle de la plaque d'immatriculation
- Contrôle de la poignée des gaz
ATTENTION
Observer les règles de sécurité lors des contrôles.
- Les gaz d'échéppement contiennent des substances toxiques telles que le monoxyde de carbone. Ne pas effectuer les contrôle dans un espace clos ou avec le moteur en route.
Effectuer les contrôles sur une surface plane, vehicule sur sa béquille centrale.
Lors des contrôles, veiller à ne pas se brûler en touchant le moteur ou le système d'échéppement qui restent très chauds. - Arrête le moteur etsteroler la clef de contact avant d'effectuer les operations d'entretien.
- Utiliser les outils appropriés.
ATTENTION
- Si vos réglages ne suffisent pas à corriger les problèmes évientuellesment rencontres, contacter un concessionnaire/agree.
CONTROLES AVANT UTILISATION
- Contrôler les éléments qui posaient problème lors de la première utilisation du vehicule.
- Le cas échéant, contacter un concessionnaire/agree pour effectuer les opérations d'entretien et/ou les réparations nécessaires.
CONTROLES DES FREINS
Pour régler le jeu, tirer légarement sur les leviers jusqu'à partir une résistance. Une absence ou un excess de jeu tenuoignent d'un problème dans le système de freinage.
JEU AUX LEVIERS : 10~20MM

ATTENTION
Veillez à mainstreamir le jeu correct aux leviers.
Un jeu excessif peut entrainer un allongement des temps de réaction et des distances de freinage et conduire à des situations dangereuses. Un jeu trop faible peut entrainer un raccourcissement des distances de freinage mais endommager le système de freinage (câbles, plaquettes ou garnitures...).
Effectuer ce contrôle en plaçant le vehicule sur sa béquille centrale sur une surface plane.
S'assurer que le guidon est droit. Vérifier que le niveau du liquide est au-dessus du repère LOWER.
Si le niveau du liquide est trop bas, esta peut etre le signe d'une fuite dans le systeme. Contrcler le systeme pour detecter une fuite eventuelle.

ATTENTION
Si le niveau du liquide est trop bas, contrcler le système pour détecter une fuite eventuelle mais aussi l'usure des plaquettes de frein.
CONTRÔLÉ DU NIVEAU DE CARBURANT
Contrôler le niveau de carburant pour s'assurer que le volume est suffisant pour arriver à destination.
- Placer le contacteur principal sur ON.
- Si l'aiguille de la jauge pointe sur la marque E (zone rouge), replir le réservoir des que possible.

CAPACITÉ DE LA RÉSERVE : 1 LITRE
- Dégager la serrure du bouchon de réservoir et tourner la clef dans le sens des aiguilles d'une montre pour ouvrir.
- Remplir le réservoir avec du carburant jusqu'au niveau inférieur de l'orifice de replissage.
- Remetre le bouchon en place, appuyer fermement et-retirer la cef.

ATTENTION
Le carburant est extrémement inflammable et peut même exploser dans certaines conditions.
Proceder au ravitation dans un espace ventilé.
S'assurer que le moteur est et qu'aucune flamme n'est a proximite.
- Ne pas dépasser le niveau maximal de replissage. Dans le cas contraire, le carburant peut déborder au moment de replaced le bouchon sur le réservoir.
- Ne pas utiliser de carburant de mauvaise qualité. Cela peut endommager le moteur et ses composants.
- Ne pas serrer le bouchon du réserve trop fort. Cela peut endommager le joint et causer une fuite de carburant et un incendie en cas de problème électrique ou d'un accident avec le vehicule.
- Éviter le contact prolongé ou répété du carburant avec la peau. Éviter de respirer les vapeurs de carburant. ··· Garder hors de portée des enfants.
CONTRÔLDE S PNEUMATIQUES
Vérifier que la pression d'air dans les pneumatiques est suffisante en regardant leur aspect.
Si l'on note une anomalie dans la forme des pneumatiques au niveau de la zone de contact au sol, contrôler la pression avec une jauge et ajuster la pression au niveau requis.
| DIMENSIONS | AVANT | 3.50-10 51J | |
| ARRIÈRE | 3.50-10 51J | ||
| PRESSION(kgf/cm2) | PILOTESUL | AVANT | 1.75 |
| ARRIÈRE | 2.00 | ||
| AVECPASSAGER | AVANT | 2.00 | |
| ARRIÈRE | 2.25 | ||

Contrôler la surface de l'enveloppe pour s'assurer qu'il n'este aucune fissure ou que le pneun n'est pas endommagé.

Contrôler la bande de roulement du pneumatique pour s'assurer qu'il s'use régulièrement.

Contrôler les flancs et la bande de roulement du pneumatique pour s'assurer qu'aucun clou, débris de verre ou autre corps étranger n'y est planté.

- Contrôler l'indicateur d'usure pour s'assurer qu'il reste suffisamment degomme pour rouler en sécurité.
Si l'indicateur est visible, replacer le pneumatique.
- Si la pression d'air est mauvaise ou que le pneumatique présente des fissures ou des déformations, cela peut entraîner des vibrations dans la direction et/ou une crevaison.
- Un manque de pression d'air peut entrainer une sensation de lourdeur dans la direction et rendre la conduite plus difficile. La consommation de carburant est également augmentée tandis que les pneumatiques s'usent plus rapidement. Un excès de pression d'air peut entrainer une sensation de légereté dans la direction. La consommation de carburant est diminuée mais le centre de la bande de roulement des pneumatiques s'use plus rapidement.
- Ce vehicule est équipé de pneumatiques tubeless (sans,chambre à air).En cas de crevaison,contacter un concessionnaire agreé.
CONTRÔLE DU NÈVEAU D'HUILE MOTEUR
Contrôler le niveau d'huile moteur chaque jour avant de conduire le vehicule.
Le niveau doit être maintainu entre les repères inférieur et supérieur du hublot.
- Placer le vehicule sur sa bequille centrale et sur une surface plane.
- Demarrer le moteur et le laisser tournier au ralenti pendant une durée de 5 à 10 minutes.
- Contrôler le niveau d'huile
Si nécessaire, completer le niveau avec un lubrifiant approprié. Ne pas dépasser le repère supérieur.

ATTENTION
- Éviter de faire tourner le moteur avec un niveau d'huile insuffisant sous peine de l'endommager sérieusement.
CONTRÔLÉ DE L'ÉCLAIRAGE ET DES CLIGNOTANTS
ATTENTION
- Les ampôules émettent une chaleur importante pouvant occasionner des brûlures en cas de contact à main rue.
Lorsque l'on remplace une ampoule, n'utiliser que des ampoules de meme capacite. Utiliser une ampoule de capacite supérieure peut causer une surcharge de la batterie, un court-circuit et entrainer un incendie.
Si I'éclairage principal vient à s'éteindre pendant la conduite de nuit, cela peut entraîner un accident en limitant brusquement la visibilité du pilote. Vérifier le fonctionnement de l'éclairage quotidiennement.
Si I'éclairage arrêté vient à s'eteindrependant la conduite de nuit, cela peutentrainer un accident en empêchant lesautres usagers de la route de vous voircorrectement. Vérifier le fonctionnementde I'éclairage arrêté quotidiennement.
Placer le contacteur principal sur ON.
Contrôler le fonctionnement correct des ampoules (AV/AR, Gauche/Droite) et du rappel sonore. Vérifier si les optiques sont endommagées ou sales.
Placer le contacteur principal sur ON.
Contrôler le fonctionnement correct du feu stop en agissant sur les leviers de frein avant et arrêté. Vérifier si les optiques sont endommagées ou sales.
REEMPLACEMENT DE L'AMPOULE
S'assurer que le contacteur principal est bien sur la position OFF avant de replacer une ampoule.
- N'utiliser que des ampoules de même capacité.
- ÀpRES le remplacement d'une ampoule, contrôler son bon fonctionnement.
ATTENTION
Veiller a ne pas laisser d'empreintes de doigts sur les ampoules sous peine d'endommager prematurément les ampoules en creant des points chauds.
- Porter des gants propres pour remplacer une ampoule. En cas de contact avec la main, nettoyer l'ampoule avec un chiffon imbibé d'alcool.
En cas de problème, contrôle le contacteur d'éclairage avant de replacer l'ampoule.
① Retirer la vis de fixation principale sous l'objet d'habillage inférieur puis retirer les 4 vis annexes. Retirer l'objet d'habillage supérieur puis l'optique de phare.

VIS
VIS DE MONTAGE
② Retirer le connecteur électrique en tirant légrement (ne pas le tourner).
③Dégager la goupille et-retirer l'ampoule.
AMPOULE DE PHARE : 12V 35/35W

④ Remplacer par une nouvelle ampoule et remonter dans le sens inverse du démontage.
AMPOULES AVANT
① Retirer l'objet d'habillage supérieur et tournier le dans le sens inverse des aiguilles d'une montre pour le dégager.
②Ne pas faire tournier l'ampoule, tirer simplement pour la dégager.
③Replacer l'ampoule et remonter dans le sens inverse du démontage.
AMPOULES DE CLIGNOTANTS AVANT: 12V 10W X 2

AMPOULES ARRIÈRE
① Démonter les deux vis pour dégager la lentille du clignotant.
② Appuyer légèrement sur l'ampoule et la faire tournier dans le sens inverse des aiguilles d'une montre pour la dégager.
③ Replacer l'ampoule et remonter dans le sens inverse du démontage.
AMPOULES DE CLIGNOTANTS
ARRIÈRE : 12V 10W X 2
RETROVISEURS
Contrôler l' état des rétroviseurs et que la visibilité vers l'arrière est correcte lorsque l'on est en selle.
CONTRÔLÉ DES FUITÉS ÉVENTUELLES
Contrôler l'absence de fuite de carburant en provenance du réservoir, du carburateur, des durites...
CALENDRIER D'ENTRETIEN
Proceder aux contrôles avant utilisation et conformément au calendrier d'entretien.
I: CONTROLER ET NETTOYER, RÉGLER, LUBRIFIER OU REMPLACER SI NÉCESSAIRE.
R: REMPLACER
L:LUBRIFIER
C:NETTOYER
Si l'on ne dispose pas des compétences ou des outils nécessaires pour assurer l'entretien, contacter un concessionnaire/agree ou un réparateur.
Pour davantage de sécurité, les opérations de contrôle et d'entretien doivent être assurer par un concessionnaire ou un répartirateur/agréé.
NOTES : (1) Passe 16 000 km, repeter les intervalles de révision mentionnés dans ce tableau.
(2) Entretenir plus fréquement en cas de conduite dans des régions très humides ou très poussièresuses.
(3) Remplacer tous les deux ans ou au kilométrage indiqué au premier terme échu. Ce remplacement exige des compétences mécaniques.
PRECAUTIONS D'ENTRETIEN
Les pages suivantes donnent les méthodes correctes de contrôle, de nettoyage et de remplacement des pieces détaches. Merci de se référer à ces pages sitôt que l'on peut contrôler ou réparer le vehicule.
ATTENTION
- Observer les règles de sécurité lors des opérations d'entretien du vehicule.
- Placer le vehicule sur une surface plane et s'assurer que la bequille centrale est correctement engagée.
- Utiliser un outillage approprié.
- Proceder aux opérations d'entretien avec la clef retiree du contacteur principal.
Faire particulièrement attention en effectuant des opérations d'entretien autour du moteur et de l'échévement si ceux-ci sont encore chauds. - Àprouv avoir effectué les opérations d'entretien, les déchets doivent être placés dans des recipients adaptés et traités de manière spécifique en vue du recyclage.
Lors des opérations d'entretien, n'utiliser que des éléments d'origine. - Afin d'éviter toute blessure grave, ne pas poser les jambes ou les mains sur les roues lors des opérations d'entretien.
FREINS
Les freins avant et arrêté font appel à des commandes hydrauliques. Au fur et à mesure de l'usure des plaquettes, le niveau de liquide hydraulique diminue.
Il n'y a pas de réglages à effectuer, mais le niveau de liquide et l'usure des plaquettes doivent être contrôlés régulièrement.
Le système complet doit être contrôle régulierement pour déceler touteuite eventuelle.
Si le jeu au levier devient trop important et que les plaquettes n'ont pas atteint leur niveau d'usure maximale, il est probable que de l'air se soit introduit dans le circuit hydraulique.
ATTENTION
- Le liquide de frein peut cause des irritations. Éviter tout contact avec les mains ou les yeux. En cas de contact, rincer abondamment à l'eau claire et appeler un médecin.
- Gardez hors de portée des enfants.
- Vérifier que le niveau de liquide soit au-dessus du repère LOWER lorsque le vehicule est droit.
-
Le niveau doit être complétee sitot qu'il approche du repere LOWER.
-
Retirer les vis.
- Nettoyer toute trace de poussière ou de saleté afin d'éviter qu'elles ne tombent dans le réservoir.
- Retirer les vis puis le couvercle du réservoir, la plaque supérieure et le joint.
- Compléter le niveau jusqu'au repère supérieur.
LIQUIDE RECOMMANDÉ DOT 3 ou DOT 4
- Au remontage, veillez à placer le joint dans le sens correct et à ne pas le pincer. Remonter dans le sens inverse du nettoyage.

- Proceder de la même façon que pour le frein avant.
ATTENTION
Lors de la mise a niveau, bien nettoyer toute trace de poussieres ou de saletés afin d'eviter qu'elles ne tombent dans le réservoir.
Les corps étrangers peuvent endommager le système et entraîner une perte d'efficacité partielle ou complete du freinage.
- Ne pas replir au-delà du repère supérieur. Cela peut entraîner une fuite de liquide.
Veiller à ce que le liquide hydraulique n'entre pas en contact avec la peinture du vehicule. Si une partie peinte est touchée, nettoyer rapidement avec un chiffon sec.
Utiliser uniquement le liquide recommandé, les autres liquides pouvant entraîner des réactions chimiques.
Si le niveau du liquide est trop bas,
ça peut etre le signe d'une fuite dans le système. - Une fuite dans le circuit hydraulique peut entraîner une réduction de l'efficacité du freinage.
Contrôler visuèlement les fuites ou les dommages évientuels. Vérifier les serrages des raccords.
Vérifier également que les durites et les éléments de protection ne se trouvent pas en contact avec des pieces en mouvement (guidon...).
USURE DES PLAQUETTES DE FREIN
L'usure des plaquettes de frein dépend du type de conduite, de l'utilisation et du type de route. En général, les plaquettes s'usent plus rapidement sur sols poussièreux ou mouillés.
Contrôler les plaquettes à chaque intervalle d'entretien. (page 32).
[PREINS AVANT/ARRIÈRE]
- Vérifier le témoin d'usure place sur chaque plaquette.
Si l'un des temoins d'usure est atteint, remplacer les deux plaquettes simultanement. - Contacter un concessionnaire Daelim pour effectuer cette opération.
![DAELIM SC125 - [PREINS AVANT/ARRIÈRE] - 1](/content/2019/07/154465/images/37631b697dd3d117db3558dd521b0a4bd392ece702ce00530ab00885f4ab37a8.jpg)
DANGER
- Contrôler le témoin d'usure place sur chaque plaquette.
Si l'un des témoins d'usure est atteint, cela peut entraîner une réduction de l'efficacité du freinage.
REEMPLACEMENT DE L'HUILE MOTEUR
Lorsque l'huile moteur est usée, la durée de vie du moteur est considérablement réduite.
Veiller à ce que le niveau d'huile soit constant et effectuer les vidanges conformément au calendrier d'entretien.
- Placer le vehicule sur une surface plane et faireCHAuffer le moteur pendant 2 à 3 minutes au ralenti.
- Arrête le moteur,steroler la jauge,placer un recipient sous le moteur etsteroler le bouchon de vidange.
- Retirer le bouchon du filtré à huile et nettoyer ce dernier.
- Vérifier l'etat du joint torique du filtre à huile.
- Replacement le filtré à huile, le ressort et le bouchon.
- Replacement le bouchon de vidange.
- Remplir avec une huile appropriée jusqu'au niveau correct (entre les repères maxi et mini)
- Replacer le bouchon de replissage et faire tourner le moteur au ralenti pendant quelques secondes.
- Arrête le moteur, attendre 20 à 30 secondes et vérifier de nouveau le niveau.
CAPACITÉDHUILENCASDEVIDANGE:075 CAPACITE DHUILEN CAS DE VIDANGE AVEC
NETTOYAGE DU FILTRE À HUILE:0.9 l

[HUILERECOMMANDEE]
Ne pas utiliser d'huile de mauvaise qualité sous peine d'endommager le moteur et d'annuler la garantie constructeur.
N'utiliser que de I'huile appropriee.
Type d'huile : Motics 4
- ILors de la vidange, toujours procéder au nettoyage du filtré à huile.
ATTENTION
Lorsque l'on procede à la vidange immédiatement après avoir arrêté le moteur, veiller à ne pas se brûler avec l'huîle chaude.
Lors du replissage, veiller à ne pas introduire de corps étrangers dans le carter.
Si l'huile déborde, nettoyer rapidement.
- Ne pas replir au-delà de la limite sous peine d'endommager le moteur.
N'utiliser que de I'huile appropriee. Si le moteur se bloque pour cette raison, cela peut entrainer des blessures graves.
- Ne pas utiliser d'huile destinée aux moteurs deux temps. Utiliser de l'huile 2 temps peut cause der sériieux dommages au moteur.
Si les pneumatiques sont souillés par de l'huile pendant ou après la vidange, ils peuventvenir extrémement glissants et entraîner une chute.
- Afin de ne pas contaminer l'environnement, ne pas déposer l'huile usagée ailleurs que dans les sites spécialisés.
BOUGIE
Si l'électrode est usée ou si l'écartement n'est pas correct, la qualité de l'étincelle ne sera pas satisfaisante.
Nettoyer et regler l'ecartement.
- Retirer le capuchon de bougie
Nettoyer la zone autour de la bougie
Utiliser une cef a bougie, retirer la bougie.

- Nettoyer la bougie avec unerosse spécifique.
- Contrôler l'usure de l'électrode. Si l'extrémité de l'électrode s'arrondit, replacer la bougie par une neue.
- Contrôler l'état du capuchon de bougie.
<ÉCARTEMENT DE
L'ÉLECTRODE:0,8~0,9mm>
- Serrer à la main jusqu'à ce que le joint entre en contact avec la culasse.
- Lorsqu'une nouvelle bougie est installée, serrer d'1/2 tour avec une clef appropriée.
Lorsque l'ancienne bougie est remontée, serrer d'1/3 à 1/4 de tour avec une clef appropriée.

Durant la salle froide ou si le vehicule est frequentlyment utilise pour de petits trajets à faible vitesse, le demarrage peut parfois s'averer difficile ou impossible. Ceci peut être évite grâce au montage d'une bougie adaptée. La bougie d'origine est de type standard.
ATTENTION
- Si des bougies de fabricants différents ou d'indices thermiques différents sont utilisées, cela peut cause certaines difficultés pour démarrer, entraîner un mauvais fonctionnement du moteur et l'endommager.
- Àpres l'utilisation du vehicule, la bougie reste extrémement chaude. Veiller à ne pas se brûler en cas de contrôle.
CONTROLE DE LA BATTERIE
Lorsque l'on soulde la selle et que I'on demonte le capot plastique, on accede à la batterie. Si les cosses sont rouillées ou corrodés, demontez la batterie et nettoyezles.
L'eventuel depôt blanc qui se forme sur les cosses de la batterie peut être nettoyé avec de l'eau chaude.
- En cas de dépôts très importants, démonter la batterie et nettoyer cosses et cables avec une Brosse métallique ou du papier de verre. COUVERGLE

ATTENTION
- Placer le contacteur principal sur la position OFF avant de démonter les cables de la batterie. Démonter d'abord le cable négatif (-). Au remontage, replacer d'abord le cable positif (+). Si l'on remonte les cables à l'inverse, un court-circuit peut survenir et générer un incendie.
Lors du demontage/montage, s'assurer que les cables et/ou les cosses ne touchent aucun autre composant métallique. Un contact peut entraîner un mauvais fonctionnement des composants électriques, un court-circuit et un incendie. - Manipuler la batterie avec précaution. Manipuler la batterie loin de tout matériel inflammable.
- Si I'électrolyte entre en contact avec le terminal, la corrosion sera accélérée.
- La batterie est de type scellede, ne pas tenter de l'ouvrir.
- Lorsque le vehicule n'est pas utilisé pendant une longue période, démonter la batterie afin d'éviter toute perte de charge. Placer la batterie dans une piece ventilée après l'avoir totalement rechargée.
Si le démontage n'est pas possible, débrancher le cable négatif (-).
ATTENTION
- Lorsque la batterie est sollicitee alors que le capot n'est pas en place, les cables doivent impérativement être connectés afin d'éviter tout court-circuit. Manipuler la batterie loin de tout matériel inflammable.
- La batterie est de type « sans entretien », c'est-à-dire qu'elle ne nécessite aucune remise à niveau.
Siquelchoochesembleanormalavec labattery,contacter un concessionnaireagreeedaelim.
- Ne pas utiliser la batterie pour un autre vehicule (automobile ou autre).
- Si de l'électrolyte entre en contact avec la peau ou les yeux, cela peut entraîner de graves blessures.
- Afin de ne pas contaminer l'environnement, ne pas déposer la batterie usageé ailleurs que dans un site spécialisé.
REplacement DES FUSIBLES
Placer le contacteur principal sur OFF avant de contrôle l'etat des fusibles. Si un fusible est endommagé, le replacer par un élément de même capacité.
- Les fusibles sont placés à proximé de la batterie.
- Pour changer un fusible, restorer le couvercle de la boite à fusibles.
Retirer le fusible endommagé et installer un fusible de rechange de même capacité.
- Si le nouveau fusible « claque »immédiatement après son installation, contrôle le circuit électrique pour déterminer la source du problème et/ou contacter un concessionnaire/agréé Daelim.



ATTENTION
- Ne pas utiliser de tournevis ou de pieces métalliques pour-retirer un fusible sous peine de causeur un court-circuit et d'endommager le circuit électrique.
- Ne pas utiliser un fusible d'une capacité supérieure à celui d'origine pour éviter une surchauf-fe des cables.
- Lors du remplacement d'un composant électrique, (ampoule ou autre), veiller à les replacer par des composants similaires. Utiliser des composants différents peut détruire les fusibles et/ou endommager la batterie.
- Lorsque l'on nettoie le vehicule, veiller à ne pas projeter d'eau dans la zone de la batterie et des fusibles.
CONTRÔLE DU FILTRE A AIR
① Retirer les 6 vis et le boulon, retarder la bride puis le couvercle de boîte à air.
② Contrôler le filtré.
③ Si le filtré est endommagé ou trop sale, le replacer par un élément neuf.

ATTENTION
- Si le filtré à air est mal monté, la poussière ou d'autres corps étrangers peuvent pénétre directement dans le moteur. Cela peut entraîner une usure prematurée du cylindre, une réduction de la puissance et de la durée de vie du moteur.
- Lorsque l'on nettoie le vehicule, veiller à ne pas projeter d'eau dans la zone du filtré à air. Si cela avait arrivier, le démarreur serait difficile à démarrer.
- Si le moteur ne démarre pas lorsqu'il pleut ou après avoir roulé sous l'eau, vérifier que l'eau ne pénétre pas dans le filtr. Le nettoyer le cas échéant.
- Ne pas rouler sur des surfaces inondées. Si l'eau penètre dans le filtré à air, cela peut entraîner un arrêt brutal du moteur et causer un accident.
CONTRÔLE DE LA BÉQUILLE LATERALE
- Placer le vehicule sur sa bequille centrale sur une surface plane.
- Contrôler le montage de la béquille laterale ainsi que l'état et la tension du ressort.
- Contrôler le coupe-contact
① Remonter la béquille laterale
② Demarrer le moteur.
③ Déplier la béquille latérale. Le moteur doit s'arrêter aussitôt. - Si le coupe-contact ne fonctionne pas, contacter un concessionnaire/agree DAELIM.

EMBOUT DE CÂBLE
Un embout caoutchouc est place à l'extrémité de chaque cable afin de le protégger.
S'assurer que I'embout est en bon et correctement place sur chaque cable.
Lorsque l'on nettoie le vehicule, veiller a ne pas projeter d'eau sur les embouts. Le cas échéant, les nettoyer avec un chiffon sec.

Contrôler la position de chaque embout quotidiennement. ÀpRES avoir régèle le jeu à la poignée des gaz, ne pas oublier de replacer l'embout en bonne position.

DANGER
L'infiltration de corps étrangers ou d'eau par les embouts peut entraîner un blocage par le gel en hiver provoquant des à coupés à l'accelération et une diminution de l'efficacité du freinage.
Si un embout est endommagé, replacer le cable immédiatement.
ATTENTION
Le carburant est particulièrement inflammable et explosif sous certaines conditions. Effectuer ces opérations dans un endroit ventilé moteur coupé. Ne pas fumer et ne pas provoquer d'étincelles ou de flammes lorsque l'essence est vidangée et stockée ou lorsque le réservoir est rempli de nouveau.
- Retirer la batterie. La stocker dans un endroit aéré à l'abri du gel et du soleil. Charger la batterie une fois par mois.
- Nettoyer puis secher le vehicule.
Protéger à l'aide d'un aerosol toutes les surfaces peintes. - Gonfler les pneumatiques à la pression recommandée. Placer le vehicule sur des cales de manière à décoller les roues du sol.
- Couvrir le vehicule avec une housse (ne pas utiliser de plastique ou de matière non respirante) et le placer dans un endroit chauffé ou avec le minimum de variations de température.
Ne pas stocker le vehicule sous la lumière directe du soleil.
- Retirer la housse de protection et nettoyer le vehicule.
- Charger puis installer la batterie.
Effectuer toutes les opérations d'entretien et de contrôle requises (page 26).
Effectuer un test du vehicule à faible allure en dehors de la circulation.
NETTOYAGE
S'assurer que le moteur est bien coupé avant d'effectuer le lavage.
- Veiller à ne pas faire entrer d'eau dans l'échévement qui pourrait:gérer le démarriage du moteur ou favoriser la formation de rouille.
Veiller à ne pas laisser l'eau pénétré dans le système de freinage afin de ne pas ALTERER ses capacités.
Après avoir nettoyé le vehicule, le faire rouler à faible allure et vérifier le bon fonctionnement des freins. Si l'efficacité semble diminuée, freiner légèrement tout en roulant afin de faire sécher le système.
- Faire attention lorsque l'on applique un produit de protection sur les parties peintes. Un excès de produit sur les parties peintes et/ou sur les pieces en résine peut cause des décolorations.
NETTOYAGE GÉNÉRAL
- Pour conserver la finition des pieces métalliques et des parties peintes, nettoyer le vehicule régulièrement en fonction des conditions de roulage.
- En hiver, des nettoyages plus fréquents sont nécessaires afin de supprimer les traces de sel. N'utiliser que des produits spécifique pour effectuer ce nettoyage. Éviter les déterments ou les solvants.
- Ne pas nettoyer le vehicule immidiatement après utilisation. Lorsque le vehicule est encore chaud, les projections d'eau s'evaporent et laissant des traces sur les surfaces chaudes.
- Ne pas utiliser de système de nettoyage à haute pression. Ne pas diriger le jet d'eau directement sur les roulements de roues, sur les joints de fourche, sur les composants électriques, les entrées d'air ou les orifices d'échéppement.
Nettoyer la poussière ou laGRAISSSE en excés en utilisant un agent dégraissant. Veiller à éviter tout contact avec la
transmission (chaine, pignons...).
Rincer avec de l'eau chaude et secher toutes les surfaces avec une peu de chamois.

CONSEILS DE STOCKAGE
Un stockage prolongé, par exemple pour l'hiver, exige un certain nombre de mesures afin d'en limiter les effets.
Par ailleurs, les réparations nécessaires doivent être effectuees AVANT de stocker le vehicule afin de ne pas les oublier lors de la remise en route.
- Vider le réservoir de carburant dans un récipient approprié et en utilisant un système de siphonage approprié.
Si le stockage doit exceder un mois, vidanger le carburateur afin de retrouver les dernières performances possible à la remise en route.
- Le numero de chassinis est frappé sur la poutre centrale du cadre.
- Le numero de moteur est frappé sur la partie inférieure du carter gauche.
- Les nombres de cadre et de moteur sont utilisés pour retrouver le vehicule s'il venait être volé.
- Notez ces numéros avec ceux de la plaque d'immatriculation et conservez les séparément du vehicule.


NUMERO MOTEUR
POSITION DE CONDUITE
Une position de conduite correcte est un facteur important pour une conduite sûre.
① Yeux: regarder au loin
② Épaules : décontracter les épaules. Relâcher la tension
③ Bras : décontracter les bras, les replier vers l'intérieur et les laisser se détendre.
④ Mains : placer les mains sur le guidon de façon à pouvoir actionner les leviers facilement.
⑤ Poignets: faire en sorte de pouvoir bouger librement les poignets sans forcer les mains
⑥ Genoux:serrerlegementlereservoir.
⑦ Pieds: les placer pointe vers 1'avant et parallèle au centre du plancher.

POSITION DU PASSAGER
① Mains: tener les poignées de maintien.
② Pieds et genoux : placer les pieds sur les repose-pieds et serrer légèrement les genoux.

DANGER
- Si le passager ne serre pas fermement les poignées de maintien et ne place pas les pieds sur les repose-pieds, il peut chuter à l'accelération, au freinage ou lorsque le vehicule tourne.
- Ne pas ouvrir les gaz si le vehicule est sur la bequille centrale et que le passager est en selle : si la roue arrête touche le sol, le vehicule pourrait demarrer brusquement et entraîner une chute.
CONSEILS DE CONDUITE
Garder uneonne distance de sécurité
Conduire avec prudence
- Ne pas génir le traffic
- Ne pas rouler sur les trottoirs
- Faire en sorte de pouvoir utiliser les freins à tout moment
- Toujours garder les freins serrés lors des arrêts courts
- Ne pas conduire trop longtemps et faire des pauses régulières
- Siquelquechoesemblanormala laconduite,s'arreteretcontacterun concessionnaireagree pourcontrolerlevehicule.
Redemarrer le vehicule après 2/3 minutes - Allumer systématiquement l'éclairage principal de nuit.
DÉMARRAGE
Avant de démarrer, toujours regarder autour de soi afin d'éviter tout accident.
① Prendre place sur le vehicule après l'avoir fait descendre de la béquille.
② Demarrer doucement après avoir actionné le clignotant et relâché les freins.
ATTENTION
- Replier la béquille latérale. Rouler avec la béquille latérale déplée peut entraîner un accident.
- Ne conduire le vehicule que sur route ouverte. Rouler sur les trottoirs peut cause des accidents
- Une vitesse excessive sur une surface irrégulière peut entraîner une chute et des blessures.
- Ne pas conduire sur des routes non goudronnées. Si une pierre vient bloquer une roue, le vehicule peut ralentir brutalement et entraîner une chute.
- Si possible, ne pas conduire trop pres de la mer ou sur des routes salées. L'échévement, les pieces extérieures et les pieces souduées peuvent rouiller rapidement. Le cadre peut également être endommagé, ce qui peut conduire à un accident.

CONSEILS POUR CHANGER DE DIRECTION

PRINCIPLE DES CHANGES DE DIRECTION
Le principe de base des changements de direction est de tourner en utilisant la force centrifuge qui déporte le vehicule vers l'extérieur et la gravité qui fait tomber le vehicule vers l'intérieur.

EFFET DE LA VITESSE
La force centrifuge augmente avec le carré de la vitesse et à l'inverse du rayon de la courbe.
Ralentir avant d'aborder une courbe afin de limiter les effets de la force centrifuge.
3 POSITIONS POUR CHANGER DE DIRECTION
Le principe de base pour changer de direction est d'utiliser la force combinée de la force centrifuge et de la gravité.
Les 3 positions exigent de garder la tete droite et le regard horizontal.
< POSITION DANS L'AXE >
Cette position place le vehicule et le pilote en ligne.
Cette position est la plus naturelle et la plus efficace. Le pilote doit la retenir en priorité.

< POSITION DÉCENTREE >
Cette position place le pilote plus à l'intérieur de la courbe que le vehicule.
Cette position est indiquée pour rouler sur une surface mouillée ou glissante car elle offre une meilleure tenue de route. Toutefois, elle réclame plus d'attention dans la mesure où la visibilité du pilote est réduite.

< POSITION EXCENTRÉE >
Cette position place le vehicule plus à l'intérieur de la courbe que le pilote.
Cette position facilité les virages, permet une bonne visibilité et offre la meilleure tenue de route. Toutefois, elle réclame plus d'attention dans la mesure où il existe un risque accru de dérapage sur sol glissant.

CONSEILS POUR CHANGER DE DIRECTION

① Replacer la poignée des gaz en position initiale et ralentir en utilisant les deux freins.
② Pencher le vehicule dans la courbe tout en roulant doucement à vitesse constante.
③ Accelerer progressivement
CONSEILS AVANT DE CHANGER DE DIRECTION
Ne pas s'engager si un poids lourds risque de tourner.
< ANGLE MORT >
L'angle mort est la petite zone dans laquelle le conducteur ne peut rien voir. Cette zone augmente avec la largeur du vehicule.

< DISTANCE ENTRE LE RAYON DE BRAQUAGE DES ROUES AVANT ET ARRÊRÈRE >
C'est la distance entre les trajectoires des roues avant et des roues arrrière. Cette distance augmente avec la longueur du vehicule.

CONSEILS DE FREINAGE
PRINCIPLE DE BASE DU FREINAGE (FORCE DE FROTTEMENT)
- Le vehicule freine en utilisant le principe des frottements entre la surface de la chaussée et les pneumatiques.
- Les distances de freinages sont multipliees par 1,5 sur chaussée mouillée et par 3 sur chaussée glacée.

LIMITE DU FREINAGE (INERTIE)

À cause de l'inertia, le vehicule ne stoppe pas immédiatement après avoir actionné les freins.
CONSEILS DE FREINAGE
- Replacement la poignée des gaz en position initiale et ralentir en utilisant le frein moteur.
- Redresser le vehicule.
Freiner le vehicule en utilisant les deux freins.
COMPARAISON DES DISTANCES DE FREINAGE
Vitesse 50km / h


15m
Freins avant et arrêté


Frein avant seul

20m
Frein arrirée seul

28m
IMPACT EN CAS DE COLLISION
Apprendre à freiner correctement afin de limiter les risques d'accidents.

Le résultat d'un choc contre un mur à 50~km / h est le même que celui d'une chute d'une hauteur de 10m .

NOTES :
NOTES :
NOTES :
NOTES :
NOTES :
NOTES :
NOTES :
NOTES :
NOTES :
Notice Facile