EMS-ENGINE MANAGEMENT SYSTEM - Système de gestion moteur DAELIM - Notice d'utilisation et mode d'emploi gratuit
Retrouvez gratuitement la notice de l'appareil EMS-ENGINE MANAGEMENT SYSTEM DAELIM au format PDF.
| Type de moteur | Moteur thermique |
| Système de gestion | EMS (Système de gestion moteur) |
| Fonction auto diagnostic | Oui |
| Voyant d'alerte tableau de bord | Présent |
| Contrôle des codes défaut | Oui |
| Effacement des codes défaut | Oui |
| Injecteur | Présent |
| Débitmètre | Présent |
| Capteur position accélérateur (TPS) | Oui |
| Sonde de température moteur | Oui |
| Correcteur de ralenti | Oui |
| Sonde lambda | Oui |
| Capteur position vilebrequin | Oui |
| Pompe à essence | Présente |
| Corps d'accélérateur | Présent |
| ECU (Unité de commande électronique) | Oui |
| Vérification circuit signal régime moteur | Oui |
| Vérification circuit voyant d'alerte | Oui |
FOIRE AUX QUESTIONS - EMS-ENGINE MANAGEMENT SYSTEM DAELIM
Questions des utilisateurs sur EMS-ENGINE MANAGEMENT SYSTEM DAELIM
L'absence d'étincelle à la bougie dans un moteur équipé du système de gestion moteur DAELIM EMS-ENGINE MANAGEMENT SYSTEM peut provenir de plusieurs causes. Voici les étapes à suivre pour diagnostiquer et résoudre ce problème :
1. Vérification de la bougie
- Contrôlez l'état de la bougie : elle doit être propre, sans dépôts ni usure excessive.
- Remplacez la bougie si elle est encrassée, humide ou endommagée.
2. Contrôle du câble de bougie
- Assurez-vous que le câble est bien connecté à la bougie et à la bobine d'allumage.
- Vérifiez l'intégrité du câble : absence de coupures, d'usure ou de corrosion.
3. Inspection du système d'allumage
- Vérifiez la bobine d'allumage pour détecter tout signe de défaillance (bruit anormal, surchauffe).
- Testez la bobine avec un multimètre pour s'assurer qu'elle fonctionne correctement.
4. Vérification des capteurs
- Contrôlez le capteur de position du vilebrequin, essentiel pour le déclenchement de l'étincelle.
- Un capteur défectueux peut empêcher l'allumage ; remplacez-le si nécessaire.
5. Contrôle du circuit électrique
- Inspectez les connexions électriques du système EMS pour détecter des coupures, courts-circuits ou corrosion.
- Assurez-vous que les fusibles liés au système d'allumage sont intacts.
En suivant ces étapes, vous pourrez identifier la cause de l'absence d'étincelle et effectuer les réparations nécessaires pour rétablir le bon fonctionnement de votre moteur.
Le code défaut 24 sur le système de gestion moteur DAELIM EMS-ENGINE MANAGEMENT SYSTEM indique généralement un problème lié à un capteur ou à un composant spécifique du moteur. Ce code est un signal d'alerte que le système a détecté une anomalie nécessitant une vérification.
Signification du code défaut 24
Bien que la documentation précise puisse varier, ce code est souvent associé à :
- Un dysfonctionnement du capteur de position du moteur (comme le capteur de vilebrequin ou d'arbre à cames).
- Une connexion électrique défectueuse ou un câblage endommagé lié au capteur concerné.
- Un problème interne du module de gestion moteur.
Étapes pour résoudre le code défaut 24
- Vérifiez les connexions : Inspectez les connecteurs et câbles liés aux capteurs pour détecter tout signe d'usure, de corrosion ou de déconnexion.
- Contrôlez les capteurs : Testez le fonctionnement des capteurs concernés à l'aide d'un multimètre ou d'un outil de diagnostic adapté.
- Réinitialisez le système : Après vérification et réparation, effacez les codes défauts pour voir si le problème persiste.
- Consultez un professionnel : Si le code revient malgré les vérifications, il est conseillé de faire diagnostiquer le système par un technicien spécialisé.
Ces étapes permettent souvent de localiser et corriger la cause du code défaut 24, assurant ainsi un fonctionnement optimal du système de gestion moteur.
Téléchargez la notice de votre Système de gestion moteur au format PDF gratuitement ! Retrouvez votre notice EMS-ENGINE MANAGEMENT SYSTEM - DAELIM et reprennez votre appareil électronique en main. Sur cette page sont publiés tous les documents nécessaires à l'utilisation de votre appareil EMS-ENGINE MANAGEMENT SYSTEM de la marque DAELIM.
MODE D'EMPLOI EMS-ENGINE MANAGEMENT SYSTEM DAELIM
Voyant d'alerte au tableau de bord
Fonction auto diagnostique
Fonction par défaut
Contrôle du code défaut
Signalisation du code défaut
Interprétation du code défaut
Tableau des codes défaut
Effacement des codes défaut
Panne de l'EMS
- INJECTEUR
- DEBITMETRE
- TPS : CAPTEUR POSITION ACCELLERATEUR
- SONDE DE TEMPERATURE MOTEUR
- CORRECTEUR DE RALENTI
- SONDE LAMBDA
- VERIFICATION DU CIRCUIT DE SIGNAL DE REGIME MOTEUR
- VERIFICATION DU CIRCUIT DE VOYANT D'ALERTE
- ECU
- CAPTEUR DE POSITION VILEBREQUIN
- POMPE A ESSENCE
- CORPS D'ACCELLERATEUR
1. PRECAUTIONS LORS DE LA MAINTENACE DE L'EMS
Si le fusible n'est plus en etat,cherche en la cause et reparez.
Remplacez le avec un autre de même capacité.
Ne pas faire chuter l'ECU.

Ne pas toucher le bornier de l'ECU, celui-ci pouvant etre endommagé par l'électricité statique.

Couper le contact avant de débrancher ou de brancher l'ECU.

Ne pas inverser les pôles de la batterie.

Ne pas débrancher la batterie lorsque le moteur fonctionne.

2. LES COMPOSANTS DE L'EMS
L'ADMISSION D'AIR
Un système de contrôle et de mesure d'air est nécessaire au bon fonctionnement du moteur, il est composé d'un capteur de pression d'air, d'un capteur de température d'air, d'un capteur de position d'accéléateur, du corps d'accéléateur, du filtré à air et du régulateur de ralenti.
Au ralenti, le papillon d'accéléateur étant fermé, le ralenti est contrôle par le régulateur de ralenti qui gère l'admission d'air nécessaire au régime de ralenti.
L'ADMISSION DE CARBURANT
Le circuit est composé du réservoir d'essence, de la pompe à essence, du filtrre, du régulateur de pression d'essence et de l'injecteur.
L'ALLUMAGE
L'allumage comprend la bougie, le contrôle de l'avance à l'allumage, le circuit haute-tension, etc...
SYSTEME DE CONTROL
- Differents capteurs transforment en signal électrique les variables relevantes
- L'interface d'entrée amplifie les différents signaux en provenance des capteurs
- Le Microprocesseur déterminé les valeurs sortantes par l'application de calculs arithmetiques
- L'interface de sortie amplifie le signal du microprocesseur
- Le fonctionnement du moteur est corrigé par les valeurs sortantes
3. BORNIER DE L'ECU
| NUMERO DES BORNES ET FONCTION | |||
| 01 | MASSE DE L'ECU | 21 | SIGNAL ENTRANT DE POSITION VITESSE (3ème) |
| 02 | MASSE SONDE DE GAZ | 22 | SIGNAL POSITION VILEBREQUIN (MASSE) |
| 03 | MASSE DU DEBITMETRE | 23 | LIGNE RESERVEE A L'OUTIL DE DIAGNOSTIQUE |
| 04 | MASSE DU CAPTEUR POSITION ACCELERATEUR, TEMPERATURE MOTEUR | 24 | SIGNAL SORTANT DE VOYANT TABLEAU DE BORD |
| 05 | COUPE-CIRCUIT | 25 | TENSION BATTERIE |
| 06 | NON CONNECTE | 26 | ALIMENTATION 5 VOLT, VERS DEBITMETRE |
| 07 | NON CONNECTE | 27 | SIGNAL ENTRANT DE DEBITMETRE |
| 08 | NON CONNECTE | 28 | SIGNAL ENTRANT DE TEMPERATURE D'AIR D'ADMISSION |
| 09 | MASSE DE L'ECU | 29 | SIGNAL DE POINT MORT |
| 10 | TENSION BATTERIE APRES CONTACT | 30 | SIGNAL POSITION VILEBREQUIN (+) |
| 11 | NON CONNECTE | 31 | LIGNE RESERVEE A L'OUTIL DE DIAGNOSTIQUE |
| 12 | SIGNAL SONDE LAMBDA | 32 | SIGNAL SORTANT DE REGIME MOTEUR |
| 13 | NON CONNECTE | 33 | SIGNAL DE COMMANDE DU REGULATOR DE RALENTI |
| 14 | NON CONNECTE | 34 | SONDE LAMBDA |
| 15 | NON CONNECTE | 35 | MASSE DE LA BOBINE HAUTE-TENSION |
| 16 | NON CONNECTE | 36 | NON CONNECTE |
| 17 | TENSION BATTERIE | 37 | SIGNAL SORTANT, VERS BOBINE HAUTE-TENSION |
| 18 | ALIMENTATION 5 VOLT, VERS CAPTEUR POSITION ACCELERATEUR | 38 | NON CONNECTE |
| 19 | SIGNAL ENTRANT DU CAPTEUR DE POSITION ACCELERATEUR | 39 | SIGNAL SORTANT, VERS RELAI DE POMPE A ESSENCE |
| 20 | SIGNAL ENTRANT DE TEMPERATURE MOTEUR | 40 | SIGNAL DE CONTROLLE D'INJECTEUR |

4. SCHEMA ELECTRIQUE DE L'ECU

5. AUTO DIAGNOSTIQUE
Voyant d'alerte au tableau de bord
L'EMS dispose d'une fonction d'auto diagnostique de maniere à alerter en cas de défaillance du système. En cas de panne levant au tableau de bord sera actionné.
Si tel est le cas l'ECU utilisera une valeur par défaut qui permettra le fonctionnement du moteur, en vue de l'intervention.
En temps normal le voyant du tableau de bord s'allume 3 secondes après que le contact soit mis.

VOYANT SUR DAYSTAR
Fonction auto diagnostique
Contact mis :
| VOYANT | Fonctionnement moteur | Consignes |
| ETEIND | Possible | |
| ALLUME | Utilisation-temporaire | Se référer à la consigne 1 |
| Impossible | Se référer à la consigne 2 |
Consigne 1
Bien que l'utilisation des valeurs par défaut de l'EMS permette le fonctionnement du moteur celui-ci n'est pas dans les conditions normales d'utilisation et il est important d'intervenir au plus vite.
Consigne 2
Il est impossible d'utiliser la machine en cas de problèmes sur les informations suivantes:
Position vilebreguin
-Injecteur
Pompe à essence
Il est donc indispensable d'effectuer un diagnostique et la réparation.
Fonction par défaut
En cas de valeur erronée detectée par l'ECU, celle-ci utilise une valeur par défaut en substitution.
| FONCTIONNEMENT | CAPTEUR | VOYANT D'ALERTE |
| Démarrage possible | CAPTEUR DE TEMPERATURE MOTEUR CAPTEUR POSITION ACCELERATEUR CAPTEUR PRESSION D'ADMISSION CAPTEUR DE TEMPERATURE D'AIR | Contact mis : Voyant clignotant |
| Démarrage difficile | CAPTEUR POSITION VILEBREQUIN POMPE A ESSENCE INJECTEUR | Moteur tournant : Voyant allumé |
Les valeurs par défaut permettent le fonctionnement-temporaire du moteur.
| Capeurs | Valeur par défaut | Démarrage | Conduite |
| CAPEUR DE TEMPERATURE MOTEUR | Si la température de l'air au débitmètre est inférieure à 20°C, la valeur par défaut sera de 20°C. Si la température de l'air au débitmètre est supérieure à 20°C, la valeur par défaut sera de 80°C. | Possible | Possible |
| CAPEUR POSITION ACCELERATEUR | Selon le régime moteur, le degré d'ouverture de l'accéléateur a une valeur provisoire. | Possible | Possible |
| CAPEUR PRESSION D'ADMISSION | La valeur utilisée est la dernière relevée avant la panne du capteur. | Possible | Possible |
| CAPEUR DE TEMPERATURE D'AIR | La valeur utilisée est la dernière relevée avant la panne du capteur. | Possible | Possible |
Contrôle du code défaut
Il y a deux méthodes de contrôle du code défaut.
1) En interpretant le clignotement duvoyant au tableau de bord.
2) En utilisant l'outil de diagnostique.
Pour la première méthode se référer au tableau des codes défaut.
Pour la deuxieme méthode se reférer au manuel d'utilisateur de l'outil de diagnostique.
Couper le contact
- Démonter le cache létal droit
- Brancher la prise diagnostique de l'outil à celle du vehicule
- Mettre le contact
- Allumer l'outil de diagnostique


Prise diagnostique
| P/W | ROSE/BLANC |
| P/Y | ROSE/JAUNE |
| B | NOIR |
| G | VERT |
Faisceau pour le contrôle de l'ECU
- Ce faisceau est relié à l'ECU et au faisceau principal, il y a deux borniers pour vérifier les connexions de l'ECU.
Premier bornier: ECU N°1 à 20
Deuxieme bornier: ECU N^ 21 a 40
Seules les bornes 36 et 38 ne sont pas connectées

Méthodes de lecture du code défaut par voyant :
Pendant le fonctionnement du moteur, s'il y a un dernier détecté par l'EMS le témoin au tableau de bord reste allumé de manière a signaler le problème. Afin de vérifier l'origine du problème il est nécessaire d'éteindre le vehicule,mettre le contact,et de contrôle le type de clignotement. (Se reporter au tableau de code panne)
Interprétation du code défaut
Les codes défaut sont indiqués par clignotement.
Seul un code défaut est signalé par ordre de priorité et se repête.
Exemple : Code panne du régulateur de ralenti

Fréquence d'un clignotement: 0,5 sec
Un seul code panne est signalé à la fois mais l'ensemble des codes panne relevé est méorisé par l'ECU.
Après réparation, effectuer l'effacement du code méorisé. (se reporter au chapitre : Effacement des codes défaut)
Tableau des codes défaut
Effacement des codes défaut
| Indication duvoyant | Code défaut | Ordre de priorité | Description |
| 00 | - | Pas de panne | |
| 21 | 1 | Panne de l'injecteur | |
| 22 | 2 | Panne du régulateur de ralenti | |
| 23 | 3 | Panne du reliai de pompé à essence | |
| 12 | 4 | Panne du capteur de pression d'admission | |
| 13 | 5 | Panne du capteur de position accélérateur | |
| 24 | 6 | Panne du capteur d'oxygène | |
| 14 | 7 | Panne de la sonde Lambda | |
| 15 | 8 | Panne du capteur de température moteur | |
| 16 | 9 | Panne du capteur de température d'air d'admission | |
| 25 | 10 | Panne du signal de régime moteur | |
| 28 | 11 | Disfonctionnement duvoyant d'alerte |
Il y a deux façon d'effacer les codes panne mémorisés:
1) Sans l'outil de diagnostique
- Demarrer le moteur
- Faites chauffier le moteur (5 mn au ralenti)
- Couper le contact quand le moteur est à température
- Remetre le contact et vérifier l'absence de clignotement duvoyant
Dans le cas où plusieurs codes panne sont mémorisés, l'EMS les fera apparaitre par ordre de priorité.
Il faudrait donc recommencer l'opération pour effacer le nouveau code panne.
2) Avec l'outil de diagnostique
- Se référer au manuel d'utilisateur de l'appareil de diagnostique
Panne de l'EMS
Avant de diagnostiquer une panne eventuelle de l'EMS, il est important d'effectuer les vérifications suivantes :
Le niveau d'huile moteur et les éventuelles fujites
Le niveau de carburant
L'etat du filtré à air
L'etat de la batterie
Le libre fonctionnement de la poignée d'accelérateur
L'etat des fusibles
- Les fuites éventuelles de gaz d'échéppement
- Les connexions électriques
6. INJECTEUR
Démontage :

Débrancher le connecteur
Démonter la vis de maintainier
Déposer l'injecteur

ATTENTION AUX FUITES DE CARBURANT LORS DU DEMONTAGE DE L'ALIMENTATION!

DIAGNOSTIQUE DE L'INJECTEUR
Vérification du circuit d'injecteur
Code panne au voyant :

Circuitélectrique:

Méthode de contrôle
1) Mettre le contact
2) Vérifier le bon état du faisceau d'alimentation de l'injecteur et la connexion de celui-ci.
3) Mesurer la résistance de l'injecteur sur les bornes de la connexion.
La résistance doit être de: 14,5 0,7 à 20^
4) Si la mesure n'est pas bonne, vérifier l'absence de continuité entre les bornes de l'injecteur et la masse, celle-ci doit être infini.
En cas de continuité entre une borne de l'injecteur et la masse, l'injecteur est à changer.
5) Si la résistance relevée est correcte,mettre le contact est vérifié que la pompe à essence s'actionne pendant 3 secondes.
6) Mesurer la tension entre le fil noir/rouge (+) et la masse.
La tension relevante doit etre celle de la batterie - 1 Volt.
7) Si la mesure de la tension est satisfaisante :
-
Vérifier le fil électrique bleu/jaune, afin de s'assurer qu'il ne soit pas détiérioré, ainsi que la connexion, s'assurer de la bonne qualité des contacts.
-
Vérifier de manière globale le faisceau de l'EMS.
- Si possible remplacer l'ECU par une nouvelle, et réessayer.
8) Si la mesure de la tension n'est pas bonne:
- Vérifier l'etat du fil électrique noir/rouge
- Vérifier le reliai de pompe à essence
9) Àpres réparation effacer le code panne méorisé par l'ECU.
7. DEBITMETRE
Situé sur le coté gauche du corps d'accéléateur.
ATTENTION AVANT DEMONTAGE COUPER LE CONTACT

Défaire la connexion du débitmètre.
Défaire les deux vis.

DIAGNOSTIQUE DU DEBITMETRE
Vérickation du circuit du débitmètre
Code panne au voyant :

Pour le capteur de pression d'admission.

Pour le capteur de température d'admission.

| Borne 3 de l'ECU | Masse du capteur de pression |
| Borne 26 de l'ECU | Tension 5 V |
Méthode de contrôle
1) Couper le contact.
2) Vérifier le connecteur du débitmètre si celui-ci ne présente aucun problème, mesurer la tension d'entrée du débitmètre.
3) Débrancher le connecteur du débitmètre etmettre le contact.
4) Relever la tension d'entrée du débitmètre.
- Tension d'entrée entre 4,5 et 5,5V
Si la tension relevée est correcte:
- Vérifier la connexion avec l'ECU
Vérifier l'etat des fils et s'assurer qu'ils ne sont pas coupés ou en contact avec la masse.
Vérification du capteur de pression d'admission
1) Si la tension en entrée de débitmètre est correcte, couper le contact.
Brancher la connexion du débitmètre
2) Mettre le contact, demarrer le vehicule et laisser le tourner au ralenti.
3) Mesurer la tension de sortie du capteur de pression d'admission - Entre la borne 27 et 3 du bornier de l'ECU, fils Rose/Bleu et Rose/Vert - La tension doit être comprise entre 0,1 et 4,8 Volt

La tension du capteur de pression d'air admis a les caractéristiques suivantes :
- 20Kpa = 0,719à 0,859Volt
- 107Kpa = 4,154a4,294Volt
4) Si la tension relevante est normale:
- Vérifier l'etat des fils electriques du débitmètre
- Remplacer le débitmètre et faite un essai
Vérification du capteur de température d'admission
Résistance :
1) Si la tension d'alimentation est correcte, couper le contact.
2) Défaire le connecteur du débitmètre et mesurer la résistance du capteur de température. La résistance du capteur de température d'admission est de: 2000 ± 100 , à 25^ . La mesure s'effectue entre la borne 28, fil Rose/Bleu, et la borne 3, fil Rose.

La résistance du capteur de température d'air d'admission a les caractéristiques suivantes :
- 24à 26^ = 1800 2000
- 99 à 101^ C = 161 206
3) Si la valeur de la résistance est incorrecte.
Remplacer le débitmètre et essayer.
Si la valeur de la résistance est correcte.
Vérifier les fils électriques N^3 , 26 et 27, afin de s'assurer qu'ils ne soient pas coupés ou endommages et que les contacts au borniers soient francs.
Si les connexions électriques sont bonnes alors l'ECU est à changer.
Remplacer l'ECU et reessayer.
Tension :
1) Mettre le contact et demarrer le moteur.
2) Mesure de la tension du capteur de température
- Borne de mesure N^28(+) et N^3(-)
- Tension a relevant 4,9V 0,1V

3) Si la tension relevante est anormale.
Vérifier les fils électriques N^3 , 26 et 28 du bornier de l'ECU.
Si le faisceau n'a pas de problème, l'ECU est à changer.
Remplacer l'ECU et reessayer.
4) ÀpRES réparation effacer le code panne.
8. TPS : CAPTEUR POSITION ACCELLERATEUR
Situé coté droit du corps d'accéléateur.
ATTENTION AVANT DEMONTAGE COUPER LE CONTACT

Déposer :
le carénage coté droit
- le filtré à air
- le connecteur électrique
les vis de fixation

DIAGNOSTIQUE DU CAPTEUR DE POSITION ACCELERATEUR
Vérification du circuit du capteur de position accélérateur
Code panne au voyant :

Circuitélectrique:

| Borne 4 de l'ECU | Masse du capteur |
| Borne 18 de l'ECU | Tension d'alimentation 5 V |
| Borne 19 de l'ECU | TPS |
Méthode de contrôle
1) Couper le contact
2) Vérifier le connecteur du TPS
S'il n'y a pas de défaut vérifié la tension d'alimentation du TPS
3) Défaire la connexion du capteur
4) Mettre le contact - Tension d'alimentation 4,5 à 5,5 V
Si la tension relevée est incorrecte.
Vérifier le connecteur de l'ECU
Vérifier les fils électriques N^18 et 4.
5) si la tension relevée est correcte, couper le contact.
6) Vérifier la continuité entre la masse du TPS et la masse de la batterie.
Valeur de la résistance 0 à 20^
- Borne de mesure N^4 et masse batterie
7) Si la mesure est bonne, mesurer la résistance du TPS
- Valeur de la résistance poignée de gaz relachée = 1,38 à 1,6 KΩ, à 20°C
- Valeur de la résistance poignée de gaz à fond = 2,4 KΩ
- Borne de mesure N^19 , fil Gris/Bleu et N^4 , fil Blanc/Rouge.

8) Si la mesure de continuité et de résistance est anormale.
- Reparamétrre le capteur
- Remplacer le TPS et réessayer.
9) Si la mesure de continuité et de résistance est normale, brancher le connecteur du capteur.
10) Mettre le contact.
11) Mesurer la tension du capteur au faisceau afin de vérifier l'alimentation de l'ECU.
- Tournée la poignée d'accéléateur et mesurer la tension
- Borne de mesure N^19 , fil Gris/Bleu et N^4 , fil Blanc/Rouge.
Tension à la sortie du capteur :
- poignée de gaz relachée: 0,1 0,6V
- poignée de gaz à fond : 4,0~5,5 V

12) Si la tension relevée est anormale.
- Remplacer le capteur et réessayer.
Si la tension relevée est normale.
- Vérifier les fils électriques, afin de s'assurer qu'ils ne soient pas coupés ou endommagés
et que les contacts au borniers soient francs.
- En l'absence de problème sur le faisceau l'ECU est à replacer.
- Remplacer l'ECU et reessayer.
13) ÀpRES réparation effacer le code défaut.
9. SONDE DE TEMPERATURE MOTEUR
Situé sur le coté gauche de la culasse.
ATTENTION AVANT DEMONTAGE COUPER LE CONTACT

Couple deserrage: 30N / m± 3N / m, (3Kg)

DIAGNOSTIQUE DE LA SONDE DE TEMPERATURE MOTEUR
Code panne au voyant :

Circuit électrique :

| Borne 4 de l'ECU | Masse de la sonde |
| Borne 20 de l'ECU | Sonde |
Méthode de contrôle
1) Couper le contact
2) Vérifier le connecteur de la sonde S'il n'y a pas de défaut vérifié la tension d'alimentation de la sonde
3) Défaire la connexion de la sonde
4) Mettre le contact -Tension a relevée: 4,5 a 5,5 V -Borne de mesure N^20 et N^4
Si la tension relevée est anormale.
- Vérifier la connexion de l'ECU et les évventuels faux-contacts.
- Vérifier les fils électriques, afin de s'assurer qu'ils ne soient pas coupés ou endommages et que les contacts au borniers soient francs.
5) Si la résistance relevée est anormale, couper le contact.
6) Débrancher la sonde est mesure la résistance. Résistance de la sonde : 1,6 KΩ à 10,6 KΩ, pour une température de 20°C à 80°C.
Si la résistance relevée est normale.
- Vérifier les fils électriques, afin de s'assurer qu'ils ne soient pas coupés ou endommages et que les contacts au borniers soient francs.
- Si aucune anomalie n'est détecteeILA signifie qu'il est nécessaire de changer l'ECU.
- Remplacer l'ECU et reessayer.
Méthode de contrôle de la sonde :
1) Déposer la sonde
2) Plonger la sonde dans liquide dont la température augmentera et pour lequel la température sera relevante à l'aide d'un thermomètre.
Caracteristiques de la sonde
| Température | Valeur de résistance |
| 20°C | 10,6 KΩ à 14,4 KΩ |
| 80°C | 1,35 KΩ à 1,65 KΩ |
| 110°C | 0,57 KΩ à 0,69 KΩ |
Couple deserrage: 30 ~N / m ± 3 ~N / m, (3 ~Kg)
10. CORRECTEUR DE RALENTI

ATTENTION AVANT DEMONTAGE COUPER LE CONTACT


DIAGNOSTIQUE DU REGULATEUR DE RALENTI
Code panne au voyant :

Circuitélectrique:

Méthode de contrôle
1) Couper le contact.
2) Vérifier le connecteur du régulateur.
S'il n'y a pas de défaut vérifier la tension d'alimentation du régulateur.
3) Débrancher le connecteur et mesurer la résistance entre les deux bornes.
- Résistance de 31,5 Ω à 38,5 Ω à 20°C.
4) Si la résistance mesurée est correcte vérifier la continuité entre chaque borne du régulateur et la masse, cette résistance doit être infini.
Si la résistance relevée est anormale le régulateur est à changer.
Méthode de contrôle
5) Si la résistance relevée et la continuité ne sont pas satisfaisantes. Remplacer le régulateur de ralenti et réessayer.
6) Si la résistance relevée et la continuité sont bonnes, brancher le connecteur du régulateur.
7) Mettre le contact.
8) Mesurer la tension au faisceau, afin de vérifier la tension délivrée par l'ECU. Borne de mesure : fil Noir/Rouge et Masse. Tension a relevée : de 10 à 14 V.

Si la tension relevée est normale.
Vérifier les fils électriques, afin de s'assurer qu'ils ne soient pas coupés ou endommages et que les contacts au borniers soient francs.
- Vérifier les contacts au bornier de l'ECU sur les bornes N^33 et N^39 de l'ECU.
Si aucun problème n'est détecté, changer l'ECU et réessayer.
Si la tension relevée est anormale.
- Vérifier les fils électriques, afin de s'assurer qu'ils ne soient pas coupés ou endommages et que les contacts au borniers soient francs.
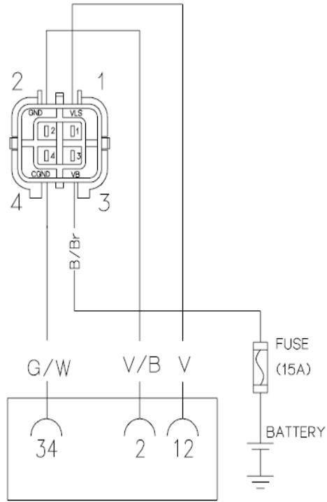
11. SONDE LAMDA
Situé sur le collecteur d'échévement.

Couple de serrage: 4 à 6 m/Kg
ATTENTION AVANT DEMONTAGE COUPER LE CONTACT
DIAGNOSTIQUE DE LA SONDE LAMBDA
Code panne au voyant :

- Code panne auvoyant pour le capteur d'oxygène de la sonde Lambda :

Circuitélectrique:


| Borne 2 de l'ECU | Masse de la sonde Lambda |
| Borne 12 de l'ECU | Signal capteur d'oxygène |
| Borne 34 de l'ECU | Température capteur d'oxygène |
Méthode de contrôle du capteur de température d'oxygène
1) Couper le contact.
2) Vérifier le connecteur du capteur d'oxygène.
S'il n'y a pas de défaut vérifier la tension d'alimentation du capteur d'oxygène.
3) Débrancher le connecteur etmettre le contact.
4) Mesurer la tension d'alimentation au connecteur du capteur.
- Tension d'alimentation : Tension batterie
- Borne de mesure N°3 et Masse, Fil Noir/Marron et Masse.
Si la tension relevée est anormale.
- Vérifier les fils électriques, afin de s'assurer qu'ils ne soient pas coupés ou endommages et que les contacts au borniers soient francs.
5) Si la tension relevée est normale, couper le contact.
- Mesurer la résistance du capteur de température d'oxygène, 9 à 22^ .
- Borne de mesure N^3 et N^34 , fil Noir/Marron et Vert/Blanc.
6) Si la résistance du capteur de température d'oxygène est anormale.
- Remplacer le capteur et réessayer.
Si la résistance du capteur de température d'oxygène est normale.
- Vérifier les fils électriques, afin de s'assurer qu'ils ne soient pas coupés ou endommages et que les contacts au borniers soient francs.
Si aucun problème n'est detecté, changer l'ECU et réessayer.
Méthode de contrôle du signal de sonde Lambda
1) Couper le contact.
2) Vérifier le connecteur du capteur d'oxygène.
S'il n'y a pas de défaut vérifier la tension d'alimentation du capteur d'oxygène.
3) Borne de mesure au connecteur de l'ECU N^2 et N^12 .
4) Mettre le contact.
5) Tension de sortie du capteur: 0,1à 0,8V .
Si la tension relevée est normale.
- Vérifier les fils électriques, afin de s'assurer qu'ils ne soient pas coupés ou endommages et que les contacts au borniers soient francs.
Si aucun problème n'est détecté, changer l'ECU et réessayer.
Si la tension relevée est anormale.
- Vérifier les fils Violet et Violet/Noir, assurez-vous qu'il ne présente aucune alteration.
12. VERIFICATION DU CIRCUIT DE SIGNAL DE REGIME MOTEUR
Code panne au voyant :

Circuitélectrique:

Méthode de contrôle du signal de régime moteur
1) Couper le contact.
2) Vérifier le connecteur du capteur.
3) Vérifier la résistance entre l'alimentation + (B) et la masse, puis entre la borne N°32 (Noir/Jaune) de l'ECU et la masse.
La résistance mesurée doit être infinie :
Si la résistance relevée et la continuité ne sont pas satisfaisantes.
Remplacer le compte-tours et réessayer.
4) Si la résistance relevée et la continuité sont satisfaisantes, rebrancher le connecteur.
5) Mettre le contact.

6) Mesurer la tension d'alimentation du compte-tours au faisceau de l'ECU.
Il est nécessaire d'utiliser l'adaptateur (PVA), afin de réaliser la mesure.
- Borne de mesure N°32 de l'ECU et la masse (-).
Tension: de 9 à 15 V.
Si la tension relevée est normale.
- Vérifier les fils électriques, afin de s'assurer qu'ils ne soient pas coupés ou endommages et que les contacts au borniers soient français.
- Si aucun problème n'est détecté, changer l'ECU et réessayer.
Si la tension relevée est anormale.
- Vérifier les fils, assurez-vous qu'il ne présente aucune ALTERATION.
13. VERIFICATION DU CIRCUIT DE VOYANT D'ALERTE
Code panne auvoyant:

Circuitélectrique:

Méthode de contrôle
1) Couper le contact.
2) Vérifier le connecteur et les fils électriques.
Si aucune anomalie n'est détectee.
3) Mettre le contact.
4) Vérifier le clignotement duvoyant au moment de mise sous tension.
- S'il n'y aeldom clignotement vérifier l'ampoule.
5) Vérifier la tension d'alimentation duvoyant d'alerte.
- Borne de mesure : Borne + (B) duvoyant et la masse.
- Tension : Tension Batterie.
- Borne de mesure: N^24 de l'ECU et la masse.
- Tension : Tension Batterie.
L'adaptateur (PVA) est indispensable pour réaliser la dernière mesure.
Si la tension relevée est normale.
- Vérifier les fils électriques, afin de s'assurer qu'ils ne soient pas coupés ou endommages et que les contacts au borniers soient francs.
Si aucun problème n'est détecté, changer l'ECU et réessayer.
Si la tension relevée est anormale.
- Vérifier les fils, assurez-vous qu'il ne présente aucune alteration.
14. ECU
L'ECU (Electronic Control Unit) est le Calculateur, ou Boitier d'injection, qui gère l'ensemble des composants actifs du système de gestion moteur DAELIM.

L'Ecu est relié au faisceau principal par une prise et une masse additionnelle (fil Vert).
ATTENTION AVANT DEMONTAGE COUPER LE CONTACT

15. CAPTEUR DE POSITION VILEBREQUIN
Situé dans le carter d'allumage, il capte l'information de la position vilebrequin sur le rotor du volant magnétique.


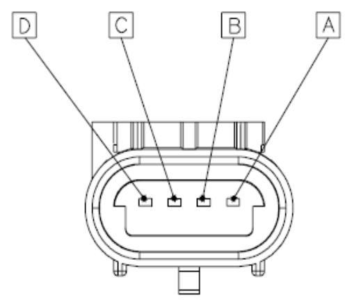
16. POMPE A ESSENCE

PUMP
| Repère | Désignation |
| 1 | Fixation |
| 2 | Connecteur 4 voies |
| 3 | Durite de décharge |
| 4 | Dispositif de retenue |
| 5 | Corps de régulateur |
| 6 | Filtre à essence |
| 7 | Pompe à essence |
| 8 | Régulateur de pression |
| 9 | Résistance variable |
| 10 | Flotteur |
| 11 | Bras de flotteur |
Connecteur de la pompe :

| Repère | Fonction | Couleur |
| A | + Jauge a essence | Jaune |
| B | - Jauge a essence | Gris |
| C | + Pompe | Rouge |
| D | Masse | Noir |
Contrôle de la jauge à essence :
| Position du flotteur | Résistance (A et B) |
| Vide | 10 ± 3 Ω |
| Moitié | 40 ± 5 Ω |
| Plein | 90 ± 3 Ω |

17. CORPS D'ACCELERATEUR

| THROTTLE BODY INSULATOR | COTE CULASSE |
| INJECTEUR | INJECTEUR |
| MAPAT | DEBITMETRE |
| INJECTOR CAP | CAPUCHON D'INJECTEUR |
| THROTTLE BODY | CORPS D'ACCELERATEUR |
| ISA | REGULATEUR DE RALENTI |
| TPS | CAPEUR D'ACCELERATEUR |
Notice Facile