ZS-L - Capteur laser OMRON - Notice d'utilisation et mode d'emploi gratuit
Retrouvez gratuitement la notice de l'appareil ZS-L OMRON au format PDF.
| Intitulé | Détails |
|---|---|
| Type de produit | Capteur de proximité inductif |
| Caractéristiques techniques principales | Capteur à détection sans contact, technologie inductive, réponse rapide |
| Alimentation électrique | 24 VDC |
| Dimensions approximatives | Varie selon le modèle, généralement compact |
| Poids | Léger, généralement inférieur à 500 g |
| Compatibilités | Compatible avec divers systèmes d'automatisation |
| Type de batterie | Non applicable (fonctionne avec alimentation externe) |
| Tension | 24 VDC |
| Puissance | Faible consommation d'énergie |
| Fonctions principales | Détection de proximité, signalisation d'état |
| Entretien et nettoyage | Nettoyage régulier avec un chiffon doux, éviter les produits abrasifs |
| Pièces détachées et réparabilité | Disponibilité de pièces de rechange, facilité de réparation |
| Sécurité | Conforme aux normes de sécurité électrique, protection contre les courts-circuits |
| Informations générales | Idéal pour les applications industrielles, installation facile |
FOIRE AUX QUESTIONS - ZS-L OMRON
Questions des utilisateurs sur ZS-L OMRON
0 question sur cet appareil. Repondez a celles que vous connaissez ou posez la votre.
Poser une nouvelle question sur cet appareil
Téléchargez la notice de votre Capteur laser au format PDF gratuitement ! Retrouvez votre notice ZS-L - OMRON et reprennez votre appareil électronique en main. Sur cette page sont publiés tous les documents nécessaires à l'utilisation de votre appareil ZS-L de la marque OMRON.
MODE D'EMPLOI ZS-L OMRON
Le capteur de mesure laser évolutif pour toutes les surfaces
ZS-L
- Plage de détction dynamique élevé pour toutes les surfaces
- Résolution élevé de 0,25 m
- Concept de plateforme modulaire et évolutive pouvant accueillir jusqu'à 9 capteurs
- Utilisation, installation et maintenance facies, à la portée de n'importe quel utilisateur
Temps de réponse rapide de 110 μs

Informations pour la commande
Capteurs
Têtes de capteur
| Système optique | Portée | Diamètre du faisceau | Résolution*1 | Modèle |
| Réflexion diffuse | 50 ± 5 mm | 900 x 60 μm | 0,8 μm | ZS-LD50 |
| 80 ± 15 mm | 900 x 60 μm | 2 μm | ZS-LD80 | |
| 130 ± 15 mm | 600 x 70 μm | 3 μm | ZS-LD130 | |
| 200 ± 50 mm | 900 x 100 μm | 5 μm | ZS-LD200 | |
| 350 ± 135 mm | dia. 240 μm | 20 μm | ZS-LD350S | |
| Réflexion régulière | 20 ± 1 mm | 900 x 25 μm | 0,25 μm | ZS-LD20T |
| 50 ± 5 mm | 2 000 x 35 μm | 0,4 μm | ZS-LD40T |
*1 Il s'agit de la valeur de conversion de déplacement crête à crête de la sortie de déplacement à la distance du centre de la mesure en mode haute précision lorsque le nombre d'échantillons pour le calcul de la moyenne est fixé à 128 et que le mode de mesure est défini sur le mode haute résolution. L'objet standard est en céramique d'aluminium blanche en mode de réflexion diffuse et en verre en mode de réflexion régulière.
Contrôleurs de capteur
| Forme | Tension d'alimentation | Sorties de contrôle | Modèle |
| 24 Vc.c. | Sorties NPN | ZS-LDC11 | |
| Sorties PNP | ZS-LDC41 |
Multicontroleurs
| Forme | Tension d'alimentation | Sorties de contrôle | Modèle |
| 24 Vc.c. | Sorties NPN | ZS-MDC11 | |
| Sorties PNP | ZS-MDC41 |
Unités d'enregistrement de données
| Forme | Tension d'alimentation | Sorties de contrôle | Modèle |
| 24 Vc.c. | Sorties NPN | ZS-DSU11 | |
| Sorties PNP | ZS-DSU41 |
Accessoires (vendus séparément)
Controller Link
| Forme | Modèle |
| ZS-XCN |
Adaptateur de montage sur tableau
| Forme | Modèle | |
| ZS-XPM1 | Pour le premier contrôleur | |
| ZS-XPM2 | Pour extension (à partir du deuxième contrôleur) | |
Câble RS-232C pour la connexion à un PC
| Forme | Modèle | Qté |
| ZS-XRS2 | 1 |
Câbles d'extension pour les têtes de capteur
| Longueur de câble | Modèle | Qté |
| 1 m | ZX-XC1A | 1 |
| 4 m | ZS-XC4A | 1 |
| 5 m | ZS-XC5B*1,*2 | 1 |
| 8 m | ZS-XC8A | 1 |
| 10 m | ZS-XC10B*1 | 1 |
- Il est possible de connecter jusqu'à deux câbles ZS-XC□B (22 m max.).
^22 Un cable robot (ZS-XC5BR) est également disponible.
Logiciel d'enregistrement des données
| Nom | Modèle |
| Smart Monitor Zero Professional | ZS-SW11E |
Carte mémoire
| Modèle | Modèle |
| F160-N64S(S) | 64 Mo |
| QM300-N128S | 128 Mo |
| F160-N256S | 256 Mo |
Précautions de sécurité lors de l'utilisation d'un équipement laser

Têtes de capteur
| Modèle | ZS-LD20T | ZS-LD40T | ZS-LD50 | ZS-LD80 | ZS-LD130 | ZS-LD200 | ZS-LD350S | |||||||
| Contrôleurs utilisables | Série ZS-LDC | |||||||||||||
| Système optique | Réflexion régulière | Réflexion diffuse | Réflexion régulière | Réflexion diffuse | Réflexion diffuse | Réflexion régulière | Réflexion diffuse | Réflexion régulière | Réflexion diffuse | Réflexion diffuse | Réflexion diffuse | Réflexion régulière | Réflexion diffuse | |
| Distance au centre de la mesure | 20 mm | 6,3 mm | 40 mm | 30 mm | 50 mm | 47 mm | 80 mm | 78 mm | 130 mm | 130 mm | 200 mm | 200 mm | 350 mm | |
| Plage de mesure | ±1 mm | ±1 mm | ±2,5 mm | ±2 mm | ±5 mm | ±4 mm | ±15 mm | ±14 mm | ±15 mm | ±12 mm | ±50 mm | ±48 mm | ±135 mm | |
| Source lumineuse | Laser à semi-conducteur visible (longueur d'onde : 650 nm, 1 mW max., Classe 2) | |||||||||||||
| Diamètre du faisceau*1 | 900 x 25 μm | 2 000 x 35 μm | 900 x 60 μm | 900 x 60 μm | 600 x 70 μm | 900 x 100 μm | dia. 240 μm | |||||||
| Linéarité*2 | ±0,1 % P.E. | ±0,25 % P.E. | ±0,1 % P.E. | ±0,25 % P.E. | ±0,1 % P.E. | |||||||||
| Résolution*3 | 0,25 μm | 0,4 μm | 0,8 μm | 2 μm | 3 μm | 5 μm | 20 μm | |||||||
| Caracteristiques thermiques*4 | 0,04 % P.E. / °C | 0,02 % P.E. / °C | 0,02 % P.E. / °C | 0,01 % P.E. / °C | 0,02 % P.E. / °C | 0,02 % P.E. / °C | 0,04 % P.E. / °C | |||||||
| Cycle d'échantillonnage*5 | 110 μs | |||||||||||||
| Voyants | Voyant NEAR | S'allume àroximate de la distance du centre de la mesure et endecka à l'intérieur de la plaque de mesure. Clignote lorsque la cible de la mesure est en dehors de la plaque de mesure ou lorsque la quantité de lumière reçue est insuffisante. | ||||||||||||
| Voyant FAR | S'allume àroximate de la distance du centre de la mesure et au-delà à l'intérieur de la plaque de mesure. Clignote lorsque la cible de la mesure est en dehors de la plaque de mesure ou lorsque la quantité de lumière reçue est insuffisante. | |||||||||||||
| Luminosité ambiente de fonctionnement | Luminosité de la surface de réception de la lumière : 3 000 lx ou moins (lumière incandescente) | Luminosité de la surface de réception de la lumière : 2 000 lx ou moins (lumière incandescente) | Luminosité de la surface de réception de la lumière : 3 000 lx ou moins (lumière incandescente) | |||||||||||
| Température ambiente | Fonctionnement : 0 à 50 °C, Stochage : -15 à 60 °C (sans givrage ou condensation) | |||||||||||||
| Humidité ambiente | Fonctionnement et stockage : 35 à 85 % (sans condensation) | |||||||||||||
| Classe de protection | Longueur de cable 0,5 m : IP66, longueur de cable 2 m : IP67 | |||||||||||||
| Matériaux | Boîtier : Aluminium moulé, face avant : Verre | |||||||||||||
| Longueur de cable | 0,5 m, 2 m | |||||||||||||
| Poids | Environ 350 g | |||||||||||||
| Accessoires | Etiquettes d'ajtestissement sur le laser (1 pour JIS / EN, 3 pour FDA), noyaux en ferrite (2), verrous de sécurité (2), feuille d'instructions | |||||||||||||
Défini comme 1 / e^2 (13,5%) de l'intensité optique centrale à la distance du centre de la mesure (valeur réelle). Les conditions ambantes de l'objet influent parfais sur le diamètre du faisceau (exampie : fuite de lumière du faisceau principal).
^2 Il s'agit de l'erreur sur la valeur mesurée par rapport à une ligne droite ideale. L'objet standard est en céramique d'aluminium blanche en mode de réflexion diffuse et en verre en mode de réflexion régulière du ZS-LD20T / 40T / 50. La linéarité peut varier en fonction de l'objet.
3. Il s'agit de la valeur de conversion de déplacement crête à crête de la sortie de déplacement à la distance du centre de la mesure en mode haute précision lorsque le nombre d'échantillons pour le calcul de la moyenne est fixé à 128 et que le mode de mesure est défini sur le mode haute résolution. L'objet standard est en ceramique d'aluminium blanche en mode de réflexion diffuse et en verre en mode de réflexion régulière.
4. Il s'agit de la valeur obtenue à la distance du centre de la mesure lorsque le capteur et l'objet sont fixés par une monture en aluminium.
*5. Cette valeur est obtenue lorsque le mode de mesure est défini sur le mode rapide.
Contrôleurs de capteur
ZS-LDC11 / LDC41
| Contrôleurs de capteur Modèle | ZS-LDC11 | ZS-LDC41 | ||
| Nbre d'échantillons pour le calcul de la moyenne | 1, 2, 4, 8, 16, 32, 64, 128, 256, 512, 1 024, 2 048 ou 4 096 | |||
| Nombre de capteurs montés | 1 par contrôleur de capteur | |||
| Interface externe | Méthode de connexion | E / S série : connecteur, Autre : précâblé (longueur de cable standard : 2 m) | ||
| E / S série | USB 2.0 | 1 port, Full Speed (12 Mbps), MINI-B | ||
| RS-232C | 1 port, 115 200 bps max. | |||
| Sorties | Sorties de jugement | 3 sorties : HIGH, PASS et LOW NPN collecteur ouvert, 30 Vc.c. 50 mA max., tension résiduelle : 1,2 V max. | 3 sorties : HIGH, PASS et LOW PNP collecteur ouvert, 50 mA max., tension résiduelle : 1,2 V max. | |
| Sorties linéaires | Sélection parmi 2 types de sortie : tension ou courant (à l'aide d'un interrupteur à coullisse sur la base). Sortie tension : -10 à 10 V, impédance de sortie : 40. Sortie courant : 4 à 20 mA, résistance de charge maximum : 300. | |||
| Entrées | Laser OFF, temporisation de remise à zéro, réinitialisation | ON : Court-circuité avec borne 0 V ou 1,5 V ou moins OFF : Ouvert (courant de fuite : 0,1 mA max.) | ON : Court-circuité à la tension d'alimentation ou à 1,5 V de la tension d'alimentation OFF : Ouvert (courant de fuite : 0,1 mA max.) | |
| Fonctions | Affichage : Valeur mesurée, valeur de seuil, tension / courant, quantité de lumière reçue et résolutionDétection : Mode, gain, objet mesure, installation de têteFiltre : Lissage, moyenne et différenciationSorties : Mise à l'échelle, différentes valeurs maintaines et remise à zéroParamètres E / S : Linéaire (mise au point / correction), jugements (hysteresis et temporisation), non-mesure et banque (commutation et effacement)Système : Enregistrement, initialisation, affiche des informations sur les mesures, paramètres de communication, verrouillage des touches, langue et chargement de données | |||
| Contrôleurs de capteur Modèle | ZS-LDC11 | ZS-LDC41 | |
| Voyants d'état | HIGH (orange), PASS (vert), LOW (jaune), LDON (vert), ZERO (orange) et ENABLE (vert) | ||
| Affichage à segments | Affichage principal | LED rouge 8 segments, 6 chiffres | |
| Affichage inférieur | LED vert 8 segments, 6 chiffres | ||
| LCD | 16 chiffres x 2 lignes, couleur des caractères : vert, résolution par caractère : matrice 5 x 8 pixels | ||
| Entrées de réglage | Touches de réglage | Touches de direction (HAUT / BAS / GAUCHE / DROITE), touche SET, touche ESC, touche MENU et touches de fonction (1 à 4) | |
| Interrupteur à coulisse | Sélecteur de seuil (2 états : High / Low), sélecteur de mode (3 états : FUN, TEACH et RUN) | ||
| Tension d'alimentation | 21,6 à 26,4 Vc.c. (ondulation comprise) | ||
| Consommation | 0,5 mA max. (tête de capteur connectée) | ||
| Température ambiente | Fonctionnement : 0 à 50 °C, Stockage : -15 à 60 °C (sans givrage ou condensation) | ||
| Humidité ambiente | Fonctionnement et stockage : 35 à 85 % (sans condensation) | ||
| Matériaux | Boîtier : Polycarbonate (PC) | ||
| Poids | Environ 280 g (sans compter le matériel d'emballage et les accessoires) | ||
| Accessoires | Noyau en ferrite (1), feuille d'instructions | ||
Multicontrolleurs ZS-MDC11/MDC41
Les caractéristiques de base sont identiques à celles des contrôleurs de capteur.
Toutefois, les points ci-dessous sont differentes :
(1) Il est impossible de connecter des têtes de capteur.
(2) Il est possible de connecter jusqu'à 9 contrôleurs. Des unités Controller Link sont requises pour connecter les contrôleurs.
(3) Fonctions de traitement entre les contrôleurs : Fonctions mathématiques
Unité Controller Link Connexion à l'aide du ZS-XCN

Unités d'enregistrement de données
| Contrôleurs de capteur Modèle | ZS-DSU11 | ZS-DSU41 | ||
| Nombre de têtes de capteur montées | Connexion impossibly | |||
| Nombre de contrôleurs connectables | 10 contrôleurs max., (ZS-MDC : 1 contrôleur, ZS-LDC : 9 contrôleurs max.)1 | |||
| Contrôleurs connectables | ZS-LDC□□, ZS-MDC□□ | |||
| Interface externe | Méthode de connexion | E / S série : connecteur, Autre : précâblé (longueur de cable standard : 2 m) | ||
| E / S série | USB 2.0 | 1 port, Full Speed (12 Mbps), MINI-B | ||
| RS-232C | 1 port, 115 200 bps max. | |||
| Sorties | 3 sorties : HIGH, PASS et LOW NPN collecteur ouvert, 30 Vc.c. 50 mA max., tension résiduelle : 1,2 V max. | 3 sorties : HIGH, PASS et LOW PNP collecteur ouvert, 50 mA max., tension résiduelle : 1,2 V max. | ||
| Entrées | ON : Court-circuité avec borne 0 V ou 1,5 V ou moins OFF : Ouvert (courant de fuite : 0,1 mA max.) | ON : Court-circuité à la tension d'alimentation ou à 1,5 V de la tension d'alimentation OFF : Ouvert (courant de fuite : 0,1 mA max.) | ||
| Résolution des données | 32 bits | |||
| Fonctions | Fonctions de déclenchement d'enregistrement des données | Des déclencheurs de démarriage et d'arrêt peuvent être définis séparément ; déclencheurs externes, déclencheurs sur données (déclencheurs automatiques) et déclencheurs temporels | ||
| Autres fonctions | Banques externes, sorties alarme, personnalisation du format des données enregistrées et horloge | |||
| Voyants d'état | OUT (orange), PWR (vert), ACCESS (orange) et ERR (rouge) | |||
| Affichage à segments | LED vertes 8 segments, 6 chiffres | |||
| LCD | 16 chiffres x 2 lignes, couleur des caractères : vert, résolution par caractère : matrice 5 x 8 pixels | |||
| Entrées de réglage | Touches de réglage | Touches de direction (HAUT / BAS / GAUCHE / DROITE), touche SET, touche ESC, touche MENU et touches de fonction (1 à 4) | ||
| Interrupteur à coulisse | Sélecteur de seuil (2 états : High / Low), sélecteur de mode (3 états : FUN, TEACH et RUN) | |||
| Tension d'alimentation | 21,6 à 26,4 Vc.c. (ondulation comprise) | |||
| Consommation | 0,5 A max. | |||
| Température ambiente | Fonctionnement : 0 à 50 °C, Stockage : -15 à 60 °C (sans givrage ni condensation) | |||
| Humidité ambiente | Fonctionnement et stockage : 35 à 85 % (sans condensation) | |||
| Matériaux | Boftier : Polycarbonate (PC) | |||
| Poids | Environ 280 g (sans compter le matériel d'emballage et les accessoires) | |||
| Accessoires | Noyau en ferrite (1), feuille d'instructions, outils pour l'unité d'enregistrement de données : CSV File Converter for Data Storage Unit (convertisseur de fichiers CSV), Smart Analyzer Macro Edition (macros Excel destinées à l'analyse des données recueillies) | |||
- Des unités Controller Link sont requises pour connecter les contrôleurs.

Têtes de capteur
ZS-LD50 / LD80 / ZS-LD130 / LD200 / ZS-LD350S


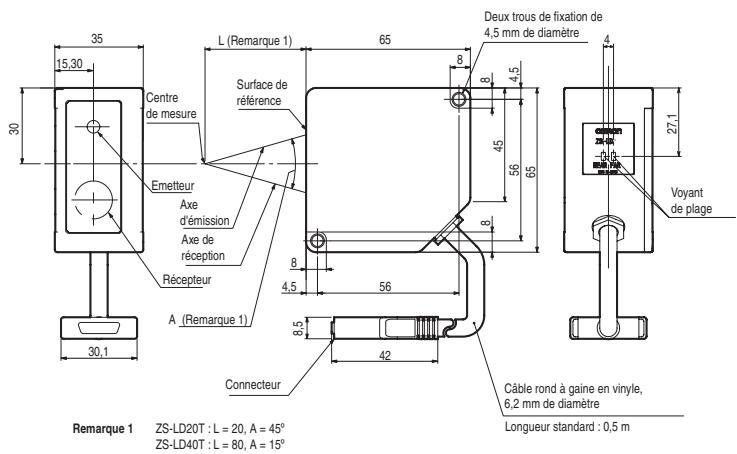
ZS-LD20T / LD40T


Adaptateurs sur panneau
ZS-XPM1 / XPM2 (dimension pour montage sur panneau)


Remarque 1: Les dimensions indiquées s'appliquant à une épaissur de tableau de 2,0 mm.
n:Nombre de contrôleurs montés en groupe (1 à 11)

Contrôleurs de capteur
ZS-LDC11/LDC41
Multicontrolleurs ZS-MDC11/MDC41

Unité d'enregistrement de données ZS-DSU11/DSU41

BIEN LIRE ET COMPENDRE CE DOCUMENT
Lisez et assurez-vous de comprendre ce document avant d'utiliser les produits. Veuillez consulter votre revendeur Omron si vous avez des questions ou des commentaires.
GARANTIE
Omon garantit ses produits contre les vices de matérielux, main-d'oeuvre comprise, pendant un an (ou toute autre période spécifiée) à partir de la date de vente par Omron.
OMRON NE DONNE AUCUNE GARANTIE, NI NE DECLARE, EXPRESSEMENT OU IMPLICITEMENT, QUE LE PRODUIT EST EXEMPT DE CONTREFACON, QU'IL A UNE VALEUR COMMERCIALE OU QUIL CONVIENT A UN USAGE PARTICULARI. TOUT ACQUEREUR OU UTILISATEUR RECONNAIT QUE SEUL L'ACQUEREUR OU L'UTILISATEUR PEUT DETERMINER SI LES PRODUITS REPONDENT CONVENABLEMENT A L'USAGE AUXQUELS ILS SONT DESTINES. OMRON REJETTE TOUTE AUTRE GARANTIE, EXPLICITE OU INDUITE.
RESTRICTIONS DE RESPONSABILITE
OMRON NE SAURAIT ETRE TENU RESPONSABLE DES DOMMAGES SPECIAUX, INDIRECTS OU CONSECUTIFS, DE LA PERTE DE PROFIT OU DE LA PERTE COMMERCIALE LIEE D'UNE QUELCONQUE FACON AUX PRODUITS, QUE LA RECLAMATION REPOSE SUR UN CONTRAT, UNE GARANTIE, UNE NEGLIGENCE OU UNE STRICTE RESPONSABILITE.
Eneldom cas, la responsabilité d'Omron ne saurait excéder le prix de vente unitaire du produit pour lequel la responsabilité est invoquée.
EN AUCUN CAS OMRON NE POT ETR TENU RESPONSABLE DE LA GARANTIE, DE LA REPARATION OU AUTRE DEMANDE CONCERNANT DES PRODUITS, A MOINS QUE L'ANALYSE D'OMRON NE CONFIRME QUILS ONT ETE MANIPULES, STOCKES, INSTALLLES ET ENTRETENUS CORRECTEMENT ET N'ONT PAS FAIT L'OBJET DE CONTAMINATIONS, D'UNE UTILISATION ANORMALE OU D'UNE MAUVAISE UTILISATION OU DE MODIFICATIONS OU REPARATIONS INAPPROPRIEES.
LES PRODUITS INCLUS DANS CE DOCUMENT NE SONT PAS REPERTORIES DANS UNE CLASSE DE PROTECTION. ILS NE SONT PAS CONCUS NI CLASSES COMME DES PRODUITS GARANTISSANT LA SECURITE DES PERSONNES ET NE DOIVENT PAS ETRE CONSIDERES COMME DES ORGANES DE SECURITE OU DES DISPOSITIFS DE PROTECTION A CET EFFET. Veuillez vous reportez aux catalogues annexes pour des produits de sécurité Omron certifiés.
Omron ne garantit pas la conformité de ses produits avec les normes, codes, ou réglementations applicables en fonction de l'utilisation des produits par le client.
A la demande du client, Omron lui foumira les documents applicables de certification établis par des tiers qui identifient les valeurs nominales et les restrictions d'utilisation applicables aux produits. Ces informations seules ne sont pas suffisantes pour évaluer entière l'adéquation des produits en combinaison avec le produit final, la machine, le système, une autre application ou un autre usage.
Vous trouvrez ci-à-prese quelques exemples d'applications qui doivent faire l'objet d'une attention particulière. Cette liste ne répertorie pas toutes les utilisations possibles des produits. Par ailleurs, toutes les utilisations répertorées ne convennent pasforcément pour les produits :
-
Utilisation en extérieur, utilisation entrainant une contamination chimique potentielle ou des interférences électriques, des conditions ou des utilisations non décrites dans le present document.
-
Systèmes de contrôle de l'énergie nucléaire, systèmes de combustion, systèmes pour chemins de fer, systèmes pour l'aviation, équipement Médical, machines de jeu, vehicules, équipements de sécurité et installations soumises à des réglementations industrielles ou législations particulières.
- Systèmes, machines et équipements pouvant partager un risque pour la vie ou la propriété.
Vous doivent connaître et respecter les interdictions d'utilisation applicables au produit.
NE JAMAIS UTILISER LES PRODUITS DANS DES APPLICATIONS PRESENTANT DES RISQUES SERIEUX POUR LA VIE OU POUR DES BIENS SANS VOUS ASSURER QUE LE SYSTEME DANS SON ENSEMBLE A ET E CONCUP POUR PRENDRE EN COMPTE CES RISQUES ET QUE LES PRODUITS OMRON SONT CORRECTEMENT CALIBRES ET INSTALLES POUR L'USAGE PREVU DANS L'ÉQUIPEMENT OU LE SYSTEME COMPLT.
DONNEES DE PERFORMANCE
Les données de performance indiquées dans ce document ont pour objectif d'aider l'utilisateur à désirir le bon produit. Leur exactitude n'est pas garantie. Elles sont basées sur les tests effectuels par Omron et l'utilisateur doit rapporter ces résultats aux exigences de ses propres applications. Les performances réelles sont sujéttes à la Garantie Omron et aux Restrictions de Responsabilité.
CHANGES DES CHARACTERISTIQUES
Les caractéristiques des produits et les accessoires peuvent changer à tout moment pour motifs d'amélioration des produits ou pour autres raisons.
L'usage chez Omron est de changer de referencia lorsque les valeurs nominales publiées ou les caractéristiques changent, ou lorsque des modifications importantes sont apportées à la fabrication du produit. Toutefois, certaines caractéristiques du produit peuvent être modifiées sans avis prétable. En cas de doute, des différences spéciales peuvent être attribuées sur demande afin de fixer ou d'établir des caractéristiques clés pour votre application. Prenez contact avec votre représentant Omron pour obtenir confirmation des caractéristiques des produits achetés.
DIMENSIONS ET POIDS
Les dimensions et les poids sont nominaux et ne doivent pas ettre utilisés à des fins de fabrication, même si les tolérances sont indiquées.
ERREURS ET OMISSIONS
Les informations continues dans ce document ont été contrôlees avec soin et sont censées être exactes ; néanmoins, la responsabilité d'Omron ne pourrait être engagée pour les erreurs d'écriture, les erreurs typographiques, les erreurs de rélecture ou les omissions.
Omron ne pourrait être tenu responsable de la programmation d'un produit programmable par un utilisateur, ni des conséquences de cette programmation.
COPYRIGHT ET AUTORISATION DE COPIE
Toute copie de ce document pour des ventes ou des promotions sans autorisation préalable est strictement interdite.
Ce document est protégé par copyright et doit être utilisé uniquement en liaison avec le produit. Veuillez nous averrir avant de copier ou de reproduce ce document pour un autre usage et sous quelles forme que ce soit. Si vous copiez ou transmettez ce document à une autre personne, veuillez le copier ou le transmettre dans son intégralité.
TOUTES LES DIMENSIONS INDIQUEES SONT EN MILLIMETRES.
Pour convertir les millimetre en pouces, multiplierz par 0,03937. Pour convertir les grammes en onces, multiplierz par 0,03527.
Notice Facile