ETX 125 - Moto APRILIA - Notice d'utilisation et mode d'emploi gratuit
Retrouvez gratuitement la notice de l'appareil ETX 125 APRILIA au format PDF.
| Caractéristiques | Détails |
|---|---|
| Type de produit | Motocyclette 125 cm³ |
| Caractéristiques techniques principales | Moteur monocylindre, 4 temps, refroidi par air |
| Alimentation électrique | Allumage électronique |
| Dimensions approximatives | Longueur : 2 000 mm, Largeur : 800 mm, Hauteur : 1 100 mm |
| Poids | Poids à vide : 120 kg |
| Type de batterie | Batterie au plomb, 12V |
| Tension | 12 Volts |
| Puissance | 11 ch à 8 500 tr/min |
| Fonctions principales | Conduite en milieu urbain, loisirs, apprentissage de la conduite |
| Entretien et nettoyage | Changement d'huile tous les 5 000 km, vérification des freins et des pneus régulièrement |
| Pièces détachées et réparabilité | Disponibilité des pièces chez les concessionnaires agréés |
| Sécurité | Éclairage LED, freins à disque avant et arrière, ABS en option |
| Informations générales | Permis A1 requis, consommation moyenne de 3,5 L/100 km |
FOIRE AUX QUESTIONS - ETX 125 APRILIA
Téléchargez la notice de votre Moto au format PDF gratuitement ! Retrouvez votre notice ETX 125 - APRILIA et reprennez votre appareil électronique en main. Sur cette page sont publiés tous les documents nécessaires à l'utilisation de votre appareil ETX 125 de la marque APRILIA.
MODE D'EMPLOI ETX 125 APRILIA
Ce livret doit être considéré comme une partie intégrante de ce véhicule et doit lui rester attaché même en cas de revente. La Société Aprilia S.p.A. se réserve le droit de modifier ses propres modèles à tout moment, tout en préservant les caractéristiques fondamentales décrites et illustrées.
Les droits de mémorisation électronique, de reproduction et d'adaptation totale ou partielle, par tout moyen, sont réservés pour tous les pays.
La mention de produits ou de services de tiers n'est qu'à titre informatif et ne constitue aucun engagement.
La Société Aprilia S.p.A. décline toute responsabilité à l'égard des performances ou de l'emploi de ces produits.
Première édition : mars 1998
Réimpression:
Produit et imprimé par :
Studio Tecno Public
Viale del Progresso - 37038 Soave (VR) - Italie
Tel. +39 (0)45 - 76 11 911
Fax +39 (0)45 76 12 241
www. stp. it
E-mail: customer@stp.it
Pour le compte de :
aprilia s.p.a.
via G. Galilei, 1 - 30033 Noale (VE) - Italia
Tel. +39 (0)41 - 58 29 111
Fax +39 (0)41 - 44 10 54
www.aprilia.com
Avant de démarrer le moteur, lisez attentivement ce livre et particulièrement le chapitre "CONDUITE EN SECURITE".
Votre sécurité et celle des autres ne dépendent pas uniquement de la rapidité de vos réflexes ou de votre agilité, mais aussi de la connaissance de votre moyen de transport, de son état d'efficacité et de la connaissance des règles fondamentales pour une CONDUITE EN SECURITE. Nous vous conseillons donc de vous familiariser avec votre véhicule de façon à vous déplacer avec maîtrise et en toute sécurité dans la circulation routière.
Pour toute intervention de contrôle et de réparation qui n'est pas décrite explicitement dans ce livre, pour tout achat de pièces de rechange d'origine Aprilia, d'accessoires et autres produits et pour toute expertise spécifique, adressez-vous exclusivement aux Concessionnaires Officiels Aprilia, qui vous garantissent un service soigné et rapide. Nous vous remercions d'avoir choisi Aprilia et nous vous souhaitons bonne route.
Important :
Lorsque vous demandez des pièces de rechange à votre concessionnaire, spécifiez le code écrit sur l'étiquette CODE PIÈCES DE RECHANGE.
Inscrivez le sigle d'identification dans le tableau ci-dessous, pour vous en souvenir même en cas d'égarement ou de détérioration de l'étiquette. L'étiquette se trouve sous la cache latérale gauche, voir page 40 (DÉPOSE DES CACHES LATÉRAUX).
Aprilia CODICE RICAMBI spare parts code number
| N° | I.M. | A | B | C | D | E | ||
| I | UK | A | P | SF | B | D | F | E |
| GR | NL | CH | DK | J | SGP | PL | IL | ROK |
| MAL | RCH | BM | USA | AUS | ||||
Observer scrupuleusement les avertissements précédés par les symboles suivants :

Normes et mesures de sécurité qui protègent le pilote et les autres personnes contre des blessures, ainsi que contre des dommages au véhicule.

Indications pour faciliter l'exécution des opérations. Informations techniques.

Les opérations précédées par ce symbole doivent être répétées du côté opposé du véhicule.
Dans ce livret, les modifications sont indiquées par les symboles suivants :
OPT optionnel version catalytique version Italie UK version Royaume-Uni A version Autriche P version Portugal SF version Finlande version Belgique D version Allemagne F version France E version Espagne GR version Grèce NL version Hollande CH version Suisse
DK version Danemark J version Japon SGP version Singapour PL version Pologne IL version Israël ROK version Corée du Sud MAL version Malaisie RCH version Chili BM version Bermudes USA version États-Unis d'Amérique AUS version Australie
Table des matières
CONDUITE EN SÉCURITÉ 5
REGLES FONDAMENTALES DE SECURITE 6
VETEMENTS 9
ACCESSIONES 10
CHARGEMENT 10
EMPLACEMENT DES ÉLÉMENTS PRINCIPAUX 12
EMPLACEMENT DE L'INSTRUMENTATION 13
INSTRUMENTATION ET INDICATEURS 14
TABLEAU DE L'INSTRUMENTATION ET DES INDICATEURS 15
COMMANDES PRINCIPALES 16
COMMANDES SUR LE CÔTÉ GAUCHE DU GUIDON 16
CONTACTEUR PRINCIPAL 17
DONNÉES TECHNIQUES 68
TABLEAU DES LUBRIFIANTS 72
Importateurs
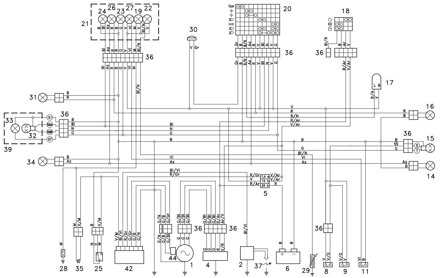
SCHEMA ELECTRIQUE - ETX 125 74
LÉGENDE SCHÉMA ÉLECTRIQUE - ETX 125 75
Aprilia

Conduite en sécurité



Règles fondamentales de sécurité
Pour conduire le véhicule, il est nécessaire de remplir toutes les conditions prévues par la loi (permis de conduire, âge minimum, aptitude psycho-physique, assurance, taxes gouvernementales, immatriculation, plaque d'immatriculation, etc.).
Il est conseillé de se familiariser et de prendre confiance progressivement avec le véhicule, sur des routes à faible trafic et/ou sur des propriétés privées.
L'absorption de médicaments, d'alcool et de stupéfiants ou psychotropes augmente considérablement les risques d'accidents. Assurez-vous que vos propres conditions psycho-physiques sont adaptées à la conduite, en faisant particulièrement attention à l'état de fatigue physique et de somnolence.
La plupart des accidents sont dus à l'inexpérience du conducteur.
Ne JAMAIS prêter le véhicule à des débutants et toujours s'assurer que le pilote possède les conditions requises pour la conduite.

Respecter rigoureusement la signalisation et les normes de circulation routière nationale et locale.
Éviter les manœuvres brusques et dangereuses pour soi et pour les autres (exemple : cabrages, dépassement des limites de vitesse, etc.), évaluer et tenir toujours en juste considération les conditions de la chaussée, de la visibilité, etc.

Ne pas heurter d'obstacles qui pourraient provoquer des dommages au véhicule ou entraîner la perte de contrôle de celui-ci.
Ne pas rester dans le sillage d'autres véhicules pour prendre de la vitesse.

Conduire toujours avec les deux mains sur le guidon et les pieds sur les repose-pieds en position de pilotage correcte.
Éviter absolument de se mettre debout pendant la conduite ou de s'étirer.

Le pilote ne doit jamais se distraire ou se laisser distraire, ni se laisser influencer par des personnes, des choses ou des actions (ne pas fumer, manger, boire, téléphoner, etc.) pendant la conduite du véhicule.

Utiliser les carburants et lubrifiants spécifiques pour le véhicule, du type mentionné sur le "TABLEAU DES LUBRIFIANTS". Contrôler régulièrement les niveaux prescrits de carburant, d'huile et de liquide de refroidissement.

Si le véhicule a été impliqué dans un accident ou bien a subi un choc ou une chute, s'assurer que les leviers de commande, les tubes, les câbles, le système de freinage et les parties vitales ne sont pas endommagés.
Éventuellement, faire contrôler le véhicule par un Concessionnaire Officiel Aprilia avec une attention particulière pour le châssis, le guidon, les suspensions, les organes de sécurité et les dispositifs pour lesquels l'utilisateur ne peut pas évaluer l'état.
Signaler tout mauvais fonctionnement afin de faciliter l'intervention des techniciens et/ou des mécaniciens.
Ne conduire en aucun cas le véhicule si les dommages subis compromettent la sécurité.

Ne modifier en aucun cas la position, l'inclinaison ou la couleur de la plaque d'immatriculation, des clignotants, des dispositifs d'éclairage et de l'avertisseur sonore.

Toute modification du véhicule entraîne l'annulation de la garantie.
Toute modification éventuelle apportée au véhicule ou bien la suppression de pièces d'origine peuvent modifier les caractéristiques du véhicule et donc diminuer le niveau de sécurité ou même le rendre illégal.
Il est conseillé de s'en tenir toujours à toutes les dispositions légales et aux règlements nationaux et locaux en matière d'équipement du véhicule.
De façon particulière, on doit éviter les modifications techniques capables d'augmenter les performances ou de modifier les caractéristiques d'origine du véhicule.
Éviter absolument de s'affronter dans des courses avec d'autres véhicules.

Vêtements
Avant de se mettre en route, se rappeler de porter et d'attacher correctement le casque. S'assurer qu'il est homologué, intact, de la bonne taille et que sa visière est propre.
Porter des vêtements de protection, si possible de couleur claire et/ou réfléchissants. De cette manière, le pilote sera bien visible vis-à-vis des autres conducteurs, ce qui réduira considérablement le risque d'être victime d'une collision. Il sera également mieux protégé en cas de chute.
Les vêtements doivent être bien ajustés et fermés aux extrémités ; les cordons, les ceintures et les cravates ne doivent pas pendre ; éviter que ces objets ou autres puissent empêcher la conduite en s'accrochant aux parties en mouvement ou aux organes de conduite.



Ne pas garder en poche des objets qui pourraient se révéler dangereux en cas de chute, par exemple : objets pointus tels que clés, stylos, récipients en verre, etc. (les mêmes recommandations sont valables pour le passager éventuel).
L'utilisateur est personnellement responsable du choix, de l'installation et de l'utilisation des accessoires.
Il est recommandé de monter l'accessoire de manière à ce qu'il ne couvre pas les dispositifs de signalisation sonore et visuelle ou qu'il n'entrave pas leur fonctionnement, ne limite pas le débattement des suspensions et l'angle de braquage, n'empêche pas le fonctionnement des commandes et ne réduise pas la garde au sol.
et l'angle d'inclinaison dans les virages. Éviter l'utilisation d'accessoires qui empêchent l'accès aux commandes, car ils peuvent augmenter les temps de réaction en cas d'urgence. Les carénages et les pare-brises de grandes dimensions montés sur le véhicule peuvent générer des forces aérodynamiques risquant de compromettre la stabilité du véhicule pendant la conduite.
S'assurer que l'équipement est solidement fixé au véhicule et qu'il ne constitue pas un danger pendant la conduite. Ne pas ajouter ou modifier des appareils électriques qui surchargent le générateur de courant : il pourrait se produire un arrêt imprévu du véhicule ou une perte dangereuse de courant nécessaire au fonctionnement des dispositifs de signalisation sonore et visuelle. Aprilia vous conseille d'employer des accessoires d'origine (Aprilia Genuine Accessories).
Chargement
Charger le véhicule avec prudence et modération. Il est nécessaire de placer le chargement le plus près possible du barycentre du véhicule et de répartir uniformément les poids sur les deux côtés pour réduire au minimum tout déséquilibre.
En outre, contrôler que le chargement est solidement ancré au véhicule durant tout le voyage à long parcours.



Ne jamais fixer d'objets encombrants, volumineux, lourds et/ou dangereux sur le guidon, les garde-boues ou les fourches ; cela pourrait ralentir la réponse du véhicule en virage et compromettre inévitablement sa maniabilité.
Ne pas placer sur les côtés du véhicule des bagages trop encombrants, ni le casque sur son cordon de fixation, car ils pourraient heurter des personnes ou des objets et provoquer la perte de contrôle du véhicule.
sans les avoir solidement fixés sur le véhicule.
qui débordent excessivement du porte-bagages ou qui couvrent les dispositifs d'éclairage et de signalisation acoustique et visuelle.
Ne pas transporter d'animaux ou d'enfants sur le coffre à documents ou sur le porte-bagages.
Ne pas dépasser la limite maximale de poids transportable pour chaque porte-bagage.
Toute surcharge du véhicule compromet la tenue de route et la maniabilité du véhicule.

Légende
1) Avertisseur sonore 2) Bouchon du réservoir de carburant 3) Réservoir de carburant 4) Crochet antivol (pour câble armé "Body-Guard" Aprilia OPT) 5) Batterie 6) Coffre à documents / trousse à outils
7) Porte-fusibles 8) Porte-bagages 9) Poignée gauche pour passager 10) Repose-pieds gauche pour passager (à ressort, fermé/ouvert) 11) Béquille latérale 12) Repose-pieds gauche pour pilote (à ressort, toujours ouvert)
13) Bouchon de vidange de l'huile de la boîte de vitesses 14) Levier de commande de la boîte de vitesses 15) Bouchon de remplissage de l'huile de la boîte de vitesses 16) Levier de démarrage

Légende
1) Poignée droite pour passager 2) Bouchon du réservoir d'huile de mélange 3) Réservoir d'huile de mélange 4) Filtre à air 5) Réservoir du liquide de frein arrière 6) Robinet de carburant
7) Réservoir de liquide de freins (frein avant) 8) Contacteur principal / blocage de la direction 9) Bouchon du radiateur de liquide de refroidissement 10) Radiateur du liquide de refroidissement
11) Levier de commande de frein arrière 12) Repose-pied droit pour pilote (à ressort, toujours ouvert) 13) Pompe du frein arrière 14) Chaîne de transmission 15) Repose-pied droit pour passager (à ressort, fermé/ouvert) 16) Crochet pour le casque

Légende
1) Interrupteur des feux (O - O - •) 2) Interrupteur des clignotants (⇄ ⇄) 3) Bouton de l'avertisseur sonore (B) 4) Commutateur des feux (E - E) 5) Bouton d'appoint de phare (D) 6) Rétroviseur gauche 7) Levier d'embrayage 8) Levier pour le démarrage à froid (1-1) 9) Instrumentation et indicateurs 10) Contacteur principal/blocage de la direction (O - X - H) 11) Levier de frein avant 12) Rétroviseur droit 13) Poignée d'accélérateur

Légende
1) Témoin de réserve d'huile de mélange (●) couleur rouge 2) Compteur totalisateur 3) Tachymètre 4) Témoin de surchauffe du liquide de refroidissement (●) couleur rouge 5) Témoin de l'indicateur de changement de vitesse au point mort (N) couleur verte 6) Témoin des clignotants (↔) couleur verte 7) Témoin du feu de route (D) couleur bleue 8) Compteur kilométrique partiel 9) Bouton de mise à zéro du compteur kilométrique partiel
TABLEAU DE BORD ET INDICATEURS
| Description | Fonction |
| Témoin de réserves du houle de mélange (♂) | S'allume, pour 0,5 secondes environ, chaque fois que le contacteur principal se trouve sur "○", en effectuant ainsi un contrôle du bon fonctionnement du témoin. Si l'ampoule ne s'al-lume pas durant cette phase, s'adresser à un Concessionnaire Officiel aprilia.Si le témoin s'allume durant le fonctionnement normal du moteur, cela signifieque le niveau de l'huile du mélangeur se trouve sur la réserve; en ce cas il fautprévoir le replissage du réservoir de l'huile du mélangeur, voir page 21 (RE- SERVOIR D'HUILE DU MELANGEUR). |
| Compteur totalisateur | Indique le nombre total de kilomètres parcours. |
| Tachymètre | Indique la vitesse de conduite. |
| Témoin surchauffedu liquidede refroidissement (♀) | S'allume lorsque le liquide de refroidissementatteint ou dépasse la température limite.Dans ce cas, il faut arrêté le moteur et contrôler le niveau du liquide de refroidissement, voirpage 28 (LIQUIDE DE REFROIDISSEMENT).Si l'on dépasse la température maximale consentie (allumage du témoin), lemoteur pourrait d'endommager gravement. |
| Témoin de l'indicateuredchangement de vitesseau point mort (N) | S'allume quand le changement de vitesse se trouve en position de point mort. |
| Témoin des clignotants (♂♂) | Clignote quand le clignotant est en fonction. |
| Témoin du feu de route (◎) | S'allume quand la lumière de route du feu avant est actionné ou quand on actionne le di-spositif de clignotement des feux de route. |
| Compteur kilométrique partiel | Indique le nombre de kilomètres partiellement parcours.Pour leMETtre à zéroil faut employer lebouton de mise à zéro. |
| Bouton de mise à zéro du compteurkilométrique partiel | Le tournet dans le sens contraire aux aiguilles d'une montre pourmettre à zéro le compteurkilométrique partiel. |

Commandes sur le côté gauche du guidon

Les composants électriques ne fonctionnent que lorsque le contacteur principal est en position "ON".
1) BOUTON D'APPEL DE PHARE (O)
Il permet d'employer le dispositif de clignotement de la lumière du feu de route en cas de danger ou d'urgence.
2) LEVIER POUR LE DÉMARRAGE À FROID (▶)
En faisant pivoter le levier "▶" dans le sens contraire des aiguilles d'une montre (Pos. A), le starter pour le démarrage à froid du moteur se met en fonction.
Pour désactiver le starter, remettre le levier dans sa position initiale.
Avant d'agir sur l'interrupteur des feux, contrôler que le commutateur des feux (D - D) (6) se trouve en position "D".
Avec l'interrupteur des feux en position "●", les feux sont éteints.
En position “0”, les feux de position et le feu d’ se mettent en fonction.
En position " ", les feux de position, et le feu de croisement ou de route se mettent en fonction.
À l'aide du commutateur des feux (6), il est possible d'actionner le feu de croisement ou le feu de route.
4) INTERRUPTEUR DES CLIGNOTANTS (↔ ⇌)
Pousser l'interrupteur vers la gauche pour indiquer un virage à gauche ; pousser l'interrupteur vers la droite pour indiquer un virage à droite.
Appuyer sur l'interrupteur pour désactiver le clignotant.
5) BOUTON DE L'AVERTISSEUR SONORE (H)
L'avertisseur se met en fonction lorsque le bouton est pressé.
COMMUTATEUR DES FEUX (D - D)
Avec l'interrupteur des feux (3) en position "ON", si le commutateur des feux se trouve en position "D", le feu de route se met en fonction ; s'il se trouve en position "D", le feu de croisement se met en fonction.

Contacter principal
Le contacteur principal (1) se trouve sur la plaque supérieure de la colonne de direction.

La clé de contact met en fonction le contacteur principal et bloque la direction.
Avec le véhicule sont remises deux clés (une est de réserve).

Ne jamais tourner la clé en position "P" pendant la marche, pour
ne pas causer la perte de contrôle
du véhicule.
Fonctionnement
Pour bloquer la direction :
Tourner complètement le guidon vers la gauche. Tourner la clé de contact en position "X".

Tourner la clé de contact et simultanément tourner le guidon.
Presser et tourner la clé de contact dans le sens contraire des aiguilles d'une montre (vers la gauche), tout en tournant lentement le guidon jusqu'à positionner la clé de contact sur "". Enlever la clé.
| Position | Fonction | Extraction cef |
| Blocage de la direction | La direction est blo- quée. Il n'est pas possi- ble de démarrer le moteur ni d'actionner les lumières. | Il est possi- ble d'enle- ver la cef. |
| × | Le moteur et les lumières ne peuvent pas être mis en fonction. | Il est possi- ble d'enle- ver la cef. |
| ○ | Le moteur et les lumières peuvent être mis en fonction. | Il n'est pas possible d'enlever la cef. |



Coffre à documents / Trousse à outils
Le coffre à documents/trousse à outils se trouve sous la cache latérale gauche ; pour y accéder :
Enlever la cache latérale gauche, voir page 40 (DÉPOSE DES CACHES LATÉRAUX). Extraire de la partie arrière la fermeture du coffre (1).
L'équipement fourni (2) comprend :
- n° 1 une trousse de contenance
- n° 1 clef mâle hexagonale courbe 4 mm
- n° 1 clef mâle hexagonale courbe 5 mm
- n° 1 clef mâle hexagonale courbe 6 mm
- n° 1 clé mâle hexagonale courbe 8 mm
- n° 1 clef plate double 7 x 8 mm
- n° 1 cleft plate double 10 x 13 mm
- n° 1 cale en forme plate simple 19 mm
- n° 1 cef en tube double 21x24 mm
- n° 1 tournevis à lame cruciforme/coupe
- n° 1 manche pour tournevis
- n° 1 tournevis à lame cruciforme 3 x 70 mm
Poids maximum autorisé : 1,5 kg
Crochet pour le casque
Grâce à l'emploi du crochet, il n'est pas nécessaire d'emporter le casque chaque fois que l'on gare le véhicule.

Ne pas conduire avec le casque appuyé au crochet. Cela pourrait compromettre les conditions de sécurité pendant la conduite.
Sécurité pendant la conduite.
Pour accrocher le casque :
Insérer la clé dans la serrure (3). Tourner la clé dans le sens des aiguilles d'une montre. Insérer le passant approprié du casque à travers le crochet (4). Tourner la clé dans le sens contraire des aiguilles d'une montre.

Contrôler que le crochet (4) soit fermé correctement.

Crochet antivol
Le crochet antivol (1) se trouve sur le côté gauche du véhicule.
Pour prévenir le vol éventuel du véhicule, il est conseillé de le fixer à l'aide d'un câble armé "Body-Guard" aprilia OPT (2) que l'on peut trouver auprès des Concessionnaires Officiels aprilia.
Ne pas employer le crochet pour soulever le véhicule, ou pour d'autres usages, car il a été conçu uniquement pour fixer le véhicule une fois que l'on a garé.

Outils spéciaux optiques
Pour l'exécution de certaines interventions spécifiques, utiliser les outils spéciaux suivants (à demander au Concessionnaire Officiel Aprilia).
| Outil | Opérations | Page |
| Clef à section avec talon carré (3). | Réglage de l'embout de l'amortisseur arrêtè. | 51 |
| Clef spéciale (en tube) (4). | Réglage du jeu de l'embrayage. | 26 |

Carburant

Le carburant utilisé pour la propulsion des moteurs à explosion est extrêmement inflammable et
peut devenir explosif dans certaines conditions. Il est nécessaire d'effectuer les opérations de ravitailllement et d'entretien dans une zone ventilée et avec le moteur arrêté. Ne fumez ni pendant le ravitailllement ni à proximité de vapeurs de combustible et évitez absolument tout contact avec des flammes libres, des étincelles et toute autre source pouvant causer l'allumage ou l'explosion. Évitez aussi tout débordement de carburant de la goulotte de remplissage, car il pourrait s'enflammer au contact des surfaces brûlantes du moteur. Si involontairement de l'essence est renversée, contrôlez que la surface est complètement sèche et avant de démarrer le véhicule, vérifiez qu'il ne reste pas de carburant sur le bord de la goulotte de remplissage. L'essence se dilate sous l'effet de la chaleur et sous l'action de l'irradiation du soleil. Par conséquent, ne jamais remplir jusqu'au bord le réservoir. Fermez soigneusement le bouchon à la fin de l'opération de ravitailllement. Évitez le contact du carburant avec la peau, l'inhalation des vapeurs, l'ingestion et le transvasement d'un réservoir à un autre au moyen d'un tuyau.
NE PAS DISPERSER LE CARBURANT DANS L'ENVIRONNEMENT
Garder hors de la portée des enfants
Utiliser exclusiv (4 étoiles UK) selon la DIN 51 600, I. O. 98 (N. O. R. M.) et I. O. 88 (N. O. M. M.).
sans plomb selon la DIN 51 607, I. O. 95 (N.O.R.M.) et I. O. 85 (N.O.M.M.).
Capacité du réservoir
4 ℓ (réserve mécanique)
Pour le ravitaillement en carburant, il faut :
Dévisser et enlever le bouchon du réservoir à carburant (1). Effectuer le ravitaillement en carburant.
Huile de la boîte de vitesses
Contrôler tous les 4000 km le niveau de l'huile de la boîte de vitesse, voir page 42 (VERIFICATION DU NIVEAU ET MISE A NIVEAU).
Vidanger l'huile de la boîte de vitesse après les 1000 premiers km, puis successivement tous les 12000 km, voir page 43 (VIDANGE DE L'HUILE DE LA BOITE DE VITESSE).

Employer des huiles de bonne qualité.
qualité, ayant un degré de
75W-90, voir page 72 (TABLEAU DES
LUBRIFIANTS).

L'huile du moteur peut causer de
graves dommages à la peau si elle est manipulée longuement
et quotidiennement. Il est conseillé de se laver soigneusement les mains après l'avoir manipulée.
Ne pas disperser l'huile usagée dans l'environnement.
Il est conseillé de la porter dans un récipient hermétiquement fermé à la station de service auprès de laquelle vous achetez habituellement votre huile ou auprès d'un centre pour la récupération des huiles.
En cas d'intervention d'entretien, il est conseillé d'employer des gants en latex.

Réservoir d'huile du mélangeur
Effectuer la mise à niveau du réservoir d'huile de mélange tous les 500 km.
Ce véhicule est doté d'un mélangeur séparé qui permet le mélange de l'essence avec l'huile pour la lubrification du moteur, voir page 72 (TABLEAU DES LUBRIFIANTS).
Le véhicule se trouve sur la réserve quand le témoin de réserve d'huile de mélange s'allume ; ce témoin est situé sur le tableau de bord, voir pages 14 et 15 (INSTRUMENTATION ET INDICATEURS).


L'emploi du véhicule sans huile du mélangeur peut causer de graves dommages au moteur.
S'il n'y a plus d'huile dans le réservoir du mélangeur, ou si l'on retire le tuyau d'huile du mélangeur, il est nécessaire de s'adresser à un Concessionnaire Officiel afin d'effectuer la purge.
Cette opération est indispensable car le fonctionnement du moteur avec de l'air dans l'installation de l'huile du mélangeur pourrait sérieusement endommager le moteur.

Pour introduire l'huile du mélangeur dans le réservoir, il faut :
♦ Ôter la cache latérale droite, voir page 40 (DÉPOSE DES CACHES LATÉRAUX). ♦ Ôter le bouchon (1).

Se laver avec soin les mains après avoir touché l'huile.
Ne pas disperser l'huile dans l'environnement.
l'environnement.
GARDER HORS DE PORTÉE DES ENFANTS.

Liquide de freins - recommandations
Ce véhicule est équipé de freins à disque avant et arrière, avec des circuits hydrauliques séparés.
Les informations suivantes se réfèrent à un système de freinage unique, mais elles sont valables pour tous les deux.
De soudaines variations du jeu ou une résistance élastique sur le levier de frein sont dues à des anomalies dans le système hydraulique.
S'adresser à un Concessionnaire Officiel Aprilia en cas de doute sur le bon fonctionnement du système de freinage et si l'on n'est pas en mesure d'effectuer les opérations de contrôle normales.
Faire particulièrement attention à ce que les disques de frein ne soient pas gras ou huileux, surtout après avoir effectué les opérations d'entretien ou de contrôle.
Contrôler que les tubes de frein ne soient pas entortillés ou usés.
Faire attention à ce que de l'eau ou de la poussière n'entrent pas par mégarde à l'intérieur du circuit.
En cas d'intervention d'entretien sur le circuit hydraulique, il est conseillé d'employer des gants en latex.
Le liquide des freins peut être cause d'irritations s'il entre en contact avec la peau ou les yeux. Dans ce cas, laver soigneusement les parties du corps ayant touché ce liquide puis s'adresser à un oculiste ou à un médecin si le liquide a touché les yeux.
Ne pas disperser le liquide de freins dans l'environnement.
Garder hors de la portée des enfants.
En manipulant le liquide de freins, faites attention de ne pas en renverser sur les parties en plastique ou recouvertes de peinture, car cela pourrait les endommager gravement.
Freins à disque
Les freins sont les organes qui garantissent la sécurité de conduite, ils doivent donc être maintenus en parfait état ; il faut les contrôler avant tout voyage.
Le liquide de freins doit être remplacé une fois par an par un Concessionnaire Officiel Aprilia.
Utiliser le liquide de freins du type indiqué dans le tableau des lubrifiants, voir page 72 (TABLEAU DES LUBRIFIANTS).
Au fur et à mesure que les plaquettes de frein s'usent, le niveau du liquide contenu dans le réservoir diminue pour en compenser automatiquement l'usure.
Le réservoir du liquide de frein avant se trouve à proximité de la fixation du levier de frein avant.
Le réservoir de liquide de frein arrière se trouve sur le côté droit du véhicule, devant le boîtier du filtre à air.
Contrôler périodiquement le niveau du liquide de frein dans les réservoirs, voir page 23 (FREIN AVANT), page 24 (FREIN ARRIERE) et l'usure des plaquettes de frein, voir page 52 (VERIFICATION DE L'USURE DES PLAQUETTES).

Frein avant
Lire attentivement les pages 22 (LIQUIDE DE FREINS - recommandations) et (FREINS À DISQUE).
Contrôle

Positionner le véhicule sur un terrain solide et plat.
Pour le contrôle du niveau :
Positionner le véhicule sur la béquille. Faire pivoter le guidon vers la droite de façon à ce que le liquide contenu dans le réservoir de liquide de freins (1) soit parallèle au repère "MIN" indiqué sur le verre (2). Vérifier que le liquide contenu dans le réservoir soit au-dessus du repère "MIN" rapporté sur le verre (2). En cas contraire, faire l'appoint.

Réemplissage
Risque de fuite du liquide de frein. Ne pas actionner le levier de frein avec les vis (3) desserrées ou, en particulier, avec le couvercle du réservoir de liquide de frein ôté.
Dévisser les deux vis (3). Enlever le couvercle (4).
Maintenir le réservoir de liquide parallèle au bord ; de cette manière, on évitera des fuites dangereuses de liquide durant le remplissage.
Ôter le joint (5). Remplir le réservoir avec du liquide pour freins, voir page 72 (TABLEAU DES LUBRIFIANTS), jusqu'à couvrir complètement le verre. Repositionner correctement le joint (5) dans son logement.

Remettre le couvercle (4). Visser et serrer les deux vis (3).
Contrôler l'efficacité du freinage. En cas de nécessité, s'adresser à un Concessionnaire Officiel Aprilia. Dans le cas d'une course excessive du levier de frein, d'une élasticité excessive ou de la présence de bulles d'air dans le circuit, s'adresser à un Concessionnaire Officiel Aprilia car il pourrait être nécessaire d'effectuer la purge d'air du système.

Frein arrière
Lire attentivement les pages 22 (LIQUIDE DE FREINS - recommandations) et (FREINS À DISQUE).
Contrôle

Placer le véhicule sur un terrain solide et plat.
Maintenir le véhicule en position verticale de façon à ce que le liquide contenu dans le réservoir (1) soit parallèle au bouchon (2). Vérifier que le liquide contenu dans le réservoir soit au-dessus du repère "MIN". Si le liquide n'atteint pas au moins le repère "MIN", faire l'appoint.

Remplissage
Risque de sortie du liquide des freins. Ne pas actionner le levier du frein arrière avec le bouchon du réservoir à liquide des freins desserré ou ôté.
Dévisser et enlever le bouchon (2).
Pour ne pas renverser le liquide de freins pendant le remplissage, il est conseillé de maintenir le flacon de liquide parallèle au bord du réservoir (en position horizontale).

♦ Ôter le joint (3). ♦ À l'aide d'une seringue, rajouter du liquide de freins dans le réservoir (1), voir page 72 (TABLEAU DES LUBRIFIANTS), jusqu'au repère "MAX". ♦ Pour remonter les composants, suivre le processus inverse.

Contrôler l'efficacité du freinage. En cas de nécessité, s'adresser à un Concessionnaire Officiel.
Dans le cas d'une course excessive du levier de frein, d'une excessive élasticité ou de la présence de bulles d'air dans le circuit, s'adresser à un Concessionnaire Officiel aprilia car il pourrait être nécessaire d'effectuer la purge d'air du système.

Réglage en hauteur du levier de frein arrière
Le levier de frein est positionné ergonomiquement en phase d'assemblage du véhicule.
Si nécessaire, il est possible de personnaliser la position du levier de frein en hauteur.
Desserrer le contre-écrou (1). Visser complètement le dispositif de réglage du frein (2). Visser à fond le contre-écrou (3) sur . Visser complètement , puis la dévisser de 3 à 4 tours. Dévisser le dispositif de réglage de frein (2) jusqu'à amener le levier de frein (5) à la hauteur désirée. Bloquer le dispositif de réglage du frein (2) à l'aide du contre-écrou (1).

Dévisser la tige de commande de la pompe (4) et la porter en contact avec le piston de la pompe. Visser de nouveau la barre pour garantir un jeu minimum de 0,5 à 1 mm entre et le piston de la pompe.
S'assurer de la présence de jeu entre le dispositif de réglage du frein et la butée afin d'éviter que le frein reste actionné,
frein reste actionné, causant une usure prématurée des éléments de freinage.
Jeu entre le dispositif de réglage et la butée : 0,5 à 1 mm.

Bloquer la tige de commande de la pompe à l'aide du contre-écrou (3).

Contrôler l'efficacité du freinage. En cas de besoin, s'adresser à un Concessionnaire Officiel.
Après le réglage, contrôlez que la roue tourne librement lorsque vous relâchez le frein.



Réglage de l'embrayage
Effectuer le réglage de l'embrayage lorsque le moteur s'arrête ou le véhicule tend à avancer avec le levier de frein actionné ou une vitesse embrayée, ou bien si l'embrayage "patine" en causant ainsi un retard de l'accélération par rapport au régime du moteur. Les réglages inférieurs peuvent être effectués au moyen du :
Extraire le protecteur (2). Desserrer l'écrou (3) (en le vissant). Tourner le jusqu'à ce que la course à vide à l'extrémité du levier d'embrayage soit d'environ 10 mm (voir figure). En bloquant le , serrer l'écrou (3) (en le dévissant). Contrôler la course à vide à l'extrémité du levier d'embrayage. Repositionner le protecteur (2).
Si est complètement vissé, complètement dévissé ou s'il n'est pas possible d'obtenir une course à vide correcte :
Extraire le protecteur (2). Visser complètement l'écrou (3) sur . Visser complètement . À l'aide d'un tournevis à lame plate (ou d'une pièce de monnaie), dévisser et enlever le bouchon (4).

Vous pouvez trouver la clé spéciale (5) auprès des Concession-Officiel Aprilia.
Insérer la clé spéciale (5) et desserrer l'écrou interne (6). Introduire un tournevis à lame (7) dans la clé spéciale (5) et visser complètement la vis de réglage (8). Desserrer la vis de réglage (8) d'un demi-tour, qui correspond à 3 ÷ 4 mm de course du levier (9). À l'aide du tournevis (7) maintenir bloquée la vis de réglage (8), agir sur la clé spéciale (5) et serrer l'écrou interne (6). Visser de nouveau le bouchon (4).
Contrôler la course à vide à l'extrémité du levier d'embrayage (10 mm). Démarrer le moteur. Actionner complètement l'embrayage et embrayer la première vitesse.
S'assurer que le moteur ne s'arrête pas, que le véhicule ne tend pas à avancer et que l'embrayage ne "patine" pas pendant la phase d'accélération ou pendant la marche.

S'il n'est pas possible d'obtenir un réglage correct, ou si l'embrayage ne fonctionne pas correctement, s'adresser à un Concessionnaire-Distributeur Aprilia.

Contrôler l'état du câble de l'embrayage : il ne doit pas présenter de fissures ni d'usure de la gaine, sur toute sa longueur.
Lubrifier périodiquement le câble de l'embrayage avec un lubrifiant adéquat, voir page 72 (TABLEAU DES LUBRIFIANTS), pour en éviter une usure prématurée et la corrosion.
Pneus
Ce véhicule est équipé de pneus avec chambre à air.

Vérifier périodiquement la pression de gonflage des pneus à température ambiante, voir
page 68 (DONNÉES TECHNIQUES).
Si les pneus sont chauds, la mesure ne sera pas correcte.
Mesurer la pression surtout avant et après un long voyage.
Si importante, les aspérités du terrain ne sont pas amorties et sont donc transmises au guidon, ce qui compromet le comportement de conduite et réduit également la tenue de route dans les virages.
Si, au contraire, basse, les flancs des pneus travaillent davantage, ce qui pourrait provoquer le ripage du pneu sur la jante ou même son décollement, ce qui signifierait la perte de contrôle du véhicule.
De plus, en cas de coups de frein brusques, les pneus pourraient déjeter.
Enfin, dans les virages, le véhicule pourrait faire une embardée.
Contrôler la bande de roulement et l'usure, car des pneus en mauvais état compromettent la maniabilité du véhicule.
Remplacer le pneu s'il est usé ou s'il présente une crevaison de plus de 5 mm sur la bande de roulement.
Après la réparation d'un pneu, faire effectuer l'équilibrage de la roue.
N'utiliser que des pneus des dimensions indiquées par Aprilia, voir page 68 (DONNÉES TECHNIQUES).
Contrôler que les valves de gonflage sont toujours munies de leurs bouchons afin d'éviter des pertes de pression. Les opérations de remplacement, de réparation, d'entretien et d'équilibrage sont très importantes et requièrent donc pour leur exécution des outils appropriés et l'intervention de personnel spécialisé.
Pour cette raison, nous vous conseillons de vous adresser à un Concessionnaire Officiel Aprilia ou à un spécialiste des pneus pour ces opérations.
Si les pneus sont neufs, ils peuvent être recouverts d'une patine glissante : il faut donc rouler avec prudence pendant les premiers kilomètres. Ne pas graisser les pneus avec des liquides inadéquats.
Si les pneus sont vieux, même s'ils ne sont pas complètement usés, ils peuvent se durcir et ne pas garantir la tenue de route.
Dans ce cas, remplacez les pneus.

Liquide de refroidissement

Ne pas utiliser le véhicule si le niveau du liquide de refroidissement est inférieur au niveau minimum.
nimum.
Contrôler tous les 2000 km et après de longs voyages le niveau du ; le remplacer tous les 24 mois.

Le est nocif s'il est avalé ; so pourrait causer des irritations.
Si le liquide entre e , rincer longtemps et abondamment à l'eau et consulter un médecin. S'il est avalé, ne pas faire vomir, se rincer la bouche et la gorge avec de l'eau abondante et consulter immédiatement un médecin.
Garder hors de portée des enfants.
Faire attention de ne pas verser le liquide de refroidissement sur les parties brûlantes du moteur ; il pourrait s'enflammer en émettant des fumées invisibles.
En cas d'intervention d'entretien, il est conseillé d'employer des gants en latex.

Pour remplacer le liquide, s'adresser à un Concessionnaire Officiel Aprilia.
La solution de liquide de refroidissement est composée de 50 % d'eau et de 50 % d'antigel.
Ce mélange est idéal pour la plupart des températures de fonctionnement et garantit une bonne protection contre la corrosion.
Il est préférable de garder le même mélange durant la saison chaude, ceci permettant de réduire les pertes par évaporation et d'éviter les rajouts fréquents.
De cette manière, les dépôts de sels minéraux déposés dans les radiateurs par l'eau évaporée diminuent, et l'efficacité du système de refroidissement reste intégrale.
Au cas où la température externe serait inférieure à zéro degré centigrade, il faut contrôler fréquemment le circuit de refroidissement en ajoutant, si nécessaire, une concentration majeure d'antigel (jusqu'à un maximum de 60%).
Pour la solution de refroidissement, employer de l'eau déminéralisée pour ne pas endommager le moteur.
Ne pas enlever le bouchon du radiateur quand le moteur est chaud, car le liquide de refroidissement est sous pression et sa température est très élevée.

Contrôle et remplissage
Avec le moteur froid, effectuer les opérations de contrôle et de remplissage du liquide de refroidissement.
Arrêter le moteur et attendre qu'il refroidisse.

Positionner le véhicule sur un terrain solide et plat.

Maintenir le véhicule en position verticale avec les deux roues posées au sol. Tourner le bouchon du radiateur (1) dans le sens contraire des aiguilles d'une montre jusqu'à un déclic. Attendre quelques instants pour permettre l'échappement de la pression éventuelle présente dans l'installation. Tourner de nouveau dans le sens contraire des aiguilles d'une montre le bouchon du radiateur (1) et l'enlever. Contrôler que le liquide couvre complètement les plaques du radiateur. Si nécessaire, remplir avec du liquide de refroidissement, voir page 72 (TABLEAU DES LUBRIFIANTS), jusqu'à couvrir complètement les plaques du radiateur.

Ne pas dépasser ce niveau, autrement il se vérifiera une fuite du liquide durant le fonctionnement.
ment du moteur.
Réinsérer le bouchon du radiateur (1).

En cas de consommation excessive de liquide de refroidissement et au cas où le vase d'expansion resterait vide, contrôlez qu'il n'y a pas de fuites dans le circuit.
Pour la réparation, s'adresser à un Concessionnaire Officiel Aprilia.



Silencieux catalyseur
Éviter de garer le véhicule de version catalytique près de broussailles sèches ou dans des endroits accessibles aux enfants, car le silencieux catalyseur atteint, pendant l'usage, des températures très élevées ; faire donc extrêmement attention et éviter tout contact avant son refroidissement complet.
Le véhicule catalytique est équipé d'un silencieux avec catalyseur métallique du type "bivalent au platine-rhodium".
Ce dispositif permet l'oxydation du CO (oxyde de carbone) et des HC (hydrocarbures non brûlés) présents dans les gaz d'échappement et les transforme respectivement en anhydride carbonique et en vapeur d'eau.
La température élevée atteinte par les gaz d'échappement, grâce à la catalyse, permet de brûler les particules d'huile, de maintenir propre le silencieux et de supprimer la fumée d'échappement.
Pour un fonctionnement correct et durable du catalyseur et pour diminuer au maximum les éventuels problèmes de calaminage du groupe thermique et du pot d'échappement, évitez de parcourir de longues distances en maintenant l très bas.
Pour éviter ce problème, il suffit d'alterner à ce régime de brèves mais fréquentes périodes d assez élevé.
Tout ceci est particulièrement important lors du démarrage à froid du moteur ; dans ce cas, pour pouvoir atteindre un régime de rotation permettant "l'amorçage" de la réaction catalytique, il suffira de s'assurer que la température du groupe thermique a atteint au moins 50 °C, ce qui, généralement, se produit quelques secondes après le démarrage.

L'essence avec plomb détruit les pots d'échappement catalytiques ! Ne pas en utiliser.
Mode d'emploi

Avant le départ, effectuer un contrôle préliminaire du véhicule pour vérifier qu'il est en
parfait état de fonctionnement et de sécurité (voir "TABLEAU DES CONTRÔLES PRÉLIMINAIRES").
Ne pas effectuer ces opérations de contrôle peut être la cause de très graves blessures pour les utilisateurs ou de sérieux dommages au véhicule.
Ne jamais hésiter à s'adresser à son Concessionnaire Officiel Aprilia si l'on ne comprend pas le fonctionnement de certaines commandes ou si l'on remarque ou soupçonne des anomalies de fonctionnement.
Le temps nécessaire pour un contrôle est très bref, tandis que la sécurité qui en résulte est fondamentale.
TABLEAU DES CONTRÔLES PRÉLIMINAIRES
| Composants | Contrôle | Page |
| Frein avant et arrêté à disque | Contrôler le fonctionnement, la course à vide des leviers de commande, le niveau du liquide et les fuites éventuelles. Vérifier l'usure des plaquettes. Si nécessaire, ajouter du liquide. | 22-23-24-52 |
| Accélérateur | Contrôler qu'il fonctionne sufflement et qu'il puisse être ouvert et fermé complètement, dans toutes les positions de la direction. Régler et/ou lubrifier si nécessaire. | 53 |
| Huile du mélangeur / huile de la boîte de vitesse | Contrôler et/ou rajouter si nécessaire | 20/21-42-43 |
| Roues/pneus | Contrôler l'état de la surface des pneus, la pression de gonflage, l'usure et les dommages éventuels. | 27 |
| Leviers de freins | Contrôler le glissement. Lubrifier les articulations et régler la course, si nécessaire. | 23-24 |
| Embrayage | La course à vide à l'extrémité du levier de l'embrayage doit être d'environ 10 mm; l'embrayage doit fonctionner sans secousses et/ou patinage. | 26 |
| Direction | Contrôler que la rotation soit homogène, fluide et sans jeu ou relâchéement. | — |
| Béquille latérale | Contrôler le glissement et que la tension des ressorts la ramène en position normale. Lubrifier les joints et les articulations, si nécessaire. Contrôler le fonctionnement cor-rect de l'interrupteur de sécurité sur la béquille latérale. | 59-60 |
| Éléments de fixation | Vérifier que les éléments de fixation ne sont pas desser-rés. Si nécessaire, les régler ou les serrer. | — |
| Chaîne de transmis-sion | Contrôler le jeu. | 48-49 |
| Réserveur à carburant | Contrôler le niveau et replir si nécessaire. Vérifier qu'il n'y a pas de fuites ou d'occlusions du circuit. | 20-65 |
| Liquide de refroidis-sement | Le niveau du liquide dans le tuyau transparent de contrôle doit être compris entre les repêres "MIN" et "MAX". | 28-29 |
| Feux, tímoins, aver-tisseur sonore et dis-positifs électriques | Contrôler le bon fonctionnement des dispositifs sonores et visuels. En cas de panne, replacer les ampôules ou intervenir pour la réparation. | 54÷64 |

Démarrage
Les gaz d'échappement contiennent du monoxyde de carbone, une substance très nocive pour l'organisme lorsqu'elle est inhalée.
Éviter de démarrer le moteur en milieu fermé ou mal aéré. L'inobservation de cette recommandation peut causer la perte de connaissance et même la mort par asphyxie.
Avec la béquille latérale baissée, le moteur peut être démarré uniquement si la vitesse est au point mort ; en ce cas, si l'on essaie d'engager une vitesse, le moteur s'arrête. Avec la béquille latérale soulevée, il est possible de démarrer le moteur avec la vitesse au point mort ou avec une vitesse embrayée et le levier d'embrayage actionné.

Positionner le véhicule sur la béquille. Se déplacer du côté gauche du véhicule.
Ou bien:
Faire rentrer la béquille. Monter sur le véhicule en position de conduite.
Ensuite:
Tourner le levier de robinet de carburant (1) en position "ON". S'assurer que l'interrupteur des feux (2) soit en position "OFF". S'assurer que le commutateur des feux (3) soit en position "OFF". Tourner la clé (4) et positionner sur "O" le contacteur principal. À ce point sur le tableau de bord :
- s'allume le témoin rouge de réserve d'huile de mélange "®", voir pages 14 et 15 (INSTRUMENTATION ET INDICATEURS).

Bloquer la roue avant en actionnant le levier de frein avant (5). Positionner le levier de commande du changement de vitesse (6) au point mort (témoin vert "N" allumé). Si le démarrage a lieu avec le moteur froid, tourner le levier de démarrage à froid "|~" (7) dans le sens contraire des aiguilles d'une montre (Pos. A). Faire pivoter vers l'extérieur la pédale de démarrage (8).

Ne pas agir sur la pédale de démarrage avec le moteur démarré.
A age (8) avec fermeté, en relâchant immédiatement. Répéter, si nécessaire, cette opération jusqu'à démarrer le moteur. Maintenir actionné le levier de frein avant (5) et ne pas accélérer jusqu'au démarrage.


Ne jamais effectuer de départs brusques avec le moteur froid.
Pour limiter l'émission de subs
tances polluantes dans l'air et la consommation de carburant, il est conseillé de réchauffer le moteur en roulant à une vitesse limitée pendant les premiers kilomètres de route.
Avec le moteur chaud, tourner le levier pour le démarrage à froid "I" (7) dans le sens des aiguilles d'une montre (Pos. B).
Démarrage avec le moteur "noyé
Dans le cas où l'on n'exécute pas correctement la procédure de démarrage ou en cas d'excès de carburant dans les tubulures d'admission, le moteur pourrait se "noyer".
Pour nettoyer un moteur noyé :
Effectuer les douze premières opérations de la procédure de démarrage. Tourner complètement la poignée de l'accélérateur (9) (Pos. C).


Ne pas agir avec le moteur démarré.
Agir quelques fois avec fermeté sur la pédale de démarrage (8) en la relâchant immédiatement.
Démarrage à froid
En cas de température ambiante basse (près de 0°C, ou inférieure), il pourrait survenir des difficultés au premier démarrage.
En ce cas:
Tourner le levier de démarrage à froid (7) dans le sens contraire des aiguilles d'une montre (Position A).

Ne pas agir avec le moteur démarré.
Tourner modérément la poignée de l'accélérateur (9) et agir simultanément quelquefois avec fermeté sur la pédale de démarrage (8), en la relâchant immédiatement.
Si le moteur démarre
Relâcher la poignée de l'accélérateur (9). Tourner le levier pour le démarrage à froid (7) dans le sens des aiguilles d'une montre (Pos. B).
Si le ralenti est instable, faire de petites et fréquentes rotations avec la poignée de l'accélérateur (9).
Si le moteur ne démarre pas
Attendre quelques secondes, puis effectuer de nouveau la procédure de démarrage.
Après une longue inactivité
Si le véhicule est resté inactif pendant longtemps, agir sur la pédale de démarrage (8) avec fermeté et à plusieurs reprises sans accélérer, permettant ainsi le remplissage du circuit d'alimentation en carburant. Pour démarrer le moteur, accélérer modérément et effectuer la procédure de démarrage.

Départ et conduite
Avant de partir, lire attentivement le chapitre "conduite en sécurité", voir page 5 (CONDUITE EN SECURITE).
Si pendant l'utilisation la quantité standard de carburant se termine, positionner sur "RES" le levier du robinet de carburant (1) pour activer la réserve de carburant.
Réserve de carburant : 4 l (réserve mécanique).
Prévoir, le plus tôt possible, le ravitaillement de carburant, voir page 20 (CARBURANT).
Si l'on voyage sans passager, s'assurer que les repose-pieds du passager soient fermés.
Pendant la conduite, maintenir les mains appuyées sur les poignées et les pieds posés sur les repose-pieds.

NE JAMAIS CONDUIRE DANS DES POSITIONS DIFFÉRENTES.
Si l'on voyage avec un passager, instruire celui-ci de façon à ce qu'il ne crée pas de difficultés pendant les manœuvres.
Pour le départ :
Régler correctement l'inclinaison des rétroviseurs.

Avec le véhicule arrêté, se familiariser avec l'emploi des rétroviseurs.
Pendant les premiers kilomètres de route, conduire à une vitesse limitée pour permettre au moteur de monter en température. Avec la poignée de l'accélérateur (2) relâchée (Pos. A) et le moteur au ralenti, actionner complètement le levier d'embrayage (3).
Embrayer la première vitesse en appuyant vers le bas le levier de commande de changement de vitesse (4). Relâcher le levier de frein (actionné au démarrage).
Au départ, si l'on relâche trop brusquement ou rapidement , on peut causer l'arrêt du moteur et le blocage du véhicule (calage).
Ne pas accélérer brusquement ou excessivement lorsqu'on relâche le levier de l'embrayage afin d'éviter le "patinage" de l'embrayage (relâche lente) ou la montée de la roue avant (cabrage) (relâche rapide).
Relâcher lentement le levier d'embrayage (3) et accélérer simultanément en tournant modérément la poignée de l'accélérateur (2) (Pos. B). Le véhicule commencera à avancer.

Ne pas dépasser le nombre de tours et les vitesses conseillées, voir page 37 (RODAGE).
Augmenter la vitesse en tournant progressivement la poignée de l'accélérateur (2) (Pos. B), sans dépasser les vitesses max. par marche (et le nombre de tours conseillé), voir page 37 (RODAGE).

Pour embrayer la deuxième vitesse :

Manoeuvrer avec une certaine rapidité. Ne pas conduire le véhicule avec un nombre de tours du
moteur trop bas.
Relâcher la poignée de l'accélérateur (2) (Pos. A), actionner le levier d'embrayage (3) et soulever le levier de commande de changement de vitesse (4). Relâcher le levier de l'embrayage (3) et accélérer. Répéter les deux dernières opérations pour passer aux vitesses supérieures.

Le passage d'une vitesse supérieure à une vitesse inférieure, appelé "rétrogradage", s'effectue :
Dans les descentes et dans les freinages, pour augmenter l'action de freinage en utilisant la compression du moteur. Dans les pentes, quand la vitesse embrayée n'est pas ajustée à la vitesse (rapport élevé, vitesse modérée) et que le nombre de tours du moteur descend.
Retrograder une vitesse à la fois ; le "retrogradage" simultané de plusieurs vitesses peut provoquer le dépassement du régime de puissance maximum ("surgime"). Avant et pendant le "retrogradage" d'une vitesse, il faut ralentir en relâchant l'accélérateur pour éviter également le "surgime".
Pour effectuer un rétrogradage :
Relâcher la poignée de l'accélérateur (2) (Pos. A). Si nécessaire, actionner modérément les leviers de frein et réduire la vitesse du véhicule. Actionner le levier de l'embrayage (3) et baisser le levier de commande de changement de vitesse (4) pour enclencher la vitesse inférieure. Relâcher les leviers de frein, s'ils sont actionnés. Relâcher le levier d'embrayage et accélérer modérément.

Si le témoin de réserve d'huile de mélange "s'allume durant le fonctionnement normal du moteur, il signifie que le niveau du mélangeur est sur la réserve ; dans ce cas, prévoir le remplissage du mélangeur, voir page 21 (REMPLISSAGE D'HUILE DU MÉLANGEUR).

Si le témoin de surchauffe du liquide de refroidissement "±" s'allume, arrêtez le moteur et vérifiez le niveau du liquide de refroidissement, voir page 28 (LIQUIDE DE REFROIDISSEMENT).


Ne pas accélérer et décélérer de manière répétitive et continue, car on risquerait de perdre inévi éhicule.
tablement le contrôle du véhicule.
Pour freiner et décélérer, actionnez les deux freins pour obtenir une décélération uniforme, en dosant de façon ajustée la pression sur les organes de freinage.
En actionnant seulement le frein avant ou seulement le frein arrière, l'on réduit considérablement la force de freinage et l'on risque le blocage d'une roue et, par conséquent, une perte d'adhérence.
En cas d'arrêt en pente, décélérer complètement et utiliser seulement les freins pour maintenir le véhicule arrêté. L'emploi du moteur pour maintenir le véhicule arrêté peut causer la surchauffe de l'embrayage.
Avant d'amorcer un virage, réduire la vitesse ou freiner. Parcourez le virage à une vitesse modérée et constante ou avec une légère accélération ; évitez de freiner à la limite : les probabilités de glisser seraient très élevées.
Si l'on utilise continuellement les freins dans les descentes, on risque de surchauffer les plaquettes de frein, en réduisant ainsi l'efficacité du freinage.
Il faut exploiter la compression du moteur en utilisant la réduction des vitesses avec l'emploi intermittent des deux freins.
Ne jamais rouler avec le contact coupé dans les descentes.
Si l'on conduit avec une visibilité limitée, allumez les feux de croisement pour rendre votre véhicule visible, même pendant la journée.
Si l'on roule sur un sol mouillé, ou de toute façon avec une adhérence limitée (neige, verglas, boue, etc.), conduire lentement en évitant de freiner brusquement ou d'effectuer des manœuvres qui peuvent causer une perte d'adhérence et, par conséquent, une chute.

Faire attention à tout obstacle ou variation de la géométrie de la chaussée.
Les routes déformées, les rails, les bouches d'égout, les signalisations routières peintes sur la chaussée et les plaques de métal des chantiers deviennent glissants quand il pleut. Il faut donc les franchir avec une grande prudence, en évitant de conduire brusquement et en penchant le véhicule le moins possible.
Signaler toujours les changements de voie ou de direction à l'aide des dispositifs appropriés et le faire suffisamment en avance, en évitant toute manœuvre brusque et dangereuse.
Désactiver les dispositifs tout de suite après le changement de direction.
Lorsque l'on dépasse ou que l'on est dépassé par d'autres véhicules, faire très attention.
En cas de pluie, le nuage causé par les projections des grands véhicules réduit la visibilité et le déplacement d'air peut provoquer la perte de contrôle du véhicule.
Rodage
Le rodage du moteur est fondamental pour garantir sa longévité et son bon fonctionnement. Parcourir, si possible, des routes présentant de nombreux virages et/ou collines, sur lesquelles le moteur, les suspensions et les freins sont soumis à un rodage plus efficace. Varier la vitesse de conduite pendant le rodage. Ceci permet de "charger" le travail des composants et successivement de "décharger", en faisant refroidir les pièces du moteur. Même s'il est important de stimuler les composants du moteur durant le rodage, faire très attention à ne pas excéder.

Seulement après les 2000 premiers kilomètres de rodage, il est possi
ble d'obtenir les meilleures performances du véhicule.
Suivez les indications suivantes :
Ne pas accélérer brusquement et complètement lorsque le moteur tourne à bas régime, aussi bien durant qu'après le rodage. Pendant les 100 premiers km, agir délicatement sur les freins, pour éviter tout freinage brusque et prolongé. Ceci afin de permettre un emplacement correct du matériel de frottement des plaquettes sur les disques de frein. Durant les 800 premiers km de parcours, ne jamais dépasser les vitesses maximum par marche (et le nombre de tours du moteur) indiquées dans le tableau.

Après les 1000 premiers km de fonctionnement, effectuer les contrôles décrits dans la colonne ui et de dommages au véhicule.
"fin de rodage" de la FICHE D'ENTRETIEN PERIODIQUE, voir page 39 (FICHE D'ENTRETIEN PERIODIQUE), afin d'éviter tout risque d'accident pour le pilote ou autrui et de dommages au véhicule.
Entre 800 et 1600 km de route, conduire plus vivement, varier la vitesse et utiliser l'accélération maximale seulement durant de courts instants, pour permettre un meilleur couplage des composants ; ne pas dépasser les vitesses maximum par marche (et le nombre de tours du moteur) indiquées dans le tableau. Après les 1600 premiers km, on peut prétendre à de meilleures performances du moteur, sans toutefois dépasser les vitesses maximum indiquées dans le tableau et faire tourner le moteur au-delà du régime de puissance max. (6750 tours/min).
| Vitesses maximum pour le rodage km/h | ||||
| Parcours km | 0÷800 | 800÷1600 | plus de 1600 | |
| Rapport | \(1^a\) | 22 | 27 | 30 |
| \(2^a\) | 32 | 39 | 44 | |
| \(3^a\) | 42 | 51 | 57 | |
| \(4^a\) | 51 | 61 | 69 | |
| \(5^a\) | 61 | 73 | 82 | |
| \(6^a\) | 70 | 84 | 95 | |
| tours/min | 5000 | 6000 | 6750 | |

Arrêt

Éviter, si possible, un arrêt brusque, une réduction soudaine de la vitesse du véhicule et les freinages à la limite.
nages à la limite.
Relâcher la poignée de l'accélérateur (1) (Pos. A), actionner graduellement les freins et simultanément "rétrograder" la vitesse pour ralentir, voir page 34 (DÉPART ET CONDUITE).
Une fois la vitesse réduite, avant l'arrêt total du véhicule :
Actionner le levier de l'embrayage (2) afin d'éviter que le moteur s'éteigne.
Avec le véhicule arrêté :
Positionner le levier de changement de vitesse au point mort (témoin vert "N" allumé). Relâcher le levier de l'embrayage. Pendant un arrêt momentané, maintenir actionné au moins un frein.

Stationnement

Garer le véhicule sur un terrain solide et plat, afin d'éviter qu'il ne tombe.
Ne jamais l'appuyer contre les murs, ni le coucher par terre.
S'assurer que le véhicule, et en particulier ses parties brûlantes, ne constitue pas un danger pour les personnes et les enfants.
Ne pas laisser le véhicule sans surveillance avec le moteur allumé ou avec la clé de contact insérée dans le contacteur principal.
Ne pas s'asseoir sur le véhicule lorsqu'il est sur la béquille.
Arrêter le véhicule, voir page 37 (ARRÊT). Tourner la clé de contact (1) et positionner sur "OFF" le contacteur principal (2). sur "OFF" le levier du robinet de carburant (3).


Positionner le véhicule sur la béquille, voir ci-dessous (POSITIONNEMENT DU VÉHICULE SUR LA BÉQUILLE).

Ne pas laisser la clé de contact insérée dans le contacteur principal.
Bloquer la direction, voir page 17 (BLOCAGE DE LA DIRECTION) et extraire la clé (1).
Positionnement du véhicule sur la béquille
Lire attentivement ci-contre (STATIONNEMENT).
Saisir la poignée gauche (4) et la poignée pour le passager (5). Pousser la béquille latérale avec le pied droit, en l'étendant complètement (6). Incliner le véhicule jusqu'à poser la béquille au sol.

S'assurer que le véhicule est stable.
Conseils contre le vol
Ne JAMAIS laisser la clé de contact insérée et utiliser toujours le dispositif de blocage de la direction.
Garer le véhicule dans un lieu sûr, si possible un garage ou un endroit gardé.
Si possible, utiliser le câble armé approprié "Body-Guard" Aprilia OPT ou bien un dispositif antivol supplémentaire.
Vérifier que les papiers et la vignette soient en ordre.
Écrire ses données et son numéro de téléphone dans ce livre, afin de faciliter l'identification du propriétaire en cas de découverte après un vol éventuel.
NOM.
PRENOM
ADRESSE
NUMÉRO DE TÉLÉPHONE

Souvent on réussit à identifier les véhicules volés grâce aux
données qui sont écrites dans le livre d'usage et d'entretien.
Entretien
Avant de commencer toute opération d'entretien ou d'inspection du véhicule, arrêter le moteur et enlever la clé de contact. Attendre que le moteur et le pot d'échappement soient refroidis. Soulever, si possible, le véhicule à l'aide de l'équipement approprié et le maintenir sur un terrain solide et plat. Faire particulièrement attention aux parties brûlantes du moteur et du pot d'échappement, afin d'éviter des brûlures.
Le véhicule est construit avec des matériaux non comestibles. Ne mordre, sucer, mâcher ou avaler aucune partie du véhicule, en aucune raison.
Lorsqu'il n'est pas spécifiquement décrit, le remontage des groupes s'effectue à l'inverse des opérations de démontage.
Normalement, les opérations d'entretien ordinaire peuvent être effectuées par l'utilisateur, mais celles-ci requièrent parfois un outillage spécial et une bonne préparation technique. Si une intervention d'assistance ou une expertise technique est nécessaire, s'adresser à un Concessionnaire Officiel Aprilia qui garantira un service soigné et rapide. Effectuer les "Contrôles Préliminaires" après chaque opération d'entretien, voir page 31 (TABLEAU DES CONTRÔLES PRÉLIMINAIRES).
FICHE D'ENTRETIEN PÉRIODIQUE
| Composants | Fin de rodage (1000 km) ou 4 mois | Tous les 4000 km ou 8 mois | Tous les 8000 km ou 16 mois |
| Batterie - niveau liquide | C | C | |
| Bougie | P | P | S |
| Carburateur | C | P | |
| Chaîne de transmission | tous les 500 km : C | ||
| Equilibrage roues | C | ||
| Roulements de braquage et direction | C | C | |
| Roulements roues | C | ||
| Filtre à air | P | C | |
| Jeu embrayage | R | R | |
| Systèmes de freinage | C | C | |
| Système de refroidissement | C | C | |
| Installation lumières | C | C | |
| Liquide de freins | C | chaque année: S | |
| Niveau huile mélangeur | tous les 500 km : C | ||
| Liquide de refroidissement | tous les 2000 km : C / tous les 2 ans: S | ||
| Huile fourche | tous les 16000 km: S / tous les 8000 km: C | ||
| Huile boîte de vitesse | S | C | tous les 12000 km : S |
| Pivot levier démarrage | tous les 8000 km: C (lubrifier avec graisse hydrofuge) (*) | ||
| Piston et segments | tous les 8000 km : C / tous les 16000 km : S | ||
| Pompe mélangeur et purgege air | C | R | |
| Pression pneus | R | chaque mois: C | |
| Régime ralenti de tours moteur | R | C | |
| Robinet à carburant | C | C | |
| Serrage boulonnerie | C | C | |
| Suspensions | C | ||
| Témoin de la réserve d'huile de mélange | C | C | |
| Tension et lubrification chaîne | tous les 500 km: C | ||
| Tension rayons roues | C | C | |
| Tuyaux carburant | C | C | tous les 4 ans: S |
| Silenciéux d'échéancement (sauf version catalytique) | C | C | |
| C= contrôler et nettoyer, régler, lubrifier ou replacer si nécessaire. P= nettoyer; S=substituer; R=regler.Effectuer les opérations d'entretien plus liéquement si le vehicule est utilisé dans des zones pluvieuses, poussièresses ou sur des parcours accidentés. Il est recommandé de faire effectuer les opérations d'entretien des éléments mis en évidence EXCLUSIVEMENT par un Concessionnaire Officiel aprilia. (*) Employer de la graisse MOLYCOTE 6 Rapidplus. | |||

Données d'identification
Nous conseillons d'inscrire dans le livret le numéro de châssis et celui du moteur dans l'espace prévu à cet effet.
Le numéro de châssis peut être utilisé pour l'achat des pièces de rechange.
L'altération des numéros d'identification est sévèrement punie par des sanctions pénales et administratives ; en particulier, l'altération du numéro de châssis entraîne la déchéance de la garantie.

Numéro du moteur
Le numéro du moteur (1) est estampillé sur la base du carter du moteur du côté droit.
Numéro du moteur
Numéro du châssis
Le numéro du châssis (2) est estampillé sur la colonne de direction, côté droit.
Chàssis n°

Dépose des caches latéraux
Lire attentivement la page 39 (ENTRETIEN).
Positionner le véhicule sur la béquille.
Les opérations suivantes se réfèrent à un seul cache latéral, mais elles sont valables pour les deux caches latéraux.
Faire pivoter la vis (3) de fixation rapide d'un quart de tour dans le sens inverse des aiguilles d'une montre.
Manoeuvrer avec précaution. Ne pas endommager les languettes d'encastrement et/ou les logements d'encastrement correspondants. Manipuler avec soin les composants en plastique, ne pas les rayer ni les endommager.
Extraire et enlever la cache latérale (4).

Filtre à air

Ne pas utiliser d'essence ou de solvants inflammables pour nettoyer l'élément de filtrage afin
d'éviter les risques d'incendie ou d'explosion.
Lire attentivement la page 39 (ENTRETIEN).
Le nettoyage et le contrôle de l'état du filtre à air doivent être effectués tous les mois ou tous les 4000 km, ceci dépend des conditions d'utilisation.
Si le véhicule est utilisé sur des routes poussiéreuses ou mouillées, les opérations de nettoyage ou de remplacement devront être effectuées plus fréquemment. Pour effectuer le nettoyage du filtre à air, il est nécessaire de l'enlever du véhicule.
Dépôt
Ôter la cache latérale droite, voir page 40 (DÉPOSE DES CACHES LATÉRAUX).

Déviser et enlever les trois vis (1) et garder les rondelles correspondantes. Ôter le couvercle du boîtier du filtre (2).

Nettoyer la partie interne du boîtier du filtre avant d'extraire l'élément filtrant, afin d'éviter l'entrée d'air et de corps étrangers dans le cœur d'admission.
Passer avec un chiffon la partie interne du boîtier du filtre et l'intérieur du couvercle du boîtier du filtre (2). Extraire l'élément filtrant (3) avec les grilles (4) et (5).
Nettoyage

Pour ne pas déformer les grilles, NE PAS forcer les parties latérales.
Saisir la partie centrale des deux grilles (4) et (5), tirer et les séparer. Libérer l'élément filtrant (3) de la grille (4).
Laver l'élément filtrant (3) avec des solvants propres, non inflammables et à haut point d'ébullition, puis le faire sécher soigneusement. Appliquer sur toute sa surface une huile pour filtres ou une huile épaisse (SAE 80W - 90), puis l'essuyer pour éliminer l'excès d'huile.

L'élément filtrant (3) doit être bien imprégné mais pas dégoulinant.
Réemploiement
Remplacer l'objet filtrant (3) par un élément filtrant neuf du même type. Contrôler l'état du joint (8) ; s'il est endommagé, le remplacer.
Pendant le réassemblage :

Faire attention à la forme de l'élément filtrant et des grilles.
Ils doivent coïncider.
Enfiler correctement l'élément filtrant (3) sur les deux chevilles (6). Accoupler la grille (5). Pousser les deux grilles au niveau des chevilles (6).

Les deux ailettes (7) empêchent d'introduire d'une manière erronée l'élément filtrant dans le boîtier du filtre.
Introduire l'élément filtrant, avec les grilles, dans les guidages du boîtier du filtre.

Vérification du niveau de l'huile de la boîte de vitesses et mise à niveau
Lire avec attention les pages 20 (HUILE DE LA BOITE DE VITESSE) et 39 (ENTRETIEN).
Contrôler le niveau de l'huile de la boîte de vitesse tous les 4000 km, la remplacer après les 1000 premiers km et successivement tous les 12000 km, voir page 43 (VIDANGE DE L'HUILE DE LA BOÎTE DE VITESSE).
Contrôle

Positionner le véhicule sur un terrain solide et plat.
Arrêter le moteur et le laisser refroidir pendant au moins dix minutes, pour permettre le drainage de l'huile dans le carter et le refroidissement de l'huile.

Tenir le véhicule en position verticale avec les roues posées au sol.
Si l'on n'effectue pas les opérations susmentionnées, on risque d'effectuer un contrôle erroné du niveau d'huile.
S'assurer que le niveau de l'huile soit compris entre un quart (MIN) et la moitié (MAX) du hublot (1).
Le niveau ne doit jamais dépasser la moitié du hublot, ni être inférieur à un quart du hublot.
Dans le premier cas, on causerait une fuite de l'huile en excès ; dans le second cas, on pourrait endommager gravement le moteur.
Mise à niveau
S'il était nécessaire d'effectuer la mise à niveau :
Dévisser et enlever le bouchon de remplissage (2). Verser une petite quantité d'huile et attendre une minute environ pour permettre que l'huile coule uniformément à l'intérieur du carter. S'assurer que le niveau de l'huile soit compris entre un quart (MIN) et la moitié (MAX) du hublot (1). Si cela ne se vérifie pas, effectuer de nouveau la mise à niveau avec de petites quantités d'huile, et le contrôler à travers le hublot (1), jusqu'à atteindre le niveau prescrit (MAX). À la fin de cette opération, visser et serrer (2).

Serrer correctement et s'assurer que l'huile ne s'échappe pas.
Contrôler périodiquement qu'il n'y a pas de fuites au niveau du joint du couvercle du carter.
Ne pas utiliser le véhicule avec une lubrification insuffisante ou avec des lubrifiants contaminés ou impropres, car ils accélèrent l'usure des parties en mouvement et peuvent causer des dégâts irréparables.

Vidange de l'huile de la boîte de vitesses
Lire avec attention les pages 20 (HUILE DE LA BOITE DE VITESSE) et 39 (ENTRETIEN).
Contrôler le niveau de l'huile de la boîte de vitesse tous les 4000 km, la remplacer après les 1000 premiers km et successivement tous les 12000 km.
Pour la vidange :
Parcourir quelques kilomètres jusqu'à atteindre la température de fonctionnement normale.

Positionner le véhicule sur un terrain solide et plat.
Arrêter le moteur et le laisser refroidir pendant au moins dix minutes, pour permettre le drainage de l'huile dans le carter et le refroidissement de l'huile.


Le moteur chaud contient de l'huile à haute température. Faites très attention à ne pas vous brûler.
pendant l'exécution des opérations suivantes.
Positionner le véhicule sur la béquille. Placer un récipient (1) ayant une capacité supérieure à 600 cm³ au niveau du bouchon de vidange (2). Dévisser et enlever le bouchon de vidange (2). Dévisser et enlever le bouchon de remplissage (3). Vidanger l'huile et la faire couler pendant quelques minutes à l'intérieur du récipient (1). Ôter les résidus métalliques attachés à l'aimant du bouchon de vidange (2). Contrôler, et remplacer si nécessaire, , le visser et le serrer.
Remplacer ange (2) tous les 12 000 km (ou tous les deux vidanges d'huile du moteur).
Visser et serrer le bouchon de vidange (2).
Couple de serrage du bouchon de vidange (2) : 27 Nm (2,7 kgm).
Verser dans l'orifice de remplissage (3) environ 550 cm³ d'huile de boîte de vitesses, voir page 72 (TABLEAU DES LUBRIFIANTS). Visser le bouchon de remplissage (3). Démarrer le moteur, voir page 32 (DEMARRAGE) et le laisser tourner au ralenti pendant environ une minute pour permettre le remplissage du circuit d'huile de la boîte de vitesses.
Contrôler le niveau de l'huile et rajouter si nécessaire, voir page 42 (VERIFICATION DU NIVEAU DE L'HUILE DE LA BOITE DE VITESSE ET MISE A NIVEAU).

Serrer proprement le bouchon de remplissage et s'assurer que l'huile ne s'échappe pas.
Contrôler périodiquement qu'il n'y a pas de fuites au niveau du joint du couvercle du carter.
Ne pas utiliser le véhicule avec une lubrification insuffisante ou avec des lubrifiants contaminés ou impropres, car ils accélèrent l'usure des parties en mouvement et peuvent causer des dégâts irréparables.

Roue avant
Les opérations pour le démontage et le remontage de la roue avant pourraient se révéler difficiles et complexes pour l'utilisateur inexpérimenté. En cas de nécessité, s'adresser à un Concessionnaire Officiel Aprilia. De toute façon, si l'on veut procéder personnellement, suivre les instructions suivantes.
Lire attentivement la page 39 (ENTRETIEN).
Durant le démontage, faire attention de ne pas endommager la tuyauterie, le disque et les plaquettes de frein.
Laisser le moteur et le pot d'échappement refroidir jusqu'à ce qu'ils atteignent la température ambiante, avant de procéder avec les opérations suivantes, pour éviter des brûlures possibles.

Démontage
Positionner le véhicule sur la béquille.
En raison du poids et de l'encombrement du véhicule, l'opération qui suit nécessite l'intervention d'un deuxième opérateur.
Procéder avec attention et s'assurer d'être en mesure de soutenir le poids du véhicule.

Poids du véhicule (en ordre de marche) : 129 kg.
Soulever la partie avant et faire placer un support adéquat (1) (de 400 mm de hauteur) sous le moteur, de façon à ce que la roue avant soit libre et que le véhicule ne risque pas de tomber.

Risque de chute du véhicule. Prévenir le balancement du véhicule pour empêcher qu'il tombe.

Positionner et fixer un poids d'environ 40 kg sur le porte-bagages arrière pour soutenir la partie avant du véhicule.

S'assurer que le véhicule est stable.
Placer une cale (2) sous le pneu pour maintenir la roue en position après l'avoir libérée. Maintenir fixe le guidon dans l'assiette de marche de façon à ce que la direction soit bloquée. Desserrer les deux vis (3) de l'étau de l'axe de la roue. Dévisser complètement l'axe de la roue (4).

Pour faciliter l'extraction de l'axe de la roue, soulever modérément.
Soutenir la roue avant et extraire manuellement l'axe de la roue (4).

Contrôler la disposition du renvoi du compteur kilométrique (5).
et de la bague d'entretoise (6) afin de pouvoir les remonter correctement.
Ôter avec soin la roue et faire attention lorsqu'on extrait le disque de l'étrier de frein. Enlever le renvoi du compteur kilométrique (5). Garder l'entretoise (6).

Ne pas tirer sur le levier du frein avant après avoir enlevé la roue.
car les pistons de l'étrier risqueraient de sortir de leurs sièges en provoquant une fuite du liquide de freins. Dans ce cas, s'adresser à un Concessionnaire Officiel Aprilia qui effectuera l'intervention d'entretien.
Remontage
Lire attentivement la page 39 (ENTRETIEN).

Durant le démontage, faire attention de ne pas endommager la tuyauterie, le disque et les plaquettes de frein.
Positionner la roue entre les bras de fourche, au-dessus de la cale (2), sans insérer le disque dans l'étrier de frein.

Graisser la partie interne du .
Positionner correctement le ren (5) dans le logement approprié du moyeu de roue.

Graisser modérément les logements externes du moyeu de roue.
Introduire le diamètre le plus petit de l'entretoise (6) dans le logement du moyeu de roue (côté gauche sens de marche).

Manoeuvrer avec précaution durant l'introduction du
Positionner l'entretoise (6) et le renvoi du compteur kilométrique (5) afin que l'ergot (7) se positionne sous le pied anti-rotation (8) se trouvant sur le bras de fourche droit. Déplacer la roue et faire attention lorsqu'on introduit le

Appliquer uniformément une petite quantité de graisse sur l'axe
de la roue.
Insérer partiellement l'axe de la roue (4) du côté droit du véhicule (sens de marche). Pousser l'axe de la roue et, simultanément, déplacer la roue de façon à aligner les axes et la roue, jusqu'à la complète introduction de l'axe de la roue. Visser et serrer l'axe de la roue (4).
Couple de serrage de l'axe de la roue (4) : 80 Nm (8 kgm).
En raison du poids et de l'encombrement du véhicule, l'opération qui suit demande l'intervention
d'un deuxième opérateur.
Procéder avec attention et s'assurer d'être en mesure de soutenir le poids du véhicule.

Poids du véhicule (en ordre de marche) : 129 kg.
Soulever la partie avant du véhicule et faire enlever le support positionné, pendant le démontage, sous le moteur. Baisser le véhicule et le positionner sur la béquille. Le levier du frein avant étant actionné, appuyer sur le guidon plusieurs fois, de manière à ce que la fourche s'enfonce. De cette façon on permettra que les tiges de la fourche s'ajustent correctement. Serrer les deux vis (3) de l'étau de l'axe de la roue.
Couple de serrage des vis (3) de l'étau de l'axe de la roue : 15 Nm (1,5 kgm).

Après le remontage, tirer plusieurs fois sur le levier du frein avant et contrôler le bon fonctionnement.
tionnement du système de freinage.
Contrôler le centrage de la roue.
Il est conseillé de faire contrôler les couples de serrage, le centrage et l'équilibrage par un Concessionnaire Officiel Aprilia afin d'éviter tout inconvénient pouvant causer de graves dommages au pilote et/ou à autrui.

Roue arrière

Les opérations pour le démontage et le remontage de la roue arrière pourraient se révéler diffici imenté.
Les opérations de démontage et d ière pourraient se révéler difficiles et complexes pour l'utilisateur inexpérimenté. En cas de nécessité, s'adresser à un Concessionnaire Officiel Aprilia.
De toute façon, si l'on peut procéder personnellement, suivre les instructions suivantes.
Lire attentivement la page 39 (ENTRETIEN).
Laisser le moteur et le pot d'échappement refroidir jusqu'à ce qu'ils atteignent la température ambiante, avant d'effectuer les opérations successives, afin d'éviter des brûlures possibles.
Durant le démontage et le remontage, faites attention de ne pas endommager la tuyauterie, le disque et les plaquettes de frein.

Pour , porter des gants appropriés assurant une protection adaptée aux doigts et aux mains.
Démontage
Positionner le véhicule sur la béquille. Dévisser et enlever les trois vis (1) en gardant les écrous correspondants. Enlever le carter de la chaîne (2). À l'aide de la clé appropriée, bloquer la rotation de l'axe de la roue (3). Desserrer l'écrou de la roue (4).
Couple de serrage écrou de roue (4) : 80 Nm (8 kgm).

Pendant le réassemblage, avant de serrer l'écrou de la roue (4), contrôlez que la chaîne soit bien
tendue, voir page 48 (CHAINE DE TRANSMISSION).

Dévisser et enlever la vis (5) avec sa rondelle.
Couple de serrage de la vis (5) : 5 Nm (0,5 kgm).

En raison du poids et de l'encombrement du véhicule, l'opération qui suit nécessite l'intervention d'un deuxième opérateur.
Procéder avec attention et s'assurer d'être en mesure de soutenir le poids du véhicule.

Poids du véhicule (en sens de marche) : 129 kg.
Soulever la partie avant et faire placer un support ajustable (6) (400 mm de hauteur) sous le moteur, de façon à ce que la roue arrière soit libre et que le véhicule ne risque pas de tomber.


Risque de chute du véhicule.
Prévoir le balancement du véhicule pour empêcher qu'il tombe.
S'assurer que le véhicule est stable.
Placer une cale (7) sous le pneu pour maintenir la roue en position après l'avoir libérée. Faire pivoter complètement (fin de course) la came du dispositif de réglage de la chaîne gauche (8) dans le sens des aiguilles d'une montre. Faire pivoter complètement (fin de course) la came du dispositif de réglage de la chaîne droite (9) dans le sens contraire des aiguilles d'une montre.

Baisser la chaîne (10) à l'extérieur de la couronne dentée (11).

Ne pas introduire les doigts entre la chaîne et la couronne dentée.
Faire avancer complètement la roue ; extraire la chaîne du côté supérieur en tournant la roue arrêtée dans le sens contraire.

Pendant le réassemblage, insérer la chaîne du côté inf e dans le sens des aiguilles d'une montre.
Dévisser et enlever l'écrou de la roue (4) et garder la rondelle (12). Ôter la came du dispositif de réglage de la chaîne gauche (8).

Pour faciliter l'extraction de l'axe de la roue, soulever la roue un moment.
Soutenir la roue arrière et extraire manuellement l'axe de la roue (3). Garder l'entretoise (13). Garder la came du dispositif de réglage de la chaîne droite (9). Extraire la partie arrière de la roue du bras oscillant, en faisant attention lorsqu'on extrait le disque de l'étrier de frein.

Ne pas tirer sur le levier du frein arrière après avoir enlevé la roue car les pistons de l'étrier risquent
raient de sortir de leurs sièges en provoquant une fuite du liquide de freins. Dans ce cas, s'adresser à un Concessionnaire Officiel Aprilia qui effectuera l'intervention d'entretien.

Contrôler la disposition des entretoises (14) et (15) afin de les
pouvoir être réassemblés correctement.
Garder l'entretoise gauche (14). Garder l'entretoise droite (15).
Pendant le réassemblage :
Graisser modérément les logements externes du moyeu de roue. Introduire les entretoises (13) (14) (15) avec le diamètre le plus grand dirigé vers l'extérieur du véhicule. Contrôler que le trou oblong (16) de la plaque du support de l'étrier de frein (17) soit inséré correctement dans le logement anti-rotation (18) à l'intérieur du bras de fourche gauche. Appliquer uniformément une petite quantité de graisse sur l'axe de la roue (3).

Après le remontage, tirer plusieurs fois sur le levier du frein arrière et contrôler le bon fonc
tionnement du système de freinage.
Contrôler le centrage de la roue.
Il est conseillé de faire contrôler les couples de serrage, le centrage et l'équilibrage par un Concessionnaire Officiel Aprilia afin d'éviter tout inconvénient pouvant causer de graves dommages au pilote et/ou à autrui.

Chaine de transmission
Lire attentivement la page 39 (ENTRETIEN).
Ce véhicule est équipé d'une chaîne avec attache rapide.
En cas de démontage et de réassemblage de la chaîne de transmission, faire attention à ce que la fourchette (1) de l'attache rapide soit installée avec l'ouverture dirigée en direction opposée par rapport au sens de rotation (voir figure).
Un relâchement excessif de la chaîne peut la faire sortir du pignon, ce qui pourrait causer un accident ou de graves dégâts au véhicule. Contrôler périodiquement le jeu de la chaîne et le régler si nécessaire, voir page 49 (REGLAGE). Pour replacer la chaîne, s'adresser exclusivement à un Concessionnaire Officiel Aprilia, qui garantira un service soigné et rapide.

Si l'entretien n'est pas effectué correctement, la chaîne peut s'user prématurément et le pignon et/ou la couronne peuvent s'endommager.
Exécuter l'entretien plus souvent si l'on utilise le véhicule dans des conditions difficiles ou dans des lieux poussiéreux ou boueux.
Contrôle du jeu
Pour contrôler le jeu :
Arrêter le moteur. Positionner le véhicule sur la béquille. Mettre le levier de changement de vitesse au point mort. Contrôler que le débattement vertical, en un point intermédiaire entre le pignon et la couronne dans la branche inférieure de la chaîne, soit d'environ 30 ÷ 35 ~mm.

Déplacer le véhicule en avant, de façon à contrôler le débattement vertical de la chaîne même quand la roue tourne ; le jeu doit rester constant dans toutes les phases de la rotation de la roue.
S'il devait y avoir un jeu supérieur en certaines sections, cela peut indiquer que des maillons sont allongés ou grippés. Dans ce cas, s'adresser à un Concessionnaire Officiel Aprilia. Pour éliminer le risque de grippage, lubrifier fréquemment la chaîne, voir page 49 (LUBRIFICATION ET NETTOYAGE).
Si le jeu est uniforme et supérieur ou inférieur à 30 ÷ 35 mm, effectuer le réglage, voir page 49 (REGLAGE).

Réglage
Si après le contrôle il est nécessaire de régler la tension de la chaîne :
Bloquer la rotation de l'axe de la roue (2) à l'aide de la clé appropriée. Desserrer l'écrou de la roue (3).

Pour le centrage de la roue, arrêtez des repères numérotés
dont les repères sont positionnés sur les (4) et (5) au niveau de chaque encoche.
Agir sur les îne droite (4) et gauche (5), et régler le jeu de la chaîne en contrôlant que, des deux côtés du véhicule, les mêmes repères correspondent. Bloquer la rotation de l'axe de la roue (2) à l'aide de la clé appropriée. Serrer l'écrou de la roue (3).
Couple de serrage de l'écrou de roue (3) : 80 Nm (8 kgm).

Vérifier le jeu de la chaîne, voir page 48 (CONTROLE DU JEU).
Contrôle de l'usure de la chaîne, du pignon et de la couronne
Contrôler aussi les parties suivantes et s'assurer que la chaîne, le pignon et la couronne n'aient pas :
Les rouleaux endommagés. Les axes desserrés. Des maillons secs, rouillés, aplatis ou grippés. Une usure excessive. Des bagues d'étanchéité manquantes. Des dents du pignon ou de la couronne excessivement usées ou endommagées.

Si les rouleaux de la chaîne sont endommagés, les axes sont desserrés et/ou les bagues d'étan îne (pignon, couronne et chaîne).
chéité sont endommagées ou manquantes, il faut remplacer tout le groupe de la chaîne (pignon, couronne et chaîne).
Vérifier l'usure du guide en U pour le passage de la chaîne (6) et de la roulette de chaîne (7). Vérifier ensuite l'usure du patin de protection du bras oscillant.

Lubrifier souvent la chaîne, surtout si l'on remarque des parties sèches ou rouillées.
Les maillons aplatis ou grippés doivent être lubrifiés et remis en condition de travail.
Si cela n'est pas possible, s'adresser à un Concessionnaire Officiel Aprilia qui effectuera le remplacement de la chaîne.
Lubrification et nettoyage

Faire très attention pour le réglage, la lubrification, le lavage et le remplacement de la chaîne.
Lubrifier la chaîne tous les 500 km et chaque fois que cela sera nécessaire.
Lubrifier la chaîne exclusivement avec de la graisse spray pour chaîne, voir page 72 (TABLEAU DES LUBRIFIANTS).
Ne jamais laver la chaîne avec des jets d'eau chaude, de vapeur ou d'eau à haute pression, ni avec des solvants à haut degré d'inflammabilité.

Inspection des suspensions avant et arrière
Pour vidanger l'huile de la fourche avant, s'adresser à un Concessionnaire Officiel Aprilia qui garantira un service soigné et rapide.
Lire attentivement la page 39 (ENTRETIEN).

Vidanger l'huile de fourche tous les 16 000 km.
Contrôler l'huile tous les 8000 km et la substituer si souillée.
Vidanger plus fréquemment l'huile de fourche si le véhicule est utilisé sur des routes poussiéreuses, mouillées ou pour une conduite tout-terrain.
Effectuer également les contrôles suivants :
Le levier de frein avant étant actionné, appuyer sur le guidon plusieurs fois jusqu'à ce que la fourche s'enfonce.
La course doit être douce et aucune trace d'huile ne doit être présente sur les tubes.
Contrôler le serrage de tous les organes et le bon fonctionnement des articulations de la suspension avant et arrière.


En cas d'anomalies de fonctionnement ou s'il était nécessaire de faire intervenir du personnel
spécialisé, s'adresser à un Concessionnaire Officiel Aprilia.

Suspension arrière
La suspension arrière est composée d'un groupe ressort-amortisseur, relié au châssis au moyen de silent-blocks et au bras oscillant arrière au moyen d'un système de bielettes.
Pour le réglage de l'assiette du véhicule, l'amortisseur est équipé d'une frette (1) pour le réglage de la précharge du ressort, et d'une frette de blocage (2).

Réglage de la précharge de l'amortisseur arrière
Le réglage standard de l'amortisseur arrière est effectué de façon à satisfaire la plupart des conditions de conduite à haute et basse vitesse, aussi bien avec peu de charge qu'à pleine charge du véhicule. Il est toutefois possible d'effectuer un réglage personnalisé, selon l'emploi du véhicule.

La frette de réglage ne doit pas être vissée pour plus de 25 mm du début du filetage (voir figure).
Si l'on dépasse cette mesure, durant la conduite on aura des secousses soudaines à la moindre aspérité du sol. Pivoter la frette de réglage (1) d'un tour à la fois.
Essayer plusieurs fois le véhicule sur route, jusqu'à obtenir le réglage optimal.
En utilisant la clef appropriée (3) OPT, dévisser modérément la frette de blocage (2). Agir sur la frette de réglage (1) (réglage de la précharge du ressort de l'amortisseur) (voir tableau). Une fois obtenues les conditions optimales d'assiette, serrer complètement la frette de blocage (2).
| Frette de réglage (1) | En le vissant | En le dévissant |
| Fonction | Augmentation de la précharge du ressort | Diminution de la précharge du ressort |
| Type d'assiette | L'assiette du vehicule est plus rigide | L'assiette du vehicule est plus souple |
| Type de route conseillé | Routes lisses ou normales | Routes avec chaussée déformée |
| Notes | Conduite avec passager | Conduite sans passager |

Vérification de l'usure des plaquettes
Lire attentivement les pages 22 (LIQUIDE DE FREINS - recommandations), 22 (FREINS À DISQUE) et 39 (ENTRETIEN).
Les informations suivantes se réfèrent à un système de freinage unique, mais elles sont valables pour tous les deux.
Contrôler l'état d après les 1000 premiers km, puis successivement tous les 4000 km.
L à disque dépend de l'utilisation, du type de conduite et de route.
L'usure est plus grande durant l'utilisation du véhicule sur des routes poussiéreuses, mouillées et pour une conduite tout-terrain.

Contrôler les plaquettes de frein avant tout voyage.

Pour effectuer un contrôle rapide de l'usure des plaquettes :
Positionner le véhicule sur la béquille. Effectuer un contrôle visuel entre l'étrier de frein et les plaquettes, en agissant :
- vant pour l'étrier de frein avant (1);
- rrière pour l'étrier de frein arrière (2). Si l'épaisseur du matériau de frottement (même d'une seule plaquette) est réduite jusqu'à la valeur de 1 mm environ, il faut remplacer les deux plaquettes.

Pour le remplacement des plaquettes, s'adresser à un Concessionnaire Officiel Aprilia.

Réglage de la commande de démarrage à froid (N)
Lire attentivement la page 39 (ENTRETIEN).
Le jeu optimal de la poignée de l'accélérateur doit être d'environ 2 à 3 mm.
Pour le réglage :
Positionner le véhicule sur la béquille. Se positionner du côté gauche du véhicule.

Ne pas extraire le protecteur du câble de l'accélérateur (3).
Extraire le protecteur (4). Desserrer l'écrou (5) (en le vissant). Agir sur le dispositif de réglage (6), se trouvant sur le carburateur.
Serrer (en le vissant) l'écrou (5) en bloquant le régulateur (6) et positionner le protecteur (4).

Réglage du ralenti
Lire attentivement la page 39 (ENTRETIEN).
Effectuer le réglage du ralenti après les 1000 premiers km et chaque fois qu'il est irrégulier.
Pour effectuer cette opération :
Parcourir quelques kilomètres jusqu'à rejoindre la température normale de fonctionnement, puis arrêter le moteur. Positionner le véhicule sur la béquille.

Manoeuvrer du côté droit du véhicule.
Brancher un compte-tours électronique sur le câble de la bougie. Démarrer le moteur.
Le régime de rotation au ralenti du moteur devra être d'environ 1500 ± 100 tours/min.
Si nécessaire:
M (1) qui se trouve sur le carburateur. En la vissant (dans le sens des aiguilles d'une montre), le nombre de tours du moteur augmente. En la dévissant (dans le sens contraire), le nombre de tours du moteur diminue. En agissant sur la poignée de l'accélérateur, accélérer et décélérer quelques fois pour vérifier le bon fonctionnement et si le régime au ralenti est stable.

Ne pas manœuvrer la vis de réglage de l'air afin d'éviter des variations sur le réglage de la carburation.

En cas de nécessité, s'adresser à un Concessionnaire Officiel Aprilia.

Réglage de la poignée de l'accélérateur
Lire attentivement la page 39 (ENTRETIEN).
Le jeu optimal de la poignée de l'accélérateur doit être d'environ 2 à 3 mm.
Pour le réglage du jeu :
Positionner le véhicule sur la béquille. Extraire le protecteur (2). Desserrer (en le vissant) l'écrou (3). Agir sur le régulateur (4) se trouvant à l'entrée du câble de la commande de l'accélérateur.
Serrer (en le vissant) l'écrou (3) en bloquant le régulateur (4) et positionner le protecteur (2).

Bougie
Lire attentivement la page 39 (ENTRETIEN).
Contrôler la bougie après les 1000 premiers km et ensuite tous les 4000 km, la remplacer tous les 8000 km.
Démonter périodiquement la bougie, la nettoyer avec soin des calaminages et la replacer si nécessaire.
Pour accéder à la bougie :
Positionner le véhicule sur la béquille.

Manoeuvrer du côté droit du véhicule.

Pour la dépose et le nettoyage :
Enlever l'embout de la bougie (1). Enlever toute trace de saleté sur la base de la bougie puis la dévisser à l'aide de la clé et l'extraire de son siège, en faisant attention de ne pas laisser entrer de la poussière ou d'autres substances à l'intérieur du cylindre. Contrôler qu'il n'y a pas de calamine ou de traces de corrosion sur l'électrode et sur la porcelaine centrale de la bougie. Éventuellement, nettoyer avec des détergents appropriés, avec du fil de fer et/ou une petite brosse en métal. Souffler énergiquement avec un jet d'air pour éviter que les résidus de l'opération de nettoyage n'entrent pas dans le moteur. Si l'isolant de la bougie présente des fissures ou si les électrodes sont corrodées ou bien si le calaminage est excessif, il faut remplacer la bougie.
Contrôler la distance entre les électrodes à l'aide d'une jauge d'épaisseur. La distance doit être de 0,5 à 0,6 mm ; la régler en pliant délicatement l'électrode de masse, si nécessaire. S'assurer que la rondelle est en bon état. Avec la rondelle montée, visser à la main la bougie pour éviter d'endommager le filetage. Serrer, à l'aide de la clé , en faisant faire un demi-tour à la bougie pour presser la rondelle.
Couple de serrage de la bougie : 20 Nm (2 kgm).
La bougie doit être bien vissée, autrement le moteur pourrait surchauffer, ce qui l'endommagerait sérieusement.
Utiliser uniquement des bougies du type prescrit, voir page 68 (DONNÉES TECHNIQUES), car autrement, on risque de compromettre les performances et la durée de vie du moteur.
Positionner correctement l'embout de la bougie (1), de façon à ce qu'elle ne se détache pas avec les vibrations du moteur.
Batterie
Lire attentivement la page 39 (ENTRETIEN).
Après les 1000 premiers kilomètres, et ensuite tous les 4000 kilomètres ou tous les 8 mois, contrôlez le niveau de l'électrolyte et le serrage des bornes.

L'électrolyte de la batterie est toxique et caustique et, au contact avec l'épiderme, il peut cau e sulfurique.
ser des brûlures car il contient de l'acide sulfurique.
Durant les opérations d'entretien, porter des vêtements de protection, un masque pour le visage et/ou des lunettes.
Si du liquide électrolytique entre en contact avec la peau froide.
S'il entre en contact avec les yeux, rincer abondamment à l'eau pendant quinze minutes puis consulter immédiatement un oculiste.
S'il est accidentellement avalé, boire de grandes quantités d'eau ou de lait, continuer avec du lait de magnésie ou de l'huile végétale, médecin.
La batterie dégage des gaz explosifs. Il est donc important de la garder loin des flammes, des étincelles, des cigarettes et de toute autre source de chaleur.
Pendant la recharge ou l'utilisation de la batterie, veiller à ce que la pièce soit suffisamment aérée et éviter de respirer les gaz dégagés par la batterie.
Garder hors de la portée des enfants

Ne jamais inverser le branchement des câbles de la batterie.
Faire attention de ne pas trop pencher le véhicule pour éviter les fuites dangereuses de liquide de la batterie.
Brancher et débrancher la batterie à l'aide du contacteur principal en position "OFF".
Brancher d'abord le câble positif (+) et ensuite le câble négatif (-).
Pour la débrancher, suivre l'ordre inverse.
Le liquide de la batterie est corrosif.
Ne pas le verser ni le répandre, en particulier sur les pièces en plastique.

Longue inactivité de la batterie
Si le véhicule reste inutilisé pendant une longue période :
Enlever la batterie, voir page 56 (DÉPOSE DE LA BATTERIE) et la placer dans un endroit frais et sec. La recharger complètement en utilisant une recharge lente, voir page 57 (RECHARGE DE LA BATTERIE).
Si la batterie reste sur le véhicule, débrancher les câbles des bornes.
En hiver, ou lorsque le véhicule reste inutilisé pendant longtemps, il est important de contrôler périodiquement la charge de la batterie (une fois par mois environ), afin d'en éviter la détérioration.

Contrôle et nettoyage des bornes et des broches
Lire attentivement la page 55 (BATTERIE).
Ôter la cache latérale, voir page 40 (DÉPOSE DES CACHES LATÉRAUX). Contrôler que les bornes (1) des câbles et les broches (2) de la batterie soient :
- en bonnes conditions (pas corrodées ou recouvertes de dépôts) ;
- recouvertes de graisses spéciales ou de vaseline.
Si nécessaire:
Enlever la batterie, voir ci-contre (DÉPOSE DE LA BATTERIE). À l'aide d'une brosse métallique, éliminer toute trace de corrosion. Brancher de nouveau d'abord le câble positif (+) et ensuite le câble négatif (-).

Recouvrir les bornes et les broches avec de la graisse spéciale ou de la vaseline. Reassembler la batterie, voir page 57 (INSTALLATION DE LA BATTERIE).
Dépose de la batterie
Lire attentivement la page 55 (BATTERIE).
S'assurer que le contacteur principal soit en position "OFF". Ôter la cache latérale gauche, voir page 40 (DÉPOSE DES CACHES LATÉRAUX) 3) de la borne négative (-). Déplacer latéralement le câble négatif (-) (4). Dévisser et enlever la vis (5). Ôter le couvercle (6).

Ôter partiellement la batterie de son logement. 7) de la borne positive (+). Déplacer latéralement le câble positif (+) (8). Extraire le tube d'évent (9).

La batterie enlevée doit être placée dans un endroit sûr et hors de portée des enfants.
Ôter la batterie de son logement et la placer sur une surface plane, dans un endroit frais et sec.

Contrôle du niveau de l'électrolyte de la batterie
Lire attentivement la page 55 (BATTERIE).

Positionner le véhicule sur un terrain solide et plan.
Ôter la cache latérale, voir page 40 (DÉPOSE DES CACHES LATÉRAUX). Maintenir le véhicule en position verticale avec les deux roues posées au sol.
Si l'on n'exécute pas les opérations précédentes, on risque d'effectuer une vérification erronée du niveau.
Contrôler que le niveau du liquide se trouve entre les deux repères "MIN" et "MAX" qui sont estampillés sur le côté de la batterie.
Diversement:
Enlever la batterie de son logement, voir page 56 (DÉPOSE DE LA BATTERIE). Dévisser et enlever les bouchons des éléments.

Pour le remplissage du liquide de l'électrolyte, utiliser exclusivement de l'eau déminéralisée.
Ne pas dépasser le repère "MAX" car le niveau augmente pendant la recharge.
Rétablir le juste niveau du liquide en ajoutant de l'eau déminéralisée.
Recharge de la batterie
Lire attentivement la page 55 (BATTERIE).
Enlever la batterie de son logement, voir page 56 (DÉPOSE DE LA BATTERIE). Dévisser et enlever les bouchons des éléments. Contrôler le niveau de l'électrolyte de la batterie, voir ci-contre (CONTRÔLE DU NIVEAU DE L'ÉLECTROLYTE DE LA BATTERIE). Relier la batterie à un chargeur de batteries. Il est conseillé d'utiliser une recharge ayant un ampérage de 1/10 de la capacité de la batterie. Lorsque l'on a terminé de recharger, contrôler de nouveau le niveau de l'électrolyte et remplir, si nécessaire, avec de l'eau déminéralisée. Serrer les bouchons des éléments.

Réassembler la batterie seulement 5 à 10 minutes après avoir débranché le chargeur, car
la batterie continue à produire, pendant un bref laps de temps, du gaz hydrogène très inflammable.
Installation de la batterie
Lire attentivement la page 55 (BATTERIE).
Relier le tube d'event (1).
Relier le tube d'évacuation de la batterie afin d'éviter que les vapeurs d'acide sulfurique, en sortant de l'évacuation, puissent corroder l'installation électrique, les parties peintes, les pièces en caoutchouc et les joints.
Relier d'abord le câble positif (+) et ensuite le câble négatif (-). Recouvrir les bornes et les broches avec de la graisse spéciale ou de la vaseline. Positionner la batterie dans son logement. Repositionner le couvercle (2). Visser et serrer la vis (3). Repositionner la cache latérale gauche, voir page 40 (DÉPOSE DES CACHES LATÉRAUX).

Remplacement des fusibles
Lire attentivement la page 39 (ENTRETIEN).

Ne pas réparer de fusibles défectueux.
Ne jamais utiliser de fusibles dif .
férents de ceux qui sont conseillés, car ceci pourrait causer des dommages au système électrique ou même un incendie en cas de court-circuit.

Quand un fusible s'abîme fréquemment, il est possible qu'il y ait un court-circuit ou une surcharge.
En ce cas, consulter un Concessionnaire Officiel Aprilia.

Si l'on remarque un fonctionnement irrégulier ou le non-fonctionnement d'un composant électrique, ou si le moteur ne démarre pas, il faut vérifier les fusibles.
Pour le contrôle :
Placer le contacteur principal sur "0" pour éviter tout court-circuit accidentel. Ôter la cache latérale, voir page 40 (DÉPOSE DES CACHES LATÉRAUX). Extraire un fusible à la fois et regarder si le filament est interrompu. Avant de remplacer le fusible, rechercher si possible la cause de cet inconvénient. Remplacer ensuite le fusible brûlé par un autre du même ampérage.


Si l'on emploie le fusible de réserve (4) (5) (6), en insérer un
identique dans le logement approprié.
Fusible de 20 A (1)
De la batterie à : contacteur principal, régulateur de tension.
Fusible de 15A (2)
Du contacteur principal à toutes les charges de lumière et avertisseur sonore.
Fusible de 7,5 A (3)
Du contacteur principal à l'allumage, interrupteur de sécurité du démarreur.

Contrôle de la béquille latérale
Lire attentivement les pages 39 (ENTRETIEN) et 60 (CONTROLE DES CONTACTEURS).
La rotation de la béquille latérale (1) doit être libre d'obstacles.
Effectuer les contrôles suivants :
Les ressorts (2) ne doivent pas être endommagés, usés, rouillés ou faibles. La béquille doit tourner librement ; GRAISSER l'articulation, si nécessaire, voir page 72 (TABLEAU DES LUBRIFIANTS).

Sur la béquille latérale (1) se trouve un ayant pour fonction d'empêcher ou d'arrêter le fonctionnement du moteur lorsque une vitesse est engagée et que la béquille latérale (1) est baissée.
Pour contrôler le fonctionnement du :
S'asseoir sur le véhicule en position de conduite. Faire rentr . Démarrer le moteur, voir page 32 (DÉMARRAGE). Avec la poignée de l'accélérateur (4) relâchée (Pos. A) et le moteur au ralenti, actionner le levier de l'embrayage (5).


Tourner vers le bas le levier de commande de changement de vitesse (6) pour embrayer la première vitesse. Baisser la béquille latérale (1) qui actionnera l'interrupteur de sécurité (3). À ce moment, le moteur doit s'arrêter.

Si le moteur ne s'arrête pas, s'adresser à un Concessionnaire Officiel Aprilia.

Contrôle des contacteurs
Lire attentivement les pages 39 (ENTRETIEN).

Sur le véhicule sont présents trois contacteurs :
Contacteur du feu de stop (1) sur le levier de commande de frein arrière. Contacteur du feu d'arrêt (2) sur le levier de commande de frein avant. Contacteur de sécurité (3) sur la béquille latérale.

Pour le contrôle :
Contrôler les contacteurs (1) et (2) : extraire le protecteur. Contrôler qu'il n'y a pas de dépôts de saleté ou de boue sur le contacteur. Contrôler que les câbles sont reliés correctement.

Réglage vertical du faisceau lumineux
Pour vérifier rapidement la bonne orientation du faisceau lumineux avant, garer le véhicule à dix mètres d'une paroi verticale, après avoir vérifié que le terrain soit plat.
Allumer le feu de croisement, s'asseoir sur le véhicule et vérifier que le faisceau lumineux projeté sur la paroi est légèrement en dessous de la ligne droite horizontale du projecteur (à peu près aux 9/10 de la hauteur totale).

Pour régler le faisceau lumineux :
Maneuvrer la vis appropriée (1) à l'aide d'un tournevis.
EN LA VISSANT (dans le sens des monte.
EN LA DEVISSANT (dans le sens contraire aux s'abaisse.

Ampoules
Lire attentivement la page 39 (ENTRETIEN).

Avant de remplacer une ampoule, positionner le véhicule sur la béquille et le contacteur principal en position "OFF".
Remplacer l'ampoule en la touchant avec des gants propres ou en utilisant un chiffon propre et sec.
Ne pas laisser d'empreintes sur l'ampoule car elles pourraient causer sa surchauffe et donc sa rupture.
Si l'on touche l'ampoule avec les mains nues, il faut nettoyer les empreintes éventuelles avec de l'alcool, pour éviter que l'ampoule ne se détériore prématurément.
NE PAS FORCER LES CÂBLES ÉLECTRIQUES.

Avant de remplacer une ampoule, contrôler les fusibles, voir page 58 (REMPLACEMENT DES FUSIBLES).
Dans le feu avant sont placées :
Une ampoule du feu de position (1). Une ampoule du feu de croisement / de route (halogène) (2).
Pour le remplacement :

La partie supérieure en plastique (4) avec le feu avant reste reliée aux câbles électriques ; ne pas
les tirer.
Dévisser et ôter les deux vis (3).


Manipuler avec soin les composants en plastique, ne pas les rayer ni les endommager.
Ôter vers le bas la partie supérieure en plastique (4) avec le feu avant en l'extrayant du pied (5) se trouvant sur le tableau de bord.
Ampoule feu de croisement / feu de route (halogène)

Pour extraire le connecteur électrique de l'ampoule, ne pas tirer sur les câbles électriques.
Saisir (6), le tirer et le débrancher de l'ampoule (2). Extraire le protecteur (7) du siège de la parabole et des broches de l'ampoule. Faire pivoter la douille (8) dans le sens contraire des aiguilles d'une montre et l'extraire du logement de la parabole. Extraire l'ampoule (2).

Pour l'installation :

Insérer l'ampoule (2 , en faisant coïncider les deux encastrements (9) avec le guidage correspondant de la parabole.
Positionner la douille (8 et la pivoter dans le sens des aiguilles d'une montre. Enfiler correctement le protecteur (7) sur les broches de l'ampoule et dans le logement de la parabole. Relier le connecteur électrique de l'ampoule (6).
Ampoule du feu de position

Pour extraire la douille, ne pas tirer sur les câbles électriques.
Saisir la douille (11), tirer et l'extraire de son logement. Extraire l'ampoule du feu de position (1) et la remplacer par une du même type.

Remplacement des ampoules du tableau de bord
Lire attentivement la page 61 (AMPOULES).

Avant de remplacer une ampoule, contrôlez les fusibles (voir page 61).
Sur le tableau de bord se trouvent :
Les ampoules des témoins. La lumière d'éclairage du tableau de bord.

Pour le remplacement :

La partie supérieure en plastique (2) avec le feu avant reste reliée
aux câbles électriques ; ne pas tirer.
Dévisser et enlever les deux vis (1).

Manipuler avec soin les composants en plastique, ne pas les rayer ni les endommager.
Ôter vers le bas la partie supérieure en plastique (2) avec le feu avant en l'extrayant du pion (3) se trouvant sur le tableau de bord.
Ampoules des témoins

Extrayez une douille à la fois afin d'éviter un positionnement incorrect lors du remontage.
Extraire la douille concernée :
| Pos. | Témoin | Couleur |
| 4 | Feu de route (€0) | bleu |
| 5 | Clignotants (◇◇) | vert |
| 6 | Indicateur de la boîte de vitesse au point mort (∇) | vert |
| 7 | Surchauffe du liquide de refroidissement (½) | rouge |
| 8 | Réserve d'huile de mélange (¾) | rouge |
Extraire et remplacer l'ampoule par une du même type.
Ampoule d'éclairage du tableau de bord
Extraire la douille (9). Extraire et remplacer l'ampoule par une du même type.

Remplacement des ampoules des clignotants avant et arrière
Lire attentivement la page 61 (AMPOULES).
Avant de remplacer une ampoule, contrôler les fusibles, voir page 58 (REMPLACEMENT DES FUSIBLES).
Dévisser et enlever la vis (1).
Pendant le réassemblage, serrer avec précaution et modérément la vis (1) afin d'éviter d'endommag .
Ôt (2). Appuyer modérément sur l'ampoule (3) et la pivoter dans le sens contraire des aiguilles d'une montre.

Extraire l'ampoule de son logement.
Insérer l'ampoule dans la douille en faisant coïncider les deux ergots de guidage avec les encoches correspondantes sur la douille.
Installer correctement une ampoule du même type.
Remplacement de l'ampoule du feu arrière
Avant de remplacer une ampoule, contrôler les fusibles, voir page 58 (REMPLACEMENT DES FUSIBLES) et l'efficacité des interrupteurs des feux d'arrêt, voir page 60 (CONTROLE DES CONTACTEURS).
Lire attentivement la page 61 (AMPOULES).

Dévisser et enlever les deux vis (4).
Pendant le réassemblage, serrer avec précaution et modérément les deux vis (4) afin d'éviter d'endommag .
Ôt (5). Appuyer modérément sur l'ampoule (6) et la pivoter dans le sens contraire des aiguilles d'une montre. Extraire l'ampoule de son logement.
Insérer l'ampoule dans la douille, en faisant coïncider les deux tétons de l'ampoule avec les guidages correspondants sur la douille.
Installer correctement une ampoule du même type.
Transport

Avant de transporter le véhicule, il faut vidanger soigneusement le réservoir de carburant et le carburateur par le bas (VIDANGE DU RÉSERVOIR DE CARBURANT), en contrôlant qu'ils sont bien secs.
Pendant le transport, le véhicule doit rester en position verticale, afin d'éviter toute fuite d'huile, de liquide de refroidissement ou de liquide de la batterie.
Il doit être fixé proprement et l'on doit embrayer la première vitesse.

En cas de panne, ne pas tirer le véhicule mais demander l'intervention d'une dépanneuse.
Vidange de carburant du réservoir
Lire attentivement la page 20 (CARBURANT).

Risque d'incendie.
Attendre que le moteur et les silencieux d'échappement soient
complètement refroidis.


L sont nocives pour la santé. S'assurer, avant de procéder, que la pièce
où l'on travaille ait un renouvellement d'air adéquat. Ne pas inhaler l . Ne pas fumer ni utiliser de flammes libres. Ne pas disperser le carburant dans l'environnement.
Positionner le véhicule sur la béquille. Arrêter le moteur et attendre qu'il soit refroidi. Se munir d'un récipient, ayant une capacité supérieure à la quantité de carburant présente dans le réservoir, et le poser au sol du côté gauche du véhicule. Enlever le bouchon du réservoir de carburant.

Pour la vidange , utiliser une pompe manuelle ou un système similaire.

Une fois la vidange terminée, fermer le bouchon du réservoir.
Pour la vidange complète du carburateur :
Positionner le robinet de carburant (1) sur "RES". Démarrer le véhicule, voir page 32 (DÉMARRAGE). Accélérer pendant quelques instants jusqu'à l'arrêt du moteur pour épuisement du carburant.
En cas de nécessité, s'adresser à un Concessionnaire Officiel Aprilia.

Nettoyer fréquemment le véhicule s'il est employé dans des zones ou en conditions de :
Pollution de l'air (villes et zones industrielles). Salinité et humidité de l'air (zones de mer, climat chaud et humide). Conditions de l'environnement / de la saison particulières (emploi de sel, de produits chimiques anti-glace sur les routes durant l'hiver). On doit prêter une attention particulière pour éviter que sur la carrosserie ne restent déposés des résidus poussiéreux industriels et polluants, des taches de goudron, des insectes morts, des fientes d'oiseaux, etc. Éviter de garer le véhicule sous les arbres. En certaines saisons, peuvent tomber des arbres certaines substances, gommes, fruits ou feuilles qui contiennent des substances chimiques dangereuses pour la peinture.
Après le lavage du véhicule, le rendement de freinage pourrait être momentanément compromis à cause de la présence d'eau sur les surfaces de frottement du système de freinage. Il faut penser à prévoir de longues distances de freinage pour éviter des accidents. Actionner plusieurs fois les freins pour rétablir les conditions normales.
Pour enlever la saleté et la boue qui se sont déposées sur les surfaces peintes, il faut utiliser un jet d'eau à basse pression, arroser soigneusement les parties sales, enlever la boue et la saleté avec une éponge douce pour carrosseries imbibée d'eau et de détergent (2 à 4% de détergent dans l'eau).
Ensuite, rincer abondamment à l'eau et essuyer avec une peau de chamois.
Pour nettoyer les parties extérieures du moteur, utiliser un détergent dégraissant, des pinceaux et des chiffons.
Il est rappelé que le polissage avec des cires siliconées doit être effectué après un nettoyage approfondi du véhicule.
Ne pas effectuer le lavage du véhicule au soleil, surtout en été ou lorsque la carrosserie est encore chaude, car le détergent sécherait avant le rinçage et endommagerait la peinture.
Ne pas diriger de jets d'eau ou d'air à haute pression, ni de jets de vapeur sur les parties suivantes : moyeux des roues, commandes sur les côtés droit et gauche du guidon, pompes des freins, instrumentation et indicateurs, pot d'échappement, coffre à documents/trousse à outils, contacteur principal / blocage de la direction.
Pour le nettoyage des parties en caoutchouc et en plastique et de la selle, ne pas utiliser d'alcool ou de solvants ; employer par contre de l'eau et du savon neutre.
Sur la selle, ne pas appliquer de cires de protection afin d'éviter l'effet glissant.

Périodes de longue inactivité
Il faut prendre des précautions pour éviter les inconvénients qui proviennent de la non-utilisation du véhicule.
Il faut aussi effectuer toutes les réparations nécessaires et un contrôle général avant le remisage, car on pourrait oublier de les effectuer après.
Agir de la façon suivante :
Vider complètement le réservoir de carburant et le carburateur, voir page 65 (VIDANGE DE CARBURANT DU RESERVOIR). Ôter la bougie, voir page 54 (BOUGIE). Verser dans le cylindre une petite cuillère (5 à 10 cm³) d'huile pour moteurs. Positionner sur "ARRÊT" le contacteur principal (1). Agir sur le levier de démarrage (2) pendant quelques fois pour distribuer l'huile uniformément sur les surfaces du cylindre.

dre.
♦ Reassembler la bougie, voir page 54 (BOUGIE). ♦ Ôter la batterie, voir page 56 (DÉPOSE DE LA BATTERIE). ♦ Laver et essuyer le véhicule, voir page 66 (NETTOYAGE). ♦ Passer de la cire sur les surfaces peintes. ♦ Gonfler les pneus, voir page 27 (PNEUS). ♦ Placer le véhicule de façon à ce que les deux pneus soient soulevés du sol, à l'aide d'un soutien approprié. ♦ Garer le véhicule dans un endroit non chauffé, sec, à l'abri des rayons solaires et ne subissant pas d'importants changements de température. ♦ Couvrir le véhicule en évitant d'utiliser des toiles plastiques ou imperméables.

Après le remisage
Découvrir et nettoyer le véhicule, voir page 66 (NETTOYAGE). Vérifier le niveau de l'électrolyte de la batterie et l'installer, voir page 57 (CONTRÔLE DU NIVEAU DE L'ÉLECTROLYTE DE LA BATTERIE) et page 57 (INSTALLATION DE LA BATTERIE). Remplir le réservoir avec du carburant, voir page 20 (CARBURANT). Effectuer les contrôles préliminaires, voir page 31 (TABLEAU DES CONTRÔLES PRÉLIMINAIRES).

Parcourir quelques kilomètres d'essai à basse vitesse et dans une zone éloignée de la circulation.
| DONNEES TECHNIQUES | ||
| DIMENSIONS | Longueur max(avec rallonge garde-boue arrrière) | 2295 mm |
| Largeur max. | 850 mm | |
| Hauteur max (à la protection sup. en plastique) | 1205 mm | |
| Hauteur à la selle | 915 mm | |
| Entraxe | 1475 mm | |
| Hauteur libre min. du sol | 360 mm | |
| Poids en ordre de marche | 129 kg | |
| MOTEUR | Type. | Monocylindrique à 2 temps avec admission par clapets. Lubrification séparée avec mélangeur automatique à débit variable (1,0 - 3,0%). |
| Nombre de cylindres | 1 | |
| Cylindrée totale | 124,82 cm3 | |
| Alésage / course | 54 mm / 54,5 mm | |
| Rapport de compression | 12,5 ± 0,5 : 1 | |
| Démarriage | à kick | |
| Nombre de tours moteur au ralenti | 1500 ± 100 tours/min | |
| Embrayage | à disques multiples en bain d'huile avec commande manuelle sur le côte gauche du guidon. | |
| Refroidissement | par liquide | |
| CAPACITE | Carburant (réserve comprise) | 11 l |
| Réserve de carburant. | 4 l (réserve mécanique) | |
| Huile de la boîte de vitesse | 600 cm3 | |
| Liquide de refroidissement | 0,75 l (50% eau + 50% antigel avec glycol éthylénique) | |
| Huile de mélange (réserve comprise) | 1,4 l | |
| Réserve huile de mélange | 0,5 l | |
| Places. | 2 | |
| Charge max. du vehicule(pilote + passager + bagages) | 180 kg | |
| BOITE DE VITESSE | Type | mécanique 6 rapports avec commande à pédale sur le côte gauche du moteur | |||
| RAPPORTS DE TRANSMISSION | Rapport | Primaire | Secondaire | Rapport final | Rapport total |
| 1a | 19/63 = 1 : 3,315 | 10 / 30 = 1 : 3,000 | 16 / 45 = 1 : 2,81 | R1 x R2 x R3 = 1 : 27,35 | |
| 2a | 14 / 29 = 1 : 2,071 | R1 x R2 x R3 = 1 : 18,88 | |||
| 3a | 17 / 27 = 1 : 1,588 | R1 x R2 x R3 = 1 : 14,48 | |||
| 4a | 19 / 25 = 1 : 1,316 | R1 x R2 x R3 = 1 : 11,99 | |||
| 5a | 21 / 23 = 1 : 1,095 | R1 x R2 x R3 = 1 : 9,98 | |||
| 6a | 22 / 21 = 1 : 0,954 | R1 x R2 x R3 = 1 : 8,70 | |||
| CARBURATEUR | Nombre | 1 | |||
| Modèle | DELL'ORTO PHBH 28 | ||||
| ALIMENTATION | Carburant | essence super selon DIN 51 600 (4 Stars U), I.O. 98 (N.O.R.M.) et 88 (N.O.M.M.) | |||
| Carburant | essence sans plomb selon DIN 51 607 I.O.95 (N.O.R.M.) et 85 (N.O.M.M.) | ||||
| CHASSIS | Type | a une)poutre avec double berceau en tubes d'acier à haute résistance | |||
| Angle d'inclinaison de la direction | 28° | ||||
| Chasse | 127 mm | ||||
| SUSPENSIONS | Avant | fourche téléscopique avec fonctionnement hydraulique | |||
| Excursion | 232 mm | ||||
| Arrière | mono-amortisseur hydraulique régliable | ||||
| Excursion | 101,5 mm | ||||
| FREINS | Avant | à disque - Ø 250 mm avec transmission hydraulique | |||
| Arrière | à disque - Ø 220 mm avec transmission hydraulique | ||||
| ROUES JANTES | Type.............. | en acier inox avec rayons tangentiels |
| Avant.......... | E - 21" x 1,60 DOT | |
| Arrière.......... | E - 18" x 2,15 DOT | |
| PNEUS | AVANT.......... | 3,00 - 21" 51 P comme alternative: - 90/90 - 21" 54R - 90/90 - 21" 54S - 80/100 - 21" 51R |
| Pression de gonflage seulement pilote: - route asphaltée.......... | 150 kPa (1,5 bar) | |
| - tout-terrain.......... | 130 kPa (1,3 bar) | |
| Pression de gonflage pilote et passager: - route asphaltée.......... | 160 kPa (1,6 bar) | |
| - tout-terrain.......... | 140 kPa (1,4 bar) | |
| ARRIÈRE.......... | 4,60 - 18" 63 P comme alternative: - 120/80 - 18" 62S - 120/90 - 18" 65R - 120/90 - 18" 65P | |
| Pression de gonflage seulement pilote: - route asphaltée.......... | 170 kPa (1,7 bar) | |
| - tout-terrain.......... | 150 kPa (1,5 bar) | |
| Pression de gonflage pilote et passager: - route asphaltée.......... | 180 kPa (1,8 bar) | |
| - tout-terrain.......... | 160 kPa (1,6 bar) | |
| ALLUMAGE | Type.......... | CDI |
| Avance à l'allumage.......... | 12° ± 2° avant du P.M.S. | |
| BOUGIE | Standard.......... | NGK R BR8 ES |
| Distance des électrodes de la bougie.......... | 0,5÷0,6 mm |
INSTALLATION Batterie 12 V - 4 Ah
ÉLECTRIQUE Fusibles 20 A, 15 A, 7,5 A
Générateur 12 V - 180 W
AMPOULES Ampoule feu de croisement/de route (halogène) 12 V - 55/60 W
Ampoule feu de position avant 12 V - 5 W
Ampoule clignotants 12 V - 10 W
Ampoule feu de position arrière / plaque d'immatriculation / stop. 12 V - 5 / 21 W
Éclairage tableau de bord. 12 V - 2 W
Témoins changement de vitesse au point mort 12 V - 2 W
Clignotants 12 V - 2 W
Feux de route 12 V - 2 W
Réserve d'huile de mélange 12 V - 2 W
Surchauffe du liquide de refroidissement. 12 V - 2 W
Tableau des lubrifiants
Huile de la boîte de vitesse (conseillée) : F. C., SAE 75W-90.
Comme alternative à l'huile conseillée, il est possible d'utiliser des huiles de marque aux caractéristiques conformes ou supérieures aux spécifications A.P.I. GL-4.
Huile du mélangeur (conseillée) : MAX 2T COMPETITION.
Comme alternative à l'huile conseillée, utiliser des huiles de marque aux caractéristiques conformes ou supérieures aux spécifications ISO-L-ETC++, A.P.I. TC++.
Huile de fourche (conseillée) : huile pour fourche F. A. 5W ou F. A. 20W. Si l'on désire un comportement intermédiaire entre ceux offerts par la F. A. 5W et la F. A. 20W, il est possible de mélanger les produits comme indiqué ci-dessous :
SAE 10W : F. A. 5W 67 % du volume + F. A. 20W 33 % du volume.
SAE 15W : F. A. 5W 33% du volume + F. A. 20W 67% du volume.
Roulements et autres points à lubrifier (conseillé) : AUTOGREASE MP.
Comme alternative au produit conseillé, utiliser de la graisse de marque pour roulements, champ de température utile : -30 °C à +140 °C, point de dégouttement : 150 °C à 230 °C, haute performance anti-corrosion, bonne résistance à l'eau et à l'oxydation.
Protection des pôles de la batterie : Graisse neutre ou vaseline.
Graisse spray pour chaînes : CHAIN SPRAY.
Liquide de freins (conseillé) : F. F. DOT 5 (compatible DOT 4).

N'utiliser que du liquide de frein neuf.
Liquide de refroidissement moteur (conseillé) : ECOBLU -40°C.

N'utiliser que de l'antigel et de l'anti-corrosif sans nitrite, assurant une protection d'au moins -35°C.
Aprilia France S. A.
Z. A. CENTRAL PARC
255 BLD ROBERT BALLANGER
B. P. 77
93421 VILLEPINTE (F)
TEL. (1) 49 63 47 47
FAX (1) 49 63 87 50
BERNERSTRASSE NORD 202
8064 Zurich (CH)
TEL. (1) 4321525
FAX (1) 4328114
n. v./s. a. RAD
LANDEGEMSTRAAT 4
B-INDUSTRIETERREIN
9031 Drongen (B)
TEL. (09) 282 49 29
FAX (09) 2829433

Légende schéma électrique - ETX 125
1) Générateur 2) Bobine 4) Régulateur de tension 5) Fusibles 6) Batterie 8) Contacteur de stop avant 9) Contacteur de stop arrière
11) Capteur réserve d'huile de mélange 14) Clignotant arrière gauche 15) Feu arrière 16) Clignotant arrière droit 17) Intermittence 18) Contacteur principal/blocage de la direction 19) Témoin changement de vitesse au point mort 20) Commutateur des feux gauche 21) Tableau de bord 22) Témoin surchauffe liquide de refroidissement 23) Ampoule d'éclairage tableau de bord 24) Témoin feu de route 25) Interrupteur béquille latérale 26) Témoin clignotants 27) Témoin réserve d'huile de mélange 28) Interrupteur changement de vitesse au point mort 29) Thermistor température liquide de refroidissement 30) Avertisseur sonore
31) Clignotant avant droit 32) Ampoule feu de croisement/feu de route 33) Ampoule feu de position avant 34) Ampoule clignotant avant gauche 35) Diode 36) Connecteurs multiples 37) Bougie 39) Feu avant 42) CDI 44) Pick-up
Couleur des câbles
Ar orange, Az bleu ciel, B bleu, Bi blanc, G jaune, Gr gris, M marron, N noir, R rouge, V vert, Vi violet.
La Société Aprilia S.p.A. remercie sa clientèle d'avoir choisi ce véhicule et recommande :
- De ne pas jeter l'huile, le carburant ou les substances et les composants polluants dans l'environnement.
- De ne pas laisser le moteur en marche si ce n'est pas nécessaire.
- D'éviter les bruits importuns.
- Respecter la nature.
Notice Facile