VITOGAS 100 - Chaudière à gaz VIESSMANN - Notice d'utilisation et mode d'emploi gratuit
Retrouvez gratuitement la notice de l'appareil VITOGAS 100 VIESSMANN au format PDF.
| Intitulé | Description |
|---|---|
| Type de produit | Chauffage au gaz à condensation |
| Puissance | De 4 à 24 kW |
| Alimentation électrique | 230 V, 50 Hz |
| Dimensions approximatives | Hauteur : 700 mm, Largeur : 400 mm, Profondeur : 600 mm |
| Poids | Environ 50 kg |
| Rendement énergétique | Jusqu'à 109 % (sur PCI) |
| Type de gaz | Gaz naturel ou GPL (propane/butane) |
| Fonctions principales | Chauffage central, production d'eau chaude sanitaire |
| Entretien et nettoyage | Entretien annuel recommandé par un professionnel, nettoyage du brûleur et vérification des échangeurs |
| Pièces détachées et réparabilité | Disponibilité de pièces détachées, réparabilité facilitée par la conception modulaire |
| Sécurité | Équipé de dispositifs de sécurité tels que la protection contre les surchauffes et les fuites de gaz |
| Compatibilités | Compatible avec divers systèmes de chauffage et régulations |
| Informations générales | Garantie de 2 ans, respect des normes européennes en matière d'efficacité énergétique |
FOIRE AUX QUESTIONS - VITOGAS 100 VIESSMANN
Questions des utilisateurs sur VITOGAS 100 VIESSMANN
Oui, la chaudière VIESSMANN VITOGAS 100 est généralement fournie avec une notice papier qui détaille les réglages, y compris ceux des plages horaires de fonctionnement. Cette documentation explique comment programmer et ajuster les plages horaires selon vos besoins pour optimiser le fonctionnement de votre chaudière à gaz.
Si vous ne disposez pas de cette notice papier, plusieurs options s'offrent à vous :
- Contactez votre installateur qui pourra vous fournir une copie ou vous guider dans les réglages.
- Contactez le service client VIESSMANN pour obtenir une version papier ou numérique de la notice.
- Consultez les ressources en ligne officielles de VIESSMANN où la notice peut être disponible au format PDF.
Ces documents vous permettront de comprendre précisément comment configurer les plages horaires pour un fonctionnement optimal et adapté à votre usage.
Pour régler la température et programmer les plages horaires sur votre chaudière Viessmann Vitogas 100, suivez les étapes suivantes :
1. Accéder au panneau de commande
Localisez le panneau de commande de votre chaudière, généralement équipé d'un écran et de boutons de navigation.
2. Régler la température
- Appuyez sur le bouton ou accédez au menu dédié aux réglages de température, souvent indiqué par "Température" ou un symbole de thermomètre.
- Utilisez les boutons de navigation (flèches ou boutons + / -) pour ajuster la température souhaitée pour le chauffage.
- Confirmez votre choix en appuyant sur le bouton de validation ou "OK".
3. Programmer les plages horaires
- Accédez au menu de programmation horaire, parfois nommé "Programmation" ou "Horaires".
- Définissez les plages horaires durant lesquelles vous souhaitez que la chaudière fonctionne à une température spécifique.
- Pour chaque plage, sélectionnez les jours concernés ainsi que l'heure de début et de fin.
- Validez chaque plage horaire après configuration.
4. Sauvegarder les réglages
Assurez-vous de sauvegarder tous vos paramètres avant de quitter le menu pour que les modifications soient prises en compte.
Ces réglages vous permettent d'optimiser votre confort tout en réalisant des économies d'énergie en adaptant la température selon vos besoins et horaires.
Le remplacement de la sonde de température de fumée sur une chaudière VIESSMANN VITOGAS 100 doit être réalisé avec précaution pour garantir la sécurité et le bon fonctionnement de l'appareil. Voici les étapes détaillées à suivre :
Étapes pour remplacer la sonde de température de fumée
- Coupez l'alimentation électrique :
Avant toute intervention, débranchez la chaudière du secteur pour éviter tout risque d'électrocution.
- Ouvrez le panneau d'accès :
Retirez le ou les panneaux d'accès de la chaudière pour accéder à la zone où est située la sonde. Selon le modèle, cela peut nécessiter un tournevis.
- Localisez la sonde de température de fumée :
La sonde se trouve généralement près du conduit d'évacuation des fumées. Elle est fixée sur la partie métallique du conduit ou à proximité immédiate.
- Déconnectez la sonde :
Repérez les fils électriques connectés à la sonde et débranchez-les avec précaution. Notez ou prenez une photo des connexions pour faciliter le remontage.
- Retirez la sonde défectueuse :
Dévissez la sonde de son emplacement à l'aide d'une clé adaptée ou d'un tournevis selon le type de fixation.
- Installez la nouvelle sonde :
Vissez la nouvelle sonde de température de fumée à l'emplacement prévu en vous assurant qu'elle est bien fixée et étanche.
- Reconnectez les fils électriques :
Rebranchez les fils sur la nouvelle sonde en respectant le schéma de câblage noté précédemment.
- Refermez le panneau d'accès :
Replacez et fixez correctement le panneau d'accès de la chaudière.
- Rétablissez l'alimentation électrique :
Rebranchez la chaudière au secteur.
- Testez le fonctionnement :
Allumez la chaudière et vérifiez que la sonde fonctionne correctement en surveillant les indicateurs de température et le bon fonctionnement général.
Conseils importants
- Si vous n'êtes pas à l'aise avec ce type d'intervention, il est fortement recommandé de faire appel à un professionnel qualifié.
- Assurez-vous d'utiliser une sonde compatible avec le modèle VITOGAS 100 pour garantir la sécurité et la performance.
- Respectez toujours les consignes de sécurité lors de toute manipulation électrique ou mécanique.
Téléchargez la notice de votre Chaudière à gaz au format PDF gratuitement ! Retrouvez votre notice VITOGAS 100 - VIESSMANN et reprennez votre appareil électronique en main. Sur cette page sont publiés tous les documents nécessaires à l'utilisation de votre appareil VITOGAS 100 de la marque VIESSMANN.
MODE D'EMPLOI VITOGAS 100 VIESSMANN
Notice de maintenance
VIESSMANN
Vitogas 100
Type GU1
Chaudiere gaz
pour fonctionnement en circuit étanche
Version gaz naturel et propane
Remarques concernant la validité, voir page 2.
VITOGAS 100


Conseils de sécurité

Respecter scrupuleusement ces conseils de sécurité afin d'éviter tout risque et tout dommage pour les personnes et les biens.
Travaux sur l'appareil
Le montage, la première mise en service, le contrôle, l'entretien et les réparations devront être impérativement effectués par du personnel qualifié (installateurs/chauffagistes).
Couper l'alimentation électrique (au portefusible du tableau électrique ou à l'interrupteur principal, par exemple) avant de commencer l'intervention sur l'appareil/ l'st installation de chauffage et la bloquer pour interdire tout rétablissement.
Fermer la vanne d'alimentation gaz et la bloquer pour empêcher toute ouverture intempéstive.
Les travaux sur les conduites gaz ne devront etre effectués que par un installerateur qualifié.
Les travaux de réparation sur les composants de sécurité sont interdits. Si on remplace des pieces, on devra employer les pieces d'origine Viessmann qui convennent.
Première mise en service
La première mise en service devra etre effectuee par l'installeur ou un spécialiste nomme par lui ; les valeurs mesurées seront consignees sur un proces-verbal.
Explications à donner à l'utilisateur
L'installateur devra remetre la notice d'utilisation à l'utilisateur et lui expliquer le fonctionnement de l'installation.
Conseil de sécurité!
Caracterise les informations importantes pour la sécurité des personnes et des biens.
Caracterise les informations importantes pour la sécurité des biens.
Remarques concernant la validité
Valable pour les chaudières :
Vitogas 100
type GU1
à partir des numéros de fabrication : 7170991 3 00001 , 7170992 3 0001
Sommaire
Page
Informations generales
Conseils de sécurité 2
Remarques concernant la validité 2
Première mise en service, contrôle et entretien
Listedes travauxaffectuer-Premiere mise en service,
controle et entretien 4
Autres indications concernant les travaux à effectuer 6
Elimination des défauts
Diagnostic et élimination des défauts 30
Fonctionnement de l'allumeur 33
Graphique des séquences de fonctionnement 33
Scheme electrique du boitier de contrôle de bruleur 34
Régulation de chaudière 36
Listedespiecesdetachées 42
Annexe
Caracteristiques techniques 47
Déclaration de conformité 48
Proces-verbal 50
Index 56
Liste des travaux à effectuer – Première mise en service, contrôle et entretien
Remarques complémentaires concernant les travaux à effectuer, voir page indiquée.
| Travaux à effectuer pour la première mise en service | ||
| Travaux à effectuer pour le contrôle | ||
| Travaux à effectuer pour l'entretien | Page | |
| P | 1. Préparer la mise en service 6 | |
| P | E | 2. Contrôler le type de gaz 7 |
| P | 3. Contrôler le conduit de fumées 8 | |
| P | 4. Régler le début d'air primaire 10 | |
| P | 5. Mesurer la différence de pression 13 | |
| P | C E | 6. Contrôler la pression au repos et la pression d'alimentation 14 |
| P | C E | 7. Mesurer la pression aux injecteurs 16 |
| P | C E | 8. Mesurer les paramètres de fumées 18 |
| P | C E | 9. Mesurer le courant d'ionisation 18 |
| E | 10. Mettre l'installation hors service | |
| E | 11. Déposer le brûleur 19 | |
| E | 12. Contrôler les rampses du brûleur 20 | |
| E | 13. Contrôler l'électrode d'allumage et l'électrode d'onisation 20 | |
| E | 14. Nettoyer les surfaces d'échange 21 | |
| E | 15. Remettre le brûleur en place (remplacer les joints) | |
| P | C E | 16. Contrôler l'étanchéité des raccoards côté eau |
| P | C E | 17. Contrôler le fonctionnement des soupapes de sécurité |
| P | E | 18. Contrôler le vase d'expansion à membrane et la pression de l'installation |
| P | C E | 19. Contrôler la bonne assise des raccoards électriques et des passacable |
| P | C E | 20. Mettre l'installation en service 22 |
| P | C E | 21. Contrôler la fermeture des vannes du bloc combiné gaz 22 |
| P | C E | 22. Contrôle de l'étanchéité de la ventouse (mesure dans l'espace entre les deux tubes) 23 |
| P | C E | 23. Effectuer les mesures finales 23 |
Liste des travaux à effectuer - Première mise en service, contrôle et entretien (suite)

Travaux à effectuer pour la première mise en service
Travaux à effectuer pour le contrôle
Travaux à effectuer pour l'entretien
Page
- Réglages sur l'interface utilisateur de la régulation (régulation en fonction de la température extérieure uniquement) 24
- Reglages sur l'interface chauffagiste de la régulation (régulation en fonction de la température extérieure uniquement) 27
Autres indications concernant les travaux à effectuer
Préparer la mise en service

Notice d'utilisation
Vitogas 100
- Contrôler si les parcours de fumées sont libres.
- Contrôler la pression d'azote du vase d'expansion à membrane.
Si la pression d'azote du vase d'expansion est inférieure à la pression statique de l'installation, rajouter de l'azote jusqu'à ce que la pression d'azote dépasse (de 0,1 à 0,2 bar) la pression statique de l'installation. La pression statique correspond à la hauteur statique.
- Ouvrir les clapets de retenue eventuellement en place.
- Faire le plein d'eau de l'installation et purger l'air jusqu'à ce que la pression de replissage dépasse (de 0,3 bar) la pression d'azote du vase d'expansion.
- Marquer cette pression sur le manomètre A. Pression de service maxi: 3 bars
- Remetre les clapets de retenue en position de service.

Autres indications concernant les travaux à effectuer (suite)
Contrôler le type de gaz
- Vérifier la nature du gaz qui alimentée la chaudière.
Remarque importante!
La chaudière est livrée prérglée pour le gaz naturel.
La chaudière peut fonctionner dans la plage d'indice de Wobbe de 12.0 à 16,1 kWh/m² (de 43,2 à 58,0 MJ/m²).
- Comparer le type de gaz avec les indications de l'autocollant du brûleur.
Après passage au propane
La chaudière peut fonctionner dans la plage d'indice de Wobbe de 21,35 à 22,50 kWh/m²
(de 76,9 à 81,1 MJ/m2).
- Si les indications ne sont pas concordantes, le brûleur devra être passé au gaz distribué.
Consulter la notice de montage du jeu de pieces de transformation correspondant.
- Noter le type de gaz sur le procès-verbal à partir de la page 50.
Autres indications concernant les travaux à effectuer (suite)
Contrôler le conduit de fumées
Le réglage du début d'air primaire de la Vitogas 100 doit être adapté à la longueur totale de la ventouse existante.
Pour calculer la longueur totale, un coude de 45^ correspond à 0,5 m et un coude de 87^ à 1,0 m de longueur droite de tube (voir examples).


Déterminer la longueur totale du conduit de fumées.
Déterminer à l'aide du tableau de la page 10 ou 11 la cornière d'admission d'air primaire en fonction de la longueur de conduit de fumées calculée.
Régler le début d'air primaire (voir page 10).
Ventouse murale
Exemple (voir fig.)
2 coudes de 87^ - (à 1,0 m) ≅ 2 m
Té à tampon de visite ≅ 0,5 m
2 tubes coaxiaux ≅ 1,0 m
Ventouse murale ≅ 1,0 m
La longueur développement L
représentée ci-dessus est égale à 4,5 m
Traversée horizontal de tout
Exemple (voir fig.)
Coude de 87^ 1,0 m
Té à tampon de visite 0,5 m
Tube coaxial 1,0 m ( 2 × 0,5 m)
Coude de 87^ 1,0 m
Traversée horizontale du toit 1,0 m
La longueur développementé L
représentée ci-contre est égale à 4,5 m
(A) Ventouse
(8) Coude 87^
Te a tampon de visite
Tube coaxial
E Pièce de séparation coaxiale
Coude 45^
⑥ Air admis
Fumées
Raccord mural ou traversée horizontal du toit.
Autres indications concernant les travaux à effectuer (suite)

Traversée verticale de toit
Example (voir fig.)
Coude de 87^ 1,0m
Te à tampon de visite 0,5m
Tube coaxial vertical 1,0m
(2× 0,5m)
Coude de 45^ 0,5m
Tube coaxial incline 2,0m
Coude de 45^ 0,5m
Tube coaxial vertical 3,0m
Traversée verticale du toit 1,35m
La longueur développement L
représentée ci-dessous est
égale à 9,35 m
(A) Ventouse
⑧ Coude 87^
Te a tampon de visite
Tube coaxial
E Pièce de séparation coaxiale
(F) Coude 45^
⑥ Air admis
Fumées
Traversée verticale du toit
Autres indications concernant les travaux à effectuer (suite)
Régler le début d'air primaire
Le débit d'air primaire sera réglé sur la cornière d'admission en fonction de la longueur totale de la ventouse.
- Lire sur le tableau le réglage qui convient. Réglage d'usine de la cornière d'admission d'air primaire: perçage (4) (voir page 12).
Gaz naturel (G 20/G 25)
| Type de ventouse | Puisance nominale kW | Diamètre de la ventouse mm | Longueur de la ventouse m*1 | Cornière d'admission d'air primaire Perçage N° | Distance A mm |
| Ventouse murale/ventouse horizontalde toit (type C12x) | 24 | 70/110 | de 0,5 à 1,0 | 1 | 23 |
| > 1,0 à 3,0 | 4 | 29 | |||
| > 3,0 à 4,0 | 6 | 43 | |||
| > 4,0 à 5,0 | 7 | 63 (ouvert) | |||
| 30 | 70/110 | de 0,5 à 1,0 | 6 | 43 | |
| > 1,0 à 3,0 | 7 | 63 (ouvert) | |||
| Ventouse verticale de toit (type C32X) | 24 | 70/110 | de 0,5 à 1,0 | 1 | 23 |
| > 1,0 à 3,0 | 4 | 29 | |||
| > 3,0 à 4,0 | 6 | 43 | |||
| > 4,0 à 6,0 | 7 | 63 (ouvert) | |||
| 80/125 | de 0,5 à 2,0 | 1 | 23 | ||
| > 2,0 à 3,0 | 2 | 24 | |||
| > 3,0 à 4,0 | 3 | 25 | |||
| > 5,0 à 7,0 | 4 | 29 | |||
| > 7,0 à 10,0 | 5 | 39 | |||
| > 10,0 à 12,0 | 7 | 63 (ouvert) | |||
| 30 | 80/125 | de 0,5 à 3,0 | 4 | 29 | |
| > 3,0 à 5,0 | 6 | 43 | |||
| > 5,0 à 9,0 | 7 | 63 (ouvert) |
*1L'adaptateur ventouse, la traversée de mur ou de toit sont pris en compte, on retirera de la longueur droite de conduit 0,5 m par sé à tampon de visite et par coude de 45^ et 1,0 m par coude de 87^ .
Autres indications concernant les travaux à effectuer (suite)
Propane (G 31)
| Type de ventouse | Puisance nominale kW | Diamètre de la ventouse mm | Longueur de la ventouse m*1 | Cornière d'admission d'air primaire Perçage N° | Distance A mm |
| Ventouse murale/ventouse horizontalde toit (type C12x) | 24 | 70/110 | de 0,5 à 2,0 | 1 | 23 |
| > 2,0 à 3,0 | 4 | 29 | |||
| > 3,0 à 4,0 | 6 | 43 | |||
| > 4,0 à 6,0 | 7 | 63 (ouvert) | |||
| 30 | 70/110 | de 0,5 à 3,0 | 7 | 63 (ouvert) | |
| Ventouse verticalade toit (type C32X) | 24 | 70/110 | de 0,5 à 2,0 | 1 | 23 |
| > 2,0 à 3,0 | 4 | 29 | |||
| > 3,0 à 4,0 | 6 | 43 | |||
| > 4,0 à 6,0 | 7 | 63 (ouvert) | |||
| 80/125 | de 0,5 à 3,0 | 1 | 23 | ||
| > 3,0 à 6,0 | 4 | 29 | |||
| > 6,0 à 11,0 | 7 | 63 (ouvert) | |||
| 30 | 80/125 | de 0,5 à 4,0 | 4 | 29 | |
| > 4,0 à 8,0 | 6 | 43 |
*1L'adaptateur ventouse, la traversée de mur ou de toit sont pris en compte, on retirera de la longueur droite de conduit 0,5 m par sé à tampon de visite et par coude de 45^ et 1,0 m par coude de 87^ .
Autres indications concernant les travaux à effectuer (suite)

- S'il faut modifier le réglage d'usine :
Déposer la tôle supérieure de la jaquette et la trappe de ramonage.
- Dévisser la cornière d'admission d'air primaire et la remettre en place avec le perçage correspondant.
- Contrôle la distance A (voir fig.).
- Remetre la trappe de ramonage et la tôle supérieure de la jaquette en place.
| Perçage | Distance A en mm | |
| 24 kW | 30 kW | |
| ① | 23 | 25 |
| ② | 24 | - |
| ③ | 25 | - |
| ④ Etat de livraison | 29 | 29 |
| ⑤ | 39 | - |
| ⑥ | 43 | 43 |
| ⑦ | 63 (ouvert) | 63 (ouvert) |
Autres indications concernant les travaux à effectuer (suite)
Mesurer la différence de pression

Différence de pression minimale
24 kW 48 Pa
30 kW 55 Pa
Remarque importante!
Si la différence de pression est inférieure à cette valeur, la turbine fonctionne, la vanne gaz ne s'ouvre pas et il n'y a pas de message de défaut.
- Mettre l'installation hors service.
- Déposer la tôle avant de la jaquette.
- Déposer la tôle supérieure de la jaquette.
- Retirer les flexibles du pressostat différentiel (A).
-
Raccorder un manometre B à flexibles et tés de mesure D.
-
Mettre l'installation en service, mesurer la différence de pression et noter sur le proces-verbal la valeur mesurée.
Remarque importante!
Contrôler les parcours de fumées si la différence de pression est insuffisante.
- Mettre l'installation hors service et retirer le manomètre.
- Raccorder les flexibles au pressostat différentiel.
Attention au repérage :
P1 rouge = côté surpression +
P2 noir = côté dépression -
- Remetre la tôle supérieure de la jaquette en place.
Autres indications concernant les travaux à effectuer (suite)
Contrôler la pression au repos et la pression d'alimentation

- Fermer la vanne d'alimentation de gaz.
- Desserrer, sans la sortie, la vis du manchon de mesure du bloc combiné gaz et raccarder un manomètre.
- Ouvrir la vanne d'alimentation de gaz.
- Mesurer la pression au repos.
- Noter cette valeur dans le procès-verbal.
- Mettre la chaudiere en service.
Remarque importante!
Lors de la première mise en service, l'appareil peut semettre en dérangement parce que de l'air se trouve dans la conduite d'arrivée de gaz, (le voyant de dérangement brûleur ⑧ de la commande de brûleur est allumé).
Après 5 secondes, appuyer sur le bouton de réarmement de la commande de brûleur ⑥
l'allumage est recommencé.
- Mesurer la pression d'alimentation, elle doit etre comprise entre
18 et 22 mbar au gaz naturel Es (H)
22 et 27 mbar au gaz naturel
Ei (L)
33 et 41 mbar au propane.
Suivre les indications du tableau de la page 15.
- Noter cette valeur dans le procès-verbal.
Autres indications concernant les travaux à effectuer (suite)
| Pression d'alimentation | Mesure | |
| Gaz naturel | Propane | |
| < 18 mbar au gaz ES (H) | < 33 mbar | Ne procéder àaucun réglage etàaucune opérationde mise en service. |
| < 20 mbar au gaz Ei (L) | Prévenir Gaz de France ou le fournisseur de propane. | |
| de 15 à 22 mbar au gaz ES (H) | de 33 à 41 mbar | Mettre la chaudière en service. |
| de 22 à 27 mbar au gaz Ei (L) | ||
| > 22 mbar au gaz ES (H) | > 41 mbar | Mettre un régulateur de pression de gaz indépendant en amont de la chaudière et régler la pression à 20 mbar (gaz naturel Es), 25 mbar (gaz naturel Ei) ou 37 mbar (propane). |
| > 27 mbar au gaz ES (H) | Prévenir Gaz de France ou le fournisseur de propane. | |
- Couper l'interrupteur installation de la régulation (la chaudière s'arrête), fermer la vanne d'alimentation de gaz, retarder le manomètre et refermer le manchon de mesure A.
10. Conseil de sécurité !
Ouvrir la vanne d'alimentation de gaz,mettre la chaudiere en service et contrcler I'etanchete au gaz du manchon de mesure (空)
Autres indications concernant les travaux à effectuer (suite)
Mesurer la pression aux injecteurs

- Comparer le repréage des injecteurs avec les indications du tableau des pressions aux injecteurs de la page 17 et replacer les injecteurs, le cas échéant.

Notice de montage jeu de pieces de transformation
- Lire la pression aux injecteurs en fonction de la puissance dans le tableau des pressions aux injecteurs de la page 17.
- Fermer la vanne d'alimentation de gaz (la chaudière s'arrête).
- Desserer, sans la sortie, la vis du manchon de mesure A. Raccorder un manomètre.
- Ouvrir la vanne d'alimentation de gaz etmettre la chaudiere en service.
- Mesurer la pression aux injecteurs (pression de service).
- Noter cette valeur dans le procés-verbal.
- Fermer la vanne d'alimentation de gaz, retirer le manometre et refermer le manchon de mesure
- Conseil de sécurité! Ouvrir la vanne d'alimentation de gaz,mettre la chaudiere en service et contrcler I'etanchete au gaz du manchon de mesure A
Autres indications concernant les travaux à effectuer (suite)
Tableau des pressions aux injecteurs
La chaudière doit impérativement fonctionner à la puissance nominale. Il est interdit de régler d'autres pressions aux injecteurs.
| Type de gaz | Indice de Wobbe Wo kWh/m3 | MJ/m3 | Pression d'alimentation mbar | Désignation des injecteurs | Pressostat gaz | ||
| 24 kW | 30 kW | ||||||
| Gaz naturel Es(H) | 14,9 | 53,6 | 20 | Pression aux injec-teurs*1 | 220 | 220 | Non |
| Pression aux injec-teurs mbar*2 | 18,5 | 18,5 | |||||
| Gaz naturel Ei(L) | 12,8 | 46,1 | 25 | Pression aux injec-teurs*1 | 220 | 220 | |
| Pression aux injec-teurs mbar*2 | 23,5 | 23,5 | |||||
| Propane | 22,2 | 79,9 | 37 | Pression aux injec-teurs*1 | 150 | 145 | oui, réglé à 25 mbar |
| Pression aux injec-teurs mbar*2 | 35,7 | 35,4 | |||||
| Nombre de rampes du brûleur | 3 | 4 | |||||
1Les autres indications sur l'injecteur principal gaz n'ont pas d'importance.
21 mbar correspond à environ 10 mmCE; 12,0 mbar = 120 mmCE, par exemple.
Les pressions aux injecteurs prenrent en compte une atmophère normale à une altitude de 300 m. La puissance nominale indiquée est ainsi assurée de 0 à 600 m d'altitude avec une tolerance inférieure à ± 4 %.
Autres indications concernant les travaux à effectuer (suite)
Mesurer les paramètres de fumées
Conseil de sécurité !
Avant et après tout travail sur des apparciels à gaz, une mesure du CO doit être impératifement effectue pour exclure tout risque pour la santé et assurer le parfait fonctionnement de l'installation.
la teneur en gaz carbonique CO2 ou la teneur en oxygène O2
la teneur en monoxyde de carbone CO
la température des fumées (brute)
lespertesparlesfumées etlesporter surleproces-verbal
Mesurer le courant d'ionisation
Conseil de sécurité!
Couper l'interrupteur installation de la régulation de chaudière avant de raccorder l'appareil de mesure.

- Retirer la fiche () du boitier de contrôle de brûleur et la relier à l'appareil de mesure.
- Relier le second cable de mesure au boîtier de contrôle de brûleur.
- Mettre la chaudiere en service. Le courant d'onisation doit etre d'au moins 1,5 A
- Porter la valeur mesurée sur le procès-verbal.
Autres indications concernant les travaux à effectuer (suite)
Déposer le brûleur

- Retirer les conduites sur le cote du boîtier de contrôle de brûleur (A).
- Desserrer la vis de fixation (B) et déposer le boîtier de contrôle de brûleur.
-
Desserrer le raccord filete
-
Desserrer le collier de flexible (D) etPTRerleflexible.
- Dévisser le cable de mise à la terre (E) de la plaque portebrûleur.
- Desserrer les vis et sortir prudemment le bruleur vers l'avant.
Autres indications concernant les travaux à effectuer (suite)
Contrôler les rampes du brûleur
- Contrôler l'endommagement des ouvertures de sortie du gaz.
- Passer les rampes du brûleur à l'air comprimé ou à l'eau savonneuse.

Contrôler l'électrode d'allumage et l'électrode d'ionisation
-
Contrôler l'endommagement des électrode d'allumage (A) et de l'électrode d'onisation (B).
-
Contrôler les écartements des électrodes.
Autres indications concernant les travaux à effectuer (suite)
Nettoyer, si nécessaire, les surfaces d'échange (brûleur déposé)

- Déposer la tôle supérieure de la jaquette (A).
- Dévisser le couvercle de la boîte de fumées (B).
- Retirer de l'adaptateur turbine © les flexibles du pressostat différentiel.
Conseil de sécurité !
Ne pas intervenir les flexibles lors du remontage.
-
Dévisser la turbine (D) avec la boîte de fumées.
-
Nettoyer les surfaces d'échange de la chaudière (brûleur déposé) avec larosse fournie avec la chaudière.
N'employer eneldom cas des nettoyants contenant de la soude. - Retirer les résidus de la plaque de socle du foyer.
- Remontage dans l'ordre inverse du démontage.
Autres indications concernant les travaux à effectuer (suite)
Mettre l'installation en service
Conseil de sécurité !
Contrôler l'étanchéité de tous les joints et de la robinetterie des parcours de gaz à la pression de service avec un produit moussant (aerosol de recherche des fuites).
Contrôler la fermeture des vannes du bloc combiné gaz
- Couper l'interrupteur installation de la régulation.
- Lorsque le brûleur s'arrête, les flammes doivent disparaitre uniformément et rapidement (viseur du brûleur d'allumage).
Autres indications concernant les travaux à effectuer (suite)
Contrôle de l'étanchéité de la ventouse (mesure dans l'espace entre les deux tubes)

Aire amene à la chaudière (point de mesure de l'air de combustion)
B Fumées
Nous recommendons de réaliser un contrôle simplifie de l'étanchéité à la mise en service de l'installation. Il suffit de mesurer la teneur en CO2 / O2 de l'air de combustion dans l'espace entre les tubes concentriques de la ventouse. Le conduit de fumées est considéré comme suffisamment étanche si la teneur de CO2 de l'air de combustion ne dépasse pas 0,2% ou la teneur en O2 n'est pas inférieure à 20,6% . Si on mesure une teneur en CO2 supérieure ou une teneur en O2 inférieure, il est nécessaire de soumettre le conduit de fumées à un essai de pression à une surpression statique de 200Pa .
Effectuer les mesures finale
- Recommercier les phases de travail 6 à 9 (voir page 4).
- Porter les valeurs mesurées et régles dans le procès-verbal.
Autres indications concernant les travaux à effectuer (suite)
Réglages sur l'interface utilisateur de la régulation fonction de la température extérieure
Appeler interface utilisateur

- Ouvrir le cache et appuyer 5 secondes sur la touche bleue. Un "1" est affiché comme premier chiffre à l'écran.
- Appuyer sur la touche jaune. Les différents paramètres sont appelés l'un après l'autre.
- Modifier les valeurs des différents paramètres à l'aide de la touche bleue. Signification et plages de réglage, voir tableau page 25.
- Appuyer plusieurs fois sur la touche jaune jusqu'à rétablissement de l'affichage de base.
Rétablir le réglage de base d'usine
Remarque importante!
Tous les réglages de l'interface utilisateurs sont remis aux valeurs de base d'usine.

- Ouvrir le cache et appuyer 5 secondes sur la touche bleue. Un "1" est affiché comme premier chiffre à l'écran.
- Appuyer plusieurs fois sur la touche jaune jusqu'à affichage de "0:CL".
- Appuyer 5 secondes sur la touche bleue. Tous les parametes sont remis aux valeurs de base d'usine. L'écran affiche "SEt".
- Appuyer plusieurs fois sur la touche jaune jusqu'à rétablissement de l'affichage de base.

Autres indications concernant les travaux à effectuer (suite)
| Paramètres (réglage en état de livraison) | Signification | Plage de réglage/ modifications possibles | |
| Régulation sans action sur vanne mélangeuse | Régulation avec action sur vanne mélangeuse | ||
| 1:1.50 | 1:1.50 | Pente courbe de chauffe circuit de chauffage sans vanne mélangeuse (graphique des courbes de chauffe, voir page 26) | de 0,20 à 3,50 |
| 2:1.00 | Pente courbe de chauffe circuit de chauffage avec vanne mélangeuse (graphique des courbes de chauffe, voir page 26) | de 0,20 à 3,50 | |
| 2:ECO | 3:ECO | Comportement en marche réduite : ECO : si la température extérieure dépasse 3°C, les circulateurs chauffage sont arrêtés et la vanne mélangeuse (si existante) fermée. Si la température extérieure est inférieure à 3°C, les circulateurs chauffage sont enclenchés et la vanne mélangeuse ouverte. AbS : en marche réduite, la température ambiente est maintainue à la valeur affichée par le bouton ")". | ECO AbS |
| 3:50 °C | 4:50 °C | Consigne de température d'eau chaude sanitaire | de 20 à 80 °C |
| 4:OFF | 5:OFF | La température de l'eau chaude sanitaire peut être portée une seule fois à 70°C les différents jours de laSEAaine. La fonction supplémentaire est activée de 21 à 22 h | OFF de 1 à 7 |
5686 522-F
Autres indications concernant les travaux à effectuer (suite)
Courbes de chauffe
Les courbes de chauffe sont la relation entre la température extérieure et la température d'eau de chaudière ou de départ : plus simplement, plus la température extérieure est BASSE, plus la température d'eau de chaudière ou de départ est elevée.
Plages de réglage recommendées :
Planchers chauffants: de 0,30 à 2,00
Chauffages par
radiateurs : de 1,25 à 2,20
Chauffages par
convecteurs: de1,50 à 2,20

Autres indications concernant les travaux à effectuer (suite)
Réglages sur l'interface chauffagiste de la régulation en fonction de la température extérieure
Appeler interface chauffagiste



- Ouvrir le cache et appuyer 5 secondes sur les touches bleue et jaune.
"HF" est affché à l'écran. - Appuyer sur la touche jaune. Les différents paramètres sont appelés l'un après l'autre.
- Modifier les valeurs des différents paramètres à l'aide de la touche bleue.
Signification et plages de réglage, voir tableau page 28.
- Appuyer plusieurs fois sur la touche jaune jusqu'à rétablissement de l'affichage de base.
Rétablir le réglage de base d'usine
Remarque importante!
Tous les réglages de l'interface utilisateurs sont remis aux valeurs de base d'usine.



- Ouvrir le cache et appuyer 5 secondes sur les touches bleue et jaune.
"HF" est affché à l'écran. - Appuyer plusieurs fois sur la touche jaune jusqu'à affichage de "0:CL".
- Appuyer 5 secondes sur la touche bleue. Tous les parametes sont remis aux valeurs de base d'usine. L'écran affiche "SEt".
- Appuyer plusieurs fois sur la touche jaune jusqu'à rétablissement de l'affichage de base.
Autres indications concernant les travaux à effectuer (suite)
| Paramètres (réglage en état de livraison) | Signification | Page de réglage |
| 1:3 °C | Limite de température pour la fonction de protection contre le gelSi la température extérieure est inférieure à la valeur régée, les circulateurs chauffage sont enclenchés et la vanne mélangeuse (si existante) ouverte pour empêcher la prise de gel dans l'installation. | de -10 à +10 °C |
| 2:20 °C | Limite de température pour la marche de veille d'étéSi la température extérieure dépasse la valeur régée, les circulateurs chauffage sont arrêtés et la vanne mélangeuse (si existante) fermée.La production d'eau chaude sanitaire reste opérante. | de 10 à 30 °C |
| 3:On | Ne pas modifier cette valeur | |
| 4:38 °C | Ne pas modifier cette valeur | |
| 5:80 °C | Limitation maximale de la température | de 10 à 95 °C |
| 6:6 K | Différence de température entre l'enclenchement et l'arrêt du brûleur ±3 K (= 6 K), en état de livraison, valeur rapportée à la consigne de température d'eau de chaudière. | de 10 à 30 K |
| 7:8 K | Différence de température entre la consigne de départ du circuit de chauffage avec vanne mélangeuse et la consigne d'eau de chaudière | de 0 à 20 K |
| 8:2 min | Durée de fonctionnement minimale du brûleur | de 0 (10 s) à 10 min. |
| 9:20 °C | Limitation minimale de la température du circuit avec vanne mélangeuseEn régime chauffage, la température de départ n'est pas inférieure à la valeur régée | de 10 à 95 °C |
5686 522-F
Autres indications concernant les travaux à effectuer (suite)
| Paramètres (réglage en état de livraison) | Signification | Page de réglage |
| 10:75 °C | Limitation maximale de la température du circuit avec vanne mélangeuse La température de départ est limitée à la valeur régée (plancher chauffant, par exemple). | de 10 à 95 °C |
| 11:On | Priorité à la production d'eau chaude sanitaire | On (Priorité) Off (marche en parallèle) |
| 12:On | Pompe de charge eau chaude sanitaire N'est enclenchée que si la température d'eau de chaudière dépasse la consigne de température d'eau chaude sanitaire. | On Off |
| 13:5 min | Temporisation de l'arrêt des pompes après 1 arrêt du brûleur Pompe de charge ECS et circuit de chauffage sans vanne mélangeuse. | de 0 à 60 min |
| 14:1 | Ne pas modifier cette valeur | |
| 15:On | Inversion heures d'été/heure d'hiver | On (inversion automatique) Off (heure d'hiver uniquement HEC) |
Diagnostic et élimination des défauts
Défauts non affichés sur la régulation
| Défaut | Cause | Remède |
| La chaudière ne démarre pas | Pas de tension | Contrôr le fusible et les raccordements du cable d'alimentation électrique. Contrôr la position des interrupteurs de la régulation |
| Température d'eau de chaudière excessive | Attendre que la température d'eau de chaudière soit descendue de 20 K environ | |
| Le limiteur de température de sécurité à réagi | Appuyer sur le bouton de réarmement de la régulation | |
| Le pressostat différentiel ne réagit pas | Contrôr les parcours de fumées. Contrôr la bonne assise des flexibles de mesure. Contrôr le manchon de mesure P1 rouge + (à l'arrêté du pressostat différentiel). Contrôr la longueur des conduits de fumées et régler à nouveau les diaphragmes, le cas échéant. | |
| Le pressostat gaz a arrêté la chaudière (fonctionnement au propane uniquement) | Contrôr la pression d'alimentation de gaz, si celle-ci est excessive ou insuffisante, arrêté le chaudière et prévenir le fournisseur de gaz. Si la pression d'alimentation de gaz est correcte, contrôr le pressostat gaz et le replacer, le cas échéant. | |
| Connecteurs mal raccordés | Les raccorder correctement. | |
| En cas de marche avec un thermostat à horloge-F (pilote le brûleur): pas de demande par le thermostat à horloge-F | Contrôr le thermostat à horloge-F ou les branchements aux bornes "11" et "12" du coffret de raccordement. | |
| Si la chaudière fonctionne sans thermostat à horloge-F | Pont non ou mal raccordé aux bornes "11" et "12" du coffret de raccordement. |
5686 522-F
Diagnostic et élimination des défauts (suite)
| Défaut | Cause | Remède |
| Le boîtier de contrôle de brûleur se met en dérangement | Pas de gaz | Air dans la conduite d'alimentation. Appuyer sur le bouton de réarmement du boîtier de contrôle de brûleur pour recommencer le démarrage. |
| Le brûleur d'allumage ne démarre pas | Contrôr l'électrode d'allumage et les raccordements. Contrôr l'arrivée de gaz. | |
| Le bloc combiné gaz ne s'ouvre pas | Contrôr la tension (230 V~) sur le boîtier de contrôle de brûleur. Contrôr l'assise (contacts) du boîtier de contrôle de brûleur. | |
| Raccordement incorrect du cable d'alimentation électrique | Inverser les conducteurs "L1" et "N" du cable d'alimentation électrique | |
| Courant d'ionisation trop faible ou coupure | Mesurer le courant d'ionisation (valeur minimale : 1,5 μA lorsque le brûleur principal fonctionne). Déposer le brûleur d'allumage et contrôr son endommagement. Contrôr la polarité du cable d'alimentation électrique. |
Diagnostic et élimination des défauts (suite)
Défauts affichés sur la régulation (régulation en fonction de la température extérieure uniquement)
Différents défauts sont affichés à l'écran par clignotement d'un symbole.
| Symbole | Défaut | Elimination |
| Coupure sonde de chaudière | voir page 36 | |
| Court-circuit sonde de chaudière | ||
| Coupure sonde d'eau chaude sanitaire | ||
| Court-circuit sonde d'eau chaude sanitaire | ||
| Coupure sonde de départ (en cas de présence d'un circuit de chauffage avec vanne mélangeuse) | ||
| Court-circuit sonde de départ (en cas de présence d'un circuit de chauffage avec vanne mélangeuse) | ||
| Coupure Sonde extérieure | ||
| Court-circuit Sonde extérieure | ||
| Le brûleur ne démarre pas | voir page 31 |
5686 522-F
Fonctionnement du brûleur d'allumage
Lorsque l'installation est en demande (T0), le boîtier de contrôle de brûleur démarre le temps d'attente pour contrôle interne (TW = 1 seconde environ). la turbine démarre ensuite. Dès que le pressostat a détesté sa valeur de consigne, l'allumage haute tension est activé et la vanne principale gaz ouverte. Le gaz parvient au foyer et est allumé.
L'électrode d'ionisation envoie un signal de flamme au boîtier de contrôle de brûleur. Si aucun signal de flamme n'est liént au bout de 10 secondes (temps de mise en sécurité = TS), le boîtier de contrôle de brûleur se met en dérangement.
Graphique des séquences de fonctionnement
| T0 | T1 | T2 | T3 | |||||||
| Aquastat de chaudière | ||||||||||
| Turbine | ||||||||||
| Pressostat air | ||||||||||
| Allumage | ||||||||||
| Vanne principale gaz | ||||||||||
| Signal de flamme | ||||||||||
| Alarme | ||||||||||
| Tw | Tw | Ts |
T_0 Demande de chaleur
T1 Demarrage de la turbine
T2 Enclementement pressostat air/allumage/vanne principale gaz
T_3 Formation de la flamme
TW Temps d'arrêt
TS Temps de mise en sécurité
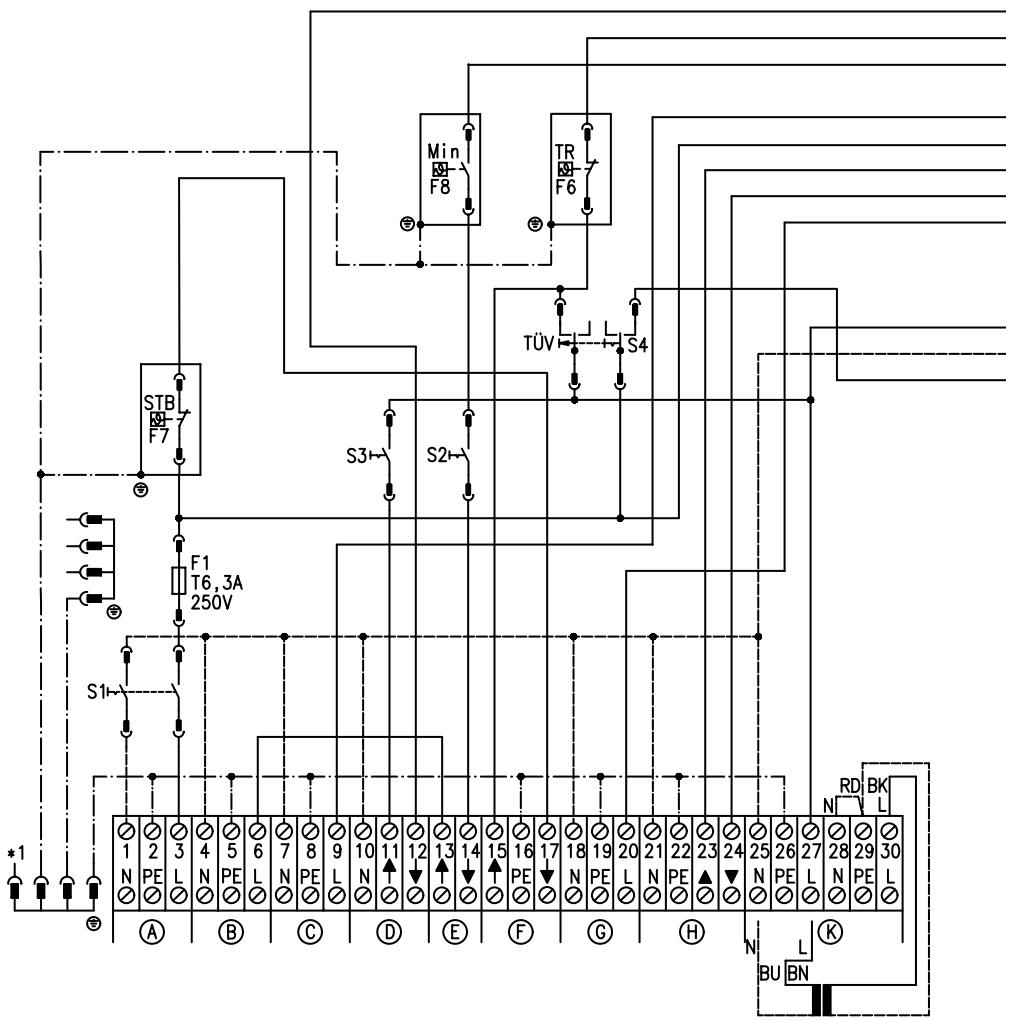
Scheme electrique du boitier de contrôle de bruleur

Pressostat différentiel
B Turbine
Alimentation électrique
Régulation de chaudière

Schemeélectrique

5686 522-F
Régulation de chaudière (suite)
Legende
A Alimentation electrique
⑧ Circulateur circuit de chauffage avec vanne mélangeuse
Pompe de charge ECS
Thermostat a horloge-F (agissant sur le bruleur)
E Thermostat a horloge-F (agissant sur le circulateur chauffage)
F Pressostat gaz (fonctionnement au propane, si la chaudiere fonctionne au gaz naturel, placer un pont ente les bornes "15" et "17")
⑥ Circulateur circuit de chauffage avec vanne mélangeuse
Servomoteur de vanne mélangeuse
Transformateur de séparation (B uniquely)
Sonde extérieure
M Sonde de chaudiere
Sonde d'eau chaude sanitaire
⑤ Sonde de depart
*1Face arrêté du boîtier
A1 Module de commande
F1 Fusible T 6,3 A
F6 Régulation de chaudière
F7 Limiteur de température de sécurité
F8 Aquastat mini (réduction de puissance au démarrage)
S1 Interrupteur alimentation électrique
S2 Interrupteur circulateur chauffage
S3 Interrupteur brûleur
S4 Touche TÜV/Inverseur manuel/automatique
| Type (marque) | |
| Limiteur de température de sécurité | 56.10522.520 (EGO) |
| Aquastat de chaudière | 55.13012.930 (EGO) |
| Aquastat mini | 55.13215.290 (EGO) |
| Pressostat différentiel | 605 (Huba) |
Régulation de chaudière (suite)
Remplacer le fusible

- Couper l'alimentation électrique et empêcher son rétablissement.
- Debloquer le capuchon en le tournant d'un quart de tour vers la gauche et sorting le capuchon.
- Contrôler ou remplaçer le fusible (B). F1 = T 6,3 A
Régulation de chaudière (suite)
Contrôler le limiteur de température de sécurité
La touche TÜV sert au contrôle du limiteur de température de sécurité.

La touche "TÜV" sert au contrôle du limiteur de température de sécurité.
L'aquastat de chaudière '' 0" est shunte.
Le brûleur est enclenché jusqu'à ce que la température d'eau de chaudièreatteigne la consigne de sécurité et que le limiteur arrêté la chaudière.
Après arrêt de la chaudière par le limiteur de température de sécurité,
I'licher la touche "TUV",
- attendre que la température d'eau de chaudière soit redescendue à 15 - 20 K (kelvins) en dessous de la consigne de sécurité régée puis réarmer le limiteur de température de sécurité en appuyant sur le bouton "û". Pour ce faire, dévisser le capuchon et appuyer sur le bouton avec un objet pointu.
Régulation de chaudière (suite)
Contrôler les sondes
Raccordement des sondes, voir schéma électrique, pages 36/37).
Résistances
| Température °C | Résistance de la sonde kΩ |
| -20 | 1,383 |
| -10 | 1,511 |
| 0 | 1,644 |
| 10 | 1,783 |
| 20 | 1,928 |
| 30 | 2,078 |
| 40 | 2,234 |
| 50 | 2,395 |
| 60 | 2,563 |
| 70 | 2,735 |
| 80 | 2,914 |
| 90 | 3,098 |
| 100 | 3,287 |
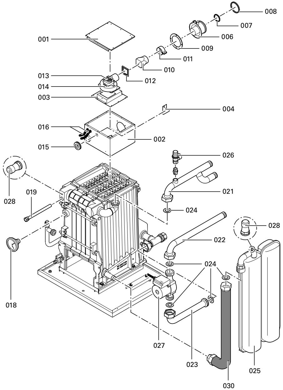
Listedespiecesdetachées
Remarque importante pour la commande de pieces détachées!
Indiquer le numero de commande et le numero de fabrication de l'appareil (voir plaque signalétique) et le numero d'ordre de la piece détachée (de la presente liste). Les pieces courantes sont en vente dans le commerce.
Pièces détachées
001 Couvercle boite d'air
002 Boîte d'air avec joint (avec pos. 001 et 004)
003 Boite de fumées
004 Cornière d'admission d'air primaire
005 Flexible
006 Manchette de raccordement à la chaudière (avec pos. 007 et 008)
007 Joint à levres 70 mm
008 Joint à lèvres 110mm
009 Joint plat
010 Pièce de liaison
011 Collier de tube
012 Joint carre
013 Turbine (avec pos. 014)
014 Porteturbine
015 Passe-cable
016 Flexible de raccordement
018 Manometre
019 Doigt de gant
020 Pressostat différentiel
021 Conduite de depart chaudiere
022 Conduite de return chaudiere partie I
023 Conduite de return chaudiere partie II
024 Jeu de joints
025 Vase d'expansion
026 Soupape de sécurité
027 Circulateur chauffage
028 Purgeur d'air manuel
029 Robinet de vidange
030 Tube ondule DN 15
031 Brosse de nettoyage
100 Brûleur gaz (avec pôs. de 101 à 105)
101 Isolation,chambre de combustion
102 Bloc combiné gaz
103 Rampede bruleur
104 Electrode d'allumage
105 Electrode de surveillance
106 Boitier d contrôle de brûleur
107 Câble d'ionisation
108 Viseur de flamme
109 Pressostat gaz (version propane uniquement)
201 Tôle supérieure jaquette (avec pos. 208)
202 Tôle avant jaquette (avec pos. 208 et 209)
203 Tôle laterale jaquette (avec pos. 208 et 209)
204 Tôle arrêté jaquette
205 Tôle en Z
206 Ressort tendeur (jeu de 4)
207 Matelas isolant corps de chaudiere
208 Pochette d'accessoires de fixation
209 Cache
210 Mousqueton
250 Interrupteur alimentation électrique
251 Commutateur ete/hivers pour bruleur et circulateur chauffage
252 Bouton température d'eau de chaudière
253 Inverseur manuel/automatique avec touche TUV
254 Fusible T 6,3 A (jeu de 10)
255 Coiffe de fusible
256 Aquastat de chaudière
257 Limiteur de température de sécurité
258 Aquastat mini
260 Plastron régulation pour marche à température constante
261 Régulation pour marche à température constante, avec regulation ECS
262 Régulation en fonction de la température extérieure, avec régulation ECS
263 Régulation en fonction de la température extérieure, avec action sur vanne mélangeuse et régulation ECS
Pieces détachées non représentées
264 Sonde de depart
265 Sonde extérieur
266 Sonde de chaudiere
267 Sonde ECS
268 Bornier 4 broches
269 Bornier 9 broches
270 Bornier 16 broches
300 Ruban à étanchéifier
301 Notice d'utilisation
303 Notice de maintenance
304 Notice de montage
305 Pièces de passage au gaz naturel
306 Pièces de passage au propane
307 Bombe aerosol de peinture blanche
308 Flacon à applicateur de peinture blanche
309 Transformateur de séparation
A Plaque signalétique
Listedespiecesdetachedesuite)

5686 522-F
Listedespiecesdetachées (suite)

5686 522-F
Listedespiecesdetachées (suite)

Listedespiecesdetachées (suite)

5686 522-F
\section*{Caracteristiques techniques}
Chaudiere gaz type C12, C32, C42;
catégie II_2E + 3 +
| Puisance nominale | kW | 24 | 30 |
| Débit calorifique nominale | kW | 26,7 | 33,3 |
| Débits de gaz*1 rapportés à la charge maximale | |||
| Gas PCI | |||
| Gaz naturel | |||
| Es (H) | 10,2 kWh/m3 | m3/h | 2,62 |
| 36,7 MJ/m3 | l/min | 43,63 | |
| Gaz naturel | |||
| Ei (L) | 9,3 kWh/m3 | m3/h | 2,87 |
| 33,5 MJ/m3 | l/min | 47,85 | |
| Propane | 12,8 kWh/m3 | kg/h | 2,09 |
| 46,1 MJ/m3 | |||
| Numéro CE de la chaudière | CE-0085 BL 0493 | ||
| Pression d'alimentation gaz | |||
| Gaz naturel Es | mbar | 20 | 20 |
| Gaz naturel Ei | mbar | 25 | 25 |
| Propane | mbar | 37 | 37 |
| Fumées*2 | |||
| Température (brute)*3 | °C | 152 | 150 |
| Débit massique gaz naturel et propane | kg/h | 56,0 | 70,0 |
1Les débits de gaz ne servent qu'au contrôle volumétrique complémentaire du réglage.
2Valeur de calcul pour le dimensionnement de la cheminée, mesurée en aval du coupe-tirage.
*3Température des fumées mesurée à 20°C de température d'air de combustion.
Déclaration de conformité pour la Vitogas 100
Déclaration de conformité pour la Vitogas 100
La société Viessmann déclare sous sa seule responsabilité que le produit
Vitogas 100
est conforme aux normes suivantes :
EN 483
EN 60335
EN 50 165
EN 55 014
EN 55 104
EN 61 000-3-2
EN 61 000-3-3
Ce produit est certifié CE aux termes des Directives Européennes
90/396/CEE
89/336/CEE
73/23/CEE
92/42/CEE
et marqué comme suit :
C€-0085
Ce produit remplit les conditions requises par la Directive Rendement (92/42/CEE) pour :
les Chaudières Basse Température.
Allendorf, le 5 mai 2003
| Valeurs régles et mesurées | Valeur de consigne | Mise en service | ||
| le par | ||||
| Pression au repos | constatée | mbar | 57,5 mbar maxi | |
| Pression d'alimentation | ||||
| ☐ gaz naturel Es | constatée | mbar | 18-22 mbar | |
| ☐ gaz naturel Ei | constatée | mbar | 22-27 mbar | |
| ☐ Propane | constatée | mbar | 33-41 mbar | |
| Cocher le type de gaz | ||||
| Pression aux injecteurs | constatée | mbar | ||
| réglée | mbar | |||
| Teneur en dioxyde de carbone CO2 | constatée | Vol.-% | ||
| réglée | Vol.-% | |||
| Teneur en oxygène O2 | constatée | Vol.-% | ||
| réglée | Vol.-% | |||
| Teneur en monoxyde de carbone CO | constatée | ppm | ||
| réglée | ppm | |||
| Température des fumées (brute) | constatée | °C | ||
| réglée | °C | |||
| Pertes par les fumées | constatée | % | ||
| réglée | % | |||
| Courant d'ionisation | constatée | μA | 1,5 μA mini | |
| réglée | μA | 1,5 μA mini | ||
| Pression différentielle | constatée | Pa | ||
| réglée | Pa | |||
| Entretien | Entretien | Entretien | Entretien | |
Proces-verbal (suite)
| Valeurs régles et mesurées | Valeur de consigne | Mise en service | ||
| le par | ||||
| Pression au repos | constatée | mbar | 57,5 mbar maxi | |
| Pression d'alimentation | ||||
| ☐ gaz naturel Es | constatée | mbar | 18-22 mbar | |
| ☐ gaz naturel Ei | constatée | mbar | 22-27 mbar | |
| ☐ Propane | constatée | mbar | 33-41 mbar | |
| Cocher le type de gaz | ||||
| Pression aux injecteurs | constatée | mbar | ||
| réglée | mbar | |||
| Teneur en dioxyde de carbone CO2 | constatée | Vol.-% | ||
| réglée | Vol.-% | |||
| Teneur en oxygène O2 | constatée | Vol.-% | ||
| réglée | Vol.-% | |||
| Teneur en monoxyde de carbone CO | constatée | ppm | ||
| réglée | ppm | |||
| Température des fumées (brute) | constatée | °C | ||
| réglée | °C | |||
| Pertes par les fumées | constatée | % | ||
| réglée | % | |||
| Courant d'ionisation | constatée | μA | 1,5 μA mini | |
| réglée | μA | 1,5 μA mini | ||
| Pression différentielle | constatée | Pa | ||
| réglée | Pa | |||
Entretien
Entretien
Entretien
Entretien
5686 522-F
Proces-verbal (suite)
| Valeurs régles et mesurées | Valeur de consigne | Mise en service | ||
| le par | ||||
| Pression au repos | constatée | mbar | 57,5 mbar maxi | |
| Pression d'alimentation | ||||
| ☐ gaz naturel Es | constatée | mbar | 18-22 mbar | |
| ☐ gaz naturel Ei | constatée | mbar | 22-27 mbar | |
| ☐ Propane | constatée | mbar | 33-41 mbar | |
| Cocher le type de gaz | ||||
| Pression aux injecteurs | constatée | mbar | ||
| réglée | mbar | |||
| Teneur en dioxyde de carbone CO2 | constatée | Vol.-% | ||
| réglée | Vol.-% | |||
| Teneur en oxygène O2 | constatée | Vol.-% | ||
| réglée | Vol.-% | |||
| Teneur en monoxyde de carbone CO | constatée | ppm | ||
| réglée | ppm | |||
| Température des fumées (brute) | constatée | °C | ||
| réglée | °C | |||
| Pertes par les fumées | constatée | % | ||
| réglée | % | |||
| Courant d'ionisation | constatée | μA | 1,5 μA mini | |
| réglée | μA | 1,5 μA mini | ||
| Pression différentielle | constatée | Pa | ||
| réglée | Pa | |||
| Entretien | Entretien | Entretien | Entretien | |
Index
A
Air primaire, 10
B
Bloc combiné gaz, 14, 16
Boitier de contrôle
debruleur,33,34
Brûleur d'allumage, 21
C
Clapets de retenue, 6
Contrôle de l'étanchéité, 23
Courant d'ionisation, 18, 31
D
Débits de gaz, 47
Déclaration de conformité, 48
Defaut, 30
E
Ecart des electrodes, 20
Electrode d'allumage, 20
Electrode d'ionisation, 20
F
Fusible, 39
G
Graphique des séquences
defonjectionnent,33
N
N^ de fabrication, 2
Nettoyants, 21
L
Liminateur de température de
sécurité, 30, 40
M
Manomètre, 6
Mesures entre les deux tubes
de la ventouse, 23
P
Plage d'indice de Wobbe, 7, 17
Pression différentielle, 13
Pression de replissage d'azote
du vase d'expansion, 6
Proces-verbal, 50
R
Rampes du bruleur, 20
s
Schéma électrique, 36
Surfaces d'échange, 21
T
Tableau des pressions
auxinjecteurs,17
Type de gaz, 7
V
Vase d'expansion à membrane, 6
Ventouse, 8
Viessmann S.A. 57380 Faulquemont
Tel. 03 87 29 17 00
www.viessmann.fr
Notice Facile